|
|
|
РЕСПУБЛИКАНСКИЕ СТРОИТЕЛЬНЫЕ НОРМЫ ИНЖЕНЕРНЫЕ ИЗЫСКАНИЯ ДЛЯ СТРОИТЕЛЬСТВА. СОСТАВЛЕНИЕ ПРОГНОЗА ИЗМЕРЕНИЙ РСН 67-87 Госстрой РСФСР ГОСУДАРСТВЕННЫЙ КОМИТЕТ РСФСР ПО ДЕЛАМ СТРОИТЕЛЬСТВА СОДЕРЖАНИЕ РАЗРАБОТАНЫ производственным объединением «Стройизыскания» Госстроя РСФСР совместно с институтом Фундаментпроект Минмонтажспецстроя СССР. Исполнители: канд. геол.-мин. наук А.И. Левкович («Стройизыскания»), канд. геол.-мин. наук М.А. Минкин, инж. С.П. Дмитриева (Фундаментпроект), Ю.А. Попов («Стройизыскания»). ВНЕСЕНЫ И ПОДГОТОВЛЕНЫ К УТВЕРЖДЕНИЮ производственным объединением по инженерно-строительным изысканиям («Стройизыскания») Госстроя РСФСР. Вводятся впервые.
Настоящие Нормы устанавливают технические требования к производству работ по составлению прогноза измерений температурного режима грунтов для инженерно-геологического обоснования строительства новых, реконструкции и расширения действующих промышленных предприятий, зданий и сооружений, объектов сельскохозяйственного назначения, а также городов, поселков и сельских населенных пунктов на вечномерзлых грунтах. Требования Норм не распространяются на составление прогноза для обоснования строительства гидротехнических, магистральных линейных и подземных сооружений, а также мостовых переходов. Требованиями Норм следует руководствоваться при инженерно-геологическом обосновании строительства на участках талых грунтов, расположенных в пределах районов распространения вечномерзлых грунтов, а также при необходимости оценки динамики сезоннопромерзающего слоя в районах с сезонным промерзанием. Составление прогноза изменения температурного режима грунтов необходимо производить в соответствии с требованиями к порядку составления прогноза мерзлотных инженерно-геологических условий, регламентированному РСН 31-83, а также с общими требованиями к прогнозу изменения инженерно-геологических условий, установленными действующими нормативными документами по изысканиям и проектированию оснований и фундаментов.
1. ОБЩИЕ ПОЛОЖЕНИЯ1.1. Составление прогноза изменений температурного режима грунтов является необходимым элементом инженерно-геологического обоснования строительства (реконструкции, расширения) объектов народного хозяйства в районах распространения вечномерзлых грунтов. Составление прогноза измерения температурного режима грунтов производится изыскательской организацией при участии проектной организации-заказчика. Участие проектной организации заключается: в совместном с изыскательской организацией определении конкретных задач и вариантов прогноза; в представлении необходимых исходных данных для каждого варианта прогноза; в совместном с изыскательской организацией обсуждении результатов прогноза. 1.2. Составление прогноза изменений температурного режима грунтов производится для ограниченного определенным образом грунтового массива путем последовательного расчета температурных полей в этом массиве, соответствующих любым заданным моментам времени от начала расчета. Температурный режим (совокупность последовательных температурных полей в этом массиве, соответствующих любым заданным моментам времени от начала расчета. Температурный режим (совокупность последовательных температурных полей) в грунтовом массиве рассчитывается как результат задаваемых на весь период расчета прогноза тепловых воздействий на верхней, боковых и нижней границах грунтового массива. 1.3. Расчет температурного режима грунтов производится для конкретных инженерно-геологических разрезов с учетом естественных изменений температурного режима воздуха и радиационного баланса дневной поверхности, естественных и техногенных условий теплообмена на поверхности грунтов (снежный и растительных покровы, насыпи, асфальтовые покрытия и т.п.) и техногенных источников и стоков тепла (здания и сооружения). Расчет температурного режима грунтов производится на основе следующих данных: материалов инженерно-геологических изысканий (инженерно-геологические разрезы с выделением классификационных разновидностей грунтов, физические и теплофизические свойства последних, естественные температуры грунтов и др.); технического задания (пространственное размещение проектируемых объектов и проектный температурный режим в них, в том числе температурный режим в проветриваемых подпольях, вентилируемых насыпях и подвалах; при необходимости - вертикальная планировка территории; данные о заглублении проектируемых объектов, физические и теплофизические характеристики материала фундаментов, насыпей, полов и других теплоизоляционных покрытий и др.); справочных материалов (температурный режим воздуха, радиационный баланс дневной поверхности, мощность и плотность снежного покрова и др.). 1.4. Расчетный срок (время) прогноза определяется расчетным сроком эксплуатации проектируемых объектов, для инженерно-геологического обоснования строительства, которых составляется прогноз и указывается в техническом задании. Расчет прогноза может быть прекращен ранее в случаях стабилизации температурного режима грунтов в исследуемом грунтовом массиве. Под стабилизацией температурного режима в данном случае понимается наступление динамического равновесия температур в исследуемом массиве с учетом характера изменений тепловых воздействий на верхней границе массива. 1.5. Настоящие Нормы устанавливают правила расчета изменений температурного режима грунтов численным методом решения уравнения нестационарной теплопроводности с фазовыми переходами грунтовой влаги. Прогноз составляется без учета миграции влаги, конвективного и лучистого теплообмена в грунтах. При составлении прогноза учитываются: неоднородность состава, свойств и состояния грунтов в исследуемой грунтовой области; изменение соотносительных количеств льда и незамерзшей воды в диапазоне температур, принимаемых грунтами; изменение граничных тепловых условий во времени и пространство; локальные источники и стоки тепла, расположенные внутри исследуемой грунтовой области. 1.6. Программа PROGNOZ имеет 5 модификаций, изложенных в п. 2.3., составлена на языке «ФОРТРАН-IV» и предназначена для использования на ЕС ЭВМ с операционной системой ОС ЕС MVT 6.1 и с памятью не менее 300 килобайт. 1.7. Пакет программ поставляется на магнитной ленте пользователя. Организация-держатель подлинника - институт «Фундаментпроект». 2. АЛГОРИТМ И СТРУКТУРА ПРОГРАММЫ2.1. Математическая постановка задачиПроцесс распространения тепла в грунте в трехмерном пространстве описывается уравнением
где
Энтальпия является функцией температуры, времени и координат. Так как рассмотренные ниже выводы верны для всех точек пространства, то будем рассматривать энтальпию только как функцию температуры. С учетом теплоты фазовых переходов в грунте, энтальпия равна:
где
Задача рассматривается в
параллелепипеде
а) температура окружающей среды:
или б) теплопоток
или в) теплообмен по закону Ньютона
температура окружающей среды
постоянный теплопоток
Начальная температура грунта известна по всем параллелепипеде D:
Требуется найти температуру грунта (функция U) непрерывную в D, удовлетворяющую уравнению (1), краевым условиям (2)-(4) и начальному условию (5). 2.2. Алгоритм решения задачиПредлагаемым алгоритмом решения задача (1)-(5) решается энтальпийным конечно-разностным методом по явной В прямоугольнике D
вводится произвольная прямоугольная неравномерная разностная сетка с шагами
Применяя интегро-интерполяционный метод (метод баланса) построения однородных разностных схем, разностное уравнение, аппроксимирующее уравнение (1) по явной схеме на сетке (6) будет иметь вид
где
Для краевых условий I рода соответствующее
где для краевых условий II рода
где для краевых условий III рода
где
При
решении задачи на шаге Расчетные формулы для определения энтальпии и температуры по известной энтальпии следующие: По определению полная энтальпия
где
Рис. 1. График изменения теплоемкости по температуре ----------------- без учета фазовых переходов в спектре отрицательных температур ________________ то же с учетом фазовых переходов в спектре отрицательных температур Все дальнейшие расчеты проводятся с учетом фазовых переходов в спектре
отрицательных температур. Незамерзшая вода учитывается в виде Критические значения энтальпии:
.Здесь и далее К - условная температура в градусах Цельсия, при которой теплосодержание (энтальпия) принимается равной нулю. (Абсолютный нуль К = -273°С.
Энтальпия определяется по следующим формулам (рис. 2): если
если
Рис. 2. График изменения энтальпии по температуре По известной энтальпии температура определяется: если
если
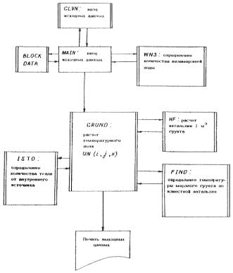
если 2.3. Структура программыАлгоритм, описанный выше, реализован в программе PROGNOZ. Связь между частями программы представлена на рис. 3.
Рис. 3. Межмодульные связи в программе PROGNOZ Программа PROGNOZ имеет 5 модификаций: 1. PROGNOZ-3S Решается задача по трехмерной расчетной схеме. Главная (управляющая) программа MAIN составляется для каждого варианта прогноза. В программе MAIN вводятся исходные массивы начальной температуры и некоторые другие исходные данные. Размерности массива, индивидуальные для каждого варианта прогноза, задаются в операторах описания. Из
программы MAIN происходит обращение к подпрограмме WNS.
В ней определяются коэффициенты А, В, и С для вычисления количества незамерзшей
воды в каждом слое грунта, по формуле Из подпрограммы WNS получены массивы А (N), В (N), С (N) передаются в MAIN. В
подпрограмме GRUND определяются одно-, двух- или трехмерные
температурные поля в заданном массиве грунтов. Здесь используются
подпрограмма-функция HF и подпрограмма FIND. HF (N,U1) вычисляет энтальпию 1 м3
грунта в N-ом слое при температуре Подпрограмма
FIND (HN1, N1, UL1) определяет температуру UL1 в
слое грунта с номером N1 по энтальпии HN1, если Подпрограмма ISTO (i, j, K, T, F) учитывает влияние источников тепла и охлаждающих установок, находящихся внутри массива грунта. Результат работы подпрограммы присваивается простой переменной F, где F - тепло, выделяемое внутренними источниками (стоками) в единицу времени (час) в фиксированном элементе (i,j,K) грунтового массива в момент времени T. Алгоритм подпрограммы может быть составлен, как по экспериментальным данным, так и по теоретическим расчетам применительно к конкретному случаю. Для обращения к подпрограмме ISTO в подпрограмме GRUND (рекомендуемое приложение 2) следует заменить оператор А = 0.0 с номером 0000399 на обращение к подпрограмме ISTO: CALL ISTO (i, j, K, T, F). В подпрограмме GRUND выводятся на печать значения рассчитанного температурного поля. Пример текста подпрограммы ISTO приведен в рекомендуемом приложении 2. 2. PROGNOZ-3N Задача решается по трехмерной расчетной схеме. Отличие от PROGNOZ-3S в том, что вся исходная информация вводится только с перфокарт, изменений текста не требуется. Максимальное количество элементов в расчетной области - 3000. Ввод данных осуществляется в управляющей программе MAIN3N и подпрограмме GLVN3N. Подпрограмма BLOCK DATA отсутствует. 3. PROGNOZ-2S Эта подпрограмма отличается от PROGNOZ-3S тем, что рассчитывает только двух- и одномерные температурные поля. Программы MAIN и BLOCK DATA составляются для каждого варианта прогноза. Расчет двухмерных задач по модификации PROGNOZ-2S сокращает время расчета по отношению к PROGNOZ-3S приблизительно 1,5 раза. 4. PROGNOZ-2N Аналогично PROGNOZ-2S рассчитывается только двух- и одномерные температурные поля. Вся исходная информация вводится только с перфокарт. Ввод данных осуществляется в подпрограмме MAIN2N и подпрограмме GLVN2N. Подпрограмма BLOCK DATA отсутствует. Максимальное количество элементов в расчетной области - 3000. 5. PROGNOZ-L Решается двухмерная задача. Верхняя граница области исследования может быть задана ступенчатой линией. Ввод данных аналогичен PROGNOZ-2N. Максимальное количество элементов (с учетом фиктивных) в расчетной области - 3000. 3. ПОДГОТОВКА ИСХОДНЫХ ДАННЫХ ДЛЯ РАСЧЕТА3.1. Расчетная областьРасчетная область исследования может быть задана трехмерной, двухмерной или одномерной. Так как в грунтах теплообмен всегда пространствен, т.е. трехмерен, то в трехмерной расчетной области может решаться любая задача прогнозирования. В этом случае любая точка М грунта определяется координатами (x, y, z) в прямоугольной системе координат. В ряде случаев задача может быть сведена к двухмерной и даже одномерной, что более выгодно и удобно при расчете на ЭВМ. Алгоритм составлен и может быть применен для расчетных областей, ограниченных прямоугольной верхней границей, в контурах которой фиксированы в плане тепловыделяющие объекты. В трехмерном случае область исследования параллелепипед, в двухмерном - прямоугольник и в одномерном - прямая. Для создания объема в двухмерной и одномерной областях задаются по направлениям, в которых размеры не определяются, единичные размеры, равные 1 м. Область исследования фиксируется прямоугольной системой координат, с центром 0 в одной из вершин параллелепипеда и направлениями осей: z - в вертикальном направлении, x и y в горизонтальных. Направление горизонтальных осей x и y совпадает с осевыми линиями тепловыделяющих объектов. Величина ребер параллелепипеда определяет размеры области исследования. Его грани являются границами области исследования. Различаются верхняя, нижняя и четыре боковые границы (соответственно верхняя, нижняя и четыре боковых грани параллелепипеда). Теплопоток через боковые границы области исследования должен быть построен во времени и по всей плоскости грани. Исходя из этого, определяются размеры области исследования. На практике чаще применяется условие отсутствия теплопотока через боковые границы. Тогда для тепловыделяющих сооружений расстояние от их контура в плане до боковой границы области исследования должно быть в 2,5-3 раза больше, чем размеры самого здания в том же направлении. Положение нижней границы (глубина области исследования) выбирается ниже глубины распространения годовых колебаний температуры в грунтах и зависит от интенсивности тепловыделения на верхней границе, а также срока прогнозного расчета. При естественных условиях теплообмена на верхней границе, или без наличия тепловыделяющих сооружений эта глубина должна быть не менее 15-20 м. В остальных случаях она должна быть на 10 м больше максимальной глубины чаши оттаивания, определенной расчетом по СНиП II-18-76. При определении области исследования следует исходить также из экономии времени счета на ЭВМ. Для этого следует использовать возможную симметричность задачи, а также возможность сведения трехмерной области с двухмерной или одномерной. Если задача симметрична, или может быть сведена к симметричной, то в трехмерной задаче плоскость (или плоскости) симметрии, а в двухмерной ось (или оси) симметрии должны быть границами области исследования с условием отсутствия теплообмена на них. 3.2. Разбивка области исследованияОбласть исследования разбивается на прямоугольные элементы произвольных размеров (рис. 4).
Рис. 4. Пример разбивки области исследования Разбивка производится горизонтальными и вертикальными плоскостями (разбивочными плоскостями), параллельными соответствующим границам области в следующем порядке: на верхней и нижней границах области исследования выделяются зоны с различным режимом теплообмена грунта с окружающей средой. На каждом из этих границ может быть выделено до 9 таких зон; границы выделенных зон с различным режимом теплообмена должны быть параллельны боковым границам области исследования. Если граница выделенной зоны не отвечает этому требованию, то она заменяется ступенчатой линией со «ступеньками», аппроксимирующими ее контур и удовлетворяющими указанному требованию; после построения границ зон через каждую прямую, образующую «ступеньки», как на верхней, так и на нижней границах области исследования проводятся разбивочные плоскости; криволинейные границы литологических разностей заменяются ступенчатыми, с плоскостями образующих их «ступенек», параллельными границам области исследования; проводятся разбивочные плоскости через плоскости полученных «ступенек»; проводятся остальные разбивочные плоскости так, чтобы в зоне возможных фазовых переходов грунтовой влаги размеры ребер получаемых прямоугольных элементов в направлении теплообмена составляли от 0,5 до 2 м. Размер ребер тех же элементов в перпендикулярных направлениях может быть соответственно в 2-3 раза больше. Вне зоны возможных фазовых переходов и влияния тепловыделяющих объектов размер элементов в направлении теплообмена может быть постепенно увеличен до 6-8 м. По каждому направлению число элементов не должно превышать 100. В результате проведенного разбиения область исследования состоит из прямоугольных элементов разных размеров. Каждая выделенная литологическая разность представлена целым числом элементов. В контурах зон с различным режимом теплообмена на верхней и нижней границах содержится целое число элементов (в плане). Полученное разбиение остается постоянным на все время проведения расчета. За каждым элементом закрепляется трехзначный индекс (i, j, к), где i определяет номер элемента по направлению оси z, j - по направлению оси х и к - по направлению оси у. Фиксируется число расчетных элементов по направлению осей. Обозначим
их соответственно NI, NJ, NK. Произведение При решении двухмерной задачи NK =1. При решении одномерной NK = 1 и NJ = 1/ 3.3. Начальные условияВ каждом полученном элементе области исследования задаются начальные условия (U*), т.е. температуры грунта, соответствующие времени начала расчета. Эти температуры назначаются в геометрических центрах элементов и считывается, что каждый элемент характеризуется температурой его центра. Последнее положение также относится к любым температурным полям, полученным в процессе расчета задачи. Начальное распределение температур в области исследований назначается по данным термокаротажных работ. Время проведения этих работ считается моментом начала расчета. Начальная температура (U0) ни в одном из элементов не может назначаться равной температуре начала фазовых переходов (U*). В этом случае задается температура (U*) ± ε, где°С. Начальная
температура грунта (U0) записывается в табл. 1 по
«разрезам», сделанным параллельно оси j в области исследования для
каждого фиксированного значения К, где K=1
K=2
и т.д. K=NK
3.4. Граничные условияГраничные условия задаются на каждое границе области исследований на все время расчета температурного режима. На верхней границе области исследования задаются независимые друг от друга граничные условия в каждой выделенной зоне с различным режимом теплообмена грунта с внешней средой. Количество граничных условий на нижней границе определяется количеством выделенных на границе зон с различным режимом теплообмена. В одномерных задачах на верхней и нижней границах задается только одно граничное условие. На каждой из боковых границ области исследования задается по одному граничному условию. Различают граничные условия I, II и III рода. Условие I рода - известна температура грунта на поверхности границы; Условие II рода - известен теплопоток через поверхность границы. Условие III рода - теплообмен через границу области исследования определяется температурой окружающей среды и коэффициентом теплообмена, т.е. происходит по закону Ньютона.
где Q - количество приходящего к поверхности грунта или уходящего от него тепла, кДж (ккал); δ - коэффициент теплоотдачи с поверхности грунта, Вт/(м2·°С), ккал/ /(м2·°С·ч); Un - температура поверхности грунта, °С; tв - температура окружающей среды, °С. Граничные условия верхней границы изменяются с периодом повторения Тпер, назначаемым в исходных данных расчета. На практике наиболее часто употребляется Тпер = 1 год = 8760 часов. Период счета разбит на интервалы. Если период год, то интервалов 12 (12 месяцев) или 36 (36 декад). Количество интервалов задается в исходных данных переменной Li. На верхней границе области исследования, в каждой выделенной зоне с различным режимом теплообмена грунта с внешней средой, для каждого интервала периода счета задаются следующие средние значения за этот интервал величин, определяющих теплообмен в зависимости от рода краевых условий в зоне: для условий I рода задается температура поверхности грунта, °С; для условий II рода задается величина теплопотока; кДж (ккал); для условий III рода задаются: tв - температура окружающей среды, °С; Rпов - термическое сопротивление поверхности грунта, м2·°С/Вт, м2·ч·°С/ккал; αпов - коэффициент теплообмена, Вт/(м2·°С), ккал/(м2·ч·°С). На любой момент времени от начала счета значения этих величин определяются линейной интерполяцией между значениями их в соседних интервалах. На нижней границе задаются условия теплообмена I рода. При этом в каждой выделенной зоне значения температуры могут быть только постоянными на все время проведения расчета. На каждой их четырех боковых границ задаются условия II рода. Теплопоток на каждой границе постоянен на все время проведения расчета и по всей плоскости грани. Для граничных условий верхней границы заполняется табл. 2. При этом каждой выделенной зоне присваивается постоянный номер от 1 до М, где М £ 9.
и т.д. для каждой выделенной зоны После закрепления номеров за каждой зоной краевых условий верхней границы заполняется табл. 3. Каждое значение KL (j, К) этой таблицы имеет вид:
где NP -
номер типа источника, MD - номер зоны краевых условий верхней границы, в которой находится элемент (i, j, K) области исследования; MDK - номер зоны краевых условий нижней границы для соответствующего элемента (N i, j, K) области исследования. Для двухмерной задачи табл. 3 состоит из одного столбца для K = 1, для одномерной из одного числа KL (1,1).
3.5. Физические и теплофизические свойстваРасчетная область может содержать до 10 литологических разностей, характеризующихся следующими свойствами, учитывающимися алгоритмом: ρd - плотность сухого грунта кг/м3; Wtot - весовая влажность грунта, доли единицы; Cd - удельная теплоемкость скелета, кДж/(кг·°С), ккал/(кг·°С); λТ - коэффициент теплопроводности грунта в талом состоянии Вт/(м·°С), ккал/(м·ч·°С); λМ - коэффициент теплопроводности грунта в мерзлом состоянии Вт/(м·°С), ккал/(м·ч·°С); U0 - температура начала фазовых переходов, °С; Ww - количество незамерзшей воды в диапазоне отрицательных температур, доли, задаваемой кривой
где A, B, C - коэффициенты, определяющие количество незамерзшей воды в данной литологической разности. Все вышеуказанные свойства должны быть определены для каждой литологической разности по лабораторным данным, справочным или нормативным документам. Они остаются неизменными для всего времени счета. Составляется
табл. 4. При этом каждой литологической разности присваивается постоянный номер
от 1 до
В графе Ww помещается информация о незамерзшей воде в
данном слое. Если известна кривая, то есть уже известны коэффициенты
A, B, C ее задающие, то
записываются значения коэффициентов. Если известны лабораторные данные, то приводятся они. Например, После закрепления номеров за каждой литологической разностью заполняется табл. 5, структура которой повторяет табл. 1. Таблицей 5 за каждым элементом, (i, j, K) , полученным при разбивке области исследования, закрепляется номер той литологической разности, которой он принадлежит. Каждое
значение N (i, j, K) в
табл. 5 может быть только целым числом от 1 до K=1
K=2
и т.д. K=NK
3.6. Дополнительные данные, необходимые для проведения расчетаДля проведения расчета необходимо также определить значение следующих величин, задействованных алгоритмом. Шаг по времени. Размеры элементов и шаг по времени связаны между собой следующим соотношением:
где Δt - шаг по времени, ч; i - номер грунтовой разности; NSL - число выделенных грунтовых разностей;
Ww - количество незамерзшей воды, доли; ρd - удельная теплоемкость сухого грунта, кДж/(кг·°С), ккал/(кг·°С); Сd - удельная теплоемкость сухого грунта, кДж/(кг·°С), ккал/(кг·°С); CЛ - удельная теплоемкость льда, кДж/(кг·°С), ккал/(кг·°С); v - коэффициент объемного расширения, v = 1,1; Wtot - весовая влажность грунта, доли; λM - коэффициент теплопроводности мерзлого грунта, Вт/(м·°С), ккал/ /(м·ч·°С); n - мерность области исследования, Δh - размер ребра элемента. Шаг по времени может быть изменен в процессе счета NT раз, где NT ³ 1. Время измерения расчетного шага от начала расчета задается одномерным массивом TR размерностью NT.
где Tизм - время измерения шага от начала счета в часах. Отсчет происходит от моментов начала счета, т.е. от 0. Определяется Ткон (час) - время окончания решения задачи. Задаются T1, T2, T3, TP - время выдачи результатов расчета на печать (в часах). Время последней выдачи результата TP обязательно меньше Tкон на один шаг по времени. В противном случае счет может прекратиться раньше, чем будет получен последний результат. Определяются интервалы, через которые происходит очередная выдача результатов на печать.
Для последующего ввода в ЭВМ формируется одновременный массив HPRI размерностью INT. Размерность INT массива зависит от того, с постоянным шагом выдаются результаты расчета или нет.
Если INT = 2, то HPRi (1) = -1,0, HPRi (2) = Hпеч. Если INT = P + 1, то HPRi (1) = P, HPRi (2) = T1,
Задание печати распределения температур Для удобства обработки информации, получаемой в результате расчета, фиксируются необходимые для анализа температурного режима «линии резервов», по которым выдается на печать распределение температур. Положение «разрезов», параллельных плоскости ZOX, задается координатой K элементов, составляющих этот разрез. Формируется массив целых чисел KP размерностью KW , где KW - число выдаваемых на печать «разрезов» по направлению K. Если по этому направлению ни одного разреза выдавать на печать не надо, то KW = 1 и KP (1) = 0. В противном случае KP (1) = K1, KP (2) = K2 и т.д. KP (KW) = Kkw, где K1 < K2, < Kkw, KW £ 100. Положение «разрезов», параллельных плоскости ZOY, задается координатой j элементов, составляющих этот разрез. Формируется массив целых чисел jP размерностью jW, где jW - число выдаваемых на печать «разрезов» по направлению j. Если по этому направлению ни одного разреза выдавать на печать не надо, то jW = 1 и j P (1) = 0. В противном случае j P (1) = j1, j P (2) = j2 и т.д. j P (jW) = jjW, где j1 < j2 < < jjW £ 100. Положение «разрезов», параллельных плоскости XOY, задается координатой i элементов, составляющих этот разрез. Формируется массив целых чисел iP размерностью iW , где iW - число выдаваемых на печать «разрезов» по направлению i. Если по этому направлению ни одного разреза выдавать на печать не надо, то iW = 1 и iP (1) = 0. В противном случае iP (1) = i1, iP (2) = i2 и т.д. iP (iW) = iiW, где i1 < i2 < iiW, iW £ 100. 4. ПРОВЕДЕНИЕ РАСЧЕТА4.1. Вызов и загрузка программы в ЭВМКаждая из модификаций программы PROGNOZ состоит из нескольких модулей, объединенных главной программой MAIN. Подпрограммы-модули GRUND, WNS, HF, FIND содержатся в личной библиотеке исходных модулей (или библиотеке загрузочных модулей). Ниже приводится пример пакета вызова программы PROGNOZ-3S из библиотеки исходных модулей. Задание требует не менее 300 килобайт памяти и использует оптимизирующий транслятор (ФОРТРАН-ОП) системы ОС ЕС. Здесь: имя - биб - имя личной библиотеки исходных модулей; имя - тома - имя тома, на которой размещена библиотека. // JOB // EXEC FORTHCLG // FORT. SYSIN DD DDNAME = PKAR // DD DSN = < ИМЯ – БИБ > (GRUND), DISP = SHR, // VOL = SER = < ИМЯ – ТОМА >, UNIT = SYSDA // DD DSN = < ИМЯ – БИБ > (WNS), DISP = SHR, // VOL = SER = < ИМЯ – ТОМА >, UNIT = SYSDA //// DD DSN = < ИМЯ – БИБ > (HF), DISP = SHR, // VOL = SER = < ИМЯ – ТОМА >, UNIT = SYSDA // DD DSN = < ИМЯ – БИБ > (FIND), DISP = SHR, // VOL = SER = < ИМЯ – ТОМА >, UNIT = SYSDA // PKAP DD* <текст программы MAIN на перфокартах> <текст подпрограммы BLOCK DATA на перфокартах> // GO. SYSIN DD* <исходные данные> /* // Текст подпрограммы для модификации PROGNOZ-3S приведен в обязательном приложении 3. 4.2. Составление программы MAIN и подпрограммы BLOCK DATAПрограмма MAIN в модификациях PROGNOZ-3S и PROGNOZ-2S составляется для каждого варианта расчета. Пример программы MAIN для расчета контрольного примера (приложение 1) приведен в обязательном приложении 3. Программа MAIN содержит обращение к основной подпрограмме GRUND алгоритма. Перед обращением к подпрограмме GRUND в MAIN должны быть определены все формальные аргументы подпрограммы, приведенные в табл. 6.
Оператором DIMENSION определяется размерность массивов H, UN, HNDV, U, A1, B1, C1. Ввод массивов N, KL, U, HPRI осуществляется операторами описания типа (INTEGER, REAL), а также операторами присваивания. Применение операторов описания типа для ввода указанных массивов, в подавляющем большинстве проводимых на практике расчетов, уменьшает количество информации, вводимой с перфокарт. Обращение к подпрограммам WNS (NSL, A1, B1, C1) присутствует в том случае, если коэффициенты A1, B1, C1, определяющие кривую незамерзшей воды по грунтовым разностям, неизвестны. В противном случае эти коэффициенты вводятся операторами присваивания или операторами описания типа. Обращение к подпрограмме GRUND присутствует обязательно и имеет вид: CALL GRUND (NSL, NI, NJ, NK, NT, LI, M, M1, TKON, A1, B1, C1, N, KL, U, IW, JW, KW, INT, HPRI, H, UN, HNOV, NSI). Простые переменные NSL, NI, NJ, NK, NT, LI, M, M1, TKON, IW, JW, KW, INT, NSI при обращении к подпрограмме заменяются своими фактическими значениями (см. табл. 6). Массивы H, UN, HNOV определяются только размерностью в операторе DIMENSION. В подпрограмме BLOCK DATA (см. приложение 3) оператором DATA вводятся значения по слоям следующих физических и теплофизических характеристик грунта соответствующими идентификаторами: ВСК (10) - плотность сухого грунта, кг/м3; ССК (10) - удельная теплоемкость сухого грунта, кДж/(кг·°С), ккал/(кг·°С); WC (10) - суммарная влажность грунта в долях к весу абсолютно сухого грунта (доли); UKR (10) - температура начала фазовых переходов. Значения характеристик берутся из табл. 4. Текст программы MAIN и подпрограммы BLOCK DATA записывается на стандартных бланках для записи текста на FORTRANe с последующей набивкой на перфокарты. 4.3. Подготовка к вводу группы данных с перфокартНачальные данные, вводимые с перфокарт описаны в порядке ввода в табл. 7 и 8. По табл. 7 вводятся данные, необходимые для расчета коэффициентов кривой незамерзшей воды подпрограммой WNS, для каждой выделенной грунтовой разности. Если в программе MAIN обращения к подпрограмме WNS нет, то числовые данные для ввода готовятся только по табл. 8.
Все переменные, соответствующие одному порядковому номеру оператора ввода, вводятся по единому формату. 4.4. Выходные данныеПри работе программы за каждый шаг расчета по времени обновляется трехмерный массив температур UN (i, j, K), содержащий значения температур в центрах элементов исследуемого массива грунта. На заданный в исходных данных (п. 3.6) момент времени может быть выведено на печать двухмерное температурное поле, представляющее собой разрез массива U, определенный исходными параметрами (см. п. 3.6). Если в некотором элементе происходят фазовые переходы, то есть температура грунта равна температуре начала фазовых переходов (U*), то для этого элемента печатается число, показывающее, какая его часть находится в талом состоянии, по формату: 7ХХ.ХХ, где 7 - условная цифра, а ХХ.ХХ - процентное содержание талого грунта в элементе. Кроме того, на печать выводятся номер элемента, через который проведен разрез, расстояние от его центра до начала координат и время на моменты печати. Для идентификации точек температурного поля двухмерная матрица окаймляется номерами элементов и значениями расстояния от их центров до начала координат. Пример печати выходных данных приведен на рис. 5.
Рис. 5. Пример печати выходных данных 4.5. Подготовка данных для расчета по программе PROGNOZ-2SИсходные данные готовятся согласно пп. 4.2-4.3 настоящего раздела, но следующие переменные имеют постоянные значения: NK = 1 IW = 1 JW = 1 KW = 1 HK (1) = 1 Ввод массивов jP, KP, iP отсутствует. 4.6. Подготовка данных для расчета по программе PROGNOZ-3NВся исходная информация вводится с перфокарт. Данные готовятся согласно табл. 9. Все переменные, соответствующие одному порядковому номеру оператора ввода, вводятся по единому формату. Максимальное число расчетных элементов 3000, то есть (Ni ´ Nj ´ NK £ 3000).
4.7. Подготовка данных для расчета по программе PROGNOZ-2NИсходные данные готовятся по табл. 9. Следующие переменные имеют постоянные значения: NK = 1 IW = 1 JW = 1 KW = 1 HK (1) = 1 TBK = 0 TBKK = 0 Операторы ввода с порядковыми номерами 18, 19, 20 отсутствуют. Максимальное число расчетных элементов 3000, т.е. (Nj ´ NK £ 3000). 4.8. Подготовка данных для расчета по программе PROGNOZ-LДанные готовятся согласно п. 4.7 настоящего раздела. Значение начальной температуры в фиктивных элементах (элементах, дополняющих область исследования до прямоугольной) задаются равными условному числу 99.99. Краевые условия на верхней ступенчатой границе определяются номером зоны краевых условий на левой, верхней и правой гранях граничных элементов, формирующих верхнюю границу области исследования, и задаются массивом S размерностью (NGR ´ 6) где NGR - число граничных элементов (рис. 6).
Рис. 6. Пример задания ступенчатой области исследования
S (d, 1) - порядковый номер элемента, S (d, 1) = d; S (d, 2) - координата элемента по направлению i 1 £ S (d,2) £ Ni; S (d, 3) - координата элемента по направлению j 1 £ S (d, 3) £ Nj; S (d, 4) - номер зоны краевых условий на левой грани элемента, 0 £ S (d, 4) £ 9. S (d, 4) = 0, если эта грань не является поверхностью теплообмена с внешней средой; S (d, 5) - номер зоны краевых условий на верхней грани элемента, 0£ S (d, 5) £ 9. S (d, 5) = 0, если эта грань не является поверхностью теплообмена с внешней средой; S (d, 6) - номер зоны краевых условий на правой грани элемента, 0£ S (d, 6) £ 9. S (d, 6) = 0, если эта грань не является поверхностью теплообмена с внешней средой; По предлагаемому алгоритму не могут рассматриваться случаи, когда нижняя грань элементов, формирующих верхнюю границу области исследования, является поверхностью теплообмена с внешней средой. Ввод двухмерного массива S осуществляется по строкам оператором ввода 11-а (см. табл. 9). Например, на верхней границе ступенчатой области (см. рис. 6) выделено 3 зоны с различными условиями теплообмена: I зона - верхние грани 1, 2, 3, 10, 11 элементов; II зона - верхние грани 5, 6, 15 элементов; III зона левые грани 3, 5, 12, 13, 14, 15 и правые грани 6, 7, 9 элементов. Тогда массив S имеет вид:
Приложение 1
|
|||||||||||||||||||||||||||||||||||||||||||||||||||||||||||||||||||||||||||||||||||||||||||||||||||||||||||||||||||||||||||||||||||||||||||||||||||||||||||||||||||||||||||||||||||||||||||||||||||||||||||||||||||||||||||||||||||||||||||||||||||||||||||||||||||||||||||||||||||||||||||||||||||||||||||||||||||||||||||||||||||||||||||||||||||||||||||||||||||||||||||||||||||||||||||||||||||||||||||||||||||||||||||||||||||||||||||||||||||||||||||||||||||||||||||||||||||||||||||||||||||||||||||||||||||||||||||||||||||||||||||||||||||||||||||||||||||||||||||||||||||||||||||||||||||||||||||||||||||||||||||||||||||||||||||||||||||||||||||||||||||||||||||||||||||||||||||||||||||||||||||||||||||||||||||||||||||||||||||||||||||||||||||||||||||||||||||||||||||||||||||||||||||||||||||||||||||||||||||||||||||||||||||||||||||||||||||||||||||||||||||||||||||||||||||||||||||||||||||||||||||||||||||||||||||||||||||||||||||||||||||||||||||||||||||||||||||||||||||||||||||||||||||||||||||||||||||||||||||||||
|
Но- |
Род краевых |
Характе- |
Месяц |
|||||||||||
|
I |
II |
III |
IV |
V |
VI |
VII |
VIII |
IX |
X |
XI |
XII |
|||
|
1 |
III |
Температура tn = t + Dt (°C) |
-24,6 |
-23,2 |
-19,2 |
-9,5 |
3,7 |
13,1 |
18,0 |
12,4 |
4,6 |
-4,6 |
-16,4 |
-22,4 |
|
Термическое сопротивление R, м2·ч·°С/ккал |
2,6 |
2,7 |
2,8 |
3,0 |
1,7 |
- |
- |
- |
- |
1,3 |
2,1 |
2,3 |
||
|
Коэффициент теплообмена a, ккал/(м2·ч·°С) |
13,8 |
12,3 |
12,3 |
12,0 |
12,1 |
12,6 |
13,4 |
14,0 |
14,3 |
13,4 |
13,5 |
12,7 |
||
|
2 |
III |
Температура t (°C) |
t=20°C= Const |
|||||||||||
|
Термическое сопротивление R, м2·ч·°С/ккал |
R=1,8= Const |
|||||||||||||
|
Коэффициент теплообмена a, ккал/(м2·ч·°С) |
a=20.0= Const |
|||||||||||||
|
3 |
III |
Температура tn =t+Dt (°C) |
-24,6 |
-23,2 |
-19,2 |
-9,5 |
3,7 |
13,1 |
18,0 |
12,4 |
4,6 |
-4,6 |
-16,4 |
-22,4 |
|
Термическое сопротивление R, м2·ч·°С/ккал |
4,4 |
4,4 |
4,7 |
5,0 |
2,8 |
- |
- |
- |
- |
2,1 |
3,5 |
3,9 |
||
|
Коэффициент теплообмена a, ккал/(м2·ч·°С) |
13,8 |
12,3 |
12,3 |
12,0 |
12,1 |
12,6 |
13,4 |
14,0 |
14,3 |
13,4 |
13,5 |
12,7 |
||
Начальное распределение температуры для всей области исследования меняется только по глубине.
|
Глубина, м |
1 |
3 |
5 |
7 |
9,5 |
12,5 |
15,5 |
|
°С |
-0,1 |
-0,4 |
-1,0 |
-1,2 |
-1,4 |
-1,4 |
-1,4 |
Начальные условия приведены на январь месяц.

Рис. 2. Разрез грунта с выделенными литологическими разностями
На рис. 2 приложения изображен схематический разрез грунта, в котором выделены три различные грунтовые разности, физические и теплофизические свойства которых приведены в табл. 2. Каждая грунтовая разность по всем трем направлениям содержит целое число элементов.
Таблица 2
|
Номер слоя |
Описание грунта |
Характеристика |
|||||
|
rd, кг/м3 |
Cd,
ккал/ |
Wtot, доли |
lM, ккал/ |
lT, ккал/ |
WW, |
||
|
1 |
Суглинок бурокоричневый, ожелезненный, с включением гравия и кальки |
1390 |
0,22 |
0,25 |
1,3 |
1,15 |
WW (-0,3)=0,14 |
|
|
|
|
|
|
WW (-1,0)=0,12 |
||
|
|
|
|
|
|
WW (-10,0)=0,08 |
||
|
2 |
Супесь буровато-коричневая, сильно ожелезненная с прослоями суглинка и песка |
|
|
|
|
|
WW (-0,3)=0,12 |
|
|
|
|
|
|
WW (-1,0)=0,08 |
||
|
1520 |
0,24 |
0,22 |
1,55 |
1,55 |
WW (-10,0)=0,05 |
||
|
3 |
Песок пылеватый, желтоко-коричневый, буро-серый, ожелезненный, оторфован |
1500 |
0,23 |
0,27 |
2,35 |
2,15 |
WW (0)=0,0 |
Распределение температур требуется выдавать на печать на каждый год от начала эксплуатации по разрезам: АА¢, ВВ¢, СС¢, ДД¢, ЕЕ¢, FF¢, KK¢ (см. рис. 1).
Для поставленной задачи прогноза текст программы MAIN и BLOCK DATA для расчета по программе PROGNOZ-3S, числовая информация на бланках, заполняемая по табл. 7 и 8 раздела 4 даны в соответственно в обязательном приложении 3 и в настоящем.
Пример обработки полученных результатов приведен на рис. 3 (вклейка).


Рис 3 Результаты расчета температурного режима грунта по программе PROGNOZ

|
Перфорировал |
Проверил перфорацию |

|
Перфорировал |
Проверил перфорацию |

|
Перфорировал |
Проверил перфорацию |
|
-0.3 |
-1.0 |
-10.0 |
-0.3 |
-1.0 |
-10.0 |
0.0 |
0.0 |
0.0 |
|
|
|
|
||||||||
|
0.14 |
0.12 |
0.08 |
0.12 |
0.08 |
0.05 |
0.0 |
0.0 |
0.0 |
|
|
|
|
||||||||
|
1.30 |
1.55 |
2.35 |
1.15 |
1.45 |
2.15 |
2.0 |
2.0 |
2.0 |
2.0 |
3.0 |
3.0 |
3.0 |
||||||||
|
3.0 |
3.0 |
2.0 |
2.0 |
2.0 |
3.0 |
3.0 |
3.0 |
3.0 |
3.0 |
3.0 |
2.0 |
2.0 |
||||||||
|
2.0 |
121.67 |
|
|
|
|
|
|
|
|
|
|
|
||||||||
|
876000.0 |
|
|
|
|
|
|
|
|
|
|
|
|||||||||
|
-24.6 |
-23.2 |
-19.2 |
-9.5 |
3.7 |
13.1 |
18.0 |
12.4 |
4.6 |
-4.6 |
-16.4 |
-22.4 |
|
||||||||
|
20.0 |
20.0 |
20.0 |
20.0 |
20.0 |
20.0 |
20.0 |
20.0 |
20.0 |
20.0 |
20.0 |
20.0 |
|
||||||||
|
-24.6 |
-23.2 |
-19.2 |
-9.5 |
3.7 |
13.1 |
18.0 |
12.4 |
4.6 |
-4.6 |
-16.4 |
-22.4 |
|
||||||||
|
2.6 |
2.7 |
2.8 |
3.0 |
1.7 |
0.0 |
0.0 |
0.0 |
0.0 |
1.3 |
2.1 |
2.3 |
|
||||||||
|
1.8 |
1.8 |
1.8 |
1.8 |
1.8 |
1.8 |
1.8 |
1.8 |
1.8 |
1.8 |
1.8 |
1.8 |
|
||||||||
|
4.4 |
4.4 |
4.7 |
5.0 |
2.82 |
0.0 |
0.0 |
0.0 |
0.0 |
2.14 |
3.57 |
3.3 |
|
||||||||
|
13.8 |
12.3 |
12.3 |
12.0 |
12.1 |
12.6 |
13.4 |
13.0 |
14.3 |
13.4 |
13.5 |
12.7 |
|
||||||||
|
20.0 |
20.0 |
20.0 |
20.0 |
20.0 |
20.0 |
20.0 |
20.0 |
3.0 |
20.0 |
20.0 |
20.0 |
|
||||||||
|
13.8 |
12.3 |
12.3 |
12.0 |
12.1 |
12.6 |
13.4 |
13.0 |
14.3 |
13.4 |
13.5 |
12.7 |
|
||||||||
|
-1.4 |
0.0 |
0.0 |
0.0 |
0.0 |
|
|
|
|
|
|
|
|
||||||||
|
3 |
3 |
3 |
1 |
2 |
2 |
2 |
2 |
1 |
4 |
6 |
8 |
1 |
4 |
6 |
0 |
|
|
|
|
|
|
/* |
|
|
|
|
|
|
|
|
|
|
|
|
||||||||
|
// |
|
|
|
|
|
|
|
|
|
|
|
|
||||||||

Раздел MAIN 3S содержит подпрограммы MAIN и BLOCK DATA, составленные для решения контрольного примера приложения 1.
Вызов программы на счет из библиотеки исходных модулей имеет вид:

Здесь : BIBL4 S - имя библиотеки исходных модулей;
DTNO3-имя тома.
Результаты расчета контрольного примера представлены на 1-й и 5-й расчетный год.












Решается задача в 3 измерениях направление осей К
0----J
/
/
/
/
I
Шаг по времени в часах 121.67
Граница измерений 876000.00
Число блоков по I 7
|
Номер блока |
1 |
2 |
3 |
4 |
5 |
6 |
7 |
|
Размер блока |
2.00 |
2.00 |
2.00 |
2.00 |
3.00 |
3.00 |
3.00 |
|
Коорд. Центра |
1.00 |
3.00 |
5.00 |
7.00 |
9.50 |
12.50 |
15.50 |
Число блоков по J 8
|
Номер блока |
1 |
2 |
3 |
4 |
5 |
6 |
7 |
8 |
|
Размер блока |
3.00 |
3.00 |
2.00 |
2.00 |
2.00 |
3.00 |
3.00 |
3.00 |
|
Коорд. центра |
1.50 |
4.50 |
7.00 |
9.00 |
11.00 |
13.50 |
16.50 |
19.50 |
Число блоков по K 6
|
Номер блока |
1 |
2 |
3 |
4 |
5 |
6 |
|
Размер блока |
3.00 |
3.00 |
3.00 |
2.00 |
2.00 |
2.00 |
|
Коорд. центра |
1.50 |
4.50 |
7.50 |
10.00 |
12.00 |
14.00 |
Условия на границах
|
K/J |
1 |
2 |
3 |
4 |
5 |
6 |
7 |
8 |
|
6 |
121 |
121 |
121 |
121 |
111 |
111 |
111 |
111 |
|
5 |
121 |
121 |
121 |
121 |
131 |
111 |
111 |
111 |
|
4 |
131 |
131 |
131 |
131 |
131 |
131 |
111 |
111 |
|
3 |
111 |
111 |
131 |
131 |
131 |
131 |
131 |
131 |
|
2 |
111 |
111 |
111 |
111 |
111 |
111 |
131 |
131 |
|
1 |
111 |
111 |
111 |
111 |
111 |
111 |
111 |
111 |
Шифр XYZW если хода нет источника
Y - номер типа источника
Z - номер зоны краевых условий на верхней границе
W - тоже на нижней
На верхней границе
|
Номер зоны / месяц |
1 |
2 |
3 |
4 |
5 |
6 |
7 |
8 |
9 |
10 |
11 |
12 |
|
|
1 |
темп. возд. |
-24.00 |
-23.20 |
-19.20 |
-9.50 |
3.70 |
13.10 |
10.00 |
12.40 |
4.60 |
-4.60 |
16.40 |
-22.40 |
|
|
сопротивл. |
2.00 |
2.70 |
2.80 |
3.00 |
1.70 |
0.0 |
0.0 |
0.0 |
0.0 |
1.30 |
2.10 |
2.30 |
|
|
теплоотд. |
13.80 |
12.30 |
12.30 |
12.30 |
12.10 |
12.40 |
13.40 |
13.00 |
14.30 |
13.40 |
13.50 |
12.70 |
|
Номер зоны / месяц |
1 |
2 |
3 |
4 |
5 |
6 |
7 |
8 |
9 |
10 |
11 |
12 |
|
|
2 |
темп. возд. |
20.00 |
20.00 |
20.00 |
20.00 |
20.00 |
20.00 |
20.00 |
20.00 |
20.00 |
20.00 |
20.00 |
20.00 |
|
|
сопротивл. |
1.00 |
1.00 |
1.00 |
1.00 |
1.00 |
1.00 |
1.00 |
1.00 |
1.00 |
1.00 |
1.00 |
1.00 |
|
|
теплоотд. |
20.00 |
20.00 |
20.00 |
20.00 |
20.00 |
20.00 |
20.00 |
20.00 |
20.00 |
20.00 |
20.00 |
20.00 |
|
Номер зоны / месяц |
1 |
2 |
3 |
4 |
5 |
6 |
7 |
8 |
9 |
10 |
11 |
12 |
|
|
2 |
темп. возд. |
-24.60 |
-23.20 |
-19.20 |
-9.50 |
3.70 |
13.10 |
10.00 |
12.40 |
4.60 |
-4.00 |
-16.40 |
-22.40 |
|
|
сопротивл. |
4.40 |
4.40 |
4.70 |
5.00 |
2.07 |
0.0 |
0.0 |
0.0 |
0.0 |
2.14 |
3.57 |
3.09 |
|
|
теплоотд. |
13.80 |
12.30 |
12.30 |
12.00 |
12.10 |
12.40 |
13.40 |
13.00 |
14.30 |
13.00 |
13.50 |
12.70 |
Продолжительность месяца 730.00
Периодичность измерения 8760.00
Температура на нижней границе
Номер зоны 1
Температура -1.40
На боковых
TBJ=0.0 TBJK=0.0 TBKH=0.0 TBKK=0.0
|
Номер слоя |
ОБ ВЕС СК |
С УД |
W C |
T WJ |
ТЕПЛ М |
ТЕПЛ Т |
A |
B |
C |
|
1 |
1390.00 |
0.22 |
0.25 |
0.0 |
1.30 |
1.15 |
0.127 |
1.487 |
0.069 |
|
2 |
1520.00 |
0.24 |
0.22 |
0.0 |
1.55 |
1.45 |
0.045 |
0.301 |
0.046 |
|
3 |
1500.00 |
0.23 |
0.27 |
0.0 |
2.35 |
2.15 |
0.0 |
1.00 |
0.0 |
Начальная температура грунта
К=1 1.50 м
|
Блоки по J |
1 |
2 |
3 |
4 |
5 |
6 |
7 |
8 |
|
|
По I / метры |
1.50 |
4.50 |
7.00 |
9.00 |
11.00 |
13.50 |
16.50 |
19.50 |
|
|
1 |
1.00 |
-0.10 |
-0.10 |
-0.10 |
-0.10 |
-0.10 |
-0.10 |
-0.10 |
-0.10 |
|
|
|
1 |
1 |
1 |
1 |
1 |
1 |
1 |
1 |
|
2 |
3.00 |
-0.40 |
-0.40 |
-0.40 |
-0.40 |
-0.40 |
-0.40 |
-0.40 |
-0.40 |
|
|
|
3 |
3 |
2 |
2 |
2 |
2 |
2 |
2 |
|
3 |
5.00 |
-1.00 |
-1.00 |
-1.00 |
-1.00 |
-1.00 |
-1.00 |
-1.00 |
-1.00 |
|
|
|
3 |
3 |
2 |
2 |
2 |
2 |
2 |
2 |
|
4 |
7.00 |
-1.20 |
-1.20 |
-1.20 |
-1.20 |
-1.20 |
-1.20 |
-1.20 |
-1.20 |
|
|
|
3 |
3 |
2 |
2 |
2 |
2 |
2 |
2 |
|
5 |
9.50 |
-1.40 |
-1.40 |
-1.40 |
-1.40 |
-1.40 |
-1.40 |
-1.40 |
-1.40 |
|
|
|
3 |
3 |
2 |
2 |
2 |
2 |
2 |
2 |
|
6 |
12.50 |
-1.40 |
-1.40 |
-1.40 |
-1.40 |
-1.40 |
-1.40 |
-1.40 |
-1.40 |
|
|
|
3 |
3 |
3 |
3 |
3 |
3 |
3 |
3 |
|
7 |
15.50 |
-1.40 |
-1.40 |
-1.40 |
-1.40 |
-1.40 |
-1.40 |
-1.40 |
-1.40 |
|
|
|
3 |
3 |
3 |
3 |
3 |
3 |
3 |
3 |
К=4 10.00 м
|
Блоки по J |
1 |
2 |
3 |
4 |
5 |
6 |
7 |
8 |
|
|
По I / метры |
1.50 |
4.50 |
7.00 |
9.00 |
11.00 |
13.50 |
16.50 |
19.50 |
|
|
1 |
1.00 |
-0.10 |
-0.10 |
-0.10 |
-0.10 |
-0.10 |
-0.10 |
-0.10 |
-0.10 |
|
|
|
1 |
1 |
1 |
1 |
1 |
1 |
1 |
1 |
|
2 |
3.00 |
-0.40 |
-0.40 |
-0.40 |
-0.40 |
-0.40 |
-0.40 |
-0.40 |
-0.40 |
|
|
|
3 |
3 |
2 |
2 |
2 |
2 |
2 |
2 |
|
3 |
5.00 |
-1.00 |
-1.00 |
-1.00 |
-1.00 |
-1.00 |
-1.00 |
-1.00 |
-1.00 |
|
|
|
3 |
3 |
2 |
2 |
2 |
2 |
2 |
2 |
|
4 |
7.00 |
-1.20 |
-1.20 |
-1.20 |
-1.20 |
-1.20 |
-1.20 |
-1.20 |
-1.20 |
|
|
|
3 |
3 |
2 |
2 |
2 |
2 |
2 |
2 |
|
5 |
9.50 |
-1.40 |
-1.40 |
-1.40 |
-1.40 |
-1.40 |
-1.40 |
-1.40 |
-1.40 |
|
|
|
3 |
3 |
2 |
2 |
2 |
2 |
2 |
2 |
|
6 |
12.50 |
-1.40 |
-1.40 |
-1.40 |
-1.40 |
-1.40 |
-1.40 |
-1.40 |
-1.40 |
|
|
|
3 |
3 |
3 |
3 |
3 |
3 |
3 |
3 |
|
7 |
15.50 |
-1.40 |
-1.40 |
-1.40 |
-1.40 |
-1.40 |
-1.40 |
-1.40 |
-1.40 |
|
|
|
3 |
3 |
3 |
3 |
3 |
3 |
3 |
3 |
К=6 14.00 м
|
Блоки по J |
1 |
2 |
3 |
4 |
5 |
6 |
7 |
8 |
|
|
По I / метры |
1.50 |
4.50 |
7.00 |
9.00 |
11.00 |
13.50 |
16.50 |
19.50 |
|
|
1 |
1.00 |
-0.10 |
-0.10 |
-0.10 |
-0.10 |
-0.10 |
-0.10 |
-0.10 |
-0.10 |
|
|
|
1 |
1 |
1 |
1 |
1 |
1 |
1 |
1 |
|
2 |
3.00 |
-0.40 |
-0.40 |
-0.40 |
-0.40 |
-0.40 |
-0.40 |
-0.40 |
-0.40 |
|
|
|
3 |
3 |
2 |
2 |
2 |
2 |
2 |
2 |
|
3 |
5.00 |
-1.00 |
-1.00 |
-1.00 |
-1.00 |
-1.00 |
-1.00 |
-1.00 |
-1.00 |
|
|
|
3 |
3 |
2 |
2 |
2 |
2 |
2 |
2 |
|
4 |
7.00 |
-1.20 |
-1.20 |
-1.20 |
-1.20 |
-1.20 |
-1.20 |
-1.20 |
-1.20 |
|
|
|
3 |
3 |
2 |
2 |
2 |
2 |
2 |
2 |
|
5 |
9.50 |
-1.40 |
-1.40 |
-1.40 |
-1.40 |
-1.40 |
-1.40 |
-1.40 |
-1.40 |
|
|
|
3 |
3 |
2 |
2 |
2 |
2 |
2 |
2 |
|
6 |
12.50 |
-1.40 |
-1.40 |
-1.40 |
-1.40 |
-1.40 |
-1.40 |
-1.40 |
-1.40 |
|
|
|
3 |
3 |
3 |
3 |
3 |
3 |
3 |
3 |
|
7 |
15.50 |
-1.40 |
-1.40 |
-1.40 |
-1.40 |
-1.40 |
-1.40 |
-1.40 |
-1.40 |
|
|
|
3 |
3 |
3 |
3 |
3 |
3 |
3 |
3 |
J=1 1.50 м
|
Блоки по K |
1 |
2 |
3 |
4 |
5 |
6 |
|
|
По I / метры |
1.50 |
4.50 |
7.00 |
10.00 |
12.00 |
14.00 |
|
|
1 |
1.00 |
-0.10 |
-0.10 |
-0.10 |
-0.10 |
-0.10 |
-0.10 |
|
|
|
1 |
1 |
1 |
1 |
1 |
1 |
|
2 |
3.00 |
-0.40 |
-0.40 |
-0.40 |
-0.40 |
-0.40 |
-0.40 |
|
|
|
3 |
3 |
3 |
3 |
3 |
3 |
|
3 |
5.00 |
-1.00 |
-1.00 |
-1.00 |
-1.00 |
-1.00 |
-1.00 |
|
|
|
3 |
3 |
3 |
3 |
3 |
3 |
|
4 |
7.00 |
-1.20 |
-1.20 |
-1.20 |
-1.20 |
-1.20 |
-1.20 |
|
|
|
3 |
3 |
3 |
3 |
3 |
3 |
|
5 |
9.50 |
-1.40 |
-1.40 |
-1.40 |
-1.40 |
-1.40 |
-1.40 |
|
|
|
3 |
3 |
3 |
3 |
3 |
3 |
|
6 |
12.50 |
-1.40 |
-1.40 |
-1.40 |
-1.40 |
-1.40 |
-1.40 |
|
|
|
3 |
3 |
3 |
3 |
3 |
3 |
|
7 |
15.50 |
-1.40 |
-1.40 |
-1.40 |
-1.40 |
-1.40 |
-1.40 |
|
|
|
3 |
3 |
3 |
3 |
3 |
3 |
J=4 9.00 м
|
Блоки по K |
1 |
2 |
3 |
4 |
5 |
6 |
|
|
По I / метры |
1.50 |
4.50 |
7.00 |
10.00 |
12.00 |
14.00 |
|
|
1 |
1.00 |
-0.10 |
-0.10 |
-0.10 |
-0.10 |
-0.10 |
-0.10 |
|
|
|
1 |
1 |
1 |
1 |
1 |
1 |
|
2 |
3.00 |
-0.40 |
-0.40 |
-0.40 |
-0.40 |
-0.40 |
-0.40 |
|
|
|
2 |
2 |
2 |
2 |
2 |
2 |
|
3 |
5.00 |
-1.00 |
-1.00 |
-1.00 |
-1.00 |
-1.00 |
-1.00 |
|
|
|
2 |
2 |
2 |
2 |
2 |
2 |
|
4 |
7.00 |
-1.20 |
-1.20 |
-1.20 |
-1.20 |
-1.20 |
-1.20 |
|
|
|
2 |
2 |
2 |
2 |
2 |
2 |
|
5 |
9.50 |
-1.40 |
-1.40 |
-1.40 |
-1.40 |
-1.40 |
-1.40 |
|
|
|
2 |
2 |
2 |
2 |
2 |
2 |
|
6 |
12.50 |
-1.40 |
-1.40 |
-1.40 |
-1.40 |
-1.40 |
-1.40 |
|
|
|
3 |
3 |
3 |
3 |
3 |
3 |
|
7 |
15.50 |
-1.40 |
-1.40 |
-1.40 |
-1.40 |
-1.40 |
-1.40 |
|
|
|
3 |
3 |
3 |
3 |
3 |
3 |
J=6 13.50 м
|
Блоки по K |
1 |
2 |
3 |
4 |
5 |
6 |
|
|
По I / метры |
1.50 |
4.50 |
7.00 |
10.00 |
12.00 |
14.00 |
|
|
1 |
1.00 |
-0.10 |
-0.10 |
-0.10 |
-0.10 |
-0.10 |
-0.10 |
|
|
|
1 |
1 |
1 |
1 |
1 |
1 |
|
2 |
3.00 |
-0.40 |
-0.40 |
-0.40 |
-0.40 |
-0.40 |
-0.40 |
|
|
|
2 |
2 |
2 |
2 |
2 |
2 |
|
3 |
5.00 |
-1.00 |
-1.00 |
-1.00 |
-1.00 |
-1.00 |
-1.00 |
|
|
|
2 |
2 |
2 |
2 |
2 |
2 |
|
4 |
7.00 |
-1.20 |
-1.20 |
-1.20 |
-1.20 |
-1.20 |
-1.20 |
|
|
|
2 |
2 |
2 |
2 |
2 |
2 |
|
5 |
9.50 |
-1.40 |
-1.40 |
-1.40 |
-1.40 |
-1.40 |
-1.40 |
|
|
|
2 |
2 |
2 |
2 |
2 |
2 |
|
6 |
12.50 |
-1.40 |
-1.40 |
-1.40 |
-1.40 |
-1.40 |
-1.40 |
|
|
|
3 |
3 |
3 |
3 |
3 |
3 |
|
7 |
15.50 |
-1.40 |
-1.40 |
-1.40 |
-1.40 |
-1.40 |
-1.40 |
|
|
|
3 |
3 |
3 |
3 |
3 |
3 |
J=8 19.50 м
|
Блоки по K |
1 |
2 |
3 |
4 |
5 |
6 |
|
|
По I / метры |
1.50 |
4.50 |
7.00 |
10.00 |
12.00 |
14.00 |
|
|
1 |
1.00 |
-0.10 |
-0.10 |
-0.10 |
-0.10 |
-0.10 |
-0.10 |
|
|
|
1 |
1 |
1 |
1 |
1 |
1 |
|
2 |
3.00 |
-0.40 |
-0.40 |
-0.40 |
-0.40 |
-0.40 |
-0.40 |
|
|
|
2 |
2 |
2 |
2 |
2 |
2 |
|
3 |
5.00 |
-1.00 |
-1.00 |
-1.00 |
-1.00 |
-1.00 |
-1.00 |
|
|
|
2 |
2 |
2 |
2 |
2 |
2 |
|
4 |
7.00 |
-1.20 |
-1.20 |
-1.20 |
-1.20 |
-1.20 |
-1.20 |
|
|
|
2 |
2 |
2 |
2 |
2 |
2 |
|
5 |
9.50 |
-1.40 |
-1.40 |
-1.40 |
-1.40 |
-1.40 |
-1.40 |
|
|
|
2 |
2 |
2 |
2 |
2 |
2 |
|
6 |
12.50 |
-1.40 |
-1.40 |
-1.40 |
-1.40 |
-1.40 |
-1.40 |
|
|
|
3 |
3 |
3 |
3 |
3 |
3 |
|
7 |
15.50 |
-1.40 |
-1.40 |
-1.40 |
-1.40 |
-1.40 |
-1.40 |
|
|
|
3 |
3 |
3 |
3 |
3 |
3 |
Шаг печати результата час 8760.00
К=1 1.50 м Время Т=8760.16 часов 1 Периода 0 Интервала 0.16 часа
|
Блоки по J |
1 |
2 |
3 |
4 |
5 |
6 |
7 |
8 |
|
|
По I / метры |
1.50 |
4.50 |
7.00 |
9.00 |
11.0 |
13.50 |
16.50 |
19.50 |
|
|
1 |
1.00 |
761.25 |
761.55 |
761.91 |
762.71 |
763.01 |
733.20 |
763.53 |
763.66 |
|
2 |
3.00 |
-0.38 |
-0.44 |
-0.62 |
-0.59 |
-0.57 |
-0.57 |
-0.55 |
-0.55 |
|
3 |
5.00 |
-0.66 |
-0.73 |
-0.92 |
-0.91 |
-0.90 |
-0.59 |
-0.89 |
-0.89 |
|
4 |
7.00 |
-0.90 |
-0.96 |
-1.11 |
-1.12 |
-1.11 |
-1.11 |
-1.11 |
-1.11 |
|
5 |
9.50 |
-1,13 |
-1.17 |
-1.27 |
-1.28 |
-1.29 |
-1.29 |
-1.29 |
-1.29 |
|
6 |
12.50 |
-1,28 |
-1.30 |
-1.33 |
-1.34 |
-1.34 |
-1.35 |
-1.35 |
-1.35 |
|
7 |
15.50 |
-1,37 |
-1.37 |
-1.38 |
-1.38 |
-1.38 |
-1.38 |
-1.38 |
-1.38 |
К=4 10.00 м Время Т=8760.16 часов 1 Периода 0 Интервала 0.16 часа
|
Блоки по J |
1 |
2 |
3 |
4 |
5 |
6 |
7 |
8 |
|
|
По I / метры |
1.50 |
4.50 |
7.00 |
9.00 |
11.0 |
13.50 |
16.50 |
19.50 |
|
|
1 |
1.00 |
796.28 |
796.39 |
795.93 |
793.60 |
783.28 |
776.98 |
764.07 |
763.82 |
|
2 |
3.00 |
702.42 |
701.25 |
-3.35 |
-0.38 |
-0.45 |
-0.50 |
-0.54 |
-0.54 |
|
3 |
5.00 |
-0.43 |
-0.50 |
-0.78 |
-0.83 |
-0.86 |
-0.87 |
-0.88 |
-0.89 |
|
4 |
7.00 |
-0.74 |
-0.82 |
-1.23 |
-1.09 |
-1.10 |
-1.11 |
-1.11 |
-1.11 |
|
5 |
9.50 |
-1,04 |
-1.09 |
-1.23 |
-1.27 |
-1.29 |
-1.29 |
-1.29 |
-1.29 |
|
6 |
12.50 |
-1,24 |
-1.25 |
-1.31 |
-1.33 |
-1.34 |
-1.35 |
-1.35 |
-1.35 |
|
7 |
15.50 |
-1,35 |
-1.36 |
-1.37 |
-1.38 |
-1.38 |
-1.38 |
-1.38 |
-1.38 |
К=6 14.00 м Время Т=8760.16 часов 1 Периода 0 Интервала 0.16 часа
|
Блоки по J |
1 |
2 |
3 |
4 |
5 |
6 |
7 |
8 |
|
|
По I / метры |
1.50 |
4.50 |
7.00 |
9.00 |
11.0 |
13.50 |
16.50 |
19.50 |
|
|
1 |
1.00 |
5.62 |
5.66 |
5.85 |
4.78 |
786.13 |
765.26 |
763.34 |
763.06 |
|
2 |
3.00 |
727.45 |
726.35 |
-0.06 |
-0.11 |
-0.40 |
-0.54 |
-0.57 |
-0.57 |
|
3 |
5.00 |
-0.39 |
-0.45 |
-0.69 |
-0.77 |
-0.84 |
-0.88 |
-0.89 |
-0.90 |
|
4 |
7.00 |
-0.70 |
-0.78 |
-3.99 |
-1.07 |
-1.10 |
-1.11 |
-1.11 |
-1.11 |
|
5 |
9.50 |
-1,01 |
-1.07 |
-1.21 |
-1.26 |
-1.28 |
-1.29 |
-1.29 |
-1.29 |
|
6 |
12.50 |
-1,22 |
-1.28 |
-1.30 |
-1.32 |
-1.34 |
-1.35 |
-1.35 |
-1.35 |
|
7 |
15.50 |
-1,35 |
-1.36 |
-1.37 |
-1.38 |
-1.38 |
-1.38 |
-1.38 |
-1.38 |
J=1 1.50 м Время Т=8760.16 часов 1 Периода 0 Интервала 0.16 часа
|
Блоки по K |
1 |
2 |
3 |
4 |
5 |
6 |
|
|
По I / метры |
1.50 |
4.50 |
7.50 |
10.00 |
12.0 |
14.00 |
|
|
1 |
1.00 |
761.25 |
762.36 |
766.28 |
796.28 |
4.54 |
5.62 |
|
2 |
3.00 |
-0.38 |
-0.35 |
-0.26 |
702.42 |
719.71 |
727.45 |
|
3 |
5.00 |
-0.66 |
-0.62 |
-0.54 |
-0.43 |
-0.40 |
-0.39 |
|
4 |
7.00 |
-0.90 |
-0.56 |
-0.88 |
-0.74 |
-0.72 |
-0.78 |
|
5 |
9.50 |
-1,13 |
-1.11 |
-1.67 |
-1.64 |
-1.62 |
-1.01 |
|
6 |
12.50 |
-1,28 |
-1.27 |
-1.23 |
-1.24 |
-1.23 |
-1.22 |
|
7 |
15.50 |
-1,37 |
-1.36 |
-1.36 |
-1.33 |
-1.35 |
-1.35 |
J=4 9.00 м Время Т=8760.16 часов 1 Периода 0 Интервала 0.16 часа
|
Блоки по K |
1 |
2 |
3 |
4 |
5 |
6 |
|
|
По I / метры |
1.50 |
4.50 |
7.50 |
10.00 |
12.0 |
14.00 |
|
|
1 |
1.00 |
762.71 |
763.37 |
778.01 |
793.60 |
3.83 |
4.70 |
|
2 |
3.00 |
-0.59 |
-0.57 |
-0.49 |
-0.38 |
-0.15 |
-0.11 |
|
3 |
5.00 |
-0.91 |
-0.90 |
-0.87 |
-0.83 |
-0.79 |
-0.77 |
|
4 |
7.00 |
-1.12 |
-1.11 |
-1.10 |
-1.09 |
-1.07 |
-1.07 |
|
5 |
9.50 |
-1,28 |
-1.28 |
-1.28 |
-1.27 |
-1.27 |
-1.26 |
|
6 |
12.50 |
-1,34 |
-1.34 |
-1.33 |
-1.33 |
-1.32 |
-1.32 |
|
7 |
15.50 |
-1,38 |
-1.38 |
-1.38 |
-1.38 |
-1.38 |
-1.38 |
J=6 13.50 м Время Т=8760.16 часов 1 Периода 0 Интервала 0.16 часа
|
Блоки по K |
1 |
2 |
3 |
4 |
5 |
6 |
|
|
По I / метры |
1.50 |
4.50 |
7.50 |
10.00 |
12.0 |
14.00 |
|
|
1 |
1.00 |
763.20 |
763.88 |
776.87 |
776.98 |
765.60 |
765.26 |
|
2 |
3.00 |
-0.57 |
-0.54 |
-0.49 |
-0.50 |
-0.52 |
-0.54 |
|
3 |
5.00 |
-0.89 |
-0.89 |
-0.87 |
-0.87 |
-0.88 |
-0.88 |
|
4 |
7.00 |
-1.11 |
-1.11 |
-1.11 |
-1.11 |
-1.11 |
-1.11 |
|
5 |
9.50 |
-1,29 |
-1.29 |
-1.29 |
-1.29 |
-1.29 |
-1.29 |
|
6 |
12.50 |
-1,35 |
-1.35 |
-1.35 |
-1.35 |
-1.35 |
-1.35 |
|
7 |
15.50 |
-1,38 |
-1.38 |
-1.38 |
-1.38 |
-1.38 |
-1.38 |
J=8 19.50 м Время Т=8760.16 часов 1 Периода 0 Интервала 0.16 часа
|
Блоки по K |
1 |
2 |
3 |
4 |
5 |
6 |
|
|
По I / метры |
1.50 |
4.50 |
7.50 |
10.00 |
12.0 |
14.00 |
|
|
1 |
1.00 |
763.66 |
776.71 |
776.73 |
763.82 |
763.27 |
763.86 |
|
2 |
3.00 |
-0.55 |
-0.49 |
-0.49 |
-0.54 |
-0.57 |
-0.57 |
|
3 |
5.00 |
-0.89 |
-0.87 |
-0.87 |
-0.89 |
-0.89 |
-0.90 |
|
4 |
7.00 |
-1.11 |
-1.11 |
-1.11 |
-1.11 |
-1.11 |
-1.11 |
|
5 |
9.50 |
-1,29 |
-1.29 |
-1.29 |
-1.29 |
-1.29 |
-1.29 |
|
6 |
12.50 |
-1,35 |
-1.35 |
-1.35 |
-1.35 |
-1.35 |
-1.35 |
|
7 |
15.50 |
-1,38 |
-1.38 |
-1.38 |
-1.38 |
-1.38 |
-1.38 |
К=1 1.50 м Время Т=43800.54 часов 5 Периода 0 Интервала 0.54 часа
|
Блоки по J |
1 |
2 |
3 |
4 |
5 |
6 |
7 |
8 |
|
|
По I / метры |
1.50 |
4.50 |
7.00 |
9.00 |
11.0 |
13.50 |
16.50 |
19.50 |
|
|
1 |
1.00 |
770.37 |
770.57 |
771.16 |
771.22 |
771.20 |
771.28 |
771.83 |
772.03 |
|
2 |
3.00 |
714.69 |
709.65 |
-0.08 |
-0.12 |
-0.13 |
-0.13 |
-0.12 |
-0.11 |
|
3 |
5.00 |
-0.25 |
-0.29 |
-0.42 |
-0.58 |
-0.53 |
-0.55 |
-0.54 |
-0.54 |
|
4 |
7.00 |
-0.48 |
-0.53 |
-0.66 |
-0.74 |
-0.78 |
-0.81 |
-0.81 |
-0.82 |
|
5 |
9.50 |
-0,75 |
-0.89 |
-0.90 |
-0.97 |
-1.01 |
-1.04 |
-1.06 |
-1.06 |
|
6 |
12.50 |
-1,03 |
-1.26 |
-1.11 |
-1.15 |
-1.17 |
-1.20 |
-1.21 |
-1.21 |
|
7 |
15.50 |
-1,28 |
-1.29 |
-1.30 |
-1.31 |
-1.32 |
-1.33 |
-1.34 |
-1.34 |
К=4 10.00 м Время Т=43800.54 часов 5 Периода 0 Интервала 0.54 часа
|
Блоки по J |
1 |
2 |
3 |
4 |
5 |
6 |
7 |
8 |
|
|
По I / метры |
1.50 |
4.50 |
7.00 |
11.00 |
11.0 |
13.50 |
16.50 |
19.50 |
|
|
1 |
1.00 |
0.69 |
0.76 |
0.85 |
0,46 |
794.41 |
785.72 |
772.91 |
772.38 |
|
2 |
3.00 |
1.01 |
1.06 |
1.20 |
0.95 |
0.59 |
-0.01 |
-0.09 |
-0.10 |
|
3 |
5.00 |
710.10 |
708.61 |
-0.28 |
-0.16 |
-0.29 |
-0.48 |
-0.52 |
-0.54 |
|
4 |
7.00 |
-0.33 |
-0.37 |
-0.51 |
-0.60 |
-0.69 |
-0.77 |
-0.80 |
-0.81 |
|
5 |
9.50 |
-0,67 |
-0.71 |
-0.83 |
-0.92 |
-0.97 |
-1.02 |
-1.05 |
-1.06 |
|
6 |
12.50 |
-0,99 |
-1.02 |
-1.08 |
-1.12 |
-1.16 |
-1.19 |
-1.20 |
-1.21 |
|
7 |
15.50 |
-1,27 |
-1.28 |
-1.30 |
-1.31 |
-1.32 |
-1.33 |
-1.33 |
-1.34 |
К=6 14.00 м Время Т=43800.54 часов 5 Периода 0 Интервала 0.54 часа
|
Блоки по J |
1 |
2 |
3 |
4 |
5 |
6 |
7 |
8 |
|
|
По I / метры |
1.50 |
4.50 |
7.00 |
9.00 |
11.0 |
13.50 |
16.50 |
19.50 |
|
|
1 |
1.00 |
7.92 |
8.02 |
8.25 |
6.67 |
799.62 |
775.78 |
771.71 |
771.12 |
|
2 |
3.00 |
3.17 |
3.26 |
3.63 |
2.92 |
1.00 |
701.03 |
-0.12 |
-0.14 |
|
3 |
5.00 |
793.32 |
796.56 |
0.87 |
0.63 |
-0.14 |
-0.45 |
-0.54 |
-0.56 |
|
4 |
7.00 |
-0.50 |
-0.32 |
-0.35 |
-0.40 |
-0.62 |
-0.75 |
-0.80 |
-0.82 |
|
5 |
9.50 |
-0,64 |
-0.63 |
-0.79 |
-0.88 |
-0.95 |
-1.01 |
-1.05 |
-1.06 |
|
6 |
12.50 |
-0,98 |
-1.01 |
-1.07 |
-1.11 |
-1.15 |
-1.18 |
-1.20 |
-1.21 |
|
7 |
15.50 |
-1,26 |
-1.27 |
-1.29 |
-1.30 |
-1.32 |
-1.33 |
-1.33 |
-1.34 |
J=1 1.50 м Время Т=43800.54 часов 5 Периода 0 Интервала 0.54 часа
|
Блоки по K |
1 |
2 |
3 |
4 |
5 |
6 |
|
|
По I / метры |
1.50 |
4.50 |
7.50 |
10.00 |
12.0 |
14.00 |
|
|
1 |
1.00 |
770.37 |
770.71 |
775.00 |
0.69 |
6.47 |
7.92 |
|
2 |
3.00 |
714.69 |
716.33 |
736.25 |
1.01 |
2.53 |
3.17 |
|
3 |
5.00 |
-0.25 |
-0.23 |
-0.18 |
710.18 |
760.45 |
793.32 |
|
4 |
7.00 |
-0.48 |
-0.46 |
-0.41 |
-0.33 |
-0.31 |
-0.30 |
|
5 |
9.50 |
-0,75 |
-0.73 |
-0.70 |
-0.67 |
-0.65 |
-0.64 |
|
6 |
12.50 |
-1,03 |
-1.02 |
-1.01 |
-0.99 |
-0.98 |
-0.98 |
|
7 |
15.50 |
-1,28 |
-1.28 |
-1.27 |
-1.27 |
-1.27 |
-1.26 |
J=4 9.00 м Время Т=43800.54 часов 5 Периода 0 Интервала 0.54 часа
|
Блоки по K |
1 |
2 |
3 |
4 |
5 |
6 |
|
|
По I / метры |
1.50 |
4.50 |
7.50 |
10.00 |
12.0 |
14.00 |
|
|
1 |
1.00 |
771.22 |
772.42 |
788.84 |
0.46 |
5.55 |
6.67 |
|
2 |
3.00 |
-0.12 |
-0.09 |
0.11 |
0.95 |
2.30 |
2.92 |
|
3 |
5.00 |
-0.50 |
-0.48 |
-0.40 |
-0.163 |
701.66 |
0.63 |
|
4 |
7.00 |
-0.74 |
-0.73 |
-0.68 |
-0.60 |
-0.54 |
-0.48 |
|
5 |
9.50 |
-0,97 |
-0.96 |
-0.94 |
-0.92 |
-0.90 |
-0.88 |
|
6 |
12.50 |
-1,15 |
-1.14 |
-1.13 |
-1.12 |
-1.12 |
-1.11 |
|
7 |
15.50 |
-1,31 |
-1.31 |
-1.31 |
-1.31 |
-1.31 |
-1.30 |
J=6 13.50 м Время Т=438000.54 часов 5 Периода 0 Интервала 0.54 часа
|
Блоки по K |
1 |
2 |
3 |
4 |
5 |
6 |
|
|
По I / метры |
1.50 |
4.50 |
7.50 |
10.00 |
12.0 |
14.00 |
|
|
1 |
1.00 |
771.28 |
772.50 |
785.02 |
785.72 |
776.63 |
775.78 |
|
2 |
3.00 |
-0.13 |
-0.10 |
-0.03 |
-0.01 |
-0.00 |
701.03 |
|
3 |
5.00 |
-0.55 |
-0.53 |
-0.49 |
-0.48 |
-0.46 |
-0.45 |
|
4 |
7.00 |
-0.81 |
-0.80 |
-0.78 |
-0.77 |
-0.76 |
-0.75 |
|
5 |
9.50 |
-1,04 |
-1.04 |
-1.03 |
-1.02 |
-1.02 |
-1.01 |
|
6 |
12.50 |
-1,20 |
-1.19 |
-1.19 |
-1.19 |
-1.18 |
-1.18 |
|
7 |
15.50 |
-1,33 |
-1.33 |
-1.33 |
-1.33 |
-1.33 |
-1.33 |
J=8 19.50 м Время Т=438000.54 часов 5 Периода 0 Интервала 0.54 часа
|
Блоки по K |
1 |
2 |
3 |
4 |
5 |
6 |
|
|
По I / метры |
1.50 |
4.50 |
7.50 |
10.00 |
12.0 |
14.00 |
|
|
1 |
1.00 |
772.03 |
784.57 |
784.59 |
772.38 |
771.40 |
771.12 |
|
2 |
3.00 |
-0.11 |
-0.04 |
-0.04 |
-0.10 |
-0.13 |
-0.14 |
|
3 |
5.00 |
-0.54 |
-0.51 |
-0.51 |
-0.54 |
-0.55 |
-0.56 |
|
4 |
7.00 |
-0.82 |
-0.80 |
-0.80 |
-0.81 |
-0.82 |
-0.82 |
|
5 |
9.50 |
-1,06 |
-1.06 |
-1.06 |
-1.06 |
-1.06 |
-1.06 |
|
6 |
12.50 |
-1,21 |
-1.21 |
-1.21 |
-1.21 |
-1.21 |
-1.21 |
|
7 |
15.50 |
-1,34 |
-1.34 |
-1.348 |
-1.34 |
-1.34 |
-1.34 |
|
ГОСТЫ, СТРОИТЕЛЬНЫЕ и ТЕХНИЧЕСКИЕ НОРМАТИВЫ. Некоммерческая онлайн система, содержащая все Российские Госты, национальные Стандарты и нормативы. В Системе содержится более 150000 файлов нормативно-технической документации, действующей на территории РФ. Система предназначена для широкого круга инженерно-технических специалистов. Copyright © www.gostrf.com, 2008 - 2026 |