Крупнейшая бесплатная информационно-справочная система онлайн доступа к полному собранию технических нормативно-правовых актов РФ. Огромная база технических нормативов (более 150 тысяч документов) и полное собрание национальных стандартов, аутентичное официальной базе Госстандарта. GOSTRF.com - это более 1 Терабайта бесплатной технической информации для всех пользователей интернета. Все электронные копии представленных здесь документов могут распространяться без каких-либо ограничений. Поощряется распространение информации с этого сайта на любых других ресурсах. Каждый человек имеет право на неограниченный доступ к этим документам! Каждый человек имеет право на знание требований, изложенных в данных нормативно-правовых актах!

  


 

ОРДЕНА ТРУДОВОГО КРАСНОГО ЗНАМЕНИ
НАУЧНО-ИССЛЕДОВАТЕЛЬСКИЙ ИНСТИТУТ БЕТОНА
И ЖЕЛЕЗОБЕТОНА (НИИЖБ)
ГОССТРОЯ СССР

РЕКОМЕНДАЦИИ
ПО ПРОЕКТИРОВАНИЮ СТАЛЬНЫХ
ЗАКЛАДНЫХ ДЕТАЛЕЙ
ДЛЯ ЖЕЛЕЗОБЕТОННЫХ КОНСТРУКЦИЙ

Москва Стройиздат 1984

Рекомендованы к изданию решением секции № 1 железобетонных конструкций Научно-технического совета НИИЖБ Госстроя СССР.

Содержат основные положения по проектированию сварных и штампованных закладных деталей для конструкций из тяжелого и легкого бетонов, данные по материалам, методы и примеры расчета, конструктивные требования, способы сварки, антикоррозионной защиты и фиксации закладных деталей.

Для инженерно-технических работников проектных организаций.

Разработаны НИИЖБ Госстроя СССР (д-р техн. наук, проф. А.П. Васильев, кандидаты техн. наук Н.И. Катин, А.М. Подвальный, Г.Н. Судаков, инженеры В.И. Игнатьев, Б.А. Шитиков) при участии ЦНИИПромзданий Госстроя СССР (инж. И.К. Никитин), МНИИТЭП ГлавАПУ Мосгорисполкома (инженеры В.И. Сомов, Б.А. Алферов) и ЦНИИЭП жилища Госгражданстроя СССР (канд. техн. наук В.В. Королев, инж. В.А. Кафанов).

ОСНОВНЫЕ БУКВЕННЫЕ ОБОЗНАЧЕНИЯ

УСИЛИЯ, ДЕЙСТВУЮЩИЕ НА ЗАКЛАДНУЮ ДЕТАЛЬ

N - нормальная сила;

Q - сдвигающая сила;

Qx и Qy - сдвигающие силы, действующие соответственно вдоль осей х и у, находящихся в плоскости наружной грани пластины и проходящих через центр тяжести нормальных анкеров в направлении осей ее симметрии;

Qtot - равнодействующая сдвигающих сил Qx и Qy;

М - изгибающий момент относительно оси, находящейся в плоскости наружной грани пластины и проходящей через центр тяжести всех анкеров;

Мх и My - соответственно изгибающие моменты относительно x и y;

Т - крутящий момент;

Nan - наибольшее растягивающее усилие в одном ряду нормальных анкеров;

Nan1 - наибольшее растягивающее усилие в одном нормальном анкере;

Qan - сдвигающее усилие, приходящееся на один ряд нормальных анкеров;

Qan1 - наибольшее сдвигающее усилие, приходящееся на один нормальный анкер;

 - наибольшее сжимающее усилие в одном ряду нормальных анкеров;

 - наибольшее сжимающее усилие в одном нормальном анкере.

ХАРАКТЕРИСТИКИ МАТЕРИАЛОВ

Rb и Rbt - расчетные сопротивления бетона соответственно осевому сжатию и растяжению для предельных состояний первой группы;

Rs - расчетное сопротивление анкеров закладной детали из арматурной стали для предельных состояний первой группы;

Ry - расчетное сопротивление прокатной стали закладной детали при растяжении, сжатии и изгибе по пределу текучести;

Rsq - расчетное сопротивление прокатной стали закладной детали при сдвиге, соответствующее Rs в главе СНиП II-23-81 «Стальные конструкции»;

Eb - начальный модуль упругости бетона при сжатии и растяжении.

ГЕОМЕТРИЧЕСКИЕ ХАРАКТЕРИСТИКИ

Аaп - площадь поперечного сечения нормальных анкеров наиболее напряженного ряда;

Аaп1 - площадь поперечного сечения наиболее напряженного нормального анкера, приваренного в тавр к пластине;

Аап, tot - площадь поперечного сечения нормальных анкеров закладной детали;

Аaпi - площадь сечения наклонных анкеров наиболее напряженного ряда;

Аап, tot, i - площадь поперечного сечения наклонных анкеров;

zx и zу -    расстояния между крайними рядами нормальных анкеров, расположенных соответственно вдоль осей х и у;

d - номинальный диаметр анкерного стержня;

laп - длина зоны анкеровки, определяемая согласно п. 5.7 настоящих Рекомендаций;

la - длина анкерного стержня;

g - угол между анкерными стрежнями и пластиной или угол отгиба полосовых анкеров;

d - толщина пластины закладной детали и полосовых анкеров;

Asp - площадь проекции поверхности одного сферического выступа на плоскость, нормальную к оси полосового анкера;

bsa - ширина полосового анкера штампованной закладной детали;

lsa - длина полосового анкера штампованной закладной детали.

РАЗНЫЕ ОБОЗНАЧЕНИЯ

n - общее число анкеров;

пх и nу - число анкеров в крайних рядах, параллельных соответственно осям х и у.

1. ОСНОВНЫЕ ПОЛОЖЕНИЯ ПО ПРОЕКТИРОВАНИЮ

1.1. Настоящие Рекомендации распространяются на проектирование стальных сварных и штампованных закладных деталей для конструкций из тяжелого и легкого бетонов при действии статических нагрузок.

1.2. При проектировании закладных деталей следует соблюдать требования глав СНиП 2.03.01-84 «Бетонные и железобетонные конструкции», СНиП II-23-81 «Стальные конструкции», СНиП II-28-73* «Защита строительных конструкций от коррозии» и «Инструкции по сварке соединений арматуры и закладных деталей железобетонных конструкций» (СН 393-78).

1.3. При проектировании железобетонных конструкций рекомендуется применять унифицированные закладные детали или их элементы, утвержденные в установленном порядке.

1.4. Закладные детали должны отвечать условиям механизированного изготовления.

1.5. Расчетные сопротивления бетона растяжению и сжатию Rbt и Rb вводятся в расчет закладных деталей с учетом коэффициентов условий работы бетона gbi, принимаемых по главе СНиП 2.03.01-84.

Если в бетонном элементе в месте установки закладной детали имеется арматура, коэффициент условий работы бетонной конструкции gb9 = 0,9 можно не учитывать.

1.6. При расчете закладных деталей кроме проектных эксцентриситетов учитываются случайные эксцентриситеты, вызванные отклонениями при монтаже, а также в размерах железобетонных изделий и закладных деталей и т.п., в пределах нормированных допусков.

2. ОСНОВНЫЕ ВИДЫ ЗАКЛАДНЫХ ДЕТАЛЕЙ

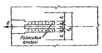
2.1. Сварные закладные детали состоят в основном из пластин с приваренными к ним анкерными стержнями. В зависимости от характера действующих на деталь усилий, места расположения и удобства установки ее в арматурный каркас применяют детали с нормальными анкерами из арматурной стали, приваренными втавр (рис. 1), наклонными, приваренными внахлестку, и нормальными (рис. 2, а-в), или только наклонными, приваренными под слоем флюса (рис. 2, г).

2.2. Закладные детали, изображенные на рис. 2, а-в, следует применять при действии на деталь сдвигающей силы или при одновременном воздействии сдвигающей и отрывающей сил, когда Q>N. Их применение наиболее целесообразно в тех случаях, когда нормальные анкеры находятся на таком расстоянии от края элемента, что может произойти откол бетона. Деталь, изображенную на рис. 2, в, применяют при знакопеременной нагрузке, а деталь, изображенную на рис. 2, г, - при действии отрывающей и сдвигающей сил, когда Qan>Nan/tg g.

Рис. 1. Закладные детали с нормальными анкерами

а - без усилений; б - с анкерными пластинами; в - с высаженными головками; г - с двумя пластинами (типа «закрытый столик»)

Рис. 3. Закладные детали усложненной конструкции

а - с жесткими анкерами; б - с приваркой уголков

Рис. 2. Закладные детали с нормальными и наклонными анкерами

а-в - с наклонными анкерами, приваренными внахлестку, и нормальными; г - с наклонными анкерами, приваренными под слоем флюса

Рис. 4. Штампованные закладные детали

1 - участок закладной детали, выполняющий функцию пластины; 2 - полосовой анкер

2.3. Применение закладных деталей только с нормальными анкерами рекомендуется в случаях, не указанных в п. 2.2, а также при Q>N, если установка деталей с наклонными анкерами в арматурный каркас затруднительна.

2.4. Закладные детали усложненной конструкции (рис. 3) рекомендуется проектировать при действии на деталь больших знакопостоянных и знакопеременных нагрузок, когда нельзя применить детали с анкерными стержнями. Такие закладные детали проектируются на основе экспериментальных данных.

2.5. Штампованные закладные детали (рис. 4) наиболее рационально применять при действии на них небольших нагрузок, например для железобетонных элементов крупнопанельных зданий или для деталей, передающих нагрузку от стеновой панели к колонне, и т.п.

Примечание. Участок штампованной закладной детали, выполняющий (аналогично сварной детали) функцию пластины, в дальнейшем будем именовать «пластина».

3. МАТЕРИАЛЫ

3.1. Анкеры сварных закладных деталей рекомендуется проектировать преимущественно из арматурной стали классов А-II и A-III диаметром 8-25 мм. Марку стали для анкерных стержней принимают по табл. 1 настоящих Рекомендаций.

3.2. Пластины сварных закладных деталей и штампованные закладные детали, рассчитываемые на усилия от статических нагрузок, рекомендуется проектировать:

а) для расчетной температуры эксплуатации конструкций до минус 30 °С вкл. из стали марок ВСт3кп2 (ГОСТ 380-71*) и ВСт3кп2-1 (ТУ 14-1-3023-80);

б) для расчетной температуры эксплуатации конструкций ниже минус 30 °С до минус 40 °С вкл. из стали марок ВСт3пс6 (ГОСТ 380-71*), ВСт3пс6-1 и ВСт3пс6-2 (ТУ 14-1-3023-80).

Расчетную температуру следует принимать согласно п. 1.3 главы СНиП по проектированию бетонных и железобетонных конструкций. Можно применять и сталь других марок при соблюдении требований по выбору материалов для сварки (см. главу СНиП II-23-81).

4. РАСЧЕТ ЗАКЛАДНЫХ ДЕТАЛЕЙ

4.1. Расчет анкерных стержней, приваренных втавр к плоским элементам стальных закладных деталей, на действие изгибающего момента, нормальной и сдвигающей сил, действующих в одной плоскости симметрии закладной детали (рис. 5, а), следует производить по формуле

                                                   (1)

где

                                                            (2)

Таблица 1

Вид арматуры и документы, регламентирующие качество

Класс армату туры

Марка стали

Диаметр, мм

Условия эксплуатации конструкций

Статические нагрузки

в отапливаемых зданиях

на открытом воздухе и в неотапливаемых зданиях при расчетной температуре

до минус 30 °С вкл.

ниже минус 30 °С до минус 40 °С вкл.

ниже минус 40 °С до минус 55 °С вкл.

ниже минус 55 °С до минус 70 °С вкл.

Стержневая горячекатаная гладкая (ГОСТ 5781-82)

A-I

Ст3сп3

8-22

+

+

+

+

-

Ст3пс3

8-22

+

+

+

-

-

Ст3кп3

8-22

+

+

-

-

-

ВСт3сп2

8-22

+

+

+

+

+

ВСт3пс2

8-22

+

+

+

-

-

ВСт3пс4

8-22

+

+

+

+

+

ВСт3пс6

8-22

+

+

+

+

+

ВСт3кп2

8-22

+

+

-

-

-

ВСт3Гпс2

8-18

+

+

+

+

-

Стержневая горячекатаная периодического профиля (ГОСТ 5781-82)

А-II

ВСт5сп2

10-25

+

+

+

-

-

ВСт5пс2

10-16

+

+

+

-

-

ВСт5пс2

18-25

+

+

-

-

-

Ас-II

10ГТ

10-25

+

+

+

+

+

A-III

35ГС

8-25

+

+

+

-

-

25Г2С

8-25

+

+

+

+

-

                                                  (3)

                                                      (4)

z - расстояние между крайними рядами анкеров; паn - число рядов анкеров вдоль направления сдвигающей силы. Если не обеспечивается равномерная передача сдвигающей силы Q на все ряды анкеров, при определении сдвигающего усилия Qan учитывается не более четырех рядов; j - коэффициент, определяемый для анкерных стержней диаметром 8-25 мм (для тяжелого бетона классов В12,5 - В50 и легкого бетона классов В 12,5-В30) по формуле

                                              (5)

но принимаемый не более 0,7. Для бетона классов выше В50 коэффициент j принимается как для бетона класса В50. Для тяжелого (обычного) бетона коэффициент j можно определять по табл. 2.

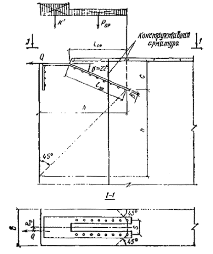
Рис. 5. Схема усилий, действующих на закладную деталь

а - в одной плоскости симметрии; б - в двух плоскостях симметрии

В формуле (5): Rb и Rs - в МПа; Aan1 - в см2;  - коэффициент, принимаемый равным: для тяжелого (обычного) бетона - 1; для мелкозернистого бетона вида А - 0,8; для мелкозернистых бетонов видов Б и В - 0,7; для легкого бетона - (где  - объемная масса бетона, кг/м3). При определении Rb коэффициент (см. главу СНиП 2.03.01-84) принимается равным 1; j1 - коэффициент, определяемый по формуле

                                                           (6)

но принимаемый не менее 0,15.

Коэффициент w принимается равным:

(имеется прижатие);                      (7)

(нет прижатия).                                (8)

Если растягивающие усилия в анкерах отсутствуют, j1 = 1.

Площадь сечения анкеров остальных рядов должна приниматься равной площади сечения анкеров наиболее напряженного ряда.

В формулах (1) и (4) нормальная сила N считается положительной, если она направлена от закладной детали (см. рис. 5), и отрицательной, если она направлена к ней. Если нормальные усилия Nап и , а также сдвигающее усилие Qan при вычислении по формулам (2) - (4) получают отрицательные значения, в формулах (1) и (3) они принимаются равными нулю.

Кроме того, если Nап получает отрицательное значение, в формуле (3) принимается  = N.

При расположении закладной детали на верхней (при бетонировании) поверхности изделия коэффициент j уменьшается на 20 %, а значение  принимается равным нулю.

4.2. Расчет нормальных анкеров закладных деталей на действие расположенных в двух плоскостях симметрии закладной детали изгибающих моментов и сдвигающих сил, а также нормальной силы (рис. 5, б) рекомендуется выполнять по формуле

Таблица 2

Диаметр анкера, мм

Коэффициент j

для класса тяжелого (обычного) бетона

В15

В20

B25

B30

B40

B50

для класса арматуры

A-I

А-II

A-III

A-I

A-II

A-III

A-I

A-II

A-III

A-I

А-II

A-III

A-I

A-II

A-III

A-I

A-II

A-III

8

0,60

-

0,48

0,66

-

0,53

0,70

-

0,57

0,70

-

0,60

0,70

-

0,66

0,70

-

0,70

10

0,58

0,52

0,45

0,64

0,57

0,50

0,69

0,62

0,54

0,70

0,65

0,57

0,70

0,70

0,63

0,70

0,70

0,66

12

0,55

0,50

0,43

0,61

0,55

0,48

0,66

0,59

0,52

0,70

0,62

0,55

0,70

0,69

0,60

0,70

0,70

0,63

14

0,53

0,47

0,41

0,58

0,52

0,46

0,63

0,56

0,49

0,66

0,59

0,52

0,70

0,65

0,57

0,70

0,69

0,60

16

0,50

0,45

0,39

0,55

0,49

0,43

0,59

0,53

0,47

0,63

0,56

0,49

0,69

0,62

0,54

0,70

0,65

0,57

18

0,47

0,42

0,37

0,52

0,46

0,41

0,56

0,50

0,44

0,59

0,53

0,46

0,65

0,58

0,51

0,68

0,61

0,54

20

0,44

0,39

0,34

0,49

0,44

0,38

0,52

0,47

0,41

0,55

0,50

0,43

0,61

0,54

0,48

0,64

0,58

0,50

22

25

0,41

0,37

0,37

0,33

0,32

0,29

0,46

0,41

0,41

0,37

0,36

0,32

0,49

0,44

0,44

0,40

0,39

0,35

0,52

0,47

0,46

0,42

0,41

0,37

0,57

0,51

0,51

0,46

0,45

0,40

0,60

0,54

0,54

0,49

0,47

0,43

Примечания: 1. Для бетона класса В 12,5 коэффициент j следует уменьшать на 0,02 по сравнению с коэффициентом j для бетона класса В15.

2. Значения коэффициентов j приведены при произведении коэффициентов условия работы бетона, равном 1.

                                                (9)

где

                                                  (10)

                                                  (11)

                                                         (12)

                                                 (13)

j - см. п. 4.1 настоящих Рекомендаций; j1 - коэффициент, определяемый по формуле (6), но принимаемый не менее 0,15; w - коэффициент, принимаемый

(имеется прижатие);                    (14)

(нет прижатия).                              (15)

Площадь сечения остальных анкерных стержней принимается равной площади наиболее напряженного анкерного стержня.

Все остальные рекомендации, касающиеся знаков усилий и т.д., приведенные в п. 4.1, относятся к расчетным формулам настоящего пункта.

Если выполняется условие

                                                     (16)

значение , в формуле (11) заменяют на  (см. п. 4.1).

4.3. Расчет нормальных анкеров закладных деталей на действие нормальной и сдвигающей сил, а также изгибающих и крутящего моментов (рис. 6) рекомендуется производить по формуле (9), где Nan1, , j и j1 определяются соответственно по формулам (10), (13), (5) и (6), a Qan1 - no формуле

                        (17)

здесь

                                                  (18)

                                                  (19)

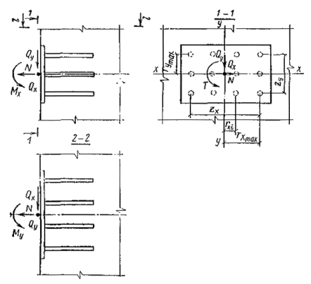
Рис. 6. Схема усилий, действующих на закладную деталь при наличии крутящего момента

Рис. 7. Схема усилий, действующих на закладную деталь с анкерами, приваренными внахлестку и втавр

rx max и rу тах - расстояния от анкерного стержня, наиболее удаленного от центра тяжести всех анкеров, соответственно до осей у и х; rx i и rу i - расстояния анкерного стержня соответственно до осей y и х.

4.4. В закладной детали с анкерами, приваренными внахлестку под углом от 15 до 30° и втавр (рис. 7), наклонные анкеры следует рассчитывать на действие сдвигающей силы (при Q>N, где N - отрывающая сила) по формуле

                                                 (20)

где  - см. п. 4.1 настоящих Рекомендаций.

При этом устанавливаются нормальные анкеры, которые следует рассчитывать по формуле (1) при j1 = 1 и при значении Qan, равном 0,1 сдвигающего усилия, определяемого по формуле (3). Допускается уменьшать площадь сечения наклонных анкеров за счет передачи на нормальные анкеры части сдвигающей силы, равной Q - 0,9 RsAan,tot,i. В этом случае j1 определяется по формуле (6).

Если на закладную деталь действует только сдвигающая сила, площадь сечения нормальных и наклонных анкеров рекомендуется определять из условия

Q £ 0,9 Rs Аап,tot,i + 0,9 Rs Аап,tot j.                                      (21)

где j - см. п. 4.1 настоящих Рекомендаций; при этом второе слагаемое должно быть не менее 0,1Q.

4.5. Если под флюсом к пластине приварены только наклонные анкеры под углом g³45° (рис. 8), при Qan > Nan/tg g расчет таких анкеров можно производить аналогично расчету нормальных анкеров (см. п. 4.1 настоящих Рекомендаций) по формуле

                                              (22)

где Aan,I - площадь сечения анкеров наиболее напряженного ряда;

                                           (23)

                                             (24)

                                                       (25)

Рис. 8. Схема усилий, действующих на закладную деталь с наклонными анкерами, приваренными под слоем флюса

z - расстояние между крайними рядами анкеров, но в плоскости пластины;

пап - число рядов анкеров вдоль направления сдвигающей силы;

                                              (26)

j - см. п. 4.1 настоящих Рекомендаций;

но не более 0,15;                                       (27)

 (имеется прижатие);                (28)

 (нет прижатия).                (29)

При отсутствии в анкерах растягивающих усилий принимается j1i = 1.

Если величины Nan,i, Qan,i и  менее нуля, в формулах (22) и (24) они принимаются равными нулю.

4.6. Конструкция сварных закладных деталей с приваренными к ним элементами, передающими нагрузку на закладные детали, должна обеспечивать включение анкерных стержней в работу в соответствии с принятой расчетной схемой. Внешние элементы закладных деталей и их сварные соединения рассчитывают согласно указаниям главы СНиП II-23-81. При расчете пластин и фасонного проката на отрывающую силу рекомендуется принимать, что они шарнирно соединены с нормальными анкерными стержнями. Если элемент, передающий нагрузку, приваривается к пластине по линии расположения одного из рядов анкеров, при расчете отрывающую силу рекомендуется уменьшать на величину nr×Aan1Rs (nr - число анкеров в данном ряду)

Кроме того, толщину пластины расчетной закладной детали, к которой втавр привариваются анкеры, следует проверять из условия

                                                           (30)

где dd - расчетный диаметр анкерного стержня. Для типов сварных соединений, обеспечивающих большую зону включения пластины в работу при вырывании из нее анкерного стержня и при соответствующем экспериментальном обосновании, возможна корректировка условия (30).

4.7. Если все нормальные анкеры растянуты, т.е. выполняется условие

                                                                       (31)

(где  - см. п. 4.1 настоящих Рекомендаций), производят расчет на выкалывание бетона следующим образом:

а) для нормальных анкеров с усилением на концах (см. рис. 9, а и п. 5.8) из условия

                                                (32)

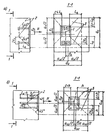
где А - площадь проекции на плоскость, нормальную к анкерам, поверхности выкалывания, идущей от усилений анкеров (краев анкерных пластин, высаженных головок или от мест пересечения коротышей с анкером) под углом 45° к осям анкеров; при эксцентриситете силы относительно центра тяжести анкеров  размер проекции поверхности выкалывания в направлении этого эксцентриситета уменьшается на величину, равную 2е0, при соответствующем смещении наклонной грани поверхности выкалывания (рис. 9, а); площади анкерных пластин или высаженных головок, расположенных на поверхности выкалывания, не учитываются; j2 - коэффициент, принимаемый равным: для тяжелых бетонов - 0,5; для бетонов на пористых заполнителях - 0,4; j3 - коэффициент, принимаемый равным:

Рис. 9. Схема выкалывания бетона анкерами закладной детали

а - с усилениями на концах при  б - без усилений на концах при  1 - точка приложения нормальной силы N; 2 - поверхность выкалывания; 3 - проекция поверхности выкалывания на плоскость, нормальную к анкерам

При этом, если часть стержня длиной а расположена в зоне бетона при , j3 рекомендуется определять по формуле

                                                         (33)

Сжимающие напряжения в бетоне sbc, перпендикулярные нормальному анкеру и распределенные по всей его длине, определяются как для упругого материала по приведенному сечению от постоянно действующих нагрузок при коэффициенте надежности по нагрузке, равном 1; а1 и а2 - размеры проекции поверхности выкалывания; e1 и e2 - эксцентриситеты силы N относительно центра тяжести площади А в направлении соответственно а1 и а2;

б) для анкеров без усиления на концах расчет производят из условия

                                  (34)

где Аh - то же, что и А, если поверхность выкалывания идет от анкеров на расстоянии h от пластины закладной детали (рис 9, б);  и  - размеры проекции поверхности выкалывания;  и  - эксцентриситеты силы N относительно центра площади Аh в направлении соответственно  и ; Aan,a - площадь сечения всех анкеров, пересекающих поверхность выкалывания.

Условие (34) проверяется при различных значениях h, меньших длины анкеров или равных ей.

Если число рядов анкеров в направлении эксцентриситета больше двух, в условиях (32) и (34) силу N можно уменьшить на величину . Если концы анкеров находятся вблизи поверхности бетона, противоположной пластине закладной детали, необходимо произвести дополнительную проверку условия (34) без учета последнего члена при h, равном расстоянию от пластины до противоположной грани элемента; при этом часть площади Аh, расположенная между крайними рядами анкеров, не учитывается.

4.8. Если N'an>0, при наличии усиления на концах анкеров расчет бетона на выкалывание (рис. 10) производится из условия

                                                      (35)

где Nan - см. формулу (2): А1 - то же, что и А в формуле (32), если поверхность выкалывания начинается от места усиления анкеров наиболее растянутого ряда (см. рис. 10); е - эксцентриситет усилия Nап относительно центра тяжести площади А1 в направлении а.

Расчет на выкалывание можно не производить, если концы анкеров заведены за продольную арматуру, расположенную у противоположной от закладной детали грани колонны, а усиления анкеров в виде пластин или поперечных коротышей зацепляются за стержни продольной арматуры диаметром: при симметричном зацеплении - не менее 20 мм, при несимметричном - не менее 25 мм (рис. 11). В этом случае участок колонны между крайними рядами анкеров проверяется согласно п. 3.32 «Руководства по проектированию бетонных и железобетонных конструкций из тяжелого бетона (без предварительного напряжения)» (М., 1977) на действие поперечной силы, равной

где Qcol - поперечная сила на участке колонны, прилежащем к наиболее растянутому ряду анкеров закладной детали, определяемая с учетом усилий, действующих на закладную деталь.

4.9. В том случае, если предусматривается применение унифицированных закладных деталей, их несущая способность по расчету на выкалывание может быть увеличена установкой дополнительной арматуры вдоль анкеров из расчета на полное усилие.

4.10. Для закладной детали с анкерами, наклонными к бетонной поверхности под углом g³45° и имеющими на концах усиление, расчет на выкалывание бетона производится следующим образом:

а) если все наклонные анкеры растянуты (рис. 12), т.е.

из условия                                   (36)

где Ni = Nsing + Qcosg - проекция равнодействующих всех внешних сил на ось, проходящую вдоль наклонных анкеров; Ai - площадь проекции на плоскость, нормальную к анкерам поверхности выкалывания, идущей от краев усилений анкеров под углом 45° к осям анкеров и ограниченной с наименее наклонной стороны плоскостью среза, проходящей параллельно осям анкеров на расстоянии от ближайшего ряда анкеров, равном

                                                             (37)

Рис. 10. Схема выкалывания бетона растянутыми анкерами закладной детали при

1 - проекция поверхности выкалывания на плоскость, нормальную к анкерам; 2 - анкерная пластина; 3 - точка приложения усилия Nan

Рис. 11. Конструкция закладной детали, при которой не требуется расчет на выкалывание

а - закладная деталь с коротышами, симметрично зацепленными за продольную арматуру колонны; б - эпюра Q участка колонны с закладной деталью; в - анкеры закладной детали с анкерными пластинами, несимметрично зацепленными за продольную арматуру колонны; 1 - поперечные коротыши, приваренные контактной сваркой к анкерам; 2 - анкеры; 3 - анкерные пластинки

В формулах (36) и (37):

lа - длина заделки анкера; ар - сторона анкерной пластины (см. рис. 12); при эксцентриситете силы Ni относительно центра тяжести анкеров  размер проекции поверхности выкалывания в направлении этого эксцентриситета уменьшают на величину 2е0 при соответствующем смещении грани поверхности выкалывания и плоскости среза; площадь анкерных пластин (или высаженных головок), расположенных на поверхности выкалывания, не учитывается; Asq - площадь поверхности среза; j2 - см. п. 4.7 настоящих Рекомендаций; j3i - коэффициент, определяемый так же, как и j3 (см. п. 4.7); при этом величину напряжения обжатия sbc умножают на sin2g; e - эксцентриситет силы Ni относительно центра тяжести площади Ai в направлении a.

Рис. 12. Схема выкалывания бетона наклонными анкерами при <0

а - при отсутствии эксцентриситета силы Ni - относительно центра тяжести анкеров; б - при наличии такого же эксцентриситета; 1 - поверхность выкалывания; 2 - поверхность среза; 3 - проекция поверхности выкалывания на плоскость, нормальную к анкерам; 4 - точка приложения силы Ni; 5 - линия центра тяжести площади Ai

Рис. 13. Схема выкалывания бетона наклонными анкерами при ³0

1 - поверхность выкалывания; 2 - поверхность среза; 3 - проекция поверхности выкалывания на плоскость, нормальную к анкерам; 4 - точка приложения силы Nan,i; 5 - линия центра тяжести площади Ai1

Если число рядов анкеров в направлении эксцентриситета больше двух, в условии (37) силу Ni, можно уменьшить на величину

б) при ³0 (рис. 13) -

из условия                                       (38)

где Nan,i - см. п. 4.5 настоящих Рекомендаций; Аi1 и Аsq1 - то же, что Аi и Asq для анкеров наиболее растянутого ряда; е - эксцентриситет усилия Nan,i относительно центра тяжести площади Аi1 в направлении а.

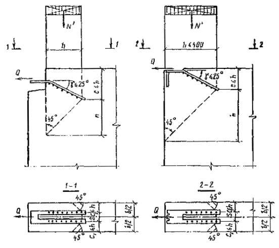
4.11. Если сдвигающая сила Q действует на закладную деталь по направлению к краю элемента (рис. 14, а), при отсутствии наклонных анкеров расчет на откалывание бетона производится из условия

                                                             (39)

где h - расстояние от наиболее удаленного ряда анкеров до края элемента в направлении сдвигающей силы, принимаемое не более толщины элемента b1 (рис. 14, а); b - ширина элемента, равная b = c1+c2+s, (c1 и c2 - расстояния от крайних рядов анкеров до ближайших краев элемента в направлении, нормальном к сдвигающей силе, принимаемые не более h; s - расстояние между крайними рядами анкеров в том же направлении); е - эксцентриситет силы Q относительно ширины элемента b; j2 - см. п. 4.7 настоящих Рекомендаций; при расположении закладной детали на верхней (при бетонировании) поверхности изделий из бетона на пористых заполнителях коэффициент j2 уменьшают на 20 %.

В случае приложения сдвигающей силы к закладной детали с наклонными анкерами, приваренными внахлестку (рис. 14, б) и имеющими на концах усиления (см. п. 5.8), расчет на откалывание бетона производится из условия

                                              (40)

где h - расстояние от усиления наклонных анкеров до края элемента в направлении сдвигающей силы Q; с - расстояние от края усиления до грани элемента; t - сторона усиления; значение суммы (h+c+t) следует принимать не более толщины b1 элемента; b - ширина элемента, равная c1+c2+s1 (где c1 и c2 - расстояния от крайних наклонных анкеров до ближайших краев элемента в направлении, нормальном к сдвигающей силе, принимаемые не более h; s1 - расстояние между крайними наклонными анкерами); е - эксцентриситет усилия Q относительно середины размера b; j4 - коэффициент, принимаемый равным: для тяжелых бетонов - 0,35; для бетонов на пористых заполнителях - 0,3; при расположении закладной детали на верхней (при бетонировании) поверхности изделия j4 = 0,3 следует уменьшать на 20 %.

4.12. Если на концах анкеров закладной детали имеются усиления в виде анкерных пластинок или высаженных головок (см. п. 5.8 настоящих Рекомендаций), бетон под этими усилениями проверяют на смятие из условия

                                                       (41)

где jb = 1 - для бетона классов ниже 25; jb = 13,5  - для бетона классов В25 и выше; bb = коэффициент, соответствующий коэффициенту g0, определяемому согласно рекомендациям п. 3.95 «Руководства по проектированию бетонных и железобетонных конструкций из тяжелого бетона (без предварительного напряжения)» (М., 1977) и п. 3.11 «Руководства по проектированию бетонных и железобетонных конструкций из бетонов на пористых заполнителях» (М., 1978); Aloc - площадь анкерной пластины или сечения высаженной головки за вычетом площади сечения анкера; Nloc - сила смятия, определяемая следующим образом:

Рис. 14. Схема, принимаемая при расчете на откалывание бетона анкерами закладной детали

а - нормальными; б - наклонными

а) для анкеров, приваренных втавр, при lа³15d, если вдоль анкера возможно образование трещин от растяжения бетона, или в случае применения гладких анкерных стержней - по формуле

                                                         (42)

если образование таких трещин невозможно - по формуле

                                                (43)

б) для анкеров, приваренных втавр, при la<15d значение Nloc увеличивается на величину, равную

в) для анкеров, приваренных внахлестку, Nloc определяется по формуле

                                                            (44)

где Qi - усилие в анкере.

Формулой (41) можно пользоваться, если толщина анкерной пластины составляет не менее 0,2 ее длины.

При наличии на концах анкеров усилений в виде поперечных коротышей (см. п. 5.8) бетон под ними проверяют на смятие из условия

                                            (45)

где j - см. п. 4.1 настоящих Рекомендаций; Асb - площадь поперечного сечения коротыша; Rs - характеристика, относящаяся к коротышу; j сb - коэффициент, равный:

а) для симметричного поперечного коротыша, приваренного к одному анкерному стержню (рис. 15, а),

                                                         (46)

где lcb - длина коротыша, принимаемая не более 10dcb, dcb - диаметр коротыша;

б) при применении поперечных коротышей, приваренных к двум анкерным стержням и более (рис. 15, б):

для крайних анкеров

                                                    (47)

для средних анкеров

                                                           (48)

В формулах (47) и (48) a и с - величины, принимаемые по рис. 15, б, но не более соответственно 5dcb и 7dcb.

Формулой (45) рекомендуется пользоваться, если диаметр поперечного коротыша dcb = 8-16 мм.

На один поперечный коротыш можно передавать не более 1/3 растягивающего усилия в анкерных стержнях.

4.13. На приваренные к пластине упоры из полосовой стали или арматурных коротышей (см. п. 5.6) можно передавать не более 30 % сдвигающей силы, действующей на деталь при напряжениях в бетоне под упорами, равных Rb. При этом значение сдвигающей силы, передаваемой на анкеры закладной детали, соответственно снижается.

4.14. Перемещения в направлении сдвигающей силы, закладных деталей с нормальными анкерами, при действии на деталь сдвигающей и отрывающей сил для тяжелых бетонов классов В12,5 - В50 и бетонов на пористых заполнителях классов В12,5-В30 определяются по формуле

                                        (49)

где jcc - коэффициент, принимаемый равным: для кратковременной нагрузки - 1; для длительной нагрузки - 2.

Формула (49) не учитывает действие упора торца пластины закладной детали на бетон.

4.15. Перемещения анкерного стержня, не усиленного на конце, по направлению действующего в нем растягивающего усилия Nani при длине заделки, определяемой по п. 5.7, рассчитываются по формуле

                                                       (50)

где jcc - см. п. 4.14 настоящих Рекомендаций; js - коэффициент, принимаемый равным 1,5 и 1,2 соответственно для арматурных сталей классов А-II и A-III; y - коэффициент, равный:

где d, мм; d0 = 16 мм.

Перемещение закладной детали складывается из перемещений анкерных стержней и перемещений, обусловленных деформациями пластины.

4.16. Расчет по прочности растянутых полосовых анкеров штампованной закладной детали при g£25° (рис. 16, а) производят из условия

                                                    (51)

где jsa - коэффициент, равный 0,8 для полосовых анкеров со сферическими выступами (см. пп. 5.11-5.13); Asa - суммарная площадь поперечного сечения растянутых полосовых анкеров. Для анкеров со сферическими выступами Asa = dbsansa, где d и bsa - соответственно толщина и ширина полосового анкера; nsa - количество растянутых полосовых анкеров в детали.

Если участок закладной детали, выполняющий функцию пластины, выходит за бетонную поверхность элемента (рис. 16, б), правая часть условия (51) умножается на cosg.

Рис. 15. Схема, принимаемая при расчете на смятие бетона поперечными коротышами, приваренными к анкерным стержням закладной детали

a - при приварке коротыша к одному анкерному стержню; б - при приварке коротыша к двум анкерным стержням и более; 1 - коротыши; 2 - анкерный стержень; 3 - пластина

Рис. 16. Схема усилий, действующих на штампованную закладную деталь

а - при пластине, прилегающей к бетонной поверхности элемента; б - при пластине, выступающей за бетонную поверхность элемента

Рис. 17. Определение расчетной ширины зоны раскалывания бетона

4.17. Расчет на раскалывание бетона полосовыми анкерами со сферическими выступами штампованных закладных деталей выполняется из условия

                                     (52)

где Q и  - в Н; Rbt - в МПа; lsa - длина полосового анкера от места выхода его из бетона до центра последнего выступа, мм; lsa £ 250 мм;  - расчетная ширина зоны раскалывания бетона, мм (рис. 17), равная:  где b1 и b2 - расстояния соответственно от грани анкера до ближайшей грани железобетонного элемента и между анкерами в свету, принимаемые не более 60 мм; m - коэффициент армирования, равный:  и принимаемый не более 0,01; где As - площадь арматуры, расположенной в панели перпендикулярно направлению силы Q в зоне , но не более 80 мм от места выхода полосового анкера из бетона; - коэффициент, принимаемый равным: для тяжелых бетонов классов B12,5-В20 - 1; класса В25 - 0,95; класса В30 - 0,9; jр - коэффициент, принимаемый:

при  или

при

Если часть полосового анкера длиной а расположена в зоне бетона при , то jp определяется по формуле

                                                          (53)

Сжимающие напряжения в бетоне sbc, перпендикулярные направлению силы Q и действующие по всей длине полосового анкера, определяются как для упругого материала по приведенному сечению от постоянно действующих нагрузок при коэффициенте надежности по нагрузке, равном 1;  - сила, прижимающая участок штампованной закладной детали, выполняющий функцию пластины, к бетону, рассчитываемая от постоянно действующих нагрузок без учета коэффициентов перегрузки.

При наличии в бетоне на участке полосового анкера растягивающих напряжений, перпендикулярных направлению силы Q, условием (52) пользоваться нельзя.

4.18. Расчет на смятие тяжелого бетона (классов В12,5-В30) под сферическими выступами растянутых полосовых анкеров штампованных закладных деталей (см. пп. 5.11-5.13) производится из условия

Q £ 1,33 Asp(19 - nsp)nspnsa,                                         (54)

где Q - в Н; Rb - в МПа; Asp - площадь проекции поверхности одного сферического выступа на плоскость, нормальную к оси полосового анкера, мм2; nsp - число сферических выступов на одном полосовом анкере; nsp£9; nsa - число растянутых полосовых анкеров в штампованной полосовой детали.

Рис. 18. Схема откалывания бетона полосовыми анкерами штампованной закладной детали

4.19. Расчет на откалывание тяжелого бетона классов В12,5-В30 растянутыми полосовыми анкерами, расположенными в одном ряду штампованной закладной детали при 15°£g£25° (рис. 18), выполняют из условия

                                              (55)

где h - расстояние от центра последнего выступа до грани элемента в направлении силы Q, h£40 см; с и с1 - расстояния от центра последнего выступа до граней элемента в направлении, перпендикулярном силе Q, но не более h; b - ширина элемента, равная 2с1 + s (где s - расстояние между осями полосовых анкеров); b£22 см;  - прижимающая сила, на участке штампованной закладной детали от постоянно действующих нагрузок без учета коэффициентов перегрузок.

4.20. В случае приложения к закладной детали с двумя полосовыми анкерами силы Q с эксцентриситетом e0 в пределах  (рис. 19) расчет по прочности полосовых анкеров производится из условия

                                                    (56)

где Qsa - растягивающее усилие в наиболее напряженном полосовом анкере, определяемое по формуле

                                                         (57)

здесь е0 - эксцентриситет силы Q относительно оси, расположенной в плоскости пластины детали и проходящей через центр тяжести анкеров; s - расстояние между осями, проходящими через центр тяжести анкеров; Asa1 - площадь сечения одного полосового анкера; jsa - см. п. 4.16 настоящих Рекомендаций.

Расчет на раскалывание бетона полосовыми анкерами производится из условия

                                    (58)

Рис. 19. К расчету штампованной закладной детали при приложении к ней силы Q с эксцентриситетом

где Q и N - в Н; Rbt - в МПа; r определяют по формуле

                                (59)

jp, , lsa, bd, bsa, b1, b2, m и  - см. п. 4.17 настоящих Рекомендаций. Расчет на смятие бетона под сферическими выступами производят из условия

                                         (60)

где Qsa - в Н; Rb - в МПа; A, nsp - см. п. 4.19 настоящих Рекомендаций. Расчет на откалывание бетона полосовыми анкерами производится из условия

                                              (61)

4.21. Конструкция штампованной закладной детали с приваренными к ней элементами, передающими нагрузку на закладную деталь, должна обеспечивать включение в работу полосовых анкеров в соответствии с принятой расчетной схемой. Внешние элементы штампованных закладных деталей и их сварные соединения рассчитываются согласно требованиям главы СНиП II-23-81.

4.22. Для тех случаев применения штампованных закладных деталей, которые не предусмотрены в пп. 4.16-4.20 настоящих Рекомендаций, следует пользоваться табл. 3, в которой указаны допустимые расчетные нагрузки на штампованные закладные детали, устанавливаемые в панелях перекрытий, внутренних и наружных стен крупнопанельных зданий.

5. КОНСТРУКТИВНЫЕ ТРЕБОВАНИЯ

5.1. В пластинах закладных деталей, находящихся при бетонировании на верхней поверхности изделия, с наименьшим размером более 25 см и в пластинах, закрывающих полностью или большую часть грани бетонируемого элемента, рекомендуется предусматривать отверстия для выхода воздуха при укладке и уплотнении бетона и для контроля качества бетонирования.

5.2. При необходимости применения закладных деталей с приваренными к ним элементами (листами, полосами, уголками, швеллерами и т.п.), разрезающими бетон на части, рекомендуется предусматривать специальные мероприятия против расслоения бетона (например, устройство в этих элементах отверстий).

5.3. Толщина пластин или других внешних элементов сварных закладных деталей определяется в соответствии с рекомендациями п. 4.6 и технологическими требованиями по сварке, указанными в п. 5.15 настоящих Рекомендаций. Толщину пластин расчетных сварных закладных деталей рекомендуется принимать не менее 6 мм, а толщину стенок или полок фасонного проката для закладных деталей - не менее 5 мм. При конструировании нерасчетных закладных деталей указанные значения могут быть уменьшены на 1 мм. Кроме того, они должны быть не менее , где kf - катет углового шва при приварке стальных элементов к закладным деталям.

Таблица 3

п. п.

Фрагмент панели и схема приложения нагрузки к закладной детали

Бетон

Расчетная нагрузка N, Н

 

вид

класс

 

1

Панели внутренней стены

Тяжелый

B15

4500

В25

5300

В15

18100

В25

24000

В15

4600

В25

6000

В15

11900

В25

15900

2

Панели перекрытия

Тяжелый

B15

16500

В25

21500

B15

15700

В25

20600

В15

31900

(23000)

В25

39200

(27400)

2

Тяжелый

В15

12000

 

В25

15700

В15

20300

В25

26500

В15

17600

В25

21000

3

Панели наружной стены

Керамзитобетон

В5

10400

3

Керамзитобетон

В5

19600

В5

9800

В5

17000

Тяжелый с утеплителем

В15

24500

3

Тяжелый с утеплителем

В15

22500

 

В15

16400

 

Примечания: 1. Марки штампованных закладных деталей приняты по альбому РС9903, разработанному МНИИТЭП совместно с НИИЖБ.

2. Значения расчетных нагрузок, приведенные в таблице, следует умножать на коэффициенты условий работы бетона gbi, принимаемые согласно п. 1.5 настоящих Рекомендаций.

3. Нагрузки даны без учета влияния прижимающих сил.

4. На эскизах дано минимальное армирование панелей в области закладной детали, при котором можно пользоваться указанными расчетными нагрузками. При этом не исключается расчет панели на внецентренное растяжение.

5.4. Число расчетных нормальных анкерных стержней в закладной детали принимается не менее четырех, однако при отсутствии отрывающих сил и изгибающих моментов оно может быть уменьшено до двух.

При действии отрывающих сил и изгибающих моментов, если обеспечивается приложение этих усилий в плоскости расположения анкеров, допускается применение закладных деталей с двумя нормальными анкерными стержнями.

Число расчетных наклонных анкеров рекомендуется принимать не менее двух. В том случае, если наклонные анкеры привариваются внахлестку, рекомендуется предусматривать также нормальные анкеры, даже если они не требуются по расчету. При наличии в закладной детали не менее четырех нормальных анкеров допустима установка одного наклонного анкера.

Для анкерных стержней, привариваемых внахлестку, угол их наклона к направлению сдвигающей силы (см. рис. 2, а-в) принимается равным g = 15-30°. При g = 45-90° (см. рис. 2, г) их приварку к пластине рекомендуется производить под слоем флюса (см. п. 5.15 настоящих Рекомендаций).

5.5. При проектировании сварной закладной детали рекомендуется применять анкерные стержни по возможности меньшего диаметра. Применение для анкеров арматурной стали диаметром более 25 мм не рекомендуется. Расстояния между осями расчетных анкеров и от осей крайних анкеров до граней железобетонного элемента принимаются не менее, чем указано на рис. 20.

5.6. При действии прижимающего усилия часть сдвигающей силы можно передавать на бетон через упоры из полосовой стали или из арматурных коротышей (см. п. 4.13; рис. 21). Высоту упоров рекомендуется принимать не менее 10 и не более 40 мм при отношении толщины упора к его высоте не менее 0,5. Расстояние между упорами в направлении сдвигающей силы принимается не менее шести высот упора. Упоры рекомендуется предусматривать также в закладных деталях, воспринимающих знакопеременные сдвигающие усилия, если не представляется возможным разместить наклонные анкеры. Допускается применять упоры в случае отсутствия прижимающего усилия при действии на деталь сдвигающей силы одного направления и отсутствии трещин на поверхности бетона, примыкающей к пластине закладной детали.

5.7. Длину анкеров lan из арматуры периодического профиля следует определять по формуле

                                          (62)

но не менее lan = land, где значения wan, Dlan и lan, а также допускаемые минимальные значения lan определяются по табл. 4. При этом, если одна часть длины а анкерного стержня расположена в зоне бетона с напряжениями sbс, соответствующими поз. 1 табл. 4, а другая часть - в зоне с напряжениями sbс, соответствующими поз. 2, wan определяется по формуле

                                               (63)

Рис. 20 Наименьшие расстояния между осями анкеров и от осей крайних анкеров до граней железобетонного элемента

а = 4 dd (5 dd); b = 6 dd (7 dd);
c = 3 dd (3,5 dd); e - 3 dd (4 dd).
Значения в скобках относятся к А-
III

Остальные параметры табл. 4 определяются аналогичным образом. В формуле (62) коэффициент jс для нормальных анкеров равен

                                    (64)

Таблица 4

№ п. п.

Условия работы анкерных стержней

wап

Dlап

lап

lап, мм

не менее

1

Заделка анкеров в растянутой или сжатой (при  или ) зоне бетона

0,7

11

20

250

2

Заделка анкеров в сжатой зоне бетона (при )

0,5

8

12

200

Примечание. sbc - сжимающие напряжения в бетоне, действующие перпендикулярно анкерному стержню и определяемые как для упругого материала по приведенному сечению от постоянно действующих нагрузок при коэффициенте надежности по нагрузке, равном 1.

где Nan1 и Qan1 - соответственно растягивающее и сдвигающее усилия в анкерном стержне.

Примечание. Для наклонных анкеров рекомендуется принимать jс = 1

Для нормального анкера длину lап отсчитывают от внутренней поверхности пластины, а для наклонного - от начала отгиба. В том случае, когда анкерные стержни установлены с запасом по площади сечения по сравнению с требуемой по расчету по прочности, при определении lan по формуле (62) значения Rs умножают на величину, равную отношению расчетного и фактического значений площади сечений анкерных стержней.

Рис. 21. Конструкция закладной детали с упорами для восприятия сдвигающей силы

1 - нормальные анкеры; 2 - упор из арматурного коротыша; 3 - упор из полосовой стали; 4 - упор из стальной пластины, работающий в двух направлениях

В элементах из мелкозернистого бетона вида Б значения 1ап, определяемые по формуле (62), следует увеличить на 10 и 5d соответственно для растянутой и сжатой зон.

5.8. Длина анкеров закладных деталей при действии на них растягивающих сил (см. п. 5.7 настоящих Рекомендаций) может быть уменьшена при условии усиления концов анкерных стержней анкерными головками диаметром не менее 2d, высаженными горячим способом, а также приваркой анкерных пластин или поперечных коротышей. В этих случаях длина анкерного стержня определяется по расчету на выкалывание и смятие (см. пп. 4.7, 4.8, 4.10 и 4.12) и принимается при усилениях в виде головок и пластин не менее 10d и при усилении коротышами - не менее 15d. В том случае, если в бетоне возможно образование трещин вдоль анкеров (sbt > Rbt) в пределах их расчетной длины, необходимо либо устройство высаженных головок, либо припарка анкерных пластин. Растягивающее напряжение в бетоне sbt определяется как для упругого тела.

5.9. Расчетные анкеры из гладкой арматуры класса А-I следует применять только при наличии усилений на их концах в виде пластинок, высаженных головок и поперечных коротышей. Длина этих анкеров определяется по расчету на выкалывание и смятие бетона (см. пп. 4.7, 4.8 и 4.10-4.12).

Для конструктивных деталей допускается применение анкеров из той же стали с устройством на их концах крюков.

5.10. Закладные детали в бетонах на пористых заполнителях проектных классов В5-В10 рекомендуется проектировать таким образом, чтобы отрывающие силы воспринимались нормальными анкерами, а сдвигающие - наклонными. Анкеры закладных деталей в этих случаях рекомендуется принимать из арматурной стали периодического профиля класса А-II или из гладкой арматурной стали класса А-I диаметром не более 16 мм. На концах анкеров следует предусматривать усиления в виде высаженных головок, а также в виде приваренных пластин или поперечных коротышей. Длина анкерных стержней и размеры усиления определяются по расчету на выкалывание и смятие бетона (см. пп. 4.7, 4.8, 4.10-4.12). При этом длину анкера принимают не менее 15d, а диаметр высаженной головки - не менее 3d.

5.11. Штампованные закладные детали рекомендуется проектировать из полосовой (листовой) стали толщиной 4-8 мм. Они состоят из двух участков - внешнего и анкерного, расположенного в бетоне. Для обеспечения надежного сцепления полосовых анкеров с бетоном на них рекомендуется предусматривать сферические односторонние или двусторонние выступы. Возможно применение других способов, обеспечивающих прочность заделки анкерных участков при соответствующем экспериментальном и технико-экономическом обосновании.

Штампованные закладные детали рекомендуется проектировать таким образом, чтобы направление основного внешнего усилия совпадало с поправлением анкерующих частей или составляло с этим направлением угол не более 25°, а при раскрое полосы отходы были минимальными. Однако при этом нужно стремиться также к минимальному количеству типоразмеров.

5.12. Толщина пластины штампованной закладной детали определяется согласно пп. 4.16, 4.21 и технологическим требованиям по сварке, прицеленным в пп. 5.3 и 5.15 настоящих Рекомендаций.

5.13. Основные типы штампованных закладных деталей для железобетонных конструкций панельных зданий приведены на рис. 4. Эти детали1 рекомендуется проектировать из полосовой (листовой) стали толщиной 4-6 мм. Отгибы анкерных участков выполняются под углом не более 25° к направлению выдергивающей силы, при этом отгибы рекомендуется располагать не ближе 25 мм от места выхода анкера из бетона. При изготовлении штампованных закладных деталей на полосовых анкерах выштамповываются 3-9 односторонних или двусторонних сферических выступов высотой 3-5 мм, шагом 25-35 мм. Полосовые анкеры рекомендуется выполнять шириной 25-30 мм. Зазор между полосовыми анкерами и между анкером и гранью железобетонного элемента рекомендуется принимать не менее 25 мм. Смежные полосовые анкеры взаимно отгибаются на угол не менее 15°. В штампованной закладной детали внутренний радиус закруглений рекомендуется принимать не менее толщины ее полосы, а внутренний радиус загиба полосовых анкеров - не менее чем полторы толщины полосы.

1 А. с. № 552396 (СССР). Дмитриев И. Н. Закладная деталь. Опубл. Б. И., 1977, № 12.

5.14. При проектировании штампованных закладных деталей для наружных стеновых панелей из бетона на пористых заполнителях или трехслойных панелей из тяжелого бетона на концах полосовых анкеров со сферическими выступами предусматривают крюки высотой не менее 60 мм (рис. 4, г), которые должны иметь не менее чем два выступа. При этом угол между крюком и полосовым анкером рекомендуется принимать не более 115°.

5.15. Сварные соединения анкерных стержней с пластинами следует проектировать в соответствии с требованиями ГОСТ 19292-73, а также с учетом данных табл. 5 настоящих Рекомендаций. Сварные соединения рекомендуется выполнять: поз. 1-4, 6, 7, 10-12 табл. 5 - в соответствии с требованиями «Инструкции по сварке соединений арматуры и закладных деталей железобетонных конструкций» (СН 393-78); поз. 5 табл. 5 - в соответствии с «Указаниями по технологии изготовления облегченных штампо-сварных закладных деталей железобетонных конструкций» (У-87-82) Главмоспромстройматериалов, М., 1982; поз. 3, 8. 9 табл. 5 - в соответствии с «Рекомендациями по технологии сварки под флюсом наклонных соединений закладных деталей и тавровых соединений по элементу жесткости» НИИЖБ (М., 1982).

Таблица 5

№ позиции

Способ сварки

Класс арматуры

Предельные размеры и соотношения

Эскизы

 

d, мм

d, мм

d/d, мин

 

мин

макс

 

Тавровое соединение

 

1

Автоматическая дуговая под флюсом

A-I

8

40

³4

0,5

z ³ 25+d при d £ 22 мм;

z ³ 2d при d ³ 25 мм

 

А-II

10

25

³6

0,55

 

28

40

³20

0,65

 

A-III

8

25

³5

0,65

 

28

40

³20

0,75

 

2

Ручная дуговая под флюсом

А-I

8

16

³6

0,75

 

А-II

10

³8

 

A-III

8

³6

 

3

Дуговая под флюсом по элементу жесткости (рельеф, зиг, наплавка и т.д.)

A-I

8

25

 

0,4

z ³ 25+d при d £ 16 мм;

z ³ 10+2d при d = 18-25 мм

 

А-II

10

25

4-10

0,4

 

A-III

8

25

 

0,5

 

4

Полуавтоматическая в среде СО2

А-I

12

16

³8

0,5

 

A-II

0,5

 

А-III

0,55

 

А-I

18

25

³10

0,5

 

А-II

0,5

 

A-III

0,55

 

5

Контактно-рельефная

А-I

6

20

³4

0,4

 

A-II

10

20

³4

0,4

 

А-III

6

20

³4

0,4

 

6

Ручная валиковыми швами в раззенкованное отверстие

А-I

8

40

³6

0,5

При d £ 12 мм соединение допускается выполнять без подварочного шва

А-II

10

40

³8

0,65

 

A-III

8

40

³6

0,75

 

7

Ванная одноэлектродная в инвентарных формах

А-I

16

40

³8

0,5

 

A-II

 

A-III

 

Наклонное соединение

 

8

Автоматическая дуговая под флюсом

A-I

8

25

³4

0,5

g = 45-85° при d = 16 мм;

g = 60-85° при d =18-25 мм

 

А-II

10

25

³6

0,55

 

А-III

8

25

³5

0,65

 

9

Автоматическая дуговая под флюсом в торец

A-I

8

16

³4

0,5

 

A-II

10

16

0,55

 

A-III

8

16

0,65

 

Соединение внахлестку

 

10

Контактная по одному рельефу

A-I

6

14

³4

0,3

 

А-II

10

14

 

A-III

6

14

 

11

Контактная по двум рельефам

A-I

6

16

³4

0,3

 

A-II

10

16

 

A-III

6

16

 

12

Ручная дуговая протяженными швами

А-I

10

40

³4

0,3

 

А-II

10

40

 

A-III

10

40

 

 

Примечания: 1. Размеры конструктивных элементов сварных соединений могут быть определены в соответствии с документами, указанными п. 5.15 настоящих Рекомендаций.

2. При использовании способов сварки поз. 1, 2, 4, 6-8 толщина пластины может быть уменьшена на 25 %, если с ее внешней стороны предусматривается приварка ребер жесткости или жесткой конструкции, по линии, соединяющей центры анкерных стержней, однако значение d/d должно быть не менее 0,3.

3. Соединение № 11 при d£14 мм применяется в случаях, когда не исключено воздействие на него случайных моментов.

4. В том случае, когда анкерные стержни установлены с запасом по площади сечения против требуемой расчетом по прочности, минимальные значения d/d при способах сварки поз. 1, 2 и 6 могут быть уменьшены путем умножения этих значений на отношение dd/dan (где d и dan - диаметры анкера соответственно расчетный и фактический); при этом значение d/d должно быть не менее 0,3. В рабочих чертежах должны быть указаны наименьшее N1 и среднее арифметическое N2 значения контрольных нагрузок для приемочных испытаний, где  и . Браковочные минимумы значений показателей прочности сварных соединений С1 и С2 следует принимать по ГОСТ 10922-75.

5. С целью уменьшения значения d/d сварка по поз. 4 может выполняться в глубоко отформованных отверстиях в соответствии с Указаниями У-87-82.

Выбор типов соединений и способов сварки следует осуществлять с учетом технологических возможностей предприятия-изготовителя и технико-экономических показателей.

5.16. Для тавровых соединений анкерных стержней с пластинами предпочтительной является автоматическая дуговая сварка под флюсом.

Ручную дуговую сварку в раззенкованные отверстия вследствие большой трудоемкости процесса можно применять в том случае, если применение рекомендуемых способов сварки невозможно.

5.17. Соединения внахлестку анкеров и арматурных стержней (диаметром не более 16 мм) с пластинами при угле g = 0-20° рекомендуется преимущественно выполнять с помощью контактной рельефно-точечной сварки. Для закладных деталей, устанавливаемых в конструкциях, подвергающихся воздействию вибрационных нагрузок, применение рельефно-точечной сварки не допускается.

5.18. При изготовлении закладных деталей типа «закрытый столик» (см. рис. 1, г) рекомендуется применять способы сварки, указанные в табл. 5, поз 4 и 6.

5.19. При определении длины заготовок для нормальных и наклонных анкеров, привариваемых под слоем флюса, а также нормальных анкеров, привариваемых контактной рельефно-точечной сваркой, рекомендуется учитывать припуск, равный 15 мм, на осадку при сварке.

5.20. Допускается применять способы сварки, не предусмотренные табл. 5, но обеспечивающие качество сварных соединений, в соответствии с требованиями ГОСТ 10922-75 и СП 393-78. Применение таких способов сварки должно быть регламентировано ведомственным нормативным документом или стандартом предприятия, утвержденным в установленном порядке.

5.21. Для обеспечения долговечности закладных деталей следует предусматривать антикоррозионную защиту. Выбор способа защиты назначается в зависимости от степени агрессивности среды, в которой будет эксплуатироваться закладная деталь, в соответствии с требованиями главы СНиП II-28-73*, а также рекомендациями «Руководства по проектированию антикоррозионной защиты промышленных и сельскохозяйственных зданий и сооружений. Неметаллические конструкции» (М., 1975), пп. 5.21-5.26 и табл. 6 настоящих Рекомендаций.

5.22. Защиту закладных деталей, соединительных элементов и сварных соединений в узлах сопряжений рекомендуется в первую очередь обеспечивать бетонированием их плотным бетоном, прочность которого должна быть не менее прочности бетона соединяемых конструкций. В крупнопанельных жилых и гражданских зданиях с относительной влажностью помещений до 60 % допускается замоноличивание закладных деталей плотным бетоном класса В15 при классе бетона соединяемых элементов, равном В25. Толщина защитного слоя тяжелого бетона составляет не менее 30 мм. Ширина раскрытия трещин не должна превышать величин, указанных в табл. 6 и 7 главы СНиП II-28-73*.

Таблица 6

Степень агрессивного воздействия газовой среды

Система защитных покрытий

металлическое или металлизационное толщиной d, мкм

лакокрасочное

грунт

покрытие

Неагрессивная и слабоагрессивная, j<60 %

 

По табл. 40 и 41 главы СНиП II-28-73*

Неагрессивная и слабоагрессивная, j>60 %

Цинковое, горячее или гальваническое, d = 60 мкм

-

-

Цинковое металлизационное, d = 120 мкм

-

-

Алюминиевое металлизационное, d = 120 мкм

Углеводородный состав

-

Среднеагрессивная

Цинковое металлизационное, d = 120 мкм

ХС-010 или ХС-068 (2 слоя)

Эмаль ХС-710 (2 слоя)

То же

То же

Смесь (1 : 1) из лака ХСЛ с эмалью ХСЭ (2 слоя)

»

ХС-010 или ХС-068 (2 слоя)

Эмаль ХСЭ (2 слоя)

Алюминиевое металлизационное, d = 150 мкм

ВЛ-02 (1 слой)

ПХВ-26, или ПХВ-124, или ПХВ-412 (2 слоя)

Цинковое металлизационное, d = 150 мкм

ЭП-0010 (1 слой)

ЭП-0010 (2 слоя)

Алюминиевое металлизационное, d = 150 мкм

ВЛ-02 (1 слой)

ЭП-531 (2 слоя)

Среднеагрессивная

Алюминиевое металлизационное, d = 150 мкм

ВЛ-02 (1 слой)

ХС-010 (2 слоя) или ХСЭ-26 с содержанием 10-15 % ЭП-00-10 (3 слоя)

То же

 

»

 

Сильноагрессивная

Алюминиевое металлизационное, d = 150 мкм

ЭП-0010 (1 слой)

ЭП-773 (2 слоя)

То же

ЭП-0010 (1 слой)

ЭП-773 (3 слоя)

Примечания: 1. Кроме лакокрасочных и комбинированных покрытий, указанных в табл. 6, могут быть использованы и другие системы покрытий, если возможность их применения для данных условий эксплуатации доказана испытаниями и согласована с Госстроем СССР.

2. Углеводородный состав состоит из солидола или смазки СХК в количестве 25-30 % и машинного минерального масла в количестве 70-75 %.

3. Антикоррозионная защита закладных деталей, эксплуатируемых в средах с повышенной (соответствующей группам газов Н и Г) концентрацией хлора, фтора, хлористого и фтористого водорода при относительной влажности воздуха более 75 %, производится после проверки защитной способности покрытий в этих средах.

5.23. Способ защиты от коррозии необетонируемых стальных закладных деталей и соединительных элементов, которые полностью или частично недоступны для возобновления защитных покрытий в процессе эксплуатации, следует выбирать в зависимости от степени агрессивности среды, определяемой по табл. 29-32 главы СНиП II-28-73*, и условий эксплуатации:

а) лакокрасочные (табл. 40* и 41* главы СНиП II-28-73*), органосиликатные (ОС-11-10) и другие покрытия - при неагрессивной и слабоагрессивной степени воздействия среды, когда относительная влажность воздуха в помещении не более 60 %;

б) металлические покрытия (цинковые и алюминиевые) - при неагрессивной и слабоагрессивной степени воздействия среды, когда относительная влажность воздуха в помещении 61 % и выше;

в) комбинированные покрытия (лакокрасочные по металлизированному слою) - при средне- и сильноагрессивной степенях воздействия среды.

Для защиты соединительных элементов, полностью доступных для возобновления на них покрытий в процессе эксплуатации конструкций, могут быть предусмотрены лакокрасочные покрытия, перечисленные в табл. 40* и 41* СНиП II-28-73* и др. Рекомендуемые системы защиты закладных деталей приведены в табл. 6.

5.24. Горячие, гальванические и металлизационные цинковые покрытия рекомендуется применять для защиты закладных деталей железобетонных конструкций в жилых, общественных и производственных зданиях, не подвергающихся воздействию кислых газов.

Алюминиевые покрытия можно применять в тех случаях, что и цинковые. Кроме того, они могут быть предусмотрены для защиты закладных деталей в конструкциях из бетона автоклавного твердения и для защиты закладных деталей и соединительных элементов в конструкциях, испытывающих воздействие агрессивных газовых сред, содержащих сернистый газ, сероводород и другие кислые газы, по отношению к которым цинковые покрытия недостаточно стойки. Покрытые алюминием закладные детали должны пройти дополнительную обработку паром в соответствии с требованиями нормативных документов, утвержденных или согласованных с Госстроем СССР.

5.25. Закладные детали и соединительные элементы стыков ограждающих конструкций, подвергающихся увлажнению из атмосферы, производственной влагой или конденсатом, следует защищать металлическими (или комбинированными) покрытиями независимо от значения относительной влажности и степени агрессивности среды в помещении.

5.26. Закладные детали и соединительные элементы, не защищенные бетоном, подвергающиеся воздействию сильноагрессивных сред, по отношению к которым комбинированные покрытия с металлическим подслоем на основе цинка и алюминия не являются стойкими, рекомендуется изготовлять из химически стойких сталей.

5.27. Во избежание повреждения защитного покрытия с тыльной стороны закладной детали при сварке в монтажных условиях толщину пластины рекомендуется принимать не менее 6 мм.

Металлические покрытия, нанесенные на наружную сторону закладной детали, поврежденные в процессе монтажа конструкций при сварке, рекомендуется восстанавливать методом металлизации.

Восстановление лакокрасочных покрытий закладных деталей следует производить в соответствии с требованиями, предъявляемыми к защите металлических конструкций лакокрасочными покрытиями.

5.28. Для обеспечения проектного положения закладной детали в изделии следует до бетонирования предусмотреть ее фиксацию путем крепления к элементам формы. В особых случаях (при расположении детали на открытой поверхности изделия, при бетонировании), когда ее крепление к бортам формы нецелесообразно, деталь допускается приваривать к арматуре. При необходимости сварка детали с арматурой может выполняться с помощью дополнительных стержней.

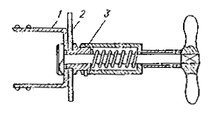
5.29. Одним из способов фиксации закладной детали является крепление ее к форме стальным шипом со срезной чекой из мягкой, например алюминиевой, проволоки диаметром 2 мм (рис. 22). На закладной детали должно быть предусмотрено прямоугольное отверстие размером 10´15 мм с закругленными углами. Для фиксации закладных деталей применяют также крепление с помощью подпружиненного штока с головкой, выполненной со скосами переменной глубины (рис. 23). В этом случае на закладной детали также предусматривают указанное выше отверстие. Фиксация закладной детали может быть выполнена с помощью нагеля из пластмассы или дерева мягких пород (рис. 24). Пластмассовый нагель выполняется круглым с двумя скошенными противоположными гранями. Допускается крепление детали стальным шипом с пластмассовым колпачком (рис. 25), если ослабление бетона под пластиной закладной детали не оказывает влияния на несущую способность последней. В пластине следует предусматривать отверстие размером 10´15 мм (для пластмассового нагеля и стального шипа) или диаметром 10 мм (для деревянного нагеля). Для одиночного круглого анкера предусматривается ограничитель, препятствующий повороту закладной детали. Фиксацию закладной детали, выступающей из тела железобетонного изделия, рекомендуется осуществлять с помощью вставки, устанавливаемой вместе с закладной деталью в прорези вкладыша формы (рис. 26). Такая вставка позволяет при том же вкладыше крепить к форме сварные и штампованные закладные детали. Закладная деталь со вставкой фиксируется с помощью шпильки из проволоки диаметром 5 мм. После уплотнения бетонной смеси шпильку вынимают.

5.30. Кроме перечисленных способов (см. п. 5.29 настоящих Рекомендаций) можно применять и другие способы, например крепление с помощью инвентарных струбцин, магнитов, клеевых составов, съемных чек, всевозможных упругих уплотнителей, обеспечивающих проектное положение закладных деталей при бетонировании.

Рис. 22. Фиксация закладной детали шипом с чекой

1 - чека; 2 - пластина закладной детали; 3 - обшивка поддона; 4 - шип с отверстием для чеки

Рис. 25. Фиксация закладной детали шипом с пластмассовым колпачком

1 - колпачок; 2 - шип; 3 - пластина закладной детали; 4 - обшивка поддона

Рис. 23. Фиксация закладной детали с помощью подпружиненного штока

1 - штампованная закладная деталь; 2 - обшивка поддона; 3 - подпружиненный шток

Рис. 24. Фиксации закладной детали нагелем

1 - пластина закладной детали; 2 - обшивка поддона; 3 - шайба, приваренная к обшивке; 4 - нагель

Рис. 26. Фиксации закладной детали с помощью вставки

1 - борта формы; 2 - вкладыш; 3 - штампованная закладная деталь; 4 - вставка; 5 - шпилька

ПРИЛОЖЕНИЕ

Примеры расчета

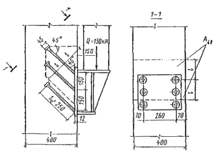
Пример 1. Дано: к закладной детали колонны приварен столик для опирания обвязочных балок; размеры закладной детали, а также расположение и величины нагрузок от обвязочных балок указаны на рис. 27; анкеры выполнены из арматуры класса A-III (Rs = 365 МПа); для колонн принят тяжелый бетон класса В20 (Rb = 11,5 МПа; Rbt = 0,9 МПа).

Требуется запроектировать нормальные анкеры закладной детали и определить толщину пластины.

Расчет. Расположение анкеров принимаем, как показано на рис. 27. Поскольку все нагрузки действуют в одном направлении и не вызывают кручения, по формуле (1) определяем суммарную площадь Аan поперечного сечения анкеров наиболее напряженного верхнего ряда.

Рис. 27. К примерам 1 и 2

Предварительно находим момент внешних сил:

M = Ql = 150×0,15 = 22,5 кН×м.

Затем определяем значения всех величин, входящих в формулу (1).

Принимая z = 0,3 м и N = 0, по формуле (2) определяем наибольшее растягивающее усилие в одном ряду анкеров:

Согласно рис. 27, сдвигающая сила Q = 150 кH, число рядов анкеров nan = 3.

Принимая  = Nап = 75 кH, по формуле (3) вычисляем сдвигающее усилие, приходящееся на один ряд анкеров:

Коэффициент j1 определяем по формуле (6).

Поскольку  > 0,

Отсюда

Задаваясь диаметром анкеров, равным 16 мм, по табл. 3 для бетона класса В20 и арматуры класса А-III находим j = 0,43.

Тогда

В каждом ряду принимаем по два анкера диаметром 18 мм (Aan = 509 мм2).

Проверим значения Aan с учетом коэффициента j, соответствующего значению d = 18 мм, т.е. при j = 0,41:

Оставляем 2 Æ18.

По формуле (62) находим минимально допустимую длину анкера lan без усилений. Для этого определяем по формуле (64) значение коэффициента jс:

Учитывая, что площадь Aап принята с запасом, уточняем значение МПа для расчета длины анкера. Значение Rb примем с учетом коэффициента условий работы бетона  = 0,85 (нагрузка малой суммарной длительности действия отсутствует) Rb = 11,5 ´ 0,85 = 9,8 МПа.

Находим lan при минимальных значениях w = 0,5 и Dl = 8:

Поскольку при такой длине анкеров их размещение в колонне затруднительно, очевидно, что даже без уточнения коэффициентов w и Dl необходимо уменьшить их длину за счет устройства усилений на концах. Согласно п. 5.8 настоящих Рекомендаций, концы анкеров усиливаем высаженными головками диаметром (dh = 54 мм > 2d = 36 мм и проверяем бетон на смятие под головкой и на выкалывание, приняв длину анкеров равной la = 250 мм > 10d = 10×18 = 180 мм. Расчет на смятие выполняем по методике, указанной в п. 4.12 настоящих Рекомендаций.

Площадь смятия Aloc под высаженной головкой одного анкера равна:

Предположим «в запас», что в колонне со стороны закладной детали возможно образование трещин. Тогда, согласно п. 4.12б настоящих Рекомендаций, при la = 250 мм < 15d = 15×18 = 270 мм сила смятия составит:

Значение коэффициента bb принимаем максимальным, равным bb = 2,5, поскольку расчетная площадь бетона Ad в данном случае значительно больше площади смятия под высаженной головкой.

Для бетона класса В20 коэффициент jb = 1.

Проверяем условие (41).

j b, bb, Rb, Аlос = 1×2,5×9,8×2036 = 49800 Н > Nloc = 38600 H,

т.е. прочность бетона на смятие обеспечена.

Поскольку  > 0, расчет на выкалывание ведем согласно п. 4.8 настоящих Рекомендаций. Так как концы анкеров с усилениями не заведены за продольную арматуру колонны, расположенную у противоположной от закладной детали грани колонны, расчет производим из условия (35).

Вычисляем значение площади проекции поверхности выкалывания А1 (см. рис. 27):

Поскольку усилие Nan < = 75 кН приложено в центре тяжести площади А1, то е = 0. Для тяжелого бетона j2 = 0,5.

Проверим условие (35), пренебрегая «в запас» сжимающими напряжениями бетона (т.е. j3 = 1) и учитывая  = 0,85, т.е. = 0,85×0,9 = 0,77;

j 2, j3, А1, Rbt = 0,5×1×217000×0,77 = 83000 Н > Nan = 75000 H,

следовательно, прочность бетона на выкалывание обеспечена.

Принятые расстояния между анкерами в направлениях поперек и вдоль сдвигающей силы, соответственно равные 260 мм > 5d = 5×18 = 90 мм и 150 мм > 7d = 7×18= 126 мм, и расстояние от оси анкера до грани колонны, равное 70 мм > 3,5d = 3,5×18 = 63 мм, удовлетворяют требованиям п. 5.5 настоящих Рекомендаций.

Конструкция приваренного к закладной детали столика обеспечивает равномерное распределение усилий между растянутыми анкерами, равномерную передачу сжимающих напряжений на бетон и исключает изгиб пластины закладной детали, поэтому толщину пластины определяем из условия (30). Принимая Rsq =130 МПа как для стали марки ВСт3пс6, а расчетный диаметр анкера равным dd = 18  = 16,9 мм, получаем

При применении автоматической дуговой сварки под флюсом (см. табл. 5, поз. 1) толщина пластины должна быть не менее

0,65d = 0,65×18 = 11,7 мм.

Принимаем d = 12 мм.

Пример 2. По данным примера 1 требуется запроектировать нормальные анкеры закладной детали, используя упоры в виде арматурных коротышей.

Расчет. Из примера 1: Q = 150 кН; М = 22,5 кН×м; N = 0. Согласно п. 4.13 настоящих Рекомендаций, упоры рассчитываем на действие сдвигающей силы, равной 0,3Q.

Суммарная площадь упоров Ast, воспринимающая Qst = 45 кН, равна:

При минимальной высоте упоров hst = 10 мм (см. п. 5.6 настоящих Рекомендаций) их суммарная длина составит:

Принимаем два упора длиной по 230 мм в виде стержней d = 10 мм, установленных на расстоянии один от другого, равном 150 мм > 6 hst = 60 мм.

Суммарная площадь сечения нормальных анкеров наиболее напряженного ряда определим по формуле (1), уменьшив сдвигающую силу за счет передачи части ее на упоры, т.е. при Q = 150-45 = 105 кН.

Поскольку z = 0,3 м (см. пример 1),

Для Nan = 3

Коэффициент j1 определяем по формуле (6):

Задаваясь диаметром анкеров, равным 16 мм, по табл. 3 для бетона класса В20 и арматуры класса A-III находим j = 0,43. Тогда

Принимаем 2Æ16A-III (Aan = 402 мм2).

Длину нормальных анкеров определяем так же, как и в примере 1.

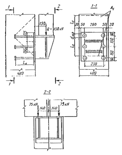
Пример 3. По данным примера 1 запроектировать наклонные анкеры, приваренные к пластине под слоем флюса под углом g = 45°.

Расчет. Расположение анкеров принимаем, как показано на рис. 28. Суммарная площадь сечения наклонных анкеров наиболее напряженного верхнего ряда определяем по формуле (22).

Из примера 1: Q =150 кН; N = 0; M = 22,5 кH×м и  =75 кH. Принимая z = 0,3 м и sin g = 0,707, по формуле (23) определим наибольшее растягивающее усилие в рассматриваемых анкерах;

Поскольку N = 0, согласно формуле (24), сдвигающее усилие, приходящееся на один ряд анкеров, равно (см. пример 1):

Коэффициент j1i определяем по формуле (27).

Так как  > 0,

Рис. 28 К примеру 3

то

Задаваясь диаметром анкеров, равным 16 мм, по табл. 3 для бетона класса В20 и арматуры A-III находим j = 0,43, тогда

Принимаем по два анкера диаметром 16 мм (Aan,i = 402 мм2) в каждом ряду. Длину анкеров (см. пример 1) принимаем равной la = 250 мм, а их концы усиливаем высаженными головками диаметром 45 мм > 2d =2×16 = 32 мм.

Прочность бетона на выкалывание проверим согласно п. 4.10 настоящих Рекомендаций. Поскольку  >0, расчет на выкалывание производим из условия (38).

Определяем площадь Ai1. Из рис. 28 видно, что вертикальный размер проекции поверхности выкалывания должен быть равен

а горизонтальный, поскольку поверхность выкалывания пересекает границы колонны, - 400 мм, т.е. ширине колонны. Тогда площадь Ai1 за вычетом площадей двух головок будет равна:

Определяем площадь поверхности среза Asq1.

Ширина плоскости среза будет равна ширине колонны, а длина

Получим

Asq1 = 272×400 = 108800 мм2.

Усилие Nan,i = 106 кН приложено в центре тяжести площади Ai1, следовательно, е = 0.

Условно (38) проверяем без учета сжимающих напряжений в бетоне (т.е. j3i = 1), но с учетом коэффициента условия работы бетона:  = 0,85, т.е. Rbt = 0,85×0,9 = 0,77;

j2j3Ai1Rbt + Asq1Rbt = 0,5×1×105800×0,77 + 108800×0,77 = 124000 H > Nan,i = 106 кН, т.е. прочность бетона на выкалывание обеспечена.

Проверяем прочность бетона под высаженной головкой на смятие согласно п. 4.12 настоящих Рекомендаций.

Площадь смятия будет равна:

Поскольку образование трещин вдоль наклонного анкера невозможно, а la = 250 мм > 15d = 15´16 = 240 мм, силу смятия определяем по формуле (43), принимая Nan1 = = 53 кН. Для этого по формуле (62) при w = 0,7, Dl = 11, jс = 1 вычислим длину анкеровки:

тогда

Значение коэффициента bb принимаем максимальным, равным bb = 2,5, поскольку расчетная площадь бетона Аd в данном случае значительно больше площади смятия под высаженной головкой; для бетона класса В20 коэффициент jb = 1.

Проверим условие (41).

jb bb Rb Аlос = 2,5×9,8×1390 = 34100 Н > Nloc = 30,7 кН,

т.е. прочность бетона на смятие обеспечена.

Пример 4. Дано: к закладной детали колонны приварен элемент опоры под трубопровод; характер и величины усилий, действующих на закладную деталь, см. из рис. 29; анкеры выполнены из арматуры класса А-III (Rs = 305 МПа); для колонн принят тяжелый бетон класса В20.

Требуется запроектировать нормальные анкеры закладной детали.

Расчет. Расположение анкеров принимаем, как показано на рис. 29. Поскольку все усилия действуют в двух направлениях и вызывают кручение, по формуле (9) определяем площадь сечения наиболее напряженного анкера.

Для этого по формуле (10) вычислим Nan1 при

zу = 0,15 м; zx = 0,24 м; пх = пу = 2; п = 4.

Проверяем условие (16).

Так как  значение  вычисляем по формуле (13):

Рис. 29. К примеру 4

Сдвигающее усилие, приходящееся на наиболее напряженный анкер, вычисляем по формуле (17), по рис. 29 принимая: rу max = 0,075 м; rx max = 0,12 м; rуi = rу max = 0,075 м и rxi = rx max = 0,12 м;

Тогда

Коэффициент j1 определяем по формуле (6).

Так как  = 6,33 кН > 0, коэффициент w вычисляем по формуле (14).

Находим

При условии, что диаметр анкеров равен 10 мм, для бетона класса В20 и арматуры класса A-III по табл. 3 находим j = 0,50.

Тогда

Таким образом, диаметр анкеров принимаем равным 10 мм (Aan1 = 78,5 мм2).

Пример 5. Дано: к закладной детали колонны приварен раскос стальных связей, растянутый силой от действия ветровых нагрузок 270 кН (рис. 30); пластина закладной детали из стали марки ВCт3кп2 (Ry = 205 МПа); анкеры закладной детали из арматуры класса А-III (Rs = 365 МПа); для колонн принят тяжелый бетон класса В30 (Rbt = 1,2 МПа; Rb = 17 МПа); схема армирования колонны показана на рис. 30; в колонне действует продольная сила, минимальная величина которой равна 1100 кН; изгибающий момент в колонне на уровне закладной детали в плоскости анкеров М = 40 кН×м.

Рис. 30. К примеру 5

Требуется запроектировать анкеры закладной детали, определить толщину пластины, проверить прочность бетона на выкалывание и определить смещение закладной детали в направлении усилия и раскосе.

Расчет. Вертикальное расположение рядов анкеров принимаем, как показано на рис. 30. Усилие в раскосе раскладываем на нормальную силу N, приложенную к закладной детали с эксцентриситетом е0 = 100 мм, и сдвигающую силу Q:

N = 270 cos 56° 20¢ = 270×0,555 = 150 кН;

Q = 270 sin 56° 20¢ = 270×0,832 = 225 кH.

По формуле (2) находим наибольшее растягивающее усилие в одном ряду анкеров при z = 0,42 м и М = Ne0 = 150×0,1 = 15 кН×м:

Наибольшее сжимающее усилие в одном ряду анкеров вычисляем по формуле (4):

т. е. прижатие пластины к бетону отсутствует.

Сдвигающее усилие Qan, приходящееся на одни ряд анкеров, определяем по формуле (3) при  = 0:

Так как  = 0,

следовательно,

Задаваясь диаметром анкеров, равным 16 мм, по табл. 3 для бетона класса В30 с анкерами из арматуры класса A-III находим j = 0,49.

Тогда

Следовательно, принимаем в каждом ряду по два анкера диаметром 18 мм ап = 509 мм2). Проверим значение Аап при j = 0,46, соответствующем принятому диаметру 18 мм.

В каждом ряду оставляем по два анкера диаметром 18 мм.

Расстояние между анкерами принимаем:

а) по горизонтали - минимальным, равным 5d = 5×18 = 90 мм;

б) в вертикальном направлении (т.е. в направлении сдвигающей силы) - равным 140 мм > 7d = 7×18 = 120 мм, что удовлетворяет требованиям п. 5.5 настоящих Рекомендаций.

Определим толщину пластины закладной детали. Поскольку фасонка, передающая отрывающую силу на закладную деталь, расположена посредине расстояния между вертикальными рядами анкеров, толщину пластины определяем расчетом по прочности пластины как консольной балки с вылетом 35 мм (см. рис. 30) на действие растягивающего усилия в одном анкере, равного: Nan1 =  = 36,6 кН.

Ширину консольной балки принимаем b = 80 мм. Расчет производим из условия M £ RyW, где М = 36600×35 = 1280000 Н×мм, Ry = 205 МПа; .

Тогда

Толщину пластины из полосовой стали принимаем равной 22 мм. При этом выполняется условие (30) -

и обеспечиваются требования любого вида сварки стержней втавр (см. табл. 5) 0,75d = 0,75×18 = 13,5 мм < 22 мм.

Определяем по формуле (62) минимально допустимую длину анкеров без усилений. Для этого по формуле (64) вычисляем коэффициент jc.

Учитывая, что площадь Аап принята с запасом, уточняем значение Rs.

Поскольку на закладную деталь действует только ветровая нагрузка, значение Rb принимаем с учетом  = 1,1 - Rb = 17×1,1 = 18,7 МПа.

Для определения коэффициентов w и Dl вычислим максимальное и минимальное напряжения бетона в пределах длины анкера.

Приведенные площадь Ared и момент инерции Ired сечения колонны соответственно равны:

Здесь

Максимальное напряжение в бетоне sbmax в конце анкера длиной la = 300 мм (т.е. на расстоянии y = 300 + 22 - 400/2 » 120 мм от центра тяжести сечения) находим по формуле

Минимальное напряжение в бетоне sbmin в начале анкера (т.е. при y = 400/2-22 » 180 мм) будет равно:

Поскольку анкер не расположен полностью в зоне с напряжениями от 0,25 до 0,75 Rb, находим длину той части анкера а которая находится в этой зоне:

Тогда

Следовательно, расчетная длина анкера будет равна:

Принимаем la = 300 мм.

Проверим бетон в зоне установки закладной детали на выкалывание.

Поскольку все анкеры растянуты и не имеют усилений, расчет производим из условия (34).

Определим площадь проекции поверхности выкалывания Аh с учетом смещения наклонной грани пирамиды выкалывания на величину, равную 2е0 = 2×100 = 200 мм. При h = la = 300 мм

Аh = (420-200+2×300)400 = 32,8×104 мм2.

Так как сила N приложена в центре тяжести площади Аh, то е1 = c = 0; q2 = 0,5; (как для тяжелого бетона). Зная, что a/la = 0,74, находим

Поскольку la = h, то Rs Аап,tot  = 0. Значение Rbt с учетом =1,1 - Rbt = 1,1×1,2=1,32 МПа.

j2j3AhRbt = 0,5×1,148×32,8×104×1,32 = 248500 H > N = 150 кН.

Проверим условие (34) при h = 200 мм < la. Так как на расстоянии h от пластины поверхность выкалывания пересекает только две пары анкеров, их общая площадь составит

Aan,tot = 1018 мм2,

Ah = (420 - 200 + 2×200) 400 = 24,2×104 мм2.

При меньших значениях h условие (34) не проверяем, поскольку несущая способность закладной детали при этом повышается.

Проворим условие (34) при h = 400 мм (высота сечения колонны), но без учета площади, расположенной между анкерами, - (420 - 200)90 = 19800 мм2.

Ah = (420 - 200 + 2×400) 400 - 19800 = 388 000 мм2 > 328000 мм2,

т.е. площадь Ah превышает площадь, вычисленную выше при h = 300 мм. Следовательно, прочность бетона на выкалывание обеспечена.

Смещение закладной детали по направлению сдвигающей силы определяем по формуле (49) при jcс = 1.

Смещение закладной детали по направлению отрывающей силы находим как сумму смещений анкеров и прогиба пластины закладной детали.

Смещение анкеров определим по формуле (50) при

1. Смещение анкера наиболее растянутого ряда от действия усилия

При этом прогиб пластины на этом уровне, определенный в соответствии с той же расчетной схемой, что и для определения толщины пластины, составит:

где

Тогда полное смешение на уровне наиболее растянутого ряда анкеров равно: ai = aan,t + apl,t = 0,079 + 0,074 = 0,153 мм.

2. Смещение анкера наименее растянутого ряда от действия растягивающего усилия, равного

 составит

При этом прогиб пластины на этом уровне будет равен:

а полное смещение -

Используя линейную интерполяцию, определим смещение закладной детали на уровне приложения отрывающей силы, т.е. на расстоянии 210-100 = 110 мм от наиболее растянутых анкеров:

Смещение закладной детали в направлении усилия в раскосе равно:

Пример 6. Дано: к закладной детали колонны приварен элемент стальных связей, в котором возникает усилие от ветровой нагрузки, равное N = 290 кН (рис. 31); пластина закладной детали выполнена из стали марки ВСт3кп2 (Rу = 205 МПа), а анкеры закладной детали - из арматуры класса A-III (Rs =365 МПа); бетон колонны принят тяжелый класса B40 (Rb = 22,5 МПа; Rbt = 1,4 МПа); схема армирования колонны приведена на рис. 31; минимальная продольная сила, действующая в колонне, 1400 кН; изгибающий момент в колонне на уровне закладной детали в плоскости ее анкеров М = 50 кН×м.

Требуется запроектировать анкеры закладной детали, определить толщину пластины и проверить прочность бетона на выкалывание.

Рис. 31. К примеру 6

Расчет. Поскольку центр тяжести анкеров совпадает с точкой приложения отрывающей силы N = 290 кН, то М = 0.

Принимая Q = 0, по формуле (1) определяем суммарную площадь сечения анкеров:

Принимаем 6Æ14 (Aan,tot = 923 мм2).

Анкеры располагаем в три ряда (по два анкера в каждом) и привариваем их концы к такой же пластине на противоположной стороне колонны. Согласно п. 5.5 настоящих Рекомендаций, в этом случае минимальное расстояние между анкерами равно: 4d = 4×14 = 56 мм, принимаем 60 мм.

Поскольку фасонка, передающая отрицающую силу на закладную деталь, располагается посредине расстояния между вертикальными рядами анкеров, толщину пластины закладной детали определяем так же, как и в примере 5, принимая вылет консоли равным l = 20 мм, а ее ширину b = 60 мм (см. рис. 31).

Усилие в одном анкере равно:

Тогда:

Принимаем пластину из полосовой стали толщиной 22 мм. При этом выполняется:

а) условие (30)

б) требования любого вида сварки стержней втавр (см. табл. 5) 0,75d = 0,75×14 = 10,5 мм < 22 мм.

Проверяем бетон на выкалывание.

Поскольку все анкеры растянуты и имеют усиление, расчет производим из условия (32).

Определяем площадь проекции выкалывания А (см. рис. 31) за вычетом площади пластины:

Поскольку сила N приложена в центре тяжести площади А, то е1 = е2 = 0; j2 = 0,5 (как для тяжелого бетона). Проверим условие (32), пренебрегаем «в запас» сжимающими напряжениями в бетоне (т.е. при j3 = 1) и учитывая, что  = 1,1, т.е. Rbt = 1,1×1,4 = 1,54, поскольку вся сила вызвана ветровой нагрузкой.

т.е. условие (32) не выполняется. Проведем его повторную проверку путем уточнения значения коэффициента j3.

Для этого вычислим приведенные площади Ared и момент инерции Ired сечения колонны.

здесь

Минимальное и максимальное напряжения в бетоне в пределах длины анкера, т.е. на расстоянии у =  - d = 200 - 25=175 мм по обе стороны от центра тяжести сечения, равны:

т.е. в зоне с напряжениями 0,25 Rb < sb < 0,75 Rb находится лишь часть анкера а, равная:

Уточняем коэффициент j3,

тогда

т.е. прочность бетона на выкалывание обеспечена.

Пример 7. По данным примера 6 определить допустимое отклонение в расположении закладной детали относительно оси колонны, исходя из расчета на выкалывание бетона.

Расчет. Расчет производим из условия (32). Из примера 6 принимаем j2jзARbt = 312800 H. При эксцентриситете силы N относительно середины вертикального размера площади А, равного e1 = 0, определим допустимый эксцентриситет силы N - е2 относительно середины горизонтального размера площади А, совпадающего с шириной колонны (т.е. a2 = bcol = 400 мм).

Поскольку центр тяжести закладной детали совпадает с точкой приложения силы N, ее допустимое смещение относительно оси колонны равно 9 мм.

Пример 8. Дано: на закладную деталь железобетонной оболочки дымовой трубы действует сила под углом 30° к пластине от веса провисающего оборудования, равная 420 кН (рис. 32); анкеры закладной детали выполнены из арматуры класса A-III (Rs = 365 МПа); бетон тяжелый класса В25 (Rb = 14,5 МПа; Rbt = 1,05 МПа); в месте расположения закладной детали бетон равномерно сжат с минимальным напряжением sbmin = 1,5 МПа.

Требуется запроектировать анкеры закладной детали с применением наклонных анкеров, приваренных внахлестку, и проверить прочность бетона на выкалывание.

Рис. 32. К примеру 8

Расчет. Определяем сдвигающую и нормальную (отрывающую) силы, действующие на закладную деталь:

Q = 420 cos 30° = 420×0,866 = 364 кН;

N = 420 sin 30° = 420×0,5 = 210 кН.

Поскольку Q>N, согласно положениям п. 4.4 настоящих Рекомендаций, применяем наклонные анкеры, приваренные внахлестку. Определяем общую площадь сечения этих анкеров по формуле (20), принимая  = 0.

Принимаем четыре анкера диаметром 18 мм (Aan,tot,i = 1018 мм2), которые располагаем в двух плоскостях (см. рис. 35). Расстояние между плоскостями составляет 100 мм > 5d = 5×18 = 90 мм (см. п. 5.5 настоящих Рекомендаций).

Тогда расстояние между анкерами в вертикальном направлении при угле наклона анкеров 30° равно:

Определяем площадь сечения нормальных анкеров согласно пп. 4.1 и 4.4 настоящих Рекомендаций и располагаем их в два ряда по высоте (nan = 2).

Поскольку отрывающая сила N приложена без эксцентриситета, M = 0,

тогда

При

Поскольку в закладной детали предусмотрены наклонные анкеры, принимаем j1 = 1 и Qan = 0,1×182 = 18,2 кН.

Предварительно задавшись диаметром нормальных анкеров d = 16 мм, из табл. 3 для бетона класса B25 и арматуры класса A-III находим j = 0,47, тогда

Принимаем в каждом ряду по два анкера диаметром по 16 мм (Ааn = 402 мм2).

Расстояние между анкерами в каждом ряду принимаем минимальным, равным 5d = 5×16 = 80 мм (см. п. 5.5 настоящих Рекомендаций).

Расстояние между рядами нормальных анкеров принимаем равным расстоянию между наклонными анкерами: 200 мм > 7d = 7×16 = 112 мм.

Определяем минимально допустимую длину наклонных анкеров по формуле (62). Значение Rb, принимаем с учетом коэффициента  = 0,85, т.е. Rb = 14,5×0,85 = 12,3 МПа. Для наклонных анкеров, приваренных внахлестку, jс = 1; w = 0,7; Dl = 11.

Принимаем la = 580 мм. Проекция длины на горизонталь равна lasin30° = 580×0,5 = 290 мм, что позволяет разместить наклонные анкеры такой длины в оболочке дымовой трубы толщиной 330 мм.

По формуле (62) определяем минимальную длину нормальных анкеров, поскольку площадь Aan принята с запасом, получим

Коэффициент jс равен:

Поскольку , принимаем коэффициенты w = 0,7 и Dl = 11.

Следовательно, длина нормальных анкеров равна:

что не позволяет разместить нормальные анкеры в оболочке труб. Поэтому уменьшим длину анкером и усилим их путем приварки к концам коротышей из арматуры класса A-III (Rs = 365 МПа). Поскольку в окружающем бетоне отсутствуют трещины, согласно п. 5.8 настоящих Рекомендаций, такое усиление допустимо.

Из формулы (43) определяем минимальную длину анкера с коротышом с учетом положений п. 4.12 настоящих Рекомендаций, согласно которым на коротыш можно передавать не более 1/3 растягивающего усилия.

откуда

Принимаем длину анкера la = 290 мм > 15d = 15×16 = 240 мм и по условию (45) проверяем бетон под коротышом на смятие.

Принимая максимально допустимый диаметр коротыша, равный dcb = 16 мм, получим, что площадь сечения коротыша составляет Acb = 201 мм2, j = 0,47 (см. табл. 3).

Длину коротыша принимаем равной lcb = 200 мм и располагаем его симметрично относительно двух анкеров (см. рис. 15, б). Тогда: с = 80 мм <7dcb = 7×16 = 112 мм;  Следовательно, значения с и а не корректируем.

Рис. 33. К примеру 9

a - схема расположения закладной детали; б - к определению расчетной площади бетона на смятие

Так как

прочность бетона на смятие обеспечена.

Проверим прочность бетона на выкалывание.

Поскольку  = 0, а сила N приложена с е1 = е2 = 0, то, согласно п. 4.7 настоящих Рекомендаций, проводим поверхность от всех точек пересечения коротышей с анкерами (см. рис. 32).

Тогда А = (200 + 2×310) (80 + 2×310) = 574000 мм2.

Значение Rbt с учетом  = 0,85 равно:

Rbt = 1,05×0,85 = 0,89 МПа.

Поскольку sbc/Rb < 0,25, то j3 = 1.

Для тяжелого бетона j2 = 0,5.

Условие (32) проверяем при е1 = е2 = 0.

т.е. прочность бетона на выкалывание обеспечена.

Пример 9. По данным примера 8 запроектировать анкеры закладной детали при действии силы, равной 570 кН (рис. 33, a).

Расчет. Находим силы сдвигающую Q и нормальную N:

Q = 570 cos 30° = 570×0,866 = 494 кН;

N = 570 sin 30° = 570×0,5 = 285 кН.

По формуле (20) определяем общую площадь сечения наклонных анкеров Aan, приваренных внахлестку.

что соответствует площади четырех анкеров диаметров 22 мм.

Поскольку увеличение диаметра или числа анкеров по сравнению с принятыми в примере 8 (4Æ18) в данном случае приведет к существенному увеличению размеров пластины закладной детали и примыкающих к ней элементов, оставляем четыре наклонных анкера диаметром 18 мм (Aan,tot,i = 1018 мм2), а нормальные анкеры, согласно п. 4.4 настоящих Рекомендаций, будем рассчитывать на действие сдвигающей силы, равной Q - 0,9RsAan,tot,i, т.е. на действие

Q = 494000 - 0,9×365×1018 = 159000 Н = 159 кН.

Нормальные анкеры располагаем в три ряда по высоте закладной детали (nan = 3) и, согласно п. 4.1 настоящих Рекомендаций, определяем площадь анкеров одного ряда при М = 0 и  = 0.

Коэффициент j1 определяем по формуле (6). Так как  = 0,

Задаваясь диаметром нормальных анкеров, равным 20 мм, по табл. 3 для бетона класса В25 и арматуры класса A-III находим j = 0,41.

Тогда по формуле (1) получим

Принимаем в каждом ряду по два анкера диаметром 20 мм (Аan = 628 мм2).

Располагаем нормальные анкеры на минимальном расстоянии один от другого: в горизонтальном направлении 5d = 5×20 = 100 мм, в вертикальном (т.е. вдоль действия силы Q) - 7d = 7×20 = 140 мм (см. п. 5.5 настоящих Рекомендаций).

Схему расположения и длину наклонных анкеров принимаем, как в примере 8.

Так же как в примере 8, по формуле (62) определяем минимально допустимую длину нормальных анкеров при w = 0,7 и Dl = 11. Находим коэффициент jс по формуле (64).

Поскольку толщина оболочки дымовой трубы не позволяет разместить нормальные анкеры такой длины, принимаем la = 270 мм (с усилением их концов анкерными пластинами размером 50´50 мм).

Проверяем бетон под этими пластинами на смятие согласно п. 4.12 настоящих Рекомендаций.

Площадь смятия равна:

Aloc = Apl - Aan1 = 50×50 - 314 = 2186 мм2.

Расчетную площадь Ad определяем как симметричную по отношению к площади смятия Aloc (см. рис. 33, б):

Ad = 100×140 = 14000 мм2.

Тогда, согласно п. 3.95 «Руководства по проектированию бетонных и железобетонных конструкций из тяжелого бетона (без предварительного напряжения)» (М., 1977), коэффициент bb будет равен:

Коэффициент jb для бетона класса В25 равен jb = 1 (см. п. 4.12 настоящих Рекомендаций). Определим силу смятия Nloc. Поскольку в окружающем закладную деталь бетоне трещины отсутствуют, а la = 270 мм < 15d = 15×20 = 300 мм. Для определения Nloc в формулу (43) вводим .

Проверяем условие (41).

т.е. прочность бетона на смятие обеспечена; при этом толщину анкерной пластины принимаем равной 0,2×50 = 10 мм.

Как и в примере 8, проверим прочность бетона на выкалывание для случая, если поверхность выкалывания идет от наружных краев анкерных пластинок (см. рис. 33); при этом их площадь не учитывается:

А = (2×140 + 50 + 2×290) (100 + 50 + 2×290) - 6×50×50 = 649300 мм2.

Из примера 8 j2 = 0,5; j3 = 1,085; Rbt = 0,89 МПа; е1 = е2 = 0.

Проверяем условие (32).

т.е. прочность бетона на выкалывание обеспечена.

Пример 10. Дано: на закладную деталь балки покрытия (рис. 34) от приваренных к ней плит покрытия действуют сдвигающие силы, равные: от ветровых нагрузок - 3,5 кН, от температурных воздействий - 17,5 кН; бетон балки тяжелый класса В25 (Rbt = 1,05 МПа).

Требуется рассчитать бетон балки на откалывание.

Расчет. Поскольку наклонные анкеры отсутствуют, расчет на откалывание бетона ведем из условия (39). Как видно из рис. 34, поверхность откалывания пересекает нижнюю грань полки.

Принимаем s = 140 мм, с1 = с2 = h = 112 мм и находим расчетную ширину проекции поверхности откалывания.

b = с1 + с2 + s = 2×112 + 140 = 364 мм.

Поскольку кроме температурных воздействий в расчете учитываем нагрузки с малой суммарной длительностью действия (ветровые нагрузки), условие (39) проверяем дважды:

а) на действие всех усилий при коэффициенте условия работы бетона  = 1,1;

Q = 3,5 + 17,5 = 21 кН;

Rbt = 1,1×1×0,5 = 1,15 МПа;

б) только на температурные воздействия при  = 0,85:

Q = 17 кН; Rbt = 0,85×1,05 = 0,89 МПа.

Расчет на откалывание бетона производим из условия (39), принимая е = 0, так как сдвигающая сила приложена без эксцентриситета относительно середины размера b. Для тяжелого бетона j2 = 0,5.

Тогда:

т.е. прочность бетона на откалывание обеспечена.

Рис. 34. К примеру 10

Рис. 35. К примерам 11 и 12

а - при приложении усилия Q без эксцентриситета (е0 = 0); б - при приложении усилия Q с эксцентриситетом (е0 = 15 мм)

Пример 11. Дано: на штампованную закладную деталь панели внутренней стены вдоль полосовых анкеров действует усилие Q без эксцентриситета (е0 = 0), рис. 35, а. Усилие включает все виды нагрузок с малой суммарной длительностью действия ( = 1,1).

Панель толщиной 140 мм имеет конструктивное армирование ( = 1), выполняется из тяжелого бетона класса В15 кассетного производства ( = 0,85). Штампованная закладная деталь выполняется из стали марки ВСт3кп2 (Ry = 215 MПа); d = 6 мм; bsa = 25 мм; Asp = 44,5 мм2 (высота сферического выступа 4 мм); nsp = 8; lsa = 235 мм; nsa = 2. На штампованные закладные детали действует прижимающая нагрузка от вышележащих конструкций, значение, которой определяется соответственно узлам сопряжений.

А. Требуется определить расчетное предельное усилие на штампованную закладную деталь панели внутренней стены здания для эксплуатационных условий.

Расчетные сопротивления бетона с учетом соответствующих коэффициентов условий работы бетона равны:

Расчетное предельное усилие Q определяем следующим образом.

1. По прочности растянутых полосовых анкеров (см. рис. 23, a) - по формуле (51):

2. По прочности на раскалывание бетона полосовыми анкерами со сферическими выступами по формуле (52) при  = 1; lsa = 235 мм;  Учитывая, что рассматриваемая панель применяется в нескольких узлах сопряжений с различной величиной пригружения вышележащей нагрузкой, в качестве примера рассмотрим два случая пригрузки штампованной закладной детали.

1-й случай. На участке длины полосовых анкеров действует прижимающая нагрузка, равная Pпр = 2260 Н; в этом случае сжимающие и относительные сжимающие напряжения соответственно составят:

тогда jр = 1 (см. п. 4.17 настоящих Рекомендаций).

При этом на участке размером 140´105 мм действует нагрузка, равная 35800 Н, создающая силу прижатия пластины закладной детали (размером 80´100 мм), равную:

Тогда по формуле (52) предельное усилие Q будет равно:

2-й случай. На участке длины полосовых анкеров действует прижимающая нагрузка, равная Рпр = 70000 Н, тогда сжимающие и относительные сжимающие напряжения соответственно составят:

Поскольку 0,25 <  = 0,28 < 0,75, то jр =1,3 (см. п. 4.17 настоящих Рекомендаций).

При этом прижимающая нагрузка Рпр прижимает пластину закладной детали с силой, равной:

Тогда по формуле (52) предельное усилие Q будет равно:

Q = 1,3×1×235×90×0,715 + 0,3×38000 = 19700 + 11400 = 31100 Н.

3. По прочности на смятие бетона под сферическими выступами растянутых полосовых анкеров - по формуле (54):

4. По прочности на откалывание бетона растянутыми полосовыми анкерами (рис. 35):

1-й случай. Прижимающая сила N¢ = 19500 H (см. выше) действует на участке штампованной закладной детали. Тогда по формуле (55) предельное усилие Q будет равно:

2-й случай. Прижимающая сила N¢ = 38000 Н (см. выше) действует на участке штампованной закладной детали, тогда по формуле (55) предельное усилие Q равно:

Q = 0,5×0,715×435×140 + 0,3×38000 = 21800 + 11400 = 33200 Н.

Предельное усилие (при е0 = 0) на закладную деталь принимаем минимальным и равным:

для 1-го случая Q = 21050 Н (из расчета на раскалывание бетона);

для 2-го случая Q = 29700 Н (из расчета на смятие под сферическими выступами).

Б. Требуется определить расчетное предельное усилие на штампованную закладную деталь панели внутренней стены на стадии возведения здания, когда отсутствует пригруз, так как вышележащие панель перекрытия и другие конструкции еще не смонтированы.

Расчетные сопротивления бетона с учетом коэффициентов условий его работы и отпускной прочности, равной 0,7 Rb, составляют:

Расчетное предельное усилие Q определяем следующим образом.

1. По прочности на раскалывание бетона полосовыми анкерами со сферическими выступами - по формуле (52):

jp = 1;  = 1; lsa = 235 мм;  = 2,30 + 30 = 90 мм;

m = 0; N¢ = 0; Q = 1×1×235×90×0,53 = 11200 Н.

2. По прочности на смятие бетона под сферическими выступами растянутых полосовых анкеров - по формуле (54):

3. По прочности на откалывание бетона растянутыми полосовыми анкерами (рис. 35) - по формуле (55);

N¢ = 0; Q = 0,5×0,53(325 + 110)140 = 16100 H.

Продельное усилие на закладную деталь на стадии возведения здания принимаем минимальным, равным Q = 11200 Н (из расчета на раскалывание бетона).

Пример 12. Исходные данные те же, что и в примере 11. При этом к штампованной закладной детали приложено усилие Q с эксцентриситетом е0 = 15 мм (рис. 35, б).

А. Требуется определить расчетное предельное усилие на штампованную закладную деталь панели внутренней стены здания для эксплуатационных условий.

Расчет производим в следующем порядке.

1. По прочности на раскалывание бетона полосовыми анкерами:

1-й случай (см. пример 11); Rbt = 0,715 МПа; b = 140 мм; jp = 1;  = 1; lsa = 235 мм;  = 90 мм; m = 0; N¢ = 19500 H.

По формуле (59) находим

По формуле (58) рассчитываем предельное усилие Q:

2-й случай (см. пример 11); jp = 1,3; N¢ = 38000 Н. По формуле (58)

2. По прочности на откалывание бетона полосовыми анкерами:

1-й случай (см. пример 11); h = 325 мм; с = 110 мм; N¢ = 19500 Н.

По формуле (61)

2-й случай (см. пример 11): N¢ = 38000 Н.

По формуле (61)

3. По определению растягивающего усилия в наиболее напряженном полосовом анкере:

1-й случай. Предельное усилие (при е0 = 15 мм) на закладную деталь принимаем по минимальному значению Q = 13800 H (из расчета на раскалывание бетона).

По формуле (57) при s = 55 мм

2-й случай. Предельное усилие (при е0 = 15 мм) принимаем: Q = 20400 H (из расчета на раскалывание бетона);

4. По прочности наиболее напряженного полосового анкера - по формуле (56)

5. По прочности на смятие бетона под сферическими выступами наиболее напряженного полосового анкера - по формуле (60)

где Rb = 8,14; Asp = 44,5 мм2; nsp = 8;

1-й случай. Qsa = 14800 H > 10660 Н.

2-й случай. Qsa = 14800 H < 15740 Н и, следовательно, максимальное усилие на наиболее напряженный анкер может быть допущено равным 11800 Н, а усилие на закладную деталь определено из формулы (57):

Для эксплуатационных условий здания расчетное предельное усилие (при е0 = 15 мм) на закладную деталь принимаем по минимальным расчетным значениям:

для 1-го случая Q = 13800 Н (из расчета на раскалывание бетона);

для 2-го случая Q = 19200 Н (из расчета на смятие бетона под сферическими выступами).

Б. Требуется определить расчетное предельное усилие на штампованную закладную деталь панели внутренней стены на стадии возведения здания, когда отсутствует пригрузка, так как вышележащая панель перекрытия и другие конструкции не смонтированы. Панель внутренней стены имеет 70 %-ную отпускную прочность бетона.

Расчет производим следующим образом. 1. По прочности на раскалывание бетона полосовыми анкерами - по формуле (58) при jр = 1; q¢ = 1; lsa = 235 мм;  = 90 мм; Rbt = 0,53 МПа; m = 0; N¢ = 0, e0 = 15 мм; r = 28,8 мм:

2. По прочности на откалывание бетона по формуле (61) при N¢ = 0

3. По определению растягивающего усилия в наиболее напряженном анкере:

Предельное усилие (при e0 = 15 мм) на закладную деталь принимаем по минимальному значению Q = 7400 Н из расчета на раскалывание бетона.

По формуле (57)

Поскольку Qsa = 5720 H < 23200 H, расчет по прочности полосового анкера не производим.

4. По прочности на смятие бетона под сферическими выступами анкеров по формуле (60)

Таким образом, в стадии возведения здания предельное усилие при е0 = 15 мм на закладную деталь составляет Q = 7400 Н из расчета на раскалывание бетона полосовыми анкерами.

СОДЕРЖАНИЕ

 

 




ГОСТЫ, СТРОИТЕЛЬНЫЕ и ТЕХНИЧЕСКИЕ НОРМАТИВЫ.
Некоммерческая онлайн система, содержащая все Российские Госты, национальные Стандарты и нормативы.
В Системе содержится более 150000 файлов нормативно-технической документации, действующей на территории РФ.
Система предназначена для широкого круга инженерно-технических специалистов.

Рейтинг@Mail.ru Яндекс цитирования

Copyright © www.gostrf.com, 2008 - 2026