|
|
|
ГОСТ 9557-87 МЕЖГОСУДАРСТВЕННЫЙ СТАНДАРТ ПОДДОН ПЛОСКИЙ ДЕРЕВЯННЫЙ ТЕХНИЧЕСКИЕ УСЛОВИЯ Москва МЕЖГОСУДАРСТВЕННЫЙ СТАНДАРТ
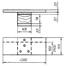
Дата введения 01.01.88 Настоящий стандарт распространяется на плоский четырехзаходный деревянный поддон типа 2ПО4 размером 800 × 1200 мм многократного применения (далее - поддон), предназначенный для формирования транспортных пакетов и осуществления механизированных погрузочно-разгрузочных, транспортных и складских операций на железнодорожном, автомобильном и водном транспорте. (Измененная редакция, Изм. № 1). 1. ОСНОВНЫЕ ПАРАМЕТРЫ, РАЗМЕРЫ И КОНСТРУКЦИЯ1.1. Основные параметры поддона должны быть следующими: масса брутто, кг.......................................... 1000 собственная масса, кг, не более................ 40 материалоемкость, м3................................ 0,046 1.2. Конструкция и размеры поддона и его деревянных деталей должны соответствовать указанным на черт. 1 и в табл. 1. Таблица 1 Размеры, мм
Поддон плоский деревянный размером 800 × 1200 мм 1 - доска настила (крайняя); 2 - доска настила (промежуточная); 3 - доска настила (средняя); 4 - доска поперечная; 5 - малая шашка; 6 - доска основания (крайняя); 7 - доска основания (средняя); 8 - большая шашка; 9 - винтовые гвозди диаметром 4,5 мм и длиной 90 мм; 10 - винтовые гвозди диаметром 3,5 мм и длиной 60 мм Черт. 1 (Измененная редакция, Изм. № 1). 1.3. Предельные отклонения размеров, не указанные на чертеже, не должны быть более ± 2 мм. 2. ТЕХНИЧЕСКИЕ ТРЕБОВАНИЯКонструкция поддона должна соответствовать требованиям ГОСТ 9078 и быть рассчитана на выдерживание без остаточных деформаций рабочих нагрузок, значения и характеристики которых приведены в табл. 2. Таблица 2
2.2. Деревянные детали поддонов должны быть изготовлены из пиломатериалов хвойных пород (пихты, ели, сосны, лиственницы) и пиломатериалов лиственных пород (ольхи, березы, тополя, дуба, ясеня, бука, вяза, акации, клена, платана, каштана). Примечания: 1. У хвойных пород и тополя ширина годичных колец, измеренная на 10 кольцах, не должна превышать 7 мм. 2. Изготовление поперечных досок из тополя не допускается. 2.3.2. Сучки диаметром до 10 мм не учитывают. Допускаются сросшиеся сучки. Диаметр одного сучка не должен превышать 1/4 ширины доски на поперечных досках и 1/3 ширины доски - на остальных досках. На каждом отрезке доски, соответствующем по длине ширине доски, сумма диаметров всех сучков не должна превышать 1/3 ширины доски на поперечных досках и 1/2 ширины доски - на остальных досках. 2.1-2.3.2. (Измененная редакция, Изм. № 1). 2.3.5. Наклон волокон древесины допускается не более 5 % на досках и 20 % на шашках. (Измененная редакция. Изм. № 1). 2.3.6. (Исключен, Изм. № 1). 2.3.7. Влажность древесины при приемке поддонов - по ГОСТ 9078. (Измененная редакция, Изм. № 1). В древесине хвойных и лиственных пород допускаются грибные заболонные окраски, не являющиеся результатом плохих условий сушки или хранения. (Измененная редакция, Изм. № 1). 2.3.10. Допускается сердцевина не более чем в трех из девяти шашек поддона. 2.3.11. Отверстия от выпадающих при обработке досок несросшихся гнилых и табачных сучков, превышающих размеры допустимых, должны быть заделаны пробками из древесины той же породы, что и доски, с применением водостойкого клея. 2.4. Доски должны быть цельными. 2.5. Шашки должны быть изготовлены из целого куска древесины или одного куска древесной прессовочной массы по ГОСТ 11368. Волокна в шашках должны быть расположены вдоль поддона. 2.7. Параметр шероховатости поверхностей поддона - по ГОСТ 9078. 2.8. Поддон (см. черт. 1) изготовляют соединением продольных досок настила с поперечными досками, последующим соединением настила из верхних продольных и поперечных досок, а также досок основания с шашками. Продольные доски настила соединяют с поперечными досками винтовыми четырехходовыми гвоздями (приложение А) диаметром 3,5 мм и длиной 60 мм при длине навинтованной части не менее 75 %. Допускается для соединения досок использовать гвозди К 2,5 × 60 по ГОСТ 4028. Гвозди должны быть забиты со стороны продольных досок, концы должны быть подогнуты и полностью утоплены в древесину на нижней стороне поперечных досок поперек волокон. Крайние доски настила с каждой поперечной доской соединяют не менее чем одним гвоздем, промежуточную доску с каждой поперечной доской - не менее чем тремя гвоздями. Настил из верхних продольных и поперечных досок, а также доски основания соединяют с шашками фосфатированными или оксидированными винтовыми четырехходовыми гвоздями диаметром 4,5 мм и длиной 90 мм при длине навинтованной части не менее 75 %. Каждая шашка должна быть соединена как с настилом, так и с досками основания не менее чем тремя гвоздями. При сборке поддонов крепежные элементы следует устанавливать вертикально на расстоянии не менее 25 мм от торцов и кромок доски. Гвозди следует располагать в шахматном порядке. Расстояние между гвоздями должно быть не менее 1/3 ширины доски. Головки забитых гвоздей должны быть утоплены в древесину на 1 - 1,5 мм. Шашки и доски из твердых пород древесины предварительно надсверливают. Диаметр отверстия должен быть на 1 мм меньше диаметра детали крепления. Глубина отверстия должна составлять 70 % длины детали крепления. 2.9. Предельно допустимые отклонения при сборке поддонов - по приложению Б. Не допускаются сколы, сквозные зазоры, несквозные зазоры более 0,5 мм. 2.6 - 2.9. (Измененная редакция, Изм. № 1). 2.10. Значение наработки на отказ должно быть не менее 300 операций. 2.11. Маркировка поддона - по ГОСТ 9078. На поддонах, поставляемых по железным дорогам Российской Федерации, на крайних левых шашках обеих продольных сторон должен быть выжжен знак RZD. 2.12. Допускается выполнять маркировку тиснением с последующей окраской. Тиснение должно быть глубиной не менее 0,3 мм, краска должна быть от коричневой до черной, водонерастворимой и не теряющей цвета на свету. 2.11, 2.12. (Измененная редакция, Изм. № 1). 3. ПРИЕМКАПри организации производства опытные образцы поддонов должны проходить предварительные и приемочные испытания, а при внесении изменений в конструкцию, технологию изготовления или замене материалов - типовые. Приемочные и типовые испытания следует проводить не менее чем с двумя образцами. В состав приемочных и типовых испытаний следует включать статические и ударные испытания по ГОСТ 9078, проверку соединений на отрыв и наработку на отказ. Предварительные испытания следует осуществлять в объеме, предусмотренном при приемо-сдаточных испытаниях. 3.2. Число поддонов, подвергаемых приемо-сдаточным испытаниям, зависящее от размера партии, должно соответствовать указанному в табл. 3. Партию, превышающую 10000 поддонов, подразделяют на более мелкие партии. Поддоны отбирают произвольно до начала их испытаний из партии в целом. Таблица 3 шт.
3.3. При приемосдаточных испытаниях проводят осмотр и измерение поддонов с выявлением и подсчетом отклонений от нормируемых параметров поддона и показателей качества древесины и изготовления поддона. Отклонения подразделяют на критические, т.е. отрицательно влияющие на безопасность или исключающие возможность использования поддона, основные, т.е. значительно снижающие срок службы поддонов или возможности его использования, и второстепенные, т.е. незначительно влияющие на возможность применения поддона. Перечень параметров и показателей качества древесины и изготовления поддона, несоблюдение которых считается критическим, основным или второстепенным отклонением, приведен в приложении Б. При осмотре и измерении испытуемых поддонов отклонения каждого вида учитывают отдельно. 3.4. Партию считают выдержавшей приемо-сдаточные испытания, если суммарное число отклонении каждого вида не превышает предельно допустимого числа, приведенного в табл. 3. При превышении предельно допустимого числа отклонений хотя бы одного вида всю партию бракуют. При согласии заказчика партия может быть представлена к повторным приемо-сдаточным испытаниям, если до их начала все дефектные поддоны выбракованы. Выбракованные поддоны после ремонта и устранения дефектов могут быть представлены к приемке в составе новой партии. 3.5. Каждая партия поддонов должна сопровождаться документом по ГОСТ 9078. 3.1-3.5. (Измененная редакция, Изм. № 1). 3.6. Периодическим испытаниям подвергают один раз в год четыре поддона из числа прошедших приемо-сдаточные испытания. При периодических испытаниях проверяют прочность поддонов сбрасыванием их на угол, прочность соединений поддона на отрыв и наработку на отказ. (Введен дополнительно, Изм. № 1). 4. МЕТОДЫ КОНТРОЛЯ4.1. Контроль размеров, влажности и шероховатости поверхностей поддонов, а также проверка их прочности сбрасыванием на угол - по ГОСТ 9078. 4.2. Прочность соединений поддона на отрыв следует проверять с применением испытательной установки, принципиальная схема которой приведена в приложении В. Испытанию подвергают по 20 образцов каждого из трех видов соединений. Образцы, схемы которых приведены в приложении Г, следует вырезать из готовых поддонов или изготовлять в виде отдельных узлов на тех же станках и с применением тех же материалов, что в серийных поддонах. Деревянные детали должны быть без сучков, трещин и к моменту испытания иметь влажность не более 22 %. Среднее значение усилия отрыва и 75 % всех измеренных усилий должны быть не менее следующих величин в соединениях: промежуточная доска настила - поперечная доска - 3,0 кН; доска настила - поперечная доска - шашка - 5,5 кН; доска основания - шашка - 5,5 кН. 4.3. Наработку на отказ проверяют испытанием поддона с контрольным равномерно распределенным грузом массой 1,25 т путем захвата поддона вилочным электропогрузчиком, подъема на высоту 0,3 м, опускания на горизонтальную площадку и высвобождения вил электропогрузчика. Для повторения цикла испытаний порожний электропогрузчик отъезжает на расстояние 1 - 1,5 м. Испытания проводят вводом вил погрузчика по ширине поддона 150 раз с одной стороны и 150 раз - с другой. Поддон считают выведенным из строя при раскалывании или изломе хотя бы одной доски или расстройстве узлов соединения с отходом одной детали от другой более чем на 2 мм. Разд. 4. (Измененная редакция, Изм. № 1). 5. ТРАНСПОРТИРОВАНИЕ И ХРАНЕНИЕТранспортирование и хранение поддонов следует осуществлять в соответствии с ГОСТ 9078. Разд. 5. (Измененная редакция, Изм. № 1). 6. УКАЗАНИЯ ПО ЭКСПЛУАТАЦИИ И ГАРАНТИИ ИЗГОТОВИТЕЛЯУказания по эксплуатации поддонов и гарантии изготовителя - по ГОСТ 9078. Разд. 6. (Измененная редакция, Изм. № 1). Разд. 7. (Исключен, Изм. № 1). ПРИЛОЖЕНИЕ АСправочное Гвозди винтовые четырехходовые
Черт. 2 Размеры, мм
ПРИЛОЖЕНИЕ БОбязательное ПЕРЕЧЕНЬ
|
|||||||||||||||||||||||||||||||||||||||||||||||||||||||||||||||||||||||||||||||||||||||||||||||||||||||||||||||||||||||||||||||||||||||||||||||||||||||||||||||||||||||||||||||||||||||||||||||||||||||||||||||||||||||||||||||||||||||||||||||||||||||||||||||||||||||||||||||||||||||||||||||||||||||||||||||||||||||||||||||||||||||||||||||||||||||||||||||||||||||||||||||||||||
|
Проверяемые размеры поддона и пороки древесины в поперечных досках |
Допустимые значения |
Номер пункта |
|
Длина поддона, мм |
1200 |
- |
|
Ширина поддона, мм |
800 |
- |
|
Толщина поперечной доски, мм |
22+3 |
|
|
Сучки в поперечных досках |
Не допускаются |
|
|
Обзол на поперечных досках |
Не допускается |
|
|
Диаметр отдельных сучков в поперечных досках, не более |
1/4 ширины доски |
|
|
Сумма диаметров сучков в поперечных досках на отрезке, равном ширине доски, не более |
1/3 ширины доски |
б) основными
|
Проверяемые размеры, пороки древесины и показатели качества изготовления поддона |
Допустимые значения |
Номер пункта |
|
Длина поддона, мм |
1200+3 |
|
|
Ширина поддона, мм |
800+3 |
|
|
Высота вилочного проема, мм |
100+3 |
|
|
Расстояние от бокового края поддона до средней шашки, мм |
327,5 |
|
|
Расстояние от торцового края поддона до средней шашки, мм |
527 |
|
|
Ширина поперечной доски, мм |
145 |
|
|
Толщина любой доски, кроме поперечной, мм |
22+3 |
|
|
Гниль |
Не допускается |
|
|
Прорость |
Не допускается |
|
|
Влажность древесины |
26 % |
|
|
Сучки на всех досках, кроме поперечных |
Не допускаются |
|
|
Диаметр отдельных сучков на всех досках, кроме поперечных, не более |
1/2 ширины доски |
|
|
Сумма диаметров сучков на отрезке, равном ширине проверяемой доски (кроме поперечной), не более |
2/3 ширины доски |
|
|
Трещины в досках, появившиеся в процессе производства |
Не допускаются |
|
|
Фаски на кромках всех досок основания в местах ввода вил и по углам поддона |
Их наличие |
|
|
Поверхность фасок |
Строганая или фрезерованная |
|
|
Размер |
В вилочном проеме 10 × 45°, по углам поддона 15 × 45° |
|
|
Число забитых гвоздей в соединениях: крайняя доска настила - поперечная доска |
1 |
|
|
промежуточная доска настила - поперечная доска |
3 |
|
|
доска настила - поперечная доска - шашка |
3 |
|
|
доска основания - шашка |
3 |
|
|
Число криво забитых гвоздей |
0 |
|
|
Полнота маркировки |
Отсутствие одного знака |
в) второстепенными
|
Проверяемые размеры, пороки древесины и показатели качества изготовления поддона |
Допустимые значения |
Номер пункта |
|
Расстояние от края поддона до промежуточной доски, мм |
186 |
|
|
Длина доски настила и основания, мм |
1200+3 |
|
|
Длина поперечной доски, мм |
800+3 |
|
|
Ширина доски, мм |
145 |
|
|
Ширина доски, мм |
100 ± 3 |
|
|
Длина шашки, мм |
145 |
|
|
Ширина шашки, мм |
145 |
|
|
Ширина шашки, мм |
100 ± 3 |
|
|
Высота шашки, мм |
78+1 |
|
|
Влажность древесины |
От 22 % до 26 % |
|
|
Тупой обзол в поперечном направлении на досках, кроме поперечной, не более, мм |
15 |
|
|
Диаметр отдельных сучков на всех досках, кроме поперечных |
От 1/3 до 1/2 ширины доски |
|
|
Сумма диаметров сучков на отрезке, равном ширине проверяемой доски (кроме поперечной) |
От 1/2 до 2/3 ширины доски |
. |
|
Глубокая трещина в доске (не при сборке): |
|
|
|
число |
1 |
|
|
длина, не более |
Ширины доски |
|
|
Изменение окраски |
Допускаются грибные заболонные не в результате сушки или хранения древесины |
|
|
Кармашки на наружных пластах досок |
Не допускаются |
|
|
Кармашки на остальных поверхностях длиной, не более, мм |
50 |
|
|
Наклон волокон: |
|
|
|
в доске |
5 % |
|
|
в шашке |
20 % |
|
|
Червоточины в шашке из тополя: число |
1 |
|
|
диаметр, не более, мм |
10 |
|
|
в доске из тополя: |
|
|
|
число |
2 |
|
|
диаметр, не более, мм |
10 |
|
|
глубина, не более, мм |
5 |
|
|
Червоточины в деталях из всех пород дерева, кроме тополя |
Не допускаются |
|
|
Внутренняя заболонь в досках из древесины лиственных пород, не более |
1/4 ширины |
|
|
Сердцевина: |
|
|
|
в шашках |
В трех из девяти |
|
|
в досках |
Не допускается |
|
|
Обработка досок |
Цельные |
|
|
Обработка и расположение шашек |
Из одного куска древесины или древесной массы по ГОСТ 11368, волокнами вдоль поддона |
|
|
Расстояние от забитого гвоздя до края доски или шашки, не менее, мм |
25 |
|
|
Заглубление головок забитых гвоздей, мм |
1 - 1,5 |
Примечание. При приемо-сдаточных испытаниях подсчитывается число дефектов (отклонений от указанных допустимых значений параметров), имеющих место в каждом из отобранных для испытаний поддонов (а не число поддонов с отклонениями), затем эти числа дефектов суммируются по каждому виду отклонений (критических, основных, второстепенных) и по табл. 3 определяется пригодность партии поддонов к сдаче.
Рекомендуемое

1 - скоба, зажимающая шашку; 2 - скоба, нажимающая на доску; 3 - прибор, измеряющий усилие, направленное на отрыв шашки от доски
Черт. 3
Обязательное
|
Вид соединения - |
Схемы образцов |
|
|
вырезаемых из поддонов |
изготовленных отдельно |
|
|
Доска настила - поперечная доска |
|
|
|
Доска настила - поперечная доска - шашка |
|
|
|
Доска основания - шашка |
|
|
ПРИЛОЖЕНИЯ А-Г. (Введены дополнительно, Изм. № 1).
ИНФОРМАЦИОННЫЕ ДАННЫЕ
1. РАЗРАБОТАН И ВНЕСЕН Министерством путей сообщения РАЗРАБОТЧИКИ
М.В. Романенко, канд. техн. наук (руководитель темы); Н.М. Макеева; А.С. Юдина
2. УТВЕРЖДЕН И ВВЕДЕН В ДЕЙСТВИЕ Постановлением Государственного комитета СССР по стандартам от 23.04.87 № 1362
Изменение № 1 принято Межгосударственным Советом по стандартизации, метрологии и сертификации (протокол № 6 от 21.10.94)
За принятие проголосовали:
|
Наименование государства |
Наименование национального органа по стандартизации |
|
Азербайджанская Республика |
Азгосстандарт |
|
Республика Армения |
Армгосстандарт |
|
Республика Беларусь |
Госстандарт Беларуси |
|
Грузия |
Грузстандарт |
|
Республика Казахстан |
Госстандарт Республики Казахстан |
|
Киргизская Республика |
Киргизстандарт |
|
Республика Молдова |
Молдовастандарт |
|
Российская Федерация |
Госстандарт России |
|
Республика Узбекистан |
Узгосстандарт |
|
Украина |
Госстандарт Украины |
3. Стандарт соответствует ИСО/Р-445 (ИСО ТК/122) в части типоразмера поддона и требований к древесине
4. ВЗАМЕН ГОСТ 9557-73
5. ССЫЛОЧНЫЕ НОРМАТИВНО-ТЕХНИЧЕСКИЕ ДОКУМЕНТЫ
|
Обозначение НТД, на который дана ссылка |
Номер пункта, приложение |
6. Ограничение срока действия снято Постановлением Госстандарта от 24.08.92 № 1013
7. ПЕРЕИЗДАНИЕ (январь 1999 г.) с Изменением № 1, принятым в феврале 1996 г. (ИУС 4-96)
СОДЕРЖАНИЕ
|
ГОСТЫ, СТРОИТЕЛЬНЫЕ и ТЕХНИЧЕСКИЕ НОРМАТИВЫ. Некоммерческая онлайн система, содержащая все Российские Госты, национальные Стандарты и нормативы. В Системе содержится более 150000 файлов нормативно-технической документации, действующей на территории РФ. Система предназначена для широкого круга инженерно-технических специалистов. Copyright © www.gostrf.com, 2008 - 2026 |