| |

ГОСУДАРСТВЕННЫЙ СТАНДАРТ СОЮЗА ССР
БОЛТЫ С ШЕСТИГРАННОЙ ГОЛОВКОЙ
КЛАССА ТОЧНОСТИ С
Конструкция
и размеры
ГОСТ 15589-70
(СТ СЭВ 4729-84)
ГОСУДАРСТВЕННЫЙ СТАНДАРТ
СОЮЗА ССР
|
БОЛТЫ С ШЕСТИГРАННОЙ ГОЛОВКОЙ КЛАССА ТОЧНОСТИ С
Конструкция и размеры
Hexagon bolts product grade С.
Construction and dimensions
|
ГОСТ
15589-70
(СТ СЭВ 4729-84)
|
Дата введения 01.01.72
1. Настоящий стандарт распространяется на болты с шестигранной
головкой класса точности С с диаметром резьбы от 6 до 48 мм.
Стандарт полностью соответствует СТ СЭВ 4729-84.
(Измененная редакция, Изм. № 4, 5).
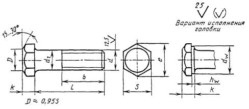
2. Конструкция и размеры болтов должны соответствовать указанным
на чертеже и в табл. 1, 2.
(Измененная редакция, Изм. № 2-6).
3. Резьба - по ГОСТ 24705. Сбег и недорез резьбы - по ГОСТ 27148. Концы болтов - по ГОСТ
12414.
(Измененная редакция, Изм. № 5).
3а. Радиус под головкой - по ГОСТ
24670.
3б. Не установленные настоящим
стандартом допуски размеров, отклонений формы и расположения поверхностей и
методы контроля - по ГОСТ 1759.1.
3в. Допустимые дефекты болтов и
методы контроля - по ГОСТ 1759.2.
3а.-3в. (Введены дополнительно, Изм. № 4).
4. Вариант исполнения головки устанавливает изготовитель.
5. Технические требования - по ГОСТ 1759.0.
Механические свойства болтов должны соответствовать классам
прочности 3.6, 4.6, 4.8, 5.6 и 5.8 по ГОСТ
1759.4.
Болты поставляют без покрытия.
(Измененная редакция, Изм. № 5, 6).
5а. Допускается изготавливать болты с диаметром гладкой части
стержня d1, приблизительно равным
среднему диаметру резьбы.
(Введен дополнительно, Изм. № 3).
5б. Допускается для нанесения знаков маркировки изготавливать
болты исполнений 1 и 2 с лункой на торцевой поверхности головки с размерами, не
снижающими прочность головки, при этом глубина лунки должна быть не более 0,4k.
(Введен дополнительно, Изм. № 5).
6. (Исключен, Изм. № 2).
7. Масса болтов указана в приложении 1.
8. (Исключен, Изм. № 4).
Исполнение 1

Исполнение 2

Исполнение 3

Исполнение 4

Таблица
1
мм
|
Номинальный диаметр резьбы d
|
6
|
8
|
10
|
12
|
(14)
|
16
|
(18)
|
20
|
(22)
|
24
|
(27)
|
30
|
36
|
42
|
48
|
|
|
|
Шаг
резьбы
|
1
|
1,25
|
1,5
|
1,75
|
2
|
2,5
|
3
|
3,5
|
4
|
4,5
|
5
|
|
|
Диаметр
стержня d1
|
6
|
8
|
10
|
12
|
14
|
16
|
18
|
20
|
22
|
24
|
27
|
30
|
36
|
42
|
48
|
|
|
Размер
"под ключ" S
|
10
|
13
|
16
|
18
|
21
|
24
|
27
|
30
|
34
|
36
|
41
|
46
|
55
|
65
|
75
|
|
|
Высота
головки k
|
4,0
|
3,3
|
6,4
|
7,5
|
8,8
|
10,0
|
12,0
|
12,5
|
14,0
|
15,0
|
17,0
|
18,7
|
22,5
|
26,0
|
30,0
|
|
|
Диаметр
описанной окружности е, не менее
|
10,9
|
14,2
|
17,6
|
19,9
|
22,8
|
26,2
|
29,6
|
33,0
|
37,3
|
39,6
|
45,2
|
50,9
|
60,8
|
71,3
|
82,6
|
|
|
dН,
не менее
|
8,7
|
11,5
|
14,5
|
16,5
|
19,2
|
22,0
|
24,8
|
27,7
|
31,4
|
33,2
|
38,0
|
42,7
|
51,1
|
59,9
|
69,4
|
|
|
hН
|
не
менее
|
0,15
|
0,20
|
0,25
|
|
|
не
более
|
0,6
|
0,8
|
|
|
Диаметр
отверстия в стержне d3
|
1,6
|
2,0
|
2,5
|
3,2
|
4,0
|
5,0
|
6,3
|
8,0
|
|
|
Диаметр
отверстия в головке d4
Н15
|
2,0
|
2,5
|
3,2
|
4,0
|
5,0
|
|
|
Расстояние
от опорной поверхности до оси отверстия в головке l2
js15
|
2,0
|
2,8
|
3,5
|
4,0
|
4,5
|
5,0
|
6,0
|
6,5
|
7,0
|
7,5
|
8,5
|
9,5
|
11,5
|
13,0
|
15,0
|
|
|
|
|
|
|
|
|
|
|
|
|
|
|
|
|
|
|
|
|
|
Примечания:
1.
Размеры болтов, заключенные в скобки, применять не рекомендуется.
2.
Допускается изготавливать болты с размерами, указанными в приложении 2.
Таблица 2
мм
|
Длина болта l
|
Длина резьбы l и расстояние от опорной поверхности головки
до оси отверстия в стержне l1
при номинальном диаметре резьбы d (знаком ´ отмечены
болты с резьбой по всей длине стержня)
|
|
6
|
8
|
10
|
12
|
(14)
|
16
|
18
|
20
|
(22)
|
24
|
(27)
|
30
|
36
|
42
|
48
|
|
l1
|
b
|
l1
|
b
|
l1
|
b
|
l1
|
b
|
l1
|
b
|
l1
|
b
|
l1
|
b
|
l1
|
b
|
l1
|
b
|
l1
|
b
|
l1
|
b
|
l1
|
b
|
l1
|
b
|
l1
|
b
|
l1
|
b
|
|
8
|
-
|
´
|
-
|
´
|
-
|
-
|
-
|
-
|
-
|
-
|
-
|
-
|
-
|
-
|
-
|
-
|
-
|
-
|
-
|
-
|
-
|
-
|
-
|
-
|
-
|
-
|
-
|
-
|
-
|
-
|
|
10
|
-
|
´
|
-
|
´
|
-
|
´
|
-
|
-
|
-
|
-
|
-
|
-
|
-
|
-
|
-
|
-
|
-
|
-
|
-
|
-
|
-
|
-
|
-
|
-
|
-
|
-
|
-
|
-
|
-
|
-
|
|
12
|
-
|
´
|
-
|
´
|
-
|
´
|
-
|
-
|
-
|
-
|
-
|
-
|
-
|
-
|
-
|
-
|
-
|
-
|
-
|
-
|
-
|
-
|
-
|
-
|
-
|
-
|
-
|
-
|
-
|
-
|
|
14
|
10
|
´
|
-
|
´
|
-
|
´
|
-
|
´
|
-
|
-
|
-
|
-
|
-
|
-
|
-
|
-
|
-
|
-
|
-
|
-
|
-
|
-
|
-
|
-
|
-
|
-
|
-
|
-
|
-
|
-
|
|
16
|
12
|
´
|
12
|
´
|
-
|
´
|
-
|
´
|
-
|
´
|
-
|
-
|
-
|
-
|
-
|
-
|
-
|
-
|
-
|
-
|
-
|
-
|
-
|
-
|
-
|
-
|
-
|
-
|
-
|
-
|
|
(18)
|
14
|
´
|
14
|
´
|
14
|
´
|
-
|
´
|
-
|
´
|
-
|
´
|
-
|
-
|
-
|
-
|
-
|
-
|
-
|
-
|
-
|
-
|
-
|
-
|
-
|
-
|
-
|
-
|
-
|
-
|
|
20
|
16
|
´
|
16
|
´
|
16
|
´
|
15
|
´
|
-
|
´
|
-
|
´
|
-
|
´
|
-
|
-
|
-
|
-
|
-
|
-
|
-
|
-
|
-
|
-
|
-
|
-
|
-
|
-
|
-
|
-
|
|
(22)
|
18
|
18
|
18
|
´
|
18
|
´
|
17
|
´
|
17
|
´
|
-
|
´
|
-
|
´
|
-
|
-
|
-
|
-
|
-
|
-
|
-
|
-
|
-
|
-
|
-
|
-
|
-
|
-
|
-
|
-
|
|
25
|
21
|
18
|
21
|
´
|
21
|
´
|
20
|
´
|
20
|
´
|
19
|
´
|
-
|
´
|
-
|
´
|
-
|
-
|
-
|
-
|
-
|
-
|
-
|
-
|
-
|
-
|
-
|
-
|
-
|
-
|
|
(28)
|
24
|
18
|
24
|
22
|
24
|
´
|
23
|
´
|
23
|
´
|
22
|
´
|
22
|
´
|
-
|
´
|
-
|
´
|
-
|
-
|
-
|
-
|
-
|
-
|
-
|
-
|
-
|
-
|
-
|
-
|
|
30
|
26
|
18
|
26
|
22
|
26
|
´
|
25
|
´
|
25
|
´
|
24
|
´
|
24
|
´
|
24
|
´
|
-
|
´
|
-
|
-
|
-
|
-
|
-
|
-
|
-
|
-
|
-
|
-
|
-
|
-
|
|
(32)
|
28
|
18
|
28
|
22
|
28
|
26
|
27
|
´
|
27
|
´
|
26
|
´
|
26
|
´
|
26
|
´
|
25
|
´
|
-
|
´
|
-
|
-
|
-
|
-
|
-
|
-
|
-
|
-
|
-
|
-
|
|
35
|
31
|
18
|
31
|
22
|
31
|
26
|
30
|
30
|
30
|
´
|
29
|
´
|
29
|
´
|
29
|
´
|
28
|
´
|
28
|
´
|
-
|
´
|
-
|
-
|
-
|
-
|
-
|
-
|
-
|
-
|
|
(38)
|
34
|
18
|
34
|
22
|
34
|
26
|
33
|
30
|
33
|
´
|
32
|
´
|
32
|
´
|
32
|
´
|
31
|
´
|
31
|
´
|
-
|
´
|
-
|
-
|
-
|
-
|
-
|
-
|
-
|
-
|
|
40
|
36
|
18
|
36
|
22
|
36
|
26
|
35
|
30
|
35
|
34
|
34
|
´
|
34
|
´
|
34
|
´
|
33
|
´
|
33
|
´
|
32
|
´
|
-
|
´
|
-
|
-
|
-
|
-
|
-
|
-
|
|
45
|
41
|
18
|
41
|
22
|
41
|
26
|
40
|
30
|
40
|
34
|
39
|
38
|
39
|
´
|
39
|
´
|
38
|
´
|
38
|
´
|
37
|
´
|
36
|
´
|
-
|
-
|
-
|
-
|
-
|
-
|
|
50
|
46
|
18
|
46
|
22
|
46
|
26
|
45
|
30
|
45
|
34
|
44
|
38
|
44
|
42
|
44
|
´
|
43
|
´
|
43
|
´
|
42
|
´
|
41
|
´
|
40
|
´
|
-
|
-
|
-
|
-
|
|
55
|
51
|
18
|
51
|
22
|
51
|
26
|
50
|
30
|
50
|
34
|
49
|
38
|
49
|
42
|
49
|
46
|
48
|
´
|
48
|
´
|
47
|
´
|
46
|
´
|
45
|
´
|
-
|
´
|
-
|
-
|
|
60
|
56
|
18
|
56
|
22
|
56
|
26
|
55
|
30
|
55
|
34
|
54
|
38
|
54
|
42
|
54
|
46
|
53
|
50
|
33
|
´
|
52
|
´
|
51
|
´
|
50
|
´
|
48
|
´
|
-
|
-
|
|
65
|
61
|
18
|
61
|
22
|
61
|
26
|
60
|
30
|
60
|
34
|
59
|
38
|
59
|
42
|
59
|
46
|
58
|
50
|
58
|
54
|
57
|
´
|
56
|
´
|
55
|
´
|
33
|
´
|
-
|
´
|
|
70
|
66
|
18
|
66
|
22
|
66
|
26
|
65
|
30
|
65
|
34
|
64
|
38
|
64
|
42
|
64
|
46
|
63
|
50
|
63
|
54
|
62
|
60
|
61
|
´
|
60
|
´
|
58
|
´
|
58
|
´
|
|
75
|
71
|
18
|
71
|
22
|
71
|
26
|
70
|
30
|
70
|
34
|
69
|
38
|
69
|
42
|
69
|
46
|
68
|
50
|
68
|
54
|
67
|
60
|
66
|
66
|
65
|
´
|
63
|
´
|
63
|
´
|
|
80
|
76
|
18
|
76
|
22
|
76
|
26
|
75
|
30
|
75
|
34
|
74
|
38
|
74
|
42
|
74
|
46
|
73
|
50
|
73
|
54
|
72
|
60
|
71
|
66
|
70
|
´
|
68
|
´
|
68
|
´
|
|
(85)
|
81
|
18
|
81
|
22
|
81
|
26
|
80
|
30
|
80
|
34
|
79
|
38
|
79
|
42
|
79
|
46
|
78
|
50
|
78
|
54
|
77
|
60
|
76
|
66
|
73
|
´
|
73
|
´
|
73
|
´
|
|
90
|
86
|
18
|
86
|
22
|
86
|
26
|
85
|
30
|
85
|
34
|
84
|
38
|
84
|
42
|
84
|
46
|
83
|
50
|
83
|
54
|
82
|
60
|
81
|
66
|
80
|
78
|
78
|
´
|
78
|
´
|
|
(95)
|
-
|
-
|
91
|
22
|
91
|
26
|
90
|
30
|
90
|
34
|
89
|
38
|
89
|
42
|
89
|
46
|
88
|
50
|
88
|
54
|
87
|
60
|
86
|
66
|
85
|
78
|
83
|
´
|
83
|
´
|
|
100
|
-
|
-
|
96
|
22
|
96
|
26
|
95
|
30
|
95
|
34
|
94
|
38
|
94
|
42
|
94
|
46
|
93
|
50
|
93
|
54
|
92
|
60
|
91
|
66
|
90
|
78
|
88
|
´
|
88
|
´
|
|
(105)
|
-
|
-
|
-
|
-
|
101
|
26
|
100
|
30
|
100
|
34
|
99
|
38
|
99
|
42
|
99
|
46
|
98
|
50
|
98
|
54
|
97
|
60
|
96
|
66
|
95
|
78
|
93
|
90
|
93
|
´
|
|
110
|
-
|
-
|
-
|
-
|
106
|
26
|
105
|
30
|
105
|
34
|
104
|
38
|
104
|
42
|
104
|
46
|
103
|
50
|
103
|
54
|
102
|
60
|
101
|
66
|
100
|
78
|
98
|
90
|
98
|
´
|
|
(115)
|
-
|
-
|
-
|
-
|
111
|
26
|
110
|
30
|
110
|
34
|
109
|
38
|
109
|
42
|
109
|
46
|
108
|
50
|
108
|
54
|
107
|
60
|
106
|
66
|
105
|
78
|
103
|
90
|
103
|
102
|
|
120
|
-
|
-
|
-
|
-
|
116
|
26
|
115
|
30
|
115
|
34
|
114
|
38
|
114
|
42
|
114
|
46
|
113
|
50
|
113
|
54
|
112
|
60
|
111
|
66
|
110
|
78
|
108
|
90
|
108
|
102
|
|
(125)
|
-
|
-
|
-
|
-
|
121
|
26
|
120
|
30
|
120
|
34
|
119
|
38
|
119
|
42
|
119
|
46
|
118
|
50
|
118
|
54
|
117
|
60
|
116
|
66
|
115
|
78
|
113
|
90
|
113
|
102
|
|
130
|
-
|
-
|
-
|
-
|
126
|
32
|
125
|
36
|
125
|
40
|
124
|
44
|
124
|
48
|
124
|
52
|
123
|
56
|
123
|
60
|
122
|
66
|
121
|
72
|
120
|
84
|
118
|
96
|
118
|
108
|
|
140
|
-
|
-
|
-
|
-
|
136
|
32
|
135
|
36
|
135
|
40
|
134
|
44
|
134
|
48
|
134
|
52
|
133
|
56
|
133
|
60
|
132
|
66
|
131
|
72
|
130
|
84
|
128
|
96
|
128
|
108
|
|
150
|
-
|
-
|
-
|
-
|
146
|
32
|
145
|
36
|
145
|
40
|
144
|
44
|
144
|
48
|
144
|
52
|
143
|
56
|
143
|
60
|
142
|
66
|
141
|
72
|
140
|
84
|
138
|
96
|
138
|
108
|
|
160
|
-
|
-
|
-
|
-
|
156
|
32
|
155
|
36
|
155
|
40
|
154
|
44
|
154
|
48
|
154
|
52
|
153
|
56
|
153
|
60
|
152
|
66
|
151
|
72
|
150
|
84
|
148
|
96
|
148
|
108
|
|
170
|
-
|
-
|
-
|
-
|
166
|
32
|
165
|
36
|
165
|
40
|
164
|
44
|
164
|
48
|
164
|
52
|
163
|
56
|
163
|
60
|
162
|
66
|
161
|
72
|
160
|
84
|
158
|
96
|
158
|
108
|
|
180
|
-
|
-
|
-
|
-
|
176
|
32
|
175
|
36
|
175
|
40
|
174
|
44
|
174
|
48
|
174
|
52
|
173
|
56
|
173
|
60
|
172
|
66
|
171
|
72
|
170
|
84
|
168
|
96
|
168
|
108
|
|
190
|
-
|
-
|
-
|
-
|
186
|
32
|
185
|
36
|
185
|
40
|
184
|
44
|
184
|
48
|
184
|
52
|
183
|
56
|
183
|
60
|
182
|
66
|
181
|
72
|
180
|
84
|
178
|
96
|
178
|
108
|
|
200
|
-
|
-
|
-
|
-
|
196
|
32
|
195
|
36
|
195
|
40
|
194
|
44
|
194
|
48
|
194
|
52
|
193
|
56
|
193
|
60
|
192
|
66
|
191
|
72
|
190
|
84
|
188
|
96
|
188
|
108
|
|
220
|
-
|
-
|
-
|
-
|
-
|
-
|
215
|
49
|
215
|
53
|
214
|
57
|
214
|
61
|
214
|
65
|
213
|
69
|
213
|
73
|
212
|
79
|
211
|
85
|
210
|
97
|
208
|
109
|
208
|
121
|
|
240
|
-
|
-
|
-
|
-
|
-
|
-
|
235
|
49
|
235
|
53
|
234
|
57
|
234
|
61
|
234
|
65
|
233
|
69
|
233
|
73
|
232
|
79
|
231
|
85
|
230
|
97
|
228
|
109
|
228
|
121
|
|
260
|
-
|
-
|
-
|
-
|
-
|
-
|
255
|
49
|
255
|
53
|
254
|
57
|
254
|
61
|
254
|
65
|
253
|
69
|
253
|
73
|
252
|
79
|
251
|
85
|
250
|
97
|
248
|
109
|
248
|
121
|
|
280
|
-
|
-
|
-
|
-
|
-
|
-
|
-
|
-
|
275
|
53
|
274
|
57
|
274
|
61
|
274
|
65
|
273
|
69
|
273
|
73
|
272
|
79
|
271
|
85
|
270
|
97
|
268
|
109
|
268
|
121
|
|
300
|
-
|
-
|
-
|
-
|
-
|
-
|
-
|
-
|
295
|
53
|
294
|
57
|
294
|
61
|
294
|
65
|
293
|
69
|
293
|
73
|
292
|
79
|
291
|
85
|
290
|
97
|
288
|
109
|
288
|
121
|
Примечания:
1.
Болты с размерами длин, заключенными в скобки, применять не рекомендуется.
2. Болты, для которых значения b расположены над ломаной
линией, допускается изготавливать с длиной резьбы до головки.
Пример условного обозначения болта
исполнения 1 с диаметром резьбы d=12 мм, с
размером "под ключ" S=18 мм,
длиной l=60 мм, класса прочности 4.6:
Болт М12´60.46 (S1S) ГОСТ 15589-70
То же,
исполнения 2, с размером "под ключ" S=19 мм, класса прочности 5.6:
Болт 2М12´60.56 ГОСТ 15589-70
Справочное
Масса
болтов (исполнение 1)
|
Длина болта l, мм
|
Теоретическая
масса 1000 шт. болтов, кг =, при номинальном диаметре резьбы d, мм
|
|
6
|
8
|
10
|
12
|
14
|
16
|
18
|
20
|
22
|
24
|
27
|
30
|
36
|
42
|
48
|
|
8
|
4,306
|
8,668
|
-
|
-
|
-
|
-
|
-
|
-
|
-
|
-
|
-
|
-
|
-
|
-
|
-
|
|
10
|
4,712
|
9,394
|
16,68
|
-
|
-
|
-
|
-
|
-
|
-
|
-
|
-
|
-
|
-
|
-
|
-
|
|
12
|
5,118
|
10,120
|
17,82
|
-
|
-
|
-
|
-
|
-
|
-
|
-
|
-
|
-
|
-
|
-
|
-
|
|
14
|
3,524
|
10,850
|
18,96
|
27,89
|
-
|
-
|
-
|
-
|
-
|
-
|
-
|
-
|
-
|
-
|
-
|
|
16
|
5,930
|
11,570
|
20,10
|
29,48
|
43,98
|
-
|
-
|
-
|
-
|
-
|
-
|
-
|
-
|
-
|
-
|
|
18
|
6,336
|
12,300
|
21,23
|
31,12
|
46,21
|
63,54
|
-
|
-
|
-
|
-
|
-
|
-
|
-
|
-
|
-
|
|
20
|
6,742
|
13,020
|
22,37
|
32,76
|
48,45
|
68,49
|
95,81
|
-
|
-
|
-
|
-
|
-
|
-
|
-
|
-
|
|
22
|
7,204
|
13,520
|
23,51
|
34,40
|
50,69
|
71,44
|
99,52
|
-
|
-
|
-
|
-
|
-
|
-
|
-
|
-
|
|
25
|
7,871
|
14,840
|
25,22
|
36,86
|
54,05
|
75,87
|
105,10
|
133,3
|
-
|
-
|
-
|
-
|
-
|
-
|
-
|
|
28
|
8,537
|
16,330
|
26,92
|
39,32
|
57,40
|
80,29
|
110,60
|
140,2
|
-
|
-
|
-
|
-
|
-
|
-
|
-
|
|
30
|
8,981
|
17,120
|
28,52
|
40,96
|
59,64
|
83,24
|
114,30
|
144,8
|
193,0
|
-
|
-
|
-
|
-
|
-
|
-
|
|
32
|
9,426
|
17,910
|
29,43
|
42,59
|
61,87
|
86,19
|
118,00
|
149,4
|
198,6
|
237,0
|
-
|
-
|
-
|
-
|
-
|
|
33
|
10,090
|
19,090
|
31,28
|
45,34
|
63,24
|
90,62
|
123,60
|
156,3
|
207,0
|
246,0
|
340,6
|
-
|
-
|
-
|
-
|
|
38
|
10,760
|
20,280
|
33,18
|
48,00
|
63,39
|
95,04
|
129,20
|
163,2
|
215,4
|
256,9
|
353,3
|
-
|
-
|
-
|
-
|
|
40
|
11,200
|
21,070
|
34,36
|
49,78
|
71,23
|
97,99
|
132,90
|
167,8
|
221,0
|
263,5
|
361,8
|
474,8
|
-
|
-
|
-
|
|
43
|
12,310
|
23,040
|
37,45
|
54,22
|
77,30
|
105,70
|
142,10
|
179,4
|
235,0
|
280,1
|
373,0
|
500,9
|
-
|
-
|
-
|
|
50
|
13,420
|
25,020
|
40,53
|
58,67
|
83,35
|
113,60
|
132,40
|
190,9
|
249,0
|
296,7
|
404,1
|
526,9
|
834,5
|
-
|
-
|
|
53
|
14,530
|
26,990
|
43,62
|
63,11
|
89,39
|
121,50
|
162,40
|
203,7
|
263,1
|
313,3
|
423,3
|
553,0
|
872,1
|
1304
|
-
|
|
60
|
15,640
|
28,970
|
46,70
|
67,55
|
95,44
|
129,40
|
172,40
|
216,0
|
278,9
|
329,9
|
446,5
|
579,0
|
909,8
|
1356
|
-
|
|
65
|
16,760
|
30,940
|
49,79
|
71,99
|
101,50
|
137,30
|
182,40
|
223,4
|
293,8
|
348,8
|
467,7
|
605,1
|
947,4
|
1407
|
2009
|
|
70
|
17,870
|
32,910
|
52,87
|
76,44
|
107,50
|
145,20
|
192,40
|
240,7
|
308,8
|
366,5
|
491,1
|
631,1
|
985,0
|
1458
|
2076
|
|
75
|
18,980
|
34,890
|
55,96
|
80,88
|
113,60
|
153,10
|
202,40
|
253,0
|
323,7
|
384,3
|
313,6
|
659,7
|
1023,0
|
1509
|
2143
|
|
80
|
20,090
|
36,860
|
59,04
|
85,33
|
119,60
|
161,00
|
212,40
|
265,0
|
338,6
|
402,1
|
336,1
|
687,5
|
1061,0
|
1561
|
2211
|
|
85
|
21,200
|
38,840
|
62,13
|
89,77
|
125,70
|
168,90
|
222,40
|
277,7
|
353,6
|
419,8
|
558,6
|
715,2
|
1098,0
|
1612
|
2273
|
|
90
|
22,310
|
40,810
|
63,21
|
94,20
|
131,70
|
176,80
|
232,40
|
290,1
|
368,5
|
437,6
|
581,0
|
743,0
|
1141,0
|
1663
|
2345
|
|
95
|
-
|
42,790
|
68,30
|
98,64
|
137,80
|
184,70
|
242,40
|
302,4
|
383,4
|
455,4
|
603,3
|
770,8
|
1181,0
|
1715
|
2412
|
|
100
|
-
|
44,760
|
71,38
|
103,10
|
143,80
|
192,60
|
252,40
|
314,7
|
398,3
|
473,2
|
626,0
|
793,5
|
1221,0
|
1766
|
2479
|
|
105
|
-
|
-
|
74,47
|
107,50
|
149,90
|
200,50
|
262,40
|
327,1
|
413,3
|
490,9
|
648,3
|
326,3
|
1261,0
|
1326
|
2546
|
|
110
|
-
|
-
|
77,33
|
112,00
|
155,90
|
208,40
|
272,30
|
339,4
|
428,2
|
503,7
|
671,0
|
354,1
|
1301,0
|
1880
|
2614
|
|
115
|
-
|
-
|
80,63
|
116,40
|
162,00
|
216,30
|
282,30
|
351,8
|
443,1
|
526,5
|
693,5
|
881,8
|
1341,0
|
1934
|
2690
|
|
120
|
-
|
-
|
83,72
|
120,90
|
168,00
|
224,20
|
292,30
|
364,1
|
458,1
|
544,2
|
716,0
|
909,6
|
1331,0
|
1989
|
2760
|
|
125
|
-
|
-
|
86,80
|
125,30
|
174,00
|
232,10
|
302,30
|
376,4
|
473,0
|
562,0
|
738,5
|
937,4
|
1421,0
|
2043
|
2831
|
|
130
|
-
|
-
|
89,89
|
129,70
|
180,10
|
240,00
|
312,30
|
388,8
|
437,9
|
579,3
|
761,0
|
965,2
|
1461,0
|
2098
|
2903
|
|
140
|
-
|
-
|
96,06
|
138,60
|
192,20
|
235,80
|
332,30
|
413,3
|
317,8
|
613,3
|
806,0
|
1021,0
|
1541,0
|
2207
|
3045
|
|
150
|
-
|
-
|
102,18
|
147,50
|
204,30
|
271,60
|
352,30
|
438,1
|
347,6
|
630,8
|
850,1
|
1076,0
|
1621,0
|
2315
|
3187
|
|
160
|
-
|
-
|
108,38
|
156,40
|
216,40
|
287,40
|
372,30
|
462,8
|
577,5
|
686,4
|
895,9
|
1132,0
|
1701,0
|
2424
|
3329
|
|
170
|
-
|
-
|
114,58
|
165,30
|
228,50
|
303,20
|
392,30
|
487,5
|
607,4
|
721,9
|
940,9
|
1188,0
|
1780,0
|
2533
|
3471
|
|
180
|
-
|
-
|
120,68
|
174,20
|
240,60
|
319,00
|
412,30
|
512,2
|
637,2
|
757,5
|
985,9
|
1243,0
|
1860,0
|
2642
|
3614
|
|
190
|
-
|
-
|
126,88
|
183,10
|
252,70
|
333,80
|
432,30
|
536,9
|
667,1
|
793,0
|
1031,0
|
1299,0
|
1940,0
|
2751
|
3756
|
|
200
|
-
|
-
|
133,08
|
191,90
|
264,70
|
350,60
|
452,20
|
561,5
|
697,0
|
828,6
|
1076,0
|
1354,0
|
2020,0
|
2360
|
3898
|
|
220
|
-
|
-
|
-
|
209,70
|
228,90
|
382,20
|
492,20
|
610,9
|
756,7
|
899,6
|
1166,0
|
1465,0
|
2180,0
|
3077
|
4282
|
|
240
|
-
|
-
|
-
|
227,50
|
313,10
|
413,80
|
532,20
|
660,3
|
816,4
|
970,3
|
1256,0
|
1576,0
|
2340,0
|
3295
|
4466
|
|
260
|
-
|
-
|
-
|
245,20
|
337,60
|
443,40
|
572,20
|
709,6
|
876,1
|
1042,0
|
1346,0
|
1687,0
|
2500,0
|
3513
|
4751
|
|
280
|
-
|
-
|
-
|
-
|
361,50
|
476,90
|
612,20
|
759,0
|
935,9
|
1113,0
|
1436,0
|
1793,0
|
2660,0
|
3730
|
5035
|
|
300
|
-
|
-
|
-
|
-
|
385,70
|
508,50
|
652,20
|
303,3
|
995,6
|
1184,0
|
1526,0
|
1910,0
|
2820,0
|
3948
|
5319
|
ПРИЛОЖЕНИЕ 1. (Измененная
редакция, Изм. № 5, 6).
Справочное
Дополнительные
требования, отражающие потребности народного хозяйства
Размеры в мм
|
Номинальный
диаметр резьбы d
|
10
|
12
|
14
|
22
|
Номинальный
диаметр резьбы d
|
10
|
12
|
14
|
22
|
|
Размер
"под ключ" S
|
17
|
19
|
22
|
32
|
Размер
"под ключ" S
|
17
|
19
|
22
|
32
|
|
Диаметр
описанной окружности е, не менее
|
18,7
|
20,9
|
23,9
|
35,0
|
Диаметр
описанной окружности е, не менее
|
18,7
|
20,9
|
23,9
|
35,0
|
|
dw, не менее
|
15,5
|
17,2
|
20,1
|
29,5
|
dw, не менее
|
15,5
|
17,2
|
20,1
|
29,5
|
|
Длина
болта l
|
Теоретическая
масса 1000 шт. болтов (исполнение 1), кг=
|
10
|
18,10
|
-
|
-
|
-
|
Длина
болта l
|
Теоретическая
масса 1000 шт. болтов (исполнение 1), кг=
|
85
|
63,53
|
91,63
|
128,20
|
341,2
|
|
12
|
19,24
|
-
|
-
|
-
|
90
|
66,63
|
96,06
|
134,20
|
336,1
|
|
14
|
20,38
|
29,75
|
-
|
-
|
95
|
69,72
|
100,30
|
140,30
|
371,0
|
|
16
|
21,52
|
31,34
|
46,32
|
-
|
100
|
72,80
|
105,00
|
146,30
|
385,9
|
|
18
|
22,63
|
32,98
|
48,73
|
-
|
105
|
75,89
|
109,40
|
132,40
|
400,9
|
|
20
|
23,79
|
34,62
|
30,09
|
-
|
110
|
78,97
|
113,90
|
158,40
|
415,8
|
|
22
|
24,93
|
36,26
|
53,23
|
-
|
115
|
82,03
|
118,30
|
164,50
|
430,7
|
|
23
|
26,64
|
38,72
|
56,59
|
-
|
120
|
85,14
|
122,80
|
170,50
|
445,7
|
|
28
|
28,34
|
41,18
|
59,94
|
-
|
125
|
88,22
|
127,20
|
176,50
|
460,6
|
|
30
|
29,48
|
42,82
|
62,18
|
180,6
|
130
|
91,31
|
131,60
|
182,60
|
475,5
|
|
32
|
30,85
|
44,45
|
64,41
|
186,2
|
140
|
97,48
|
140,50
|
194,70
|
505,4
|
|
35
|
32,70
|
47,20
|
67,78
|
194,6
|
150
|
103,60
|
149,40
|
206,80
|
535,2
|
|
38
|
34,55
|
49,86
|
71,13
|
203,0
|
160
|
109,80
|
158,30
|
218,90
|
565,1
|
|
40
|
35,78
|
31,64
|
73,79
|
208,6
|
170
|
116,00
|
167,20
|
231,00
|
595,0
|
|
45
|
38,87
|
56,08
|
79,84
|
222,6
|
180
|
122,10
|
176,10
|
243,10
|
624,8
|
|
50
|
41,95
|
60,53
|
83,89
|
236,6
|
190
|
128,30
|
185,00
|
253,20
|
654,7
|
|
55
|
45,04
|
64,97
|
91,93
|
250,7
|
200
|
134,30
|
193,80
|
267,20
|
684,6
|
|
60
|
48,12
|
69,41
|
97,98
|
266,5
|
220
|
-
|
211,60
|
291,40
|
744,3
|
|
65
|
51,21
|
73,83
|
104,00
|
281, 4
|
240
|
-
|
229,40
|
315,60
|
804,0
|
|
70
|
54,29
|
78,30
|
110,00
|
296,4
|
260
|
-
|
247,10
|
339,80
|
863,7
|
|
75
|
57,38
|
82,74
|
116,10
|
34,3
|
280
|
-
|
-
|
364,00
|
923,5
|
|
80
|
60,46
|
87,19
|
122,10
|
326,2
|
300
|
-
|
-
|
388,20
|
983,2
|
ПРИЛОЖЕНИЕ 2. (Введено
дополнительно, Изм. № 5; измененная редакция, Изм. № 6).
ИНФОРМАЦИОННЫЕ
ДАННЫЕ
1. РАЗРАБОТАН И ВНЕСЕН Министерством черной металлургии СССР
РАЗРАБОТЧИКИ
И. Н. Недовизий, канд.
техн. наук; Б. М. Ригмант; В. И. Мокринский, канд. техн. наук
2. УТВЕРЖДЕН И ВВЕДЕН В ДЕЙСТВИЕ Постановлением Комитета
стандартов, мер и измерительных приборов при Совете Министров СССР от 04.03.70
№ 270
3. Стандарт полностью соответствует СТ СЭВ 4729-84
4. ВВЕДЕН ВПЕРВЫЕ
5. ССЫЛОЧНЫЕ НОРМАТИВНО-ТЕХНИЧЕСКИЕ ДОКУМЕНТЫ
|
Обозначение
НТД, на который дана ссылка
|
Номер
пункта
|
Обозначение
НТД, на который дана ссылка
|
Номер
пункта
|
|
ГОСТ
1759.0-87
|
5
|
ГОСТ
12414-94
|
3
|
|
ГОСТ
17391-82
|
3б
|
ГОСТ
24670-81
|
3а
|
|
ГОСТ
1739.2-82
|
3в
|
ГОСТ
24703-81
|
3
|
|
ГОСТ
1739.4-87
|
3
|
ГОСТ
27148-86
|
3
|
6. Ограничение срока действия снято по протоколу № 5-94
Межгосударственного Совета по стандартизации, метрологии и сертификации (ИУС
11-12-94)
7. ПЕРЕИЗДАНИЕ (апрель 1998 г.) с Изменениями № 2, 3, 4, 5, 6,
утвержденными в феврале 1974 г., марте 1981 г., марте 1985 г., марте 1989 г.,
июле 1995 г. (ИУС 374, 6-81, 6-85, 6-89, 9-95)
|
|