Крупнейшая бесплатная информационно-справочная система онлайн доступа к полному собранию технических нормативно-правовых актов РФ. Огромная база технических нормативов (более 150 тысяч документов) и полное собрание национальных стандартов, аутентичное официальной базе Госстандарта. GOSTRF.com - это более 1 Терабайта бесплатной технической информации для всех пользователей интернета. Все электронные копии представленных здесь документов могут распространяться без каких-либо ограничений. Поощряется распространение информации с этого сайта на любых других ресурсах. Каждый человек имеет право на неограниченный доступ к этим документам! Каждый человек имеет право на знание требований, изложенных в данных нормативно-правовых актах!

  


 

ГОСУДАРСТВЕННЫЙ СТАНДАРТ СОЮЗА ССР

КОНТЕЙНЕРЫ УНИВЕРСАЛЬНЫЕ

ТИПЫ, ОСНОВНЫЕ ПАРАМЕТРЫ И РАЗМЕРЫ

ГОСТ 18477-79

(СТ СЭВ 772-83)

ГОСУДАРСТВЕННЫЙ КОМИТЕТ СССР ПО СТАНДАРТАМ

МОСКВА

ГОСУДАРСТВЕННЫЙ СТАНДАРТ СОЮЗА ССР

КОНТЕЙНЕРЫ УНИВЕРСАЛЬНЫЕ

Типы, основные параметры и размеры

Universal containers. Types.

Basic parameters and dimensions

ГОСТ
18477-79*

(СТ СЭВ 772-83)

Взамен
ГОСТ 18477-73

Постановлением Государственного комитета СССР по стандартам от 14 сентября 1979 г. № 3572 срок введения установлен

Проверен в 1984 г. Постановлением Госстандарта                                           с 01.01.80,

от 07.12.84 № 4170 срок действия продлен                                                        до 01.01.90

Несоблюдение стандарта преследуется по закону

Настоящий стандарт распространяется на универсальные унифицированные контейнеры, предназначенные для перевозки грузов преимущественно без транспортной тары железнодорожным, водным и автомобильным транспортом, включая крупнотоннажные контейнеры кодов 00-04, 10, 11, 13, 50-53 по ГОСТ 25290-82, а также на универсальные автомобильные контейнеры для прямых перевозок указанных грузов на автомобильном транспорте.

Стандарт не распространяется на универсальные крупнотоннажные контейнеры других кодов, на универсальные контейнеры, обладающие повышенными по сравнению с устанавливаемыми настоящим стандартом размерами и массой брутто, на универсальные авиационные и специализированные (индивидуальные и групповые) контейнеры.

В стандарте полностью учтены требования международных стандартов ИСО 668, ИСО 1161, ИСО 1496/1.

Стандарт полностью соответствует СТ СЭВ 772-83.

(Измененная редакция, Изм. № 3).

1. ТИПЫ, ОСНОВНЫЕ ПАРАМЕТРЫ И РАЗМЕРЫ

1.1. В зависимости от величины массы брутто и конструкции подъемных (строповочных) устройств контейнеры должны изготовляться трех типов:

крупнотоннажные - массой брутто от 10 т и выше с угловыми фитингами;

среднетоннажные - массой брутто от 3 до 10,0 т с рымными узлами;

малотоннажные - массой брутто менее 3 т с рымными узлами.

(Измененная редакция, Изм. № 3).

1.2. Основные параметры контейнеров должны соответствовать указанным в табл. 1.

Таблица 1

Тип контейнера

Обозначение типоразмера

Масса брутто, т

Внутренний объем, м3, не менее

Rном

Rмакс

Крупнотоннажные

 

 

 

 

1АА

30

30,48

65,6

30

30,48

61,3

1АХ

30

30,48

*

1ВВ**

25

25,40

48,9

1В**

25

25,40

45,7

1ВХ**

25

25,40

*

1СС

24

24,00

32,1

1C

24

24,00

30,0

1СХ

24

24,00

*

1D

10

10,16

14,3

1DX

10

10,16

*

Среднетоннажные

 

 

 

 

УУКП-5(6)

5

6,00***

11,3

УУКП-5

5

5,0

11,3

УУК-5(6)

5

6,00***

10,4

УУК-5

5

5,00

10,4

УУК-5У

5

5,00

5,1

УУКП-3(5)

3

5,00

5,7

УУК-3(5)

3

5,00

5,1

УУК-3

3

3,00

5,1

Малотоннажные

 

 

 

 

АУК-1,25

1,25

1,25

3,0

АУК-0,625

0,625

0,63

1,4

* Определяют расчетом в зависимости от принятой высоты контейнера.

** К строительству в СССР не приняты. Параметры учитывают при проектировании подвижного состава.

*** Повышение массы брутто контейнеров с 5 до 6 т осуществляют в сроки, устанавливаемые нормативными документами транспортных министерств.

(Измененная редакция, Изм. № 1, 2, 3).

1.3. Контейнеры УУК-5У предназначены для перевозки грузов с объемной массой более 490 кг/ м3.

1.4. Крупнотоннажные и среднетоннажные контейнеры всех типоразмеров должны изготовляться закрытыми и открытыми со съемной крышей, съемным тентом или без них.

Внутренний объем открытых контейнеров типоразмеров 1СС и 1C должен быть соответственно не менее 31,5 и 29,5 м3, контейнеров других типоразмеров - по согласованию с транспортными министерствами.

(Новая редакция, Изм. № 3).

1.5. (Исключен, Изм. № 2).

1.6. Условное обозначение контейнера должно состоять из обозначения типоразмера и обозначения настоящего стандарта. В условном обозначении крупнотоннажного контейнера, кроме того, указывают код по ГОСТ 25290-82.

Примеры условного обозначения:

универсального унифицированного закрытого крупнотоннажного контейнера массой брутто 30,48 т, высотой 2591 мм, с естественной вентиляцией при общей площади поперечного сечения вентиляционных отверстий менее 25 см2/м номинальной длины контейнера:

1АА ГОСТ 18477-79 код 10 ГОСТ 25290-82

то же, открытого крупнотоннажного контейнера массой брутто 24 т, высотой менее 2438 мм, с проемом в одном торце:

1СХ ГОСТ 18477-79 код 50 ГОСТ 25290-82

то же, среднетоннажного контейнера номинальной и предельной массой брутто 5 т, высотой 2400 мм:

УУК-5 ГОСТ 18477-79

то же, среднетоннажного контейнера номинальной массой брутто 3 т и предельной 5 т, высотой 2591 мм:

УУКП-3(5) ГОСТ 18477-79

автомобильного универсального малотоннажного контейнера массой брутто 1,25 т:

АУК-1,25 ГОСТ 18477-79.

Основные наружные и внутренние размеры крупнотоннажных, среднетоннажных и малотоннажных контейнеров должны соответствовать указанным на черт. 1-6 и табл. 2.

Таблица 2

Обозначение типоразмера

Размеры

Номер чертежа

Наружные

Внутренние, не менее

Длина L

Ширина В

Высота Н

Длина l

Ширина b

Высота h

1AA

12192-10

2438-5

2591-5

11988

2330

2350

1

12192-10

2438-5

2438-5

11988

2330

2197

1

1АХ

12192-10

2438-5

<2438

11988

2330

*

1

1BB

9125-10

2438-5

2591-5

8931

2330

2350

1

9125-10

2438-5

2438-5

8931

2330

2197

1

1BX

9125-10

2438-5

<2438

8931

2330

*

1

1СС

6058-6

2438-5

2591-5

5867

2330

2350

1

1C

6058-6

2438-5

2438-5

5867

2330

2197

1

1СХ

6058-5

2438-5

<2438

5867

2330

*

1

1D

2991-5

2438-5

2438-5

2802

2330

2197

1

1DX

2991-5

2438-5

<2438

2802

2330

*

1

УУКП-5(6)

2100±5

2650±7

2591±5

1950

2515

2310

2

УУКП-5

2100±5

2650±7

2591±5

1950

2515

2310

2

УУК-5(6)

2100±5

2650±7

2400±5

1950

2515

2128

2

УУК-5

2100±5

2650±7

2400±5

1950

2515

2128

2; 3

УУК-5У

2100±5

1325±3

2400±5

1980

1216

2128

4; 5

УУКП-3(5)

2100±5

1325±3

2591±5

1980

1225

2380

4; 5

УУК-3(5)

2100±5

1325±3

2400±5

1980

1225

2128

4; 5

УУК-3

2100±5

1325±3

2400±5

1980

1225

2128

4; 5

АУК-1,25

1800±5

1050±3

2000±5

1720

960

1820

6

АУК-0,625

1150±3

1050±3

1700±5

1070

910

1520

6

* Определяют расчетом в зависимости от принятой наружной высоты контейнера.

Примечания:

1. Внутреннюю высоту открытых контейнеров со съемной крышей, съемным тентом или без них типоразмеров 1АА и 1СС кодов 50-53 допускается уменьшать по согласованию между изготовителем и заказчиком до 2311 мм и типоразмеров 1А, 1C и 1D - до 2158 мм при соответствующем изменении внутреннего объема.

2. Высота открытых контейнеров типоразмеров 1АХ, 1ВХ, 1СХ и 1DX с учетом возможности их двухъярусной перевозки на железнодорожном транспорте не должна превышать 1580 мм. Любая большая высота в пределах до 2438 мм должна согласовываться с МПС.

3. Размеры, указанные в табл. 2 и примечаниях к ней, действительны при температуре 20 °С.

(Новая редакция, Изм. № 3).

2. РАЗМЕРЫ ДВЕРНЫХ ПРОЕМОВ И ОСНОВНЫХ ЭЛЕМЕНТОВ КОНСТРУКЦИИ КОНТЕЙНЕРОВ

(Измененная редакция, Изм. № 3).

2.1. Ширина и высота торцевого дверного проема закрытых контейнеров должны быть равны внутренней ширине и высоте контейнера или иметь размеры не менее указанных в табл. 3.

Таблица 3

Обозначение

Торцевые дверные проемы контейнеров в свету, мм, не менее

Ширина

Высота

1АА

2286

2261

2286

2134

1ВВ

2286

2261

2286

2134

1CС

2286

2261

1D

2286

2134

УУКП-5(6)

1950

2280

УУКП-5

1950

2280

УУК-5(6)

1950

2100

УУК-5

1950

2100

УУК-5У

1216

2090

УУКП-3(5)

1225

2300

УУК-3(5)

1225

2090

АУК-1,25**

1020

1780

АУК-0,625**

1070

1500

* Торцевым считают дверной проем, размещенный в одной из стенок с наименьшей длиной.

** У контейнеров типоразмеров АУК-1,25 и АУК-0,625 вместо торцевых следует устраивать боковые двери.

(Измененная редакция, Изм. № 3).

2.2. По требованию заказчика закрытые контейнеры кодов 02 и 04 типоразмеров 1АА, 1А, 1СС и 1C следует выполнять с боковыми дверными проемами шириной 2790 мм и высотой 2076 мм (1А, 1C) или 2200 мм (1АА, 1СС). Внутренняя ширина таких контейнеров, а также открытых контейнеров кодов 52 и 53 может быть уменьшена по сравнению с указанной в табл. 2 в пределах, согласованных с заказчиком.

(Новая редакция, Изм. № 3).

Крупнотоннажные контейнеры

Черт. 1

Примечание. Черт. 1-9 не определяют конструкцию контейнера.

Среднетоннажные контейнеры УУКП-5(6), УУКП-5, УУК-5(6) и УУК-5

Черт. 2

(Измененная редакция, Изм. № 3).

Среднетоннажные контейнеры УУК-5 с угловыми фитингами

Черт. 3

Примечание. Применение контейнера УУК-5 с угловыми фитингами допускается только при наличии согласия транспортных министерств, участвующих в их перевозках.

Среднетоннажные контейнеры УУК-5У, УУКП-3(5), УУК-3(5) и УУК-3

Черт. 4

Среднетоннажные контейнеры УУК-5У, УУКП-3(5), УУК-3(5) и УУК-3

Черт. 5

Черт. 4 и 5. (Измененная редакция, Изм. № 1, 3).

Малотоннажные контейнеры АУК-1,25 и АУК-0,625

Черт. 6

(Измененная редакция, Изм. № 3).

2.3. При наличии у контейнеров типоразмеров УУК-5У, УУКП-3(5), УУК-3(5) и УУК-3 боковой двери (черт. 4) вместо торцовой ширина и высота дверного проема должны быть равны внутренним длине и высоте этих контейнеров. Если такое равенство обеспечить невозможно, то ширина бокового дверного проема у контейнеров всех указанных типоразмеров должны быть не менее 1950 мм, а высота - не менее 2090 мм у контейнеров типоразмеров УУК-5У, УУК-3(5), УУК-3 и не менее 2280 мм - у контейнера типоразмера УУКП-3(5).

Размеры бокового дверного проема контейнеров типоразмеров УУКП-5(6), УУКП-5, УУК-5(6) и УУК-5 устанавливаются транспортными министерствами.

(Новая редакция, Изм. № 3).

2.4. Размеры угловых, фитингом и их расположение на крупнотоннажных контейнерах - по ГОСТ 20527-82.

2.5. Размеры и расположение рымных узлов закрытых среднетоннажных контейнеров - по ГОСТ 18579-79 и приведенным на черт. 2-5, открытых среднетоннажных - по утвержденной конструкторской документации, автомобильных малотоннажных - по ГОСТ 22225-76.

(Новая редакция, Изм. № 3).

2.6. При оборудовании угловыми фитингами контейнеров типоразмера УУК-5 их расположение должно соответствовать указанному на черт. 3.

Разница между расстояниями, замеренными между центрами отверстий диагонально противоположных угловых фитингов, не должна превышать 5 мм.

2.7. Размеры и размещение закрытых снизу вилочных проемов у контейнеров типоразмеров 1CC, 1C, 1СХ, 1D и 1 DX с торцевыми дверями должны соответствовать указанным на черт. 7 и в табл. 4.

При наличии у контейнеров типоразмеров 1CC, 1C и 1СХ второй пары вилочных проемов расстояние между их вертикальными осями должно соответствовать указанному на черт. 7 и в табл. 4. Ширина и высота открытых снизу вилочных проемов и расстояние между их вертикальными осями у среднетоннажных контейнеров должны быть одинаковыми у контейнеров всех типоразмеров и соответственно составлять 300, 100 и 950 мм.

Примечания:

1. Вторая внутренняя пара вилочных проемов у контейнеров типоразмеров 1CC, 1C и 1СХ предназначена для использования только при подъеме порожних контейнеров.

2. Крупнотоннажные контейнеры с боковыми дверями вилочными проемами не оборудуются.

(Измененная редакция, Изм. № 3).

Черт. 7

Таблица 4

Типоразмеры контейнеров

Размеры, мм

Первая пара вилочных проемов (для груженых или порожних контейнеров)

Вторая пара вилочных проемов (только для порожних контейнеров)

a

b

c

d

a1

b1

c1

не менее

не менее

1CC

1C

1CX

2050±50

355

115

20

900±50

305

102

1D

1DX

900±50

305

102

20

-

-

-

Примечание. c и c1 - высота проема в свету.

1 - часть стенки, включая выступающие заклепки и головки болтов, не должна отстоять от внутренней грани предохранительной полосы (планки, кромки) более чем на 12-2 мм; 2 - полка балки в зоне контакта с лапой захвата должна быть плоской и горизонтальной и образовывать с предохранительной полосой прямой угол; 3 - нижняя поверхность нижних угловых фитингов

Черт. 8

(Измененная редакция, Изм. № 3).

Примечание. Размеры и размещение подхватных устройств в основании контейнеров типоразмеров 1AX, 1СХ, 1DХ такие же, как соответственно у контейнеров типоразмеров 1АА (1А), 1СС (1C) и 1D.

1 - поверхность торцовой стенки; 2 - нижняя поверхность поперечных элементов основания

Черт. 9

Примечания:

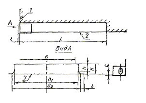
1. Высоту паза Н проверяют на расстоянии 600 мм от его конца.

2. Опорные поверхности паза могут быть сплошными с минимальной длиной, приведенной в табл. 5, и иметь сечение, показанное на чертеже жирными линиями или состоять из отдельных площадок, отвечающих требованиям ГОСТ 20259-80.

Таблица 5

Размеры мм

Длина

Ширина

Высота

L

l

Bmax

B1

B2

bmin

H

h

c

От 3150

до 3500

6+1-2

930

1029+30

От 1070 до 1130

25

1200-3

От 35 до 70

12,5+5-1,5

2.8. Размеры и размещение подхватных устройств в основании, крупнотоннажных контейнеров, применение которых допускается, но не является обязательным, должны соответствовать указанным на черт. 8.

2.9. Размеры паза (туннеля) в основании контейнеров типоразмеров 1АА, 1А и 1АХ, выполняемого по требованию заказчика, должны соответствовать указанным на черт. 9 и в табл. 5.

(Измененная редакция, Изм. № 1).

 




ГОСТЫ, СТРОИТЕЛЬНЫЕ и ТЕХНИЧЕСКИЕ НОРМАТИВЫ.
Некоммерческая онлайн система, содержащая все Российские Госты, национальные Стандарты и нормативы.
В Системе содержится более 150000 файлов нормативно-технической документации, действующей на территории РФ.
Система предназначена для широкого круга инженерно-технических специалистов.

Рейтинг@Mail.ru Яндекс цитирования

Copyright © www.gostrf.com, 2008 - 2026