| |
ГОСТ 17376-2001
(ИСО 3419-81)
МЕЖГОСУДАРСТВЕННЫЙ
СТАНДАРТ
Детали трубопроводов бесшовные приварные
из углеродистой и низколегированной стали
ТРОЙНИКИ
Конструкция
МЕЖГОСУДАРСТВЕННЫЙ
СОВЕТ
ПО СТАНДАРТИЗАЦИИ, МЕТРОЛОГИИ И СЕРТИФИКАЦИИ
Минск
Предисловие
1. РАЗРАБОТАН ОАО «Корпорация
МОНТАЖСПЕЦСТРОЙ»
ВНЕСЕН Государственным комитетом Российской
Федерации по стандартизации и метрологии
2. ПРИНЯТ Межгосударственным
Советом по стандартизации, метрологии и сертификации (протокол № 20 от 1 ноября
2001 г.).
За принятие проголосовали:
|
Наименование
государства
|
Наименование
|
|
Азербайджанская
Республика
|
Азгосстандарт
|
|
Республика Армения
|
Армгосстандарт
|
|
Республика Беларусь
|
Госстандарт Республики
Беларусь
|
|
Грузия
|
Грузстандарт
|
|
Республика Казахстан
|
Госстандарт Республики
Казахстан
|
|
Кыргызская Республика
|
Кыргызстандарт
|
|
Республика Молдова
|
Молдовастандарт
|
|
Российская Федерация
|
Госстандарт России
|
|
Республика Таждикистан
|
Таджикстандарт
|
|
Туркменистан
|
Главгосслужба
«Туркменстандартлары»
|
|
Республика Узбекистан
|
Узгосстандарт
|
|
Украина
|
Госстандарт Украины
|
3. Стандарт соответствует ИСО 3419-81 «Фитинги из легированной
и нелегированной стали приварные встык» в части конструкции тройников
4. Постановлением Государственного
комитета Российской Федерации по стандартизации и метрологии от 27 мая 2002 г.
№ 205-ст межгосударственный стандарт ГОСТ 17376-2001 (ИСО 3419-81) введен в
действие непосредственно в качестве государственного стандарта Российской
Федерации с 1 января 2003 г.
5. ВЗАМЕН ГОСТ 17376-83
МЕЖГОСУДАРСТВЕННЫЙ
СТАНДАРТ
Детали трубопроводов бесшовные приварные из углеродистой
и низколегированной стали
ТРОЙНИКИ
Конструкция
Carbon and low-alloy steel butt-welding fittings. Tees. Design
Дата введения 2003-01-01
1. Область применения
Настоящий стандарт
распространяется на бесшовные приварные равнопроходные и переходные тройники из
углеродистой и низколегированной стали.
Область применения тройников - в
соответствии с разделом 1 ГОСТ 17380.
Требования пункта 4.1 и раздела
5 являются обязательными, остальные требования - рекомендательными.
2. Нормативные ссылки
В настоящем стандарте использована
ссылка на ГОСТ 17380-2001 (ИСО
3419-81). Детали трубопроводов бесшовные приварные из углеродистой и
низколегированной стали. Общие технические условия.
(Измененная редакция. Изм.
№ 1)
3. Определения, обозначения и сокращения
Термины, их определения,
обозначения и сокращения - по ГОСТ 17380.
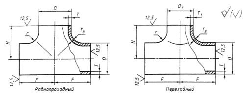
4. Конструкция и размеры
4.1.
Конструкция и размеры тройников должны соответствовать указанным на рисунке 1 и в таблицах
1 и 2.

Рисунок 1
Таблица 1 -
Тройники исполнения 1
Размеры в миллиметрах
|
DN
|
D
|
T
|
D1
|
T1
|
F
|
H
|
Масса,
кг
|
|
|
|
2,0
|
|
2,0
|
|
|
0,19
|
|
15
|
21,3
|
3,2
|
|
3,2
|
25
|
25
|
0,30
|
|
|
|
4,0
|
|
4,0
|
|
|
0,38
|
|
|
|
2,0
|
21,3
|
2,0
|
|
|
0,26
|
|
|
|
3,2
|
|
3,2
|
|
|
0,42
|
|
|
|
4,0
|
|
4,0
|
|
|
0,52
|
|
20
|
26,9
|
2,0
|
|
2,0
|
29
|
29
|
0,23
|
|
|
|
3,2
|
26,9
|
3,2
|
|
|
0,37
|
|
|
|
4,0
|
|
4,0
|
|
|
0,46
|
|
|
|
2,3
|
|
2,0
|
|
|
0,25
|
|
|
|
3,2
|
21,3
|
3,2
|
|
|
0,35
|
|
|
|
4,5
|
|
4,0
|
|
|
0,40
|
|
|
|
2,3
|
|
2,0
|
|
|
0,25
|
|
25
|
33,7
|
3,2
|
26,9
|
3,2
|
38
|
38
|
0,35
|
|
|
|
4,5
|
|
4,0
|
|
|
0,40
|
|
|
|
2,3
|
|
2,3
|
|
|
0,40
|
|
|
|
3,2
|
33,7
|
3,2
|
|
|
0,64
|
|
|
|
4,5
|
|
4,5
|
|
|
0,80
|
|
|
|
2,6
|
|
2,0
|
|
|
0,79
|
|
|
|
3,6
|
21,3
|
3,2
|
|
|
1,10
|
|
|
|
5,0
|
|
4,0
|
|
|
1,50
|
|
|
|
2,6
|
|
2,0
|
|
|
0,79
|
|
|
|
3,6
|
26,9
|
3,2
|
|
|
1,10
|
|
|
|
5,0
|
|
4,0
|
|
|
1,50
|
|
32
|
42,4
|
2,6
|
|
2,3
|
48
|
48
|
0,79
|
|
|
|
3,6
|
33,7
|
3,2
|
|
|
1,10
|
|
|
|
5,0
|
|
4,0
|
|
|
1,50
|
|
|
|
2,6
|
|
2,6
|
|
|
0,79
|
|
|
|
3,6
|
42,4
|
3,6
|
|
|
1,10
|
|
|
|
5,0
|
|
5,0
|
|
|
1,50
|
|
|
|
2,6
|
|
2,0
|
|
|
1,00
|
|
|
|
3,6
|
26,9
|
3,2
|
|
|
1,40
|
|
|
|
5,0
|
|
4,0
|
|
|
2,00
|
|
|
|
2,6
|
|
2,3
|
|
|
1,00
|
|
|
|
3,6
|
33,7
|
3,2
|
|
|
1,40
|
|
|
|
5,0
|
|
4,5
|
|
|
2,00
|
|
40
|
48,3
|
2,6
|
|
2,6
|
57
|
57
|
1,00
|
|
|
|
3,6
|
42,4
|
3,6
|
|
|
1,40
|
|
|
|
5,0
|
|
5,0
|
|
|
2,00
|
|
|
|
2,6
|
|
2,6
|
|
|
1,00
|
|
|
|
3,6
|
48,3
|
3,6
|
|
|
1,40
|
|
|
|
5,0
|
|
5,0
|
|
|
2,00
|
|
|
|
2,9
|
|
2,9
|
|
|
1,60
|
|
|
|
4,0
|
33,7
|
4,0
|
|
51
|
2,20
|
|
|
|
5,6
|
|
5,6
|
|
|
3,00
|
|
|
|
2,9
|
|
2,6
|
|
|
1,60
|
|
|
|
4,0
|
42,4
|
3,6
|
|
57
|
2,20
|
|
|
|
5,6
|
|
5,0
|
|
|
3,00
|
|
50
|
60,3
|
2,9
|
|
2,6
|
64
|
|
1,60
|
|
|
|
4,0
|
48,3
|
3,6
|
|
60
|
2,20
|
|
|
|
5,6
|
|
5,0
|
|
|
3,00
|
|
|
|
2,9
|
|
2,3
|
|
|
1,60
|
|
|
|
4,0
|
60,3
|
3,2
|
|
64
|
2,20
|
|
|
|
5,6
|
|
4,5
|
|
|
3,00
|
|
|
|
2,9
|
|
2,6
|
|
|
3,20
|
|
|
|
5,0
|
42,4
|
3,6
|
|
64
|
5,50
|
|
|
|
7,1
|
|
5,0
|
|
|
7,90
|
|
|
|
2,9
|
|
2,9
|
|
|
3,20
|
|
|
|
5,0
|
48,3
|
4,0
|
|
67
|
5,50
|
|
|
|
7,1
|
|
5,6
|
|
|
7,90
|
|
65
|
76,1
|
2,9
|
|
2,6
|
76
|
|
3,20
|
|
|
|
5,0
|
60,3
|
3,6
|
|
70
|
5,50
|
|
|
|
7,1
|
|
5,0
|
|
|
7,90
|
|
|
|
2,9
|
|
2,9
|
|
|
3,20
|
|
|
|
5,0
|
76,1
|
5,0
|
|
76
|
5,50
|
|
|
|
7,1
|
|
7,1
|
|
|
7,90
|
|
|
|
3,2
|
|
2,9
|
|
|
2,20
|
|
|
|
5,6
|
48,3
|
4,0
|
|
73
|
4,00
|
|
|
|
8,0
|
|
5,6
|
|
|
5,50
|
|
|
|
3,2
|
|
2,9
|
|
|
2,20
|
|
|
|
5,6
|
60,3
|
4,0
|
|
76
|
4,00
|
|
|
|
8,0
|
|
5,6
|
|
|
5,50
|
|
80
|
88,9
|
3,2
|
|
2,9
|
86
|
|
2,50
|
|
|
|
5,6
|
76,1
|
5,0
|
|
83
|
4,50
|
|
|
|
8,0
|
|
7,1
|
|
|
6,20
|
|
|
|
3,2
|
|
3,2
|
|
|
2,50
|
|
|
|
5,6
|
88,9
|
5,6
|
|
86
|
4,50
|
|
|
|
8,0
|
|
8,0
|
|
|
6,20
|
|
|
|
3,6
|
|
2,7
|
|
|
3,80
|
|
|
|
6,3
|
60,3
|
4,0
|
|
89
|
6,70
|
|
|
|
8,8
|
|
5,6
|
|
|
10,00
|
|
|
|
3,6
|
|
2,9
|
|
|
4,50
|
|
|
|
6,3
|
76,1
|
5,0
|
|
95
|
7,80
|
|
|
|
8,8
|
|
7,1
|
|
|
10,00
|
|
100
|
114,3
|
3,6
|
|
3,2
|
105
|
|
4,50
|
|
|
|
6,3
|
88,9
|
5,6
|
|
98
|
7,80
|
|
|
|
8,8
|
|
8,0
|
|
|
10,00
|
|
|
|
3,6
|
|
3,6
|
|
|
4,50
|
|
|
|
6,3
|
114,3
|
6,3
|
|
105
|
7,80
|
|
|
|
8,8
|
|
8,8
|
|
|
10,00
|
|
|
|
4,0
|
|
2,9
|
|
|
3,40
|
|
|
|
6,3
|
76,1
|
5,0
|
|
108
|
5,30
|
|
|
|
10,0
|
|
7,1
|
|
|
16,00
|
|
|
|
4,0
|
|
3,2
|
|
|
3,40
|
|
|
|
6,3
|
88,9
|
5,6
|
|
111
|
5,30
|
|
|
|
10,0
|
|
8,0
|
|
|
16,00
|
|
125
|
139,7
|
4,0
|
|
3,6
|
124
|
|
3,40
|
|
|
|
6,3
|
114,3
|
6,3
|
|
117
|
5,30
|
|
|
|
10,0
|
|
8,8
|
|
|
16,00
|
|
|
|
4,0
|
|
4,0
|
|
|
3,40
|
|
|
|
6,3
|
139,7
|
6,3
|
|
124
|
5,30
|
|
|
|
10,0
|
|
10,0
|
|
|
16,00
|
|
|
|
4,5
|
|
3,2
|
|
|
9,40
|
|
|
|
7,1
|
88,9
|
5,6
|
|
124
|
16,00
|
|
|
|
11,0
|
|
8,0
|
|
|
24,00
|
|
|
|
4,5
|
|
3,6
|
|
|
9,40
|
|
|
|
7,1
|
114,3
|
6,3
|
|
130
|
16,00
|
|
|
|
11,0
|
|
8,8
|
|
|
24,00
|
|
150
|
168,3
|
4,5
|
|
4,0
|
143
|
|
9,40
|
|
|
|
7,1
|
139,7
|
6,3
|
|
137
|
16,00
|
|
|
|
11,0
|
|
10,0
|
|
|
24,00
|
|
|
|
4,5
|
|
4,5
|
|
|
9,40
|
|
|
|
7,1
|
168,3
|
7,1
|
|
143
|
16,00
|
|
|
|
11,0
|
|
11,0
|
|
|
24,00
|
|
|
|
6,3
|
|
3,6
|
|
|
16,00
|
|
|
|
8,0
|
114,3
|
6,3
|
|
156
|
20,00
|
|
|
|
12,5
|
|
8,8
|
|
|
43,00
|
|
|
|
6,3
|
|
4,0
|
|
|
16,00
|
|
|
|
8,0
|
139,7
|
6,3
|
|
162
|
20,00
|
|
|
|
12,5
|
|
10,0
|
|
|
43,00
|
|
200
|
219,1
|
6,3
|
|
4,5
|
178
|
|
16,00
|
|
|
|
8,0
|
168,3
|
7,1
|
|
168
|
20,00
|
|
|
|
12,5
|
|
11,0
|
|
|
43,00
|
|
|
|
6,3
|
|
6,3
|
|
|
23,00
|
|
|
|
8,0
|
219,1
|
8,0
|
|
178
|
29,00
|
|
|
|
12,5
|
|
12,5
|
|
|
44,00
|
|
|
|
6,3
|
|
4,0
|
|
|
33,0
|
|
|
|
10,0
|
139,7
|
6,3
|
|
191
|
52,0
|
|
|
|
6,3
|
|
4,5
|
|
|
33,0
|
|
|
|
10,0
|
168,3
|
7,1
|
|
194
|
52,0
|
|
250
|
273,0
|
6,3
|
|
6,3
|
216
|
|
33,0
|
|
|
|
10,0
|
219,1
|
7,1
|
|
203
|
52,0
|
|
|
|
6,3
|
|
6,3
|
|
|
33,0
|
|
|
|
10,0
|
273,0
|
10,0
|
|
216
|
52,0
|
|
|
|
7,1
|
|
4,5
|
|
|
47,00
|
|
|
|
10,0
|
168,3
|
7,1
|
|
219
|
66,00
|
|
|
|
7,1
|
|
6,3
|
|
|
47,00
|
|
|
|
10,0
|
219,0
|
8,0
|
|
229
|
66,00
|
|
300
|
323,9
|
7,1
|
|
6,3
|
254
|
|
47,00
|
|
|
|
10,0
|
273,0
|
8,0
|
|
241
|
66,00
|
|
|
|
7,1
|
|
7,1
|
|
|
54,00
|
|
|
|
10,0
|
323,9
|
10,0
|
|
254
|
77,00
|
|
|
|
8,0
|
|
6,3
|
|
|
|
|
|
|
11,0
|
219,1
|
8,0
|
|
248
|
|
|
|
|
8,0
|
|
6,3
|
|
|
|
|
|
|
11,0
|
273,0
|
10,0
|
|
257
|
-
|
|
350
|
355,6
|
8,0
|
|
7,1
|
279
|
|
|
|
|
|
11,0
|
323,9
|
10,0
|
|
270
|
|
|
|
|
8,0
|
|
8,0
|
|
|
68,00
|
|
|
|
11,0
|
355,6
|
11,0
|
|
279
|
94,00
|
|
|
|
8,8
|
|
6,3
|
|
|
|
|
|
|
12,5
|
273,0
|
10,0
|
|
283
|
|
|
|
|
8,8
|
|
7,1
|
|
|
-
|
|
|
|
12,5
|
323,9
|
10,0
|
|
295
|
|
|
400
|
406,4
|
8,8
|
|
8,0
|
305
|
|
|
|
|
|
12,5
|
355,6
|
10,0
|
|
|
-
|
|
|
|
8,8
|
|
8,8
|
|
305
|
88,00
|
|
|
|
12,5
|
406,4
|
12,5
|
|
|
131,00
|
|
|
|
|
323,9
|
7,1
|
|
321
|
|
|
|
|
|
355,6
|
8,0
|
|
|
|
|
450
|
457,0
|
10,0
|
355,6
|
11,0
|
343
|
330
|
-
|
|
|
|
|
406,4
|
8,8
|
|
|
|
|
|
|
|
457,0
|
10,0
|
|
343
|
|
|
|
|
|
355,6
|
8,0
|
|
|
|
|
|
|
|
406,4
|
8,8
|
|
356
|
|
|
500
|
508,0
|
11,0
|
457,0
|
10,0
|
381
|
368
|
|
|
|
|
|
508,0
|
11,0
|
|
381
|
|
|
|
|
|
406,4
|
8,8
|
|
406
|
|
|
|
|
|
457,0
|
10,0
|
|
419
|
|
|
600
|
610,0
|
12,5
|
508,0
|
11,0
|
432
|
|
-
|
|
|
|
|
610,0
|
12,5
|
|
432
|
|
|
700
|
711,0
|
|
711,0
|
|
521
|
521
|
|
|
800
|
813,0
|
|
813,0
|
|
597
|
597
|
|
|
900
|
914,0
|
-
|
914,0
|
-
|
673
|
673
|
|
|
1000
|
1016,0
|
|
1016,0
|
|
749
|
749
|
|
|
Примечание
- Масса приведена для справок.
|
Таблица 2 - Тройники исполнения 2
Размеры в миллиметрах
|
DN
|
D
|
T
|
D1
|
T1
|
F
|
H
|
r,
не менее
|
Масса,
кг
|
|
|
|
2,5
|
|
|
|
|
|
0,3
|
|
40
|
45
|
4,0
|
-
|
-
|
40
|
40
|
|
0,4
|
|
|
|
5,0
|
|
|
|
|
|
0,4
|
|
|
|
3,0
|
|
2,5
|
|
|
|
0,4
|
|
|
|
4,0
|
45
|
3,0
|
|
|
|
0,6
|
|
|
|
5,0
|
|
4,0
|
|
|
|
0,7
|
|
50
|
57
|
3,0
|
|
|
50
|
45
|
|
0,4
|
|
|
|
4,0
|
-
|
-
|
|
|
|
0,6
|
|
|
|
5,0
|
|
|
|
|
5
|
0,7
|
|
|
|
3,5
|
|
2,5
|
|
|
|
0,8
|
|
|
|
6,0
|
45
|
4,0
|
|
|
|
1,4
|
|
|
|
7,0
|
|
5,0
|
|
|
|
1,6
|
|
|
|
3,5
|
|
3,0
|
|
|
|
0,8
|
|
65
|
76
|
6,0
|
57
|
5,0
|
65
|
60
|
|
1,4
|
|
|
|
7,0
|
|
5,5
|
|
|
|
1,6
|
|
|
|
3,5
|
|
|
|
|
|
0,8
|
|
|
|
6,0
|
-
|
-
|
|
|
|
1,4
|
|
|
|
7,0
|
|
|
|
|
|
1,6
|
|
|
|
3,5
|
|
3,0
|
|
|
|
1,5
|
|
|
|
6,0
|
57
|
4,0
|
|
|
|
2,0
|
|
|
|
8,0
|
|
5,5
|
|
|
|
2,7
|
|
|
|
3,5
|
|
3,5
|
|
|
|
1,5
|
|
80
|
89
|
6,0
|
76
|
6,0
|
80
|
70
|
|
2,0
|
|
|
|
8,0
|
|
7,0
|
|
|
|
2,7
|
|
|
|
3,5
|
|
|
|
|
|
1,5
|
|
|
|
6,0
|
-
|
-
|
|
|
|
2,0
|
|
|
|
8,0
|
|
|
|
|
|
2,7
|
|
|
|
4,0
|
|
3,5
|
|
|
|
2,2
|
|
|
|
6,0
|
|
5,0
|
|
|
|
3,3
|
|
|
|
8,0
|
76
|
6,0
|
|
|
|
4,5
|
|
|
|
9,0
|
|
7,0
|
|
|
5
|
4,9
|
|
|
|
4,0
|
|
4,0
|
|
|
|
2,2
|
|
100
|
108
|
6,0
|
|
6,0
|
100
|
80
|
|
3,3
|
|
|
|
8,0
|
89
|
8,0
|
|
|
|
4,5
|
|
|
|
9,0
|
|
8,0
|
|
|
|
4,9
|
|
|
|
4,0
|
|
|
|
|
|
2,2
|
|
|
|
6,0
|
|
|
|
|
|
3,3
|
|
|
|
8,0
|
-
|
-
|
|
|
|
4,5
|
|
|
|
9,0
|
|
|
|
|
|
4,9
|
|
|
|
4,0
|
|
3,5
|
|
|
|
2,9
|
|
|
|
6,0
|
|
5,0
|
|
|
|
4,1
|
|
|
|
8,0
|
89
|
6,0
|
|
|
|
5,9
|
|
|
|
10,0
|
|
8,0
|
|
|
|
6,8
|
|
|
|
12,0
|
|
9,0
|
|
|
|
8,0
|
|
|
|
4,0
|
|
4,0
|
|
|
6
|
2,9
|
|
|
|
6,0
|
|
5,0
|
|
|
|
4,1
|
|
125
|
133
|
8,0
|
108
|
6,0
|
110
|
95
|
|
5,9
|
|
|
|
10,0
|
|
9,0
|
|
|
|
6,8
|
|
|
|
12,0
|
|
10,0
|
|
|
|
8,0
|
|
|
|
4,0
|
|
|
|
|
|
2,9
|
|
|
|
6,0
|
|
|
|
|
|
4,1
|
|
|
|
8,0
|
-
|
-
|
|
|
|
5,9
|
|
|
|
10,0
|
|
|
|
|
|
6,8
|
|
|
|
12,0
|
|
|
|
|
|
8,0
|
|
|
|
4,5
|
|
4,0
|
|
|
|
4,8
|
|
|
|
6,0
|
|
5,0
|
|
|
|
6,6
|
|
|
|
8,0
|
108
|
6,0
|
|
|
|
9,0
|
|
|
|
10,0
|
|
9,0
|
|
|
|
10,1
|
|
|
|
12,0
|
|
10,0
|
|
|
8
|
12,2
|
|
|
|
4,5
|
|
4,0
|
|
|
|
4,8
|
|
150
|
159
|
6,0
|
|
5,0
|
130
|
110
|
|
6,6
|
|
|
|
8,0
|
133
|
6,0
|
|
|
|
9,0
|
|
|
|
10,0
|
|
10,0
|
|
|
|
10,1
|
|
|
|
12,0
|
|
12,0
|
|
|
|
12,2
|
|
|
|
4,5
|
|
|
|
|
|
4,8
|
|
|
|
6,0
|
|
|
|
|
|
6,6
|
|
|
|
8,0
|
-
|
-
|
|
|
|
9,0
|
|
|
|
10,0
|
|
|
|
|
|
10,1
|
|
|
|
12,0
|
|
|
|
|
|
12,2
|
|
|
|
6,0
|
|
5,0
|
|
|
|
10,2
|
|
|
|
8,0
|
|
6,0
|
|
|
|
13,8
|
|
|
|
10,0
|
133
|
8,0
|
|
|
|
16,8
|
|
|
|
12,0
|
|
10,0
|
|
|
|
19,9
|
|
|
|
16,0
|
|
16,0
|
|
|
|
26,6
|
|
|
|
6,0
|
|
6,0
|
|
|
|
10,2
|
|
200
|
219
|
8,0
|
|
6,0
|
160
|
140
|
10
|
13,8
|
|
|
|
10,0
|
159
|
8,0
|
|
|
|
16,8
|
|
|
|
12,0
|
|
11,0
|
|
|
|
19,9
|
|
|
|
16,0
|
|
12,0
|
|
|
|
26,6
|
|
|
|
6,0
|
|
|
|
|
|
10,2
|
|
|
|
8,0
|
|
|
|
|
|
13,8
|
|
|
|
10,0
|
-
|
-
|
|
|
|
16,8
|
|
|
|
12,0
|
|
|
|
|
|
19,9
|
|
|
|
16,0
|
|
|
|
|
|
26,6
|
|
|
|
7,0
|
|
4,5
|
|
|
|
18,4
|
|
|
|
10,0
|
|
6,0
|
|
|
|
26,0
|
|
|
|
12,0
|
159
|
8,0
|
|
|
|
31,2
|
|
|
|
16,0
|
|
11,0
|
|
|
|
41,6
|
|
|
|
18,0
|
|
12,0
|
|
|
|
46,8
|
|
|
|
7,0
|
|
6,0
|
|
|
|
18,4
|
|
250
|
273
|
10,0
|
|
8,0
|
190
|
175
|
12
|
26,0
|
|
|
|
12,0
|
219
|
10,0
|
|
|
|
31,2
|
|
|
|
16,0
|
|
12,0
|
|
|
|
41,6
|
|
|
|
18,0
|
|
16,0
|
|
|
|
46,8
|
|
|
|
7,0
|
|
|
|
|
|
18,4
|
|
|
|
10,0
|
|
|
|
|
|
26,0
|
|
|
|
12,0
|
-
|
-
|
|
|
|
31,2
|
|
|
|
16,0
|
|
|
|
|
|
41,6
|
|
|
|
18,0
|
|
|
|
|
|
46,8
|
|
|
|
8,0
|
|
6,0
|
|
|
|
27,4
|
|
|
|
10,0
|
|
8,0
|
|
|
|
34,2
|
|
|
|
12,0
|
219
|
10,0
|
|
|
|
41,1
|
|
|
|
16,0
|
|
12,0
|
|
|
|
54,8
|
|
|
|
22,0
|
|
16,0
|
|
|
|
75,3
|
|
|
|
8,0
|
|
7,0
|
|
|
|
27,4
|
|
300
|
325
|
10,0
|
|
10,0
|
220
|
200
|
15
|
34,2
|
|
|
|
12,0
|
273
|
12,0
|
|
|
|
41,1
|
|
|
|
16,0
|
|
16,0
|
|
|
|
54,8
|
|
|
|
22,0
|
|
18,0
|
|
|
|
75,3
|
|
|
|
8,0
|
|
|
|
|
|
27,4
|
|
|
|
10,0
|
|
|
|
|
|
34,2
|
|
|
|
12,0
|
-
|
-
|
|
|
|
41,1
|
|
|
|
16,0
|
|
|
|
|
|
54,8
|
|
|
|
22,0
|
|
|
|
|
|
75,3
|
|
|
|
10,0
|
|
7,0
|
|
|
|
46,0
|
|
|
|
12,0
|
|
10,0
|
|
|
|
55,2
|
|
|
|
16,0
|
273
|
12,0
|
|
|
|
73,6
|
|
|
|
20,0
|
|
16,0
|
|
|
|
92,0
|
|
|
|
10,0
|
|
8,0
|
|
|
|
46,0
|
|
|
|
12,0
|
|
10,0
|
|
|
|
55,2
|
|
350
|
377
|
16,0
|
325
|
16,0
|
240
|
225
|
15
|
73,6
|
|
|
|
20,0
|
|
18,0
|
|
|
|
92,0
|
|
|
|
10,0
|
|
|
|
|
|
46,0
|
|
|
|
12,0
|
|
|
|
|
|
55,2
|
|
|
|
16,0
|
-
|
-
|
|
|
|
73,6
|
|
|
|
20,0
|
|
|
|
|
|
92,0
|
|
|
|
10,0
|
|
8,0
|
|
|
|
55,5
|
|
|
|
12,0
|
|
10,0
|
|
|
|
66,6
|
|
|
|
16,0
|
325
|
12,0
|
|
|
|
88,8
|
|
|
|
18,0
|
|
16,0
|
|
|
|
100,0
|
|
|
|
10,0
|
|
10,0
|
|
|
|
55,5
|
|
400
|
426
|
12,0
|
|
12,0
|
270
|
250
|
18
|
66,6
|
|
|
|
16,0
|
377
|
16,0
|
|
|
|
88,8
|
|
|
|
18,0
|
|
18,0
|
|
|
|
100,0
|
|
|
|
10,0
|
|
|
|
|
|
55,5
|
|
|
|
12,0
|
|
|
|
|
|
66,6
|
|
|
|
16,0
|
-
|
-
|
|
|
|
88,8
|
|
|
|
18,0
|
|
|
|
|
|
100,0
|
|
|
|
2,0
|
|
|
|
|
3
|
0,2
|
|
15
|
20
|
3,0
|
-
|
-
|
25
|
15
|
0,2
|
|
|
|
4,0
|
|
|
|
|
0,3
|
|
20
|
25
|
2,0
|
|
2,0
|
29
|
20
|
0,3
|
|
3,0
|
20
|
3,0
|
0,3
|
|
4,0
|
|
4,0
|
0,4
|
|
2,0
|
|
|
0,3
|
|
3,0
|
-
|
-
|
0,3
|
|
4,0
|
|
|
0,4
|
|
25
|
32
|
2,0
|
|
2,0
|
38
|
25
|
0,3
|
|
3,0
|
20
|
3,0
|
0,4
|
|
4,0
|
|
4,0
|
0,4
|
|
2,0
|
|
2,0
|
0,3
|
|
3,0
|
25
|
3,0
|
0,4
|
|
4,0
|
|
4,0
|
0,4
|
|
2,0
|
|
|
0,3
|
|
3,0
|
-
|
-
|
0,4
|
|
4,0
|
|
|
0,4
|
|
32
|
38
|
2,0
|
|
2,0
|
32
|
32
|
4
|
0,3
|
|
3,0
|
20
|
3,0
|
0,4
|
|
4,0
|
|
4,0
|
0,4
|
|
2,0
|
|
2,0
|
0,3
|
|
3,0
|
25
|
3,0
|
0,4
|
|
4,0
|
|
4,0
|
0,4
|
|
2,0
|
|
2,0
|
0,3
|
|
3,0
|
32
|
3,0
|
0,4
|
|
4,0
|
|
4,0
|
0,4
|
|
2,0
|
|
|
0,3
|
|
3,0
|
-
|
-
|
0,4
|
|
4,0
|
|
|
0,4
|
|
100
|
114
|
4,0
|
76
|
4,0
|
100
|
90
|
5
|
3,0
|
|
5,0
|
5,0
|
3,7
|
|
6,0
|
6,0
|
4,4
|
|
9,0
|
7,0
|
6,5
|
|
4,0
|
89
|
4,0
|
3,0
|
|
5,0
|
5,0
|
3,7
|
|
6,0
|
6,0
|
4,4
|
|
9,0
|
8,0
|
6,5
|
|
4,0
|
-
|
4,0
|
3,0
|
|
5,0
|
5,0
|
3,7
|
|
6,0
|
6,0
|
4,4
|
|
9,0
|
9,0
|
6,5
|
|
Примечания
1.
Масса приведена для справок.
2. Масса соответствует тройникам, изготовляемым из труб с
размерами D и T гидроштамповкой. При изготовлении другими способами и (или) из
других заготовок массу устанавливает изготовитель.
|
(Измененная
редакция. Изм.
№ 1)
Примеры условных
обозначений:
- переходного тройника исполнения
1, D = 60,3 мм, Т = 2,9 мм, D1 = 48,3 мм, Т1
= 2,6 мм из стали марки TS9:
Тройник 1-60,3 ´ 2,9-48,3 ´ 2,6-TS9 ГОСТ 17376-2001
- равнопроходного тройника
исполнения 2, D = 76 мм, Т = 7,0 мм из стали марки 20:
Тройник 76 ´ 7 ГОСТ 17376-2001
- то же, с Тв =
10 мм, из стали 09Г2С для трубопроводов, подконтрольных органам надзора:
Тройник П 76 ´ 7/10-09Г2С ГОСТ 17376-2001
4.2. По согласованию между
потребителем (заказчиком) и изготовителем допускается изготавливать тройники
других размеров.
4.3. Допускается изготовление
тройников с увеличенной толщиной стенки Тв в зоне сопряжения
магистрали и ответвления и других неторцевых сечений.
5. Технические условия
Технические условия - по ГОСТ 17380.
Ключевые слова: трубопроводы, детали трубопроводов,
трубопроводные тройники, конструкция, размеры.
|
|