Крупнейшая бесплатная информационно-справочная система онлайн доступа к полному собранию технических нормативно-правовых актов РФ. Огромная база технических нормативов (более 150 тысяч документов) и полное собрание национальных стандартов, аутентичное официальной базе Госстандарта. GOSTRF.com - это более 1 Терабайта бесплатной технической информации для всех пользователей интернета. Все электронные копии представленных здесь документов могут распространяться без каких-либо ограничений. Поощряется распространение информации с этого сайта на любых других ресурсах. Каждый человек имеет право на неограниченный доступ к этим документам! Каждый человек имеет право на знание требований, изложенных в данных нормативно-правовых актах!

  


 

ПРАВИТЕЛЬСТВО МОСКВЫ
МОСКОМАРХИТЕКТУРА

ПОСОБИЕ
к МГСН 4.09-97

ЗДАНИЯ ОРГАНОВ СОЦИАЛЬНОЙ
ЗАЩИТЫ НАСЕЛЕНИЯ

1999

Предисловие

1. Разработано ЗАО ЦНИИЭП зданий и комплексов культуры, спорта и управления им. Б. С. Мезенцева (арх. Шулика И. А., канд. арх. Лернер И. И., инж. Гаврилина В. А.).

2. Подготовлено к изданию Управлением перспективного проектирования и нормативов Москомархитектуры (арх. Шалов Л. А., инж. Щипанов Ю. Б.).

3. Согласовано с Комитетом социальной защиты населения г. Москвы и Москомархитектурой.

4. Утверждено указанием Москомархитектуры от 17 июня 1999 г № 25.

СОДЕРЖАНИЕ

1. Введение. Общие положения. 1

2. Концептуальные положения проектирования зданий органов социальной защиты населения. 1

3. Функциональное зонирование зданий управлений. 3

3.1. Окружные управления социальной защиты населения. 3

3.2. Муниципальные управления социальной защиты населения. 4

4. Требования к помещениям и рабочим местам. 8

Приложение 1 Схема генерального плана участка управления социальной защиты населения. (Встроенно-пристроенный вариант). 21

Приложение 2 Пример планировочного решения муниципального управления социальной защиты населения на 50 сотрудников. 22

План I этажа. 22

План II этажа. 22

1. Введение. Общие положения.

1.1. Настоящее Пособие разработано в развитие МГСН 4.09-97 «Здания органов социальной защиты населения» на основе содержащихся в них нормативных требований.

1.2. В Пособии даны развернутые рекомендации по проектированию зданий управлений социальной защиты населения для г. Москвы, требования к функциональному составу и взаимосвязи основных групп помещений, даны рекомендации по планировке функциональных блоков и отдельных помещений, а так же оборудованию рабочих мест.

Текст иллюстрируется схемами взаимосвязи помещений, примерами планировочных решений функциональных групп помещений различного назначения, примерами планировки рабочих мест для различных категорий сотрудников.

2. Концептуальные положения проектирования зданий органов социальной защиты населения.

2.1. Здания органов социальной защиты населения подразделяются на две основные труппы:

- окружные управления социальной защиты населения (ОУСЗН);

- муниципальные управления социальной защиты населения (МУСЗН).

2.2. ОУСЗН осуществляют административную организацию и координацию работы муниципальных управлений в каждом из десяти административных округов г. Москвы и не являются объектом перспективной массовой застройки. Окружные управления посещаются сотрудниками МУСЗН для решения организационно-административных задач и, эпизодически, населением административного округа для рассмотрения конфликтных и спорных вопросов.

2.3. МУСЗН проводят индивидуальную работу с населением муниципального района по оформлению всех видов социальных выплат и льгот. Основные посетители МУСЗН - пенсионеры, а также члены многодетных семей, инвалиды и др.

2.4. Общий концептуальный подход к проектированию зданий управлений социальной защиты и отдельных групп помещений должен быть ориентирован на создание комфортной среды пребывания для посетителей и планировочной организации оптимального режима работы учреждения с населением. При проектировании зданий управлений необходимо строго следовать нормам и требованиям, изложенным в МГСН 4.09-97 «Здания органов социальной защиты населения», ВСН 62-91* «Проектирование среды жизнедеятельности с учетом потребностей инвалидов и маломобильных групп населения» и Рекомендаций по проектированию окружающей среды, зданий и сооружений с учетом потребностей инвалидов и других маломобильных групп населения. (Выпуски 1 - 3).

2.5. Особое внимание при проектировании зданий управлений должно уделяться разработке простой и рациональной схемы движения посетителей по маршруту «вестибюль - холлы для ожидания» перед кабинетами сотрудников, ведущих прием, четкому функциональному зонированию с планировочным выделением всех помещений служебного и вспомогательного назначения в изолированную зону, закрытую для посетителей. На рис. 2.1 приведена схема взаимосвязи помещений зданий окружных управлений, на рис. 2.2 - муниципальных управлений. На схемах выделены: зона помещений приема и обслуживания посетителей, зона служебных и вспомогательных помещений, а также маршруты движения посетителей.

2.6. Управления могут размещаться в отдельно стоящих зданиях или быть встроенно-пристроенными к зданиям иного назначения, в т.ч. жилым. Более предпочтительными, с позиций совместного с ними размещения, являются учреждения обслуживания населения (в т.ч. учреждения аптечной сети, сберегательного банка, библиотеки и т.п.). При этом должна обеспечиваться взаимная планировочная изоляция и автономное функционирование. В Приложении № 1 дана схема генерального плана участка муниципального управления социальной защиты (встроенно-пристроенный вариант к жилому дому).

2.7. Количество и номенклатура рабочих мест, а также состав и площади помещений при проектировании управлений определяются заданием на проектирование или проектом в соответствии с Приложением № 2 МГСН 4.09-97.

2.8. Данное Пособие имеет целью показать специфику проектирования зданий управлений, в связи с чем ряд помещений вспомогательного и обслуживающего назначения, не являющихся специфическими только для данного типа зданий, не рассматриваются.

Условные обозначения:  - посетители,  - персонал

Рис. 2.1. Схема взаимосвязи помещений ОУСЗН

Условные обозначения:  - посетители,  - персонал

Рис. 2.2. Схема взаимосвязи помещений МУСЗН

3. Функциональное зонирование зданий управлений.

3.1. Окружные управления социальной защиты населения.

3.1.1. Функциональное зонирование зданий ОУСЗН (рис. 2.1.) предусматривает две основные функциональные зоны:

- зона помещений приема и обслуживания посетителей;

- зона служебных и вспомогательных помещений.

3.1.2. К зоне приема и обслуживания посетителей относятся:

- помещения входной группы (вестибюль, комната охраны - пожарный пост, кабинет приема посетителей руководством управления, санузел для посетителей) (см. рис. 3.1.);

- лестнично-лифтовой холл;

- холл для ожидания перед кабинетами сотрудников, ведущих прием посетителей;

- кабинеты сотрудников, ведущих прием посетителей, кабинет юриста;

- кабинеты администрации (приемная, кабинет начальника управления, кабинет зам. начальника);

Функциональные связи помещении этой зоны должны быть короткими и простыми, обеспечивая удобные пути эвакуации посетителей и сотрудников из здания, а также оснащаться системой визуальной информации и ориентиров.

3.1.3. В вестибюле предусматриваются зоны для установки телефонов автоматов и киосков (аптечного, периодической печати), а также санузел для посетителей. Перед кабинетом приема посетителей руководством управления должна быть предусмотрена зона для ожидания, оборудованная соответствующей мебелью. Из кабинета приема посетителей предусматривается второй выход в коридор управления.

3.1.4. Вестибюль должен иметь удобную планировочную связь с холлами для ожидания перед кабинетами сотрудников, ведущих прием посетителей и лестнично-лифтовым холлом.

3.1.5. Кабинеты администрации могут располагаться на втором или третьем этаже, так как основной прием посетителей руководством предусматривается в специальном кабинете при вестибюле.

3.1.6. Кабинеты инспекторов, ведущих прием населения, проектируются на одно или два рабочих места.

3.1.7. Зона служебных и вспомогательных помещений включает:

- рабочие комнаты сотрудников (без приема посетителей);

- кабинеты главных специалистов и начальников отделов;

- зал собраний (с подсобным помещением);

- отдел информатизации;

- кабинет инспектора по кадрам;

- кабинет главного бухгалтера, бухгалтерию, кассу;

- копировально-множительную службу;

- комнату отдыха и психологической разгрузки;

- комнату приема пищи (или буфет с подсобным помещением, столовую);

- комнату обслуживающего персонала;

- кладовые (хранения бланков, канцпринадлежностей и расходных материалов, оборудования и инвентаря, хранения уборочного инвентаря);

- санузлы для персонала.

Следует предусматривать изоляцию зоны этих помещений. Доступ для посетителей в нее должен быть закрыт. Рекомендуется предусматривать отдельный служебный вход.

3.1.8. Рабочие комнаты сотрудников проектируются, как правило, на 2 - 4 рабочих места, а кабинеты главных специалистов и начальников отделов - на 1 - 2 рабочих места.

3.1.9. Зал собраний предназначен для проведения совещаний с сотрудниками окружного и муниципальных управлений, работы с представителями учреждений и организаций. Для увеличения вместимости зала рекомендуется предусматривать варианты трансформации смежных пространств - холлов, залов, а также подсобного помещения (при зале) для хранения дополнительной переносной мебели с использованием раздвижных перегородок.

3.1.10. Машбюро и ксерокс (помещение участка ксерокопирования) обслуживают сотрудников управления.

3.1.11. Кладовые относятся к помещениям эпизодического пользования и могут рас полагаться изолированно, в том числе в подвальных и полуподвальных помещениях здания. Эти помещения рекомендуется приближать к служебному входу для удобства загрузки и выгрузки оборудования и инвентаря, канцпринадлежностей и расходных материалов, а при размещении в подвальных или полуподвальных этажах предусматривать также грузовой подъемник.

3.1.12. Кладовые хранения уборочных материалов (не менее одной на этаж) могут объединяться с санузлом для персонала.

3.2. Муниципальные управления социальной защиты населения.

3.2.1. Функциональное зонирование зданий МУСЗН (см. рис. 2.2) предусматривает две основные функциональные зоны:

- зона помещений приема и обслуживания посетителей;

- зона служебных и вспомогательных помещений.

3.2.2. К зоне приема и обслуживания посетителей относятся:

- помещения входной группы (вестибюль, комната охраны - пожарный пост, кабинет справочно-информационной службы, кабинет приема посетителей руководством управления, санузел для посетителей);

- лестнично-лифтовой холл;

- холлы для ожидания перед кабинетами сотрудников, ведущих прием посетителей;

- кабинеты сотрудников и начальников отделов назначения и перерасчета пенсий и пособий, выплаты пенсий, пособий и доплат, материально-бытового обслуживания;

- медицинский кабинет, кабинет юриста;

- кабинеты администрации (приемная, кабинет начальника управления, кабинет зам. начальника);

- копировально-множительная служба;

- хранилище действующих пенсионных дел, санузлы для посетителей при холлах.

Пример планировочного решения помещений входной группы представлен на рис. 3.1. Функциональные связи помещений этой зоны должны быть короткими и простыми, обеспечивая удобные пути эвакуации посетителей и сотрудников из здания, а также оснащаться системой визуальной информации и ориентиров.

3.2.3. В вестибюле предусматриваются зоны для установки телефонов-автоматов и киосков (аптечного, периодической печати), а также санузел для посетителей.

3.2.4. Вестибюль должен иметь удобную планировочную связь с холлами для ожидания перед кабинетами сотрудников, ведущих прием посетителей и лестнично-лифтовым холлом.

3.2.5. Перед кабинетами приема посетителей руководством управления и справочно-информационной службы должны быть предусмотрены зоны для ожидания, оборудованные соответствующей мебелью. Из кабинета приема посетителей предусматривается второй выход в коридор управления.

3.2.6. Кабинеты администрации могут располагаться на втором или третьем этаже, так как основной прием посетителей руководством предусматривается в специальном кабинете при вестибюле.

3.2.7. Кабинеты инспекторов, ведущих прием населения, проектируются на одно или два рабочих места. Рядом с кабинетами сотрудников отдела назначения и перерасчета пенсий и пособий проектируется медицинский кабинет, обеспеченный короткой связью с вестибюлем.

3.2.8. На рис. 3.2, 3.3 представлены примеры планировочных решений помещений зоны обслуживания посетителей.

3.2.9. Машбюро и ксерокс (помещение участка ксерокопирования), обслуживающие как посетителей, так и сотрудников управления, размещаются при холлах для ожидания, в непосредственной близости от кабинета юриста.

3.2.10. Хранилище действующих пенсионных дел должно располагаться в непосредственной близости от кабинетов отдела назначения и перерасчета пенсий и пособий.

3.2.11. Зона служебных и вспомогательных помещений включает:

- рабочие комнаты сотрудников (без приема посетителей);

- зал собраний;

- кабинет информатизации;

- кабинет инспектора по кадрам;

- кабинет главного бухгалтера, бухгалтерию, кассу;

- комнату отдыха и психологической разгрузки;

- комнату приема пищи (или буфет с подсобным помещением, столовую);

- комнату обслуживающего персонала;

- хранилище закрытых пенсионных дел;

- кладовые (хранения бланков, канцпринадлежностей и расходных материалов, оборудования и инвентаря, хранения уборочных материалов);

- санузел для персонала.

Общее планировочное решение данной зоны может быть свободным. Доступ для посетителей в нее закрыт, что должно найти отражение в принимаемом планировочном решении.

Рекомендуется предусматривать служебный вход.

3.2.12. Зал собраний предназначен для проведения совещаний с сотрудниками управления в дни, свободные от приема населения, и работы с представителями учреждений и организаций. Для увеличения вместимости зала рекомендуется предусматривать варианты трансформации смежных пространств - холлов, залов, а также подсобного помещения (при зале) для хранения дополнительной переносной мебели, с использованием раздвижных перегородок. При этом в дни приема посетителей за счет площади зала может увеличиваться площадь холла для ожидания (см. рис. 3.4).

3.2.13. Хранилище закрытых пенсионных дел и кладовые относятся к помещениям эпизодического пользования и могут располагаться изолированно, в том числе в подвальных и полуподвальных помещениях здания. Эти помещения рекомендуется приближать к служебному входу для удобства загрузки и выгрузки оборудования и инвентаря, канцпринадлежностей и расходных материалов, а при размещении в подвальных или полуподвальных этажах предусматривать также грузовой подъемник.

3.2.14. В хранилище закрытых пенсионных дел не выделяется рабочая зона и не предусматривается место работы сотрудника.

3.2.15. Кладовые хранения уборочных материалов (не менее одной на этаж) могут объединяться с санузлом для персонала.

Экспликация

1. Вестибюль

2. Кабинет справочно-информационной службы

3. Санузел для посетителей (при вестибюле)

4. Кабинет информатизации

5. Лестнично-лифтовой холл

6. Комната охраны (пожарный пост)

7. Кабинет приема посетителей руководством управления

8. Коридоры, ведущие в холлы для ожидания перед кабинетами сотрудников

9. Телефоны-автоматы

Рис. 3.1. Пример планировочного решения помещений входной группы управления социальной защиты населения.

Экспликация

1. Холл для ожидания

2. Кабинеты сотрудников, ведущих прием посетителей

3. Кабинет начальника отдела

4. Хранилище действующих пенсионных дел

5. Санузел для посетителей

Рис. 3.2. Пример планировочного решения помещений обслуживания посетителей МУСЗН. Вариант 1.

Экспликация

1. Холл для ожидания

2. Кабинеты сотрудников, ведущих прием посетителей

3. Кабинет начальника отдела

4. Хранилище действующих пенсионных дел

5. Санузел для посетителей

6. Зал собраний

Рис. 3.3. Пример планировочного решения помещений обслуживания посетителей МУСЗН. Вариант 2.

Экспликация

1. Холл

2. Зал собраний

3. Подсобное помещение зала собраний

4. Кабинет начальника управления

5. Приемная

6. Кабинет зам. начальника

7. Кабинеты сотрудников, ведущих прием посетителей

Рис. 3.4. Схемы трансформации помещений холлов для ожидания и залов собраний. Варианты 1, 2.

4. Требования к помещениям и рабочим местам.

4.1. Общие требования к помещениям.

При проектировании помещений зданий управлений социальной защиты населения должны быть учтены нормы и требования, изложенные в МГСН 4.09-97, ВСН 62-91*, «Рекомендациях по проектированию окружающей среды, зданий и сооружений с учетом потребностей инвалидов и других маломобильных групп населения» (выпуск 1), в т.ч. параметры и площади помещений, габариты и параметры лифтов, дверей, проходов, коридоров, порогов, лестниц, а также подходов, проездов и проходов между мебелью и оборудованием. Должны быть учтены параметры зон разворота и размещения инвалидных колясок, указанные в ВСН 62-91*, «Рекомендациях» (выпуск 1) и в вариантах расстановки мебели и оборудования в кабинетах сотрудников, ведущих прием посетителей, представленных в данных Пособиях на рис. 4.1-4.2, 4.4-4.11.

4.2. Планировка, освещение, акустика и отделка интерьеров помещений должны обеспечивать оптимальные условия приема посетителей и труда служащих. Здания рекомендуется оснащать последовательной и полной визуальной информацией о работе учреждения в соответствии с «Рекомендациями» (выпуск 1). При проектировании вестибюля должна быть учтена необходимость размещения средств визуальной информации и предусмотрены места для информационных стендов. Все маршруты движения посетителей от вестибюля до холлов рекомендуется выделять с помощью средств визуальной информации с использованием цвета и фактуры. Каждый кабинет должен быть четко обозначен крупными, хорошо освещенными знаками и табличками.

4.3. В данном Пособии для всех помещений управлений социальной защиты населения разработано по два и более варианта расстановки мебели и оборудования. В связи с большим разнообразием типов применяемых на практике мебели, оборудования, приборов, устройств и т.п. приняты усредненные габариты оборудования.

4.4. Помещения приема и обслуживания посетителей.

Во всех кабинетах выделены зоны персональной работы сотрудников (в т.ч. на компьютере), зоны приема посетителей и зоны возможного разворота инвалидной коляски. В кабинетах сотрудников, ведущих прием посетителей и рассчитанных на два рабочих места, рекомендуется использовать светопрозрачные перегородки для улучшения условий работы. Высота мебели и рабочего оборудования в этих кабинетах должна быть адаптирована к потребностям посетителей (см. ВСН 62-91*).

Помещения входной группы. На рис. 4.1-4.3 представлены варианты расстановки мебели и оборудования в кабинете справочно-информационной службы, кабинете приема посетителей руководством управления и в комнате охраны. Второй вариант кабинета приема посетителей руководством управления предусматривает возможность организации дополнительного рабочего места. Пожарный пост в комнате охраны оборудуется щитом систем общеобменной вентиляции, кондиционирования и воздушного отопления, стойками для коммутационного и электропитающего оборудования и приемной аппаратурой охранной и пожарной сигнализации.

Кабинеты администрации. Три варианта расстановки мебели и оборудования в кабинете начальника управления площадью 24 м2 (см. рис. 4.4) учитывают необходимость проведения рабочих совещаний с главными специалистами управления. На рис. 4.5 предложены два варианта для кабинета заместителя начальника (площадью 18 м2), на рис. 4.6 - два варианта для приемной площадью 12 м2 и 18 м2.

Кабинеты сотрудников, ведущих прием посетителей. На рис. 4.7 приведены четыре варианта расстановки мебели и оборудования для кабинетов начальника отдела или юриста площадью 9 м2 и 12 м2.

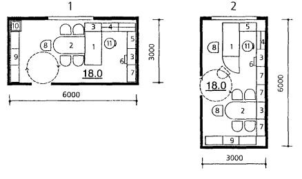
На рис. 4.8 представлено два варианта расстановки мебели и оборудования для кабинета сотрудника, ведущего прием посетителей, площадью 12 м2 на одно рабочее место.

На рис. 4.9-4.10 предложены четыре варианта расстановки мебели и оборудования для кабинета сотрудников, ведущих прием посетителей, площадью 18 м2 на два рабочих места. Рабочие места разделены светопрозрачной перегородкой. Рекомендуемая ширина кабинета должна быть не менее 2,9 м.

На рис. 4.11 приведены два варианта расстановки мебели и оборудования для медицинского кабинета площадью 12 м2. В обоих случаях принят минимальный набор мебели.

Хранилища пенсионных дел. На рис. 4.12 предложено четыре схемы размещения мебели и оборудования в помещениях хранилищ действующих пенсионных дел площадью 24 м2 и 36 м2. Организация хранилищ зависит от способа хранения - на передвижных стеллажах или открытых стационарных стеллажах. Во всех вариантах выделены рабочие места для сотрудников (в т.ч. обслуживание и обработка документов). Для хранилищ закрытых пенсионных дел рабочие места не предусматриваются и все помещение должно быть занято стеллажами. Учитывая возможные длительные сроки хранения пенсионных дел, помещение хранилища должно оснащаться инженерными системами по поддержанию температурно-влажностного режима.

Помещения хранилища должны оборудоваться автоматическим пожаротушением.

4.5. Вспомогательные и служебные помещения.

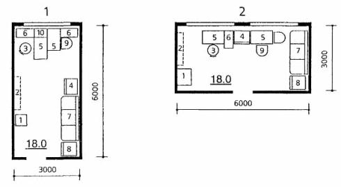
На рис. 4.13 представлены три варианта расстановки мебели и оборудования для рабочих комнат сотрудников (без приема посетителей) для двух рабочих мест площадью 12 м2. Рабочие места рекомендуется разделять светопрозрачной перегородкой.

На рис. 4.14 приведены два варианта расстановки мебели и оборудования для рабочих комнат сотрудников (без приема посетителей) на три рабочих места площадью 18 м2 и 21 м2. В первом варианте предложены три равноценных рабочих места по 6 м2, во втором - два равноценных места по 6 м2 и одно рабочее место для ведущего или главного специалиста площадью 9 м2 с дополнительным оборудованием для работы с сотрудниками. Использованы светопрозрачные перегородки.

На рис. 4.15 представлены три варианта расстановки мебели и оборудования для рабочих комнат сотрудников (без приема посетителей) площадью 24 м2 на четыре рабочих места. Предложены различные комплекты мебели, в т.ч. для рабочих мест ведущих и главных специалистов.

На рис. 4.16 приведены два варианта расстановки мебели и оборудования для комнат приема пищи, отдыха и психологической разгрузки площадью 18 м2 и 12 м2 с использованием различных комплектов мебели.

Помещения буфета или столовой проектируются в соответствии с нормативно-методическими материалами по проектированию предприятий общественного питания.

4.6. Рабочие места.

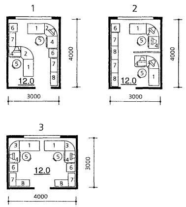
В Пособии учтены гигиенические и эргономические требования, предъявляемые к мебели и оборудованию, в т.ч. «Гигиенические требования к видеодисплейным терминалам персональных электронно-вычислительных машин». На рис. 4.17. представлены два варианта рабочих мест начальника управления (10 м2 и 14 м2) с различными наборами мебели.

На рис. 4.18-4.19. разработано четыре варианта рабочих мест секретаря (5 м2) в приемной.

На рис. 4.20 - 4.22 предложены пять вариантов рабочих мест начальника отдела площадью 6 м2; 7,5 м2 и 9 м2. Все рабочие места оснащены различными наборами мебели и оборудования. Во всех вариантах предусмотрены две зоны: зона для работы и зона для приема посетителей или сотрудников. Аналогичные решения могут быть использованы для организации рабочих мест ведущих и главных специалистов, а также юриста.

На рис. 4.23-4.25 представлено пять вариантов рабочих мест сотрудников, ведущих прием посетителей, площадью 5 м2, 6 м2 и 8 м2. Рабочие места оснащены различными наборами мебели и оборудования, в т.ч. компьютерного. На рис. 4.26 предложено три варианта рабочих мест сотрудников (без приема посетителей) площадью 6 м2, на рис. 4.27 - два варианта рабочих мест оператора текстового компьютера и машинистки (с возможностью замены печатной машинки на компьютер).

На рис. 4.28 - два варианта рабочего места оператора настольного ксерокопировального аппарата.

4.7. Помещения зданий МУСЗН оборудуются следующими техническими средствами связи и сигнализации:

- автоматической телефонной городской;

- автоматической телефонной учрежденческой;

- оперативной телефонной;

- факсимильной;

- электрочасофикацией;

- радиотрансляцией;

- громкоговорящей;

- пожарной;

- оповещения о пожаре;

- охранной;

- тревожной (условно-кодовое оповещение по сигналу тревоги).

Экспликация.

1 Конференц-приставка

2 Боковой стол

3 Стол рабочий

4 Стол компьютерный

5 Боковая тумба

6 Подставка под аппаратуру

7 Мобильная тумба

8 Стеллаж

9 Кресло для посетителей

10 Стол - приставка угловой для компьютера

11 Кресло рабочее подъемно-поворотное

12 Шкаф

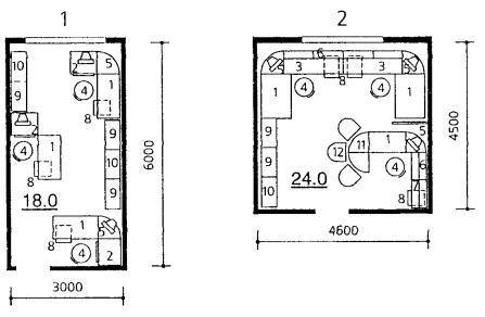
Рис. 4.1. Кабинет справочно-информационной службы. Варианты 1, 2

Экспликация.

1 Стол рабочий

2 Конференц-приставка

3 Боковой стол

4 Боковая тумба

5 Мобильная тумба

6 Кресло рабочее подъемно-поворотное

7 Подставка под аппаратуру

8 Стол угловой для компьютера

9 Стол - приставка угловой для компьютера

10 Кресло для посетителей

11 Комплект мягкой мебели

12 Цветочница

Рис. 4.2. Кабинет приема посетителей руководством управления. Варианты 1, 2

Экспликация.

1  Стойки для коммутационного и электропитающего оборудования

2 Приемная аппаратура охранной и пожарной сигнализации

3 Кресло рабочее

4  Металлический шкаф для документации, расходных материалов и оперативного архива

5 Стол

6 Тумба

7 Диван

8 Холодильник

9 Стул

10 Боковой стол

Рис. 4.3. Комната охраны - пожарный пост. Варианты 1, 2

Экспликация.

1 Стол рабочий

2 Конференц-приставка

3 Стол-приставка угловой для компьютера

4 Боковая тумба

5 Мобильная тумба

6 Кресло рабочее подъемно-поворотное

7 Шкаф для документов

8 Боковой стол

9 Стеллаж-витрина

10 Стеллаж

11 Комплект мягкой мебели

12 Цветочница

13 Кресло для посетителей

14 Стол переговорный

15 Комплект шкафов

Рис. 4.4. Кабинет начальника управления. Варианты 1, 2, 3.

Экспликация.

1 Стол рабочий

2 Конференц-приставка

3 Боковой стол

4 Боковая тумба с подставкой

5 Боковая тумба

6 Мобильная тумба

7 Стеллаж

8 Кресло для посетителей

9 Комплект шкафов

10 Цветочница

11 Кресло рабочее подъемно-поворотное

Рис. 4.5. Кабинет заместителя начальника управления. Варианты 1, 2.

Экспликация.

1 Стол рабочий

2 Стол-приставка угловой для компьютера

3 Боковая тумба

4 Мобильная тумба

5 Кресло рабочее подъемно-поворотное

6 Кресло для посетителей

7 Стул для посетителей

8 Боковой стол

9 Шкаф для документов

10 Цветочницы

Рис. 4.6. Приемная. Варианты 1, 2.

Экспликация.

1 Стол рабочий

2 Стол для компьютера

3 Подставка под аппаратуру

4 Конференц-приставка

5 Кресло рабочее подъемно-поворотное

6 Мобильная тумба

7 Боковая тумба

8 Кресло для посетителей

9 Стеллаж

10 Цветочница

11 Комплект шкафов

12 Боковой стол

Рис. 4.7. Кабинет начальника отдела или юриста. Варианты 1, 2, 3, 4.

Экспликация

1 Стол рабочий

2 Стол для компьютера

3 Стол - приставка угловой для компьютера

4 Конференц-приставка

5 Боковая тумба

6 Подставка под аппаратуру

7 Стеллаж

8 Мобильная тумба

9 Кресло рабочее подъемно-поворотное

10 Кресло для посетителей

11 Комплект шкафов

Рис. 4.8. Кабинет сотрудника, ведущего прием посетителей на одно рабочее место. Варианты 1, 2.

Экспликация.

1 Стол рабочий

2 Стол для компьютера

3 Боковая тумба

4 Подставка под аппаратуру

5 Мобильная тумба

6 Стеллаж

7 Шкаф

8 Кресло рабочее подъемно-поворотное

9 Кресло для посетителей

10 Светопрозрачная перегородка

Рис. 4.9. Кабинет сотрудников, ведущих прием посетителей на два рабочих места. Варианты 1, 2.

Экспликация.

1 Стол рабочий

2 Стол дополнительный

3 Стол для компьютера

4 Боковая тумба

5 Подставка под аппаратуру

6 Мобильная тумба

7 Шкаф для документов

8 Кресло рабочее подъемно-поворотное

9 Кресло для посетителей

10 Стол-приставка угловой для компьютера

11 Светопрозрачная перегородка

Рис. 4.10. Кабинет сотрудников, ведущих прием посетителей на два рабочих места. Варианты 3, 4.

Экспликация.

1. Стол рабочий медицинский

2. Боковая тумба

3. Кресло рабочее подъемно-поворотное

4. Кушетка медицинская

5. Стул

6. Ширма трехстворчатая

7. Холодильник

8. Шкаф медицинский

9. Столик инструментальный

10. Раковина

11. Лампа бактерицидная потолочная

Рис. 4.11. Медицинский кабинет. Варианты 1, 2.

Экспликация

1. Стол

2. Стол для обслуживания посетителей

3. Тумба для оргтехники

4. Каталожные шкафы

5. Стул рабочий подъемно-поворотный

6. Стеллажи стационарные открытые

7. Стеллажи передвижные

8. Тележка для транспортировки документов

Рис. 4.12. Помещения хранилищ с хранением документов на открытых (варианты 1, 3) и передвижных стеллажах (варианты 2, 4).

Экспликация

1. Стол рабочий

2. Стол-вставка угловой

3. Стол-приставка угловой для компьютера

4. Стол для компьютера с выдвижной панелью

5. Кресло рабочее подъемно-поворотное

6. Мобильная тумба

7. Стеллаж

8. Шкаф

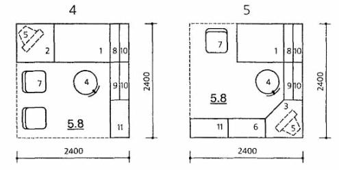
Рис. 4.13. Рабочие комнаты сотрудников на два рабочих места (без приема посетителей). Варианты 1, 2, 3.

Экспликация

1. Стол

2 Стол для компьютера с выдвижной панелью

3. Боковой стол

4. Кресло рабочее подъемно-поворотное

5. Стол-приставка угловой для компьютера

6. Подставка под аппаратуру

7. Боковая тумба

8. Мобильная тумба

9. Стеллаж

10. Шкаф

11. Конференц-приставка

12. Кресло

Рис. 4.14. Рабочие комнаты сотрудников на три рабочих места (без приема посетителей). Варианты 1, 2.

Экспликация.

1. Стол рабочий

2. Стол-приставка угловой для компьютера

3. Стол для компьютера с выдвижной панелью

4. Мобильная тумба

5. Кресло рабочее подъемно-поворотное

6. Боковая тумба

7. Подставка под аппаратуру

8. Стеллаж

9. Шкаф

10. Стол угловой для компьютера

11. Конференц-приставка

12. Кресло для посетителей

13. Светопрозрачная перегородка

Рис. 4.15. Рабочие комнаты сотрудников на четыре рабочих места (без посетителей). Варианты 1, 2, 3.

Экспликация.

1. Cтол

2. Стул

3. Мини-кухня (блок комплексной поставки)

4. Комплекты мягкой мебели

5. Стеллажи для аудиовидеотехники и периодики

6. Столик журнальный

7. Комплекты кухонной мебели

8. Цветочница

Рис. 4.16. Комната приема пищи на 16 и 14 посадочных мест, отдыха и психологической разгрузки. Варианты 1, 2.

Экспликация.

1. Стол рабочий

2. Конференц-приставка

3. Кресло рабочее подъемно-поворотное

4. Стол-приставка угловой для компьютера

5. Место для компьютера

6. Боковой стол

7. Боковая тумба

8. Мобильная тумба

9. Кресло для посетителей

10. Шкаф

11. Стеллаж

12. Подставка под аппаратуру

13. Цветочница

Рис. 4.17. Рабочее место начальника управления. Варианты 1, 2.

Экспликация

1. Стол

2. Кресло рабочее подъемно-поворотное

3. Кресло для посетителей

4. Мобильная тумба

5. Боковой стол

6. Место для компьютера (или пишущей машинки)

7. Стеллаж (шкаф для документов)

8. Корзина для мусора

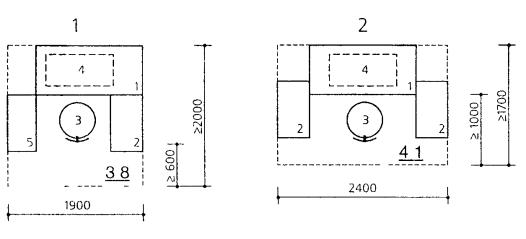
Рис. 4.18. Рабочее место секретаря. Варианты 1, 2.

Экспликация.

1. Стол рабочий

2. Кресло подъемно-поворотное

3. Кресло для посетителей

4. Мобильная тумба

5. Место для компьютера (или пишущей машинки)

6. Боковая тумба

7. Стеллаж (шкаф для документов)

8. Стол-приставка угловой для компьютера

Рис. 4.19. Рабочее место секретаря. Варианты 3, 4.

Экспликация.

1. Стол рабочий

2. Кресло рабочее подъемно-поворотное

3. Кресло для посетителей

4. Шкаф

5. Мобильная тумба

6. Стол для компьютера с выдвижной панелью

7. Стол для компьютера

8. Место для компьютера

9. Стол-вставка угловой

10. Стол боковой

Рис. 4.20. Рабочее место начальника отдела. Варианты 1, 2.

Экспликация.

1. Стол рабочий

2. Кресло рабочее подъемно-поворотное

3. Кресло для посетителей

4. Шкаф

5. Мобильная тумба

6. Стол для компьютера с выдвижной панелью

7. Стол боковой

8. Место для компьютера

9. Стол-вставка угловой

Рис. 4.21. Рабочее место начальника отдела. Вариант 3.

Экспликация.

1. Стол рабочий

2. Боковой стол

3. Боковая тумба

4. Кресло рабочее подъемно-поворотное

5. Стол-приставка угловой для компьютера

6. Стол для компьютера с выдвижной панелью

7. Кресло для посетителя

8. Стеллаж

9. Комплект шкафов

10. Подставка под аппаратуру

11. Место для компьютера

12. Стол для компьютера

13. Конференц-приставка

Рис. 4.22. Рабочее место начальника отдела. Варианты 4, 5.

Экспликация.

1. Стол рабочий

2. Стол рабочий картотечный

3. Кресло рабочее подъемно-поворотное

4. Кресло для посетителей

5. Мобильная тумба

6. Комплект шкафов

7. Стол-вставка угловой

8. Стол для компьютера с выдвижной панелью

9. Место для компьютера.

Рис. 4.23. Рабочее место сотрудника, ведущего прием посетителей. Варианты 1, 2.

Экспликация.

1. Стол рабочий

2. Стол для компьютера

3. Конференц-приставка

4. Кресло подъемно-поворотное

5. Место для компьютера

6. Стеллаж

7. Кресло для посетителей

8. Боковой стол

9. Боковая тумба

10. Подставка под аппаратуру

11. Шкаф

Рис. 4.24. Рабочее место сотрудника, ведущего прием посетителей. Вариант 3.

Экспликация.

1. Стол рабочий

2. Стол для компьютера

3. Стол-приставка угловой для компьютера

4. Кресло рабочее подъемно-поворотное

5. Место для компьютера

6. Стеллаж

7. Кресло для посетителей

8. Боковой стол

9. Боковая тумба

10. Подставка под аппаратуру

11. Шкаф

Рис. 4.25. Рабочее место сотрудника, ведущего прием посетителей. Варианты 4, 5.

Экспликация.

1. Стол рабочий

2. Кресло рабочее подъемно-поворотное

3. Стол-приставка угловой для компьютера

5. Подставка под аппаратуру

6. Боковая тумба

7. Боковой стол

8. Шкаф

9. Мобильная тумба

10. Стол для компьютера с выдвижной панелью

11. Место для компьютера

12. Стол-вставка угловой

13. Столик мобильный (для компьютера или пишущей машинки)

Рис. 4.26. Рабочее место сотрудника (без приема посетителей). Варианты 1, 2, 3.

Экспликация.

1. Стол для компьютера с выдвижной панелью

2. Стол-вставка угловой

3. Стол для компьютера

4. Кресло рабочее подъемно-поворотное

5. Место для дисплея

6. Место для принтера

7. Стол для машинистки

8. Мобильная тумба

9. Место для пишущей машинки

10. Боковая тумба

Рис. 4.27. Рабочее место оператора текстового компьютера и машинистки. Варианты 1, 2.

Экспликация

1 Стол рабочий

2 Тумба боковая

3 Кресло рабочее подъемно-поворотное

4 Ксерокопировальный аппарат

5 Шкаф для документов

Рис. 4.28. Рабочее место оператора настольного ксерокопировального аппарата. Варианты 1, 2.

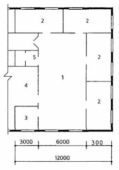
Приложение 1

Схема генерального плана участка управления социальной защиты населения. (Встроенно-пристроенный вариант).

Экспликация

1 Здание управления

2 Жилой дом

3 Стоянка на 10 автомашин (для посетителей)

4 Стоянка для служебных автомашин

5 Площадка для мусоросборников

Приложение 2

Пример планировочного решения муниципального управления социальной защиты населения на 50 сотрудников.

План I этажа.

Условные обозначения:

1. Встраиваемая часть здания. 2. Пристраиваемая часть здания.

Экспликация помещений

1. Вестибюль. 2. Кабинет приема посетителей руководством управления. 3. Кабинет справочно-информационной службы. 4. Санузел для посетителей (при вестибюле). 5 Кабинет начальника отдела. 6. Холл для ожидания. 7. Кабинет сотрудников, ведущих прием посетителей. 8. Медицинский кабинет. 9. Кабинет информатизации. 10. Санузлы для посетителей. 11. Санузлы для сотрудников. 12. Лестнично-лифтовой холл. 13. Комната охраны - пожарный пост. 14. Кабинет юриста. 15. Рабочие комнаты сотрудников (без приема посетителей). 16. Хранилище действующих пенсионных дел. 17. Кладовая уборочного инвентаря. 18. Кладовая хранения бланков. 19. Комната приема пищи. 20. Комната отдыха и психологической разгрузки. 21. Комната обслуживающего персонала. 22. Служебный вход. 23. Копировально-множительная служба.

План II этажа.

Экспликация помещений

1. Кабинет начальника управления. 2. Кабинет зам. начальника. 3. Приемная. 4. Холл для ожидания. 5. Кабинет сотрудников, ведущих прием посетителей. 6. Кабинет начальника отдела. 7. Кабинет инспектора по кадрам. 8. Зал собраний. 9. Холл. 10. Санузел для посетителей. 11. Санузел для сотрудников. 12. Лестнично-лифтовой холл. 13. Бухгалтерия. 14. Кабинет главного бухгалтера. 15. Рабочие комнаты сотрудников. 16. Кладовая уборочного инвентаря. 17. Хранилище длительного хранения пенсионных дел. 18. Машбюро.

 




ГОСТЫ, СТРОИТЕЛЬНЫЕ и ТЕХНИЧЕСКИЕ НОРМАТИВЫ.
Некоммерческая онлайн система, содержащая все Российские Госты, национальные Стандарты и нормативы.
В Системе содержится более 150000 файлов нормативно-технической документации, действующей на территории РФ.
Система предназначена для широкого круга инженерно-технических специалистов.

Рейтинг@Mail.ru Яндекс цитирования

Copyright © www.gostrf.com, 2008 - 2026