Крупнейшая бесплатная информационно-справочная система онлайн доступа к полному собранию технических нормативно-правовых актов РФ. Огромная база технических нормативов (более 150 тысяч документов) и полное собрание национальных стандартов, аутентичное официальной базе Госстандарта. GOSTRF.com - это более 1 Терабайта бесплатной технической информации для всех пользователей интернета. Все электронные копии представленных здесь документов могут распространяться без каких-либо ограничений. Поощряется распространение информации с этого сайта на любых других ресурсах. Каждый человек имеет право на неограниченный доступ к этим документам! Каждый человек имеет право на знание требований, изложенных в данных нормативно-правовых актах!

  


 

ГОСТ Р 51843-2001

ГОСУДАРСТВЕННЫЙ СТАНДАРТ РОССИЙСКОЙ ФЕДЕРАЦИИ

УСТРОЙСТВА КОНТРОЛЯ ПЛАМЕНИ ДЛЯ ГАЗОВЫХ АППАРАТОВ

ТЕРМОЭЛЕКТРИЧЕСКИЕ УСТРОЙСТВА
КОНТРОЛЯ ПЛАМЕНИ

ОБЩИЕ ТЕХНИЧЕСКИЕ ТРЕБОВАНИЯ И МЕТОДЫ ИСПЫТАНИЙ

ГОССТАНДАРТ РОССИИ

Москва

Предисловие

1 РАЗРАБОТАН И ВНЕСЕН Техническим комитетом по стандартизации ТК 345 «Аппаратура бытовая, работающая на жидком, твердом и газообразном видах топлива»

2 ПРИНЯТ И ВВЕДЕН В ДЕЙСТВИЕ Постановлением Госстандарта России от 24 декабря 2001 г. № 562-ст

3 Настоящий стандарт представляет собой аутентичный текст европейского стандарта EN 125-1991 «Устройства контроля пламени для газовых аппаратов. Термоэлектрические типы»

4 ВВЕДЕН ВПЕРВЫЕ

СОДЕРЖАНИЕ

1 Общие положения. 2

1.1 Область применения. 2

1.2 Нормативные ссылки. 2

1.3 Определения. 2

1.4 Классификация. 3

1.5 Единицы измерения. 4

2 Технические требования. 4

2.1 Общие сведения. 4

2.2 Требования к конструкции. 4

2.3 Требования к материалам.. 4

2.4 Присоединительные элементы устройства контроля пламени. 5

2.5 Уплотнения. 5

2.6 Штуцеры для измерения давления газа. 5

2.7 Розжиг. 5

3 Требования безопасности. 6

3.1 Общие положения. 6

3.2 Герметичность. 6

3.3 Номинальный расход газа. 6

3.4 Крутящий момент и усилие нажатия ручки управления. 6

3.5 Блокировки. 7

3.6 Сила тока размыкания магнитной пробки. 7

3.7 Кручение и изгиб. 7

3.8 Надежность. 7

3.9 Сила уплотнения клапана. 8

4 Методы испытаний. 8

4.1 Общие положения. 8

4.2 Герметичность. 8

4.3 Номинальный расход газа. 10

4.4 Крутящий момент и усилие нажатия ручки управления. 11

4.5 Блокировки. 11

4.6 Определение силы тока размыкания магнитной пробки. 11

4.7 Кручение и изгиб. 12

4.8 Надежность. 13

4.9 Определение усилия уплотнения клапана. 15

5 Маркировка и указания по эксплуатации. 15

5.1 Маркировка. 15

5.2 Указания по эксплуатации. 16

Приложение А Типы термоэлектрических устройств контроля пламени. 16

Приложение Б Библиография. 17

ГОСТ Р 51843-2001

ГОСУДАРСТВЕННЫЙ СТАНДАРТ РОССИЙСКОЙ ФЕДЕРАЦИИ

Устройства контроля пламени для газовых аппаратов

ТЕРМОЭЛЕКТРИЧЕСКИЕ УСТРОЙСТВА КОНТРОЛЯ ПЛАМЕНИ

Общие технические требования и методы испытаний

Flame supervision devices for gas burning appliances. Thermo-electric flame supervision devices. General technical requirements and test methods

Дата введения 2003-01-01

1 ОБЩИЕ ПОЛОЖЕНИЯ

1.1 Область применения

Настоящий стандарт распространяется на термоэлектрические устройства контроля пламени для газовых аппаратов, работающих на газах трех семейств, с номинальным (условным) проходом до 50 мм, и устанавливает общие технические требования и методы испытаний термоэлектрических устройств контроля пламени для газовых аппаратов (далее - устройства контроля пламени). Устройства контроля пламени предназначены для контроля за горением и для автоматической защиты после погасания пламени при сжигании природного или сжиженного газа в газовых аппаратах в газогорелочных устройствах.

1.2 Нормативные ссылки

В настоящем стандарте использованы ссылки на следующие стандарты:

ГОСТ 9.030-74 Единая система защиты от коррозии и старения. Резины. Методы испытаний на стойкость в ненапряженном состоянии к воздействию жидких агрессивных сред

ГОСТ 9.908-85 Единая система защиты от коррозии и старения. Металлы и сплавы. Методы определения показателей коррозии и коррозионной стойкости

ГОСТ 2839-80 Ключи гаечные с открытым зевом двусторонние. Конструкция и размеры

ГОСТ 2841-80 (ИСО 4229-77) Ключи гаечные с открытым зевом односторонние. Конструкция и размеры

ГОСТ 6211-81 Основные нормы взаимозаменяемости. Резьба трубная коническая

ГОСТ 6357-81 Основные нормы взаимозаменяемости. Резьба трубная цилиндрическая

ГОСТ 12815-80 Фланцы арматуры, соединенных частей и трубопроводов на Ру от 0,1 до 20,0 МПа (от 1 до 200 кгс/см2). Типы. Присоединительные размеры и размеры уплотнительных поверхностей

ГОСТ 12971-67 Таблички прямоугольные для машин и приборов. Размеры

ГОСТ 14192-96 Маркировка грузов

ГОСТ 16093-81 Основные нормы взаимозаменяемости. Резьба метрическая. Допуски. Посадки с зазором

ГОСТ 24705-81 Основные нормы взаимозаменяемости. Резьба метрическая. Основные размеры

1.3 Определения

В настоящем стандарте применяют следующие термины с соответствующими определениями:

1.3.1 Составные части устройства контроля пламени

1.3.1.1 термопара: Термоэлектрический чувствительный элемент, в котором под воздействием температуры контролируемого пламени вырабатывается электродвижущая сила (ЭДС).

1.3.1.2 устройство контроля пламени: Устройство, в ответ на ЭДС, выработанную термопарой, открывающее подачу газа к основной горелке (или основной и запальной горелкам) и отключающее подачу газа к основной горелке после исчезновения контролируемого пламени.

1.3.1.3 однопроводное устройство контроля пламени: Устройство, управляющее работой только основной горелки (запальная горелка отсутствует).

1.3.1.4 двухпроводное устройство контроля пламени: Устройство, управляющее работой основной и запальной горелок.

1.3.1.5 блокировка розжига: Предотвращение включения устройства воспламенения, пока открыта подача газа к основной горелке.

1.3.1.6 блокировка повторного розжига: Предотвращение повторного открытия подачи газа к основной горелке (или основной и запальной горелкам), пока не произойдет размыкания магнитной пробки электромагнитного клапана с электромагнитом.

1.3.1.7 клапан: Подвижная часть термоэлектрического устройства контроля пламени, открывающая, изменяющая степень открытия или закрывающая подачу газа.

1.3.2 Технические характеристики

1.3.2.1 Герметичность

1.3.2.1.1 герметичность газового тракта: Непроницаемость газового тракта от окружающей атмосферы.

1.3.2.1.2 герметичность клапана: Непроницаемость клапана в положении «закрыто» и изоляция объема, содержащего газ, от другого объема или выходного отверстия клапана.

1.3.2.2 Давление газа:

входное: Давление газа на входе в устройство контроля пламени;

выходное: Давление газа на выходе из устройства контроля пламени.

1.3.2.2.1 предельные давления газа: Значения входного давления газа, соответствующие крайним значениям рабочего давления, при которых устройство контроля пламени допускается использовать:

максимальное рабочее давление Рmax: Наибольшее входное давление газа, указанное изготовителем, при котором допускается использовать устройство контроля пламени;

минимальное рабочее давление Pmin: Наименьшее входное давление, указанное изготовителем, при котором допускается использовать устройство контроля пламени.

1.3.2.3 перепад давления: Разница между входным и выходным давлениями газа.

1.3.2.4 расход газа: Объем газа, протекающий через устройство контроля пламени в единицу времени.

1.3.2.5 номинальный расход газа: Приведенный к стандартным условиям расход газа при перепаде давления 0,1 кПа и полностью открытом положении клапана устройства контроля пламени.

1.3.2.6 Температура

1.3.2.6.1 максимальная температура окружающей среды: Наибольшая температура окружающего воздуха, указанная изготовителем, при которой допускается использовать устройство контроля пламени.

1.3.2.6.2 минимальная температура окружающей среды: Наименьшая температура окружающего воздуха, указанная изготовителем, при которой допускается использовать устройство контроля пламени.

1.3.2.7 сила уплотнения клапана: Сила, действующая на седло клапана в закрытом положении.

1.3.2.8 рабочее положение устройства контроля пламени: Положение, указанное изготовителем для монтажа устройства контроля пламени.

1.3.2.9 закрытое положение клапана: Положение клапана или клапанов при отсутствии ЭДС.

1.3.2.10 положение розжига: Положение клапана или клапанов во время розжига.

1.3.2.11 рабочий цикл: Совокупность действий по переводу устройства контроля пламени из выключенного во включенное состояние и обратно.

1.4 Классификация

1.4.1 Классы устройств контроля пламени

Устройства контроля пламени в зависимости от числа рабочих циклов в течение их сроков службы подразделяют на классы А, В и С (4.8.2.2).

1.4.2 Группы устройств контроля пламени

Устройства контроля пламени по устойчивости к изгибу (см. таблицу 4) подразделяют на:

- группу 1 - устройства контроля пламени, предназначенные для установки без воздействия на них изгибающего момента от трубопроводов, например при помощи крепления их на жестких кронштейнах;

- группу 2 - устройства контроля пламени, предназначенные для установки снаружи или внутри аппарата, без дополнительного крепления.

1.5 Единицы измерения

1.5.1 Все давления газа - абсолютные статические давления.

Давления измеряют в килопаскалях (кПа).

1.5.2 Крутящий и изгибающий моменты

Крутящий и изгибающий моменты измеряют в ньютонометрах (Н·м).

2 ТЕХНИЧЕСКИЕ ТРЕБОВАНИЯ

2.1 Общие сведения

Конструкция устройства контроля пламени должна соответствовать требованиям, установленным в [1].

На материал для декоративно-защитного покрытия корпуса устройства контроля пламени должно быть получено гигиеническое заключение Департамента Госсанэпиднадзора Минздрава России.

2.2 Требования к конструкции

2.2.1 Конструкция устройств контроля пламени должна обеспечивать автоматическое отключение подвода газа к горелке при отсутствии ЭДС. При этом сила уплотнения клапана должна быть не менее указанной в 3.9.

2.2.2 На поверхностях деталей устройства контроля пламени не допускаются трещины, плены, заусенцы, риски, вмятины и другие механические повреждения, а также признаки коррозии. Резьба деталей должна быть чистой, без заусенцев, рваных или смятых ниток и признаков коррозии.

2.2.3 Крепежные отверстия, предназначенные для сборки деталей и узлов устройства контроля пламени, не должны проникать в полости, содержащие газ. Толщина стенок между высверленными отверстиями и газосодержащими полостями должна быть не менее 1 мм.

2.2.4 Технологические отверстия, соединяющие газосодержащие полости с атмосферой, но не влияющие на работу устройства контроля пламени, должны быть надежно герметизированы металлом.

2.2.5 Герметичность деталей устройства контроля пламени, снимаемых во время текущего обслуживания, должна быть обеспечена механическими средствами. Использование для герметизации паст, жидкостей и лент не допускается.

Детали устройства контроля пламени, не предназначенные для регулирования во время настройки или демонтажа при обслуживании, должны быть опломбированы.

2.2.6 Конструкция или маркировка съемных деталей должна исключать их неправильную сборку во время повторного монтажа.

Винтовые соединения съемных деталей должны иметь метрическую резьбу по ГОСТ 24705, допуски на резьбу - ГОСТ 16093, если другой тип резьбы не требуется для правильного функционирования и регулирования устройства контроля пламени.

Допускается применение самонарезающих винтов, не образующих стружку. Применение самонарезающих винтов, образующих стружку, для соединения газонесущих или съемных деталей не допускается.

2.2.7 Соединение газонесущих деталей мягким припоем с температурой плавления ниже 450 °С не допускается.

2.3 Требования к материалам

2.3.1 Материалы и покрытия деталей и узлов устройства контроля пламени должны обеспечивать их надежную и безопасную работу в период установленного срока службы при соблюдении указанных в инструкции по эксплуатации условий эксплуатации и порядка проведения периодического технического обслуживания и регулировок.

2.3.2 Корпус

Детали корпуса, отделяющие газосодержащие полости от окружающей атмосферы, должны быть изготовлены из металла.

Эти требования распространяют также и на детали корпуса, отделенные от газосодержащих полостей диафрагмой.

Допускается изготовление деталей корпуса из неметаллических материалов при условии, что после удаления или разрушения деталей корпуса при максимальном рабочем давлении утечка газа составит не более 30 дм3/ч.

Требования настоящего пункта не распространяются на закрытые диафрагмы, тороидальные резиновые кольца, прокладки и уплотнения.

2.3.3 Пружины запорного устройства

Пружины, создающие силу уплотнения клапана устройства контроля пламени, должны быть изготовлены из коррозионно-стойких материалов или иметь антикоррозионное покрытие и быть стойкими к усталости.

2.3.4 Защита от коррозии

Детали, контактирующие с газом или окружающей атмосферой, а также пружины, не указанные в 2.3.3, должны быть изготовлены из коррозионно-стойких материалов или иметь антикоррозионное покрытие. Показатели коррозии и коррозионной стойкости материалов деталей - по ГОСТ 9.908 в зависимости от видов коррозии.

2.3.5 Пропитка

В конструкции устройства контроля пламени допускается применение пропитки.

2.4 Присоединительные элементы устройства контроля пламени

2.4.1 Присоединительные элементы и их размеры

Соединение устройств контроля пламени с трубопроводами допускается либо резьбовое (с трубной цилиндрической или конической резьбой), либо фланцевое. Обозначение размера резьбы и условный проход присоединительных фланцев устройства контроля пламени в зависимости от номинального диаметра DN указаны в таблице 1.

Таблица 1

Номинальный (условный) диаметр DN, мм

Обозначение размера резьбы по ГОСТ 6357

Условный проход фланцев по ГОСТ 12815

6

1/8

6

8

1/4

8

10

3/8

10

15

1/2

15

20

3/4

20

25

1

25

32

11/4

32

40

11/2

40

50

2

50

2.4.2 Резьбовые соединения трубопроводов

2.4.2.1 Накидные гайки соединений трубопроводов при сборке на изделиях затягивают ключами по ГОСТ 2839 или ГОСТ 2841, накидные гайки для ответственных соединений - тарировочными ключами.

2.4.2.2 Применяемые трубные резьбы - по ГОСТ 6357, ГОСТ 6211 и таблице 1.

2.4.3 Фланцы

Присоединительные фланцы устройства контроля пламени должны соответствовать ГОСТ 12815 для номинального (условного) давления PN 0,6 (6,0) или PN 1,6 (16,0) МПа (кгс/см2).

Допускают фланцы другой конструкции, других исполнений уплотнительных поверхностей с обязательным соблюдением присоединительных размеров.

2.5 Уплотнения

Набивки сальника, используемые для герметизации движущихся частей устройства контроля пламени, должны быть изготовлены и отрегулированы только изготовителем устройства контроля пламени.

2.6 Штуцеры для измерения давления газа

Наружный диаметр штуцера должен быть 9-0,5, длина штуцера - 10 мм.

Диаметр внутреннего отверстия должен быть не более 1 мм.

2.7 Розжиг

В зависимости от конструкции устройство контроля пламени в положении розжига должно обеспечивать выполнение следующих требований:

1) для однопроводного устройства контроля пламени проход газа к основной горелке должен быть открыт;

2) для двухпроводного устройства контроля пламени проход газа к основной горелке должен быть закрыт, а к запальной открыт.

Типы (I, II, III) термоэлектрических устройств контроля пламени в закрытом, открытом положениях и в положении розжига приведены на рисунках А.1 и А.2.

3 ТРЕБОВАНИЯ БЕЗОПАСНОСТИ

3.1 Общие положения

Выполнение требований 3.1.2, 3.2 - 3.9 проверяют в условиях испытаний по разделу 4.

3.1.1 Установка, использование и ввод в эксплуатацию устройства контроля пламени - в соответствии с руководством по эксплуатации изготовителя и [1], [2].

3.1.2 Температура окружающей среды

Устройство контроля пламени должно надежно работать при температуре окружающей среды, указанной в инструкции по эксплуатации. При этом максимальная температура окружающей среды должна быть не ниже 60 °С, а минимальная - не выше 0 °С.

3.2 Герметичность

Устройство контроля пламени считают герметичным, если при проведении испытаний по 4.2.2 и 4.2.3 максимально допустимые утечки не превышают значений, указанных в таблице 2.

Таблица 2

Номинальный (условный) диаметр, мм

Максимально допустимая утечка воздуха, см3

Герметичность газового тракта

Герметичность клапана

Закрытое положение клапана

Положение розжига

Закрытое положение клапана

Положение розжига

DN < 10

20

170

20

5000

10 < DN < 25

40

190

40

25 < DN < 50

60

210

60

При демонтировании деталей устройства контроля пламени во время текущего обслуживания (2.2.5) герметичность устройства контроля пламени не должна быть нарушена.

3.3 Номинальный расход газа (1.3.2.5)

Расход газа по 4.3 должен составлять от 95 % до 140 % номинального расхода газа.

3.4 Крутящий момент и усилие нажатия ручки управления

3.4.1 Крутящий момент ручки управления

Крутящий момент ручки управления устройством контроля пламени (при ее наличии) не должен превышать значений, указанных в таблице 3.

Таблица 3

Номинальный (условный) диаметр устройства контроля пламени DN, мм

Крутящий момент ручки управления классов, Н·м

А и В

С

6

0,2

0,6

8

10

12

15

0,4

20

25

32

1,0

40

50

Если ручка управления имеет цилиндрическую форму, крутящий момент ручки не должен превышать 0,017 Н·м на миллиметр диаметра кнопки.

3.4.2 Усилие нажатия на кнопку

Если устройство контроля пламени управляется кнопкой, усилие нажатия на кнопку для открытия и (или) поддержания в открытом состоянии рукоятки управления (кнопки) не должно превышать 30 Н - для номинального (условного) диаметра устройства контроля пламени до DN 10 включительно и 45 Н - для номинального диаметра более DN 10 (или 0,5 Н на квадратный миллиметр площади кнопки).

3.5 Блокировки

3.5.1 Блокировка розжига

Двухпроводное устройство контроля пламени должно быть оборудовано блокиратором розжига, предотвращающим розжиг при открытом проходе газа к основной горелке.

3.5.2 Блокировка повторного розжига

Устройство контроля пламени должно быть оборудовано блокиратором повторного розжига, предотвращающим повторное открытие клапана, управляющего основной горелкой или основной и запальной горелками, пока не произойдет размыкания магнитной пробки электромагнитного клапана с электромагнитом.

3.6 Сила тока размыкания магнитной пробки

Размыкание магнитной пробки (закрытие электромагнитного клапана) должно происходить при силе тока не более 200 и не менее 40 мА.

Силу тока размыкания магнитной пробки определяют по 4.6.

3.7 Кручение и изгиб

3.7.1 Кручение

Устройство контроля пламени групп 1 и 2 испытывают по 4.7.2 крутящим моментом, указанным в таблице 4. После испытания и снятия нагрузки утечка не должна превышать значения утечки перед испытанием.

Таблица 4

Номинальный (условный) диаметр устройства контроля пламени DN, мм

Крутящий момент, Н·м

Изгибающий момент, Н·м

Группа 1 и 2

Группа 1

Группа 2

Время приложения нагрузки, с

10

10

900

10

6

15

15

7

25

8

20

20

10

35

10

35

35

20

70

15

50

70

40

105

20

85

90

50

225

25

125

160

80

340

32

160

260

130

475

40

200

350

175

610

50

250

520

260

1100

3.7.2 Изгиб

Устройства контроля пламени групп 1 и 2 испытывают по 4.7.3.1 изгибающим моментом, указанным в таблице 4. После испытания и снятия нагрузки значение утечки не должно превышать значения утечки перед испытанием. Для устройств группы 1 проводят дополнительное испытание по 4.7.3.2.

3.8 Надежность

3.8.1 Неметаллические материалы

3.8.1.1 Уплотнительные прокладки и диафрагмы, используемые в устройстве контроля пламени, не должны иметь пористостей, посторонних включений, частиц абразива, пузырьков и поверхностных повреждений, видимых невооруженным глазом.

3.8.1.2 Маслостойкость

Устойчивость неметаллических материалов к воздействию масел проверяют погружением в масло в соответствии с 4.8.1.2. Изменение массы материалов после испытания должно быть в пределах ± 10 %.

3.8.1.3 Газостойкость

Стойкость неметаллических материалов к воздействию углеводородных газов проверяют погружением в пентан в соответствии с 4.8.1.3. Изменение массы после испытания должно быть от минус 15 % до плюс 5 %.

3.8.2 Усталость (термостойкость и цикличность)

После испытаний на усталость по 4.8.2 устройство контроля пламени должно соответствовать требованиям 3.2, 3.4 и 3.5.

Сила тока размыкания магнитной пробки после испытаний на усталость должна быть:

1) от 60 % до 400 % начального значения, если до испытаний на усталость значение силы тока размыкания магнитной пробки находилось в пределах от 40 до 100 мА;

2) от 50 % до 300 % начального значения, если до испытаний на усталость значение силы тока размыкания магнитной пробки находилось в пределах от 100 до 200 мА.

3.8.3 Прочность лакокрасочного покрытия

Поверхности деталей, защищенные покрытием, после испытаний по 4.8.3 должны остаться стойкими и прочными.

3.8.4 Влагостойкость

Материалы и покрытия деталей и узлов устройства контроля пламени после испытания на влагостойкость по 4.8.4 не должны иметь признаков коррозии, пузырей и других, видимых невооруженным глазом, поверхностных повреждений.

3.9 Сила уплотнения клапана

Сила уплотнения клапана устройства контроля пламени должна быть такой, чтобы при проведении испытания по 4.9 открытие клапана происходило при давлении воздуха не ниже 0,1 кПа.

4 МЕТОДЫ ИСПЫТАНИЙ

4.1 Общие положения

4.1.1 Условия испытаний

Все испытания проводят воздухом температурой (20 ± 5) °С при температуре окружающей среды (20 ± 5) °С.

Все измеренные величины должны быть приведены к стандартным условиям: температура окружающей среды 15 °С, атмосферное давление 101,3 кПа.

Если устройства контроля пламени при переходе на другой газ должны быть переоборудованы с заменой элементов, проводят дополнительные испытания в соответствии с требованиями раздела 4 настоящего стандарта с замененными элементами.

4.1.2 Требования к установке

Условия установки и использования при испытаниях устройств контроля пламени - по инструкции изготовителя. Если возможно несколько рабочих положений установки устройства контроля пламени, испытания проводят в наименее благоприятном рабочем положении.

4.1.3 Последовательность проведения испытаний

Последовательность испытаний - по таблице 5.

Таблица 5

Номер пункта

Проверяемый параметр

4.2

Герметичность, за исключением 4.2.2, перечисление г), по 3.2

4.3

Номинальный расход газа по 3.3

4.4

Крутящий момент и усилие нажатия ручки управления по 3.4

4.5

Блокировки по 3.5

4.9

Определение усилия уплотнения клапана по 3.9

4.6

Сила тока размыкания магнитной пробки по 3.6

4.7.2

Испытание на кручение по 3.7.1

4.7.3

Испытание на изгиб по 3.7.2

4.8.2.1

Термостойкость по 3.8.2

4.8.2.2

Цикличность по 3.8.2

4.8.3

Определение прочности лакокрасочного покрытия по 3.8.3

4.8.4

Испытание на влагостойкость по 3.8.4

4.2.2 (перечисление г)

Герметичность газового тракта (после удаления неметаллических частей) по 3.2

4.8.1

Надежность неметаллических материалов по 3.8

4.2 Герметичность

4.2.1 Общие положения

Герметичность проверяют одним из двух методов:

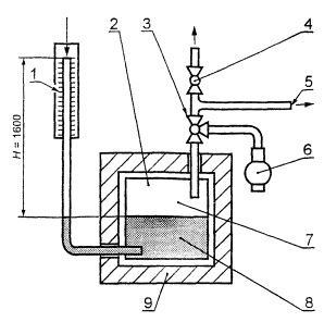
- объемным методом с использованием устройства, схема которого приведена на рисунке 1, - для испытательного давления до 15 кПа включительно;

Рисунок 1 - Устройство для проверки герметичности газового тракта объемным методом

L - расстояние между уровнем воды в сосуде и концом измерительного сосуда 4
1 - сжатый воздух; 2 - градуированная шкала; 3 - патрубок для присоединения испытуемого образца; 4 - измерительный сосуд

- методом падения давления с использованием устройства, схема которого приведена на рисунке 2, - для испытательного давления свыше 15 кПа.

Рисунок 2 - Устройство для проверки герметичности газового тракта методом падения давления

1 - миллиметровая шкала; 2 - термически изолированный сосуд под давлением; 3 - трехходовый кран; 4 - кран; 5 - патрубок для присоединения испытуемого образца; 6 - компрессор; 7 - воздух объемом 1 дм3; 8 - вода; 9 - теплоизоляция

Пределы допустимых погрешностей устройства для проверки герметичности не должны превышать 1 см3 (объемный метод) или 10 Па (метод падения давления).

Допускается использовать другие методы определения герметичности, обеспечивающие необходимую точность измерения.

При испытании на герметичность одно из устройств по 4.2.1 присоединяют к выходному соединению устройства контроля пламени.

Точность измерения устройства для проверки герметичности должка быть в пределах 5 см3/ч.

Воздух подают на входное соединение устройства контроля пламени.

Испытания проводят вначале испытательным давлением 0,6 кПа, а затем полуторократным максимальным рабочим давлением, но не ниже 15 кПа.

Испытательное давление для устройств контроля пламени, предназначенных для газов третьего семейства с номинальным давлением 11,2 или 14,8 кПа, должно быть не менее 22,0 кПа.

Значение утечки воздуха qL, см3/ч, по значению падения (Р' - Р") вычисляют по формуле

                                            (1)

где Vg - суммарный внутренний объем испытываемого устройства контроля пламени и испытательного стенда, см3;

Р' - абсолютное давление воздуха в начале испытания, кПа;

Р" - абсолютное давление воздуха в конце испытания, кПа.

Падение давления измеряют в течение 5 мин.

4.2.2 Герметичность газового тракта

Перед испытанием съемные детали клапана, которые могут быть демонтированы во время текущего обслуживания, пятикратно демонтируют и вновь монтируют в соответствии с инструкцией изготовителя.

Для проверки герметичности газового тракта проводят следующие испытания:

а) при открытом положении клапана (клапанов) устройства контроля пламени (для открытия клапана применяют любой источник постоянного тока) на входное соединение подают воздух под давлением по 4.2.1, при этом выходное соединение устройства контроля пламени герметизируют;

б) проводят испытание в соответствии с перечислением а) настоящего пункта при закрытом клапане (клапанах);

в) проводят испытание в соответствии с перечислением а) настоящего пункта при положении розжига (кнопку розжига удерживают в нажатом состоянии);

г) если корпус имеет неметаллические детали, отделяющие газосодержащие полости от атмосферы, такие детали удаляют и повторяют испытания по перечислениям а) и б) настоящего пункта испытательным давлением, равным максимальному рабочему давлению. Утечка воздуха не должна превышать 30 дм3/ч. Тороидальные резиновые кольца, прокладки и уплотнительные материалы во время этого испытания не удаляют.

4.2.3 Герметичность клапанов

4.2.3.1 Герметичность клапана в закрытом положении

Клапан устройства контроля пламени, соединенного с прибором для измерения герметичности, должен находиться в закрытом положении. На входное соединение устройства контроля пламени подают воздух под давлением, указанным в 4.2.1.

Измеряют значение утечки и приводят ее к стандартным условиям (4.1.1).

Если устройство контроля пламени имеет более одного клапана, испытание повторяют с каждым клапаном, находящимся в закрытом положении, другие клапаны должны быть полностью открыты.

4.2.3.2 Герметичность клапана в положении розжига

Для двухпроводных устройств контроля пламени с каналом запальной горелки этот канал блокируют и на входное соединение устройства подают воздух под давлением, указанным в 4.2.1.

4.2.3.3 Герметичность клапана в закрытом положении при максимальной и минимальной температурах окружающей среды

Проводят испытание по 4.2.3.1 с устройством контроля пламени при максимальной и минимальной температурах окружающей среды по 3.1.2.

Герметичность клапана проверяют после установления теплового равновесия.

4.3 Номинальный расход газа

4.3.1 Испытательный стенд

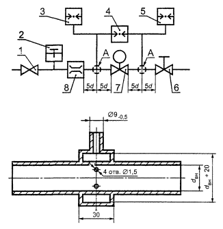
Испытание проводят на стенде, схема которого приведена на рисунке 3, при значениях dвн, указанных в таблице 6.

Точность измерения номинального расхода газа должна быть не менее ± 2 %.

Рисунок 3 - Стенд для измерения расхода газа

А - деталь; dвн - внутренний диаметр трубы; d - наружный диаметр трубы
1 - регулятор давления; 2 - термометр; 3, 5 - манометры; 4 - дифференциальный манометр; 6 - регулировочный кран; 7 - испытуемый образец; 8 - расходомер

Таблица 6

В миллиметрах

Номинальный (условный) диаметр устройства контроля пламени DN

Внутренний диаметр dвн

Номинальный (условный) диаметр устройства контроля пламени DN

Внутренний диаметр dвн

6

6

25

28

8

9

32

35

10

13

40

41

15

16

50

52

20

22

 

 

4.3.2 Проведение испытания

Устройство контроля пламени должно находиться в открытом положении при постоянном давлении на входном соединении; расход воздуха регулируют так, чтобы перепад давления был 0,1 кПа.

Для приведения измеренного расхода воздуха к стандартным условиям приведенный расход воздуха qn, м3/ч, рассчитывают по формуле

                                          (2)

где q - измеренный расход воздуха, м3/ч;

Ра - атмосферное давление, Па;

Р - испытательное давление, Па;

t - температура воздуха, °С.

4.4 Крутящий момент и усилие нажатия ручки управления

4.4.1 Крутящий момент

Крутящий момент ручки управления измеряют динамометрическим ключом с точностью измерения в пределах ± 10 % измеренного значения крутящего момента по таблице 3. Проверяют соответствие требованиям 3.4.1.

Открывающие и закрывающие движения ручки управления выполняют с постоянной угловой скоростью 1,5 рад/с.

4.4.2 Усилие нажатия ручки управления

Усилие нажатия ручки управления измеряют динамометром с точностью измерения в пределах ± 10 % измеренного значения.

Проверяют выполнение требований 3.4.2.

4.5 Блокировки

Проверяют соответствие требованиям 3.5. Каждое испытание повторяют пять раз.

4.5.1 Блокировка розжига

Проверяют возможность розжига запальной горелки только при открытом проходе газа к запальной и закрытом проходе газа к основной горелкам.

При открытом проходе газа к основной горелке розжиг запальной горелки должен быть невозможен.

4.5.2 Блокировка повторного розжига

Нажимают кнопку устройства контроля пламени и удерживают ее в нажатом положении. Клапан устройства контроля пламени открывают с помощью любого источника постоянного тока. В этом состоянии устройства контроля пламени попытка повторного розжига запальной горелки (или основной горелки) не допускается.

4.6 Определение силы тока размыкания магнитной пробки

4.6.1 Общие положения

Устройство контроля пламени подключают к моделирующему термопару источнику постоянного тока напряжением 2 В (см. рисунок 4).

Колебание напряжения постоянного тока не должно превышать ± 2 %.

Реостат должен обеспечивать возможность регулирования силы тока от 30 до 1500 мА.

Для измерения силы тока используют миллиамперметр с ценой деления 1,0 мА в интервале от 50 до 300 мА.

Рисунок 4 - Электрическая схема для измерения силы тока размыкания магнитной пробки устройства контроля пламени

1 - испытуемый образец устройства контроля пламени; 2 - реостат; 3 - миллиамперметр; 4 - источник постоянного тока

4.6.2 Проведение испытания

Испытание по определению силы тока размыкания магнитной пробки проводят в следующей последовательности:

а) устройство контроля пламени переводят в положение розжига, когда клапан устройства контроля пламени удерживают открытым нажатием кнопки или поворотом ручки управления (магнитная пробка при этом прижата к электромагниту);

б) на электромагнит подают ток, постепенно повышая силу тока со скоростью не более 30 мА/с, пока его значение не превысит в три раза максимальную ЭДС, указанную изготовителем;

в) отпускают кнопку управления, клапан устройства контроля пламени должен оставаться полностью открытым (магнитная пробка удерживается электромагнитом);

г) силу тока увеличивают до 1500 мА и выдерживают 60 с;

д) силу тока постепенно уменьшают до 300 % максимальной ЭДС, указанной изготовителем;

е) силу тока постепенно, со скоростью не более 10 мА/с, уменьшают до момента закрытия клапана устройства контроля пламени, то есть до момента размыкания магнитной пробки и электромагнита;

ж) измеряют силу тока в момент закрытия клапана.

Испытание повторяют 10 раз. За окончательный результат принимают среднеарифметическое значение 10 последовательно выполненных измерений.

4.7 Кручение и изгиб

4.7.1 Общие положения

Испытания проводят при следующих условиях:

а) минимальная длина труб, применяемых для испытаний согласно 4.7.2, должна в 40 раз превышать их номинальный диаметр;

б) для герметизации соединения устройства контроля пламени с испытательными трубами применяют только незатвердевающие герметизирующие материалы;

в) кручение и изгиб для фланцевых соединений определяют по 4.7.2 и 4.7.3;

г) крутящий момент, необходимый для затяжки болтов фланцевого соединения, - по таблице 7;

Таблица 7

Номинальный (условный) диаметр устройства контроля пламени DN, мм

6

8

10

15

20

25

32

40

50

Крутящий момент, Н·м

20

30

50

д) перед проведением испытаний на кручение и изгиб устройство контроля пламени подвергают испытанию на герметичность по 4.2.2, перечисление а) и 4.2.3.1.

4.7.2 Испытание на кручение для устройств контроля пламени групп 1 и 2

Испытание проводят в следующей последовательности:

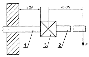
а) к трубе 1 (рисунок 5) на расстоянии, равном или большем 2d от устройства, прикладывают крутящий момент в соответствии с таблицей 4 для времени испытания 10 с;

б) к трубе 2 прикладывают крутящий момент в соответствии с таблицей 4 для времени испытания 10 с.

Крутящий момент прикладывают так, чтобы в устройстве контроля пламени не возникало изгибающих моментов. Крутящий момент прикладывают, увеличивая его постепенно и плавно.

Последние 10 % значения крутящего момента прикладывают в течение не более 1 мин. Превышение значений крутящего момента, указанных в таблице 4, не допускается;

в) после снятия нагрузки визуально проверяют отсутствие деформаций, а также герметичность газового тракта по 4.2.2, перечисление а) и герметичность клапана по 4.2.3.1.

Если входной и выходной патрубки устройства контроля пламени смещены относительно общей оси, присоединения меняют местами и испытание повторяют.

Рисунок 5 - Схема испытания устройства контроля пламени на кручение

d - наружный диаметр
1, 2 - труба; 3 - испытуемый образец

4.7.3 Испытания на изгиб

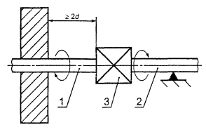
4.7.3.1 Испытание на изгиб для устройств контроля-пламени групп 1 и 2

Испытание проводят при соблюдении следующих условий:

а) испытанию подвергают то же устройство контроля пламени, которое испытывали на кручение;

б) силу, необходимую для создания изгибающего момента по таблице 4 для времени испытания 10 с с учетом массы трубы, прикладывают на расстоянии 40 DN от центра устройства контроля пламени в соответствии с рисунком 6.

После снятия нагрузки проверяют устройство контроля пламени на отсутствие деформаций (визуально), а также герметичность газового тракта по 4.2.2, перечисление а) и герметичность клапана по 4.2.3.1.

Если входной и выходной патрубки устройства контроля пламени смещены относительно общей оси, присоединения меняют местами и испытание повторяют.

Рисунок 6 - Схема испытания устройства контроля пламени на изгиб

d - наружный диаметр трубы
1, 2 - труба; 3 - испытуемый образец

4.7.3.2 Дополнительное испытание на изгиб для устройств контроля пламени группы 1

Испытание проводят при соблюдении следующих условий:

а) испытанию подвергают то же устройство контроля пламени, которое испытывали на кручение;

б) силу, необходимую для создания изгибающего момента по таблице 4 для времени испытания 900 с с учетом массы трубы, прикладывают на расстоянии, равном 40 DN от центра устройства контроля пламени в соответствии с рисунком 6.

Не снимая нагрузки, визуально проверяют устройство контроля пламени на отсутствие деформаций, а также герметичность газового тракта по 4.2.2, перечисление а) и герметичность клапана по 4.2.3.1.

Если входной и выходной патрубки устройства контроля пламени смещены относительно общей оси, присоединения меняют местами и испытание повторяют.

4.8 Надежность

4.8.1 Надежность неметаллических материалов

4.8.1.1 Общие положения

Испытаниям на надежность неметаллических материалов подвергают готовые детали.

4.8.1.2 Маслостойкость

Испытание на маслостойкость проводят по ГОСТ 9.030 (метод А) определением изменения массы предварительно взвешенных деталей после погружения на 168 ч с допускаемым предельным отклонением минус 2 ч в стандартное масло СЖР-2 по ГОСТ 9.030 при максимальной рабочей температуре устройства контроля пламени.

4.8.1.3 Газостойкость

Стойкость неметаллических деталей к воздействию углеводородных газов проверяют в следующем порядке:

а) предварительно взвешенные детали из неметаллических материалов погружают в жидкий пентан на (72 ± 2) ч при температуре (23 ± 2) °С так, чтобы они были полностью покрыты жидкой фазой пентана;

б) детали извлекают из пентана, помещают в сушильный шкаф и выдерживают (168 ± 2) ч при температуре (40 ± 2) °С и атмосферном давлении;

в) затем детали еще раз взвешивают.

Изменение массы деталей Dm, г, вычисляют по формуле

                                                        (3)

где m1 - масса деталей до погружения в пентан, г;

m2 - масса деталей, извлеченных из сушильного шкафа, г.

4.8.2 Усталость (термостойкость и цикличность)

4.8.2.1 Термостойкость

Устройство контроля пламени в закрытом положении подвергают испытаниям на термостойкость, выдерживая его:

а) 48 ч при температуре 0 °С или при минимальной рабочей температуре, указанной изготовителем (если она ниже);

б) 48 ч при температуре 60 °С или при максимальной рабочей температуре, указанной изготовителем (если она выше).

После испытаний при температуре окружающей среды проверяют выполнение требований по 3.8.2.

4.8.2.2 Цикличность

Устройство контроля пламени устанавливают согласно инструкции по эксплуатации изготовителя в термокамеру с устройством регулирования температуры.

На входное соединение устройства контроля пламени подают воздух с номинальным расходом и под максимальным рабочим давлением.

Прикладываемые к устройству контроля пламени крутящий момент или усилие нажатия ручки управления в течение испытания на цикличность должны составлять от 130 % до 150 % крутящего момента или усилия нажатия ручки управления, указанных в инструкции изготовителя. Если устройство контроля пламени управляется кнопкой, то в течение всего времени испытания прикладываемое усилие нажатия ручки управления должно быть постоянным и направлено вдоль оси движения кнопки со скоростью 100 мм/с.

Если устройство контроля пламени управляется поворотной ручкой, то число рабочих циклов в минуту не должно превышать 20.

Сила тока, подаваемого на устройство контроля пламени во время испытания, должна в три раза превышать максимальную ЭДС, указанную изготовителем.

Каждый рабочий цикл выполняют так, чтобы ток не был подан до смыкания магнитной пробки клапана с электромагнитом.

В зависимости от класса клапана и температуры окружающей среды проводят следующее число циклов:

а) класс А:

10000 - при максимальной температуре окружающей среды с допуском минус 5 °С;

25000 - при температуре окружающей среды (20 ± 5) °С;

5000 - при минимальной температуре окружающей среды с допуском плюс 5 °С;

б) класс В:

2000 - при максимальной температуре окружающей среды с допуском минус 5 °С;

7000 - при температуре окружающей среды (20 ± 5) °С;

1000 - при минимальной температуре окружающей среды с допуском плюс 5 °С;

в) класс С:

1000 - при максимальной температуре окружающей среды с допуском минус 5 °С;

3000 - при температуре окружающей среды (20 ± 5) °С;

1000 - при минимальной температуре окружающей среды с допуском плюс 5 °С.

Работоспособность и правильное функционирование устройства контроля пламени во время испытания на цикличность контролируют постоянно, например измерением давления на его выходе или расхода газа.

4.8.3 Определение прочности лакокрасочного покрытия

Механическую прочность лакокрасочного покрытия определяют приспособлением, схема которого приведена на рисунке 7. Жестко закрепленным стальным шариком (рабочей точкой) диаметром 1 мм проводят вдоль испытуемой поверхности устройства контроля пламени со скоростью от 30 до 40 мм/с и силой контакта 10 Н.

Испытание выполняют дважды до и после испытания на влагостойкость по 4.8.4.

Рисунок 7 - Приспособление для проверки механической прочности лакокрасочного покрытия

1 - пружина; 2 - рабочая точка (стальной шарик диаметром 1 мм)

4.8.4 Испытание на влагостойкость

Устройство контроля пламени помещают на 48 ч в камеру при температуре 40 °С и относительной влажности более 95 %. Затем устройство извлекают из камеры и визуально определяют отсутствие признаков коррозии, вспучивания или образования пузырей на лакокрасочном покрытии. Затем устройство выдерживают в течение 24 ч при температуре окружающей среды и повторно проводят внешний осмотр.

4.9 Определение усилия уплотнения клапана

Перед измерением усилия уплотнения клапана дважды включают устройство контроля пламени. Затем на выходное соединение устройства в закрытом положении через расходомер подают воздух, постепенно увеличивая его давление со скоростью не более 0,1 кПа/с, пока расходомер не покажет превышение расхода воздуха 0,1 дм3/ч.

5 МАРКИРОВКА И УКАЗАНИЯ ПО ЭКСПЛУАТАЦИИ

5.1 Маркировка

5.1.1 На видном месте устройства контроля пламени прикрепляют табличку по ГОСТ 12971, содержащую:

- наименование или шифр изделия;

- дату изготовления;

- клеймо ОТК предприятия-изготовителя;

- указатель направления движения рабочей среды;

- знак соответствия продукции (для сертифицированного устройства).

5.1.2 Маркировку допускается выполнять любым способом, обеспечивающим ее сохранность в течение всего срока службы изделия.

5.1.3 Транспортная маркировка - по ГОСТ 14192.

5.2 Указания по эксплуатации

5.2.1 Перед установкой для эксплуатации устройство контроля пламени должно быть расконсервировано, наружные поверхности тщательно протерты.

5.2.2 Допускается эксплуатировать только устройства контроля пламени, соответствующие требованиям настоящего стандарта и имеющие паспорт предприятия-изготовителя.

5.2.3 Эксплуатация устройства контроля пламени - в соответствии с руководством по эксплуатации на конкретное устройство, [1] и [2].

ПРИЛОЖЕНИЕ А

(справочное)

Типы термоэлектрических устройств контроля пламени

Рисунок А.1 - Типы термоэлектрических устройств контроля пламени в закрытом положении

I - однопроводное устройство контроля пламени (только основная горелка); II, III - двухпроводные устройства контроля пламени (основная и запальная горелки)

1 - вход газа; 2 - магнитная пробка клапана; 3 - клапан; 4 - шпиндель; 5 - кнопка; 6 - выход газа к основной горелке; 7 - электромагнит; 8 - резьбовое соединение электромагнита с термопарой; 9 - термопара; 10 - клапан прерывателя; 11 - выход газа к запальной горелке

Рисунок А.2 - Типы термоэлектрических устройств контроля пламени в открытом положении и в положении розжига

I - однопроводное устройство контроля пламени (только основная горелка) в открытом положении; II - двухпроводное устройство контроля пламени (основная и запальная горелки) в открытом положении; III - двухпроводное устройство контроля пламени (основная и запальная горелки) в положении розжига

1 - магнитная пробка клапана; 2 - вход газа; 3 - клапан; 4 - шпиндель; 5 - кнопка; 6 - выход газа к основной горелке; 7 - электромагнит; 8 - резьбовое соединение электромагнита с термопарой; 9 - термопара; 10 - клапан прерывателя; 11 - выход газа к запальной горелке

ПРИЛОЖЕНИЕ Б

(справочное)

Библиография

[1] ПБ 12-368-00 «Правила безопасности в газовом хозяйстве» Госгортехнадзора России

[2] «Правила технической эксплуатации и требования безопасности труда в газовом хозяйстве Российской Федерации», утвержденные Росстройгазификацией 20 октября 1991 г.

Ключевые слова: устройство контроля пламени, термоэлектрические типы, термопара, требования безопасности, методы испытаний, маркировка

 




ГОСТЫ, СТРОИТЕЛЬНЫЕ и ТЕХНИЧЕСКИЕ НОРМАТИВЫ.
Некоммерческая онлайн система, содержащая все Российские Госты, национальные Стандарты и нормативы.
В Системе содержится более 150000 файлов нормативно-технической документации, действующей на территории РФ.
Система предназначена для широкого круга инженерно-технических специалистов.

Рейтинг@Mail.ru Яндекс цитирования

Copyright © www.gostrf.com, 2008 - 2026