Крупнейшая бесплатная информационно-справочная система онлайн доступа к полному собранию технических нормативно-правовых актов РФ. Огромная база технических нормативов (более 150 тысяч документов) и полное собрание национальных стандартов, аутентичное официальной базе Госстандарта. GOSTRF.com - это более 1 Терабайта бесплатной технической информации для всех пользователей интернета. Все электронные копии представленных здесь документов могут распространяться без каких-либо ограничений. Поощряется распространение информации с этого сайта на любых других ресурсах. Каждый человек имеет право на неограниченный доступ к этим документам! Каждый человек имеет право на знание требований, изложенных в данных нормативно-правовых актах!

  


 

ГОСТ Р МЭК 60155-99

ГОСУДАРСТВЕННЫЙ СТАНДАРТ РОССИЙСКОЙ ФЕДЕРАЦИИ

СТАРТЕРЫ ТЛЕЮЩЕГО РАЗРЯДА
ДЛЯ ЛЮМИНЕСЦЕНТНЫХ ЛАМП

ГОССТАНДАРТ РОССИИ

Москва

Предисловие

1 РАЗРАБОТАН И ВНЕСЕН Всероссийским научно-исследовательским институтом источников света имени А.Н. Лодыгина (ОАО «Лисма-ВНИИИС»)

2 ПРИНЯТ И ВВЕДЕН В ДЕЙСТВИЕ Постановлением Госстандарта России от 29 июня 1999 г. № 199-ст

3 Настоящий стандарт представляет собой аутентичный текст международного стандарта МЭК 60155 (1993) «Стартеры тлеющего разряда для люминесцентных ламп» с Изменением № 1 (1995)

4 ВВЕДЕН ВПЕРВЫЕ

СОДЕРЖАНИЕ

I Общие требования и требования безопасности. 2

1 Область распространения. 2

2 Нормативные ссылки. 2

3 Определения. 2

4 Общие требования. 3

5 Общие требования к испытаниям.. 3

6 Маркировка. 3

7 Требования и испытания на безопасность. 3

7.1 Число стартеров для испытания типа. 3

7.2 Правила приемки. 3

7.3 Защита от случайного поражения электрическим током.. 3

7.4 Сопротивление изоляции в условиях влажности. 4

7.5 Диэлектрическая прочность. 4

7.6 Размеры.. 4

7.7 Испытание на скручивание. 6

7.8 Механическая прочность. 6

7.9 Электрические соединения. 6

7.10 Тепло- и огнестойкость. 7

7.11 Проверка маркировки. 8

7.12 Конденсаторы для подавления радиопомех. 8

7.13 Нагрев стартеров с ограничением времени работы.. 8

II Эксплуатационная спецификация. 8

8 Испытание на зажигание. 8

8.1 Число испытуемых стартеров. 8

8.2 Правила приемки. 9

8.3 Условия испытания. 9

8.4 Скорость срабатывания. 9

8.5 Длительность контактирования. 9

8.6 Напряжение неконтактирования. 9

8.7 Пиковое напряжение. 9

9 Испытание на долговечность. 10

9.1 Число испытуемых стартеров. 11

9.2 Правила приемки. 11

9.3 Условия испытания. 11

10 Испытание с деактивированной лампой. 11

10.1 Число испытуемых стартеров. 11

10.2 Правила приемки стартеров без ограничения времени работы.. 11

10.3 Условия испытания. 12

10.4 Правила приемки стартеров с ограничением времени работы.. 12

10.5 Испытание на ограничение рабочего времени. 12

11 Информация для расчета светильника. 12

Приложение А Балласты, используемые для испытания стартеров на число включений. 12

Приложение В Стартеры для светильников класса II с люминесцентными лампами. 13

Приложение С Информация для расчета светильника. 15

Приложение D Соответствие стандартов МЭК государственным стандартам.. 15

ГОСУДАРСТВЕННЫЙ СТАНДАРТ РОССИЙСКОЙ ФЕДЕРАЦИИ

СТАРТЕРЫ ТЛЕЮЩЕГО РАЗРЯДА ДЛЯ ЛЮМИНЕСЦЕНТНЫХ ЛАМП

Glow-starters for fluorescent lamps

Дата введения 2000-06-01

I ОБЩИЕ ТРЕБОВАНИЯ И ТРЕБОВАНИЯ БЕЗОПАСНОСТИ

1 Область распространения

Настоящий стандарт распространяется на стартеры тлеющего разряда, используемые с люминесцентными лампами предварительного подогрева (далее - стартеры).

Настоящий стандарт состоит из двух разделов:

раздел 1 - содержит общие требования и требования безопасности, которым должны удовлетворять стартеры;

раздел 2 - устанавливает эксплуатационные требования.

Примечание - Стартеры предназначены для работы с рядом люминесцентных ламп в зависимости от напряжения питания, от работы с одной или двумя последовательно соединенными лампами, от наибольшего напряжения на лампе и требований по зажиганию лампы.

2 Нормативные ссылки

В настоящем стандарте использованы ссылки на следующие стандарты

МЭК 60081 (1997)* Трубчатые люминесцентные лампы для общего освещения

МЭК 60400 (1996)* Патроны для трубчатых люминесцентных ламп и стартеров

МЭК 60598-1 (1996)* Светильники. Часть 1. Общие требования и испытания

МЭК 60901 (1996)* Одноцокольные люминесцентные лампы. Эксплуатационные требования

МЭК 60921 (1988)* Аппараты пускорегулирующие для трубчатых люминесцентных ламп. Требования к рабочим характеристикам

МЭК 60695-2-1 (1991)* Испытания на пожароопасность. Часть 2. Методы испытаний. Раздел 1. Испытание раскаленной проволокой и руководство

ИСО 4046 (1978) Бумага, картон и целлюлоза. Словарь

* Соответствие стандартов МЭК государственным стандартам указано в приложении D.

На момент опубликования настоящего стандарта указанные международные стандарты были действующими.

Все нормативные документы подвергаются пересмотру и частичным согласованным изменениям, поэтому необходимо учитывать возможность применения для настоящего стандарта более поздних изданий нормативных документов, указанных ниже. Члены МЭК и ИСО ведут регистрацию действующих международных стандартов.

3 Определения

В настоящем стандарте используют следующие термины

3.1 стартер: Прибор, кроме сетевого выключателя, который замыкает или размыкает цепь предварительного подогрева цепи люминесцентной лампы для ее зажигания.

3.2 стартер тлеющего разряда: Стартер, основанный на работе тлеющего разряда в газовой среде.

3.3 напряжение неконтактирования: Пониженное напряжение, при котором контакты стартера не замыкаются повторно при испытательном напряжении, указанном для испытания на скорость срабатывания.

3.4 деактивированная лампа: Лампа, в которой одна или обе спирали израсходовали излучающий материал, но ни одна из них не разрывает электрическую цепь.

3.5 стартеры тлеющего разряда с ограничением времени работы: Стартер, предотвращающий продолжительные попытки зажигания лампы, например лампы с деактивированным катодом.

Возможны следующие стартеры:

a) не возвращающиеся в исходное положение (одно срабатывание);

b) с различными вариантами возврата;

c) с автоматическим возвратом, приводимые в действие сетевым выключателем или другими вспомогательными действиями.

4 Общие требования

Стартеры должны быть спроектированы и сконструированы таким образом, чтобы при нормальной эксплуатации обеспечивалась их безопасность для потребителей. Соответствие стартеров этому требованию проверяют проведением всех предусмотренных испытаний.

5 Общие требования к испытаниям

5.1 Содержат требования, относящиеся к испытаниям типа.

5.2 Испытания проводят при температуре окружающей среды (25±5) °С, если не указано иное.

5.3 Испытания проводят в последовательности, указанной в настоящем стандарте.

6 Маркировка

6.1 Стартеры должны иметь прочную и отчетливую маркировку с указанием:

a) товарного знака предприятия-изготовителя или ответственного продавца или торговую марку;

b) тип или каталожный номер;

c) тип ламп(ы), для которых(ой) предназначен стартер.

Если на стартере указывают диапазон мощностей, то маркировка должна:

- или содержать все мощности, стандартизированные в МЭК 60081 или МЭК 60901, или

- указывать отличия от этого диапазона на упаковке или в каталогах, опубликованных изготовителем,

- или содержать диапазон мощностей, для которых стартер предназначен.

6.2 Другие необходимые сведения (например, схема, для которой стартер предназначен, а в некоторых случаях номинальное напряжение стартера) маркируют на стартере или приводят в публикациях, указанных изготовителем.

При необходимости указывают информацию о комплектации стартера средствами для ограничения времени работы.

6.3 Маркировка должна быть прочной, отчетливой и удовлетворять требованиям 7.11.

7 Требования и испытания на безопасность

7.1 Число стартеров для испытания типа

Для испытания отбирают пять стартеров, которые подвергают проверке на соответствие требованиям 7.3 - 7.11 и 7.12.1, а также десять конденсаторов для проверки на соответствие требованиям 7.12.2 и 7.12.3. Кроме того, пять стартеров с ограничением времени работы подвергают испытанию по 7.13.

7.2 Правила приемки

Результаты испытаний считают удовлетворительными, если все пять стартеров выдержали испытания на соответствие 7.3 - 7.11, 7.12.1 и, если необходимо, 7.13, а все десять конденсаторов - на соответствие 7.12.2 и 7.12.3.

Если хотя бы один стартер не удовлетворяет требованиям настоящего стандарта, то проводят повторные испытания на пяти других стартерах. Испытания проводят по пунктам, по которым получены неудовлетворительные результаты, а также и по предшествующим пунктам, которые могут повлиять на результаты этого испытания. Стартеры при повторных испытаниях должны удовлетворять установленным требованиям.

Десять конденсаторов, подвергаемых испытаниям по 7.12.2 и 7.12.3, должны выдержать эти испытания. Если хотя бы один конденсатор выйдет из строя во время испытаний, то проводят повторные испытания на других десяти конденсаторах. Конденсаторы при повторных испытаниях должны удовлетворять всем требованиям.

7.3 Защита от случайного поражения электрическим током

Корпуса стартеров должны обеспечивать защиту от поражения электрическим током. Защита может быть обеспечена или путем изготовления корпуса из изоляционного материала, или наличием соответствующей неметаллической прокладки, или другими средствами, предотвращающими случайное контактирование токоведущих частей, находящихся под напряжением, с корпусом стартера.

Соответствие проверяют внешним осмотром.

7.4 Сопротивление изоляции в условиях влажности

Сопротивление изоляции в стартере между частями, находящимися под напряжением, и металлическим корпусом стартера, измеренное после приложения в течение 1 мин напряжения постоянного тока 500 В, непосредственно после пребывания в течение 48 ч в атмосфере с относительной влажностью от 91 до 95 % и окружающей температуре от 20 до 27 °С, поддерживаемой постоянно с колебаниями в пределах ±1 °С, должно быть не менее 2 МОм.

Если корпус стартера изготовлен из изоляционного материала, то он должен быть обернут фольгой и удовлетворять вышеуказанному требованию. Испытание проводят приложением напряжения между фольгой и токоведущими частями.

До испытания в камере влажности стартер выдерживают в течение 4 ч при окружающей температуре, которая отличается от температуры в камере влажности не более чем на 4 °С.

7.5 Диэлектрическая прочность

Сразу же после испытания по 7.4 стартер должен выдерживать в течение 1 мин без пробоя синусоидальное напряжение переменного тока 1500 В, приложенное между частями, указанными в 7.4.

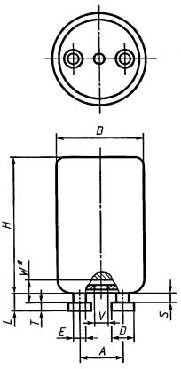
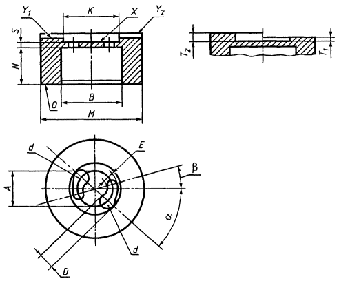
7.6 Размеры

7.6.1 Размеры стартера должны соответствовать указанным на рисунке 1. Соответствие размеров проверяют калибрами, приведенными на рисунках 2-4.

7.6.2 Внешние пути утечки и зазор между токоведущими частями, находящимися под напряжением различной полярности, или между частями, находящимися под напряжением, и доступными металлическими частями должны быть не менее 3 мм.

Внутренние пути утечки между токоведущими частями, находящимися под напряжением, и доступными металлическими частями должны быть не менее 2 мм.

В миллиметрах

Обозначение размера

Не менее

Не более

А

12,5

12,9

В

-

21,5

D

4,7

5,0

Е

2,8

3,2

Н

33,0

36,0

L

-

4,3

S

1,7

-

Т

1,9

2,2

Стартеры проверяют калибрами по рисункам 2-4

Указаны только контролируемые размеры

Рисунок 1 - Размеры стартеров

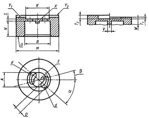
Указаны только основные размеры калибров

Назначение. Для проверки размеров Dmin, Dmax, Lmax диаметра штырька и расположения штырьков на рисунке 1.

Испытание. Штырьки должны входить в отверстие d1 калибра со стороны поверхности О и при полном вставлении поверхности стартера и калибра должны соприкасаться.

В этом положении концы штырьков не должны выступать за поверхность Y. Каждый штырек должен входить в отверстие d2, но не должен входить в отверстие d3.

В миллиметрах

Обозначение размера

Номин. размер

Пред. откл.

А

12,70

±0,005

D1

5,20

+0,01

D2

5,00

+0,01

D3

4,70

-0,01

L

4,30

+0,02

М

~35,5

-

Рисунок 2 - Проходной и непроходной калибры для стартеров

Указаны только основные размеры калибра

Данный калибр не применим к стартерам для люминесцентных светильников класса II. Калибр для них приведен на рисунке В.2

В миллиметрах

Обозначение размера

Номин. размер

Пред. откл.

А

12,70

±0,01

В

30,0

±0,5

D

5,20

+0,05

S

1,60

-0,05

V

2,20

+0,01

W

3,60

+0,01

Назначение. Для контроля того, что стартер не может быть вставлен в специальный патрон, снабженный выступом диаметром V.

Испытание. Стартер должен входить в калибр со стороны поверхности О, но головки штырьков не должны выступать за поверхность Y.

Рисунок 3 - Непроходной калибр для стартеров

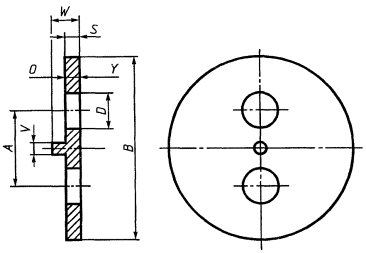
Указаны только основные размеры калибра

Размеры в миллиметрах

Обозначение размера

Номин. размер

Пред. откл.

А

12,70

±0,05

В

21,50

+0,01

D

5,20

+0,01

Б

3,40

+0,01

К

19,0

+0,2

М

-35,00

-

N

-13,00

-

S

1,70

-0,01

п

1,00

-0,01

Т2

2,20

+0,01

а

-45°

-

Р

-15°

-

Назначение. Для контроля размеров bmax, Smin, Tmin, Tmax и положения штырьков относительно размеров A, D и Е на рисунке 1.

Испытание. Стартер должен входить в калибр со стороны поверхности О до тех пор, пока штырьки не пройдут через отверстия d. Затем стартер поворачивают на ~45° и устанавливают таким образом, чтобы головки штырьков соприкасались с поверхностью X. В этом положении выпуклости головок штырьков не должны быть ниже поверхности Y1 и выступать за поверхность Y2.

Рисунок 4 - Проходные калибры для стартеров

7.7 Испытание на скручивание

Стартер должен быть прочным и выдерживать крутящий момент до 0,6 Н·м, приложенный к верхней части корпуса при закреплении штырьков в неподвижной опоре. Крутящий момент должен прикладываться постепенно с возрастанием от нуля до заданного значения.

7.8 Механическая прочность

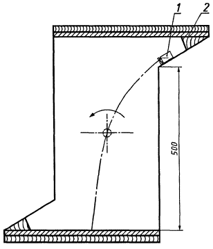
Стартер должен выдерживать без повреждения, влияющего на безопасность его применения, 20 падений с высоты 500 мм на стальную пластину толщиной 3 мм в барабане с частотой вращения 5 мин-1 (что составляет 10 падений в минуту). Схема барабана приведена на рисунке 5.

1 - стартер; 2 - стальная пластина

Рисунок 5 - Опрокидывающийся барабан

7.9 Электрические соединения

Электрические соединения должны быть выполнены таким образом, чтобы контакты не оказывали давление на изоляционный материал (кроме керамического).

Соответствие данному требованию проверяют осмотром.

Это требование не распространяется на соединения между съемными частями, такими как стартеры и патроны, для которых требуется соответствующее усилие пружины.

7.10 Тепло- и огнестойкость

7.10.1 Корпуса и другие внешние части стартера из изоляционного материала должны быть теплостойкими.

Соответствие этому требованию проверяют следующими испытаниями.

Пять образцов испытывают в камере тепла при температуре 125 °С в течение 168 ч.

При испытании стартеры не должны подвергаться каким-либо изменениям, приводящим к нарушению их безопасности, особенно таких как:

- уменьшение защиты от поражения электрическим током;

- ослабление электрических контактов;

- появление трещин, разбухание или сжатие.

После испытания размеры стартера должны соответствовать требованиям, указанным в 7.6.1.

7.10.2 Корпус и другие наружные части стартера из изоляционного материала подвергают испытанию вдавливанием шарика при помощи устройства, схема которого приведена на рисунке 6.

Поверхность испытуемой детали располагают горизонтально. В поверхность с усилием 20 Н вдавливают шарик диаметром 5 мм. Если испытуемая поверхность прогибается, то та часть детали, в которую вдавливают шарик, должна поддерживаться в том месте.

Испытание проводят в камере тепла при температуре (125±5) °С.

Через 1 ч шарик снимают и замеряют диаметр вмятины.

Диаметр вмятины не должен превышать 2 мм.

Примечание - Испытание не проводят на деталях из керамики, карбамида или алкидного пластика. Возможность проведения испытания для корпусов, изготовленных из этих материалов, рассматривается.

1 - стальной шарик; 2 - испытуемая поверхность

Рисунок 6 - Устройство для испытания вдавливанием шарика

7.10.3 Корпуса и другие наружные части стартера из изоляционного материала должны быть огне- и теплостойкими.

Соответствие проверяют испытанием при помощи никель-хромовой проволоки, раскаленной до 650 °С. Схема испытательного прибора приведена в МЭК 60695-2-1.

Испытуемый стартер монтируют вертикально на раме и вдавливают в него на расстоянии 15 мм или более от верхнего края конец раскаленной проволоки с усилием 1 Н. Проникание проволоки в корпус или другие наружные части стартера ограничивают до глубины 7 мм. Через 30 с стартер отводят от проволоки.

Тление или возгорание корпуса или других наружных частей стартера должно прекратиться через 30 с после удаления воздействия раскаленной проволоки, а любые горящие или расплавленные капли не должны вызывать возгорание куска пятислойной папиросной бумаги, расположенной горизонтально на расстоянии (200±5) мм под стартером.

До начала испытания температура проволоки и ток нагрева должны быть постоянными в течение 1 мин. Необходимо избегать влияния теплового излучения на стартер в течение более 1 мин. Температуру конца проволоки измеряют термопреобразователем с защищенным тонким проводом, сконструированным и откалиброванным в соответствии с МЭК 60695-2-1.

Необходимо предусмотреть защиту персонала, проводящего испытание, от:

- риска взрыва или выброса пламени;

- вдыхания дыма и/или токсичных продуктов;

- токсичных осадков.

7.11 Проверка маркировки

Соответствие установленным требованиям проверяют внешним осмотром после протирания маркировки в течение 15 с хлопчатобумажной салфеткой, увлажненной водой.

Затем маркировку протирают хлопчатобумажной салфеткой, смоченной бензином.

7.12 Конденсаторы для подавления радиопомех

7.12.1 Стартеры комплектуют конденсаторами для подавления радиопомех емкостью от 0,005 до 0,02 мкФ, если иное не указано в соответствующем листе с параметрами лампы согласно МЭК 60081 или МЭК 60901. Соответствие данному требованию проверяют внешним осмотром.

7.12.2 Конденсаторы должны быть влагостойкими. Соответствие этому требованию проверяют следующим испытанием.

Перед испытанием на влагостойкость конденсатор должен быть выдержан не менее 4 ч при температуре, которая не должна отличаться от температуры в камере влажности более чем на 4 °С.

Конденсаторы выдерживают в камере в течение 48 ч при относительной влажности от 91 до 95 % и окружающей температуре от 20 до 30 °С, поддерживаемой постоянной с допустимыми колебаниями в пределах ±1 °С. Конденсаторы должны непосредственно после извлечения из камеры выдерживать без пробоя в течение 1 мин напряжение 2000 В постоянного тока.

Испытательное напряжение прикладывают между вводами конденсатора, и первоначально должно быть приложено не более половины заданного значения напряжения. Затем его постепенно повышают до заданного полного значения.

7.12.3 Конденсатор должен быть огнестойким, а также стойким к воспламенению.

Соответствие данному требованию проверяют следующим образом.

К каждому конденсатору прикладывают постепенно повышающееся напряжение переменного тока до появления пробоя. Источник напряжения, используемый для этого, должен иметь мощность короткого замыкания около 1 кВ·А. После этого каждый конденсатор обертывают бумагой по 6.86 ИСО 4046 и соединяют последовательно с балластом индуктивного типа мощностью 40 Вт, соответствующим требованиям приложения А, и он работает не менее 5 мин при расчетном напряжении балласта.

Во время этого испытания конденсатор не должен иметь признаков загорания или воспламенения.

7.13 Нагрев стартеров с ограничением времени работы

Корпуса стартеров не должны деформироваться при нормальной и аномальной работе так, чтобы нарушалась их безопасность.

Соответствие этому требованию проверяют следующим образом.

Стартеры соединяют с деактивированной лампой наибольшей мощности (кроме ламп мощностью 100 и 125 Вт, где применяют емкостной балласт), маркированной на стартере, и соответствующим индуктивным балластом.

Балласт должен соответствовать требованиям приложения А. Испытательное напряжение должно быть равным 110 % расчетного напряжения на балласте.

Испытание проводят при наибольшем значении маркированной на стартере температуры, при этом балласт и лампа должны оставаться при комнатной температуре.

Продолжительность испытания - 168 ч.

Примечание - Стартеры, ограничение времени работы которых обеспечивается механическим отключением, когда полностью прерывается пусковой ток, испытывать на соответствие этому пункту необязательно.

II ЭКСПЛУАТАЦИОННАЯ СПЕЦИФИКАЦИЯ

Применимы общие требования по испытаниям по разделу 1.

8 Испытание на зажигание

8.1 Число испытуемых стартеров

Для испытания на зажигание отбирают пять стартеров, не подвергшихся испытаниям, указанным в разделе 1.

8.2 Правила приемки

Тип стартера считают удовлетворяющим требованиям настоящего пункта, если все пять стартеров выдерживают испытания по 8.4 - 8.7. Если хотя бы один стартер не удовлетворяет требованиям одного из этих пунктов, то проводят повторные испытания, для чего отбирают пять новых стартеров, которые после испытаний должны удовлетворять всем требованиям.

Если во второй выборке более одного стартера окажутся не удовлетворяющими требованиям какого-либо пункта, то стартеры считают не соответствующими требованиям настоящего пункта.

8.3 Условия испытания

8.3.1 Непосредственно перед испытанием стартер выдерживают в полной темноте не менее 15 ч. При испытании стартер также должен находиться в полной темноте.

Это требование не распространяется на стартеры, имеющие светонепроницаемый кожух.

8.3.2 Стартер испытывают по схеме, приведенной на рисунке 7.

8.3.3 Применяемый балласт должен соответствовать требованиям МЭК 60921. Расчетное напряжение балласта должно быть равным напряжению сети или колебаться в диапазоне напряжений, на который рассчитан стартер. Балласт должен иметь такую расчетную мощность, которая должна соответствовать наибольшей мощности в диапазоне мощностей ламп, для работы с которыми предназначен стартер. Если расчетная мощность лампы составляет 22 Вт и менее, то применяют балласт индуктивного типа, в случае большей мощности - балласт емкостного типа.

В сомнительных случаях тип балласта выбирают по согласованию между испытателем и изготовителем.

Примечание - Расчетное напряжение на питающих зажимах должно быть равным номинальному напряжению балласта, приведенному в МЭК 60081 или МЭК 60901 для испытания лампы на зажигание.

8.3.4 Применяемая лампа должна удовлетворять требованиям МЭК 60081 или МЭК 60901 для стартерного зажигания и иметь ту же расчетную мощность, на которую рассчитан балласт.

8.3.5 Содержание высших гармоник в напряжении источника питания не должно превышать 3 % и определяется как среднее квадратичное значение суммы отдельных гармонических составляющих по отношению к основной, принятой за 100 %.

Это условие должно соблюдаться при любых измерениях.

Примечание - Предполагается, что источник питания имеет достаточную мощность, а цепь источника питания - достаточно низкое полное сопротивление по сравнению с полным сопротивлением балласта.

8.4 Скорость срабатывания

Напряжение для соответствующей лампы по МЭК 60081 и МЭК 60901, равное испытательному напряжению, применяемому при испытании ламп на зажигание, должно быть приложено к схеме в течение 25 с, за исключением ламп мощностью 20 Вт по МЭК 60081, для которых значение напряжения должно быть 103,5 В.

За это время контакты должны разомкнуться не менее семи раз.

8.5 Длительность контактирования

В течение 25 с контакты должны быть замкнуты в общей сложности не менее 10 с.

8.6 Напряжение неконтактирования

На стартер подают испытательное напряжение, соответствующее типу стартера. После контактирования напряжение плавно изменяют без нарушения цепи источника питания от значения, указанного в 8.4, до значения неконтактирования, указанного в «Информации для расчета стартера» в соответствующем листе с параметрами лампы согласно МЭК 60081 или МЭК 60901. Если стартер рассчитан для группы ламп, то необходимо учесть наибольшие значения напряжений всех ламп данной группы.

При пониженном напряжении контакты стартера должны оставаться разомкнутыми в течение 1 мин.

8.7 Пиковое напряжение

Пиковое напряжение измеряют по схемам, приведенным на рисунках 7 и 8. Испытательное напряжение, значение которого приведено в 8.4, прикладывают к схеме в течение 25 с. За этот период хотя бы один раз наивысшее пиковое напряжение (показываемое любым из двух вольтметров) должно достигнуть значения, установленного в соответствующем листе с параметрами лампы согласно МЭК 60081 и МЭК 60901.

Если стартер рассчитан для группы ламп, то необходимо взять наибольшие значения напряжений из данной группы ламп.

Рисунок 7 - Схема испытания стартеров на зажигание

Примечание - Измерения с применением предыдущей схемы (рисунок 7) с электронными лампами являются соответствующими.

1 Высоковольтный диод

Напряжение блокировки                   VRM ³ 6 кВ

Расчетный ток (средний)                  IFAVM ³ 1,5 мА

Периодический ток (пиковый)         IRFM ³ 0,1 А

Прямое напряжение                           VF £ 20 В

Примечание - Могут применяться, например, диоды типа BYX90G.

2 Высоковольтный конденсатор

Емкость                                               С = 4000 пФ

Расчетное напряжение                       V ³ 6,3 кВ

Угол фазы (при 10 кГц)                     tangδ =20·10-3

3 Электростатический вольтметр

Емкость при полном отклонении     <15 пФ

Пробивное напряжение                     V ³ 10 кВ

Класс точности                                   1 или выше

4 Разрядное сопротивление

R = 1 МОм

5 Короткозамкнутый прибор для разряжающих высоковольтных конденсаторов.

Рисунок 8 - Схема измерения пикового напряжения

Примечание - В качестве альтернативы электростатическому вольтметру на рисунке 8 в схеме может быть использован осциллограф с запоминающим устройством совместно с высоковольтным пробником со следующими характеристиками:

входное сопротивление  ³ 100 Ом;

входная емкость              £ 15 пФ;

запирающая частота        ³ 1 МГц.

При сомнении измерение с электростатическим вольтметром является основным (базовым).

9 Испытание на долговечность

9.1 Число испытуемых стартеров

Испытывают пять стартеров, прошедших испытания на зажигание и не подвергшихся никаким другим испытаниям.

9.2 Правила приемки

Тип стартера считают удовлетворяющим требованиям данного пункта, если все пять стартеров прошли испытания на соответствие 8.4 - 8.7 после испытания на долговечность согласно 9.3.

Если хотя бы один стартер не соответствует требованиям одного из пунктов, то проводят повторные испытания на пяти других стартерах, которые должны удовлетворять всем требованиям данного пункта.

Если произойдет более одного отказа, то стартеры считают не удовлетворяющими требованиям данного пункта.

9.3 Условия испытания

Стартеры, предназначенные для ламп мощностью до 80 Вт включ., испытывают по схеме, приведенной на рисунке 9.

Рисунок 9 - Схема испытания стартеров на долговечность

При испытании применяют лампу наибольшей мощности, для которой предназначен стартер, и соответствующий балласт индуктивного типа.

Стартеры для ламп мощностью 100 и 125 Вт испытывают по схеме, приведенной на рисунке 10. Применяют лампу мощностью 125 Вт и балласт емкостного типа той же мощности.

Балласт должен удовлетворять требованиям, приведенным в приложении А.

Испытательное напряжение должно быть равным расчетному напряжению балласта.

Если во время испытания лампа выходит из строя, то ее заменяют.

Испытательное напряжение подают в течение 6000 циклов. Длительность каждого цикла - 1 мин. При этом испытательное напряжение прикладывают в течение 20-30 с.

Рисунок 10 - Схема испытания стартеров на долговечность

10 Испытание с деактивированной лампой

10.1 Число испытуемых стартеров

Испытывают пять стартеров, прошедших испытания на зажигание, но не подвергшихся никаким другим испытаниям.

10.2 Правила приемки стартеров без ограничения времени работы

Тип стартера считают удовлетворяющим требованиям данного пункта, если все пять стартеров прошли испытания на соответствие 8.4 - 8.7 после испытания с деактивированной лампой согласно 10.3.

Если хотя бы один стартер не соответствует требованиям одного из пунктов, то проводят повторные испытания на пяти других стартерах, которые должны удовлетворять всем требованиям стандарта. Если произойдет более одного отказа, то стартеры считают не удовлетворяющими требованиям данного пункта.

10.3 Условия испытания

Стартеры, предназначенные для ламп мощностью до 80 Вт включ., испытывают по схеме, приведенной на рисунке 9, а стартеры для ламп мощностью 125 Вт - по схеме, приведенной на рисунке 10, с применением деактивированной лампы.

Длительность испытания - 3 ч.

Практически может быть проведено более жесткое испытание при отсутствии в схеме лампы. При сомнении лампы испытывают по схемам, приведенным на рисунках 9 и 10.

Для испытаний применяют лампу наибольшей мощности, для которой предназначен стартер, и соответствующий индуктивный балласт. Лампу мощностью 125 Вт и балласт емкостного типа применяют для испытания стартеров, предназначенных для ламп мощностью 100 и 125 Вт.

Балласт должен удовлетворять требованиям приложения А. Испытательное напряжение должно быть равным расчетному напряжению балласта.

Если во время испытания лампа выходит из строя, то ее заменяют.

10.4 Правила приемки стартеров с ограничением времени работы

Тип стартера считают удовлетворяющим требованиям данного пункта, если все пять стартеров прошли испытания на соответствие 10.5. После этого испытания стартеры, возвращенные в исходное состояние, должны пройти испытания на соответствие требованиям 8.4 - 8.7.

Если хотя бы один стартер не соответствует этим требованиям, то проводят повторные испытания на пяти других стартерах, которые должны удовлетворять требованиям данного пункта. Если произойдет более одного отказа, то стартеры считают не удовлетворяющими требованиям данного пункта.

10.5 Испытание на ограничение рабочего времени

В течение 5 мин после подачи напряжения питания должны быть подключены средства, предотвращающие возможность зажигания ламп. Возврат в исходное положение не должен происходить самопроизвольно.

Соответствие данному требованию проверяют наблюдением за возможностью зажигания или другими средствами, указанными изготовителем.

При этом испытании стартеры соединяют с деактивированной лампой наименьшей мощности, маркированной на стартере, и соответствующим балластом. При расчетной мощности 22 Вт и менее балласт должен быть индуктивного типа, при большей мощности - емкостного типа.

Балласт должен соответствовать требованиям приложения А.

Испытательное напряжение должно соответствовать расчетному напряжению балласта.

Испытание проводят при наименьшем значении маркированного диапазона температуры, при этом воздействию температуры подвергают только стартер; лампа и балласт должны оставаться при комнатной температуре.

Стартеры с ручным возвратом подвергают 25 испытательным циклам: 5 мин включено и не менее 10 мин выключено.

Стартеры с автоматическим возвратом подвергают 500 вышеприведенным испытательным циклам.

Средства для предотвращения возможности зажигания должны быть подключены при каждом периоде включения.

11 Информация для расчета светильника

Информация для расчета светильника приведена в приложении С.

ПРИЛОЖЕНИЕ А

(обязательное)

Балласты, используемые для испытания стартеров на число включений

Балласты должны удовлетворять следующим требованиям.

А.1 Балласт должен соответствовать требованиям МЭК 60921 и условиям зажигания лампы согласно МЭК 60081 или МЭК 60901.

А.2 Расчетное напряжение балласта должно быть в следующих диапазонах:

В вольтах

Напряжение для испытания на зажигание (раздел 8)

Расчетное напряжение балласта

Менее 110

110-130

180 и более

220-230

A.3 Когда балласт при его расчетном напряжении соединен с лампой, колебание ее расчетного напряжения не должно отличаться более чем на ±4 % от расчетного значения.

А.4 Для ламп предварительного подогрева со стартером ток в цепи предварительного подогрева (ток короткого замыкания) при расчетном напряжении не должен отличаться более чем на ±10 % от номинального значения, установленного в МЭК 60081 или МЭК 60901.

ПРИЛОЖЕНИЕ В

(обязательное)

Стартеры для светильников класса II с люминесцентными лампами

Введение

На стартеры для светильников класса II с люминесцентными лампами распространяются требования настоящего стандарта с учетом следующих изменений.

I ОБЩИЕ ТРЕБОВАНИЯ И ТРЕБОВАНИЯ БЕЗОПАСНОСТИ

1 Область распространения

Настоящее приложение распространяется на специальные взаимозаменяемые стартеры тлеющего разряда, используемые с люминесцентными лампами предварительного подогрева для применения в люминесцентных светильниках класса II. Его следует использовать вместе с соответствующими публикациями на светильники для люминесцентных ламп и стартеродержатели (МЭК 598 и МЭК 60400)

7 Требования и испытания на безопасность

7.3 Защита от поражения электрическим током

Корпуса стартеров должны изготавливаться из изоляционного материала. Данное требование проверяют внешним осмотром.

7.6 Размеры

7.6.1 Размеры должны удовлетворять требованиям рисунка В.1. Данное требование проверяют калибрами, приведенными на рисунке 2 и В.2

В миллиметрах

Обозначение размера

Не менее

Не более

А

12,5

12,9

B

-

21,5

D

4,7

5,0

Е

2,8

3,2

Н

33,0

36,0

L

-

4,3

S

1,7

-

Т

1,9

2,2

V

2,7

-

W*

4,2

-

*Расстояние, на котором соблюдается размер.

Указаны только проверяемые размеры

Рисунок В.1 - Размеры стартеров для светильников класса II с люминесцентными лампами

Указаны только основные размеры калибра

Размеры в миллиметрах

Обозначение размера

Номин. размер

Пред. откл.

А

12,70

±0,005

В

21,50

±0,01

D

5,20

+0,01

Е

3,40

+0,01

K

19,0

+0,2

М

~35,00

-

N

~13,00

-

S

1,70

-0,01

T1

1,90

-0,01

T2

2,20

+0,01

a

~45°

-

b

~15°

-

V

2,60

-0,01

W

1,15

-0,01

Назначение. Для проверки размеров Bmax, Smin, Тmin, Тmax и расположения штырьков относительно размеров A, D и Е на рисунке 1.

Испытание. Стартер должен входить в калибр со стороны поверхности О до тех пор, пока головки штырьков не пройдут через отверстия d. Затем стартер поворачивают на 45° и устанавливают таким образом, чтобы головки штырьков соприкасались с поверхностью X. В этом положении крайние части головок штырьков не должны быть ниже поверхности Y1 и выступать за поверхность Y2.

Центральный выступ, определяемый размерами V и W, может касаться внутренних частей стартера или перемещать их во время испытания.

Рисунок В.2 - Проходной калибр для стартеров для светильников класса II с люминесцентными лампами

ПРИЛОЖЕНИЕ С

(справочное)

Информация для расчета светильника

Наибольшая температура любой части корпуса стартера не должна превышать 80 °С.

ПРИЛОЖЕНИЕ D

(справочное)

Соответствие стандартов МЭК государственным стандартам

Обозначение стандартов МЭК

Обозначение государственных стандартов

МЭК 60081 (1997)

ГОСТ Р МЭК 60081-99

МЭК 60400 (1996)

ГОСТ Р МЭК 60400-99

МЭК 60598-1 (1996)

ГОСТ Р МЭК 60598-1-99

МЭК 60695-2-1 (1991)

ГОСТ 27483-87

МЭК 60901 (1996)

ГОСТ Р МЭК 60901-99

МЭК 60921 (1988)

ГОСТ Р МЭК 921-97

Ключевые слова: стартер; тлеющий стартер; напряжение отсутствия повторного контактирования; деактивированная лампа; тлеющие стартеры с ограничением времени работы; конденсаторы для подавления радиопомех

 




ГОСТЫ, СТРОИТЕЛЬНЫЕ и ТЕХНИЧЕСКИЕ НОРМАТИВЫ.
Некоммерческая онлайн система, содержащая все Российские Госты, национальные Стандарты и нормативы.
В Системе содержится более 150000 файлов нормативно-технической документации, действующей на территории РФ.
Система предназначена для широкого круга инженерно-технических специалистов.

Рейтинг@Mail.ru Яндекс цитирования

Copyright © www.gostrf.com, 2008 - 2026