Крупнейшая бесплатная информационно-справочная система онлайн доступа к полному собранию технических нормативно-правовых актов РФ. Огромная база технических нормативов (более 150 тысяч документов) и полное собрание национальных стандартов, аутентичное официальной базе Госстандарта. GOSTRF.com - это более 1 Терабайта бесплатной технической информации для всех пользователей интернета. Все электронные копии представленных здесь документов могут распространяться без каких-либо ограничений. Поощряется распространение информации с этого сайта на любых других ресурсах. Каждый человек имеет право на неограниченный доступ к этим документам! Каждый человек имеет право на знание требований, изложенных в данных нормативно-правовых актах!

  


 

НАУЧНО-ИССЛЕДОВАТЕЛЬСКИЙ ИНСТИТУТ
СТРОИТЕЛЬНОЙ ФИЗИКИ
(НИИСФ) ГОССТРОЯ СССР

РУКОВОДСТВО

ПО ПОСЛОЙНОМУ ОПРЕДЕЛЕНИЮ ВЛАЖНОСТИ
В ОГРАЖДАЮЩИХ КОНСТРУКЦИЯХ
НЕРАЗРУШАЮЩИМ МЕТОДОМ

МОСКВА СТРОЙИЗДАТ 1980

Рекомендовано к изданию решением секции строительной теплофизики научно-технического совета НИИСФ.

Содержит описание методики, а также аппаратуры, для послойного определения влажности ограждающих конструкций с помощью закладных датчиков, основанной на диэлькометрическом методе измерений. Приведены краткие физико-технические основы диэлькометрического метода измерения влажности, принцип работы и описание принципиальной электрической схемы и конструкции измерительного прибора. Даны конкретные рекомендации по изготовлению, подготовке и закладке датчиков влажности в конструкцию. Описана методика градуировки аппаратуры на различных строительных материалах. Приведены примеры выполнения измерений и обработки результатов.

Для инженерно-технических работников научно-исследовательских и других организаций, занимающихся разработкой и испытаниями ограждающих конструкций зданий и сооружений.

ВВЕДЕНИЕ

Установление обоснованных нормативных требований к ограждениям, необходимых для оптимального выбора конструктивных решений, а также определение области целесообразного применения новых видов ограждающих конструкций с учетом различных климатических условий требуют всесторонних экспериментальных исследований теплофизических свойств этих конструкций. В связи с этим важное значение приобретают вопросы совершенствования методов экспериментальных исследований с использованием достижений современной науки и техники.

Основными видами экспериментальных исследований ограждающих конструкций являются испытания в климатических камерах при различных температурно-влажностных режимах и проверка теплозащитных качеств ограждений в натурных условиях. В этих исследованиях важное место занимает определение влажности материала по слоям конструкции. Традиционная методика послойного определения влажности, регламентируемая ОСТ 20-2-74, предусматривает периодический отбор проб, влажность которых определяется методом высушивания до постоянного веса при температуре 105 °С с периодическим взвешиванием. Вследствие того что повторная проба материала не может быть отобрана в том же месте, где и первоначальная, их отбирают в разных местах конструкции. При этом исходят из допущения о том, что при установившемся температурно-влажностном режиме влажность материала конструкции в пределах данного слоя одинакова. Многолетняя практика теплофизических испытаний ограждающих конструкций в климатических камерах и натурных условиях показывает, однако, что значения влажности отдельных проб, отобранных одновременно из одного и того же слоя в разных местах конструкции, могут значительно отличаться друг от друга [1]. В зависимости от типа и структуры материала, различной глубины погружения шлямбура и других причин эти расхождения составляют от 0,1 - 0,2 до 1 - 2 %, в то время как влажность каждой отдельной пробы определяют методом высушивания с точностью до сотых долей процента.

Практически исследователям приходится оперировать ограниченным количеством экспериментальных данных, характеризующих влажностное состояние испытуемой конструкции, что понижает надежность доверительных оценок получаемых результатов. Повысить ее в определенной степени (при неизменной точности измерений) возможно путем увеличения количества отобранных проб. Задавшись требуемой точностью и надежностью доверительных оценок и зная порядок средней квадратической ошибки измерений, можно определить минимально необходимое количество измерений (проб) в каждой точке [2]. Например, чтобы гарантировать получение доверительной оценки с надежностью 0,95 при точности порядка 1 % влажности, необходимо произвести не менее 7 измерений в одной точке, т.е. отобрать из одного и того же места конструкции одновременно 7 проб, что практически невозможно.

В НИИ строительной физики на протяжении последних лет проведен комплекс теоретических и экспериментальных исследований, связанных с разработкой и усовершенствованием современных методов и средств измерения влажности материалов в ограждающих конструкциях без отбора проб. Эти работы и накопленный опыт эксплуатации макетных и опытных образцов приборов в лабораторных и производственных условиях послужили основанием для разработки нового ГОСТ 21718-76 «Бетоны легкие и ячеистые. Диэлькометрический метод измерения влажности», введенного в действие с 1977 г.

На основе диэлькометрического метода в институте также создана методика послойного определения влажности при теплотехнических испытаниях с помощью закладных малогабаритных емкостных датчиков [3]. Эта методика в течение последних лет успешно используется при теплотехнических испытаниях ограждающих конструкций в НИИСФ и ряде других организаций.

Рекомендуемая область применения закладных датчиков - легкие и ячеистые бетоны с объемным весом 600-1600 кг/м3 при температурах от минус 40 до плюс 80 °С и влажностном состоянии от сорбционной влажности до полного влагонасыщения.

Настоящее Руководство разработано канд. техн. наук В. С. Ройфе (НИИСФ) и содержит конкретные рекомендации и указания по использованию методики и аппаратуры, призванные помочь специалистам в области строительной теплофизики освоить прогрессивный метод экспериментальных исследований.

I. ФИЗИКО-ТЕХНИЧЕСКИЕ ОСНОВЫ ДИЭЛЬКОМЕТРИЧЕСКОГО МЕТОДА ИЗМЕРЕНИЯ ВЛАЖНОСТИ

В основе электрических методов измерения влажности различных материалов лежит использование зависимости электрофизических характеристик материала от его влажности [4].

Основными электрофизическими характеристиками любого вещества являются удельная проводимость (s) и относительная диэлектрическая проницаемость (e). У капиллярно-пористых тел, к которым относится подавляющее большинство конструктивных строительных материалов, s и e зависят в общем случае от многих физико-химических свойств. Современная физика диэлектриков увязывает эти зависимости с основными процессами, происходящими в любом реальном диэлектрике под воздействием электрического поля, - поляризацией молекул и молекулярных групп, а также с диэлектрическими потерями [5]. При этом в силу различной физической природы s и e, соотношение между влиянием отдельных свойств материала на каждую из этих электрофизических характеристик также различно [6].

Электрические методы измерения влажности, в которых влажность материала определяется по изменению удельной проводимости, называются кондуктометрическими. Методы, в которых определяющей характеристикой является относительная диэлектрическая проницаемость материала, называются диэлькометрическими.

Удельная проводимость (или обратная величина - удельное сопротивление) в интересующих нас материалах имеет в основном ионную природу, т.е. обусловлена процессом переноса зарядов свободными ионами растворов, находящихся в порах материала. Отсюда следует, что проводимость влажного строительного материала зависит в первую очередь от концентрации и химического состава электролитов в пороговой влаге и в несколько меньшей степени от влажности как таковой, а также от плотности и температуры. Этим и объясняется тот факт, что все многочисленные попытки использования изменения удельного сопротивления бетона для измерения его влажности с удовлетворительной точностью окончились неудачей.

Диэлектрическая проницаемость этих материалов по физической природе существенно отличается от удельной проводимости и обусловлена процессами поляризации вещества, происходящими при помещении последнего в электрическое поле. В связи с тем что дипольный момент полярных молекул воды, находящейся в свободном состоянии, на несколько порядков выше дипольного момента неполярных молекул минералов и окислов, составляющих скелет строительных материалов, обобщенная диэлектрическая проницаемость влажного материала, в основном, является функцией его влажности, точнее объемного содержания свободной воды. При этом некоторое влияние оказывает минералогический состав скелета материала. Вместе с тем диэлектрическая проницаемость материала практически не зависит от концентрации и химического состава электролитов в поровой влаге [7]. Это последнее свойство диэлектрической проницаемости и составляет ее основное преимущество перед удельной проводимостью как параметра для измерения влажности строительных материалов, в которых минерализация пороговой влаги может меняться в довольно широких пределах.

Удельная проводимость s и диэлектрическая проницаемость e входят коэффициентами пропорциональности в известные уравнения теории поля [8]:

; ,

где ,  и  - векторы напряженности электрического поля, электрической индукции и плотности электрического тока соответственно.

Под действием внешнего переменного электрического моля в материале происходит одновременно как упорядоченное движение зарядов (ток проводимости), так и ограниченное в пространстве смещение зарядов (токи смещения). В этом случае плотность полного электрического тока, проходящего в материале, выражается как  или, в случае изменения напряженности поля по гармоническому закону с частотой w,

.

Выражение, стоящее в скобках, характеризует полную (комплексную) проводимость материала на частоте w.

Преобразователем влажности в электрическую величину в диэлькометрическом методе служит емкостный датчик-конденсатор той или иной конструкции, в электрическом поле которого находится определенный объем исследуемого материала. Для анализа связей между входной и выходной величинами такого преобразователя переходят от понятий теории поля к понятиям теории цепей [9], которая исходит из аппроксимации реального физического объекта его электрической моделью - схемой замещения этого объекта идеализированными элементами электрической цепи (сопротивлениями, конденсаторами и др.). Схемой замещения емкостного датчика с влагосодержащим материалом, получившей до настоящего времени наибольшее распространение, является параллельное соединение емкости Сx с сопротивлением Rx (рис. 1).

При подключении такой цепи к источнику переменного напряжения  с частотой w полный ток в цепи выражается так:

.

Выражение в скобках характеризует полную (комплексную) проводимость емкостного датчика с материалом на частоте w. Идентичность выражений для полного тока через реальный конденсатор и его электрическую модель дает формальное основание для подобной аппроксимации. Переход от удельных электрофизических свойств материала s и e к измеряемым характеристикам емкостного датчика Rx и Сx осуществляется с помощью постоянной k:

; .

Величина k характеризуется только геометрическими размерами и формой конденсатора и для конкретного датчика является константой, имеющей размерность единицы длины.

Таким образом, технически задача измерения влажности диэлькометрическим методом сводится к измерению емкости датчика. Следует обратить особое внимание на то, что для реализации преимуществ диэлькометрического метода на результат измерения емкости Сx не должна оказывать влияния величина Rx, т.е. способ измерения должен обеспечить получение величины «истинной» емкости. Неучет этого обстоятельства наряду с произвольным выбором частоты поля w приводит к почти полной потере преимуществ диэлькометрического метода измерения влажности по сравнению с кондуктометрическим и к ошибочным представлениям о метрологических характеристиках диэлькометрического метода [10, 11].

Рис. 1. Параллельная схема замещения емкостного датчика

Рис. 2. Схема измерения емкости с помощью параметрический модуляции

Наиболее эффективно задачу измерения истинной емкости удается решить с помощью измерительных схем с параметрической модуляцией [12, 13], в которых существенную роль играют цепи с закономерно изменяющимися параметрами в результате внешнего воздействия, непосредственно не связанного с проходящим через эту цепь сигналом. Большей частью это внешнее воздействие имеет электрический характер, т.е. имеется некоторый управляющий сигнал. Таким образом, цепь оказывается под воздействием двух сигналов одновременно. Если один из них связан с конденсатором, являющимся датчиком влажности, а второй изменяет параметры цепи и определяет в конечном счете коэффициент передачи первого, то сигналы неравнозначны. Один из них - рабочий - несет как полезную, так и избыточную информацию, а второй - управляющий - только меняет условия прохождения первого через схему. Изменение условий прохождения рабочего сигнала означает, что в функцию цепи вводится дополнительный параметр, значение которого можно менять произвольно независимо от значения искомой переменной, при этом получается совокупность разделяемых сигналов. Задавая параметру разделения различные значения, получают систему уравнений, решая которую, находят искомую величину.

Сущность способа измерения емкости с помощью схем с параметрической модуляцией заключается в сравнении по модулю напряжений на измерительном двухполюснике при периодическом изменении его проводимости (рис. 2).

Измерительный двухполюсник содержит индуктивность L, распределенную емкость С0, дополнительную емкость Сд, включенную последовательно с контактом K, и электроды емкостного датчика влажности, представленного параллельной схемой замещения СхRх. Двухполюсник питается от высокочастотного генератора, частоту которого можно плавно менять.

Модуляция параметров двухполюсника производится попеременным замыканием и размыканием контакта K, т.е. периодическим подключением и отключением емкости Сд.

Выражения для комплексной проводимости двухполюсника при разомкнутом и замкнутом контакте K имеют вид, соответственно:

;

.

Модули полных проводимостей двухполюсника при периодическом размыкании и замыкании контакта K имеют вид соответственно:

,

.

Модули полных проводимостей непрерывно сравниваются, и изменением частоты генератора схема приводится в состояние равенства модулей.

Приравняв друг другу эти модули, после преобразований получим:

.

В это выражение не вошло Rx, и, следовательно, при равенстве модулей полных проводимостей двухполюсника частота генератора однозначно связана с истинной емкостью Сx и не зависит от величины Rx. Таким образом, изменяя частоту генератора до выполнения условия , можно измерить истинную емкость датчика при наличии переменных активных потерь. Мерой влажности при этом служит частота генератора, соответствующая равенству модулей полной проводимости измерительного двухполюсника.

Наряду с выбором способа измерения емкости датчика одним из важных методических вопросов применительно к определению послойной влажности в ограждающих конструкциях является выбор формы и геометрических размеров датчиков. Специфические требования, предъявляемые к емкостным датчикам, закладываемым в отдельные точки испытуемой конструкции, в известной мере противоречивы. Действительно, одно из таких требований, заключающееся в том, что датчик не должен нарушать нормальный процесс влагопереноса в материале конструкции, диктует необходимость максимально возможного уменьшения размеров датчика. В то же время требование, заключающееся в необходимости получения информации о влажности материала в целом, а не отдельных компонент, диктует необходимость увеличения размеров датчиков с учетом неоднородности материала.

Требованию представлять наименьшее препятствие для тепломассообмена в зоне размещения датчика наилучшим образом отвечает конденсатор с копланарными (расположенными в одной плоскости) электроламп. При расположении плоскости конденсатора параллельно направлению градиента массопереноса датчик практически не представляет препятствия и не искажает температурно-влажностное поле материала. Для расчета объема электрического поля закладного емкостного датчика, определяемого его площадью и глубиной проникновения поля, используется методика исследования распределения мощности электрической энергии в поле копланарных электродов [14]. В основе этой методики лежит положение о том, что при удалении от поверхности электродов перпендикулярно их плоскости напряженность электрического поля монотонно убывает по зависимости:

,

где r1 - половина расстояния между внутренними краями электродов;

r2 - половина расстояния между наружными краями электродов;

у - расстояние от поверхности электродов;

Е0 - напряженность поля при y = 0.

Рис. 3. Зависимость относительной напряженности поля от глубины

В результате проведенных расчетов для различных размеров электродов датчика и расстояний между ними были получены относительные напряженности электрического поля вдоль оси у, характеризующие глубину проникновения поля в материал. По полученным данным построены зависимости относительной напряженности поля от глубины (расстояния от плоскости электродов) (рис. 3). Кривая 1 относится к датчику с шириной электродов 0,2 мм и расстоянием между ними 1 мм; кривая 2 - к датчику с соответственными размерами 0,5 и 2 мм; кривая 3 - к датчику с соответственными размерами 1 и 4 мм.

Пунктирная прямая, параллельная оси у, является ограничением зоны действия поля, обусловленным конечным значением чувствительности измерительной аппаратуры.

По зависимостям, изображенным на рис. 3, можно легко определить эффективную глубину проникновения поля. Ее величина, отсчитываемая по оси у, соответствует точке пересечения пунктирной прямой с кривыми 1, 2, 3.

Рекомендуемые размеры датчиков для легких и ячеистых бетонов с различными размерами фракций заполнителей (или пор) приведены в табл. 1.

Таблица 1

№ п. п.

Наибольший размер фракции заполнителя или пор, мм

Диаметр наружного электрода датчика, мм

Ширина электродов датчика, мм

Расстояние между электродами, мм

Объем поля датчика, см3

1

5

15

0,2

1

1

2

10

18

0,2

1

1,5

3

20

20

0,5

9

3,2

4

40

25

0,5

2

4,8

5

60

30

1

4

15,6

II. АППАРАТУРА ДЛЯ ПОСЛОЙНОГО ИЗМЕРЕНИЯ ВЛАЖНОСТИ ДИЭЛЬКОМЕТРИЧЕСКИМ МЕТОДОМ

В комплект измерительной аппаратуры входят закладные емкостные датчики с кабелями и измерительный прибор с выносным промежуточным преобразователем.

Конструктивно отдельный датчик представляет собой пластинку размером 20´25 мм и толщиной 1 - 1,5 мм. Для изготовления закладных датчиков используется односторонний фольгированный стеклотекстолит (СТЭФ-1). Трафаретом для изготовления датчиков является фотонегатив заданной конфигурации электродов. Изображение электродов датчика копируется фотохимическим методом с негатива на фольгированную сторону стеклотекстолитовой пластины. После обработки светочувствительного слоя незащищенные участки фольги удаляются химическим травлением и на плате остаются электроды датчика. В связи с тем что отдельный датчик имеет весьма малую площадь, технологически целесообразно на одной печатной плате размещать не один, а группу датчиков. В качестве примера на рис. 4 изображен внешний вид печатной платы с 16 датчиками.

Рис. 4. Внешний вид печатной платы датчиков

При таком способе изготовления достигается высокая степень идентичности датчиков, так как все платы печатаются с одного негатива.

На рис. 5 показан отдельный датчик с припаянным к его выводам радиочастотным кабелем, которым датчик выводится на поверхность конструкции. Длина кабеля равна 1 м, что достаточно для вывода кабеля на поверхность при толщине конструкции до 80 см.

Рис. 5. Вид отдельного подготовленного закладного датчика

1 - выводы; 2 - основание; 3 - электроды; 4 - кабель

Измерительный прибор для регистрации изменении емкости закладных датчиков разработан с учетом соображений, изложенных в разделе I настоящего Руководства.

Блок-схема прибора, реализующего одну из модификаций схем с параметрической модуляцией [15], изображена на рис. 6.

Емкостный датчик 1 включен в цепь двухполюсника 2, питаемого напряжением высокой частоты от измерительного генератора 3. Параметрическая модуляция в двухполюснике осуществляется с помощью модулятора 4. Амплитудно-модулированное высокочастотное напряжение с измерительного двухполюсника поступает на демодулятор 5. Получаемое после демодулятора низкочастотное напряжение (с частотой модуляции) усиливается усилителем 6 и поступает на один из входов фазочувствительного электронного ключа 7, на второй вход которого подается опорное напряжение той же частоты от модулятора 4. В зависимости от соотношения фаз между напряжением сигнала разбаланса и опорным напряжением фазочувствительный электронный ключ открывает или запирает вход накопителя 8. Постоянное напряжение, образующееся на выходе накопителя, подается на варикап, включенный в частотно-задающую цепь измерительного генератора. Таким образом, замыкается цепь обратной связи и образуется система автоматического уравновешивания. Динамическое равновесие этой системы устанавливается при равенстве модулей полной проводимости двухполюсника с модулируемыми параметрами, т.е. при отсутствия сигнала разбаланса, точнее при уменьшении сигнала разбаланса ниже порога чувствительности системы автоматического уравновешивания. При этом, как показано выше, частота генератора однозначно связана с величиной истинной емкости датчика. Частота измерительного генератора сравнивается в смесителе 9 с частотой опорного генератора 10, стабилизированного по частоте кварцем. С выхода смесителя разность частот измерительного и опорного генераторов поступает в преобразователь частота-напряжение 11, на выходе которого напряжение, пропорциональное истинной емкости датчика (влажности материала), фиксируется стрелочным выходным прибором 12.

Рис. 6. Блок-схема измерительного прибора

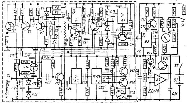
Принципиальная электрическая схема прибора приведена на рис. 7. Пунктиром обведена часть схемы, расположенная в выносном преобразователе. Через штепсельный разъем X1 к измерительному двухполюснику подключается кабель датчика.

Измерительный двухполюсник состоит из параллельно включенных индуктивности L2, емкости С19, варикапов V12 и V13. Параметрическая модуляция в двухполюснике осуществляется путем подачи на варикапы V12, V13 через резистор R33 периодически меняющегося по величине напряжения смещений. Это напряжение имеет прямоугольную форму со скважностью 2 (меандр) и частотой следования около 1000 Гц. При этом емкость варикапов V12 и V13 скачкообразно меняется и происходит параметрическая модуляция в двухполюснике. На двухполюсник подается напряжение высокой частоты от генератора через цепочку С17R30. Измерительный генератор, предназначенный для создания высокочастотного напряжения, питающего двухполюсник с емкостным датчиком, состоит из четырех каскадов - задающего, согласующего, усилительного и выходного. Задающий каскад измерительного генератора работает в автоколебательном режиме. Активным элементом, обеспечивающим самовозбуждение, является туннельный диод V4, рабочая точка которого устанавливается в середине падающей ветви вольт-амперной характеристики соответствующим соотношением плеч делителя R8, R9. Форма колебаний в контуре L1C5C4V5 весьма близка к синусоидальной. Назначение варикапа V5 в контуре задающего каскада генератора - изменять частоту генератора при изменении напряжения смещения на варикапе. Выполнение задающего каскада измерительного генератора влагомера на туннельном диоде позволяет повысить точность измерений, так как сравнительно легко достигается высокая временная стабильность частоты такого генератора. Кроме того, для нормальной работы варикапа в контуре необходимо, чтобы переменное (высокочастотное) напряжение на варикапе было намного меньше постоянного напряжения смещения. Это условие автоматически достигается также в генераторе на туннельном диоде. С контура задающего генератора напряжение высокой частоты через конденсатор С3 подается на согласующий каскад, выполненный по схеме эмиттерного повторителя на транзисторе V3. Назначение согласующего каскада - уменьшение связи между задающим и усилительным каскадами генератора с целью ослабления влияния величины нагрузки на стабильность частоты задающего каскада. С выхода согласующего каскада R5 напряжение высокой частоты подается через конденсатор С2 на вход усилительного каскада, представляющего собой усилитель напряжения, выполненный по схеме с общим эмиттером на транзисторе V2, с выхода которого напряжение высокой частоты поступает на вход выходного каскада, выполненного на транзисторе V1 по схеме с общим эмиттером. Напряжение высокой частоты с выхода генератора подается на двухполюсник и одновременно через конденсатор С18 на вход смесителя частоты.

Рис. 7. Принципиальная электрическая схема прибора

Модулятор, предназначенный для осуществления параметрической модуляции в двухполюснике и для создания опорного напряжения модулирующей частоты для нормальной работы фазочувствительного электронного ключа, выполнен по схеме генератора прямоугольных импульсов со скважностью » 2 на интегральной микросхеме Д1 с буферным каскадом (транзистор V6). Такое выполнение модулятора позволяет получить крутые фронты импульсов, что обеспечивает устойчивую работу тракта усиления сигнала разбаланса в широком динамическом диапазоне. Частота следования импульсов определяется величиной емкости С6, и при выбранном номинале С6 частота модуляции составляет около 1000 Гц.

С выхода модулятора (резистор R10) напряжение модуляции через резистор R33 подается на варикапы V12, V13, чем осуществляется параметрическая модуляция в измерительном двухполюснике в результате периодического изменения емкости варикапов с частотой модуляции, и одновременно через цепочку R39C27 на вход фазочувствительного детектора.

Демодулятор, предназначенный для преобразования амплитудно-модулированного высокочастотного напряжения, образующегося на измерительном двухполюснике при параметрической модуляции, в низкочастотный сигнал разбаланса, управляющий системой автоматического уравновешивания, выполнен по схеме амплитудного детектора на полевом транзисторе V14. На нагрузочном сопротивлении детектора R34 выделяется низкочастотная огибающая, а конденсатор С22 отфильтровывает высокочастотную несущую сигнала. Для уменьшения влияния коммутационной помехи входное и нагрузочное сопротивления R32 и R34 выбраны весьма малыми. Выход детектора согласуется с выходным сопротивлением усилителя сигнала разбаланса с помощью эмиттерного повторителя (транзистор V15).

Усилитель, предназначенный для усиления низкочастотного сигнала разбаланса до величины, обеспечивающей нормальную работу фазочувствительного детектора при изменении амплитуды сигнала разбаланса в широком диапазоне, выполнен на интегральной микросхеме А2, представляющей собой двухкаскадный усилитель с коэффициентом усиления » 500. Усиленный сигнал разбаланса поступает на фазочувствительный ключ, предназначенный для преобразования сигнала разбаланса в управляющее напряжение для работы накопительной схемы. Фазочувствительный ключ представляет собой фазочувствительный детектор, выход которого управляет работой электронного ключа. Фазочувствительный детектор выполнен на интегральной микросхеме A3. На сигнальный вход фазового детектора через конденсатор С25 с выхода усилителя поступает сигнал разбаланса. Одновременно на опорный вход фазового детектора поступает опорное напряжение той же частоты с выхода модулятора. Выходное напряжение фазового детектора (постоянного тока) снимается с коллекторов дифференциально включенных транзисторов. Конденсатор С28 сглаживает переменную составляющую выходного напряжения. В зависимости от того, в фазе или в противофазе находятся напряжения, поступающие на сигнальный и опорный входы фазочувствительного детектора, напряжение постоянного тока на выходе детектора будет иметь соответственно одну из двух полярностей. В зависимости от полярности выходное напряжение детектора открывает или закрывает электронный ключ, выполненный на транзисторах V17 и V18, эмиттер-базовые переходы которых запараллелены. При открытом ключе его сопротивление (между коллекторами V77 и V18) составляет порядка 102 Ом, а при закрытом - порядка 106 Ом. Фазочувствительный ключ управляет режимом работы накопителя, предназначенного для формирования величины напряжения смещения варикапа V5. Накопитель выполнен на транзисторе V16, в коллекторную цепь которого включен накопительный конденсатор С29. Режим работы транзистора V16, а следовательно, и напряжение на емкости С29 определяются состоянием ключа V17V18, включенного между базой транзистора V16 и плюсовой шиной. Когда ключ открыт (сопротивление между базой V16 и плюсовой шиной мало), накопительный конденсатор С29 начинает разряжаться через участок коллектор-эмиттер транзистора V16 и величина постоянного напряжения на конденсаторе С29 начинает падать. Уменьшение величины этого напряжения вызывает увеличение емкости варикапа V5, что приводит к уменьшению частоты генератора. Этот процесс будет происходить до тех пор, пока сигнал разбаланса не изменит фазу противоположную, при которой ключ закрывается. При закрывании ключа (сопротивление между базой V16 и плюсовой шиной велико) накопительный конденсатор С29 начинает заряжаться через резистор R42 от источника питания и уровень напряжения на нем растет. При этом емкость варикапа V5 уменьшается, что приводит к увеличению частоты генератора. Этот процесс также будет происходить до тех пор, пока сигнал разбаланса не изменит фазу на противоположную, при которой ключ вновь начнет открываться. Таким образом, в системе устанавливается динамическое равновесие, при котором частота генератора соответствует равенству модулей полной проводимости двухполюсника (с точностью до динамической погрешности небаланса) и является однозначной мерой истинной емкости датчика. Так как рабочая (изменяемая) емкость датчика очень мала по сравнению с общей емкостью измерительного двухполюсника и емкостью кабеля, то относительное изменение частоты генератора при изменении емкости датчика от влажности составляет 1-2 %. Для эффективного и достаточно точного осуществления регистрации измеряемой величины в этом случае целесообразно перенести это небольшое изменение частоты в низкочастотный спектр. Для этой цели используются опорный генератор высокой частоты и смеситель. Опорный генератор предназначен для получения высокочастотного напряжения с частотой, близкой к частоте измерительного генератора. Так как частота опорного генератора служит для сравнения с частотой измерительного генератора, опорный генератор должен обладать высокой стабильностью частоты. Такая стабильность достигается при использовании кварцевого резонатора. Опорный генератор с кварцевой стабилизацией частоты выполнен по обычной схеме на транзисторе V7, в цепи коллектор-база которого включен кварцевый резонатор Z1. Напряжение опорной частоты через конденсатор С9 поступает на вход смесителя частот, предназначенного для выделения разностной частоты, образующейся при смешивании частоты опорного генератора с частотой измерительного генератора. Смеситель выполнен на двух диодах V8 и V9, двух конденсаторах связи C18 и С9. Нагрузкой смесителя является цепь R17C12, на выходе которой появляется разностная частота. Напряжение разностной частоты усиливается двухкаскадным усилителем (интегральная микросхема А1) и по соединительному кабелю подается на вход преобразователя частоты напряжения, который предназначен для получения напряжения постоянного тока, пропорционального разностной частоте. Преобразователь представляет собой дифференциатор-усилитель, выполненный на интегральной микросхеме Д2 и транзисторе V11, в коллекторную цепь которого включен показывающий прибор P1.

Рис. 8. Конструкция измерительного прибора

Резистор R24 предназначен для регулировки чувствительности прибора, а резистор R27 - для установки нуля прибора при работе с ним. Переключатель диапазонов S1 позволяет расширить диапазон измерений путем смещения начального отсчета на половину шкалы.

Питание прибора осуществляется от встроенной в него батареи G1 сухих элементов типа «Сатурн» или «Марс» через стабилизатор напряжения, выполненный на стабилитроне V20, транзисторе V21 и интегральной схеме А4, представляющей собой операционный усилитель с большим коэффициентом усиления. Питание прибора включается тумблером S2, а индикация включения питания осуществляется светодиодом V19.

Конструктивно влагомер представляет собой переносной портативный прибор с выносным преобразователем, соединяемым с прибором кабелем.

Конструкция прибора изображена на рис. 8. С левой стороны корпуса прибора расположена крышка батарейного отсека 1. На лицевой панели расположены показывающий стрелочный прибор 2, индикатор включения питания 3, тумблер включения питания 4, переключатель диапазонов 5, ручка регулятора «Установка нуля» 6 и разъем для подключения выносного преобразователя 7.

III. ПОДГОТОВКА ДАТЧИКОВ ВЛАЖНОСТИ И ЗАКЛАДКА ИХ В КОНСТРУКЦИЮ

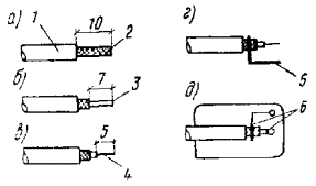
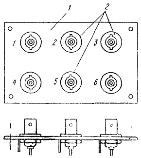
Предварительно определяют количество датчиков, которое равно количеству исследуемых слоев по толщине конструкции, умноженному на количество датчиков в каждом слое. Количество датчиков в одном слое по толщине определяется необходимой степенью осреднения, зависящей от неоднородности материала конструкции и ее размеров в плане. К полученному количеству датчиков, закладываемых в конструкцию, нужно добавить 10-12 датчиков для градуировки. Общее количество подготавливаемых датчиков должно быть взято с 20 % запасом по сравнению с необходимым количеством. Нужное количество отдельных датчиков подготавливают, разрезая печатную плату так, чтобы на каждой пластинке размещался один датчик. В центре выводов каждого датчика просверливают отверстия диаметром 0,5 мм. Затем заготавливают отрезки радиочастотного кабеля. Количество отрезков берут равным количеству датчиков в партии. Затем калибруют все отрезки кабеля по длине, которая должна быть равна 1 м ±0,5 см. Каждый отрезок кабеля разделывают по концам, причем разделяя производится на длину 10 мм ±1 мм с каждого конца. Виды конца кабеля в процессе разделки показаны на рис. 9. При припайке концов кабеля к выводам датчика и к разъему необходимо следить за тем, чтобы центральная жила кабеля была соединена с выводом от центрального электрода датчика или разъема, а оплетка кабеля - с выводом от наружного электрода. После того как вся партия датчиков оборудована кабелями и разъемами, датчики должны быть замаркированы. Для этого на каждый кабель от датчика надевают хлорвиниловую трубку длиной 15-20 мм, на которой краской наносят номер датчика. Диаметр трубки должен быть таким, чтобы она плотно надвигалась на кабель. После этого изготавливают щитки для установки соединительных разъемов. Количество разъемов на одном щитке должно соответствовать числу сечений по толщине конструкции, а количество щитков - количеству датчиков в одном сечении (количеству стволов). Внешний вид щитка на шесть разъемов показан на рис. 10. Наиболее подходящими разъемами для радиочастотного кабеля являются высокочастотные разъемы типа СР.

Рис. 9. Операции разделки концов радиочастотного кабеля

а - снятие оболочки; б - снятие оплетки; в - снятие внутренней изоляции; г - припайка вывода оплетки; д - припайка выводов к датчику; 1 - оболочка кабеля; 2 - оплетка; 3 - внутренний изоляция; 4 - центральная жила кабеля; 5 - вывод оплетки; 6 - отверстия в пластине; 7 - пластина датчика

Рис. 10. Внешний вид щитка на шесть разъемов

1 - основание щитка; 2 - разъемы

Следующим этапом подготовки партии датчиков является калибровка датчиков, заключающаяся в следующем. Соединительный кабель от выносного преобразователя, оканчивающийся разъемом, являющимся ответной частью разъемов, установленных на концах кабелей от датчиков, по очереди подключают к разъему каждого датчика. Датчик, подключенный к прибору, погружают в стеклянную бюксу диаметром 40 мм и высотой 50 мм, заполненную этиловым спиртом, который служит эталонным веществом с табличным значением диэлектрической проницаемости (e = 13,7 при t = 20 °C), и записывают показание прибора. Затем датчик вынимают из бюксы и после испарения спирта с его поверхности погружают во вторую такую же бюксу, заполненную ацетоном (чистым для анализа) (e = 21,4 при t =20 °С), и снова записывают показание прибора. Величину aд, характеризующую чувствительность датчика, находят по формуле

.

где a1 - показания прибора с датчиком, погруженным в спирт;

a2 - показания прибора с датчиком, погруженным в ацетон.

Величину aк, характеризующую отклонение емкости кабеля, находят по формуле

.

Определив aд и aк для каждого датчика в партии, отбирают для закладки датчики, у которых

aд = 1,7 ¸ 1,9 и aк = от - 2 до + 2.

Пример записи данных при калибровке датчиков приведен в табл. 2.

Таблица 2

№ датчика

a1, деление

a2, деление

Da, деление

aд

aк

Примечание

1

24,5

38,5

14

1,84

-0,5

-

2

25

39

14

1,84

0

-

3

28,5

42

13,5

1,76

4,5

Датчик отбраковывается

·

 

 

 

 

 

·

 

 

 

 

 

·

 

 

 

 

 

п

 

 

 

 

 

Так как на пластине датчика после припайки кабеля остаются остатки флюса, растворяющегося в спирте и ацетоне и меняющего диэлектрическую проницаемость эталонных веществ, то рекомендуется в одной порции эталонного вещества калибровать не более 5 датчиков. Для калибровки партии датчиков в количестве 20 шт. требуется 200 мл спирта и столько же ацетона.

После окончания калибровки датчики закрепляют в фиксаторах, предварительно составив эскиз их расположения в конструкции, по которому определяют количество датчиков, закрепляемых в каждом фиксаторе. В качестве примера на рис. 11 изображен эскиз расположения датчиков по толщине конструкции. В качестве фиксатора можно использовать рейку сечением 5´10 мм, длиной, равной толщине конструкции, из любого негигроскопического материала, обладающего низкой теплопроводностью, например из органического стекла.

Рис. 11. Эскиз расположения датчиков по толщине конструкции

1 - испытуемая конструкция (сечение по толщине); 2 - щиток; 3 - кабели от датчиков; 4 - датчики

При изготовлении опытной конструкции (панели) в форме или опалубке до заливки в нужных местах устанавливают фиксаторы с датчиками и закрепляют их в форме растяжками (рис. 12), после чего производится заливка бетонной смеси.

Во время заполнения формы бетонной смесью необходимо следить за тем, чтобы фиксаторы сохраняли вертикальное положение и не перемещались. Свободные концы кабелей, собранные в жгут, следует выводить на «теплую» сторону конструкции, иначе могут возникнуть затруднения при измерениях.

Одновременно с закладкой датчиков в конструкцию готовят образны для градуировки. В качестве форм для градуировочных образцов используют стандартные металлические формы для изготовления кубиков со стороной 5 или 7 см. Над открытой поверхностью формы укрепляют фиксатор с датчиками, аналогичный закладываемому в конструкцию. Расстояния между точками закрепления кабелей на фиксаторе выбирают так, чтобы датчики располагались по центру каждого отсека формы. Откалиброванные датчики, закладываемые в градуировочные образцы материала, не должны отличаться от закладываемых в конструкцию (см. табл. 2). Количество форм для образцов должно быть таким, чтобы получилось 10-12 образцов с заложенными в них датчиками. Подготовленные формы с датчиками заполняют бетонной смесью из тех же замесов, которыми заполнялась форма для испытуемой конструкции. Образцы для градуировки изготавливаются одновременно с изготовлением испытуемой конструкции.

Рис. 12. Установка датчиков в форме или опалубке

1 - форма или опалубка; 2 - растяжка; 3 - фиксатор; 4 - кабельный жгут; 5 - датчики

IV. ГРАДУИРОВКА АППАРАТУРЫ

Градуировка заключается в установлении корреляционной зависимости (в аналитической, графической или табличной форме) между показаниями измерительного прибора и влажностью конкретного материала. Этот этап является наиболее ответственным в описываемой методике, так как от тщательности выполнения операций по градуировке зависит точность количественного определения влажности.

Образцы - кубики со стороной 5 см - после разборки формы помещают в сушильный шкаф и высушивают при температуре 60-80 °С до постоянного веса, определяемого периодическим взвешиванием образцов. Значения «сухой» массы каждого образца записывают. Для построения градуировочной зависимости требуется иметь набор образцов конкретного материала с различной влажностью. Диапазон влажности, в котором производится градуировка измерительной аппаратуры, разбивают на интервалы, длина которых зависит от выбранного диапазона и от количества имеющихся образцов с заложенными датчиками. Рекомендуемая длина интервалов для наиболее распространенных конструктивных строительных материалов составляет: для керамзитобетона (диапазон 3-24 %) - 3 %, для газобетона (диапазон 6-40 %) - 6 %, для тяжелого бетона (диапазон 0-10 %) - 2 %. Рассчитывают значение массы каждого образца, до которого он должен быть искусственно увлажнен. Расчет производят по формуле.

; i = 1, 2, …, n,

где Рсух i - масса i-того образца, высушенного до постоянного веса, г;

l - длина интервала в диапазоне влажности, %;

п - количество интервалов.

Увлажнение образцов производят погружением их в воду на некоторое время, определяемое структурой материала и требуемым значением , которое контролируют периодическим взвешиванием. Перед взвешиванием с образца, вынутого из воды, стряхивают капли и обтирают его мягкой материей. По достижении образцом своего значения  образец помещают в полиэтиленовый пакет так, что свободный конец кабеля выходит из пакета. Пакет и выходящий из него кабель обматывают изоляционной лентой, при этом следует следить за тем, чтобы внутри пакета осталось как можно меньше воздуха. Поочередно подключают каждый датчик к измерительному прибору и записывают его показания. Затем все образцы должны быть выдержаны в течение определенного времени для равномерного, распределения искусственно сообщенной влаги по всему объему образца. Для ускорения процесса перераспределения влаги в образцах рекомендуется выдерживать пакеты с образцами при температуре 30-40 °С. Для косвенного контроля процесса перераспределения влаги и образцах датчики, заложенные в них, периодически подключают к измерительному прибору и записывают его показания. Выдержку заканчивают, когда показания прибора на всех образцах перестали меняться. Каждый образец извлекают из пакета и взвешивают. По значению полученного веса и известного «сухого» веса определяют истинное значение влажности образца. При этом необходимо помнить, что все взвешивания готовых образцов производились вместе с заложенными датчиками и кабелями, вес которых (известный до закладки в образец) должен быть обязательно учтен при расчетах. В результате проведенных операций и расчетов получают ряд значений влажности данного материала, которому соответствует ряд показаний прибора (установившиеся значения). По соответствующим парам значений влажности образца и показаний прибора строят градуировочную зависимость «показания прибора - влажность материала».

В связи с тем что в общем случае корреляция между диэлектрической проницаемостью и влажностью материала имеет нелинейный характер, меру приближения влажности, измеренной диэлькометрическим методом, к истинной влажности следует характеризовать корреляционным отношением :

,

где l - количество интервалов, на которое разбит диапазон влажности;

k - номер интервала;

тк - количество точек, абсциссы которых находятся в данном (k) интервале;

 - условная средняя влажность в данном интервале;

;

 - среднее арифметическое значение влажности во всем диапазоне;

n - количество образцов;

 - эмпирическая дисперсия;

;

i - номер образца;

Wi - - влажность i-го образца.

Построение градуировочной зависимости (кривой регрессии) проводится методом наименьших квадратов. Обычно ограничиваются параболической зависимостью невысокого порядка (многочлен 2-й или 3-й степени). Отыскание параметров многочлена производят с помощью стандартных математических приемов, изложенных в справочных руководствах, например в [2].

В качестве примера на рис. 13 изображены градуировочные зависимости. Кривая 1 относится к керамзитобетону с g = 1300 кг/м3, кривая 2 - к газобетону с g = 800 кг/м3.

Рис. 13. Градуировочные зависимости прибора на керамзитобетоне и газобетоне

В ряде практических случаев, например, при ограниченном диапазоне влажности, кривая регрессии с достаточной точностью аппроксимируется прямой. В этих случаях меру зависимости между показаниями прибора и истинной влажностью удобнее характеризовать с помощью коэффициента корреляции:

,

где ;

 - показания прибора на i-том образце;

 - среднее арифметическое значение показаний прибора на всех образцах.

Погрешность градуировки (средняя квадратичная) в этом случае может быть определена по формуле

.

Для получения большей статистической достоверности градуировочной зависимости рекомендуется провести 2-3 цикла с искусственным увлажнением и выдержкой образцов, причем очередность различно увлажняемых образцов следует произвольно менять от цикла к циклу.

Общая длительность процесса градуировки зависит от свойств конкретного материала (пористости, объемного веса и пр.), а также от количества повторяемых циклов и может составлять от двух недель до полутора-двух месяцев.

V. ПРОВЕДЕНИЕ ИЗМЕРЕНИЙ И ОБРАБОТКА РЕЗУЛЬТАТОВ

Послойные измерения влажности конструкции с заложенными датчиками, смонтированной в климатической камере или на натурном объекте, производят по установленной программе: например, до испытаний в камере (в изотермических условиях), несколько раз в процессе испытаний (в установившемся режиме температурного перепада) и после испытаний (или летом и зимой в натурных условиях). Измерительный прибор располагают в непосредственной близости от щитка с разъемами, которыми оканчиваются кабели от датчиков, заложенных в испытуемую конструкцию (рис. 14).

Рис. 14. Проведение измерений послойной влажности в климатической камере

Включают питание прибора, по калибровочному датчику устанавливают стрелку прибора на нулевое показание и, поочередно подключая кабель прибора к разъемам на щитке, записывают показания прибора соответственно номеру датчика. Длительность одного измерения (включая запись показаний) составляет примерно 1 мин.

Пользуясь градуировочной зависимостью «показания прибора - влажность материала», показания прибора, снятые при измерениях, переводят в значения влажности. Пример записи при измерениях приведен в табл. 3.

Таблица 3

№ датчика

Глубина от теплой стороны, мм

До испытаний

После испытаний

показания прибора, деление

влажность, %

показания прибора, деление

влажность, %

107

40

43,5

10,5

65

12

158

85

126,5

117,3

161,5

20

153

130

148

19,1

184,5

21,9

130

175

98,5

15

167

20,5

132

220

41

10,3

93

14,3

Примечания: 1. Стеновая панель из керамзитобетона g = 700 кг/м3.

2. Испытания в камере начаты . . . . , окончены . . . .

По результатам измерений и данным о расположении датчиков в конструкции строят кривые распределения влажности по толщине конструкции. Пример построения таких кривых приведен на рис. 15. Там же для сравнения (пунктиром) изображены кривые распределения влажности, построенные по результатам определения влажности проб, отобранных из испытуемой конструкции шлямбуром в те же моменты времени.

Оценивая точность измерения влажности по описанной методике, прежде всего необходимо обратить внимание на весьма существенное обстоятельство, затрудняющее такую оценку и заключающееся в том, что единственный нормативный документ, регламентирующий методику послойного определения влажности при теплофизических испытаниях ограждающих конструкций [16], не содержит указаний по оценке погрешностей таких определений. В то же время известно, что информация о влажности материала в конструкции, получаемая путем отбора проб шлямбуром, неточна. Причем неточностей при получении таким путем информации о влажности достаточно много: нарушение естественной структуры и изменение влажности материала из-за разогрева при отборе пробы шлямбуром, несоответствие глубины погружения шлямбура расчетной глубине, ограниченное количество проб и ряд других. Погрешность определения локальной влажности, обусловленную этими причинами, нельзя определить экспериментально, так как невозможно взять повторные пробы из одной и той же точки конструкции. Поэтому оценивать точность определения влажности закладным датчиком путем сравнения измеренной величины с влажностью пробы, взятой из этого же слоя, но в другой точке, неправомерно, хотя бы потому, что сравниваются различные значения влажности, а не одна и та же. Единственным объективным способом оценки точности измерений влажности закладными датчиками является сравнение влажности образца, в котором заложен датчик, полученной по имеющейся градуировочной зависимости, с влажностью этого же образца, полученной методом высушивания до постоянной массы. Для этой цели могут быть использованы образцы, на которых производилась градуировка.

Рис. 15. Кривые распределения влажности по толщине ограждающей конструкции

Образцы увлажняют (или подсушивают) так, чтобы получить несколько произвольных значений влажности в измеряемом диапазоне, влагоизолируют их и выдерживают в течение определенного времени до равномерного распределения влажности по объему каждого образца (см. раздел IV настоящего Руководства). Подключая к измерительному прибору поочередно датчики, заложенные в эти образцы, записывают его показания и с помощью ранее полученной градуированной зависимости переводят эти показания в значения влажности. Затем образцы высушивают и, зная сухую массу, находят влажность каждого.

Погрешность измерения влажности (абсолютная)

,

где Wi - влажность i-го образца по градуировочной зависимости;

W0i - влажность i-го образца, полученная методом высушивания.

ПРИЛОЖЕНИЕ 1

МЕТОДИКА ПРОВЕРКИ, РЕГУЛИРОВКИ И НАСТРОЙКИ ПРИБОРА

Для проверки, регулировки и настройки необходимы следующие измерительные приборы:

вольтметр типа В7-13;

осциллограф С1-65;

частотомер Ч3-36.

Примечание. Указанные приборы могут быть заменены на аналогичные по техническим характеристикам.

Регулировку и настройку необходимо производить в указанной ниже последовательности.

Вольтметр подключают к выходу стабилизатора напряжения (параллельно конденсатору С30) с соблюдением полярности. С помощью переменного резистора R45 устанавливают выходное напряжение стабилизатора равным 9±0,1 В. В случае отсутствия напряжения на выходе стабилизатора или невозможности установки с помощью R45 указанной величины этого напряжения, следует проверить величину напряжения на входе стабилизатора (параллельно конденсатору С31, которое при свежей батарее должно иметь величину не менее 18 В. При отсутствии напряжения на входе стабилизатора следует проверить исправность тумблера S2, конденсатора С31 и наличие контактов в батарейном отсеке. Если же при нормальном напряжении на входе стабилизатора его выходное напряжение не регулируется с помощью R45, следует проверить исправность диода V20 и транзистора V21, а также правильность их включения в схему.

Вольтметр подключают к выходу эмиттерного повторителя, собранного на транзисторе V15 (параллельно резистору R36). Постоянное напряжение на резисторе R36 должно составлять 4,5±0,5 В. Подгонку напряжения осуществляют подбором величины резистора R35.

Затем вольтметр подключают к выходу эмиттерного повторителя, собранного на транзисторе V3 (параллельно резистору R5). постоянное напряжение на резисторе R5 должно составлять величину 4,5±0,5 В. Подгонку напряжения осуществляют подбором величины резистора R6.

Вольтметр подключают к выходу усилительного каскада генератора высокой частоты, собранного на транзисторе V2 (параллельно резистору R3). Постоянное напряжение на резисторе R3 должно составлять 4,5±0,5 В. Подгонку напряжения осуществляют подбором величины резистора R4.

Вольтметр подключают к выходу буферного каскада измерительного генератора, собранного на транзисторе V1 (между нулевой шиной и коллектором V1). Постоянное напряжение на коллекторе V1 должно составлять 4,5±0,5 В. Подгонку напряжения осуществляют подбором величины резистора R2.

Осциллограф с помощью делителя 1 : 10 подключают к коллектору транзистора V7. На экране осциллографа должно наблюдаться синусоидальное напряжение с частотой кварцевого резонатора 6516 кГц, с амплитудой от пика до пика порядка 0,1 В. В случае отсутствия указанного напряжения на экране осциллографа необходимо подобрать величину резистора R15 до получения устойчивой генерации опорного генератора.

Вольтметр подключают к выходу эмиттерного повторителя, собранного на транзисторе V10 (параллельно резистору R18). Постоянное напряжение на эмиттере V10 должно составлять 4,5 ±0,5 В. Подгонку напряжения осуществляют подбором величины резистора R19.

Частотомер подключают параллельно резистору R5. Вращая сердечник катушки индуктивности L2 и следя за показаниями частотомера, устанавливают частоту измерительного генератора равной частоте опорного генератора (6516 кГц).

Частотомер отключают от резистора R5. Вольтметр подключают параллельно накопительному конденсатору С29. Вращая сердечник катушки индуктивности L1 и следя за показаниями вольтметра, устанавливают напряжение на конденсаторе С29 равным 7,5±0,1 В.

Вольтметр отключают от накопителя. Частотомер подключают параллельно резистору R18 и производят окончательную подстройку измерительного двухполюсника. Вращая сердечник катушки L2 и следя за показаниями частотомера, настраивают контур двухполюсника так, чтобы разностная частота измерительного и опорного генераторов была равна 20±0,5 кГц. Это значение разностной частоты получается при двух положениях сердечника L2. Правильной настройке соответствует большее значение индуктивности L2 (сердечник ввернут больше).

Проверку правильности настройки производят следующим образом. К электродам датчика подносят руку на расстояние в несколько миллиметров (не касаясь рукой электродов) и следят за показаниями частотомера. Если при приближении руки разностная частота увеличивается, значит настройка произведена правильно. В противном случае необходимо, следя за показаниями частотомера и увеличивая индуктивность катушки (медленно вращая сердечник по часовой стрелке), добиться, чтобы разностная частота была равна 20±0,5 кГц.

Примечание. Все операции по настройке контуров производятся при подключенном к преобразователю датчике, причем рабочая поверхность датчика не должна касаться каких-либо предметов.

С помощью переменного резистора R27 устанавливают стрелку показывающего прибора на начало шкалы (оцифрованная отметка 0) с точностью ±0,5 деления.

Датчик опускают в бюксу с ацетоном (см. разд. III настоящего Руководства).

С помощью переменного резистора R24 устанавливают стрелку показывающего прибора на конец шкалы (оцифрованная отметка 100) с точностью ±0,5 деления. При этом переключатель диапазонов должен находиться в положении 1.

На этом настройка и регулировка прибора заканчивается.

ПРИЛОЖЕНИЕ 2

Перечень элементов к принципиальной электрической схеме прибора

Обозначение по схеме

Наименование и тип

Номинал

R1

Резистор МЛТ-0,125

1 кОм

R2*

То же

68 кОм

R3

»

4,3 кОм

R4*

»

150 кОм

R5

»

4,3 кОм

R6*

»

180 кОм

R7

»

1 МОм

R8

»

6,8 кОм

R9

»

150 Ом

R10

»

1 кОм

R11

»

33 кОм

R12

»

680 Ом

R13

»

2 кОм

R14

»

7,5 кОм

R15*

Резистор МЛТ-0,125

91 кОм

R16

То же

7,5 кОм

R17

»

43 кОм

R18

»

1,2 кОм

R19*

»

91 кОм

R20

»

15 кОм

R21

»

1,2 кОм

R22

Резистор МЛТ-0,125

150 Ом

R23

То же

3,3 кОм

R24

Резистор СПЗ-1а

5,6 кОм

R25

Резистор МЛТ-0,125

330 Ом

R26

То же

4,3 кОм

R27

Резистор СП1

470 Ом

R28

Резистор МЛТ-0,125

200 Ом

R29

То же

2,4 кОм

R30

»

1 кОм

R31

»

10 кОм

R32

»

10 кОм

R33

»

15 кОм

R34

»

10 кОм

R35

»

91 кОм

R36

»

4,3 кОм

R37

»

1 кОм

R38

»

1 кОм

R39

»

2 кОм

R40

»

1 кОм

R41

»

1 кОм

R42

»

2,2 кОм

R43

»

4,7 кОм

R44

»

750 кОм

R45

Резистор СПЗ-1а

680 Ом

R46

Резистор МЛТ-0,125

910 Ом

R47

То же

430 Ом

С1

Конденсатор КТ-1

100 пФ

С2

То же

100 пФ

С3

»

36 пФ

С4

Конденсатор К10-7

330 пФ

С5

Конденсатор КТ-1

100 пФ

С6

Конденсатор МБМ-1

0,1 мкФ

С7

Конденсатор К50-6

10 МКФХ15В

С8

То же

1 МКФХ15В

С9

Конденсатор КТ-1

10 пФ

С10

Конденсатор К10-7

330 пФ

С11

То же

33 нФ

С12

»

330 пФ

С13

»

33 нФ

С14

»

1 нФ

С15

»

33 нФ

С16

Конденсатор КСО-2

1600 пФ

С17

Конденсатор К10-7

1 нФ

С18

Конденсатор КТ-1

5,1 пФ

С19

Конденсатор КСО-1

470 пФ

С20

Конденсатор К50-6

10 МКФХ15В

С21

Конденсатор КТ-1

15 пФ

С22

Конденсатор К10-7

1 нФ

С23

Конденсатор К50-6

10 МКФХ15В

С24

То же

10 МКФХ15В

С25

»

10 мкФХ15В

С26

»

10 МКФХ15В

С27

»

10 МКФХ15В

С28

»

10 МКФХ15В

С29

»

100 мкФХ15В

С30

»

20 МКФХ15В

С31

»

200 мкФХ25В

V1

Транзистор КТ603Г

-

V2

Транзистор КТ316Д

-

V3

Транзистор КТ347Б

-

V4

Туннельный диод АИ402Е

-

V5

Варикап КВ102В

-

V6

Транзистор КТ316Б

-

V7

Транзистор КТ316Д

-

V8

Диод ГД402Б

-

V9

То же

-

V10

Транзистор КТ316Д

-

V11

То же

-

V12

Варикап КВ102В

-

V13

То же

-

V14

Транзистор КП303В

-

V15

Транзистор КТ31СД

-

V16

Транзистор KT316Б

-

V17

Транзистор КТ347Б

-

V18

То же

-

V19

Светодиод АЛ102Г

-

V20

Стабилитрон КС147А

-

V21

Транзистор КТ603Г

-

А1

Микросхема К122УН1В

-

А2

То же

-

A3

»

-

А4

Микросхема К140УД1А

-

Д1

Микросхема К155ЛА8

-

Д2

Микросхема К155ЛБ8

-

G1

Батарея элементов «Марс» (12 шт.)

-

S1

Тумблер ТВ-1

-

S2

То же

-

Z1

Кварцевый резонатор на 6516 кГц

-

X1

Розетка приборная СР50-113Ф

-

Х2

Разъем штепсельный 2РМ14

-

P1

Микроамперметр М93 на 100 мкА

-

* Номиналы подбираются при наладке прибора.

ЛИТЕРАТУРА

1. Б. Ф. Васильев. Натурные исследования температурно-влажностного режима жилых зданий. М. Госстройиздат, 1957.

2. Л. З. Румшиский. Математическая обработка результатов эксперимента. М., Наука, 1971.

3. В. С. Ройфе. Методика послойного определения влажности при теплофизических испытаниях ограждающих конструкций. - В кн.: «Труды института». Вып. 14 (XXVIII). «Теплозащитные свойства ограждающих конструкций производственных зданий». М., НИИСФ, 1975.

4. М. А. Берлинер. Электрические измерения, автоматический контроль и регулирование влажности. М.-Л., «Энергия», 1965.

5. Г. И. Сканави. Физика диэлектриков (область слабых полей). М.-Л. Гос. изд. техн.-теор. л-ры, 1949.

6. В. С. Ройфе. Некоторые вопросы связи электрических характеристик строительных материалов с их физико-химическими свойствами в электрических полях высокой частоты. - В кн.; «Применение достижений современной физики в строительстве». М., Стройиздат, 1967.

7. Г. Я. Черняк. Диэлектрические методы исследования влажных грунтов. М., Недра, 1964.

8. Г. И. Атабеков и др. Теоретические основы электротехники. Ч. III. М-Л., Энергия, 1966.

9. Г. И. Атабеков. Основы теории цепей. М., Энергия, 1969.

10. В. С. Ройфе. О некоторых особенностях измерений влажности диэлектрическим методом. - В кн.: «Научные труды НИИ строительной физики». Вып. VI. М., 1969.

11. В. С. Ройфе. Исследование влияния диэлектрических потерь на точность определения влажности строительных материалов. - В кн.: «Приборы и устройства для автоматизации предприятий строительной индустрии». Вып. III. Киев, Будiвельник, 1966.

12. В. С. Ройфе, М. И. Фримштейн. Способ измерения влажности. Авт. свид, № 266286. - «Бюлл. изобрет.», 1970, № И.

13. Л. В. Каменев, В. С. Ройфе. Диэлькометрические влагомеры на основе схем с парометрической модуляцией. - «Приборы и системы управления», 1974, № 10.

14. А. В. Нетушил и др. Высокочастотный нагрев диэлектриков и полупроводников. М., Госэнергоиздат, 1959.

15. В. С. Ройфе. Автоматический электронный влагомер. Авт. свид. № 529407. - «Бюлл. изобрет.», 1976, № 35.

16. ОСТ 20-2-74. Методы проверки теплозащитных качеств и воздухопроницаемости ограждающих конструкций в крупнопанельных зданиях.

СОДЕРЖАНИЕ

I. Физико-технические основы диэлькометрического метода измерения влажности. 2

II. Аппаратура для послойного измерения влажности диэлькометрическим методом.. 7

III. Подготовка датчиков влажности и закладка их в конструкцию.. 13

IV. Градуировка аппаратуры.. 17

V. Проведение измерений и обработка результатов. 19

Приложение 1 Методика проверки, регулировки и настройки прибора. 21

Приложение 2 Перечень элементов к принципиальной электрической схеме прибора. 23

 

 




ГОСТЫ, СТРОИТЕЛЬНЫЕ и ТЕХНИЧЕСКИЕ НОРМАТИВЫ.
Некоммерческая онлайн система, содержащая все Российские Госты, национальные Стандарты и нормативы.
В Системе содержится более 150000 файлов нормативно-технической документации, действующей на территории РФ.
Система предназначена для широкого круга инженерно-технических специалистов.

Рейтинг@Mail.ru Яндекс цитирования

Copyright © www.gostrf.com, 2008 - 2026