Крупнейшая бесплатная информационно-справочная система онлайн доступа к полному собранию технических нормативно-правовых актов РФ. Огромная база технических нормативов (более 150 тысяч документов) и полное собрание национальных стандартов, аутентичное официальной базе Госстандарта. GOSTRF.com - это более 1 Терабайта бесплатной технической информации для всех пользователей интернета. Все электронные копии представленных здесь документов могут распространяться без каких-либо ограничений. Поощряется распространение информации с этого сайта на любых других ресурсах. Каждый человек имеет право на неограниченный доступ к этим документам! Каждый человек имеет право на знание требований, изложенных в данных нормативно-правовых актах!

  


 

ГОСТ Р МЭК 61184-99

ГОСУДАРСТВЕННЫЙ СТАНДАРТ РОССИЙСКОЙ ФЕДЕРАЦИИ

ПАТРОНЫ БАЙОНЕТНЫЕ

ГОССТАНДАРТ РОССИИ

Москва

Предисловие

1 РАЗРАБОТАН И ВНЕСЕН Всероссийским научно-исследовательским проектно-конструкторским светотехническим институтом им. С.И. Вавилова (ООО «ВНИСИ»)

2 ПРИНЯТ И ВВЕДЕН В ДЕЙСТВИЕ Постановлением Госстандарта России от 18 августа 1999 г. № 263-ст

3 Настоящий стандарт представляет собой аутентичный текст международного стандарта МЭК 61184 (1997) «Патроны байонетные»

4 ВВЕДЕН ВПЕРВЫЕ

СОДЕРЖАНИЕ

Введение. 1

1 Общее. 2

1.1 Область применения. 2

1.2 Нормативные ссылки. 2

2 Определения. 3

3 Общие требования. 4

4 Общие указания к испытаниям.. 5

5 Нормируемые параметры.. 5

6 Классификация. 6

7 Маркировка. 7

8 Размеры.. 8

9 Защита от поражения электрическим током.. 8

10 Контактные зажимы.. 9

11 Заземление. 11

12 Конструкция. 12

13 Патроны со встроенным выключателем.. 15

14 Влагостойкость, сопротивление и электрическая прочность изоляции. 16

15 Механическая прочность. 17

16 Винты, токоведущие детали и соединения. 20

17 Пути утечки тока и воздушные зазоры.. 20

18 Теплостойкость. 21

19 Нагревостойкость, устойчивость к воспламенению и токам поверхностного разряда. 24

20 Защита от старения и коррозии. 26

Приложение А Испытание на коррозионную стойкость. 37

Приложение В Соответствие стандартов МЭК государственным стандартам.. 37

ГОСУДАРСТВЕННЫЙ СТАНДАРТ РОССИЙСКОЙ ФЕДЕРАЦИИ

ПАТРОНЫ БАЙОНЕТНЫЕ

Bayonet lampholders

Дата введения 2001-01-01

Введение

Настоящий стандарт устанавливает требования безопасности к байонетным патронам и содержит рекомендации МЭК 60061 по контролю требований взаимозаменяемости и безопасности при соединении цоколя и патрона.

Примечание - Требования безопасности обеспечены тем, что патроны, разработанные согласно настоящему стандарту, при эксплуатации в соответствии с их назначением не подвергают опасности людей, домашних животных или имущество.

Тепловые характеристики патронов определены наибольшей нормируемой рабочей температурой (символ Т), на которую патрон рассчитан. Нормированная температура и нагревостойкость, приведенные в настоящем стандарте, основаны на двух различных принципах согласно МЭК 60238 на резьбовые патроны для электрических ламп и в других национальных стандартах на байонетные патроны. В процессе накопления опыта не исключается возможность рационализации системы в последующих изданиях стандарта.

1 Общее

1.1 Область применения

Настоящий стандарт распространяется на патроны байонетные типов B15d и B22d для присоединения ламп и ламп-светильников к сети питания напряжением до 250 В.

Насколько возможно, стандарт также распространяется на патроны, которые полностью или частично являются неотъемлемой частью светильника или предназначены для встраивания в приборы.

Независимые патроны, например фланцевые, не предназначенные специально для встраивания, должны отвечать дополнительным требованиям, приведенным в разделе 3.

Примечание - При использовании патронов в светильниках их максимальные рабочие температуры регламентируются МЭК 60598.

В обозначении типа патрона В15 означает, что комплект цоколь/патрон, описанный в МЭК 60061-1, лист 7004-11 и МЭК 60061-2, лист 7005-16, соответствует калибрам, В22 означает, что комплект цоколь/патрон, описанный в МЭК 60061-1, лист 7004-10 и МЭК 60061-2, лист 7005-10, соответствует калибрам.

В настоящем стандарте методы испытаний выделены курсивом.

1.2 Нормативные ссылки

Следующие нормативные документы содержат положения, на которые даны ссылки в настоящем стандарте. На дату издания настоящего стандарта указаны действующие редакции. Все стандарты подвергают пересмотру и частичным изменениям, поэтому следует применять более поздние издания стандартов, указанных ниже. Члены МЭК и ИСО ведут регистрацию действующих международных стандартов.

МЭК 60061 Цоколи и патроны для ламп и калибров для проверки их взаимозаменяемости и безопасности

МЭК 60061-1 (1969)* Цоколи и патроны для ламп и калибров для проверки их взаимозаменяемости и безопасности. Часть 1. Цоколи для электрических ламп

* Соответствие стандартов МЭК государственным стандартам указано в приложении В.

МЭК 60061-2 (1969) Цоколи и патроны для ламп и калибров для проверки их взаимозаменяемости и безопасности. Часть 2. Патроны для электрических ламп

МЭК 60061-3 (1969) Цоколи и патроны для ламп и калибров для проверки их взаимозаменяемости и безопасности. Часть 3. Калибры

МЭК 60064 (1993)* Лампы накаливания для бытового и аналогичного назначения общего освещения. Требования к эксплуатационным характеристикам

МЭК 60068-2-62 (1991) Испытания на воздействие внешней среды. Часть 2. Испытания. Испытание Ef. Маятниковая ударная установка

МЭК 60068-2-63 (1991) Испытание на воздействие внешней среды. Часть 2. Испытания. Испытание Eg. Ударное пружинное устройство

МЭК 60112 (1979)* Метод определения сравнительного и контрольного индекса трекингостойкости твердых электроизоляционных материалов во влажной среде

МЭК 60227* Кабели с поливинилхлоридной изоляцией на номинальное напряжение до 450/750 В включительно

МЭК 60245* Кабели с резиновой изоляцией на номинальное напряжение до 450/750 В включительно

МЭК 60399 (1972) Стандартные листы на круглую резьбу для патронов Е14 и Е27 с прижимающим кольцом

МЭК 60417 (1973)* Графические символы, наносимые на аппаратуру. Указатель, обзор и набор отдельных листов

МЭК 60432* Требования безопасности для ламп накаливания

МЭК 60529 (1989)* Степени защиты, обеспечиваемые оболочками (Код IP)

МЭК 60598-1 (1996)* Светильники. Часть 1. Общие требования и методы испытаний

МЭК 60664 Координация изоляции приборов для низковольтных систем, включая воздушные зазоры и расстояния путей утечки

МЭК 60695-2* Испытание на пожаробезопасность. Часть 2. Методы испытаний

МЭК 60695-2-1/0 (1994) Испытание на пожаробезопасность. Часть 2. Методы испытаний. Раздел 1/лист 0. Методы испытаний раскаленной проволокой

МЭК 60695-2-1/1 (1994) Испытание на пожаробезопасность. Часть 2. Методы испытаний. Раздел 1/лист 1. Испытание раскаленной проволокой готового изделия и руководство

ИСО 4046 (1978) Бумага, картон, целлюлоза. Словарь

2 Определения

В настоящем стандарте применяют следующие определения.

Примечание - Для разъяснения отдельных определений см. также рисунок 4.

2.1 Материалы

2.1.1 пластмассовый патрон: Патрон, наружные детали которого полностью изготовлены из полимерного материала.

Примечание - Наружные детали: любая деталь патрона, которая при полностью скомплектованном и заряженном проводами патроне, с установленным в него испытательным устройством, указанном на рисунке 7, доступна для прикосновения стандартным испытательным пальцем по МЭК 60529.

2.1.2 керамический патрон: Патрон, наружные детали которого полностью изготовлены из керамики (см. примечание к 2.1.1).

2.1.3 металлический патрон: Патрон, наружные детали которого полностью или частично изготовлены из металла (см. примечание к 2.1.1).

2.2 Способы крепления

2.2.1 шнуровой патрон: Патрон с устройством фиксации гибкого шнура, на котором патрон может быть подвешен (см. рисунок 4а).

2.2.2 патрон с резьбовым вводом: Патрон, имеющий в отверстии ввода провода деталь с резьбой, позволяющую соединять патрон с сопряженной резьбовой поддержкой (прежнее название - ниппельный патрон) (см. рисунок 4b).

2.2.3 фланцевый патрон: Патрон, конструкция которого позволяет устанавливать его посредством присоединенного или выполненного заодно с ним фланца непосредственно на опорной поверхности или в соответствующем блоке (см. рисунок 4с).

2.3 сборка зажим/контакт: деталь или сборка деталей, обеспечивающих электрическое соединение сетевых проводов с контактной поверхностью соответствующего цоколя лампы, а также создающих надежное контактное давление.

Сборка может быть:

a) подвижного типа, когда контактный зажим может перемещаться параллельно оси лампы при вставлении цоколя лампы;

b) неподвижного типа, когда контактный зажим при вставлении цоколя лампы не перемещается.

Примечание - Контактный зажим и гильзы могут быть составной частью.

2.4 соединительное кольцо: Цилиндрическая деталь, соединяющая отдельные наружные детали патрона.

2.5 абажурное кольцо: Цилиндрическая деталь, имеющая внутреннюю резьбу или другой способ крепления ее на наружной части корпуса патрона, предназначенная для фиксирования абажура.

2.6 юбка (только у пластмассовых патронов): Деталь, подобная абажурному кольцу, но имеющая более протяженную цилиндрическую форму, позволяющая закрыть патрон по всей его длине.

2.6.1 защитный кожух (только у пластмассовых патронов): Деталь, подобная юбке, но имеющая коническую форму, для защиты потребителя от случайного прикосновения к цоколю лампы (см. рисунок 9).

2.7 донышко: Деталь шнурового патрона или патрона с резьбовым вводом, закрывающая контактные зажимы.

2.8 гильза: Деталь патрона, предназначенная для механического соединения цоколя лампы с патроном.

2.9 встраиваемый патрон: Патрон, предназначенный для встраивания в светильник, дополнительную оболочку или тому подобное.

2.9.1 незащищенный патрон: Встраиваемый патрон, конструкция которого требует дополнительных средств, например оболочки, для удовлетворения требований настоящего стандарта по защите от поражения электрическим током.

2.9.2 защищенный патрон: Встраиваемый патрон, конструкция которого удовлетворяет требованиям настоящего стандарта по защите от поражения электрическим током и МЭК 60529 по степени защиты оболочками.

2.10 независимый патрон: Патрон, который может быть установлен отдельно от светильника, обеспечивая при этом необходимую защиту в соответствии с его классификацией и маркировкой.

2.11 патрон со встроенным выключателем: Патрон, снабженный встроенным выключателем для подачи питания на лампу.

2.12 основная изоляция: Изоляция токоведущих деталей, которая обеспечивает основную защиту от поражения электрическим током.

Примечание - Основная изоляция не обязательно используется только для функциональных целей.

2.13 дополнительная изоляция: Независимая изоляция, применяемая в дополнение к основной и предназначенная для защиты от поражения электрическим током в случае повреждения основной изоляции.

2.14 двойная изоляция: Изоляция, включающая основную и дополнительную изоляции.

2.15 усиленная изоляция: Единая система изоляции токоведущих деталей, обеспечивающая при определенных условиях защиту от поражения электрическим током, эквивалентную двойной изоляции.

Примечание - Термин «система изоляции» не предполагает, что изоляция должна представлять собой однородную деталь. Система может содержать несколько слоев, которые не могут быть испытаны отдельно, только как основная или дополнительная изоляция.

2.16 токоведущая деталь: Токопроводящая деталь, прикосновение к которой может вызвать поражение электрическим током при эксплуатации. Нейтральный проводник должен рассматриваться как токоведущая деталь.

Испытание по оценке принадлежности токопроводящей детали к токоведущей, способной вызвать поражение электрическим током, описано в приложении А МЭК 60598-1.

2.17 типовые испытания: Испытание или серия испытаний, проводимых на выборке для типовых испытаний с целью проверки соответствия конструкции конкретного патрона требованиям настоящего стандарта.

2.18 выборка для типовых испытаний: Выборка, состоящая из одного или нескольких идентичных типов, представленных изготовителем или ответственным поставщиком для проведения типовых испытаний.

2.19 лампа-светильник: Устройство, аналогичное разрядной лампе со встроенным пускорегулирующим аппаратом, но рассчитанное на замену лампы и/или зажигающего устройства.

2.20 нормируемая рабочая температура: Максимальная температура, на которую рассчитан патрон.

2.21 нормированное импульсное напряжение: Наибольшая амплитуда импульсного напряжения, которую патрон способен выдержать.

3 Общие требования

Патроны должны быть сконструированы так, чтобы при нормальной эксплуатации они надежно работали и не создавали опасность для обслуживающего персонала и окружающей среды.

Проверку осуществляют, как правило, путем проведения всех указанных в настоящем стандарте испытаний.

Независимые патроны, не предназначенные специально для встраивания, должны отвечать требованиям, указанным в следующих разделах МЭК 60598-1, если эти требования не нашли отражения в настоящем стандарте:

раздел 2 - классификация;

раздел 3 - маркировка;

раздел 4 - конструкция (если соответствует);

раздел 8 - защита от поражения электрическим током;

раздел 9 - защита от пыли, твердых частиц и влаги;

раздел 10 - электрическое сопротивление и прочность; изоляции (для класса защиты II);

раздел 12, пункты 12.4 и 12.5 - тепловые испытания.

4 Общие указания к испытаниям

4.1 Испытания по настоящему стандарту являются типовыми.

Примечание - Требования и допуски, регламентированные настоящим стандартом, относятся к испытанию выборки для типовых испытаний, представленной для этой цели. Соответствие выборки не означает, что вся продукция изготовителя удовлетворяет требованиям безопасности настоящего стандарта. В дополнение к типовым испытаниям изготовитель, ответственный за соответствие продукции стандартам, может проводить дополнительные испытания, гарантирующие качество.

4.2 При отсутствии других указаний поставленные для испытаний образцы устанавливают как для нормальной эксплуатации, но без ламп, и испытывают при температуре окружающей среды (20±5)°С.

4.3 В общем случае все проверки и испытания проводят на:

a) восьми образцах патронов без встроенного выключателя или

b) одиннадцати образцах патронов со встроенным выключателем в следующей последовательности:

- три образца - по разделам 3-12;

- три образца - по разделам 14-18;

- три образца - по разделу 13 (только патроны со встроенным выключателем);

- два образца - по разделам 19 и 20.

Примечание - Для испытания безвинтовых контактных зажимов на соответствие 10.2 требуются дополнительные образцы. Они также необходимы для независимых патронов, не предназначенных специально для встраивания (см. раздел 3).

4.4 Патроны соответствуют требованиям настоящего стандарта, если все образцы выборки выдержали испытания по 4.3. Если хотя бы один образец не выдержал испытание по любому из перечисленных в 4.3 подпункту, патроны считают не соответствующими требованиям настоящего стандарта. Затем проводят повторные испытания по всем подпунктам несоответствия на дополнительной выборке. Достаточно повторить только то испытание, по которому произошел отказ. Если же отказ произошел по разделам 14-18 включ., то испытания, предшествующие разделу 14, повторяют.

Патроны данного типа считают соответствующими требованиям настоящего стандарта, если при повторных испытаниях не произошло отказа. В случае отказа при повторных типовых испытаниях на дополнительной выборке выдают отрицательное заключение.

Если дополнительная выборка для повторных типовых испытаний своевременно не представлена, также выдают отрицательное заключение.

Примечание - В связи с длительностью проведения испытаний патроны, имеющие принципиально одинаковую конструкцию и материалы и отличающиеся только в деталях, могут быть подвержены одной серии типовых испытаний в соответствии с соглашением между испытательным центром и заказчиком.

5 Нормируемые параметры

5.1 Стандартное нормируемое напряжение

Для всех патронов допускается только нормированное напряжение 250 В.

Патроны B15d не предназначены для использования в цепях с зажигающими устройствами.

Патроны типа B22d не должны использоваться в цепях с зажигающими устройствами без согласия изготовителя патронов.

Примечание - С теоретической точки зрения нормируемый путь утечки патрона типа B22d обеспечивает с запасом величину зазора, позволяющего применять патрон при импульсном напряжении 2,5 кВ.

Тем не менее, требуется измерение воздушного зазора, т.к. в патронах с путем утечки, близким к нормируемому значению, при удалении лампы упругий контакт может уменьшить величину зазора.

5.2 Нормируемый ток для патронов типов B15d и B22d должен быть не менее 2 А. Допускается нормируемый ток более 2 А.

Оценку соответствия требованиям 5.1 и 5.2 проводят сличением с маркировкой.

6 Классификация

6.1 По материалу наружных деталей патроны подразделяют на:

- патроны с наружными деталями из пластмассовых материалов;

- патроны с наружными деталями из керамических материалов;

- патроны, наружные детали которых полностью или частично изготовлены из металла.

Примечание - Определение термина «наружные детали» приведено в примечании к 2.1.1.

Патроны, наружные детали которых частично выполнены из металла, и патроны с наружными деталями из изоляционного материала с внешним токопроводящим покрытием (например, металлизированный наружный корпус) считают металлическими.

Это требование не распространяется на резьбовые вводы и наружные детали (например, металлическое абажурное кольцо, установленное на патроне из изоляционного материала), которые не могут оказаться под напряжением даже при повреждении изоляции. Металлические патроны с изоляционным покрытием считают металлическими.

Для определения, относится ли данная поверхность к токопроводящей (например, с токоведущим покрытием серебряной краской), к ней прикладывают два электрода в виде пластинок шириной 1,5 и длиной 25 мм на расстоянии друг от друга 2 мм. Затем измеряют сопротивление изоляции между пластинами в соответствии с 14.3. Поверхность считают токопроводящей, если сопротивление менее 5 МОм.

6.2 По степени защиты от попадания твердых частиц и проникновения воды патроны подразделяют на:

- обычные;

- каплезащищенные.

Примечание - Классификация более высоких степеней защиты от проникновения воды - в стадии рассмотрения.

6.3 По способу крепления патроны подразделяют на:

- патроны с резьбовым входом;

- шнуровые;

- фланцевые;

- других видов.

Примечание - Примерами патронов других видов являются патроны, снабженные механическим стопорным устройством, таким как защелка.

6.4 По наличию выключателя патроны подразделяют на:

- патроны со встроенным выключателем для управления работой лампы;

- патроны без выключателя.

6.5 По защите от поражения электрическим током патроны подразделяют на:

- защищенные;

- незащищенные;

- независимые.

6.6 По нагревостойкости патроны подразделяют на:

- патроны без маркировки Т, удовлетворяющие нормируемой рабочей температуре 135 и 165 °С для патронов типов B15d и B22d соответственно;

- патроны с маркировкой Тххх, удовлетворяющие нормируемой рабочей температуре (обозначенной в маркировке или указанной изготовителем) не менее 140 и 170 °С для патронов типов B15d и B22d соответственно.

Примечание - Увеличение температуры должно быть кратно 10 °С;

- патроны с маркировкой Т1, соответствующие температурам на цоколе лампы до 165 °С включ.

Примечание - Относительно патронов с маркировкой Т1 - в стадии рассмотрения;

- патроны с маркировкой Т2, соответствующие температурам на цоколе лампы до 210 °С включ.

7 Маркировка

7.1 Патроны должны иметь следующую маркировку:

- нормируемое напряжение в вольтах;

- нормируемую рабочую температуру Тххх, Т1 или Т2, если необходимо (см. 6.6).

В первом варианте за символом Т должно следовать значение нормируемой рабочей температуры в градусах Цельсия;

- символ рода тока при необходимости (только для патронов со встроенным выключателем);

- нормируемую рабочую температуру, если применима, - для патронов с наружными деталями из керамического материала. Допускается приводить в каталоге изготовителя;

- товарный знак (в виде торговой марки, или наименования ответственного поставщика, или опознавательного обозначения).

Примечание - Товарный знак не предназначен для обозначения страны-производителя;

- или однозначный каталожный номер, или опознавательное обозначение.

Примечание - Опознавательное обозначение может содержать цифры, символы, цвет и т.д., обозначающие выбор патрона по каталогу изготовителя или ответственного поставщика, а также по соответствующей нормативной документации;

- нормируемый ток в амперах, если он св. 2 А;

- код IP, указывающий степень защиты от проникания воды (см. 6.2);

- полюс включения - для патрона с однополюсным встроенным выключателем.

7.2 Для обозначения тока используют буквы А (амперы) и V (вольты).

В качестве альтернативного варианта может использоваться обозначение, в котором нормируемый ток проставляют перед или над нормируемым напряжением и отделяют их друг от друга линией, например

4A250V, или 4/250, или

Символ постоянного тока: по МЭК 60417, лист 60417-МЭК-5031-а).

Символ степени защиты каплезащищенных патронов: IPX1.

Примечание - Если вместо буквы X в символе применяют соответствующие цифры, то они в соответствии с МЭК 60529 должны быть промаркированы на патроне.

7.3 Символ степени защиты от проникания воды должен быть нанесен на внешней поверхности патрона.

7.4 Заземляющий контакт должен быть обозначен символом  (см. МЭК 60417, лист 60417-МЭК-5019-а).

Он не должен наноситься на винтах, съемных шайбах и других легкоснимаемых деталях.

Проверку проводят внешним осмотром.

Примечание - В Великобритании металлические патроны, предназначенные для розничной продажи, должны на упаковке или отдельном листе-вкладыше внутри нее иметь предупреждающую надпись: «Патрон может быть заземлен».

7.5 Если размер контактного зажима (см. 10.2) не позволяет указать соответствующее значение или значения (для диапазона сечений), то символ должен содержать обозначение сечения в мм2 и квадрат, например: 0,5 (т.е. контактный зажим для присоединения провода сечением 0,5 мм2).

Для незащищенных патронов такая маркировка не требуется, но соответствующая информация должна быть приведена в инструкции по монтажу изготовителя.

7.6 Маркировка должна быть прочной и четкой.

Проверку на соответствие требованиям 7.1- 7.5 проводят внешним осмотром и попыткой снятия маркировки легким протиранием в течение 15 с куском ткани, смоченной водой, а затем в течение 15 с куском ткани, смоченной бензином. После испытания маркировка должна оставаться четкой.

Примечание - В качестве растворителя бензина применяют гексан с максимальным содержанием ароматического углеводорода 0,1 % от общего объема, 29 % каури-бутанола с начальной температурой кипения ~ 65 °С, температурой полного испарения ~ 69 °С и плотностью ~ 0,68 г/см3.

7.7 В Великобритании патрон с резьбовым вводом, не имеющий устройства для фиксации гибкого шнура, предназначенный для розничной продажи, должен иметь на упаковке или на отдельном листе-вкладыше внутри нее следующую предупреждающую надпись: «Не соединяйте патрон с гибким шнуром, который может быть подвергнут натяжению при нормальной эксплуатации, если отсутствует устройство, защищающее провод от натяжения, а изоляцию от повреждения».

8 Размеры

8.1 Размеры патронов должны соответствовать требованиям последнего издания стандартных листов МЭК 60061.

Проверку на соответствие стандартным листам 7005-10 и 7005-16 МЭК 60061-2 проводят измерением соответствующими калибрами, отвечающими последнему изданию МЭК 60061-3.

Патроны, предназначенные для использования с устройством крепления абажура, должны иметь размеры, приведенные на рисунке 8 и в последнем издании стандартных листов МЭК 60399, где это применимо.

Проверку проводят измерением.

8.2 Патроны с резьбовым вводом должны иметь одну из следующих, отвечающих рисунку 13, резьбу:

- патроны В15 - M10×1;

- патроны В22 - M10×1 или М13×1.

Примечание - Резьбовой ввод M10×1 главным образом предназначен для внутреннего монтажа в светильниках.

В Великобритании допускаются для розничной торговли патроны с резьбовым вводом 3/8 дюйма × 26 TPI и 1/2 дюйма × 26 TPI.

Во Франции допускаются патроны с резьбовым вводом 11 мм × 19 TPI и 17 мм × 19 TPI.

Проверку проводят с помощью калибров согласно рисунку 14. В случае сомнения калибр навинчивают с вращающим моментом 0,5 Н∙м.

Примечание - Другие размеры резьбы допустимы для патронов, не предназначенных для розничной торговли.

8.3 Размеры резьбовых вводов и стопорных винтов, при их наличии, должны быть не менее значений, указанных в таблице 1.

Таблица 1

В миллиметрах

Размер резьбы

М10×1, М13×1

Длина резьбы ввода:

- металлического

3,0

- из изоляционного материала

5,0

Диаметр стопорного винта:

- с головкой

2,5

- без головки

3,0

Допустимое отклонение номинального значения диаметра резьбы минус 0,15 мм.

Проверку проводят измерением.

Примечание - Если требуется разборка патрона для проверки его соответствия требованиям 8.2 и 8.3, эту проверку проводят после испытаний по разделу 12.

9 Защита от поражения электрическим током

9.1 Конструкция патрона должна обеспечивать недоступность прикосновения к токоведущим деталям полностью смонтированного патрона, когда в нем установлено испытательное устройство, представленное на рисунке 7.

Примечание - Использование юбки или защитного экрана (см. 2.6 и 2.6.1) не обязательно. Пример защитного экрана показан на рисунке 9.

Проверка независимых и защищенных патронов должна проводиться с применением стандартного испытательного пальца, соответствующего МЭК 60529.

Стандартный испытательный палец прикладывают с усилием не более 10 Н во всех возможных положениях, при этом наличие электрического контакта с токоведущими деталями фиксируют электрическим индикатором. Рекомендуется использовать напряжение не менее 40 В.

Независимые и защищенные патроны монтируют, как для нормальной эксплуатации, т.е. на резьбовой поддержке или на опорной поверхности, или им подобным.

Незащищенные патроны испытывают только после их установки в светильник или дополнительный корпус. В связи с этим такие патроны не предназначены для розничной продажи.

9.2 Конструкция должна быть такой, чтобы никакие металлические детали патрона, кроме контактных зажимов и механизмов, не могли оказываться под напряжением при нормальной эксплуатации, а также в процессе или после вставления лампы.

Проверку проводят внешним осмотром.

9.3 Детали, обеспечивающие защиту от случайного прикосновения к токоведущим частям при сборке, должны иметь достаточную механическую прочность к воздействию усилий, возникающих в процессе перемещения их при эксплуатации и возможной замене.

Они должны также противостоять нормальным нагрузкам, возникающим при замене ламп и рассеивателей.

Необходимо обеспечить возможность удобного снятия и замены ламп, рассеивателей или аналогичных деталей с применением незначительного усилия, если эти детали не служат для защиты от случайного прикосновения к токоведущим частям.

Проверку проводят внешним осмотром и испытаниями по 15.3, которые должны быть повторены после испытания по 18.1.

9.4 Наружные детали каплезащитных патронов должны быть изготовлены из изоляционного материала, за исключением резьбовых вводов и колец для абажура, которые не могут оказаться под напряжением в случае повреждения изоляции.

Лак и эмаль не обеспечивают равноценную защиту в соответствии с настоящим требованием.

Проверку проводят внешним осмотром.

Примечание - Детали, которые отделены от токоведущих частей двойной или усиленной изоляцией, не считают находящимися под напряжением в случае неисправности.

10 Контактные зажимы

10.1 Патроны должны иметь по крайней мере один из следующих элементов присоединения:

- винтовые контактные зажимы;

- безвинтовые контактные зажимы;

- наконечники или штырьки для втычных соединений;

- лепестки для обжатия провода;

- выводы для припайки;

- монтажные выводы (не присоединенные концы).

Проверку проводят внешним осмотром.

10.2 Контактные зажимы должны допускать присоединение проводов, имеющих следующие диапазоны номинальных поперечных сечений, если нет других указаний в инструкциях по монтажу изготовителя или маркировке патрона (см. 7.5):

- от 0,5 до 1,0 мм2 для патронов B15d и B22d с резьбовым вводом M10×1 и креплением на шнуре.

Примечание - В Великобритании это требование уточнено в следующей редакции: «от 0,5 до 0,75 мм2 для двух- и трехжильных гибких шнуров с ПВХ изоляцией для патронов B15d и B22d с креплением на шнуре, или от 0,5 до 1,0 мм2 для одножильных изолированных проводов для тех же патронов с резьбовым вводом M10´1»;

- от 0,5 до 2,5 мм2 для других патронов B22d.

Проверку проводят внешним осмотром, закреплением проводов наименьшего и наибольшего из указанных диапазонов сечений и испытаниями по разделу 16.

Для шнуровых патронов, патронов B15d и B22d с резьбовым вводом M10´1 используют гибкие провода; во всех остальных случаях - жесткие провода. Патроны с резьбовым вводом испытывают на трубе с резьбой.

10.3 Контактные зажимы должны быть винтовыми или иметь по крайней мере эквивалентный способ присоединения.

Винтовые контактные зажимы должны иметь метрическую резьбу ИСО или резьбу с аналогичными шагом и механической прочностью и соответствовать требованиям раздела 14 МЭК 60598-1.

Контактные зажимы торцевого типа должны иметь размеры не менее приведенных в таблице 2.

Таблица 2

В миллиметрах

Патрон

Минимальный номинальный диаметр резьбы

Минимальный диаметр отверстия для жилы провода

В22

2,5

2,5

В15

2,5

2,5, см. примечания

Примечание - Диаметр отверстия для жилы провода должен более чем на 0,6 мм превышать диаметр винта.

Длина резьбы винта контактного зажима должна быть не менее суммы диаметра отверстия и длины резьбы в основании зажима.

Примечание - Для снижения разрушающего воздействия на провод винт должен иметь слегка закругленный торец, а опорная поверхность, к которой провод прижимают винтом, не должна иметь повреждений.

Безвинтовые контактные зажимы считают эквивалентными винтовым зажимам, если они соответствуют требованиям раздела 15 МЭК 60598-1.

Патроны, не предназначенные изготовителем для комплектации светильника или иного оборудования, должны иметь контактные зажимы, которые одинаково отвечают требованиям присоединения обоих видов (одно- и многопроволочных) проводов и гибких кабелей или шнуров.

Проверку проводят внешним осмотром и измерением.

10.4 Расположение контактных зажимов после правильного присоединения проводов должно исключать возможность случайного контакта между токоведущими частями и доступными для прикосновения металлическими деталями или перемещающимися элементами переключателя до, в момент и после переключения.

Проверку проводят внешним осмотром и следующим испытанием.

Конец гибкого многопроволочного провода наименьшего сечения из указанных в 10.2 очищают от изоляции по длине 4 мм. Одну проволоку провода оставляют свободной, а остальные полностью вводят и закрепляют в контактном зажиме патрона, собранного и установленного как для нормальной эксплуатации (с затянутыми стопорными винтами и т.д.).

Свободную проволоку изгибают во всех возможных направлениях без повреждения изоляции провода и без резких изгибов относительно изолирующих перегородок.

Свободная проволока провода, присоединенного к токоведущему контактному зажиму, не должна касаться металлических деталей, доступных для прикосновения, или перемещающихся частей выключателя, а свободная проволока провода, присоединенного к заземляющему контактному зажиму, не должна касаться токоведущих деталей.

При необходимости испытания повторяют со свободной проволокой, отогнутой в другом положении.

Примечание - Требование об исключении резких изгибов вокруг перегородок не означает, что свободная проволока при испытании все время должна быть натянутой. Более того, резкие изгибы производят, когда они могут иметь место при правильной сборке патрона.

10.5 Требования по 10.3 не распространяются на патроны, предназначенные для установки в светильниках предприятием-изготовителем, а также на патроны, имеющие соединительные провода (концы), втычные контактные зажимы или другие равноценные приспособления.

Соединительные провода (концы) должны присоединяться к патрону пайкой, сваркой, опрессовкой или любым другим равноценным способом.

Соединительные провода (концы) должны иметь изоляцию.

Изоляция соединительных проводов (концов) должна быть по меньшей мере равнозначной по механическим и электрическим свойствам изоляции, указанной в МЭК 60227 или МЭК 60245, или удовлетворять соответствующим требованиям 5.3 МЭК 60598-1.

Свободный конец провода может быть освобожден от изоляции.

Крепление соединительных проводов к патрону должно быть достаточным, чтобы противостоять механическим усилиям, возникающим при нормальной эксплуатации.

Проверку проводят внешним осмотром и следующим испытанием, которое проводят после испытания по 18.2 на тех же трех образцах.

К каждому соединительному проводу в течение 1 мин без рывков прикладывают растягивающее усилие 20 Н в наиболее неблагоприятном направлении.

В процессе испытания соединительные провода не должны смещаться в месте их крепления.

После испытания патроны не должны иметь повреждений, нарушающих требования настоящего стандарта.

11 Заземление

11.1 Если необходимо обеспечить заземление патрона, то выбранные способы не должны снижать регламентируемые пути утечки и воздушные зазоры или препятствовать нормальной работе патрона. Для металлических патронов заземляющий контактный зажим или другой способ заземления должны обеспечить надежный электрический контакт со всеми незащищенными не токопроводящими металлическими деталями.

Металлические детали крепления шнура, включая прижимные винты, должны быть изолированы от цепи заземления.

Проверку проводят внешним осмотром.

11.2 Заземляющие контактные зажимы должны соответствовать требованиям раздела 10.

Детали заземляющего контактного зажима, предназначенные для фиксации провода, должны быть надежно защищены от случайного ослабления, исключать возможность отвинчивания винтовых зажимов без применения инструмента и случайное ослабление безвинтовых контактных зажимов.

Проверку проводят внешним осмотром и испытаниями по разделу 10.

Примечание - В основном, конструкции токоведущих контактных зажимов (отвечающих требованиям настоящего стандарта) имеют достаточную гибкость, чтобы обеспечить соответствие этому требованию; для других конструкций может возникнуть необходимость принятия дополнительных мер, как например, использование специальных деталей достаточной гибкости для предотвращения самопроизвольного ослабления зажима.

11.3 Металлические патроны с заземлением должны быть сконструированы так, чтобы все доступные для прикосновения наружные детали имели электрическое соединение с заземляющим контактом; способ присоединения зависит от принятого способа установки патрона.

Это требование может быть выполнено применением заземляющего контактного зажима или другого специального устройства, обеспечивающего непрерывность цепи заземления. Однако это не препятствует применению таких устройств обеспечения непрерывности цепи заземления, как ниппель, фланец, абажурное кольцо или других способов крепления патрона к заземленным деталям светильника.

Примечание - Патроны, предназначенные для заземления, но не снабженные заземляющим контактным зажимом или заземляющими монтажными концами, не должны поступать в розничную продажу.

Доступные для прикосновения металлические детали патронов без заземляющего контактного зажима, которые могут оказаться под напряжением при нарушении изоляции, должны иметь надежное соединение с заземлением. Они должны иметь непрерывное заземление между наружной оболочкой и донышком, если наружная оболочка не защищена от токоведущих деталей двойной или усиленной изоляцией.

Примечание - При применении этого требования отдельные небольшие металлические винты и подобные детали для крепления оснований или крышек не относят к доступным для прикосновения деталям, которые могут оказаться под напряжением даже при нарушении изоляции.

Проверку проводят следующим испытанием.

Патроны с заземляющим контактным зажимом заряжают гибким проводом наименьшего сечения, для которого предназначен патрон. В случае необходимости проверки непрерывности заземления между наружной оболочкой и донышком, соединение между этими деталями должно осуществляться вращающим моментом, указанным в 15.3.

Сразу после испытания изоляции на электрическую прочность по 14.3 измеряют сопротивление между устройством заземления и донышком (наружным корпусом). В случае патронов с заземляющим контактным зажимом измерения проводят между точкой выхода провода из заземляющего контактного зажима и донышком (наружным корпусом).

В случае патронов без заземляющего контактного зажима измерение проводят между деталью патрона, которая заземляется в светильнике, и донышком (наружным корпусом).

Ток не менее 10 А при напряжении холостого хода источника питания не более 12 В пропускают в течение 1 мин между заземляющим контактным зажимом или заземляющим устройством и каждой доступной для прикосновения металлической деталью поочередно.

Измеряют падение напряжения между заземляющим контактным зажимом или устройством и доступной для прикосновения металлической деталью и рассчитывают сопротивление по значениям падения напряжения и тока. Во всех случаях сопротивление не должно превышать 0,1 Ом.

11.4 Металл, из которого изготовлен заземляющий контактный зажим, должен быть таким, чтобы исключить вероятность коррозии в результате контакта с медным заземляющим проводом.

Винт или корпус заземляющего контактного зажима изготавливают из латуни или другого, не менее стойкого к коррозии материала, а контактные поверхности должны быть зачищены до блеска.

Проверку проводят внешним осмотром.

Примечание - Опасность коррозии особенно велика при контакте меди с алюминием.

12 Конструкция

12.1 Поверхность контактов должна быть гладкой и иметь такую форму, чтобы их кромки не препятствовали легкому вставлению и удалению соответствующей лампы. Форма контактов должна отвечать стандартным листам 7005-10 (В22) или 7005-16 (В15) МЭК 60061-2.

Упругость устройства должна обеспечивать надежное контактное усилие.

Усилие контактного нажатия для каждого контакта должно соответствовать значению, указанному в таблице 3.

Таблица 3

Нормируемый ток, А

Усилие контактирования, Н

Мин.

Макс.

До 4

2,5

15

Св. 4

5,0

20

Проверку проводят внешним осмотром и измерением согласно листам 7005-10 или 7005-16 МЭК 60061-2.

Усилие контактного нажатия проверяют с помощью калибров, приведенных на стандартных листах 7006-15 A (B22d) и 7006-15 В (В15d) МЭК 60061-3.

Настоящее испытание должно быть повторено после испытания по 18.2.

12.2 Различные детали патрона должны иметь надежное соединение друг с другом. Устройство фиксации рассеивателей не должно допускать самопроизвольной разборки патрона при вращении абажурного кольца.

В шнуровых патронах или патронах с резьбовым вводом, где защита от случайного прикосновения к токоведущим деталям обеспечивается донышком, навинченным непосредственно на корпус, или донышком или другими деталями, закрепленными соединительным кольцом, то такие детали должны навинчиваться не менее чем на 1 3/4 оборота резьбы.

Проверку проводят внешним осмотром и испытаниями, указанными в 15.3.

12.3 Если патрон предназначен для использования с абажурным кольцом винтового типа, то наружная поверхность кольца должна иметь фактуру, обеспечивающую вращение кольца вручную.

Проверку проводят внешним осмотром.

12.4 Если применяют соединительное кольцо, то его конструкция должна обеспечивать легкое свинчивание вручную. Кольцо должно удерживать детали патрона в соосном положении без возможности их проворачивания относительно друг друга.

Проверку проводят внешним осмотром.

12.5 Если конструкция содержит отдельные внутренние детали, которые удерживают токоведущие части, то эти детали должны быть зафиксированы таким образом, чтобы исключить их проворачивание относительно других частей патрона.

Проверку проводят внешним осмотром.

12.6 Донышко патрона должно иметь достаточное пространство для питающих проводов. Детали патрона, к которым могут прикасаться изолированные провода, не должны иметь острых кромок или такую форму, которая может привести к повреждению изоляции.

Патроны с резьбовым вводом в донышке должны иметь устройство, ограничивающее слишком глубокий ввод трубки.

Такие устройства могут быть деталью патрона или входить в конструкцию светильника.

Примечание - Если указанное устройство входит в конструкцию светильника и его эффективность не может быть проверена при испытании патрона, то ее проверяют в процессе испытания светильника. Такие патроны не предназначены для розничной торговли.

Проверку проводят внешним осмотром и:

- для шнуровых патронов, патронов B15d и B22d с резьбой M10´1 - пробным присоединением гибкого кабеля или шнура наибольшего сечения из нормируемого диапазона согласно 10.2. и

- для других патронов B22d - пробным присоединением проводников с сечением на один размер ниже максимального значения из регламентированного диапазона сечений.

Для шнуровых патронов применяют обычный гибкий шнур, во всех других случаях - два или три провода с однопроволочной жилой с поливинилхлоридной изоляцией.

В донышко патрона с резьбовым вводом ввинчивают трубку длиной ~ 100 мм. Вводят провод через трубку в донышко и закрепляют на свободном конце трубки. Концы проводов после обычной подготовки обрезают на достаточную для их присоединения длину и подключают к контактным зажимам патрона. Закрепленный на трубке провод освобождают, а провод и вкладыш перемещают к трубке вдоль ее оси на 10 мм.

После этого провода снова зажимают на свободном конце трубки и патрон собирают.

После демонтажа патрона провода или шнуры не должны иметь повреждений.

Примечание - Требование об отсутствии острых кромок не распространяется на края резьбового ввода патрона, если после установки патрона на трубку кромка последнего не соприкасается с проводами.

В случае сомнения эффективности действия устройства, ограничивающего глубину ввода трубки в донышко патрона с резьбовым вводом, патрон фиксируют как для нормальной эксплуатации на соответствующем ниппеле или трубке и подвергают воздействию вращающих моментов в направлении по часовой стрелке в течение 1 мин, равных 1,0 и 1,3 Н×м для резьбы M10´1 и М13´1 соответственно.

После этого испытания ниппель или трубка не должны входить в пространство в донышке, предусмотренное для питающих проводов, а патрон не должен иметь каких-либо повреждений, препятствующих его дальнейшему использованию.

12.7 Должна быть предусмотрена блокировка резьбового конца трубки.

Блокирующее устройство может быть деталью патрона или частью конструкции светильника. За исключением угловых патронов, если блокирующее устройство является деталью патрона, должна быть предусмотрена возможность воздействия на устройство изнутри.

Примечание - Если такое устройство является частью конструкции светильника, его эффективность не может быть оценена при испытании патрона; проверка должна быть проведена в процессе испытания светильника. Такие патроны не предназначены для розничной торговли.

Проверку проводят внешним осмотром и для патронов, имеющих собственное блокирующее устройство, испытанием по 15.2.

12.8 Шнуровые патроны должны иметь устройство для их надежной фиксации на гибком шнуре, обеспечивающее защиту проводов от натяжения и скручивания в контактных зажимах, а также фиксации наружной оболочки шнура внутри патрона и защиту ее от истирания.

Примечание - Только в Польше и Великобритании применяют фиксацию типа «лабиринт», не охватывающую внешнюю оболочку шнура, но используемую при условии соответствия требованиям настоящего стандарта.

Способ защиты проводов от натяжения и скручивания должен быть очевидным.

Должна исключаться возможность ввода гибкого шнура в патрон на такую глубину, при которой он подвергался бы воздействию чрезмерных механической и тепловой нагрузок.

Такие способы, как завязывание шнура узлом или перетягивание нитками, недопустимы.

Устройство должно быть изготовлено из изоляционного материала или иметь жестко закрепленную изолирующую прокладку, чтобы при повреждении изоляции провода доступные для прикосновения металлические детали не оказались под напряжением.

Конструкция устройства должна обеспечивать:

- наличие по крайней мере одной детали, закрепленной на патроне или выполненной с ним заодно;

- возможность присоединения гибких проводов различных типов, для которых патрон предназначен;

- отсутствие чрезмерного сжатия проводов;

- сохранность устройства при его нормальном затягивании или ослаблении в условиях эксплуатации.

Устройство должно допускать присоединение гибких проводов следующих типов:

- 60245 МЭК 51 или

- 60227 МЭК 52, или

- 60245 МЭК 53, или им подобным.

Проверку проводят внешним осмотром и следующим испытанием.

Патрон заряжают гибким проводом одного из приведенных выше типов, используя соответствующее устройство защиты от натяжения и скручивания. Провода вводят в контактные зажимы, а винты зажимов легко затягивают так, чтобы провода не могли самопроизвольно изменить свое положение. После этого должна быть исключена возможность дальнейшего перемещения проводов в патрон. Затем гибкие провода подвергают 100-кратному воздействию усилия натяжения, значение которого представлено в таблице 4. Усилие прикладывают каждый раз без рывков в течение 1 с.

Сразу после этого гибкий провод подвергают в течение не менее 1 мин воздействию вращающего момента, значение которого указано в таблице 4, прикладываемого максимально близко к выходу проводов из патрона в наиболее неблагоприятном направлении.

Таблица 4

Суммарное номинальное сечение всех проводов, мм2

Усилие, Н

Вращающий момент, Н м

До 1,5 включ.

60

0,15

Св. 1,5 до 3 включ.

60

0,25

«  3  «  5 «

80

0,35

«  5  «  8 «

120

0,35

Патроны испытывают по указанной методике с проводом каждого из соответствующих типов, приведенных выше, согласно МЭК 60245 или МЭК 60227.

Сначала испытание проводят с проводами наименьшего сечения, указанного в 10.2. а затем с проводами наибольшего сечения, допустимого для данного устройства, или наибольшего сечения, указанного в 10.2, выбирая из них меньшее сечение.

Во время испытания защитное устройство не должно повреждать гибкие провода (шнур). После испытания провод не должен сместиться более чем на 2 мм, а его концы не должны заметно сдвинуться в контактных зажимах.

Для измерения продольного смещения перед началом испытания на проводе делают отметку на расстоянии ~ 20 мм от защитного устройства. В конце испытания при воздействии на провод усилия замеряют смещение отметки.

12.9 Устройство для подвески встраиваемых и независимых патронов не должно иметь доступных для прикосновения металлических деталей, которые могут оказаться под напряжением, даже в случае неисправности патрона. Кроме того, это устройство, предназначенное для патрона с резьбовым вводом, должно отвечать требованиям 12.8.

12.10 Если устройство для кабельного ввода/вводов выполнено на доступной внешней поверхности фланцевого патрона, то оно должно обеспечивать введение кабеля с оболочкой, муфты или трубки настолько, чтобы была обеспечена полная механическая защита кабеля на расстоянии не менее 1 мм от места ввода.

Проверку проводят измерением и пробным монтажом согласно 10.2.

Примечание - Для обеспечения этого требования могут применяться выламываемые отверстия, расположенные рядом или соосно.

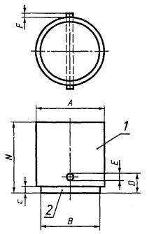
12.11 Основание фланцевых патронов, не предназначенных для встраивания, должно допускать крепление винтами диаметром не менее 4 мм.

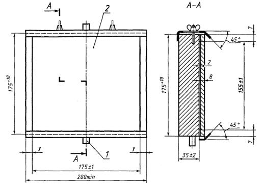
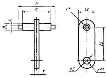
Проверку проводят калибром по рисунку 3. При проверке вилку вводят в отверстие фланца с тыльной стороны. Втулку насаживают на штифт с лицевой стороны. Втулка должна войти в углубление для головки винта.

12.12 Изоляционные перегородки, являющиеся частью конструкции патрона, должны располагаться между контактными зажимами, если они относятся к подвижному типу, предотвращая случайный контакт между проводами разной полярности. Применимо к подвижным контактам любого типа.

Контактные зажимы подвижного типа не допускаются во фланцевых патронах, за исключением предназначенных только для встраивания.

Проверку проводят внешним осмотром и испытанием по разделу 17.

12.13 Патроны не должны быть совмещены со штепсельной розеткой.

Проверку проводят внешним осмотром.

13 Патроны со встроенным выключателем

13.1 Выключатели допускаются только в обычных патронах.

Проверку проводят внешним осмотром.

13.2. Конструкция патронов должна исключать возможность случайного контактирования подвижных частей выключателя с сетевыми проводами.

Проверку проводят испытанием по 10.4 и вручную.

13.3 Рабочие элементы выключателя должны быть надежно изолированы от токоведущих частей и при повреждении или поломке не должны их касаться.

Проверку проводят внешним осмотром и испытанием по 13.4.

13.4 Выключатели в патронах должны обеспечивать включение и отключение нагрузки в виде ламп накаливания общего назначения с нормированным напряжением.

Проверку проводят следующими испытаниями.

У патронов без температурной маркировки или маркированных Txxx выключатели испытывают в камере тепла при переменном токе (cos j = 0,6±0,05) напряжением 1,1 нормированного значения и токе 1,25 от нормированного.

Выключатели в нормальном режиме 200 раз включают с частотой 30 включений в минуту с равными интервалами.

Затем выключатели испытывают на переменном токе (cos j = 1) при нормируемых значениях напряжения и тока.

Выключатели в нормальном режиме 20000 раз включают с частотой 30 включений в минуту с равными интервалами.

Примечание - Это испытание основано на требованиях МЭК 60328. Замена соответствующим испытанием по МЭК 61058-1 - в стадии разработки.

Выключатели патронов типов B15d и B22d без температурной маркировки должны быть испытаны при рабочей температуре 100 и 125 °С соответственно.

Выключатели патронов с маркировкой Txxx должны испытываться при следующей рабочей температуре:

- минус 40 °С - патроны типа B15d с маркировкой Т -40 °C;

- минус 50 °С      »        »   B22d  »     »         T-50°C.

Патроны с нормируемыми температурами Т1 и T2 монтируют в рассеивателе и помещают в защищенную от сквозняков камеру (см. 18.5). Для управления работой выключателя в камере допускаются отверстия, размеры которых должны быть минимальными, чтобы не нарушать заданных условий испытаний.

Напряжение должно регулироваться, как указано в 18.6а, а температура на цоколе лампы должна быть установлена в пределах значений Т1 или T2 не менее чем за 2 ч до испытания выключателя. Выключатели в нормальном режиме 20000 раз включают с частотой не более 12 включений в минуту с равными интервалами.

После испытания патроны должны быть проверены на соответствие сопротивлению и электрической прочности изоляции по 14.3 и сохранять удовлетворительную работоспособность.

14 Влагостойкость, сопротивление и электрическая прочность изоляции

14.1 Оболочки каплезащищенных патронов должны обеспечивать необходимую степень защиты от попадания воды.

Входные отверстия каплезащищенных патронов должны обеспечивать присоединение сетевых проводов так, чтобы капли воды, стекающие по проводам, не попадали внутрь патрона.

Проверку проводят следующим испытанием.

Патрон заряжают соответствующим кабелем или трубкой.

Фланцевые патроны устанавливают на вертикальной поверхности так, чтобы одно из сливных отверстий, если таковые имеются, было внизу и открыто. Патроны других видов устанавливают вертикально, ориентируя гнездо лампы вниз.

Испытание проводят, используя установку, указанную на рисунке 19; капли воды должны падать вертикально на всю поверхность испытуемого патрона с высоты 200 мм от верхнего края патрона с интенсивностью от 3 до 5 мм/мин. Продолжительность испытания - 10 мин. Вода, используемая при испытании, должна иметь температуру (15 ± 10) °С.

Сразу же после испытания проверяют электрическую прочность изоляции по 14.3 и определяют количество попавшей внутрь патрона воды.

Примечание - Считают, что вода проникла в патрон в значительном количестве, если она оказалась в контакте с токоведущими деталями.

14.2 Патроны должны быть устойчивы к воздействию влаги, которая может возникать в нормальных условиях эксплуатации.

Проверку проводят испытанием на влагостойкость в соответствии с настоящим пунктом сразу после измерения сопротивления изоляции и испытания электрической прочности изоляции по 14.3.

Кабельные вводы, при их наличии, оставляют открытыми, при наличии выбиваемых отверстий выламывают одно из них.

Испытание на влагостойкость проводят в камере влажности при относительной влажности воздуха 91-95 % и температуре [(20-30) ± 1] °С. До помещения образцов в камеру влажности их выдерживают при температуре от t до (t + 4) °С.

Патроны выдерживают в камере влажности в течение:

- 2 сут (48 ч) для обычных патронов;

- 7 сут (168 ч) для каплезащищенных патронов степени защиты IPX1.

Примечание - В большинстве случаев образцы могут быть доведены до необходимой температуры выдержкой при этой температуре не менее 4 ч до начала испытания.

Относительную влажность 91-95 % создают использованием в камере насыщенного водного раствора сульфата натрия (Na2SO4) или нитрата калия (КNО3), имеющего достаточно обширную поверхность контакта с воздушной средой. Для создания в камере требуемых условий необходимо обеспечить внутри камеры непрерывную циркуляцию воздуха и, по возможности, использовать камеру с тепловой изоляцией.

Результаты испытания считают удовлетворительными, если патроны не имеют повреждений, приводящих к нарушению требований настоящего стандарта.

14.3 Сопротивление и электрическая прочность изоляции должны быть обеспечены:

a) между токоведущими деталями различной полярности.

Примечание - При этом контакты выключателя в разомкнутом положении рассматривают как токоведущие детали различной полярности;

b) между токоведущими деталями и наружными металлическими деталями, включая крепежные винты, основания или корпуса фланцевых патронов и доступные соединительные винты;

c) между внутренними и наружными поверхностями изолирующих прокладок металлических корпусов, если эти прокладки необходимы для обеспечения электробезопасности, при условии, что расстояние между любой токоведущей частью и металлическим наружным корпусом меньше значений, указанных в пункте 2 таблицы 8.

Проверку проводят измерением сопротивления изоляции и оценкой ее электрической прочности сразу же после выдержки образцов в камере влажности по 14.2 или в помещении, в котором образцы выдерживают до достижения указанной температуры.

Сопротивление изоляции измеряют через 1 мин после приложения напряжения постоянного тока 500 В.

Сопротивление изоляции измеряют последовательно:

- между токоведущими деталями различной полярности;

- между токоведущими деталями, соединенными вместе, и наружными металлическими деталями, крепежными винтами основания и корпуса, доступными для прикосновения монтажными винтами, а также металлической фольгой, обернутой вокруг наружных изолирующих деталей.

Оба измерения проводят вначале на патроне, в который вставлен испытательный цоколь, как указано на рисунках 10 или 11, а затем на пустом патроне;

- между доступными для прикосновения металлическими частями и металлической фольгой, контактирующей с внутренней поверхностью изолирующей прокладки, при ее наличии.

Выключатель, при его наличии, должен находиться в положении «включено».

Сопротивление изоляции должно быть не менее 4 МОм. Это значение может быть уменьшено до 2 МОм при измерении между токоведущими частями различной полярности.

Следует обратить внимание, чтобы изолирующий материал испытательного цоколя не оказывал влияния на результаты измерений.

Сразу же после измерения сопротивления изоляции между теми же частями в течение 1 мин прикладывают напряжение переменного тока практически синусоидальной формы частоты 50 или 60 Гц, действующее значение которого равно (2U+1000) В, где U - нормируемое напряжение. Дополнительно для патронов с выключателем это напряжение прикладывают между токоведущими частями и другими металлическими частями при положениях выключателя «включено» и «выключено».

Сначала прикладывают не более половины указанного напряжения, а затем его быстро доводят до полного значения.

В процессе проверки не должно происходить пробоя изоляции или поверхностного перекрытия.

Примечание - При замыкании выходных контактных зажимов после доведения испытательного напряжения до необходимого значения трансформатор высокого напряжения, применяемый при испытании, должен обеспечивать значение выходного тока не менее 200 мА.

Реле максимального тока не должно срабатывать на отключение при токе менее 100 мА.

Точность измерения действующего значения испытательного напряжения ± 3 %.

Тлеющий разряд, не вызывающий заметного падения напряжения, не учитывают.

15 Механическая прочность

15.1 Патроны должны обладать достаточной прочностью, чтобы противостоять усилиям, воздействующим на них в процессе нормальной эксплуатации.

Примечание - Требования настоящего раздела не распространяются на кронштейны или аналогичные устройства для монтажа или крепления патронов. Механическая прочность таких устройств должна отвечать требованиям стандарта на оборудование, для которого предназначен патрон.

Проверку проводят следующими испытаниями.

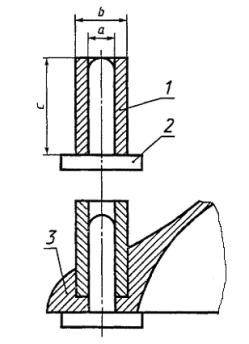
Патрон закрепляют любым возможным способом вертикально, гнездом вниз. С помощью нагрузочного устройства, приведенного на рисунке 1, байонетные пазы нагружают равномерно массой 5 кг так, чтобы плунжеры патрона не имели с ним контакта.

Через 1 ч после испытания в патроне не должно произойти изменений, препятствующих его дальнейшему нормальному использованию.

15.2 Конструкция патронов с резьбовым вводом должна обеспечивать такую их установку с помощью крепежной резьбы, при которой исключены повреждения патрона, влияющие на его безопасность в условиях нормальной эксплуатации.

Соответствие проверяют следующим испытанием.

Патрон закрепляют на соответствующей трубке как для нормальной эксплуатации и прикладывают вращающий момент 1,2 и 2,0 Н×м для патронов B15d и B22d соответственно.

Вращающий момент прикладывают в течение 1 мин по часовой стрелке.

Если патрон блокируется стопорным устройством относительно трубки, то эффективность его крепления должна проверяться повторением вышеописанного испытания в течение 1 мин, но уже против часовой стрелки. Стопорные винты затягивают с усилием, указанным в разделе 16. Однако если фиксация патрона ослабилась, стопорные винты подтягивают приложением минимального, необходимого для предотвращения ослабления, вращающего момента при проведении испытания. Минимальное значение этого момента регистрируют для использования в последующем испытании по разделу 16.

Примечание - Практически достаточно увеличить затягивающий вращающий момент приблизительно на 20 %.

По окончании испытания не должно быть деформаций, повреждения деталей или ослабления патрона, которые могут препятствовать его дальнейшей безопасной эксплуатации.

15.3 Наружные детали патронов при их правильной сборке должны иметь соответствующую механическую прочность.

Проверку проводят внешним осмотром и следующими испытаниями.

Если защита от случайного прикосновения к токоведущим деталям обеспечивается донышком, навинчиваемым прямо на корпус, или креплением посредством соединительного кольца или другими резьбовыми внешними деталями, такие детали должны свинчиваться и навинчиваться 10 раз, с приложением каждый раз вращающего момента:

- 0,75 Н×м для донышек и соединительных колец патронов В15d;

- 1,25 Н×м для донышек и соединительных колец патронов B22d;

- (0,03 ´ диаметр) Н×м для других внешних резьбовых деталей, в зависимости от их номинального наружного диаметра в миллиметрах.

Примечание - Коэффициент 0,03 получен при определении испытательного вращающего момента донышек и соединительных колец, размеры которых обычно известны, что дает возможность рассчитать вращающий момент детали с другими размерами.

Если имеются резьбовые абажурные кольца или аналогичные детали, они должны также свинчиваться и навинчиваться вручную 10 раз, каждый раз с усилием, равным половине значения вращающего момента, установленного для донышек и соединительных колец.

Если защита от случайного прикосновения к токоведущим деталям обеспечивается конструкцией, не содержащей взаимодействующих резьбовых деталей, такие патроны должны проверяться демонтажам и сборкой защитных наружных деталей 10 раз. После каждой сборки между байонетными пазами и этими деталями прикладывают осевой вращающий момент, равный указанному для донышек и соединительных колец.

Вращающий момент должен прикладываться каждый раз по часовой стрелке и против нее в течение 5 с.

В процессе испытаний не должно происходить снижения эффективности использования любой детали, и не должна ухудшаться защита от случайного прикосновения к токоведущим деталям.

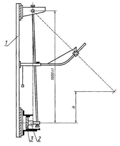
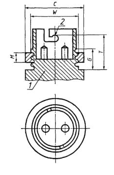
15.4 Механическую прочность соединения донышка с резьбовым вводом проверяют согласно рисунку 2.

Образец закрепляют за резьбовой ввод в горизонтальном положении.

Устройство, имеющее наибольшие размеры для соответствующих цоколей и другие размеры, удовлетворяющие приведенным на рисунке 2, вставляют в патрон и закрепляют, как указано на рисунке, а затем в течение 1 мин нагружают грузом G. Отклонение конца устройства не должно превышать 5 мм.

Образец не должен иметь повреждений. При появлении остаточной деформации образец устанавливают в первоначальное положение и испытание повторяют пять раз, после чего образец не должен иметь повреждений, препятствующих его дальнейшему использованию.

15.5 Механическую прочность наружных деталей из изоляционного материала с проводящей внешней поверхностью или без нее проверяют посредством маятниковой ударной установки (рисунок 15), описанной в МЭК 60068-2-62, со следующими уточнениями (см. раздел 11 МЭК 60068-2-62).

a) Способ установки

Образец крепят на листе фанеры так, чтобы его наружная кромка касалась поверхности фанеры, а ось была горизонтальна и параллельна листу.

Примечание - Для патронов, форма которых отличается от цилиндрической, параллельность оси образца листу фанеры может быть обеспечена за счет деревянных прокладок.

b) Высота падения

Ударный элемент должен падать с одной из высот, приведенных в таблице 5.

Таблица 5

Детали патронов

Высота падения, мм

Номин.

Пред. откл.

Керамические детали

100

± 1,0

Из других материалов

150

± 1,5

c) Число ударов

Четыре удара должны быть нанесены по точкам, одинаково делящим окружность наружных деталей патрона, исключая область отверстий для байонетных штырей.

d) Предварительные условия

Не требуются.

e) Начальные измерения

Не требуются.

f) Позиции и места удара

См. перечисление с).

g) Действующий режим и функциональная проверка

Образец не должен функционировать во время удара.

h) Прием и критерий оценки

После испытания образец не должен иметь серьезных повреждений, делающих его не соответствующим настоящему стандарту, в частности:

1) токоведущие детали не должны быть доступными. Повреждения патрона, которые не приводят к уменьшению путей утечки или воздушных зазоров ниже значений, указанных в разделе 17, а также небольшие сколы, которые не ухудшают защиту от поражения электрическим током или воздействия воды, во внимание не принимают;

2) трещины, не видимые невооруженным глазом, и поверхностные трещины в гибко-армированных отливках и тому подобном не принимают во внимание.

Трещины или отверстия на внешней поверхности любой детали патрона не должны приниматься во внимание, если патрон удовлетворяет настоящему стандарту даже без этой детали.

i) Восстановление

Не требуется.

j) Конечные измерения

См. перечисление h).

Примечание - Механическая прочность патронов, используемых в светильниках или другом оборудовании, может проверяться посредством пружинного ударного устройства, описанного в МЭК 60068-2-63.

При испытаниях по МЭК 60598-1 используют ударное устройство с энергией удара от 0,2 до 0,7 Н×м, в зависимости от типа светильника и комплектующих материалов.

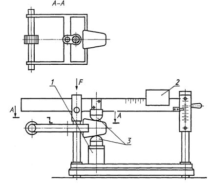
15.6 Проверку механической прочности наружных деталей металлических патронов проводят на установке, указанной на рисунке 18.

Детали испытывают на собранном патроне. К каждой детали дважды в течение 1 мин прикладывают усилие, значение которого приведено в таблице 6. Усилие прикладывают к двум диаметрально противоположным точкам.

Испытание не проводят на наружных деталях из изоляционного материала с токопроводящей наружной поверхностью. Кроме того, это испытание не проводят на байонетном цилиндре.

Во время и после испытания деформация образца не должна превышать значений, указанных в таблице 6.

Таблица 6

Тип патрона

Усилие F, Н

Максимальная деформация, мм

Во время испытания

После испытания

В15

75

1

0,3

В22

100

2

15.7 Уплотняющие вводы и сальники каплезащищенных патронов должны выдерживать механические нагрузки, возникающие при монтаже и нормальной эксплуатации.

Проверку проводят следующим испытанием.

В резьбовые сальники вставляют металлический цилиндрический штырь, диаметр которого равен меньшему внутреннему диаметру уплотнения ввода, округленному до целого числа.

Затем ввод затягивают гаечным ключом с силой 20 и 30 Н (для пластмассовых и металлических сальников соответственно) в течение 1 мин при рычаге 250 мм.

После испытания вводы, сальники и корпуса не должны иметь повреждений.

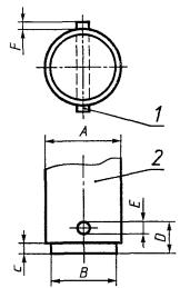
15.8 Конструкция фланцевых патронов должна исключать возможность их повреждения при монтаже.

Проверку проводят следующим испытанием.

Фланец патрона закрепляют винтами М4 или винтами с наибольшим, проходящим в отверстие, диаметром на жестком плоском стальном листе. Лист должен иметь два резьбовых отверстия на расстоянии, равном расстоянию между осями отверстий во фланце. Винты постепенно затягивают с усилием, обеспечивающим максимальный момент вращения 1,2 Н×м.

Испытание фланцевых патронов, предназначенных только для встраивания, проводят с помощью устройства, указанного изготовителем патрона.

После испытания фланцевый патрон не должен иметь повреждений, препятствующих его дальнейшему использованию.

16 Винты, токоведущие детали и соединения

Винты, токоведущие детали и механические соединения, повреждение которых может нарушить безопасность патрона, должны выдерживать механические нагрузки, возникающие при нормальной эксплуатации.

Проверку проводят внешним осмотром и испытаниями по 4.11 и 4.12 МЭК 60598-1 с заменой первой строки таблицы 4.1 МЭК 60598-1 таблицей 7.

Таблица 7

В миллиметрах

Номинальный диаметр винта, мм

Вращающий момент, Н×м

1

2

До 2,6 включ.

0,15

0,3

Св. 2,6 до 2,8 включ.

0,20

0,4

Примечания

1 Резьбовые соединения уже частично проверены испытанием по разделу 15.

2 Для материалов, указанных в 4.11.4 МЭК 60598-1, результаты испытаний по разделам 18 и 20 должны показать эквивалентность токоведущих медных частей по электропроводности, механической прочности и коррозионной устойчивости при нормальной эксплуатации.

17 Пути утечки тока и воздушные зазоры

Значения путей утечки тока и воздушных зазоров должны быть не менее указанных в таблице 8, при условии установки патронов как для нормальной эксплуатации.

Все расстояния должны обеспечиваться при произвольном расположении плунжера.

Примечание - Расстояния, приведенные в таблице 8, относятся к категории изделий, отвечающих требованиям МЭК 60664, МЭК 60664А и степени защиты 2 по МЭК 60529, согласно которой не происходит загрязнения, но иногда это имеет место из-за недостаточного уплотнения. Распространение требований таблицы 8 на установки других категорий и более высокие степени защиты - в стадии рассмотрения.

Таблица 8

Нормируемое напряжение 250 В

Расстояния, мм

1) Между токоведущими деталями разной полярности и

 

2) Между токоведущими деталями и наружными металлическими деталями, если последние не имеют изолирующих покрытий (включая винты фланцевых патронов):

- пути утечки:

 

материал с PTI ³ 600

1,7

    »   » РТI < 600

2,5

- воздушные зазоры

1,7

3) Воздушные зазоры для фланцевых патронов между токоведущими деталями и монтажной поверхностью и между токоведущими деталями и границей полости для ввода сетевых проводов

3,6

1) PTI (коэффициент устойчивости материала токам поверхностного разряда) - в соответствии с МЭК 60112.

2) Пути утечки нетокопроводящих деталей или деталей, не предназначенных для заземления, где не может происходить поверхностный разряд, значения, приведенные для материала с РТI ³ 600, должны применяться для всех материалов (несмотря на реальный PTI).

Для деталей, находящихся под воздействием рабочих напряжений менее 60 с, значения путей утечки, указанные для материалов с PTI ³ 600, распространяют на все материалы.

3) Для деталей, не подверженных оседанию пыли или влаги, применяют значения путей утечки, указанные для материалов с PTI ³ 600 (независимо от реального PTI).

4) Для патронов В15 значение воздушного зазора снижено до 1,4 мм.

Проверку проводят измерением с и без сетевых проводов наибольшего сечения из диапазона, приведенного в 10.2, присоединенных к контактным зажимам.

18 Теплостойкость

18.1 Патроны должны иметь достаточную теплостойкость:

Проверку проводят:

- для патронов без температурной маркировки или с маркировкой Txxx - испытаниями в соответствии с 18.2-18.4;

- для патронов с маркировкой Т1 и T2 - испытаниями в соответствии с 18.3 и 18.5-18.7.

18.2 Патроны без температурной маркировки должны сначала испытываться в камере тепла при температуре, указанной в таблице 9.

Таблица 9

Тип патрона

Температура, °С

B15d

145

B22d

175

Патроны с маркировкой Txxx должны испытываться при температуре, соответствующей маркировке, плюс 10 К. Для этого испытания сплошной стальной испытательный цоколь вставляют в патрон и располагают так, чтобы он находился сверху испытательного цоколя вертикально, т.е. чтобы исключить воздействие массы цоколя на патрон. В контактной части испытательный цоколь должен соответствовать максимальным размерам согласно последнему изданию стандартных листов 7004-10 (B22d/22) и 7004-11 (B15d/19) МЭК 60061-1.

Испытание проводят без перерыва в течение 48 ч с отклонением от нормируемой температуры не более ±5 К.

После охлаждения в течение 24 ч без испытательного цоколя повторно проводят проверку контактного усилия в соответствии с 12.1.

18.3 Конструкция контактов и других токоведущих деталей должна исключать их чрезмерный нагрев.

Проверку проводят сразу же после испытания по 18.2 на патроне, заряженном проводами максимального сечения из диапазона, регламентируемого 10.2.

Винты контактных зажимов затягивают с приложением усилия, обеспечивающего значение вращающего момента, равного 2/3 от указанного в разделе 16; патрон устанавливают входным отверстием вниз и в течение 1 ч пропускают через него ток, равный 1,25 нормируемого.

Превышение температуры на контактных зажимах не должно быть более 45 К.

Температуру определяют с помощью индикаторов плавления или термопар, но не термометрами.

Для этого испытания применяют специальный испытательных цоколь, указанный на рисунках 5 и 6 для патронов (B15d) и (B22d) соответственно. Перед испытанием контактную поверхность тщательно зачищают и полируют.

Примечание - В качестве индикаторов плавления могут использоваться шарики из воска (диаметром 3 мм, температурой плавления 65 °С) при условии, что температура окружающей среды составляет ~ 20 °С.

После испытания провода не должны иметь повреждений.

18.4 Теплостойкость патронов определяют в камере тепла при температуре, указанной в таблице 10.

Патроны с маркировкой Txxx должны испытываться при температуре, соответствующей маркировке, плюс 35 К.

Для этого испытания сплошной (желательно из нержавеющей стали) испытательный цоколь вставляют в патрон. В контактной зоне испытательный цоколь должен иметь максимальные размеры, регламентированные последним изданием стандартных листов 7004-10 (B22d/22) и 7004-11 (B15d/19) МЭК 60061-1.

Таблица 10

Тип патрона

Температура, °С

B15d

170

B22d

200

Патрон с испытательным цоколем помещают вертикально патроном вверх (чтобы исключить воздействие массы цоколя на патрон) в камере тепла, нагретой до температуры, примерно равной 1/2 значения, указанного в таблице. Температуру повышают до требуемой в течение 1 ч ± 15 мин. После этого испытание продолжают непрерывно в течение 168 ч, поддерживая температуру с погрешностью ± 5 К.

В процессе испытания не должно быть повреждений патронов, препятствующих их дальнейшему использованию, и особенно:

- снижения защиты от поражения электрическим током;

- ослабления электрического контакта;

- трещин, вспучивания или усадки;

- вытекания заливочной массы.

Испытательный цоколь извлекают из патрона после остывания примерно до комнатной температуры.

После испытания патрон проверяют для оценки:

-          съема и установки без повреждения абажурного кольца, если имеется, или юбки.

Соответствие проверяют внешним осмотром и испытанием вручную;

-          заметной деформации патрона, снижающей безопасность изделия или делающей невозможным его дальнейшее использование.

Проверку проводят применением калибров, отвечающих требованиям стандартных листов 7006-12С и 7006-12D (B15d) и 7006-12А и 7006-12В (B22d) МЭК 60061-3.

Применяемый калибр не предназначен для проверки наличия контакта, а используется только для проверки возможных деформаций пластмасс.

Примечание - Любое изменение патрона (включая обесцвечивание какой-нибудь части), не влияющее на безопасность, может не учитываться.

Кроме того, патроны должны быть устойчивы к испытанию на механическую прочность в условиях, указанных в 15.2, 15.3 и 15.5, при этом момент вращения снижают на 50 % от первоначального значения, а высоту падения уменьшают на 50 мм.

18.5 Патроны с маркировкой Т1 или T2 должны испытываться в открытом с одного конца металлическом цилиндре с внутренним экраном, препятствующим вентиляции, и размерами, указанными на рисунке 12. Экран может быть съемным для удобства осмотра патрона после испытания.

Патрон должен быть заряжен проводами сечением 0,5 мм2, имеющими соответствующую теплостойкую изоляцию.

Патроны для испытания должны быть установлены в абажуре способом, предусмотренным их конструкцией, и в следующих положениях:

a) Для всех патронов

Лампа находится ниже патрона, а их оси примерно совпадают с вертикальной осью испытательного цилиндра.

b) Патроны, имеющие устройство крепления абажура

Металлический испытательный цилиндр должен быть закреплен на патроне с помощью устройства крепления абажура; наружные резьбовые детали должны быть затянуты с усилием, создающим соответствующий вращающий момент, значение которого указано в 15.3, за исключением того, что затяжка устройства крепления абажура должна быть затем ослаблена на 1/8 оборота перед началом испытания, описанного в 18.6.

c) Патроны без устройства крепления абажура

Патроны должны быть закреплены соответствующим способом на внутреннем экране металлического испытательного цилиндра.

Примечание - При необходимости могут быть использованы такие дополнительные приспособления, как резьбовой ниппель или специальный монтажный кронштейн.

Собранный комплект должен быть подвешен посредством испытательных проводов сечением 0,5 мм2 приблизительно в центре защищенной от сквозняков камеры, приведенной на рисунке 12.

Каждый патрон должен испытываться с использованием новой, биспиральной матированной или с белым внутренним покрытием лампой, отвечающей требованиям МЭК 60432. Другие параметры испытательной лампы должны отвечать требованиям таблицы 11 настоящего стандарта.

Термопара должна закрепляться на цоколе лампы на расстоянии 3 мм от места сопряжения с колбой и как можно ближе к телу накала.

Концы этих термопар должны быть присоединены к индикатору или потенциометру, регистрирующему температуру цоколя лампы, указанную в таблице 11. Цепь питания лампы должна обеспечивать возможность регулировки для достижения и поддержания необходимой температуры. Особое внимание следует обратить на обеспечение надежности контактирования термопары с цоколем лампы.

18.6 Испытание проводят в следующей последовательности:

a) Подготовка

Выбрав лампу с соответствующими параметрами и оценив испытательную температуру по таблице 11, патрон в сборе с испытательным цилиндром помещают в тепловую камеру, согласно 18.5 (см. рисунок 12) вставляют испытательную лампу с закрепленной термопарой. Лампу подключают к цепи питания и, регулируя напряжение, температуру на цоколе доводят и поддерживают в пределах значений, указанных в таблице 11, при напряжении не более 110 % от нормируемого для лампы значения. На этой стадии начинают первый 40-часовой период испытания.

Примечание - Учитывая возможное изменение характеристик лампы, допускается замена испытательной лампы на другую, аналогичную, обеспечивающую нормируемую температуру в пределах допустимого интервала напряжения.

b) Цикличность испытания

Полное испытание должно состоять из 12 или 25 последовательных циклов, как указано в таблице 11, состоящих каждый из трех периодов:

1) 40 ч с включенной лампой, в течение которых испытательную температуру поддерживают в пределах регламентируемых значений;

2) не менее 2 ч с выключенной лампой, в течение которых температуру цоколя лампы снижают до уровня окружающей температуры;

3) не менее 1 ч с включенной лампой, в течение которого температуру на цоколе лампы снова доводят до установившейся.

В случае выхода из строя испытательной лампы время, необходимое для ее замены и доведения температуры до регламентируемого значения, в продолжительность испытания не входит.

Таблица 11 - Патроны с маркировкой Т1 и Т2 температуры испытания и параметры испытательной лампы

Маркировка

Материал патрона

Температура цоколя, °С

+0

-10

Количество циклов

Тип патрона

Параметры лампы

Нормируемая мощность, Вт

Диаметр, мм

± 1,0

Общая длина, мм

± 3,5

Т1

Пластмасса, керамика или металл

175

12

B15d

60

35

96

B22d

100

60

105

T2

Содержащие детали из пластмассы*

220

25

B15d

60

35

96

B22d

150

68

125

Не содержащие деталей из пластмассы*

12

B15d

60

35

96

B22d

150

68

125

* Кроме деталей из пластмассы, устройства крепления шнура.

Примечания

1. Температура 2200-10 °С выбрана для подтверждения соответствия патрона с маркировкой T2 в условиях испытания и не должна отождествляться с предельной температурой работы лампы в условиях эксплуатации, определенных МЭК 60432.

2. 12 циклов эквивалентны 480 ч выдержки при испытательной температуре; 25 циклов эквивалентны 1000 ч выдержки при испытательной температуре.

18.7 После испытания согласно 18.6 и после охлаждения до комнатной температуры патроны должны быть исследованы для оценки следующего:

а) не имеет ли патрон деформаций, препятствующих нормальному вставлению в него соответствующих цоколей, с максимальными или минимальными размерами, отвечающими МЭК 60061-1?

Проверку проводят с применением калибров, приведенных в МЭК 60061-3, т.е. в стандартных листах 7006-12А и 7006-12В (B22d) и листах 7006-ПС и 7006-12D (B15d);

b) снимаются и заменяются ли без повреждений абажурное кольцо или юбка, или защитный экран, если имеются?

Проверку проводят внешним осмотром и контрольным снятием и установкой указанных элементов конструкции;

c) остаются ли надежно закрепленными металлические детали, расположенные на изолирующих частях?

Проверку проводят внешним осмотром;

d) сохраняется ли у устройств достаточное усилие, обеспечивающее надежное контактирование?

Проверку проводят повторным испытанием в соответствии с 12.1;

e) выполняются ли требования к сопротивлению и электрической прочности изоляции, приведенные в 14.3?

Требования к деталям, обеспечивающим защиту от случайного прикосновения к токоведущим частям, проверяют повторными испытаниями, указанными в 9.1 и 15.3.

Примечание - Любые изменения патрона (включая обесцвечивание деталей), не влияющие на безопасность, во внимание не принимают.

19 Нагревостойкость, устойчивость к воспламенению и токам поверхностного разряда

19.1 Детали, на которых крепят контакты и наружные детали патронов из изоляционного материала, а также наружные детали патронов из изоляционного материала, имеющих токопроводящую наружную поверхность, должны быть устойчивы к нагреву.

Для материалов, кроме керамических, проверку проводят устройством для вдавливания шарика, представленным на рисунке 17.

Поверхность испытуемой детали располагают горизонтально и стальной шарик диаметром 5 мм вдавливают в нее с усилием 20 Н.

Для патронов без температурной маркировки или маркированных Txxx это испытание проводят в тепловой камере при температуре, указанной в 18.4.

Для патронов с маркировкой Т1 или T2 испытание проводят при температуре (125 ± 5) °С.

Примечание - Если в процессе испытания светильника (см. МЭК 60598-1, 12.4) измеряют температуры, превышающие 100 °С, на вышеупомянутых деталях повторяют испытание при температуре на (25 ± 5) °С выше.

Устройство и опору, на которой размещают испытуемую деталь, помещают в тепловую камеру на время, достаточное для достижения к началу проверки испытательной температуры.

Испытуемую деталь помещают в тепловую камеру за 10 мин до начала вдавливания шарика.

Если поверхность детали при испытании прогибается, то участок, на который воздействует шарик, снизу поддерживают (укрепляют). Если же испытание на целой детали провести невозможно, испытание проводят на части (фрагменте) детали.

Эта часть должна иметь толщину не менее 2,5 мм, но если требуемая толщина не обеспечивается, ее получают наложением друг на друга двух или более одинаковых частей.

Через 1 ч нагрузку с испытуемой детали снимают, деталь в течение 10 с охлаждают приблизительно до комнатной температуры погружением в холодную воду. После этого измеряют диаметр отпечатка шарика, который должен быть не более 2 мм.

Примечание - Если испытание проводят на криволинейной поверхности, например корпусе патрона, или отпечаток имеет форму эллипса, то измеряют его короткую ось.

В случае возникающего сомнения измеряют глубину отпечатка и его диаметр D определяют по формуле

где Р - глубина отпечатка, мм.

19.2 Наружные детали из изоляционного материала (корпус, байонетный цилиндр, донышко или фланец), включая детали с токопроводящей внешней поверхностью, обеспечивающие защиту от поражения электрическим током, и детали из изоляционного материала, на которых токоведущие части расположены (комплект зажим/контакт), должны быть устойчивы к огню и воспламенению.

Соответствие всех материалов, кроме керамики, проверяют испытаниями по 19.3 и 19.4.

19.3 Наружные детали из изоляционного материала, включая детали с токопроводящей поверхностью, обеспечивающие защиту от поражения электрическим током, испытывают методом раскаленной проволоки согласно МЭК 60695-2-1 с учетом следующего.

Образцом для испытания является патрон в сборе. Для проведения испытания может возникнуть необходимость изъять некоторые детали из патрона, при этом условия испытания не должны существенно отличаться от нормальных условий эксплуатации.

Образец закрепляют на каретке и прижимают к раскаленной проволоке с усилием 1 Н на расстоянии приблизительно 15 мм и более от наружного края к центру испытуемой поверхности. Проникание раскаленной проволоки в образец более чем на 7 мм должно быть механически ограничено.

Если образец слишком мал, то испытание проводят на отдельном элементе из того же материала размером 30 ´ 30 мм и толщиной, равной минимальной толщине испытуемого образца.

Температура проволоки в месте контакта - 650 °С. Длительность контактирования - 30 с. Температура раскаленной проволоки и проходящий через нее ток должны стабилизироваться за 1 мин до начала испытания. До начала испытания термоизлучение раскаленной проволоки не должно влиять на образец. Температуру контактной части раскаленной проволоки измеряют термопарой, защищенной огнестойкой оболочкой, изготовленной и откалиброванной согласно требованиям МЭК 60695-2-1.

Горение или тление образца должно прекратиться через 30 с после удаления раскаленной проволоки, а расплавленные горящие капли не должны воспламенять папиросную бумагу, расположенную горизонтально на расстоянии (200 ± 5) мм под образцом, как установлено в 6.8.6 ИСО 4046.

19.4 Детали из изоляционного материала, на которых расположены токоведущие элементы, испытывают игольчатым пламенем в соответствии с требованиями МЭК 60695-2-2 с учетом следующего.

Образцом для испытания является патрон в сборе. Для проведения испытания может возникнуть необходимость изъять некоторые детали из патрона, при этом условия испытания не должны существенно отличаться от нормальных условий эксплуатации.

Пламя направляют на центральную область испытуемой поверхности.

Длительность воздействия пламенем - 10 с.

Горение образца должно прекратиться через 30 с после отстранения испытательного пламени, а любые расплавленные капли или горящие частицы образца не должны воспламенять папиросную бумагу, расположенную горизонтально на расстоянии (200 ± 5) мм под образцом, как установлено в 6.8.6 ИСО 4046.

19.5 Изолирующие детали патронов, отличные от обычных, на которых расположены токоведущие элементы, должны быть устойчивы к токам поверхностного разряда.

Соответствие материалов этому требованию, за исключением керамических, проверяют испытанием согласно МЭК 60112 с учетом следующего.

Если образец не имеет плоской поверхности не менее 15 ´ 15 мм, то испытание проводят на плоской поверхности с уменьшенными размерами, обеспечивающими удержание капель раствора на образце в процессе испытания.

При этом не должны использоваться искусственные способы удержания капель раствора на поверхности. При сомнении испытание может быть проведено на отдельном элементе из того же материала, имеющем необходимые размеры и изготовленном по той же технологии.

Если толщина элемента менее 3 мм, то два или, если необходимо, более элементов складывают для обеспечения толщины не менее 3 мм.

Испытание проводят в трех точках образца или на трех образцах.

Электроды должны быть платиновые, и должен использоваться испытательный раствор А, состав которого приведен в 5.4 МЭК 60112.

Образцы должны выдерживать воздействие 50 капель без пробоя при испытательном напряжении 175 В.

Считают, что пробой произошел, если ток 0,5 А или более, протекающий более 2 с на проводящей части между электродами по поверхности образца, вызывает срабатывание реле сверхтока или если имеется прогорание образца без срабатывания реле.

Пункт 6.4 МЭК 60112, относящийся к понятию эрозии, не применяют.

Примечание 1 к разделу 3 МЭК 60112, требующее влажной обработки поверхности, не применяют.

20 Защита от старения и коррозии

20.1 Контакты и другие детали, изготовленные из листов меди или медных сплавов, повреждение которых может привести к нарушению безопасности использования патронов, должны быть устойчивы к старению.

Проверку проводят следующим испытанием.

Поверхность образцов тщательно очищают, лак снимают ацетоном и проводят обезжиривание бензином или аналогичным составом.

Образцы на 24 ч помещают в испытательную камеру, дно которой заполнено раствором хлорида аммония, имеющим значение рН=10 (подробности об испытательной камере, испытательном растворе и процедуре испытания приведены в приложении А).

После такой обработки образцы промывают проточной водой; через 24 ч на образцах не должно быть трещин, видимых при 8-кратном увеличении.

Не принимают во внимание незначительные трещины наружного корпуса металлических патронов вблизи места крепления изолирующего кольца.

Во избежание искажения результатов испытания образцы следует брать аккуратно.

20.2 Детали из черных металлов, коррозия которых может привести к снижению безопасности их использования, должны быть надежно защищены от нее.

Проверку проводят следующим испытанием.

Испытуемые детали погружают на 10 мин в обезжиривающий раствор. Затем их на 10 мин погружают в 10 %-ный водный раствор хлорида аммония температурой (25±5) °С.

После извлечения из раствора детали встряхивают для удаления капель и на 10 мин помещают в бокс, содержащий насыщенный влагой воздух при температуре (20±5) °С.

Затем образцы просушивают в течение 10 мин в камере тепла при температуре (100±5)°С; любые следы ржавчины на острых кромках и любой желтоватый налет удаляют протиранием, после чего на их поверхности не должно оставаться следов коррозии.

Для небольших пружин и аналогичных деталей, а также деталей, подверженных истиранию, достаточной защитой от коррозии является смазка.

Такие детали испытанию не подвергают.

В миллиметрах

Обозначение размера

Номинальные значения для патронов

Пред. откл.

B15d

B22d

а

14,0

21,0

± 0,05

b

17,5

27,5

с

2,5

2,5

d

5,0

5,0

* Поверхность, ограниченная этим радиусом, может претерпевать частичные изменения при зачистке контактов патрона.

** Поверхность, ограниченную этим радиусом, не обрабатывают.

Рисунок 1 - Нагрузочное устройство (см. 15.1)

Патрон

G, кг

B15d

1

B22d

2

1 - испытательный цоколь; 2 - груз G

Рисунок 2 - Устройство для испытания на изгиб (см. 15.4)

В миллиметрах

Обозначение размера

Номин. значение

Пред. откл.

Технологическое

Износ

а

4,1

+0,03

+0

b

8,2

-0

-0,03

с

18

± 0,1

-

1 - втулка; 2 - вилка; 3 - основание

Рисунок 3 - Калибр для проверки крепежных отверстий фланцевых патронов (см. 12.11)

Рисунки предназначены только для иллюстрации типовых деталей патрона и не определяют конструкцию.

Рисунок 4 - Пояснение некоторых терминов (см. раздел 2)

1 - латунь с содержанием меди не менее 50 %; 2 - зона контактов

В миллиметрах

Обозначение размера

Номин. значение

Пред. откл.

А

15,125

±0,05

В

13

С

1,8

D

6

Е

2

F

1

N

22

±0,5

Рисунок 5 - Испытательный цоколь B15d (см. 18.3)

1 - латунь с содержанием меди не менее 50 %; 2 - зона контактов

В миллиметрах

Обозначение размера

Номин. значение

Пред. откл.

А

21,95

±0,05

В

17

С

2,2

D

6

Е

2

F

2,5

N

22

±0,5

Рисунок 6 - Испытательный цоколь B22d (см. 18.3)

1 - изоляционный материал; 2 - кромки; слегка скруглены

Размеры в миллиметрах

Обозначение размера

Номин. значения для патронов

Пред.

откл.

B15d

B22d

А

15,25

22,15

+0,1

-0

D

6,4

6,9

+0

-0,1

Е1)

2,2

2,2

F

1,1

2,7

Н

70

70

±0,1

I

55

65

+0,1

+0

J

17,1

26,45

+0,1

-0

К

26,0

27,0

+0

-0,1

L

15,5

15,5

a

30°

30°

±5¢

b

45°

45°

1) Штыри могут быть из металла.

Рисунок 7 - Испытательное устройство (см. 9.1)

1 - поверхность крепления абажура; 2 - точка касания

В миллиметрах

Обозначение размера

Номин. значение для патронов

B15d

B22d

Мин.

Макс.

Мин.

Макс.

С

22,5

24,8

31,5

38,1

G

8,0

-

8,0

-

М (1)

3,0

-

3,5

-

М (2)

3,5

-

4,0

-

Т (3)

18,0

19,0

18,0

20,0

W (4)

-

20,0

-

28,5

Примечания

1. Размеры относятся к металлическим кольцам для крепления абажура.

2. Размеры относятся к пластмассовым кольцам для крепления абажура.

3. Т - оптимальный размер для патронов, когда принципиальным является положение ламп относительно положения светильника или защитного экрана, если имеется.

4. Размеры относятся только к конструкции патронов, применяемых в светильниках, имеющих выходное отверстие не менее 29,0 и 20,5 мм для патронов B22d и B15d соответственно и предназначенных для фиксации устройства крепления абажура

Рисунок 8 - Размеры устройства для крепления абажура (см. 8.1)

В миллиметрах

Обозначение размера

Значение размера

Мин.

Макс.

А

31,75

-

В

4,75

-

С

29,0

-

D

-

13,5

Е

45,0

-

F

38,0

-

G

48,0

49,5

Н

39,0

40,0

I

1,5

-

Рисунок предназначен только для иллюстрации размеров, соответствующих требованиям МЭК 60064.

Примечания

1. В пределах профелеобразующей области, за исключением светового ввода, ограниченного размерами Е, F, G, H, не должно быть каких-либо препятствий. Размер X охватывает внутреннюю резьбу или другой способ присоединения к соответствующему патрону.

2. Должно быть по крайней мере три вентиляционных отверстия в стенке экрана общей площадью не менее 115 мм2, при этом ширина каждого отверстия должна быть не более 6,5 мм. Толщина стенки I = 1,5 мм может быть уменьшена вблизи отверстия.

* См. примечание 1.

** см. примечание 2.

Рисунок 9 - Размеры защитного экрана для патронов B22d (см. 9.1)

1 - шпилька; может быть металлической;

2 - изоляционный материал; достаточной твердости, устойчивый к усилиям контактирования

Примечание - Цоколь предназначен только для испытания плунжерных контактов при проверках сопротивления и электрической прочности изоляции, но не для проверки фиксации лампы.

В миллиметрах

Обозначение размера

Номин. значение

Пред. откл.

А

15

±0,1

В

13

С

1,8

D

7

Е

2

F

1

Рисунок 10 - Испытательный цоколь B15d (см. 14.3)

1 - шпилька; может быть металлической;

2 - изоляционный материал; достаточной твердости, устойчивый к усилиям контактирования

Примечание - Цоколь предназначен только для испытания плунжерных контактов при проверках сопротивления и электрической прочности изоляции, но не для проверки фиксации лампы

В миллиметрах

Обозначение размера

Номин. значение

Пред. откл.

А

22

±0,1

В

17

С

2,2

D

7

Е

2

F

2,5

Рисунок 11 - Испытательный цоколь B22d (см. 14.3)

1 - провода термопары; 2 - сетевые провода; 3 - фланец;

А. Испытательная камера

Материал: фанера номинальной толщиной 10 мм.

Внутренняя отделка: окраска двумя слоями матовой краски.

Внутренние размеры: [(500 ´ 500 ´ 500) ± 10] мм. Одна стенка должна сниматься.

Минимальные расстояния от стены камеры до испытательного цилиндра:

- горизонтальные - 150 мм;

- вертикальные: сверху - 300 мм;

снизу - 500 мм.

Примечание - Испытательная камера не должна нагреваться или охлаждаться от соседних поверхностей и допускать интенсивное перемещение воздуха.

В и С. Испытательный цилиндр

Цилиндр открыт с нижней стороны

Материал: стальной лист номинальной толщиной 0,5 мм.

Отделка: для патронов B15d/T1, B22d/Т1 и В22Д/Т2 - не менее чем двумя слоями матовой черной краски внутри и снаружи цилиндра; для патронов B15d/T2 - не менее чем двумя слоями черной матовой краски с наружной и внутренней стороны верхней крышки цилиндра.

Внутреннюю (нижнюю) сторону крышки цилиндра, включая нижнюю сторону крышки отражателя, покрывают светлой краской или полируют.

В - размеры цилиндра: внутренний диаметр 150 мм, длина 225 мм. Фланец 3 на расстоянии 50 мм от верха цилиндра опирается на крышку 5.

С - размеры крышки: диаметр 150 мм, центральные отверстия диаметром 20,5 и 29,0 мм для патронов B15d и B22d соответственно.

Рисунок 12 - Типовое устройство для теплового испытания (см. 18.5)

Метрическая резьба ИСО

Базовый профиль*

h = 0,86603 s; h/4 = 0,21651 s; h/8 = 0,10825 s; t0 = 5/8 h = 0,54127 s.

* Базовый профиль - профиль, применяемый для обозначения отклонений внутренней и наружной резьбы.

Предельный профиль гайки

Предельный профиль винта

В миллиметрах

Тип профиля

s

Винт

Гайка

d

d2

d1

D

D2

D1

Макс.

Мин.

Макс.

Мин.

Макс.

Мин.

Макс.

Мин.

Макс.

Мин.

M10´1

1

10,000

9,800

9,350

9,238

8,917

10,000

9,462

9,350

9,117

8,917

M13´l

13,000

12,800

12,350

12,190

11,917

13,000

12,510

12,350

12,117

11,917

Рисунок 13 - Резьба ниппеля патронов. Базовый профиль и предельные профили винта и гайки.

Калибры для винта

- базовый профиль (см. рисунок 13);

- проходной калибр;

- непроходной калибр

В миллиметрах

Резьба

s

d

±0,004

d2

+0,012

-0,020

d2

± 0,004

Износ

M10´1

1

9,800

9,350

8,917

0,012

M13´1

12,800

12,350

11,917

Калибры для гайки

- базовый профиль (см. рисунок 13);

- проходной калибр;

- непроходной калибр

В миллиметрах

Резьба

s

d

±0,004

d2

+0,012

-0,020

d2

± 0,004

Износ

M10´1

1

10,000

9,350

9,117

0,012

M13´1

13,000

12,350

12,117

Рисунок 14 - Калибры метрической резьбы ИСО для ниппелей

Примечание - В случае двойного толкования следует обращаться к МЭК 60068-2-62.

1 - стена; 2 - образец; 3 - опорное приспособление; Н - высота падения

Рисунок 15 - Установка для испытания на удар

1 - стержень; 2 - лист фанеры

Рисунок 16 - Монтажная опора

1 - стальной шарик диаметром 5 мм; 2 - образец

Рисунок 17 - Испытательное устройство для вдавливания шарика

Радиус сферы сжимающих головок 20 мм

1 - регулятор высоты; 2 - регулятор нагрузки; 3 - сфера

Рисунок 18 - Установка для испытания на сжатие

Слой песка, гравия или подобного материала для регулирования стока воды. Слои разделены металлической сеткой и промокательной бумагой.

1 - испытуемый патрон; 2 - опорное устройство

Примечание - Опорное устройство должно быть меньше испытуемого образца.

Рисунок 19 - Установка для проверки влагостойкости

ПРИЛОЖЕНИЕ А

(обязательное)

Испытание на коррозионную стойкость

Примечание - В целях безопасности окружающей среды следующие требования, касающиеся испытательного раствора, его объема и вместимости сосуда могут быть изменены по усмотрению испытательной лаборатории.

При этом вместимость испытательного сосуда должна быть в 500-1000 раз больше объема образца, и объем испытательного раствора должен быть таким, чтобы отношение вместимости сосуда к объему раствора было от 20:1 до 10:1. Однако, при сомнении, следует применять условия А.1.

А.1 Испытательная камера

Для испытания должны использоваться плотно закрывающиеся стеклянные сосуды. Это могут быть, например, эксикаторы или простые стеклянные емкости с притертыми ободом и крышкой. Вместимость сосуда должна быть не менее 10 дм3. Отношение испытательной вместимости сосуда к объему испытательного раствора должна поддерживаться от 20:1 до 10:1.

А.2 Испытательный раствор

Приготовление 1 дм3 раствора

Растворяют 107 г хлорида аммония (гранулы NH4Cl) в ~0,75 дм3 дистиллированной или полностью деминерализованной воды и добавляют не более 30 % раствора гидроокиси натрия (гранулы NaOH, растворенные в дистиллированной или полностью деминерализованной воде), до получения значения рН=10 при 22 °С. Для других температур соответствующее значение рН указано в таблице А.1.

Таблица А.1

Температура, °С

± 1

рН испытуемого раствора

± 0,1

22

10,0

25

9,9

27

9,8

30

9,7

После получения необходимого рН раствор доводят до 1 дм3 дистиллированной или полностью деминерализованной водой. Это не изменяет значения рН.

Температуру в любой момент времени в процессе регулирования рН поддерживают с погрешностью ± 1 °С. Замеры рН выполняют приборами, позволяющими замерить значение рН с погрешностью ± 0,02.

Испытательные растворы могут использоваться в течение длительного периода, но значение рН, характеризующее степень концентрации аммиака в воздухе, проверяют не реже чем каждые три недели с доведением до необходимого значения.

А.3 Процедура испытания

Образцы помещают в испытательную камеру таким образом, чтобы не нарушить циркуляцию паров аммония. Образцы не должны быть погружены в испытательный раствор и прикасаться друг к другу. Устройство крепления или подвешивания образцов не должно разрушаться от воздействия паров аммония, (например, стеклянные или фарфоровые части).

Испытание проводят при постоянной температуре (30±1) °С. При испытании не должно быть видимой конденсации воды в результате изменений температуры, что может исказить результат испытания.

До начала испытания испытательная камера, содержащая испытательный раствор, должна быть доведена до температуры (30±1) °С. Камеру как можно быстрее заполняют образцами, нагретыми до 30 °С, и закрывают. Этот момент является точкой отсчета времени испытания.

ПРИЛОЖЕНИЕ В

(справочное)

Соответствие стандартов МЭК государственным стандартам

Обозначение стандарта МЭК

Обозначение государственного стандарта

МЭК 60061-1 (1969)

ГОСТ 28108-89

МЭК 60064 (1993)

ГОСТ Р МЭК 60064-99

МЭК 60112 (1979)

ГОСТ 27473-87

МЭК 60227

ГОСТ Р МЭК 227-1-94 ¸ ГОСТ Р МЭК 227-7-98

МЭК 60245

ГОСТ Р МЭК 245-1-97 ¸ ГОСТ Р МЭК 245-6-97

МЭК 60417 (1973)

ГОСТ 28312-89

МЭК 60432

ГОСТ Р МЭК 60432-1-90, ГОСТ Р МЭК 60432-2-99

МЭК 60529 (1989)

ГОСТ 14254-96

МЭК 60598-1 (1996)

ГОСТ Р МЭК 60598-1-99

МЭК 60695-2

ГОСТ 27483-87, ГОСТ 27484-87

Ключевые слова: требования безопасности, общие требования, методы испытаний, патроны байонетные

 




ГОСТЫ, СТРОИТЕЛЬНЫЕ и ТЕХНИЧЕСКИЕ НОРМАТИВЫ.
Некоммерческая онлайн система, содержащая все Российские Госты, национальные Стандарты и нормативы.
В Системе содержится более 150000 файлов нормативно-технической документации, действующей на территории РФ.
Система предназначена для широкого круга инженерно-технических специалистов.

Рейтинг@Mail.ru Яндекс цитирования

Copyright © www.gostrf.com, 2008 - 2026