Крупнейшая бесплатная информационно-справочная система онлайн доступа к полному собранию технических нормативно-правовых актов РФ. Огромная база технических нормативов (более 150 тысяч документов) и полное собрание национальных стандартов, аутентичное официальной базе Госстандарта. GOSTRF.com - это более 1 Терабайта бесплатной технической информации для всех пользователей интернета. Все электронные копии представленных здесь документов могут распространяться без каких-либо ограничений. Поощряется распространение информации с этого сайта на любых других ресурсах. Каждый человек имеет право на неограниченный доступ к этим документам! Каждый человек имеет право на знание требований, изложенных в данных нормативно-правовых актах!

  


 

ГОСТ 3.1105-84

МЕЖГОСУДАРСТВЕННЫЙ СТАНДАРТ

ЕДИНАЯ СИСТЕМА ТЕХНОЛОГИЧЕСКОЙ ДОКУМЕНТАЦИИ

ФОРМЫ И ПРАВИЛА ОФОРМЛЕНИЯ
ДОКУМЕНТОВ ОБЩЕГО НАЗНАЧЕНИЯ

ИПК ИЗДАТЕЛЬСТВО СТАНДАРТОВ

МОСКВА

МЕЖГОСУДАРСТВЕННЫЙ СТАНДАРТ

Единая система технологической документации

ФОРМЫ И ПРАВИЛА ОФОРМЛЕНИЯ ДОКУМЕНТОВ ОБЩЕГО НАЗНАЧЕНИЯ

Unified system of technological documentation.

Forms and rules of making general-purpose documents

ГОСТ
3.1105-84

Дата введения 01.01.86

Настоящий стандарт устанавливает формы и правила оформления технологических документов общего назначения: титульного листа (ТЛ), технологической инструкции (ТИ) и карты эскизов (КЭ), разрабатываемых с применением различных методов проектирования.

(Измененная редакция, Изм. № 1).

1. ФОРМЫ И ПРАВИЛА ОФОРМЛЕНИЯ ТИТУЛЬНОГО ЛИСТА

1.1. ТЛ применяют при оформлении:

- комплекта технологических документов (далее - комплекта документов) на отдельные технологические процессы (операции), специализированные по методам изготовления или ремонта;

- комплекта технологической документации (далее - комплекта документации) на технологические процессы изготовления или ремонта изделий и (или) их составных частей;

- отдельных технологических документов (далее - документов), если они имеют самостоятельное применение, например ведомость материалов (ВМ), ведомость оснастки (ВО) и т.п.

Допускается оформлять ТЛ на комплект документов (документации), оформленный в альбом. При оформлении комплекта документов (документации) в нескольких альбомах, ТЛ оформляют на каждый альбом, при этом поля 1, 2, 4, 5 и 6 ТЛ ко второму и последующим альбомам допускается не заполнять. Конкретный порядок оформления ТЛ к последующим альбомам устанавливается на уровне отрасли предприятия (организации).

1.2. ТЛ является первым листом комплекта технологических документов (документации). Обязательность применения ТЛ устанавливается на уровне отрасли или предприятия (организации).

1.1, 1.2. (Измененная редакция, Изм. № 1).

1.3. ТЛ следует оформлять на формах 1 - 4:

- форму 1 применяют для комплекта документов (документации), выполненных на формате А4 с вертикальным расположением поля подшивки (или с преобладанием документов, выполненных на таком формате);

- форму 2 применяют для комплекта документов (документации), выполненных на формате А4 с горизонтальным расположением поля подшивки (или с преобладанием документов, выполненных на таком формате);

- форму 3 применяют для комплекта документов (документации), выполненных на формате A3 (или с преобладанием документов, выполненных на таком формате);

- форму 4 применяют для комплекта документов (документации), выполненных методом автоматизированного проектирования (или с преобладанием таких документов в комплекте) на алфавитно-цифровых печатающих устройствах (АЦПУ), имеющих максимальное количество шагов печати в строке, равное tmax = 128.

Примечание. При разработке комплекта документов (документации) с применением автоматизированного метода проектирования для документов, имеющих tmax = 70 или tmax = 110, допускается соответствующее оформление ТЛ по форме 1 или 2. Проектирование документов следует выполнять в соответствии с требованиями ГОСТ 2.004.

(Измененная редакция, Изм. № 1).

1.4. Запись данных в ТЛ следует выполнять в соответствии с требованиями ГОСТ 3.1129 и ГОСТ 3.1130.

Допускается выполнять запись данных в ТЛ смешанными способами: типографским, машинописным, рукописным и с помощью резиновых штампов.

1.5. На ТЛ следует указывать:

- на поле 1 - наименование министерства или ведомства, в систему которого входит организация (предприятие), разработавшая данный комплект (комплекты) документов (документации), например:

МИНИСТЕРСТВО ПРИБОРОСТРОЕНИЯ, СРЕДСТВ АВТОМАТИЗАЦИИ И СИСТЕМ УПРАВЛЕНИЯ СССР

Допускается записывать:

- ниже наименования министерства или ведомства наименование промышленного объединения (главка, треста и т.п.), в которое входит организация (предприятие), разработавшая данный комплект (комплекты) документов (документации), например:

ВСЕСОЮЗНОЕ ПРОМЫШЛЕННОЕ ОБЪЕДИНЕНИЕ СОЮЗТОЧМАШПРИБОР

ИЛИ ВПО СОЮЗМАШТОЧПРИБОР

- наименование организации-разработчика при невозможности внесения этого наименования в графу 1 основной надписи, например:

КИШИНЕВСКОЕ ПРОИЗВОДСТВЕННОЕ ОБЪЕДИНЕНИЕ ВОЛНА

В этом случае графу 1 основной надписи не заполняют.

Обязательность заполнения поля 1 устанавливается на уровне отрасли или предприятия (организации);

- на поле 2 - в левой части поля - должность и подпись лица, согласовавшего комплект(ты) документов (документации) от заказчика с указанием, при необходимости, наименования (обозначения) соответствующей организации, в правой части поля - должность и подпись лица, утвердившего комплект(ты) документов (документации). Расположение грифов согласования и утверждения на поле 2 устанавливает разработчик документа при подготовке к размножению бланков. Оформление грифов согласования и утверждения - по ГОСТ 6.38*.

* В Российской Федерации действует ГОСТ Р 6.30-97.

Обязательность и полнота заполнения поля 2 устанавливаются на уровне отрасли или предприятия (организации);

- на поле 3 - наименование комплекта документов (документации) или наименование вида документа.

Запись данных на поле 3 следует выполнять в следующем порядке:

- на первой строке прописными буквами - наименование комплекта документов (документации) или отдельного вида документа, например:

КОМПЛЕКТ ТЕХНОЛОГИЧЕСКОЙ ДОКУМЕНТАЦИИ

или

КОМПЛЕКТ ПРОЕКТНОЙ ТЕХНОЛОГИЧЕСКОЙ ДОКУМЕНТАЦИИ

или

КОМПЛЕКТ ДОКУМЕНТОВ

или

ВЕДОМОСТЬ МАТЕРИАЛОВ

- на второй и последующих строках строчными буквами - для комплекта технологической документации - указание общего понятия изготовления или ремонта изделия (деталей, сборочных единиц) без указания применяемого метода, например:

КОМПЛЕКТ ТЕХНОЛОГИЧЕСКОЙ ДОКУМЕНТАЦИИ

изготовления изделия

- для комплекта документов на технологический процесс (операции) - наименование (или аббревиатуру) вида технологического процесса (операции) по организации производства, например единичный технологический процесс (ЕТП), типовой (групповой) технологический процесс ТТП (ГТП), типовая (групповая) технологическая операция ТО (ГО) и наименование основного технологического метода, применяемого при изготовлении (ремонте) изделий и (или) их составных частей, например:

КОМПЛЕКТ ДОКУМЕНТОВ

на групповой технологический процесс электролитического покрытия

или

КОМПЛЕКТ ДОКУМЕНТОВ

на ГТП электролитического покрытия.

Допускается:

- выполнять запись на второй и последующих строках прописными буквами;

- не указывать наименование (или аббревиатуру) вида технологического процесса по его организации для единичных технологических процессов;

- указывать в скобках вариант исполнения изделий и (или) их составных частей, например:

КОМПЛЕКТ ДОКУМЕНТОВ

на технологический процесс сборки

(тропическое исполнение)

- указывать для сброшюрованных в альбом (альбомы) комплектов документов (документации), после наименования технологического процесса, с новой строки наименование и обозначение нескольких изделий (деталей, сборочных единиц), вошедших в данный альбом (альбомы);

- на поле 4 - в левой части поля - должности и подписи лиц, подтвердившие согласование комплекта документов (документации), отдельного вида документа с подразделениями предприятия (организации), отвечающими за отдельные технологические методы, применяемые при изготовлении (ремонте) изделий и (или) их составных частей, например главного металлурга, главного сварщика и т.п.; в правой части поля - должности и подписи лиц, ответственных за разработку комплекта (комплектов) документов (документации) или отдельного вида документа. Справа от каждой подписи проставляют инициалы и фамилию лица, подписавшего документ, а ниже подписи - дату подписания.

Примечания:

1. В целях исключения дублирования информации на поле 4 выносят подписи ответственных лиц, не вошедшие в основную надпись основного документа, например при наличии в маршрутной карте подписи руководителя технологического бюро эту подпись на ТЛ выносить не следует.

Номенклатура должностных лиц, участвующих в согласовании и разработке документов (документации), устанавливается на уровне отрасли или предприятия (организации).

Дополнительные визы должностных лиц, при необходимости, допускается указывать на поле подшивки ТЛ.

2. Запись данных на поле 4 допускается выполнять в одну или две строки;

- на поле 5 - номер акта и дату внедрения технологического процесса (операции), свидетельствующего о внедрении комплекта документов (документации) в производство, например:

АКТ № 14-82 от 16.04.83

Обязательность заполнения поля 5 устанавливается на уровне отрасли или предприятия (организации);

- на поле 6 - отметка о соответствии комплекта (комплектов) документов (документации) на технологические процессы (операции) отдельным «Положениям» или «Руководствам», действующих в отраслях промышленности.

Обязательность заполнения поля 6 устанавливается на уровне отрасли или предприятия (организации).

1.6. При необходимости указания данных о номере заказа (договора) соответствующую информацию следует вносить в графу 23 блока Б5 основной надписи согласно требованиям на уровне отрасли или предприятия (организации).

1.5, 1.6. (Измененная редакция, Изм. № 1).

1.7. Для указания общего количества листов в комплекте документов, альбоме (папке) следует руководствоваться требованиями ГОСТ 3.1119. Общее количество альбомов (папок) и порядковый номер альбома (папки) следует указывать соответственно в графах 26 и 27 блока Б5 основной надписи.

1.8. Для ТЛ, издаваемого типографским способом, переменные данные на полях 2 - 4 не указывают.

1.9. Примеры оформления ТЛ приведены в приложении 1.

2. ФОРМЫ И ПРАВИЛА ОФОРМЛЕНИЯ ТЕХНОЛОГИЧЕСКОЙ ИНСТРУКЦИИ

2.1. Для разработки ТИ следует применять формы 5 и .

2.2. ТИ применяют для описания:

- технологических процессов, имеющих непрерывный характер действия, например технологические процессы металлургического производства, химического производства и т.п.;

- технологических процессов, специализированных по отдельным методам, применяемым для изготовления или ремонта изделий и (или) их составных частей, формы документов которых не установлены стандартами ЕСТД;

- работы, имеющей общий и повторяющийся характер, независимо от состава изготовляемых или ремонтируемых изделий и (или) их составных частей, например приготовление электролитических растворов, клеев, смол, компаундов, смесей материалов и т.п.;

- правил эксплуатации средств технологического оснащения;

- физических и химических явлений, возникающих при выполнении отдельных технологических операций;

- настроечных и регулировочных работ и т.п.

2.3. Отражение требований безопасности труда в ТИ - по ГОСТ 3.1120.

2.4. Правила оформления ТИ определяются ее назначением.

2.4.1. Описание в ТИ следует выполнять в технологической последовательности выполнения действий и в соответствии с требованиями ГОСТ 3.1129 и ГОСТ 3.1130.

2.4.2. При разработке ТИ следует предусматривать вводную часть, в которой должна быть отражена область распространения и назначения данного документа.

2.4.3. В зависимости от содержания текст ТИ может быть разбит на разделы и подразделы. В этом случае нумерацию пунктов следует выполнять в соответствии с требованиями ГОСТ 2.105.

2.4.4. В целях удобства внесения изменений и обработки информации, содержащейся в ТИ, допускается вводить графу для указания нумерации строк аналогично формам МК по ГОСТ 3.1118.

2.5. При оформлении ТИ с ТЛ для описания содержания ТИ следует применять форму с указанием состава исполнителей на поле 4 ТЛ.

2.6. Для сокращения состава документов, применяемых при разработке ТИ, допускается:

- взамен ТЛ применять форму 5 ТИ, при этом информацию, характерную для ТЛ, размещать по всему полю документа или только в верхней части поля документа с введением, при необходимости, данных, содержащихся на полях 4 - 6, оставляя нижнюю часть для записи основного содержания ТИ;

- выполнять графические иллюстрации, таблицы непосредственно на формах ТИ.

2.7. Пример оформления ТИ приведен в приложении 2.

3. ФОРМЫ И ПРАВИЛА ОФОРМЛЕНИЯ КАРТЫ ЭСКИЗОВ

3.1. КЭ применяют для разработки графических иллюстраций, таблиц к текстовым документам и выполняют на форматах по ГОСТ 2.301.

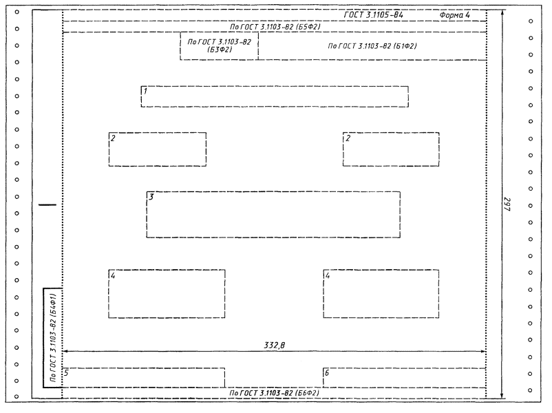
3.2. Для разработки КЭ следует применять следующие формы:

- 6 и 6а - для формата А4 с вертикальным расположением поля подшивки;

- 7 и 7а - для формата А4 с горизонтальным расположением поля подшивки;

- 8 и 8а - для формата A3.

Указанные формы КЭ приведены на черт. 1.

Допускается применять для КЭ другие форматы по ГОСТ 2.301, проставляя на ней следующий по порядку номер формы.

При разработке КЭ, выполненных на форматах:

- меньшем А4 - размеры и расположение блоков основной надписи должны быть аналогичны форме КЭ, выполненной на формате А4 с вертикальным расположением поля подшивки;

- большем A3 - размеры и расположение блоков Б1, Б2, Б3 и Б5 основной надписи должны быть аналогичны соответствующим блокам формы КЭ, выполненной на формате A3.

3.3. Оформление КЭ не зависит от применяемых методов проектирования. Требования по оформлению КЭ - по ГОСТ 3.1129 и ГОСТ 3.1130.

3.4. При разработке КЭ графу 3 основной надписи не заполняют.

При разработке одной КЭ к нескольким операциям графы 8 - 11 основной надписи не заполняют, а номера операций в этом случае проставляют:

- при одном общем эскизе к нескольким операциям - под основной надписью;

- при нескольких эскизах - над каждым эскизом.

3.5. Для сокращения процедуры оформления допускается применять взамен первого или заглавного листа КЭ последующие листы, если КЭ и основной технологический документ разрабатывается одним исполнителем. В этом случае на КЭ в графе 4 основной надписи следует проставлять обозначение того документа, к которому КЭ относится с применением сквозной нумерации листов в пределах данного документа. Например, при описании операции обработки резанием на двух листах ОК эскиз выполнен на форме 7а, при этом КЭ присваивают обозначение КО и проставляют порядковый номер листа документа - 3.

3.6. Пример оформления КЭ приведен в приложении 3.

ТИТУЛЬНЫЙ ЛИСТ


ТИТУЛЬНЫЙ ЛИСТ

ТИТУЛЬНЫЙ ЛИСТ

ТИТУЛЬНЫЙ ЛИСТ


ТЕХНОЛОГИЧЕСКАЯ ИНСТРУКЦИЯ (ПЕРВЫЙ ИЛИ ЗАГЛАВНЫЙ ЛИСТ)

ТЕХНОЛОГИЧЕСКАЯ ИНСТРУКЦИЯ (ПОСЛЕДУЮЩИЕ ЛИСТЫ)

Черт. 1

ПРИЛОЖЕНИЕ 1

Рекомендуемое

ПРИМЕРЫ ОФОРМЛЕНИЯ ТИТУЛЬНОГО ЛИСТА





ИНФОРМАЦИОННЫЕ ДАННЫЕ

1.  РАЗРАБОТАН И ВНЕСЕН Государственным комитетом СССР по стандартам

2.  УТВЕРЖДЕН И ВВЕДЕН В ДЕЙСТВИЕ Постановлением Государственного комитета СССР по стандартам от 30.11.84 № 4070

3.  СТАНДАРТ УНИФИЦИРОВАН со стандартами ТГЛ 42327 и ТГЛ 42327-02 в части состава видов технологических документов общего назначения, формуляров машиноориентированных технологических документов общего назначения, предназначенных для автоматизированного проектирования и обработки содержащейся в них информации; правил оформления форм технологических документов

4.  ВЗАМЕН ГОСТ 3.1105-74, кроме разд. 5 и 6, ГОСТ 3.1110-75, кроме разд. 4 и 5, ГОСТ 3.1117-81

5.  ССЫЛОЧНЫЕ НОРМАТИВНО-ТЕХНИЧЕСКИЕ ДОКУМЕНТЫ

Обозначение НТД, на который дана ссылка

Номер пункта

ГОСТ 2.004-88

1.3

ГОСТ 2.105-95

2.4.3

ГОСТ 2.301-68

3.1, 3.2

ГОСТ 3.1103-82

1.3

ГОСТ 3.1118-82

2.4.4

ГОСТ 3.1119-83

1.7

ГОСТ 3.1120-83

2.3

ГОСТ 3.1129-93

1.4, 2.4.1, 3.3

ГОСТ 3.1130-93

1.4, 2.4.1, 3.3

ГОСТ 6.38-90

1.5

6.  ИЗДАНИЕ (апрель 2001 г.) с Изменением № 1, утвержденным в июле 1990 г. (ИУС 11-90)

СОДЕРЖАНИЕ

 

 




ГОСТЫ, СТРОИТЕЛЬНЫЕ и ТЕХНИЧЕСКИЕ НОРМАТИВЫ.
Некоммерческая онлайн система, содержащая все Российские Госты, национальные Стандарты и нормативы.
В Системе содержится более 150000 файлов нормативно-технической документации, действующей на территории РФ.
Система предназначена для широкого круга инженерно-технических специалистов.

Рейтинг@Mail.ru Яндекс цитирования

Copyright © www.gostrf.com, 2008 - 2026