| |
ТИПОВЫЕ ТЕХНОЛОГИЧЕСКИЕ КАРТЫ
НА ПРОИЗВОДСТВО
ОТДЕЛЬНЫХ ВИДОВ РАБОТ
РАЗДЕЛ 01
ТИПОВАЯ
ТЕХНОЛОГИЧЕСКАЯ КАРТА
НА ЗЕМЛЯНЫЕ И БУРОВЗРЫВНЫЕ РАБОТЫ
1.01.01.15
КОМПЛЕКСНО-МЕХАНИЗИРОВАННЫЙ ПРОЦЕСС
ВЕРТИКАЛЬНОЙ ПЛАНИРОВКИ СТРОИТЕЛЬНОЙ
ПЛОЩАДКИ
НА ЗАТОРФОВАННОЙ ТЕРРИТОРИИ
МОСКВА - 1989
|
РАЗРАБОТАНА
|
ОДОБРЕНА
|
|
ВНИПИИСТРОМСЫРЬЕ
|
Отделом организации и технологии строительного
производства Госстроя СССР
|
|
Главный инженер института Р. А. Родин
Главный инженер проекта В. Н. Буман
|
Письмо от 14.09.1988 г. № 23-532
Введена в действие с 1.01.1989 г.
|
1.1. Типовая
технологическая карта рекомендуется для выполнения работ при
вертикальной планировке строительной площадки объемом от 50 до 1000 тыс. м3 на
заторфованной территории при сооружении объектов промышленного, жилищно-гражданского и мелиоративного
строительства.
1.2. Типовая
технологическая карта может быть использована
для грунтов I-III групп.
1.3. В данной
технологической карте приведен пример вертикальной
планировки строительной площадки с параметрами:
длина - 190,00 м,
ширина - 120,00 м;
глубина выемки торфа - 2,00 м;
максимальная высота насыпи - 3,95
м;
объем выемки торфа - 34195 м3;
объем насыпи вертикальной планировки с учетом замены
торфа грунтом II группы - 54229 м3;
уровень грунтовых вод на 0,50 м
ниже поверхности земли.
1.4.
Строительство ведется в средней зоне при положительных температурах воздуха.
1.5. При привязке
технологической карты к конкретному объекту и условиям строительства необходимо скорректировать объемы работ, группы грунтов, график производства работ и калькуляцию затрат труда, средства механизации с учетом наличия парка землеройных механизмов.
2.1. Настоящий комплексно-механизированный технологический процесс
состоит из подготовительных, основных и отделочных операций.
2.2. К подготовительным
операциям относятся:
геодезическая разбивка контуров планировки с
установкой разбивочных знаков и реперов;
устройство освещения площадки; устройство временных подъездных землевозных автодорог.
2.3. К основным операциям относятся:
устройство подсыпок для проездов механизмов и автотранспорта и автодороги по контуру планировки; выемка торфа; водоотлив; разработка грунта в резерве (карьере); забивка котлована после выемки торфа грунтом II группы;
возведение планировочной насыпи.
2.4. К отделочным операциям
относится:
планировка откосов и верха насыпи.
2.5. Состав вариантов комплексов машин, применяемых для выполнения основных и
отделочных операций.
Таблица
1
|
Технологическая операция
|
Варианты комплексов машин
|
|
1
|
2
|
3
|
4 (аналог)
|
|
Устройство подсыпок для проезда и автодороги по контуру планировки
|
Бульдозер ДЗ-110А.
Каток ДУ-47Б
|
Бульдозер ДЗ-110А.
Каток ДУ-47Б
|
Бульдозер ДЗ-110А.
Каток ДУ-47Б
|
Бульдозер ДЗ-110А.
Каток ДУ-47Б
|
|
Выемка торфа с водоотливом
|
Экскаватор Э0-5111Б драглайн.
Автомобиль-самосвал КамАЗ-5511.
Автогрейдер ДЗ-31-1.
Бульдозер ДЗ-110А.
Насос КМ80-50-200-СД
|
Экскаватор Э0-5111Б драглайн.
Автомобиль-самосвал КамАЗ-5511.
Автогрейдер ДЗ-31-1.
Бульдозер ДЗ-110А.
Насос КМ80-50-200-СД
|
Экскаватор Э0-5111Б драглайн.
Автомобиль-самосвал КамАЗ-5511.
Автогрейдер ДЗ-31-1.
Бульдозер ДЗ-110А.
Насос КМ80-50-200-СД
|
Экскаватор Э0-5111Б драглайн.
Автомобиль-самосвал КамАЗ-5511.
Автогрейдер ДЗ-31-1.
Бульдозер ДЗ-110А.
Насос КМ80-50-200-СД
|
|
Разработка грунта в
резерве (карьере).
Забивка котлована после
выемки торфа грунтом II группы и возведение планировочной насыпи.
|
Экскаватор Э0-4121Б прямая лопата.
Автомобиль-самосвал КамАЗ-5511.
Бульдозер
ДЗ-110А.
Каток
ДУ-16В.
Поливочная
машина ПМ-130Б.
Автогрейдер
ДЗ-31-1.
Насос
КМ80-50-200-СД
|
Экскаватор Э0-5122А прямая лопата.
Автомобиль-самосвал КамАЗ-5511.
Бульдозер
ДЗ-110А.
Каток
ДУ-16В.
Поливочная
машина ПМ-130Б.
Автогрейдер
ДЗ-31-1.
Насос
КМ80-50-200-СД
|
Экскаватор Э0-5111Б прямая лопата.
Автомобиль-самосвал КамАЗ-5511.
Бульдозер
ДЗ-110А.
Каток
ДУ-16В.
Поливочная
машина ПМ-130Б.
Автогрейдер
ДЗ-31-1.
Насос
КМ80-50-200-СД
|
Экскаватор Э0-4111В прямая лопата.
Автомобиль-самосвал КамАЗ-5511.
Бульдозер
ДЗ-110А.
Каток
ДУ-16В.
Поливочная
машина ПМ-130Б.
Автогрейдер
ДЗ-31-1.
Насос
КМ80-50-200-СД
|
|
Планировочные
работы
|
Автогрейдер ДЗ-31-1
|
Автогрейдер ДЗ-31-1
|
Автогрейдер ДЗ-31-1
|
Автогрейдер ДЗ-31-1
|
Ведущими машинами в комплексе машин являются:
в варианте № 1 - экскаватор Э0-4121Б, оборудованный
прямой лопатой;
в варианте № 2 -
экскаватор Э0-5122А, оборудованный прямой лопатой;
в варианте № 3 - экскаватор Э0-5111Б, оборудованный прямой
лопатой;
в варианте № 4 - экскаватор Э0-4111В, оборудованный
прямой лопатой.
2.6. Технология производства работ для варианта № 1.
Насыпь вертикальной планировки устраивается на заторфованном, обводненном участке местности при полном выторфовывании до дна болота.
Предварительно, до начала
выемки торфа устраиваются подъездная
автодорога к месту производства работ, автодорога по всему контуру планировки,
а также подсыпки для проезда механизмов и автомобилей-самосвалов по всей площади участка работ.
Автодороги и подсыпки шириной 5,50 м и высотой 0,50 м устраиваются
из доменного шлака или другого
местного строительного материала над поверхностью земли. Привезенный
автомобилями-самосвалами шлак отсыпается «с
головы», разравнивается бульдозером ДЗ-110А и уплотняется катком ДУ-47Б.
Выемка торфа производится экскаватором Э0-5111Б драглайн. Торф
грузится на автомобили-самосвалы КамАЗ-5511 и вывозится в отвал. Разработка торфа выполняется при движении
экскаватора и автомобилей-самосвалов по подсыпкам.
Работа по выемке торфа ведется под защитой открытого водоотлива. Грунтовая вода поступает по
водосборным канавам
в зумпфы, откуда откачивается насосами КМ80-200-СД за пределы участка
планировки.
Разработка торфа экскаватором начинается от зумпфов и ведется
вдоль водосборных канав в направлении, противоположном уклону канав. После устройства водосборных канав по всему контуру выемки разрабатывается торф в
средней части площадки.
Одновременно с торфом разрабатывается шлак, уложенный в подсыпки.
Котлован, образованный после
выемки торфа, забивается грунтом II группы до отметок поверхности земли.
Вся площадь котлована разбивается на две захватки, каждая из
которых на две карты. На каждой из карт, в технологической последовательности чередуются
операции:
отсыпка грунта автомобилями-самосвалами КамАЗ-5511 и разравнивание
его бульдозером ДЗ-110А;
увлажнение грунта
поливочной машиной ПМ-130Б, выстаивание и уплотнение полуприцепным катком
ДУ-16В.
Для забивки котлована используется грунт, разрабатываемый
в резерве (карьере) экскаватором Э0-4121Б, оборудованным прямой лопатой.
Подвезенный
автомобилями-самосвалами грунт разгружается в отдельные кучи с таким расчетом, чтобы после разравнивания их бульдозером образовался слой толщиной 0,35 м.
Разравнивание грунта производится бульдозером
ДЗ-110А по круговой схеме в направлении от
краев к середине. Проходы бульдозера выполняются
с перекрытием предыдущей проходки на 0,30-0,40
м.
Перед укаткой каждого слоя грунта производится (при необходимости)
увлажнение его поливочной
машиной ПМ-130Б.
Уплотнение грунта должно
выполняться при оптимальном содержании влаги в грунте. Укатка грунта осуществляется от краев карты к ее середине полуприцепным пневмокатком ДУ-16В. Движение катка
производится с перекрытием следа предыдущего прохода
на 0,30 м. Первая проходка катка выполняется на расстоянии 2,80 м от бровки, а затем прикатывается край насыпи.
После прикатки края насыпи укатку продолжают
круговыми проходами катка в направлении от краев насыпи к ее середине.
Величина оптимальной
влажности грунта, требующееся количество воды для доувлажнения,
необходимое количество проходов катка по
одному следу и толщина укатываемого слоя уточняются на месте работ пробной
укаткой.
В процессе производства работ по каждому слою грунта производится контроль
его уплотнения взятием проб
полевой грунтовой лабораторией.
Забивка котлована грунтом II группы
производится с постоянным открытым водоотливом. Для
этого при отсыпке насыпи через каждые три слоя устраивается водоотводная канава
треугольного сечения, образующаяся между откосом котлована и откосом возводимой насыпи. Откачка воды
производится из водоприемных зумпфов насосами КМ80-50-200-СД.
Возведение планировочной насыпи производится аналогично работам по
забивке котлована грунтом II группы. Планировка полотна и откосов насыпи выполняется автогрейдером ДЗ-31-1.
Землевозные дороги, по которым транспортируется грунт из резерва
(карьера) в насыпь, должны постоянно поддерживаться в исправном состоянии автогрейдером
ДЗ-31-1.
2.7. Замена торфа грунтом II группы и возведение планировочной насыпи
выполняется (при работе в каждую смену) для
варианта № 1 в следующим составом:
машинист бульдозера 6 разряда -
1
машинист экскаватора 6 разряда -
4
пом. машиниста экскаватора 5 разряда - 2
машинист катка 6 разряда - 1
машинист катка 5 разряда -
1
машинист автогрейдера 6 разряда -
1
машинисты насоса 4 разряда -
2
машинист 4 разряда (водитель III класса) поливочной машины - 1
водители автомобилей-самосвалов(III класса) - 8
2.8. Контроль качества выполняемых работ
Таблица
2
|
Наименование
операций, подлежащих контролю
|
Контроль
качества выполнения операций
|
|
Производителем
работ
|
Мастером
|
Состав
|
Способы
|
Время
|
Привлекаемые
службы
|
|
Разбивка контуров площадки, планировки подсыпок
для проезда и землевозных дорог
|
Устройство подсыпок для проезда и землевозных дорог
|
Точность выноса разбивки, осадка подсыпок
|
Теодолитом, стальной рулеткой
|
До начала разработки торфа
|
Геодезическая
|
|
-
|
Разработка торфа (устройство
котлована)
|
Геометрические размеры в плане, глубина разработки торфа, крутизна откосов котлована, очередность разработки
котлована, состояние водосборных канав и зумпфов
|
Визуально, стальной рулеткой, откосником
|
В процессе устройства
|
Геодезическая, грунтовая лаборатория
|
|
-
|
Забивка котлована грунтом II группы и устройство насыпи
вертикальной планировки
|
Толщина слоя
отсыпки, геотехнические
свойства грунта, геометрические размеры в
плане, высотные
отметки, крутизна откосов, состояние водосборных канав и зумпфов
|
Нивелиром, стальной
рулеткой, уклономером, откосником,
плотномером, влагомером
|
В процессе отсыпки насыпи
|
Геодезическая, грунтовая лаборатория
|
|
-
|
Планировочные работы
|
Соблюдение проектных отметок,
геометрические размеры в плане, крутизна откосов
|
Нивелиром, стальной
рулеткой, уклономером, откосником
|
После отсыпки насыпи
|
Геодезическая
|
В соответствии с принятыми вариантами комплексов машин (табл. 1) и на основании калькуляции затрат труда в табл. 3 приведены сравнительные
технико-экономические показатели эффективности вариантов.
Таблица 3
|
Наименование показателей
|
Единица
измерения
|
Варианты комплексов
механизации работ
|
|
1
|
2
|
3
|
4 (аналог)
|
|
Объем работ
|
м3
|
88424
|
88424
|
88424
|
88424
|
|
Общая трудоемкость
|
чел.-дн.
|
1607,0
|
1675,6
|
1769,8
|
1763,5
|
|
То же, на 1000 м3
грунта
|
чел.-ч
|
149,0
|
155,4
|
164,12
|
163,5
|
|
Затраты
машинного времени на весь объем работ
|
маш.-смен
|
1508,6
|
1577,2
|
1527,7
|
1665,1
|
|
Продолжительность
процесса при двухсменной работе
|
день
|
61,4
|
69,8
|
64,2
|
67,3
|
|
Выработка на 1 маш.-ч
|
м3
|
7,15
|
6,84
|
7,05
|
6,48
|
|
Стоимость затрат труда на
весь объем работ
|
руб.
|
10885,99
|
12239,88
|
12434,01
|
12487,41
|
|
То же, на 1000 м3 грунта
|
руб.
|
123,11
|
138,42
|
140,62
|
141,22
|
|
Приведенные затраты на весь
объем работ
|
руб.
|
91342
|
94614
|
95233
|
97620
|
|
То же, на 1000 м3
грунта
|
руб.
|
1033
|
1070
|
1077
|
1104
|
|
Эффективность в сравнении с
аналогом на 1000 м3 грунта
|
руб.
|
+71
|
+34
|
+27
|
-
|
|
Прямые затраты на 1000 м3
грунта
|
руб.
|
976
|
995
|
1015
|
1042
|
4.1. Потребность в машинах,
оборудовании, инструментах, инвентаре и
приспособлениях
Таблица
4
|
Наименование машин, оборудования, инструментов и приспособлений
|
Тип
|
Марка,
ГОСТ
|
Количество
машин для вариантов механизации, шт.
|
Техническая
характеристика
|
|
1
|
2
|
3
|
4
|
|
Бульдозер с неповоротным
отвалом, управление гидравлическое
|
На тракторе класса 10 т
|
ДЗ-110А
|
1
|
1
|
1
|
1
|
Трактор Т-130.1.Г-1, длина отвала 3220 мм
|
|
Экскаватор универсальный
|
Одноковшовый, гидравлический привод на гусеничном ходу
|
Э0-4121Б,
ГОСТ 22894-77
|
2
|
-
|
-
|
-
|
Оборудован прямой лопатой. Ковш - 1,0 м3
|
|
Экскаватор универсальный
|
Одноковшовый, канатный, на гусеничном ходу
|
Э0-4111В,
ГОСТ
17343-83
|
-
|
-
|
-
|
3
|
Оборудован прямой лопатой.
Ковш - 0,65 м3
|
|
Экскаватор универсальный
|
Одноковшовый, канатный, на гусеничном
ходу
|
Э0-5111Б,
ГОСТ 17343-83
|
-
|
-
|
2
|
-
|
Оборудован прямой лопатой. Ковш - 1,0
м3
|
|
Экскаватор универсальный
|
Одноковшовый, гидравлический, на
гусеничном ходу
|
Э0-5122А,
ГОСТ
22894-77
|
-
|
1
|
-
|
-
|
Оборудован прямой лопатой. Ковш - 1,6 м3
|
|
Экскаватор универсальный
|
Одноковшовый, канатный, на гусеничном ходу
|
Э0-5111Б,
ГОСТ
17343-83
|
2
|
2
|
2
|
2
|
Оборудован драглайном. Ковш - 1,0 м3
|
|
Автогрейдер
|
Среднего типа самоходный
|
ДЗ-31-1,
ГОСТ 9420-79
|
1
|
1
|
1
|
1
|
Мощность двигателя 96 квт, длина отвала 3700 мм
|
|
Каток
|
Пневмоколесный полуприцепной
|
ДУ-16В
|
1
|
1
|
1
|
1
|
Тягач МоАЗ-546А, масса 25,9 т, ширина уплотняемой
полосы 2620 мм
|
|
Каток
|
Вибрационный самоходный двухвальцовый с гладкими вальцами
|
ДУ-47Б
|
1
|
1
|
1
|
1
|
Мощность двигателя 37 кВт, масса 6-8 т, ширина уплотняемой полосы 1200
мм
|
|
Поливочная машина на шасси ЗИЛ-130
|
|
ПМ-130Б
|
1
|
1
|
1
|
1
|
Вместимость цистерны 6000 л
|
|
Автомобиль-самосвал
|
Трехосный
|
КамАЗ-5511
|
8
|
-
|
-
|
-
|
Грузоподъемность 10 т
|
|
Насос центробежный консольного типа
|
Моноблочный
|
КМ80-50-200-СД
|
2
|
2
|
2
|
2
|
Подача 50 м3/ч, напор 50 м, мощность
электродвигателя 15 кВт
|
|
Теодолит
|
|
Т-15,
ГОСТ 10529-86
|
1
|
1
|
1
|
1
|
|
|
Нивелир
|
|
Н-10,
ГОСТ 10528-76
|
1
|
1
|
1
|
1
|
|
|
Рейка нивелирная
|
|
РН-10,
ГОСТ 11158-83
|
2
|
2
|
2
|
2
|
|
|
Вышка геодезическая
|
Стандартная
|
|
3
|
3
|
3
|
3
|
|
|
Рулетка измерительная металлическая
|
Стандартная
|
РС-200,
ГОСТ 7502-80
|
1
|
1
|
1
|
1
|
|
|
Рейка трехметровая
|
-
|
«
|
1
|
1
|
1
|
1
|
|
|
Плотномер
|
|
ПГМ-1
|
1
|
1
|
1
|
1
|
|
|
Влагомер
|
|
НВУ-1,
ГОСТ 26375-84
|
1
|
1
|
1
|
1
|
|
4.2. Потребность в
эксплуатационных материалах
Таблица
5
|
Наименование
эксплуатационных материалов
|
Норма на 1 ч работы машины, кг
|
Количество
на принятый объем работ по вариантам, кг
|
|
1
|
2
|
3
|
4
|
|
Бульдозер ДЗ-110А
|
|
|
|
|
|
|
Дизельное топливо
|
7,70
|
5619,5
|
5619,5
|
5619,5
|
5619,5
|
|
Бензин
|
0,23
|
167,8
|
167,8
|
167,8
|
167,8
|
|
Моторное масло
|
0,37
|
270,0
|
270,0
|
270,0
|
270,0
|
|
Трансмиссионное масло
|
0,10
|
73,0
|
73,0
|
73,0
|
73,0
|
|
Консистентная смазка
|
0,08
|
58,4
|
58,4
|
58,4
|
58,4
|
|
Экскаватор Э0-4121Б
|
|
|
|
|
|
|
Дизельное топливо
|
5,5
|
5980,3
|
-
|
-
|
-
|
|
Бензин
|
0,16
|
174,0
|
-
|
-
|
-
|
|
Моторное масло
|
0,27
|
293,6
|
-
|
-
|
-
|
|
Трансмиссионное масло
|
0,03
|
32,6
|
-
|
-
|
-
|
|
Консистентная смазка
|
0,16
|
174,0
|
-
|
-
|
-
|
|
Экскаватор Э0-4111В
|
|
|
|
|
|
|
Дизельное топливо
|
5,7
|
-
|
-
|
-
|
10848,2
|
|
Бензин
|
0,17
|
-
|
-
|
-
|
323,5
|
|
Моторное масло
|
0,28
|
-
|
-
|
-
|
532,9
|
|
Трансмиссионное масло
|
0,03
|
-
|
-
|
-
|
57,1
|
|
Консистентная смазка
|
0,17
|
-
|
-
|
-
|
323,5
|
|
Экскаватор Э0-5111Б
|
|
|
|
|
|
|
Дизельное топливо
|
6,3
|
5083,3
|
5083,3
|
12506,8
|
5083,3
|
|
Бензин
|
0,19
|
153,3
|
153,3
|
377,2
|
153,3
|
|
Моторное масло
|
0,30
|
242,1
|
242,1
|
595,6
|
242,1
|
|
Трансмиссионное масло
|
0,03
|
24,2
|
24,2
|
59,6
|
24,2
|
|
Консистентная смазка
|
0,18
|
145,2
|
145,2
|
357,3
|
145,2
|
|
Экскаватор Э0-5122А
|
|
|
|
|
|
|
Дизельное топливо
|
6,60
|
-
|
4486,5
|
-
|
-
|
|
Бензин
|
0,20
|
-
|
136,0
|
-
|
-
|
|
Моторное масло
|
0,32
|
-
|
217,5
|
-
|
-
|
|
Трансмиссионное масло
|
0,04
|
-
|
27,2
|
-
|
-
|
|
Консистентная смазка
|
0,20
|
-
|
136,0
|
-
|
-
|
|
Автогрейдер ДЗ-31-1
|
|
|
|
|
|
|
Дизельное топливо
|
5,20
|
4912,1
|
5628,5
|
5150,9
|
5150,9
|
|
Бензин
|
0,16
|
151,1
|
173,2
|
158,5
|
158,5
|
|
Моторное масло
|
0,25
|
236,2
|
270,6
|
247,6
|
247,6
|
|
Трансмиссионное масло
|
0,07
|
66,1
|
75,8
|
69,3
|
69,3
|
|
Консистентная смазка
|
0,06
|
56,7
|
64,9
|
59,4
|
59,4
|
|
Каток ДУ-16В
|
|
|
|
|
|
|
Дизельное топливо
|
10,10
|
3842,8
|
3842,8
|
3842,8
|
3842,8
|
|
Бензин
|
0,30
|
114,1
|
114,1
|
114,1
|
114,1
|
|
Моторное масло
|
0,48
|
182,6
|
182,6
|
182,6
|
182,6
|
|
Трансмиссионное масло
|
0,13
|
49,5
|
49,5
|
49,5
|
49,5
|
|
Консистентная смазка
|
0,11
|
41,8
|
41,8
|
41,8
|
41,8
|
|
Каток ДУ-47Б
|
|
|
|
|
|
|
Дизельное топливо
|
3,20
|
31,5
|
31,5
|
31,5
|
31,5
|
|
Бензин
|
0,10
|
1,0
|
1,0
|
1,0
|
1,0
|
|
Моторное масло
|
0,18
|
1,8
|
1,8
|
1,8
|
1,8
|
|
Трансмиссионное масло
|
0,05
|
0,5
|
0,5
|
0,5
|
0,5
|
|
Консистентная смазка
|
0,04
|
0,4
|
0,4
|
0,4
|
0,4
|
|
Поливочная машина ПМ-130Б
|
|
|
|
|
|
|
Бензин
|
4,9
|
940,3
|
940,3
|
940,3
|
940,3
|
|
Автомобильное масло
|
0,11
|
21,1
|
21,1
|
21,1
|
21,1
|
|
Автомобиль-самосвал КамАЗ-5511
|
|
|
|
|
|
|
Дизельное топливо
|
5,4
|
30079,4
|
30079,4
|
30079,4
|
30079,4
|
|
Дизельное масло
|
0,25
|
1392,6
|
1392,6
|
1392,6
|
1392,6
|
|
Трансмиссионное масло
|
0,04
|
222,8
|
222,8
|
222,8
|
222,8
|
|
Консистентная смазка
|
0,02
|
111,4
|
111,4
|
111,4
|
111,4
|
5.1. При выполнении
работ по вертикальной планировке строительной
площадки необходимо руководствоваться
требованиями СНиП-III-4-80
«Техника безопасности в строительстве»; ГОСТ
12.3.002-75 «Процессы производственные»; ГОСТ 12.2.012-75 «Приспособления по
обеспечению безопасного производства работ»; ГОСТ
12.1.004-85 «Пожарная безопасность»; ГОСТ
12.1.013-78 «Строительство.
Электробезопасность» и ГОСТ
23407-78 «Ограждения инвентарные
строительных площадок и участков производства строительно-монтажных работ».

Таблица объемов работ
|
Наименование работ
|
Количество, м3
|
|
Выемка торфа
|
34194
|
|
Насыпь вертикальной планировки
|
54229
|

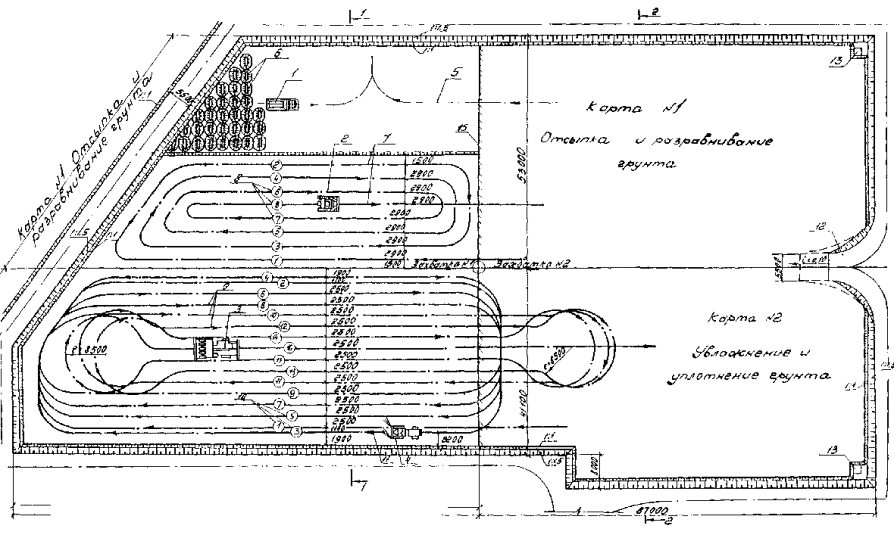
Примечание. Условные обозначения
см. на листе 10

1 - подсыпки для проезда механизмов; 6
- направление движения экскаватора;
2 - водосбросная канава; 7
- шаг передвижки экскаватора;
3 - водоприемный зумпф; 8
- ось проходки экскаватора;
4 - экскаватор Э0-5111Б драглайн; 9
- очередность проходок экскаватора
5 - автомобиль-самосвал КамАЗ-5511;

Примечание. Условные
обозначения см. на листе 12.
|

|
1 - автомобиль-самосвал КамАЗ-5511;
2 - бульдозер ДЗ-110А;
3 - каток ДУ-16В;
4 - поливочная машина ПМ-130Б;
5 - направление движения автомобилей-самосвалов;
6 - отвалы грунта, выгруженного из автомобилей-самосвалов;
7 - ось проходок бульдозера при разравнивании грунта;
8 - очередность проходок бульдозера;
9 - ось проходок
катка при уплотнении грунта;
10 - очередность проходок катка;
11 - ось движения поливочной машины;
12 - съезд в котлован;
13 - водоприемный зумпф;
14 - слои отсыпки = 0,80 м;
15 - граница карт отсыпки.
|



Примечание. 1. Пунктирная линия указывает
на неполное
использование механизмов в течение смены.
2. Объем подсыпок (шлака) приведен с учетом просадки на 0,5 м.
|
Обоснование (ЕНиР и др.)
|
Наименование
работ
|
Единица измерения
|
Объем
работ
|
Норма
времени на единицу измерения,
чел.-ч
маш.-ч
|
Затраты
труда на весь объем работ,
чел.-дн.
маш.-смен
|
Время
пребывания машины на объекте,
маш.-смен
|
Расценка
на единицу измерения, руб.-коп.
|
Стоимость
затрат на весь объем работ, руб.-коп.
|
Стоимость затрат с учетом пребывания машины на объекте, руб.-коп.
|
|
1
|
2
|
3
|
4
|
5
|
6
|
7
|
8
|
9
|
10
|
|
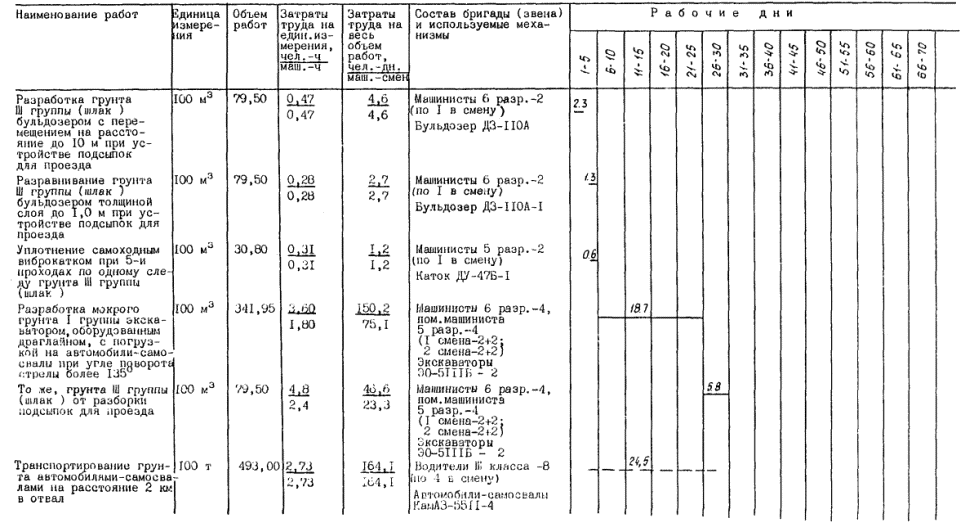
ЕНиР. §Е2-1-22; № 5
|
Разработка грунта III группы (шлак) бульдозером ДЗ-110А с перемещением на
расстояние до 10 м при устройстве подсыпок для проезда
|
100 м3
|
79,50
|
0,47
0,47
|
4,6
4,6
|
4,6
|
0-49,8
|
39-59
|
39-59
|
|
ЕНиР. §Е2-1-28; № 3и
|
Разравнивание грунта III группы (шлак) бульдозером ДЗ-110А
толщиной слоя до 1,0 м при устройстве
подсыпок для проезда
|
100 м3
|
79,50
|
0,28
0,28
|
2,7
2,7
|
2,7
|
0-29,7
|
23-61
|
23-61
|
|
ЕНиР. §Е17-7
|
Уплотнение грунта III группы (шлак) самоходным
виброкатком ДУ-47Б при 5-и проходах по одному следу
|
100 м2
|
30,80
|
0,31
0,31
|
1,2
1,2
|
1,2
|
0-28,2
|
8-69
|
8-69
|
|
ЕНиР. §Е2-1-10; № 5а; Примеч. гл. 1;
К = 1; п.
3, 4;
К = 1,1; п.
8, 9
|
Разработка мокрого грунта I группы (торфа) экскаватором
Э0-5111Б, оборудованного драглайном, с погрузкой на автомобили-самосвалы при угле
поворота стрелы более 135°
|
100 м3
|
341,95
|
3,60
1,80
|
150,2
75,1
|
75,1
|
3-58
|
1224-18
|
1224-18
|
|
ЕНиР. §Е2-1-10; № 5в; Примеч. гл. 1, К = 1,1; п. 8, 9
|
То же, грунта III группы (шлак) от разборки
подсыпок для проезда
|
100 м3
|
79,50
|
4,80
2,40
|
46,6
23,3
|
23,3
|
4-76
|
378-42
|
378-42
|
|
ЕНВ*
|
Транспортирование грунта автомобилями-самосвалами КамАЗ-5511 на расстояние 2 км
в отвал
|
100 т
|
493,00
|
2,73
2,73
|
164,1
164,1
|
196,0
|
1-94
|
956-42
|
1163-07
|
|
т. 79**, в. 10
|
Разработка грунта II группы в резерве (карьере)
экскаватором Э0-4121Б, оборудованным
прямой лопатой, с погрузкой на автомобили-самосвалы
|
100 м3
|
906,35
|
1,20
1,20
|
132,6
132,6
|
132,6
|
0-94,8
|
859-22
|
859-22
|
|
ЕНВ*
|
Транспортирование грунта
автомобилями-самосвалами КамАЗ-5511 на расстояние 2 км
в насыпь вертикальной планировки и для забивки котлована от выемки торфа
|
100 т
|
1547,40
|
2,73
2,73
|
515,2
515,2
|
529,6
|
1-94
|
3001-20
|
3095-24
|
|
ЕНиР. §E2-1-28;
№ 3б
|
Разравнивание грунта II группы бульдозеры ДЗ-110А толщиной слоя до 0,3
м при устройстве насыпи
|
100 м3
|
884,25
|
0,58
0,58
|
62,5
62,5
|
66,2
|
0-61,5
|
543-81
|
575-97
|
|
ЕНиР §E17-2; ЕНВ*
|
Увлажнение грунта поливочной машиной ПМ-130Б при уплотнении
грунта
|
100 м3
|
88,40
|
2,17
2,17
|
23,4
23,4
|
66,2
|
1-64
|
144-98
|
408-20
|
|
ЕНиР §E2-1-29; табл. 4; № 2б, 4б
|
Уплотнение грунта насыпи
полуприцепным пневмокатком ДУ-16В слоями по 0,35 м при 8-и проходах по одному следу
|
100 м3
|
884,25
|
0,43
0,43
|
46,4
46,4
|
66,2
|
0-45,4
|
401-45
|
573-55
|
|
Расчетные данные
|
Водоотлив из котлована
центробежным насосом КН80-50-200-СД при разработке грунта и забивке котлована грунтом
II
группы
|
маш.-смена
|
210,0
|
-
|
210,0
210,0
|
210,0
|
6-47,8
|
1360-38
|
1360-38
|
|
ЕНиР §Е2-1-37; т. 2; №
1д
|
Планировка насыпи
автогрейдером ДЗ-31-1 в грунте II группы
|
1000 м2
|
19,85
|
0,22
0,22
|
0,5
0,5
|
0,5
|
0-23,3
|
4-62
|
4-62
|
|
ЕНиР §E17-20; п. 15
|
Ремонт и содержание дорог
автогрейдером ДЗ-31-1 при транспортировании грунта
|
1 км
|
858,80
|
1,10
1,10
|
115,2
115,2
|
115,2
|
1-17
|
1004-80
|
1004-80
|
|
ЕНиР §E2-1-22; № 5
|
Работа бульдозера ДЗ-110А на отвале в
грунте I
группы (торф)
|
100 м3
|
341,95
|
0,35
0,35
|
14,6
14,6
|
14,6
|
0-37,1
|
126-36
|
126-66
|
|
ЕНиР §E2-1-22; т-5
|
То же, в грунте III группы (шлак)
|
100 м3
|
79,50
|
0,47
0,47
|
4,6
4,6
|
4,6
|
0-49,8
|
39-59
|
39-59
|
|
|
ИТОГО:
|
|
|
|
1494,4
1396,0
|
1508,6
|
|
10117-82
|
10885-99
|
ЕНВ* - Здесь и далее «Единые нормы времени на перевозку грузов автомобильным транспортом и сдельные расценки на оплату труда водителей».
т. 79** - Здесь и далее сборник
«Типовые нормы и расценки...» Минтрансстроя СССР «Земляные
работы».



|
Обоснование (ЕНиР и др.)
|
Наименование
работ
|
Единица измерения
|
Объем
работ
|
Норма времени
на единицу измерения,
чел.-ч
маш.-ч
|
Затраты
труда на весь объем работ,
чел.-дн.
маш.-смен
|
Время
пребывания машины на объекте,
маш.-смен
|
Расценка
на единицу измерения, руб.-коп.
|
Стоимость
затрат на весь объем работ, руб.-коп.
|
Стоимость затрат с учетом пребывания машины на объекте, руб.-коп.
|
|
1
|
2
|
3
|
4
|
5
|
6
|
7
|
8
|
9
|
10
|
|
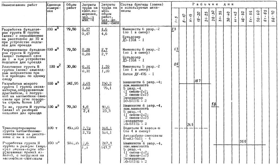
ЕНиР §Е2-1-22; № 5
|
Разработка бульдозером ДЗ-110А грунта III
группы (шлак) с перемещением на расстояние до 10 м при устройстве подсыпок для проезда
|
100 м3
|
79,50
|
0,47
0,47
|
4,6
4,6
|
4,6
|
0-49,8
|
39-59
|
39-59
|
|
ЕНиР §Е2-1-28; № 3и
|
Разравнивание бульдозером грунта III группы (шлак) толщиной
слоя до 1,0 м при устройстве подсыпок для проезда
|
100 м3
|
79,50
|
0,28
0,28
|
2,7
2,7
|
2,7
|
0-29,7
|
23-61
|
23-61
|
|
ЕНиР §Е17-7
|
Уплотнение грунта III группы (шлак) самоходным
виброкатком ДУ-47Б при 5-и проходах по одному следу
|
100 м2
|
30,80
|
0,31
0,31
|
1,2
1,2
|
1,2
|
0-28,2
|
8-69
|
8-69
|
|
ЕНиР §Е2-1-10 № 5а; примеч. гл. 1;
К = 1; п.
3, 4;
К = 1,1; п.
8, 9
|
Разработка мокрого грунта I группы (торфа)
экскаватором Э0-5111Б, оборудованного
драглайном с погрузкой на автомобили-самосвалы
при угле поворота стрелы более 135°
|
100 м3
|
341,95
|
3,60
1,80
|
150,2
75,1
|
75,1
|
3-58
|
1224-18
|
1224-18
|
|
ЕНиР. §Е2-1-10; № 5в
примеч. гл. 1;
К = 1,1; п.
8, 9
|
То же, грунта (шлак) от разборки подсыпок для проезда
|
100 м3
|
79,50
|
4,80
2,40
|
46,6
23,3
|
23,3
|
4-76
|
378-42
|
378-42
|
|
ЕНВ*
|
Транспортирование грунта автомобилями-самосвалами КамАЗ-5511 на расстояние 2 км
в отвал
|
100 т
|
493,00
|
2,73
2,73
|
164,1
164,1
|
196,0
|
1-94
|
956-42
|
1163-07
|
|
ЕНиР §E2-1-8;
табл. 7, № 3б
|
Разработка грунта II группы в резерве (карьере)
экскаватором Э0-5122, оборудованным прямой лопатой, с погрузкой на
автомобили-самосвалы
|
100 м3
|
906,35
|
1,50
0,75
|
165,8
82,9
|
82,9
|
1-48
|
1341-40
|
1341-40
|
|
ЕНВ*
|
Транспортирование грунта
автомобилями-самосвалами КамАЗ-5511 на расстояние 2 км
в насыпь вертикальной планировки и для забивки котлована от выемки торфа
|
100 т
|
1547,40
|
2,73
2,73
|
515,2
515,2
|
581,0
|
1-94
|
3001-20
|
3427-45
|
|
ЕНиР §E2-1-28;
№ 3б
|
Разравнивание бульдозером ДЗ-110А грунта II группы толщиной слоя до 0,3 м при устройстве насыпи
|
100 м3
|
864,25
|
0,58
0,58
|
62,5
62,5
|
82,9
|
0-61,5
|
543-81
|
721-13
|
|
ЕНиР §E17-2; ЕНВ*
|
Увлажнение грунта поливочной машиной ПМ-130Б при уплотнении
грунта
|
100 м3
|
88,40
|
2,17
2,17
|
23,4
23,4
|
82,9
|
1-64
|
144-98
|
510-90
|
|
ЕНиР §E2-1-29; табл. 4; № 2б, 4б
|
Уплотнение грунта насыпи
полуприцепным пневмокатком ДУ-16В слоями по 0,35 м при 8-и проходах по одному следу
|
100 м3
|
884-25
|
0,43
0,43
|
46,4
46,4
|
82,9
|
0-45,4
|
401-45
|
718-71
|
|
Расчетные данные
|
Водоотлив из котлована
центробежным насосом КМ80-50-200-СД при разработке грунта и забивке котлована грунтом
II
группы
|
1
маш.-смена
|
210,0
|
-
|
210,0
210,0
|
210,0
|
6-478
|
1360-38
|
1360-38
|
|
ЕНиР §Е2-1-37; т. 2; №
1д
|
Планировка откосов и полотна
насыпи автогрейдером ДЗ-31-1 в грунте II группы
|
1000 м2
|
19,85
|
0,22
0,22
|
0,5
0,5
|
0,5
|
0-23,3
|
4-62
|
4-62
|
|
ЕНиР §E17-20; п. 15
|
Ремонт и содержание дорог
автогрейдером ДЗ-31-1 при транспортировании грунта
|
1 км
|
984,00
|
1,10
1,10
|
132,0
132,0
|
132,0
|
1-17
|
1151-28
|
1151-28
|
|
ЕНиР §E2-1-22; № 5
|
Работа бульдозера ДЗ-110А на отвале в
грунте I
группы (торф)
|
100 м3
|
341,95
|
0,35
0,35
|
14,6
14,6
|
14,6
|
0-37,1
|
126-86
|
126-36
|
|
ЕНиР §E2-1-22
|
То же, в грунте III группы
(шлак)
|
100 м3
|
79,50
|
0,47
0,47
|
4,6
4,6
|
4,6
|
0-49,8
|
39-59
|
39-59
|
|
|
ИТОГО:
|
|
|
|
1544,4
1363,1
|
1577,2
|
|
10746-48
|
12239-88
|



|
Обоснование (ЕНиР и др.)
|
Наименование
работ
|
Единица измерения
|
Объем
работ
|
Норма
времени на единицу измерения,
чел.-ч
маш.-ч
|
Затраты
труда на весь объем работ,
чел.-дн.
маш.-смен
|
Время
пребывания машины на объекте,
маш.-смен
|
Расценка
на единицу измерения, руб.-коп.
|
Стоимость
затрат на весь объем работ, руб.-коп.
|
Стоимость затрат с учетом пребывания машины на объекте, руб.-коп.
|
|
1
|
2
|
3
|
4
|
5
|
6
|
7
|
8
|
9
|
10
|
|
ЕНиР §Е2-1-22; № 5
|
Разработка бульдозером ДЗ-110А грунта III
группы (шлак) с перемещением на расстояние до 10 м при устройстве подсыпок для проезда
|
100 м3
|
79,50
|
0,47
0,47
|
4,6
4,6
|
4,6
|
0-49,8
|
39-59
|
39-59
|
|
ЕНиР §Е2-1-28; № 3и
|
Разравнивание бульдозером ДЗ-110А грунта III группы
(шлак) толщиной слоя до 1,0 м при устройстве подсыпок для проезда
|
100 м3
|
79,50
|
0,28
0,28
|
2,7
2,7
|
2,7
|
0-29,7
|
23-61
|
23-61
|
|
ЕНиР §Е17-7
|
Уплотнение грунта III группы (шлак) самоходным
виброкатком ДУ-47Б при 5-и проходах по одному следу
|
100 м2
|
30,80
|
0,31
0,31
|
1,2
1,2
|
1,2
|
0-28,2
|
8-69
|
8-69
|
|
ЕНиР §Е2-1-10; № 5а; примеч. гл. 1;
К = 1; п.
3, 4;
К = 1,1; п.
8, 9
|
Разработка мокрого грунта I группы (торфа)
экскаватором Э0-5111Б, оборудованного
драглайном с погрузкой на автомобили-самосвалы
при угле поворота стрелы более 135°
|
100 м3
|
341,95
|
3,60
1,80
|
150,2
75,1
|
75,1
|
3-58
|
1224-18
|
1224-18
|
|
ЕНиР. §Е2-1-10; № 5в
примеч. гл. 1;
К = 1,1; п.
8, 9
|
То же, грунта III группы (шлак) от разборки
подсыпок для проезда
|
100 м3
|
79,50
|
4,80
2,40
|
46,6
23,3
|
23,3
|
4-76
|
378-42
|
378-42
|
|
ЕНВ*
|
Транспортирование грунта автомобилями-самосвалами КамАЗ-5511 на расстояние 2 км
в отвал
|
100 т
|
493,00
|
2,73
2,73
|
164,1
164,1
|
196,0
|
1-94
|
956-42
|
1163-07
|
|
ЕНиР §E2-1-8;
табл. 3, № 6б
|
Разработка грунта II группы в резерве (карьере)
экскаватором Э0-5111Б, оборудованным прямой лопатой, с погрузкой на
автомобили-самосвалы
|
100 м3
|
906,35
|
2,6
1,3
|
287,4
143,7
|
143,7
|
2-56
|
2320-26
|
2320-26
|
|
ЕНВ*
|
Транспортирование грунта
автомобилями-самосвалами КамАЗ-5511 на расстояние 2 км
в насыпь вертикальной планировки и для забивки котлована от выемки торфа
|
100 т
|
1547,40
|
2,73
2,73
|
515,2
515,2
|
515,2
|
1-94
|
3001-20
|
3001-20
|
|
ЕНиР §E2-1-28;
№ 3б
|
Разравнивание бульдозером ДЗ-110А грунта II группы толщиной слоя до 0,3 м при устройстве насыпи
|
100 м3
|
884,25
|
0,58
0,58
|
62,5
62,5
|
71,8
|
0-61,5
|
543-61
|
624-66
|
|
ЕНиР §E17-2; ЕНВ*
|
Увлажнение грунта поливочной машиной ПМ-130Б при уплотнении
грунта
|
100 м3
|
88,40
|
2,17
2,17
|
23,4
23,4
|
71,8
|
1-64
|
144-98
|
442-64
|
|
ЕНиР §E2-1-29; табл. 4; № 2б, 4б
|
Уплотнение грунта насыпи
полуприцепным пневмокатком ДУ-16В слоями по 0,35 м при 8-и проходах по одному следу
|
100 м3
|
884,25
|
0,43
0,43
|
46,4
46,4
|
71,8
|
0-45,4
|
401-45
|
622-23
|
|
Расчетные данные
|
Водоотлив из котлована
центробежным насосом КМ80-50-200-СД при разработке грунта и забивке котлована грунтом
II
группы
|
1
маш.-смена
|
210,0
|
-
|
210,0
210,0
|
210,0
|
6-47,8
|
1360-38
|
1360-38
|
|
ЕНиР §Е2-1-37; табл. 2;
№ 1д
|
Планировка насыпи
автогрейдером ДЗ-31-1 в грунте II группы
|
1000 м2
|
19,85
|
0,22
0,22
|
0,5
0,5
|
0,5
|
0-23,3
|
4-62
|
4-62
|
|
ЕНиР §E17-20; п. 15
|
Ремонт и содержание дорог
при транспортировании грунта автогрейдером ДЗ-31-1
|
1 км
|
900,51
|
1,10
1,10
|
120,8
120,8
|
120,8
|
1-17
|
1053-60
|
1053-60
|
|
ЕНиР §E2-1-22; № 5
|
Работа бульдозера ДЗ-110А на отвале в
грунте I
группы (торф)
|
100 м3
|
341,95
|
0,35
0,35
|
14,6
14,6
|
14,6
|
0-37,1
|
126-86
|
126,86
|
|
ЕНиР §E2-1-22; № 5
|
То же, в грунте III группы (шлак)
|
100 м3
|
79,50
|
0,47
0,47
|
4,6
4,6
|
4,6
|
0-49,8
|
39-59
|
39-59
|
|
|
ИТОГО:
|
|
|
|
1654,8
1412,7
|
1527,7
|
|
11627-66
|
12434-01
|



|
Обоснование (ЕНиР и др.)
|
Наименование
работ
|
Единица измерения
|
Объем
работ
|
Норма
времени на единицу измерения,
чел.-ч
маш.-ч
|
Затраты
труда на весь объем работ,
чел.-дн.
маш.-смен
|
Время
пребывания машины на объекте,
маш.-смен
|
Расценка
на единицу измерения, руб.-коп.
|
Стоимость
затрат на весь объем работ, руб.-коп.
|
Стоимость затрат с учетом пребывания машины на объекте, руб.-коп.
|
|
1
|
2
|
3
|
4
|
5
|
6
|
7
|
8
|
9
|
10
|
|
ЕНиР §Е2-1-22; № 5
|
Разработка грунта III группы (шлак) бульдозером ДЗ-110А с перемещением на
расстояние до 10 м при устройстве подсыпок для проезда
|
100 м3
|
79,50
|
0,47
0,47
|
4,6
4,6
|
4,6
|
0-49,8
|
39-59
|
39-59
|
|
ЕНиР §Е2-1-28; № 3и
|
Разравнивание грунта III группы (шлак) толщиной
слоя до 1,0 м бульдозером ДЗ-110А при устройстве подсыпок для
проезда
|
100 м3
|
79,50
|
0,28
0,28
|
2,7
2,7
|
2,7
|
0-29,7
|
23-61
|
23-61
|
|
ЕНиР §Е17-7
|
Уплотнение грунта III группы (шлак) самоходным
виброкатком ДУ-47Б при 5-и проходах по одному следу
|
100 м2
|
30,80
|
0,31
0,31
|
1,2
1,2
|
1,2
|
0-28,2
|
8-69
|
8-69
|
|
ЕНиР §Е2-1-10; № 5а; примеч. гл. 1;
К = 1; п.
3, 4;
К = 1,1; п.
8, 9
|
Разработка мокрого грунта I группы (торфа)
экскаватором Э0-5111Б, оборудованного
драглайном, с погрузкой на автомобили-самосвалы
при угле поворота стрелы более 135°
|
100 м3
|
341,95
|
3,60
1,80
|
150,1
75,1
|
75,1
|
3-58
|
1224-18
|
1224-18
|
|
ЕНиР. §Е2-1-10; № 5в
примеч. гл. 1;
К = 1,1; п.
8, 9
|
То же, грунта III группы (шлак) от разборки
подсыпок для проезда
|
100 м3
|
79,50
|
4,80
2,40
|
46,6
23,3
|
23,3
|
4-76
|
378-42
|
378-42
|
|
ЕНВ*
|
Транспортирование грунта автомобилями-самосвалами КамАЗ-5511 на расстояние 2 км
в отвал
|
100 т
|
493,00
|
2,73
2,73
|
164,1
164,1
|
196,0
|
1-94
|
956-42
|
1163-07
|
|
ЕНиР §E2-1-8;
табл. 3, № 4б
|
Разработка грунта II группы в резерве (карьере)
экскаватором Э0-4111В, оборудованным прямой лопатой, с погрузкой на
автомобили-самосвалы
|
100 м3
|
906,35
|
2,1
2,1
|
232,1
232,1
|
232,1
|
2-23
|
2021-16
|
2021-16
|
|
ЕНВ*
|
Транспортирование грунта
автомобилями-самосвалами КамАЗ-5511 на расстояние 2 км
в насыпь вертикальной планировки и для забивки котлована от выемки торфа
|
100 т
|
1547,45
|
2,73
2,73
|
515,2
515,2
|
541,8
|
1-94
|
3001-20
|
3173-51
|
|
ЕНиР §E2-1-28;
№ 3б
|
Разравнивание бульдозером ДЗ-110А грунта II группы толщиной слоя до 0,3 м при устройстве насыпи
|
100 м3
|
884,25
|
0,58
0,58
|
62,5
62,5
|
77,4
|
0-61,5
|
543-81
|
673-32
|
|
ЕНиР §E17-2; ЕНВ*
|
Увлажнение грунта поливочной машиной ПМ-130Б при уплотнении
грунта
|
100 м3
|
88,40
|
2,17
2,17
|
23,4
23,4
|
77,4
|
1-64
|
144-98
|
477-08
|
|
ЕНиР §E2-1-29; табл. 4; № 2б, 4б
|
Уплотнение грунта насыпи
полуприцепным пневмокатком ДУ-16В слоями по 0,35 м при 8-и проходах по одному следу
|
100 м3
|
884,25
|
0,43
0,43
|
46,4
46,4
|
77,4
|
0-45,4
|
401-45
|
670-90
|
|
Расчетные данные
|
Водоотлив из котлована
центробежным насосом КМ80-50-200-СД при разработке грунта и забивке котлована грунтом
II
группы
|
1
маш.-смена
|
210,0
|
-
|
210,0
210,0
|
210,0
|
6-47,8
|
1360-38
|
1360-38
|
|
ЕНиР §Е2-1-37; табл. 2;
№ 1д
|
Планировка насыпи
автогрейдером ДЗ-31-1 в грунте II группы
|
1000 м2
|
19,85
|
0,22
0,22
|
0,5
0,5
|
0,5
|
0-23,3
|
4-62
|
4-62
|
|
ЕНиР §E17-20; п. 15
|
Ремонт и содержание дорог
автогрейдером ДЗ-31-1 при транспортировании грунта
|
1 км
|
942-25
|
1,10
1,10
|
126,4
126,4
|
126,4
|
1-17
|
1192-43
|
1102-43
|
|
ЕНиР §E2-1-22; № 5
|
Работа бульдозера ДЗ-110А на отвале в
грунте I
группы (торф)
|
100 м3
|
341,95
|
0,35
0,35
|
14,6
14,6
|
14,6
|
0-37,1
|
126-86
|
126-86
|
|
ЕНиР §E2-1-22; № 5
|
То же, в грунте III группы
(шлак)
|
100 м3
|
79,50
|
0,47
0,47
|
4,6
4,6
|
4,6
|
0-49,8
|
39-59
|
39-59
|
|
|
ИТОГО:
|
|
|
|
1605,0
1506,6
|
1665,1
|
|
11377-39
|
12487-41
|
|
|