| |
ТИПОВЫЕ ТЕХНОЛОГИЧЕСКИЕ КАРТЫ
НА ПРОИЗВОДСТВО ОТДЕЛЬНЫХ ВИДОВ РАБОТ
РАЗДЕЛ 01
ТИПОВАЯ
ТЕХНОЛОГИЧЕСКАЯ КАРТА
НА ЗЕМЛЯНЫЕ И БУРОВЗРЫВНЫЕ РАБОТЫ
1.01.01.46
КОМПЛЕКСНО-МЕХАНИЗИРОВАННЫЙ ПРОЦЕСС ВОЗВЕДЕНИЯ ДАМБЫ
ВЫСОТОЙ 10 м ИЗ КРУПНООБЛОМОЧНОГО
ГРУНТА С ЭКРАНОМ
ИЗ СУГЛИНКА НА ЗАБОЛОЧЕННОЙ ОБВОДНЕННОЙ
ТЕРРИТОРИИ
МОСКВА - 1989
|
РАЗРАБОТАНА
|
ОДОБРЕНА
|
|
ВНИПИИСТРОМСЫРЬЕ
|
Отделом организации и технологии строительного производства Госстроя СССР
|
|
Главный инженер института Р.
А. Родин
Главный инженер проекта В.
Н. Буман
|
Письмо от 14.09.1988 г. № 23-532
Введена в действие с 1.01.1989 г.
|
1.1. Типовая технологическая карта рекомендуется для использования при возведении дамб из крупнообломочного грунта
с грунтовым экраном из суглинка на заболоченной (обводненной)
территории при сооружении объектов промышленного и мелиоративного назначения.
1.2. Типовая технологическая карта может
быть использована при возведении дамб высотой 10, 20 и 30 м.
1.3. В данной технологической карте приведен пример
возведения дамбы со следующими параметрами.
Длина - 350 м; ширина гребня - 6 м;
высота - 10 м; заложение откосов: верхового - 1:2,5;
низового - 1:1,5; глубина выемки
некачественных грунтов основания - 2 м.
Уровень грунтовых вод совпадает с поверхностью земли.
Объем выемки некачественных грунтов - 19940 м3.
Объем отсыпки дамбы и
каменной наброски - 63600 м3.
Объем экрана из суглинков - 11200 м3.
Объем переходного слоя - 2620 м3.
1.4.
Строительство ведется в средней зоне СССР при
положительных температурах воздуха.
1.5. При привязке технологической карты
к конкретному объекту и условиям строительства необходимо скорректировать объемы
работ, график производства работ и калькуляцию затрат труда, средства
механизации с учетом наличия парка землеройных
механизмов.
2.1. Настоящий комплексно-механизированный технологический процесс состоит из подготовительных, основных и
отделочных операций.
2.2. К подготовительным операциям
относятся:
разбивка осей и контуров дамбы с установкой разбивочных знаков и реперов,
устройство освещения мест разработки и укладки грунта, устройство подъездных землевозных автодорог.
2.3. К основным операциям
относятся:
устройство подсыпок для проезда механизмов
в пределах контура дамбы;
устройство водосборной канавы;
подготовка основания дамбы;
водоотлив;
разработка крупнообломочного грунта,
песчано-гравийной смеси и суглинка в карьере;
возведение дамбы из крупнообломочного грунта;
устройство переходного слоя из песчано-гравийной
смеси;
устройство экрана из суглинков; водоотлив;
отсыпка разворотных площадок и их разборка;
отсыпка каменной наброски.
2.4. К отделочным операциям относится планировка гребня и откосов дамбы.
2.5. Состав вариантов
комплексов машин, применяемых для основных и
отделочных операций
Таблица 1
|
Технологическая
операция
|
Варианты комплексов машин
|
|
1
|
2
|
3
|
4 (аналог)
|
|
Устройство подсыпок для проезда механизмов
|
Бульдозер ДЗ-110А
Каток ДУ-47Б
|
Бульдозер
ДЗ-110А
Каток ДУ-47Б
|
Бульдозер ДЗ-110А
Каток ДУ-47Б
|
Бульдозер ДЗ-110А
Каток ДУ-47Б
|
|
Устройство водосборной канавы. Подготовка основания дамбы. Водоотлив.
|
Экскаватор
Э0-5111Б драглайн
Автомобиль-самосвал КамАЗ-5511
Автогрейдер ДЗ-31-1
Бульдозер ДЗ-110А
Насос КМ80-50-200-СД
|
Экскаватор Э0-5111Б драглайн
Автомобиль-самосвал
КамАЗ-5511
Автогрейдер ДЗ-31-1
Бульдозер ДЗ-110А
Насос КМ80-50-200-СД
|
Экскаватор Э0-5111Б драглайн
Автомобиль-самосвал КамАЗ-5511
Автогрейдер ДЗ-31-1
Бульдозер ДЗ-110А
Насос КМ80-50-200-СД
|
Экскаватор Э0-5111Б драглайн
Автомобиль-самосвал КамАЗ-5511
Автогрейдер ДЗ-31-1
Бульдозер ДЗ-110А
Насос КМ80-50-200-СД
|
|
Разработка крупнообломочного грунта, песчано-гравийной смеси и суглинка в карьере
|
Экскаватор Э0-4121Б прямая лопата
Автомобиль-самосвал
КамАЗ-5511
Автогрейдер ДЗ-31-1
|
Экскаватор
Э0-4111В прямая лопата
Автомобиль-самосвал
КамАЗ-5511
Автогрейдер ДЗ-31-1
|
Экскаватор Э0-5122А прямая лопата
Автомобиль-самосвал КрАЗ-256Б
Автогрейдер ДЗ-31-1
|
Экскаватор Э0-5111Б прямая лопата
Автомобиль-самосвал КамАЗ-5511
Автогрейдер ДЗ-31-1
|
|
Возведение
дамбы из крупнообломочного грунта. Устройство
переходного слоя из песчано-гравийной смеси. Устройство экрана из суглинка. Водоотлив. Отсыпка разворотных
площадок и их разборка. Устройство каменной
наброски.
|
Бульдозер ДЗ-110А
Каток А-12
Трактор
Т-130.1.Г-1
Поливочная машина ПМ-130Б
Насос КМ80-50-200-СД
Экскаватор
Э0-5111Б драглайн
|
Бульдозер ДЗ-110А
Каток А-12
Трактор Т-130.1.Г-1
Поливочная машина ПМ-130Б
Насос КМ80-50-200-СД
Экскаватор Э0-5111Б драглайн
|
Бульдозер ДЗ-110А
Каток А-12
Трактор Т-130.1.Г-1
Поливочная
машина ПМ-130Б
Насос КМ80-50-200-СД
Экскаватор Э0-5111Б драглайн
|
Бульдозер ДЗ-110А
Каток А-12
Трактор Т-130.1.Г-1
Поливочная машина ПМ-130Б
Насос КМ80-50-200-СД
Экскаватор Э0-5111В драглайн
|
|
Планировочные работы
|
Бульдозер ДЗ-110А
Экскаватор Э0-5111Б драглайн
|
Бульдозер ДЗ-110А
Экскаватор Э0-5111Б драглайн
|
Бульдозер ДЗ-110А
Экскаватор Э0-5111Б драглайн
|
Бульдозер ДЗ-110А
Экскаватор Э0-5111Б драглайн
|
Ведущими машинами в комплексе
являются:
в варианте 1 - экскаватор Э0-4121Б, оборудованный прямой
лопатой;
в варианте 2 -
экскаватор Э0-4111В, оборудованный прямой лопатой;
в варианте 3 - экскаватор Э0-5122А, оборудованный прямой лопатой;
в варианте 4 - экскаватор Э0-5111Б, оборудованный прямой
лопатой.
2.6. Технология производства работ для варианта 1.
Дамба устраивается на заболоченном, обводненном участке местности.
Предварительно, до начала
выемки некачественных грунтов, в основании дамбы устраивается подъездная дорога к месту производства работ и подсыпки для проезда механизмов и автомобилей-самосвалов по всей площади участка работ.
Автодорога и подсыпки устраиваются из доменного шлака либо из другого местного строительного
материала шириной 5,50 м и высотой 0,50 м над поверхностью
земли. Привезенный автомобилями-самосвалами
шлак отсыпается «с головы», разравнивается бульдозером ДЗ-110А и уплотняется катком ДУ-47Б.
Выемка некачественных грунтов в основании дамбы производится экскаватором Э0-5111Б, оснащенным драглайном.
Грунт грузится на автомобили-самосвалы КамАЗ-5511 и вывозится в отвал. Разработка грунта выполняется при
движении экскаватора и автомобилей-самосвалов по подсыпкам. Разработка некачественных грунтов экскаватором ведется
под защитой открытого водоотлива. Грунтовая вода поступает по водосборной канаве с уклоном 0,005 в зумпф, откуда откачивается насосом КМ80-50-200-СД за пределы основания дамбы.
Экскаватор начинает
разработку от зумпфа и перемещается вдоль водосборной канавы в направлении, противоположном продольному уклону канавы. После устройства
водосборной канавы и зумпфа разрабатываются грунты в остальной части основания
дамбы.
Одновременно с некачественными грунтами удаляется шлак,
уложенный в подсыпки.
Первоначально отсыпается часть дамбы из крупнообломочного грунта
на высоту, превышающую уровень грунтовых вод на 0,05 м. Эта часть дамбы возводится по двухкартной схеме, где в технологической последовательности
чередуются операции:
отсыпка каменного материала автомобилями-самосвалами КамАЗ-5511
и разравнивание его бульдозером ДЗ-110А; увлажнение поливочной машиной ПМ-130Б и уплотнение
прицепным вибрационным катком А-12.
Дамба
из каменного материала отсыпается слоями по 0,80-0,85
м, причем для возможности проезда
автомобилей-самосвалов в верхней части каждого слоя необходимо устраивать
дороги из наиболее мелких отсортированных частиц каменного материала.
Во вторую очередь одновременно с отсыпкой дамбы из каменного материала устраивается переходный слой из песчано-гравийной смеси на высоту, превышающую уровень грунтовых вод не менее 0,5 м. Подвезенная автомобилями-самосвалами
КамАЗ-5511
песчано-гравийная смесь разравнивается бульдозером ДЗ-110А.
В третью очередь возводится дамба из крупнообломочного грунта до
проектных отметок.
Дамба отсыпается по двухкартной схеме.
Для возможности отсыпки верха дамбы устраиваются разворотные
площадки для автомобилей-самосвалов размером 5×20 м и на границе карт отсыпки - разворотная
площадка для катка размером 15×20 м.
Грунт разворотных площадок по окончании отсыпки дамбы разрабатывается
экскаватором Э0-5111Б и используется для
устройства каменной наброски.
Одновременно с возведением дамбы из крупнообломочного материала
отсыпается часть экрана из суглинка на высоту, превышающую уровень грунтовых
вод на 0,5 м. Отсыпка ведется по двухкартной схеме, аналогично отсыпке дамбы из
крупнообломочного грунта.
Возведение дамбы из крупнообломочного грунта, устройство переходного слоя и экрана на высоту, превышающую уровень грунтовых
вод, производится с постоянным открытым водоотливом. Отсыпка переходного слоя
до проектных отметок выполняется с разравниванием смеси снизу вверх бульдозером
ДЗ-110А.
Укладка суглинка в экран до проектных отметок производится по
двухкартной схеме.
Подвезенный автомобилями-самосвалами суглинок разгружается на одной карте у основания откоса, подается наверх
бульдозером ДЗ-110А и разравнивается горизонтальными
слоями по 0,80 м. Уплотнение суглинка производится
прицепным виброкатком А-12.
Увлажняется суглинок в
карьере при его разработке. При устройстве экрана на границе карт предусматривается разворотная площадка для
катка, грунт которой срезается бульдозером и перемещается за пределы контуров дамбы. Каменная наброска устраивается из
грунта, подвозимого автомобилями-самосвалами и
разгружаемого на гребне дамбы. Разравнивание материала каменной наброски по
откосу и на гребни дамбы производится бульдозером.
Для возведения дамбы из крупнообломочного грунта, устройства переходного слоя из песчано-гравийной смеси, устройства
экрана из суглинка и каменной наброски используются грунты, разрабатываемые в
карьерах экскаваторами Э0-4121Б, оснащенными прямой
лопатой. Грунты к месту укладки транспортируются автомобилями-самосвалами.
Планировка верхового откоса и гребня дамбы выполняется бульдозером
ДЗ-110А.
Землевозные дороги, по которым транспортируются грунты, должны
постоянно поддерживаться в исправном состоянии автогрейдером ДЗ-31-1.
2.7. Возведение дамбы
выполняется (при работе в одну смену) для варианта 1 следующим составом
рабочих:
машинисты бульдозера 6 разряда -
2;
машинисты экскаватора 6 разряда -
5;
пом. машинистов экскаватора 5 разряда - 2;
машинист катка 6 разряда - 1;
машинист катка 5 разряда - 1;
машинист автогрейдера 6 разряда -
1;
машинист насоса 4 разряда - 1;
машинист поливочной машины 4 разряда - 1;
водители автомобилей-самосвалов III класса - 8.
2.8. Контроль качества
выполняемых работ
Таблица 2
|
Наименование
операций, подлежащих контролю
|
Контроль
качества выполнения операций
|
|
производителем
работ
|
мастером
|
Состав
|
Способы
|
Время
|
Привлекаемые службы
|
|
1
|
2
|
3
|
4
|
5
|
6
|
|
Разбивка осей и контуров дамбы, подсыпок для проезда и землевозных автодорог
|
Устройство подсыпок
для проезда и землевозных
автодорог
|
Точность выноса разбивки, осадка подсыпок
|
Теодолитом, стальной рулеткой
|
До разработки и отсыпки грунта
|
Геодезическая
|
|
|
Устройство водосборной канавы. Выемка некачественных грунтов в
основании дамбы. Водоотлив
|
Геометрические размеры в плане. Очередность разработки грунта
|
Визуально, нивелиром,
стальной рулеткой, откосником
|
В процессе устройства котлована под основание дамбы
|
Геодезическая,
грунтовая лаборатория
|
|
|
Возведение дамбы из крупнообломочного грунта, устройство
переходного слоя, устройство экрана из
суглинка до отм. на
0,5 м превышающей УГВ. Водоотлив
|
Толщина слоев отсыпки,
геотехнические свойства грунта, геометрические
размеры в плане, высотные отметки, крутизна
откосов. Водоотлив
|
Нивелиром, стальной рулеткой, откосником, плотномером, влагомером
|
В процессе возведения дамбы
|
Геодезическая,
грунтовая лаборатория
|
|
|
Возведение дамбы до проектных отметок
|
Толщина слоев отсыпки, геотехнические свойства грунта, геометрические размеры в плане, высотные отметки, крутизна откосов
|
Нивелиром, стальной рулеткой, откосником,
плотномером, влагомером
|
В процессе возведения дамбы
|
Геодезическая, грунтовая лаборатория
|
|
|
Планировочные работы. Разборка
разворотных площадок
|
Соблюдение проектных отметок, крутизна
откосов
|
Нивелиром, откосником
|
После возведения дамбы
|
Геодезическая
|
В соответствии с принятыми вариантами комплексов машин (табл. 1)
и на основании калькуляции затрат труда в табл. 3 приведены сравнительные технико-экономические показатели эффективности
вариантов.
Таблица 3
|
Наименование показателей
|
Варианты комплексов механизации работ
|
|
1
|
2
|
3
|
4 (аналог)
|
|
При высоте дамбы 10,0 м
|
|
Объем работ, м3
|
97360
|
97360
|
97360
|
97360
|
|
Общая трудоемкость, чел.-дн
|
1977,5
|
2199,1
|
1820,2
|
2304,8
|
|
То же, на 1000 м3
грунта, чел.-ч
|
166,6
|
185,2
|
153,3
|
194,1
|
|
Затраты
машинного времени на весь объем работ, маш.-смен.
|
1911,2
|
2132,6
|
1561,2
|
1905,6
|
|
Продолжительность
процесса при двухсменной работе, дней
|
73,4
|
77,2
|
69,8
|
77,0
|
|
Выработка на 1 маш.-ч, м3
|
6,2
|
5,6
|
7,6
|
6,2
|
|
Стоимость затрат труда на
весь объем работ, руб.
|
14094,84
|
16128,46
|
13751,72
|
16642,65
|
|
То же, на 1000 м3 грунта, руб.
|
144,77
|
165,66
|
141,25
|
170,94
|
|
Приведенные затраты на весь
объем, руб.
|
133091,1
|
143995,4
|
132117,5
|
140198,4
|
|
То же, на 1000 м3
грунта, руб.
|
1367
|
1479
|
1357
|
1440
|
|
Эффективность в сравнении с
аналогом на 1000 м3 грунта, руб.
|
+73
|
-39
|
+83
|
-
|
|
Прямые затраты на 1000 м3
грунта, руб.
|
1299
|
1410
|
1277
|
1367
|
|
При высоте дамбы 20,0 м
|
|
Объем работ, м3
|
207900
|
207900
|
207900
|
207900
|
|
Общая трудоемкость, чел.-дн.
|
3838,5
|
4269,6
|
3534,3
|
4472,4
|
|
То же, на 1000 м3 грунта, чел.-ч
|
151,4
|
168,4
|
139,4
|
176,4
|
|
Затраты машинного времени на весь объем работ, маш.-смен
|
3784,2
|
4156,3
|
3054,6
|
3783,1
|
|
Продолжительность процесса
при двухсменной работе, дней
|
86,6
|
91,1
|
82,4
|
90,9
|
|
Выработка на 1 маш.-ч, м3
|
6,7
|
6,1
|
8,3
|
6,7
|
|
Стоимость затрат труда на
весь объем работ, руб.
|
27297,27
|
31320,14
|
26704,75
|
32336,77
|
|
То же, на 1000 м3 грунта, руб.
|
131,30
|
150,65
|
128,45
|
155,54
|
|
Приведенные затраты на весь
объем работ, руб.
|
265696
|
284615
|
264241
|
281081
|
|
То же, на 1000 м3 грунта, руб.
|
1278
|
1369
|
1271
|
1352
|
|
Эффективность в сравнении с аналогом на 1000
м3 грунта, руб.
|
+74
|
-17
|
+81
|
-
|
|
При высоте дамбы 30,0 м
|
|
Объем работ, м3
|
435800
|
435800
|
435800
|
435800
|
|
Общая трудоемкость, чел.-дн.
|
7663,7
|
8524,7
|
7057,8
|
8928,6
|
|
То же, на 1000 м3 грунта, чел.-ч
|
144,2
|
160,4
|
132,8
|
168,0
|
|
Затраты машинного времени
на весь объем работ, маш.-смен
|
7592,3
|
8304,1
|
6108,8
|
7591,1
|
|
Продолжительность
процесса при двухсменной работе, дней
|
99,6
|
104,8
|
94,8
|
104,5
|
|
Выработка
на 1 маш.-ч, м3
|
7,0
|
6,4
|
8,7
|
7,0
|
|
Стоимость затрат труда на
весь объем работ, руб.
|
54492,43
|
62528,58
|
53311,41
|
64555,05
|
|
То же, на 1000 м3 грунта, руб.
|
125,04
|
143,48
|
122,33
|
148,13
|
|
Приведенные
затраты на весь объем работ, руб.
|
|
|
|
|
|
То же, на 1000 м3 грунта, руб.
|
1220
|
1316
|
1210
|
1294
|
|
Эффективность в сравнении
с аналогом на 1000 м3 грунта, руб.
|
+74
|
-22
|
+84
|
-
|
Примечание.
Технико-экономические показатели для дамб
высотой 20 и 30 м приведены без представления калькуляции затрат труда.
4.1. Потребность в машинах,
оборудовании, инструментах, инвентаре и приспособлениях.
Таблица 4
|
Наименование машин, оборудования, инструментов и приспособлений
|
Тип
|
Марка
ГОСТ
|
Количество
машин для вариантов механизации,
шт.
|
Техническая
характеристика
|
|
1
|
2
|
3
|
4
|
|
Бульдозер с неповоротным отвалом, управление
гидравлическое
|
На тракторе класса 10 т
|
ДЗ-110А
|
2
|
2
|
2
|
2
|
Трактор Т.130.1.Г-1, длина отвала 3220 мм
|
|
Экскаватор универсальный
|
Одноковшовый гидравлический, на гусеничном ходу
|
Э0-4121Б
ГОСТ
22894-77
|
3
|
-
|
-
|
-
|
Оборудован прямой лопатой. Ковш 1,0 м3
|
|
Экскаватор универсальный
|
Одноковшовый канатный, на гусеничном ходу
|
Э0-4111В
ГОСТ
17343-83
|
-
|
5
|
-
|
-
|
Оборудован прямой лопатой; Ковш 0,65 м3
|
|
Экскаватор универсальный
|
Одноковшовый гидравлический, на гусеничном ходу
|
Э0-5122А
ГОСТ
22894-77
|
-
|
-
|
2
|
-
|
Оборудован прямой лопатой. Ковш 1,6 м3
|
|
Экскаватор универсальный
|
Одноковшовый канатный, на гусеничном ходу
|
Э0-5111Б
ГОСТ
17343-83
|
-
|
-
|
-
|
3
|
Оборудован прямой лопатой. Ковш 1,0 м3
|
|
Экскаватор универсальный
|
Одноковшовый канатный, на гусеничном ходу
|
Э0-5111Б
ГОСТ
17343-83
|
2
|
2
|
2
|
2
|
Оборудован драглайном.
Ковш 1,0 м3
|
|
Автогрейдер
|
Среднего типа, самоходный
|
ДЗ-31-1
ГОСТ 9420-79
|
1
|
1
|
1
|
1
|
Мощность двигателя 96 кВт, длина отвала
3700 мм
|
|
Каток
|
Вибрационный самоходный,
двухвальцовый с гладкими
вальцами
|
ДУ-47Б
|
1
|
1
|
1
|
1
|
Мощность двигателя 37 кВт, масса 6-8 т, ширина уплотняемой
массы 1200 мм
|
|
Каток (производство ГДР)
|
Прицепной вибрационный
|
А-12
|
1
|
1
|
1
|
1
|
Масса 12 т, ширина уплотняемой полосы 2000 мм
|
|
Трактор промышленный общего назначения
|
Класса 10 т, гусеничный
|
Т-130.1.Г-1
|
1
|
1
|
1
|
1
|
Мощность двигателя 147 кВт
|
|
Поливочная машина на шасси ЗИЛ-130
|
|
ПМ-130Б
|
1
|
1
|
1
|
1
|
Вместимость цистерны 6000
л
|
|
Автомобиль-самосвал
|
Трехосный
|
КамАЗ-5511
|
8
|
7
|
4
|
7
|
Грузоподъемность 10 т
|
|
Автомобиль-самосвал
|
Трехосный
|
КрАЗ-256Б
|
-
|
-
|
6
|
-
|
Грузоподъемность 12 т
|
|
Насос центробежный консольного
типа
|
Моноблочный
|
КМ-80-50-200-СД
|
1
|
1
|
1
|
1
|
Подача 50 м3/час, напор 50 м,
мощность электродвигателя 15 кВт
|
|
Теодолит
|
|
Т-15
ГОСТ 10529-86
|
1
|
1
|
1
|
1
|
|
|
Нивелир
|
|
Н-10
ГОСТ 10528-76
|
1
|
1
|
1
|
1
|
|
|
Рейка нивелирная
|
|
РН-10
ГОСТ 11158-83
|
2
|
2
|
2
|
2
|
|
|
Вешка геодезическая
|
Стандартная
|
|
3
|
3
|
3
|
3
|
|
|
Рулетка измерительная
металлическая
|
Стандартная
|
РС-20
ГОСТ 7502-80
|
1
|
1
|
1
|
1
|
|
|
Рейка трехметровая
|
|
|
1
|
1
|
1
|
1
|
|
|
Плотномер
|
|
ПГМ-1
|
1
|
1
|
1
|
1
|
|
|
Влагомер
|
|
НВУ-1
ГОСТ 26375-84
|
1
|
1
|
1
|
1
|
|
4.2. Потребность в эксплуатационных материалах
Таблица 5
|
Наименование эксплуатационных материалов
|
Норма на час работы машины, кг
|
Количество на принятый объем по вариантам, кг
|
|
1
|
2
|
3
|
4
|
|
Бульдозер ДЗ-110А
|
|
|
|
|
|
|
Дизельное топливо
|
7,70
|
10165,5
|
10165,5
|
10165,5
|
10165,5
|
|
Бензин
|
0,23
|
303,6
|
303,6
|
303,6
|
303,6
|
|
Моторное масло
|
0,37
|
488,5
|
488,5
|
488,5
|
488,5
|
|
Трансмиссионное масло
|
0,10
|
132,0
|
132,0
|
132,0
|
132,0
|
|
Консистентная смазка
|
0,08
|
105,6
|
105,6
|
105,6
|
105,6
|
|
Экскаватор Э0-4121Б
|
|
|
|
|
|
|
Дизельное топливо
|
5,50
|
14030,6
|
-
|
-
|
-
|
|
Бензин
|
0,16
|
408,2
|
-
|
-
|
-
|
|
Моторное масло
|
0,27
|
688,8
|
-
|
-
|
-
|
|
Трансмиссионное масло
|
0,03
|
76,5
|
-
|
-
|
-
|
|
Консистентная смазка
|
0,16
|
408,2
|
-
|
-
|
-
|
|
Экскаватор Э0-4111В
|
|
|
|
|
|
|
Дизельное топливо
|
5,70
|
-
|
26580,8
|
-
|
-
|
|
Бензин
|
0,17
|
-
|
792,8
|
-
|
-
|
|
Моторное масло
|
0,28
|
-
|
1305,7
|
-
|
-
|
|
Трансмиссионное масло
|
0,03
|
-
|
139,9
|
-
|
-
|
|
Консистентная смазка
|
0,17
|
-
|
792,8
|
-
|
-
|
|
Экскаватор Э0-5122А
|
|
|
|
|
|
|
Дизельное топливо
|
6,60
|
-
|
-
|
10461,4
|
-
|
|
Бензин
|
0,20
|
-
|
-
|
317,0
|
-
|
|
Моторное масло
|
0,32
|
-
|
-
|
507,2
|
-
|
|
Трансмиссионное масло
|
0,04
|
-
|
-
|
63,4
|
-
|
|
Консистентная смазка
|
0,20
|
-
|
-
|
317,0
|
-
|
|
Экскаватор Э0-5111Б
|
|
|
|
|
|
|
Дизельное топливо
|
6,30
|
3378,6
|
3378,6
|
3378,6
|
20586,5
|
|
Бензин
|
0,19
|
101,9
|
101,9
|
101,9
|
620,9
|
|
Моторное масло
|
0,30
|
160,9
|
160,9
|
160,9
|
980,3
|
|
Трансмиссионное масло
|
0,03
|
16,1
|
16,1
|
16,1
|
98,0
|
|
Консистентная смазка
|
0,18
|
96,5
|
96,5
|
96,5
|
588,2
|
|
Автогрейдер ДЗ-31-1
|
|
|
|
|
|
|
Дизельное топливо
|
5,20
|
5523,8
|
5777,4
|
5219,1
|
5833,1
|
|
Бензин
|
0,16
|
170
|
177,8
|
160,6
|
179,5
|
|
Моторное масло
|
0,25
|
265,6
|
277,8
|
250,9
|
280,4
|
|
Трансмиссионное масло
|
0,07
|
74,3
|
77,8
|
70,2
|
78,5
|
|
Консистентная смазка
|
0,06
|
63,7
|
66,7
|
60,2
|
67,3
|
|
Трактор Т-130.1.Г-1
|
|
|
|
|
|
|
Дизельное топливо
|
7,10
|
1251,7
|
1251,7
|
1251,7
|
1251,7
|
|
Бензин
|
0,20
|
35,3
|
35,3
|
35,3
|
35,3
|
|
Моторное масло
|
0,29
|
51,1
|
51,1
|
51,1
|
51,1
|
|
Трансмиссионное масло
|
0,09
|
15,9
|
15,9
|
15,9
|
15,9
|
|
Консистентная смазка
|
0,07
|
12,3
|
12,3
|
12,3
|
12,3
|
|
Каток ДУ-47Б
|
3,20
|
39,4
|
39,4
|
39,4
|
39,4
|
|
Дизельное топливо
|
|
|
|
|
|
|
Бензин
|
0,10
|
1,2
|
1,2
|
1,2
|
1,2
|
|
Моторное масло
|
0,18
|
2,2
|
2,2
|
2,2
|
2,2
|
|
Трансмиссионное масло
|
0,05
|
0,6
|
0,6
|
0,6
|
0,6
|
|
Консистентная смазка
|
0,04
|
0,5
|
0,5
|
0,5
|
0,5
|
|
Поливочная машина ПМ-130Б
|
|
|
|
|
|
|
Бензин
|
4,90
|
920,1
|
920,1
|
920,1
|
920,1
|
|
Автомобильное масло
|
0,11
|
20,6
|
20,6
|
20,6
|
20,6
|
|
Автомобиль-самосвал КамАЗ-5511
|
|
|
|
|
|
|
Дизельное топливо
|
5,40
|
37102,6
|
37102,2
|
4175,6
|
37102,2
|
|
Дизельное масло
|
0,25
|
1717,7
|
1717,7
|
193,3
|
1717,7
|
|
Трансмиссионное масло
|
0,04
|
274,8
|
274,8
|
30,9
|
274,8
|
|
Консистентная смазка
|
0,02
|
137,4
|
137,4
|
15,5
|
137,4
|
Автомобиль-самосвал
КрАЗ-256Б
|
|
|
|
|
|
|
Дизельное топливо
|
6,06
|
-
|
-
|
29099,6
|
-
|
|
Дизельное масло
|
0,34
|
-
|
-
|
1632,6
|
-
|
|
Трансмиссионное масло
|
0,05
|
-
|
-
|
240,1
|
-
|
|
Консистентная смазка
|
0,04
|
-
|
-
|
192,1
|
-
|
При выполнении работ по возведению дамбы необходимо руководствоваться требованиями СНиП-III-4-80
«Техника безопасности в строительстве» п.п. 9.1-9,28;
ГОСТ
12.3.002-75 «Процессы производственные»;
ГОСТ 12.2.012-75
«Приспособления по обеспечению безопасного
производства работ»; ГОСТ
12.1.013-78 «Строительство. Электробезопасность» и ГОСТ 23407-70
«Ограждения инвентарные строительных площадок и участков производства
строительно-монтажных работ».

|
1 - ось дамбы;
2 - основание дамбы;
3 - поверхность земли;
4 - уровень грунтовых вод;
5 - разрыхленный скальный грунт;
|
6 - песчано-гравийная смесь;
7 - экран из суглинка;
8 - каменная наброска;
9 - водосбросная канава;
-
очередность возведения дамбы
|

|
1 - ось дамбы;
2 - поверхность земли;
3 - уровень грунтовых вод;
4 - подсыпка для проезда механизмов;
5 - водосборная канава;
|
6 - водоприемный зумпф;
7 - экскаватор Э0-5111Б;
8 - автомобиль-самосвал;
9 - ось проходки экскаватора
|

|
1 - ось дамбы;
2 - поверхность земли;
3 - уровень грунтовых вод (УГВ);
4 - водосборная канава;
5 - водоприемный зумпф;
6 - автомобиль-самосвал;
7 - бульдозер;
8 - поливочная машина;
|
9 - вибрационный каток;
10 - отвалы, выгруженные из автомобилей-самосвалов;
11 - оси проходок бульдозера;
12 - ось движения поливочной машины;
13 - оси проходок катка;
14 - автодорога для автомобилей;
15 - граница карт отсыпки
|

|
1 - ось дамбы;
2 - поверхность земли;
3 - уровень грунтовых вод;
4 - водосборная канава;
5 - водоприемный зумпф;
6 - слои отсыпки;
|
7 - разворотная площадка 15×20 м для катка;
8 - разворотная площадка 5×20 м для
автомобилей-самосвалов;
9 - отвалы грунта, выгруженные из автомобилей-самосвалов;
10 - автомобиль-самосвал;
11 - бульдозер;
12 - поливочная машина;
|
13 - вибрационный каток;
14 - ось движения автомобиля-самосвала;
15 - ось проходки бульдозера;
16 - ось движения поливочной машины;
17 - ось проходки катка
|

|
1 - ось дамбы;
2 - поверхность земли;
3 - уровень грунтовых вод;
4 - ранее отсыпанная часть дамбы из разрыхленного скального
грунта;
5 - суглинок;
6 - песчано-гравийная смесь;
|
7 - разворотная площадка 15×20 м для катка;
8 - отвалы грунта, выгруженные из автомобилей-самосвалов;
9 - автомобиль-самосвал;
10 - бульдозер;
11 - ось рабочего хода бульдозера;
12 - ось холостого хода бульдозера
|

|
1 - ось дамбы;
2 - поверхность земли;
3 - уровень грунтовых вод;
4 - отсыпанная часть дамбы из разрыхленного скального грунта;
5 - песчано-гравийная смесь;
6 - экран из суглинка;
7 - разворотная площадка 15×20 м для катка;
8 - разворотная площадка 20×20 м для катка;
|
9 - отвалы суглинка, выгруженные из автомобилей-самосвалов;
10 - автомобиль-самосвал;
11 - бульдозер;
12 - вибрационный каток;
13 - ось рабочего хода бульдозера;
14 - ось холостого хода бульдозера;
15 - ось проходок катка;
16 - слои отсыпки
|

|
1 - ось дамбы;
2 - поверхность земли;
3 - уровень грунтовых вод:
4 - разворотная площадка 15×20 м для катка;
5 - разворотная площадка 5×20 м для автомобилей-самосвалов;
6 - отсыпанная часть дамбы из разрыхленного скального грунта;
7 - песчано-гравийная смесь;
8 - экран из суглинка;
|
9 - каменная наброска;
10 - отвалы грунта, выгруженные из автомобилей-самосвалов;
11 - автомобиль-самосвал;
12 - бульдозер;
13 - ось движения автомобилей-самосвалов;
14 - ось рабочего хода бульдозера;
15 - ось холостого хода бульдозера
|





Примечания.
Здесь и далее: 1. Пунктирная линия указывает на неполное использование механизмов
в течение смены.
2. Объем подсыпок (шлака)
приведен с учетом просадки на 0,5 м.
|
Наименование работ
|
Обоснование (ЕНиР и др.)
|
Единица измерения
|
Объем работ
|
Норма времени на единицу измерения,
чел.-ч
маш.-ч
|
Затраты труда на весь объем работ,
чел.-дн.
маш.-смен
|
Время пребывания машины на объекте, маш.-смен
|
Расценка на единицу измерения, руб.-коп.
|
Стоимость затрат на весь объем работ, руб.-коп.
|
Стоимость затрат с учетом пребывания машины на объекте, руб.-коп.
|
|
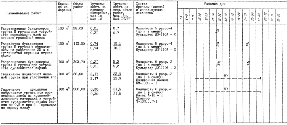
Разработка бульдозером ДЗ-110А грунта III группы (шлак) с перемещением на расстояние до 10 м при устройстве подсыпок для проезда
|
ЕНиР
§Е2-1-22, № 6в
|
100 м3
|
22,00
|
0,47
0,47
|
1,3
1,3
|
1,3
|
0-49,8
|
10-96
|
10-96
|
|
Разравнивание бульдозером
грунта III
группы (шлак) толщиной слоя до
0,6 м при устройстве подсыпок для проезда
|
ЕНиР §Е2-1-28, № 3е
|
100 м3
|
22,00
|
0,43
0,43
|
1,1
1,1
|
1,1
|
0-45,6
|
10-03
|
10-03
|
|
Уплотнение грунта III группы (шлак) самоходным виброкатком ДУ-47Б при 5 проходах по одному следу
|
ЕНиР
§Е17-7
|
100 м2
|
39,00
|
0,31
0,31
|
1,5
1,5
|
1,5
|
0-28,2
|
11-00
|
11-00
|
|
Разработка мокрого грунта I группы экскаватором 30-5111Б, оборудованным драглайном, с погрузкой на
автомобили-самосвалы при угле поворота стрелы более 135º (устройство
котлована под основание дамбы)
|
ЕНиР
§Е2-1-10, № 5а, Прим. гл. 1:
К = 1; п. 3, 4;
К
= 1,1; п. 8, 9
|
100 м3
|
195,20
|
3,60
1,80
|
85,6
42,8
|
42,8
|
3-58
|
698-82
|
698-82
|
|
То же, грунта II группы при устройстве
водосбросной канавы
|
То
же,
№ 6б
|
100 м3
|
4,20
|
4,40
2,20
|
2,2
1,1
|
1,1
|
4-30
|
18-06
|
18-06
|
|
То же, грунта III группы (шлак) от разборки
подсыпок для проезда
|
То
же, №
6в
|
100 м3
|
22,00
|
4,80
2,40
|
12,8
6,4
|
6,4
|
4-76
|
104-72
|
104-72
|
|
Транспортирование грунта
автомобилями-самосвалами КамАЗ-5511 на расстояние 2 км в отвал
|
ЕНВ*
|
100 т
|
283,40
|
2,73
2,73
|
94,3
94,3
|
100,6
|
1-94
|
549-80
|
590-61
|
|
Разработка крупнообломочного грунта VI группы в карьере
экскаватором Э0-4121Б, оборудованным прямой лопатой, с погрузкой на автомобили-самосвалы для дамбы и каменной наброски
|
Т. 79, в. 10
|
100 м3
|
782,30
|
2,90
2,90
|
276,7
276,7
|
276,7
|
3-07
|
2401-66
|
2401-66
|
|
То же, грунта I группы (песчано-гравийная смесь) для устройства переходного слоя
|
Т. 79, в. 10
|
100 м3
|
26,85
|
0,86
0,86
|
2,8
2,8
|
2,8
|
0-91,2
|
24-49
|
24-49
|
|
То же, грунта II группы для устройства экрана из суглинка
|
Т. 79, в. 10
|
100 м3
|
208,80
|
1,20
1,20
|
30,5
30,5
|
30,5
|
1-27
|
265-18
|
265-18
|
|
Транспортирование грунта автомобилями-самосвалами КамАЗ-5511 на расстояние 2 км для возведения дамбы
|
ЕНВ*
|
100 т
|
2233,63
|
2,73
2,73
|
743,6
743,6
|
830,4
|
1-94
|
4333-24
|
4895-53
|
|
Разравнивание бульдозером ДЗ-110А грунта IV
группы при возведении дамбы из крупнообломочного материала и устройстве
каменной наброски
|
ЕНиР §Е2-1-24, № 2а
|
100 м3
|
636,00
|
1,70
1,70
|
131,8
131,8
|
192,0
|
1-80
|
1144-80
|
1668-06
|
|
То же, грунта II группы при устройстве переходного слоя из песчано-гравийной
смеси
|
ЕНиР §Е2-1-28, № 3з
|
100 м3
|
26,20
|
0,21
0,21
|
0,7
0,7
|
0,7
|
0-22,3
|
5-84
|
5-84
|
|
Разработка бульдозером ДЗ-110А грунта II
группы с перемещением на расстояние 20 м
в экран из суглинка на откосе дамбы
|
ЕНиР
§Е2-1-22, № 6б, д
|
100 м3
|
112,00
|
0,74
0,74
|
10,1
10,1
|
10,1
|
0-78,5
|
87-92
|
87-92
|
|
Разравнивание бульдозером ДЗ-110А
грунта II
группы при устройстве экрана из суглинка
|
ЕНиР
§Е2-1-28, № 3з
|
100 м3
|
203,70
|
021
0,21
|
5,2
5,2
|
5,2
|
0-22,3
|
45-42
|
45-42
|
|
Увлажнение грунта поливочной
машиной ПМ-130Б при уплотнении грунта
|
ЕНиР
§Е17-2, ЕНВ
|
100 м3
|
86,60
|
2,17
2,17
|
22,9
22,9
|
79,8
|
1-64
|
142-02
|
491-95
|
|
Уплотнение грунта при
возведении дамбы из крупнообломочного материала и
устройстве экрана из суглинка прицепным виброкатком А-12 слоями по 0,8 м при 4 проходах по одному следу
|
Данные
ЦНИИОМТП
|
100 м3
|
588,00
|
0,30
0,30
|
21,5
21,5
|
79,8
|
0-31,8
|
186-98
|
693-72
|
|
Водоотлив насосом КМ-80-50-200-СД при
разработке некачественных грунтов в основании дамбы и возведении дамбы до отметки, превышающей УГВ на 0,5 м
|
Расчетные
данные
|
1 маш.-смена
|
92,7
|
-
|
92,7
92,7
|
92,7
|
6-48
|
600-70
|
600-70
|
|
Разработка бульдозером
ДЗ-110А грунта II
группы с перемещением на расстояние 20 м при разборке разворотной площадки экрана из
суглинка
|
ЕНиР
§Е2-1-22, № 5б, д
|
100 м3
|
11,00
|
0,74
0,74
|
1,0
1,0
|
1,0
|
0-78,5
|
8-63
|
8-63
|
|
Разработка грунта VI группы экскаватором Э0-5111Б, оборудованным драглайном, в отвал при разборке
разворотных площадок дамбы из крупнообломочного материала
|
ЕНиР
§2-1-7, т.3, № 6м
|
100 м3
|
23,00
|
6,40
3,20
|
18,0
9,0
|
9,0
|
6-30
|
144-90
|
144-90
|
|
Планировка низового откоса дамбы экскаватором Э0-5111Б, оборудованным
драглайном, в грунте VI
группы
|
ЕНиР
§Е2-1-41, № 2г
|
100 м2
|
38,70
|
2,60
1,30
|
12,2
6,1
|
6,1
|
2-56
|
99-07
|
99-07
|
|
Планировка бульдозером ДЗ-110А
гребня и верхового откоса дамбы в грунте
VI
группы
|
ЕНиР
§Е2-1-40, № 4а
|
1000 м2
|
7,50
|
0,27
0,27
|
0,2
0,2
|
0,2
|
0-28,6
|
2-14
|
2-14
|
|
Ремонт и содержание дорог автогрейдером ДЗ-31-1 при транспортировании грунта
|
ЕНиР §Е17-20, п. 15
|
1 км
|
966
|
1,10
1,10
|
129,6
129,6
|
129,6
|
1-17
|
1130-22
|
1130-22
|
|
Работа бульдозера ДЗ-110А на отвале в
грунте I группы
|
ЕНиР §Е2-1-22, № 6а
|
100 м3
|
195,20
|
0,35
0,35
|
8,3
8,3
|
8,3
|
0-37,1
|
72-42
|
72-42
|
|
То же, в грунте II группы
|
ЕНиР §Е2-1-22, № 6б
|
100 м3
|
4,20
|
0,41
0,41
|
0,2
0,2
|
0,2
|
0-43,5
|
1-83
|
1-83
|
|
То же, в грунте III группы
|
ЕНиР
§Е2-1-22, № 6в
|
100 м3
|
22,00
|
0,47
0,47
|
1,3
1,3
|
1,3
|
0-49,8
|
10-96
|
10-96
|
|
ИТОГО:
|
|
|
|
|
1707,9
1642,7
|
1911,2
|
|
12111-81
|
14094-84
|
ЕНВ* - Здесь и далее
«Единые нормы времени на перевозку грузов автомобильным транспортом и сдельные расценки для оплаты труда водителей».
Т.79** - Здесь и далее сборник «Типовые нормы и расценки...»
Минтрансстроя СССР. «Земляные работы».




|
Наименование работ
|
Обоснование (ЕНиР и др.)
|
Единица измерения
|
Объем работ
|
Норма времени на единицу измерения,
чел.-ч
маш.-ч
|
Затраты труда на весь объем работ,
чел.-дн.
маш.-смен
|
Время пребывания машины на объекте, маш.-смен
|
Расценка на единицу измерения, руб.-коп.
|
Стоимость затрат на весь объем работ, руб.-коп.
|
Стоимость затрат с учетом пребывания машины на объекте, руб.-коп.
|
|
Разработка бульдозером ДЗ-110А грунта III группы (шлак) с перемещением на расстояние до 10 м при устройстве подсыпок для проезда
|
ЕНиР
§Е2-1-22, № 5в
|
100 м3
|
22,00
|
0,47
0,47
|
1,3
1,3
|
1,3
|
0-49,8
|
10-96
|
10-96
|
|
Разравнивание бульдозером
грунта III
группы (шлак) толщиной слоя до
0,6 м при устройстве подсыпок для проезда
|
ЕНиР §Е2-1-28
|
100 м3
|
22,00
|
0,43
0,43
|
1,1
1,1
|
1,1
|
0-45,6
|
10-03
|
10-03
|
|
Уплотнение грунта III группы (шлак) самоходным виброкатком ДУ-47Б при 5 проходах по одному следу
|
ЕНиР
§Е17-7
|
100 м2
|
39,00
|
0,31
0,31
|
1,5
1,5
|
1,5
|
0-28,2
|
11-00
|
11-00
|
|
Разработка мокрого грунта I группы экскаватором 30-5111Б, оборудованным драглайном, с погрузкой на
автомобили-самосвалы при угле поворота стрелы более 135º (устройство
котлована под основание дамбы)
|
ЕНиР
§Е2-1-10, № 5а, Прим. гл. 1:
К = 1; п. 3, 4;
К
= 1,1; п. 8, 9
|
100 м3
|
195,20
|
3,60
1,80
|
85,6
42,8
|
42,8
|
3-58
|
698-82
|
698-82
|
|
То же, грунта II группы при устройстве
водосбросной канавы
|
То
же,
№ 5б
|
100 м3
|
4,20
|
4,40
2,20
|
2,2
1,1
|
1,1
|
4-30
|
18-06
|
18-06
|
|
То же, грунта III группы (шлак) от разборки
подсыпок для проезда
|
То
же, №
5в
|
100 м3
|
22,00
|
4,80
2,40
|
12,8
6,4
|
6,4
|
4-76
|
104-72
|
104-72
|
|
Транспортирование грунта
автомобилями-самосвалами КамАЗ-5511 на расстояние 2 км в отвал
|
ЕНВ*
|
100 т
|
283,40
|
2,73
2,73
|
94,3
94,3
|
100,6
|
1-94
|
549-80
|
590-61
|
|
Разработка крупнообломочного грунта VI группы в карьере
экскаватором Э0-4111Б, оборудованным прямой лопатой, с погрузкой на автомобили-самосвалы для дамбы и каменной наброски
|
ЕНиР
§Е2-1-8, т. 3, № 4е
|
100 м3
|
782,30
|
5,20
5,20
|
496,1
496,1
|
496,1
|
5-51
|
4310-47
|
4310-47
|
|
То же, грунта I группы (песчано-гравийная смесь) для устройства переходного слоя
|
ЕНиР
§Е2-1-8, т. 3, № 4а
|
100 м3
|
26,85
|
1,70
1,70
|
5,6
5,6
|
5,6
|
1-80,2
|
48-38
|
48-38
|
|
То же, грунта II группы для устройства экрана из суглинка
|
То
же, № 4б
|
100 м3
|
208,80
|
2,10
2,10
|
53,5
53,5
|
53,5
|
2-23
|
465-62
|
465-62
|
|
Транспортирование грунта автомобилями-самосвалами КамАЗ-5511 на расстояние 2 км для возведения дамбы
|
ЕНВ*
|
100 т
|
2233,63
|
2,73
2,73
|
743,6
743,6
|
779,8
|
1-94
|
4333-24
|
4567-74
|
|
Разравнивание бульдозером ДЗ-110А грунта IV
группы при возведении дамбы из крупнообломочного материала и устройстве
каменной наброски
|
ЕНиР §Е2-1-24, № 2а
|
100 м3
|
636,00
|
1,70
1,70
|
131,8
131,8
|
207,2
|
1-80
|
1144-80
|
1800-18
|
|
То же, грунта II группы при устройстве переходного слоя из песчано-гравийной
смеси
|
ЕНиР §Е2-1-28, № 3ж
|
100 м3
|
26,20
|
0,21
0,21
|
0,7
0,7
|
0,7
|
0-22,3
|
5-84
|
5-84
|
|
Разработка бульдозером ДЗ-110А грунта II
группы с перемещением на расстояние 20 м
в экран из суглинка на откосе дамбы
|
ЕНиР
§Е2-1-22, № 5б, д
|
100 м3
|
112,00
|
0,74
0,74
|
10,1
10,1
|
10,1
|
0-78,5
|
87-92
|
87-92
|
|
Разравнивание бульдозером ДЗ-110А
грунта II
группы при устройстве экрана из суглинка
|
ЕНиР
§Е2-1-28, № 3з
|
100 м3
|
203,70
|
0,21
0,21
|
5,2
5,2
|
5,2
|
0-22,3
|
45-42
|
45-42
|
|
Увлажнение грунта поливочной
машиной ПМ-130Б при уплотнении грунта
|
ЕНиР
§Е17-2, ЕНВ*
|
100 м3
|
86,60
|
2,17
2,17
|
22,9
22,9
|
81,8
|
1-64
|
142-02
|
504-25
|
|
Уплотнение грунта при
возведении дамбы из крупнообломочного материала и
устройстве экрана из суглинка прицепным виброкатком А-12 слоями по 0,8 м при 4 проходах по одному следу
|
Данные
ЦНИИОМТП
|
100 м3
|
588,00
|
0,30
0,30
|
21,5
21,5
|
81,8
|
0-31,8
|
186-98
|
711-11
|
|
Водоотлив насосом КМ-80-50-200-СД при
разработке некачественных грунтов в основании дамбы и возведении дамбы до отметки, превышающей УГВ на 0,5 м
|
Расчетные
данные
|
1 маш.-смена
|
92,7
|
-
|
92,7
92,7
|
92,7
|
6-48
|
600-70
|
600-70
|
|
Разработка бульдозером
ДЗ-110А грунта II
группы с перемещением на расстояние 20 м при разборке разворотной площадки экрана из
суглинка
|
ЕНиР
§Е2-1-22, № 5б, д
|
100 м3
|
11,00
|
0,74
0,74
|
1,0
1,0
|
1,0
|
0-78,5
|
8-63
|
8-63
|
|
Разработка грунта VI группы экскаватором Э0-5111Б, оборудованным драглайном, в отвал при разборке
разворотных площадок дамбы из крупнообломочного материала
|
ЕНиР
§2-1-7, т.3, № 6м
|
100 м3
|
23,00
|
6,40
3,20
|
18)
9,0
|
9,0
|
6-30
|
144-90
|
144-90
|
|
Планировка низового откоса дамбы экскаватором Э0-5111Б, оборудованным
драглайном, в грунте VI
группы
|
ЕНиР
§Е2-1-41, № 2ч
|
100 м2
|
38,70
|
2,60
1,30
|
12,2
6,1
|
6,1
|
2-56
|
99-07
|
99-07
|
|
Планировка бульдозером ДЗ-110А
гребня и верхового откоса дамбы в грунте
VI
группы
|
ЕНиР
§Е2-1-40, № 4а
|
1000 м2
|
7,50
|
0,27
0,27
|
0,2
0,2
|
0,2
|
0-28,6
|
2-14
|
2-14
|
|
Ремонт и содержание дорог автогрейдером ДЗ-31-1 при транспортировании грунта
|
ЕНиР §Е17-20, п. 15
|
1 км
|
1022,8
|
1,10
1,10
|
137,2
137,2
|
137,2
|
1-17
|
1196-68
|
1196-68
|
|
Работа бульдозера ДЗ-110А на отвале в
грунте I группы
|
ЕНиР §Е2-1-22, № 5а
|
100 м3
|
195,20
|
0,35
0,35
|
8,3
8,3
|
8,3
|
0-37,1
|
72-2
|
72-42
|
|
То же, в грунте II группы
|
ЕНиР §Е2-1-22, № 5б
|
100 м3
|
4,20
|
0,41
0,41
|
0,2
0,2
|
0,2
|
0-43,5
|
1-83
|
1-83
|
|
То же, в грунте III группы
|
ЕНиР
§Е2-1-22, № 5в
|
100 м3
|
22,00
|
0,47
0,47
|
1,3
1,3
|
1,3
|
0-49,8
|
10-96
|
10-96
|
|
ИТОГО:
|
|
|
|
|
1960,9
1895,5
|
2132,6
|
|
14966-79
|
16128-46
|




|
Наименование работ
|
Обоснование (ЕНиР и др.)
|
Единица измерения
|
Объем работ
|
Норма времени на единицу измерения,
чел.-ч
маш.-ч
|
Затраты труда на весь объем работ,
чел.-дн.
маш.-смен
|
Время пребывания машины на объекте, маш.-смен
|
Расценка на единицу измерения, руб.-коп.
|
Стоимость затрат на весь объем работ, руб.-коп.
|
Стоимость затрат с учетом пребывания машины на объекте, руб.-коп.
|
|
Разработка бульдозером ДЗ-110А грунта III группы (шлак) с перемещением на расстояние до 10 м при устройстве подсыпок для проезда
|
ЕНиР
§Е2-1-22, № 5в
|
100 м3
|
22,00
|
0,47
0,47
|
1,3
1,3
|
1,3
|
09,8
|
10-96
|
10-96
|
|
Разравнивание бульдозером
грунта III
группы (шлак) толщиной слоя до
0,6 м при устройстве подсыпок для проезда
|
ЕНиР §Е2-1-28
|
100 м3
|
22,00
|
0,43
0,43
|
1,1
1,1
|
1,1
|
0-45,6
|
10-03
|
10-03
|
|
Уплотнение грунта III группы (шлак) самоходным виброкатком ДУ-47Б при 5 проходах по одному следу
|
ЕНиР
§Е17-7
|
100 м2
|
39,00
|
0,31
0,31
|
1,5
1,5
|
1,5
|
0-28,2
|
11-00
|
11-00
|
|
Разработка мокрого грунта I группы экскаватором 30-5111Б, оборудованным драглайном, с погрузкой на
автомобили-самосвалы при угле поворота стрелы более 135º (устройство
котлована под основание дамбы)
|
ЕНиР
§Е2-1-10, № 5а, примеч. гл. 7:
К = 1; п. 3, 4;
К
= 1,1; п. 8, 9
|
100 м3
|
195,20
|
3,60
1,80
|
85,6
42,8
|
42,8
|
3-58
|
698-82
|
698-82
|
|
То же, грунта II группы при устройстве
водосбросной канавы
|
То
же,
№ 5б
|
100 м3
|
4,20
|
4,40
2,20
|
2,2
1,1
|
1,1
|
4-30
|
18-06
|
18-06
|
|
То же, грунта III группы (шлак) от разборки
подсыпок для проезда
|
То
же, №
5в
|
100 м3
|
22,00
|
4,80
2,40
|
12,8
6,4
|
6,4
|
4-76
|
104-72
|
104-72
|
|
Транспортирование грунта
автомобилями-самосвалами КамАЗ-5511 на расстояние 2 км в отвал
|
ЕНВ*
|
100 т
|
283,40
|
2,73
2,73
|
94,3
94,3
|
100,6
|
1-94
|
549-80
|
590-61
|
|
Разработка крупнообломочного грунта VI группы в карьере
экскаватором Э0-5122А, оборудованным прямой
лопатой, с погрузкой на автомобили-самосвалы
для дамбы и каменной наброски
|
ЕНиР
§Е2-1-8, т. 7, № 3е
|
100 м3
|
782,30
|
3,60
1,80
|
343,4
171,7
|
171,7
|
3-55
|
2777-16
|
2777-16
|
|
То же, грунта I группы (песчано-гравийная смесь) для устройства переходного слоя
|
ЕНиР
§Е2-1-8, т. 7, № 3а
|
100 м3
|
26,85
|
1,20
0,60
|
4,0
2,0
|
2,0
|
1-15
|
30-88
|
30-88
|
|
То же, грунта II группы для устройства экрана из суглинка
|
ЕНиР
§Е2-1-8, т. 7, № 3б
|
100 м3
|
208,80
|
1,50
0,75
|
38,2
19,1
|
19,1
|
1-48
|
309-02
|
309-02
|
|
Транспортирование грунта автомобилями-самосвалами КрАЗ-256Б на
расстояние 2 км для возведения дамбы
|
ЕНВ*
|
100 т
|
2233,63
|
2,15
2,15
|
585,6
585,6
|
585,6
|
1-82
|
4065-21
|
4065-21
|
|
Разравнивание бульдозером ДЗ-110А грунта IV
группы при возведении дамбы из крупнообломочного материала и устройстве
каменной наброски
|
ЕНиР §Е2-1-24, № 2а
|
100 м3
|
636,00
|
1,70
1,70
|
131,8
131,8
|
177,6
|
1-80
|
1144-80
|
1542-89
|
|
То же, грунта II группы при устройстве переходного слоя из песчано-гравийной
смеси
|
ЕНиР §Е2-1-28, № 3ж
|
100 м3
|
26,20
|
0,21
0,21
|
0,7
0,7
|
0,7
|
0-22,3
|
5-84
|
5-84
|
|
Разработка бульдозером ДЗ-110А грунта II
группы с перемещением на расстояние 20 м
в экран из суглинка на откосе дамбы
|
ЕНиР
§Е2-1-22, № 5б, д
|
100 м3
|
112,00
|
0,74
0,74
|
10,1
10,1
|
10,1
|
0-78,5
|
87-92
|
87-92
|
|
Разравнивание бульдозером ДЗ-110А
грунта II
группы при устройстве экрана из суглинка
|
ЕНиР
§Е2-1-28, № 3з
|
100 м3
|
203,70
|
0,21
0,21
|
5,2
5,2
|
5,2
|
0-22,3
|
45-42
|
45-42
|
|
Увлажнение грунта поливочной
машиной ПМ-130Б при уплотнении грунта
|
ЕНиР
§Е17-2, ЕНВ*
|
100 м3
|
86,60
|
2,17
2,17
|
22,9
22,9
|
96,6
|
1-64
|
142-02
|
595-27
|
|
Уплотнение грунта при
возведении дамбы из крупнообломочного материала и
устройстве экрана из суглинка прицепным виброкатком А-12 слоями по 0,8 м при 4 проходах по одному следу
|
Данные
ЦНИИОМТП
|
100 м3
|
588,00
|
0,30
0,30
|
21,5
21,5
|
96,6
|
0-31,8
|
186-98
|
839-75
|
|
Водоотлив насосом КМ-80-50-200-СД при
разработке некачественных грунтов в основании дамбы и возведении дамбы до отметки, превышающей УГВ на 0,5 м
|
Расчетные
данные
|
1 маш.-смена
|
92,7
|
-
|
92,7
92,7
|
92,7
|
6-48
|
600-70
|
600-70
|
|
Разработка бульдозером
ДЗ-110А грунта II
группы с перемещением на расстояние 20 м при разборке разворотной площадки экрана из
суглинка
|
ЕНиР
§Е2-1-22, № 5б, д
|
100 м3
|
11,00
|
0,74
0,74
|
1,0
1,0
|
1,0
|
0-78,5
|
8-63
|
8-63
|
|
Разработка грунта VI группы экскаватором Э0-5111Б, оборудованным драглайном, в отвал при разборке
разворотных площадок дамбы из крупнообломочного материала
|
ЕНиР
§2-1-7, т.3, № 6м
|
100 м3
|
23,00
|
6,40
3,20
|
18,0
9,0
|
9,0
|
6-30
|
144-90
|
144-90
|
|
Планировка низового откоса дамбы экскаватором Э0-5111Б, оборудованным
драглайном, в грунте VI
группы
|
ЕНиР
§Е2-1-41, № 2ч
|
100 м2
|
38,70
|
2,60
1,30
|
12,2
6,1
|
6,1
|
2-56
|
99-07
|
99-07
|
|
Планировка бульдозером ДЗ-110А
гребня и верхового откоса дамбы в грунте
VI
группы
|
ЕНиР
§Е2-1-40, № 4а
|
1000 м2
|
7,50
|
0,27
0,27
|
0,2
0,2
|
0,2
|
0-28,6
|
2-14
|
2-14
|
|
Ремонт и содержание дорог автогрейдером ДЗ-31-1 при транспортировании грунта
|
ЕНиР §Е2-1-20, п. 15
|
1 км
|
912,4
|
1,10
1,10
|
122,4
122,4
|
122,4
|
1-17
|
1067-51
|
1067-51
|
|
Работа бульдозера ДЗ-110А на отвале в
грунте I группы
|
ЕНиР §Е2-1-22, № 5а
|
100 м3
|
195,20
|
0,35
0,35
|
8,3
8,3
|
8,3
|
0-37,1
|
72-42
|
72-42
|
|
То же, в грунте II группы
|
ЕНиР §Е2-1-22, № 5б
|
100 м3
|
4,20
|
0,41
0,41
|
0,2
0,2
|
0,2
|
0-43,5
|
1-83
|
1-83
|
|
То же, в грунте III группы
|
ЕНиР
§Е2-1-22, № 5в
|
100 м3
|
22,00
|
0,47
0,47
|
1,3
1,3
|
1,3
|
0-49,8
|
10-96
|
10-96
|
|
ИТОГО:
|
|
|
|
|
1618,5
1360,3
|
1561,2
|
|
12206-80
|
13751-72
|




|
Наименование работ
|
Обоснование (ЕНиР и др.)
|
Единица измерения
|
Объем работ
|
Норма времени на единицу измерения,
чел.-ч
маш.-ч
|
Затраты труда на весь объем работ,
чел.-дн.
маш.-смен
|
Время пребывания машины на объекте, маш.-смен
|
Расценка на единицу измерения, руб.-коп.
|
Стоимость затрат на весь объем работ, руб.-коп.
|
Стоимость затрат с учетом пребывания машины на объекте, руб.-коп.
|
|
Разработка бульдозером ДЗ-110А грунта III группы (шлак) с перемещением на расстояние до 10 м при устройстве подсыпок для проезда
|
ЕНиР
§Е2-1-22, № 5в
|
100 м3
|
22,00
|
0,47
0,47
|
1,3
1,3
|
1,3
|
0-49,8
|
10-96
|
10-96
|
|
Разравнивание бульдозером
грунта III
группы (шлак) толщиной слоя до
0,6 м при устройстве подсыпок для проезда
|
ЕНиР §Е2-1-28, № 3е
|
100 м3
|
22,00
|
0,43
0,43
|
1,1
1,1
|
1,1
|
0-45,6
|
10-03
|
10-03
|
|
Уплотнение грунта III группы (шлак) самоходным виброкатком ДУ-47Б при 5 проходах по одному следу
|
ЕНиР
§Е17-7
|
100 м2
|
39,00
|
0,31
0,31
|
1,5
1,5
|
1,5
|
0-28,2
|
11-00
|
11-00
|
|
Разработка мокрого грунта I группы экскаватором 30-5111Б, оборудованным драглайном, с погрузкой на автомобили-самосвалы
при угле поворота стрелы более 135º (устройство котлована под основание дамбы)
|
ЕНиР
§Е2-1-10, № 5а, примеч. гл. 1:
К = 1; п. 3, 4;
К
= 1,1; п. 8, 9
|
100 м3
|
195,20
|
3,60
1,80
|
85,6
42,8
|
42,8
|
3-58
|
698-82
|
698-82
|
|
То же, грунта II группы при устройстве
водосбросной канавы
|
То
же,
№ 5б
|
100 м3
|
4,20
|
4,40
2,20
|
2,2
1,1
|
1,1
|
4-30
|
18-06
|
18-06
|
|
То же, грунта III группы (шлак) от разборки
подсыпок для проезда
|
То
же, №
5в
|
100 м3
|
22,00
|
4,80
2,40
|
12,8
6,4
|
6,4
|
4-76
|
104-72
|
104-72
|
|
Транспортирование грунта
автомобилями-самосвалами КамАЗ-5511 на расстояние 2 км в отвал
|
ЕНВ*
|
100 т
|
283,40
|
2,73
2,73
|
94,3
94,3
|
100,6
|
1-94
|
549-80
|
590-61
|
|
Разработка крупнообломочного грунта II группы в карьере
экскаватором Э0-5111Б, оборудованным прямой
лопатой, с погрузкой на автомобили-самосвалы
для дамбы и каменной наброски
|
ЕНиР
§Е2-1-8, т. 3, № 6е
|
100 м3
|
782,30
|
6,20
3,10
|
591,4
295,7
|
295,7
|
6-11
|
4779-85
|
4779-85
|
|
Разработка крупнообломочного грунта I группы в карьере
экскаватором Э0-5111Б, оборудованным прямой
лопатой, с погрузкой на автомобили-самосвалы
для дамбы и каменной наброски
|
ЕНиР
§Е2-1-8, т. 3, № 6а
|
100 м3
|
26,85
|
2,00
1,00
|
6,6
3,3
|
3,3
|
1-97
|
52-89
|
52-89
|
|
То же, грунта II группы для устройства экрана из суглинка
|
То
же, №
6б
|
100 м3
|
208,80
|
2,60
1,30
|
66,2
33,1
|
33,1
|
2-56
|
534-53
|
534-53
|
|
Транспортирование грунта автомобилями-самосвалами КамАЗ-5511 на
расстояние 2 км для возведения дамбы
|
ЕНВ*
|
100 т
|
2233,63
|
2,73
2,73
|
743,6
743,6
|
777,0
|
1-94
|
4333-24
|
4549-60
|
|
Разравнивание бульдозером ДЗ-110А грунта VI
группы при возведении дамбы из крупнообломочного материала и устройстве каменной
наброски
|
ЕНиР §Е2-1-24, № 2а
|
100 м3
|
636,00
|
1,70
1,70
|
131,8
131,8
|
206,4
|
1-80
|
1144-80
|
1793-22
|
|
То же, грунта II группы при устройстве переходного слоя из песчано-гравийной
смеси
|
ЕНиР §Е2-1-28, № 3ж
|
100 м3
|
26,20
|
0,21
0,21
|
0,7
|
0,7
|
0-22,3
|
5-84
|
5-84
|
|
Разработка бульдозером ДЗ-110А грунта II
группы с перемещением на расстояние 20 м
в экран из суглинка на откосе дамбы
|
ЕНиР
§Е2-1-22, № 5б, д
|
100 м3
|
112,00
|
0,74
0,74
|
10,1
10,1
|
10,1
|
0-78,5
|
87-92
|
87-92
|
|
Разравнивание бульдозером ДЗ-110А
грунта II
группы при устройстве экрана из суглинка
|
ЕНиР
§Е2-1-28, № 3з
|
100 м3
|
203,70
|
0,21
0,21
|
5,2
5,2
|
5,2
|
0-22,3
|
45-42
|
45-42
|
|
Увлажнение грунта поливочной
машиной ПМ-130Б при уплотнении грунта
|
ЕНиР
§Е17-2, ЕНВ*
|
100 м3
|
86,60
|
2,17
2,17
|
22,9
22,9
|
81,8
|
1-64
|
142-02
|
504-25
|
|
Уплотнение грунта при
возведении дамбы из крупнообломочного материала и
устройстве экрана из суглинка прицепным виброкатком А-12 слоями по 0,8 м при 4 проходах по одному следу
|
Данные
ЦНИИОМТП
|
100 м3
|
588,00
|
0,30
0,30
|
21,5
21,5
|
81,8
|
0-31,8
|
186-98
|
711-11
|
|
Водоотлив насосом КМ-80-50-200-СД при
разработке некачественных грунтов в основании дамбы и возведении дамбы до отметки, превышающей УГВ на 0,5 м
|
Расчетные
данные
|
1 маш.-смена
|
92,7
|
-
|
92,7
92,7
|
92,7
|
6-48
|
600-70
|
600-70
|
|
Разработка бульдозером
ДЗ-110А грунта II
группы с перемещением на расстояние 20 м при разборке разворотной площадки экрана из
суглинка
|
ЕНиР
§Е2-1-22, № 5б, д
|
100 м3
|
11,00
|
0,74
0,74
|
1,0
1,0
|
1,0
|
0-78,5
|
8-63
|
8-63
|
|
Разработка грунта VI группы экскаватором Э0-5111Б, оборудованным драглайном, в отвал при разборке разворотных
площадок дамбы из крупнообломочного материала
|
ЕНиР
§2-1-7, т.3, № 6м
|
100 м3
|
23,00
|
6,40
3,20
|
18,0
9,0
|
9,0
|
6-30
|
144-90
|
144-90
|
|
Планировка низового откоса дамбы экскаватором Э0-5111Б, оборудованным
драглайном, в грунте VI группы
|
ЕНиР
§Е2-1-41, № 2ч
|
100 м2
|
38,70
|
2,60
1,30
|
12,2
6,1
|
6,1
|
2-56
|
99-07
|
99-07
|
|
Планировка бульдозером ДЗ-110А
гребня и верхового откоса дамбы в грунте
VI
группы
|
ЕНиР
§Е2-1-40, № 4а
|
1000 м2
|
7,50
|
0,27
0,27
|
0,2
0,2
|
0,2
|
0-28,6
|
2-14
|
2-14
|
|
Ремонт и содержание дорог автогрейдером ДЗ-31-1 при транспортировании грунта
|
ЕНиР §Е2-1-20, п. 15
|
1 км
|
1019,8
|
1,10
1,10
|
136,8
136,8
|
136,8
|
1-17
|
1193-17
|
1193-17
|
|
Работа бульдозера ДЗ-110А на отвале в
грунте I группы
|
ЕНиР §Е2-1-22, № 5а
|
100 м3
|
195,20
|
0,35
0,35
|
8,3
8,3
|
8,3
|
0-37,1
|
72-42
|
72-42
|
|
То же, в грунте II группы
|
ЕНиР §Е2-1-22, № 5б
|
100 м3
|
4,20
|
0,41
0,41
|
0,2
0,2
|
0,2
|
0-43,5
|
1-83
|
1-83
|
|
То же, в грунте III группы
|
ЕНиР
§Е2-1-22, № 5в
|
100 м3
|
22,00
|
0,47
0,47
|
1,3
1,3
|
1,3
|
0-49,8
|
10-96
|
10-96
|
|
ИТОГО:
|
|
|
|
|
2009,6
1612,1
|
1905,6
|
|
14850-70
|
16642-65
|
|
|