| |
ТИПОВЫЕ
ТЕХНОЛОГИЧЕСКИЕ КАРТЫ
НА ПРОИЗВОДСТВО ОТДЕЛЬНЫХ ВИДОВ РАБОТ
РАЗДЕЛ
01
ТИПОВАЯ
ТЕХНОЛОГИЧЕСКАЯ КАРТА
НА ЗЕМЛЯНЫЕ И БУРОВЗРЫВНЫЕ РАБОТЫ
1.01.01.47
КОМПЛЕКСНО-МЕХАНИЗИРОВАННЫЙ
ПРОЦЕСС
ВОЗВЕДЕНИЯ ДАМБЫ ВЫСОТОЙ 10 м
ИЗ РАЗРЫХЛЕННОГО СКАЛЬНОГО ГРУНТА
С ЯДРОМ ИЗ СУГЛИНКА
НА ЗАБОЛОЧЕННОЙ ОБВОДНЕННОЙ ТЕРРИТОРИИ
МОСКВА
– 1989
|
РАЗРАБОТАНА
ВНИПИИСТРОМСЫРЬЕ
Главный инженер института Р.А. Родин
Главный инженер проекта В.Н. Буман
|
ОДОБРЕНА
Отделом
организации и технологии
строительного
производства Госстроя СССР
Письмо от 14.09.1988 г. № 23-532
Введена в
действие с 01.01.1989 г.
|
1.1.
Типовая технологическая карта рекомендуется для возведения дамб из
разрыхленного скального грунта с ядром из суглинка на заболоченной обводненной
территории при сооружении объектов промышленного и мелиоративного
строительства.
1.2.
Типовая технологическая карта может быть использована при возведении дамб
высотой 10, 20 и 30 м.
1.3.
В данной технологической карте приведен пример возведения дамбы с параметрами:
длина
- 350 м, ширина гребня - 1,0 м, высота - 10 м,
заложение откосов: верхового - 1:3, низового - 1:2, глубина выемки
некачественных грунтов - 2 м.
Уровень
грунтовых вод совпадает с поверхностью земли.
Объем
выемки некачественных грунтов - 24510 м3.
Объем
отсыпки дамбы разрыхленным скальным грунтом - 45200 м3.
Объем
отсыпки ядра из суглинка - 13400 м3.
Объем
отсыпки обратного фильтра из песчано-гравийной смеси - 10200 м3.
1.4.
Строительство осуществляется в средней зоне СССР при положительных температурах
воздуха.
1.5.
При привязке технологической карты к конкретному объекту и условиям
строительства необходимо скорректировать объемы работ, график производства
работ и калькуляцию затрат труда, средства механизации с учетом наличия парка
землеройных механизмов.
2.1.
Настоящий комплексно-механизированный технологический процесс состоит из
подготовительных, основных и отделочных операций.
2.2.
К подготовительным операциям относятся:
разбивка
осей и контуров дамбы с установкой разбивочных знаков и реперов, устройство
освещения мест разработки и укладки грунта, устройство подъездных землевозных
автодорог.
2.3.
К основным операциям относятся:
устройство
подсыпок для проезда механизмов в пределах контура дамбы;
выемка
некачественных грунтов в основании дамбы;
открытый
водоотлив из котлована в основании дамбы;
разработка
разрыхленного скального грунта, песчано-гравийной смеси и суглинка в карьере;
возведение
дамбы из разрыхленного скального грунта;
устройство
обратного фильтра;
устройство
ядра из суглинка;
водоотлив;
отсыпка
разворотных площадок и их разборка.
2.4.
К отделочным операциям относится планировка гребня и откосов дамбы.
2.5.
Состав вариантов комплексов машин, применяемых для основных и отделочных операций.
Таблица 1
|
Технологическая операция
|
Варианты
комплексов машин
|
|
1
|
2
|
3
|
4
(аналог)
|
|
Устройство подсыпок для проезда
механизмов
|
Бульдозер ДЗ-110А. Каток ДУ-47Б
|
Бульдозер ДЗ-110А. Каток ДУ-47Б
|
Бульдозер ДЗ-110А. Каток ДУ-47Б
|
Бульдозер ДЗ-110А. Каток ДУ-47Б
|
|
Выемка некачественных грунтов в
основании дамбы. Открытый водоотлив.
|
Экскаватор ЭО-5111Б драглайн.
Автомобиль - самосвал КамАЗ-5511. Автогрейдер ДЗ-31-1. Бульдозер ДЗ-110А.
Насос КМ80-50-200-СД
|
Экскаватор ЭО-5111Б драглайн.
Автомобиль - самосвал КамАЗ-5511. Автогрейдер ДЗ-31-3. Бульдозер ДЗ-110А.
Насос КМ80-50-200-СД
|
Экскаватор ЭО-5111Б драглайн.
Автомобиль - самосвал КамАЗ-5511. Автогрейдер ДЗ-31-3. Бульдозер ДЗ-110А.
Насос КМ80-50-200-СД
|
Экскаватор ЭО-5111Б драглайн.
Автомобиль - самосвал КамАЗ-5511. Автогрейдер ДЗ-31-1. Бульдозер ДЗ-110А.
Насос КМ80-50-200-СД
|
|
Разработка
разрыхленного скального грунта, песчано-гравийной смеси и суглинка в карьере
|
Экскаватор
ЭО-4121Б прямая лопата. Автомобиль - самосвал КамАЗ-5511. Автогрейдер ДЗ-31-1
|
Экскаватор
ЭО-4111В прямая лопата. Автомобиль - самосвал КамАЗ-5511. Автогрейдер ДЗ-31-1
|
Экскаватор
ЭО-5122А прямая лопата. Автомобиль - самосвал КрАЗ-256Б. Автогрейдер ДЗ-31-1
|
Экскаватор
ЭО-5111Б прямая лопата. Автомобиль - самосвал КамАЗ-5511. Автогрейдер ДЗ-31-1
|
|
Возведение
дамбы из разрыхленного скального грунта.
|
Бульдозер
ДЗ-110А. Каток А-12. Трактор Т-130.1.Г-1.
|
Бульдозер
ДЗ-110А. Каток А-12. Трактор Т-130.1.Г-1.
|
Бульдозер
ДЗ-110А. Каток А-12. Трактор Т-130.1.Г-1.
|
Бульдозер
ДЗ-110А. Каток А-12. Трактор Т-130.1.Г-1.
|
|
Устройство обратного фильтра
|
Поливочная
машина ПМ-130Б.
|
Поливочная
машина ПМ-130Б.
|
Поливочная
машина ПМ-130Б.
|
Поливочная
машина ПМ-130Б.
|
|
Устройство
ядра из суглинка.
|
Насос
КМ80-50-200-СД.
|
Насос
КМ80-50-200-СД.
|
Насос
КМ80-50-200-СД.
|
Насос
КМ80-50-200-СД.
|
|
Водоотлив.
Отсыпка разворотных площадок и их разборка
|
Экскаватор
ЭО-4121Б грейфер. Автогрейдер ДЗ-31-1
|
Экскаватор
ЭО-4121Б грейфер. Автогрейдер ДЗ-31-1
|
Экскаватор
ЭО-4121Б грейфер. Автогрейдер ДЗ-31-1
|
Экскаватор
ЭО-4121Б грейфер. Автогрейдер ДЗ-31-1
|
|
Планировочные
работы
|
Бульдозер
ДЗ-110А
|
Бульдозер
ДЗ-110А
|
Бульдозер
ДЗ-110А
|
Бульдозер
ДЗ-110А
|
Ведущими
машинами в комплексе являются:
в
варианте 1 - экскаватор ЭО-4121Б, оборудованный прямой лопатой;
в
варианте 2 - экскаватор ЭО-4111В, оборудованный прямой лопатой;
в
варианте 3 - экскаватор ЭО-5122А, оборудованный прямой лопатой;
в
варианте 4 - экскаватор ЭО-5111Б, оборудованный прямой лопатой.
2.6.
Технология производства работ для варианта 1.
Дамба
устраивается на обводненном участке местности. Предварительно, до начала выемки
некачественных грунтов в основании дамбы устраивается подъездная автодорога к
мосту производства работ и подсыпки для проезда механизмов и
автомобилей-самосвалов по всей площади участка работ.
Автодорога
и подсыпки устраиваются из доменного шлака либо из другого местного
строительного материала шириной 5,50 м и высотой 0,50 м над поверхностью земли.
Привезенный автомобилями-самосвалами шлак отсыпается «с головы», разравнивается
бульдозером ДЗ-110А и уплотняется катком ДУ-47Б.
Выемка
некачественных грунтов в основании дамбы производится экскаватором ЭО-5111Б,
оснащенным драглайном. Грунт грузят на автомобили-самосвалы и вывозят в отвал.
Разработка грунта выполняется при движении экскаватора и автомобилей-самосвалов
по подсыпкам.
Разработка
некачественных грунтов экскаватором ведется под защитой открытого водоотлива.
Для этого в самой низкой точке основания дамбы устраивается водоприемный зумпф,
из которого грунтовая вода откачивается насосом КМ-80-50-200-СД за пределы
основания дамбы.
Экскаватор
начинает разработку от зумпфа и двигается в направлении, противоположном уклону
основания дамбы.
Одновременно
с некачественными грунтами разрабатывается шлак, уложенный в подсыпки.
Материалы,
из которых отсыпается дамба, разрабатываются в карьерах экскаватором ЭО-4121Б,
оборудованным обратной лопатой.
Возведение
дамбы выполняется слоями по 2,00 м.
Первоначально
отсыпается часть дамбы из разрыхленного скального грунта. Отсыпка ведется по
двухкартной схеме, где в технологической последовательности чередуются
операции: отсыпка разрыхленного скального грунта автомобилями-самосвалами
КамА3-5511 и разравнивание его бульдозером ДЗ-110A; увлажнение поливочной машиной ПМ-130Б и
уплотнение прицепным вибрационным катком А-12.
Отсыпка
части дамбы из разрыхленного скального грунта производится слоями по 0,70 -
0,75 м, причем для возможности проезда автомобилей-самосвалов в верхней части
каждого слоя необходимо устраивать дороги из наиболее мелких отсортированных
частиц каменного материала.
Во
вторую очередь устраивается обратный фильтр из щебня и песчано-гравийной смеси.
Щебень
подвозят автомобилями-самосвалами и разгружают на бровке откоса отсыпанной
части дамбы. Разравнивание щебня по откосу производится автогрейдером ДЗ-31-1.
Песчано-гравийную
смесь разгружают у бровки откоса отсыпанной части дамбы и подают к месту
укладки экскаватором ЭО-4121Б, оборудованным грейдером.
Разравнивание
песчано-гравийной смеси производится бульдозером ДЗ-110А слоями по 0,70 - 0,75
м.
Укладку
суглинка в ядро дамбы ведут по двухкартной схеме.
Подвезенный
автомобилями-самосвалами суглинок разгружают на бровке траншеи в одном месте и
перемещают бульдозером ДЗ-110А вдоль траншеи к месту укладки с разравниванием
слоями по 0,70 - 0,75 м на одной карте. При этом дальность перемещения
бульдозера не должна превышать 100,00 м. Уплотнение суглинка производится на
другой карте прицепным виброкатком А-12. Увлажнение суглинка производится в
карьере при его разработке. Возведение дамбы из разрыхленного скального грунта,
устройство обратного фильтра и ядра из суглинка ниже уровня грунтовых вод
производится под защитой открытого водоотлива.
Для
возведения верха дамбы используются разворотные площадки для катка и
автомобилей-самосвалов. Грунт от разборки разворотных площадок укладывается в
гребень дамбы бульдозером ДЗ-110А. Планировка откосов и гребня дамбы
выполняется бульдозером ДЗ-110А. Землевозные дороги, по которым
транспортируются грунты, должны постоянно поддерживаться автогрейдером ДЗ-31-1
в рабочем состоянии.
2.7.
Возведение дамбы выполняется (при работе в одну смену) для варианта 1 следующим
составом:
машинисты бульдозера 6 разряда - 2,
машинисты экскаватора 6 разряда - 7,
пом. машинистов экскаватора 5 разряда - 2,
машинист катка 6 разряда -
1,
машинист катка 5 разряда -
1,
машинист автогрейдера 6 разряда - 1,
машинист насоса 4 разряда -
1,
машинист поливочной машины 4 разряда - 1,
(водитель 3 класса)
водители автомобилей-самосвалов III класса -
8.
2.8.
Контроль качества выполняемых работ производится в соответствии с табл. 2.
Таблица 2
|
Наименование
операций, подлежащих контролю
|
Контроль качества выполнения операции
|
|
производителем работ
|
мастером
|
Состав
|
Способы, инструмент
|
Время
|
Привлекаемые службы
|
|
Разбивка осей
и контуров дамбы, подсыпок для проезда и землевозных автодорог
|
Устройство
подсыпок для проезда и землевозных автодорог
|
Точность
выноса разбивки, осадка подсыпок
|
Теодолит,
стальная рулетка
|
До разработки
и отсыпки грунта
|
Геодезическая
|
|
-
|
Выемка
некачественных грунтов в основании дамбы. Водоотлив
|
Геометрические
размеры в плане. Очередность разработки грунта
|
Визуально,
нивелир, стальная рулетка, откосник
|
В процессе
устройства котлована под основание дамбы
|
Геодезическая,
грунтовая лаборатория
|
|
-
|
Возведение
дамбы из разрыхленного скального грунта, устройство обратного фильтра,
устройство ядра из суглинка. Водоотлив при возведении дамбы ниже уровня
грунтовых вод
|
Толщина слоев
отсыпки, геотехнические свойства грунта, геометрические размеры в плане,
высотные отметки, водоотлив
|
Нивелир,
стальная рулетка, откосник, плотномер, влагомер
|
В процессе
возведения дамбы
|
Геодезическая,
грунтовая лаборатория
|
|
-
|
Планировочные
работы, разборка разворотных площадок
|
Соблюдение
проектных отметок, крутизна откосов
|
Нивелир,
откосник
|
После
возведения дамбы
|
Геодезическая
|
В
соответствии с принятыми вариантами комплексов машин (табл. 1) и на
основании калькуляции затрат труда в табл. 3 приведены сравнительные
технико-экономические показатели эффективности вариантов.
Таблица 3
|
Наименование
показателей
|
Варианты комплексов механизации работ
|
|
1
|
2
|
3
|
4 (аналог)
|
|
При высоте дамбы 10,0 м
|
|
Объем работ,
м3
|
98470
|
98470
|
98470
|
98470
|
|
Общая
трудоемкость, чел.-дн.
|
1630,1
|
1778,4
|
1559,1
|
1877,7
|
|
То же, на
1000 м3 грунта, чел.-ч
|
135,7
|
148,1
|
129,8
|
156,4
|
|
Затраты
машинного времени на весь объем работ, маш.-смен
|
1571,0
|
1719,3
|
1357,8
|
1573,9
|
|
Продолжительность
процесса при двухсменной работе, день
|
50,5
|
53,1
|
48,3
|
52,8
|
|
Выработка на
1 маш.-ч, м3
|
7,7
|
7,0
|
8,8
|
7,6
|
|
Стоимость
затрат труда на весь объем работ, руб.-коп.
|
11689-20
|
13105-31
|
12390-47
|
15606-70
|
|
То же, на
1000 м3 грунта, руб.-коп.
|
118-71
|
133-09
|
125-83
|
138-18
|
|
Приведенные
затраты на весь объем работ, руб.
|
108908
|
110779
|
102310
|
110286
|
|
То же, на
1000 м3 грунта, руб.
|
1106
|
1125
|
1039
|
1120
|
|
Эффективность
в сравнении с аналогом на 1000 м3 грунта, руб.
|
+14
|
-5
|
+81
|
-
|
|
Прямые
затраты на 1000 м3 грунта, руб.
|
1050
|
1067
|
981
|
1060
|
|
При высоте дамбы 20,0 м
|
|
Объем работ,
м3
|
208300
|
208300
|
208300
|
208300
|
|
Общая
трудоемкость, чел.-дн.
|
3097,2
|
3375,1
|
2963,4
|
3574,2
|
|
То же, на
1000 м3 грунта, чел.-ч
|
121,9
|
132,9
|
116,7
|
140,7
|
|
Затраты
машинного времени на весь объем работ, маш.-смен
|
2984,9
|
3266,7
|
2579,8
|
2990,4
|
|
Продолжительность
процесса при двухсменной работе, день
|
60,6
|
63,7
|
58,0
|
63,4
|
|
Выработка на
1 маш.-ч, м3
|
8,5
|
7,8
|
9,8
|
8,5
|
|
Стоимость
затрат труда на весь объем работ, руб.-коп.
|
22677-05
|
25424-30
|
24038-10
|
25852-73
|
|
То же, на
1000 м3 грунта, руб.-коп.
|
108-87
|
122-06
|
115-40
|
124-11
|
|
Приведенные
затраты на весь объем работ, руб.
|
208717
|
214549
|
197885
|
213299
|
|
То же, на
1000 м3 грунта, руб.
|
1002
|
1030
|
950
|
1024
|
|
Эффективность
в сравнении с аналогом на 1000 м3 грунта, руб.
|
+22
|
-6
|
+74
|
-
|
|
При высоте дамбы 30,0 м
|
|
Объем работ,
м3
|
449200
|
449200
|
449200
|
449200
|
|
Общая трудоемкость,
чел.-дн.
|
6091,7
|
6720,4
|
5921,4
|
7043,2
|
|
То же, на
1000 м3 грунта, чел.-ч
|
111,2
|
122,7
|
108,1
|
128,6
|
|
Затраты
машинного времени на весь объем работ, маш.-смен
|
5970,4
|
6530,4
|
5169,4
|
5980,8
|
|
Продолжительность
процесса при двухсменной работе, день
|
90,2
|
95,5
|
85,9
|
94,3
|
|
Выработка на
1 маш.-ч, м3
|
9,2
|
8,4
|
10,6
|
9,2
|
|
Стоимость
затрат труда на весь объем работ, руб.-коп.
|
45240-32
|
50808-60
|
48071-15
|
51725-54
|
|
То же, на
1000 м3 грунта, руб.-коп.
|
100-71
|
113-11
|
107-01
|
115-15
|
|
Приведенные
затраты на весь объем работ, руб.
|
429435
|
440216
|
406526
|
435724
|
|
То же, на
1000 м3 грунта, руб.
|
956
|
980
|
905
|
970
|
|
Эффективность
в сравнении с аналогом на 1000 м3 грунта, руб.
|
+14
|
-10
|
+65
|
-
|
Примечание. Технико-экономические
показатели для дамб высотой 20 и 30 м приведены без представления калькуляции
затрат труда.
4.1.
Потребность в машинах, оборудовании, инструменте, инвентаре и приспособлениях
приведена в табл. 4.
Таблица 4
|
Наименование машин, оборудования, инструментов
и приспособлений
|
Тип
|
Марка
ГОСТ
|
Количество
машин для вариантов механизации, кг
|
Техническая
характеристика
|
|
1
|
2
|
3
|
4
|
|
Бульдозер с неповоротным отвалом,
управление гидравлическое
|
На тракторе класса 10 т
|
ДЗ-110А
|
2
|
2
|
2
|
2
|
Трактор Т-130.1.Г-1, длина отвала 3220
мм
|
|
Экскаватор универсальный
|
Одноковшовый, гидравлический, на
гусеничном ходу
|
ЭО-4121Б
22894-77
|
5
|
-
|
-
|
-
|
Оборудован прямой лопатой. Ковш 1,0 м3
|
|
Экскаватор универсальный
|
Одноковшовый, канатный, на гусеничном
ходу
|
ЭО-4111В
17343-83
|
-
|
7
|
-
|
-
|
Оборудован прямой лопатой. Ковш 0,65 м3
|
|
Экскаватор универсальный
|
Одноковшовый, гидравлический, на
гусеничном ходу
|
ЭО-5122А
22894-77
|
-
|
-
|
4
|
-
|
Оборудован прямой лопатой. Ковш 1,6 м3
|
|
Экскаватор универсальный
|
Одноковшовый, канатный, на гусеничном
ходу
|
ЭО-5111Б
17343-83
|
-
|
-
|
-
|
5
|
Оборудован прямой лопатой. Ковш 1,0 м3
|
|
Экскаватор универсальный
|
Одноковшовый, канатный, на гусеничном
ходу
|
ЭО-5111Б
17343-83
|
2
|
2
|
2
|
2
|
Оборудован драглайном. Ковш 1,0 м3
|
|
Экскаватор универсальный
|
Одноковшовый, гидравлический, на
гусеничном ходу
|
ЭО
-4121Б
22894-77
|
1
|
1
|
1
|
1
|
Оборудован грейдером. Ковш 0,65 м3
|
|
Автогрейдер
|
Среднего
типа, самоходный
|
ДЗ-31-1
9420-79
|
1
|
1
|
1
|
1
|
Мощность
двигателя 96 кВт, длина отвала 3700 мм
|
|
Каток
|
Вибрационный
самоходный, двухвальцовый с гладкими вальцами
|
ДУ-47Б
|
1
|
1
|
1
|
1
|
Мощность
двигателя 37 кВт. Масса 6-8 т. Ширина уплотняемой полосы 1200 мм
|
|
Каток
(производство ГДР)
|
Прицепной
вибрационный
|
А-12
|
1
|
1
|
1
|
1
|
Масса 12 т.
Ширина уплотняемой полосы 2000 мм
|
|
Трактор
промышленный, общего назначения
|
Класса 10 т,
гусеничный
|
Т-130.1.-Г-1
|
1
|
1
|
1
|
1
|
Мощность
двигателя 147 кВт
|
|
Поливочная
машина на шасси ЗИЛ-130
|
|
ПМ-130Б
|
1
|
1
|
1
|
1
|
Вместимость
цистерны 6000 л
|
|
Автомобиль-самосвал
|
Трехосный
|
КамАЗ-5511
|
8
|
8
|
-
|
8
|
Грузоподъемность
10 т
|
|
Автомобиль-самосвал
|
Трехосный
|
КрАЗ-256Б
|
-
|
-
|
8
|
-
|
Грузоподъемность
12 т
|
|
Насос
центробежный консольного типа
|
Моноблочный
|
КМ-80-50-200-СД
|
1
|
1
|
1
|
1
|
Подача 50 м3/ч
Напор 50 м. Мощность электродвигателя 15 кВт
|
|
Теодолит
|
|
Т-15
10529-66
|
1
|
1
|
1
|
1
|
|
|
Нивелир
|
|
Н-10
10528-76
|
1
|
1
|
1
|
1
|
|
|
Рейка
нивелирная
|
|
РН-10
11158-83
|
2
|
2
|
2
|
2
|
|
|
Вешка
геодезическая
|
Стандартная
|
|
3
|
3
|
3
|
3
|
|
|
Рулетка
измерительная металлическая
|
Стандартная
|
PC-20
7502-60
|
1
|
1
|
1
|
1
|
|
|
Рейка
трехметровая
|
|
|
1
|
1
|
1
|
1
|
|
|
Плотномер
|
|
ПГМ-1
|
1
|
1
|
1
|
1
|
|
|
Влагомер
|
|
НВУ-1
26375-84
|
1
|
1
|
1
|
1
|
|
4.2.
Потребность в эксплуатационных материалах приведена в табл. 5.
Таблица 5
|
Наименование
эксплуатационных материалов
|
Норма на час работы машины, кг
|
Количество на принятый объем по вариантам, кг
|
|
1
|
2
|
3
|
4
|
|
Бульдозер
ДЗ-100А
|
|
|
|
|
|
|
Дизельное
топливо
|
7,70
|
7393
|
7393
|
7393
|
7393
|
|
Бензин
|
0,23
|
221
|
221
|
221
|
221
|
|
Моторное
масло
|
0,37
|
355
|
355
|
355
|
355
|
|
Трансмиссионное
масло
|
0,10
|
96
|
96
|
96
|
96
|
|
Консистентная смазка
|
0,08
|
77
|
77
|
77
|
77
|
|
Экскаватор
ЭО-4121Б
|
|
|
|
|
|
|
Дизельное топливо
|
5,50
|
10269
|
898
|
898
|
898
|
|
Бензин
|
0,16
|
299
|
26
|
26
|
26
|
|
Моторное масло
|
0,27
|
504
|
44
|
44
|
44
|
|
Трансмиссионное масло
|
0,03
|
56
|
5
|
5
|
5
|
|
Консистентная смазка
|
0,16
|
299
|
26
|
26
|
26
|
|
Экскаватор
ЭО-4111В
|
|
|
|
|
|
|
Дизельное топливо
|
5,70
|
-
|
19140
|
-
|
-
|
|
Бензин
|
0,17
|
-
|
571
|
-
|
-
|
|
Моторное масло
|
0,28
|
-
|
940
|
-
|
-
|
|
Трансмиссионное масло
|
0,03
|
-
|
101
|
-
|
-
|
|
Консистентная
смазка
|
0,17
|
-
|
571
|
-
|
-
|
|
Экскаватор
ЭО-5122А
|
|
|
|
|
|
|
Дизельное топливо
|
6,60
|
-
|
-
|
7696
|
-
|
|
Бензин
|
0,20
|
-
|
-
|
233
|
-
|
|
Моторное масло
|
0,32
|
-
|
-
|
373
|
-
|
|
Трансмиссионное масло
|
0,04
|
-
|
-
|
47
|
-
|
|
Консистентная смазка
|
0,20
|
-
|
-
|
233
|
-
|
|
Экскаватор
ЭО-5111Б
|
|
|
|
|
|
|
Дизельное топливо
|
6,30
|
3053
|
3053
|
3053
|
3053
|
|
Бензин
|
0,19
|
92
|
92
|
92
|
473
|
|
Моторное масло
|
0,30
|
145
|
145
|
145
|
747
|
|
Трансмиссионное масло
|
0,03
|
15
|
15
|
15
|
75
|
|
Консистентная смазка
|
0,18
|
87
|
87
|
87
|
448
|
|
Автогрейдер
ДЗ-31-1
|
|
|
|
|
|
|
Дизельное топливо
|
5,20
|
4072
|
4294
|
3884
|
4268
|
|
Бензин
|
0,16
|
125
|
132
|
120
|
131
|
|
Моторное масло
|
0,25
|
196
|
206
|
187
|
205
|
|
Трансмиссионное масло
|
0,07
|
55
|
58
|
52
|
57
|
|
Консистентная смазка
|
0,06
|
47
|
50
|
45
|
49
|
|
Трактор
Т-130.1.Г-1
|
|
|
|
|
|
|
Дизельное топливо
|
7,10
|
1246
|
1246
|
1246
|
1246
|
|
Бензин
|
0,20
|
35
|
35
|
35
|
35
|
|
Моторное масло
|
0,29
|
51
|
51
|
51
|
51
|
|
Транмиссионное масло
|
0,09
|
16
|
16
|
16
|
16
|
|
Консистентная смазка
|
0,07
|
12
|
12
|
12
|
12
|
|
Каток
ДУ-47Б
|
|
|
|
|
|
|
Дизельное топливо
|
3,20
|
37
|
37
|
37
|
37
|
|
Бензин
|
0,10
|
12
|
12
|
12
|
12
|
|
Моторное масло
|
0,18
|
2
|
2
|
2
|
2
|
|
Трансмиссионное масло
|
0,05
|
0,6
|
0,6
|
0,6
|
0,6
|
|
Консистентная смазка
|
0,04
|
0,5
|
0,5
|
0,5
|
0,5
|
|
Поливочная
машина ПМ-130Б
|
|
|
|
|
|
|
Бензин
|
4,90
|
623
|
623
|
623
|
623
|
|
Автомобильное масло
|
0,11
|
14
|
14
|
14
|
14
|
|
Автомобиль-самосвал
КамАЗ-5511
|
|
|
|
|
|
|
Дизельное топливо
|
5,40
|
29853
|
29853
|
-
|
29853
|
|
Дизельное масло
|
0,25
|
1382
|
1382
|
-
|
1382
|
|
Трансмиссионное масло
|
0,04
|
221
|
221
|
-
|
221
|
|
Консистентная смазка
|
0,02
|
110
|
110
|
-
|
110
|
|
Автомобиль-самосвал
КрАЗ-256Б
|
|
|
|
|
|
|
Дизельное топливо
|
6,06
|
-
|
-
|
27537
|
-
|
|
Дизельное масло
|
0,34
|
-
|
-
|
1545
|
-
|
|
Трансмиссионное масло
|
0,05
|
-
|
-
|
227
|
-
|
|
Консистентная смазка
|
0,04
|
-
|
-
|
182
|
-
|
При
выполнении работ по возведению дамбы необходимо руководствоваться требованиями СНиП-III-4-80
«Техника безопасности в строительстве».

1 - ось дамбы; 6
- поверхность земли;
2 - разрыхленный скальный
грунт; 7
- основание дамбы;
3 - ядро из суглинка; 8
- гребень дамбы;
4 - обратный фильтр из
песчано-гравийной смеси; 9
- УГВ.
5 - щебень;

1 - ось дамбы;
2 - контур основания дамбы;
3 - подсыпка для проезда механизмов;
4 - водоприемный зумпф;
5 - уровень грунтовых вод;
6 - экскаватор;
7 - автомобиль-самосвал;
8 - ось проходки экскаватора;
-
очередность проходки экскаватора.

1
- ось дамбы; 8 -
вибрационный каток;
2
- разворотная площадка для катков 15 ´ 20 м; 9
- поливочная машина;
3
- разворотная площадка для автомобилей-самосвалов 5 ´ 20 м; 10 - оси проходок бульдозера;
4
- слои отсыпки дамбы высотой по 2 м; 11
- оси проходок катка;
5
- слои отсыпки разрыхленного скального грунта; 12
- ось движения поливочной машины;
6
- бульдозер; 13
- отвалы грунта, выгруженные из автомобилей-самосвалов.
7
- автомобиль-самосвал;

1
- ось дамбы; 6
- бульдозер;
2
- щебень; 7
- автомобиль-самосвал;
3
- песчано-гравийная смесь; 8
- экскаватор;
4
- разворотная площадка для катков 15 ´ 20 м; 9
- отвалы грунта.
5
- разворотная площадка для автомобилей-самосвалов 5 ´ 20 м;

|
1 - ось дамбы;
|
6 - разворотная площадка для
автомобилей-самосвалов 5 ´ 20 м;
|
11 - оси проходок бульдозера;
|
|
2 -щебень;
|
7 - бульдозер;
|
12 - оси проходок поливочной машины;
|
|
3 - песчано-гравийная смесь;
|
8 - автомобиль-самосвал;
|
13 - оси проходок катка;
|
|
4 - ядро из суглинка;
|
9 - поливочная машина;
|
14 - отвалы грунта, выгруженного из
автомобилей-самосвалов;
|
|
5 - разворотная площадка для катков 15 ´ 20 м;
|
10 - виброкаток;
|
15 - слои отсыпки суглинка.
|

Примечание. Здесь и
далее: 1. Пунктирная линия указывает на неполное использование механизмов в
течение смены.
2. Объем подсыпок (шлака) приведен с
учетом просадки на 0,5 м.
ГРАФИК
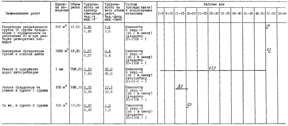
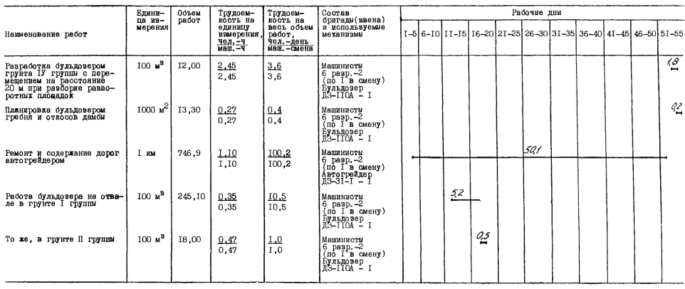
ПРОИЗВОДСТВА РАБОТ. ВАРИАНТ 1 (продолжение)

ГРАФИК
ПРОИЗВОДСТВА РАБОТ. ВАРИАНТ 1 (продолжение)

ГРАФИК
ПРОИЗВОДСТВА РАБОТ. ВАРИАНТ 1 (продолжение)

|
Наименование работ
|
Обоснование (ЕНиР и др.)
|
Единица измерения
|
Объем работ
|
Норма времени на единицу измерения,
чел.-ч
маш.-ч
|
Затраты труда на весь объем работ,
чел.-день
маш.-смена
|
Время пребывания машины на объекте,
маш.-смена
|
Расценка на единицу измерения,
руб.-коп.
|
Стоимость затрат на весь объем работ,
руб.-коп.
|
Стоимость затрат с учетом пребывания
машины на объекте, руб.-коп.
|
|
Разработка
бульдозером грунта III
группы (шлак) с перемещением на расстояние до 10 м при устройстве подсыпок
для проезда
|
ЕниР
§Е2-1-22, № 5в
|
100 м3
|
18,00
|
0,47
0,47
|
1,0
1,0
|
1,0
|
0-49,8
|
8-96
|
8-96
|
|
Разравнивание
бульдозером грунта III
группы (шлак) толщиной слоя до 0,6 м при устройстве подсыпок для проезда
|
ЕниР
§Е2-1-28, п. 3е
|
100 м3
|
18,00
|
0,43
0,43
|
0,9
0,9
|
0,9
|
0-45,6
|
8-21
|
8-21
|
|
Уплотнение
грунта III
группы (шлак) самоходным виброкатком ДУ-47Б при 5 проходах по одному следу
|
ЕниР
§Е17-7
|
100 м2
|
36,00
|
0,31
0,31
|
1,4
1,4
|
1,4
|
0-28,2
|
10-15
|
10-15
|
|
Разработка
мокрого грунта I
группы экскаватором ЭО-5111Б, оборудованным драглайном, с погрузкой на
автомобили-самосвалы при угле поворота стрелы более 135°
(устройство котлована под основание дамбы)
|
ЕниР
§Е2-1-10, № 5а, примеч. гл. 1, К = 1,1;
п. 3.4; К = 1,1; п. 8.9
|
100 м3
|
245,10
|
3,60
1,80
|
107,6
53,8
|
53,8
|
3-58
|
877-46
|
877-46
|
|
То
же, грунта III
группы (шлак) от разборки подсыпок для проезда
|
То же, № 5в
|
100 м3
|
18,00
|
4,80
2,40
|
10,6
5,3
|
5,3
|
4-76
|
85-68
|
85-68
|
|
Транспортирование
грунта автомобилями-самосвалами КамАЗ-5511 на расстояние 2 км в отвал
|
ЕНВ*
|
100 т
|
328,32
|
2,73
2,73
|
109,3
109,3
|
118,4
|
1-94
|
636-94
|
695-89
|
|
Разработка
разрыхленного грунта VI
группы в карьере экскаватором ЭО-4121Б, оборудованным прямой лопатой, с
погрузкой на автомобили-самосвалы (для возведения дамбы)
|
Т. 79**, в. 10
|
100 м3
|
556,00
|
2,90
2,90
|
196,6
196,6
|
196,6
|
3-07
|
1706-92
|
1706-92
|
|
Разработка разрыхленного грунта I группы (песчано-гравийная смесь) в карьере
экскаватором ЭО-4121Б, оборудованным прямой лопатой, с погрузкой на
автомобили-самосвалы (для устройства обратного фильтра)
|
Т. 79**, в.
10
|
100 м3
|
104,55
|
0,86
0,86
|
11,0
11,0
|
52,0
|
0-91,2
|
95-35
|
451-72
|
|
То же, грунта II
группы для устройства ядра из суглинка
|
Т. 79**, в.
10
|
100 м3
|
137,35
|
1,20
1,20
|
20,1
20,1
|
52,0
|
1-27
|
174-43
|
451-72
|
|
Транспортирование грунта
автомобилями-самосвалами КамАЗ-5511 на расстояние 2 км
|
ЕНВ*
|
100 т
|
1696,90
|
2,73
2,73
|
564,9
564,9
|
588,6
|
1-94
|
3291-99
|
3445-52
|
|
Разравнивание бульдозером грунта IV группы при возведении дамбы из разрыхленного
скального грунта
|
ЕниР
§Е2-1-24, № 2а
|
100 м3
|
452,00
|
1,70
1,70
|
93,7
93,7
|
125,2
|
1-80
|
813-60
|
1087-40
|
|
То же, грунта II
группы при устройстве обратного фильтра из песчано-гравийной смеси
|
ЕниР
§Е2-1-28, № 3ж
|
100 м3
|
102,00
|
0,21
0,21
|
2,6
2,6
|
2,6
|
0-22,3
|
22-75
|
22-75
|
|
То же, ядра из суглинка
|
То же
|
100 м3
|
134,00
|
0,21
0,21
|
3,4
3,4
|
3,4
|
0-22,3
|
29-88
|
29-88
|
|
Разравнивание щебня в обратном фильтре
автогрейдером ДЗ-31-1
|
ЕНиР
|
100 м2
|
51,60
|
0,08
|
0,5
|
0,5
0,5
|
0-08,5
|
4-39
|
4-39
|
|
Разработка грунта I группы экскаватором ЭО-412-1Б, оборудованным
грейфером, при подаче песчано-гравийной смеси в обратный фильтр
|
Данные
ЦНИИОМТП
|
100 м3
|
102,00
|
1,60
1,60
|
19,9
19,9
|
52,0
|
1-70
|
173-40
|
452-41
|
|
Увлажнение грунта поливочной машиной
ПМ-130Б при уплотнении грунта
|
ЕниР
§Е17-2,
ЕНВ*
|
100 м3
|
58,60
|
2,17
2,17
|
15,5
15,5
|
65,4
|
1-64
|
96-10
|
402-98
|
|
Уплотнение грунта при возведении дамбы
из разрыхленного скального грунта и устройстве ядра из суглинка прицепным
виброкатком А-12 слоями по 0,7 м при 4 проходах по одному следу
|
Данные
ЦНИИОМТП
|
100 м3
|
586,00
|
0,30
0,30
|
21,4
21,4
|
65,4
|
0-31,8
|
186-35
|
568-80
|
|
Водоотлив насосом КМ-80-50-200-СД при
разработке некачественных грунтов в основании дамбы и при возведении дамбы
|
Расчетные
данные
|
1 маш.-смена
|
68,00
|
-
|
66,0
66,0
|
66,0
|
6-48
|
427-68
|
427-68
|
|
Разработка разрыхленного грунта IV группы бульдозером ДЗ-110А с перемещением на
расстояние 20 м при разборке разворотных площадок
|
ЕниР
§Е2-1-24, №
2а,б
|
100 м3
|
12,00
|
2,45
2,45
|
3,6
3,6
|
3,6
|
1-59,5
|
19-14
|
19-14
|
|
Планировка гребня и откосов дамбы
бульдозером ДЗ-110А
|
ЕниР
§Е2-1-40, №
4а
|
1000 м2
|
13,30
|
0,27
0,27
|
0,4
0,4
|
0,4
|
0-28,6
|
3-80
|
3-80
|
|
Ремонт и содержание дорог автогрейдером
ДЗ-31-1
|
ЕниР
§Е17-20, п.
15
|
1 км
|
708,20
|
1,10
1,10
|
95,0
95,0
|
95,0
|
1-17
|
828-59
|
828-59
|
|
Работа бульдозера на отвале в грунте I группы
|
ЕниР
§Е2-1-22, №
5а
|
100 м3
|
245,10
|
0,35
0,35
|
10,5
10,5
|
10,5
|
0-37,1
|
90-93
|
90-93
|
|
То же, в грунте III группы
|
То же, № 5в
|
100 м3
|
18,00
|
0,47
0,47
|
1,0
1,0
|
1,0
|
0-49,8
|
8-96
|
8-96
|
|
Итого:
|
|
|
|
|
1356,9
1297,8
|
1571,0
|
|
9601-66
|
11689-89
|
*ЕНВ - Здесь и далее: «Единые нормы
времени на перевозку грузов автомобильным транспортом и сдельные расценки для
оплаты труда водителей».
Т.79** - Здесь и далее: сборник «Типовые
нормы и расценки...» Минтрансстроя СССР и «Земляные работы».

ГРАФИК
ПРОИЗВОДСТВА РАБОТ. ВАРИАНТ 2 (продолжение)

ГРАФИК
ПРОИЗВОДСТВА РАБОТ. ВАРИАНТ 2 (продолжение)

ГРАФИК
ПРОИЗВОДСТВА РАБОТ. ВАРИАНТ 2 (продолжение)

|
Наименование
работ
|
Обоснование
(ЕНиР и др.)
|
Единица
измерения
|
Объем работ
|
Норма времени
на единицу измерения,
чел.-ч
маш.-ч
|
Затраты
труда на весь объем работ,
чел.-день
маш.-смена
|
Время
пребывания машины на объекте, маш.-смена
|
Расценка на
единицу измерения, руб.-коп.
|
Стоимость
затрат на весь объем работ, руб.-коп.
|
Стоимость
затрат с учетом пребывания машины на объекте, руб.-коп.
|
|
Разработка бульдозером грунта III группы (шлак) с перемещением на расстояние до
10 м при устройстве подсыпок для проезда
|
ЕНиР
§Е2-1-22, № 5в
|
100 м3
|
18,00
|
0,47
0,47
|
1,0
1,0
|
1,0
|
0-49,8
|
8-96
|
8-96
|
|
Разравнивание бульдозером грунта III группы (шлак) толщиной слоя до 0,6 м при
устройстве подсыпок для проезда
|
ЕНиР
§Е2-1-28, №
3е
|
100 м3
|
18,00
|
0,43
0,43
|
0,9
0,9
|
0,9
|
0-45,6
|
8-21
|
8-21
|
|
Уплотнение грунта III группы (шлак) самоходным виброкатком ДУ-47Б
при 5 проходах по одному следу
|
ЕНиР
§Е17-7
|
100 м2
|
36,00
|
0,31
|
1,4
|
1,4
|
0-28,2
|
10-15
|
10-15
|
|
Разработка мокрого грунта I группы экскаватором ЭС-5111Б, оборудованным
драглайном, с погрузкой на автомобили-самосвалы при угле поворота стрелы 135° (устройство
котлована под основание дамбы)
|
ЕНиР
§Е2-1-10, №
5а, примеч. гл. 1, К=1,1; п. 3,4; К=1,1; п. 8,9
|
100 м3
|
245,10
|
3,60
1,80
|
107,6
53,8
|
53,8
|
3-58
|
877-46
|
877-46
|
|
То же, грунта III
группы (шлак) от разборки подсыпок для проезда
|
То же, № 5в
|
100 м3
|
18,00
|
4,80
2,40
|
10,6
5,3
|
5,3
|
4-76
|
85-68
|
85-68
|
|
Транспортирование грунта
автомобилями-самосвалами КамАЗ-5511 на расстояние 2 км
|
ЕНВ*
|
100 т
|
328,32
|
2,73
2,73
|
109,3
109,3
|
118,4
|
1-94
|
636-94
|
695-89
|
|
Разработка разрыхленного грунта VI группы в карьере экскаватором ЭО-4111В,
оборудованным прямой лопатой, с погрузкой на автомобили-самосвалы (для
возведения дамбы)
|
ЕНиР
§Е2-1-8
|
100 м3
|
556,00
|
5,20
5,20
|
352,6
352,6
|
352,6
|
5-51
|
3063-56
|
3063-56
|
|
Разработка
грунта I
группы (песчано-гравийная смесь) в карьере экскаватором ЭО-4111В,
оборудованным прямой лопатой, с погрузкой на автомобили-самосвалы для
устройства обратного фильтра
|
ЕНиР
§Е2-1-8, Т-3; № 4а
|
100 м3
|
104,55
|
1,70
1,70
|
21,7
21,7
|
52,0
|
180,2
|
188-40
|
451-77
|
|
То
же, грунта II
группы для устройства ядра из суглинка
|
То же, № 4б
|
100 м3
|
137,35
|
2,10
2,10
|
35,2
35,2
|
52,0
|
2-23
|
306-29
|
451-77
|
|
Транспортирование
грунта автомобилями-самосвалами КамАЗ-5511 на расстояние 2 км
|
ЕНВ*
|
100 т
|
1696,90
|
2,73
2,73
|
564,9
564,9
|
564,9
|
1-94
|
3291-99
|
3291-99
|
|
Разравнивание
бульдозером грунта IV
группы при возведении дамбы из разрыхленного скального грунта
|
ЕНиР
§Е2-1-24, № 2д
|
100 м3
|
452,00
|
1,70
1,70
|
93,7
93,7
|
135,6
|
1-80
|
813-60
|
1177-79
|
|
То
же, грунта II
группы при устройстве обратного фильтра из песчано-гравийной смеси
|
ЕНиР
§Е2-1-28, № 3ж
|
100 м3
|
102,00
|
0,21
0,21
|
2,6
2,6
|
2,6
|
0-22,3
|
22-75
|
22-75
|
|
То
же, ядра из суглинка
|
то же
|
100 м3
|
134,00
|
0,21
0,21
|
3,4
3,4
|
3,4
|
0-22,3
|
29-88
|
29-88
|
|
Разравнивание
щебня в обратном фильтре автогрейдером ДЗ-31-1
|
ЕНиР
§Е17-4, т-2; № 1а
|
100 м2
|
51,60
|
0,08
|
0,5
0,5
|
0,5
|
0-08,5
|
4-39
|
4-39
|
|
Разработка
грунта I
группы экскаватором ЭО-4121Б, оборудованным грейфером, при подаче
песчано-гравийной смеси в обратный фильтр
|
Данные ЦНИИОМТП
|
100 м3
|
102,00
|
1,60
1,60
|
19,9
19,9
|
52,0
|
1-70
|
173-40
|
451-72
|
|
Увлажнение грунта поливочной машиной
ПМ-130Б при уплотнении грунта
|
ЕниР
§Е17-2,
ЕНВ*
|
100 м3
|
58,60
|
2,17
2,17
|
15,5
15,5
|
70,6
|
1-64
|
96-10
|
434-96
|
|
Уплотнение грунта при возведении дамбы
из разрыхленного скального грунта и устройстве ядра из суглинка прицепным
виброкатком А-12 слоями по 0,7 м при 4 проходах по одному следу
|
Данные
ЦНИИОМТП
|
100 м3
|
586,00
|
0,30
0,30
|
21,4
21,4
|
70,6
|
0-31,8
|
186-35
|
614-00
|
|
Водоотлив насосом КМ-80-50-200-СД при
разработке некачественных грунтов в основании дамбы и возведении дамбы
|
Расчетные
данные
|
1 маш.-смена
|
66,0
|
-
|
66,0
66,0
|
66,0
|
6-48
|
427-68
|
427-68
|
|
Разработка бульдозером разрыхленного
грунта IV группы с перемещением на расстояние 20
м при разработке разворотных площадок
|
ЕНиР
§Е2-1-24, №
2а, б
|
100 м3
|
12,00
|
2,45
2,45
|
3,6
3,6
|
3,6
|
1-59,5
|
19-14
|
19-14
|
|
Планировка бульдозером гребня и откосов
дамбы
|
ЕНиР
§Е2-1-40, №
4а
|
100 м2
|
13,3
|
0,27
0,27
|
0,4
0,4
|
0,4
|
0-28,6
|
3-80
|
3-80
|
|
Ремонт и содержание дорог автогрейдером
ДЗ-31-1
|
ЕНиР
§Е17-20, п.
15
|
1 км
|
746,9
|
1,10
1,10
|
100,2
100,2
|
100,2
|
1-17
|
873-87
|
873-87
|
|
Работа бульдозера на отвале в грунте I группы
|
ЕНиР
§Е2-1-22, №
5а
|
100 м3
|
245,10
|
0,35
0,35
|
10,5
10,5
|
10,5
|
0-37,1
|
90-93
|
90-93
|
|
То же, в грунте III группы
|
То же, № 5а
|
100 м3
|
18,00
|
0,47
0,47
|
1,0
1,0
|
1,0
|
0-49,8
|
8-96
|
8-96
|
|
Итого:
|
|
|
|
|
1537,9
1478,8
|
1719,3
|
|
11228-49
|
13105-31
|

ГРАФИК
ПРОИЗВОДСТВА РАБОТ. ВАРИАНТ 3 (продолжение)

ГРАФИК
ПРОИЗВОДСТВА РАБОТ. ВАРИАНТ 3 (продолжение)

ГРАФИК
ПРОИЗВОДСТВА РАБОТ. ВАРИАНТ 3 (продолжение)

|
Наименование
работ
|
Обоснование
(ЕНиР и др.)
|
Единица
измерения
|
Объем работ
|
Норма
времени на единицу измерения,
чел.-ч
маш.-ч
|
Затраты
труда на весь объем работ,
чел.-день
маш.-смена
|
Время
пребывания машины на объекте, маш.-смена
|
Расценка на
единицу измерения, руб.-коп.
|
Стоимость
затрат на весь объем работ, руб.-коп.
|
Стоимость
затрат с учетом пребывания машины на объекте, руб.-коп.
|
|
Разработка бульдозером грунта III группы (шлак) с перемещением на расстояние до
10 м при устройстве подсыпок для проезда
|
ЕНиР
§Е2-1-22, №
5в
|
100 м3
|
18,00
|
0,47
0,47
|
1,0
1,0
|
1,0
|
0-49,8
|
8-96
|
8-96
|
|
Разравнивание бульдозером грунта III группы (шлак) толщиной слоя до 0,6 м при
устройстве подсыпок для проезда
|
ЕНиР §Е2-1-28
|
100 м3
|
18,00
|
0,43
0,43
|
0,9
0,9
|
0,9
|
0-45,6
|
8-21
|
8-21
|
|
Уплотнение грунта III группы (шлак) самоходным виброкатком ДУ-47Б
при 5 проходах по одному следу
|
ЕНиР
§Е17-7
|
100 м2
|
36,00
|
0,31
0,31
|
1,4
1,4
|
1,4
|
0-28,2
|
10-15
|
10-15
|
|
Разработка мокрого грунта I группы экскаватором ЭО-5111Б, оборудованным
драглайном, с погрузкой на автомобили-самосвалы при угле поворота стрелы
более 135° (устройство
котлована под основание дамбы)
|
ЕНиР
§Е2-1-10, №
5а, К = 1,1; п. 3,4; К = 1,1; п. 8,9
|
100 м3
|
245,10
|
3,60
1,80
|
107,6
53,8
|
53,8
|
3-58
|
877-46
|
877-46
|
|
То же, грунта III
группы (шлак) от разборки подсыпок для проезда
|
То же, № 5а
|
100 м3
|
18,00
|
4,80
2,40
|
10,6
5,3
|
5,3
|
4-76
|
85-68
|
85-68
|
|
Транспортирование грунта
автомобилями-самосвалами КамАЗ-5511 на расстояние 2 км
|
ЕНВ*
|
100 т
|
328,32
|
2,73
2,73
|
109,3
109,3
|
118,4
|
1-94
|
636-94
|
695-89
|
|
Разработка разрыхленного грунта VI группы в карьере экскаватором ЭО-5122А,
оборудованным прямой лопатой, с погрузкой на автомобили-самосвалы (для
возведения дамбы)
|
ЕНиР §Е2-1-8,
№ 3е
|
100 м3
|
556,00
|
3,60
1,80
|
244,0
122,0
|
122,0
|
3-55
|
1973-80
|
1973-80
|
|
Разработка грунта I группы (песчано-гравийная смесь) экскаватором
ЭО-5122А, оборудованным прямой лопатой, с погрузкой на автомобили-самосвалы (для
устройства обратного фильтра)
|
ЕНиР
§Е2-1-8, т-7,
№ 3а
|
100 м3
|
104,55
|
1,20
0,60
|
15,2
7,6
|
50,0
|
1-15
|
120-23
|
805-16
|
|
То же, грунта II
группы для устройства экрана из суглинка
|
То же, № 3б
|
100 м3
|
137,35
|
1,50
0,75
|
25,2
12,6
|
50,0
|
1-48
|
203-28
|
807-44
|
|
Транспортирование грунта
автомобилями-самосвалами КамАЗ-5511 на расстояние 2 км
|
ЕНВ*
|
100 т
|
1696,90
|
2,15
2,15
|
444,9
444,9
|
488,0
|
1-82
|
3088-36
|
3367-56
|
|
Разравнивание бульдозером грунта IV группы при возведении дамбы из разрыхленного
скального грунта
|
ЕНиР
§Е2-1-24, №
2а
|
100 м3
|
452,0
|
1,70
1,70
|
93,7
93,7
|
116,4
|
1-80
|
813-60
|
1010-91
|
|
То же, грунта II
группы при устройстве обратного фильтра из песчано-гравийной смеси
|
ЕНиР
§Е2-1-28, №
3ж
|
100 м3
|
102,00
|
0,21
0,21
|
2,6
2,6
|
2,6
|
0-22,3
|
22-75
|
22-75
|
|
То же, ядра из суглинка
|
То же
|
100 м3
|
134,00
|
0,21
0,21
|
3,4
3,4
|
3,4
|
0-22,3
|
29-88
|
29-88
|
|
Разравнивание щебня в обратном фильтре
автогрейдером ДЗ-31-1
|
ЕНиР
§Е17-4, т-2;
№ 1а
|
100 м2
|
51,60
|
0,08
0,08
|
0,5
0,5
|
0,5
|
0-08,5
|
4-39
|
4-39
|
|
Разработка грунта I группы экскаватором ЭО-4121Б, оборудованным
грейфером, при подаче песчано-гравийной смеси в обратный фильтр
|
Данные
ЦНИИОМТП
|
100 м3
|
102,00
|
1,60
1,60
|
19,9
19,9
|
50,0
|
1-70
|
173-40
|
435-03
|
|
Увлажнение грунта поливочной машиной
ПМ-130Б при уплотнении грунта
|
ЕНиР
§Е17-1,
ЕНВ*
|
100 м3
|
58,60
|
2,17
2,17
|
15,5
15,5
|
61,0
|
1-64
|
96-10
|
375-92
|
|
Уплотнение грунта при возведении дамбы
из разрыхленного скального грунта и устройстве ядра из суглинка прицепным
виброкатком А-12 слоями по 0,7 м при 4 проходах по одному следу
|
Данные
ЦНИИОМТП
|
100 м3
|
586,00
|
0,30
0,30
|
21,4
21,4
|
61,0
|
0-81,8
|
196-35
|
530-55
|
|
Водоотлив насосом КМ-80-50-200-СД при
разработке некачественных грунтов в основании дамбы и при возведении дамбы
|
Расчетные
данные
|
1 маш.-смена
|
66,00
|
-
|
66,00
66,00
|
66,0
|
6-48
|
427-68
|
427-68
|
|
Разработка бульдозером разрыхленного
грунта IV группы с перемещением на расстояние 20
м при разборке разворотных площадок
|
ЕНиР
§Е2-1-24, №
2а,б
|
100 м3
|
12,00
|
2,45
2,45
|
3,6
3,6
|
3,6
|
1-59,5
|
19-14
|
19-14
|
|
Планировка бульдозером гребня и откосов
дамбы
|
ЕНиР
§Е2-1-40, № 4а
|
100 м2
|
13,30
|
0,27
0,27
|
0,4
0,4
|
0,4
|
0-28,6
|
3-80
|
3-80
|
|
Ремонт и содержание дорог автогрейдером
|
ЕНиР
§Е17-20, п. 15
|
1 км
|
675,4
|
1,10
1,10
|
90,6
90,6
|
90,6
|
1-17
|
790-22
|
790-22
|
|
Работа бульдозера на отвале в грунте I группы
|
ЕНиР
§Е2-1-22, №
5а
|
100 м3
|
245,10
|
0,35
0,35
|
10,5
10,5
|
10,5
|
0-37,1
|
90-93
|
90-93
|
|
То же, в грунте III группы
|
То же, № 5в
|
100 м3
|
18,00
|
0,47
0,47
|
1,0
1,0
|
1,0
|
0-49,8
|
8-96
|
8-96
|
|
Итого:
|
|
|
|
|
1289,2
1087,9
|
1357,8
|
|
9680-27
|
12390-47
|

ГРАФИК
ПРОИЗВОДСТВА РАБОТ. ВАРИАНТ 4 (продолжение)

ГРАФИК
ПРОИЗВОДСТВА РАБОТ. ВАРИАНТ 4 (продолжение)

ГРАФИК ПРОИЗВОДСТВА
РАБОТ. ВАРИАНТ 4 (продолжение)

КАЛЬКУЛЯЦИЯ ЗАТРАТ
ТРУДА. ВАРИАНТ 4
|
Наименование
работ
|
Обоснование
(ЕНиР и др.)
|
Единица
измерения
|
Объем
работ
|
Норма
времени на единицу измерения,
чел.-ч
маш.-ч
|
Затраты
труда на весь объем работ,
чел.-день
маш.-смена
|
Время
пребывания машины на объекте, маш.-смена
|
Расценка
на единицу измерения, руб.-коп.
|
Стоимость
затрат на весь объем работ, руб.-коп.
|
Стоимость
затрат с учетом пребывания машины на объекте, руб.-коп.
|
|
Разработка
бульдозером грунта III группы
(шлак) с перемещением на расстояние до 10 м при устройстве подсыпок для
проезда
|
ЕниР
§Е2-1-22,
№ 5в
|
100 м3
|
18,00
|
0,47
0,47
|
10
1,0
|
1,0
|
0-49,8
|
8-96
|
8-96
|
|
Разравнивание
бульдозером грунта III группы
(шлак) толщиной слоя до 0,6 м при устройстве подсыпок для проезда
|
ЕниР
§Е2-1-28,
№ 3ж
|
100 м3
|
18,00
|
0,43
0,43
|
0,9
0,9
|
0,9
|
0-45,6
|
8-21
|
8-21
|
|
Уплотнение
грунта III группы (шлак) самоходным виброкатком
ДУ-47Б при 5 проходах по одному следу
|
ЕниР
§Е17-7
|
100 м2
|
36,00
|
0,31
0,31
|
1,4
1,4
|
1,4
|
0-28,2
|
10-15
|
10-15
|
|
Разработка
мокрого грунта I группы
экскаватором ЭО-5111Б, оборудованным драглайном, с погрузкой на
автомобили-самосвалы при угле поворота стрелы более 135° (устройство
котлована под основание дамбы)
|
ЕниР
§Е2-1-10,
№ 5а,
примеч. гл.
1:
К = 1,1; п.
3,4;
К = 1,1; п.
8.9
|
100 м3
|
245,10
|
3,60
1,80
|
107,6
53,8
|
53,8
|
3-58
|
877-46
|
877-46
|
|
То же, грунта
III группы (шлак) от разборки подсыпок для
проезда
|
То же, № 5в
|
100 м3
|
18,00
|
4,80
2,40
|
10,6
5,3
|
5,3
|
4-76
|
85-68
|
85-68
|
|
Транспортирование
грунта автомобилями-самосвалами на расстояние 2 км в отвал
|
ЕНВ*
|
100 т
|
328,32
|
2,73
2,73
|
109,3
109,3
|
118,4
|
1-94
|
636-94
|
695-89
|
|
Разработка
разрыхленного грунта VI группы в
карьере экскаватором ЭО-5111Б, оборудованным прямой лопатой, с погрузкой на
автомобили-самосвалы (для возведения дамбы)
|
ЕниР
§Е2-1-8,
т-3,
№ 6е
|
100 м3
|
556,00
|
6,20
3,10
|
420,4
210,2
|
210,2
|
6-11
|
3397-16
|
3397-16
|
|
Наименование
работ
|
Обоснование
(ЕНиР и др.)
|
Единица
измерения
|
Объем работ
|
Норма
времени на единицу измерения,
чел.-ч
маш.-ч
|
Затраты
труда на весь объем работ,
чел.-день
маш.-смена
|
Время
пребывания машины на объекте, маш.-смена
|
Расценка на
единицу измерения, руб.-коп.
|
Стоимость
затрат на весь объем работ, руб.-коп.
|
Стоимость
затрат с учетом пребывания машины на объекте, руб.-коп.
|
|
Разработка грунта I группы (песчано-гравийная смесь) в карьере
для устройства обратного фильтра экскаватором ЭО-5111Б, оборудованным прямой
лопатой, с погрузкой в автомобили-самосвалы
|
ЕНиР §Е2-1-8,
т-3, № 6а
|
100 м3
|
104,55
|
2,00
1,00
|
25,4
12,7
|
52,0
|
1-97
|
205-96
|
547-56
|
|
То же, грунта II
группы для устройства экрана из суглинка
|
То же, № 6б
|
100 м3
|
137,35
|
2,60
1,30
|
43,6
21,8
|
52,0
|
2-56
|
351-62
|
547-56
|
|
Транспортирование грунта
автомобилями-самосвалами КамАЗ-5511 на расстояние 2 км
|
ЕНВ*
|
100 т
|
1696,90
|
2,73
2,73
|
564,9
564,9
|
564,9
|
1-94
|
3291-99
|
3291-99
|
|
Разравнивание бульдозером грунта IV группы при возведении дамбы из разрыхленного
скального грунта
|
ЕНиР
§Е2-1-24, №
2а
|
100 м3
|
452,00
|
1,70
1,70
|
93,7
93,7
|
134,4
|
1-80
|
813-60
|
1167-36
|
|
То же, грунта II
группы при устройстве обратного фильтра из песчано-гравийной смеси
|
ЕНиР
§Е2-1-28, №
3ж
|
100 м3
|
102,00
|
0,21
0,21
|
2,6
2,6
|
2,6
|
0-22,3
|
22-75
|
22-75
|
|
То же, ядра из суглинка
|
То же
|
100 м3
|
134,00
|
0,21
0,21
|
3,4
3,4
|
3,4
|
0-22,3
|
29-88
|
29-88
|
|
Разравнивание щебня в обратном фильтре
автогрейдером ДЗ-31-1
|
ЕНиР
§Е17-4, т-2,
№ 1а
|
100 м2
|
51,60
|
0,08
|
0,5
0,5
|
0,5
|
0-08,5
|
4-39
|
4-39
|
|
Разработка грунта I группы экскаватором ЭО-4121Б, оборудованным
грейфером, при подаче песчано-гравийной смеси в обратный фильтр
|
Данные
ЦНИИОМТП
|
100 м3
|
102,00
|
1,60
1,60
|
19,9
19,9
|
52,0
|
1-70
|
173-40
|
452-41
|
|
Увлажнение грунта поливочной машиной
ПМ-130Б при уплотнении грунта
|
ЕНиР
§Е17-2,
ЕНВ*
|
100 м3
|
58,60
|
2,17
2,17
|
15,5
15,5
|
70,0
|
1-64
|
96-10
|
431-27
|
|
Уплотнение грунта (при возведении дамбы
из разрыхленного скального грунта и устройстве ядра из суглинка) прицепным
виброкатком А-12 слоями по 0,7 м при 4 проходах по одному следу
|
Данные ЦНИИОМТП
|
100 м3
|
586,00
|
0,30
0,30
|
21,4
21,4
|
70,0
|
0-31,8
|
186-35
|
608-78
|
|
Водоотлив насосом КМ-80-50-200-СД при
разработке некачественных грунтов в основании дамбы и при возведении дамбы
|
Расчетные
данные
|
1 маш.-смена
|
66,00
|
-
|
66,0
66,0
|
66,0
|
6-48
|
427-68
|
427-68
|
|
Разработка бульдозером грунта IV группы с перемещением на расстояние 20 м при
разборке разворотных площадок
|
ЕНиР
§Е2-1-24, № 2а,б
|
100 м3
|
12,00
|
2,45
2,45
|
3,6
3,6
|
3,6
|
1-59,5
|
19-14
|
19-14
|
|
Планировка бульдозером гребня и откосов
дамбы
|
ЕНиР
§Е2-1-40, №
4а
|
100 м2
|
13,30
|
0,27
0,27
|
0,4
0,4
|
0,4
|
0-28,6
|
3-80
|
3-80
|
|
Ремонт и содержание дорог автогрейдером
ДЗ-31-1
|
ЕНиР
§Е17-20, п.
15
|
1 км
|
742,5
|
1,10
1,10
|
99,6
99,6
|
99,6
|
1-17
|
868-72
|
868-72
|
|
Работа бульдозера ДЗ-110А на отвале в
грунте I группы
|
ЕНиР
§Е2-1-22, №
5а
|
100 м3
|
245,10
|
0,35
0,35
|
10,5
10,5
|
10,5
|
0-37,1
|
90-93
|
90-93
|
|
То же, в грунте III группы
|
То же, № 5в
|
100 м3
|
18,00
|
0,47
0,47
|
1,0
1,0
|
1,0
|
0-49,8
|
8-96
|
8-96
|
|
ИТОГО:
|
|
|
|
|
1623,2
1319,4
|
1573,9
|
|
11619-83
|
13606-70
|
|
|