|
|
|
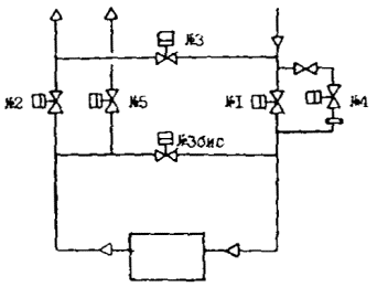
МИНИСТЕРСТВО ГАЗОВОЙ ПРОМЫШЛЕННОСТИ ОБЩЕСОЮЗНЫЕ НОРМЫ Часть 1. ГАЗОПРОВОДЫ ОНТП 51-1-85 МИНГАЗПРОМ Утверждены приказом Мингазпрома
СССР Москва 1986 Настоящие «Общесоюзные нормы технологического проектирования. Магистральные трубопроводы. Часть 1. Газопроводы» разработаны институтами: «ВНИПИтрансгаз» (разделы 1 - 11), «ВНИИгаз» (разделы 4, 12) и «ЮжНИИгипрогаз» (раздел 4). В работе принимали участие: Техническое управление, управление проектно-изыскательских работ, управление по транспортировке и поставкам газа, управление экспертизы проектов и смет, институт «Гипроспецгаз» Мингазпрома и Главгосгазнадзор СССР. Редакторы: инженеры А. Н. Антонов, Н. А. Ишутин, Н. В. Щуран, И. А. Анфиногенова, Н. Е. Розен, В. С. Погорелый, П. С. Кардаш, Э. Р. Резник, Н. С. Райхинштейн, К. А. Кузьменко, М. Т. Кривохижа (ВНИПИтрансгаз), В. И. Елистратов ЮжНИИгипрогаз), д. т. н. З. Т. Галиуллин, д. т. н. Г. Э. Одишария, к. т. н. С. Н. Синицын, к. т. н. Е. В. Леонтьев, к. т. н. В. А. Щуровский, д. т. н. Б. Л. Кривошеин, к. т. н. И. А. Исмаилов, к. т. н. А. П. Подкопаев, к. т. н. Б. М. Смерека (ВНИИгаз), к. т. н. А. Д. Седых, В. Д. Батозский, М. С. Федоров (Мингазпром).
1. Общие положения1.1. Настоящие нормы технологического проектирования устанавливают требования к проектированию технологических объектов, входящих в состав магистральных газопроводов, обязательные для всех министерств и ведомств, а также организаций, осуществляющих проектирование этих объектов. 1.2. Настоящие нормы должны соблюдаться при проектировании новых, расширяемых и реконструируемых предприятий, зданий и сооружений магистральных газопроводов, по которым транспортируется природный или попутный нефтяной газ с избыточным давлением от 1,18 МПа (12 кгс/см2) до 9,81 МПа (100 кгс/см2) включительно (при одиночной прокладке и прокладке в техническом коридоре). При проектировании расширения или реконструкции действующих предприятий требования настоящих норм распространяются только на расширяемую или реконструируемую часть. 1.3. Требования настоящих норм не распространяются на проектирование предприятий хранения и транспорта сжиженных газов, предприятий по добыче и хранению природного газа (головные сооружения, установки комплексной и предварительной подготовки газа, дожимные компрессорные станции), магистральные газопроводы, по которым транспортируется агрессивный к металлам газ (содержащий сероводород или пылевидные частицы серы).
1.4. Основные параметры (потоки по годам, диаметр и давление) проектируемых магистральных газопроводов устанавливаются генеральной схемой развития Единой системы газоснабжения (ЕСГ) и уточняются при конкретном проектировании. 1.5. В состав магистрального газопровода входят: линейные сооружения; компрессорные станции; газораспределительные станции; пункты измерения расхода газа; станции охлаждения газа (при необходимости). 1.6. При проектировании объектов магистральных газопроводов, кроме настоящих норм следует руководствоваться действующими нормативными документами строительного проектирования, санитарными нормами проектирования промышленных предприятий, а также другими нормативными документами, утвержденными или согласованными Госстроем СССР или утвержденными в установленном порядке Мингазпромом. 1.7. Магистральные газопроводы проектируются для транспорта природного газа или попутного нефтяного газа, удовлетворяющего требованиям ОСТ 51.40.83. 1.8. Параметры попутного нефтяного газа, транспортируемого по магистральным газопроводам, следует принимать с учетом предотвращения выпадения конденсата в газопроводе. 1.9. Предельно допустимый суммарный объем транспортируемого газа в пределах одного технического коридора и расстояние между этими коридорами устанавливаются согласно СНиП II-10-74. 1.10. Объекты магистральных газопроводов следует проектировать, как правило, в блочно-комплектном исполнении. 1.11. Здания следует предусматривать для технологического оборудования, размещение которого на открытых площадках не допускается. Технологическое оборудование, подлежащее установке на открытых площадках, определяется «Перечнем технологического оборудования, применяемого на предприятиях Министерства газовой промышленности, подлежащего установке на открытых площадках», согласованным Госстроем СССР. 1.12. При выборе оборудования, арматуры и приборов для магистральных газопроводов следует соблюдать требования ГОСТ 15150-69*. 1.13. Проектирование специализированных ремонтных предприятий для выполнения планово-предупредительных ремонтов магистральных газопроводов осуществляется на основании соответствующих правил, положений и норм. 1.14. Выбор и расчет предохранительных клапанов следует осуществлять согласно «Правилам устройства и безопасной эксплуатации сосудов, работающих под давлением», стандарту предприятия «Предохранительные устройства (клапаны и мембраны)» и требованиям настоящих норм. 1.15. Расчет и выбор стальных труб и соединительных деталей для технологических трубопроводов газа и жидких углеводородов следует выполнять в соответствии с требованиями СНиП 2.05.06-85 и «Инструкции по применению стальных труб в газовой и нефтяной промышленности». 1.16. Расчет и выбор стальных труб и соединительных деталей для технологических трубопроводов масла, воды, воздуха, антифриза и др., следует выполнять в соответствии с требованиями «Указаний по расчету стальных трубопроводов различного назначения» и СН 527-80. 1.17. Перечень действующих СНиП и нормативных документов, которые следует использовать при проектировании магистральных газопроводов, приведен в приложении № 5. 1.18. Перечень употребляемых в нормах сокращений и их расшифровка приведены в приложении № 6. 2. ЛИНЕЙНЫЕ СООРУЖЕНИЯОбщие требования2.1. В состав линейных сооружений магистрального газопровода входят: - газопровод с отводами и лупингами; - переходы через естественные и искусственные препятствия; - перемычки; - узлы редуцирования; - узлы очистки газопровода; - узлы сбора продуктов очистки полости газопровода; - узлы подключения компрессорных станций; - запорная арматура; - система электроснабжения линейных потребителей; - устройства контроля и автоматики; - система телемеханизации; - система оперативно-технологической связи; - система электрохимической защиты; - здания и сооружения для обслуживания линейной части (дороги, вертолетные площадки, дома линейных обходчиков и т.п.). 2.2. Расстояние между трубами многониточных газопроводов регламентируется требованиями главы СНиП 2.05.06-85. 2.3. Для обеспечения максимальных значений коэффициента гидравлической эффективности следует предусматривать периодическую очистку полости газопровода, как правило, без прекращения подачи газа. 2.4. Для сокращения времени ремонтно-восстановительных работ следует предусматривать аварийный запас оборудования, труб и материалов, приведенный в разделе 8. 2.5. Для обслуживания газопровода в проекте следует предусматривать сооружения для обеспечения проезда вдоль трассы и подъезда к ней (мосты, водопропускные трубы, насыпи и т.д.). Необходимость устройства площадок для посадки вертолетов у линейных кранов обосновывается проектом. В труднодоступных районах, определяемых гидрогеологическими условиями, при прокладке в одном техническом коридоре двух и более магистральных газопроводов в проекте следует предусматривать вдольтрассовую дорогу круглогодичного действия или вертолетно-самолетное обслуживание (со строительством аэродромов). Необходимость сооружения дорог и строительства аэродромов (или вертолетных площадок) следует обосновывать в проекте. 2.6. Для предотвращения гидратообразования в начальный период эксплуатации при бескомпрессорной подаче газа следует предусматривать устройства для заливки метанола в газопровод на выходе из каждой компрессорной станции (у узла очистки газопровода) и у линейного крана или перемычки посреди участка между компрессорными станциями. 2.7. Склады метанола следует располагать на площадках компрессорных станций. Количество складов на газопроводе определяется проектом в зависимости от местных условий. Требования к проектированию складов метанола представлены в разделе 3 настоящих норм. 2.8. Требования по устройствам контроля и автоматизации приведены в разделе 3, по системе диспетчерской связи - в разделе 6 и по системе электрохимической защиты - в разделе 7 настоящих норм. 2.9. Узлы линейной запорной арматуры, установки катодной защиты, усилительные пункты кабельной или радиорелейной линии технологической связи, а также контролируемые пункты телемеханики, следует предусматривать, как правило, совмещенными. 2.10. Для опорожнения участков газопроводов при ремонтах и авариях линейных сооружений на обоих концах участков между запорной арматурой следует предусматривать установку продувочных свечей. Свечи двух смежных участков следует объединять. 2.11. Время опорожнения участка газопровода должно соответствовать требованиям главы СНиП 2.05.06-85. Время опорожнения участка газопровода (t) при отношении площади рабочего сечения крана на свече к площади сечения продувочной свечи (m) равном 1, определяется по номограмме (рис. 1). При других значениях вышеуказанного отношения пересчет времени опорожнения следует производить по формуле:
где t - время, определенное по номограмме для m = 1; t′ - время опорожнения участка газопровода при m = 1. 2.12. Расстояние между домами обходчиков следует принимать в соответствии с действующими «Нормами обслуживания и нормативами численности для линейных обходчиков, осуществляющих обслуживание и охрану линейной части газо- и продуктопроводов». 2.13. На участках газопроводов в границах между охранными кранами компрессорной станции и участках на расстоянии 500 м до охранного крана на входе и после охранного крана на выходе компрессорной станции следует предусматривать только гидравлическое испытание на прочность и проверку на герметичность. Р - рабочее давление в газопроводе, МПа Dвн - диаметр газопровода, мм dвн - диаметр продувочной свечи, мм L - длина участка между кранами, км n - количество свечей на опорожняемом участке, шт. t - время опорожнения, мин. Рис. 1 Переходы2.14. Диаметр рабочих ниток перехода, как правило, следует принимать одинаковым с диаметром магистрального газопровода. 2.15. Необходимость строительства резервных ниток на подводных переходах определяется требованиями главы СНиП 2.05.06-85. 2.16. Для однониточного газопровода количество и диаметр резервных ниток подводных переходов следует принимать из условия обеспечения проектной пропускной способности газопровода. 2.17. Количество и диаметр резервных ниток подводных переходов двух и более газопроводов, проходящих в одном техническом коридоре и работающих с одинаковым давлением, следует определять в проекте. Допускается предусматривать одну общую резервную нитку для газопроводов, проходящих в одном техническом коридоре и работающих с одинаковым рабочим давлением, при соответствующем обосновании в проекте. Общую резервную нитку следует предусматривать автономным подключением к каждому газопроводу. 2.18. Надземные переходы (висячие, балочные, арочные, шпренгельные и др.) следует проектировать с учетом пропуска по ним очистных устройств и полного заполнения сечения трубопровода водой. Перемычки2.19. При параллельной прокладке двух и более магистральных газопроводов следует предусматривать: для газопроводов с одинаковым давлением - перемычки с запорной арматурой; для газопроводов с различным давлением - перемычки с узлами редуцирования и предохранительными устройствами; для пунктов замера, размещаемых до или после КС - перемычку с запорной арматурой до охранного крана «А» или после охранного крана «Б» соответственно. 2.20. Перемычки следует размещать на расстоянии не менее 40 км и не более 60 км друг от друга у линейных кранов (до и после кранов), а также до и после компрессорных станций, между охранными кранами. 2.21. Перемычки на участках газопроводов, прокладываемых в макроклиматическом районе с холодным климатом, а также в труднодоступных местах, следует предусматривать у каждого линейного крана. 2.22. Минимально допустимое отношение внутреннего диаметра перемычки к внутреннему диаметру наименьшей из параллельных ниток соединяемых магистральных газопроводов следует принимать равным не менее 0,7. Узлы редуцирования газа2.23. Узлы редуцирования газа подразделяются на узлы постоянного и периодического действия. 2.24. Узлы редуцирования газа постоянного действия предназначены для непрерывного снижения и регулирования давления газа. Узлы редуцирования газа постоянного действия могут устанавливаться в местах подачи газа потребителям. 2.25. В составе узлов редуцирования газа постоянного действия следует предусматривать: узел измерения расхода газа (при необходимости); регулирующие нитки (рабочую и резервную); линию связи и телемеханики; электроснабжение. 2.26. На каждой регулирующей нитке следует предусматривать: кран с пневмоприводом с местным и телеуправлением; регулятор давления газа с узлом управления; предохранительный клапан. 2.27. Для защиты газопровода после узла редуцирования газа постоянного действия от превышения и понижения давления газа следует предусматривать переключение рабочей нитки узла на резервную. Допускается осуществлять защиту газопровода дополнительно устанавливаемым контрольным регулятором на каждой регулирующей нитке в соответствии с требованиями раздела 5 настоящих норм. 2.28. Узлы редуцирования газа периодического действия предназначены для передачи газа между газопроводами с различным рабочим давлением по перемычкам у линейных кранов при аварийных ситуациях. 2.29. В составе узлов редуцирования газа периодического действия следует предусматривать: трубопровод с регулятором давления газа и узлом управления (одна рабочая нитка); линию связи и телемеханики; электроснабжение. 2.30. На трубопроводе с краном-регулятором следует устанавливать (по ходу газа): кран с пневмоприводом; регулятор давления газа; предохранительный клапан; кран с пневмоприводом. 2.31. Диаметр регуляторов давления газа следует принимать, как правило, равным диаметру газопровода-отвода. 2.32. Вместо регуляторов давления газа для узлов редуцирования периодического действия допускается предусматривать ручной дросселирующий кран или аналогичное устройство. 2.33. Краны на входе и выходе узлов редуцирования газа периодического действия следует предусматривать с пневмоприводами с автоматической системой защиты от превышения давления. Перед краном на выходе узла редуцирования следует устанавливать манометр и предохранительный клапан. 2.34. Узлы редуцирования газа следует размещать непосредственно на газопроводе или на перемычке между газопроводами. Расстояние от проектируемого узла редуцирования до действующих газопроводов II, III и IV категорий должно быть не менее 50 м. 2.35. Узлы редуцирования газа в пределах ограждаемой площадки следует принимать категории В по входному давлению. 2.36. Узлы редуцирования газа следует проектировать для работы с периодическим обслуживанием. 2.37. Узлы редуцирования газа следует оснащать редуцирующими устройствами с местным и дистанционным управлением задатчиком давления. Запорные краны должны иметь местное и дистанционное управление из районного диспетчерского пункта по каналам телемеханики. По системе телемеханики диспетчеру должны передаваться: сигнализация положения запорных кранов; значения давления до и после узла редуцирования; значение расхода газа через узел (при необходимости измерения расхода). Узел измерения расхода газа следует размещать до регулирующего органа. 2.38. Размещение оборудования узлов редуцирования приведено в разделе 5 настоящих норм. Узлы очистки газопровода2.39. Узлы очистки газопровода предназначены для удаления продуктов очистки полости участка газопровода, как правило, без прекращения транспортировки газа. 2.40. Узлы очистки газопровода, в зависимости от взаимного расположения компрессорных станций и переходов через естественные и искусственные препятствия, а также соотношения диаметров газопровода и рабочей нитки перехода могут обеспечивать: прием и запуск очистных устройств; только прием очистных устройств; только запуск очистных устройств; транзитный пропуск очистных устройств. 2.41. В состав узлов очистки газопровода входят: камеры приема и запуска очистных устройств; трубопроводы, арматура и продувочные свечи; узел сбора и отвода продуктов очистки; механизмы для извлечения, перемещения и запасовки очистных устройств; сигнализаторы прохождения очистных устройств; местный щит управления узлом очистки; стабилизирующее устройство для защиты от возможных продольных перемещений газопровода от действия перепада температур и внутреннего давления. 2.42. Узлы очистки газопровода следует совмещать с узлами подключения компрессорных станций. 2.43. На переходах через естественные и искусственные препятствия при разном диаметре рабочей нитки перехода и газопровода следует предусматривать перед переходом - узел приема очистных устройств и после перехода - узел запуска. Примечание. При длине перехода более 15 км следует предусматривать очистку всех ниток перехода. 2.44. При характеристике очистных устройств, допускающей транзитный пропуск их, минуя одну или две компрессорные станции, у этих компрессорных станций следует устанавливать вместо узлов приема и запуска узлы транзитного пропуска очистных устройств. 2.45. Для контроля положения очистных устройств в газопроводе следует предусматривать установку сигнализаторов (датчиков) за 1000 м до и после узла приема и запуска очистных устройств. Сигналы от датчиков следует выводить на щит управления узлом очистки, устанавливаемый по месту, а также на диспетчерский пункт компрессорной станции. 2.46. На узлах очистки с камерами приема и устройствами транзитного пропуска очистных устройств следует предусматривать узлы сбора продуктов очистки полости газопровода. 2.47. Для аварийного сброса продуктов очистки газопровода допускается предусматривать амбары при условии согласования с органами государственного надзора. Узлы сбора продуктов очистки газопровода2.48. Для удаления продуктов очистки газопровода следует предусматривать подземный коллектор-сборник, изготавливаемый из таких же труб, как и газопровод на участках I категории. 2.49. Объем коллектора-сборника следует принимать по расчету в зависимости от загрязненности газа и устанавливаемого цикла очистки, но не более: 300 м3 - для газопровода Ду 1000, Ду 1200 мм; 500 м3 - для газопровода Ду 1400 мм. 2.50. В коллекторе-сборнике следует предусматривать возможность: выветривания газа; передавливания жидкости в автоцистерны для вывоза на утилизацию или сжигание; передавливания шлама в амбары или автоцистерны на вывоз и последующее обезвреживание; очистки нижней части коллектора-сборника; отбора проб для определения состава продуктов очистки; контроля уровня заполнения. 2.51. Коллекторы-сборники для сбора продуктов очистки полости газопровода следует размещать на расстоянии не менее 15 м от газопровода и от узла очистки. 2.52. Свечу для сброса газа из коллектора-сборника следует размещать на расстоянии не менее 60 м от узла очистки. 2.53. На узлах очистки газопровода, совмещенных с узлами подключения компрессорной станции, следует предусматривать освещение, телефонную связь, пешеходные дорожки до компрессорной станции, а также подъездную дорогу 5-й категории. Запорная арматура2.54. Запорную арматуру следует размещать на газопроводе в соответствии с требованиями главы СНиП 2.05.06-85. 2.55. На запорной арматуре, установленной на газопроводе: линейной, на перемычках, на подключениях магистральных газопроводов и отводов, на нитках многониточных переходов - следует, как правило, предусматривать автоматы аварийного закрытия кранов. Примечания. 1. Не допускается установка автоматов закрытия кранов на охранных кранах компрессорной станции, а также на другой запорной арматуре, расположенной на расстоянии менее 150 м по обе стороны от компрессорной станции. 2. Для оперативного управления запорной арматурой на перемычках, отводах, переходах через естественные и искусственные препятствия следует предусматривать, как правило, телеуправление этой арматурой наряду с автоматами аварийного закрытия. 2.56. Автоматы аварийного закрытия линейных кранов должны обеспечивать закрытие арматуры при темпе падения давления в газопроводе на 10 - 15 % в течение от 1 до 3 минут. При отсутствии на линейных кранах автоматов аварийного закрытия следует предусматривать телеуправление этими кранами 2.57. Управление запорной арматурой в пределах компрессорной станции следует предусматривать дистанционным из помещения диспетчерского пункта компрессорной станции или ГЩУ цеха. Дистанционным управлением следует оснащать: охранные краны; краны на всасывающих и нагнетательных шлейфах станции (цеха); кран на обводе станции (цеха); кран на продувочных свечах; краны на пусковых контурах газоперекачивающих агрегатов. Указанная запорная арматура должна иметь также управление по месту. 2.58. При размещении перемычек между охранными кранами компрессорной станции краны на этих перемычках должны иметь дистанционное и ручное управление и блокировку с охранными кранами для аварийного отключения компрессорной станции от газопровода. Закрытие охранных кранов и кранов на перемычках следует предусматривать от одного органа управления, расположенного в диспетчерском пункте компрессорной станции. 2.59. Управление запорной арматурой на перемычках, отводах, на нитках переходов через естественные и искусственные препятствия условным диаметром 700 мм и более следует предусматривать из помещения операторной компрессорной станции с помощью систем телемеханики или дистанционным (при возможности). По месту у арматуры должно быть ручное управление. 2.60. У запорной арматуры на линейной части следует предусматривать с обеих сторон стояки отбора импульсного газа с показывающими манометрами. Вблизи линейного крана на трубопроводе следует устанавливать поверхностный термометр сопротивления для контроля распределения температур по газопроводу. При наличии системы телемеханики следует предусматривать подготовку импульсного газа, отбираемого из газопровода, в соответствии с требованиями заводов-изготовителей аппаратуры. 2.61. Управление запорной арматурой узла очистки газопровода следует предусматривать дистанционным. Аппаратуру управления кранами узла очистки необходимо размещать в обогреваемом блок-боксе в макроклиматическом районе с холодным климатом, а в других районах - в обогреваемом шкафу. Блок-бокс или шкаф следует располагать на площадке узла очистки на расстоянии не менее 20 метров от оси газопровода и не менее 40 метров от камеры приема в сторону, противоположную ходу газа. Электроснабжение линейных потребителей2.62. Категории электроприемников по условиям надежности электроснабжения следует определять в соответствии с РТМ «Методические указания по нормированию категорийности электроприемников объектов газовой промышленности». 2.63. Электропитание линейных сооружений магистрального газопровода следует предусматривать от: существующих воздушных линий электропередачи (ВЛ) 10 (6) кВ, пересекающих трассу газопровода или находящихся на расстоянии, не превышающем расстояние до соседнего линейного потребителя, обеспеченного электроэнергией; вдольтрассовой ВЛ напряжением 10 (6) кВ; автономных источников. Допускается осуществлять электропитание линейных сооружений от ВЛ 0,4 кВ. 2.64 Вдольтрассовую ВЛ 10 (6) кВ следует предусматривать при отсутствии или низкой надежности существующих источников питания, а также для одного технического коридора, в котором проходит не менее трех газопроводов. К ВЛ низкой надежности следует относить линии, работающие сезонно или допускающие перерывы в работе более 80 часов один раз в квартал. 2.65. В труднодоступных районах при полном отсутствии источников питания и особых сложностях строительства ВЛ следует предусматривать автономные источники питания. 2.66. Для электроснабжения установки катодной защиты (УКЗ) по 2-й категории надежности следует предусматривать: электроснабжение от находящихся вблизи трассы или пересекающих ее ВЛ 10 (6) кВ, имеющих резервное питание; питание каждой УКЗ от независимого источника для создания непрерывной катодной поляризации на участке пересечения газопровода или прохождения вблизи него линий 3-й категории. При этом непрерывная катодная поляризация должна обеспечиваться двумя или более совместно действующими УКЗ. Подключение установок катодной поляризации в ВЛ низкой надежности не допускается. Каждая УКЗ должна обеспечивать защитный потенциал участка газопровода при отключенной соседней УКЗ; вдольтрассовую ВЛ 10 (6) кВ с питанием от компрессорной станции, устройством пунктов секционирования и автоматического повторного включения - при отсутствии ВЛ 10 (6) кВ или низкой надежности существующих ВЛ; установки катодной защиты с рассредоточенными вдоль газопровода анодными заземлениями с питанием преобразователя от источника на компрессорной станции. Допускается применение автономных источников при полном отсутствии источников питания с обязательным резервированием иным автономным источником или поляризованными установками протекторной защиты. 2.67. На вдольтрассовых ВЛ 10 (6) кВ с запиткой на компрессорных станциях следует предусматривать защиту от многофазных замыканий: токовую отсечку и максимальную токовую защиту. Допускается применение неселективных защит совместно с устройствами автоматического повторного включения, исправляющими указанное неселективное действие защиты. Защиту от однофазных замыканий на землю следует предусматривать в соответствии с ПУЭ. 2.68. В районах со сложным рельефом, болотистой местности и при сооружении специальных переходов ВЛ следует предусматривать строительство дорог вдоль линии и подъезды к каждой опоре или вертолетное обслуживание. Телемеханизация линейной части2.69. При проектировании телемеханизации линейных сооружений газопровода следует руководствоваться действующими руководящими документами по автоматизации и телемеханизации газотранспортных предприятий. 2.70. Следует предусматривать контроль температуры грунта на глубине оси заложения трубопровода в середине участка между КС с установкой датчика с передачей (по требованию) данных в диспетчерскую КС. 2.71. При выборе систем линейной и центральной телемеханики необходимо предусматривать обмен между ними необходимой информацией. 2.72. Телемеханизация центральной диспетчерской службы должна предусматриваться в составе проекта автоматических систем управления технологических процессов газопровода или производственного объединения. 2.73. Для каждого линейно-производственного управления магистрального газопровода следует предусматривать телемеханизацию линейной части газопровода в границах данного управления. Телемеханизация линейных сооружений газопровода должна предусматриваться в границах участка каждой компрессорной станции. 2.74. Аппаратуру диспетчерского пункта телемеханизации линейных сооружений газопровода следует размещать в диспетчерском пункте компрессорной станции. При отсутствии в линейно-производственном управлении компрессорной станции диспетчерский пункт телемеханизации следует размещать в здании линейно-производственного управления магистральных газопроводов. 2.75. Для контроля за работой средств электрохимической защиты следует предусматривать телесигнализацию. 2.76. В макроклиматическом районе с холодным климатом аппаратуру контролируемых пунктов телемеханики, устанавливаемых на линейной части газопровода, следует размещать в обогреваемых помещениях. Датчики давления следует размещать в пределах этого помещения. 2.77. Аппаратуру контролируемых пунктов следует размещать на крановых площадках газопроводов на расстоянии от ближайшего крана не менее, в м: 3 - при размещении контролируемых пунктов в шкафах с электроснабжением от ЛЭП, при этом расстояние до свечей должно быть не менее 5 м; 10 - при размещении контролируемых пунктов в помещении с электрообогревом и электроснабжением от ЛЭП; 20 - при размещении контролируемых пунктов в блок-контейнерах с электроснабжением от теплоэлектрогенераторов, работающих на природном газе. 2.78. Для контролируемых пунктов с питанием от местных источников электроснабжения следует предусматривать резерв электропитания. 3. КОМПРЕССОРНЫЕ СТАНЦИИОбщие требования3.1. Компрессорные станции предназначены для компримирования газа, транспортируемого по магистральному газопроводу. 3.2. В состав компрессорной станции входят: а) технологические установки: компримирования газа; очистки газа; охлаждения газа; охлаждения масла и воды (антифриза) газоперекачивающих агрегатов; подготовки газа топливного, пускового, импульсного и собственных нужд; воздухоснабжения; б) склады: горюче-смазочных материалов; метанола; материалов и реагентов; оборудования, трубопроводов, арматуры и т.п.; в) системы: электроснабжения и молниезащиты; теплоснабжения, утилизации тепла, отопления и вентиляции; производственно-хозяйственного и пожарного водоснабжения; канализации; контроля и управления; телефонной связи, радиофикации, часификации; пожарной и охранной сигнализации; автоматического пожаротушения; г) технологические коммуникации с запорной арматурой; д) административно-бытовые помещения; е) подсобно-производственные помещения; ж) вспомогательные объекты. 3.3. Основное и вспомогательное технологическое оборудование, связанное с процессом компримирования газа, следует размещать в производственной зоне компрессорной станции. Сооружения и установки, обслуживающие основное технологическое оборудование (установки и устройства тепло- и водоснабжения, канализации, связи и т.п.) следует размещать в зоне служебно-производственного комплекса компрессорной станции. 3.4. На компрессорных станциях следует предусматривать подсобно-производственные и складские здания и сооружения, а также административно-бытовые помещения, обеспечивающие нормальные условия эксплуатации основного оборудования компрессорной станции и станции охлаждения (при ее наличии на площадке компрессорной станции), а также необходимые условия труда обслуживающего персонала и персонала служб централизованного ремонта. 3.5. Для выполнения подрядными организациями капитальных ремонтов газоперекачивающих агрегатов, основного технологического оборудования компрессорных станций и станций охлаждения, средств автоматики и телемеханики, катодных и дренажных преобразователей, автотракторной и строительной техники в проектах магистральных газопроводов следует предусматривать кустовые и центральные ремонтные базы с производственным циклом агрегатно-узлового ремонта, а также в необходимых случаях базы для передвижных механизированных колонн и других строительно-монтажных организаций собственного подряда. Размещение ремонтных баз должно соответствовать генеральной схеме обслуживания газопроводов. При проектировании первых ниток магистральных газопроводов в зоне компрессорных станций следует предусматривать закрытые склады и площадки для хранения оборудования, средств автоматики и запасных частей. 3.6. Для проведения технического обслуживания, текущих и аварийных ремонтов газоперекачивающих агрегатов, технологического оборудования компрессорных станций и станций охлаждения (при их наличии в составе КС), средств КИП и автоматики, катодных и дренажных преобразователей и автотракторной техники на компрессорных станциях должны предусматриваться ремонтно-механические мастерские и лаборатория-мастерская КИП и автоматики. 3.7. Станции зарядки бром-этиловых огнетушителей следует предусматривать на каждые четыре компрессорные станции с газоперекачивающими агрегатами с авиационным приводом, но не менее одной станции на производственное объединение. 3.8. В помещении служебно-эксплуатационного и ремонтного блока компрессорной станции следует предусматривать помещения для консервации и расконсервации судовых и авиационных двигателей. 3.9. Для отключения компрессорной станции (цеха) от газопровода необходимо предусматривать запорную арматуру с дистанционным и местным управлением на всасывающих и нагнетательных шлейфах станции (цеха). На каждом нагнетательном шлейфе также следует предусматривать обратный клапан. 3.10. На всасывающих и нагнетательных шлейфах компрессорной станции (цеха) между отключающей арматурой (станционные краны № 7 и № 8) и компрессорной станцией (цехом) следует предусматривать продувочные свечи для сброса газа из оборудования и трубопроводов. При расположении компрессорных станций на расстоянии более 700 м от магистральных газопроводов необходимо устанавливать дополнительные краны 7а, 8а, 17а, 18а на расстоянии 250 м от ограждения КС. 3.11. Для аварийной остановки компрессорной станции (цеха) следует предусматривать автоматическое отключение станции (цеха) от газопровода, сброс газа из оборудования и трубопроводов станции (цеха), а также останов всех газоперекачивающих агрегатов. Следует предусматривать дублирование команды на аварийную остановку в соответствии с требованиями п. 3.115 настоящих норм. 3.12. Потери давления газа в технологических трубопроводах и оборудовании компрессорной станции следует рассчитывать: в трубопроводной обвязке - по проектным геометрическим характеристикам; в оборудовании - по техническим характеристикам заводов-изготовителей оборудования. Потери давления газа не должны превышать величин, приведенных в таблице 1. Таблица 1
3.13. Рекомендуемые скорости газа и жидкости в трубопроводах компрессорной станции приведены в таблице 2. Таблица 2
3.14. Запорная арматура для технологических трубопроводов газа должна быть стальной. 3.15. На вспомогательных технологических трубопроводах (масла, воды, антифриза, воздуха и др.) в зависимости от давления и температуры среды следует применять арматуру: из ковкого чугуна - при температуре не ниже минус 30 °С и не выше плюс 150 °С при давлении не выше 1,6 МПа; из серого чугуна - при температуре не ниже минус 10 °С и не выше плюс 100 °С при давлении не выше 0,6 МПа. На вибрирующих участках трубопроводов следует применять стальную арматуру. На маслопроводах в пределах обвязки газоперекачивающих агрегатов и трубопроводах масла в пределах здания компрессорного цеха следует применять стальную арматуру. 3.16. Оборудование, трубы, арматуру и фитинги на всасывающих и нагнетательных линиях компрессорных станций и узла подключения компрессорных станций следует рассчитывать на прочность по максимальному расчетному давлению нагнетания. 3.17. Дренажные линии, продувочные и сбросные свечи следует проектировать на максимальное рабочее давление в соответствующих аппаратах и трубопроводах. 3.18. Давление гидравлических испытаний дренажных линий, продувочных и сбросных свечей следует принимать равным давлению гидравлических испытаний соответствующих основных трубопроводов. 3.19. Выбросы газа из продувочных свечей на компрессорной станции должны размещаться в местах, обеспечивающих безопасные условия рассеивания газа. Размещение и высоту продувочных и сбросных свечей, а также выхлопных стояков следует определять в соответствии с требованиями раздела 9 настоящих норм. 3.20. Газопроводы вне зданий и установок на площадках компрессорных станций, как правило, следует прокладывать подземно. Допускается прокладка газопроводов надземно на низких опорах. Маслопроводы следует прокладывать надземно на низких опорах. Допускается прокладка маслопроводов в подземных лотках. Маслопроводы следует прокладывать с теплоспутником и теплоизолировать. Трубопроводы воздуха и антифриза следует прокладывать надземно на низких опорах. Допускается подземная прокладка трубопроводов воздуха и антифриза. В местах пересечения надземными трубопроводами пешеходных дорожек должны быть предусмотрены переходные мостики. Установки компримирования газа3.21. В состав компрессорного цеха входят: газоперекачивающие агрегаты (с трубопроводной обвязкой, приборами электроснабжения, контроля и управления и т.п.); наружная газовая обвязка центробежных нагнетателей или поршневых компрессоров; вспомогательные установки и оборудование (масляное хозяйство, передвижная установка для промывки компрессоров и т.п.). 3.22. Количество рабочих и резервных газоперекачивающих агрегатов определяется требованиями раздела 12 настоящих норм. 3.23. В зависимости от конструктивных особенностей газоперекачивающие агрегаты в цехе следует устанавливать в общем или в индивидуальных зданиях или в контейнерах. 3.24. Следует обеспечивать отключение каждого газоперекачивающего агрегата от газовых коллекторов при помощи запорной арматуры, устанавливаемой вне здания (контейнера). Запорную арматуру следует предусматривать с автоматическим управлением от агрегатной системы автоматики, а также с местным управлением. 3.25. Между нагнетателем и врезками пускового контура, обвода с краном 3-бис и свечи с краном № 5 следует предусматривать люки-лазы с внутренним диаметром 500 мм для установки шаров-разделителей. 3.26. На трубопроводе входа газа в нагнетатель после люка-лаза на первоначальный период эксплуатации следует устанавливать защитную решетку. 3.27. Для слива конденсата перед вскрытием нагнетателя (при ремонтах) следует устанавливать сливные вентили Ду 25 мм между кранами № 1 и № 2 и нагнетателем. 3.28. Для опорожнения трубопроводов и оборудования от газа на трубопроводах выхода газа (до запорной арматуры) следует предусматривать свечи. 3.29. На линии заполнения нагнетателя газом (обвод крана № 1) следует предусматривать два запорных органа: кран с ручным приводом и кран с пневмоприводом, а также дроссельную шайбу. 3.30. Для антипомпажного регулирования и функционирования автоматизированных систем управления на каждом газоперекачивающем агрегате должно быть предусмотрено измерение расхода газа через нагнетатель. В качестве средств для измерения расхода следует использовать специальные устройства (осредняющие напорные трубки и др.). 3.31. Для каждого газоперекачивающего агрегата следует предусматривать предупредительный сигнал при повышении температуры газа на выходе нагнетателя выше 80 °С. Предупредительный сигнал должен поступать в диспетчерский пункт компрессорной станции или ГЩУ цеха. 3.32. В компрессорных цехах, оборудованных газомотокомпрессорами для гашения пульсации газового потока, уменьшения вибраций и резонансных колебаний, при необходимости, следует предусматривать буферные емкости и акустические фильтры на всасывающих и нагнетательных трубопроводах. 3.33. После поршневых газомоторных компрессоров на нагнетательных линиях за сборными коллекторами по ходу газа следует устанавливать маслоуловители и маслосборники. 3.34. Каждый поршневой газомоторный компрессор должен иметь обводную линию, предохранительные и обратные клапаны на стороне нагнетания и линию сброса газа на свечу. 3.35. Выбор конфигурации трубопроводов наружной газовой обвязки компрессорного цеха, а также конструкции (фиксирующие, пружинные, скользящие и т.п.) и расположения опор следует выполнять с учетом обеспечения компенсации продольных перемещений от изменения температуры стенок труб и напряжений от вибрационных нагрузок во время работы газоперекачивающих агрегатов. 3.36. В компрессорных цехах с центробежными нагнетателями всасывающие и нагнетательные газовые коллекторы укладываются вне помещения компрессорного цеха, как правило, подземно. 3.37. В компрессорных цехах с поршневыми газовыми компрессорами всасывающие и нагнетательные газовые коллекторы укладываются вне помещения компрессорного цеха, как правило, надземно. 3.38. Для снижения уровней звука и звукового давления до санитарных норм надземные участки всасывающих и нагнетательных трубопроводов газовой обвязки центробежных нагнетателей, пусковых контуров и обводных линий должны изолироваться противошумовой изоляцией. 3.39. В компрессорных цехах, а также вне их в пределах зоны обслуживания выхлопные трубопроводы и горячие воздуховоды должны быть изолированы. Следует предусматривать защиту наружной поверхности тепловой изоляции трубопроводов кожухом из алюминиевого или оцинкованного стального листа. Допустимая температура наружной поверхности изоляции в помещении - не более плюс 45 °С, вне помещения - не более плюс 55 °С. Для доступа к фланцевым соединениям и компенсаторам изоляция их должна быть съемной. 3.40. Для уменьшения подогрева циклового воздуха на входе газотурбинных установок следует изолировать их выхлопные трубы на высоту не менее 2 метров выше верхней отметки воздухосборного устройства. 3.41. Компрессорные цехи следует оборудовать подъемно-транспортными средствами, управляемыми с пола и площадки обслуживания ГПА, как правило, с электроприводом. 3.42. Грузоподъемность подъемно-транспортных средств определяется в проекте по данным завода-изготовителя газоперекачивающих агрегатов по наиболее тяжелой детали ремонтируемого блока или узла. 3.43. На газотурбинных установках следует предусматривать комплексные устройства воздухоподготовки, предназначенные для очистки воздуха, поступающего в осевой компрессор, от естественной и промышленной пыли, для нагрева воздуха при угрозе обледенения и его охлаждения ниже расчетной температуры, снижения уровня звукового давления до санитарных норм в соответствии с требованиями ГОСТ 12.1.003-76, ОСТ 24.022.08 и ОСТ 108.022.13-82. 3.44. Для оценки уровня запыленности атмосферного воздуха следует руководствоваться следующими природно-климатическими зонами: тундры; лесотундры и севера тайги; лесов и тайги; степи и лесостепи; пустынь и полупустынь. Карта-схема природно-климатических зон СССР для оценки уровня запыленности атмосферного воздуха приведена в Приложении № 2 настоящих норм. 3.45. Набор воздухоочистительных блоков выбирается в зависимости от района расположения компрессорных станций по таблице 3. Таблица 3
3.46. При определении уровня запыленности следует учитывать наличие местных постоянных источников запыленности воздуха в районе компрессорной станции (промышленных предприятий с выбросом пыли). 3.47. В компрессорных цехах необходимо предусматривать масляное хозяйство, которое, как правило, должно включать: маслоблок с баками чистого и отработанного масла, насосом подачи чистого масла к агрегатам и насосом откачки отработанного масла в резервуар отработанного масла на складе горюче-смазочных материалов; фильтры масла на маслопроводах на входе масла в каждый агрегат; счетчики измерения расхода масла, поступающего со склада горюче-смазочных материалов в каждый газоперекачивающий агрегат; насос откачки антифриза (воды); стационарные или передвижные маслоочистительные машины для очистки масла на работающем и остановленном агрегате. 3.48. Масляное хозяйство компрессорного цеха следует располагать в отдельном помещении. При установке газоперекачивающих агрегатов в индивидуальных зданиях (контейнерах) масляное хозяйство следует размещать в отдельном блок-боксе на складе горюче-смазочных материалов. Для многоцеховых компрессорных станций необходимость устройства двух и более отдельных масляных хозяйств определяется в проекте (в зависимости от типа устанавливаемых агрегатов, расстояния между цехами и складом горюче-смазочных материалов, количества цехов и т.п.). Установки очистки газа3.49. Для предотвращения загрязнения и эрозии оборудования и трубопроводов на входе газа на компрессорную станцию следует предусматривать установки очистки газа от твердых и жидких примесей. 3.50. Количество твердых и жидких примесей в газе после установки очистки не должно превышать допустимых по техническим условиям на газоперекачивающие агрегаты. 3.51. Очистку газа следует предусматривать, как правило, в одну ступень - в пылеуловителях. 3.52. Вторую ступень очистки газа - в фильтрах-сепараторах, как правило, следует предусматривать на отдельных компрессорных станциях в среднем через 3 - 5 компрессорных станций с преимущественным применением фильтров-сепараторов после участков с повышенной вероятностью аварий линейной части и (или) сложными условиями ее восстановления, а также после подводных переходов длиной более 500 м. 3.53. В проекте установки очистки газа следует предусматривать обогрев аппаратов и трубопроводов для предотвращения замерзания жидкости. 3.54. Количество аппаратов установки очистки газа следует определять по характеристикам заводов-изготовителей таким образом, чтобы при отключении одного из аппаратов, нагрузка на оставшиеся не выходила за пределы их максимальной производительности, а при работе всех аппаратов - не выходила за пределы минимальной производительности. При этом в любом режиме работы общие потери давления на стороне всасывания компрессорной станции не должны превышать величин, приведенных в п. 3.12 настоящих норм. 3.55. Для равномерного распределения потоков между отдельными аппаратами следует предусматривать кольцевание трубопроводов на входе и выходе каждой ступени очистки. 3.56. На каждой ступени очистки следует предусматривать замер потерь давления. 3.57. Для отключения аппаратов установки очистки газа от общего коллектора следует предусматривать краны с ручным приводом, как правило, с червячным редуктором. 3.58. Технологическая обвязка аппаратов установки очистки газа должна: обеспечивать доступ к обслуживаемым элементам установки (арматуре, люкам-лазам, фланцам, указателям уровня, манометрам и др.); исключать возможность попадания газа внутрь аппаратов при проведении в них осмотров, ревизий и ремонтных работ; обеспечивать возможность установки силовых заглушек для проведения гидравлических испытаний аппаратов. 3.59. Жидкие и твердые примеси из установки очистки следует, как правило, направлять в резервуар на узле сбора продуктов очистки газопровода. 3.60. Трубопроводы сброса жидких и твердых примесей из пылеуловителей и фильтров-сепараторов должны выполняться из труб с увеличенной на 30 - 50 % по сравнению с другими участками толщиной стен; прокладываться - надземно в пределах площадки установки очистки газа и подземно - вне ее пределов; иметь минимальное количество поворотов. Надземные участки следует обогревать и теплоизолировать. Тройники и отводы должны защищаться от эрозии (наварка отбойных пластин и т.д.). 3.61. Для заполнения аппаратов перед пуском на трубопроводе входа газа в каждый аппарат установки очистки следует предусматривать обвод Ду 50 с краном. Установки охлаждения газа3.62. После компримирования газ, как правило, следует охлаждать. В макроклиматическом районе с холодным климатом для участков с многолетнемерзлыми грунтами охлаждение газа до температуры грунта следует предусматривать на станциях охлаждения газа, обеспечивающих стабильный уровень температуры в газопроводе. Требования к установке охлаждения газа приведены в разделе 4 настоящих норм. В других районах охлаждение газа следует предусматривать, как правило, в аппаратах воздушного охлаждения. 3.63. Количество аппаратов воздушного охлаждения газа следует определять гидравлическим и тепловым расчетом газопровода (раздел 12 настоящих норм), исходя из расчетной среднегодовой температуры наружного воздуха, среднегодовой температуры грунта и оптимальной среднегодовой температуры охлаждения газа. 3.64. Количество аппаратов воздушного охлаждения газа должно быть уточнено гидравлическим и тепловым расчетом газопровода для абсолютной максимальной температуры наружного воздуха и июльской температуры грунта. Полученную в этом расчете максимальную температуру транспортируемого газа следует принимать в расчетах устойчивости и прочности трубы и изоляции. При невозможности обеспечить требуемую степень устойчивости и прочности трубы количество аппаратов воздушного охлаждения должно быть увеличено. 3.65. Оптимальную среднегодовую температуру охлаждения газа следует принимать на 10 - 15 °С выше расчетной среднегодовой температуры наружного воздуха.
где: Та - средняя температура наружного воздуха в рассматриваемый период, определяемая по данным главы СНиП 2.01.01-82; d Та - поправка на изменчивость климатических данных; d Та следует принимать равной 2 °С. 3.67. Тепловой расчет аппаратов воздушного охлаждения газа следует выполнять по «Методике теплового и аэродинамического расчета аппаратов воздушного охлаждения» института «ВНИИнефтемаш». В тепловом расчете следует принимать десятипроцентный запас поверхности теплообмена, учитывающий возможность выхода из строя отдельных вентиляторов и загрязнение поверхностей теплообмена в процессе эксплуатации. 3.68. Установка охлаждения газа должна быть общей для всех газоперекачивающих агрегатов компрессорного цеха, иметь коллекторную схему обвязки и обвод. На реконструируемых компрессорных станциях допускается проектировать установки охлаждения газа на нагнетательной линии каждой группы газоперекачивающих агрегатов. 3.69. Следует предусматривать аварийную остановку компрессорной станции при повышении температуры газа на выходе из аппаратов воздушного охлаждения газа выше 70 °С. При повышении температуры газа на выходе АВО до + 45 °С следует предусматривать предупредительный сигнал и автоматическое включение вентиляторов АВО, находящихся в резерве. Установки охлаждения масла и воды (антифриза) газоперекачивающих агрегатов3.70. Установки охлаждения масла и воды (антифриза), как правило, должны поставляться комплектно с газоперекачивающими агрегатами. 3.71. Выбор схем установок охлаждения масла, не поставляемых комплектно с газоперекачивающими агрегатами - непосредственно в аппаратах воздушного охлаждения или с промежуточным хладоносителем (водой, антифризом) - определяется требованиями технических условий на агрегаты, а также климатическими условиями района размещения компрессорной станции. 3.72. Для охлаждения масла и воды (антифриза) следует применять, как правило, аппараты воздушного охлаждения. 3.73. Качество охлаждающей воды должно соответствовать требованиям технических условий на поставку газоперекачивающих агрегатов, теплообменного и насосного оборудования. Для обеспечения требуемого качества охлаждающей воды следует предусматривать, при необходимости, установку водоподготовки. 3.74. Схема охлаждения масла и воды (антифриза) должна обеспечивать возможность автоматического регулирования температуры охлаждаемой среды. 3.75. Маслопроводы, располагаемые вне помещения, должны быть теплоизолированы и прокладываться с теплоспутником. 3.76. Для обеспечения полного слива масла или воды (антифриза) из трубного пучка аппаратов воздушного охлаждения следует предусматривать уклон трубопроводов и трубного пучка не менее 0,002. 3.77. Опорожнение аппаратов воздушного охлаждения масла следует предусматривать: самотеком - в маслобаки агрегатов, в которых емкость маслобаков достаточна для полного опорожнения аппаратов воздушного охлаждения масла (отметка установки аппаратов и трассировка маслопроводов должны обеспечивать их полное опорожнение от масла); насосом - на склад горюче-смазочных материалов для остальных агрегатов. 3.78. B установке аппаратов воздушного охлаждения масла следует предусматривать возможность предпускового разогрева масла и поддержания агрегата в «горячем» резерве. 3.79. Аппараты воздушного охлаждения воды следует предусматривать с трубами длиной не более 4 метров. 3.80. Расчет и выбор типа аппаратов воздушного охлаждения масла и воды (антифриза) следует производить по «Методике теплового и аэродинамического расчета аппаратов воздушного охлаждения» института «ВНИИнефтемаш». 3.81. Температуру масла или воды (антифриза) на выходе из аппаратов воздушного охлаждения следует принимать не менее, чем на 5 °С выше расчетной температуры наружного воздуха. Расчетную температуру наружного воздуха следует принимать равной средней максимальной температуре наружного воздуха, определяемой согласно данным СНиП 2.01.01-82 или метеослужб для ближайшего к месту размещения компрессорной станции географического пункта наблюдений. Установки подготовки газа топливного, пускового, импульсного и собственных нужд3.82. На площадке компрессорной станции необходимо предусматривать установку подготовки газа топливного, пускового, импульсного и собственных нужд компрессорной станции и жилпоселка. Данная установка должна обеспечивать: очистку, подогрев и редуцирование топливного газа в соответствии с требованиями заводов-изготовителей агрегатов; очистку и редуцирование пускового газа в соответствии с требованиями заводов-изготовителей агрегатов; очистку и осушку импульсного газа; очистку и редуцирование газа собственных нужд компрессорной станции и жилпоселка; измерение расхода газа. 3.83. Отбор газа на установку подготовки следует предусматривать: от узла подключения компрессорной станции к газопроводу (до и после обводного крана станции); после установки очистки газа (основной отбор). 3.84. В технологической схеме установки подготовки газа следует предусматривать: подогрев топливного газа до плюс 25 °С, редуцирование его до рабочего давления в соответствии с техническими условиями заводов-изготовителей газоперекачивающих агрегатов и поддержания этого давления с точностью ± 0,05 МПа; измерение и редуцирование топливного газа котельной резервной электростанции и подогревателей газа; осушку импульсного газа до точки росы минус 55 °С (при рабочем давлении); хозрасчетное измерение и учет суммарного расхода топливного, пускового и импульсного газа с коррекцией по температуре и давлению; выдачу результатов измерения расхода на диспетчерский пункт компрессорной станции; хозрасчетное измерение и учет суммарного расхода топливного газа, выдачу результатов измерения расхода на диспетчерский пункт компрессорной станции. 3.85. Блоки редуцирования следует проектировать в соответствии с требованиями СНиП II-37-76. 3.86. Топливный газ после установки подготовки должен соответствовать требованиям ГОСТ 21199-82. 3.87. Система подогрева топливного газа должна включать не менее двух подогревателей. При отключении одного из подогревателей оставшиеся в работе должны обеспечивать не менее 70 % номинальной тепловой производительности системы. 3.88. В системе редуцирования давления топливного и пускового газа необходимо предусматривать: 100 % -ный резерв регуляторов давления; автоматическое переключение рабочей и резервной линий; обвод регуляторов давления. 3.89. Система подготовки импульсного газа должна включать: два ресивера, один из которых предназначается для узла подключения КС; два адсорбера; печь газа регенерации адсорбента. Вместимость ресиверов импульсного газа должна рассчитываться из условия обеспечения перестановки всех кранов компрессорной станции при двух последовательных аварийных остановках станции. Необходимо предусматривать автоматическое измерение влагосодержания импульсного газа с помощью регистрирующего влагомера. 3.90. Объем адсорбента следует рассчитывать на следующие условия: число аварийных остановок компрессорной станции - 2 в год; число пусков и остановок каждого газоперекачивающего агрегата - 20 в год; время заполнения ресиверов - не менее 15 минут; периодичность регенерации адсорбента - 2 - 3 раза в год. Система подготовки импульсного газа должна иметь два адсорбера, в одном из которых происходит осушка газа, в другом - регенерация (либо он находится в резерве). Регенерация адсорбента, должна производиться осушенным природным газом, подогретым в печи газа регенерации. 3.91. Следует предусматривать контрольное (технологическое) измерение расхода топливного газа по каждому газоперекачивающему агрегату. Измерительные диафрагмы необходимо устанавливать на линиях после смешивания потоков газа, идущих от блоков редуцирования и от уплотнения нагнетателей. 3.92. Цеховые коллекторы пускового газа должны рассчитываться из условия обеспечения в коллекторе давления, определяемого требованиями заводов-изготовителей газоперекачивающих агрегатов. 3.93. Цеховые коллекторы топливного, пускового и импульсного газа должны иметь продувочные и дренажные свечи. Установки воздухоснабжения3.94. Установки воздухоснабжения следует проектировать в соответствии с «Правилами устройства и безопасной эксплуатации стационарных компрессорных установок, воздухопроводов и газопроводов». 3.95. Для запуска газомоторных компрессоров следует предусматривать установку пускового воздуха, включающую воздушный компрессор с электроприводом, воздухосборник и установки подготовки воздуха. В каждой установке необходимо предусматривать не менее двух воздушных компрессоров (рабочий и резервный). Вместимость воздухосборников должна обеспечивать одновременный запуск двух газомотокомпрессоров. 3.96. Сжатый воздух для ремонтных работ следует отбирать после воздухосборников установки подготовки воздуха. При отсутствии установки подготовки воздуха необходимо предусматривать компрессорную установку сжатого воздуха для ремонтных работ, состоящую из компрессора, воздухосборника и вспомогательного оборудования для подготовки и охлаждения воздуха. 3.97. Для питания приборов и средств автоматики следует предусматривать подачу сжатого воздуха в соответствии с требованиями ГОСТ 11882-73. Отбор воздуха для питания приборов и средств автоматики следует предусматривать от компрессорной установки сжатого воздуха для ремонтных работ. При этом необходимо предусматривать воздухосборники и оборудование для подготовки воздуха. При отсутствии компрессорной сжатого воздуха для ремонтных работ необходимо предусматривать специальную компрессорную сжатого воздуха для нужд КИПиА, состоящую из компрессора, воздухосборника и оборудования для подготовки воздуха. 3.98. Для очистки от масла внутренней полости ресиверов и трубопроводов установки воздухоснабжения следует предусматривать установку промывки с устройствами для периодического подключения к аппаратам и трубопроводам установки воздухоснабжения. Склады горюче-смазочных материалов3.99. Склад горюче-смазочных материалов должен включать: резервуарный парк, состоящий из резервуаров смазочного масла для газоперекачивающих агрегатов, горюче-смазочных материалов для автотракторной техники и вспомогательных механизмов, антифриза (при необходимости); насосную склада; блок очистки масел; регенерационную фильтров; склад масел в таре; топливораздаточные колонки. 3.100. Вместимость резервуаров смазочного масла должна обеспечивать подпитку газоперекачивающих агрегатов маслом в течение трех месяцев, а также 50 %-ный запас объема маслосистемы всех установленных газоперекачивающих агрегатов. При значительных трудностях в доставке горюче-смазочных материалов вместимость резервуарного парка должна обеспечивать шестимесячный запас горюче-смазочных материалов. 3.101. В резервуарном парке следует предусматривать: резервуары для масла общей вместимостью не менее 50 м3; резервуар отработанного масла; резервуар отработанного масла на вывоз вместимостью не менее 25 м3. 3.102. Следует предусматривать обогрев и теплоизоляцию резервуаров масла и антифриза. Трубопроводы масла и антифриза следует предусматривать с теплоспутниками и теплоизоляцией. Для макроклиматического района с холодным климатом допускается применение электрического подогрева трубопроводов масла, антифриза. 3.103. Технологическая схема склада горюче-смазочных материалов должна обеспечивать: прием чистого масла, бензина, дизтоплива, антифриза в соответствующие резервуары склада; очистку масла от механических примесей и воды; подачу чистого масла в компрессорный цех; прием отработанного масла из компрессорного цеха на склад; перекачку горюче-смазочных материалов из резервуара в резервуар; заправку транспортных средств; выдачу всех видов масел и горючего потребителю. 3.104. Склад масел в таре должен рассчитываться на хранение не менее 20 бочек вместимостью 200 л каждая и оснащаться средствами малой механизации. 3.105. Для регенерации фильтров следует применять пожаробезопасные моющие средства. 3.106. В помещении регенерации фильтров следует предусматривать специальные ванны с подогревом, подвод горячей воды, воздуха. 3.107. В проектах необходимо предусматривать возможность очистки маслопроводов в процессе эксплуатации. Склады метанола3.108. При проектировании складов метанола следует руководствоваться главами СНиП II-89-80, СНиП II-106-79, «Общими санитарными правилами по хранению и применению метанола», «Правилами по перевозке, хранению и применению метанола», «Инструкцией о порядке получения от поставщиков, перевозки, хранения, отпуска и применения метанола на объектах газовой промышленности». 3.109. В составе склада метанола следует предусматривать: резервуары для метанола; резервуары для керосина; резервуары для одоранта; насосы метанола для смешивания одоранта, керосина и метанола, а также для выдачи метанола; насосы керосина и одоранта; приемные, раздаточные и замерные устройства. 3.110. Резервуары для метанола, одоранта и керосина следует, как правило, предусматривать надземными. 3.111. Вместимость резервуаров для метанола следует принимать не более 100 м3. При значительных трудностях в доставке метанола вместимость резервуаров для метанола допускается принимать до 300 м3. Контроль и автоматика3.112. При проектировании системы контроля и управления компрессорной станции следует руководствоваться «Основными положениями по комплексной автоматизации газотранспортных предприятий», отраслевыми руководящими материалами по созданию автоматизированных систем управления технологическими процессами в газовой промышленности и настоящими нормами. 3.113. Диспетчерский пункт компрессорной станции (ДПКС) следует размещать в подсобно-производственном помещении (ПЭБ или СВП). Для вновь проектируемых компрессорных станций, как правило, диспетчерский пункт следует предусматривать в составе первой очереди строительства. 3.114. Охранные краны, краны на всасывающих и нагнетательных шлейфах компрессорной станции, дистанционно управляемые краны на газовой обвязке компрессорного цеха и на продувочных свечах следует проектировать с дистанционным управлением из ДПКС с газотурбинными агрегатами, совмещенного с главным щитом компрессорного цеха № 1, или с главного щита управления отдельно стоящего компрессорного цеха. Управление указанными выше кранами на компрессорной станции с электроприводными агрегатами осуществляется из диспетчерского пункта. Питание узлов управления агрегатных кранов №№ 1, 2, 3, 4, 5 и 6 осуществляется очищенным и осушенным импульсным газом из цехового (станционного) коллектора импульсного газа от установки подготовки газа. Питание узлов управления кранов №№ 7, 8, 17, 18, 20 осуществляется: - импульсным газом от цехового (станционного) коллектора импульсного газа с установкой одного резервуара с обратным клапаном у кранов №№ 7, 17 и одного резервуара у кранов №№ 8, 18 (объем газа в резервуаре должен обеспечивать 2-х разовую перестановку кранов); - от газопровода до и после кранов через штатные фильтры-осушители газа; - от комплекса аварийного отключения КС - «Кольцо-1». Питание узлов управления охранных кранов А и Б осуществляется импульсным газом от газопровода через штатные фильтры-осушители газа, с установкой у каждого крана резервуара с обратными клапанами. Объем газа в резервуаре обеспечивает 2-х разовую перестановку кранов. Комплекс аварийного отключения кранов КС включается от щита «Кольцо-1» и имеет приоритет срабатывания по отношению к другим источникам питания кранов. диспетчерского пункта станции (ДПКС); главного щита управления (или аппаратной) цеха; узла связи. Следует предусматривать раздельную прокладку линий связи (кабелей) на каждый пункт управления. 3.116. В комплексе средств автоматизации компрессорной станции (цеха) следует предусматривать системы регулирования, обеспечивающие поддержание заданных величин давления и температуры газа на выходе компрессорной станции (цеха), устройства антипомпажного регулирования и защиты нагнетателей (отдельно или в составе автоматики газоперекачивающих агрегатов). 3.117. Для защиты от повышения давления на нагнетании компрессорной станции (цеха) выше допустимого следует предусматривать автоматическое открытие кранов № 36 и № 36р на обводе станции (цеха) с подачей сигнала диспетчеру. 3.118. Для защиты от понижения давления ниже допустимого на всосе компрессорной станции (цеха) при отсутствии агрегатных систем антипомпажного регулирования следует предусматривать автоматическое открытие кранов № 36 и № 36р на обводе станции (цеха) с подачей сигнала диспетчеру. 3.119. При аварийном падении давления газа на всасывающем трубопроводе компрессорной станции (цеха) следует предусматривать автоматическую остановку станции (цеха). 3.120. На компрессорных станциях следует предусматривать систему обнаружения пожара и систему обнаружения загазованности. Указанные системы должны быть сблокированы соответственно с установками пожаротушения и вентиляционными установками. Количество и места установки датчиков обнаружения пожара и загазованности определяются проектом. Необходимо предусматривать сигнализацию о возникновении пожара и загазованности диспетчеру. 3.121. Для автоматизации вспомогательных установок и оборудования компрессорной станции (цеха) следует предусматривать локальные системы автоматического управления и регулирования, а также средства контроля. Электроснабжение3.122. При проектировании электроснабжения и электрооборудования компрессорных станций следует руководствоваться «Правилами устройства электроустановок», «Инструкцией по проектированию электроснабжения промышленных предприятий», «Инструкцией по проектированию силового и осветительного оборудования промышленных предприятий», Инструкцией по проектированию и устройству молниезащиты зданий и сооружений», «Инструкцией по строительному проектированию предприятий, зданий и сооружений нефтяной и газовой промышленности», «Методическими указаниями по нормированию категорийности электроприемников объектов газовой промышленности», «Указаниями по построению электрических схем компрессорных станций магистральных газопроводов», «Положением о разработке схем и объектов внешнего электроснабжения магистральных нефтепроводов и газопроводов», а также требованиями настоящих норм. 3.123. Категорийность потребителей электроэнергии компрессорной станции по надежности их электроснабжения следует определять в соответствии с «Методическими указаниями по нормированию категорийности электроприемников объектов газовой промышленности», СН-433-79. 3.124. Электроснабжение компрессорных станций следует предусматривать от двух независимых источников питания по двум одноцепным воздушным линиям электропередачи. Для компрессорных станций с газотурбинным приводом допускается в стесненных условиях электроснабжение по одной двухцепной линии, за исключением компрессорных станций, расположенных в особогололедных, заболоченных и труднодоступных районах. 3.125. Электроснабжение компрессорной станции от внешних источников должно предусматриваться глубокими вводами высокого напряжения 35 ÷ 330 кВ. 3.126. Главная понижающая подстанция напряжением 35 ÷ 330/10 кВ, как правило, должна размещаться при компрессорной станции с противоположной стороны от газовых коммуникаций высокого давления с соблюдением разрывов от взрывоопасных зон согласно ПУЭ и главы СНиП 2.05.00-85. 3.127. На главной понижающей подстанции при компрессорной станции следует предусматривать два трансформатора. Мощность каждого из них с учетом допустимой длительной перегрузки должна обеспечивать нагрузку потребителей I и II категории компрессорной станции и сторонних потребителей, пуск и самозапуск электродвигателей 10 кВ при нормированных уровнях напряжения на шинах 10 кВ главной понижающей подстанции. 3.128. При отсутствии в районах размещения компрессорных станций с газотурбинными газоперекачивающими агрегатами внешних источников электроснабжения или наличии только одного источника следует для этих компрессорных станций проектировать электростанцию собственных нужд. 3.129. Электростанция собственных нужд должна проектироваться на площадке компрессорной станции с возможностью ее расширения и подключения последующих цехов. 3.130. Мощность и количество агрегатов электростанции собственных нужд следует принимать согласно «Указаниям по построению электрических схем КС магистральных газопроводов» с учетом надежности электроснабжения компрессорной станции и взаимного резервирования агрегатов как при аварийном выходе их из работы, так и планово-предупредительных ремонтах. Агрегаты электростанций собственных нужд должны быть автоматизированы и запускаться из «горячего» резерва в течение не более одной минуты. 3.131. Топливом для агрегатов электростанции собственных нужд должен быть газ, транспортируемый по газопроводу и подготовленный согласно требованиям технических условий заводов-изготовителей агрегатов. 3.132. Напряжение сети внутреннего электроснабжения компрессорной станции следует принимать 10 кВ (допускается 6 кВ при наличии специального обоснования). Напряжение низковольтных нагрузок следует принимать 380/220 В. 3.133. Для компрессорных станций с электроприводными газоперекачивающими агрегатами необходимо проектировать совмещенное технологическое закрытое распределительное устройство 10 кВ (ЗРУ-10 кВ), размещаемое на площадке компрессорной станции и подключаемое к трансформаторам главной понижающей подстанции шинопроводами. 3.134. Для многоцеховых компрессорных станций с газотурбинными газоперекачивающими агрегатами при экономической целесообразности следует проектировать центральный технологический распределительный пункт 10 кВ, подключаемый к главной понижающей подстанции линиями электропередачи. 3.135. Схемы коммутации технологических закрытых распределительных устройств 10 кВ и центральных распределительных пунктов 10 кВ должны проектироваться с учетом обеспечения высокой надежности электроснабжения компрессорной станции. Для ЗРУ-10 кВ должны применяться шкафы распределительных устройств комплектной заводской поставки, устойчивые токам короткого замыкания в данной точке сети с учетом подпитки от синхронных электродвигателей. Для закрытых распределительных устройств 10 кВ и центральных распределительных пунктов 10 кВ должны предусматриваться двух- и четырехсекционные схемы с наличием секционных выключателей. Схемы управления вводным и секционным выключателями должны предусматривать автоматическое повторное включение вводов и автоматическое включение резерва на секционных выключателях. 3.136. В схемах электроснабжения компрессорных станций с количеством пунктов расчетного учета более восьми или с суммарной установленной мощностью трансформаторов более 10 МВА следует предусматривать автоматические системы учета и контроля электроэнергии с суммирующими устройствами. 3.137. Для питания потребителей компрессорной станции на напряжении 380/220 В следует применять комплектные трансформаторные подстанции заводской поставки. Подключение подстанций, обеспечивающих электроэнергией потребителей I категории, следует предусматривать по радиальным схемам 10 кВ. Подстанции потребителей II и III категорий следует подключать по магистральным схемам 10 кВ. Размещение комплектных трансформаторных подстанций 10/0,4 кВ, их количество и мощность трансформаторов должны обеспечивать минимальные потери электроэнергии при минимальном расходе оборудования и кабельной продукции. 3.138. В схемах электроснабжения компрессорных станций следует предусматривать мероприятия в соответствии с действующими нормативными документами по компенсации реактивной мощности в распределительных сетях 10 (6) и 0,4 кВ. 3.139. Для обеспечения непрерывной работы ответственных вспомогательных механизмов газотурбинных газоперекачивающих агрегатов, а также работы системы водоснабжения, канализации, отопления, вентиляции и освещения компрессорной станции с различными типами газоперекачивающих агрегатов при прекращении электроснабжения от основных источников энергии на компрессорной станции следует предусматривать агрегаты аварийного электроснабжения. Перечень особо ответственных механизмов газоперекачивающих агрегатов приведен в «Указаниях по построению электрических схем компрессорных станций магистральных газопроводов». 3.140. Агрегаты аварийного электроснабжения должны работать на дизельном или газовом топливе. Для компрессорной станции с газотурбинными газоперекачивающими агрегатами эти агрегаты оснащаются автоматикой пуска по исчезновению напряжения на шинах 0,4 кВ КТП (ПЭБа, цеха) с временем пуска (до принятия нагрузки) 30 сек. Продолжительность работы аварийных агрегатов следует рассчитывать на время, необходимое для восстановления и включения одного из основных источников электроснабжения, но не менее 24 часов. Для макроклиматического района с холодным климатом продолжительность работы аварийных агрегатов следует принимать не менее трех суток. При восстановлении напряжения от энергосистемы и получения соответствующего сигнала в операторную остановку аварийной дизельной электростанции выполнять вручную по месту или дистанционно. 3.141. На компрессорной станции должно быть предусмотрено устройство гарантированного питания группы особо ответственных потребителей, обеспечивающих безаварийную остановку компрессорной станции при полной потере напряжения переменного тока (контрольно-измерительные приборы, системы автоматики, резервные насосы смазки, аварийное электроосвещение). В качестве источника электроэнергии системы гарантированного питания следует применять аккумуляторную батарею 220 (110) В. Емкость аккумуляторной батареи должна обеспечить работу системы гарантированного питания в течение 60 минут. 3.142. В случаях, когда в группе особо ответственных потребителей, обеспечивающих безаварийную остановку компрессорной станции, имеются потребители с питанием на переменном токе, их питание следует предусматривать от аккумуляторной батареи через преобразователь. 3.143. На компрессорной станции должно быть запроектировано централизованное дистанционное управление из диспетчерского пункта станции основными выключателями: технологического закрытого распределительного устройства 10 кВ или центрального распределительного пункта 10 кВ; комплектной трансформаторной подстанции энергоблока (компрессорного цеха); агрегата аварийного электроснабжения. 3.144. Сигнализация положения управляемых аппаратов, а также аварийная сигнализация от основных элементов схемы электроснабжения компрессорной станции должна выдаваться в диспетчерский пункт станции. 3.145. Для исключения остановок газоперекачивающих агрегатов при кратковременных перерывах электроснабжения необходимо предусматривать схемы самозапуска синхронных электродвигателей 10 кВ - приводов газоперекачивающих агрегатов и электродвигателей 380 В - приводов вспомогательных механизмов различных типов газоперекачивающих агрегатов (при условии допустимости самозапуска агрегатов). 3.146. Электрооборудование, устанавливаемое во взрывоопасных зонах должно быть взрывозащищенным. Уровень взрывозащиты должен соответствовать или быть не ниже категории и группы взрывоопасной смеси и класса взрывоопасной зоны. 3.147. В зданиях и сооружениях компрессорной станции должно проектироваться рабочее электрическое освещение, а также устройства для подключения ремонтного освещения и электрооборудования. Аварийное освещение с автоматическим переключением на аварийный источник питания должно быть предусмотрено в компрессорных цехах, индивидуальных зданиях газоперекачивающих агрегатов, энергоблоке операторной, аккумуляторной, электрической станции, закрытом распределительном устройстве 10 кВ, наружной обвязке кранов компрессорной станции, узле связи, котельной, служебно-эксплуатационном и ремонтном блоке, а также насосной автоматического пожаротушения. 3.148. Источником аварийного освещения компрессорной станции следует принимать аккумуляторную батарею, предусматриваемую для технологических целей. При отсутствии батареи источником аварийного освещения допускается принимать одну из секций шин 0,4 кВ комплектной трансформаторной подстанции, к которой не подключено рабочее освещение, но подключен агрегат аварийного электроснабжения. 3.149. На площадках компрессорных станций главные проезды, открытые склады и установки, подходы к цехам и зданиям должны иметь наружное электрическое освещение. Управление наружным электроосвещением - автоматическое (по естественной освещенности) и дистанционное - из диспетчерского пункта станции. 3.150. Освещенность площадок, находящихся вне зданий, главных и вспомогательных проездов компрессорной станции должна соответствовать главе СНиП II-4-79. 3.151. Для наружных внутриплощадочных электросетей 10 и 0,4 кВ следует применять кабели. Кабели должны прокладываться в земле (траншее) и в каналах. На площадках компрессорных станций с высоким уровнем грунтовых вод и в макроклиматическом районе с холодным климатом кабели, как правило, следует прокладывать на эстакадах, специальных или совмещенных с технологическими коммуникациями. 3.152. В электроустановках компрессорных станций следует предусматривать заземление (зануление) металлических частей электрооборудования (не находящихся нормально под напряжением) в соответствии с ПУЭ и инструкцией по устройству сетей заземления и зануления в электроустановках. 3.153. При устройстве заземлений должны быть широко использованы естественные заземлители. В качестве естественных заземлителей рекомендуется использовать: проложенные в земле водопроводные трубы и другие металлические трубопроводы, за исключением трубопроводов горючих жидкостей, горючих или взрывчатых газов и смесей; обсадные трубы скважины; металлические и железобетонные конструкции зданий и сооружений, находящиеся в соприкосновении с землей; свинцовые оболочки кабелей, проложенных в земле (использование алюминиевых оболочек кабелей в качестве естественных заземлителей не допускается). 3.154. Заземлители должны быть связаны с магистралями заземления не менее, чем двумя проводниками, присоединенными к заземлителю в разных местах. Это требование не распространяется на случаи использования заземлителей опор, повторных заземлений нулевого провода и металлических оболочек кабелей. 3.155. Компрессорные цехи, индивидуальные здания и контейнеры газоперекачивающих агрегатов и технологические установки компрессорной станции согласно инструкции по проектированию и устройству молниезащиты зданий и сооружений отнесены ко второй категории по молниезащите. 3.156. Молниезащита зданий и сооружений компрессорной станции от прямых ударов молнии, как правило, должна выполняться отдельно стоящими неизолированными стержневыми молниеотводами или молниеотводами, совмещенными с прожекторными мачтами наружного электрического освещения. 3.157. Защиту от электростатического электричества и электромагнитной индукции следует выполнять согласно требованиям инструкции по проектированию и устройству молниезащиты зданий и сооружений и временных правил защиты от проявлений статического электричества на производственных установках и сооружениях нефтяной и газовой промышленности. Заземляющие устройства указанных защит, как правило, следует совмещать с заземляющими устройствами электротехнических установок. Для технологических установок, не имеющих электротехнических устройств, в качестве заземлителей защиты от электростатического электричества и электромагнитной индукции возможно применение протекторов. 3.158. Эксплуатация электрооборудования компрессорной станции должна выполняться специально обученным обслуживающим персоналом. Численность обслуживающего персонала, его структуру, машины и механизмы предусматривать в соответствии с действующим типовым положением Мингазпрома. Эксплуатация объектов внешнего электроснабжения и границы обслуживания определены «Положением о разработке схем и объектов внешнего электроснабжения магистральных нефтепроводов и газопроводов». 3.159. В проектах компрессорных станций следует предусматривать инвентарные защитные средства, обеспечивающие безопасное ведение эксплуатационно-ремонтных работ в электротехнических установках. Количество защитных средств должно быть принято согласно действующим нормам. Теплоснабжение, отопление и вентиляция3.160. Теплоснабжение и вентиляцию зданий и сооружений магистральных газопроводов следует проектировать в соответствии с требованиями глав СНиП II-33-75, СНиП II-34-76, СНиП II-36-73, СН-433-79, СН-245-71, инструкциями и указаниями по строительному проектированию, «Инструкцией о порядке согласования применения электрокотлов и других электронагревательных приборов». 3.161. В качестве основного источника теплоснабжения на компрессорных станциях, оборудованных агрегатами с газотурбинным приводом, следует предусматривать, как правило, установки утилизации тепла отработанных газов газотурбинных установок. В качестве резервного источника теплоснабжения следует предусматривать котельную. Теплопроизводительность резервной котельной следует принимать 50 % от максимального теплопотребления компрессорной станции. 3.162. При строительстве последующих очередей компрессорных станций с газотурбинным приводом расширения котельной не требуется. 3.163. В качестве основного источника теплоснабжения на компрессорных станциях первой очереди строительства с агрегатами с электроприводом или газомотокомпрессорами следует принимать котельную с учетом ее расширения для последующих очередей строительства. 3.164. Минимальное количество утилизационных теплообменников, использующих тепло отработанных газов газотурбинных установок, устанавливаемых в каждом компрессорном цехе, должно быть на один больше, чем количество резервных агрегатов. Целесообразность установки дополнительных утилизационных теплообменников определяется проектом. Водоснабжение и канализация3.165. Водоснабжение и канализацию объектов магистральных газопроводов следует проектировать в соответствии с требованиями глав СНиП II-31-74, СНиП II-30-76, инструкциями и указаниями по строительному проектированию предприятий, зданий и сооружений нефтяной и газовой промышленности, СН-245-71. 4. СТАНЦИИ ОХЛАЖДЕНИЯ ГАЗАОбщие требования4.1. Станции охлаждения газа предназначены для снижения в теплый период года температуры газа, поступающего из аппаратов воздушного охлаждения компрессорных станций. 4.2. Станции охлаждения газа следует размещать на площадке компрессорной станции с выделением их в отдельную производственную зону. 4.3. Станции охлаждения газа, как правило, следует проектировать на основе парокомпрессионных циклов. Выбор рабочего агента (хладоагента) обосновывается проектом. Турбодетандерные агрегаты с рекуперативными теплообменниками «Газ - газ» следует применять при соответствующем технико-экономическом обосновании. 4.4. В технологической схеме станций охлаждения газа должно быть предусмотрено: а) по транспортируемому газу: охлаждение его до заданных температур в испарителях холодильной установки после предварительной очистки и охлаждения в аппаратах воздушного охлаждения газа компрессорной станции; охлаждение газа в холодный период года только в аппаратах воздушного охлаждения газа компрессорной станции (без испарителей); б) по хладоагенту: компримирование; конденсация; переохлаждение жидкого хладоагента; сепарация паров, поступающих на компримирование; перегрев паров; дросселирование и испарение; вакуумирование; предотвращение вакуума в системе; отделение инертных газов; выделение тяжелых углеводородов (в случае необходимости). В схеме станций охлаждения газа также следует предусматривать: включение в работу резервного оборудования; антипомпажную защиту агрегата; аварийный останов станции; технологические и аварийные дренажные системы; факельное хозяйство; системы приема, хранения и подпитки хладоагента; обеспечение инертным газом. 4.5. На станциях охлаждения газа следует применять турбокомпрессорные агрегаты большой единичной холодопроизводительности 9300 ÷ 18600 кВт (от 8 до 16 млн. ккал/час). 4.6. В технологической схеме компрессорных станций магистральных газопроводов следует предусматривать обвод, обеспечивающий возможность работы станций охлаждения газа при бескомпрессорной подаче газа по газопроводу. 4.7. Исходные данные для проектирования станций охлаждения - расчетную производительность по газу (с указанием возможных изменений), давление газа на входе, потери давления газа на станции, температуру газа после аппаратов воздушного охлаждения газа компрессорной станции, температуру газа на выходе из станций охлаждения следует определять гидравлическим и тепловым расчетом магистрального газопровода. 4.8. Основные расчетные параметры холодильного цикла (температуры испарения и конденсации хладоагента) следует принимать на основе оптимизационных расчетов с учетом технических характеристик принятого оборудования, а также расчетной температуры наружного воздуха. Рекомендуемый перепад температур в испарителе - от 3 до 6 °С, в воздушных конденсаторах - от 8 до 12 °С. 4.9. Расчетную температуру окружающего воздуха для определения холодопроизводительности станции охлаждения газа, расчета холодильного цикла и технологического оборудования следует принимать равной средней максимальной по главе СНиП 2.01.01-82. Холодильная станция должна обеспечить надежную работу при максимальной температуре окружающего воздуха. В этом случае должна снижаться только холодопроизводительность установки по сравнению с номинальной (расчетной). Для компенсации снижения холодопроизводительности в этот период включается резервный агрегат. Расчетная температура воздуха для аппаратов воздушного охлаждения газа, устанавливаемых на компрессорных станциях, определяется п. 3.66 настоящих норм. 4.10. Станции охлаждения газа следует проектировать отдельными секциями на каждый магистральный газопровод параллельной прокладки. Для двух и более магистральных газопроводов следует строить станции охлаждения газа поэтапно. Сооружения производственно-вспомогательного назначения следует проектировать общими для нескольких газопроводов. 4.11. Подключение основного оборудования холодильной установки каждой секции станции охлаждения следует предусматривать по коллекторной схеме. 4.12. Испарители для охлаждения газа следует размещать на площадке станций охлаждения газа. 4.13. На станциях охлаждения газа для каждого газопровода следует предусматривать резерв компрессорных агрегатов, испарителей, воздушных конденсаторов хладоагента, равный 10 %, но не менее 1 шт. 4.14. Общую вместимость линейных ресиверов следует принимать из условия обеспечения запаса хладоагента на время работы от 8 до 12 мин. Геометрический объем одного ресивера должен быть не более 100 м3. 4.15. Скорость хладоагента в технологических трубопроводах следует определять на основании гидравлических и технико-экономических расчетов при потерях давления, не превышающих: во всасывающей линии от испарителей до компрессоров - 0,029 МПа (0,3 кгс/см2); в нагнетательной линии до конденсатора - 0,0098 МПа (0,1 кгс/см2); в воздушных конденсаторах хладоагента - 0,024 МПa (0,25 кгс/см2). Потери давления природного газа в испарителях и обвязке испарителей - не более 0,0697 МПа (0,7 кгс/см2). Необходимо принимать следующие скорости: для паров хладоагента: а) на стороне всасывания - 10 ÷ 12 м/сек; б) на стороне нагнетания - 12 ÷ 15 м/сек; - для жидкого хладоагента в линиях от конденсаторов до ресиверов, от ресиверов до переохладителей и от переохладителей до потребителей холода - не более 0,8 м/сек. 4.16. Потери холода во внешнюю среду следует принимать в пределах от 5 до 7 процентов от номинальной производительности установки. 4.17. Сборные коллекторы всасывания и нагнетания следует располагать вне компрессорного цеха станции охлаждения газа надземно на опорах. Запорную арматуру трубопроводной обвязки компрессоров необходимо размещать на открытой площадке. Управление арматурой следует предусматривать дистанционным. Допускается размещать арматуру в здании компрессорного цеха при дублировании ее арматурой с ручным приводом, размещаемой вне здания. 4.18. Арматура для технологических трубопроводов хладоагента должна быть стальной с расчетным давлением не менее 2,45 МПа. 4.19. Для надежного отключения компрессоров от обвязочных коммуникаций по хладоагенту необходимо предусматривать фланцы для заглушек или люки для установки шаров-разделителей, а также свечи диаметром 25 мм. Люки должны предусматриваться вне зданий (контейнеров) газоперекачивающих агрегатов. Свеча должна предусматриваться между люком и запорным устройством. 4.20. В обвязке каждого компрессора следует предусматривать обводную линию, предохранительные и обратные клапаны на стороне нагнетания и линию сброса паров. Сброс паров хладоагента из обвязочных трубопроводов и компрессора следует предусматривать на факел. Выбросы от дыхательных и суфлирующих свечей следует предусматривать в атмосферу с обеспечением рассеивания газа в соответствии с СН 369-74. 4.21. Регулирующие клапаны следует размещать непосредственно у каждого испарителя. Необходимо предусматривать обводы регулирующих клапанов, оснащенные двумя ручными кранами. 4.22. Оборудование станций охлаждения газа должно соответствовать требованиям «Правил техники безопасности для холодильных машин и установок». 4.23. В компрессорном цехе холодильной установки следует предусматривать грузоподъемные механизмы для выполнения ремонтных работ. 4.24. На всех трубопроводах и аппаратах (как наружных, так и размещаемых в помещении), в которых температура продукта ниже температуры окружающей среды, следует предусматривать тепловую изоляцию. Изолировать трубопроводы и арматуру сброса хладоагента не требуется. 4.25. Толщину изоляции следует определять в соответствии с заданными тепловыми потерями с учетом предотвращения конденсации влаги на поверхность изоляции. Конструкцию тепловой изоляции следует проектировать в соответствии с «Типовыми деталями тепловой изоляции трубопроводов и оборудования». В компрессорных цехах (контейнерах), а также вне их в пределах зоны обслуживания выхлопные трубопроводы и горячие воздуховоды должны быть изолированы. Допустимая температура наружной поверхности изоляции в помещении - не более плюс 45 °С, вне помещения - не более плюс 55 °С. Следует предусматривать защиту наружной поверхности тепловой изоляции трубопроводов кожухом из алюминиевого или оцинкованного стального листа. Вспомогательные системы4.26. Систему технологических дренажей следует предусматривать для сбора жидкого хладоагента из «сухих» отделителей жидкости и обвязочных коммуникаций компрессоров. 4.27. Постоянный отвод жидкости из отделителей жидкости должен выполняться самотеком в специальные сборники на аппаратах или в отдельно стоящие дренажные ресиверы вместимостью от 3 до 5 м каждый. Отвод жидкости из всасывающих и нагнетательных трубопроводов следует предусматривать самотечным в специальный дренажный ресивер. 4.28. Для опорожнения от хладоагента отдельного оборудования или коммуникаций следует принимать установку дренажного ресивера вместимостью, равной максимальной вместимости одного из технологических аппаратов. 4.29. Для опорожнения холодильной установки или отдельных ее элементов во время аварий следует предусматривать аварийный дренажный резервуар вместимостью, равной вместимости наибольшего аппарата. Сброс хладоагента в аварийный дренажный резервуар должен быть самотечным. Резервуар следует размещать вне габаритов установки охлаждения газа, определяемых выступающими частями оборудования или трубопроводов; расстояние от резервуара до установки должно быть не менее 10 м. 4.30. На станциях охлаждения газа следует устанавливать вспомогательный компрессорно-конденсаторный агрегат (для отсоса паров хладоагента из системы, передавливания парами высокого давления жидкого хладоагента и других операций) и вакуум-насос. 4.31. В системе отделения инертов, предназначенной для удаления из холодильного контура неконденсирующихся газов, следует предусматривать отбор газа в следующих точках: на коллекторах обвязки конденсаторов; на линейных ресиверах. 4.32. Следует предусматривать не менее двух отделителей инертов с поверхностью теплопередачи от 10 до 13 м2 каждый. 4.33. Для предотвращения разряжения в аппаратах холодильной установки в холодный период следует обеспечивать подачу инертного или природного газа. Допустимое минимальное давление в системе не должно быть ниже 0,15 МПа (абс.). 4.34. Для удаления накапливающихся в испарителе высококипящих примесей (масла, тяжелых углеводородов и др.) следует предусматривать ресивер вместимостью 10 м с подогревателем для отпарки хладоагента. 4.35. Необходимо предусматривать продувку инертным газом (азотом) всех отключаемых аппаратов или отдельных участков трубопроводов холодильной установки. Применение продуктов сгорания природного газа не рекомендуется. Неснижаемый запас инертного газа должен быть не менее трех объемов наибольшего аппарата станции охлаждения газа. 4.36. Вспомогательные системы компрессорного оборудования (топливного и пускового газа, маслоснабжения, охлаждения масла и воды, аварийного слива масла из агрегатов, воздухоснабжения и др.) следует проектировать в соответствии с требованиями раздела «Компрессорные станции» настоящих норм. Склады хладоагента4.37. Безвозвратные потери хладоагента следует определять согласно «Методическим указаниям по расчету норм расхода хладоагентов», утвержденных Мингазпромом. Объем хладоагента, хранимого на складе, следует определять с учетом возможности его получения и транспортных средств. При доставке хладоагента только водным путем следует предусматривать хранение его годового запаса. 4.38. При работе станций охлаждения газа на смеси хладоагентов необходимо предусматривать резервуары для хранения отдельных компонентов, а также резервуары и установки для приготовления смесей. 4.39. В составе склада следует предусматривать: резервуарный парк для приема и хранения хладоагента; резервуар или баллоны для хранения инертного газа (азота); насосно-компрессорное отделение для разгрузки хладоагента, подачи на станцию охлаждения газа и внутрискладских перекачек; факел либо свечу рассеивания; сливо-наливные устройства (эстакады). 4.40. При проектировании склада хладоагента следует руководствоваться главой СНиП II-37-76. Факельная система4.41. На станции охлаждения газа следует предусматривать факельную систему для отвода и сжигания паров хладоагента, поступающего при срабатывании предохранительных клапанов, а также периодических сбросах при продувках компрессоров, аппаратов и трубопроводов станции охлаждения и склада хладоагента. 4.42. В составе факельной системы следует предусматривать: факельные трубы (факелы); дренажные устройства; газопроводы от установок до факела с системой автоматики; трубопроводы топливного газа, воздуха, инертного газа. 4.43. Диаметр трубопроводов сбросных газов должен определяться с учетом наибольшего сброса газа одной из подключаемых установок станции охлаждения газа одного газопровода или склада хладоагента с коэффициентом 1,2. Наибольший аварийный сброс следует принимать: на станции охлаждения газа - от предохранительных клапанов трех соседних аппаратов с наибольшим сбросом паров; на складе хладоагента - от предохранительных клапанов трех резервуаров. 4.44. Допустимые потери давления в факельной системе (до верха факельной трубы при максимальном сбросе) следует принимать 0,1 МПа. Высоту факела следует определять расчетом, исходя из допустимой поверхностной плотности теплового потока на расстоянии 50 м (на линии ограждения факела), которая не должна превышать 7000 Вт/м2 (6000 ккал/м2·час). Расчет высоты факела следует производить по методике, приведенной в «Нормах технологического проектирования газоперерабатывающих заводов». Высота факела должна быть не менее 30 м. 4.46. Факельные трубы следует предусматривать: с электрозапальным устройством с дистанционным управлением и автоматическим зажиганием факела; с горелками постоянного действия; с огнепреградителем (предпочтительно типа «газостатический затвор»), устанавливаемым под факельной горелкой. Во избежание попадания воздуха в факельную систему должна предусматриваться подача затворного газа в ствол факела. Расчет количества затворного газа следует производить в соответствии с «Нормами технологического проектирования газоперерабатывающих заводов». 4.47. Верхнюю часть факельной трубы (не менее 4 м) необходимо предусматривать из жаропрочной стали с ветрозащитным устройством. На факеле следует предусматривать лестницу с площадками через каждые 6 м и площадку для обслуживания запальных устройств и горелок постоянного действия. 4.48. Трубопроводы для сброса паров хладоагента на факел следует выполнять надземно с уклоном не менее 0,002 по ходу, 0,003 - против хода. При невозможности выполнения одностороннего уклона в наиболее низких точках необходимо предусматривать дренажные устройства. 4.49. Для проведения ремонтных работ на факельных трубопроводах допускается установка задвижек, которые должны быть опломбированы в открытом положении на границе каждой секции станции охлаждения газа или склада хладоагента. 4.50. Обогрев трубопроводов и арматуры сброса хладоагента допускается не проектировать. 4.51. При использовании в качества хладоагента аммиака аварийные сбросы следует направлять в атмосферу через свечи рассеивания, которые следует проектировать в соответствии с СН-369-74. Предохранительные клапаны4.52. На аппаратах и отключаемых участках трубопроводов с жидким хладоагентом станций охлаждения газа и на складах следует устанавливать предохранительные клапаны. На аппаратах следует устанавливать не менее двух предохранительных клапанов (рабочий и резервный). Количество рабочих клапанов определяется расчетом. Количество резервных клапанов принимается равным рабочему. 4.53. Предохранительные клапаны на резервуарах должны устанавливаться, как правило, через переключающий трехходовой кран. 4.54. Сброс от предохранительных клапанов следует предусматривать в факельную систему. 4.55. Расчет предохранительных клапанов на сосудах и аппаратах следует выполнять в соответствии с «Правилами техники безопасности для холодильных машин и установок» с учетом отвода всего количества хладоагента во время пожара. Электроснабжение4.56. Проект электроснабжения станции охлаждения газа необходимо выполнять в соответствии с требованиями раздела «Компрессорные станции» настоящих норм с учетом того, что основные электропотребители станции (компрессорные агрегаты и их системы, конденсаторы пропана, арматура обвязки компрессоров, потребители КИП и А, пожарные насосы, связь, освещение основных помещений, аварийная вентиляция взрывоопасных помещений, котельная) относятся к первой категории. Ко второй категории электроприемников относятся потребители склада хладоагента, насосы водоснабжения и канализации, приточно-вытяжная вентиляция производственных помещений. Системы теплоснабжения, отопления и вентиляции4.57. Проектирование теплоснабжения, отопления и вентиляции зданий и помещений станций охлаждение газа следует выполнять в соответствии с требованиями п. 3.160 настоящих норм. 4.58. Установку утилизаторов тепла на агрегатах предусматривать не следует, учитывая, что в холодный период года станция искусственного охлаждения не работает. Водоснабжение и канализация4.59. Водоснабжение и канализацию станций охлаждения газа следует проектировать в соответствии с требованиями п. 3.165 настоящих норм. Системы контроля и управления4.60. Проектирование систем контроля и управления станций охлаждения газа следует выполнять в соответствии с «Основными положениями по комплексной автоматизации газотранспортных предприятий», отраслевыми руководящими методическими материалами по созданию автоматизированных систем управления технологическими процессами в газовой промышленности и требованиями настоящих норм. 4.61. Станция охлаждения должна иметь централизованное управление и контроль из операторной. Необходимо предусматривать предупредительный сигнал по температуре газа после воздушных холодильников, разрешающий отключение станции охлаждения в зимний период. Величина температуры газа определяется конкретным проектом. 4.62. Основные параметры, характеризующие работу станций охлаждения, должны выноситься на щит центральной диспетчерской всей площадки КС: температура газа на входе и выходе; давление газа; состояние компрессорных агрегатов (включен, выключен); сигнал загазованности и о пожаре; нерасшифрованный предупредительный сигнал и сигнал об аварийных ситуациях. В центральной диспетчерской должна быть также кнопка аварийного останова станций охлаждения газа. 4.63. В контурах хладоагента следует предусматривать контроль температуры и давления с сигнализацией отклонения параметров от нормы. 4.64. Турбокомпрессорные агрегаты станции охлаждения должны оснащаться локальными системами автоматического управления, защиты и контроля. 4.65. Для защиты турбокомпрессорных агрегатов от помпажа следует предусматривать системы антипомпажного регулирования и защиты. 4.66. При проектировании станции охлаждения в составе компрессорной станции следует предусматривать взаимную увязку и блокировку систем автоматизации этих станций. 4.67. Питание цепей автоматического управления, защиты и сигнализации станций охлаждения следует предусматривать: основное - на постоянном токе от выпрямителей; резервное - от аккумуляторной батареи. 5. ГАЗОРАСПРЕДЕЛИТЕЛЬНЫЕ СТАНЦИИ И ПУНКТЫ ИЗМЕРЕНИЯ РАСХОДА ГАЗАГазораспределительные станции5.1. Газораспределительные станции (ГРС) предназначены для подачи газа в заданном количестве с заданным давлением, необходимой степенью очистки и одоризации населенным пунктам, промышленным предприятиям и другим объектам. 5.2. В состав газораспределительной станции входят: а) узлы: отключения станции; очистки газа; редуцирования газа; блок подогрева газа (при необходимости); измерения расхода газа; одоризации газа (при необходимости); б) системы: контроля и автоматики; сбора твердых и жидких примесей из установки очистки (при необходимости). 5.3. Для различных климатических районов, в зависимости от средней температуры наиболее холодной пятидневки и производительности, оборудование газораспределительных станций следует размещать в соответствии с таблицей 4. Таблица 4
5.4. На отдельностоящих газораспределительных станциях здания следует предусматривать с системами отопления, вентиляции, электротехническими устройствами, связью с диспетчером системой телемеханики (при наличии ее на газопроводе); газораспределительная станция должна иметь линию электроснабжения и устройство электрохимической защиты. 5.5. Технологическое оборудование газораспределительной станции до отключающего крана на выходе из нее следует проектировать на максимальное рабочее давление подводящего газопровода. 5.6. В узле отключения газораспределительной станции следует предусматривать: краны с пневмоприводом на газопроводах входа и выхода; обвод, соединяющий газопроводы входа и выхода, оснащенный двумя ручными кранами - первый по ходу газа - отключающий, второй - для ручного регулирования, обеспечивающий кратковременную подачу газа потребителям минуя газораспределительную станцию; предохранительные клапаны с переключающими трехходовыми кранами на каждом выходном газопроводе и свечой для сброса газа; изолирующие фланцы на газопроводах входа и выхода для сохранения потенциала катодной защиты. Узел отключения должен располагаться на расстоянии не менее 10 м от здания газораспределительной станции. 5.7. Очистку газа от твердых и жидких примесей следует производить, как правило, в циклонных пылеуловителях. Количество и тип аппаратов определяется по паспортным данным и техническим условиям завода-изготовителя. В пылеуловителях следует предусматривать автоматический слив жидкости в подземный резервуар. Вместимость резервуара определяется из условия слива жидкости в течение 10 суток, но не менее 10 м3. 5.8. Необходимость в составе ГРС блока подогрева газа и его типоразмер следует определять из условия обеспечения допустимой температуры газа на выходе из ГРС с учетом температуры газа на входе и снижения температуры газа при его редуцировании. 5.9. В зависимости от производительности газораспределительной станции количество редуцирующих ниток следует принимать по расчету, но не менее двух (одна из них резервная). При производительности газораспределительной станции более 100 тыс. м3/ч может предусматриваться дополнительно линия постоянного расхода, содержащая вместо автоматического регулирующего устройства ручной кран или другое дросселирующее устройство. Величина расхода газа по линии постоянного расхода 30 ÷ 40 % от максимальной пропускной способности газораспределительной станции. 5.10. Автоматическая защита редуцирующих ниток осуществляется кранами с пневмоприводами или с помощью контрольных регуляторов. Редуцирующие нитки могут выполняться по следующим схемам (по ходу газа): кран с пневмоприводом, регулятор давления и кран ручной (защита на кране с пневмоприводом); кран ручной, два последовательно установленных регулятора давления, первый контрольный, второй - рабочий (защита контрольным регулятором); кран с пневмоприводом, кран ручной для дросселирования и кран с пневмоприводом (защита кранами с пневмоприводами). 5.11. Узел измерения расхода отпускаемого потребителю газа должен проектироваться в соответствии с «Правилами измерения расхода газов и жидкостей стандартными сужающими устройствами». Измерительные диафрагмы должны устанавливаться после узла очистки до узла редуцирования. На пусковой период на газораспределительных станциях следует предусматривать дополнительные измерительные устройства на расход газа равный от 10 до 20 % проектного. 5.12. Отбор газа на собственные нужды следует предусматривать от выходящего газопровода газораспределительной станции (после одоризации) с редуцированием до 200 мм в. ст. и измерением его расхода. 5.13. Надземные трубопроводы - линии редуцирования и расходомерные нитки (при измерении расхода газа после редуцирования) следует проектировать с виброшумопоглощающей изоляцией. 5.14. Скорость газа в трубопроводах газораспределительной станции не должна превышать 25 м/с. 5.15. Газ, подаваемый в населенные пункты, следует одорировать. Подача одоранта допускается как с автоматической, так и с ручной регулировкой. Автоматическая одоризация устанавливается, как правило, на выходе станции, после обвода. Газ, подаваемый промышленным предприятиям и электростанциям, по согласованию с потребителем и органами Государственного надзора, не одорируется. Для одоризации газа следует применять этилмеркаптан. Расход одоранта - не менее 16 г на 1000 м3 газа (при 20 °С и 101325 Па). 5.16. Автоматизация газораспределительной станции должна осуществляться в соответствии с «Основными положениями по комплексной автоматизации газотранспортных предприятий». 5.17. Автоматическая защита с помощью кранов с пневмоприводом должна обеспечивать: включение в работу резервной нитки при недопустимом отклонении давления газа на выходе рабочей нитки; включение электрической аварийной сигнализации в операторной газораспределительной станции или в доме оператора (при надомном обслуживании) при недопустимом отклонении выходного давления газа. 5.18. Связь газораспределительной станции с диспетчером линейно-производственного управления магистрального газопровода и потребителем следует предусматривать в соответствии с требованиями раздела 6 настоящих норм. 5.19. Электрохимзащиту оборудования и трубопроводов от коррозии следует предусматривать в соответствии с требованиями раздела 7 настоящих норм. 5.20. При наличии телемеханики следует предусматривать контролируемые пункты (КП) системы телемеханики, обеспечивающие: телеизмерение давления, температуры газа на входе и выходе газораспределительной станции и расхода газа по потребителям; телесигнализацию аварии на газораспределительной станции диспетчеру линейно-производственного управления магистрального газопровода и оператору при надомном обслуживании); телесигнализацию контроля работы станции катодной защиты. 5.21. Обслуживание газораспределительной станции следует предусматривать в соответствии с «Правилами технической и безопасной эксплуатации газораспределительных станций магистральных газопроводов». При надомном обслуживании газораспределительной станции следует проектировать служебный дом операторов или предусматривать служебные квартиры в жилом квартале населенного пункта на расстоянии 300 - 1000 метров от газораспределительной станции. 5.22. Питание газораспределительной станции электроэнергией напряжением 380/220 В и должно быть обеспечено по III категории надежности электроснабжения. 5.23. На площадке газораспределительной станции должно быть предусмотрено наружное электроосвещение. Светильники с лампами накаливания следует устанавливать либо на отдельно стоящих опорах, либо на мачтах молниеприемников. Управление наружным освещением - ручное, с распределительного щита 380/220 В здания ГРС, допускается автоматическое управление при централизованной форме обслуживания. 5.24. На площадке газораспределительной станции должен быть предусмотрен контур заземления - общий для заземления электроустановок и технологического оборудования. В качестве заземлителей могут использоваться протекторные установки. 5.25. Защита газораспределительной станции от прямых ударов молнии должна быть выполнена в соответствии с требованиями «Инструкции по проектированию и устройству молниезащиты зданий и сооружений» отдельно стоящими неизолированными стержневыми молниеотводами. 5.26. Защита от электростатического напряжения и электромагнитной индукции должна быть выполнена в соответствии с требованиями «Инструкции по проектированию и устройству молниезащиты зданий и сооружений», а также «Временных правил защиты от проявлений статического электричества на производственных установках и сооружениях нефтяной и газовой промышленности». Пункты измерения расхода газа5.27. Пункты измерения расхода газа предназначены для измерения расхода газа на газопроводах, регистрации результатов измерений и передачи данных, при необходимости, в систему телемеханики для нужд диспетчерской службы, пункты измерения расхода газа, подразделяются на хозрасчетные и контрольные в соответствии с классификацией, принятой в отраслевых нормативных документах, данные измерений хозрасчетных пунктов принимаются для взаимных хозрасчетных операций между поставщиком и потребителем газа. 5.28. Пункты измерения газа следует размещать на границах между производственными объединениями, в пределах охранных кранов, до или после компрессорной станции. Расстояние от пунктов измерения расхода газа до магистральных газопроводов принимать в соответствии с требованиями раздела 9 настоящих норм. 5.29. Расстояния от пунктов измерения расхода газа до населенных пунктов, промышленных предприятий, зданий и сооружений следует принимать в соответствии с требованиями СНиП 2.05.06-85 по аналогии с газораспределительными станциями. 5.30. Пункт измерения расхода газа устанавливается на обводе газопровода. На газопроводе следует устанавливать один, а на обводе - два отключающих крана с местным и дистанционным управлением. 5.31. В проекте необходимо предусматривать минимальное количество измерительных ниток. Измерительные нитки и диафрагмы следует размещать на открытой площадке. В северной строительно-климатической зоне установку измерительных диафрагм следует предусматривать в помещении. 5.32. Приборы КИП и средства телемеханики следует размещать в отапливаемых блок-боксах. Импульсные линии следует теплоизолировать. 5.33. В конструкции измерительных ниток следует предусматривать компенсацию температурных напряжений, а также возможность ревизий диафрагм и прямых участков в соответствии с требованиями ГОСТ 8.002-71. 5.34. Выбор средств измерения и их монтаж следует производить в соответствии с требованиями действующих нормативно-технических документов: «Правил измерения расхода газов и жидкостей стандартными сужающими устройствами»; Положения по измерению и учету газа на газодобывающих и газотранспортных предприятиях Мингазпрома»; «Основных положений по комплексной автоматизации газотранспортных предприятий»; «Типизированного ряда технологических схем пунктов измерения расхода газа для систем магистральных газопроводов». 5.35. Для измерения расхода газа необходимы следующие средства измерения: диафрагма; самопишущий дифманометр или измерительный преобразователь перепада; самопишущий манометр или измерительный преобразователь избыточного давления; барометр; самопишущий термометр или измерительный преобразователь температуры; влагомер или измерительный преобразователь влажности газа; измерительный преобразователь плотности газа при нормальных условиях; планиметры (пропорциональный, корневой, полярный); вычислительное устройство (при автоматическом учете газа при рабочих параметрах). 5.36. Обслуживание пунктов измерения расхода газа должно быть периодическим. Информация о работе пунктов измерения расхода газа в объеме, установленном отраслевыми руководящими материалами, должна передаваться в диспетчерский пункт производственного объединения по каналам системы телемеханики. Пункт измерения расхода газа должен иметь телефонную связь с компрессорной станцией. 5.37. Электроснабжение, электроосвещение, защитное заземление (зануление), молниезащиту, защиту от статического и индукционного электричества пунктов измерения расхода газа следует предусматривать в соответствии с требованиями для газораспределительных станций. 5.38. Между пунктом измерения расхода газа и КС должна предусматриваться пешеходная дорожка переходного типа. 6. СВЯЗЬ6.1. При проектировании зданий и сооружений связи следует руководствоваться главами СНиП II-90-81, СНиП 2.05.06-8, ведомственными нормами технологического проектирования Министерства связи СССР и другими нормативными документами, утвержденными в установленном порядке. В состав оперативно-технологической связи входят: центральная диспетчерская связь; районная диспетчерская связь; линейная диспетчерская связь; связь сетевых совещаний; передача данных для центральной и линейной телемеханики; передача данных для автоматизированных систем управления; внутриобъектная связь на промышленных площадках. В состав общетехнологической связи входят: дальняя телефонная и телеграфная связь; местная телефонная связь. 6.3. В составе центральной диспетчерской связи следует предусматривать: телефонную связь Центрального диспетчерского управления ЕСГ СССР Мингазпрома с диспетчерскими пунктами Главков и объединений, подчиненных непосредственно Министерству; телефонную связь Главков и объединений, подчиненных непосредственно Министерству, с диспетчерами и операторами подчиненных объединений, головных сооружений, линейно-производственных управлений, компрессорных станций, подземных хранилищ газа. Подключение всех абонентов к каналам должно быть параллельное. Для центральной диспетчерской связи следует предусматривать некоммутируемые четырехпроводные каналы тональной частоты систем передачи. 6.4. В составе районной диспетчерской телефонной связи следует предусматривать телефонную связь диспетчера линейного производственного управления с диспетчерами компрессорных станций, аварийно-ремонтных пунктов, линейно-эксплуатационных служб, газораспределительных станций, пунктов измерения расхода газа, подземных хранилищ газа. Все абоненты системы диспетчерской связи следует включать параллельно. Районную диспетчерскую связь следует предусматривать: по каналам тональной частоты систем передачи, каналам низкой частоты или физическим цепям кабельных или воздушных линий связи; по каналам радиорелейных линий связи совместно с ультракоротковолновыми радиостанциями; по каналам низкой частоты и физическим цепям кабельных линий связи совместно с ультракоротковолновыми радиостанциями (радиокабельная система связи); по каналу низкой частоты, совмещенному с каналом линейной телемеханики, оборудованному специальными разделительными фильтрами. Используемые каналы - некоммутируемые. 6.5. В состав линейной диспетчерской связи входят: телефонная (радиотелефонная) связь транспортных средств ремонтных бригад, находящихся на трассе газопровода с диспетчером линейно-производственного управления или оператором компрессорной станции; связь между ремонтными бригадами работающих на трассе газопровода; соединение с системой линейной диспетчерской связи смежного линейно-производственного управления; соединение канала линейной диспетчерской связи с каналами связи смежных линейно-производственных управлений; соединение канала линейной диспетчерской связи с каналом телефонной связи и выходом на местную телефонную связь. Линейную диспетчерскую связь следует предусматривать: по каналам низкой частоты кабельных линий связи совместно с ультракоротковолновыми радиостанциями (радиокабельная система связи); по каналам радиорелейных линий связи совместно с ультракоротковолновыми радиостанциями; с помощью одноканальных радиорелейных линий связи; с помощью ультракоротковолновых радиостанций. 6.6. Связь сетевых совещаний следует предусматривать для организации совещаний по всей газопроводной сети Мингазпрома. Связь совещаний следует предусматривать, как правило, по четырехпроводной схеме с использованием каналов дальней телефонной связи, переключаемых на время совещаний с аппаратуры телефонных станций на аппаратуру связи совещаний. На отдельных участках для связи совещаний допускается использовать каналы низкой частоты и физические цепи кабельных и воздушных линий связи. Для проведения совещаний следует предусматривать помещение для студии. 6.7. Передачу данных для центральной телемеханики и автоматических систем управления следует предусматривать по типовым каналам проводными или радиорелейными системами передачи. 6.8. Передачу данных для линейной телемеханики следует предусматривать: по каналам тональной частоты систем передачи, каналам низкой частоты или физическим цепям кабельных и воздушных линий связи; по каналам радиорелейных систем передачи совместно с ультракоротковолновыми радиостанциями или физическими цепями; по каналам низкой частоты кабельных линий связи (радиокабельная система связи). 6.9. Внутриобъектную связь следует предусматривать между абонентами, находящимися в пределах одной промышленной площадки. Кроме перечисленных в пункте 6.2 настоящих норм видов связи следует также предусматривать: радиофикацию; производственную громкоговорящую связь; электрочасификацию; охранную и пожарную сигнализацию. Примечания. 1. На компрессорных станциях необходимо предусматривать связь диспетчера с узлом подключения. 2. Автоматическую охранную сигнализацию зданий и сооружений объектов магистральных газопроводов следует предусматривать согласно «Перечня зданий и сооружений, подлежащих оборудованию автоматической охранной сигнализацией», утвержденного Мингазпромом. 3. Приемную станцию автоматической охранной сигнализации следует размещать в помещении проходной с выводом дублирующего сигнала в помещение диспетчера (оператора). 4. Пожарную сигнализацию следует предусматривать в соответствии с разделом 9 настоящих норм. 6.10. Дальнюю телефонную и телеграфную связь следует предусматривать между: Мингазпромом и объединениями; абонентами (линейно-производственным управлением, компрессорной станцией, аварийно-ремонтным пунктом, линейно-эксплуатационной службой, головные сооружения) и объединениями; смежными абонентами (линейно-производственное управление, компрессорные станции); линейно-производственным управлением и компрессорной станцией, аварийно-ремонтным пунктом, линейно-эксплуатационной службой, входящими в состав линейно-производственного управления. Систему телефонной связи следует проектировать автоматической или полуавтоматической. Дальнюю телефонную и телеграфную связь необходимо предусматривать по типовым каналам тональной частоты. 6.11. Местную телефонную связь для служебных переговоров следует предусматривать в объединениях в линейно-производственных управлениях магистральных газопроводов, на компрессорных станциях, аварийно-ремонтных пунктах и др. Для выхода на общегосударственную телефонную сеть следует предусматривать соединительные линии связи к ближайшим АТС Министерства связи СССР либо установку прямых абонентов АТС Министерства связи СССР. 6.12. Связь газораспределительных станций с потребителем газа следует предусматривать при помощи телефонной сети Министерства связи СССР. Проектирование этой связи выполняется потребителем газа и в проекте газопровода не учитывается. 6.13. Количество каналов, необходимых для организации технологической связи, приведено в таблице 5. Таблица 5
Примечания. 1. При обслуживании станции дальней и местной связи, кроме подразделений магистральных газопроводов и других организаций Мингазпрома, потребное количество каналов общетехнологической связи определяется расчетом. 2. При проектировании автоматизированной системы управления канал телеграфной связи предусматривать не требуется. 3. В графе «Количество каналов» в числителе указано количество каналов для одного газопровода, в знаменателе - для системы газопроводов. 4. Количество каналов для центральной телемеханики и системы управления может быть увеличено (определяется структурой системы управления и количеством передаваемой информации). 5. Для компрессорных станций и пунктов замера газа, расположенных у границ двух объединений, необходимо предусматривать канал передачи данных для автоматизированной системы управления к каждому объединению. 6.14. Тип линии связи (кабельная, радиорелейная, смешанная), тип системы передачи, количество систем передачи и другие технические решения по устройствам связи определяется при конкретном проектировании технологической связи магистрального газопровода. 7. ЭЛЕКТРОХИМИЧЕСКАЯ ЗАЩИТАОбщие требования7.1. На магистральных газопроводах следует предусматривать комплексную защиту от подземной коррозии защитными покрытиями и средствами электрохимической защиты. 7.2. Электрохимическую защиту следует проектировать в соответствии с требованиями ГОСТ 25812-83, ГОСТ 9.010-74 и требованиями СНиП 2.05.06-85, «Правилами устройства электроустановок (ПУЭ)», «Инструкцией по проектированию и расчету электрохимической защиты магистральных трубопроводов и промысловых объектов», «Руководством по проектированию и защите от коррозии подземных металлических сооружений связи», «Инструкцией по электрохимической защите подземных трубопроводов в северных районах и Западной Сибири», «Руководством по применению средств электрозащиты от почвенной коррозии на низкотемпературных газопроводах». 7.3. В составе системы электрохимической защиты следует предусматривать установки электрохимической защиты и контрольно-измерительные пункты. 7.4. Для защиты магистральных газопроводов от почвенной коррозии следует проектировать установки катодной защиты. Установки протекторной защиты допускается проектировать на отдельных участках газопровода. 7.5. Для защиты силовых кабелей, защитных заземлений оборудования на промплощадках КС и защитных кожухов магистральных газопроводов следует проектировать установки протекторной защиты. 7.6. Для защиты магистральных газопроводов от блуждающих токов следует проектировать установки дренажной защиты. Допускается применение установок катодной защиты с автоматическим поддержанием защитного потенциала, а также установок протекторной защиты. 7.7. Для устранения вредного влияния катодной поляризации защищаемого сооружения на смежные коммуникации следует предусматривать: совместную электрохимическую защиту; раздельную электрохимическую защиту; удаление анодных заземлений установок катодной защиты от смежных коммуникаций. 7.8. При проектировании совместной электрохимической защиты следует предусматривать электрические перемычки между защищаемой и смежной коммуникациями. Электрическую перемычку следует подключать через блок совместной защиты. Перемычки на параллельных трубопроводах следует проектировать только в точках дренажа катодных станций. 7.9. Раздельную электрохимическую защиту следует предусматривать: при расстояниях между смежными газопроводами более 50 м; при необходимости защиты участка каждого газопровода постоянным током более 10 А. 7.10. Анодное заземление (для устранения его вредного влияния) следует размещать на расстоянии не менее 100 м от смежных подземных коммуникаций. Установки катодной защиты7.11. На начальный момент включения установок катодной защиты следует предусматривать не менее 50 % запас напряжения и тока преобразователя. Минимальную загрузку преобразователя по мощности следует предусматривать не менее 25 % от номинальной. 7.12. На подземном участке газопровода, примыкающем к надземному, а также на коррозионно-опасном участке следует предусматривать загрузку преобразователя установки катодной защиты на 10-й год эксплуатации не более, чем на 60 % его номинальной мощности, но не более, чем на 80 % его номинального тока. 7.13. В грунтах с удельным электросопротивлением менее 150 Ом·м в точке дренажа установки катодной защиты следует предусматривать неполяризующийся электрод сравнения длительного действия и датчик электрохимического потенциала. 7.14. Не допускается проектировать включение нескольких установок катодной защиты с различными точками дренажа на одно анодное заземление. 7.15. На газопроводах в микроклиматическом районе с холодным климатом монтаж преобразователей катодной защиты предусматривать в блок-боксах или иных помещениях, защищающих преобразователи от воздействия низких температур, обледенений, заносов снегом. На остальных газопроводах необходимо предусматривать преобразователи, смонтированные в блочных устройствах типа УКЗВ и УКЗН; допускается предусматривать монтаж преобразователей на специальных фундаментах, анкерных опорах и т.п. 7.16. Анодные заземления нескольких установок катодной защиты, установленных в одном месте, следует размещать на расстоянии не менее 50 м друг от друга. 7.17. Для подземной прокладки в цепях установок катодной защиты следует применять кабель марок АВВГ, АПВГ, ААШв. Применять для подземной прокладки установочные провода марок АПВ, ПВ и др. не допускается. 7.18. В установках катодной защиты для защиты линейной части газопровода и подземных коммуникаций площадок компрессорных станций при сопротивлении верхнего слоя грунтов до 100 Ом·м следует предусматривать поверхностные сосредоточенные анодные заземления и (или) рассредоточенные анодные заземления. 7.19. Сосредоточенные анодные заземления следует размещать на расстоянии не менее 200 м от трассы защищаемой линейной части газопровода и не менее 70 м от подземных коммуникаций площадки компрессорной станции. Расстояние между электродами сосредоточенных анодных заземлений следует проектировать не менее двух длин электродов, между рядами - не менее 1/4 длины ряда. 7.20. Электроды рассредоточенного анодного заземления следует размещать вдоль защищаемых трубопроводов на расстоянии 5 м от них; расстояние между центрами электродов должно быть не менее 4 м. 7.21. При мощности верхнего слоя грунта до 5 м с удельным электрическим сопротивлением более 100 Ом·м следует проектировать глубинное анодное заземление свайного типа. При мощности верхнего слоя грунта более 5 м с удельным электрическим сопротивлением более 100 Ом·м следует проектировать глубинное анодное заземление скважинного типа. 7.22. В засоленных и обводненных грунтах следует предусматривать электроды с ферросилидовым рабочим стержнем типа (АК-3, ДОН-МХТИ) или графитопластовые электроды (типа ЭГТ). Применять электроды с металлическим рабочим стержнем (типа АК-1) в этих условиях не допускается. Установки протекторной защиты7.23. Для установок протекторной защиты следует предусматривать: при удельном электрическом сопротивлении грунтов до 50 Ом·м - группу стержневых протекторов; при удельном электрическом сопротивлении от 50 до 300 Ом·м - протяженные протекторы. Примечание. В грунтах с удельным электрическим сопротивлением менее 50 Ом·м при ограничении величины тока протектора допускается предусматривать протяженные протекторы. 7.24. Защитный кожух на переходах газопровода следует защищать установками протекторной защиты при сопротивлении грунтов менее 20 Ом·м. В грунте с сопротивлением выше 20 Ом·м необходимость установки протекторов определяется в процессе эксплуатации защитных кожухов. Установки дренажной защиты7.25. В местах сближения до 2 км и (или) пересечения источника блуждающих токов с магистральным газопроводом со знакопеременной или анодной зоной следует проектировать установки дренажной защиты. 7.26. Поляризованные установки дренажной защиты следует предусматривать при дренировании блуждающего тока на его источник - рельсовые пути или отсасывающие шины тяговых подстанций постоянного тока. 7.27. Усиленные установки дренажной защиты следует предусматривать в анодных или знакопеременных зонах газопровода, образованных несколькими источниками блуждающих токов, либо действием одного источника при недостаточной разности потенциалов источника по отношению к земле. Усиленные установки дренажной защиты следует подсоединять к рельсовым путям электрифицированного транспорта на постоянном токе. Присоединение усиленных установок дренажной защиты на отсасывающие линии тяговых подстанций или на смежные подземные сооружения проектировать не допускается. 7.28. Установки дренажной защиты следует проектировать с учетом, что среднечасовой ток всех установок дренажной защиты, подключенных электрически к одной тяговой подстанции, не должен превышать 20 % общей нагрузки подстанции. Контрольно-измерительные пункты7.29. Контрольно-измерительные пункты следует предусматривать для контроля электрохимической защиты на магистральном газопроводе. Площадь сечения контрольного проводника от газопровода следует предусматривать не менее 10 мм2 (по алюминию). 7.30. В местах пересечения газопровода с другими подземными металлическими коммуникациями следует проектировать контрольно-измерительные пункты с блоком совместной защиты. 7.31. Контрольно-измерительные пункты на подземных коммуникациях компрессорных станций следует проектировать: через 25 - 50 м на коммуникациях длиной более 50 м; в местах пересечения подземных коммуникаций; в местах изменения направления коммуникации (при ее длине более 50 м); в местах сближения до 100 м подземных коммуникаций с сосредоточенными анодными заземлениями, а с глубинными анодными заземлениями - до 50 м. При наличии электрического контакта с подземными коммуникациями предусматривать контрольно-измерительные пункты не требуется. 7.32. Контрольный вывод контрольно-измерительного пункта следует присоединять к трубе в точке дренажа на расстоянии не менее 6 м от места присоединения дренажного кабеля установки катодной или дренажной защиты. 8. НОРМАТИВНЫЕ ТЕХНОЛОГИЧЕСКИЕ ПОКАЗАТЕЛИНормы размещения и нормы рабочей площади на агрегат8.1. Рабочая площадь и объем зданий газоперекачивающих агрегатов определяется из условий обеспечения выполнения всех операций по обслуживанию, ремонту с раскладкой узлов и деталей агрегата и замене установленного оборудования (по согласованию с заводом-изготовителем газоперекачивающих агрегатов) с помощью соответствующих подъемно-транспортных средств (кранов, талей, кран-балок и т.п.), а также строительными конструкциями. 8.2. Максимально допустимая площадь общих зданий для газоперекачивающих агрегатов определяется в соответствии со СНиП II-90-31. Нормы расхода основных и вспомогательных материалов8.3. Расходные показатели для основных типов отечественных газоперекачивающих агрегатов приведены в таблице 6. Все показатели в таблице приведены для одного рабочего агрегата компрессорного цеха (без учета вспомогательного оборудования - вентиляции, отопления, освещения и т.п.). Показатели расхода топливного газа следует принимать в соответствии с требованиями раздела 12 настоящих норм. Таблица 6
Примечания. 1. Для агрегата ГПУ-10 значение числителя относится к турбине, знаменателя - к нагнетателю. 2. По мере совершенствования газоперекачивающих агрегатов расходные показатели, принимаемые при проектировании, следует уточнять по соответствующим техническим условиям на агрегаты и данным ПО «Союзоргэнергогаз». Нормативы складских и подсобных помещений8.4. Площадь, объем и набор складских и подсобных помещений компрессорных станций следует определять в соответствии с утвержденными Госстроем СССР типовыми проектными решениями унифицированных компрессорных станций с различными типами газоперекачивающих агрегатов. Фонд времени и режим работы рабочих, ИТР и служащих8.5. Режим труда следует устанавливать в соответствии с необходимым регламентом обслуживания производственных объектов и уровнем автоматизированного управления, предусмотренным проектом объекта. 8.6. Суточный и недельный режимы труда и отдыха на предприятиях магистральных газопроводов с непрерывным (рабочие и служащие, связанные с транспортом газа) и периодическим (ремонтно-восстановительная служба, административно-технический персонал и т.д.) процессами производства устанавливаются в соответствии с графиками сменности. 8.7. Для периодических и непрерывных производств, при пятидневной рабочей неделе, следует устанавливать режим работы в соответствии с трехсменным четырехбригадным графиком с пятидневным рабочим периодом, утвержденным Постановлением Государственного комитета по вопросам труда и заработной платы Совета Министров СССР и Президиума ВЦСПС от 8 апреля 1967 г. № 180. 8.8. Данный график при семичасовом рабочем дне (годовой фонд рабочего времени - 1836 ч) и восьмичасовой смене - четырехбригадный, по которому каждая бригада (рабочий) после пятидневной работы в данной смене переходит в следующую смену, при этом количество часов отдыха при переходе из первой во вторую и из второй в третью смену составляет 48 ч., из третьей в первую смену - 72 ч. 8.9. Для лиц, занятых в периодическом производстве (ремонтно-восстановительные цеха и административно-технический персонал), работающих в одну и две смены, принят пятидневный недельный график с продолжительностью рабочей недели - 41 ч (при этом годовой фонд рабочего времени - 2088 ч). 8.10. Для работников, связанных с периодическим выездом на трассу газопровода (линейных трубопроводчиков, монтеров связи, электромонтеров по катодной защите, шоферов спецмашин), следует устанавливать суммированный учет рабочего времени, при котором продолжительность рабочего дня в отдельные периоды может превышать установленную для данного управления, с предоставлением в последующем дополнительных дней отдыха за допущенную переработку. По согласованию с профсоюзной организацией может быть установлен месячный и квартальный суммированный учет рабочего времени. Уровень автоматизации технологических процессов8.11. Автоматизацию компрессорных станций необходимо осуществлять в соответствии с требованиями интенсификации использования и повышения надежности работы основного и вспомогательного оборудования компрессорной станции, уменьшения затрат топливно-энергетических ресурсов, повышения эффективности и оперативности диспетчерского управления на уровне компрессорной станции, а также оперативности и достоверности обмена необходимой информацией с вышестоящим уровнем управления. 8.12. Уровень автоматизации компрессорной станции должен обеспечивать: автоматическое управление и защиту всех объектов в компрессорной станции; поддержание заданных величин давления и температуры газа на выходе компрессорной станции по шлейфам; контроль состояния основного и вспомогательного оборудования компрессорной станции и прилегающих участков газопровода (в границах охранных кранов); централизованный сбор, первичную обработку информации по объектам компрессорной станции и прилегающих участков газопровода, а также автоматическую подготовку этой информации для передачи на центральный диспетчерский пункт газопровода по каналам телемеханики и каналам аппаратуры передачи данных; улучшение условий труда и повышение технической культуры обслуживающего персонала при управлении производством. Нормы выброса вредных отходов8.13. Нейтрализацию вредных свойств газовых выбросов следует предусматривать в соответствии с требованиями указаний по расчету рассеивания в атмосфере вредных веществ, содержащихся в выбросах предприятий. 8.14. Количество технологических сбросов из газопроводов и оборудования компрессорных станций не нормируется. Использование основного оборудования компрессорных станций8.15. Режим эксплуатации основного технологического оборудования - круглосуточный. При наличии резерва среднее число часов работы установленного оборудования определяется по формуле:
где: Тр - наработка единицы установленного оборудования, ч; Тк - календарное время расчетного периода, ч; nр - необходимое количество рабочих единиц оборудования, шт.; nу - количество установленных единиц оборудования, шт.;
8.16. Среднее количество часов работы в году вспомогательного технологического оборудования с периодическим режимом эксплуатации приведено в таблице 7. Таблица 7
Нормы запасов основных и вспомогательных материалов для магистральных газопроводов8.17. Для обеспечения высокой эксплуатационной надежности магистрального газопровода в течение всего времени его работы следует предусматривать аварийный запас труб, трубопроводной арматуры, соединительных деталей, станций катодной защиты и других материалов. 8.18. Аварийный запас используется для срочной ликвидации аварий на газопроводе. По мере использования аварийный запас подлежит немедленному восполнению в установленных объемах, но не ниже нормируемого неснижаемого запаса труб, арматуры, соединительных деталей и других материалов. 8.19. Нормы аварийного запаса труб следует предусматривать для нормальных и сложных условий прохождения газопровода. Сложные условия характеризуются одним из следующих признаков: наличием вечномерзлых или коррозионно-активных грунтов, болот, пустынь, повышенной сейсмичностью района прохождения газопровода, отсутствием развитой дорожной сети в соответствии с главой СНиП II-4-79 «Автомобильные дороги. Нормы проектирования». 8.20. Нормы аварийного запаса труб для газопроводов, в процентах от протяженности газопроводов в однониточном исчислении, приведены в таблице 8. Таблица 8
8.21. Аварийный запас соединительных деталей для газопроводов (на 100 км газопровода в однониточном исчислении) приведен в таблице 9. При различных диаметрах и рабочих давлениях в газопроводах, проходящих в одном техническом коридоре, соединительные детали принимаются для максимального проектного рабочего давления и диаметра газопровода. Таблица 9
Примечание. В комплект отводов машинного гнутья входят по два отвода 3°, 6°, 9°, 12°, 18° и по одному отводу 24°, 36°, 45°. 8.22. При наличии на газопроводе узлов очистки, независимо от числа ниток и протяженности участка, следует предусматривать аварийный запас камер запуска и приема очистных устройств - по одному комплекту каждого типоразмера на каждое производственное объединение по транспортировке газа. 8.23. Аварийный запас газовых кранов для газопроводов в зависимости от основного диаметра газопровода (на 100 км газопровода в однониточном исчислении) приведен в таблице 10. Каждый типоразмер крана для линейной части газопровода следует поставлять в комплекте с переходными кольцами. Таблица 10
Примечание. Способ установки крана (подземный, надземный) определяется в проекте. 8.24. Аварийный запас грунтовки или материалов для ее приготовления для газопроводов (на 100 км трассы газопровода в однониточном исчислении, в тоннах) приведены в таблице 11. Тип или марка грунтовки, изоляционных и оберточных материалов принимаются в соответствии с проектом. Таблица 11
Примечания. 1. В запас входят и хранятся либо готовая грунтовка, либо битум и бензин раздельно. 2. При применении импортных полимерных изоляционных лент нормы запаса клеевой грунтовки следует увеличить на 10 %. 8.25. Аварийный запас изоляционных материалов на битумной основе (МБР, битумно-полимерных, битумно-минеральных) и пленочных (полиэтиленовых, поливинилхлоридных отечественного производства и импортных), а также защитных оберточных материалов для газопроводов (на 100 м трассы газопровода в однониточном исчислении, в тоннах) приведены в таблице 12. Таблица 12
Примечание. Аварийный запас изоляционных и оберточных лент приведен при толщине лент 0,5 мм. 8.26. Замену неиспользованного аварийного запаса изоляционных материалов необходимо производить по истечении 75 % времени их допустимого хранения в соответствии с действующими нормативными материалами. 8.27. Аварийный запас разных материалов для газопроводов (на 100 км трассы газопровода в однониточном исчислении) приведены в таблице 13. Таблица 13
Примечания. 1. В таблице приведено количество очистных устройств каждого типоразмера. 2. В аварийной машине хранятся: 2 баллона кислорода, 1 баллон пропана, электроды, 1 банка крановой смазки, по 1 очистному устройству каждого типоразмера. 8.28. Аварийный, в том числе неснижаемый запас труб, соединительных деталей, трубопроводной арматуры, изоляционных и разных материалов подлежит хранению на складах линейно-эксплуатационных служб, в аварийных машинах или других местах складирования по усмотрению линейно-эксплуатационной службы. Для каждой линейно-эксплуатационной службы аварийный и неснижаемый запас следует определять пропорционально протяженности газопроводов соответствующего диаметра по нормативным показателям, указанным в таблицах. 8.29. Неснижаемый запас труб для газопроводов (в процентах от протяженности газопроводов в однониточном исчислении) приведены в таблице 14. Таблица 14
8.30. Неснижаемый запас кранов для газопроводов (в зависимости от основного диаметра и средней протяженности газопроводов) приведен в таблице 15. Таблица 15
Примечание. Способ установки крана (подземный, надземный) определяется в проекте. 8.31. Неснижаемый запас компонентов (в тоннах) для противокоррозийной изоляции, соединительных деталей и разных материалов для газопроводов приведены соответственно в таблицах 16, 17 и 18 в зависимости от диаметров газопроводов. При этом средняя протяженность газопроводов в однониточном исчислении, обслуживаемых одной ЛЭС, составляет 500 км. Таблица 16
Примечания. 1. В запас входят и хранятся либо готовая грунтовка, либо битум и бензин раздельно. 2. В случае применения импортных изоляционных лент нормы увеличиваются на 10 %. Таблица 17
Таблица 18
8.32. Номенклатура, нормативы места и условия хранения, использования и возобновления аварийного и неснижаемого запасов материалов и запасных частей для оборудования компрессорных станций определяется специальными нормативными документами, утверждаемыми Министерством газовой промышленности. 9. ПРОТИВОПОЖАРНЫЕ ТРЕБОВАНИЯОбщие положения9.1. Настоящие противопожарные требования отражают специфические особенности технологического проектирования магистральных газопроводов. 9.2. Категории производства по взрывной, взрывопожарной и пожарной опасности, а также класс взрыво-пожароопасных зон и группы взрывоопасной смеси приведены в приложении 1 настоящих норм. Если при применении, производстве или хранении новых неорганических, органических и полимерных веществ и материалов возможно выделение взрыво- и пожароопасных газов, паров и пыли, то категории производств по взрывной, взрыво-пожарной и пожарной опасности определяются в установленном порядке на основании результатов специальных исследований (постановление Госстроя СССР от 25 декабря 1972 г. № 213). 9.3. Вдоль трассы газопровода, а также вокруг компрессорных и газораспределительных станций, пунктов измерения расхода газа и узлов редуцирования газа следует предусматривать охранные зоны в соответствии с требованиями «Правил охраны магистральных газопроводов». 9.4. Противошумовая и тепловая изоляция на объектах магистральных газопроводов должна выполняться из несгораемых материалов. 9.5. Противопожарное водоснабжение и канализацию предприятий, зданий и сооружений магистральных газопроводов следует проектировать в соответствии с главами СНиП II-31-74, СНиП II-32-74, СНиП II-30-76, СНиП II-106-79, СН-433-79. 9.6. Расход воды на наружное пожаротушение определяется расчетом по СНиП II-31-74. Суммарный расход воды на внутреннее и наружное пожаротушение на компрессорных станциях следует принимать не менее 25 л/с. Линейные сооружения9.7. При проектировании пересечения и сближения газопроводов с воздушными линиями электропередач следует руководствоваться требованиями главы 11-5 «Правил устройства электроустановок» (ПУЭ). 9.8. Минимальное расстояние от продувочных свечей газопровода до воздушных линий электропередач, входящих в состав сооружений магистральных газопроводов, следует принимать равными высоте наиболее высокой опоры плюс 3 м. 9.9. Расстояние от амбаров для слива продуктов очистки газопровода следует принимать, не менее: узла очистки газопровода - 200 м; до компрессорной станции при благоприятном направлении господствующих ветров - 500 м; до компрессорной станции при неблагоприятном направлении господствующих ветров - 1000 м. Примечание. Амбар не допускается размещать между узлом подключения компрессорной станции и ее оградой. Производственные здания и сооружения9.10. Генеральный план компрессорных станций, пунктов измерения расхода газа следует проектировать в соответствии с требованиями глав СНиП II-89-80, СНиП II-106-79, СНиП 2.05.06-85, СН-433-79, правил устройства электроустановок. 9.11. В помещениях, где устанавливаются газоперекачивающие агрегаты, не допускается размещать аппаратуру и оборудование, технологически или конструктивно не связанное с газоперекачивающими агрегатами. 9.12. Масляное хозяйство компрессорного цеха допускается размещать в отдельном помещении в соответствии с требованиями СНиП II-106-79. 9.13. Выходы из производственных помещений в сторону наружных взрыво- и пожароопасных установок следует считать эвакуационными, если расстояние от выхода до оборудования и сооружений наружной установки, кроме эстакад для трубопроводов, не менее 10 м. 9.14. Не допускается размещать помещения душевых, санитарных узлов, ванн и помещения с мокрыми технологическими процессами над помещениями диспетчерских пунктов и аппаратными. 9.15. На вводах импульсных трубопроводов с горючими и взрывоопасными средами в помещения двигателей газоперекачивающих агрегатов, операторные газораспределительных станций и другие помещения категории «Г» следует устанавливать, вне этих помещений, разделительные сосуды. Импульсные трубопроводы от разделительных сосудов к приборам и аппаратам КИП следует заполнять незамерзающей жидкостью, не растворяющей измеряемый продукт и не смешивающейся с ним. 9.16. Во взрывоопасных помещениях компрессорных цехов и насосных легковоспламеняющихся жидкостей и горючих газов следует предусматривать установку газоанализаторов и сигнализаторов довзрывоопасных концентраций, срабатывающих при содержании взрывоопасных газов или паров в воздухе помещений, достигающем 20 % нижнего предела воспламенения. При срабатывании газоанализаторы должны автоматически включать аварийную вентиляцию, световую и звуковую сигнализацию, извещающую о повышенной концентрации взрывоопасных паров и газов в воздухе помещений. 9.17. Газоанализаторы следует размещать в помещении в соответствии с «Требованиями к установке стационарных газоанализаторов и сигнализаторов в производственных помещениях предприятий нефтяной промышленности» (ТУ-газнефть), утвержденными Миннефтепромом. 9.18. Продувочные свечи обвязки центробежных нагнетателей следует размещать на расстоянии не менее 25 м за ограждением компрессорной станции. Высоту продувочной свечи следует предусматривать не менее 5 м от планировочной отметки земли. 9.19. Продувочные свечи газоперекачивающих агрегатов с газомоторным приводом следует принимать на 2 м выше конька крыши здания компрессорного цеха и на 1 м выше наибольшего дефлектора. 9.20. Выхлопные стояки от предохранительных клапанов или продувочные свечи наружных установок должны выступать не менее, чем на 3 м над самой высокой точкой здания или самой высокой обслуживающей площадкой (считая в радиусе 15 м от выхлопных стояков или продувочных свечей). Высота стояков или продувочных свечей должна составлять не менее 6 м от уровня земли. 9.21. Высоту выхлопных труб газоперекачивающих агрегатов следует принимать не менее, чем на 2 м выше конька крыши здания компрессорного цеха (индивидуальных зданий газоперекачивающих агрегатов) и на 1 м выше наибольшего дефлектора. 9.22. Аварийный слив масла для всех типов газоперекачивающих агрегатов предусматривать не следует. 9.23. Систему перелива масла в специальный подземный резервуар следует предусматривать для газоперекачивающих агрегатов, оборудованных устройством для перелива масла. Резервуар следует располагать снаружи здания на расстоянии не менее 1 м от стены здания без проемов и не менее 3 м от стены здания с проемами. 9.24. Расстояния от факела сбросных газов станций искусственного охлаждения газа и компрессорных станций попутного нефтяного газа следует принимать не менее: до зданий и сооружений, а также до газопроводов - 60 м; до компрессорных станций и газораспределительных станций - 100 м. 9.25. Площадку вокруг факела в радиусе не менее 50 м следует спланировать и оградить забором из несгораемых конструкций высотой не менее 1 м. Высоту факела следует принимать в соответствии с требованиями п. 4.45 настоящих норм. 9.26. В пределах ограждения факела не допускается размещать колодцы, приямки и другие заглубления, а также резервуары с легковоспламеняющимися и горючими жидкостями. 9.27. Здания пунктов измерения расхода газа без обслуживающего персонала следует размещать на расстоянии, не менее: от газопровода 20 м ближайшей замерной нитки 3 м. 9.28. В компрессорных цехах с агрегатами с газотурбинным и газомоторным приводами воздухозаборные блоки, как правило, следует располагать на расстоянии не менее 16 м от выхлопных труб или на 6 м ниже выхлопных труб при горизонтальном расстоянии между ними менее 16 м. 9.29. Противопожарный водопровод в помещениях операторной и диспетчерской прокладывать не допускается. 9.30. Здания и помещения, подлежащие оборудованию автоматическими средствами пожаротушения и пожарной сигнализации следует определять по соответствующим перечням, утвержденным Мингазпромом и согласованным Госстроем СССР и ГУПО МВД СССР 24 сентября 1975 г. и 9 июля 1974 г. Необходимость оборудования автоматическими средствами пожаротушения и пожарной сигнализации зданий и помещений, не вошедших в указанные выше перечни, определяется требованиями соответствующих СНиП, СН, ПУЭ и перечнями других министерств и ведомств, а также настоящими нормами. 9.31. В подпольях помещений операторных следует предусматривать устройство пожаротушения с ручным управлением из операторной или противопожарные перегородки с пределом огнестойкости в 0,75 часа, делящие подполья на отсеки объемом не более 100 м каждый с устройством автоматической пожарной сигнализации. 9.32. Маслоблоки в машинных залах электродвигателей на компрессорных станциях с электроприводными газоперекачивающими агрегатами подлежат оборудованию автоматическими средствами пожаротушения. 9.33. Предел огнестойкости ограждающих конструкций комплектных трансформаторных подстанций должен быть не менее 0,75 часа при наличии масла в единице электрооборудования более 60 килограмм. 9.34. Приемную станцию автоматической пожарной сигнализации следует размещать в здании (помещении) диспетчерского пункта, с выводом сигнала в помещение проходной. 9.35. В зданиях и сооружениях магистральных газопроводов следует предусматривать первичные средства пожаротушения в соответствии с «Нормами положенности пожарной техники, оборудования и первичных средств пожаротушения на объектах Министерства газовой промышленности», согласованных ГУПО МВД СССР 12 мая 1964 г. 9.36. На компрессорных станциях следует предусматривать: бокс для размещения пожарного автомобиля - 55 м2; помещение дежурного персонала - 12 м2; помещение для противопожарного инвентаря и оборудования - 6 м2; в штатах - четыре водителя для пожарного автомобиля; при размещении на одной площадке пяти и более компрессорных цехов - пожарное депо на 2 автомобиля. 9.37. Из помещения дежурного персонала следует предусматривать телефонную связь от АТС компрессорной станции. 9.38. На каждой компрессорной станции необходимо предусматривать зарядную станцию для заправки углекислотных огнетушителей. 9.39. Проектирование складов горючесмазочных материалов на компрессорных станциях следует выполнять в соответствии с требованиями главы СНиП II-106-79, СН-433-79. 9.40. Для мойки и обезжиривания деталей, в том числе и для регенерации фильтров, необходимо применять пожаробезопасные щелочные растворы и препараты. Не допускается применять для этих целей бензин, керосин, дизельное топливо, уайт-спирит и другие пожароопасные вещества. 10. ОХРАНА ТРУДА. ТЕХНИКА БЕЗОПАСНОСТИ, ОХРАНА ОКРУЖАЮЩЕЙ СРЕДЫОхрана труда10.1. В проекте следует предусматривать мероприятия, обеспечивающие санитарно-гигиенические условия труда обслуживающего персонала, безопасность обслуживания оборудования, безопасность выполнения ремонтных работ. 10.2. Проекты магистральных газопроводов должны включать разделы устройства санитарно-защитной зоны узлов очистки газопроводов, складов метанола, складов горюче-смазочных масел и др. сооружений, требующих устройства санитарно-защитных зон. 10.3. Основными средствами для выполнения необходимых условий труда должны быть: герметизация всех трубопроводов и оборудования технологического процесса транспорта газа; размещение технологического оборудования на открытых площадках согласно «Перечню технологического оборудования, рекомендуемого для установки на открытых площадках»; размещения электрооборудования в соответствии с правилами ПУЭ; блокировка оборудования и сигнализации при отклонении от нормальных условий эксплуатации объектов; широкое внедрение телемеханизации и диспетчеризации в производственные процессы; устройство противопожарной автоматики и сигнализации для контроля и сигнализации о возникновении пожара и автоматического включения стационарных систем пожаротушения; широкое внедрение централизованного ремонта; применение надежного блочного оборудования заводского изготовления. Техника безопасности10.4. Проекты магистральных газопроводов следует выполнять с учетом действующих норм и правил техники безопасности и производственной санитарии, инструкций и правил устройства безопасной эксплуатации сооружений, зданий, установок и грузоподъемных механизмов. В проектах должны быть учтены требования «Правил технической эксплуатации магистральных газопроводов», «Правил технической эксплуатации электроустановок» и других нормативных документов. 10.5. В разделе проекта следует приводить характеристики производственных помещений по классу взрыво- и пожароопасных зон по ПУЭ, определять категорию и группу взрывоопасной смеси по ГОСТ 12.1.011-78, категорию производственных процессов по главе СНиП II-90-81. 10.6. В машинных залах компрессорных цехов следует предусматривать: проходы по основному фронту обслуживания газоперекачивающих агрегатов при постоянном обслуживании (пребывание работающих 2 ч и более в смену) не менее 1,5 м; проходы по основному фронту обслуживания газоперекачивающих агрегатов при периодическом обслуживании (пребывание работающих менее 2 ч в смену) не менее 0,7 м; расстояние от выступающих частей оборудования до стен здания не менее 1,0 м. 10.7. Надземные и наземные технологические трубопроводы следует прокладывать на опорах из несгораемых конструкций на расстоянии, не менее: от сооружений и стен зданий с проемами 3 м; от стен зданий без проемов 1 м. Расстояния между подземными технологическими трубопроводами, зданиями и сооружениями определяются из условий удобства монтажа, эксплуатации и ремонта трубопроводов. 10.8. Расстояния от технологических надземных трубопроводов, транспортирующих легковоспламеняющиеся и горючие жидкости и горючие газы, до зданий и сооружений следует принимать, не менее (м); до фундаментов зданий и сооружений 3 до фундаментов зданий со стороны стен без проемов 1 до фундаментов ограждения, опор, прожекторных мачт 1 до автомобильных дорог: бортового камня, кромки проезжей части 1,5 наружной бровки кювета или подошвы насыпи 1 водопровода и канализации 1,5 тепловых сетей 1 10.9. Уровни звукового давления в помещениях и на территории объектов магистральных газопроводов не должны превышать предельно допустимых по ГОСТ 12.1.003-75 и СНиП II-12-77. Охрана окружающей среды10.10. В проекты магистральных газопроводов следует включать комплекс мероприятий, исключающий нанесение ущерба окружающей среде в процессе строительства и эксплуатации. В них необходимо предусматривать технические решения, обеспечивающие: нейтрализацию опасных свойств газовых выбросов; снижение теплового загрязнения атмосферы; сбор продуктов очистки газопроводов и дренажей оборудования; защиту почвы и подземных вод; рекультивацию верхнего растительного слоя; обеспечение естественного экологического равновесия; сохранение ландшафтов; сохранение чистоты почвы, водоемов, водоносных горизонтов; охрану рыбных запасов; обеспечение прохода животных при миграции. 10.11. С целью нейтрализации опасных свойств газовых выбросов следует предусматривать продувочные и сбросные свечи для рассеивания газа от предохранительных клапанов и сброса газа из технологического оборудования при ремонтах. Расчет высоты, диаметра и месторасположение свечей следует выполнять в соответствии с требованиями СН «Указания по расчету рассеивания в атмосфере вредных веществ, содержащихся в выбросах предприятий», а также требованиями раздела 9 настоящих норм. 10.12. Сбросы газа на компрессорных станциях, компримирующих попутный нефтяной газ, а также сбросы паров хладоагента на станциях охлаждения газа следует предусматривать на факел для сжигания. 10.13. Для снижения теплового загрязнения атмосферы следует предусматривать утилизацию тепла выхлопных газов газотурбинных установок. 10.14. Сбор продуктов очистки газопровода, дренаж из аппаратов и технологических трубопроводов следует осуществлять в закрытые резервуары. 10.15. Мероприятия по защите почвы, водоемов и водоносных горизонтов от загрязнения и сохранению их чистоты следует предусматривать в соответствии с требованиями «Руководства по проектированию сооружений для забора подземных вод» ВНИИводгео Госстроя СССР, СНиП II-31-74, СНиП II-32-74, а также «Положения о порядке проектирования и эксплуатации зон санитарной охраны источников водоснабжения и водопровода хозяйственно-питьевого назначения», «Руководством по рекультивации земель при строительстве магистральных трубопроводов», «Основными положениями о рекультивации земель, нарушенных при разработке месторождений полезных ископаемых и торфа, проведения геологоразведочных, строительных и других работ», утвержденных Госстроем СССР, ГКНТ СССР, Министерством сельского хозяйства СССР и Государственным комитетом лесного хозяйства Совета Министров СССР. 10.16. Отвод земель следует предусматривать в соответствии с требованиями строительных норм по отводу земель для строительства линейных сооружений. 10.17. Мероприятия по охране рыбных запасов следует предусматривать в соответствии с требованиями «Правил охраны поверхностных вод от загрязнения сточными водами». 11. ИСПОЛЬЗОВАНИЕ ВТОРИЧНЫХ ЭНЕРГЕТИЧЕСКИХ РЕСУРСОВ11.1. На стадии разработки схем развития и размещения магистральных газопроводов следует определять реальных и потенциальных потребителей утилизируемого тепла компрессорных станций (объектов жилищно-культурного строительства, сельскохозяйственного производства и т.п.) и выполнять технико-экономическое обоснование использования вторичных энергетических ресурсов компрессорных станций внешними потребителями, расположенными вблизи компрессорных станций. 11.2. В проектах компрессорных станций необходимо предусматривать использование вторичных топливно-энергетических ресурсов и тепла попутных и отходящих продуктов технологических процессов для собственных нужд, отопления, вентиляции и горячего водоснабжения компрессорной станции, сельскохозяйственных и других возможных внешних потребителей. 11.3. В установках утилизации тепла выхлопных газов приводных газотурбинных двигателей в качестве теплоносителя следует использовать воду или воздух. В макроклиматическом районе с холодным климатом, как правило, следует применять в качестве теплоносителя воздух. Допускается применять воду с добавками, предотвращающими ее замерзание. 11.4. При размещении утилизационного теплообменника в выхлопном газоходе газотурбинного двигателя полное сопротивление выхлопного тракта не должно превышать допустимого по техническим условиям на газоперекачивающие агрегаты. Размещение утилизационного теплообменника следует согласовывать с заводом-изготовителем газоперекачивающего агрегата. 11.5. Утилизационная установка с теплоносителем «вода» должна включать в себя следующие основные элементы: утилизационные теплообменники; насосную; установку водоподготовки. 11.6. Утилизационные установки, предназначенные для теплоснабжения и горячего водоснабжения внестанционного потребителя, следует проектировать индивидуально для конкретных условий потребления с учетом особенностей потребителя. Система теплоснабжения внестанционного потребителя должна быть независимой от системы теплоснабжения компрессорной станции. 11.7. В проектах следует предусматривать мероприятия по обеспечению безотходного производства: дренаж пылеуловителей в закрытую систему; сбор и вывоз масла, не подлежащего регенерации на компрессорных станциях, на централизованную установку регенерации масел; охлаждение газа, масла, воды (антифриза), как правило, в аппаратах воздушного охлаждения. 12. ГИДРАВЛИЧЕСКИЕ РАСЧЕТЫ МАГИСТРАЛЬНЫХ ГАЗОПРОВОДОВОбщие положения12.1. Настоящий раздел устанавливает требования к методике гидравлического расчета магистральных газопроводов и включает в себя: - определение пропускной способности и производительности магистральных газопроводов; - расчет стационарных гидравлических режимов работы линейных участков; - расчет стационарных тепловых режимов работы линейных участков; - расчет режимов роботы компрессорных станций. 12.2. Основой для проектирования магистральных газопроводов является Схема развития и размещения газовой промышленности, определяющая направления и объемы транспорта газа. 12.3. Производительностью магистрального газопровода называется количество газа, поступающего в газопровод за год (млрд. м3/год, при 293,15 К и 0,1013 МПа). 12.4. Следует различать заданную и проектную производительность магистрального газопровода. Заданной производительностью магистрального газопровода называется значение производительности, оговоренное в задании на проектирование. При проектировании магистрального газопровода должно производиться технико-экономическое сопоставление различных технологических вариантов транспорта газа с целью выбора оптимального варианта. Производительность магистрального газопровода, соответствующая оптимальному технологическому варианту, называется проектной. 12.5. При выполнении гидравлических расчетов в зависимости от назначения магистральных газопроводов и степени неравномерности транспорта газа они подразделяются на: - базовые, - распределительные, - маневренные, - отводы. Базовыми называется магистральные газопроводы, предназначенные для транспорта газа из района его добычи в районы потребления или передачи в другие газопроводы. Распределительными газопроводами называются газопроводы для подачи газа из базовых газопроводов в отводы или отдельным крупным потребителям. Маневренными газопроводами называются магистральные газопроводы с повышенной неравномерностью или реверсивным характером транспорта газа (газопроводы-перемычки, пиковые газопроводы, подводящие газопроводы ПХГ и т.п.). Отводами называется магистральные газопроводы, предназначенные для подачи газа от распределительных или базовых газопроводов к городам, населенным пунктам и отдельным крупным потребителям, работающие в режиме часовой неравномерности, вызванной неравномерностью отбора газа потребителями. Определение пропускной способности и производительности магистральных газопроводов12.6. Пропускной способностью магистрального газопровода называется количество газа, которое может быть передано по газопроводу в сутки при стационарном режиме, максимально возможном использовании располагаемой мощности газоперекачивающих агрегатов и принятых расчетных параметрах (рабочее давление, коэффициент гидравлической эффективности, температура окружающего воздуха и грунта, температура охлаждения газа и т.п.). 12.7. Следует различать оценочную и проектную пропускную способность магистральных газопроводов. Оценочной пропускной способностью магистрального газопровода называется ориентировочное значение пропускной способности, определяемое в начальной стадии проектирования газопровода для последующего расчета возможных технологических вариантов транспорта газа. Проектной пропускной способностью магистрального газопровода называется пропускная способность, соответствующая оптимальному технологическому варианту.
где Qз - заданная производительность магистрального газопровода (млрд. м3/год при 293,15 К и 0,1013 МПа);
в которой: Kро - коэффициент расчетной обеспеченности газоснабжения потребителей, отражающий необходимость увеличения пропускной способности газопровода для обеспечения газоснабжения потребителей в периоды повышенного спроса на газ. Повышенный спрос на газ может быть обусловлен похолоданиями в течение отопительного сезона (понижением температуры наружного воздуха относительно среднемесячных многолетних значений), а также возможным опережением потребности народного хозяйства в газе по сравнению с прогнозом. Следует принимать Kро = 0,95 Kэт - коэффициент экстремальных температур, учитывающий необходимость компенсации снижения пропускной способности газопровода, связанного с влиянием экстремально высоких температур наружного воздуха (превышающих среднемесячные многолетние значения) на располагаемую мощность газоперекачивающих агрегатов и глубину охлаждения транспортируемого газа аппаратами воздушного охлаждения. Следует принимать Kэт = 0,98;
Значения коэффициента Таблица 19 Оценочные коэффициенты надежности магистральных газопроводов
12.9. Оценочную пропускную способность распределительных и маневренных магистральных газопроводов следует определять для периода максимальной подачи газа
где qмакс - среднее суточное количество газа, поступающего в газопровод за период максимальной подачи газа. Коэффициент 12.10. Оценочную пропускную способность отводов следует определять по формуле
где Qмч - максимальное часовое потребление газа (м/ч), определяемое по совмещенному графику газопотребления всеми потребителями, расположенными за рассчитываемым линейным участком. Коэффициент использования пропускной способности для отводов должен определяться по формуле
При этом необходимо принимать Kро = 0,95, Kнд = 0,99. 12.11. Расчет технологических вариантов транспорта газа должен производиться: - для базовых газопроводов - по оценочной пропускной способности, найденной по формуле 12.1, при среднегодовой температуре окружающей среды (наружный воздух и грунт); - для распределительных и маневренных газопроводов и отводов - по оценочной пропускной способности для периода максимальной подачи газа, найденной по формулам 12.3 и 12.4, при средней для указанного периода температуре окружающего воздуха и грунта. 12.12. Проектную производительность базовых и распределительных магистральных газопроводов следует определять по формуле:
где Qп - пропускная способность магистрального газопровода в i-том расчетном периоде; ti - число дней в i-том расчетном периоде. Ku - коэффициент использования пропускной способности магистрального газопровода. Для базовых, распределительных и маневренных газопроводов в качестве расчетного периода следует принимать месяц (n = 12). Для распределительных и маневренных газопроводов допускается в качестве расчетного периода принимать квартал (n = 4). Для отводов проектная производительность не определяется. Коэффициент использования пропускной способности Ku должен определяться по формуле Для базовых, распределительных и маневренных газопроводов значения коэффициента надежности Kнд должны определяться по «Методике расчета надежности магистральных газопроводов», М. 1980 г. с использованием программы для ЭВМ, разработанной ВНИИГАЗом. При определении Kнд необходимо учитывать полную протяженность газопровода, даже в том случае, если проектируется его отдельный участок. Значения остальных коэффициентов, входящих в формулу 12.7 должны приниматься следующими: Kро = 0,95 - для всех газопроводов, Kэт = 0,98 - для базовых, распределительных и маневренных газопроводов. 12.13. Соотношение количества рабочих и резервных ГПА на КС однониточных газопроводов следует выбирать согласно табл. 20. Таблица 20
Для вариантов оснащения КС, отмеченных звездочкой, допускается сокращать число резервных ГПА на единицу, прежде всего в компрессорных цехах второй и последующих очередей многониточных газопроводов, если вариант сокращенного резервирования обоснован технико-экономически. Расчет стационарных гидравлических режимов работы линейных участков12.15. Участки газопроводов, на которых условие, указанное в п. 12.14 не соблюдается, должны рассчитываться с учетом рельефа трассы. При этом газопровод следует рассматривать как состоящий из наклонных прямолинейных участков с усредненным постоянным уклоном. Расчетная схема такого газопровода представлена на рис. 2. Отметка начальной точки принимается равной нулю (hн = 0). Отметки характерных точек на газопроводе, расположенных выше начальной точки, имеют знак плюс, ниже начальной - знак минус. 12.16. Пропускная способность (млн. м3/сутки при 293,15 К и 0,1013 МПа) однониточного участка газопровода для всех режимов течения газа должны вычисляться по формуле: без учета рельефа трассы газопровода -
с учетом рельефа трассы -
где:
Значения коэффициента следует принимать: 1. В международной СИ: с1 = 105,087 при Рн, Рк (МПа); d, hк, hi (м); Тср (К); L (км). 2. В смешанной системе: с1 = 0,326·10-6 при Рн, Рк (кгс/см2); d (мм); hк, hi (м); Тср (К); L (км) где: d - внутренний диаметр трубы; Рн, Рк - соответственно абсолютные давления в начале и конце участка газопровода; l - коэффициент гидравлического сопротивления участка газопровода, безразмерн.; D - относительная плотность газа по воздуху; Тср - средняя по длине участка газопровода температура транспортируемого газа; zср - средний по длине газопровода коэффициент сжимаемости газа, безразмерн.; L - длина участка газопровода; hк - превышение или снижение конечной точки расчетного участка относительно начальной точки; hi - превышение или снижение i-ой точки трассы относительно начальной точки; li - длина i-го элемента участка газопровода. 12.17. Давление Рн в начале участка необходимо вычислять по формуле:
где: Рнаг - давление нагнетания на выходе компрессорного цеха; d Рвых - потери давления в трубопроводах между компрессорным цехом и узлом подключения к линейной части магистрального газопровода (без учета потерь давления в системе охлаждения транспортируемого газа); следует определять согласно требованиям п. 3.12 настоящих норм; d Рохл - потери давления в системе охлаждения газа, включая ее обвязку. Для аппаратов воздушного охлаждения следует принять d Рохл = 0,0588 МПа (0,6 кгс/см2). При отсутствии охлаждения газа d Рохл = 0. 12.18. Коэффициент сжимаемости природных газов zcp следует определять по осредненным значениям давления и температуры в соответствии с формулой:
где: t = 1 -
1,68 Тпр + 0,78
Тср - вычисляется согласно требованиям п. 12.24 настоящих норм. Псевдокритические давления Рпк и температуру Тпк следует определять: по заданному составу газа
по заданной плотности rн газовой смеси
или при Рпк в кгс/см2
где: Ркj, Tкj - критические значения соответственно давления и температуры j-го компонента смеси, которые необходимо определять по табл. 21; Nj - молярная доля j-го компонента смеси (j = 1, 2, ..., n); rn - плотность газа (кг/м3) при Рн = 0,1013 МПа и Тн = 293,15 К. Таблица 21 Основные критические параметры индивидуальных газов и веществ
12.19. Допускается определять коэффициент сжимаемости природных газов по графикам рис. 2, 3, 4, 5. Поправки ± DРпк и ± DТпк (рис. 5) алгебраически суммируются с псевдокритическими параметрами Рпк и Тпк, определяемыми в зависимости от rн (рис. 4). Рис. 2. Зависимость коэффициентов сжимаемости газов от приведенных давлений и температур Рис. 3. Зависимость коэффициентов сжимаемости газов от приведенных давлений и температур Рис. 4. Псевдокритические параметры газовых смесей в зависимости от их плотности (rн - плотность при 0,1013 МПа и 293,15 К) Рис. 5. Поправки ± DРпк и ± DТпк для псевдокритических параметров Рпк и Тпк газовых смесей на содержание азота, двуокиси углерода и сероводорода 12.20. Коэффициент гидравлического сопротивления для участка газопровода с учетом его усредненных местных сопротивлений (краны, переходы) допускается принимать на 5 % выше коэффициента сопротивления трения lтр. Величину l следует вычислять по выражению:
где: Е - коэффициент гидравлической эффективности принимается равным 0,95, если на газопроводе имеются устройства для периодической очистки внутренней полости трубопроводов, а при отсутствии указанных устройств принимается равным 0,92; lтр - коэффициент сопротивления трения, который для всех режимов течения газа в газопроводе должен определяться по формуле:
где: K - эквивалентная шероховатость труб: для монолитных труб без внутреннего антикоррозийного покрытия следует принимать 0,03 мм; Re - число Рейнольдса, которое следует вычислять по формуле:
Значение с2 следует принимать: 1. В международной СИ с2 - 17,75 при μ (Па·с), определяемой по формуле:
или допускается определять μ по табл. 22 для газов, содержащих метана не менее 85 % (об.) в зависимости от Рср (МПа) и Тср (К). 2. В смешанной системе с2 = 1,81·103 при μ (кгс·с/м2). (12.26) Таблица 22 Динамический коэффициент вязкости метана
12.21. Гидравлический расчет линейных участков между двумя смежными компрессорными станциями необходимо выполнять с закрытыми перемычками между нитками участка. 12.22. Для оценочных расчетов гидравлический расчет сложных участков газопроводов без учета рельефа трассы допускается выполнять исходя из гидравлически эквивалентного однониточного участка. Гидравлически эквивалентным однониточным участком называется такой участок постоянного диаметра, который имеет такую же пропускную способность при тех же начальном и конечном давлениях, что и сложный участок. Расчет стационарных тепловых режимов работы линейных участков12.23. Температуру газа Т в любой точке однониточного газопровода при любом способе прокладки следует определять по формуле:
где:
Значение коэффициента следует принимать: 1. В международной СИ - с = 0,225·106 при dн (м); Ср (кДж/кг·К) Di (К/МПа); Рн, Рк, Рср (МПа); Kcp (Вт/м2·К) 2. В смешанной системе - с = 62,6 при dн (мм); Ср (ккал/кг·К) Di где: То - расчетная температура окружающей среды; Тн - температура газа в начале участка газопровода, при отсутствии охлаждения газа на КС температуру Тн следует принимать равной температуре газа на выходе из компрессорного цеха; при наличии охлаждения газа величина Тн должна приниматься равной температуре газа на выходе из системы охлаждения; Рн, Рк - соответственно начальное и конечное абсолютное давление газа на участке; Рср - среднее давление газа, на участке, определяется согласно требованиям пункта 12.18 настоящих норм; x - расстояние от начала газопровода до рассматриваемой точки, км; dн - наружный диаметр газопровода; Kcp - средний на участке общий коэффициент теплопередачи от газа в окружающую среду; Ср - средняя изобарная теплоемкость газа; Di - среднее на участке значение коэффициента Джоуля-Томсона. Тепловой расчет многониточных газопроводов следует производить по формуле (12.26) отдельно для каждой нитки при соответствующем расходе газа. 12.24. Среднюю температуру газа Тср на участке газопровода следует определять по формуле:
12.25. Среднюю изобарную теплоемкость природного газа Ср с содержанием метана более 85 % следует определять по формуле:
Значение коэффициентов А1, А2 и А3 следует принимать: 1) В международной СИ A1 = 1,695; A2 = 1,838·10-3; A3 = 1,96·106 (Pср - 0,1) В смешанной системе: A1 = 0,405; A2 = 0,439·10-3; A3 = 0,046·106 (Pср - 1) Значение Ср для метана допускается определять также по рис. 6. При содержании метана в природном газе менее 85 %, значение Ср следует определять по составу газа. Рис. 6. Зависимость теплоемкости метана от давления и температуры газа 12.26. Среднее значение коэффициента Джоуля-Томсона Di для газов с содержанием метана более 85 %, следует определять по формуле:
Значение коэффициентов Е1, Е2 следует принимать: 1) В международной СИ - E1 - 0,980·106; E2 = 1,5 2) В смешанной системе - E1 - 0,023·106; E2 = 0,035 Значение Di для газа с содержанием метана более 85 % допускается определять по рис. 7. Рис. 7. Зависимость коэффициента Джоуля-Томсона от давления и температуры газа 12.27. Выбор расчетной температуры окружающей среды То и коэффициента теплопередачи Кср - производится в зависимости от способа прокладки газопровода - подземного, надземного, наземного. 12.28. При подземной прокладке газопровода значение То должно приниматься равным среднему за рассматриваемый период значению температуры грунта Тгр на глубине заложения оси трубопровода в естественном тепловом состоянии в соответствии со справочниками по климату СССР или данным ближайших метеостанций.
где:
Значения коэффициентов В1, В2 следует принимать: 1) В международной СИ: В1 = 4,45; B2 = 5,0 при v (м/с); Qсум (Вт/м2); aн (Вт/м2·К); 2) В смешанной системе: В1 = 3,83; B2 = 68,14 при v (м/с); Qсум (ккал/м2·ч); aн (ккал/м2·ч·К); где: Тв - температура атмосферного воздуха; Qсум - суммарная солнечная радиация; v - скорость ветра; Значения Тв, Qсум, v следует определять в соответствии с главой СНиП 2.01.01-82; n - коэффициент учитывающий условия работы газопровода; при наличии снежного покрова следует принимать n = 2,6, а при отсутствии n = 1,5.
где
Значение коэффициента m следует принимать: 1) В международной СИ - m = 1 при dн, dиз, lв, lo, ho, dсн (м); lсн, lиз, lгр (Вт/м·К); aвн (Вт/м2·К); 2) В смешанной системе - m = 10-3 при dн, dиз (мм); lв, lo, ho, dсн (м); lсн, lиз, lгр (ккал/м·ч·К); aвн (ккал/м2·ч·К); где dиз - наружный диаметр теплоизолированного газопровода; Kв, Kн - коэффициенты теплопередачи от газопровода вверх и вниз;
lн, lв - ширина насыпи в сечении ее основания и в верхней части; lo - ширина насыпи в сечении, на уровне оси трубы следует определять по формуле:
hн - высота насыпи; ho - глубина заложения оси трубы, (расстояние от поверхности насыпи до оси трубы); aвн - коэффициент теплоотдачи от поверхности насыпи в воздух; допускается определять по формуле:
где y = 10,8 при v (м/сек), dк (м), aвн (Вт/м2·К) или y = 147,18 при v (м/сек), dк (мм), aвн (ккал/м2·ч·К); dсн - толщина снежного покрова; lсн - коэффициент теплопроводности снежного покрова, допускается принимать в зависимости от состояния снега: снег свежевыпавший - 0,1 Вт/(м·К); снег уплотненный - 0,35 Вт/(м·К); снег тающий - 0,64 Вт/(м·К); lгр - коэффициент теплопроводности
грунта насыпи. Величину коэффициента lгр следует определять в
зависимости от температуры грунта и температурного режима газопровода. При
положительных температурах грунта ( Влияние неоднородности грунта на тепловой режим при
образовании зон протаивания или промерзания вокруг газопровода следует
учитывать путем умножения расчетной температуры окружающей среды То на отношение Значения коэффициентов теплопроводности талых lт и мерзлых lм грунтов следует определять в соответствии с главой СНиП II-18-76. Расчетная температура окружающей среды для наземного газопровода без теплоизоляции определяется так же, как и для газопровода с теплоизоляцией, принимая Rиз = 0, dиз = dн. 12.31. Коэффициент теплопередачи от газа в окружающую среду Kcp для подземных газопроводов следует определять по формуле:
где:
Значение коэффициента C3 следует принимать: в международной СИ: C3 = 1 при hо, hоэ, dсн (м); aв, aгр (Вт/м2·К); lгр, lсн (Вт/м·К); dн (м); в смешанной системе: C3 = 10-3 при hо, hоэ, dсн (м); aв, aгр (ккал/м2·ч·К); lгр, lсн (ккал/м·ч·К); dн (мм); где: Rиз - термическое сопротивление изоляции трубопровода, определяется согласно требованиям п. 12.30 настоящих норм; ho - глубина заложения оси трубопровода от поверхности грунта; aгр - коэффициент теплоотдачи от трубопровода в грунт; lгр - коэффициент теплопроводности грунта; определяется согласно требованиям п. 12.30 настоящих норм; lсн - коэффициент теплопроводности снежного покрова; должен определяться согласно требованиям п. 12.30 настоящих норм; aв - коэффициент теплоотдачи от поверхности грунта в атмосферу, следует определять по формуле:
где т1 = 6,2; т2 = 4,2 при v (м/сек); aв (Вт/м2·К); или т1 = 5,3; т2 = 3,6 при v (м/сек); aв (ккал/м2·ч·К). 12.32. Общий коэффициент теплопередачи Kcp от газа в окружающую среду для надземных газопроводов следует определять по формуле:
где aн - коэффициент теплоотдачи от поверхности трубы в атмосферу, следует определять согласно требованиям п. 12.29 настоящих норм; Rиз - определяется согласно требованиям п. 12.30 настоящих норм. Значение общего коэффициента теплопередачи нетеплоизолированного надземного газопровода определяется так же, как и для газопровода с теплоизоляцией, принимая Rиз = 0, dиз = dн. 12.33. Общий коэффициент теплопередачи Kcp от газа в окружающую среду для наземных газопроводов в насыпи следует определять по формуле: Kcp = 0,5 (Kв + Kн) (12.49) где: Kв и Kн - коэффициенты теплопередачи от газопровода вверх и вниз, должны определятся согласно требованиям п. 12.30 настоящих норм. Расчет режимов работы компрессорных станций12.34. Давление газа Рвс входе компрессорного цеха следует вычислять по формуле: Рвс = Рк - d Рвх (12.50) где: d Рвх - потери давления во входных технологических коммуникациях компрессорной станции. Величину d Рвх следует определять согласно требованиям п. 3.12 настоящих норм. Точкой (сечением), определяемой как вход компрессорного цеха, считается точка (сечение) измерения давления в районе (не более 3 м) входного патрубка нагнетателя (или первого в группе последовательно соединенных нагнетателей). Температуру газа Твс на входе компрессорного цеха следует принимать равной температуре газа Тк в конце предшествующего линейного участка газопровода. 12.35. Объемную производительность при параметрах на входе в нагнетатель Q, м3/мин., необходимо вычислять по формуле:
где Qк - производительность центробежного нагнетателя, млн. м3/сут. (при 293,15 К и 0,1013 МПа), zвс, Рвс, Твс - коэффициент сжимаемости, абсолютное давление (МПа) и температура (К) газа на входе в нагнетатель. 12.36. Мощность N, кВт, потребляемую нагнетателем, необходимо вычислять по формуле:
где: Ni - внутренняя мощность нагнетателя, определяемая по приведенным характеристикам нагнетателей; 0,95 - коэффициент, учитывающий допуски и техническое состояние нагнетателя; ηм - механический коэффициент полезного действия нагнетателя и редуктора (если имеется), для газотурбинных ГПА должен определяться по табл. 23; для электроприводных ГПА должен приниматься равным 0,96. При отсутствии приведенных характеристик нагнетателя допускается приближенное расчетное определение внутренней мощности нагнетателя, кВт, по формуле:
где: ηпол - политропический к. п. д. нагнетателя, при отсутствии данных принимаемый равным 0,80. Таблица 23
Продолжение табл. 23
Примечание. 1. При отсутствии данных о характеристиках ГТУ допускается принимать усредненные значения показателей:
2. Данные таблицы должны корректироваться разработчиками настоящего раздела норм в соответствии с изменениями технической документации на ГТУ. 12.37. Расчет рабочих параметров центробежных нагнетателей необходимо выполнять по их приведенным характеристикам, позволяющим учитывать: отклонение параметров газа на входе нагнетателя, а именно zвс, R, Твс от их приведенных значений zпр, Rпр и (Твс)пр, указанных на характеристиках, где R - газовая постоянная компримируемого газа, кДж/кг·К, определяемая по формуле:
Величина относительной плотности газа по воздуху D должна приниматься согласно исходным данным для расчетного состава транспортируемого газа. 12.38. При расчете рабочих параметров центробежных нагнетателей необходимо использовать следующие приведенные характеристики: Характеристика центробежного нагнетателя в форме зависимостей степени повышения давления x = Рнаг/Рвс, политропического коэффициента полезного действия ηпол и приведенной относительной внутренней мощности
от приведенной объемной производительности
где Характеристики отдельного центробежного нагнетателя и групп из двух и трех последовательно включенных нагнетателей в форме зависимостей степени повышения давления и приведенной внутренней мощности
от приведенной производительности
и давления на входе при различных значениях приведенных относительных оборотов
При расчетах по групповым приведенным характеристикам значение (Ni)пр следует определять для последнего нагнетателя в группе. Параметры работы нагнетателей
при давлении на выходе, отличающемся от номинального значения, следует находить
с помощью линий постоянной приведенной объемной производительности Характеристика отдельного центробежного нагнетателя в форме зависимости повышения температуры газа в нагнетателе Dtн (DТн) от его приведенной объемной производительности для различных значений приведенных относительных оборотов
12.39. Расчет рабочих параметров центробежных нагнетателей необходимо выполнять в следующем порядке: определение приведенных значений заданных параметров; определение рабочих точек КС на приведенных характеристиках расчетного элемента (нагнетатель или группа последовательно включенных нагнетателей); определение приведенных значений искомых параметров по координатам рабочих точек КС на приведенных характеристиках; определение истинных значений искомых параметров. Политропический к. п. д. нагнетателя для линейных КС на расчетном режиме, определенный по приведенным характеристикам, должен быть не менее 0,80. Режим с рабочей точкой, имеющей меньшее значение к. п. д., допускается при соответствующем технико-экономическом обосновании. 12.40. Температуру газа на выходе нагнетателя Тнаг, К, следует вычислять по формуле: Тнаг = Твс + DТн, (12.55) где: DТн - повышение температуры, определенное по характеристикам нагнетателя; допускается его вычисление по формуле:
Расчет рабочих параметров поршневых газоперекачивающих агрегатовПри отсутствии загрузочных характеристик допускается определение параметров поршневых ГПА расчетным путем: а) объемная производительность, м3/с (при параметрах на входе в одноступенчатый поршневой компрессор)
где: vh -
объем, описываемый поршнями компрессора за один оборот вала (рабочий объем), м3;
n -
частота вращения вала компрессора, с-1; zвс, zнаг, -
соответственно коэффициенты сжимаемости газа при условиях на входе и выходе
компрессора;
где: a - собственный относительный объем мертвого пространства цилиндра; vp - суммарный объем подключенных регуляторов производительности. б) потребляемая мощность, кВт, поршневого ГПА
где: Рвс - давление на входе компрессорного цеха, МПа, определяемое по уравнению (12.50); Qc - объемная производительность, м3/c; ηад - адиабатический к. п. д. компрессора, принимаемый равным: 0,8 - 0,82 для степеней повышения давления x = 1,3 - 1,5; 0,82 - 0,85 для x = 1,51 - 1,7; 0,85 - 0,88 для x = 1,71 - 2,5. в) повышение температуры для расчета температуры газа на выходе поршневого ГПА по формуле (12.55)
12.42. Потребляемая мощность компрессора поршневого ГПА должна находиться в пределах располагаемой мощности привода
Расчет располагаемой мощности привода газоперекачивающих агрегатов12.43. Располагаемая мощность - это максимальная рабочая мощность на муфте нагнетателя (компрессора), которую может развивать привод в конкретных расчетных станционных условиях.
где: Kн - коэффициент, учитывающий допуски и техническое состояние ГТУ; Kt - коэффициент, учитывающий влияние температуры наружного воздуха; Тз, Kоб - коэффициент, учитывающий влияние противообледенительной системы; Kу - коэффициент, учитывающий влияние системы утилизации тепла выхлопных газов; Ра - расчетное давление наружного воздуха, Па. Значения Расчетную температуру воздуха на входе ГТУ Тз, К, необходимо вычислять по формуле:
где: Та - средняя температура наружного воздуха в рассматриваемый период, определяемая по данным главы СНиП 2.01.01-82 или данным метеостанций; d Та - поправка на изменчивость климатических параметров и местный подогрев наружного воздуха на входе ГТУ, следует принимать равной 5 К. Расчетное давление наружного воздуха в зависимости от высоты расположения КС следует принимать по данным табл. 24. Таблица 24
Значения коэффициента Kоб должны приниматься по данным технической документации ГТУ в зависимости от расчетной температуры атмосферного воздуха, наличия и типа противообледенительной системы. Коэффициент Kоб принимают равным 1,0: а) при отсутствии противообледенительной системы; б) при отсутствии ее влияния на мощность ГТУ; в) при расчетной температуре воздуха на входе ГТУ Тз выше 278 К (+ 5 °С). Рекомендуемые величины или формулы для расчета Kоб приведены в приложении 4. Коэффициент, учитывающий влияние системы утилизации тепла выхлопных газов, необходимо определять по формуле:
где:
При отсутствии технических данных системы утилизации коэффициент Kу допускается принимать равным 0,985. Значение располагаемой мощности
12.45. Располагаемая мощность Значение 12.46. Располагаемая мощность синхронного электропривода газоперекачивающего агрегата должна приниматься равной номинальной мощности при номинальных значениях параметров системы охлаждения привода ГПА. При отклонении от номинальных значений температуры охлаждающей среды водяной или воздушной систем охлаждения электропривода располагаемая мощность должна определяться по данным табл. 25. Таблица 25
При cos j = 1 и температуре охлаждающей воды 30 °С и ниже допускается увеличение располагаемой мощности на 8 - 10 %. 12.47. Мощность, потребляемая нагнетателем, определенная согласно требованиям п. 12.36 настоящих норм, должна, как правило, находиться в следующих пределах располагаемой мощности привода: а) для газотурбинного привода при Та > 273 К (0 °С)
б) для газотурбинного привода при Та < 273 К (0 °С) и электрического привода
Уменьшение нижнего предела использования располагаемой мощности допускается при соответствующем обосновании. Расчет расхода газа на собственные нужды12.48. Расход газа на собственные нужды должен определяться по формуле
где: S qтг - суммарный расход топливного газа по цеху для рабочих ГПА; qтн - расход газа на технологические нужды и технические потери КС и предшествующего линейного участка газопровода (расходы на пуско-остановки агрегатов, на эксплуатацию и техобслуживание аппаратов и трубопроводов, утечки и др.); qэ - расход газа электростанциями собственных нужд. При выполнении гидравлических расчетов газопровода расходы газа на технологические нужды и технические потери qтн и электростанциями собственных нужд qэ допускается не учитывать. При этом расходы газа на указанные нужды должны вычитаться из товарной производительности данного газопровода. 12.49. Расход топливного газа qтг, тыс. м3/ч, (при 293,15 К и 0,1013 МПа), для газотурбинных установок должен определяться по формуле:
где: N - потребляемая мощность, полученная в результате расчета параметров нагнетателя согласно требованиям п. 12.36 настоящих норм; Qp - низшая теплота сгорания топливного газа, кДж/м3 (при 293,15 К и 0,1013 МПа). Величины 12.50. Расход топливного газа qтг, тыс. м3/ч, (при 293,15 К и 0,1013 МПа) для газомоторных компрессоров должен определяться по формуле:
где:
N - потребляемая мощность, полученная в результате расчета параметров компрессора согласно требованиям пп. 12.41 и 12.42 настоящих норм; a - коэффициент учета загрузки. Величины Величины Таблица 26
12.51. Расход газа, тыс. м3/ч, на технологические нужды и технические потери КС и линейного участка должен определяться по формуле:
где: Нтн - средний удельный расход, м3/кВт·ч, принимаемый по табл. 27; Nуст - номинальная установленная мощность цеха, кВт. Таблица 27
Для КС с газотурбинным приводом (номинальное выходное давление 7,45 МПа) расход газа на технологические нужды и технические потери допускается определять по следующей формуле qтн = 0,08 qтг. Для других выходных давлений КС qтн
пересчитывается прямо пропорционально относительной величине этого давления 12.52. Расход газа, м3/кВт·ч, электростанциями собственных нужд (ЭСН) на КС (при их наличии) должен определяться по формуле:
где: Нэ - средний удельный расход, м3/кВт·ч; Nраб - рабочая мощность ЭСН, кВт. Ветчины Нэ должны приниматься равными: 0,75 - для газотурбинных и 0,36 - для поршневых ЭСН. 12.53. Определение расхода газа на собственные нужды за расчетный период или пересчет часового расхода в другие единицы времени следует производить по формуле:
где: t - время расчетного периода, ч. Расчет расхода электроэнергии для электроприводных КС12.54. Расход электроэнергии W, кВт·ч, для электропривода центробежных нагнетателей необходимо вычислять по формуле:
где: N - потребляемая мощность, полученная в результате расчета параметров нагнетателя согласно требованиям п. 12.35 и 12.41 настоящих норм; t - время работы привода ГПА, ч; ηд × ηт - соответственно к. п. д. электродвигателя и трансформатора подстанции. Величины ηд, ηт должны приниматься по паспортным данным или техническим условиям. При отсутствии этих данных для приближенных расчетов допускается принимать усредненные величины ηд = 0,975, ηт = 0,99. Приложение № 1КЛАССИФИКАЦИЯ
|
|||||||||||||||||||||||||||||||||||||||||||||||||||||||||||||||||||||||||||||||||||||||||||||||||||||||||||||||||||||||||||||||||||||||||||||||||||||||||||||||||||||||||||||||||||||||||||||||||||||||||||||||||||||||||||||||||||||||||||||||||||||||||||||||||||||||||||||||||||||||||||||||||||||||||||||||||||||||||||||||||||||||||||||||||||||||||||||||||||||||||||||||||||||||||||||||||||||||||||||||||||||||||||||||||||||||||||||||||||||||||||||||||||||||||||||||||||||||||||||||||||||||||||||||||||||||||||||||||||||||||||||||||||||||||||||||||||||||||||||||||||||||||||||||||||||||||||||||||||||||||||||||||||||||||||||||||||||||||||||||||||||||||||||||||||||||||||||||||||||||||||||||||||||||||||||||||||||||||||||||||||||||||||||||||||||||||||||||||||||||||||||||||||||||||||||||||||||||||||||||||||||||||||||||||||||||||||||||||||||||||||||||||||||||||||||||||||||||||||||||||||||||||||||||||||||||||||||||||||||||||||||||||||||||||||||||||||||||||||||||||||||||||||||||||||||||||||||||||||||||
|
Наименование зданий, помещений и сооружений |
Категория производств по СНиП II-90-81 |
Класс взрыво- и пожароопасных зон по ПУЭ |
Категория взрывоопасной смеси по ГОСТ 12.1.011-78 |
Группа взрывоопасной смеси по ГОСТ 12.1.011-78 |
Примечание (взрыво- и пожароопасная среда или особенности технологического процесса) |
|
КОМПРЕССОРНЫЕ СТАНЦИИ |
|
|
|
|
|
|
1. УСТАНОВКА ОЧИСТКИ ГАЗА |
А |
В-Iг |
IIА |
Т3 |
Природный газ, конденсат углеводородный |
|
2. УСТАНОВКА ВОЗДУШНОГО ОХЛАЖДЕНИЯ ГАЗА |
А |
В-Iг |
IIА |
Т1 |
Природный газ |
|
3. УСТАНОВКА ВОЗДУШНОГО ОХЛАЖДЕНИЯ ВОДЫ |
Д |
- |
- |
- |
- |
|
4. КОМПЛЕКТНАЯ ТРАНСФОРМАТОРНАЯ ПОДСТАНЦИЯ АППАРАТОВ ВОЗДУШНОГО ОХЛАЖДЕНИЯ ГАЗА В ЗАКРЫТОМ ПОМЕЩЕНИИ С ЭЛЕКТРОЩИТОВОЙ |
Г |
- |
- |
- |
Масло. Маслобак с повышенной прочностью и уплотнением, исключающим течь масла |
|
5. КОМПРЕССОРНЫЕ ЦЕХИ |
|
|
|
|
|
|
Машинный зал газовых турбин без центробежных нагнетателей |
Г |
- |
- |
- |
Природный газ сжигается в качестве топлива |
|
Машинный зал электродвигателей без центробежных нагнетателей |
Г |
- |
- |
- |
Рабочий процесс сопровождается искрением |
|
Машинный зал центробежных нагнетателей |
А |
В-Iа |
IIА |
T1 |
Природный газ. Масло |
|
Машинный зал газовых турбин или электродвигателей, центробежных нагнетателей (без разделительной стены) |
А |
В-Iа |
IIА |
Т1 |
Природный газ. Масло |
|
Машинный зал с газомоторными поршневыми компрессорами |
А |
В-Iа |
IIА |
Т1 |
Природный газ |
|
Наружная обвязка центробежных нагнетателей |
А |
В-Iг |
IIА |
Т1 |
Природный газ |
|
Вентиляционная приточная камера компрессорного цеха |
Д |
- |
- |
- |
Невзрывоопасная среда при установке обратных клапанов на напорных воздуховодах |
|
Установка воздушного охлаждения масла |
B |
П-III |
- |
- |
Масло |
|
Циркуляционная водяная насосная |
Д |
- |
- |
- |
- |
|
Помещение масляного хозяйства |
В |
П-I |
- |
- |
Масло |
|
6. РЕЗЕРВУАР ПРОМЫВОЧНОЙ ВОДЫ |
Д |
- |
- |
- |
- |
|
7. НЕОБСЛУЖИВАЕМЫЙ УСИЛИТЕЛЬНЫЙ ПУНКТ (НУП) |
Д |
- |
- |
- |
- |
|
8. ЗАКРЫТОЕ РАСПРЕДЕЛИТЕЛЬНОЕ УСТРОЙСТВО с аппаратурой, содержащей более 60 кг масла в единице оборудования |
В |
П-I |
- |
- |
Масло |
|
То же, с аппаратурой содержащей менее 60 кг масла в единице оборудования |
Г |
- |
- |
- |
Масло |
|
9. ОТКРЫТОЕ РАСПРЕДЕЛИТЕЛЬНОЕ УСТРОЙСТВО |
не нормируется |
||||
|
10. КОМПРЕССОРНАЯ СЖАТОГО ВОЗДУХА |
|
|
|
|
|
|
Помещение воздушных компрессоров |
Д |
- |
- |
- |
- |
|
Резервуар для сбора масла, водяного конденсата |
В |
П-III |
- |
- |
Масло |
|
Воздухосборники |
Д |
- |
- |
- |
|
|
11. УСТАНОВКА ПОДГОТОВКИ ТОПЛИВНОГО, ПУСКОВОГО, ИМПУЛЬСНОГО ГАЗА И ГАЗА СОБСТВЕННЫХ НУЖД |
|
|
|
|
|
|
Сепараторы на открытой площадке |
А |
В-Iг |
II-A |
Т3 |
Природный газ, конденсат углеводородный |
|
Сепараторы в помещении |
А |
В-Iа |
II-A |
Т3 |
Природный газ, конденсат углеводородный |
|
Адсорберы на открытой площадке |
А |
В-Iг |
II-A |
Т1 |
Природный газ |
|
То же, в помещении |
А |
В-Iа |
II-A |
Т1 |
То же |
|
Блок редуцирования топливного и пускового газа на открытой площадке |
А |
В-Iг |
II-A |
Т1 |
- » - |
|
То же, в помещении |
А |
В-Iа |
II-A |
Т1 |
- » - |
|
Подогреватель газа |
А |
В-Iг |
II-A |
Т1 |
Природный газ |
|
12. СКЛАД ГОРЮЧЕСМАЗОЧНЫХ МАТЕРИАЛОВ |
|
|
|
|
|
|
Насосная масла |
В |
П-I |
- |
- |
Масло |
|
Насосная для бензина и дизельного топлива |
А |
В-Iа |
II-A |
Т3 |
Бензин, дизтопливо |
|
Регенерационная фильтров |
Д |
- |
- |
- |
Щелочные растворы |
|
Склад масел в таре |
В |
П-I |
- |
- |
Масло |
|
Резервуар для масел |
В |
П-III |
- |
- |
Масло |
|
Резервуар для бензина |
А |
В-Iг |
II-A |
Т3 |
Бензин |
|
Резервуар для дизельного топлива Т-1 и ТС-1 |
Б |
В-Iг |
II-A |
Т3 |
Топливо Т-1, ТС-1, дизтопливо |
|
Насосная антифриза |
В |
П-IIа |
- |
- |
Антифриз |
|
Резервуар антифриза |
В |
П-III |
- |
- |
То же |
|
Электрощитовая |
Г |
- |
- |
- |
|
|
13. ТОПЛИВОРАЗДАТОЧНАЯ КОЛОНКА НА ОТКРЫТОЙ ПЛОЩАДКЕ |
А |
В-Iг |
IIА |
Т3 |
Бензин, дизельное топливо |
|
То же, в помещении |
А |
В-Iа |
IIА |
Т3 |
- » - |
|
14. СКЛАД МЕТАНОЛА |
|
|
|
|
|
|
Резервуары для метанола |
А |
В-Iг |
IIА |
Т2 |
Метанол |
|
То же, керосина |
А |
В-Iг |
IIА |
Т3 |
Керосин |
|
То же, одоранта |
А |
В-Iг |
IIА |
Т3 |
Этилмеркаптан |
|
Насосная метанола, керосина и одоранта на открытой площадке |
А |
В-Iг |
IIА |
Т3 |
Метанол, керосин, этилмеркаптан |
|
То же, в блок-контейнере или в помещении |
А |
В-Iа |
IIА |
Т3 |
- » - |
|
15. КОТЕЛЬНАЯ |
|
|
|
|
|
|
Котельный зал, помещения дымососов и деаэраторов |
Г |
- |
- |
- |
- |
|
Химводоочистка и утилизационная насосная |
Д |
- |
- |
- |
- |
|
Склад реагентов |
Д |
- |
- |
- |
Химреагенты |
|
Склады активированного угля и сульфоугля |
В |
П-IIа |
- |
- |
Уголь |
|
16. АВАРИЙНАЯ ДИЗЕЛЬНАЯ ЭЛЕКТРОСТАНЦИЯ ИЛИ ЭЛЕКТРОСТАНЦИЯ НА ГАЗЕ |
Г |
- |
- |
- |
Горючее сжигается в качестве топлива |
|
17. ПРОИЗВОДСТВЕННО-ЭНЕРГЕТИЧЕСКИЙ БЛОК |
|
|
|
|
|
|
Помещение КТП и электрощитовая |
Г |
- |
- |
- |
Маслобак с повышенной прочностью и уплотнением, исключающим течь масла |
|
Аккумуляторная |
Е |
В-Iа |
IIС |
Т1 |
Пары водорода |
|
Тамбур для аккумуляторной |
- |
В-Iб |
IIС |
Т1 |
Пары водорода |
|
Кислотная |
А |
- |
- |
- |
|
|
Дистилляторная |
Д |
- |
- |
- |
|
|
Вентиляционная приточная камера при аккумуляторной |
Д |
|
|
|
Невзрывоопасная среда при наличии обратных клапанов на напорных воздуховодах |
|
То же, вытяжная венткамера |
Е |
В-Iа |
IIС |
Т1 |
Пары водорода |
|
Аппаратная |
Д |
- |
- |
- |
|
|
Операторная |
Г |
- |
- |
- |
|
|
Аппаратная телемеханики |
г |
- |
- |
- |
|
|
Аппаратная цифропечати и автоматической передачи данных |
Д |
- |
- |
- |
|
|
18. СКЛАДСКОЕ ХОЗЯЙСТВО |
|
|
|
|
|
|
Склад баллонов кислорода под навесом |
Д |
- |
- |
- |
|
|
Склад лакокрасочных материалов |
А |
В-Iа |
IIА |
T2 |
Скипидар, растворитель, краски |
|
Склад баллонов с сжиженным газом под навесом |
А |
В-Iг |
IIА |
Т2 |
Пропан, бутан |
|
Склад карбида кальция в помещении |
А |
В-Iа |
IIС |
Т2 |
Ацетилен |
|
19. МАТЕРИАЛЬНЫЙ СКЛАД |
|
|
|
|
|
|
Помещение для хранения сгораемых грузов или несгораемых грузов в сгораемой упаковке |
В |
П-IIа |
- |
- |
Сгораемые твердые грузы или сгораемая упаковка |
|
То же, для хранения несгораемых грузов в несгораемой упаковке |
Д |
- |
- |
- |
Твердые несгораемые грузы |
|
20. ОТДЕЛЬНО СТОЯЩЕЕ ЗАГЛУБЛЕННОЕ ПРОИЗВОДСТВЕННОЕ ЗДАНИЕ ВСПОМОГАТЕЛЬНОГО НАЗНАЧЕНИЯ |
|
|
|
|
|
|
Помещение для хранения сгораемых грузов |
В |
П-IIа |
- |
- |
Твердые сгораемые грузы |
|
Вытяжная вентиляционная камера |
В |
П-IIа |
- |
- |
|
|
21. СЛУЖЕБНО-ЭКСПЛУАТАЦИОННЫЙ И РЕМОНТНЫЙ БЛОК |
|
|
|
|
|
|
Ремонтно-механическое отделение |
Д |
- |
- |
- |
|
|
Сварочное отделение |
Г |
- |
- |
- |
Рабочий процесс сопровождается искрением |
|
Инструментальная |
Д |
- |
- |
- |
|
|
Кузнечное отделение |
Г |
- |
- |
- |
Рабочий процесс сопровождается искрением |
|
Пожарный пост |
В |
П-I |
- |
- |
Горючие жидкости |
|
Гараж |
В |
П-I |
- |
- |
- » - |
|
Помещение хранения двигателя и запчастей |
В |
П-IIА |
- |
- |
|
|
Приточная вентиляционная камера |
Д |
- |
- |
- |
|
|
Вытяжная вентиляционная камера |
Д |
- |
- |
- |
|
|
Материально-технический склад сгораемых грузов |
В |
П-IIа |
- |
- |
Твердые сгораемые грузы |
|
Комплектная трансформаторная подстанция (КТП) с электрощитовой |
Г |
- |
- |
- |
Трансформаторное масло. Маслобак с повышенной прочностью - уплотнением, исключающим течь масла |
|
Прачечная с кладовыми |
В |
П-IIа |
- |
- |
Твердые сгораемые материалы |
|
Аккумуляторная |
Е |
В-Iа |
IIС |
Т1 |
Пары водорода |
|
Тамбур при аккумуляторной |
- |
В-Iб |
IIС |
Т1 |
- » - |
|
Кислотная |
Д |
- |
- |
- |
- |
|
Дистилляторная |
А |
- |
- |
- |
- |
|
Приточная венткамера при аккумуляторной |
Д |
- |
- |
- |
Невзрывоопасная среда. При наличии обратных клапанов на напорных воздуховодах |
|
Вытяжная - » - |
Е |
В-Iа |
IIС |
Т1 |
Пары водорода |
|
Столярная мастерская |
В |
П-IIа |
- |
- |
Твердые сгораемые вещества |
|
Мастерская КИП |
Д |
- |
- |
- |
- |
|
Лаборатория КИП |
Д |
- |
- |
- |
- |
|
Автоматическая телефонная станция |
В |
П-IIа |
- |
- |
Кабели с горючей или трудносгораемой оболочкой |
|
Выпрямительная |
В |
П-IIа |
- |
- |
Оборудование с применением дерева |
|
Линейно-аппаратный цех |
В |
П-На |
- |
- |
- » - |
|
Лаборатория связи |
В |
П-IIа |
- |
- |
- » - |
|
Студия совещаний |
В |
П-IIа |
|
|
Оборудование с применением дерева и мягких тканей |
|
Химлаборатория |
В |
П-I |
- |
- |
Работа производится под вытяжным шкафом или зонтом |
|
Радиоузел |
В |
П-IIа |
- |
- |
Кабели с горючей или трудно-сгораемой оболочкой |
|
Служба связи и телемеханики |
В |
П-IIа |
- |
- |
Оборудование с применением дерева |
|
Измерительная и регулировочная |
В |
П-IIа |
- |
- |
- » - |
|
22. ОЧИСТНЫЕ СООРУЖЕНИЯ БЫТОВЫХ СТОЧНЫХ ВОД |
|
|
|
|
|
|
Электролизная |
Д |
- |
- |
- |
Сточные воды |
|
Насосная перекачки хозяйственно-бытовых вод |
Д |
- |
- |
- |
- » - |
|
23. МОЙКА АВТОМАШИН С ОЧИСТНЫМИ СООРУЖЕНИЯМИ |
Д |
- |
- |
- |
Сточные воды с бензином в количестве, не создающем взрывоопасную смесь в объеме превышающем 5 % свободного объема помещения |
|
24. УСТАНОВКА АВТОМАТИЧЕСКОГО ПОЖАРОТУШЕНИЯ |
Д |
- |
- |
- |
- |
|
25. УСТАНОВКА ДЛЯ ВОЗДУХОРАЗОГРЕВА ГРУЗОВЫХ АВТОМОБИЛЕЙ |
Д |
- |
- |
- |
- |
|
26. СТАНЦИЯ КАТОДНОЙ ЗАЩИТЫ |
Д |
- |
- |
- |
- |
|
27. РЕЗЕРВУАРЫ ДЛЯ ВОДЫ |
Д |
- |
- |
- |
- |
|
28. АВТОМАТИЧЕСКАЯ НАСОСНО-ПНЕВМАТИЧЕСКАЯ УСТАНОВКА (АНПУ) |
Д |
- |
- |
- |
- |
|
29. ВОДЯНАЯ НАСОСНАЯ НАД СКВАЖИНОЙ ПРИЕМНЫЙ КОЛОДЕЦ ПРИ НАСОСНОЙ СТАНЦИИ |
Д |
- |
- |
- |
- |
|
30. АВТОМАТИЧЕСКАЯ ГАЗОРАСПРЕДЕЛИТЕЛЬНАЯ СТАНЦИЯ (АГРС) НА ОТКРЫТОЙ ПЛОЩАДКЕ |
А |
В-Iг |
IIА |
Т3 |
Природный газ, этилмеркаптан |
|
31. ГАЗОРАСПРЕДЕЛИТЕЛЬНАЯ СТАНЦИЯ В ПОМЕЩЕНИИ |
|
|
|
|
|
|
Регуляторная |
А |
В-Iа |
IIА |
Т1 |
Природный газ |
|
Расходомерная |
А |
В-Iа |
IIА |
Т1 |
- » - |
|
Операторная |
Г |
- |
- |
- |
- |
|
Мастерская КИП |
Д |
- |
- |
- |
- |
|
Водонагревательная (котел АГВ) |
Г |
- |
- |
- |
Технологический процесс протекает с применением огня |
|
Одоризационная на открытой площадке |
А |
В-Iг |
IIА |
Т3 |
Этилмеркаптан |
|
То же, в помещении |
А |
В-Iа |
IIА |
Т3 |
Этилмеркаптан |
|
32. ПУНКТ ИЗМЕРЕНИЯ РАСХОДА ГАЗА |
|
|
|
|
|
|
Водонагревательная (котел АГВ) |
Г |
- |
- |
- |
Технологический процесс протекает с применением огня |
|
Помещение вторичных приборов |
Д |
- |
- |
- |
- |
|
Помещение датчиков |
А |
В-Iа |
IIА |
Т1 |
Природный газ. Замерные трубки заводятся без разделительных сосудов |
Примечания.
1. Категории производств, категория и группа взрывоопасной смеси приняты для дизтоплива по ГОСТ «Топливо дизельное»
2. Категория производств помещений связи принята в соответствии с «Перечнем помещений Минсвязи СССР по взрывной, взрывопожарной и пожарной опасности».
3. Согласно ГОСТ «Взрывоопасные смеси» и разъяснения Всесоюзного научно-исследовательского, проектно-конструкторского и технологического института взрывозащищенного и рудничного электрооборудования ВНИИВЭ, природный газ, транспортируемый по магистральным газопроводам и газ выветривания из резервуаров отнесены в классификации к категории IIА, группе Т1 взрывоопасных смесей (см. письмо ВНИИВЭ № 19-5/2441 от 01.04.1982 г.).

|
Кониметрические пункты |
||
|
Природно-климатическая зона |
Наименование пункта |
|
|
Тундра |
1 |
Ныда |
|
Лесотундра и север тайги |
2 |
Уренгой |
|
3 |
Надым |
|
|
4 |
Ягенетта |
|
|
5 |
Нурпейский |
|
|
6 |
Губкинский |
|
|
7 |
Комсомольский |
|
|
8 |
Ортьягунский |
|
|
9 |
Ухта |
|
|
Лесов и тайги |
10 |
Самсоновский |
|
11 |
Ярковский |
|
|
12 |
Ивдель |
|
|
13 |
Горнозаводский |
|
|
14 |
Далматовский |
|
|
15 |
Оханск |
|
|
16 |
Можга |
|
|
17 |
Помары |
|
|
18 |
Шемордан |
|
|
19 |
Алгасово |
|
|
20 |
Елец |
|
|
21 |
Котлас |
|
|
22 |
Грязовец |
|
|
23 |
Валдай |
|
|
Степная и лесостепная |
24 |
Карталы |
|
25 |
Оренбург |
|
|
26 |
Алексеевка |
|
|
27 |
Уральск |
|
|
28 |
Чижа |
|
|
29 |
Красногорский |
|
|
30 |
Алгай |
|
|
31 |
Саратов |
|
|
Пустынная и полупустынная |
32 |
Индер |
|
33 |
Досанг |
|
|
34 |
Бейнеу |
|
|
35 |
Комсомольск-на-Устюрте |
|
|
36 |
Кунград |
|
|
37 |
Хива |
|
|
38 |
Лебан |
|
|
39 |
Газли |
|
|
40 |
Мубарек |
|
|
41 |
Култак |
|
|
42 |
Гугуртли |
|
|
43 |
Самантепе |
|
|
44 |
Шуртан |
|
|
45 |
Шатлык |
|
|
46 |
Каракумский |
|
|
47 |
Небит-Даг |
|
|
48 |
Котурдепе |
|
|
49 |
Бекдаш |
|
|
50 |
Ташкент |
|
Давление
1 атм. = 1 кгс/см2 = 9,81·104 Па = 9,81·104 н/м2
1 бар = 105 н/м2 = 1,019 кгс/см2 = 0,98066 атм.
Динамическая вязкость
1 н·с/м2 = 1 Па.с = 1 кг/(м·с)
1 кгс·с/м2 = 9,807 Па·с
Тепловой поток
1 Вт = 0,86 ккал/ч = 860 кал/ч = 0,239 кал/с
1 ккал/ч = 1,163 Вт
Теплоемкость
1 Дж/(кг·К) = 0,239 ккал/(кг·К)
1 ккал/(кг·К) = 4187 Дж/(кг·К)
Теплопроводность
1 Вт/(м·К) = 0,86 ккал/(м·ч·К) = 0,239 кал/(м·с·К)
1 ккал/(м·ч·К) = 1,163 Вт/(м·К) = 2,777 кал/(м·с·К)
Теплоотдача
1 Вт/(м2·К) = 0,86 ккал/(м2·ч·К)
1 ккал/(м2·ч·К) = 1,163 Вт/(м·К)
|
Тип ГТУ |
Диапазон температур воздуха на входе компрессора ГТУ, Тз, К |
Формула для расчета или значение коэффициента Kоб |
|
ГТК-10 |
> 278 |
1,0 |
|
≤ 278 |
0,90 |
|
|
ГТН-10И |
> 277 |
1,0 |
|
ГТН-25И оснащенных системой с подогревом продуктами сгорания |
≤ 277 |
1,0 при этом температура Тз принимается постоянной и равной 277 К |
|
ГТН-10И |
≥ 277 |
1,0 |
|
ГТН-25И оснащенных системой с подогревом воздухом после компрессора |
от 266 до 277 |
0,94 + 0,014 (Тз - 273) |
|
≤ 266 |
0,84 |
|
|
ГПА-Ц-16 |
≥ 280 ≤ 263 |
1,0 |
|
от 268 до 280 |
0,96 |
|
|
от 268 до 263 |
0,945 |
|
|
ГТН-16 |
≥ 276 ≤ 263 |
1,0 |
|
от 263 до 276 |
1,0 при этом температура Тз принимается постоянной и равной 266 К |
1. Нормы технологического проектирования магистральных газопроводов ОНТП-85/Мингазпром (1 редакция).
2. ОСТ 51.40-83. Газы горючие природные, подаваемые в магистральные газопроводы. Технические условия.
3. СНиП 2.05.06-85 Магистральные трубопроводы. Нормы проектирования.
4. ОСТ 51.100-83. Надежность магистральных газопроводов. Термины и определения.
5. ОСТ 51.63-80. Газопровод. Линейная часть. Термины и определения.
6. ОСТ 51.54-79. Транспорт газа трубопроводный. Основные термины и определения.
7. Правила технической эксплуатации магистральных газопроводов, 1982 г.
8. Правила устройства и безопасной эксплуатации сосудов, работающих под давлением. Госгортехнадзор СССР. 1976 г.
9. СНиП II-89-80. Генеральные планы промышленных предприятий.
10. СН 527-80. Инструкция по проектированию технологических стальных трубопроводов Ру до 10 МПа.
11. Инструкция по применению стальных труб в газовой и нефтяной промышленности, 1983 г.
12. СН-373-67. Указания по расчету стальных трубопроводов различного назначения.
13. СН 369-74. Указания по расчету рассеивания в атмосфере вредных веществ, содержащихся в выбросах предприятий.
14. Правила техники безопасности для холодильных машин и установок, 1983 г.
15. Методические указания по расчету норм расхода хладоагентов, 1982 г.
16. Альбомы «Типовых деталей тепловой изоляции трубопроводов и оборудования. Серия 2.400». Главтепломонтаж. 1971 г.
17. СН 542-81. Инструкция по проектированию тепловой изоляции оборудования и трубопроводов промышленных предприятий.
18. ВСН 389-77/ММ СС СССР Инструкция по применению защитных покрытий.
19. СН 245-71. Санитарные нормы проектирования промышленных предприятий.
20. СН 433-79. Инструкция по строительному проектированию предприятий, зданий и сооружений нефтяной и газовой промышленности.
21. Перечень вновь возводимых и реконструируемых зданий и помещений Министерства газовой промышленности, подлежащих оборудованию автоматической пожарной сигнализацией.
22. Перечень зданий и помещений, подлежащих оборудованию автоматическими средствами пожаротушения.
23. Перечень технологического оборудования, применяемого на предприятиях Мингазпрома, подлежащего установке на открытых площадках, согласованный Госстроем СССР.
24. ГОСТ 11862-73. Воздух для питания пневматических приборов и средств автоматизации ГСП. Технические требования и методы испытаний.
25. РТМ-6-28-009-82. Устройства предохранительные с разрушающейся мембраной. Минхимпром, 1982 г.
26. СН 227-82. Инструкция по типовому проектированию.
27. ГОСТ 21199-82. Установки газотурбинные. Общие технические требования.
28. ОСТ 24.022.08. Устройства воздухоочистительные для стационарных газовых турбин. Технические требования.
29. ОСТ 108.022.13-82. Устройства воздухоочистительные комплексные для стационарных приводных газотурбинных установок. Типы, технические требования.
30. «Классификация уровня запыленности атмосферного воздуха в различных природных зонах СССР», ВНИПИгаздобыча, 1982 г.
31. Методика теплового и аэродинамического расчета аппаратов воздушного охлаждения. ВНИИнефтемаш. 1982 г.
32. СНиП 2.01.01-82 Строительная климатология и геофизика.
33. ГОСТ 15 150-69. Машины, приборы и другие технические изделия. Исполнение для различных климатических районов.
Категории, условия эксплуатации, хранения и транспортирования в части воздействия климатических факторов внешней среды.
34. СНиП II-106-79. Склады нефти и нефтепродуктов.
35. Инструкция о порядке получения от поставщиков, перевозки, хранения, отпуска и применения метанола на газовых промыслах, магистральных газопроводах и станциях подземного хранения газа (СПХГ), утвержденная Мингазпромом 07.07.75 г.
36. СНиП II-37-76. Газоснабжение. Внутренние и наружные устройства.
37. ВНТП 51-1-78. Нормы технологического проектирования газоперерабатывающих заводов. ЮжНИИгипрогаз, 1978 г.
38. СНиП II-3I-74. Водоснабжение. Наружные сети и сооружения.
39. СНиП II-32-74. Канализация. Наружные сети и сооружения.
40. СНиП II-33-75. Отопление, вентиляция и кондиционирование воздуха.
41. СНиП II-34-76. Горячее водоснабжение.
42. СНиП II-36-73. Тепловые сети.
43. СН 75-76. Инструкция по проектированию установок автоматического пожаротушения.
44. Инструкция о порядке согласования применения электрокотлов и других электронагревательных приборов.
45. СНиП II-30-76. Внутренний водопровод и канализация зданий.
46. Руководство по проектированию сооружений для забора подземных вод. ВНИИ Водгео Госстроя СССР. Москва, 1978 г.
47. Правила охраны поверхностных вод от загрязнений сточными водами. Москва. 1975 г.
48. Руководство по рекультивации земель при строительстве магистральных газопроводов. Москва, 1976 г.
49. Основные положения о рекультивации земель, нарушенных при разработке месторождений полезных ископаемых и торфа, проведении геологоразведочных, строительных и других работ. Москва, 1977.
50. ВСН 1-46-73. Указания по проектированию и методике расчета магистральных трубопроводов из труб диаметром 1420 мм, Миннефтегазстрой, 1973 г.
51. ВСН 2-84-82. Инструкция по применению импортных изоляционных лент и липких оберток. Миннефтегазстрой, 1982 г.
52. ВСН 2-25-71. Инструкция по проектированию подземных трубопроводов на опорах в вечно-мерзлых грунтах, Мингазпром, 1971 г.
53. Нормы обслуживания и нормативы численности для линейных обходчиков, осуществляющих обслуживание и охрану линейной части газо- и продуктопроводов. Москва, 1980 г.
54. Правила охраны магистральных газопроводов. Москва. 1979 г.
55. ВСН 2-106-78. Инструкция по проектированию и расчету электрохимической защиты магистральных трубопроводов и промысловых объектов. Миннефтегазстрой, 1980 г.
56. Руководство по проектированию и защите от коррозии подземных металлических сооружений связи, Минсвязь СССР, 1978 г.
57. Руководство по применению средств электрозащиты от почвенной коррозии на низкотемпературных газопроводах.
58. ПУЭ. Правила устройства электроустановок. Минэнерго СССР, 1985 г.
59. СН 174-75. Инструкция по проектированию электроснабжения промышленных предприятий, Госстрой СССР.
60. Положение о разработке схем и объектов внешнего электроснабжения магистральных нефтепроводов и газопроводов, 1979 г.
61. СН 85-74. Инструкция по прокладке кабелей напряжением до 110 кВ. Госстрой СССР.
62. РТМ 51-33-80. Методические указания по нормированию категорийности электроприемников объектов газовой промышленности, Мингазпром, 1960 г.
63. РТМ-1275. Указания по построению электрических схем компрессорных станций магистральных газопроводов. Мингазпром, 1981 г.
64. ВСН 332-74. Инструкция по монтажу электрооборудования силовых и осветительных сетей взрывоопасных зон. Главэлектромонтаж, 1974 г.
65. СН 305-77. Инструкция по проектированию и устройству молниезащиты зданий и сооружений. Госстрой СССР.
66. СН 102-76. Инструкция по устройству сетей заземления и зануления в электроустановках. Госстрой СССР.
67. СН 357-77. Инструкция по проектированию силового и осветительного оборудования промышленных предприятий. Госстрой СССР, 1977 г.
68. СНиП II-4-79. Естественное и искусственное освещение. Нормы проектирования. Госстрой СССР, 1979 г.
69. Руководство по выбору и применению проводов для силовых и осветительных сетей. ВНИПИтяж.
70. Единые технические указания по выбору и применению электрических кабелей, Минэнерго, ММСС.
71. ВСН 294-72. Инструкция по монтажу электрооборудования пожароопасных установок напряжением до 1000 В. Минмонтажспецстрой, 1972 г.
72. Правила технической эксплуатации и техники безопасности при эксплуатации воздушных линий электропередач, распределительных сетей и взрывоопасных электроустановок. Госэнергонадзор, 1974.
73. Правила технической эксплуатации электроустановок потребителей и правила техники безопасности при эксплуатации электроустановок потребителей. Госэнергонадзор, 1974 г.
74. РД 39-22-113-78. Временные правила защиты от проявления статического электричества на производственных установках и сооружениях нефтяной и газовой промышленности. Мингазпром, Миннефтепром, 1988 г.
75. ВНТП 119-80. Ведомственные нормы технологического проектирования. Проводные средства связи. Линейно-кабельные сооружения. Министерство связи СССР, 1960 г.
76. ВНТП 112-79. Ведомственные нормы технологического проектирования. Проводные средства связи. Часть 2. Станции городских и сельских телефонных сетей, Минсвязи СССР, 1979 г.
77. ВНТП 113-79. Ведомственные нормы технологического проектирования. Проводные средства связи. Станции и узлы телеграфные и передачи данных. Минсвязи СССР, 1979 г.
78. ВНТП 111-79. Ведомственные нормы технологического проектирования. Проводные средства связи. Часть 4. Станции радиотрансляционных узлов. Минсвязи СССР, 1979 г.
79. ВНТП 115-80. Ведомственные нормы технологического проектирования. Проводные средства связи. Магистральные кабельные линии связи. Минсвязи СССР, 1980 г.
80. ВНТП 117-81. Ведомственные нормы технологического проектирования. Проводные средства связи. Линейно-аппаратные цехи, Минсвязи СССР, 1981 г.
81. ВНТП 213-80. Ведомственные нормы технологического проектирования. Предприятия радиосвязи, радиовещания и телевидения. Радиорелейные линии связи. Минсвязи СССР, 1960 г.
82. ВНТП 332-81. Ведомственные нормы технологического проектирования. Электроустановки предприятий и сооружений электросвязи, радиовещания и телевидения, Минсвязи СССР, 1981 г.
83. ВНТП 332-82. Ведомственные нормы технологического проектирования. Проводные и почтовые средства связи. Производственные и вспомогательные здания, Минсвязи СССР, 1982 г.
84. НТП 45-320-76. Нормы технологического проектирования. Линии воздушные связи и радиотрансляционных сетей. Минсвязи СССР. 1976 г.
85. ВСН 1-77. Инструкция по проектированию молниезащиты радиообъектов. Минсвязи СССР. 1977 г.
86. Правила строительства и ремонта воздушных линий связи и радиотранспортных сетей (части I, II, III, IV), Минсвязи СССР, 1971 - 1975 гг.
87. Инструкция по скрещиванию телефонных цепей воздушных линий связи. Минсвязи СССР, 1968 г.
88. Правила по строительству линейных сооружений городских телефонных сетей. Минсвязи СССР. 1962 г.
89. Указания по строительству междугородних кабельных линий связи. Минсвязи СССР, 1972 г.
90. Руководство по симметрированию кабелей связи. Минсвязи СССР, 1959 г.
91. Руководство по симметрированию кабелей связи в широком диапазоне частот, Минсвязи СССР, 1965 г.
92. Руководство по защите подземных кабелей связи от ударов молнии. Минсвязи СССР. 1975 г.
93. М-012-2-74. Содержание кабелей связи под избыточным газовым давлением, Гипросвязь, 1974 г.
94. М-056-2-75. Методические указания. Размещение усилительных пунктов и электрические расчеты телефонных каналов кабельных линий связи для однополосных и двухполосных систем передачи. Минсвязи СССР, 1975 г.
95. Единые технические указания по выбору и применению кабелей связи в алюминиевой стальной и пластмассовой оболочках. Минсвязи СССР, 1972 г.
96. Правила защиты устройств проводной связи, железнодорожной сигнализации и телемеханики от опасного и мешающего влияния линий электропередачи (часть 1 и 2) Минсвязи СССР, 1976 г.
97. Правила защиты устройств связи от влияния тяговой сети электрических железных дорог постоянного тока (ч. 1), МПС, Минсвязи СССР, 1969 г.
98. 1-72-92. Общесоюзные нормы индустриальных радиопомех. Госкомитет по радиочастотам.
99. СНиП II-12-77. Защита от шума. Нормы проектирования.
100. СНиП II-2-80. Противопожарные нормы проектирования зданий и сооружений.
101. Основные положения по комплексной автоматизации газотранспортных предприятий. Москва, 1977 г.
102. Основные технические решения по автоматизации перспективных КС, Москва, 1979 г.
103. Справочник по автоматизации производственных процессов в газовой промышленности.
104. Правила измерения расхода газов и жидкостей стандартными сужающими устройствами РД 50-213-80, Москва, 1982 г.
105. Руководство по количественному учету топливного газа и газа собственных нужд КС газопроводов, Москва, 1981 г.
106. СН 463-74. Указания по определению категории производств по взрывной, взрывопожарной и пожарной опасности. Госстрой СССР, 1974 г.
107. СНиП II-Д.5-72. Автомобильные дороги. Нормы проектирования.
108. Правила безопасности в нефтегазодобывающей промышленности, Госгорнадзор по согласованию с Госстроем СССР, 1974 г.
109. Правила устройства и безопасной эксплуатации стационарных компрессорных установок, воздухопроводов и газопроводов, Госгортехнадзор и ВЦСПС, 1971 г.
110. ПУГ-69. Правила устройства и безопасной эксплуатации трубопроводов для горючих, токсичных и сжиженных газов. Госгортехнадзор СССР. 1969 г.
111. Правила устройства и безопасной эксплуатации поршневых компрессоров, работающих на взрывоопасных и токсичных газах. Госгортехнадзор. 1970 г.
112. ПБВХП-74. Правила безопасности во взрывоопасных и взрыво-пожароопасных химических и нефтехимических производствах, Госгортехнадзор СССР, 1982 г.
113. Правила безопасности в газовом хозяйстве, Госгортехнадзор СССР, 1982 г.
114. ВСН 51-1-80. Инструкция по производству строительных работ в охранных зонах магистральных газопроводов Министерства газовой промышленности. Мингазпром, 1980 г.
115. Инструкция по контролю воздушной среды на газо-, взрыво- и пожароопасных предприятиях и отдельных объектах Министерства газовой промышленности. Мингазпром, 1969 г.
116. РД 39-2-434-80. Требования к установке стационарных газоанализаторов и сигнализаторов в производственных помещениях предприятий нефтяной промышленности (ТУ газнефть), Миннефтегазпром, 1960 г.
117. Нормы положенности противопожарного оборудования и первичных средств пожаротушения на объектах Министерства газовой промышленности. Мингазпром, 1977 г.
118. Руководство по определению пределов огнестойкости конструкций, пределов распространения огня по конструкциям и группы возгораемости материалов, ЦНИИСК им. В. А. Кучеренко, 1982 г.
119. ВНТП-28-79. Противопожарные нормы проектирования предприятий, зданий и сооружений нефтеперерабатывающей и нефтехимической промышленности. Министерство нефтеперерабатывающей и нефтехимической промышленности СССР, 1979 г.
120. Положение о комиссии в объединении по предупредительному надзору за соблюдением действующих норм и правил по охране труда в проектной документации на строительство, расширение, реконструкцию производственных и санитарно-бытовых объектов Мингазпрома, Мингазпром, 1982 г.
121. ГОСТ 12.1.003-75. ССБТ. Шум. Общие требования безопасности.
122. ГОСТ 12.1.004-75. ССБТ. Пожарная безопасность. Общие требования.
123. ГОСТ 12.2.003-74. ССБТ. Оборудование производственное. Общие требования безопасности.
124. ГОСТ 12.2.016-76. ССБТ. Оборудование компрессорное. Общие требования безопасности.
125. ГОСТ 12.3.002-75. ССБТ. Процессы производственные. Общие требования безопасности.
126. ГОСТ 12.1.009-76. ССБТ. Электробезопасность. Общие требования.
127. ГОСТ 12.1.010-76. ССБТ. Взрывобезопасность. Общие требования.
128. ГОСТ 14202-69. Трубопроводы промышленных предприятий. Опознавательная окраска, предупреждающие знаки и маркировочные щитки.
129. ГОСТ 12.1.012-78. ССБТ. Вибрация. Общие требования безопасности.
130. ГОСТ 12.4.026-76. ССБТ. Сигнальная предупредительная окраска и знаки безопасности.
131. ГОСТ 12.4.011-75. ССБТ. Средства защиты работающих. Классификация.
132. СН-528-80. Перечень единиц физических величин, подлежащих применению в строительстве.
133. ОСТ 51.55-79. Знаки безопасности для предприятий газовой промышленности.
134. ГОСТ 8.002-71. Организация и порядок проведения проверки, ревизии и экспертизы средств измерений.
135. «Общие санитарные правила по хранению и применению метанола».
136. «Правила по перевозке, хранению и применению метанола».
137. СНиП II-90-81. Производственные здания промышленных предприятий.
138. ГОСТ 12.1.011-78 (СТ СЭВ 2775-80). Смеси взрывоопасные. Классификация и методы испытаний.
139. Временные общеотраслевые методические материалы по проектированию машин, оборудования и приборов, автоматизированных с применением микропроцессорных средств, и созданию на этой базе автоматизированных предприятий и технологических комплексов.
Госкомитет СССР по науке и технике, Москва, 1984 г.
140. Отраслевые руководящие методические материалы по созданию автоматизированных систем управления технологическими процессами в газовой промышленности.
Мингазпром, Москва, 1977 г.
141. ГОСТ 25812-83. Единая система защиты от коррозии и старения. Подземные сооружения. Общие технические требования.
142. ГОСТ 9.015-74. Подземные сооружения. Общие технические требования.
ЕСГ - единая система газоснабжения
СНиП - строительные нормы и правила
ГЩУ - главный щит управления
РТМ - руководящий технический материал
ВЛ - воздушная линия электропередачи
УКЗ - установка катодной защиты
ПУЭ - правила устройства электроустановок
ЛЭП - линия электропередачи
КС - компрессорная станция
КИП - контрольно-измерительные приборы
ДПКС - диспетчерский пункт компрессорной станции
ЗРУ - закрытое распределительное устройство
КТП - комплектная трансформаторная подстанция
ПЭБ - производственно-энергетический блок
ГРС - газораспределительная станция
УКЗВ - установки катодной защиты высоковольтные
УКЗН - установки катодной защиты низковольтные
ГПА - газоперекачивающий агрегат
АЗК - автомат закрытия крана
ЛЭС - линейно-эксплуатационная служба
АТС - автоматическая телефонная станция
ПХГ - подземное хранилище газа
ГТУ - газотурбинная установка
ЭСН - электростанция собственных нужд

Обвязка нагнетателя для параллельной работы

Обвязка нагнетателя для последовательно-параллельной работы

|
Номер крана |
Место установки |
|
1 |
На всасывающем газопроводе ГПА |
|
2 |
На нагнетательном газопроводе ГПА |
|
3 |
На трубопроводе между всасывающим и нагнетательным газопроводом обвязки нагнетателя |
|
3-бис |
На обводной линии агрегата между нагнетателем и кранами № 1 и № 2 |
|
4 |
На обводной линии крана № 1 |
|
5 |
На свече, врезанной в нагнетательный газопровод между нагнетателем и краном № 2 |
|
6 |
На пусковом контуре агрегата |
|
7 |
На входных газопроводах КЦ до пылеуловителей |
|
8 |
На выходных газопроводах КЦ |
|
17 |
На свечах входных газопроводов КЦ |
|
18 |
На свечах выходных газопроводов КЦ |
|
20 |
На магистральном газопроводе между входным и выходным газопроводами КЦ |
|
36 |
На обводной линии компрессорной станции |
|
36р |
На обводной линии компрессорной станции |
Полный перечень и нумерация кранов определяется требованиями «Правил технической эксплуатации магистральных газопроводов» и технологической схемой конкретной компрессорной станции.
СОДЕРЖАНИЕ
|
ГОСТЫ, СТРОИТЕЛЬНЫЕ и ТЕХНИЧЕСКИЕ НОРМАТИВЫ. Некоммерческая онлайн система, содержащая все Российские Госты, национальные Стандарты и нормативы. В Системе содержится более 150000 файлов нормативно-технической документации, действующей на территории РФ. Система предназначена для широкого круга инженерно-технических специалистов. Copyright © www.gostrf.com, 2008 - 2026 |