Крупнейшая бесплатная информационно-справочная система онлайн доступа к полному собранию технических нормативно-правовых актов РФ. Огромная база технических нормативов (более 150 тысяч документов) и полное собрание национальных стандартов, аутентичное официальной базе Госстандарта. GOSTRF.com - это более 1 Терабайта бесплатной технической информации для всех пользователей интернета. Все электронные копии представленных здесь документов могут распространяться без каких-либо ограничений. Поощряется распространение информации с этого сайта на любых других ресурсах. Каждый человек имеет право на неограниченный доступ к этим документам! Каждый человек имеет право на знание требований, изложенных в данных нормативно-правовых актах!

  


 

МЕЖГОСУДАРСТВЕННЫЙ СТАНДАРТ

ГАЙКИ ШЕСТИГРАННЫЕ С УМЕНЬШЕННЫМ РАЗМЕРОМ «ПОД КЛЮЧ» С ДИАМЕТРОМ РЕЗЬБЫ СВЫШЕ 48 мм (КЛАСС ТОЧНОСТИ А)

ГОСТ
10608-72

Взамен
ГОСТ 10608-63

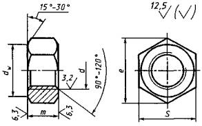
Конструкция и размеры

Hexagon nuts with reduced width across flat with thread diameter over 48 mm (Product grade A). Design and dimensions

Постановлением Государственного комитета стандартов Совета Министров СССР от 12 сентября 1972 г. № 1709 дата введения установлена

01.01.74

Ограничение срока действия снято по протоколу № 5-94 Межгосударственного совета по стандартизации, метрологии и сертификации (ИУС 11-12-94)

Издание 2006 г. с Изменениями № 1, 2, утвержденными в июне 1980 г., декабре 1986 г. (ИУС 9-80, 4-87).

1. Настоящий стандарт распространяется на шестигранные гайки общего назначения с уменьшенным размером «под ключ» класса точности А с диаметром резьбы свыше 48 мм.

(Измененная редакция, Изм. № 2).

2. Конструкция и размеры гаек должны соответствовать указанным на чертеже и в таблице.

мм

Номинальный диаметр резьбы d

(52)

56

64

72

(76)

80

90

100

110

125

140

160

dw, не менее

66,1

70,8

79,9

89,4

94,2

88,9

108,4

122,6

136,8

146,3

170,0

198,4

Шаг резьбы

крупный

5,0

5,5

6,0

 

 

 

 

 

 

 

 

 

мелкий

3,0

4,0

6,0 и 4,0

Размер «под ключ» S (пред. откл. при S ≤ 80 мм по h13, при S > 80 мм по h14)

70

75

85

95

100

105

115

130

145

155

180

210

Высота m (пред. откл. по h14)

40

44

50

55

60

62

70

78

85

98

110

120

Диаметр описанной окружности e, не менее

78,6

84,3

95,1

106,4

112,0

117,7

129,0

145,8

162,7

174,0

202,3

236,0

Примечание. Размеры гаек, заключенные в скобки, применять не рекомендуется.

Пример условного обозначения гайки диаметром резьбы d = 56 мм, с крупным шагом резьбы с полем допуска 6Н, из материала группы 02, без покрытия:

Гайка М56 - 6Н.02 ГОСТ 10608-72

То же, с мелким шагом резьбы с полем допуска 6Н, из материала группы 07, с покрытием 01 толщиной 9 мкм:

Гайка М56×4 - 6Н.07.019 ГОСТ 10608-72

(Измененная редакция, Изм. № 1, 2).

3. (Исключен, Изм. № 2).

4. Технические требования - по ГОСТ 18126-94.

5. Теоретическая масса гаек указана в приложении 1.

6. (Исключен, Изм. № 2).

ПРИЛОЖЕНИЕ 1

Справочное

Шаг резьбы, мм

Теоретическая масса гайки, кг ≈, при номинальном диаметре резьбы d, мм

(52)

56

64

72

(76)

80

90

100

110

125

140

150

Крупный - 5,0; 5,5 и 6,0

0,74

0,93

1,34

-

-

-

-

-

-

-

-

-

Мелкий - 3,0 и 4,0

0,72

0,91

1,30

1,74

2,09

2,36

3,00

4,40

6,11

6,96

11,40

17,60

Мелкий - 6,0

-

-

-

1,80

2,16

2,44

3,10

4,52

6,25

7,15

11,70

17,90

ПРИЛОЖЕНИЕ 2. (Исключено, Изм. № 2).

 




ГОСТЫ, СТРОИТЕЛЬНЫЕ и ТЕХНИЧЕСКИЕ НОРМАТИВЫ.
Некоммерческая онлайн система, содержащая все Российские Госты, национальные Стандарты и нормативы.
В Системе содержится более 150000 файлов нормативно-технической документации, действующей на территории РФ.
Система предназначена для широкого круга инженерно-технических специалистов.

Рейтинг@Mail.ru Яндекс цитирования

Copyright © www.gostrf.com, 2008 - 2026