Крупнейшая бесплатная информационно-справочная система онлайн доступа к полному собранию технических нормативно-правовых актов РФ. Огромная база технических нормативов (более 150 тысяч документов) и полное собрание национальных стандартов, аутентичное официальной базе Госстандарта. GOSTRF.com - это более 1 Терабайта бесплатной технической информации для всех пользователей интернета. Все электронные копии представленных здесь документов могут распространяться без каких-либо ограничений. Поощряется распространение информации с этого сайта на любых других ресурсах. Каждый человек имеет право на неограниченный доступ к этим документам! Каждый человек имеет право на знание требований, изложенных в данных нормативно-правовых актах!

  


 

ГОСТ 11539-83

МЕЖГОСУДАРСТВЕННЫЙ СТАНДАРТ

ФАНЕРА БАКЕЛИЗИРОВАННАЯ

ТЕХНИЧЕСКИЕ УСЛОВИЯ

ИПК ИЗДАТЕЛЬСТВО СТАНДАРТОВ

Москва

МЕЖГОСУДАРСТВЕННЫЙ СТАНДАРТ

ФАНЕРА БАКЕЛИЗИРОВАННАЯ

Технические условия

Bakclite resins plywood.
Specifications

ГОСТ
11539-83*

Взамен

ГОСТ 11539-73,

ГОСТ 5.899-71

* Переиздание (декабрь 1998 г.) с Изменением № 1, утвержденным в декабре 1988 г. (ИУС 4-89)

Постановлением Государственного комитета СССР по стандартам от 10.10.83 № 4828 дата введения установлена

01.01.85

Ограничение срока действия снято по протоколу № 4-93 Межгосударственного Совета по стандартизации, метрологии и сертификации (ИУС 4-94)

Настоящий стандарт распространяется на бакелизированную фанеру, изготовленную из листов березового лущеного шпона, склеенных синтетическими смолами. (Измененная редакция, Изм. № 1).

1. МАРКИ И РАЗМЕРЫ

1.1. Бакелизированную фанеру изготовляют следующих марок, указанных в табл. 1.

Таблица 1

Марка фанеры

Характеристика марки

Область применения

ФБС

Наружные слои фанеры пропитываются фенолоформальдегидной спирторастворимой смолой. На внутренние слои смола наносится

Для изготовления конструкций в машиностроении, автомобилестроении, строительстве и судостроении, работающих в атмосферных условиях

ФБС1

На наружные и внутренние слои фанеры наносится фенолоформальдегидная спирторастворимая смола

ФБВ

Наружные слои фанеры пропитываются фенолоформальдегидной водорастворимой смолой. На внутренние слои смола наносится

Для изготовления внутренних конструкций, применяемых в машиностроении, автомобилестроении и судостроении. При защите наружных поверхностей фанеры лакокрасочными покрытиями для изготовления конструкций, работающих в атмосферных условиях

ФБВ1

На наружные и внутренние слои фанеры наносится фенолоформальдегидная водорастворимая смола

ФБС-А

На наружные и внутренние слои фанеры наносится фенолоформальдегидная спирторастворимая смола

Для изготовления внутренних конструкций, применяемых в автомобилестроении

ФБС1

На наружные и внутренние слои фанеры (кроме двух поперечных слоев, расположенных симметрично от центрального) наносится фенолоформальдегидная спирторастворимая смола

(Измененная редакция, Изм. № 1).

1.2. Фанеру марки ФБС применяют в изделиях, эксплуатируемых в условиях тропического климата. Изделия изготовляют по ГОСТ 15150-69 и ГОСТ 15151-69 в следующих исполнениях и категориях: ТС5; Т4.1; ТВ4.1; ТМ4.1; У1.1; У3; У4; У5; М1.1; М3; М4; М5; ОМ3; ОМ4; ОМ5.

1.3. Размеры фанеры должны соответствовать указанным в табл. 2.

Таблица 2

мм

Длина

Ширина

Толщина

Номин.

Пред. откл.

Номин.

Пред. откл.

Номин.

Пред. откл.

7700; 5700; 5600;

± 20

1550; 1500; 1250

± 20

5

± 0,5

4900; 4400; 1500

 

 

 

7

± 0,8

 

 

 

 

10; 12; 14

± 0,9

 

 

 

 

16

+1,0

 

 

 

 

 

-0,9

 

 

 

 

18

+2,0

 

 

 

 

 

-0,9

Толщина в каждой измеряемой точке не должна отличаться от номинальной толщины более чем на величину предельных отклонений, указанных в табл. 2.

1.4. По согласованию с потребителем допускается 25 % от партии листов фанеры, уменьшенных по длине и ширине. Максимальное уменьшение размеров, указанных в табл. 2, - 250 мм с градацией через 50 мм.

1.5. По согласованию с потребителем допускается изготовление фанеры других размеров по длине и ширине в соответствии с размерами клеильных прессов, установленных на действующих предприятиях.

1.6. По заказу потребителя фанера марки ФБС изготовляется толщиной 6 мм с предельным отклонением ± 0,8 мм.

2. ТЕХНИЧЕСКИЕ ТРЕБОВАНИЯ

2.1. Фанера должна изготовляться в соответствии с требованиями настоящего стандарта по технологической документации, утвержденной в установленном порядке.

2.2. Для изготовления фанеры должен применяться лущеный березовый шпон по ГОСТ 99-96 сортов, указанных в табл. 3.

Таблица 3

Марка фанеры

Сорт шпона на слои

наружные

внутренние

ФБС

В

ВВ

ФБВ

ФБС-А

ФБС1

ВВ

ВВ

с допуском по несросшимся сучкам без ограничения количества

ФБВ1

ФБС1

2.3. Наружные слои фанеры должны быть изготовлены из целых по ширине листов шпона. Стыки шпона не должны совпадать в продольных слоях по толщине фанеры.

2.4. На поверхности фанеры не допускаются участки, не пропитанные или не покрытые смолой.

По согласованию с потребителем допускается изготовление фанеры с наружными слоями, не покрытыми смолой, кроме фанеры марки ФБС повышенной прочности. (Измененная редакция, Изм. № 1).

2.5. Для внутренних слоев допускается применение листов шпона, составленных по ширине из отдельных полос.

Ширина полос должна быть не менее 200 мм, для фанеры марки ФБС - не менее 400 мм. При составлении листов из полос допускаются нахлестки шпона величиной до 5 мм и зазоры между кромками шпона до 2 мм.

2.6. По физико-механическим показателям фанера должна соответствовать значениям, указанным в табл. 4.

Таблица 4

Наименование показателя

Толщина фанеры, мм

Значение для марок

ФБС повышенной прочности

ФБС

ФБВ

ФБС1

ФБВ1

ФБС-А

ФБС1

1. Предел прочности при растяжении вдоль волокон наружных слоев фанеры, МПа, не менее

5; 7

88,0

88,0

78,5

59,0

10; 12

73,5

73,5

-

-

14; 16; 18

68,5

68,5

-

-

2. Предел прочности при статическом изгибе, МПа, не менее:

 

 

 

 

 

поперек волокон наружных слоев

7

78,5

78,5

63,5

-

10; 12

80,0

78,5

68,5

-

14; 16; 18

90,0

88,2

78,5

 

вдоль волокон наружных слоев

10; 12

117,5

117,5

108,0

88,0

14; 16; 18

108,0

108,0

98,0

78,5

3. Предел прочности при скалывании по клеевому слою после кипячения в воде в течение 1 ч, МПа. не менее

5 - 18

1,76

1,76

1,47

1,47

4. Влажность.

5 - 7

6 ± 2

10 - 18

8 ± 2

5. Плотность, кг/м3, не более

5 - 18

1200

(Измененная редакция, Изм. № 1).

2.7. Физико-механические показатели фанеры марки ФБС толщиной 6 мм должны соответствовать показателям фанеры марки ФБС толщиной 7 мм.

2.8. На поверхности фанеры не допускаются нахлестки, вмятины и бугорки глубиной (высотой) более 1 мм, пузыри, недопрессовки, на кромках - расслоение.

(Измененная редакция, Изм. № 1).

2.9. Листы фанеры должны быть обрезаны под прямым углом. Косина листа не должна превышать 2 мм на 1 м длины.

2.10. Торцы и кромки фанеры марки ФБС толщиной 6 мм после обрезки должны быть защищены от проникновения влаги синтетическими покрытиями.

3. ПРАВИЛА ПРИЕМКИ

3.1. Фанеру предъявляют к приемке партиями. Партией считают количество листов фанеры одной марки и размера, оформленное одним документом о качестве, содержащим:

 - наименование предприятия-изготовителя и его товарный знак;

 - марку фанеры;

 - размеры листа фанеры;

 - результаты проведенных испытаний;

 - количество фанеры в кубических или в квадратных метрах;

 - обозначение настоящего стандарта;

 - для фанеры марки ФБС повышенной прочности после указания марки проставляют обозначение - ПП.

3.2. Для контроля размеров и внешнего вида фанеры проверке подвергают каждый лист партии. Для контроля физико-механических показателей отбирают один лист фанеры от партии. Отбор листов для испытаний производят не ранее, чем через 24 ч после выгрузки листов из пресса.

3.3. Партию фанеры принимают, если отобранный лист фанеры по физико-механическим показателям соответствует требованиям настоящего стандарта.

При получении неудовлетворительных результатов хотя бы по одному из физико-механических показателей проводят повторную проверку на удвоенном количестве листов, взятых от той же партии.

Результаты повторных испытаний распространяют на всю партию.

3.1 - 3.3. (Измененная редакция, Изм. № 1).

3.4. Приемку фанеры по количеству производят в кубических или квадратных метрах. Объем одного листа подсчитывают с точностью до 0,00001 м3, а объем партии - до 0,01 м3.

Площадь одного листа подсчитывают с точностью до 0,01 м2, а площадь листов партии - с точностью до 0,5 м2.

4. МЕТОДЫ ИСПЫТАНИЙ

4.1. Отбор образцов, их количество, изготовление и подготовка к испытаниям - по ГОСТ 9620-94.

4.2. Внешний вид фанеры определяют визуально.

4.3. Длину и ширину фанеры измеряют посередине каждой стороны листа с погрешностью не более 5 мм металлической рулеткой по ГОСТ 7502- 89 или другим измерительным инструментом, обеспечивающим требуемую точность измерения.

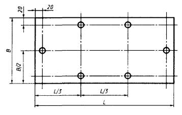
4.4. Толщину фанеры измеряют с погрешностью не более 0,1 мм толщиномером по ГОСТ 11358-89 на расстоянии не менее 20 мм от кромок листа в шести точках, указанных на чертеже.

4.5. Вмятины измеряют глубиномером по ГОСТ 7661-67 или ГОСТ 7470-92 с погрешностью ± 0,1 мм.

Бугорки измеряют штангенциркулем по ГОСТ 166-89 с погрешностью ± 0,1 мм. (Измененная редакция, Изм. № 1).

4.6. Влажность и плотность фанеры определяют по ГОСТ 9621-72.

4.7. Предел прочности при статическом изгибе определяют по ГОСТ 9625-87. (Измененная редакция, Изм. № 1).

4.8. Предел прочности при скалывании по клеевому слою определяют по ГОСТ 9624-93.

4.9. Предел прочности при растяжении вдоль волокон наружных слоев фанеры определяют по ГОСТ 9622-87.

4.10. Косину листа фанеры определяют угольником по ГОСТ 3749-77, накладываемым на смежные кромки листа. Величину косины листа определяют измерением наибольшего отклонения кромки листа от стороны угольника металлической линейкой по ГОСТ 427-75 с погрешностью не более 0,5 мм.

5. МАРКИРОВКА, ТРАНСПОРТИРОВАНИЕ И ХРАНЕНИЕ

5.1. На каждый лист фанеры на расстоянии 100 мм от кромок должна быть запрессована бумажная этикетка размером 120´120 мм, содержащая:

 - наименование предприятия-изготовителя и его товарный знак;

 - марку;

 - толщину листа;

 - номер запрессовки;

 - обозначение настоящего стандарта;

 - для фанеры марки ФБС повышенной прочности после указания марки проставляют обозначение - ПП.

(Измененная редакция, Изм. № 1).

5.2. Транспортная маркировка должна производиться в соответствии с требованиями ГОСТ 14192-96.

5.3. Фанера должна транспортироваться любым видом транспорта в крытых транспортных средствах в соответствии с правилами перевозки грузов, действующими на данном виде транспорта.

По согласованию с потребителем допускается перевозка фанеры в открытых вагонах. Торцы и кромки фанеры в этом случае должны быть защищены синтетическими покрытиями. Требования к пакетированию - по НТД.

5.4. При хранении фанера должна быть уложена в стопы отдельно по маркам и размерам на деревянные поддоны или калиброванные прокладки.

5.5. Фанера должна храниться в закрытых помещениях при температуре от минус 40 до плюс 50 °С и относительной влажности воздуха не выше 80 %.

6. ГАРАНТИИ ИЗГОТОВИТЕЛЯ

6.1. Изготовитель гарантирует соответствие качества фанеры требованиям настоящего стандарта при соблюдении потребителем условий транспортирования и хранения.

6.2. Гарантийный срок хранения для фанеры марок ФБС и ФБС1 - 7 лет, для фанеры марок ФБВ, ФБВ1, ФБС-А, ФБС1-А - 5 лет с момента изготовления.

СОДЕРЖАНИЕ

 

 




ГОСТЫ, СТРОИТЕЛЬНЫЕ и ТЕХНИЧЕСКИЕ НОРМАТИВЫ.
Некоммерческая онлайн система, содержащая все Российские Госты, национальные Стандарты и нормативы.
В Системе содержится более 150000 файлов нормативно-технической документации, действующей на территории РФ.
Система предназначена для широкого круга инженерно-технических специалистов.

Рейтинг@Mail.ru Яндекс цитирования

Copyright © www.gostrf.com, 2008 - 2026