Крупнейшая бесплатная информационно-справочная система онлайн доступа к полному собранию технических нормативно-правовых актов РФ. Огромная база технических нормативов (более 150 тысяч документов) и полное собрание национальных стандартов, аутентичное официальной базе Госстандарта. GOSTRF.com - это более 1 Терабайта бесплатной технической информации для всех пользователей интернета. Все электронные копии представленных здесь документов могут распространяться без каких-либо ограничений. Поощряется распространение информации с этого сайта на любых других ресурсах. Каждый человек имеет право на неограниченный доступ к этим документам! Каждый человек имеет право на знание требований, изложенных в данных нормативно-правовых актах!

  


 

ГОСТ 12475-67

МЕЖГОСУДАРСТВЕННЫЙ СТАНДАРТ

РЫЧАГИ УГЛОВЫЕ ДВУХПАЗОВЫЕ

КОНСТРУКЦИЯ

ИПК ИЗДАТЕЛЬСТВО СТАНДАРТОВ

Москва

МЕЖГОСУДАРСТВЕННЫЙ СТАНДАРТ

РЫЧАГИ УГЛОВЫЕ ДВУХПАЗОВЫЕ

Конструкция

Levers cranked, two-slot. Design

ГОСТ

12475-67

Дата введения 01.07.67

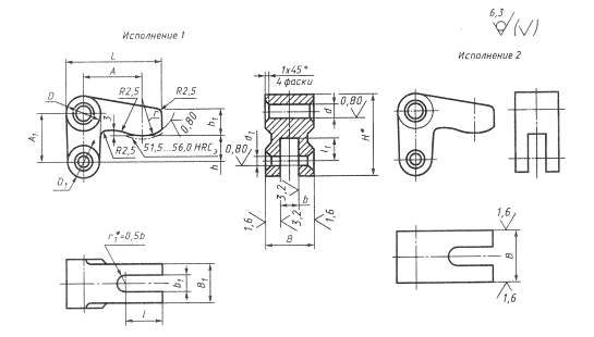
1. Конструкция и размеры угловых двухпазовых рычагов должны соответствовать чертежу и таблице.

*Размер для справок.

Размеры, мм

Обозначения рычагов

Применяемость

Исполнение

А

А1

d* Е8 или Н11

d1 H11

b Н11

b1

Н

D

D1

L

В d11

B1

h

h1

l

l1

r

Мизг, Н × м (кгс × м), не более

Масса, кг

7018-0501

 

1

32

40

12

10

12

15

62

24

20

55

32

30

25

16

20

18

22

1794,62 (183,00)

0,29

7018-0502

 

2

-

0,31

7018-0503

 

1

40

50

16

12

16

19

78

32

24

68

40

38

36

20

25

22

25

3550,00 (362,00)

0,61

7018-0504

 

2

-

0,76

7018-0505

 

1

50

63

20

16

20

24

99

40

32

82

50

45

42

25

28

28

7305,95 (745,00)

1,16

7018-0506

 

2

-

 

1,24

7018-0507

 

1

60

75

25

20

25

28

120

50

40

100

60

55

50

30

32

32

32

13464,53 (1373,00)

2,06

7018-0508

 

2

-

 

2,18

*В случае применения штифтов типа 1 по ГОСТ 3128-70-поле допуска отверстия d1-K7. Соответственно в условном обозначении указывать поле допуска К7.

Пример условного обозначения углового двухпазового рычага исполнения 1, размером А = 32мм, с полями допусков диаметров d и d1-H11:

Рычаг 7018-0501 ГОСТ 12475-67

То же, с полями допусков диаметров d - Е8, dl - H11:

Рычаг 7018-0501 Е8 НИ ГОСТ 12475-67

(Измененная редакция, Изм. № 1, 2).

2. Материал - сталь марки 40Х по ГОСТ 4543-71. Допускается замена на стали других марок с механическими свойствами не ниже, чем у стали марки 40Х.

3. Рычаги угловые двухпазовые исполнения 1 изготавливать методом прецизионного литья.

4. Литейные радиусы - 3мм.

5. Твердость 36,5...41,5 HRCэ, кроме мест, обозначенных особо.

(Измененная редакция, Изм. 1, 2).

6. Неуказанные предельные отклонения размеров: Н14,

(Измененная редакция, Изм. № 2).

7. (Исключен, Изм. 1).

8. Покрытие - Хим. Окс. прм (обозначение покрытия - по ГОСТ 9.306-85).

9. Маркировать партию деталей одного типоразмера на таре или упаковке с указанием условного обозначения.

8, 9. (Измененная редакция, Изм. 2).

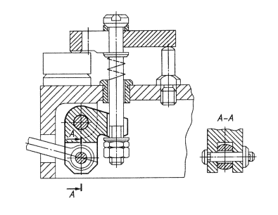
10. Пример применения рычагов указан в приложении.

(Введен дополнительно, Изм. № 2).

ПРИЛОЖЕНИЕ
Справочное
ПРИМЕР ПРИМЕНЕНИЯ УГЛОВЫХ ДВУХПАЗОВЫХ РЫЧАГОВ

ИНФОРМАЦИОННЫЕ ДАННЫЕ

1. РАЗРАБОТАН И ВНЕСЕН Министерством тяжелого, энергетического и транспортного машиностроения СССР, Министерством станкостроительной и инструментальной промышленности СССР РАЗРАБОТЧИКИ

В.В. Андреев; В.Н. Дзегиленок, канд. техн. наук; В.А. Петрова; К.И. Сокольский; А.З. Старосельский (руководитель темы); А.В. Хренова; Т.А. Шестакова

2. УТВЕРЖДЕН И ВВЕДЕН В ДЕЙСТВИЕ Постановлением Комитета стандартов, мер и измерительных приборов при Совете Министров СССР от 03.01.67 № 51

3. ВЗАМЕН МН 5418-64

4. ССЫЛОЧНЫЕ НОРМАТИВНО-ТЕХНИЧЕСКИЕ ДОКУМЕНТЫ

Обозначение НТД, на который дана ссылка

Номер пункта

ГОСТ 9.306-85

ГОСТ 4543-71

8

2

5. Постановлением Госстандарта СССР от 17.03.88 № 568 снято ограничение срока действия

6. ПЕРЕИЗДАНИЕ (ноябрь 1999г.) с Изменениями № 1, 2, утвержденными в июне 1980г., марте 1988г. (ИУС 9-80, 6-88)

 




ГОСТЫ, СТРОИТЕЛЬНЫЕ и ТЕХНИЧЕСКИЕ НОРМАТИВЫ.
Некоммерческая онлайн система, содержащая все Российские Госты, национальные Стандарты и нормативы.
В Системе содержится более 150000 файлов нормативно-технической документации, действующей на территории РФ.
Система предназначена для широкого круга инженерно-технических специалистов.

Рейтинг@Mail.ru Яндекс цитирования

Copyright © www.gostrf.com, 2008 - 2026