Крупнейшая бесплатная информационно-справочная система онлайн доступа к полному собранию технических нормативно-правовых актов РФ. Огромная база технических нормативов (более 150 тысяч документов) и полное собрание национальных стандартов, аутентичное официальной базе Госстандарта. GOSTRF.com - это более 1 Терабайта бесплатной технической информации для всех пользователей интернета. Все электронные копии представленных здесь документов могут распространяться без каких-либо ограничений. Поощряется распространение информации с этого сайта на любых других ресурсах. Каждый человек имеет право на неограниченный доступ к этим документам! Каждый человек имеет право на знание требований, изложенных в данных нормативно-правовых актах!

  


 

МЕЖГОСУДАРСТВЕННЫЙ СТАНДАРТ

ПРОБКИ ДЛЯ СОЕДИНЕНИЙ ТРУБОПРОВОДОВ
ПО НАРУЖНОМУ КОНУСУ

Конструкция и размеры

ГОСТ 13973-74

МЕЖГОСУДАРСТВЕННЫЙ СТАНДАРТ

ПРОБКИ ДЛЯ СОЕДИНЕНИЙ ТРУБОПРОВОДОВ
ПО НАРУЖНОМУ КОНУСУ

Конструкция и размеры

Plugs for tube connections on external cone.

Construction and dimensions

ГОСТ
13973-74

Взамен
ГОСТ
13973-68

Постановлением Государственного комитета стандартов Совета Министров СССР от 10 сентября 1974 г. № 2124 срок действия установлен с

01.07.75

Ограничение срока действия снято Постановлением Госстандарта от 16.01.86127

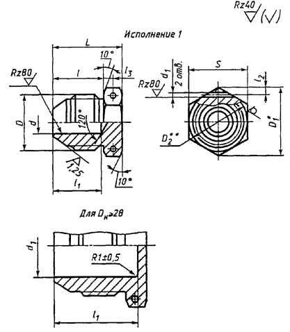
1. Пробки должны изготовляться двух исполнений.

2. Конструкция и размеры пробок должны соответствовать указанным на черт. 1 и 2 и в таблице.

* Размер для справок.

** D2 = S.

Черт. 1

Черт. 2

Размеры в мм

Наружный диаметр труб Dн

Применяемость

d

D

D1

S

l ± 0,3

l1

-1,0

l2 ± 0,2

l3

L

Масса 100 шт., кг

Номин.

Пред. откл.

Алюминиевый сплав

Сталь

3

 

-

1,0

М8 ´ 1

11,5

10

13

-

1,2

2,5

±0,2

18

-

0,58

4

 

1,2

М10 ´ 1

13,8

12

14

1,5

19

-

0,98

6

 

М12 ´ 1

16,2

14

15

3,0

21

0,60

1,68

8

 

1,5

М14 ´ 1

19,6

17

2,0

0,87

2,42

10

 

7,5

М16 ´ 1

16

17

22

0,89

2,48

12

 

9,5

М20 ´ 1,5

25,4

22

20

20

26

1,41

3,93

14

 

11,5

М22 ´ 1,5

27,7

24

1,90

5,30

16

 

13,5

М24 ´ 1,5

31,2

27

21

21

3,5

±0,25

28

2,48

6,92

18

 

15,5

М27 ´ 1,5

34,6

30

3,13

8,72

20

 

17,0

М30 ´ 1,5

36,9

32

22

4,0

30

4,09

11,40

22

 

19,0

М33 ´ 2

41,6

36

26

24

34

4,55

12,70

25

 

22,0

5,65

15,75

28

 

25,0

М39 ´ 2

47,3

41

27

32

35

6,18

17,2-3

30

 

27,0

6,10

17,05

32

 

28,0

2,0

М42 ´ 2

53,1

46

2,5

36

6,76

18,80

34

 

30,0

М45 ´ 2

28

8,14

22,70

36

 

32,0

М48 ´ 2

57,7

50

29

33

37

9,03

25,20

38

 

34,0

9,20

25,70

Пример условного обозначения пробки исполнения 1 к трубопроводу Dн = 12 мм из алюминиевого сплава:

Пробка 1-12-31А ГОСТ 13973-74

То же, из стали марки 45:

Пробка 1-12-22А ГОСТ 13973-74

То же, из стали марки 12Х18Н9Т:

Пробка 1-12-13А ГОСТ 13973-74

То же, из стали марки 13Х11Н2В2МФ:

Пробка 1-12-11А ГОСТ 13973-74

То же, для изделий общего применения:

Пробка 1-12-31 ГОСТ 13973-74

Пробка 1-12-22 ГОСТ 13973-74

Пробка 1-12-13 ГОСТ 13973-74

Пробка 1-12-11 ГОСТ 13973-74

Пример условного обозначения пробки исполнения 2 к трубопроводу D = 12 мм из алюминиевого сплава:

Пробка 2-12-31А ГОСТ 13973-74

То же, из стали марки 45:

Пробка 2-12-22А ГОСТ 13973-74

То же, из стали марки 12Х18Н9Т:

Пробка 2-12-13А ГОСТ 13973-74

Тоже, из стали марки 13X11Н2В2МФ:

Пробка 2-12-11А ГОСТ 13973-74

То же, для изделий общего применения:

Пробка 2-12-31 ГОСТ 13973-74

Пробка 2-12-22 ГОСТ 13973-74

Пробка 2-12-13 ГОСТ 13973-74

Пробка 2-12-11 ГОСТ 13973-74

3. Резьбовая часть пробок - по ГОСТ 13955-74.

4. Маркировать и клеймить - по ГОСТ 13977-74.

5. Технические условия - по ГОСТ 13977-74.

 




ГОСТЫ, СТРОИТЕЛЬНЫЕ и ТЕХНИЧЕСКИЕ НОРМАТИВЫ.
Некоммерческая онлайн система, содержащая все Российские Госты, национальные Стандарты и нормативы.
В Системе содержится более 150000 файлов нормативно-технической документации, действующей на территории РФ.
Система предназначена для широкого круга инженерно-технических специалистов.

Рейтинг@Mail.ru Яндекс цитирования

Copyright © www.gostrf.com, 2008 - 2026