Крупнейшая бесплатная информационно-справочная система онлайн доступа к полному собранию технических нормативно-правовых актов РФ. Огромная база технических нормативов (более 150 тысяч документов) и полное собрание национальных стандартов, аутентичное официальной базе Госстандарта. GOSTRF.com - это более 1 Терабайта бесплатной технической информации для всех пользователей интернета. Все электронные копии представленных здесь документов могут распространяться без каких-либо ограничений. Поощряется распространение информации с этого сайта на любых других ресурсах. Каждый человек имеет право на неограниченный доступ к этим документам! Каждый человек имеет право на знание требований, изложенных в данных нормативно-правовых актах!

  


 

ГОСУДАРСТВЕННЫЙ КОМИТЕТ СОВЕТА МИНИСТРОВ СССР ПО ДЕЛАМ СТРОИТЕЛЬСТВА (ГОССТРОЙ СССР)

УКАЗАНИЯ

ПО ПРОЕКТИРОВАНИЮ, МОНТАЖУ И ЭКСПЛУАТАЦИИ КОНСТРУКЦИИ ИЗ ПРОФИЛЬНОГО СТЕКЛА

СН 428-74

Утверждены

Государственным комитетом Совета Министров СССР

по делам строительства

29 апреля 1974 г.

Москва 1975

СОДЕРЖАНИЕ

Указания по проектированию, монтажу и эксплуатации конструкций из профильного стекла (СН 428-74) разработаны ЦНИИпромзданий Госстроя СССР с участием института НИИСФ Госстроя СССР, треста Оргтехстрой Главволговятскстроя Минстроя СССР и Горьковского инженерно-строительного института им. В.П. Чкалова Министерства высшего и среднего специального образования РСФСР.

С введением в действие настоящих Указаний утрачивают силу «Указания по применению профильного стекла в строительстве» (СН 428-71).

Редакторы: инж. Г.Н. Демьянков (Госстрой СССР), кандидаты техн. наук Ю.П. Александров и С.М. Глинкин (ЦНИИпромзданий)

Государственный комитет Совета

Министров СССР по делам строительства (Госстрой СССР)

Строительные нормы

СН 428-74

Указания по проектированию, монтажу и эксплуатации конструкций из профильного стекла

Взамен СН 428-71

ОБЩИЕ ПОЛОЖЕНИЯ

1.1. Настоящие Указания должны выполняться при проектировании, монтаже и эксплуатации ограждающих конструкций (окон, зенитных фонарей, перегородок) зданий различного назначения, а также ограждающих конструкций теплиц, галерей, малых архитектурных форм и др. из коробчатого (КП), швеллерного (ШП) и ребристого (РП) профильного стекла.

Примечание. При проектировании, монтаже и эксплуатации ограждающих конструкций из профильного стекла должны соблюдаться также соответствующие требования других нормативных документов, утвержденных или согласованных Госстроем СССР.

1.2. Для окон в зависимости от климатических условий района строительства, а также температуры и влажности внутри помещений должно предусматриваться коробчатое или расположенное в один или два слоя швеллерное профильное стекло.

1.3. Для зенитных фонарей должно предусматриваться ребристое или швеллерное стекло.

1.4. Перегородки из коробчатого или расположенного в два слоя швеллерного профильного стекла проектируются:

а) для всех помещений зданий с производствами категорий В (при наличии автоматических средств пожаротушения), Г и Д, кроме коридоров и вестибюлей;

б) для всех помещений вспомогательных зданий промышленных предприятий и общественных зданий, кроме коридоров, фойе и вестибюлей.

Внесены ЦНИИпромзданий

Утверждены

Государственным комитетом Совета Министров СССР

по делам строительства 29 апреля 1974 г.

Срок введения

1 июля 1974 г.

1.5. Перегородки из коробчатого, швеллерного или ребристого профильного стекла, выполняемые на неполную высоту помещений, но не более 2,4 м, проектируются для зданий различного назначения.

1.6. Устройство перегородок из профильного стекла во всех помещениях зданий с производствами категорий А, Б и Е не допускается.

1.7. Конструкции из профильного стекла относятся к группе несгораемых.

1.8. Ограждающие конструкции из профильного стекла для зданий с кранами тяжелого и весьма тяжелого режима работы и в зданиях, подверженных вибрационным воздействиям, проектировать не допускается.

2. МАТЕРИАЛЫ

2.1. Геометрические размеры, характеристики сечений и масса 1 м профильного стекла различных марок приведены в табл. 1.

Таблица 1

Марка профиля

Сечение

Размеры сечения, мм

Геометрические характеристики сечения

Mасса 

b

h

d

F, см2

yo, см

Jx, см4

Wх, см3

Sx, см3

1 м, кг

КП-250

КП-300

244±5

294±5

50±3

50±3

5,5±0,5

5,5±0,5

31,1

36,6

2,5

2,5

139

166,4

55,6

66,5

33,8

40

8,9

10,5

ШП-250

ШП-300

244±5

294±5

35±3

50±3

5,5±0,5

5,5±0,5

16,7

21,1

0,62

0,86

10,7

32,3

3,7

7,8

4,5

9,4

4,9

6

РП-600

594±5

50±3

5,5±0,5

42,2

0,86

64,6

16,6

18,8

12

2.2. Профильное стекло изготовляется бесцветным и цветным, армированным и неармированным, с гладкой или узорчатой поверхностью (ТУ 21-23-21-71; ТУ 21-23-26-72).

2.3. Профильное стекло должно поставляться с наклеенными на торцы резиновыми насадками в комплекте с уплотнительными прокладками и герметизирующими мастиками.

Типы и назначение насадок и прокладок приведены в табл. 2.

Таблица 2

Тип

Эскиз, размеры в мм

Материал

Назначение

1

Морозостойкая резина средней твердости (ТУ 38-105-376-72)

Насадка для уплотнения и защиты торцов коробчатого профильного стекла

2

То же

То же, для швеллерного профильного стекла

3

Резина губчатая (ТУ 38-005-204-71) объемной массой не более 500 кг/м3 или «Бутэпрол»

Прокладка для уплотнения стыков между элементами коробчатого швеллерного и ребристого профильного стекла

4

То же

То же, только для коробчатого профильного стекла

5

Резина губчатая (ТУ 38-005-204-71) объемной массой не более 500 кг/м3

Прокладка для опирания профильного стекла в зенитных фонарях

6

Резина (ТУ 105-376-72 или ТУ 38-005-204-71) светоозоно- и морозостойкая

Прокладка для уплотнения стыков между элементами швеллерного и ребристого профильного стекла в зенитных фонарях

 

7

Пластифицированный поливинилхлорид

Прокладка для уплотнения стыков между элементами швеллерного и ребристого профильного стекла в перегородках

8

То же

Прокладка для уплотнения стыков между элементами коробчатого профильного стекла в перегородках

9

Гернит (ГОСТ 5.1011-71 или ТУ 480-1-119-71)

Прокладка для уплотнения стыков между профильным стеклом и простенками (или рамой в стеклопанелях)

2.4. Основные физико-технические характеристики стекла:

объемная масса, кг/м3 ................................................. 2500

коэффициент линейного расширения, 1/°С .............. 8·10-6

коэффициент теплопроводности, ккал/м·ч·°С ......... 0,65

термостойкость, °С ..................................................... 70

2.5. Для наклейки резиновых уплотнительных прокладок и. насадок применяется клей 88-Н (МРТУ 38-5-880-66), а гернитовых и поливинилхлоридных прокладок - кумаронокаучуковая клей-мастика КН-2 (ТУ 38-00-566-72).

Для наклейки уплотнительных прокладок «Бутэпрол» применяется уайт-спирит (ГОСТ 3134-52).

2.6. Обезжиривание поверхности профильного стекла осуществляется, как правило, негорючими растворителями, допускается применять уайт-спирит, при обеспечении пожарной защиты при производстве строительно-монтажных работ.

Измененная редакция (Изм. № 1)

2.7. При герметизации стыков, уплотненных резиновыми насадками и прокладками, применяются тиоколовые мастики УТ-32 (ТУ 38-105-462-72), АМ-0,5 ТУ 84246-71 или ТМ-0,5 (ТУ 38-3Г №355-69).

2.8. Ориентировочный расход комплектующих материалов (насадки, прокладки, мастика, клей) на 1 м2 конструкции из профильного стекла дан в приложении.

3. ПРОЕКТИРОВАНИЕ

3.1. При проектировании ограждающих конструкций из профильного стекла должны применяться типовые конструкции и детали.

3.2. Ограждающие конструкции из профильного стекла проектируются в виде стеклопанелей. Допускается предусматривать поэлементную сборку конструкций из профильного стекла.

3.3. Общий коэффициент светопропускания ограждающих конструкций из профильного стекла определяется по формуле

где  - коэффициент светопропускания профильного стекла, принимаемый по табл. 3;

 - коэффициент, учитывающий потери света в швах, принимаемый равным 0,97;

 - коэффициент, учитывающий потери света в слое загрязнения остекления, определяемый по главе СНиП «Естественное освещение. Нормы проектирования».

Таблица 3

Профильное стекло

Поверхность стекла

Швеллерное или ребристое

Гладкая

Узорчатая

0,8

0,6

Коробчатое

Гладкая

Узорчатая

0,65

0,55

Примечание. Коэффициент светопропускания цветного профильного стекла устанавливается по эталонам завода-изготовителя.

3.4. Профильное бесцветное стекло не обладает солнцезащитными свойствами.

3.5. Профильное стекло предусматривается для заполнения глухих участков окон. В помещениях с постоянным пребыванием людей для обеспечения зрительной связи с окружающим пространством и естественной вентиляции допускается предусматривать устройство окон из профильного стекла в сочетании с окнами из листового стекла.

3.6. Сопротивление теплопередаче Ro ограждающих конструкций из профильного стекла принимается: при швеллерном и ребристом стекле, расположенном в один слой - 0,19, в два слоя - 0,34, а при коробчатом стекле - 0,39 м2×ч×°С/ккал.

3.7. Показатель звукоизолирующей способности ограждающих конструкций из коробчатого профильного стекла от воздушного шума принимается равным Ев=-27 дБ.

3.8. На профильное стекло и ограждающих конструкциях допускается передавать только ветровые нагрузки (для зенитных фонарей и снеговые).

3.9. Ограждающие конструкции из профильного стекла должны быть рассчитаны на прочность и прогиб.

3.10. Проверка прочности профильного стекла на изгиб производится по формулам:

где М - расчетный изгибающий момент, кгс×см;

Q - расчетная поперечная сила, кгс;

Wx - момент сопротивления поперечного сечения, см3 (см. табл. 1);

Jx момент инерции сечения, см4 (см. табл. 1);

Sõ - статический момент сечения относительно нейтральной оси, см3 (см. табл. 1);

Sd - сумма толщин стенок профильного стекла по оси х, см;

т - коэффициент условия работы, принимаемый равным 0,8 для коробчатого и 1 - для швеллерного профильного стекла;

Rи - расчетное сопротивление профильного стекла на изгиб, кгс/см2 (табл. 4);

Rск - расчетное сопротивление профильного стекла на скалывание, кгс/см2 (табл. 4).

Таблица 4

Расчетное сопротивление, кгс/см2

Модуль упругости Е, кгс/см2

на изгиб Rи

на скалывание (при изгибе) Rск

130

45

6,65×105

3.11. Проверка элементов профильного стекла на прогиб от действия равномерно распределенной нагрузки производится по формуле

,

где f - прогиб элемента, см;

l - длина элемента, см;

Е - модуль упругости стекла, кгс/см2 (табл. 4);

qн - нормативная нагрузка, кгс/см;

 - допускаемый относительный прогиб, принимаемый равным 1/400.

3.12. В конструкциях из профильного стекла необходимо принимать длину швеллерных элементов не более 3,6, а коробчатых - 4,2 м. При соответствующем обосновании максимальная длина швеллерного профильного стекла допускается 4,2, а коробчатого - 6 м.

3.13. Жесткое соединение элементов профильного стекла с несущими или ограждающими конструкциями зданий, а также между собой не допускается.

3.14. В окнах и перегородках между профильным стеклом и верхним элементом, к которому оно крепится, необходимо предусматривать зазор, превышающий на 10 мм величину расчетного прогиба верхнего элемента.

3.15. В перегородках профильное стекло располагается вертикально.

В окнах коробчатое профильное стекло располагается вертикально или горизонтально, а швеллерное только вертикально. Высота окон при горизонтальном расположении профильного стекла должна быть не более 1,2 м.

3.16. Окна и перегородки из профильного стекла проектируются в один или несколько ярусов по высоте.

Предельная унифицированная высота ярусов при вертикальном расположении профильного стекла в окнах в зависимости от высоты здания и величины ветровой нагрузки (ветрового района) приведена в табл. 5.

Таблица 5

Марка профиля

Предельная высота яруса (м) при расположении от уровня земли, м

до 10

от 10 до 20

Ветровой район

I

II

III

IV

V

I

II

III

IV

V

ШП-250

ШП-300

РП-600

КП-250

КП-300

2,4

3

3

6

6

1,8

2,4

2,4

6

6

1.8

2,4

2,4

6

6

-

1,8

1,8

5,4

5,4

-

1,8

1,8

4,8

4,8

1,8

2,4

2,4

6

6

1,8

2,4

2,4

5,4

5,4

-

1,8

1,8

4,8

4,8

-

1,8

1,8

4,2

4,2

-

1,8

1,8

3,6

3,6

3.17. В ограждающих конструкциях профильное стекло крепится металлическими уголками или деревянными штапиками, длина которых для швеллерного и ребристого стекла, расположенного в один слой, должна быть не более 0,2 м, а в остальных случаях не более 1,5 м.

3.18. Стальные элементы обвязки и рамы стеклопанелей проектируются из холодногнутых профилей. Прогиб в плоскости остекленения элементов, на которые опирается профильное стекло, должен быть не более 15 мм.

3.19. Стеклопанели крепятся к несущим конструкциям зданий с помощью связей, обеспечивающих независимость их деформаций.

3.20. Стыки между элементами профильного стекла в конструкциях окон должны быть уплотнены резиновыми прокладками с обязательной двухсторонней герметизацией их мастиками (рис. 1). При применении прокладок «Бутэпрол» герметизация стыков мастиками не требуется.

Рис.1. Стыки между элементами профильного стекла при заполнении оконных проемов

1 - профильное стекло; 2 - уплотнительная прокладка из резины; 3 - мастика; 4 - уплотнительная прокладка «Бутэпрол»

3.21. Стыки между элементами профильного стекла в конструкциях перегородок, к которым не предъявляются требования герметичности, допускается уплотнять прокладками из поливинилхлорида, губчатой резины и других эластичных материалов без промазки их мастикой.

3.22. В зенитных фонарях из профильного стекла под остеклением должно предусматриваться устройство защитных металлических сеток с ячейками размером не более 50´50 мм.

4. ИЗГОТОВЛЕНИЕ И МОНТАЖ

4.1. В проекте производства работ по монтажу конструкций из профильного стекла в зависимости от принятого в рабочих чертежах способа сборки (поэлементной или стеклопанелями) должны быть определены участки складирования монтируемых элементов, места для выполнения подготовительных работ, приведена технологическая схема сборки стеклопанелей (при условии оборки их на стройплощадке), указаны подъемные механизмы, дан перечень монтажных приспособлений, лесов или подмостей, а также приведены основные правила техники безопасности производства работ.

4.2. Профильное стекло должно храниться под навесом в положении «на ребро», уложенным в штабели. При этом элементы швеллерного стекла складируются попарно, полками внутрь. Число рядов профильного стекла по высоте штабеля не должно превышать 4. Между отдельными рядами обязательна установка деревянных подкладок, располагаемых на расстоянии 1/4 длины элементов от их торцов. Для обеспечения устойчивости штабеля крапине два элемента профильного стекла укладывают плашмя с плотным прилеганием к соседним, размещенным «на ребро» (рис. 2).

Рис. 2. Складирование профильного стекла в штабель

4.3. Стеклопанели должны складироваться и храниться в пирамидах и обязательно закрепляться между собой (рис. 3).

Рис. 3. Складирование стеклопанелей в пирамиде

1 - пирамида; 2 - стеклопанели; 3-скрутка; 4 - упор; 5 - подкладка

4.4. В состав основных работ по поэлементной сборке ограждающих конструкций из профильного стекла входит: подготовка элементов профильного стекла, установка их в проектное положение, герметизация стыков мастикой.

4.5. Перед подготовкой профильного стекла должны быть отбракованы элементы, имеющие трещины.

4.6. Подготовка профильного стекла предусматривает его очистку, заготовку и наклейку уплотнительных прокладок, складирование элементов в кассеты (рис. 4 и 5) для последующей подачи их к месту монтажа.

В теплый период года подготовка элементов профильного стекла выполняется под навесом, а в холодный - в закрытых помещениях при температуре не ниже +5°С.

4.7. Перед наклейкой уплотнителей элементы профильного стекла раскладывают на столе-верстаке в положении «на ребро» и обезжиривают растворителем боковую поверхность.

Прокладки из резины или поливинилхлорида протирают растворителем и без натяжения наклеивают на одну из боковых поверхностей элементов. Прокладки «Бутэпрол» наклеивают в следующей последовательности: снимают защитный слой бумаги, одну из поверхностей прокладок смачивают уайт-спиритом, после чего накладывают их на боковую поверхность профильного стекла, плотно прижимая прокатным роликом.

Рис. 4. Общий вид кассеты для подачи элементов профильного стекла на леса или подмости

1 - деревянная рама; 2 - болты-ограничители; 3 - резиновые трубки-насадки; 4 - монтажные петли; 5 - опорные брусья

Рис. 5. Кассета монтажная для подачи элементов профильного стекла непосредственно в проем

1 - борт; 2 ‑ распорки; 3 - запорная планки; 4 - монтажная петля.

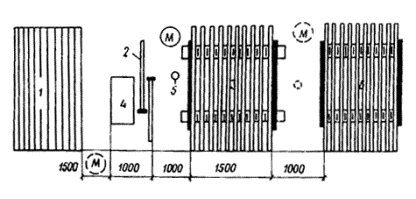
Рис. 6. Схема организации рабочего места при подготовке элементов к монтажу (в мм)

1 - элементы профильного стекла; 2 - щетки для очистки элементов; 3 - стол-верстак; 4 - уплотнительные прокладки; 5 - емкость с клеем; 6 - кассеты с подготовленными элементами профильного стекла; М - монтажники

4.8. Подготовку элементов профильного стекла рекомендуется выполнять звеном монтажников, состоящим из трех человек.

Инструменты, приспособления, их назначение и количество на звено монтажников указаны в табл. 6, а схема организации рабочего места монтажников приведена на рис. 6.

Таблица 6

Инструменты и приспособления

Количество

Назначение

Стол-верстак

Щетки

Очистка элементов профильного стекла и наклейка уплотнительных прокладок

Стол

Рулетка

Нож

Подготовка уплотнительных прокладок

Кисть

2

Нанесение клея

4.9. Перед установкой профильного стекла должны быть смонтированы леса (подмости), подготовлены механизмы, материалы и приспособления, очищены и окрашены стальные элементы обвязки.

Рис. 7. Конструкция сжима для уплотнения стыков между элементами профильного стекла

1 - основание; 2 - сжимные винты; 3 - крепежные винты; 4 - подкос

4.10. Поэлементную сборку конструкций из профильного стекла выполняют в следующей последовательности:

устанавливают с неполной затяжкой верхние крепежные уголки;

набирают в проем не более пяти элементов профильного стекла;

устанавливают с неполной затяжкой нижние крепежные уголки;

с помощью сжимов (рис. 7), закрепляемых на обвязке, уплотняют стыки до проектной толщины;

проверяют вертикальность установленных элементов профильного стекла;

устанавливают на обвязке фиксаторы для временного закрепления набранных элементов профильного стекла в проектном положении (рис. 8);

снимают сжимы и затягивают крепежные уголки.

Схема поэлементной сборки ограждения из профильного стекла приведена на рис. 9.

Рис. 8. Фиксатор нижний (а) и верхний (б)

1 - основание; 2 - крепежный винт; 3 - упор; 4 - резиновая прокладка

Рис. 9. Схема поэлементной сборки ограждения из профильного стекла

1 - элемент профильного стекла; 2 - обвязка; 3 - сжим; 4 - фиксатор

4.11. Монтаж элементов, профильного стекла на участках примыкания их к простенкам, колоннам, стойкам и т.д. где невозможна установка сжимов, производят без обжатия стыков. Стыки между профильным стеклом и простенком, колонной, стойкой и т. д. уплотняют гернитом.

4.12. Работа по монтажу ограждающих конструкций из профильного стекла рекомендуется выполнять звеном монтажников из трех человек. Схема организации рабочего места монтажников приведена на рис. 10, а необходимые механизмы, инструменты и приспособления - в табл. 7.

Таблица 7

Механизмы, инструменты и приспособления

Количество

Назначение

Кран или подъемник

Кассеты

Подача элементов профильного стекла к рабочим местам монтажников

Трубчатые леса или люльки

Согласно проекту производства работ

Организация рабочего места монтажников

Сжимы

1 комплект

Обжатие стыков между элементами профильного стекла

Фиксаторы

То же

Временное закрепление установленных элементов профильного стекла в проектном положении

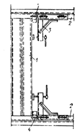
Рис. 10. Схема организации рабочего места монтажников при поэлементной сборке профильного стекла

1 - заполняемый проем; 2 - смонтированный участок ограждения; 3 - трубчатые леса; 4 - кассеты с профильным стеклом; 5 -ящик с уплотнительными прокладками; 6 -емкость с клеем; 7 -эстакада; 8 -кран; М -монтажники.

4.13. Герметизация стыков мастиками должна производиться при температуре не ниже +5°С в условиях, исключающих их увлажнение.

4.14. Перед герметизацией мастикой стыки очищают, а затем обезжиривают растворителем.

4.15. Герметизирующие тиоколовые мастики приготовляют непосредственно перед применением и наносят на стыки пневмошприцами.

Составы и основные характеристики герметизирующих мастик приведены в табл. 8.

4.16. Работы по герметизации стыков мастиками рекомендуется выполнять звеном монтажников из трех человек. Схема организации рабочего моста монтажников приведена на рис. 11, а необходимые инструменты и приспособления - в табл. 9.

Таблица 8

Марка

мастики и цвет

Состав

Жизнеспособность, ч.

Прочность на разрыв, кгс/см2

Удлинение при разрыве,

%

Гарантийный срок

хранения герметизирующей пасты, мес.

герметизирующая

паста, марка

отверждающая

паста и ускоритель

марка

количество вес. ч. на 100 вес. ч. Герметизирующей пасты

УТ-32 (серый)

У-32

№9 ДФГ

9-12

0,4-0,8

2-15

15

200

6

АМ-0,5 (серый)

А-0,5

№ 30

20

1-6

3

180

6

ТÌ-0,5 (серый)

T-0,5

¹30

12 - 23

1-6

3

180

6

Рис. 11. Схема организации рабочего места монтажников при герметизации стыков

1 - пневмошприц; 2 - ограждение из профильного стекла; 3 - трубчатые леса; 4 - установка для заправки шприцов; 5 - компрессор; 6 - емкость с мастикой; М - монтажники

Рис. 12. Общий вид вертикального стенда для сборки стеклопанелей

Рис 13 Общий вид горизонтального (поворотного) стенда для сборки стеклопанелей

4.17. Сборка стеклопанелей выполняется на вертикальных или горизонтальных (поворотных) стендах (рис. 12 и 13).

4.18. Работы по сборке стеклопанелей производят в той же последовательности, что и при поэлементном заполнении проемов профильным стеклом.

Таблица 9

Инструменты и приспособления

Количество

Назначение

Трубчатые леса или люльки

Согласно проекту производства работ

Организация рабочего места монтажников

Весы

1

Взвешивание компонентов мастики

Пневмошприц

4

Промазка стыков мастиками

Компрессор

1

Подача сжатого воздуха к пневмошприцам

Установка для заправки шприцов

1

Заполнение пневмошприцов мастикой

4.19. Работы по сборке стеклопанелей рекомендуется выполнять звеном монтажников из четырех человек. Схема организации рабочего места монтажников приведена на рис. 14, а необходимые механизмы, инструменты и приспособления - в табл. 10.

Таблица 10

Механизмы, инструменты, приспособления

Количество

Назначение

Сборочный стенд

2

Заполнение рамы элементами профильного стекла

Сжимы

2 комплекта

Обжатие стыков между элементами профильного стекла

Фиксаторы

То же

Временное закрепление элементов профильного стекла в проектном положении

Пневмощприцы

3

Нанесение герметизирующей мастики

Установка для заправки шприцов

1

Заполнение пневмошприцов мастикой

Компрессор

1

Подача сжатого воздуха для пневмошприцов

Самобалансирующая траверса

1

Строповка стеклопанелей

Монтажный кран

1

Подача рам к месту сборки стеклопанелей, складирование стеклопанелей

Пирамиды

Согласно проекту производства работ

Складирование стеклопанелей

Рис. 14. Схема организации рабочего места монтажников (а) и последовательность изготовления панелей из профильного стекла

1 - складирование рам; 2 - складирование профильного стекла; 3 - верстак для подготовки профильного стекла; 4 - сборочный стенд; 5 - складирование готовых стеклоизделий; М - монтажники

4.20. В процессе монтажа стеклопанель подают к месту установки краном с помощью смобалансирующей траверсы.

После установки и выверки проектного положения стеклопанель крепят к несущим конструкциям здания.

4.21. Работы по монтажу стеклопанелей с транспортных средств рекомендуется выполнять звеном монтажников из 3-5 человек. Схема организации рабочего места монтажников приведена на рис. 15, а необходимые механизмы, инструменты и приспособления - в табл. 11.

Таблица 11

Механизмы, инструменты, приспособления

Количество

Назначение

Монтажный кран

1

Подача стеклопанелей к месту монтажа

Трубчатые леса или подвесные люльки

Согласно проекту производства работ

Рабочее место монтажников

Сменные прицепы

2

Доставка стеклопанелей

Пирамиды

2

Складирование стеклопанелей

Самобалаисирующая траверса

1

Строповка стеклопанелей

Монтажный лом

2

Рихтовка стеклопанелей в проеме

Страховочный трос

 

Установка стеклопанелей в проем

Рис. 15. Схема организации рабочего места при монтаже стеклопанелей с транспортных средств

1 - монтируемая стеклопанель; 2 - смонтированный участок ограждения; 3 - трубчатые леса; 4 - монтажный кран; 5 - кассета с панелями; 6 - подвесная люлька; 7 - тягач; М - монтажники; Т - такелажник

4.22. Заполнение световых проемов зенитных фонарей профильным стеклом производят в следующей последовательности:

в проеме фонаря устанавливают защитные сетки;

на опорные плоскости стаканов клеем 88-Н наклеивают прокладки из губчатой морозостойкой резины;

укладывают элементы профильного стекла внутреннего слоя вплотную друг к другу, предварительно наклеив на одну из боковых поверхностей уплотнительные прокладки;

герметизируют мастиками стыки между элементами профильного стекла внутреннего слоя;

укладывают элементы профильного стекла наружного слоя вплотную друг к другу, предварительно наклеив на одну из боковых поверхностей уплотнительные прокладки из профильной резины;

перекрывают стыки между элементами профильного стекла наружного слоя металлическими нательниками и крепят их болтами к опорному стакану.

4.23. При устройстве ограждающих конструкций из профильного стекла необходимо соблюдать правила техники безопасности, изложенные в главе СНиП «Техника безопасности в строительстве», а также «Правила пожарной безопасности при производстве строительно-монтажных работ».

4.24. Монтаж многоярусных конструкций из профильного стекла при поэлементной сборке должен начинаться с верхнего яруса, а стеклопанелей - с нижнего.

Не разрешается производить монтаж элементов профильного стекла или стеклопанелей одновременно на нескольких ярусах (один под другим).

5. ЭКСПЛУАТАЦИЯ И РЕМОНТ

5.1. В процессе эксплуатации ограждений из профильного стекла необходимо осуществлять систематический контроль за состоянием конструкций.

5.2. Элементы профильного стекла, имеющие трещины, должны быть заменены.

До выполнения ремонтных работ по замене элементов необходимо оградить рабочую зону или установить защитные сетки.

5.3. Замену поврежденного элемента профильного стекла производят в следующей последовательности:

удаляют поврежденный элемент;

удаляют с боковых поверхностей соседних элементов уплотнительные прокладки и мастику;

ослабляют верхний крепежный уголок;

снимают на участке замены нижний крепежный уголок;

на место удаленного элемента устанавливают без резиновых насадок новый элемент профильного стекла, опирая его на прокладку из плотной резины, толщиной 6 - 8 мм;

устанавливают нижний крепежный уголок и закрепляют верхний;

уплотняют и герметизируют стыки.

5.4. Нагревательные приборы следует размещать от поверхности ограждений из профильного стекла на расстоянии не менее 25 см.

5.5. В процессе эксплуатации следует периодически производить очистку светопрозрачных ограждений из профильного стекла. Рекомендуемые сроки очистки профильного стекла от запыления приведены в табл. 12.

Таблица 12

< 2

3-7

8-13

14-24

Периодичность очистки, месяц ......

12

6

4

3

 - нормируемое значение коэффициента естественной освещенности помещения, % (СНиП «Естественное освещение. Нормы проектирования»);

*  - концентрации пыли в помещении, мг/м3.

5.6. При необходимости снег с поверхности зенитных фонарей следует удалять деревянными скребками.

ПРИЛОЖЕНИЕ

Таблица 13

Ориентировочный расход комплектующих материалов (насадки, прокладки, мастика, клей) на 1 м2 ограждений из профильного стекла

Материалы

Единица

измерения

Марка профильного стекла

КП-250

КП.300

ШП-250

ШП-300

РП-600

Резиновые насадки…………………………………

шт.

кг

2,5

0,65

2,1

0,55

3,6

0,9

3

0,75

3

0,75

Клей 88-Н…………………………………………….

кг

0,05

0,05

0,05

0,05

0,05

Вариант 1

 

 

 

 

 

 

Прокладка из губчатой резины………………………

м

кг

4,5

0,5

3,7

0,41

4,5

0,5

3,7

0,41

1,85

0,21

Герметизирующие мастики………………………….

кг

0,5

0,5

0,5

0,5

0.3

Клей 88-Н……………………………………………..

»

0,1

0,1

0,1

0,1

0,1

Вариант 2

 

 

 

 

 

 

Прокладка из нетвердеющей мастики «Бутэпрол» ….

м

кг

4,6

2

3,7

1,7

4,5

2

3,7

1,7

1,85

0,85

Уайт-спирит…………………………………………..

кг

0,05

0,05

0,05

0,05

0,03

Вариант 3

 

 

 

 

 

 

Прокладка из поливинилхлорида…………………….

м

кг

4,5

0,9

3,7

0,75

4,5

0,9

3,7

0,75

1,85

0,37

Клей……………………………………………………

кг

0,1

0,1

0,1

0,1

0,1

 

 




ГОСТЫ, СТРОИТЕЛЬНЫЕ и ТЕХНИЧЕСКИЕ НОРМАТИВЫ.
Некоммерческая онлайн система, содержащая все Российские Госты, национальные Стандарты и нормативы.
В Системе содержится более 150000 файлов нормативно-технической документации, действующей на территории РФ.
Система предназначена для широкого круга инженерно-технических специалистов.

Рейтинг@Mail.ru Яндекс цитирования

Copyright © www.gostrf.com, 2008 - 2026