Крупнейшая бесплатная информационно-справочная система онлайн доступа к полному собранию технических нормативно-правовых актов РФ. Огромная база технических нормативов (более 150 тысяч документов) и полное собрание национальных стандартов, аутентичное официальной базе Госстандарта. GOSTRF.com - это более 1 Терабайта бесплатной технической информации для всех пользователей интернета. Все электронные копии представленных здесь документов могут распространяться без каких-либо ограничений. Поощряется распространение информации с этого сайта на любых других ресурсах. Каждый человек имеет право на неограниченный доступ к этим документам! Каждый человек имеет право на знание требований, изложенных в данных нормативно-правовых актах!

  


 

ГОСУДАРСТВЕННЫЙ КОМИТЕТ СССР ПО ДЕЛАМ СТРОИТЕЛЬСТВА

ГОССТРОЙ СССР

СНиП IV-15-83

СТРОИТЕЛЬНЫЕ НОРМЫ И ПРАВИЛА

Часть IV

сметные нормы и правила

Глава 15

Правила разработки и применения прейскурантов на строительство зданий и сооружений

Приложение

Прейскурант на строительство объектов городского и коммунального хозяйства

Выпуск 1

Москва 1983

ГОСУДАРСТВЕННЫЙ КОМИТЕТ СССР ПО ДЕЛАМ СТРОИТЕЛЬСТВА
ГОССТРОЙ СССР

СНиП IV-15-83

СТРОИТЕЛЬНЫЕ НОРМЫ И ПРАВИЛА

Часть IV

сметные нормы и правила

Глава 15

Правила разработки
и применения прейскурантов
на строительство зданий и сооружений

Приложение

Прейскурант на строительство
объектов городского
и коммунального хозяйства

Выпуск 1

Утвержден
постановлением
Государственного комитета СССР
по делам строительства
от 31 марта 1983 г. № 61

МОСКВА СТРОЙИЗДАТ 1983

СОДЕРЖАНИЕ

Техническая часть.. 3

1. Одноагрегатные тяговые подстанции для электроснабжения трамваев и троллейбусов. 13

2. Двухагрегатные тяговые подстанции для электроснабжения трамваев и троллейбусов. 28

3. Четырехагрегатная тяговая подстанция для электроснабжения трамваев и троллейбусов  28

4. Трамвайно-троллейбусная тяговая подстанция. 28

5. Открытые площадки для демонстрации кинофильмов. 28

6. Летние стационарные эстрады.. 28

7. Танцевальные веранды на 100-150 танцующих пар. 28

8. Танцевальные площадки на 100 танцующих пар. 28

9. Павильоны и навесы на остановках городского транспорта. 28

10. Книжный киоск. 28

11. Уборные. 28

Приложение 1 Перечень цен настоящего прейскуранта и соответствующих им аналогичных цен, разработанных в нормах и ценах, введенных с 1 января 1969 г. 28

Приложение 2 Распределение отдельных частей территории ссср по территориальным районам, для которых разработаны цены прейскуранта. 28

Приложение 3 Коэффициенты к элементам затрат при производстве земляных работ в грунтах, отличающихся от принятых в прейскуранте. 28

Приложение 4 Поправки к ценам при заложении фундаментов на глубину, обличающуюся от принятой в прейскуранте (на измеритель цен) 28

Приложение 5 Поправки к ценам при строительстве отапливаемых зданий в местностях с зимней расчетной температурой наружного воздуха, отличающейся от принятой в прейскуранте (на измеритель цен) 28

Приложение 6 Поправки к прямым затратам цен прейскуранта, учитывающие разницу в оптовых ценах на кирпич строительный и сборные бетонные и железобетонные конструкции, а также разницу сметных цен на остальные местные строительные материалы, между действующими в отдельных областях, краях и республиках и принятыми в прейскуранте (в рублях на измеритель цен) 28

Приложение 7 Затраты на транспортирование излишнего грунта, учтенного в ценах прейскуранта (в рублях на измеритель цен) 28

Приложение 8 Ведомость объемов излишнего грунта, подлежащего учету при составлении баланса земляных работ в целом по строительной площадке (м3 на измеритель цен) 28

Приложение 9 Ведомость стоимости оборудования, предусмотренного типовыми проектами, но не учтенного прейскурантом.. 28

Приложение 10 Пример составления сметы на строительство зданий и сооружений с применением цен прейскуранта. 28

СНиП IV-15-83. Приложение. Прейскуранты на строительство зданий и сооружений межотраслевого назначения. Прейскуранты на строительство объектов городского и коммунального хозяйства. Вып. 1/Госстрой СССР.

Разработан проектным институтом Гипропромтрансстрой и рассмотрен Отделом сметных норм и ценообразования в строительстве Госстроя СССР.

Редакторы - инженеры А.Л. Бобров, В.В. Мазуровская (Госстрой СССР), В.Г. Еремеев, Т.А. Голубева (Гипропромтрансстрой).

Государственный
комитет СССР
по делам строительства
(Госстрой СССР)

Строительные нормы и правила

СНиП IV-15-83

Прейскурант на строительство объектов городского и коммунального хозяйства

Выпуск 1

Взамен Прейскуранта на строительство объектов городского и коммунального хозяйства выпуск 1, изд. 1980 г.

ТЕХНИЧЕСКАЯ ЧАСТЬ

1. ОСНОВНЫЕ ПОЛОЖЕНИЯ

1.1. Настоящий Прейскурант содержит цены на строительство зданий и сооружений городского и коммунального хозяйства, разработанные в нормах и ценах, вводимых с 1 января 1984 г. взамен аналогичных цен, разработанных в нормах и ценах, введенных с 1 января 1969 г. Перечень цен настоящего Прейскуранта и соответствующих им аналогичных цен, разработанных в нормах и ценах, введенных с 1 января 1969 г. приведен в прил. 1.

1.2. Прейскурант предназначен для определения сметной стоимости при проектировании зданий и сооружений на стадиях проекта, рабочего проекта и рабочей документации и является обязательным для применения всеми организациями независимо от их ведомственной принадлежности при проектировании строительства в территориальных районах и подрайонах, указанных в прил. 2 (кроме местностей, приравненных к районам Крайнего Севера).

1.3. Цены Прейскуранта составлены на основе: методических указаний по разработке прейскурантов на строительство зданий и сооружений; смет к действующим типовым проектам на здания и сооружения; сметных норм, цен, тарифов, единых районных единичных расценок на строительные работы и конструкции и расценок на монтаж оборудования, вводимых с 1 января 1984 г.; сметных цен на местные строительные материалы и конструкции из сборного бетона и железобетона франко - объект строительства, утвержденных в установленном порядке.

Внесен

Отделом сметных норм и ценообразования в строительстве Госстроя СССР

Утвержден

постановлением Государственного комитета СССР по делам строительства от 31 марта 1983 г. № 61

Срок введения в действие 1 января 1984 г.

1.4. Цены Прейскуранта не применяются при составлении смет на здания и сооружения, строящиеся в условиях вечной мерзлоты, на просадочных грунтах, горных выработках и в местностях, в которых проектами предусмотрены специальные антисейсмические мероприятия.

1.5. Цены Прейскуранта учитывают полный комплекс строительно-монтажных работ, предусмотренный типовыми проектами и необходимый для осуществления строительства здания или сооружения с учетом местных условий, а именно: все общестроительные и специально-строительные работы, включая устройство отмосток вокруг здания или сооружения, разработку, погрузку и разгрузку излишнего грунта и перемещение его на 1 км;

Примечания: 1. При перемещении излишнего грунта на расстояние свыше 1 км разница в стоимости транспортирования учитывается дополнительно по Сборнику сметных цен на перевозки грузов для строительства.

2. При составлении баланса земляных работ по площадке в целом объемы излишнего грунта принимаются по данным прил. 8.

3. При строительстве зданий и сооружений в стесненных условиях затраты, связанные с работами по отвозке грунта во временный отвал и последующей его подвозки для засыпки котлованов и траншей (если эти работы предусмотрены проектам организации строительства), учитываются дополнительно;

все работы по внутренним санитарно-техническим устройствам (отоплению, вентиляции, водопроводу, горячему водоснабжению, канализации и водостокам), силовым и осветительным сетям, слаботочным устройствам и другим работам, предусмотренным типовыми проектами.

Примечание. Точками раздела внешних и внутренних трубопроводов и кабелей, учтенных в Прейскуранте, являются: для канализации, водопровода, теплоснабжения и водостоков с закрытым выпуском - внешняя поверхность наружной стены здания; для внешних и внутренних водостоков с открытым выпуском - места слива в лоток отмостки;

для силовых, осветительных и слаботочных устройств - кабельные концевые вводы и проходные изоляторы (муфты относятся к наружным сетям, а проходные изоляторы - к внутренним).

В случае, когда кабельная линия непосредственно у здания переходит в воздушную линию, точкой раздела является столбовая концевая муфта, которая в этом случае относится к внутренним сетям.

все работы по монтажу технологического, энергетического оборудования, систем автоматики и др.;

1.6. Ценами Прейскуранта не учтено следующее:

подготовка и освоение территории строительства (снос и перенос существующих зданий и сооружений, осушение участка застройки, вертикальная планировка и др.);

прокладка наружных инженерных сетей;

благоустройство участка застройки (устройство дорог, тротуары, озеленение и др.);

затраты на приобретение оборудования, не учитываемые в объемах строительно-монтажных работ;

накладные расходы, плановые накопления и другие лимитированные затраты, предусматриваемые в объектных сметах и сметных расчетах (затраты на временные здания и сооружения, -дополнительные затраты при производстве строительно-монтажных работ в зимнее время, непредвиденные работы и затраты и др.);

все другие работы и затраты, включаемые в главу "Прочие работы и затраты" сводных сметных расчетов стоимости строительства;

затраты на содержание дирекции (технический надзор) строящегося предприятия и авторский надзор;

подготовка эксплуатационных кадров;

проектные и изыскательские работы.

1.7. Заработная плата рабочих исчислена в Прейскуранте на основе элементных сметных норм и расценок на монтаж оборудования, вводимых в действие с 1 января 1984 г. и тарифных ставок по оплате труда рабочих в строительстве по состоянию на 1 января 1980 г. с применением коэффициентов по территориальным районам, приведенным в табл. 1.

Таблица 1

Территориальные районы

Коэффициенты

1, 3-6

1

2а, 2в, 8в, 8д, 8е, 9, 12г-12е

1,2

2б, 7, 8а, 8б, 8г, 11, 12а-12в

1,15

1,4

10

1,3

По стройкам, расположенным в отдельных районах, областях, краях и республиках, входящих в состав указанных в табл. 1 территориальных районов и подрайонов, для которых установлены коэффициенты, отличающиеся от принятых в Прейскуранте, к заработной плате рабочих (включая заработную плату рабочих, обслуживающих машины) должны применяться соответствующие коэффициенты.

Прейскурантом не учтены: коэффициенты к заработной плате, предусмотренные в "Указаниях по применению единых районных единичных расценок на строительные конструкции и работы" (ЕРЕР-84) и в "Указаниях по применению расценок на монтаж оборудования" для особых условий строительства (при работе в стесненных и вредных условиях труда); косвенные расходы, предусмотренные п. 2.7. "Указаний по применению расценок на монтаж оборудования"; коэффициенты к заработной плате рабочих, устанавливаемые решениями соответствующих органов для отдельных строек (или районов), для высокогорных, безводных, пустынных местностей и других сложных условий.

1.8. Стоимость эксплуатации строительных машин исчислена в Прейскуранте в соответствии с п. 1.7. "Указаний по применению единых районных единичных расценок на строительные конструкции и работы" (ЕРЕР-84) причем заработная плата рабочих обслуживающих машины, во всех территориальных районах, учтена с коэффициентами, приведенными в табл. 1 Технической части.

1.9. Стоимость всех привозных материалов, изделий и конструкций принята в Прейскуранте по Сборнику средних районных сметных* цен на материалы, изделия и конструкции;

В случаях, когда по местным условиям строительства транспортная схема по доставке на строящийся объект привозных материалов, изделий и конструкций отличается от принятой в указанном Сборнике, дополнительная стоимость их транспортирования определяется с учетом положений, изложенных в "Указаниях по применению единых районных единичных расценок на строительные конструкции и работы" (ЕРЕР-84);

1.10. Стоимость местных строительных материалов и сборных бетонных и железобетонных конструкций учтена по усредненным ценам франко - объект строительства, причем в отдельных случаях (когда стоимость этих материалов и конструкций составляет в общей стоимости здания или сооружения значительный удельный вес) допускается корректировка цен Прейскуранта по стоимости указанных материалов и конструкций в конкретных условиях стройки.

В этих целях в табл. 2 настоящей Технической части приведены учтенные в Прейскуранте усредненные транспортные расходы на 1 т кирпича строительного и сборных бетонных и железобетонных конструкций, а в табл. 3 приведена масса материалов и конструкций, стоимость транспортирования которых может корректироваться по местным условиям.

Кроме того, в прил. 6 приведены поправки, учитывающие разницу в оптовых ценах на кирпич строительный и сборные бетонные и железо бетонные конструкции, а также разницу сметных цен на остальные строительные материалы при поступлении их на строительство из отдельных областей, краев и республик, в которых эти цены отличаются от принятых в Прейскуранте.

Таблица 2

Районы

Усредненные транспортные расходы, учтенные в Прейскуранте, руб. за 1 т

кирпич строительный

сборные бетонные и железобетонные конструкции

блоки фундаментные и стены подвала, плиты, перемычки и другие конструкции длиной до 3 м и шириной до 2,3 м

плиты покрытий, перекрытия и другие конструкции длиной от 3 до 6,5 м и шириной до 2,3м

4,3

7,3

7,7

16

4,28

8,2

8,33

4,3

8

8,88

4,83

8,7

9,52

5,61

8,4

8,64

12,2

8,8

10

3,15

7,8

8

6,81

10,7

10,8

26

6,46

9,4

10,8

6,9

12

12,3

8,1

11,7

11,9

4,28

7,4

7,45

36

4,23

7,4

7,45

4,3

7,4

7,45

11

7,4

7,45

4,01

7,9

8

46

5,88

7,9

8

5,14

7,6

8,88

6,51

8,8

8,91

4,64

7,2

7,79

4,97

7,2

7,79

3,07

11,8

15,1

5,16

9,1

9,79

5,13

8,6

8,88

5,31

8,7

8,91

3,66

8,3

9,12

8a

5

8,5

9,64

6,14

5

4,73

4,07

10,4

10,7

5,44

9,3

9,52

2,84

8,9

9,09

6,81

8,9

9,09

6,81

10,7

10,8

4,48

4,9

6

3,46

5,8

6,7

10а

3,85

7,2

8,52

10б

5,34

8

14,2

10в

5,64

8,5

8,82

11а

7,14

8,5

9,55

11б

4,71

9,6

8,76

11в

7,07

8,7

9,4

11г

5,01

8,8

8,88

11д

5,49

7,8

8,03

11е

5,54

9

9,03

12а

4,68

7

7,94

12б

5,26

10

10,2

12в

7,15

9,8

10,2

12г

4,93

9

8,79

12д

5,62

10,1

11,2

12e

7,96

9,8

10,2

Таблица 3

Номера цен

Конструктивные элементы зданий и сооружений

Материалы и конструкции

Масса местных строительных материалов и сборных бетонных и железобетонных конструкций, т, по территориальным районам (на измеритель цен)

1ж, 3-6, 12

1a-1e, 2б, 2г, 7а, 7в, 10а, 11а-11г

2а, 2в, 7б, 7г, 8, 9, 10б, 10в, 11д, 11е

1, 2

Фундаменты

Блоки фундаментные

59

67

100

Остальные части здания

Кирпич строительный

147

147

147

Перемычки, плиты карнизные и другие конструкции длиной до 3 м и шириной до 2,3 м

6,5

6,5

6,5

Плиты перекрытий длиной от 3 до 6,5 м

31

31

31

3

Фундаменты

Блоки фундаментные

18

36

77

Остальные части здания

Кирпич строительный

215

215

215

Перемычки, ступени и другие конструкции длиной до 3 м

19

19

19

Плиты, прогоны длиной от 3 до 6,5 м

38

38

38

4

Фундаменты

Блоки фундаментные

134

134

134

Остальные части здания

Кирпич строительный

381

400

419

Перемычки, ступени и другие конструкции длиной до 3 м

19

19

19

Плиты перекрытий длиной от 3 до 6,5 м

57

57

57

5

Фундаменты

Блоки фундаментные

134

154

225

Остальные части здания

Кирпич строительный

392

411

430

Перемычки, ступени и другие конструкции длиной до 3 м

19

19

19

Плиты перекрытий длиной от 3 до 6,5 м

56

56

56

6

Фундаменты

Блоки фундаментные

131

145

159

Остальные части здания

Кирпич строительный

514

514

514

Прогоны, плиты перекрытий и другие конструкции длиной от 3 до 6,5 м и шириной до 2,3 м

55

55

55

Перемычки, плиты карнизные и другие конструкции длиной от 3 м, шириной до 2,3 м

37

37

37

7, 8

Фундаменты

Блоки фундаментные

262

291

330

Остальные части здания

Кирпич строительный

589

589

589

Прогоны, плиты перекрытий и другие конструкции длиной от 3 до 6,5 м и шириной до 2,3 м

160

160

160

Перемычки, плиты каналов и другие конструкции длиной до 3, шириной до 2,3м

63

63

63

9

Фундаменты

Блоки фундаментные

383

383

383

Остальные части здания

Кирпич строительный

830

830

830

Плиты перекрытий и другие конструкции длиной от 3 до 6,5 м

193

193

193

Перемычки, ступени и другие конструкции длиной до 3 м

33

33

33

10

Всего на сооружение

Кирпич строительный

68

68

68

Стойки, плиты перекрытий длиной от 3 до 6,5 м

29

29

29

11

Всего на сооружение

Кирпич строительный

272

272

272

Плиты перекрытий и стойки длиной от 3 до 6,5 м

27

27

27

Плиты подоконные, камни бортовые, плиты перекрытий длиной до 3 м, шириной до 2,3 м

20

20

20

12

Всего на сооружение

Кирпич строительный

62

62

62

Перемычки, плиты перекрытий длиной до 3 м

2,5

2,5

2,5

Плиты перекрытий длиной от 3 до 6,5 м

15

15

15

13

Фундаменты

Блоки фундаментные

203

244

314

Остальные части здания

Колонны, стойки, плиты перекрытий длиной от 3 до 6,5 м, шириной до 2,3 м

73

73

73

Перемычки, плиты подоконные и другие конструкции длиной до 3 м, шириной до 2,3 м

8,2

8,2

8,2

14

Фундаменты

Блоки фундаментные

18

18

18

Остальные части здания

Кирпич строительный

8,2

8,2

8,2

15

Фундаменты

Блоки фундаментные

129

129

129

Остальные части здания

Кирпич строительный

16

16

16

16

Всего на сооружение

Кирпич строительный

13,5

13,5

13,5

Камни бортовые

11,3

11,3

11,3

17

Всего на сооружение

Кирпич строительный

10,5

10,5

10,5

Камни бортовые

7

7

7

18

Всего на сооружение

Кирпич строительный

29

29

29

Камни бортовые

6

6

6

19

Всего на сооружение

Кирпич строительный

9,5

9,5

9,5

20

Фундаменты

Блоки фундаментные

9

9

22

Остальные части здания

Кирпич строительный

7,5

7,5

7,5

Плиты покрытий, стойки длиной от 3 до 6,5 м и шириной до 2,3 м

6

6

6

Камни бортовые, плиты бетонные длиной до 3 м, шириной до 2,3 м

6,6

6,6

6,6

21, 23

Фундаменты

Блоки фундаментные

6,9

6,9

6,9

Остальные части здания

Плиты покрытий и стойки длиной от 3 до 6,5 м

7,5

7,5

7,5

Камни бортовые, плиты бетонные длиной до 3 м, шириной 2,3 м

8,2

8,2

8,2

22, 24

Фундаменты

Блоки фундаментные

13,7

13,7

19,2

Остальные части здания

Плиты покрытий и стойки длиной от 3 до 6,5 м

15

15

15

Камни бортовые, плиты бетонные длиной до 3 м, шириной 2,3 м

14

14

14

26

Всего на сооружение

Кирпич строительный

16

16

16

Плиты покрытий длиной от 3 до 6,5 м

1,8

1,8

1,8

Перемычки длиной до 3 м, кольца для колодцев, плиты днищ колодцев диаметром до 2,5 м

9

9

9

27

Всего на сооружение

Кирпич строительный

17

17

17

Плиты покрытий длиной от 3 до 6,5 м

1,8

1,8

1,8

Перемычки длиной до 3 м

0,6

0,6

0,6

28

Всего на сооружение

Кирпич строительный

2

2

2

Перемычки длиной до 3 м, кольца для колодцев, плиты днищ колодцев диаметром до 2,5 м

8,4

8,4

8,4

29

Всего на сооружение

Кирпич строительный

2,8

2,8

2,8

30

Всего на здание

Кирпич строительный

24

24

24

Плиты покрытий длиной от 3 до 6,5 м

3,6

3,6

3,6

Перемычки длиной до 3 м, кольца для колодцев, плиты днищ колодцев диаметром до 2,5 м

16,6

16,6

16,6

31

Всего на здание

Кирпич строительный

26

26

26

Плиты покрытий длиной от 3 до 6,5 м

3,6

3,6

3,6

Перемычки длиной до 3 м

1

1

1

32

Всего на здание

Кирпич строительный

4

4

4

Перемычки длиной до 3 м, кольца для колодцев, плиты днищ колодцев диаметром до 2,5 м

16,4

16,4

16,4

33

Всего на здание

Кирпич строительный

6

6

6

 

 

Перемычки длиной до 3 м

1

1

1

1.11. Цены Прейскуранта разработаны исходя из следующих условий строительства:

разработка грунтов II группы при естественной влажности и плотности;

устройство фундаментов во всех территориальных районах в непучинистых и непросадочных грунтах с нормативной характеристикой, предусмотренной "Инструкцией по типовому проектированию" (СН 227-82), и глубиной заложения, принятой из условия промерзания грунтов (табл. 4).

Таблица 4

Номера цен

Глубина заложения фундаментов, м, по территориальным районам

1ж, 3-6, 12

1a-1e, 2, 2г, 7а, 7в, 10а, 11a-11г

2а, 2в, 7б, 7г, 8, 9, 10б, 10в, 11д, 11е

1-13, 16-24

1,2

1,5

2,1

14

3,4

3,4

3,4

15

3,7

3,7

3,7

26-33

3,8

3,8

3,8

Примечания: 1. При разработке цен Прейскуранта глубина заложения фундаментов принята от планировочной отметки земли у здания, указанной в типовых проектах.

2. Если под отдельными частями здания типовыми проектами предусмотрена глубина заложения фундаментов большая, чем указана в настоящей таблице (при устройстве подвалов, приямков и т.п.), то цены Прейскуранта учитывают под этими частями здания глубину заложения фундамента, предусмотренную типовыми проектами.

3. В ценах Прейскуранта на отапливаемые здания глубина заложения фундаментов, указанная в настоящей таблице, принята только под наружными стенами, а под внутренними - принята в соответствии с типовыми проектами.

Толщина ограждающих конструкций и другие проектные решения в отдельных территориальных районах и подрайонах учтены такие, какие они предусмотрены в типовых проектах, исходя из расчетных температур наружного воздуха приведенных в табл. 5.

Таблица 5

Территориальные районы

Зимняя расчетная температура наружного воздуха, С

1ж, 3-6, 12

-20

1а-1е, 26, 2г, 7а, 7в, 10а, 11a-11г

-30

2а, 2в, 7б, 7г, 8, 9, 10б, 10в, 11д, 11e

-40

Цены Прейскуранта учитывают материалы, конструкции и виды работ, предусмотренные основными вариантами типовых проектов. Краткая характеристика конструктивных элементов и видов работ приведена в табл. 6.

Таблица 6

Номера цен

Конструктивные элементы и виды работ

Краткая характеристика конструктивных элементов и видов работ

1-9

Фундаменты

Сборные бетонные и железобетонные

1, 2, 6

Стены наружные

Кирпичные толщиной при температуре -20 °С и -30 °С - 51 см.

3-5, 7-9

Стены наружные

Кирпичные толщиной при температуре -20 °С и -30 °С - 51 см и при температуре -40 °С - 64 см

1-9

Покрытие и перекрытия

Сборные железобетонные

1-9

Крыша

Совмещенная, невентилируемая, рулонная

1-9

Внутренняя отделка

Окраска водоэмульсионная краской стен и потолков и масляной деревянных и металлических конструкций

1-9

Наружная отделка

Облицовка стен керамическим кирпичом и масляная окраска деревянных и металлических конструкций

1-9

Остальные конструктивные части зданий и виды работ

Предусмотренные основными вариантами типовых проектов

10-13

Летние стационарные открытые эстрады

Фундаменты монолитные. Стены кирпичные, покрытие и перекрытия - сборные железобетонные, кровля рулонная, отделка наружная - облицовка стен кирпичом, штукатурка стен и потолков с масляной окраской деревянных и металлических конструкций

14-19

Танцевальные веранды и площадки

Фундаменты веранд монолитные, а оттяжек вант - сборные железобетонные. Стены и стойки веранд деревянные, колонны веранд - металлические. Покрытие вантовое (№ 14, 15), деревянное (№ 16). Кровля рулонная (№ 16) и тентовая (№ 14, 15). Отделка наружная и внутренняя - масляная окраска

20-24

Павильоны, навесы

Фундаменты под колонны - сборные железобетонные, покрытие -армоцементными плитами. Масляная окраска деревянных и металлических конструкций

25

Книжный киоск

Каркас, стены, покрытие - металлические, отделка - декоративный пластик, шпон, масляная окраска

26-33

Уборные

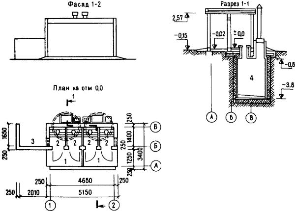
Фундаменты монолитные или сборные железобетонные, выгреб из железобетонных колец или монолитный, покрытие сборными железобетонными плитами. Стены деревянные или кирпичные с масляной окраской. Кровля рулонная или асбестовыми волнистыми листами.

Примечание. В случае, когда типовым проектом, привязанным к местным условиям, предусматривается толщина или материал наружных стен, отличающиеся от принятых в Прейскуранте, сметная стоимость строительства здания определяется с учетом корректировки стоимости наружных стен по ЕРЕР-84.

1.12. Таблицы цен Прейскуранта содержат следующие показатели, приведенные на принятый измеритель:

прямые затраты - в рублях (гр. 2), по всем территориальным районам и подрайонам включающие стоимость работ и затрат, перечисленным в п. 1.5 Технической части;

основную заработную плату и стоимость эксплуатации машин в рублях (гр. 3-5) по всем территориальным районам и подрайонам, определенные с учетом, коэффициентов на заработную плату (включая заработную плату рабочих обслуживающих машины), приведенных в табл. 1 Технической части;

материальные ресурсы - в рублях (гр. 6) по всем территориальным районам и подрайонам, определенные в соответствии с пп. 1.9 и 1.10 Технической части;

затраты труда рабочих в чел.-ч (гр. 7) по работам и затратам, перечисленным в п. 1.5 Технической части.

2. ПОРЯДОК СОСТАВЛЕНИЯ СМЕТ НА СТРОИТЕЛЬСТВО ЗДАНИЙ И СООРУЖЕНИЙ С ПРИМЕНЕНИЕМ ЦЕН ПРЕЙСКУРАНТА

2.1. Составление локальных и объектных смет на строительство зданий и сооружений по показателям, приведенным в основных ценах и поправках Прейскуранта, производится по формам, установленным "Инструкцией о составе, порядке разработки, согласования и утверждения проектно-сметной документации на строительство предприятий, зданий и сооружений" (СН 202-81*).

При этом накладные расходы, плановые накопления и другие лимитированные затраты (затраты на временные здания и сооружения, дополнительные затраты при производстве строительно-монтажных работ в зимнее время, непредвиденные работы и затраты и др.) начисляются непосредственно в сметах по нормам, установленным для конкретного строительства.

Пример составления смет на строительство здания и сооружения с применением цен Прейскуранта приведен в прил. 10.

2.2. При составлении локальных и объектных смет на строительство зданий и сооружений по конкретной стройке необходимо учитывать следующие поправки и коэффициенты, отражающие местные условия строительства:

а) поправки и коэффициенты, учитывающие возможные отклонения гидрогеологических и климатических условий строительства от принятых при разработке цен Прейскуранта, а также поправки, учитывающие применение вариантов проектных решений (табл. 7).

Таблица 7

№ п.п.

Поправки и коэффициенты к ценам Прейскуранта

Номера цен, для которых разработаны поправки и коэффициенты

Номера приложений

1

2

3

4

1

При производстве земляных работ в грунтах, отличающихся от принятых в Прейскуранте

1, 24, 26-33

3

2

При заложении фундаментов на глубину, отличающуюся от принятой в Прейскуранте

1, 2, 4, 5, 7-13, 16, 17, 19-24

4

3

При строительстве отапливаемых зданий в местностях с зимней расчетной температурой наружного воздуха, отличающейся от принятой в Прейскуранте

1, 2, 4, 5, 7,8

5

Примечание. При привязке типового проекта на участке с особо сложными гидрогеологическими условиями, где требуется выполнение специальных работ (цементация, силикатизация и другие виды укрепления грунтов, искусственное водопонижение, свайные и другие виды искусственных оснований, отпорная гидроизоляция, оклеечная гидроизоляция с устройством защитных стенок и другие сложные конструкции боковой изоляции), разрешается вместо применения поправок определять по Прейскуранту только стоимость работ от отметки "0" и выше, а стоимость работ ниже отметки "0" устанавливать по особой смете, составляемой в каждом отдельном случае по рабочим чертежам, учитывающим местные условия;

б) поправки к основной заработной плате и заработной плате рабочих обслуживающих машины, Пз, учитывающие районный коэффициент к заработной плате рабочих, отличающийся от принятого в Прейскуранте или коэффициент, установленный решением соответствующих органов для отдельных строек (или районов), для высокогорных, безводных, пустынных местностей и других сложных условий, определяются по формуле

,

где З - основная заработная плата или заработная плата рабочих обслуживающих машины, приведенная в гр. 3 и 5 таблиц основных цен Прейскуранта, откорректированная с учетом поправок, указанных в п. 2.2а; Кс - районный коэффициент к заработной плате рабочих по отдельным районам, областям, краям и республикам, отличающийся от принятого в Прейскуранте или коэффициент, установленный решением соответствующих органов для отдельных строек (или районов), для высокогорных, безводных, пустынных местностей и других сложных условий; Кп - коэффициент к заработной плате рабочих, учтенный в Прейскуранте (приведен в табл. 1 Технической части).

Примечание. При строительстве зданий и сооружений в особых условиях, оговоренных в "Указаниях по применению единых районных единичных расценок на строительные конструкции и работы" (ЕРЕР-84 и "Указаниях по применению расценок на монтаж оборудования" к заработной плате, применяются коэффициенты, приведенные в этих указаниях;

в) поправку, учитывающую изменение стоимости перевозки кирпича строительного и сборных бетонных или железобетонных конструкций (П) в связи с отклонением условий их транспортирования от принятых в Прейскуранте, определяемую по формуле

П = (Тм - Тп)Q,

где Тм - транспортные расходы, руб. за 1 т кирпича строительного или сборных бетонных и железобетонных конструкций, приведенные в зональных каталогах или определенные расчетом по местным условиям строительства; Тп - транспортные расходы, руб. за 1 т кирпича строительного или сборных бетонных и железобетонных конструкций, учтенные в настоящем Прейскуранте и приведенные в табл. 2 Технической части; Q - масса кирпича строительного или сборных бетонных и железобетонных конструкций, приведенная в табл. 3 Технической части;

г) поправку, учитывающую разницу в оптовых ценах на кирпич строительный и сборные бетонные и железобетонные конструкции, а также разницу сметных цен на остальные местные строительные материалы между действующими в отдельных областях, краях и республиках и принятыми в ценах Прейскуранта (прил. 6).

Примечание. Все поправки разработаны в прямых затратах, поэтому накладные расходы, плановые накопления и другие лимитированные затраты начисляются непосредственно в сметах.

Последовательность внесения поправок в смету и применения коэффициентов аналогична порядку их записи в настоящем пункте.

2.3. При составлении смет с применением цен Прейскуранта следует иметь в виду, что:

а) затраты на транспортирование излишнего грунта учтены в ценах Прейскуранта и полностью отнесены к эксплуатации машин (прил. 7);

б) в составе строительных работ надземной и подземной частей здания или сооружения выделяются затраты только по конструктивным элементам, имеющим значительный удельный вес или являющимися необходимыми по технологии составления смет (земляные работы, фундаменты), а затраты по прочим конструктивным элементам и видам строительных работ не приводятся, поэтому в отдельных случаях сумма затрат по приведенным в Прейскуранте конструктивным элементам не будет равна суммарной их величине по подземной или надземной частям здания или сооружения.

2.4. Вносить в цены Прейскуранта изменения не предусмотренные Технической частью, поправками и коэффициентами, приведенными в приложениях, не разрешается.

2.5. При составлении смет следует применять сокращенное название настоящего Прейскуранта ПРЦ (м-г.х).

1. ОДНОАГРЕГАТНЫЕ ТЯГОВЫЕ ПОДСТАНЦИИ ДЛЯ ЭЛЕКТРОСНАБЖЕНИЯ ТРАМВАЕВ И ТРОЛЛЕЙБУСОВ

Рис. 1. Тяговая подстанция мощностью 1200/600 кВт с кремниевым выпрямителем естественного охлаждения. Типовой проект 507-32/75 (к ценам № 1 и 2)

1 - трансформаторная камера; 2 - помещение кремниевого выпрямителя и распределительных устройств

РАЙОННАЯ ЦЕНА № 1

Одноагрегатная тяговая подстанция для электроснабжения трамваев и троллейбусов мощностью 1200/600 кВт с кремниевым выпрямителем естественного охлаждения (децентрализованная система), стены кирпичные, вариант 1 (типовой проект 507-32/75)

Измеритель - 1 подстанция

Районы

Прямые затраты, руб.

В том числе, руб.

Затраты труда рабочих, чел.-ч

основная заработная плата рабочих

эксплуатация машин

материальные ресурсы

всего

в том числе заработная плата рабочих, обслуживающих машины

1

2

3

4

5

6

7

I. СТРОИТЕЛЬНЫЕ РАБОТЫ

1. Подземная часть

1а, 1ж, 3б

4210

419

357

132

3434

728

1б, 1г, 4б

4540

419

359

132

3762

728

1в, 3г, 5а, 6а, 6б

4440

419

357

132

3664

728

4710

419

359

132

3932

728

4920

419

359

132

4142

728

6840

538

487

197

5815

779

5390

482

385

152

4523

728

8150

538

487

197

7125

779

5370

587

423

186

4360

728

4160

419

351

132

3390

728

3в, 4а

4300

419

357

132

3524

728

5240

419

366

132

4455

728

4800

419

359

132

4022

728

4670

482

379

152

3809

728

7б, 7г

5610

516

471

188

4623

779

7в, 11г

4840

482

380

152

3978

728

5990

516

471

188

5003

779

5850

516

471

188

4863

779

6460

538

483

197

5439

779

6580

516

475

188

5589

779

5770

538

483

197

4749

779

6190

538

487

197

5165

779

6560

538

487

197

5535

779

5610

538

483

197

4589

779

7220

538

487

197

6195

779

10а

5350

545

402

172

4403

728

10б

7450

583

499

213

6368

779

10в

7930

583

499

213

6848

779

11а

6430

482

385

152

5563

728

11б

5130

482

379

152

4269

728

11в

5020

482

379

152

4159

728

11д

6130

516

471

188

5143

779

11е

6320

516

471

188

5333

779

12а

4390

482

374

152

3534

728

12б, 12в

4950

482

376

152

4092

728

12г

4860

503

382

159

3975

728

12д

5890

503

382

159

5005

728

12е

5020

503

392

159

4125

728

В том числе:

а) земляные работы

1а-1е, 3в, 3г, 4б, 5а, 6а, 6в

287

133

154

57,9

-

221

1ж, 3б, 4а, 6б

282

133

149

57,9

-

221

2а, 2в, 8с, 9а, 9в

349

165

184

73,8

-

230

2б, 7в, 11а

320

153

167

66,3

-

221

374

186

188

81,5

-

221

279

133

146

57,9

-

221

294

133

161

57,9

-

221

7а, 11б-11г, 12б

315

153

162

66,3

-

221

7б, 7г-8б, 11д, 11е

330

158

172

70,1

-

230

8в, 8д, 9б

344

165

179

73,8

-

230

335

158

177

70,1

-

230

10а

347

173

174

75,6

-

221

10б, 10в

364

179

185

80

-

230

12а, 12в

311

153

158

66,3

-

221

12г, 12д

322

160

162

69,7

-

221

12е

332

160

172

69,7

-

221

б) фундаменты

1a, 1ж, 3б, 3в

2970

157

180

64,2

2633

277

3280

157

180

64,2

2943

277

1в, 5а

3130

157

180

64,2

2793

277

1г, 4б

3220

157

180

64,2

2883

277

3380

157

180

64,2

3043

277

1е, 6в

3450

157

180

64,2

3113

277

5250

218

277

110

4755

319

2б, 11б

3690

180

190

73,8

3320

277

6460

218

277

110

5965

319

3750

220

206

89,9

3324

277

2920

157

180

64,2

2583

277

3г, 4а, 6а, 6б

3080

157

180

64,2

2743

277

3840

157

180

64,2

3503

277

3300

180

190

73,8

2930

277

7б, 7г

4280

209

272

106

3799

319

3380

180

190

73,8

3010

277

4560

209

272

106

4079

319

4380

209

272

106

3899

319

8в, 9а

4950

218

277

110

4455

319

8г, 11е

4840

209

272

106

4359

319

4420

218

277

110

3925

319

4580

218

277

110

4085

319

4190

218

277

110

3695

319

5740

218

277

110

5245

319

10а

3670

204

200

83,4

3266

277

10б

5810

236

286

120

5288

319

10в

6280

236

286

120

5758

319

11а

4860

180

190

73,8

4490

277

11в, 12в

3550

180

190

73,8

3180

277

11г

3450

180

190

73,8

3080

277

11д

4690

209

272

106

4209

319

12а

3080

180

190

73,8

2710

277

12б

3610

180

190

73,8

3240

277

12г

3460

188

193

77

3079

277

12д

4420

188

193

77

4039

277

12е

3530

188

193

77

3149

277

2. Надземная часть

la, 1ж, 4а

7680

869

189

64,4

6622

1520

7850

870

190

64,7

6790

1520

1в, 1г, 5а, 6в

8130

869

189

64,4

7072

1520

1д, 3г

8260

869

189

64,4

7202

1520

9190

870

190

64,7

8130

1520

9580

1050

206

78,8

8324

1530

10000

1000

200

74,4

8800

1520

10400

1050

206

78,8

9144

1530

9380

1220

216

90,6

7944

1520

3а-3в

7420

868

188

64,1

6364

1520

8340

868

188

64,1

7284

1520

8940

868

188

64,1

7884

1520

6а, 6б

7970

868

188

64,1

6914

1520

7а, 7в

8400

1000

200

74,4

7200

1520

7б, 12а

7960

1000

200

74,6

6760

1520

8100

1000

203

75,5

6897

1530

8670

1000

203

75,5

7467

1530

8б, 11г

8520

1000

201

75

7319

1520

9070

1050

206

78,8

7814

1530

9580

1000

203

75,5

8377

1530

8д, 12г

8530

1040

203

77,9

7287

1520

8680

1050

206

78,8

7424

1530

9а, 9в

9980

1050

206

78,8

8724

1530

9180

1050

206

78,8

7924

1530

10а, 10б

9810

1130

211

84,8

8469

1520

10в

10000

1140

213

85,4

8647

1530

11а

9860

1000

200

74,4

8660

1520

11б, 11в, 11д, 12в

8840

1000

200

74,6

7640

1520

11е

9050

1000

203

75,5

7847

1530

12б

8280

998

197

73,7

7085

1520

12д, 12е

8800

1040

201

76,9

7559

1520

В том числе:

а) стены наружные

1a, 3в, 4а

3100

267

63,1

20,3

2769,9

461

3230

267

63,1

20,3

2899,9

461

1в, 1д

3500

267

63,1

20,3

3169,9

461

1г, 5а, 6

3370

267

63,1

20,3

3039,9

461

1e

4260

267

63,1

20,3

3929,9

461

3300

267

63,1

20,3

2969,9

461

2а, 9в

4100

320

67,1

24,4

3712,9

461

4760

307

66,1

23,3

4386,9

461

4450

320

67,1

24,4

4062,9

461

3850

374

71,2

28,4

3404,8

461

2980

267

63,1

20,3

2649,9

461

3040

267

63,1

20,3

2709,9

461

3870

267

63,1

20,3

3539,9

461

3660

267

63,1

20,3

3329,9

461

3810

267

63,1

20,3

3479,9

461

7а, 8б, 11г

3430

307

66,1

23,3

3056,9

461

3020

307

66,1

23,3

2646,9

461

7в, 11д

3580

307

66,1

23,3

3206,9

461

3160

307

66,1

23,3

2786,9

461

3390

307

66,1

23,3

3016,9

461

8в, 12е

3650

320

67,1

24,4

3262,9

461

4050

307

66,1

23,3

3676,9

461

8д, 12г

3510

320

67,1

24,4

3122,9

461

3390

320

67,1

24,4

3002,9

461

4620

320

67,1

24,4

4232,9

461

3950

320

67,1

24,4

3562,9

461

10а

4050

347

69,2

26,4

3633,8

461

10б

3800

347

69,2

26,4

3383,8

461

10в

3900

347

69,2

26,4

3483,8

461

11а, 12в

3790

307

66,1

23,3

3416,9

461

11б

3490

307

66,1

23,3

3116,9

461

11в

3660

307

66,1

23,3

3286,9

461

11e

3750

307

66,1

23,3

3376,9

461

12a, 12б

3320

307

66,1

23,3

2946,9

461

12д

3830

320

67,1

24,4

3442,9

461

б) покрытие

1a

1080

29,7

46,9

17

1003,4

50,8

1100

29,7

46,9

17

1023,4

50,8

1в, 1д, 5а

1130

29,7

46,9

17

1053,4

50,8

1170

29,7

46,9

17

1093,4

50,8

1e

1210

29,7

46,9

17

1133,4

э0,8

1020

29,7

46,9

17

943,4

50,8

1360

35,6

50,3

20,5

1274,1

50,8

2б, 7а, 11г, 12в

1190

34,2

49,5

19,6

1106,3

50,8

1620

35,6

50,3

20,5

1534,1

50,8

1260

41,6

53,7

23,9

1164,7

50,8

3

997

29,7

46,9

17

920,4

50,8

4, 6а, 6б

1060

29,7

46,9

17

983,4

50,8

1400

29,7

46,9

17

1323,4

50,8

1260

29,7

46,9

17

1183,4

50,8

7б, 7в, 8б, 12а

1120

34,2

49,5

19,6

1036,3

50,8

1170

34,2

49,5

19,6

1086,3

50,8

8а, 8г, 11д, 11е

1240

34,2

49,5

19,6

1156,3

50,8

1280

35,6

50,3

20,5

1194,1

50,8

8д, 8е

1180

35,6

50,3

20,5

1094,1

50,8

9а, 9б, 12д

1220

35,6

50,3

20,5

1134,1

50,8

1590

35,6

50,3

20,5

1504,1

50,8

10а

1330

38,6

52

22,2

1239,4

50,8

10б

1530

38,6

52

22,2

1439,4

50,8

10в

1650

38,6

52

22,2

1559,4

50,8

11а

1790

34,2

49,5

19,6

1706,3

50,8

11б

1310

34,2

49,5

19,6

1226,3

50,8

11в

1230

34,2

49,5

19,6

1146,3

50,8

12б

1280

34,2

49,5

19,6

1196,3

50,8

12г

1160

35,6

50,3

20,5

1074,1

50,8

12е

1200

35,6

50,3

20,5

1114,1

50,8

в) кровля

1а-1в

740

105

26,3

7,87

608,7

190

828

105

26,3

7,87

696,7

190

1д, 1е

782

105

26,3

7,87

650,7

190

1ж, 3а, 3г

679

103

24,3

7,26

551,7

186

1000

131

31,3

10,6

837,7

197

856

121

27,5

9,05

707,5

190

2в, 9б

933

131

31,3

10,6

770,7

197

944

148

29,5

11

766,5

190

3б, 3в, 6в

718

103

24,3

7,26

590,7

186

4а, 6а, 6б

704

103

24,3

7,26

576,7

186

4б, 5а

733

103

24,3

7,26

605,7

186

694

103

24,3

7,26

566,7

186

7а, 7в

782

121

27,5

9,05

633,5

190

7б, 7г

842

125

30,9

10,2

686,1

197

8а, 8б

940

125

30,9

10,2

784,1

197

1030

131

31,3

10,6

867,7

197

1030

125

30,9

10,2

874,1

197

892

131

31,3

10,6

729,7

197

1100

131

31,3

10,6

937,7

197

9а, 9в

944

131

31,3

10,6

781,7

197

10а

998

137

28,7

10,2

832,3

190

10б

1010

142

32,2

11,5

835,8

197

10в

994

142

32,2

11,5

819,8

197

11а

866

121

27,5

9,05

717,5

190

11б, 11в

928

121

27,5

9,05

779,5

190

11г

905

121

27,5

9,05

756,5

190

11д, 11е

989

125

30,9

10,2

833,1

197

12а, 12б

789

119

25,4

8,35

644,6

186

12в

762

119

25,4

8,35

617,6

186

12г

758

124

25,7

8,72

608,3

186

12д

804

124

25,7

8,72

654,3

186

12е

824

124

25,7

8,72

674,3

186

г) полы

1а, 1б, 6а

1000

149

2,16

0,65

848,84

265

1в, 6б

986

149

2,16

0,65

834,84

265

1г, 1д, 6в

1020

149

2,16

0,65

868,84

265

1040

149

2,16

0,65

888,84

265

972

149

2,16

0,65

820,84

265

1130

179

2,29

0,78

948,71

265

2б, 11б

1150

171

2,26

0,75

976,74

265

1340

179

2,29

0,78

1158,71

265

1220

208

2,42

0,91

1009,58

265

3а, 3б, 3г

923

149

2,16

0,65

771,84

265

860

149

2,16

0,65

708,84

265

4

1090

149

2,16

0,65

938,84

265

1060

149

2,16

0,65

908,84

265

1160

149

2,16

0,65

1008,84

265

7а, 11в, 11д, 11е

1100

171

2,26

0,75

926,74

265

7б, 7г, 11г

1080

171

2,26

0,75

906,74

265

997

171

2,26

0,75

823,74

265

1190

171

2,26

0,75

1016,74

265

8б, 12б

1130

171

2,26

0,75

956,74

265

1190

179

2,29

0,78

1008,71

265

8г, 12в

1240

171

2,26

0,75

1066,74

265

8д, 8е

1110

179

2,29

0,78

928,71

265

9а, 9б

1160

179

2,29

0,78

978,71

265

1360

179

2,29

0,78

1178,71

265

10а

1270

194

2,36

0,84

1073,64

265

10б, 10в

1320

194

2,36

0,84

1123,64

265

11а

1420

171

2,26

0,75

1246,74

265

12а

977

171

2,26

0,75

803,74

265

12г, 12е

1260

179

2,29

0,78

1078,71

265

12д

1040

179

2,29

0,78

858,71

265

д) проемы

1, 3а-3в, 4

782

62,5

25,2

8,04

694,3

108

2а, 2в, 8в, 8д, 8е, 12г

813

75

26,8

9,64

711,2

108

2б, 8а, 8б, 8г, 11а-12в

808

71,9

26,4

9,24

709,7

108

849

87,6

28,4

11,2

733

108

3г, 5

794

62,5

25,2

8,04

706,3

108

6

817

62,5

25,2

8,04

729,3

108

7

797

71,9

26,4

9,24

698,7

108

9, 12д

830

75

26,8

9,64

728,2

108

10

920

81,3

27,6

10,4

811,1

108

12е

823

75

26,8

9,64

721,2

108

е) отделочные работы

1a-1г

315

165

11,2

6,18

138,8

279

1д, 1е, 3а, 4б, 5б

318

165

11,2

6,18

141,8

279

1ж, 3в

308

165

11,2

6,18

131,8

279

358

198

12,5

7,41

147,5

279

2б, 11

367

190

12,2

7,1

164,8

279

2в, 8в, 8е, 9а, 9в, 12е

378

198

12,5

7,41

167,5

279

421

231

13,7

8,65

176,3

279

3б, 5а

323

165

11,2

6,18

146,8

279

298

165

11,2

6,18

121,8

279

4а, 6

332

165

11,2

6,18

155,8

279

7а-8а, 12а

345

190

12,2

7,1

142,8

279

336

190

12,2

7,1

133,8

279

376

190

12,2

7,1

173,8

279

8д, 9б, 12г, 12д

366

190

12,5

7,41

155,5

279

10а

436

214

13,1

8,03

208,9

279

10б

400

214

13,1

8,03

172,9

279

10в

381

214

13,1

8,03

153,9

279

12б, 12в

354

190

12,2

7,1

151,8

279

II. МОНТАЖ МЕТАЛЛОКОНСТРУКЦИЙ

1, 3, 5

1300

89,7

36,1

11,4

1174,2

142

2а, 2в, 8е, 12д, 12е

1330

108

38,4

13,6

1183,6

142

1330

103

37,8

13,1

1189,2

142

1370

126

40,7

15,9

1203,3

142

4

1270

89,7

36,1

11,4

1144,2

142

6

1320

89,7

36,1

11,4

1194,2

142

7а-8б, 8г, 11а-12в

1310

103

37,8

13,1

1169,2

142

8в, 8д, 12г

1320

108

38,4

13,6

1173,6

142

9

1370

108

38,4

13,6

1223,6

142

10

1520

116

39,6

14,8

1364,4

142

III. ЭЛЕКТРОМОНТАЖНЫЕ РАБОТЫ

1, 3-6

5740

2110

463

173

3167

3720

2а, 2в, 8в, 8д, 9, 12г, 12д

6250

2530

498

207

3222

3720

2б, 8а, 8б, 8г, 11а-12в

6140

2430

489

199

3221

3720

6850

2960

532

242

3358

3720

7

6080

2430

489

199

3161

3720

6530

2530

498

207

3502

3720

10

6620

2750

515

224

3355

3720

12е

6390

2530

498

207

3362

3720

В том числе

а) электроосвещение

1, 3-6

272

76

27,7

10,4

168,3

134

2а, 2в, 8в, 8д, 9, 12г, 12д

291

91,2

29,8

12,5

170

134

2б, 8а, 8б, 8г, 11а-12в

287

87,4

29,3

12

170,3

134

319

106

31,9

14,6

181,1

134

7

284

87,4

29,3

12

167,3

134

314

91,2

29,8

12,5

193

134

10

310

98,8

30,8

13,6

180,4

134

12е

304

91,2

29,8

12,5

183

134

б) монтаж электросилового оборудования

1, 3-6

4330

1720

366

136

2244

3020

2а, 2в, 8в, 8д, 9, 12г-12е

4770

2060

393

163

2317

3020

2б, 8а, 8б, 8г, 11а-12в

4660

1970

386

156

2304

3020

5210

2400

420

190

2390

3020

7

4620

1970

386

156

2264

3020

4910

2060

393

163

2457

3020

10

5020

2230

406

177

2384

3020

в) электроотопление

1, 3-6

39,8

15,7

3,35

1,25

20,75

27,7

2а, 2в,. 8в, 8д, 9, 12г-12е

43,8

18,9

3,6

1,5

21,3

27,7

2б, 8а, 8б, 8г 11а-12в

42,7

18,1

3,54

1,43

21,06

27,7

47,8

22

3,85

1,74

21,95

27,7

7

42,3

18,1

3,54

1,43

20,66

27,7

45

18,9

3,6

1,5

22,5

27,7

10

46,1

20,4

3,73

1,62

21,97

27,7

г) слаботочные устройства (телефонизация и радиофикация)

1, 3-6

1090

304

66,6

25,1

719,4

537

2а, 2в, 8в, 8д, 9, 12г, 12д

1160

365

71,6

30,1

723,4

537

2б, 8а, 8б, 8г, 11а-12в

1150

350

70,4

28,8

729,6

537

1280

426

76,6

35,1

777,4

537

7

1140

350

70,4

28,8

719,6

537

1260

365

71,6

30,1

823,4

537

10

1240

396

74,1

32,6

769,9

537

12е

1220

365

71,6

30,1

783,4

537

РАЙОННАЯ ЦЕНА № 2

Одноагрегатная тяговая подстанция для электроснабжения трамваев и троллейбусов мощностью 1200/600 кВт с кремниевым выпрямителем естественного охлаждения (децентрализованная система), стены кирпичные, вариант 2 (типовой проект 507-32/75)

Измеритель - 1 подстанция

Районы

Прямые затраты, руб.

В том числе, руб.

Затраты труда рабочих, чел.-ч

основная заработная плата рабочих

эксплуатация машин

материальные ресурсы

всего

в том числе заработная плата рабочих, обслуживающих машины

1

2

3

4

5

6

7

I. СТРОИТЕЛЬНЫЕ РАБОТЫ

1. Подземная часть

1а, 1ж, 3б

4210

419

357

132

3434

728

1б, 1г, 4б

4540

419

359

132

3762

728

1в, 3г, 5а, 6а, 6б

4440

419

357

132

3664

728

4710

419

359

132

3932

728

4920

419

359

132

4142

728

6840

538

487

197

5815

779

5390

482

385

152

4523

728

8150

538

487

197

7125

779

5370

587

423

186

4360

728

4160

419

351

132

3390

728

3в, 4а

4300

419

357

132

3524

728

5240

419

366

132

4455

728

4800

419

359

132

4022

728

4670

482

379

152

3809

728

7б, 7г

5610

516

471

188

4623

779

7в, 11г

4840

482

380

152

3978

728

5990

516

471

188

5003

779

5850

516

471

188

4863

779

6460

538

483

197

5439

779

6580

516

475

188

5589

779

5770

538

483

197

4749

779

6190

538

487

197

5165

779

6560

538

487

197

5535

779

5610

538

483

197

4589

779

7220

538

487

197

6195

779

10а

5350

545

402

172

4403

728

10б

7450

583

499

213

6368

779

10в

7930

583

499

213

6848

779

11а

6430

482

385

152

5563

728

11б

5130

482

379

152

4269

728

11в

5020

482

379

152

4159

728

11д

6130

516

471

188

5143

779

11е

6320

516

471

188

5333

779

12а

4390

482

374

152

3534

728

12б, 12в

4950

482

376

152

4092

728

12г

4860

503

382

159

3975

728

12д

5890

503

382

159

5005

728

12е

5020

503

392

159

4125

728

2. Надземная часть

1a, 1ж, 4а

7680

869

189

64,4

6622

1520

7850

870

190

64,7

6790

1520

1в, 1г, 5а, 6в

8130

869

189

64,4

7072

1520

1д, 3г

8260

869

189

64,4

7202

1520

1e

9190

870

190

64,7

8130

1520

9580

1050

206

78,8

8324

1530

10000

1000

200

74,4

8800

1520

10400

1050

206

78,8

9144

1530

9380

1220

216

90,6

7944

1520

3а-3в

7420

868

188

64,1

6364

1520

8340

868

188

64,1

7284

1520

8940

868

188

64,1

7884

1520

6а, 6б

7970

868

188

64,1

6914

1520

7а, 7в

8400

1000

200

74,4

7200

1520

76,12а

7960

1000

200

74,6

6760

1520

8100

1000

203

75,5

6897

1530

8670

1000

203

75,5

7467

1530

8б, 11г

8520

1000

201

75

7319

1520

9070

1050

206

78,8

7814

1530

9580

1000

203

75,5

8377

1530

8д, 12г

8530

1040

203

77,9

7287

1520

8680

1050

206

78,8

7424

1530

9а, 9в

9980

1050

206

78,8

8724

1530

9180

1050

206

78,8

7924

1530

10а, 10б

9810

1130

211

84,8

8469

1520

10в

10000

1140

213

85,4

8647

1530

11а

9860

1000

200

74,4

8660

1520

11б, 11в, 11д, 12в

8840

1000

200

74,6

7640

1520

11е

9050

1000

203

75,5

7847

1530

12б

8280

998

197

73,7

7085

1520

12д, 12е

8800

1040

201

76,9

7559

1520

II. МОНТАЖ МЕТАЛЛОКОНСТРУКЦИЙ

1, 3, 5

1300

89,7

36,1

11,4

1174,2

142

2а, 2в, 8е, 12д, 12е

1330

108

38,4

13,6

1183,6

142

1330

103

37,8

13,1

1189,2

142

1370

126

40,7

15,9

1203,3

142

4

1270

89,7

36,1

11,4

1144,2

142

6

1320

89,7

36,1

11,4

1194,2

142

7а-8б, 8г, 11а-12в

1310

103

37,8

13,1

1169,2

142

8в, 8д, 12г

1320

108

38,4

13,6

1173,6

142

9

1370

108

38,4

13,6

1223,6

142

10

1520

116

39,6

14,8

1364,4

142

III. ЭЛЕКТРОМОНТАЖНЫЕ РАБОТЫ

1, 3-6

5840

2150

472

176

3218

3790

2а, 2в, 8в, 8д, 9, 12г, 12д

6360

2580

507

211

3273

3790

2б, 8а, 8б, 8г, 11а-12в

6250

2480

498

202

3272

3790

6970

3010

542

246

3418

3790

7

6190

2480

498

202

3212

3790

6640

2580

507

211

3553

3790

10

6740

2800

525

229

3415

3790

12е

6500

2580

507

211

3413

3790

В том числе монтаж электросилового оборудования

1, 3-6

4440

1760

374

139

2306

3090

2а, 2в, 8в, 8д, 9, 12г-12е

4880

2110

402

167

2368

3090

2б, 8а, 8б, 8г, 11а-12в

4770

2020

395

160

2355

3090

5330

2460

430

195

2440

3090

7

4720

2020

395

160

2305

3090

5020

2110

402

167

2508

3090

10

5140

2280

416

181

2444

3090

Примечание. Затраты по конструктивным элементам и видам строительных работ подземной и надземной частей, а также по монтажу электроосвещения, электрического отопления и слаботочным устройствам принимать по аналогичным конструктивным элементам и видам работ цены № 1.

Рис. 2. Тяговая подстанция с распределительным пунктом первичного питания децентрализованной системы. Типовой проект 507-52 (к цене № 3)

1 - трансформаторная камера; 2 - помещение кремниевого выпрямителя; 3 - помещение распределительного пункта; 4 - уборная

РАЙОННАЯ ЦЕНА № 3

Одноагрегатная тяговая подстанция с распределительным пунктом первичного питания децентрализованной системы электроснабжения трамваев и троллейбусов, стены кирпичные (типовой проект 507-52)

Измеритель - 1 подстанция

Районы

Прямые затраты, руб.

В том числе, руб.

Затраты труда рабочих, чел.-ч

основная заработная плата рабочих

эксплуатация машин

материальные ресурсы

всего

в том числе заработная плата рабочих, обслуживающих машины

1

2

3

4

5

6

7

1. СТРОИТЕЛЬНЫЕ РАБОТЫ

1. Подземная часть

1а, 1ж, 3б, 3в

4580

375

320

118

3885

646

1б, 1г

4930

375

322

118

4233

646

1в, 5а, 6а, 6б

4770

375

320

118

4075

646

1д

5080

375

322

118

4383

646

1e

5160

375

322

118

4463

646

2a

5870

450

352

142

5068

646

2б, 11б

5590

432

343

135

4815

646

6890

450

352

142

6088

646

5790

525

381

165

4884

646

4530

375

314

118

3841

646

3г, 4а

4680

375

320

118

3985

646

4860

375

322

118

4163

646

5620

375

330

118

4915

646

5220

375

322

118

4523

646

5020

432

340

135

4248

646

7б, 7г

4880

432

340

135

4108

646

7в, 8б

5090

432

341

135

4317

646

5190

432

340

135

4418

646

8в, 9а

5620

450

350

142

4820

646

5710

432

343

135

4935

646

5060

450

349

142

4261

646

5530

450

352

142

4728

646

4940

450

349

142

4141

646

6220

450

352

142

5418

646

10а

5740

488

361

154

4891

646

10б

6410

488

361

154

5561

646

10в

6760

488

361

154

5911

646

11а

7030

432

346

135

6252

646

11в, 11е, 12б

5420

432

340

135

4648

646

11г, 11д, 12в

5280

432

337

135

4511

646

12а

4750

432

335

135

3983

646

12г

5240

450

342

142

4448

646

12д

6390

450

342

142

5598

646

12е

5430

450

352

142

4628

646

В том числе:

а) земляные работы

1а-1е, 3в, 3г, 4б, 5а, 6а, 6в

238

103

135

50,1

-

172

1ж, 3б 4а, 6б

233

103

130

50,1

-

172

2а, 2в, 8е, 9а, 9в, 12е

275

124

151

60,3

-

172

2б, 7в, 8г, 11а

265

119

146

57,3

-

172

310

145

165

70,6

-

172

229

103

126

50,1

-

172

245

103

142

50,1

-

172

7а, 7б, 7г-8б, 11б-11е, 12б

260

119

141

57,3

-

172

8в, 8д, 9б

271

124

147

60,3

-

172

10

286

134

152

65,4

-

172

12а, 12в

256

119

137

57,3

-

172

12г, 12д

265

124

141

60,3

-

172

б) фундаменты

1а, 1ж, 3а

3080

140

151

53,8

2789

241

3410

140

151

53,8

3119

241

1в, 4а-5а

3210

140

151

53,8

2919

241

1г, 1е

3360

140

151

53,8

3069

241

3490

140

151

53,8

3199

241

3970

168

162

64,6

3640

241

2б, 11г, 12в

3560

161

159

61,9

3240

241

4860

168

162

64,6

4530

241

3870

196

173

75,4

3501

241

3б-3г

3040

140

151

53,8

2749

241

3920

140

151

53,8

3629

241

6а, 6б

3140

140

151

53,8

2849

241

3600

140

151

53,8

3309

241

7а, 7в

3390

161

159

61,9

3070

241

7б, 7г, 8б

3320

161

159

61,9

3000

241

3480

161

159

61,9

3160

241

3800

168

162

64,6

3470

241

8г, 11в, 11е

3660

161

159

61,9

3340

241

3490

168

162

64,6

3160

241

8е, 12е

3630

168

162

64,6

3300

241

3720

168

162

64,6

3390

241

3280

168

162

64,6

2950

241

4460

168

162

64,6

4130

241

10а

3720

182

167

70

3371

241

10б

4460

182

167

70

4111

241

10в

4790

182

167

70

4441

241

11а

5120

161

159

61,9

4800

241

11б, 12б

3830

161

159

61,9

3510

241

11д

3590

161

159

61,9

3270

241

12а

3180

161

159

61,9

2860

241

12г

3570

168

162

64,6

3240

241

12д

4600

168

162

64,6

4270

241

2. Надземная часть

la, 3в, 4а

11700

1240

259

88,1

10201

2180

12000

1240

259

88,1

10501

2180

1в, 1г, 5а

12200

1240

259

88,1

10701

2180

1д, 6а, 6б

12400

1240

259

88,1

10901

2180

14000

1240

259

88,1

12501

2180

1ж, 3а

11400

1240

259

88,1

9901

2180

2а, 9а

14600

1490

277

106

12833

2180

15500

1420

272

101

13808

2180

15800

1490

277

106

14033

2180

14200

1730

294

123

12176

2180

11500

1240

259

88,1

10001

2180

3г, 6в

12600

1240

259

88,1

11101

2180

12800

1240

259

88,1

11301

2180

13800

1240

259

88,1

12301

2180

12900

1420

272

101

11208

2180

7б, 7г

12300

1420

272

101

10608

2180

7в, 8б, 11д

13300

1420

272

101

11608

2180

8а, 11б, 11в, 12а

13500

1420

272

101

11808

2180

8в, 12д

13700

1490

277

106

11933

2180

15000

1420

272

101

13308

2180

11900

1490

277

106

10133

2180

13200

1490

277

106

11433

2180

12700

1490

277

106

10933

2180

13900

1490

277

106

12133

2180

10а, 10б

15200

1610

285

114

13305

2180

10в

15600

1610

285

114

13705

2180

11а

15300

1420

272

101

13608

2180

11г

13000

1420

272

101

11308

2180

11e

13600

1420

272

101

11908

2180

12а

12100

1420

272

101

10408

2180

12б

12500

1420

272

101

10808

2180

12г

13000

1490

277

106

11233

2180

12е

13400

1490

277

106

11633

2180

В том числе.

а) стены наружные

1а, 3б, 4а

2780

225

46

13,8

2509

389

1б, 1ж

2920

225

46

13,8

2649

389

1в, 1д

3140

225

46

13,8

2869

389

1г, 5а

3010

225

46

13,8

2739

389

3880

225

46

13,8

3609

389

3720

270

48,7

16,6

3401,3

389

4360

259

48

15,9

4053

389

4060

270

48,7

16,6

3741,3

389

3490

316

51,5

19,4

3122.5

389

2700

225

46

13,8

2429

389

2870

225

46

13,8

2599

389

3г, 5б

3500

225

46

13,8

3229

389

3340

225

46

13,8

3069

389

6

3070

225

46

13,8

2799

389

7а, 8а. 8б, 11б, 11г

3150

259

48

15,9

2843

389

2770

259

48

15,9

2463

389

7в, 11в

3330

259

48

15,9

3023

389

?880

259

48

15,9

2573

389

8в, 12е

3310

270

48,7

16,6

2991,3

389

3730

259

48

15,9

3423

389

8д, 8е

3050

270

48,7

16,6

2731,3

389

4120

270

48,7

16,6

3801,3

389

3420

270

48,7

16,6

3101,3

389

3570

270

48,7

16,6

3251,3

389

10а

3700

293

50,1

18

3356,9

389

10б

3470

293

50,1

18

3126,9

389

10в

3580

293

50,1

18

3236,9

389

11а

3490

259

48

15,9

3183

389

11д

3250

259

48

15,9

2943

389

11е, 12в

3430

259

48

15,9

3123

389

12а

3000

259

48

15,9

2693

389

12б

2960

259

48

15,9

2653

389

12г

3160

270

48,7

16,6

2841,3

389

12д

3500

270

48,7

16,6

3181,3

389

б) покрытие

1a

1690

44,5

40,5

14,6

1605

75,7

1720

44,5

40,5

14,6

1635

75,7

1в, 1д, 5а

1770

44,5

40,5

14,6

1685

75,7

1820

44,5

40,5

14,6

1735

75,7

1590

44,5

40,5

14,6

1505

75,7

2120

53,4

43,5

17,5

2023,1

75,7

2б, 11в, 12в

1880

51,2

42,7

16,8

1786,1

75,7

2530

53,4

43,5

17,5

2433,1

75,7

1980

62,3

46,4

20,4

1871,3

75,7

3

1550

44,5

40,5

14,6

1465

75,7

4, 6а, 6б

1650

44,5

40,5

14,6

1565

75,7

2160

44,5

40,5

14,6

2075

75,7

1980

44,5

40,5

14,6

1895

75,7

7а, 7г, 11г

1840

51,2

42,7

16,8

1746,1

75,7

7б, 8б, 12а

1760

51,2

42,7

16,8

1666,1

75,7

1740

51,2

42,7

16,8

1646,

75,7

8а, 11д, 11e

1930

51,2

42,7

16,8

1836,

75,7

2000

53,4

43,5

17,5

1903,

75,7

8г, 12б

1980

51,2

42,7

16,8

1886,

75,7

1840

53,4

43,5

17,5

1743,

75,7

8е, 9б, 12е

1890

53,4

43,5

17,5

1793,

75,7

9а, 12д

1910

53,4

43,5

17,5

1813,1

75,7

2470

53,4

43,5

17,5

2373,1

75,7

10а

2070

57,9

44,9

19

1967,2

75,7

10б

2390

57,9

44,9

19

2287,2

75,7

10в

2560

57,9

44,9

19

2457,2

75,7

11а

2770

51,2

42,7

16,8

2676,1

75,7

11б

2030

51,2

42,7

16,8

1936,1

75,7

12г

1810

53,4

43,5

17,5

1713,1

75,7

в) кровля

1а-1в, 3г, 6

905

144

37,8

11,3

723,2

260

1020

144

37,8

11,3

838,2

260

1д, 1е, 4б

955

144

37,8

11,3

773,2

260

872

144

37,8

11,3

690,2

260

2а, 8в

1130

173

40

13,5

917

260

2б, 12а

1030

166

39,5

13

824,5

260

2в, 12д, 12е

1040

173

40

13,5

827

260

1140

202

42,3

15,8

895,7

260

3а, 5б

889

144

37,8

11,3

707,2

260

3б, 5а

942

144

37,8

11,3

760,2

260

3в, 4а

926

144

37,8

11,3

744,2

260

7, 12в

970

166

39,5

13

764,5

260

8а, 8б

1060

166

39,5

13

854,5

260

8г, 11б, 11в

1130

166

39,5

13

924,5

260

1010

173

40

13,5

797

260

1150

173

40

13,5

937

260

9

1060

173

40

13,5

847

260

10а

1200

187

41,2

14,7

971,8

260

10б, 10в

1150

187

41,2

14,7

921,8

260

11а

1050

166

39,5

13

844,5

260

11г-11e

1100

166

39,5

13

894,5

260

12б

1010

166

39,5

13

804,5

260

12г

980

173

40

13,5

767

260

г) полы

1a, 1б, 6а

1530

157

10,9

3,26

1362,1

288

1в, 6б

1500

157

10,9

3,26

1332,1

288

1г, 1д 5а, 6в

1570

157

10,9

3,26

1402,1

288

1580

157

10,9

3,26

1412,1

288

1420

157

10,9

3,26

1252,1

288

2а, 9а

1760

188

11,5

3,91

1560,5

288

1800

181

11,4

3,75

1607,6

288

2010

188

11,5

3,91

1810,5

288

1850

220

12,2

4,56

1617,8

288

1440

157

10,9

3,26

1272,1

288

1390

157

10,9

3,26

1222,1

288

1330

157

10,9

3,26

1162,1

288

1370

157

10,9

3,26

1202,1

288

4

1610

157

10,9

3,26

1442,1

288

1700

157

10,9

3,26

1532,1

288

7а, 11в 11д, 11е, 12б

1630

181

11,4

3,75

1437,6

288

7б, 7г, 11г

1610

181

11,4

3,75

1417,6

288

1500

181

11,4

3,75

1307,6

288

8а, 8б, 12в

1750

181

11,4

3,75

1557,6

288

8в, 12г

1810

188

11,5

3,91

1610,5

288

8г, 11а

2080

181

11,4

3,75

1887,6

288

1660

188

11,5

3,91

1460,5

288

8е, 12е

1850

188

11,5

3,91

1650,5

288

1750

188

11,5

3,91

1550,5

288

1980

188

11,5

3,91

1780,5

288

10а

1880

204

11,8

4,24

1664,2

288

10б, 10в

1940

204

11,8

4,24

1724,2

288

11б

1680

181

11,4

3,75

1487,6

288

12а

1440

181

11,4

3,75

1247,6

288

12д

1540

188

11,5

3,91

1340,5

288

д) проемы

1, 3а-3в, 4а

1650

134

27,6

8,19

1488,4

223

2а, 2в, 12г, 12е

1730

160

29,2

9,82

1540,8

223

2б, 12а-12в

1720

154

28,8

9,42

1537,2

223

1810

187

30,9

11,5

1592,1

223

1670

134

27,6

8,19

1508,4

223

1630

134

27,6

8,19

1468,4

223

5

1690

134

27,6

8,19

1528,4

223

6

1740

134

27,6

8,19

1578,4

223

7

1680

154

28,8

9,42

1497,2

223

8а, 8б, 8г, 11

1700

154

28,8

9,42

1517,2

223

8в, 8д

1700

160

29,2

9,82

1510,8

223

8е, 12д

1760

160

29,2

9,82

1570,8

223

9

1820

160

29,2

9,82

1630,8

223

10

2120

174

30,1

10,6

1915,9

223

е) отделочные работы

1а-1г, 1ж, 3в

865

391

29,8

16,4

444,2

657

1д, 1е, 3а, 4б, 5б

878

391

29,8

16,4

457,2

657

979

470

33,1

19,7

475,9

657

2б, 11, 12б

1010

450

32,3

18,8

527,7

657

2в, 8в, 9а, 9в, 12г-12e

1030

470

33,1

19,7

526,9

657

1100

548

36,4

22,9

515,6

657

3б, 5а

891

391

29,8

16,4

470,2

657

829

391

29,8

16,4

408,2

657

903

391

29,8

16,4

482,2

657

6

919

391

29,8

16,4

498,2

657

7

942

450

32,3

18,8

459,7

657

953

450

32,3

18,8

470,7

657

927

450

32,3

18,8

444,7

657

1030

450

32,3

18,8

547,7

657

8д, 9б

1000

470

33,1

19,7

496,9

657

1060

470

33,1

19,7

556,9

657

10а

1160

509

34,8

21,3

616,2

657

10б

1060

509

34,8

21,3

516,2

657

10в

1010

509

34,8

21,3

466,2

657

12а

971

450

32,3

18,8

488,7

657

12в

998

450

32,3

18,8

515,7

657

II. МОНТАЖ МЕТАЛЛОКОНСТРУКЦИЙ

1, 3, 5

1250

40,2

75,3

25,7

1134,5

63,2

2а, 2в, 8е, 12д, 12е

1280

48,3

80,4

30,8

1151,3

63,2

1280

46,3

79,2

29,5

1154,5

63,2

1310

56,4

85,6

36

1168

63,2

4

1230

40,2

75,3

25,7

1114,5

63,2

6

1280

40,2

75,3

25,7

1164,5

63,2

7а-8б, 8г, 11а-12в

1260

46,3

79,2

29,5

1134,5

63,2

8в, 8д, 12г

1270

48,3

80,4

30,8

1141,3

63,2

9

1320

48,3

80,4

30,8

1191,3

63,2

10

1450

52,3

83

33,4

1314,7

63,2

III. ВНУТРЕННИЕ САНИТАРНО-ТЕХНИЧЕСКИЕ УСТРОЙСТВА

1. Санитарно-технические работы

1, 3-6

194

21,9

1,86

0,53

170,24

36,2

2а, 2в, 8е, 8д, 9

200

26,3

1,97

0,64

171,73

36,2

2б, 7а-8б, 8г

198

25,2

1,94

0,61

170,86

36,2

210

30,7

2,07

0,75

177,23

36,2

218

26,3

1,97

0,64

189,73

36,2

10

207

28,5

2,02

0,69

176,48

36,2

11

205

25,2

1,94

0,61

177,86

36,2

12а-12в

202

25,2

1,94

0,61

174,86

36,2

12г-12е

203

26,3

1,97

0,63

174,73

36,2

В том числе

а) холодное водоснабжение, канализация

1, 3-6

174

19,5

1,59

0,46

152,91

32,4

2а, 2в, 8в, 8д, 9

179

23,4

1,68

0,55

153,92

32,4

2б, 7а-8б, 8г

177

22,4

1,66

0,53

152,94

32,4

187

27,3

1,77

0,65

157,93

32,4

194

23,4

1,68

0,55

168,92

32,4

10

1в5

25,3

1,73

0,6

157,97

32,4

11

184

22,4

1,66

0,53

159,94

32,4

12а-12в

181

22,4

1,66

0,53

156,94

32,4

12г-12е

182

23,4

1,68

0,55

156,92

32,4

б) вентиляция

1, 3-6

20,2

2,45

0,27

0,07

17,48

3,78

2а, 2в, 8в, 8д, 9, 12г, 12д

21

2,94

0,28

0,09

17,78

3,78

2б, 8а, 8б, 8г, 11а-12в

20,9

2,82

0,28

0,08

17,8

3,78

22,2

3,43

0,3

0,1

18,47

3,78

7

20,5

2,82

0,28

0,08

17,4

3,78

23,4

2,94

0,28

0,09

20,18

3,78

10

22

3,18

0,29

0,08

18,53

3,78

12е

21,7

2,94

0,28

0,09

18,48

3,78

2. Строительные работы, сопутствующие санитарно-техническим

1, 3-6

24

18,2

0,04

0,01

5,76

31,8

2а, 2г, 8в, 8д, 9, 12г, 12д

28,5

21,8

0,04

0,01

6,66

31,8

2б, 7а-8б, 8г, 11а-12в

27,5

20,9

0,04

0,01

6,56

31,8

32,8

25,5

0,04

0,02

7,26

31,8

30,8

21,8

0,04

0,01

8,96

31,8

10

31,4

23,7

0,04

0,02

7,66

31,8

12е

29,4

21,8

0,04

0,01

7,56

31,8

IV. МОНТАЖ ЭЛЕКТРОСИЛОВОГО ОБОРУДОВАНИЯ

1, 3-6

5770

2280

487

181

3003

4020

2а, 2в, 8в, 8д, 9, 12г-12е

6360

2740

523

217

3097

4020

2б, 8а, 8б, 8г, 11а-12в

6200

2630

514

208

3056

4020

6940

3200

559

253

3181

4020

7

6140

2630

514

208

2996

4020

6540

2740

523

217

3277

4020

10

6690

2970

541

235

3179

4020

2. ДВУХАГРЕГАТНЫЕ ТЯГОВЫЕ ПОДСТАНЦИИ ДЛЯ ЭЛЕКТРОСНАБЖЕНИЯ ТРАМВАЕВ И ТРОЛЛЕЙБУСОВ

Рис. 3. Тяговая подстанция мощностью 2400/1200 кВт (централизованная система. Типовой проект 507-46 (к ценам № 4 и 5)

1 - помещение распределительных устройств РУ = 6(10) кВт и РУ = 600 В; 2 - машинный зал и щитовая; 3 - камеры силового трансформатора; 4 - помещение распределительного устройства РУ = 600 В; 5 - уборная

РАЙОННАЯ ЦЕНА № 4

Двухагрегатная тяговая подстанция для электроснабжения трамваев и троллейбусов мощностью 2400/1200 кВт (децентрализованная система), стены кирпичные, вариант 1 (типовой проект 507-46)

Измеритель - 1 подстанция

Районы

Прямые затраты руб.,

В том числе, руб.

Затраты труда рабочих, чел.-ч

основная заработная плата рабочих

эксплуатация машин

материальные ресурсы

всего

в том числе заработная плата рабочих, обслуживающих машины

1

2

3

4

5

б

7

I. СТРОИТЕЛЬНЫЕ РАБОТЫ

1. Подземная часть

1а, 3г, 4б

10900

794

671

241

9435

1380

1б, 1г, 4б, 6а

11500

794

671

241

10035

1380

1в, 5а, 6в,

11200

794

663

241

9743

1380

12000

794

671

241

10535

1380

1е, 6в

12300

794

671

241

10835

1380

1ж, 3а

10600

794

649

241

9157

1380

18000

1020

930

365

16050

1480

13800

912

727

276

12161

1380

21200

1020

930

365

19250

1480

14000

1110

804

338

12086

1380

10700

794

655

241

9251

1380

3в, 4а

11000

794

663

241

9543

1380

12800

794

695

241

11311

1380

11600

912

706

276

9982

1380

7б, 7г

14500

976

888

348

12636

1480

11900

912

718

276

10270

1380

8а, 8б

15300

976

888

348

13436

1480

8в, 9а

17000

1020

923

365

15057

1480

18300

976

902

348

16422

1480

15200

1020

916

365

13264

1480

17500

1020

930

365

15550

1480

14700

1020

916

365

12764

1480

18800

1020

930

365

16850

1480

10а

13500

1030

753

314

11717

1380

10б

19400

1100

947

396

17353

1480

10в

20400

1100

947

396

18353

1480

11а

16100

912

727

276

14461

1380

11б

12900

912

706

276

11282

1380

11в

12600

912

706

276

10982

1380

11г, 12б, 12в

12300

912

698

276

10690

1380

11д

15900

976

888

348

14036

1480

11е

16300

976

888

348

14436

1480

12а

11000

912

690

276

9398

1380

12г

12100

952

707

289

10441

1380

12д

14400

952

707

289

12741

1380

12в

12900

952

740

289

11208

1380

В том числе:

а) земляные работы

1а-1е, 3в, 3г, 4б, 5а, 6а, 6в

477

89

388

145

-

143

1ж, 3б, 4а, 6б

462

89

373

145

-

143

2а, 2в, 8е, 9а, 9в

598

123

475

187

-

170

2б, 11а

532

102

430

166

-

143

608

124

484

204

-

143

450

91

361

145

-

143

502

90

412

145

-

143

7а, 11б-11г, 12б

511

102

409

166

-

143

7б, 7г-8б, 11д, 11е

558

118

440

177

-

170

523

99

421

166

-

143

8в, 8д, 9б

584

124

460

187

-

170

572

118

454

177

-

170

10а

557

115

442

190

-

143

10б, 10в

609

136

476

203

-

170

12а, 12в

496

102

394

166

-

143

12г, 12д

512

106

406

175

-

143

12е

546

107

439

175

-

143

б) фундаменты

1а, 3в

7160

282

244

83,9

6634

507

1б, 1г

7820

282

244

83,9

7294

507

1в, 4а

7390

282

244

83,9

6864

507

8090

282

244

83,9

7564

507

7980

282

244

83,9

7454

507

1ж, 3а, 3б, 3г

6970

282

244

83,9

6444

507

13400

388

415

164

12597

578

9010

324

257

96,5

8429

507

16500

388

415

164

15697

578

9320

395

278

118

8647

507

4б, 5а, 6а

7510

282

244

83,9

6984

507

8780

282

244

83,9

8254

507

7320

282

244

83,9

6794

507

8400

282

244

83,9

7874

507

7а, 7в

7750

324

257

96,5

7169

507

7б, 7г

10700

371

408

157

9921

578

11300

371

408

157

10521

578

11100

371

408

157

10321

578

8в, 8е

12800

388

415

164

11997

578

13400

371

408

157

12621

578

11400

388

415

164

10597

578

12400

388

415

164

11597

578

10600

388

415

164

9797

578

14600

388

415

164

13797

578

10а

8880

366

269

109

8245

507

10б

14800

420

428

178

13952

578

10в

15800

420

428

178

14952

578

11а

11700

324

257

96,5

11119

507

11б

8860

324

257

96,5

8279

507

11в

8440

324

257

96,5

7859

507

11г, 12в

8260

324

257

96,5

7679

507

11д

11800

371

408

157

11021

578

11e

12100

371

408

157

11321

578

12а

7210

324

257

96,5

6629

507

12б

8560

324

257

96,5

7979

507

12г

8200

338

261

101

7601

507

12д

10300

338

261

101

9701

507

12е

8720

338

261

101

8121

507

2. Надземная часть

1а, 3в

13100

1640

387

130

11073

2820

1б, 5а

13400

1640

387

130

11373

2820

1в, 1г, 6б

13800

1640

387

130

11773

2820

1д, 3г

14000

1640

387

130

11973

2820

1e, 5б

15800

1640

387

130

13773

2820

1ж, 3а, 3б

12600

1640

386

130

10574

2820

2а, 9в

16800

1970

417

158

14413

2830

2в, 8г

17300

1880

408

150

15012

2830

18500

1970

417

158

16113

2830

16500

2290

439

182

13771

2820

12800

1640

386

130

10774

2820

4в, 6а, 6в

14200

1640

386

130

12174

2820

14400

1880

407

150

12113

2820

13800

1880

410

151

11510

2830

7в, 11г

14800

1880

407

150

12513

2820

14000

1880

410

151

11710

2830

8а, 11б, 11в, 11д, 12а

15200

1880

408

150

12912

2830

86

15000

1880

410

151

12710

2830

15600

1970

417

158

13213

2830

13800

1970

417

158

11413

2830

16300

1970

417

158

13913

2830

16600

1970

417

158

14213

2830

9б, 12г

14500

1960

414

157

12126

2830

10а

17200

2130

426

169

14644

2820

10б

17800

2130

430

171

15240

2830

10в

18400

2130

430

171

15840

2830

11а

17900

1880

407

150

15613

2820

11е

15700

1880

410

151

13410

2830

12а

13500

1880

406

149

11214

2820

12б

14200

1880

406

149

11914

2820

12д

15100

1960

412

156

12728

2820

12е

15400

1960

412

156

13028

2820

В том числе:

а) стены наружные

1, 4а

4070

362

73,6

22,8

3634,4

630

1б, 1ж

4250

362

73,6

22,8

3814,4

630

1в, 1д

4570

362

73,6

22,8

4134,4

630

1г, 5а

4390

362

73,6

22,8

3954,4

630

1e

5620

362

73,6

22,8

5184,4

630

5420

435

78,1

27,3

4906,9

630

6300

417

77

26,2

5806

630

2в, 9а

5940

435

78,1

27,3

5426,9

630

5100

508

82,7

31,9

4509,3

630

3940

362

73,6

22,8

3504,4

630

4040

362

73,6

22,8

3744,4

630

4180

362

73,6

22,8

3744,4

630

3г, 5б

5090

362

73,6

22,8

4654,4

630

4850

362

73,6

22,8

4414,4

630

6

4480

362

73,6

22,8

4044,4

630

7а, 8а, 8б, 11г

4580

417

77

26,2

4086

630

4060

417

77

26,2

3566

630

7в, 11в

4840

417

77

26,2

4346

630

4210

417

77

26,2

3716

630

8в, 12е

4830

435

78,1

27,3

4316,9

630

5420

417

77

26,2

4926

630

8д, 8е

4460

435

78,1

27,3

3946,9

630

4980

435

78,1

27,3

4466,9

630

5220

435

78,1

27,3

4706,9

630

10а

5390

471

80,4

29,6

4838,6

630

10б

5080

471

80,4

29,6

4528,6

630

10в

5240

471

80,4

29,6

4688,6

630

11а

5120

417

77

26,2

4626

630

11б

4640

417

77

26,2

4146

630

11д

4740

417

77

26,2

4246

630

11е, 12в

4990

417

77

26,2

4496

630

12а, 12б

4360

417

77

26,2

3866

630

12г

4610

435

78,1

27,3

4096,9

630

12д

5080

435

78,1

27,3

4566,9

630

б) покрытие

2320

36

56,1

20,4

2227,9

61,2

2350

36

56,1

20,4

2257,9

61,2

1в, 1д, 5а

2420

36

56,1

20,4

2327,9

61,2

2510

36

56,1

20,4

2417,9

61,2

2580

36

56,1

20,4

2487,9

61,2

2160

36

56,1

20,4

2067,9

61,2

2930

43,2

60,2

24,5

2826,6

61,2

2б, 11в, 12в

2570

41,4

59,2

23,5

2469,4

61,2

3520

43,2

60,2

24,5

3416,6

61,2

2690

50,4

64,3

28,6

2575,3

61,2

3

2100

36

56,1

20,4

2007,9

61,2

4, 6а, 6б

2240

36

56,1

20,4

2147,9

61,2

2980

36

56,1

20,4

2887,9

61,2

2750

36

56,1

20,4

2657,9

61,2

7а, 7г, 11г

2510

41,4

59,2

23,5

2409,4

61,2

7б, 8б, 12а

2380

41,4

59,2

23,5

2279,4

61,2

2360

41,4

59,2

23,5

2259,4

61,2

8а, 11е

2650

41,4

59,2

23,5

2549,4

61,2

2750

43,2

60,2

24,5

2646,6

61,2

2700

41,4

59,2

23,5

2599,4

61,2

2500

43,2

60,2

24,5

2396,6

61,2

8е, 12д

2540

43,2

60,2

24,5

2436,6

61,2

9а, 9б

2610

43,2

60,2

24,5

2506,6

61,2

3400

43,2

60,2

24,5

3296,6

61,2

10а

2840

46,8

62,2

26,5

2731

61,2

10б

3310

46,8

62,2

26,5

3201

61,2

10в

3540

46,8

62,2

26,5

3431

61,2

11а

3840

41,4

59,2

23,5

3739,4

61,2

11б

2800

41,4

59,2

23,5

2699,4

61,2

11д

2630

41,4

59,2

23,5

2529,4

61,2

12б

2730

41,4

59,2

23,5

2629,4

61,2

12г

2460

43,2

60,2

24,5

2356,6

61,2

12е

2580

43,2

60,2

24,5

2476,6

61,2

в) кровля

1710

165

30,4

9,09

1514,6

292

1б, 1в

1740

165

30,4

9,09

1544,6

292

1780

165

30,4

9,09

1584,6

292

1760

165

30,4

9,09

1564,6

292

1810

165

30,4

9,09

1614,6

292

1ж, 3

1470

165

30,4

9,09

1274,6

292

2250

198

32,2

10,9

2019,8

292

2б, 11г

1870

190

31,7

10,4

1648,3

292

2600

198

32,2

10,9

2369,8

292

1970

232

34

12,7

1704

292

4

1550

165

30,4

9,09

1354,6

292

1610

165

30,4

9,09

1414,6

292

1870

165

30,4

9,09

1674,6

292

6а, 6б

1580

165

30,4

9,09

1384,6

292

1690

165

30,4

9,09

1494,6

292

1830

190

31,7

10,4

1608,3

292

1950

190

31,7

10,4

1728,3

292

1760

190

31,7

10,4

1538,3

292

7г, 8б

1990

190

31,7

10,4

1768,3

292

8а, 8г

2120

190

31,7

10,4

1898,3

292

8в, 8е, 9б

2150

198

32,2

10,9

1919,8

292

2030

198

32,2

10,9

1799,8

292

2080

198

32,2

10,9

1849,8

292

2680

198

32,2

10,9

2449,8

292

10а

2240

215

33,1

11,8

1991,9

292

10б

2540

215

33,1

11,8

2291,9

292

10в

2800

215

33,1

11,8

2551,9

292

11а

2560

190

31,7

10,4

2338,3

292

11б

2020

190

31,7

10,4

1798,3

292

11в

1900

190

31,7

10,4

1678,3

292

11д, 11е

2140

190

31,7

10,4

1918,3

292

12а

1670

190

31,7

10,4

1448,3

292

12б

1790

190

31,7

10,4

1568,3

292

12в

1700

190

31,7

10,4

1478,3

292

12г, 12д

1690

198

32,2

10,9

1459,8

292

12е

1760

198

32,2

10,9

1529,8

292

г) полы

1a, 1б, 3a, 5a

661

60,5

3,66

1,11

596,84

110

1в, 3в, 4

637

60,5

3,66

1,11

572,84

110

1г-1е, 6б

677

60,5

3,66

1,11

612,84

110

554

60,5

3,66

1,11

489,84

110

841

72,6

3,88

1,33

764,52

110

892

69,6

3,83

1,28

818,57

110

895

72,6

3,88

1,33

818,52

110

888

84,7

4,11

1,55

799,19

110

614

60,5

3,66

1,11

549,84

110

527

60,5

3,66

1,11

462,84

110

629

60,5

3,66

1,11

564,84

110

697

60,5

3,66

1,11

632,84

110

723

60,5

3,66

1,11

658,84

110

7а, 7б, 12б

661

69,6

3,83

1,28

587,57

110

651

69,6

3,83

1,28

577,57

110

7г, 12а

640

69,6

3,83

1,28

566,57

110

670

69,6

3,83

1,28

596,57

110

744

69,6

3,83

1,28

670,57

110

814

72,6

3,88

1,33

737,52

110

1140

69,6

3,83

1,28

1066,57

110

735

72,6

3,88

1,33

658,52

110

1040

72,6

3,88

1,33

963,52

110

9а, 9в

804

72,6

3,88

1,33

727,52

110

744

72,6

3,88

1,33

667,52

110

10а

917

78,7

4

1,44

834,3

110

10б

875

78,7

4

1,44

792,3

110

10в

822

78,7

4

1,44

739,3

110

11а

867

69,6

3,83

1,28

793,57

110

11б-11e

754

69,6

3,83

1,28

680,57

110

12а

601

69,6

3,83

1,28

527,57

110

12г

664

72,6

3,88

1,33

587,52

110

12д

686

72,6

3,88

1,33

609,52

110

12е

776

72,6

3,88

1,33

699,52

110

д) проемы

1а-1в

1510

182

54,5

16,5

1273,5

292

1г, 1ж, 3в, 6б

1640

182

54,5

16,5

1403,5

292

1д, 1е, 3а

1470

182

54,5

16,5

1233,5

292

2а, 9б

1720

218

57,8

19,8

1444,2

292

1550

209

57

19

1284

292

2в, 8в

1570

218

57,8

19,8

1294,2

292

2080

255

61,1

23,1

1763,9

292

1280

182

54,5

16,5

1043,5

292

1670

182

54,5

16,5

1433,5

292

1540

182

54,5

16,5

1303,5

292

1820

182

54,5

16,5

1583,5

292

5а, 6в

1590

182

54,5

16,5

1353,5

292

1840

182

54,5

16,5

1603,5

292

ба

1960

182

54,5

16,5

1723,5

292

7

1500

209

57

19

1234

292

8а, 8б, 11,12б

1690

209

57

19

1424

292

1870

209

57

19

1604

292

8д, 9а, 12г

1750

218

57,8

19,8

1474,2

292

2830

218

57,8

19,8

2554,2

292

2000

218

57,8

19,8

1724,2

292

10а

1800

237

59,5

21,4

1503,5

292

10б

2160

237

59,5

21,4

1863,5

292

10в

2040

237

59,5

21,4

1743,5

292

12а

1460

209

57

19

1194

292

12в

1800

209

57

19

1534

292

12д

1470

218

57,8

19,8

1194,2

292

12е

1980

218

57,8

19,8

1704,2

292

е) отделочные работы

1а-1г

872

431

34,1

19,2

406,9

702

1д, 1е, 3а, 4б, 5б

883

431

34,1

19,2

417,9

702

1ж, 3в

852

431

34,1

19,2

386,9

702

991

517

38

23,1

436

702

2б, 11б-11е, 12б

1030

495

37

22,1

498

702

2в, 8в, 8е, 9а, 9в, 12г, 12д

1060

517

38

23,1

505

702

1170

603

41,8

26,9

525,2

702

892

431

34,1

19,2

426,9

702

817

431

34,1

19,2

351,9

702

922

431

34,1

19,2

456,9

702

904

431

34,1

19,2

438,9

702

6

934

431

34,1

19,2

468,9

702

7а-8а

955

495

37

22,1

423

702

928

495

37

22,1

396

702

1060

495

37

22,1

528

702

8д, 9б

1020

517

38

23,1

465

702

10а

1230

560

39,9

25

630,1

702

10б

1110

560

39,9

25

510,1

702

10в

1060

560

39,9

25

460,1

702

11а, 12в

1020

495

37

22,1

488

702

12а

984

495

37

22,1

452

702

12е

1080

517

38

23,1

525

702

II. МОНТАЖ МЕТАЛЛОКОНСТРУКЦИЙ

1, 3-5

729

13,2

19,1

6,53

696,7

20,6

2а, 2в, 8в, 8д, 8е, 12г-12е

742

15,8

20,4

7,84

705,8

20,6

2б, 8а, 8б, 8г, 12а-12в

741

15,2

20

7,51

705,8

20,6

754

18,4

21,7

9,14

713,9

20,6

6

743

13,2

19,1

6,53

710,7

20,6

7, 11

733

15,2

20

7,51

697,8

20,6

9

763

15,8

20,4

7,84

726,8

20,6

10

828

17,1

21

8,49

789,9

20,6

III. ВНУТРЕННИЕ САНИТАРНО-ТЕХНИЧЕСКИЕ УСТРОЙСТВА

1. Санитарно-технические работы

1, 3-6

186

25,4

2,14

0,44

158,46

40,6

2а, 2в, 8в, 8д, 9, 12г, 12д

193

30,5

2,23

0,53

160,27

40,6

2б, 7а-8б, 8г, 11а-12в

191

29,2

2,21

0,51

159,59

40,6

202

35,6

2,32

0,62

164,08

40,6

209

30,5

2,23

0,53

176,27

40,6

10

200

33,1

2,27

0,58

164,63

40,6

12е

196

30,5

2,23

0,53

163,27

40,6

В том числе:

а) холодное водоснабжение, канализация

1, 3-6

82,1

12,9

0,76

0,08

68,44

21,3

2а, 2в, 8в, 8д, 9, 12г-12е

85,8

15,5

0,78

0,09

69,53

21,3

26, 7а-8б, 8г, 11а-12в

85,2

14,8

0,77

0,09

69,63

21,3

88

18,1

0,79

0,11

69,11

21,3

89,2

15,5

0,78

0,09

72,93

21,3

10

87,5

16,8

0,78

0,1

69,92

21,3

б) вентиляция

1, 3-6

103

12,5

1,38

0,37

89,12

19,3

2а, 2в, 8в, 8д, 9, 12г, 12д

107

15

1,45

0,44

90,55

19,3

26, 8а, 86, 8г, 11а-12в

107

14,4

1,44

0,42

91,16

19,3

114

17,5

1,53

0,51

94,97

19,3

7

105

14,4

1,44

0,42

89,16

19,3

119

15

1,45

0,44

102,55

19,3

10

112

16,3

1,49

0,48

94,21

19,3

12е

111

15

1,45

0,44

94,55

19,3

2. Строительные работы, сопутствующие санитарно-техническим

1, 3-6

22

16,7

0,02

0,01

5,27

29,2

2а, 2в, 8в, 8д, 9, 12г, 12д

23

20

0,02

0,01

6,09

29,2

2б, 7а-8б, 8г, 11а-12в

24

18,5

0,02

0,01

6,03

29,2

25

23,4

0,02

0,01

6,65

29,2

8e

25

20

0,02

0,01

8,2

29,2

10

24

21,8

0,02

0,01

7,0

29,2

12e

23

20

0,02

0,01

6,9

29,2

IV. ЭЛЕКТРОМОНТАЖНЫЕ РАБОТЫ

1, 3-6

4540

1660

388

144

2492

2930

2а, 2в, 8в, 8д, 9 12г, 12д

4950

2000

416

173

2534

2930

2б, 8а, 8e, 8г, 11а-12в

4860

1920

409

166

2531

2930

5430

2330

445

202

2655

2930

7

4810

1920

409

166

2481

2930

5170

2000

416

173

2754

2930

10

5240

2160

431

188

2649

2930

12е

5060

2000

416

173

2644

2930

В том числе

а) электроосвещение

1, 3-6

768

212

77,2

29

468,8

374

2а, 2в, 8в, 8д, 9,12г, 12д

811

254

83

34,9

474

374

2б, 8а, 8б, 8г, 11а-12в

799

243

81,5

33,4

474,5

374

889

296

88,8

40,7

504,7

374

7

792

243

81,5

33,4

467,5

374

874

254

83

34,9

537

374

10

865

275

85,9

37,8

504,1

374

12е

846

254

83

34,9

509

374

б) монтаж электросилового оборудования

1, 3-6

3000

1190

253

94

1557

2090

2а, 2в, 8в, 8д, 9, 12г-12е

3300

1420

272

113

1608

2090

2б, 8а, 8б, 8г, 11а-12в

3220

1360

267

108

1593

2090

3600

1660

290

132

1650

2090

7

3190

1360

267

108

1563

2090

3390

1420

272

113

1698

2090

10

3470

1540

281

122

1649

2090

в) электроотопление

1, 3-6

405

160

34,2

12,7

210,8

282

2а, 2в, 8в, 8д, 9, 12г-12е

446

192

36,7

15,2

217,3

282

2б, 8а, 8б, 8г, 11а-12в

435

184

36,1

14,6

214,9

282

487

224

39,2

17,8

223,8

282

7

431

184

36,1

14,6

210,9

282

8e

458

192

36,7

15,2

229,3

282

10

469

208

38

16,5

223

282

г) слаботочные устройства

(телефонизация и радиофикация)

1, 3-6

385

107

23,5

8,84

254,5

189

2а, 2в, 8в, 8д, 9, 12г, 12д

410

129

25,3

10,6

255,7

189

2б, 8а, 8б, 8г, 11а-12в

405

123

24,8

10,2

257,2

189

450

150

27

12,4

273

189

7

401

123

24,8

10,2

253,2

189

444

129

25,3

10,6

289,7

189

10

438

140

26,1

11,5

271,9

189

12е

429

129

25,3

10,6

274,7

189

РАЙОННАЯ ЦЕНА № 5

Двухагрегатная тяговая подстанция для электроснабжения трамваев и троллейбусов мощностью 2400/1200 кВт (децентрализованная система), стены кирпичные, вариант 2 (типовой проект 507-46)

Измеритель - 1 подстанция

Районы

Прямые затраты, руб.

В том числе, руб.

Затраты труда рабочих, чел.-ч

основная заработная плата рабочих

эксплуатация машин

материальные ресурсы

всего

в том числе заработная плата рабочих, обслуживающих машины

1

2

3

4

5

6

7

I. СТРОИТЕЛЬНЫЕ РАБОТЫ

1. Подземная часть

1а, 3б

11200

854

681

247

9665

1490

1б, 1г, 4б, 6а

12000

854

689

247

10457

1490

1в, 5а, 6б

11700

854

681

247

10165

1490

12400

854

689

247

10857

1490

1е, 6в

12700

854

689

247

11157

1490

1ж, 3а

11000

854

668

247

9478

1490

18500

1090

950

373

16460

1590

14400

982

746

283

12672

1490

21800

1090

950

373

19760

1590

14600

1190

825

347

12585

1490

3в-4а

11400

854

681

247

9865

1490

13300

854

713

247

11733

1490

12100

982

725

283

10393

1590

7б, 7г

15000

1040

907

355

13053

1590

12400

982

737

283

10681

1490

8а, 8б

15800

1040

907

355

13853

1590

8в, 9а

17400

1090

943

373

15367

1590

18800

1040

921

355

16839

1590

15600

1090

935

373

13575

1590

17900

1090

950

373

15860

1590

15100

1090

935

373

13075

1590

19200

1090

950

373

17160

1590

10а

14000

1110

773

322

12117

1490

10б

19900

1180

967

404

17753

1590

10в

20900

1180

967

404

18753

1590

11а

16600

982

746

283

14872

1490

11б

13400

982

725

283

11693

1490

11в

13100

982

725

283

11393

1490

11г, 12б, 12в

12700

982

717

283

11001

1490

11д

16400

1040

907

355

14453

1590

11е

16800

1040

907

355

14853

1590

12a

11400

982

710

283

9708

1490

12г

12600

1020

727

297

10853

1490

12д

14900

1020

727

297

13153

1490

12e

13400

1020

760

297

11620

1490

В том числе:

а) земляные работы

1a-1e, 3в, 3г, 4б, 5а, 6а, 6в

477

89

388

145

-

143

1ж, 3б, 4а, 6б

462

89

373

145

-

143

2а, 2в, 8е, 9а, 9в

598

123

475

187

-

170

2б, 11а

532

102

430

166

-

143

608

122

484

204

-

143

450

89

361

145

-

143

502

90

412

145

-

143

7а, 11б-11г, 12б

511

102

409

166

-

143

7б, 7г-8б, 11д, 11е

558

118

440

177

-

170

523

102

421

166

-

143

8в, 8д, 9б

584

124

460

187

-

170

572

118

454

177

-

170

10а

557

115

442

190

-

143

10б, 10в

609

133

476

203

-

170

12a, 12в

496

102

394

166

-

143

12г, 12д

512

106

406

175

-

143

12e

546

107

439

175

-

143

б) фундаменты

1а, 3в

7160

282

244

83,9

6634

507

1б, 1г

7820

282

244

83,9

7294

507

1в, 4а

7390

282

244

83,9

6864

507

8090

282

244

83,9

7564

507

7980

282

244

83,9

7454

507

1ж, 3а, 3в, 3г

6970

282

244

83,9

6444

507

13400

388

415

164

12597

578

9010

324

257

96,5

8429

507

16500

388

415

164

15697

578

9320

395

278

118

8647

507

4б, 5а, 6а

7510

282

244

83,9

6984

507

8780

282

244

83,9

8254

507

7320

282

244

83,9

6794

507

8400

282

244

83,9

7874

507

7а, 7в

7750

324

257

96,5

7169

507

7б, 7г

10700

371

408

157

9921

578

11300

371

408

157

10521

578

11100

371

408

157

10321

578

8в, 8е

12800

388

415

164

11997

578

13400

371

408

157

12621

578

11400

388

415

164

10597

578

12400

388

415

164

11597

578

10600

388

415

164

9797

578

14600

388

415

164

13797

578

10а

8880

366

269

109

8245

507

10б

14800

420

428

178

13952

578

10в

15800

420

428

178

14952

578

11а

11700

324

257

96,5

11119

507

11б

8860

324

257

96,5

8279

507

11в

8440

324

257

96,5

7859

507

11г, 12в

8260

324

257

96,5

7679

507

11д

11800

371

408

157

11021

578

11е

12100

371

408

157

11321

578

12а

7210

324

257

96,5

6629

507

12б

8560

324

257

96,5

7979

507

12г

8200

338

261

101

7601

507

12д

10300

338

261

101

9701

507

12е

8720

338

261

101

8121

507

2. Надземная часть

1а, 3в

13100

1640

387

130

11073

2820

1б, 4б, 5a

13400

1640

387

130

11373

2820

1в, 1г, 6б

13800

1640

387

130

11773

2820

1д, 3г

14000

1640

387

130

11973

2820

1е, 5б

15800

1640

387

130

13773

2820

1ж, 3а, 3б

12600

1640

386

130

10574

2820

2а, 9в

16800

1970

417

158

14413

2830

2б, 8г

17300

1880

408

150

15012

2830

18500

1970

417

158

16113

2830

16500

2290

439

182

13771

2820

12800

1640

386

130

10774

2820

6а, 6в

14200

1640

386

130

12174

2820

14400

1880

407

150

12113

2820

13800

1880

410

151

11510

2830

7в, 11г

14800

1880

407

150

12513

2820

14400

1880

410

151

11710

2830

8а, 11б, 11в, 11д, 12в

15200

1880

408

150

12912

2830

15000

1880

410

151

12710

2830

15600

1970

417

158

13213

2830

13800

1970

417

158

11413

2830

16300

1970

417

158

13913

2830

16600

1970

417

158

14213

2830

9б, 12г

14500

1960

414

157

12126

2830

10а

17200

2130

426

169

14644

2820

10б

17800

2130

430

171

15240

2830

10в

18400

2130

430

171

15840

2830

11а

17900

1880

407

150

15613

2820

11е

15700

1880

410

151

13410

2830

12а

13500

1880

406

149

11214

2820

12б

14200

1880

406

149

11914

2820

12д

15100

1960

412

156

12728

2820

12е

15400

1960

412

156

13028

2820

II. МОНТАЖ МЕТАЛЛОКОНСТРУКЦИЙ

1, 3-5

729

13,2

19,1

6,53

696,7

20,6

2а, 2в, 8в, 8д, 8е, 12г-12е

742

15,8

20,4

7,84

705,8

20,6

2б, 8а, 8б, 8г, 12а-12в

741

15,2

20

7,51

705,8

20,6

754

18,4

21,7

9,14

713,9

20,6

6

743

13,2

19,1

6,53

710,7

20,6

7, 11

733

15,2

20

7,51

697,8

20,6

9

763

15,8

20,4

7,84

726,8

20,6

10

828

17,1

21

8,49

789,9

20,6

III. ВНУТРЕННИЕ САНИТАРНО-ТЕХНИЧЕСКИЕ УСТРОЙСТВА

1. Санитарно-технические работы

1, 3-6

186

25,4

2,14

0,44

158,46

40,6

2а, 2в, 8в, 8д, 9, 12г, 12д

193

30,5

2,23

0,53

160,27

40,6

2б, 7а-8б, 8г, 11а-12в

191

29,2

2,21

0,51

159,59

40,6

202

35,6

2,32

0,62

164,08

40,6

209

30,5

2,23

0,53

176,27

40,6

10

200

33,1

2,27

0,58

164,63

40,6

12е

196

30,5

2,23

0,53

163,27

40,6

2. Строительные работы, сопутствующие санитарно-техническим

1, 3-6

22

16,7

0,02

0,01

5,27

29,2

2а, 2в, 8в, 8д, 9, 12г, 12д

23

20

0,02

0,01

6,09

29,2

2б, 7а-8б, 8г, 11а-12в

24

18,5

0,02

0,01

6,03

29,2

25

23,4

0,02

0,01

6,65

29,2

25

20

0,02

0,01

8,2

29,2

10

24

21,8

0,02

0,01

7,0

29,2

12е

23

20

0,02

0,01

6,9

29,2

III. ЭЛЕКТРОМОНТАЖНЫЕ РАБОТЫ

1, 3-6

4720

1740

401

150

2579

3070

2а, 2в, 8в, 8д, 9, 12г, 12д

5150

2090

431

180

2629

3070

2б, 8а, 8б, 8г, 11а-12в

5050

2000

424

172

2626

3070

5640

2440

461

210

2739

3070

7

5000

2000

424

172

2576

3070

5370

2090

431

180

2849

3070

10

5450

2260

446

194

2744

3070

12е

5250

2090

431

180

2729

3070

В том числе:

а) электроосвещение

1, 3-6

695

194

70,8

26,6

430,2

342

2а, 2в, 8в, 8д, 9, 12г, 12д

744

233

76,1

32

434,9

342

2б, 8а, 8б, 8г, 11а-12в

732

223

74,8

30,6

434,2

342

815

272

81,4

37,3

461,6

342

7

726

223

74,8

30,6

428,2

342

801

233

76,1

32

491,9

342

10

793

252

78,8

34,6

462,2

342

12е

776

233

76,1

32

466,9

342

б) монтаж электросилового оборудования

1, 3-6

3380

1340

286

106

1754

2360

2а, 2в, 8в,9 12г-12е

3730

1610

307

127

1813

2360

2б, 8а, 8б, 8г, 11а-12в

3640

1540

302

122

1798

2360

4070

1880

328

149

1862

2360

3600

1540

302

122

1758

2360

3830

1610

307

127

1913

2360

10

3920

1740

317

138

1863

2360

в) электроотопление

1, 3-6

255

101

21,5

8

132,5

178

2а, 2в, 8в, 8д, 9, 12г-12е

281

121

23,1

9,6

136,9

178

2б, 8а, 8б, 8г, 11а-12в

274

116

22,7

9,2

135,3

178

307

141

24,7

11,2

141,3

178

7

272

116

22,7

9,2

133,3

178

289

121

23,1

9,6

144,9

178

10

296

131

23,9

10,4

141,1

178

г) слаботочные устройства

(телефонизация и радиофикация)

1, 3-6

385

107

23,5

8,84

254,5

189

2а, 2в, 8в, 8д, 9, 12г, 12д

410

129

25,3

10,6

255,7

189

2б, 8а, 8б, 8г, 11а-12в

405

123

24,8

10,2

257,2

189

450

150

27

12,4

273

189

7

401

123

24,8

10,2

253,2

189

444

129

25,3

10,6

289,7

189

10

438

140

26,1

11,5

271,9

189

12е

429

129

25,3

10,6

274,7

189

Примечание. Затраты по конструктивным элементам надземной части, а также по видам санитарно-технических работ следует принимать по аналогичным видам работ цены № 4.

3. ЧЕТЫРЕХАГРЕГАТНАЯ ТЯГОВАЯ ПОДСТАНЦИЯ ДЛЯ ЭЛЕКТРОСНАБЖЕНИЯ ТРАМВАЕВ И ТРОЛЛЕЙБУСОВ

Рис. 4. Тяговая подстанция мощностью 2400 кВт. Типовой проект 507-21/72 (к цене № 6)

1 - трансформаторная камера; 2 - помещение РУ; 3 - помещение отрицательной шины, 4 - помещение кремниевых выпрямителей; 5 - подсобное помещение и санузел

РАЙОННАЯ ЦЕНА № 6

Четырехагрегатная тяговая подстанция для электроснабжения трамваев и троллейбусов мощностью 2400 кВт, стены кирпичные (типовой проект 507-21/72)

Измеритель - 1 подстанция

Районы

Прямые затраты руб.

В том числе, руб.

Затраты труда рабочих, чел -ч

основная заработная плата рабочих

эксплуатация машин

материальные ресурсы

всего

в том числе заработная плата рабочих, обслуживающих машины

1

2

3

4

5

6

7

I. СТРОИТЕЛЬНЫЕ РАБОТЫ

1. Подземная часть

1а, 1ж, 3б

8610

691

611

225

7308

1200

1б, 4б

9360

691

615

225

8054

1200

1в, 3г, 5а, 6а, 6б

9050

691

611

225

7748

1200

9290

691

615

225

7984

1200

9710

691

615

225

8404

1200

10000

691

615

225

8694

1200

11300

830

674

270

9796

1200

2б, 8г

11000

795

658

258

9547

1200

13400

830

674

270

11896

1200

11000

968

728

316

9304

1200

8480

691

599

225

7190

1200

3в, 4а

8790

691

611

225

7488

1200

10900

691

630

225

9579

1200

9940

691

615

225

8634

1200

7а, 8б

9600

795

648

258

8157

1200

7б, 7г

9240

795

648

258

7797

1200

7в, 8а

9860

795

652

258

8413

1200

10700

830

666

270

9204

1200

9450

830

666

270

7954

1200

8е, 12е

10300

830

674

270

8796

1200

10900

830

674

270

9396

1200

9240

830

666

270

7744

1200

11800

830

674

270

10296

1200

10а

10900

899

689

293

9312

1200

10б

12200

899

689

293

10612

1200

10в

13000

899

689

293

11412

1200

11а

1350

795

661

258

12044

1200

11б

10600

795

648

258

9157

1200

11в, 12б

10300

795

648

258

8857

1200

11г

9980

795

648

258

8537

1200

11д, 12в

10100

795

644

258

8661

1200

11е

10400

795

648

258

8957

1200

12а

8950

795

639

258

7516

1200

12г

9960

830

653

270

8477

1200

12д

12300

830

653

270

10817

1200

В том числе:

а) земляные работы

1а-1е, 3в, 3г, 4б, 5а, 6а, 6в

427

183

244

90,7

-

305

1ж, 3б, 4а, 6б

418

183

235

90,7

-

305

2а, 2в, 8е, 9а, 9в, 12е

495

220

275

109

-

305

2б, 11а

481

211

270

104

-

305

560

256

304

128

-

305

411

183

228

90,7

-

305

442

183

259

90,7

-

305

7а, 7б, 7г-8б, 11б-11e, 12б

468

211

257

104

-

305

7в, 8г

475

211

264

104

-

305

8в, 8д, 9б

488

220

268

109

-

305

10

516

238

278

118

-

305

12а, 12в

458

211

247

104

-

305

12г, 12д

475

220

255

109

-

305

б) фундаменты

1a, 3б, 3в

5880

203

332

118

5345

361

6600

203

332

118

6065

361

1в, 5а

6250

203

332

118

5715

361

6490

203

332

118

5955

361

1д, 1е

6830

203

332

118

6295

361

5970

203

332

118

5435

361

7900

244

356

142

7300

361

2б, 8г, 11е, 12б

7300

234

350

136

6716

361

9770

244

356

142

9170

361

7530

284

380

166

6866

361

5810

203

332

118

5275

361

3г, 4а, 6а, 6б

6100

203

332

118

5565

361

6360

203

332

118

5825

361

7800

203

332

118

7265

361

7010

203

332

118

6475

361

7а, 8б

6560

234

350

136

5976

361

7б, 7г

6380

234

350

136

5796

361

7в, 8а

6780

234

350

136

6196

361

8в, 9а

7430

244

356

142

6830

361

6580

244

356

142

5980

361

6820

244

356

142

6220

361

6210

244

356

142

5610

361

8600

244

356

142

8000

361

10а

7300

264

368

154

6668

361

10б

8720

264

368

154

8088

361

10в

9450

264

368

154

8818

361

11а

10100

234

350

136

9516

361

11б

7520

234

350

136

6936

361

11в, 12в

7120

234

350

136

6536

361

11г

6920

234

350

136

6336

361

11д

7010

234

350

136

6426

361

12а

6100

234

350

136

5516

361

12г

6950

244

356

142

6350

361

12д

9100

244

356

142

8500

361

12е

7080

244

356

142

6480

361

2. Надземная часть

1а, 1ж, 3б, 3в, 4а

24400

2600

613

211

21187

4530

25200

2600

613

211

21987

4530

1в-1д, 5а, 6а, 6б

26100

2600

613

211

22887

4530

30100

2600

613

211

26887

4530

2а, 9в

31200

3120

655

253

27425

4530

33000

2990

644

242

29366

4530

33800

3120

655

253

30025

4530

30300

3640

697

295

25963

4530

24100

2600

613

211

20887

4530

3г, 4б, 6в

27200

2600

613

211

23987

4530

29600

2600

613

211

26387

4530

7а, 12б

26900

2990

644

242

23266

4530

25200

2990

644

242

21566

4530

7в, 8а, 8б, 11г

27600

2990

644

242

23966

4530

7г, 12а

25800

2990

644

242

22166

4530

8в, 12д

28800

3120

655

253

25025

4530

31200

2990

644

242

27566

4530

26300

3120

655

253

22525

4530

27800

3120

655

253

24025

4530

31900

3120

655

253

28125

4530

9б, 12е

28400

3120

655

253

24625

4530

10а, 10б

31700

3380

676

274

27644

4530

10в

32600

3380

676

274

28544

4530

11а

32600

2990

644

242

28966

4530

11б, 11д, 12в

28500

2990

644

242

24866

4530

11в

29000

2990

644

242

25366

4530

11е

29400

2990

644

242

25766

4530

12г

27100

3120

655

253

23325

4530

В том числе:

а) стены наружные

1а, 3в, 4а

7410

639

150

48,4

6621

1100

7720

639

150

48,4

6931

1100

1в, 1д

8350

639

150

48,4

7561

1100

1г, 5а, 6

8040

639

150

48,4

7251

1100

10200

639

150

48,4

9411

1100

7860

639

150

48,4

7071

1100

2а, 9в

9790

767

160

58,1

8863

1100

11400

735

158

55,7

10507

1100

10600

767

160

58,1

9673

1100

9200

895

170

67,8

8135

1100

7100

639

150

48,4

6311

1100

7250

639

150

48,4

6461

1100

9240

639

150

48,4

8451

1100

8750

639

150

48,4

7961

1100

9100

639

150

48,4

8311

1100

7а, 8б, 11г

8190

735

158

55,7

7297

1100

7200

735

158

55,7

6307

1100

7в, 11д

8560

735

158

55,7

7667

1100

7550

735

158

55,7

6657

1100

8090

735

158

55,7

7197

1100

8в, 12е

8720

767

160

58,1

7793

1100

9660

735

158

55,7

8767

1100

8д, 12г

8370

767

160

58,1

7443

1100

8080

767

160

58,1

7153

1100

11000

767

160

58,1

10073

1100

9430

767

160

58,1

8503

1100

10а

9660

831

165

63

8664

1100

10б

9060

831

165

63

8064

1100

10в

9300

831

165

63

8304

1100

11а, 12в

9050

735

158

55,7

8157

1100

11б

8320

735

158

55,7

7427

1100

11в

8730

735

158

55,7

7837

1100

11е

8950

735

158

55,7

8057

1100

12a, 12б

7920

735

158

55,7

7027

1100

12д

9140

767

160

58,1

8213

1100

б) покрытие

1a

3390

116

158

57,5

3116

197

3460

116

158

57,5

3186

197

1в, 1д, 5а

3540

116

158

57,5

3266

197

3650

116

158

57,5

3376

197

3760

116

158

57,5

3486

197

3180

116

158

57,5

2906

197

4260

139

170

69

3951

197

2б, 11в

3800

133

167

66,2

3500

197

5060

139

170

69

4751

197

3960

162

181

80,5

3617

197

3

3110

116

158

57,5

2836

197

4, 6а, 6б

3310

116

158

57,5

3036

197

4300

116

158

57,5

4026

197

3930

116

158

57,5

3656

197

7а, 11г, 12в

3720

133

167

66,2

3420

197

7б, 7в, 8б, 12а

3500

133

167

66,2

3200

197

3650

133

167

66,2

3350

197

8а, 11д, 11е

3860

133

167

66,2

3560

197

4010

139

170

69

3701

197

8г, 12б

3980

133

167

66,2

3680

197

3690

139

170

69

3381

197

8е-9б, 12д, 12е

3810

139

170

69

3501

197

4930

139

170

69

4621

197

10а

4180

151

175

74,8

3854

197

10б

4780

151

175

74,8

4454

197

10в

5120

151

175

74,8

4794

197

11а

5510

133

167

66,2

5210

197

11б

4060

133

167

66,2

3760

197

12г

3620

139

170

69

3311

197

в) кровля

1a, 6а, 6б

3480

367

64,6

19,4

3048,4

646

1б, 1в

3530

367

64,6

19,4

3098,4

646

1г, 1е, 6в

3660

367

64,6

19,4

3228,4

646

1д, 5а

3570

367

64,6

19,4

3138,4

646

1ж, 3а-3в

3310

367

64,6

19,4

2878,4

646

2а, 8е

4140

441

68,5

23,3

3630,5

646

2б, 8б

3790

422

67,5

22,3

3300,5

646

4600

441

68,5

23,3

4090,5

646

4010

514

72,4

27,1

3423,6

646

3280

367

64,6

19,4

2848,4

646

4

3400

367

64,6

19,4

2968,4

646

4060

367

64,6

19,4

3628,4

646

7а, 7г, 12в

3720

422

67,5

22,3

3230,5

646

7б, 12а

3680

422

67,5

22,3

3190,5

646

3630

422

67,5

22,3

3140,5

646

8а, 11в

3920

422

67,5

22,3

3430,5

646

8в, 9б

4000

441

68,5

23,3

3490,5

646

8г, 11д, 11е

3990

422

67,5

22,3

3500,5

646

8д, 12е

3820

441

68,5

23,3

3310,5

646

3920

441

68,5

23,3

3410,5

646

4730

441

68,5

23,3

4220,5

646

10а

4440

478

70,4

25,2

3891,6

646

10б

4570

478

70,4

25,2

4021,6

646

10в

4930

478

70,4

25,2

4381,6

646

11а

4940

422

67,5

22,3

4450,5

646

11б

4120

422

67,5

22,3

3630,5

646

11г, 12б

3880

422

67,5

22,3

3390,5

646

12г, 12д

3700

441

68,5

23,3

3190,5

646

г) полы

1а, 1б, 3б, 5б, 6а, 6в

1050

171

22

6,56

857

310

1в, 3а

1030

171

22

6,56

837

310

1160

171

22

6,56

967

310

1д, 1е

1100

171

22

6,56

907

310

1ж, 3в, 3г

989

171

22

6,56

796

310

2а, 9в, 12е

1280

205

23,4

7,87

1051,6

310

1230

197

23

7,54

1010

310

1240

205

23,4

7,87

1011,6

310

1400

239

24,7

9,18

1136,3

310

1200

171

22

6,56

1007

310

1240

171

22

6,56

1047

310

1110

171

22

6,56

917

310

1070

171

22

6,56

877

310

7а, 7б

1150

197

23

7,54

930

310

1110

197

23

7,54

890

310

7г, 12а

1130

197

23

7,54

910

310

8а, 8б

1260

197

23

7,54

1040

310

8в, 8е

1350

205

23,4

7,87

1121,6

310

8г, 11б, 11в

1400

197

23

7,54

1180

310

1200

205

23,4

7,87

971,6

310

1270

205

23,4

7,87

1041,6

310

1260

205

23,4

7,87

1031,6

310

10а

1450

222

24

8,53

1204

310

10б

1350

222

24

8,53

1104

310

10в

1290

222

24

8,53

1044

310

11а, 11г-11e

1360

197

23

7,54

1140

310

12б, 12в

1200

197

23

7,54

980

310

12г

1220

205

23,4

7,87

991,6

310

12д

1160

205

23,4

7,87

931,6

310

д) проемы

1а-1в

1600

89,7

17,7

5,51

1492,6

156

1г, 3г, 5а

1680

89,7

17,7

5,51

1572,6

156

1д, 1е

1560

89,7

17,7

5,51

1452,6

156

1650

89,7

17,7

5,51

1542,6

156

1720

108

18,8

6,61

1593,2

156

2б, 7г

1620

103

18,5

6,33

1498,5

156

1630

108

18,8

6,61

1503,2

156

2080

126

19,9

7,71

1934,1

156

3а, 3б

1950

89,7

17,7

5,51

1842,6

156

1730

89,7

17,7

5,51

1622,6

156

1760

89,7

17,7

5,51

1652,6

156

4б, 5б, 6а

1870

89,7

17,7

5,51

1762,6

156

1710

89,7

17,7

5,51

1602,6

156

2200

89,7

17,7

5,51

2092,6

156

7а-7в

1580

103

18,5

6,33

1458,5

156

8а, 8б, 12а

1720

103

18,5

6,33

1598,5

156

 

1670

108

18,8

6,61

1543,2

156

1880

103

18,5

6,33

1758,5

156

8д, 9а, 9б, 12г, 12д

1750

108

18,8

6,61

1623,2

156

2070

108

18,8

6,61

1943,2

156

1920

108

18,8

6,61

1793,2

156

10а

1780

117

19,3

7,16

1643,7

156

10б

2010

117

19,3

7,16

1873,7

156

10в

1940

117

19,3

7,16

1803,7

156

11

1900

103

18,5

6,33

1778,5

156

12б

1950

103

18,5

6,33

1828,5

156

12в

1680

103

18,5

6,33

1558,5

156

12е

1890

108

18,8

6,61

1763,2

156

е) отделочные работы

1а-1г

1290

641

53,7

29,1

595,3

1070

1д, 1е, 3а

1310

641

53,7

29,1

615,3

1070

3б, 5б, 1ж, 3в

1260

641

53,7

29,1

565,3

1070

1470

769

59,5

34,9

641,5

1070

1540

737

58

33,4

745

1070

2в, 8в, 8е, 9а, 9в, 12е

1570

769

59,5

34,9

741,5

1070

1750

897

65,3

40,7

787,7

1070

1200

641

53,7

29,1

505,3

1070

1360

641

53,7

29,1

665,3

1070

1340

641

53,7

29,1

645,3

1070

6

1380

641

53,7

29,1

685,3

1070

7а-8а, 12а

1410

737

58

33,4

615

1070

1370

737

58

33,4

575

1070

1580

737

58

33,4

785

1070

8д, 9б, 12г, 12д

1510

769

59,5

34,9

681,5

1070

10а

1840

833

62,4

37,8

944,6

1070

10б

1660

833

62,4

37,8

764,6

1070

10в

1560

833

62,4

37,8

664,6

1070

11

1520

737

58

33,4

725

1070

12б, 12в

1460

737

58

33,4

665

1070

II. МОНТАЖ МЕТАЛЛОКОНСТРУКЦИЙ

1, 3-5

3550

250

91,4

28,8

3208,6

416

2а, 2в, 8в, 8д, 8е, 12г-12е

3660

300

97,2

34,5

3262,8

416

2б, 8а, 8б, 8г, 12а-12в

3630

287

95,7

33,1

3247,3

416

3760

350

103

40,3

3307

416

6

3620

250

91,4

28,8

3278,6

416

7, 11

3590

287

95,7

33,1

3207,3

416

9

3750

300

97,2

34,5

3352,8

416

10

4100

325

100

37,4

3675

416

III. ВНУТРЕННИЕ САНИТАРНО-ТЕХНИЧЕСКИЕ УСТРОЙСТВА

1. Санитарно-технические работы

1, 3-6, 2а, 2в, 8в

809

73,4

3,78

1,45

731,82

108

8д, 9, 12г-12е

835

88

4,07

1,74

742,93

108

2б, 7а-8б, 8г 11а-12в

825

84,4

4

1,67

736,6

108

872

103

4,36

2,03

764,64

108

882

88

4,07

1,74

789,93

108

10

860

95,4

4,22

1,88

760,38

108

В том числе:

а) холодное водоснабжение и канализация

1

156

15,5

1,4

0,26

139,1

25

2а, 2в, 8в, 8д, 9, 12г, 12д

163

18,6

1,45

0,31

142,95

25

2б, 7а-8б, 8г

160

17,9

1,44

0,3

140,66

25

170

21,8

1,5

0,36

146,7

25

3-6

159

15,5

1,4

0,26

142,1

25

173

18,6

1,45

0,31

152,95

25

10

169

20,2

1,48

0,34

147,32

25

11

167

17,9

1,44

0,3

147,66

25

12а-12в

163

17,9

1,44

0,3

143,66

25

12е

168

18,6

1,45

0,31

147,95

25

в) вентиляция

1, 3-6

651

57,8

2,38

1,19

590,82

83,.4

2а, 2в, 8в, 8д, 9, 12г-12е

670

69,4

2,62

1,43

597,98

83,4

2б, 7а-8б, 8г, 11а-12в

661

66,5

2,56

1,37

591,94

83,4

703

80,9

2,86

1,67

619,24

83,4

709

69,4

2,62

1,43

636,98

83,4

10

691

75,2

2,74

1,55

613,06

83,4

2. Строительные работы, сопутствующие санитарно-техническим

1, 3-6

117

89,4

-

-

27,6

156

2а, 2в, 8в, 8д, 9, 12г, 12д

139

107

-

-

32

156

2б, 7а-8б, 8г, 11а-12в

134

103

-

-

31

156

160

125

-

-

35

156

150

107

-

-

43

156

10

153

116

-

-

37

156

12е

143

107

-

-

36

156

IV. ЭЛЕКТРОМОНТАЖНЫЕ РАБОТЫ

1, 3-6

11700

4560

981

365

6159

8020

2а, 2в, 8в, 8д, 9, 12г, 12д

12800

5470

1050

438

6280

8020

2б, 8а, 8б, 8г, 11а-12в

12600

5240

1040

420

6320

8020

14100

6380

1130

511

6590

8020

7

12500

5240

1040

420

6220

8020

13300

5470

1050

438

6780

8020

10

13600

5930

1090

474

6580

8020

12е

13000

5470

1050

438

6480

8020

В том числе:

а) электроосвещение

1, 3-6

207

57,9

21,1

7,94

128

102

2а, 2в, 8в, 8д, 9, 12г, 12д

222

69,5

22,7

9,53

129,8

102

2б, 8а, 8б, 8г, 11а-12в

218

66,6

22,3

9,14

129,1

102

243

81

24,3

11,1

137,7

102

7

217

66,6

22,3

9,14

128,1

102

239

69,5

22,7

9,53

146,8

102

10

236

75,2

23,5

10,3

137,3

102

12е

231

69,5

22,7

9,53

138,8

102

б) монтаж электросилового оборудования

1, 3-6

10900

4310

918

341

5672

7580

2а, 2в, 8в, 8д, 9, 12г-12е

12000

5170

987

410

5843

7580

2б, 8а, 8б, 8г, 11а-12в

11700

4960

970

393

5770

7580

13100

6030

1060

478

6010

7580

7

11600

4960

970

393

5670

7580

12300

5170

987

418

6143

7580

10

12600

5600

1020

444

5980

7580

в) электроотопление

1, 3-6

121

47,9

10,2

3,8

62,9

84,4

2а, 2в, 8в, 8д, 9, 12г-12е

133

57,5

11

4,56

64,5

84,4

2б, 8а, 8б, 8г, 11а-12в

130

55,1

10,8

4,37

64,1

84,4

146

67,1

11,7

5,32

67,2

84,4

7

129

55,1

10,8

4,37

63,1

84,4

137

57,5

11

4,56

68,5

84,4

10

140

62,3

11,4

4,94

66,3

84,4

г) слаботочные устройства

(телефонизация и радиофикация)

1, 3-6

514

143

31,4

11,8

339,6

253

2а, 2в, 8в, 8д, 9, 12г, 12д

548

172

33,7

14,2

342,3

253

2б, 8а, 8б, 8г, 11а-12в

540

165

33,1

13,6

341,9

253

601

201

36,1

16,5

363,9

253

7

535

165

33,1

13,6

336,9

253

593

172

33,7

14,2

387,3

253

10

585

186

34,9

15,3

364,1

253

12е

573

172

33,7

14,2

367,3

253

Рис. 5. Тяговая подстанция с диспетчерским пунктом мощностью 4200/2400 кВт. Типовой проект 507-54 (к ценам № 7 и 8)

1 - помещение РУ; 2 - трансформаторная камера; 3 - помещение отрицательной шины; 4 - стоянка на одну машину; 5 - мастерская; 6 - тяговый узел; 7 - бытовые помещения; 8 - кладовые; 9 - машинный зал; 10 - комната начальника района; 11 - контора мастеров; 12 - комната ремонтных бригад; 13 - диспетчерская; 14 - аппаратная; 15 - начальник района

РАЙОННАЯ ЦЕНА № 7

Четырехагрегатная тяговая подстанция с диспетчерским пунктом для электроснабжения трамваев и троллейбусов мощностью 4800/2400 кВт, стены кирпичные, вариант 1 (типовой проект 507-54)

Районы

Прямые затраты, руб.

В том числе, руб.

Затраты труда рабочих, чел.-ч

основная заработная плата рабочих

эксплуатация машин

материальные ресурсы

всего

в том числе заработная плата рабочих, обслуживающих машины

1

2

3

4

5

6

7

I. СТРОИТЕЛЬНЫЕ РАБОТЫ

1. Подземная часть

1а, 1ж, 3б, 3в

14700

979

990

358

12731

1710

1б, 1г

15900

979

999

358

13922

1710

1в, 5а, 6а, 6б

15300

979

990

358

13331

1710

16500

979

999

358

14522

1710

1е, 6в

16800

979

999

358

14822

1710

26800

1170

1390

549

24240

1720

18400

1130

1080

410

16190

1710

32600

1170

1390

549

30040

1720

18900

1370

1190

502

16340

1710

14500

979

964

358

12557

1710

3г, 4а

15100

979

990

358

13131

1710

15700

979

999

358

13722

1710

18200

979

1030

358

16191

1710

16200

1130

1050

410

14020

1710

7б, 7г

21900

1120

1330

523

19450

1720

16500

1130

1070

410

14300

1710

22900

1120

1330

523

20450

1720

22500

1120

1330

523

20050

1720

8в, 9а

25300

1170

1380

549

22750

1720

25800

1120

1350

523

23330

1720

22700

1170

1370

549

20160

1720

24500

1170

1390

549

21940

1720

21700

1170

1370

549

19160

1720

28900

1170

1320

549

26410

1720

10а

18200

1270

1120

466

15810

1710

10б

29500

1270

1420

595

26810

1720

10в

31600

1270

1420

595

28910

1720

11а

22900

1130

1080

410

20690

1710

11б

17800

1130

1050

410

15620

1710

11в, 12б

17300

1130

1050

410

15130

1710

11г, 12в

16900

1130

1040

410

14730

1710

11д

23900

1120

1330

523

21450

1720

11е

24600

1120

1330

523

22150

1720

12а

15500

1130

1030

410

12930

1710

12г

17000

1180

1060

430

14330

1710

12д

21000

1180

1060

430

18330

1710

12е

17800

1180

1100

430

15090

1710

В том числе:

а) земляные работы

1а-1е, 3в, 3г, 4б, 5а, 6а, 6в

560

150

406

150

-

250

1ж, 3б, 4а, 6б

540

150

387

150

-

250

2а, 2в, 8е 9а, 9в

750

214

546

206

-

307

2б, 11а

630

173

457

171

-

250

728

211

517

211

-

250

525

150

375

150

-

250

591

150

441

150

-

250

7а, 11б-11г, 12б

603

173

431

174

-

250

7б, 7г-8б, 11д, 11е

699

206

493

195

-

307

619

173

446

171

-

250

8в, 8д, 9б

735

214

521

206

-

307

720

206

514

195

-

307

10а

663

196

467

196

-

250

10б, 10в

771

232

539

224

-

307

12а, 12в

584

173

411

171

-

250

12г, 12д

608

180

426

181

-

250

12е

648

180

468

181

-

250

б) фундаменты

1а, 1ж, 3в, 3г

10300

421

507

179

9072

739

11500

421

507

179

10572

739

1в, 4а-5а

10800

421

507

179

9872

739

11400

421

507

179

10472

739

11800

421

507

179

10872

739

1e

11600

421

507

179

10672

739

21400

471

760

309

20169

690

12500

485

534

206

11481

739

27000

471

760

309

25769

690

13300

590

579

251

12131

739

3а, 3б

10200

421

507

179

9272

739

13300

421

507

179

12372

739

6а, 6б

10600

421

507

179

9672

739

12200

421

507

179

11,272

739

11400

485

534

206

10381

739

7б, 7г, 8б

17300

451

747

296

16102

690

11600

485

534

206

10581

739

18300

451

747

296

17102

690

20300

471

760

309

19069

690

19800

451

747

296

18602

690

18200

471

760

309

16969

690

18900

471

760

309

17669

690

19800

471

760

309

18569

690

16800

471

760

309

15569

690

24100

471

760

309

22869

690

10а

12600

548

561

233

11491

739

10б

24100

510

786

334

22804

690

10в

26100

510

786

334

24804

690

11а

17500

485

534

206

16481

739

11б

13000

485

534

206

11981

739

11в

12400

485

534

206

11381

739

11г, 12в

12100

485

534

206

11081

739

11д

19000

451

747

296

17802

690

11е

19500

451

747

296

18302

690

12а

10600

485

534

206

9581

739

12б

12800

485

534

206

11781

739

12г

12100

506

543

215

11051

739

12д

15700

506

543

215

14651

739

12е

12400

506

543

215

11351

739

1. Надземная часть

1а, 3в, 4а

35000

5720

1510

504

27770

9630

35700

5720

1510

504

28470

9630

1в, 3г, 5а, 6б

36500

5720

1510

504

29270

9630

1г, 1д, 4б, 6а

36900

5720

1510

504

29670

9630

40500

5720

1510

504

33270

9630

1ж, 3а

33900

5720

1510

504

26670

9630

2а, 9а, 9в

55700

7200

1690

634

46810

10100

44000

6570

1580

580

35850

9630

61200

7200

1690

634

52310

10100

43400

8000

1710

706

33690

9630

34400

5720

1510

504

27170

9630

41400

5720

1510

504

34170

9630

38400

5720

1510

504

31170

9630

7а, 7в

38600

6570

1580

580

30450

9630

45900

6900

1660

608

37340

10100

46800

6900

1660

608

38240

10100

50400

6900

1660

608

41840

10100

49400

6900

1660

608

40840

10100

52200

7200

1690

634

43310

10100

56300

6900

1660

608

47740

10100

46800

7200

1690

634

37910

10100

51300

7200

1690

634

42410

10100

49700

7200

1690

634

40810

10100

10а

45500

7430

1660

655

36410

9630

10б

57800

7800

1740

687

48260

10100

10в

59900

7800

1740

687

50360

10100

11а

48200

6570

1580

580

40050

9630

11б, 11в

41500

6570

1580

580

33350

9630

11г, 12в

40100

6570

1580

580

31950

9630

11д

51600

6900

1660

608

43040

10100

11e

53000

6900

1660

608

44440

10100

12а

37500

6570

1580

580

29350

9630

12б

39600

6570

1580

580

31450

9630

12г

39000

6860

1610

605

30530

9630

12д

41400

6860

1610

605

32930

9630

12е

41000

6860

1610

605

32530

9630

В том числе:

а) стены наружные

1а, 3б, 4а

5090

554

130

42,6

4406

979

1б, 1ж

5320

554

130

42,6

4636

979

1в, 1д

5690

554

130

42,6

5006

979

1г, 5а

5470

554

130

42,6

4786

979

6930

554

130

42,6

4786

979

12900

1000

208

75,4

11692

1470

7770

638

137

49

6995

979

2в, 9а

14100

1000

208

75,4

12892

1470

6370

776

148

59,7

5446

979

4950

554

130

42,6

4266

979

5240

554

130

42,6

4556

979

3г, 5б

6300

554

130

42,6

5616

979

6020

554

130

42,6

5336

979

6

5580

554

130

42,6

4896

979

7а, 11г

5720

638

137

49

4945

979

9740

960

204

72,2

8576

1470

7в, 11в

6040

638

137

49

5265

979

10000

960

204

72,2

8836

1470

8а, 8б

11000

960

204

72,2

9836

1470

8в, 9б

11500

1000

208

75,4

10292

1470

13000

960

204

72,2

11836

1470

10400

1000

208

75,4

192

1470

10600

1000

208

75,4

9392

1470

12100

1000

208

75,4

10892

1470

10а

6720

721

143

55,4

5856

979

10б

12100

1080

214

81,6

10806

1470

10в

12500

1080

214

81,6

11206

1470

11а

6330

638

137

49

5555

979

11б

5780

638

137

49

5005

979

11д

11300

960

204

72,2

10136

1470

11е

11900

960

204

72,2

10736

1470

12а, 12б

5460

638

137

49

4685

979

12в

6230

638

137

49

5455

979

12г

5770

665

139

51,2

4966

979

12д

6330

665

139

51,2

5526

979

12е

6030

665

139

51,2

5226

979

б) перекрытие

1a

8080

182

228

82,3

7670

306

8210

182

228

82,3

7800

306

1в, 1д, 5а

8430

182

228

82,3

8020

306

8730

182

228

82,3

8320

306

8980

182

228

82,3

8570

306

7540

182

228

82,3

7130

306

10200

218

244

98,7

9738

306

2б, 11в, 12в

8960

209

240

94,6

8511

306

12200

218

244

98,7

11738

306

9400

255

261

115

8884

306

3

7350

182

228

82,3

6940

306

4, 6а, 6б

7830

182

228

82,3

7420

306

10400

182

228

82,3

9990

306

9560

182

228

82,3

9150

306

7а, 7г, 11г

8760

209

240

94,6

8311

306

7б, 8б, 12а

8320

209

240

94,6

7871

306

8240

209

240

94,6

7791

306

8а, 11д, 11е

9210

209

240

94,6

8761

306

9590

218

244

98,7

9128

306

9400

209

240

94,6

8951

306

8730

218

244

98,7

8268

306

8е, 12д

8870

218

244

98,7

8408

306

9а, 9б

9090

218

244

98,7

8628

306

11800

218

244

98,7

11338

306

10а

9880

237

252

107

9391

306

10б

11500

237

252

107

11011

306

10в

12300

237

252

107

11811

306

11а

13300

209

240

94,6

12851

306

11б

9740

209

240

94,6

9291

306

12б

9510

209

240

94,6

9061

306

12г

8580

218

244

98,7

8118

306

12е

9010

218

244

98,7

8548

306

в) кровля

1a, 6a, 6б

3590

298

64,7

19,3

3227,3

528

1б, 1в, 5а

3640

298

64,7

19,3

3277,3

528

1г, 1е

3730

298

64,7

19,3

3367,3

528

3660

298

64,7

19,3

3297,3

528

1ж, 3а-3в

3380

298

64,7

19,3

3017,3

528

4550

358

68,5

23,2

4123,5

528

2б, 11г, 12в

3860

343

67,6

22,2

3449,4

528

5170

358

68,5

23,2

4743,5

528

4040

417

72,4

27,1

3550,6

528

3350

298

64,7

19,3

2987,3

528

4

3520

298

64,7

19,3

3157,3

528

4210

298

64,7

19,3

3847,3

528

3830

298

64,7

19,3

3467,3

528

7а, 12а

3780

343

67,6

22,2

3369,4

528

3990

343

67,6

22,2

3579,4

528

3650

343

67,6

22,2

3239,4

528

7г, 8б, 12б

4050

343

67,6

22,2

3639,4

528

8а, 8г

4300

343

67,6

22,2

3889,4

528

8в, 9б

4380

358

68,5

23,2

3953,5

528

4140

358

68,5

23,2

3713,5

528

4300

358

68,5

23,2

3873,5

528

4250

358

68,5

23,2

3823,5

528

5320

358

68,5

23,2

4893,5

528

10а

4540

387

70,5

25,1

4082,5

528

10б

5070

387

70,5

25,1

4612,5

528

10в

5540

387

70,5

25,1

5082,5

528

11а

5090

343

67,6

22,2

4679,4

528

11б

4130

343

67,6

22,2

3719,4

528

11в

3910

343

67,6

22,2

3499,4

528

11д, 11е

4340

343

67,6

22,2

3929,4

528

12г, 12д

3820

358

68,5

23,2

3393,5

528

12е

3980

358

68,5

23,2

3553,5

528

г) полы

1а, 1б, 3б, 3в

3360

401

68

20,2

2891

712

3340

401

68

20,2

2871

712

3730

401

68

20,2

3261

712

1д, 1е, 4б, 6б

3560

401

68

20,2

3091

712

1ж, 3г

3080

401

68

20,2

2611

712

2а, 8в

4290

482

72,1

24,3

3735,9

712

26

4160

462

71,1

23,3

3626,9

712

4180

482

72,1

24,3

3625,9

712

4420

562

76,1

28,3

3781,9

712

3а, 5б

3270

401

68

20,2

2801

712

4а, 5а

3480

401

68

20,2

3011

712

3630

401

68

20,2

3161

712

3670

401

68

20,2

3201

712

7а-7в

3520

462

71,1

23,3

2986,9

712

3480

462

71,1

23,3

2946,9

712

8а, 12а

3790

462

71,1

23,3

3256,9

712

8б, 12б

3930

462

71,1

23,3

3396,9

712

4910

462

71,1

23,3

4376,9

712

3760

482

72,1

24,3

3205,9

712

4960

482

72,1

24,3

4405,9

712

9а, 9в

3990

482

72,1

24,3

3435,9

712

3870

482

72,1

24,3

3315,9

712

10а

4570

522

74,1

26,3

3973,9

712

10б

4350

522

74,1

26,3

3753,9

712

10в

4250

522

74,1

26,3

3653,9

712

11a-11в

4540

462

71,1

23,3

4006,9

712

11г-11e

4450

462

71,1

23,3

3916,9

712

12в

3640

462

71,1

23,3

3106,9

712

12г

3690

482

72,1

24,3

3135,9

712

12д

3940

482

72,1

24,3

3385,9

712

12e

4110

482

72,1

24,3

3555,9

712

д) проемы

1а-1в, 1д, 1е, 4б

4660

1650

538

161

2472

2650

1г, 1ж, 3г, 4a, 5a

4780

1650

538

161

2592

2650

2а, 8в, 8д, 12д

5180

1980

570

194

2630

2650

5020

1900

562

186

2558

2650

5110

1980

570

194

2560

2650

5970

2310

602

226

3058

2650

3а-3в, 6б, 6в

4840

1650

538

161

2652

2650

4980

1650

538

161

2792

2650

5040

1650

538

161

2852

2650

7

4940

1900

562

186

2478

2650

8а, 8б, 12а

5080

1900

562

186

2618

2650

5270

1900

562

186

2808

2650

6100

1980

570

194

3550

2650

9а, 9б, 12г

5300

1980

570

194

2750

2650

5460

1980

570

194

2910

2650

10а

5650

2150

586

210

2914

2650

10б, 10в

5860

2150

586

210

3124

2650

11, 12б

5370

1900

562

186

2908

2650

12в

5190

1900

562

186

2728

2650

12е

5570

1980

570

194

3020

2650

е) отделочные работы

1a-1г, 1ж, 3а

3430

1840

106

56,3

1484

3040

1д, 1е, 3б, 4б, 5б

3480

1840

106

56,3

1534

3040

3920

2210

117

67,6

1593

3040

2б, 11, 12б, 12в

4030

2120

114

64,8

1796

3040

2в, 8в, 8е, 9а, 9в, 12г, 12д

4150

2210

117

67,6

1823

3040

4620

2580

128

78,9

1912

3040

3380

1840

106

56,3

1434

3040

3260

1840

106

56,3

1314

3040

4а, 6а, 6б

3610

1840

106

56,3

1664

3040

3550

1840

106

56,3

1604

3040

3640

1840

106

56,3

1694

3040

7а-8а

3780

2120

114

64,8

1546

3040

3690

2120

114

64,8

1456

3040

4110

2120

114

64,8

1876

3040

8д, 9б

4020

2210

117

67,6

1693

3040

10а

4770

2390

122

73,2

2258

3040

10б

4380

2390

122

73,2

1868

3040

10в

4190

2390

122

73,2

1678

3040

12а

3940

2120

114

64,8

1706

3040

12е

4300

2210

117

67,6

1973

3040

II. МОНТАЖ МЕТАЛЛОКОНСТРУКЦИЙ

1, 3, 5

3480

148

166

53,4

3166

231

2а, 2в, 8е, 12д, 12е

3560

178

176

64,1

3206

231

3560

170

174

61,4

3216

231

3640

207

187

74,8

3246

231

4

3420

148

166

53,4

3106

231

6

3550

148

166

53,4

3236

231

7а-8б, 8г, 11а-12в

3510

170

174

61,4

3166

231

8в, 8д, 12г

3530

178

176

64,1

3176

231

9

3680

178

176

64,1

3326

231

10

4070

192

182

69,4

3696

231

III. ВНУТРЕННИЕ САНИТАРНО-ТЕХНИЧЕСКИЕ УСТРОЙСТВА

1. Санитарно-технические работы

1

3440

401

49,5

11,2

2989,5

636

2а, 2в, 9

3680

481

51,7

13,4

3147,3

636

26

3660

461

51,2

12,9

3147,8

636

3830

561

54

15,7

3215

636

3-6

3500

401

49,5

11,2

3049,5

636

7а-8б, 8г, 11а-12в

3570

461

51,2

12,9

3057,8

636

8в, 8д, 12г, 12д

3590

481

51,7

13,4

3057,3

636

3890

481

51,7

13,4

3357,3

636

10

4290

521

52,8

14,6

3716,2

636

12e

3760

481

51,7

13,4

3227,3

636

В том числе:

а) холодное водоснабжение, канализация

1, 3-6

494

62,3

4,53

1,04

427,17

103

2а, 2в, 8в, 8д, 9

509

74,8

4,74

1,25

429,46

103

2б, 7а-8б, 8г

505

71,6

4,69

1,2

428,71

103

531

87,2

4,95

1,46

438,85

103

547

74,8

4,74

1,25

467,46

103

10

526

81

4,84

1,35

440,16

103

11а-12в

516

71,6

4,69

1,2

439,71

103

12г-12e

516

74,8

4,74

1,25

436,46

103

б) центральное отопление и вентиляция

1

2950

338

45

10,2

2567

533

2а, 2в, 9

3170

406

47

12,2

2717

533

3150

389

46,5

11,7

2714,5

533

3300

474

49

14,2

2777

533

3-6

3000

338

45

10,2

2617

533

7а-8б, 8г, 11а-12в

3060

389

46,5

11,7

2624,5

533

8в, 8д, 12г, 12д

3080

406

47

12,2

2627

533

3340

406

47

12,2

2887

533

10

3760

440

48

13,2

3272

533

12е

3250

406

47

12,2

2797

533

2. Строительные работы, сопутствующие санитарно-техническим

1, 3-6

413

178

10

2,6

226

310

2а, 2в, 8в, 8д, 9, 12г, 12д

477

214

10

3,12

253

310

2б, 7а-8б, 8г, 11а-12в

453

205

10

3,0

238

310

508

249

10

3,12

249

310

508

214

10

3,12

284

310

10

508

232

10

3,4

266

310

12e

498

214

10

3,12

274

310

IV. ЭЛЕКТРОМОНТАЖНЫЕ РАБОТЫ

1, 3-6

12100

4450

1050

392

6600

7830

2а, 2в, 8в, 8д, 9, 12г, 12д

13200

5340

1130

471

6730

7830

2б, 3а, 8б, 8г, 11а-12в

12900

5120

1110

451

6670

7830

14400

6230

1210

550

6960

7830

7

12800

5120

1110

451

6570

7830

13800

5340

1130

471

7330

7830

10

14000

5780

1170

510

7050

7830

12е

13500

5340

1130

471

7030

7830

В том числе:

а) электроосвещение

1, 3-6

2440

682

249

93,6

1509

1200

2а, 2в, 8в, 8д, 9, 12г, 12д

2610

818

268

112

1524

1200

26,8а, 86, 8г, 11а-12в

2580

784

263

108

1533

1200

2860

955

286

131

1619

1200

7

2550

784

263

108

1503

1200

2820

818

268

112

1734

1200

10

2790

887

277

122

1626

1200

12е

2730

818

268

112

1644

1200

б) монтаж электросилового оборудования

1, 3-6

8880

3510

749

278

4621

6180

2а, 2в, 8в, 8д, 9, 12г-12е

9780

4220

805

334

4755

6180

2б, 8а, 8б, 8г, 11а-12в

9540

4040

791

320

4709

6180

10700

4920

860

390

4920

6180

7

9450

4040

791

320

4619

6180

10000

4220

805

334

4975

6180

10

10300

4570

832

362

4898

6180

в) электроотопление

1, 3-6

312

124

26,4

9,8

161,6

218

2а, 2в, 8в, 8д, 9, 12г-12е

344

148

28,3

11,8

167,7

218

2б, 8а, 8б, 8г, 11а-12в

336

142

27,8

11,3

166,2

218

376

173

30,3

13,7

172,7

218

7

333

142

27,8

11,3

163,2

218

354

148

28,3

11,8

177,7

218

10

362

161

29,3

12,7

171,7

218

г) слаботочные устройства

(телефонизация и радиофикация)

1, 3-6

463

129

28,2

10,6

305,8

228

2а, 2в, 8в, 8д, 9, 12г, 12д

493

155

30,4

12,8

307,6

228

2б, 8а, 8б, 8г, 11а-12в

486

148

29,8

12,2

308,2

228

541

181

32,5

14,9

327,5

228

7

482

148

29,8

12,2

304,2

228

534

155

30,4

12,8

348,6

228

10

527

168

31,4

13,8

327,6

228

12е

516

155

30,4

12,8

330,6

228

РАЙОННАЯ ЦЕНА № 8

Четырехагрегатная тяговая подстанция с диспетчерским пунктом для электроснабжения трамваев и троллейбусов мощностью 4800/2400 кВт, стены кирпичные, вариант 2 (типовой проект 507-54)

Измеритель - 1 подстанция

Районы

Прямые затраты, руб.

В том числе, руб.

Затраты труда рабочих, чел.-ч

основная заработная плата рабочих

эксплуатация машин

материальные ресурсы

всего

в том числе заработная плата рабочих, обслуживающих машины

1

2

3

4

5

6

7

I. СТРОИТЕЛЬНЫЕ РАБОТЫ

1. Подземная часть

1а, 1ж, 3б, 3в

14800

1050

989

358

12761

1820

1б, 1г

16000

1050

998

358

13952

1820

1в, 5а, 6а, 6б

15400

1050

989

358

13361

1820

16600

1050

989

358

14561

1820

1е, 6а

16900

1050

998

358

14852

1820

26800

1260

1390

549

24150

1830

18300

1200

1080

410

16020

1820

32600

1260

1390

549

29950

1830

19100

1470

1190

502

16440

1820

14600

1050

963

358

12587

1820

3г, 4а

15200

1050

989

358

13161

1820

15800

1050

998

358

13752

1820

18200

1050

1030

358

16120

1820

15200

1200

1050

410

13950

1820

7б, 7г

22000

1200

1330

523

19470

1830

16600

1200

1070

410

14330

1820

23200

1200

1330

523

20670

1830

22500

1200

1330

523

19970

1830

8в, 9а

25400

1260

1380

549

22760

1830

25700

1200

1350

523

23150

1830

22800

1260

1370

549

20170

1830

241 500

1260

1390

549

21850

1830

21800

1260

1370

549

19170

1830

30100

1260

1390

549

27450

1830

10а

18200

1360

1120

446

15720

1820

10б

29600

1360

1410

595

26830

1830

10в

31600

1360

1410

595

28830

1830

11а

22900

1200

1080

410

20620

1820

11б

17900

1200

1050

410

15650

1820

11в, 12б

17300

1200

1050

410

15050

1820

11г, 12в

17000

1200

1040

410

14760

1820

11д

24000

1200

1330

523

21470

1830

12а

15200

1200

1030

410

12970

1820

12г

17000

1260

1060

430

14680

1820

12д

20700

1260

1060

430

18380

1820

12е

17400

1260

1100

430

15040

1820

2. Надземная часть

1а, 3в, 4а

35000

5720

1510

504

27770

9630

35700

5720

1510

504

28470

9630

1в, 3г, 5а, 6б

36500

5720

1510

504

29270

9630

1г, 1д, 46,6а

36900

5720

1510

504

29670

9630

40500

5720

1510

504

33270

9630

1ж, 3а

33900

5720

1510

504

26670

9630

2а, 9а, 9в

55700

7200

1690

634

46810

10100

44000

6570

1580

580

35850

9630

61200

7200

1690

634

52310

10100

43400

8000

1710

706

33690

9630

34400

5720

1510

504

27170

9630

41400

5720

1510

504

34170

9630

38400

5720

1510

504

31170

9630

7а, 7в

38600

6570

1580

580

30450

9630

45900

6900

1660

608

37340

10100

46800

6900

1660

608

38240

10100

50400

6900

1660

608

41840

10100

49400

6900

1660

608

40840

10100

52200

7200

1690

634

43310

10100

56300

6900

1660

608

47740

10100

46800

7200

1690

634

37910

10100

51300

7200

1690

634

42410

10100

49700

7200

1690

634

40810

10100

10а

45500

7430

1660

655

36410

9630

10б

57800

7800

1740

687

48260

10100

10в

59900

7800

1740

687

50360

10100

11а

48200

6570

1580

580

40050

9630

11б, 11в

41500

6570

1580

580

33350

9630

11г, 12в

40100

6570

1580

580

31950

9630

11д

51600

6900

1660

608

43040

10100

11e

53000

6900

1660

608

44440

10100

12a

37500

6570

1580

580

29350

9630

12б

39600

6570

1580

580

31450

9630

12г

39000

6860

1610

605

30530

9630

12д

41400

6860

1610

605

32930

9630

12е

41000

6860

1610

605

32530

9630

II. МОНТАЖ МЕТАЛЛОКОНСТРУКЦИЙ

1, 3, 5

3480

148

166

53,4

3166

231

2а, 2в, 8е, 12д, 12е

3560

178

176

64,1

3206

231

3560

170

174

61,4

3216

231

3640

207

187

74,8

3246

231

4

3420

148

166

53,4

3106

231

6

3550

148

166

53,4

3236

231

7а-8б, 8г, 11а-12в

3510

170

174

61,4

3166

231

8в, 8д, 12г

3530

178

176

64,1

3176

231

9

3680

178

176

64,1

3326

231

10

4070

192

182

69,4

3696

231

III. ВНУТРЕННИЕ САНИТАРНО-ТЕХНИЧЕСКИЕ УСТРОЙСТВА

1. Санитарно-технические работы

1

3440

401

49,5

11,2

2989,5

636

2а, 2в, 9

3680

481

51,7

13,4

3147,3

636

3660

461

51,2

12,9

3147,8

636

3830

561

54

15,7

3215

636

3-6

3500

401

49,5

11,2

3049,5

636

7а-8б, 8г, 11а-12в

3570

461

51,2

12,9

3057,8

636

8в, 8д, 12г, 12д

3590

481

51,7

13,4

3057,3

636

3890

481

51,7

13,4

3357,3

636

10

4290

521

52,8

14,6

3716,2

636

12е

3760

481

51,7

13,4

3227,3

636

2. Строительные работы, сопутствующие санитарно-техническим

1, 3-6

413

178

10

2,6

226

310

2а, 2в, 8в, 8д, 9, 12г, 12д

477

214

10

3,12

253

310

26, 7а-8б, 8г, 11а-12в

453

205

10

3

238

310

508

249

10

3,12

249

310

508

214

10

3,12

284

310

10

508

232

10

3,4

266

310

12е

498

214

10

3,12

274

310

IV. ЭЛЕКТРОМОНТАЖНЫЕ РАБОТЫ

1, 3-6

12600

4630

1090

407

6880

8160

2а, 2в, 8в, 8д, 9, 12г, 12д

13700

5560

1170

489

6970

8160

2б, 8а, 8б, 8г, 11а-12в

13400

5330

1150

468

6920

8160

15000

6490

1250

570

7260

8160

7

13300

5330

1150

468

6820

8160

14300

5560

1170

489

7670

8160

10

14500

6020

1210

529

7270

8160

12е

14000

5560

1170

489

7270

8160

В том числе:

а) электроосвещение

1, 3-6

2440

682

249

93,6

1509

1200

2а, 2в, 8в, 8д, 9, 12г, 12д

2610

818

268

112

1524

1200

2б, 8а, 8б, 8г, 11а-12в

2580

784

263

108

1533

1200

2860

955

286

131

1619

1200

7

2550

784

263

108

1503

1200

2820

818

268

112

1734

1200

10

2790

887

277

122

1626

1200

12е

2730

818

268

112

1644

1200

б) монтаж электросилового оборудования

1, 3-6

9340

3700

788

293

4852

6510

2а, 2в, 8в, 8д, 9, 12г-12е

10300

4440

84-7

352

5013

6510

2б, 8а, 8б, 8г, 11а-12в

10000

4250

832

337

4918

6510

11200

5180

906

410

5114

6510

7

9950

4500

832

337

4868

6510

10600

4440

847

352

5313

6510

10

10800

4810

876

381

5114

6510

в) электроотопление

1, 3-6

312

124

26,4

9,8

161,6

218

2а, 2в, 8в, 8д, 9, 12г-12е

344

148

28,3

11,8

167,7

218

2б, 8а, 8б, 8г, 11а-12в

336

142

27,8

11,3

166,2

218

376

173

30,3

13,7

172,7

218

7

333

142

27,8

11,3

163,2

218

354

148

28,3

11,8

177,7

218

10

362

161

29,3

12,7

171,7

218

г) слаботочные устройства

(телефонизация и радиофикация)

1, 3-6

463

129

28,2

10,6

305,8

228

2а, 2в, 8в, 8д, 9, 12г, 12д

493

155

30,4

12,8

307,6

228

2б, 8а, 8б, 8г, 11а-12в

486

148

29,8

12,2

308,2

228

541

181

32,5

14,9

327,5

228

7

482

148

29,8

12,2

304,2

228

534

155

30,4

12,8

348,6

228

10

527

168

31,4

13,8

327,6

228

12е

516

155

30,4

12,8

330,6

228

Примечание. Затраты по конструктивным элементам надземной части, а также по видам санитарно-технических работ следует принимать по аналогичным видам работ цены № 7.

4. ТРАМВАЙНО-ТРОЛЛЕЙБУСНАЯ ТЯГОВАЯ ПОДСТАНЦИЯ

Рис. 6. Тяговая подстанция, совмещенная с эксплуатационным районом контактной кабельной сети. Типовой проект 507-53 (к цене № 9)

1 - трансформаторная камера; 2 - помещение РУ; 3 - помещение отрицательной шины; 4 - контора ремонтных бригад; 5 - утепленная стоянка на легковую машину; 6 - кладовая ценных материалов; 7 - мастерская; 8 - кладовая; 9 - помещение KB, 10 - подсобное помещение; 11 - гардероб; 12 - комната приема пищи; 13 - помещение сушки; 14 - контора мастеров

РАЙОННАЯ ЦЕНА № 9

Трамвайно-троллейбусная тяговая подстанция, совмещенная с эксплуатационным районом монтажно-кабельной сети, стены кирпичные (типовой проект 507-53)

Измеритель - 1 подстанция

Районы

Прямые затраты, руб.

В том числе, руб.

Затраты труда рабочих, чел.-ч

основная заработная плата рабочих

эксплуатация машин

материальные ресурсы

всего

в том числе заработная плата рабочих, обслуживающих машины

1

2

3

4

5

6

7

I. СТРОИТЕЛЬНЫЕ РАБОТЫ

1. Подземная часть

1а, 1ж, 3в, 3г

15300

921

929

340

13450

1580

16900

921

942

340

15037

1580

1в, 5а

16000

921

942

340

14137

1580

16600

921

942

340

14737

1580

1д, 1е

17400

921

942

340

15537

1580

20200

1100

1040

409

18060

1580

18600

1060

1020

390

16520

1580

24700

1100

1040

409

22560

1580

19500

1290

1140

478

17070

1580

3а, 3б

15000

921

907

340

13172

1580

4а, 6а, 6б

15700

921

929

340

13850

1580

16200

921

942

340

14337

1580

19700

921

982

340

17797

1580

17900

921

942

340

16037

1580

7а, 8б

16800

1060

991

390

14749

1580

7б, 7г

16400

1060

991

390

14349

1580

17200

1060

1010

390

15130

1580

17400

1060

991

390

15349

1580

8в, 9а

19000

1100

1040

409

16860

1580

8г, 11б

19100

1060

1000

390

17040

1580

17100

1100

1020

409

14980

1580

18000

1100

1040

409

15860

1580

16200

1100

1020

409

14080

1580

22000

1100

1040

409

19860

1580

10а

18900

1200

1060

444

16640

1580

10б

22300

1200

1060

444

20040

1580

10в

24000

1200

1060

444

21740

1580

11а

25600

1060

1020

390

23520

1580

11в

18300

1060

991

390

16249

1580

11г

17800

1060

991

390

15749

1580

11д, 12в

18000

1060

978

390

15962

1580

11е

18600

1060

991

390

16549

1580

12а

15700

1060

966

390

13674

1580

12б

18800

1060

991

390

16749

1580

12г

17800

1100

991

409

15709

1580

12д

23000

1100

991

409

20909

1580

12е

18200

1100

1040

409

16060

1580

В том числе

а) земляные работы

1а-1е, 3в, 3г, 4б, 5а, 6а, 6в

874

444

430

156

-

733

1ж, 3б,4а, 6б

849

444

405

156

-

733

2а, 2в, 8е, 9а, 9в, 12е

1030

532

498

188

-

733

2б, 11а

996

509

487

178

-

733

1170

615

555

221

-

733

829

449

385

156

-

733

914

444

470

156

-

733

7а, 7б, 7г-8б, 11б-11е, 12б

962

510

452

178

-

733

7в, 8г

982

510

472

178

-

733

8в, 8д, 9б

1010

532

478

188

-

733

10

1070

576

494

204

-

733

12а, 12в

936

509

427

178

-

733

12г, 12д

974

531

443

188

-

733

б) фундаменты

1а, 1ж, 3в

13400

344

483

172

12573

611

14900

344

483

172

14073

611

1в, 5а

14100

344

483

172

13273

611

14700

344

483

172

13873

611

15400

344

483

172

14573

611

15300

344

483

172

14473

611

17900

412

517

207

16971

611

2б, 11е

16300

395

509

198

15396

611

22300

412

517

207

21371

611

17000

481

552

241

15967

611

3а, 3б

13100

344

483

172

12273

611

13500

344

483

172

12673

611

4а, 6а, 6б

13800

344

483

172

12973

611

14200

344

483

172

13373

611

17600

344

483

172

16773

611

15900

344

483

172

15073

611

7а, 8б

14700

395

509

198

13796

611

7б, 7г

14400

395

509

198

13496

611

15100

395

509

198

14196

611

15300

395

509

198

14396

611

8а, 9а

16800

412

517

207

15871

611

8г, 12б

16700

395

509

198

15796

611

15000

412

517

207

14071

611

8е, 12г

15700

412

517

207

14771

611

14000

412

517

207

13071

611

19600

412

517

207

18671

611

10а

16400

446

535

224,

15419

611

10б

19900

446

535

224

18919

611

10в

21500

446

535

224

20519

611

11а

23100

395

509

198

22196

611

116

17000

395

509

198

16096

611

11в, 12в

16000

395

509

198

15096

611

11г

15600

395

509

198

14696

611

11д

15800

395

509

198

14896

611

12а

13700

395

509

198

12796

611

12д

20700

412

517

207

19771

611

12е

16000

412

517

207

15071

611

2. Надземная часть

1а, 1ж, 3б, 4а

52800

6070

1440

543

45290

10700

1б, 3в

54300

6070

1440

543

46790

10700

1в, 1г, 5а

56000

6070

1440

543

48490

10700

1д, 6а, 6б

57200

6070

1440

543

49690

10700

65800

6070

1440

543

58290

10700

2а, 9а

68300

7280

1540

652

59480

10700

72800

6980

1520

625

64300

10700

73400

7280

1540

652

64580

10700

66500

8500

1650

761

56350

10700

51700

6070

1440

543

44190

10700

3г, 4б

59200

6070

1440

543

51690

10700

63700

6070

1440

543

56190

10700

58100

6070

1440

543

50590

10700

7а, 12б

58800

6980

1520

625

50300

10700

54900

6980

1520

625

46400

10700

7в, 8а, 8б, 11г

60700

6980

1520

625

52200

10700

55800

6980

1520

625

47300

10700

8в, 8е, 12е

62600

7280

1540

652

53780

10700

69300

698р

1520

625

60800

10700

55600

7280

1540

652

46780

10700

9б, 12г

59600

7280

1540

652

50780

10700

9в, 12д

64700

7280

1540

652

55880

10700

10а, 10б

69000

7890

1600

706

59510

10700

10в

70800

7890

1600

706

61310

10700

11а

70700

6980

1520

625

62200

10700

11б, 11д, 12в

62600

6980

1520

625

54100

10700

11в, 11е

64200

6980

1520

625

55700

10700

12а

57000

6980

1520

625

48500

10700

В том числе:

а) стены наружные

1а, 4а

10800

910

272

87

9618

1570

1б, 1ж

11300

910

272

87

10118

1570

1в, 1д

12100

910

272

87

10918

1570

1г, 5а, 6в

11700

910

272

87

10518

1570

14900

910

272

87

13718

1570

14300

1090

290

104

12920

1570

16700

1050

286

100

15364

1570

15600

1090

290

104

14220

1570

13400

1270

307

122

11823

1570

10400

910

272

87

9218

1570

10600

910

272

87

9418

1570

11000

910

272

87

9818

1570

13500

910

272

87

12318

1570

12800

910

272

87

11618

1570

13400

910

272

87

12218

1570

6а, 6б

11800

910

272

87

10618

1570

7а, 8а, 8б, 11б, 11г

12100

1050

286

100

10764

1570

10600

1050

286

100

9264

1570

7в, 11в

12700

1050

286

100

11364

1570

11100

1050

286

100

9764

1570

8в, 12е

12700

1090

290

104

11320

1570

14200

1050

286

100

12864

1570

12000

1090

290

104

10620

1570

8e

11800

1090

290

104

10420

1570

9a

15900

1090

290

104

14520

1570

9б, 12д

13400

1090

290

104

12020

1570

14000

1090

290

104

12620

1570

10а

14200

1180

299

113

12721

1570

10б

13300

1180

299

113

11821

1570

10в

13700

1180

299

113

12221

1570

11а, 12в

13300

1050

286

100

11964

1570

11д

12500

1050

286

100

11164

1570

11е

13100

1050

286

100

11764

1570

12а

11600

1050

286

100

10264

1570

12б

11400

1050

286

100

10064

1570

12г

12200

1090

290

104

10820

1570

б) покрытие

9010

216

127

44,9

8667

372

9140

216

127

44,9

8797

372

1в, 5а

9310

216

127

44,9

8797

372

9700

216

127

44,9

9357

372

9440

216

127

44,9

9097

372

9960

216

127

44,9

9617

372

8350

216

127

44,9

8007

372

11400

259

136

53,9

11005

372

2б, 8а, 11д, 11е

10200

248

134

51,6

9818

372

13500

259

136

53,9

13105

372

10700

302

145

62,9

10253

372

3а-3в

8220

216

127

44,9

7877

372

8070

216

127

44,9

7727

372

4, 6а, 6б

8760

216

127

44,9

8417

372

11300

216

127

44,9

10957

372

10600

216

127

44,9

10257

372

7a, 7г

9650

248

134

51,6

9268

372

7б, 8б, 12а

9280

248

134

51,6

8898

372

9120

248

134

51,6

8738

372

10700

259

136

53,9

10305

372

11100

248

134

51,6

10718

372

9740

259

136

53,9

9345

372

8e

10400

259

136

53,9

10005

372

9a, 12е

10200

259

136

53,9

9805

372

10100

259

136

53,9

9705

372

13000

259

136

53,9

12605

372

10а

11100

280

140

58,4

10680

372

10б

12700

280

140

58,4

12280

372

10в

13500

280

140

58,4

13080

372

11а

14600

248

134

51,6

14218

372

11б

10800

248

134

51,6

10418

372

11в

10000

248

134

51,6

9618

372

11г, 12в

9830

248

134

51,6

9448

372

12б

10400

248

134

51,6

10018

372

12г

9520

259

136

53,9

9125

372

12д

9850

259

136

53,9

9455

372

в) кровля

1а-1в, 3г, 6а, 6в

3330

496

144

43,1

2690

900

3790

496

144

43,1

3150

900

1д, 1е, 4б

3560

496

144

43,1

2920

900

3210

496

144

43,1

2570

900

2а, 8в

4230

596

153

51,8

3481

900

2б, 12а

3840

571

151

49,6

3118

900

2в, 12д

3870

596

153

51,8

3121

900

4350

695

162

60,4

3493

900

3а, 5б

3270

496

144

43,1

2630

900

3б, 5а

3480

496

144

43,1

2840

900

3440

496

144

43,1

2800

900

3400

496

144

43,1

2760

900

3300

496

144

43,1

2660

900

7, 12в

3570

571

151

49,6

2848

900

8а, 8б

3970

571

151

49,6

3248

900

8г, 11б, 11в

4220

571

151

49,6

3498

900

3730

596

153

51,8

2981

900

4290

596

153

51,8

3541

900

9

3910

596

153

51,8

3161

900

10а

4440

646

158

56,1

3636

900

10б, 10в

4280

646

158

56,1

3476

900

11а

3890

571

151

49,6

3168

900

11г-11e

4080

571

151

49,6

3358

900

12б

3740

571

151

49,6

3018

900

12г

3620

596

153

51,8

2871

900

12е

4000

596

153

51,8

3251

900

г) полы

1а-1в, 3в, 5б

3300

410

50,1

14,9

2839,9

734

1г, 4б

3530

410

50,1

14,9

3069,9

734

1д, 1е, 5а

3410

410

50,1

14,9

2949,9

734

3100

410

50,1

14,9

2639,9

734

2а, 2в, 8в, 12е

3980

492

53,1

17,9

3434,9

734

2б, 12б

3940

472

52,3

17,1

3415,7

734

4190

574

56,1

20,8

3559,9

734

3а, 3б

3260

410

50,1

14,9

2799,9

734

3070

410

50,1

14,9

2609,9

734

3470

410

50,1

14,9

3009,9

734

3690

410

50,1

14,9

3229,9

734

3640

410

50,1

14,9

3179,9

734

3740

410

50,1

14,9

3279,9

734

7а-7в

3470

472

52,3

17,1

2945,7

734

3430

472

52,3

17,1

2905,7

734

8а, 12в

3640

472

52,3

17,1

3115,7

734

8б, 12а

3730

472

52,3

17,1

3205,7

734

8г, 11г-11e

4470

472

52,3

17,1

3945,7

734

8д, 12г

3660

492

53,1

17,9

3114,9

734

4730

492

53,1

17,9

4184,9

734

9а, 9в, 12д

3840

492

53,1

17,9

3294,9

734

3730

492

53,1

17,9

3184,9

734

10а

4320

533

54,6

19,4

3732,4

734

10б

4150

533

54,6

19,4

3562,4

734

10в

4060

533

54,6

19,4

3472,4

734

11a-11в

4540

472

52,3

17,1

4015,7

734

д) проемы

1а-1в

3460

466

123

86,4

2871

771

1г, 3б-4а, 5а, 6в

3620

466

123

86,4

3031

771

1д, 1е, 4б

3390

466

123

86,4

2801

771

3580

466

123

86,4

2991

771

2а, 8д

3810

559

140

104

3111

771

3620

536

136

99,3

2948

771

2в, 8в

3660

559

140

104

2961

771

4540

652

157

121

3731

771

3а, 6б

3730

466

123

86,4

3141

771

3950

466

123

86,4

3361

771

4060

466

123

86,4

3471

771

7а-7в

3490

536

136

99,3

2818

771

3540

536

136

99,3

2868

771

8а, 8б

3740

536

136

99,3

3068

771

4030

536

136

99,3

3358

771

5200

559

140

104

4501

771

9а, 9б

3890

559

140

104

3191

771

4200

559

140

104

3501

771

10а

4140

606

149

112

3385

771

10б

4560

606

149

112

3805

771

10в

4440

606

149

112

3685

771

11

4110

536

136

99,3

3438

771

12а

3670

536

136

99,3

2998

771

12б

4240

536

136

99,3

3568

771

12в

3940

536

136

99,3

3268

771

12г

3970

559

140

104

3271

771

12д

3740

559

140

104

3041

771

12е

4360

559

140

104

3661

771

е) отделочные работы

1а-1г, 4б

3670

1420

135

77,9

2115

2350

1д, 1e, 3a, 5б

3720

1420

135

77,9

2165

2350

1ж, 3в

3600

1420

135

77,9

2045

2350

4110

1700

150

93,4

2260

2350

2б, 11

4250

1630

146

89,6

2474

2350

2в, 8в, 9а, 9в

4350

1700

150

93,4

2500

2350

4790

1990

166

109

2634

2350

3750

1420

135

77,9

2195

2350

3470

1420

135

77,9

1915

2350

4а, 5а

3820

1420

135

77,9

2265

2350

6

3920

1420

135

77,9

2365

2350

7

3950

1630

146

89,6

2174

2350

4000

1630

146

89,6

2224

2350

3880

1630

146

89,6

2104

2350

4350

1630

146

89,6

2574

2350

8д, 9б

4210

1700

150

93,4

2360

2350

4480

1700

150

93,4

2630

2350

10а

5020

1840

158

101

3022

2350

10б

4590

1840

158

101

2592

2350

10в

4380

1840

158

101

2382

2350

12а

4530

1630

146

89,6

2754

2350

12б

4700

1630

146

89,6

2924

2350

12в

4620

1630

146

89,6

2844

2350

12г, 12д

4740

1700

150

93,4

2890

2350

12е

4880

1700

150

93,4

3030

2350

II. МОНТАЖ МЕТАЛЛОКОНСТРУКЦИЙ

1, 3-5

2510

84,1

155

52,2

2270,9

132

2а, 2в, 8е, 12д, 12е

2580

101

166

62,6

2313

132

2580

96,7

163

60

2320,3

132

2630

118

176

73,1

2336

132

6

2570

84,1

155

52,2

2330,9

132

7а-8б, 8г, 11а-12в

2540

96,7

163

60

2280,3

132

8в, 8д 12г,

2560

101

166

62,6

2293

132

9

2650

101

166

62,6

2383

132

10

2910

109

171

67,8

2630

132

III. ВНУТРЕННИЕ САНИТАРНО-ТЕХНИЧЕСКИЕ УСТРОЙСТВА

1. Санитарно-технические работы

1

3620

417

51,6

11,8

3151,4

663

2а, 2в, 9

3870

500

54

14,2

3316

663

3850

479

53,4

13,6

3317,6

663

4030

583

56,4

16,6

3340,6

663

3-6

3690

417

51,6

11,8

3221,4

663

7а-8б, 8г, 11а-12в

3760

479

53,4

13,6

3227,6

663

8в, 8д, 12г, 12д

3780

500

54

14,2

3226

663

4090

500

54

14,2

3536

663

10

4520

542

55,2

15,4

3922,8

663

12е

3960

500

54

14,2

3406

663

В том числе:

а) холодное водоснабжение, канализация

1, 3-6

641

74,7

5,87

1,59

560,43

124

2а, 2в, 8в, 8д, 9

660

89,7

6,19

1,91

564,11

124

2б, 7а-8б, 8в

654

86

6,11

1,83

561,89

124

690

105

6,5

2,22

578,5

124

714

89,7

6,19

1,91

618,11

124

10

684

97,2

6,35

2,06

580,45

124

11

676

86

6,11

1,83

583,89

124

12а-12в

667

86

6,11

1,83

574,89

124

12г-12e

670

89,7

6,19

1,91

574,11

124

б) центральное отопление и вентиляция

1

2980

342

45,8

10,3

2592,2

539

2а, 2в, 9

3210

410

47,8

12,3

2752,2

539

3200

393

47,3

11,8

2759,7

539

3340

479

49,9

14,4

2811,1

539

3-6

3040

342

45,8

10,3

2652,2

539

7а-8б, 8г, 11а-12в

3100

393

47,3

11,8

2659,7

539

8в, 8д, 12г, 12д

3120

410

47,8

12,3

2662,2

539

3380

410

47,8

12,3

2922,2

539

10

3840

444

48,8

13,3

3347,2

539

12е

3290

410

47,8

12,3

2832,2

539

2. Строительные работы, сопутствующие санитарно-техническим

1, 3-6

420

181

9,58

2,64

229,42

316

2а, 8в, 8д, 9, 12г, 12д

483

217

10,1

3,17

255,9

316

2б, 7а-8б, 8г, 11а-12в

459

208

9,97

3,04

241,03

316

469

217

10,1

3,17

241,9

316

515

253

10,6

3,7

251,4

316

515

217

10,1

3,17

287,9

316

10

516

235

10,4

3,44

270,6

316

12е

506

217

10,1

3,17

278,9

316

IV. ЭЛЕКТРОМОНТАЖНЫЕ РАБОТЫ

1, 3-6

13800

5190

1180

441

7430

9140

2а, 2в, 8в, 8д, 9, 12г, 12д

15000

6230

1270

530

7500

9140

2б, 8а, 8б, 8г, 11а-12в

14700

5970

1250

508

7480

9140

16500

7270

1360

618

7870

9140

7

14600

5970

1250

508

7380

9140

15600

6230

1270

530

8100

9140

10

15900

6750

1320

574

7830

9140

12е

15300

6230

1270

530

7800

9140

В том числе:

а) электроосвещение

1, 3-6

1830

512

186

70,2

1132

903

2а, 2в, 8в, 8д, 9, 12г, 12д

1960

614

201

84,2

1145

903

2б, 8а, 8б, 8г, 11а-12в

1930

588

197

80,7

1145

903

2150

716

215

98,3

1219

903

7

1910

588

197

80,7

1125

903

2110

614

201

84,2

1295

903

10

2090

665

208

91,3

1217

903

12е

2040

614

201

84,2

1225

903

б) монтаж электросилового оборудования

1, 3-6

11600

4580

977

363

6043

8060

2а, 2в, 8в, 9, 12г-12е

12700

5500

1050

436

6150

8060

2б, 8а, 8б, 8г, 11a-12в

12400

5270

1030

418

6100

8060

13900

6420

1120

508

6360

8060

7

12300

5270

1030

418

6000

8060

13100

5500

1050

436

6550

8060

10

13400

5960

1080

472

6360

8060

в) слаботочные устройства

(телефонизация и радиофикация)

1, 3-6

350

97,7

21,4

8,04

230,9

172

2а, 2в, 8в, 8д, 9, 12г, 12д

374

117

23

9,65

234

172

2б, 8а, 8б, 8г, 11а-12в

368

112

22,6

9,25

233,4

172

409

137

24,6

11,3

247,4

172

7

365

112

22,6

9,25

230,4

172

404

117

23

9,65

264

172

10

399

127

23,8

10,4

248,2

172

12е

391

117

23

9,65

251

172

5. ОТКРЫТЫЕ ПЛОЩАДКИ ДЛЯ ДЕМОНСТРАЦИИ КИНОФИЛЬМОВ

Рис. 7. Площадка на 200 зрительских мест, тип I. Типовой проект 260-13-66 (к цене № 10)

1 - зрительный зал; 2 - раковина; 3 - перемоточная; 4 - тамбур; 5 - кинопроекционная; 6 - комната администрации; 7 - касса

РАЙОННАЯ ЦЕНА № 10

Открытая площадка для демонстрации кинофильмов на 200 зрительских мест, стены кирпичные и деревянные - каркасные тип 1 (типовой проект 260-13-66)

Измеритель - 1 площадка

Районы

Прямые затраты, руб.

В том числе, руб.

Затраты труда рабочих, чел.-ч

основная заработная плата рабочих

эксплуатация машин

материальные ресурсы

всего

в том числе заработная плата рабочих, обслуживающих машины

1

2

3

4

5

6

7

I. СТРОИТЕЛЬНЫЕ РАБОТЫ

1а-1в, 4б

10600

1050

366

125

9184

1900

1г, 1д, 6а

11000

1050

366

125

9584

1900

11500

1060

370

126

10070

1900

9830

1050

353

124

8427

1890

13300

1300

427

158

11573

1940

13200

1220

401

145

11579

1900

14100

1300

427

158

12373

1940

13300

1480

443

178

11377

1900

3а, 4а

10200

1050

350

124

8800

1890

10000

1050

353

124

8597

1890

3в, 3г

10300

1050

362

124

8888

1890

5а, 6б

10700

1050

357

124

9293

1890

11400

1050

376

124

9974

1890

11200

1050

362

124

9788

1890

7а, 7в

11200

1220

392

145

9588

1900

7б, 7г

11200

1240

405

151

9555

1940

11900

1240

405

151

10255

1940

12200

1240

405

151

10555

1940

12600

1300

419

158

10881

1940

15200

1240

413

151

13547

1940

11500

1300

419

158

9781

1940

14600

1300

427

158

12873

1940

9а, 9в

13000

1300

427

158

11273

1940

11900

1300

419

158

10181

1940

10а

13000

1380

414

165

11206

1900

10б, 10в

13800

1400

432

172

11968

1940

11а

13600

1220

401

145

11979

1900

11б, 11в

12000

1220

388

145

10392

1900

11г

11800

1220

388

145

10192

1900

11д

12300

1240

405

151

10655

1940

11e

12500

1240

405

151

10855

1940

12а

10400

1210

371

142

8819

1890

12б

10900

1210

380

142

9310

1890

12в

11200

1210

371

142

9619

1890

12г

11000

1260

380

149

9360

1890

12д

11400

1260

380

149

9760

1890

12е

11900

1260

399

149

10241

1890

В том числе:

а) земляные работы

1а-1е

317

147

170

62

-

246

1ж, 3б, 4а, 6б

303

145

158

60,6

-

243

2а, 2в, 8е, 9а, 9в

386

181

205

78,1

-

254

2б, 7б, 7г-8б, 11а, 11д, 11е

360

171

189

72,2

-

250

423

206

217

87,5

-

246

296

145

151

60,6

-

243

3в, 3г, 4б, 5а, 6а, 6в

311

145

166

60,6

-

243

325

145

180

60,6

-

243

7а, 11б-11г

348

169

179

70,6

-

246

355

169

186

70,6

-

246

8в, 8д, 9б

378

181

197

78,1

-

254

368

173

195

73,7

-

254

10а

386

191

195

81,1

-

246

10б, 10в

400

196

204

84,7

-

254

12а, 12в

333

167

166

69,1

-

243

12б

342

167

175

69,1

-

243

12г, 12д

346

174

172

73,1

-

243

12е

365

174

191

73,1

-

243

б) фундаменты

1а, 1б

1460

78,7

32,4

9,78

1348,9

145

1420

78,7

32,4

9,78

1308,9

145

1г-1е

1520

78,7

32,4

9,78

1408,9

145

1080

70,3

28,3

8,54

981,4

129

2350

114

43,1

14,7

2192,9

176

2070

90,5

33,9

11,2

1945,6

145

2560

114

43,1

14,7

2402,9

176

1950

110

36,3

13,7

1803,7

145

3а, 5б

1200

70,3

28,3

8,54

1101,4

129

1180

70,3

28,3

8,54

1081,4

129

3в, 4а, 6б

1260

70,3

28,3

8,54

1161,4

129

1030

70,3

28,3

8,54

931,4

129

4б, 5а

1280

70,3

28,3

8,54

1181,4

129

6а, 6в

1380

70,3

28,3

8,54

1281,4

129

7а, 7в

1400

90,5

33,9

11,2

1275,6

145

1730

110

42,4

14,1

1275,6

145

1690

110

42,4

14,1

1537,6

176

1780

110

42,4

14,1

1627,6

176

2060

110

42,4

14,1

1907,6

176

2200

114

43,1

14,7

2042,9

176

3390

110

42,4

14,1

3237,6

176

8д, 9б

1960

114

43,1

14,7

1802,9

176

3230

114

43,1

14,7

3072,9

176

2130

114

43,1

14,7

1972,9

176

2170

114

43,1

14,7

2012,9

176

10а

1900

102

35,3

12,7

1762,7

145

10б

2390

124

44,3

15,9

2221,7

176

10в

2270

124

44,3

15,9

2101,7

176

11а

1910

90,5

33,9

11,2

1785,6

145

11б-11г

1580

90,5

33,9

11,2

1455,6

145

11д, 11е

1940

110

42,4

14,1

1787,6

176

12а

1170

80,9

29,6

9,82

1059,5

129

12б, 12в

1260

80,9

29,6

9,82

1149,5

129

12г

1300

84,4

30

10,2

1185,6

129

12д

1360

84,4

30

10,2

1245,6

129

12е

1590

84,4

30

10,2

1475,6

129

в) отделочные работы

1, 3б, 3в, 4а, 5б

715

275

14

5,46

426

476

2а, 8д, 12г, 12д

792

330

15,1

6,55

446,9

476

2б, 8г, 11

798

316

14,9

6,27

467,1

476

2в, 8в, 9а ,9в, 12е

814

330

15,1

6,55

468,9

476

884

385

16,2

7,64

482,8

476

704

275

14

5,46

415

476

693

275

14

5,46

404

476

4б, 5а, 6

725

275

14

5,46

436

476

7а-8а, 12а

765

316

14,9

6,27

634,1

476

752

316

14,9

6,27

421,1

476

852

330

15,1

6,55

506,9

476

801

330

15,1

6,55

455,9

476

10а

898

358

15,7

7,09

524,3

476

10б

851

358

15,7

7,09

477,3

476

10в

828

358

15,7

7,09

454,3

476

12б, 12в

780

316

14,9

6,27

449,1

476

П. МОНТАЖ МЕТАЛЛОКОНСТРУКЦИЙ

1, 3

120

2,33

2,58

0,94

115,09

3,75

2а, 2в, 8е, 12д

123

2,8

2,77

1,13

117,43

3,75

123

2,68

2,72

1,08

117,6

3,75

125

3,26

2,95

1,31

118,79

3,75

4

118

2,33

2,58

0,94

113,09

3,75

5

121

2,33

2,58

0,94

116,09

3,75

6

123

2,33

2,58

0,94

118,09

3,75

7а-8б, 8г, 11а-12в

121

2,68

2,72

1,08

115,6

3,75

8в, 8д, 12г, 12е

121

2,8

2,77

1,13

115,43

3,75

9

127

2,8

2,77

1,13

121,43

3,75

10

142

3,03

2,86

1,22

136,11

3,75

III. ВНУТРЕННИЕ САНИТАРНО-ТЕХНИЧЕСКИЕ УСТРОЙСТВА

1. Санитарно-технические работы

1, 3-6

252

29,6

2,72

0,6

219,68

45,7

2а, 2в, 8в, 8д, 9,12г, 12д

261

35,6

2,84

0,72

222,56

45,7

2б, 8а, 8б, 8г 12а-12в

260

34,1

2,8

0,69

223,1

45,7

274

41,5

2,96

0,84

229,54

45,7

7

256

34,1

2,8

0,69

219,1

45,7

283

35,6

2,84

0,72

244,56

45,7

10

271

38,5

2,9

0,78

229,6

45,7

11

262

34,1

2,8

0,69

225,1

45,7

12

267

35,6

2,84

0,72

228,56

45,7

В том числе:

а) водоснабжение и канализация

1, 5, 6

129

14,8

1,08

0,17

113,12

22,8

2а, 2в, 8в, 8д, 9, 12г, 12д

134

17,8

1,11

0,2

115,09

22,8

2б, 7а-8б, 8г

132

17

1,1

0,19

113,9

22,8

139

20,7

1,15

0,23

117,15

22,8

3, 4

131

14,8

1,08

0,17

115,12

22,8

141

17,8

1,11

0,2

122,09

22,8

10

138

19,3

1,13

0,22

117,57

22,8

11а-12в

135

17

1,1

0,19

116,9

22,8

12е

136

17,8

1,11

0,2

117,09

22,8

б) вентиляция

1, 3-6

123

14,8

1,64

0,44

106,56

22,9

2а, 2в, 8в, 8д, 9, 12г, 12д

127

17,8

1,72

0,52

107,48

22,9

2б, 8а, 8б, 8г, 11а-12в

126

17

1,7

0,5

107,3

22,9

135

20,8

1,81

0,61

112,39

22,9

7

124

17

1,7

0,5

105,3

22,9

141

17,8

1,72

0,52

121,48

22,9

10

135

19,3

1,76

0,57

111,94

22,9

12е

132

17,8

1,72

0,52

112,48

22,9

2. Строительные работы, сопутствующие санитарно-техническим

1, 3-6

36,6

27,3

0,02

0,01

9,28

47,7

2а, 2в, 8в, 8д, 9, 12г, 12д

43,4

32,8

0,02

0,01

10,58

47,7

2б, 7а-8б, 8г, 11а-12в

41,8

31,4

0,02

0,01

10,38

47,7

49,8

38,2

0,02

0,01

11,58

47,7

47

32,8

0,02

0,01

14,18

47,7

10

47,7

35,5

0,02

0,01

12,18

47,7

12е

44,7

32,8

0,02

0,01

11,88

47,7

IV. ЭЛЕКТРОМОНТАЖНЫЕ РАБОТЫ

1, 3-6

1150

259

186

67,1

705

458

2а, 2в, 8в, 8д, 9

1230

312

199

97,1

719

458

2б, 8а, 8б, 8г, 11a-12в

1210

298

196

77,2

716

458

1330

363

213

94

754

458

7

1200

298

196

77,2

706

458

8e

1300

312

199

80,6

789

458

10

1300

337

205

87,3

758

458

12г, 12a

1220

312

196

100,6

712

458

12е

1270

312

196

80,6

762

458

В том числе:

а) электроосвещение

1, 3-6

656

133

121

44,1

402

234

2а, 2в, 8в, 8д, 9, 12г, 12д

696

160

130

53

406

234

2б, 8а, 8б, 8г, 11а-12в

687

153

128

50,8

406

234

757

186

139

61,8

432

234

7

681

153

128

50,8

400

234

8e

750

160

130

53

460

234

10

740

173

134

57,4

433

234

12e

726

160

130

53

436

234

б) монтаж электросилового оборудования

1, 3, 4

494

126

64,5

23

303,5

224

2а, 2в, 8в, 8д, 9

532

152

69,1

27,6

310,9

224

2б, 8а, 8б, 8г

525

145

68

26,4

312

224

573

177

73,7

32,2

322,3

224

5, 6

498

126

64,5

23

307,5

224

7, 11а-12в

519

145

68

26,4

306

224

552

152

69,1

27,6

330,9

224

10

558

164

71,4

29,9

322,6

224

12г, 12д

528

152

69,1

27,6

306,9

224

12e

540

152

69,1

27,6

318,9

224

V. МОНТАЖ ТЕХНОЛОГИЧЕСКОГО ОБОРУДОВАНИЯ

1, 3-6

1070

348

190

67,8

532

877

2а, 2в, 12г, 12е

1150

418

203

81,3

520

877

2б, 11а-12в

1130

401

200

77,9

529

877

1260

488

217

94,9

555

877

7а-8б, 8г

1140

401

200

77,9

539

877

8в, 8д, 12д

1160

418

203

81,3

539

877

8е, 9в

1180

418

203

81,3

559

877

10

1270

453

210

88,1

607

877

Рис. 8. Площадка на 300 зрительских мест, тип III. Типовой проект 260-13-67 (к цене № 11)

1 - зрительный зал; 2 - раковина; 3 - кинопроекционная; 4 - перемоточная; 5 - тамбур

РАЙОННАЯ ЦЕНА № 11

Открытая площадка для демонстрации кинофильмов на 300 зрительских мест, стены кирпичные, тип 2 (типовой проект 260-13-67)

Измеритель - 1 площадка

Районы

Прямые затраты, руб.

В том числе, руб.

Затраты труда рабочих, чел.-ч

основная заработная плата рабочих

эксплуатация машин

материальные ресурсы

всего

в том числе заработная плата рабочих, обслуживающих машины

1

2

3

4

5

6

7

I. СТРОИТЕЛЬНЫЕ РАБОТЫ

17800

1770

611

199

15419

3150

1б, 1в

18200

1770

611

199

15819

3150

18400

1770

611

199

15819

3150

18800

1770

611

199

16419

3150

21000

1770

611

199

18619

3150

16600

1740

570

193

14290

3100

23700

2180

727

255

20793

3240

24400

2030

670

227

21700

3150

25300

2180

727

255

22393

3240

22800

2470

746

280

19584

3150

17100

1740

553

193

14807

3100

3б, 4а

16800

1740

570

193

14490

3100

17700

1740

592

193

15368

3100

3г, 6а, 6в

18600

1740

592

193

16268

3100

18800

1740

592

193

16468

3100

18000

1740

592

193

15668

3100

20000

1740

626

193

17634

3100

18300

1740

570

193

15990

3100

19300

2030

639

227

16631

3150

19300

2090

680

241

16530

3240

7в, 11г

20000

2030

648

227

17322

3150

19100

2090

680

241

16330

3240

20800

2090

680

241

18030

3240

8б, 11д

21300

2090

680

241

18530

3240

8в, 9в

21900

2180

717

255

19003

3240

26800

2090

699

241

24011

3240

19200

2180

708

255

16312

3240

24200

2180

727

255

21293

3240

23400

2180

727

255

20493

3240

20200

2180

708

255

17312

3240

10а

23100

2300

685

260

20115

3150

10б, 10в

24000

2360

729

276

20911

3240

11а

23300

2030

639

227

20600

3150

11б

20300

2030

639

227

17631

3150

11в

20700

2030

639

227

18031

3150

11e

21800

2090

680

241

19030

3240

12a

17400

2000

598

220

14802

3100

12б

18000

2000

619

220

15381

3100

12в

19300

2000

598

220

16702

3100

12г

18500

2090

614

232

15796

3100

12д

19900

2090

614

232

17196

3100

12е

20000

2090

661

231

17249

3100

В том числе:

а) земляные работы

1а-1е

257

36

221

74,9

-

61,7

1ж, 3б, 4а, 6б

222

32

190

71,6

-

52,9

2а, 2в, 8е, 9а, 9в

345

54

291

98,8

-

79,4

2б, 7б, 7г-8б, 11а, 11д, 11е

302

46

256

88,3

-

70,5

356

50

306

107

-

61,7

204

31

173

71,6

-

52,9

3в, 3г, 4б, 5а, 6а, 6в

243

32

211

71,6

-

52,9

277

31

246

71,6

-

52,9

7а, 11б-11г

272

42

230

84,6

-

61,7

290

42

248

84,6

-

61,7

8в, 8д, 9б

325

53

272

98,8

-

79,4

321

51

270

92

-

79,4

10а

304

46

258

98,7

-

61,7

10б, 10в

338

58

280

107

-

79,4

12а, 12в

235

36

199

80,9

-

52,9

12б

257

36

221

80,9

 

52,9

12г, 12д

247

37

210

86,8

-

52,9

12е

294

38

256

86,8

-

52,9

б) фундаменты

1а, 1б

1830

112

40,2

12,2

1677,8

203

1780

112

40,2

12,2

1627,8

203

1г-1е

1900

112

40,2

12,2

1747,8

203

1210

91,8

30,4

9,2

1087,8

166

3460

182

63,6

21,8

3214,4

277

2590

129

42

14

2419

203

3760

182

63,6

21,8

3514,4

277

2460

156

45,1

17

2258,9

203

3а, 5б

1350

91,8

30,4

9,2

1227,8

166

1300

91,8

30,4

9,2

1177,8

166

3в, 4а, 6б

1380

91,8

30,4

9,2

1257,8

166

1160

91,8

30,4

9,2

1037,8

166

4б, 5а

1420

91,8

30,4

9,2

1297,8

166

6а, 6в

1510

91,8

30,4

9,2

1387,8

166

7а, 7в

1780

129

42

14

1609

203

2570

175

62,7

20,9

2332,3

277

2500

175

62,7

20,9

2262,3

277

2640

175

62,7

20,9

2402,3

277

3040

175

62,7

20,9

2802,3

277

8в, 9в

3220

182

63,6

21,8

2974,4

277

4940

175

62,7

20,9

4702,3

277

8д, 9б

2900

182

63,6

21,8

2654,4

277

4670

182

63,6

21,8

4424,4

277

3140

182

63,6

21,8

2894,4

277

10а

2420

145

43,8

15,8

2231,2

203

10б

3510

198

65,4

23,6

3246,6

277

10в

3320

198

65,4

23,6

3056,6

277

11а

2420

129

42

14

2249

203

11б-11г

1980

129

42

14

1809

203

11д, 11е

2850

175

62,7

20,9

2612,3

277

12а

1300

106

31,8

10,6

1162,2

166

12б

1410

106

31,8

10,6

1272,2

166

12в

1380

106

31,8

10,6

1242,2

166

12г

1430

110

32,2

11

1287,8

166

12д

1500

110

32,2

11

1357,8

166

12е

1740

110

32,2

11

1597,8

166

в) отделочные работы

1, 3б, 3в, 4а, 5б

1340

613

42,3

15,9

684,7

1040

2а, 12г

1500

736

45,4

19,1

718,6

1040

2б, 11б-11е

1520

705

44,6

18,3

770,4

1040

2в, 8в, 9а, 9в, 12е

1560

736

45,4

19,1

778,6

1040

1700

859

48,6

22,2

792,4

1040

1310

613

42,3

15,9

654,7

1040

1280

613

42,3

15,9

624,7

1040

4б, 5а, 6

1360

613

42,3

15,9

704,7

1040

7а-8а, 12а

1450

705

44,6

18,3

700,4

1040

1420

705

44,6

18,3

670,4

1040

1550

705

44,6

18,3

800,4

1040

8д, 9б, 12д

1520

736

45,4

19,1

738,6

1040

1600

736

45,4

19,1

818,6

1040

10а

1740

797

47

20,7

896

1040

10б

1630

797

47

20,7

786

1040

10в

1570

797

47

20,7

726

1040

11a

1510

705

44,6

18,3

760,4

1040

12б, 12в

1480

705

44,6

18,3

730,4

1040

II. МОНТАЖ МЕТАЛЛОКОНСТРУКЦИЙ

1, 3

420

6,32

10,4

3,63

403,28

9,81

2а, 2в, 8е, 12д

432

7,58

11,1

4,36

413,32

9,81

431

7,27

10,9

4,18

412,83

9,81

437

8,85

11,8

5,08

416,35

9,81

4

415

6,32

10,4

3,63

398,28

9,81

5

425

6,32

10,4

3,63

408,28

9,81

6

432

6,32

10,4

3,63

415,28

9,81

7а-8б, 8г, 11а-12в

423

7,27

10,9

4,18

404,83

9,81

8в, 8д, 12г, 12е

426

7,58

11,1

4,36

407,32

9,81

9

446

7,58

11,1

4,36

427,32

9,81

10

500

8,22

11,5

4,72

480,28

9,81

III. ВНУТРЕННИЕ САНИТАРНО-ТЕХНИЧЕСКИЕ УСТРОЙСТВА

1. Санитарно-технические работы

1, 3-6

279

33,3

3

0,66

242,7

51,2

2а, 2в, 8в, 8д, 9, 12г, 12д

289

39,9

3,14

0,79

245,96

51,2

2б, 8а, 8б, 8г, 11а-12в

289

38,2

3,1

0,76

247,7

51,2

303

46,6

3,27

0,92

253,13

51,2

7

284

38,2

3,1

0,76

242,7

51,2

313

39,9

3,14

0,79

269,96

51,2

10

301

43,2

3,2

0,86

254,6

51,2

12е

296

39,9

3,14

0,79

252,96

51,2

В том числе:

а) водоснабжение и канализация

1, 5, 6

144

17,1

1,22

0,18

125,68

26,2

2а, 2в, 8в, 8д, 9, 12г, 12д

150

20,5

1,26

0,22

128,24

26,2

2б, 7а-8г

148

19,6

1,25

0,21

127,15

26,2

156

23,9

1,29

0,26

130,81

26,2

3, 4

147

17,1

1,22

0,18

128,68

26,2

159

20,5

1,26

0,22

137,24

26,2

10

155

22,2

1,27

0,24

131,53

26,2

11а-12в

151

19,6

1,25

0,21

130,15

26,2

12е

152

20,5

1,26

0,22

130,24

26,2

б) вентиляция

1, 3-6

134

16,2

1,78

0,48

116,02

25

2а, 2в, 8в, 8д, 9, 12г, 12д

139

19,4

1,88

0,57

117,72

25

2б, 8а, 8б, 11а-12в

138

18,6

1,86

0,55

117,54

25

147

22,6

1,98

0,67

122,42

25

7

136

18,6

1,86

0,55

115,54

25

154

19,4

1,88

0,57

132,72

25

10

145

21

1,93

0,62

122,07

25

12е

144

19,4

1,88

0,57

122,72

25

2. Строительные работы, сопутствующие санитарно-техническим

1, 3-6

49,1

34,4

0,11

0,04

14,59

60,2

2а, 2в, 8в, 8д, 9, 12г, 12д

57,9

41,3

0,12

0,04

16,48

60,2

2б, 7а-8б, 8г, 11а-12в

56

39,5

0,11

0,04

16,39

60,2

66

48,1

0,12

0,05

17,78

60,2

62,8

41,3

0,12

0,04

21,39

60,2

10

63,4

44,7

0,12

0,05

18,58

60,2

12е

59,9

41,3

0,12

0,04

18,48

60,2

IV. ЭЛЕКТРОМОНТАЖНЫЕ РАБОТЫ

1, 3, 4

1310

298

210

75,7

802

525

2а, 2в, 8в, 8д, 9, 12г, 12д

1400

358

224

90,8

818

525

2б, 8а, 8б,8г, 11а-12в

1380

342

221

87

817

525

1520

417

240

105,9

863

525

5, 6

1320

298

210

75,7

812

525

7

1370

342

221

87

807

525

1480

358

224

90,8

898

525

10

1480

387

232

98,4

861

525

12е

1440

358

224

90,8

858

525

В том числе:

а) электроосвещение

1, 3-6

709

144

131

47,7

434

252

2а, 2в, 8в, 8д, 9, 12г, 12д

751

173

140

57,2

438

252

2б, 8а, 8б, 8г, 11а-12в

742

165

138

54,8

439

252

818

201

150

66,7

467

252

7

736

165

138

54,8

433

252

8e

810

173

140

57,2

497

252

10

799

187

145

62

467

252

12e

784

173

140

57,2

471

252

б) монтаж электросилового оборудования

1, 3, 4

602

154

78,7

28

369,3

273

2а, 2в, 8в, 8д, 9

649

185

84,3

33,6

379,7

273

2б, 8а, 8в, 8г

640

177

82,9

32,2

380,1

273

699

216

89,9

39,2

393,1

273

5, 6

608

154

78,7

28

375,3

273

7, 11а-12в

633

177

82,9

32,2

373,1

273

673

185

84,3

33,6

403,7

273

10

681

200

87,1

36,4

393,9

273

12г, 12д

644

185

84,3

33,6

389,7

273

12е

659

185

84,3

33,6

389,7

273

V. МОНТАЖ ТЕХНОЛОГИЧЕСКОГО ОБОРУДОВАНИЯ

1, 3-6

1340

436

237

84,7

667

1100

2а, 2в, 12г, 12е

1440

523

254

102

663

1100

2б, 11а-12в

1410

501

250

97,4

659

1100

1570

610

271

119

689

1100

7а-8б, 8г

1430

501

250

97,4

679

1100

8в, 8д, 12д

1450

523

254

102

673

1100

8е-9в

1480

523

254

102

703

1100

10

1590

566

262

110

762

1100

6. ЛЕТНИЕ СТАЦИОНАРНЫЕ ЭСТРАДЫ

Рис. 9. Эстрада на 400 зрительских мест, тип I (без ограждения). Типовой проект 266-14-5 (к цене № 12)

1 - эстрада; 2 - зрительная площадка; 3 - помещение для артистов; 4 - кинопроекционная; 5 - перемоточная; 6 - тамбур; 7 - электрощитовая

РАЙОННАЯ ЦЕНА № 12

Открытая летняя эстрада на 400 зрительских мест (без ограждения), стены - деревянные в эстраде, кирпичные - в кинопроекционной, тип 1 (типовой проект 266-14-5)

Измеритель - 1 эстрада

Районы

Прямые затраты, руб.

В том числе, руб.

Затраты труда рабочих, чел-ч

основная заработная плата рабочих

эксплуатация машин

материальные ресурсы

всего

в том числе заработная плата рабочих, обслуживающих машины

1

2

3

4

5

6

7

I. СТРОИТЕЛЬНЫЕ РАБОТЫ

1а, 1б, 3а, 3в, 4а

18000

2160

373

126

15467

3880

1в, 1д, 3г, 5а

18300

2160

377

126

15763

3880

1г, 4б

18500

2160

377

126

15963

3880

1e, 5б-6б

19000

2160

375

126

16465

3880

17500

2160

367

124

14973

3870

2а, 9а, 9в

20700

2640

444

163

17616

3960

2б, 11б, 11в

20300

2500

406

146

17394

3900

21400

2640

444

163

18316

3960

21300

3040

447

179

17813

3900

17800

2160

367

124

15273

3870

19300

2160

371

124

16769

3870

7а, 7в, 12а

18700

2490

396

144

15814

3880

7б, 7г

18900

2530

428

155

15942

3960

8а, 8б

19700

2530

428

155

16742

3960

20100

2640

439

163

17021

3960

22300

2530

433

155

19337

3960

19400

2640

439

163

16321

3960

22500

2640

444

163

19416

3960

19800

2640

439

163

16721

3960

10а

20700

2820

425

166

17455

3900

10б, 10в

21600

2860

453

177

18287

3960

11а

21600

2500

409

146

18691

3900

11г

20100

2500

402

146

17198

3900

11д, 11е

20800

2530

428

155

17842

3960

12б, 12в

19400

2480

387

142

16533

3870

12г

19400

2590

392

149

16418

3870

12д

19700

2590

392

149

16718

3870

12е

20100

2590

402

149

17108

3870

В том числе:

а) земляные работы

1а-1е, 5б

175

102

73

24,5

-

172

1ж, 3б, 4а, 6б

162

101

61

23,4

-

169

2а, 2в, 8е, 9а, 9в

230

131

99

35,9

-

186

2б, 11а

202

119

83

29

-

174

240

145

95

36,1

-

174

159

101

58

23,4

-

169

3в, 3г, 4б, 5а, 6а, 6в

167

101

66

23,4

-

169

7а, 11б-11г

195

119

76

29

-

174

7б, 7г-8б, 11д, 11е

214

126

88

33,7

-

186

199

119

80

29

-

174

8в, 8д, 9б

225

131

94

35,9

-

186

219

126

93

33,7

-

186

10а

218

135

83

33,5

-

174

10б, 10в

239

142

97

39

-

186

12а, 12в

181

116

65

26,6

-

169

12б

185

116

69

26,6

-

169

12г, 12д

188

121

67

28,3

-

169

12е

198

121

77

28,3

-

169

б) фундаменты

1а-1в

2370

224

50,7

15,3

2095,3

400

1г-1е

2490

224

50,7

15,3

2215,3

400

1940

212

44,5

13,4

1683,5

377

3600

300

67

22,9

3233

447

3140

258

53

17,6

2829

406

3860

300

67

22,9

3493

447

3240

314

56,8

21,4

2869,2

400

2080

212

44,5

13,4

1823,5

377

2050

212

44,5

13,4

1793,5

377

2120

212

44,5

13,4

1863,5

377

1910

212

44,5

13,4

1653,5

377

4а-5а, 6б

2170

212

44,5

13,4

1913,5

377

2100

212

44,5

13,4

1843,5

377

6а, 6в

2300

212

44,5

13,4

2043,5

377

2380

258

53

17,6

2069

400

2860

287

66

21,9

2507

447

2350

258

53

17,6

2039

400

2800

287

66

21,9

2447

447

2920

287

66

21,9

2567

447

3250

287

66

21,9

2897

447

3440

300

67

22,9

3073

447

4850

287

66

21,9

4497

447

8д, 9

3140

300

67

22,9

2773

447

4670

300

67

22,9

4303

447

3350

300

67

22,9

2983

447

3400

300

67

22,9

3033

447

10а

2970

292

55,3

19,9

2622,7

400

10б

3670

323

68,9

24,8

3276,1

447

10в

3520

325

68,9

24,8

3126,1

447

11а

3020

258

53

17,6

2709

400

11б-11г

2610

258

53

17,6

2290

400

11д, 11е

3150

287

66

21,9

2797

447

12а

2050

244

46,5

15,4

1759,5

377

12б, 12в

2160

244

46,5

15,4

1869,5

377

12г

2230

254

47,1

16,1

1928,9

377

12д

2270

254

47,1

16,1

1968,9

377

12е

2550

254

47,1

16,1

2248,9

377

в) отделочные работы

1, 3а-3в, 5б

1180

424

26,3

12,6

729,7

724

2а, 8д, 12г, 12д

1300

508

28,8

15,1

763,2

724

2в, 8г, 11

1320

487

28,2

14,5

804,8

724

2в, 8в, 9а, 9в

1340

508

28,8

15,1

803,2

724

1430

593

31,4

17,6

805,6

724

1140

424

26,3

12,6

689,7

724

4а-5а, 6а, 6б

1200

424

26,3

12,6

749,7

724

1220

424

26,3

12,6

769,7

724

7а-8а, 12а

1260

487

28,2

14,5

744,8

724

1240

487

28,2

14,5

724,8

724

1400

508

28,8

15,1

863,2

724

9б, 12е

1320

508

28,8

15,1

783,2

724

10а

1450

551

30,1

16,4

868,9

724

10б

1370

551

30,1

16,4

788,9

724

10в

1330

551

30,1

16,4

748,9

724

12б, 12в

1280

487

28,2

14,5

764,8

724

II. ВНУТРЕННИЕ САНИТАРНО-ТЕХНИЧЕСКИЕ УСТРОЙСТВА

I. Санитарно-технические работы

1, 5, 6

224

23,2

1,43

0,34

199,37

34,9

2а, 2в, 8в, 8д, 9, 12г-12е

232

27,8

1,5

0,41

202,7

34,9

2б, 7а-8б, 8г, 12а-12в

229

26,7

1,48

0,39

200,82

34,9

242

32,5

1,56

0,48

207,94

34,9

3, 4

226

23,2

1,43

0,34

201,37

34,9

245

27,8

1,5

0,41

215,7

34,9

10

239

30,2

1,53

0,45

207,27

34,9

11

232

26,7

1,48

0,39

203,82

34,9

В том числе:

а) водоснабжение и канализация

1, 5, 6

129

14,8

1,08

0,17

113,12

22,7

2а, 2в, 8в, 8д, 9, 12г, 12д

134

17,7

1,11

0,2

115,19

22,7

2б, 7а-8б, 6г

132

17

1,1

0,19

113,9

22,7

139

20,7

1,15

0,24

117,15

22,7

3, 4

131

14,8

1,08

0,17

115,12

22,7

142

17,7

1,11

0,2

123,19

22,7

10

138

19,2

1,13

0,22

117,67

22,7

11а-12в

135

17

1,1

0,19

116,9

22,7

б) вентиляция

1, 3-6

95

8,44

0,35

0,17

86,21

12,2

2а, 2в, 8в, 8д, 9, 12г-12е

97,8

10,1

038

0,21

87,32

12,2

2б, 7а-8б, 8г, 11а-12в

96,6

9,7

0,37

0,2

86,53

12,2

103

11,8

0,42

0,24

90,78

12,2

104

10,1

0,38

0,21

93,52

12,2

10

101

11

0,4

0,23

89,6

12,2

2. Строительные работы, сопутствующие санитарно-техническим

1, 3-6

65,3

49,4

0,01

-

15,89

86,3

2а, 2в, 8в, 8д, 9, 12г, 12д

77,4

59,3

0,01

-

18,09

86,3

2б, 7а-8б, 8г, 11а-12в

74,6

56,8

0,01

-

17,79

86,3

89,1

69,1

0,01

-

19,99

86,3

83,9

59,3

0,01

-

24,59

86,3

10

85,3

64,2

0,01

-

21,09

86,3

12е

79,7

59,3

0,01

-

20,39

86,3

III. ЭЛЕКТРОМОНТАЖНЫЕ РАБОТЫ

1, 3-6

828

178

142

51,6

508

314

2а, 2в, 8в, 8д, 9

881

214

153

61,9

514

314

2б, 8а, 8б, 8г

869

205

150

59,3

514

314

956

250

162

72,2

544

314

7

862

205

150

59,3

507

314

941

214

153

61,9

574

314

10

933

232

158

67,1

543

314

11а-12в

867

205

150

59,3

512

314

12г, 12д

879

214

153

61,9

512

314

12е

913

214

153

61,9

546

314

В том числе:

а) электроосвещение

1, 3-6

631

128

116

42,4

387

225

2а, 2в, 8в, 8д, 9, 12г, 12д

669

154

125

50,9

390

225

2б, 8а, 8б, 8г, 11а-12в

660

147

123

48,8

390

225

728

179

133

59,4

416

225

7

655

147

123

48,8

385

225

721

154

125

50,9

442

225

10

711

166

129

55,2

416

225

12е

698

154

125

50,9

419

225

б) монтаж электросилового оборудования

1, 3, 4

197

50,4

25,7

9,16

120,9

89,2

2а, 2в, 8в, 8д, 9

212

60,4

27,6

11

124

89,2

2б, 8а, 8б, 8г

209

57,9

27,1

10,5

124

89,2

228

70,5

29,4

12,8

128,1

89,2

5, 6

198

50,4

25,7

9,16

121,9

89,2

7, 11а-12в

207

57,9

27,1

10,5

122

89,2

220

60,4

27,6

11

132

89,2

10

222

65,5

28,5

11,9

128

89,2

12г, 12д

210

60,4

27,6

11

122

89,2

12е

215

60,4

27,6

11

127

89,2

IV. МОНТАЖ ТЕХНОЛОГИЧЕСКОГО ОБОРУДОВАНИЯ

1, 3-6

857

279

152

54,2

426

701

2а, 2в, 12г, 12е

921

334

162

65

425

701

2б, 11а-12в

904

320

160

62,3

424

701

1000

390

173

75,9

437

701

7а-8б, 8г

913

320

160

62,3

433

701

8в, 8д, 12д

930

334

162

65

434

701

8е-9в

948

334

162

65

452

701

10

1020

362

168

70,5

490

701

Рис. 10. Эстрада на 400 зрительские мест, тип III. Типовой проект 264-14-2 (к цене № 13)

1 - эстрада; 2 - зрительный зал; 3 - артистические; 4 - комната администратора; 5 - касса; 6 - склад инвентаря; 7 - подсобные помещения; 8 - электрощитовая; 9 - коридоры и холлы; 10 - кинопроекционная; 11 - перемоточная; 12 - радиоузел; 13 - тамбуры

РАЙОННАЯ ЦЕНА № 13

Открытая летняя эстрада на 400 зрительских мест, стены - деревянные в эстраде, кирпичные - в кинопроекционной, тип 3 (типовой проект 264-14-2)

Измеритель - 1 эстрада

Районы

Прямые затраты, руб.

В том числе, руб.

Затраты труда рабочих, чел .-ч

основная заработная плата рабочих

эксплуатация машин

материальные ресурсы

всего

в том числе заработная плата рабочих, обслуживающих машины

1

2

3

4

5

6

7

I. СТРОИТЕЛЬНЫЕ РАБОТЫ

34900

2820

971

335

31109

5030

1б-1г

36700

2820

971

335

32909

5030

37700

2820

971

335

33909

5030

40900

2820

971

335

37109

5030

33600

2790

919

317

29891

4980

46400

3430

1150

445

41820

5110

44700

3240

1020

385

40440

5030

52000

3430

1150

445

47420

5110

44500

3940

1110

469

39450

5030

3а, 3б

34400

2790

918

317

30692

4980

3в, 4а

34900

2790

920

317

31190

4980

3г, 6б

36600

2790

920

317

32890

4980

4б, 6а

37400

2790

921

317

33689

4980

35900

2790

921

317

32189

4980

41600

2790

925

317

37885

4980

39500

2790

921

317

35789

4980

37900

3240

1020

385

33640

5030

7б, 7г

38600

3290

1120

426

34190

5110

39000

3240

1020

385

34740

5030

41700

3290

1120

426

37290

5110

41200

3290

1120

426

36790

5110

43400

3430

1150

445

38820

5110

48000

3290

1130

426

43580

5110

38900

3430

1150

445

34320

5110

8е, 9а

45400

3430

1150

445

40820

5110

39500

3430

1150

445

34920

5110

47200

3430

1150

445

42620

5110

10а

43800

3660

1070

435

39070

5030

10б

49700

3720

1180

482

44800

5110

10в

51500

3720

1180

482

46600

5110

11а

50500

3240

1020

385

46240

5030

11б, 11в

42600

3240

1020

385

38340

5030

11г

41200

3240

1020

385

36940

5030

11д

43900

3290

1120

426

39490

5110

11е

45100

3290

1120

426

40690

5110

12а

35900

3210

966

364

31724

4980

12б, 12в

39500

3210

967

364

35323

4980

12г

38400

3350

982

380

34068

4980

12д

42800

3350

982

380

38468

4980

12е

40700

3350

988

380

36362

4980

В том числе:

а) земляные работы

1а-1е

128

20

108

40,9

-

34,1

1ж, 3б, 4а, 6б

109

14,6

94,4

37,1

-

23,8

2а, 2в, 8е, 9а, 9в

182

36

146

57,9

-

53,2

2б, 11а

142

23

119

46,8

-

34,1

161

28

133

57,5

-

34,1

108

14,5

92,5

37,1

-

23,8

3в, 3г, 4б, 5а, 6а, 6б

112

15,2

96,8

37,1

-

23,8

116

15

101

37,1

-

23,8

7а, 11б-11г

137

23

114

46,8

-

34,1

7б, 7г-8б, 11д, 11е

169

34

135

54,8

-

53,2

140

23

117

46,8

-

34,1

8в, 8д, 9б

177

35

142

57,9

-

53,2

174

34

140

54,8

-

53,2

10а

148

26

122

53,4

-

34,1

10б, 10в

185

38

147

62,8

-

53,2

12а, 12в

117

17,2

99,8

42,4

-

23,8

12б

119

17

102

42,4

-

23,8

12г, 12д

120

18

102

44,6

-

23,8

12е

126

18

108

44,6

-

23,8

б) фундаменты

7560

176

324

118

7060

317

8470

176

324

118

7970

317

7860

176

324

118

7870

317

1г, 1е

8370

176

324

118

7870

317

8740

176

324

118

8240

317

1ж, 3а, 3в

6530

156

286

104

6088

281

12600

253

432

176

11915

379

9140

203

342

135

8595

317

15800

253

432

176

15115

379

9850

247

372

165

9231

317

6470

156

286

104

6028

281

6360

156

286

104

5918

281

4а-5а

6970

156

286

104

6528

281

8530

156

286

104

8088

281

6830

156

286

104

6388

281

6720

156

286

104

6278

281

7960

156

286

104

7518

281

7а, 7в

8280

203

342

135

7735

317

7б, 7г

10000

243

425

168

9332

379

10600

243

425

168

9932

379

10200

243

425

168

9532

379

12000

253

432

176

11315

379

12200

243

425

168

11532

379

10700

253

432

176

10015

379

11700

253

432

176

11015

379

11600

253

432

176

10915

379

9860

253

432

176

9175

379

14000

253

432

176

13315

379

10а

9270

229

360

153

8681

317

10б

14100

274

446

190

13380

379

10в

15200

274

446

190

14480

379

11а

13300

203

342

135

12755

317

11б

9680

203

342

135

9135

317

11в

9020

203

342

135

8475

317

11г

8840

203

342

135

8295

317

11д

11000

243

425

168

10332

379

11е

11300

243

425

168

10632

379

12а

6690

179

301

119

6210

281

12б

8330

179

301

119

6210

281

12в

7810

179

301

119

7330

281

12г

7810

187

306

124

7317

281

12д

10200

187

306

124

9707

281

12е

8120

187

306

124

7627

281

в) отделочные работы

1, 3а-3в, 5б

1780

658

44,3

20,2

1077,7

1110

2а, 12е

1960

789

48,4

24,3

1122,6

1110

2б, 8г, 11

2020

756

47,4

23,3

1216,6

1110

2в, 8в, 9а, 9в

2050

789

48,4

24,3

1212,6

1110

2120

920

52,4

28,3

1147,6

1110

1710

658

44,3

20,2

1007,7

1110

4

1810

658

44,3

20,2

1107,7

1110

5а, 6

1830

658

44,3

20,2

1127,7

1110

7а-8а, 12а

1900

756

47,4

23,3

1096,6

1110

1870

756

47,4

23,3

1066,6

1110

8д, 96, 12г, 12д

2000

789

48,4

24,3

1162,6

1110

2120

789

48,4

24,3

1282,6

1110

10а

2190

855

50,4

26,3

1284,6

1110

10б

2030

855

50,4

26,3

1124,6

1110

10в

1960

855

50,4

26,3

1054,6

1110

12б, 12в

1950

756

47,4

25,3

1146,6

1110

II. МОНТАЖ МЕТАЛЛОКОНСТРУКЦИЙ

1, 3

116

1,48

2,44

0,85

112,08

2,3

2а, 2в, 8е, 12д

120

1,78

2,61

1,02

115,61

2,3

119

1,7

2,57

0,98

114,73

2,3

121

2,08

2,78

1,18

116,14

2,3

4

115

1,48

2,44

0,85

111,08

2,3

5

118

1,48

2,44

0,85

114,08

2,3

6

120

1,48

2,44

0,85

116,08

2,3

7а-8б, 8г, 11а-12в

117

1,7

2,57

0,98

112,73

2,3

8в, 8д, 12г, 12е

118

1,78

2,61

1,02

113,61

2,3

9

123

1,78

2,61

1,02

118,61

2,3

10

138

1,93

2,69

1,11

133,38

2,3

III. ВНУТРЕННИЕ САНИТАРНО-ТЕХНИЧЕСКИЕ УСТРОЙСТВА

1. Санитарно-технические работы

1, 3-6

405

49,3

3,38

0,63

352,32

78,9

2а, 2в, 8в, 8д, 9, 12г

422

59,1

3,5

0,76

359,4

78,9

2б, 8а, 8б, 8г, 12а-12в

418

56,7

3,47

0,73

357,83

78,9

442

69

3,63

0,89

369,37

78,9

7

409

56,7

3,47

0,73

348,83

78,9

463

59,1

3,5

0,76

400,4

78,9

10

433

64,1

3,57

0,82

365,33

78,9

11

422

56,7

3,47

0,73

361,83

78,9

12д, 12е

427

59,1

3,5

0,76

364,4

78,9

В том числе:

а) водоснабжение и канализация

1

207

26,2

1,84

0,29

178,96

43

2а, 2в, 8в, 8д, 9

215

31,4

1,9

0,35

181,7

43

2б, 7а-8б, 8г

213

30,1

1,88

0,33

181,02

43

225

36,7

1,96

0,41

186,34

43

3-6

211

26,2

1,84

0,29

182,96

43

231

31,4

1,9

0,35

197,7

43

10

223

34,1

1,93

0,38

186,97

43

11а-12в

220

30,1

1,88

0,33

188,02

43

12г-12е

223

31,4

1,9

0,35

189,7

43

б) вентиляция

1, 3-6

196

23,1

1,54

0,34

171,36

35,9

2а, 2в, 8в, 8д, 9, 12д, 12е

204

27,7

1,61

0,41

174,69

35,9

2б, 8а, 8б, 8г, 11

203

26,5

1,59

0,39

174,91

35,9

216

32,3

1,68

0,48

182,02

35,9

7, 12а-12в

198

26,5

1,59

0,39

169,91

35,9

232

27,7

1,61

0,41

202,69

35,9

10

210

30

1,64

0,45

178,36

35,9

12г

201

27,7

1,61

0,41

171,69

35,9

2. Строительные работы, сопутствующие санитарно-техническим

1, 3-6

134

94,5

0,28

0,09

39,22

165

2а, 2в, 8в, 8д, 9, 12г, 12д

158

113

0,3

0,11

44,7

165

2б, 7а-8б, 8г, 11а-12в

153

109

0,29

0,11

43,71

165

180

132

0,32

0,13

47,68

165

171

113

0,3

0,11

57,7

165

10

173

123

0,31

0,12

49,69

165

12е

164

113

0,3

0,11

50,7

165

IV. ЭЛЕКТРОМОНТАЖНЫЕ РАБОТЫ

1, 3, 4

1790

388

306

111

1096

683

2а, 2в, 8в, 8д, 9

1910

466

327

133

1117

683

2б, 8а, 8б, 8г

1880

446

322

127

1112

683

2070

543

349

155

1178

683

5, 6

1800

388

306

111

1106

683

7

1860

446

322

124

1092

683

2040

466

327

132

1247

683

10

2020

504

338

144

1178

683

11а-12в

1870

446

322

127

1102

683

12г-12д

1900

466

327

133

1107

683

12е

1970

466

327

133

1177

683

В том числе:

а) электроосвещение

1, 3-6

1320

268

244

88,8

808

470

2а, 2в, 8в, 8д, 9, 12г, 12д

1400"

322

261

107

817

470

2б, 8а, 8б, 8г, 11а-12в

1380

308

257

102

815

470

1520

375

279

124

866

470

7

1370

308

257

102

805

470

1510

322

261

107

927

470

10

1490

348

270

116

872

470

12е

1460

322

261

107

877

470

б) монтаж электросилового оборудования

1, 3, 4

470

120

61,5

21,9

288,5

213

2а, 2в, 8в, 8д, 9

507

144

65,8

26,2

297,2

213

2б, 8а, 8б, 8г

500

138

64,8

25,2

297,2

213

546

168

70,2

30,6

307,8

213

5, 6

475

120

61,5

21,9

293,5

213

7, 11а-12в

494

138

64,8

25,2

291,2

213

526

144

65,8

26,2

316,2

213

10

532

156

68

28,4

308

213

12г, 12д

503

144

65,8

26,2

293,2

213

12е

514

144

65,8

26,2

304,2

213

V. МОНТАЖ ТЕХНОЛОГИЧЕСКОГО ОБОРУДОВАНИЯ

1, 3-6

1230

400

218

77,8

612

1010

2а, 2в, 12г, 12е

1320

480

233

93,4

607

1010

2б, 11а-12в

1300

460

229

89,5

611

1010

1440

560

249

109

631

1010

7а-8б, 8г

1310

460

229

89,5

621

1010

8в, 8д, 12д

1330

480

233

93,4

617

1010

8е-9в

1360

480

233

93,4

647

1010

10

1460

520

241

101

699

1010

7. ТАНЦЕВАЛЬНЫЕ ВЕРАНДЫ НА 100-150 ТАНЦУЮЩИХ ПАР

Рис. 11. Веранда, тип 1 (круглая с вантовым покрытием). Типовой проект 266-14-8 (к цене № 14)

1 - танцевальная площадка с эстрадой; 2 - зона отдыха со скамьями; 3 - касса; 4 - административная комната; 5 - цветочница

РАЙОННАЯ ЦЕНА № 14

Танцевальная веранда на 100-150 танцующих пар (круглая с вантовым покрытием), стены и ограда деревянные, тип 1 (типовой проект 266-14-8)

Измеритель - 1 веранда

Районы

Прямые затраты руб.

В том числе, руб.

Затраты труда рабочих, чел.-ч

основная заработная плата рабочих

эксплуатация машин

материальные ресурсы

всего

в том числе заработная плата рабочих, обслуживающих машины

1

2

3

4

5

6

7

I. СТРОИТЕЛЬНЫЕ РАБОТЫ

1а-1в, 3а

10400

1500

304

98,2

8596

2630

1г, 3в, 4

10700

1500

309

98,2

8891

2630

1д, 1е, 3б, 3г

10500

1500

309

98,2

8691

2630

10100

1500

303

98,2

8297

2630

2а, 9а, 12г

11800

1800

339

118

9661

2630

11800

1720

346

112

9734

2630

2в, 12д

12200

1800

339

118

10061

2630

13400

2100

385

138

10915

2630

5а, 6б

11000

1500

309

98,2

9191

2630

11100

1500

335

98,2

9265

2630

11600

1500

315

98,2

9785

2630

11400

1500

315

98,2

9585

2630

7

10600

1720

334

112

8546

2630

11100

1720

329

112

9051

2630

8б, 12а

11400

1720

323

112

9357

2630

11500

1800

343

118

9357

2630

13500

1720

339

112

11441

2630

8д, 9б

11300

1800

343

118

9157

2630

14700

1800

353

118

12547

2630

12400

1800

353

118

10247

2630

10а

12300

1950

353

128

9997

2630

10б

13100

1950

353

128

10797

2630

10в

12900

1950

353

128

10597

2630

11а

13200

1720

346

112

11134

2630

11б-11е, 12б

12100

1720

329

112

10051

2630

12в

11600

1720

317

112

9563

2630

12е

13000

1800

353

118

10847

2630

В том числе:

а) земляные работы

1а-1е, 3в, 3г, 4б, 5а, 6а, 6в

493

363

130

44,2

-

605

1ж, 3б, 4а, 6б

481

363

118

44,2

-

605

2а, 2в, 8е, 9а, 9в, 12е

592

436

156

53,5

-

605

2б, 11а

570

418

152

49,9

-

605

687

508

179

62,8

-

605

471

363

108

44,2

-

605

513

363

150

44,2

-

605

7а, 7б, 7г-8б, 11б-11е, 12б

553

418

135

49,9

-

605

7в, 8г

563

418

145

49,9

-

605

8в, 8д, 9б

582

436

146

53,5

-

605

10

623

472

151

58,2

-

605

12а, 12в

541

418

123

49,9

-

605

12г, 12д

565

436

129

53,5

-

605

б) фундаменты

1a, 3в, 6б

2390

129

45,9

14,7

2215,1

228

1б, 4б, 5а, 6а

2480

129

45,9

14,7

2305,1

228

1в, 4а

2420

129

45,9

14,7

2245,1

228

1г, 1e

2530

129

45,9

14,7

2355,1

228

2570

129

45,9

14,7

2395,1

228

1ж, 3а

2280

129

45,9

14,7

2105,1

228

2940

155

48,8

17,7

2736,2

228

2930

148

48,1

16,9

2733,9

228

2в, 8е

3330

155

48,8

17,7

3126,2

228

3110

180

51,8

20,6

2878,2

228

2310

129

45,9

14,7

2135,1

228

2200

129

45,9

14,7

2025,1

228

5б, 6в

2630

129

45,9

14,7

2455,1

228

7а-7в, 12в

2440

148

48,1

16,9

2243,9

228

2420

148

48,1

16,9

2223,9

228

2510

148

48,1

16,9

2313,9

228

8б, 11г

2650

148

48,1

16,9

2453,9

228

8в, 12е

2810

155

48,8

17,7

2606,2

228

8г, 11а

3420

148

48,1

16,9

3223,9

228

2620

155

48,8

17,7

2416,2

228

2750

155

48,8

17,7

2546,2

228

2580

155

48,8

17,7

2376,2

228

3080

155

48,8

17,7

2876,2

228

10а

2880

168

50,3

19,1

2661,7

228

10б

3140

168

50,3

19,1

2921,7

228

10в

3210

168

50,3

19,1

2991,7

228

11б

2740

148

48,1

16,9

2543,9

228

11в, 11д, 11е

2680

148

48,1

16,9

2483,9

228

12а

2330

148

48,1

16,9

2133,9

228

12б

2590

148

48,1

16,9

2393,9

228

12г

2550

155

48,8

17,7

2346,2

228

12д

2890

155

48,8

17,7

2686,2

228

в) отделочные работы

1, 3-5

566

149

8,69

2,56

408,31

253

2а, 2в, 8в, 8д, 9, 12г, 12д

605

178

9,2

3,07

417,8

253

2б, 8г, 11а-12в

599

171

9,08

2,94

418,92

253

663

208

9,71

3,58

445,29

253

6

573

149

8,69

2,56

415,31

253

7а-8б

590

171

9,08

2,94

409,92

253

668

178

9,2

3,07

480,8

253

10а, 10б

650

193

9,46

3,32

447,54

253

10в

644

193

9,46

3,32

441,54

253

12е

631

178

9,2

3,07

443,8

253

II. МОНТАЖ МЕТАЛЛОКОНСТРУКЦИЙ

1, 3-5

2370

72,4

90,4

31,6

2207,2

118

2а, 2в, 8е, 12д

2440

86,9

96,8

37,9

2256,3

118

2440

83,3

95,2

36,3

2261,5

118

2480

101

103

44,2

2276

118

6

2420

72,4

90,4

31,6

2257,2

118

7а-8б, 8г, 11а-12в

2400

83,3

95,2

36,3

2221,5

118

8в, 8д, 12г, 12е

2410

86,9

96,8

37,9

2226,3

118

9

2500

86,9

96,8

37,9

2316,3

118

10

2720

94,1

99,9

41

2526

118

III. ЭЛЕКТРОМОНТАЖНЫЕ РАБОТЫ

(электроосвещение)

1, 3-6

344

52,4

30,8

11

260,8

92,4

2а, 2в, 8в, 8д, 9, 12г, 12д

360

62,8

33

13,2

264,2

92,4

2б, 8а, 8б, 8г, 11а-12в

357

60,2

32,4

12,6

264,4

92,4

390

73,3

35,2

15,4

281,5

92,4

7

353

60,2

32,4

12,6

260,4

92,4

395

62,8

33

13,2

299,2

92,4

10

383

68,1

34,1

14,3

280,8

92,4

12е

379

62,8

33

13,2

283,2

92,4

Рис. 12. Веранда, тип 2 (прямоугольная с вахтовым покрытием). Типовой проект 266-14-9 (к цене № 15)

1 - танцевальная площадка с эстрадой; 2 - зона отдыха со скамейками; 3 - вестибюль с гардеробом; 4 - касса; 5 - комната администратора

РАЙОННАЯ ЦЕНА № 15

Танцевальная веранда на 100-150 танцующих пар (прямоугольная с вантовым покрытием), стены и ограда деревянные, тип 2 (типовой проект 266-14-9)

Измеритель - 1 веранда

Районы

Прямые затраты, руб.

В том числе, руб.

Затраты труда рабочих, чел.-ч

основная заработная плата рабочих

эксплуатация машин

материальные ресурсы

всего

в том числе заработная плата рабочих, обслуживающих машины

1

2

3

4

5

6

7

I. СТРОИТЕЛЬНЫЕ РАБОТЫ

1a, 1ж, 3б

17900

1480

701

256

15719

2600

1б, 4

18800

1480

701

256

16619

2600

1в, 3а, 3в, 3г

18300

1480

698

256

16122

2600

1г-1е, 5а, 6б

19000

1480

701

256

16819

2600

20800

1780

767

308

18253

2600

2б, 12в

20200

1700

744

294

17756

2600

2в, 9в

22900

1780

767

308

20353

2600

22200

2070

826

359

19304

2600

20800

1480

717

256

18603

2600

19400

1480

704

256

17216

2600

20200

1480

704

256

18016

2600

7

18800

1700

746

294

16354

2600

8а, 8б, 12а

19400

1700

738

294

16962

2600

8в, 9а, 12г

20300

1780

758

308

17762

2600

21600

1700

749

294

19151

2600

19600

1780

761

308

17059

2600

8е, 12д

22600

1780

758

308

20062

2600

19400

1780

761

308

16859

2600

10а

20800

1920

786

333

18094

2600

10б

23100

1920

786

333

20394

2600

10в

23900

1920

786

333

21194

2600

11а

25300

1700

753

294

22847

2600

11б

21200

1700

742

294

18758

2600

11в-11e, 12б

20800

1700

742

294

18358

2600

12e

21300

1780

767

308

18753

2600

В том числе:

а) земляные работы

1а-1е, 3в, 3г, 4б, 5а, 6а, 6в

577

119

458

176

-

197

1ж, 3б, 4а, 6б

570

119

451

176

-

197

2а, 2в,8 в, 8д-9в, 12e

644

142

502

211

-

197

2б, 7в, 8г, 11а

630

136

494

202

-

197

714

166

548

247

-

197

564

119

445

176

-

197

590

119

471

176

-

197

7а, 7б, 7г-8б, 11б-11e, 12б

621

136

485

202

-

197

10

671

154

517

229

-

197

12а, 12в

613

136

477

202

-

197

12г, 12д

630

142

488

211

-

197

б) фундаменты

1a, 1ж, 3

8830

327

133

46,2

8370

560

1б, 1г, 1е

9490

327

133

46,2

9030

560

1в, 4а-5а

9200

327

133

46,2

8740

560

9770

327

133

46,2

9310

560

10700

393

143

55,5

10164

560

2б, 11г, 12в

9820

376

140

53,2

9304

560

12700

393

143

55,5

12164

560

10600

458

152

64,8

9990

560

10900

327

133

46,2

10440

560

6а, 6б

9030

327

133

46,2

8570

560

10000

327

133

46,2

9540

560

7, 8б

9380

376

140

53,2

8864

560

9660

376

140

53,2

9144

560

10300

393

143

55,5

9764

560

8г, 11е, 12б

10200

376

140

53,2

9684

560

8д, 12г

9770

393

143

55,5

9234

560

8е, 9а

10100

393

143

55,5

9564

560

9480

393

143

55,5

8944

560

12400

393

143

55,5

11864

560

10а

10200

426

147

60,1

9627

560

10б

12000

426

147

60,1

11427

560

10в

12900

426

147

60,1

12327

560

11а

14000

376

140

53,2

13484

560

11б

10400

376

140

53,2

9884

560

11в, 11д

10000

376

140

53,2

9484

560

12а

9020

376

140

53,2

8504

560

12д

12000

393

143

55,5

11464

560

12е

9900

393

143

55,5

9364

560

в) отделочные работы

1, 3-5

799

242

12,3

3,43

544,7

415

2а, 2в, 9, 12г, 12д

858

291

13

4,12

554

415

2б, 11а-12в

849

279

12,8

3,94

557,2

415

940

339

13,7

4,8

587,3

415

6

806

242

12,3

3,43

551,7

415

7а-8б, 8г

836

279

12,8

3,94

544,2

415

8в, 8д

851

291

13

4,12

547

415

944

291

13

4,12

640

415

10

916

315

13,4

4,46

587,6

415

12е

891

291

13

4,12

587

415

II. МОНТАЖ МЕТАЛЛОКОНСТРУКЦИЙ

1, 3-5

3930

119

150

52,4

3661

193

2а, 2в, 8е, 12д

4040

142

160

62,9

3738

193

4030

136

158

60,2

3736

193

4100

166

171

73,3

3763

193

6

4000

119

150

52,4

3731

193

7а-8б, 8г, 11а-12в

3970

136

158

60,2

3676

193

8в, 8д, 12г, 12е

3990

142

160

62,9

3688

193

9

4140

142

160

62,9

3838

193

10

4480

154

165

68,1

4161

193

III. ЭЛЕКТРОМОНТАЖНЫЕ РАБОТЫ

1, 3-6

1170

247

97,2

34,7

825,8

429

2а, 2в, 8в, 8д, 9, 12г, 12д

1230

296

104

41,7

830

429

26, 8а, 86, 8г, 11а-12в

1220

284

102

40

834

429

1340

346

111

48,6

883

429

7

1210

284

102

40

824

429

1340

296

104

41,7

940

429

10

1310

321

108

45,2

881

429

12е

1290

296

104

41,7

890

429

В том числе:

а) электроосвещение

1, 3-6

915

139

81,8

29,2

694,2

245

2а, 2в, 8в, 8д, 9, 12г, 12д

956

167

87,7

35,1

701,3

245

2б, 8а, 8б, 8г, 11а-12в

948

160

86,2

33,6

701,8

245

1040

195

93,5

40,9

751,5

245

7

937

160

86,2

33,6

690,8

245

1050

167

87,7

35,1

795,3

245

10

1020

181

90,6

38

748,4

245

12е

1010

167

87,7

35,1

755,3

245

б) слаботочные устройства (радиофикация)

1, 4

252

108

15,4

5,52

128,6

184

2а, 2в, 8в, 8д, 9, 12г, 12д

278

130

16,5

6,62

131,5

184

2б, 8а, 8б, 8г, 11а-12в

273

124

16,2

6,35

132,8

184

308

151

17,6

7,73

139,4

184

3, 5, 6

256

108

15,4

5,52

132,6

184

7

269

124

16,2

6,35

128,8

184

291

130

16,5

6,62

144,5

184

10

296

140

17

7,18

139

184

12е

285

130

16,5

6,62

138,5

184

Рис. 13. Веранда, тип 3 (прямоугольная со скатной кровлей). Типовой проект 266-14-10 (к цене № 16)

1 - танцевальная площадка с эстрадой; 2 - касса; 3 - вестибюль с гардеробом; 4 - комната администратора

РАЙОННАЯ ЦЕНА № 16

Танцевальная веранда на 100-150 танцующих пар (прямоугольная со скатной кровлей), тип 3 (типовой проект 266-14-10)

Измеритель - 1 веранда

Районы

Прямые затраты, руб.

В том числе, руб.

Затраты труда рабочих, чел.-ч

основная заработная плата рабочих

эксплуатация машин

материальные ресурсы

всего

в том числе заработная плата рабочих, обслуживающих машины

1

2

3

4

5

6

7

I. СТРОИТЕЛЬНЫЕ РАБОТЫ

1а-1в, 3б

15400

1660

608

210

13132

3020

1г, 3г, 4б

16200

1660

618

210

13922

3020

1д, 1е, 3в

15800

1660

618

210

13522

3020

15200

1650

598

209

12952

3020

2а, 9а

17400

2000

702

257

14698

3050

17300

1900

678

240

14722

3030

2в, 9в

17900

2000

702

257

15198

3050

19300

2320

754

295

16226

3030

15800

1650

581

209

13569

3020

4а, 5а

16500

1650

608

209

14242

3020

16400

1650

650

209

14100

3020

6а, 6в

17300

1650

618

209

15032

3020

16800

1650

598

209

14552

3020

7а, 7в

15700

1900

658

240

13142

3030

7б, 7г

15900

1920

660

244

13320

3050

16600

1920

660

244

14020

3050

16900

1920

660

244

14320

3050

17000

2000

685

257

14315

3050

19700

1920

677

244

17103

3050

8д, 9б

16700

2000

685

257

14015

3050

20800

2000

702

257

18098

3050

10а

17500

2150

696

274

14654

3030

10б

18800

2170

707

278

15923

3050

10в

18400

2170

707

278

15523

3050

11а

19300

1900

678

240

16722

3030

11б-11г

18200

1900

649

240

15651

3030

11д, 11е

18400

1920

660

244

15820

3050

12а

17100

1900

628

239

14572

3020

12б

17600

1900

648

239

15052

3020

12в

17400

1900

628

239

14872

3020

12г

17500

1980

644

252

14876

3020

12д

17900

1980

644

252

15276

3020

12е

18700

1980

689

252

16031

3020

В том числе:

а) земляные работы

1а-1е, 3в, 3г, 4б, 5а, 6а, 6в

398

29

369

134

-

43,6

1ж, 3б, 4а, 6б

377

29

348

134

-

43,2

2а, 2в, 8е, 9а, 9в

469

37

432

164

-

48,8

2б, 8г, 11а

448

35

413

154

-

46,4

513

40

473

190

-

44

361

29

332

134

-

43,2

429

29

400

134

-

43,2

7а, 11б-11г, 12б

420

33

387

153

-

43,6

7б, 7г-8б, 11д, 11е

429

36

393

155

-

48,8

437

33

404

153

-

44

8в, 8д, 9б

452

37

415

164

-

48,8

10a

460

37

423

176

-

44

10б, 10в

469

40

429

179

-

48,8

12а, 12в

399

32

367

153

-

43,2

12г, 12д

414

34

380

162

-

43,2

12е

458

34

424

162

-

43,2

б) фундаменты

1a, 1б

1280

65,2

35,3

10,6

1179,5

122

1240

65,2

35,3

10,6

1139,5

122

1г-1е

1330

65,2

35,3

10,6

1229,5

122

1050

63,6

34,5

10,3

951,9

119

1950

90,9

42,6

14,4

1816,5

141

1810

75

36,9

12,2

1698,1

122

2130

90,9

42,6

14,4

1996,5

141

1710

91,3

39,5

14,8

1579,2

122

3а, 5б

1160

63,6

34,5

10,3

1061,9

119

1130

63,6

34,5

10,3

1031,9

119

1190

63,6

34,5

10,3

1091,9

119

1000

63,6

34,5

10,3

901,9

119

4а, 6б

1220

63,6

34,5

10,3

1121,9

119

4б, 5а

1240

63,6

34,5

10,3

1141,9

119

6а, 6в

1330

63,6

34,5

10,3

1231,9

119

1240

75

36,9

12,2

1128,1

122

1460

87,1

42

13,8

1330,9

141

1220

75

36,9

12,2

1108,1

122

1420

87,1

42

13,8

1290,9

141

1500

87,1

42

13,8

1370,8

141

1730

87,1

42

13,8

1600,9

141

1840

90,9

42,6

14,4

1706,5

141

2800

87,1

42

13,8

2670,9

141

8д, 9б

1640

90,9

42,6

14,4

1506,5

141

2660

90,9

42,6

14,4

2526,5

141

1780

90,9

42,6

14,4

1646,5

141

1810

90,9

42,6

14,4

1676,5

141

10а

1660

84,8

38,5

13,7

1536,7

122

10б

1980

98,5

43,8

15,6

1837,7

141

10в

1880

98,5

43,8

15,6

1737,7

141

11а

1670

75

36,9

12,2

1558,1

122

11б-11г

1370

75

36,9

12,2

1258,1

122

11д, 11е

1610

87,1

42

13,8

1480,9

141

12а

1120

73,1

36,1

11,9

1010,8

119

12б

1220

73,1

36,1

11,9

1110,8

119

12в

1240

73,1

36,1

11,9

1130,8

119

12г, 12д

1290

76,3

36,6

12,4

1177,1

119

12е

1550

76,3

36,6

12,4

1437,1

119

в) отделочные работы

1, 3-6

594

254

6,53

1,91

333,47

450

2а, 2в, 9, 12г, 12д

650

305

6,91

2,29

338,09

450

2б, 11а-12в

640

293

6,82

2,2

340,18

450

722

356

7,29

2,68

358,71

450

7а-8б, 8г

632

293

6,82

2,2

332,18

450

8в, 8д

646

305

6,91

2,29

334,09

450

702

305

6,91

2,29

390,09

450

10

697

331

7,1

2,48

358,9

450

12е

671

305

6,91

2,29

359,09

450

II. МОНТАЖ МЕТАЛЛОКОНСТРУКЦИЙ

1, 3-5

572

17,3

3,05

0,92

551,65

26,2

2а, 2в, 8в, 8д, 8е, 12г-12е

582

20,8

3,24

1,1

557,96

26,2

2б, 8а, 8б, 8г, 12а-12в

581

19,9

3,19

1,05

557,91

26,2

591

24,2

3,42

1,28

563,38

26,2

6

582

17,3

3,05

0,92

561,65

26,2

7, 11

576

19,9

3,19

1,05

552,91

26,2

9

596

20,8

3,24

1,1

571,96

26,2

10

639

22,5

3,33

1,19

613,17

26,2

III. ЭЛЕКТРОМОНТАЖНЫЕ РАБОТЫ

1, 3-6

1270

263

106

38,1

901

457

2а, 2в, 8в, 8д, 9, 12г, 12д

1340

316

114

45,7

910

457

2б, 8а, 8б, 8г, 11а-12в

1330

302

112

43,8

916

457

1460

368

122

53,3

970

457

7

1310

302

112

43,8

896

457

1460

316

114

45,7

1030

457

10

1430

342

118

49,5

870

457

12е

1410

316

114

45,7

980

457

В том числе:

а) электроосвещение

1, 3-6

1020

155

91,2

32,6

773,8

274

2а, 2в, 8в, 8д, 9, 12г, 12д

1060

186

97,7

39,1

776,3

274

26, 8а, 86, 8г, 11а-12в

1060

178

96,1

37,5

785,9

274

1150

217

104

45,6

829

274

7

1040

178

96,1

37,5

765,9

274

1170

186

97,7

39,1

886,3

274

10

1140

202

101

42,3

837

274

12е

1120

186

97,7

39,1

836,3

274

б) слаботочные устройства

(радиофикация)

1, 4

252

108

15,4

5,52

128,6

184

2а, 2в, 8в, 8д, 9, 12г, 12д

278

130

16,5

6,62

131,5

184

2б, 8а, 8б, 8г, 11а-12в

273

124

16,2

6,35

132,8

184

308

151

17,6

7,73

139,4

184

3, 5, 6

256

108

15,4

5,52

132,6

184

7

269

124

16,2

6,35

128,8

184

291

130

16,5,

6,62

144,5

184

10

296

140

17

7,18

139

184

12е

285

130

16,5

6,62

138,5

184

8. ТАНЦЕВАЛЬНЫЕ ПЛОЩАДКИ НА 100 ТАНЦУЮЩИХ ПАР

Рис. 14. Площадка, тип 1. Типовой проект 266-14-12 (к цене № 17)

1 - танцевальная площадка с эстрадой; 2 - зона отдыха со скамьями

РАЙОННАЯ ЦЕНА № 17

Танцевальная площадка на 100 танцующих пар, тип 1 (типовой проект 266-14-12)

Измеритель - 1 площадка

Районы

Прямые затраты, руб.

В том числе, руб.

Затраты труда рабочих, чел.-ч

основная заработная плата рабочих

эксплуатация машин

материальные ресурсы

всего

в том числе заработная плата рабочих, обслуживающих машины

1

2

3

4

5

6

7

I. СТРОИТЕЛЬНЫЕ РАБОТЫ

1a, 1в, 4в

4500

870

135

42,3

3495

1410

1б, 5

4550

870

142

42,3

3538

1410

1г, 1д, 6а

4640

870

135

42,3

3635

1410

1е, 6в

4750

870

135

42,3

3745

1410

1ж, 3г

4100

867

128

41,7

3105

1410

2а, 9в

5670

1060

170

54,7

4440

1430

2б, 11а

5780

1000

158

45,3

4622

1420

6170

1060

170

54,7

4940

1430

5860

1220

182

60,9

4458

1420

3а, 3б

4280

867

117

41,7

3296

1410

3в, 4а

4390

867

128

41,7

3395

1410

4510

867

122

41,7

3521

1410

7а, 7в, 12б

4650

1000

145

47,8

3505

1410

7б, 7г

4750

1010

150

51,1

3590

1430

4920

1010

150

51,1

3760

1430

8б, 11в, 11д, 11е

5200

1010

146

49,8

4044

1420

8в, 9а

5530

1060

165

54,7

4305

1430

6860

1010

159

51,1

5691

1430

8д, 9б

5170

1060

160

54,7

3950

1430

6520

1060

170

54,7

5290

1430

10а

5780

1130

157

56,4

4493

1420

10б

6030

1140

165

59,4

4725

1430

10в

5860

1140

165

59,4

4555

1430

11б, 11г

5020

1000

142

48,5

3878

1420

12а

4410

998

127

47,2

3285

1410

12в

4690

998

127

47,2

3565

1410

12г

4780

1040

133

50,5

3607

1410

12д

5020

1040

133

50,5

3847

1410

12е

5230

1040

157

50,5

4033

1410

В том числе:

а) земляные работы

1а-1е, 3в, 3г, 4б, 5а, 6а, 6в

341

256

85

27,1

-

427

1ж, 3б, 4а, 6б

328

255

73

26,8

-

426

2а, 2в, 8е, 9а, 9в

421

310

111

34,8

-

431

2б, 8г, 11а

399

296

103

31,4

-

429

484

359

125

39,3

-

428

319

255

64

26,8

-

426

357

255

102

26,8

-

426

7а, 11б-11г, 12б

382

294

88

30,4

-

427

7б-8б, 11д, 11е

391

296

95

31,4

-

429

8в, 8д, 9б, 12е

412

308

104

33,7

-

429

10а

434

333

101

36,3

-

428

10б, 10в

441

335

106

37,9

-

431

12а, 12в

370

294

76

30

-

426

12г, 12д

387

306

81

32,6

-

426

б) фундаменты

1a, 1б

498

25,4

12,5

3,77

460,1

46,9

478

25,4

12,5

3,77

440,1

46,9

1г-1e

518

25,4

12,5

3,77

480,1

46,9

355

21,7

10,6

3,22

322,7

40

845

39,4

17,1

5,85

788,5

60,6

713

29,2

13

4,34

670,8

46,9

923

39,4

17,1

5,85

866,5

60,6

671

35,6

14

5,28

621,4

46,9

3а, 5б

396

21,7

10,6

3,22

363,7

40

389

21,7

10,6

3,22

356,7

40

3в, 4, 6б

414

21,7

10,6

3,22

381,7

40

341

21,7

10,6

3,22

308,7

40

425

21,7

10,6

3,22

392,7

40

6а, 6в

457

21,7

10,6

3,22

424,7

40

482

29,2

13

4,34

439,8

46,9

623

37,8

16,8

5,61

568,4

60,6

475

29,2

13

4,34

432,8

46,9

606

37,8

16,8

5,61

551,4

60,6

638

37,8

16,8

5,61

583,4

60,6

740

37,8

16,8

5,61

685,4

60,6

794

39,4

17,1

5,85

737,5

60,6

1220

37,8

16,8

5,61

1165,4

60,6

8д, 9б

703

39,4

17,1

5,85

646,5

60,6

1160

39,4

17,1

5,85

1103,5

60,6

765

39,4

17,1

5,85

708,5

60,6

779

39,4

17,1

5,85

722,5

60,6

10а

651

33

13,6

4,9

604,4

46,9

10б

858

42,7

17,6

6,34

797,7

60,6

10в

817

42,7

17,6

6,34

756,7

60,6

11а

663

29,2

13

4,34

620,8

46,9

11б-11г

540

29,2

13

4,34

497,8

46,9

11д, 11е

699

37,8

16,8

5,61

644,4

60,6

12а

385

25

11,1

3,7

348,9

40

12б, 12в

414

25

11,1

3,7

377,9

40

12г

429

26

11,3

3,86

391,7

40

12д

449

26

11,3

3,86

411,7

40

12е

527

26

11,3

3,86

489,7

40

в) отделочные работы

1а-1г, 1ж, 3б, 3в, 4а

479

323

9,46

2,85

146,54

442

1д, 1е, 5б

486

323

9,46

2,85

153,54

442

560

388

10

3,42

162

442

2б, 11б-11е

577

372

9,88

3,28

195,12

442

2в, 8в, 9а, 9в, 12е

597

388

10

3,42

199

442

674

452

10,6

3,99

211,4

442

465

323

9,46

2,85

132,54

442

450

323

9,46

2,85

117,54

442

4б, 5а, 6в

498

323

9,46

2,85

165,54

442

6а, 6б

492

323

9,46

2,85

159,54

442

7а-8а, 12а

538

372

9,88

3,28

156,12

442

522

372

9,88

3,28

140,12

442

594

372

9,88

3,28

212,12

442

8д, 8е, 9б, 12д

580

388

10

3,42

182

442

10а

701

420

10,3

3,7

270,7

442

10б

634

420

10,3

3,7

203,7

442

10в

601

420

10,3

3,7

170,7

442

11а

570

372

9,88

3,28

188,12

442

12б, 12в

551

372

9,88

3,28

169,12

442

12г

568

388

10

3,42

170

442

II. ЭЛЕКТРОМОНТАЖНЫЕ РАБОТЫ (электроосвещение)

1, 3-6

1020

155

91

32,5

774

273

2а, 2в, 8в, 8д, 9, 12г, 12д

1060

186

97,5

39

776,5

273

2б, 8а, 8б, 8г, 11а-11в

1050

178

95,9

37,4

776,1

273

1150

216

104

45,5

830

273

7

1040

178

95,9

37,4

766,1

273

1170

186

97,5

39

886,5

273

10

1130

201

101

42,2

828

273

12е

1120

186

97,5

39

836,5

273

Рис. 15. Площадка, тип 2. Типовой проект 266-14-13 (к цене № 18)

1 - танцевальная площадка с эстрадой; 2 - зона отдыха со скамьями; 3 - газон

РАЙОННАЯ ЦЕНА № 18

Танцевальная площадка на 100 танцующих пар, тип 2 (типовой проект 266-14-13)

Измеритель - 1 площадка

Районы

Прямые затраты, руб.

В том числе, руб.

Затраты труда рабочих, чел.-ч

основная заработная плата рабочих

эксплуатация машин

материальные ресурсы

всего

в том числе заработная плата рабочих, обслуживающих машины

1

2

3

4

5

6

7

I. СТРОИТЕЛЬНЫЕ РАБОТЫ

1a, 1в, 3в, 4а

5870

1420

143

46,2

4307

2210

5930

1430

148

46,5

4352

2210

1г, 1д, 4б-5б, 6б

6070

1420

149

46,2

4501

2210

1e

6350

1430

148

46,5

4772

2210

5490

1420

138

45,9

3932

2210

7310

1720

175

57,9

5415

2220

7630

1640

167

52,9

5823

2210

7890

1720

175

57,9

5995

2220

7730

2000

188

65,8

5542

2210

3а, 3б

5680

1420

134

45,9

4126

2210

5580

1420

146

45,9

4014

2210

6а, 6в

6220

1420

146

45,9

4654

2210

7, 12б

6220

1640

157

53,4

4423

2220

6450

1650

159

54,5

4641

2220

8б, 11д

6730

1650

159

54,5

4921

2220

8в, 9а, 9в

7160

1720

172

57,9

5268

2220

8620

1650

166

54,5

6804

2220

6570

1720

168

57,9

4682

2220

8060

1720

175

57,9

6165

2220

9б, 12д

6680

1710

158

56,7

4812

2220

10а, 10б

7700

1860

170

61,9

5670

2220

10в

7480

1860

173

62,9

5447

2220

11а

7460

1640

167

52,9

5653

2210

11б, 11г

6630

1640

155

52,9

4835

2210

11в, 11е

6820

1640

157

53,7

5023

2220

12а

5910

1640

144

52,2

4126

2210

12в

6370

1640

144

52,2

4586

2210

12г

6440

1710

149

55,5

4581

2210

12е

6980

1710

168

55,5

5102

2210

В том числе:

а) земляные работы

1а-1е, 3в, 3г, 4б, 5а, 6а, 6в

312

240

72

23,6

-

399

1ж, 3б, 4а, 6б

303

239

64

23,5

-

399

2а, 2в, 8е, 9а, 9в

382

289

93

29,8

-

402

2б, 8г, 11а

363

276

87

27,2

-

401

439

336

103

34

-

400

296

239

57

23,5

-

399

325

239

86

23,5

-

399

7а, 7б, 7г-8б, 11б-11е, 12б

352

276

76

27

-

400

358

276

82

26,7

-

400

8в, 8д, 9б, 12е

375

288

87

29,2

-

400

10

399

312

87

31,9

-

401

12а, 12в

341

275

66

26,4

-

399

12г, 12д

357

287

70

28,5

-

399

б) фундаменты

1a, 1б

866

109

16,1

4,85

740,9

189

880

109

16,1

4,85

754,9

189

1г-1e

926

109

16,1

4,85

800,9

189

1ж

776

107

15,1

4,57

653,9

186

2a

1200

136

19,4

6,64

1044,6

198

2б

1150

125

16,8

5,57

1008,2

189

1280

136

19,4

6,64

1124,6

198

1240

152

18

6,79

1070

189

3а, 5б

831

107

15,1

4,57

708,9

186

821

107

15,1

4,57

698,9

186

3в, 4, 6б

854

107

15,1

4,57

731,9

186

760

107

15,1

4,57

637,9

186

868

107

15,1

4,57

745,9

186

6а, 6в

910

107

15,1

4,57

787,9

186

7а, 7в

871

125

16,8

5,57

729,2

189

963

130

19,2

6,37

813,8

198

945

130

19,2

6,37

795,8

198

981

130

19,2

6,37

831,8

198

1090

130

19,2

6,37

940,8

198

1150

136

19,4

6,64

994,6

198

1600

130

19,2

6,37

1450,8

198

8д, 9б

1050

136

19,4

6,64

894,6

198

1550

136

19,4

6,64

1394,6

198

1120

136

19,4

6,64

964,6

198

1130

136

19,4

6,64

974,6

198

10а

1090

141

17,5

6,3

931,5

189

10б

1230

148

20

7,2

1062

198

10в

1180

148

20

7,2

1012

198

11а

1110

125

16,8

5,57

968,2

189

11б-11г

966

125

16,8

5,57

824,2

189

11д, 11е

1070

130

19,2

6,37

920,8

198

12а

792

123

15,8

5,26

653,2

186

12б, 12в

829

123

15,8

5,26

690,2

186

12г

853

128

16,1

5,48

708,9

186

12д

878

128

16,1

5,48

733,9

186

12е

980

128

16,1

5,48

835,9

186

в) отделочные работы

1а-1г, 1ж, 3б, 3в, 4а

1130

762

22,1

6,66

345,9

1050

1д, 1е, 5б

1150

762

22,1

6,66

365,9

1050

2a

1320

915

23,4

8

381,6

1050

2б, 11б-11е

1360

876

23,1

7,66

460,9

1050

2в, 8в, 9а, 9в, 12е

1410

915

23,4

8

471,6

1050

1590

1070

24,8

9,33

495,2

1050

1100

762

22,1

6,66

315,9

1050

1060

762

22,1

6,66

275,9

1050

4б,5а, бв

1180

762

22,1

6,66

395,9

1050

6а, 6б

1160

762

22,1

6,66

375,9

1050

7а-8а, 12а

1270

876

23,1

7,66

370,9

1050

1240

876

23,1

7,66

340,9

1050

1400

876

23,1

7,66

500,9

1050

8д, 9б, 12д

1370

915

23,4

8

431,6

1050

1380

915

23,4

8

441,6

1050

10а

1650

991

24,1

8,66

634,9

1050

10б

1500

991

24,1

8,66

484,9

1050

10в

1420

991

24,1

8,66

404,9

1050

11а

1340

876

23,1

7,66

440,9

1050

12б, 12в

1300

876

23,1

7,66

400,9

1050

12г

1340

915

23,4

8

401,6

1050

II. ЭЛЕКТРОМОНТАЖНЫЕ РАБОТЫ

(электроосвещение)

1, 3-6

1220

186

109

39

925

328

2a, 2в, 8в, 8д, 9, 12г, 12д

1280

223

117

46,9

940

328

2б, 8а, 8б, 8г, 11а-12в

1270

214

115

44,9

941

328

1380

260

125

54,7

995

328

7

1250

214

115

44,9

921

328

1400

223

117

46,9

1060

328

10

1360

242

121

50,8

997

328

12е

1350

223

117

46,9

1010

328

Рис. 16. Площадка, тип. 3. Типовой проект 266-14-14 (к цене № 19)

1 - танцевальная площадка с эстрадой; 2 - зона отдыха со скамьями; 3 - газон

РАЙОННАЯ ЦЕНА № 19

Танцевальная площадка на 100 танцующих пар, тип 3 (типовой проект 266-14-14)

Измеритель - 1 площадка

Районы

Прямые затраты, руб.

В том числе, руб.

Затраты труда рабочих, чел.-ч

основная заработная плата рабочих

эксплуатация машин

материальные ресурсы

всего

в том числе заработная плата рабочих, обслуживающих машины

1

2

3

4

5

6

7

I. СТРОИТЕЛЬНЫЕ РАБОТЫ

1а-1в, 5б

7770

1840

147

43,7

5783

3100

1г-1е, 4б, 5а, 6б

8000

1840

143

43,7

6017

3100

1ж, 3г

7370

1840

141

43,1

5389

3100

9220

2230

169

56,4

6821

3120

2б, 11а

9310

2120

158

50,8

7032

3110

9640

2230

169

56,4

7241

3120

10000

2580

173

62,4

7247

3110

3а-3в

7600

1840

140

43,1

5620

3100

7860

1840

140

43,1

5880

3100

6а, 6в

8200

1840

143

43,1

6217

3100

7а, 7в, 7г

8070

2130

157

52,2

5783

3120

7б, 12б, 12в

8190

2130

153

51,5

5907

3110

8400

2140

161

53,7

6099

3120

8б, 11б-11г

8670

2130

157

52,2

6383

3120

8в, 9а, 9в

9060

2230

168

56,4

6662

3120

10800

2140

164

53,7

8496

3120

8д, 9б

8650

2230

166

56,4

6254

3120

10400

2230

169

56,4

8001

3120

10а, 10б

9540

2410

166

59,5

6964

3120

10в

9320

2410

171

61,2

6739

3120

11д, 11е

8840

2140

161

53,7

6539

3120

12а

7890

2120

146

49,4

5624

3100

12г, 12д

8410

2210

149

51,9

6051

3100

12е

8930

2210

156

51,9

6564

3100

В том числе:

а) земляные работы

1а-1е

200

171

29

9,49

-

286

1ж, 3б, 4а, 6б

194

170

24

8,82

-

284

2а, 2в, 8е, 9а, 9в

247

207

40

13,1

-

289

2б, 7б-8б, 11а, 11д, 11е

231

198

33

11,4

-

288

280

239

41

13,6

-

286

191

170

21

8,82

-

284

3в, 3г, 4б, 5а, 6а, 6в

197

170

27

8,82

-

284

202

170

32

8,82

-

284

7а, 11б-11г

226

196

30

10,7

-

286

8в, 8д, 9б

244

207

37

13,1

-

289

235

199

36

12,2

-

289

10а

256

222

34

12,5

-

286

10б, 10в

263

224

39

14,3

-

289

12а, 12в

220

196

24

9,93

-

284

12б

223

196

27

9,93

-

284

12г, 12д

230

204

26

10,7

-

284

12е

237

204

33

10,7

-

284

б) фундаменты

1а, 1б

1440

228

21,6

6,54

1190,4

392

1500

228

21,6

6,54

1250,4

392

1г-1е

1560

228

21,6

6,54

1310,4

392

1340

224

19,6

5,94

1096,4

385

1960

283

27,1

9,28

1649,9

407

1840

262

22,6

7,52

1555,4

392

2070

283

27,1

9,28

1759,9

407

2100

319

24,2

9,15

1756,8

392

3а, 3б, 5б

1400

224

19,6

5,94

1156,4

385

3в, 4, 6б

1430

224

19,6

5,94

1186,4

385

1320

224

19,6

5,94

1076,4

385

1450

224

19,6

5,94

1206,4

385

6а, 6в

1500

224

19,6

5,94

1256,4

385

7а, 7в

1480

262

22,6

7,52

1195,4

392

1630

272

26,7

8,89

1331,3

407

1610

272

26,7

8,89

1311,3

407

1660

272

26,7

8,89

1361,3

407

8б, 11д, 11е

1800

272

26,7

8,89

1501,3

407

8в, 9в

1880

283

27,1

9,28

1569,9

407

2490

272

26,7

8,89

2191,3

407

8д, 9б

1760

283

27,1

9,28

1449,9

407

2460

283

27,1

9,28

2149,9

407

1850

283

27,1

9,28

1539,9

407

10а

1770

297

23,6

8,5

1449,4

392

10б

2000

307

27,9

10

1665,1

407

10в

1940

307

27,9

10

1605,1

407

11а

1810

262

22,6

7,52

1525,4

392

11б-11г

1620

262

22,6

7,52

1335,4

392

12а

1320

258

20,5

6,83

1041,5

385

12б, 12в

1370

258

20,5

6,83

1091,5

385

12г

1400

269

20,8

7,13

1110,2

385

12д

1440

269

20,8

7,13

1150,2

385

12е

1560

269

20,8

7,13

1270,2

385

в) отделочные работы

1, 3б, 3в, 4а, 5б

1310

970

36,5

10,4

303,5

1550

2а, 8д, 12г

1540

1160

38,6

12,5

341,4

1550

2б, 8г, 11

1520

1120

38,1

12

361,9

1550

2в, 8в, 8е, 9а, 9в, 12е

1570

1160

38,6

12,5

371,4

1550

1790

1360

40,7

14,6

389,3

1550

1300

970

36,5

10,4

293,5

1550

1280

970

36,5

10,4

273,5

1550

4б, 5а, 6

1330

970

36,5

10,4

323,5

1550

7а-8б, 12а

1460

1120

38,1

12

301,9

1550

9б, 12д

1550

1160

38,6

12,5

351,4

1550

10а

1760

1260

39,6

13,6

460,4

1550

10б

1680

1260

39,6

13,6

380,4

1550

10в

1640

1260

39,6

13,6

340,4

1550

12б, 12в

1490

1120

38,1

12

331,9

1550

II. ЭЛЕКТРОМОНТАЖНЫЕ РАБОТЫ

(электроосвещение)

1, 3-6

1300

198

116

41,6

986

349

2а, 2в, 8в, 8д, 9, 12г, 12д

1360

238

125

49,9

997

349

2б, 8а, 8б, 8г, 11а-12в

1350

228

123

47,8

999

349

1470

277

133

58,2

1060

349

7

1330

228

123

47,8

979

349

1490

238

125

49,9

1127

349

10

1450

257

129

54,1

1064

349

12е

1430

238

125

49,9

1067

349

9. ПАВИЛЬОНЫ И НАВЕСЫ НА ОСТАНОВКАХ ГОРОДСКОГО ТРАНСПОРТА

Рис. 17. Павильон (к цене № 20)

РАЙОННАЯ ЦЕНА № 20

Павильон на остановке городского транспорта, каркас железобетонный, стены кирпичные (типовой проект 320-41)

Измеритель - 1 павильон

Районы

Прямые затраты, руб.

В том числе, руб.

Затраты труда рабочих, чел.-ч

основная заработная плата рабочих

эксплуатация машин

материальные ресурсы

всего

в том числе заработная плата рабочих, обслуживающих машины

1

2

3

4

5

6

7

СТРОИТЕЛЬНЫЕ РАБОТЫ

1a, 4а, 6б

2050

351

132

45,6

1567

588

1б-1г, 5а, 6а

2130

351

132

45,6

1647

588

2160

351

132

45,6

1677

588

1е, 6в

2270

351

132

45,6

1787

588

1ж, 3в

1990

351

132

45,6

1507

588

2800

434

155

58

2211

608

2550

404

143

52,2

2003

588

3200

343

155

58

2702

608

2600

492

159

64,1

1949

588

3а, 3б, 3г

1960

351

129

45,6

1480

588

2090

351

132

45,6

1607

588

2410

351

137

52,2

1922

588

7а, 7в

2210

404

141

52,2

1665

588

7б, 7г

2350

416

147

55,2

1787

608

8а, 8б, 11д

2520

416

147

55,2

1957

608

2700

434

152

58

2114

608

3040

416

150

55,2

2474

608

8д, 9б

2470

434

152

58

1884

608

2910

434

155

58

2321

608

2620

434

155

58

2031

608

3010

434

155

58

2421

608

10а

2640

457

148

59,5

2035

588

10б

3070

471

157

63

2442

608

10в

3190

471

157

63

2562

608

11а

3130

404

143

52,2

2583

588

11б

2410

404

138

52,2

1868

588

11в

2450

404

138

52,2

1908

588

11г, 12б, 12в

2310

404

138

52,2

1768

588

11e

2550

416

147

55,2

1987

608

12а

2120

404

137

52,2

1579

588

12г

2340

422

138

54,8

1780

588

12д

2600

422

138

54,8

2040

588

12е

2430

422

146

54,8

1862

588

В том числе земляные работы

1а-1е, 3в, 3г, 4б, 5а, 6а, 6в

192

149

43

15,1

-

248

1ж, 3б, 4а, 6б

189

149

40

15,1

-

248

2а, 2в, 8е, 9а, 9в

237

181

56

19,9

-

252

2б, 7б-8б, 11а, 11д, 11е

221

172

49

17,9

-

250

266

208

58

21,4

-

248

186

149

37

15,1

-

248

198

149

49

15,1

-

248

7а, 11б-11г, 12б

216

171

45

17,1

-

248

8в, 8д, 9б

234

181

53

19,9

-

252

226

173

53

18,7

-

252

10а

244

194

50

19,8

-

248

10б, 10в

251

196

55

21,6

-

252

12а, 12в

213

171

42

17,1

-

248

12г, 12д

222

179

43

18,2

-

248

12е

230

179

51

18,2

-

248

Рис. 18. Навес, тип 1 (к ценам № 21 и 22)

РАЙОННАЯ ЦЕНА № 21

Навес на остановке общественного транспорта длиной 9 м, каркас железобетонный, тип 1 (типовой проект 320-41)

Измеритель - 1 навес

Районы

Прямые затраты, руб.

В том числе, руб.

Затраты труда рабочих, чел .-ч

основная заработная плата рабочих

эксплуатация машин

материальные ресурсы

всего

в том числе заработная плата рабочих, обслуживающих машины

1

2

3

4

5

6

7

СТРОИТЕЛЬНЫЕ РАБОТЫ

1a, 4, 6б

1760

192

95,6

33,2

1472,4

332

1б-1д, 5а

1850

192

95,6

33,2

1562,4

332

1e

1950

192

95,6

33,2

1662,4

332

1730

192

95,6

33,2

1442,4

332

2230

233

105

40,5

1892

336

2б, 8а, 11б, 11е

2060

222

101

38,5

1737

334

2710

233

105

40,5

2372

336

2180

268

110

46,5

1802

332

3а-3в

1680

192

95,6

33,2

1392,4

332

1660

192

95,6

33,2

1372,4

332

2140

192

95,6

33,2

1852,4

332

1800

192

95,6

33,2

1512,4

332

1980

192

95,6

33,2

1692,4

332

7а, 7б, 7г

1910

220

101

38,5

1589

334

7в, 12а

1850

220

101

38,5

1529

332

8б, 11д, 12б

2040

222

101

38,5

1717

334

2170

233

105

40,5

1832

336

2280

223

103

38,8

1954

336

8д, 9а, 9б, 12г

2020

232

104

40,2

1684

334

8е, 12д

2260

232

104

40,2

1924

334

2580

233

105

40,5

2242

336

10а

2240

249

106

43,2

1885

332

10б

2530

252

108

43,9

2170

336

10в

2710

252

108

43

2350

336

11а

2860

220

101

38,5

2539

332

11в

2110

220

101

38,5

1789

332

11г, 12в

1980

220

101

38,5

165,9

332

12е

2060

232

103

38,8

1725

332

В том числе земляные работы

1, 3-6

48,5

38,3

10,2

3,86

-

63,8

2а, 2в, 8в, 8д-9в

58,6

46,4

12,2

4,99

-

64,5

2б, 7а, 7в, 11a-11г, 12б

55

44

11

4,42

-

63,8

66,1

53,6

12,5

5,43

-

63,8

7б, 7г-8б, 8г, 11д, 11е

56,2

44,4

11,6

4,74

-

64,5

10а

61,3

49,7

11,6

5,04

-

63,8

10б, 10в

62,8

50,2

12,6

5,41

-

64,5

12а, 12в

54,5

44

10,5

4,42

-

63,8

12г, 12д

56,7

45,9

10,8

4,64

-

63,8

12е

57,3

45,9

11,4

4,64

-

63,8

РАЙОННАЯ ЦЕНА № 22

Навес на остановке общественного транспорта длиной 18 м, каркас железобетонный, тип 1 (типовой проект 320-41)

Измеритель - 1 навес

Районы

Прямые затраты, руб.

В том числе, руб.

Затраты труда рабочих, чел.-ч

основная заработная плата рабочих

эксплуатация машин

материальные ресурсы

всего

в том числе заработная плата рабочих, обслуживающих машины

1

2

3

4

5

6

7

СТРОИТЕЛЬНЫЕ РАБОТЫ

1а, 4, 6б

3350

357

190

66

2803

617

1б-1д, 5а

3520

357

190

66

2973

617

3710

357

190

66

3163

617

3290

357

190

66

2743

617

2а, 8е

4240

434

208

80,6

3598

626

2б, 8а, 11б

3930

413

202

76,5

3315

622

5200

434

208

80,6

4558

626

4120

500

218

92,5

3402

617

3а-3в

3180

357

190

66

2633

617

3150

357

190

66

2603

617

4090

357

191

66

3542

617

3410

357

190

66

2863

617

3760

357

190

66

3213

617

7а, 7б, 7г

3640

413

202

76,5

3025

622

3520

410

200

75,9

2910

617

8б, 11д, 11е, 12б

3860

413

202

76,5

3245

622

4130

434

208

80,6

3488

626

4340

416

204

77,2

3720

626

8д, 9а, 9б, 12г, 12е

3850

431

206

79,9

3213

622

4940

434

208

80,6

4298

626

10а

4270

464

210

85,9

3596

617

10б

4820

470

214

87,3

4136

626

10в

5180

470

214

87,3

4496

626

11а

5460

410

201

75,9

4849

617

11в

3980

410

200

75,9

3370

617

11г, 12в

3750

410

200

75,9

3140

617

12а

3470

410

200

75,9

2860

617

12д

4320

428

203

79,2

3689

617

В том числе земляные работы

1, 3-6

97

76,5

20,5

7,72

-

128

2а, 2в, 8в, 8д-9в

117

92,7

24,3

9,97

-

129

2б, 7а, 7в, 11а-11г, 12б

110

88

22

8,84

-

128

132

107

25

10,8

-

128

7б, 7г-8б, 8г, 11д, 11е

112

88,9

23,1

9,47

-

129

10а

123

99,5

23,5

10,1

-

128

10б, 10в

126

100

26

10,8

-

129

12а, 12в

109

88

21

8,84

-

128

12г, 12д

113

91,8

21,2

9,29

-

128

12е

115

91,8

23,2

9,29

-

128

Рис. 19. Навес, тип 2 (к ценам № 23 и 24)

РАЙОННАЯ ЦЕНА № 23

Навес на остановке общественного транспорта длиной 9 м, каркас железобетонный, тип 2 (типовой проект 320-41)

Измеритель - 1 навес

Районы

Прямые затраты, руб.

В том числе, руб.

Затраты труда рабочих, чел.-ч

основная заработная плата рабочих

эксплуатация машин

материальные ресурсы

всего

в том числе заработная плата рабочих, обслуживающих машины

1

2

3

4

5

6

7

СТРОИТЕЛЬНЫЕ РАБОТЫ

1a, 4, 6б

1720

180

84,4

29,1

1455,6

311

1б-1д, 5а

1810

180

84,4

29,1

1545,6

311

1e

1910

180

84,4

29,1

1645,6

311

1700

180

84,4

29,1

1435,6

311

2а, 8е

2180

218

92,4

35,6

1869,6

316

2б, 8а, 11б, 11е

2010

208

88,7

33,4

1713,3

313

2650

218

92,4

35,6

2339,6

316

2120

251

96,7

40,8

1772,3

311

3а-3в

1640

180

84,4

29,1

1375,6

311

1630

180

84,4

29,1

1365,6

311

2100

180

84,8

29,1

1835,2

311

1760

180

84,4

29,1

1495,6

311

1940

180

84,4

29,1

1675,6

311

7а, 7б, 7г

1860

206

88,7

33,4

1565,3

313

7в, 12а

1800

206

88,4

33,4

1505,6

311

8б, 11д, 12б

1980

209

88,9

33,4

1682,3

313

2110

218

92,4

35,6

1799,6

316

2220

209

90,8

34,1

1920,2

316

8д, 9а, 9б, 12г

1970

217

91,4

35,3

1661,6

313

2530

218

92,4

35,6

2219,6

316

10а

2180

233

93,3

37,8

1853,7

311

10б

2470

236

95,2

38,6

2138,8

316

10в

2650

236

95,2

38,6

2318,8

316

11а

2800

206

88,4

33,4

2505,6

311

11в

2060

206

88,4

33,4

1765,6

311

11г, 12в

1930

206

88,4

33,4

1635,6

311

12д

2220

215

90

34,9

1915

311

12е

2010

215

90

34,9

1705

311

В том числе земляные работы

1, 3-6

48,5

38,3

10,2

3,86

-

63,8

2а, 2в, 8в, 8д-9в

58,6

46,4

12,2

4,99

-

64,5

2б, 7а, 7в, 11а-11г, 12б

55

44

11

4,42

-

63,8

66,1

53,6

12,5

5,43

-

63,8

7б, 7г-8б, 8г, 11д, 11е

56,2

44,4

11,8

4,74

-

64,5

10а

61,3

49,7

11,6

5,04

-

63,8

10б, 10в

62,8

50,2

12,6

5,41

-

64,5

12а, 12в

54,5

44

10,5

4,42

-

63,8

12г, 12д

56,7

45,9

10,8

4,64

-

63,8

12е

57,3

45,9

11,4

4,64

-

63,8

РАЙОННАЯ ЦЕНА № 24

Навес на остановке общественного транспорта длиной 18 м, каркас железобетонный, тип 2 (типовой проект 320-41)

Измеритель - 1 навес

Районы

Прямые затраты, руб.

В том числе, руб.

Затраты труда рабочих, чел.-ч

основная заработная плата рабочих

эксплуатация машин

материальные ресурсы

всего

в том числе заработная плата рабочих, обслуживающих машины

1

2

3

4

5

6

7

СТРОИТЕЛЬНЫЕ РАБОТЫ

1а, 4, 6б

3250

332

168

57,8

2750

576

1б-1д, 5а

3420

332

168

57,8

2920

576

3620

332

168

57,8

3120

576

3200

332

167

57,8

2701

576

2а, 8е

4130

405

184

70,8

3541

585

2б, 8а, 11б

3820

385

178

67,1

3257

581

5080

405

184

70,8

4491

585

4000

465

192

81

3343

576

3а-3в

3090

332

168

57,8

2590

576

3060

332

168

57,8

2560

576

4000

332

168

57,8

3500

576

3310

332

168

57,8

2810

576

3670

332

168

57,8

3170

576

7а, 7б, 7г

3540

385

176

67,1

2979

581

3430

385

176

67,1

2869

576

8б, 11д, 11е, 12б

3770

388

180

67,8

3202

581

4020

405

184

70,8

3431

585

4220

388

180

67,8

3652

585

8д, 9а, 9б, 12г, 12е

3740

402

182

70,1

3156

581

4830

405

184

70,8

4241

585

10а

4160

432

185

75,2

3543

576

10б

4700

438

189,

76,7

4073

585

10в

5060

438

189

76,7

4433

585

11а

5350

382

176

66,5

4792

576

11в

3880

382

176

66,5

3322

576

11г, 12в

3650

382

176

66,5

3092

576

12а

3390

382

179

69,4

2829

576

12д

4220

399

179

69,4

3642

576

В том числе земляные работы

1, 3-6

97

76,5

20,5

7,72

-

128

2а, 2в, 8в, 8д-9в

117

92,7

24,3

9,97

-

129

2б, 7а, 7в, 11а-11г, 12б

110

88

22

8,84

-

128

132

107

25

10,8

-

128

7б, 7г-8б, 8г, 11д, 11е

112

88,9

23,4

9,47

-

129

10а

123

99,5

23,5

10,1

-

128

10б, 10в

126

100

26

10,8

-

129

12а, 12в

109

88

21

8,84

-

128

12г, 12д

113

91,8

21,2

9,29

-

128

12е

115

91,8

23,2

9,29

-

128

10. КНИЖНЫЙ КИОСК

Рис. 20. Пристенный книжный киоск. Типовой проект 310-6 (к цене № 25)

1 - торговое помещение; 2 - помещение для хранения товара

РАЙОННАЯ ЦЕНА № 25

Пристенный книжный киоск

Измеритель - 1 киоск

Районы

Прямые затраты, руб.

В том числе, руб.

Затраты труда рабочих, чел.-ч

основная заработная плата рабочих

эксплуатация машин

материальные ресурсы

всего

в том числе заработная плата рабочих, обслуживающих машины

1

2

3

4

5

6

7

I. СТРОИТЕЛЬНЫЕ РАБОТЫ

1а-1в, 1д, 1е, 4а

2010

162

11,1

3,63

1836,9

298

1г, 1ж, 5а

2070

162

11,1

3,63

1896,9

298

2а, 8д

2140

195

11,8

4,36

1933,2

298

2080

187

11,6

4,17

1881,4

298

2в, 8в

2080

195

11,8

4,36

1873,2

298

2420

227

12,5

5,08

2180,5

298

3а, 3б

2180

162

11,1

3,63

2006,9

298

1950

162

11,1

3,63

1776,9

298

2130

162

11,1

3,63

1956,9

298

2040

162

11,1

3,63

1866,9

298

5б, 6а

2240

162

11,1

3,63

2066,9

298

6б, 6в

2110

162

11,1

3,63

1936,9

298

7

2040

187

11,6

4,17

1841,4

298

8a, 8б

2130

187

11,6

4,17

1931,4

298

2150

187

11,6

4,17

1951,4

298

2800

195

11,8

4,36

2593,2

298

9а, 9б, 12г, 12д

2200

195

11,8

4,36

1993,2

298

2280

195

11,8

4,36

2073,2

298

10а

2300

211

12,2

4,72

2076,8

298

10б

2420

211

12,2

4,72

2196,8

298

10в

2380

211

12,2

4,72

2156,8

298

11а-12в

2200

187

11,6

4,17

2001,4

298

12е

2310

195

11,8

4,36

2103,2

298

II. МОНТАЖ МЕТАЛЛОКОНСТРУКЦИЙ

1, 3-5

1060

72

50,3

17,4

937,7

122

2а, 2в, 8в, 8д, 8е, 12г-12е

1100

86,4

53,8

20,9

959,8

122

2б, 8а, 8б, 8г, 11а-12в

1090

82,8

52,9

20

954,3

122

1120

101

57,2

24,4

961,8

122

6

1080

72

50,3

17,4

957,7

122

7

1080

82,8

52,9

20

944,3

122

9

1120

86,4

53,8

20,9

979,8

122

10

1210

93,6

55,5

22,7

1060,9

122

III. ЭЛЕКТРОМОНТАЖНЫЕ РАБОТЫ

1, 3-6

1080

183

51,3

17,8

845,7

315

2а, 2в, 8в, 8д, 9, 12г, 12д

1140

220

54,8

21,4

865,2

315

2б, 8а, 8б, 8г, 11а-12в

1120

211

54

20,5

855

315

1230

256

58,4

24,9

915,6

315

7

1110

211

54

20,5

845

315

1240

220

54,8

21,4

965,2

315

10

1210

238

56,6

23,2

915,4

315

12е

9680

220

54,8

21,4

9405,2

315

В том числе:

а) электроосвещение

1, 3-6

852

83,8

37,1

12,7

731,1

146

2а, 2в, 8в, 8д, 9, 12г, 12д

879

100

39,7

15,3

739,3

146

2б, 8а, 8б, 8г, 11а-12в

874

96,4

39

14,6

738,6

146

947

117

42,2

17,8

787,8

146

7

863

96,4

39

14,6

727,6

146

977

100

39,7

15,3

837,3

146

10

937

109

41

16,6

787

146

12е

942

100

39,7

15,3

802,3

146

б) сигнализация пожарная

1, 4

232

99,4

14,1

5,08

118,5

169

2а, 2в, 8в, 8д, 9, 12г, 12д

256

119

15,2

6,1

121,8

169

2б, 8а, 8б, 8г, 11а-12в

251

114

14,9

5,84

122,1

169

283

139

16,2

7,12

127,8

169

3, 5, 6

235

99,4

14,1

5,08

121,5

169

7

248

114

14,9

5,84

119,1

169

268

119

15,2

6,1

133,8

169

10

273

129

15,7

6,61

128,3

169

12е

262

119

15,2

6,1

127,8

169

11. УБОРНЫЕ

Рис. 21. Уборные на два очка. Типовой проект 264-9-26 (к ценам № 26-29)

1 - тамбур; 2 - кабина; 3 - мусоросборник; 4 - выгреб

РАЙОННАЯ ЦЕНА № 26

Уборная на 2 очка с выгребом, из сборных железобетонных колец, стены кирпичные (типовой проект 264-9-26)

Измеритель - 1 уборная

Районы

Прямые затраты, руб.

В том числе, руб.

Затраты труда рабочих, чел.-ч

основная заработная плата рабочих

эксплуатация машин

материальные ресурсы

всего

в том числе заработная плата рабочих, обслуживающих машины

1

2

3

4

5

6

7

I. СТРОИТЕЛЬНЫЕ РАБОТЫ

1а, 3в

2030

229

293

95,3

1508

409

1б, 1в, 3г, 5а

2080

229

293

95,3

1558

409

1г, 1д, 4б

2110

229

293

95,3

1588

409

1e

2270

229

293

95,3

1748

409

1930

229

267

95,3

1434

409

2500

274

350

115

1876

409

2530

263

342

108

1925

409

2690

274

350

115

2066

409

2590

320

396

136

1874

409

1950

229

247

95,3

1474

409

1950

229

267

95,3

1454

409

1980

229

267

95,3

1484

409

2340

229

335

95,3

1776

409

6а, 6в

2160

229

293

95,3

1638

409

2090

229

267

95,3

1594

409

2160

263

306

108

1591

409

7б, 7г

2100

263

306

108

1531

409

2220

263

326

108

1631

409

8а, 11г

2240

263

306

108

1671

409

8б, 11д

2280

263

306

108

1711

409

2350

274

329

115

1747

409

2600

263

326

108

12011

409

2170

274

329

115

1567

409

2540

274

350

115

1916

409

9а, 9в

2460

274

350

115

1836

409

2290

274

329

115

1687

409

10а

2520

297

339

125

1884

409

10б, 10в

2630

297

339

125

1994

409

11а

2680

263

342

108

2075

409

11б, 11е

2310

263

306

108

1741

409

11в

2370

263

306

108

1801

409

12а

2050

263

280

108

1507

409

12б

2210

263

306

108

1641

409

12в

2190

263

280

108

1647

409

12г

2170

274

293

115

1603

409

12д

2340

274

293

115

1773

409

12е

2380

274

350

115

1756

409

В том числе земляные работы

1а-1е, 3в, 3г, 4б, 5а, 6а, 6в

243

35

208

67,7

-

56,8

1ж, 3б, 4а, 6б

217

34

183

67,7

-

56,8

2а, 2в, 8е, 9а, 9в, 12е

301

42

259

82,3

-

56,8

2б, 11а

293

40

253

76,1

-

56,8

348

48

300

96,9

-

56,8

197

35

162

67,7

-

56,8

285

35

250

67,7

-

56,8

7а, 7б, 7г-8б, 11б-11e, 12б

257

40

217

76,1

-

56,8

7в, 8г

277

39

238

76,1

-

56,8

8в, 8д, 9б

280

41

239

82,3

-

56,8

10

291

45

246

89,6

-

56,8

12а, 12в

231

40

191

76,1

-

56,8

12г, 12д

244

42

202

82,3

-

56,8

П. ЭЛЕКТРОМОНТАЖНЫЕ РАБОТЫ

(электроосвещение)

1, 3-6

52,8

12,3

5,33

1,93

35,17

21,7

2а, 2в, 8в, 8д, 9, 12г, 12д

56

14,8

5,71

2,31

35,49

21,7

2б, 8а, 8б, 8г, 11а-12в

55,3

14,2

5,62

2,21

35,48

21,7

61,1

17,2

6,1

2,7

37,8

21,7

7

54,8

14,2

5,62

2,21

34,98

21,7

60,8

14,8

5,71

2,31

40,29

21,7

10

59,7

16

5,91

2,5

37,79

21,7

12е

58,6

14,8

5,71

2,31

38,09

21,7

РАЙОННАЯ ЦЕНА № 27

Уборная на 2 очка с выгребом, из монолитного бетона, стены кирпичные (типовой проект 264-9-26)

Измеритель - 1 уборная

Районы

Прямые затраты, руб.

В том числе, руб.

Затраты труда рабочих, чел.-ч

основная заработная плата рабочих

эксплуатация машин

материальные ресурсы

всего

в том числе заработная плата рабочих, обслуживающих машины

1

2

3

4

5

6

7

I. СТРОИТЕЛЬНЫЕ МАТЕРИАЛЫ

1a, 1в, 3в, 3г

2260

317

247

79,5

1696

558

2280

317

247

79,5

1716

558

1г, 1д, 5а

2320

317

247

79,5

1756

558

2480

317

247

79,5

1916

558

2110

317

226

79,5

1567

558

2780

380

294

96,2

2106

558

2910

364

287

90

2259

558

2920

380

294

96,2

2246

558

2900

444

331

113

2125

558

2180

317

210

79,5

1653

558

2170

317

226

79,5

1627

558

2210

317

226

79,5

1667

558

2350

317

247

79,5

1786

558

2460

317

281

79,5

1862

558

6а, 6в

2400

317

247

79,5

1836

558

2310

317

226

79,5

1767

558

7а, 12б

2380

364

258

90

1758

558

76, 7г

2310

364

258

90

1688

558

2420

364

275

90

1781

558

2430

364

258

90

1808

558

8б, 11б, 11г, 11д

2510

364

258

90

1888

558

2610

380

277

96,2

1953

558

3130

364

275

90

2491

558

2400

380

277

96,2

1743

558

2980

380

294

96,2

2306

558

2710

380

294

96,2

2036

558

2460

380

277

96,2

1803

558

2630

380

294

96,2

1956

558

10

2820

412

285

105

2123

558

11а

2850

364

287

90

2199

558

11в, 11e

2560

364

258

90

1938

558

12а

2260

364

237

90

1659

558

12в

2410

364

237

90

1809

558

12г

2410

380

247

96,2

1783

558

12д

2510

380

247

96,2

1883

558

12е

2680

380

294

96,2

2006

558

В том числе земляные работы

1а-1е, 3в, 3г, 4б, 5а, 6а, 6в

199

31

168

54,6

-

49,8

1ж, 3б, 4а, 6б

178

31

147

54,6

-

49,8

2а, 2в, 8е, 9а, 9в, 12е

246

36

210

66,4

-

49,8

2б, 11а

240

35

205

61,4

-

49,8

285

43

242

78,2

-

49,8

161

30

131

54,6

-

49,8

232

30

202

54,6

-

49,8

7а, 7б, 7г-8б, 11б-11e, 12б

210

35

175

61,4

-

49,8

7в, 8г

227

35

192

61,4

-

49,8

8в, 8д, 9б

229

36

193

66,4

-

49,8

10

238

39

199

72,3

-

49,8

12а, 12в

189

35

154

61,4

-

49,8

12г, 12д

200

37

163

66,4

-

49,8

П. ЭЛЕКТРОМОНТАЖНЫЕ РАБОТЫ

(электроосвещение)

1, 3-6

52,8

12,3

5,33

1,93

35,17

21,7

2а, 2в, 8в, 8д, 9, 12г, 12д

56

14,8

5,71

2,31

35,49

21,7

2б, 8а, 8б, 8г, 11а-12в

55,3

14,2

5,62

2,21

35,48

21,7

61,1

17,2

6,1

2,7

37,8

21,7

7

54,8

14,2

5,62

2,21

34,98

21,7

60,8

14,8

5,71

2,31

40,29

21,7

10

59,7

16

5,91

2,5

37,79

21,7

12е

58,6

14,8

5,71

2,31

38,09

21,7

РАЙОННАЯ ЦЕНА № 28

Уборная на 2 очка с выгребом, из сборных железобетонных колец, стены каркасно-обшивные (типовой проект 264-9-26)

Измеритель - 1 уборная

Районы

Прямые затраты, руб.

В том числе, руб.

Затраты труда рабочих, чел.-ч

основная заработная плата рабочих

эксплуатация машин

материальные ресурсы

всего

в том числе заработная плата рабочих, обслуживающих машины

1

2

3

4

5

6

7

I. СТРОИТЕЛЬНЫЕ РАБОТЫ

1а-1в, 1д, 4б

1840

231

276

89,4

1333

414

1г, 1е, 5а

1880

231

276

89,4

1373

414

1740

231

251

89,4

1258

414

2а, 12е

2140

277

332

108

1531

414

2080

266

324

101

1490

414

2240

277

332

108

1631

414

2320

324

376

127

1620

414

1770

231

230

89,4

1309

414

1760

231

251

89,4

1278

414

3в, 3г

1800

231

276

89,4

1293

414

1800

231

251

89,4

1318

414

2010

231

318

89,4

1461

414

6а, 6в

1920

231

276

89,4

1413

414

1860

231

251

89,4

1378

414

7а, 7б

1880

266

288

101

1326

414

1910

266

309

101

1335

414

1860

266

288

101

1306

414

1960

266

288

101

1406

414

1980

266

288

101

1426

414

2060

277

311

108

1472

414

2230

266

309

101

1655

414

2000

277

311

108

1412

414

2390

277

332

108

1781

414

2100

277

332

108

1491

414

2080

277

311

108

1492

414

2210

277

332

108

1601

414

10а

2170

300

320

118

1550

414

10б, 10в

2290

300

320

118

1670

414

11а

2310

266

324

101

1720

414

11б, 11д, 11е

2040

266

288

101

1486

414

11в

2100

266

288

101

1546

414

11г, 12б

2020

266

288

101

1466

414

12а

1850

266

262

101

1322

414

12в

1930

266

262

101

1402

414

12г

1960

277

275

108

1408

414

12д

2040

277

275

108

1488

414

В том числе земляные работы

1a-1e, 3в, 3г, 4б, 5а, 6а, 6в

243

35

208

67,7

-

56,8

1ж, 3б, 4а, 6б

217

34

183

67,7

-

56,8

2а, 2в, 8е, 9а, 9в, 12е

301

42

259

82,3

-

56,8

2б, 11а

293

40

253

76,1

-

56,8

348

48

300

96,9

-

56,8

197

35

162

67,7

-

56,8

285

35

250

67,7

-

56,8

7а, 7б, 7г-8б, 11б-11е, 12б

257

40

217

76,1

-

56,8

7в, 8г

277

39

238

76,1

-

56,8

8в, 8д, 9б

280

41

239

82,3

-

56,8

10

291

45

246

89,6

-

56,8

12а, 12в

231

40

191

76,1

-

56,8

12г, 12д

244

42

202

82,3

-

56,8

II. ЭЛЕКТРОМОНТАЖНЫЕ РАБОТЫ

(электроосвещение)

1, 3-6

52,8

12,3

5,33

1,93

35,17

21,7

2а, 2в, 8в, 8д, 9, 12г, 12д

56

14,8

5,71

2,31

35,49

21,7

2б, 8а, 8б, 8г, 11а-12в

55,3

14,2

5,62

2,21

35,48

21,7

61,1

17,2

6,1

2,7

37,8

21,7

7

54,8

14,2

5,62

2,21

34,98

21,7

60,8

14,8

5,71

2,31

40,29

21,7

10

59,7

16

5,91

2,5

37,79

21,7

12е

58,6

14,8

5,71

2,31

38,09

21,7

РАЙОННАЯ ЦЕНА № 29

уборная на 2 очка с выгребом, из монолитного бетона, стены каркасно-обшивные (типовой проект 264-9-26)

Измеритель - 1 уборная

Районы

Прямые затраты, руб.

В том числе, руб.

Затраты труда рабочих, чел.-ч

основная заработная плата рабочих

эксплуатация машин

материальные ресурсы

всего

в том числе заработная плата рабочих, обслуживающих машины

1

2

3

4

5

6

7

I. СТРОИТЕЛЬНЫЕ РАБОТЫ

1а-1в, 3в

2040

319

231

73,6

1490

563

1г-1е, 5а

2080

319

231

73,6

1530

563

1920

319

210

73,6

1391

563

2410

383

276

89,2

1751

563

2460

367

270

83,2

1823

563

2в, 12е

2470

383

276

89,2

1811

563

2620

447

312

105

1861

563

2000

319

193

73,6

1488

563

1980

319

210

73,6

1451

563

1980

319

231

73,6

1430

563

2030

319

210

73,6

1501

563

2070

319

231

73,6

1520

563

2120

319

264

73,6

1537

563

2180

319

231

73,6

1630

563

2080

319

210

73,6

1551

563

2150

319

231

73,6

1600

563

7а, 7б

2090

367

240

83,2

1483

563

2110

367

257

83,2

1486

563

2070

367

240

83,2

1463

563

2150

367

240

83,2

1543

563

2240

367

240

83,2

1633

563

2320

383

259

89,2

1678

563

2760

367

257

83,2

2136

563

2220

383

259

89,2

1578

563

2830

383

276

89,2

2171

563

9а, 9в

2360

383

276

89,2

1701

563

2250

383

259

89,2

1608

563

10а, 10в

2460

415

267

97

1778

563

10б

2500

415

267

97

1818

563

11а

2490

367

270

83,2

1853

563

11б-11e

2270

367

240

83,2

1663

563

12a

2060

367

219

83,2

1474

563

12б

2200

367

240

83,2

1593

563

12в

2140

367

219

83,2

1554

563

12г, 12д

2210

383

229

89,2

1598

563

В том числе земляные работы

1а-1е, 3в, 3г, 4б, 5а, 6а, 6в

199

31

168

54,6

-

49,8

1ж, 3б, 4а, 6б

178

31

147

54,6

-

49,8

2а, 2в, 8е, 9а, 9в, 12е

246

36

210

66,4

-

49,8

2б, 11а

240

35

205

61,4

-

49,8

285

43

242

78,2

-

49,8

161

30

131

54,6

-

49,8

232

30

202

54,6

-

49,8

7а, 7б, 7г-8б, 11б-11e, 12б

210

35

175

61,4

-

49,8

7в, 8г

227

35

192

61,4

-

49,8

8в, 8д, 9б

229

36

193

66,4

-

49,8

10

238

39

199

72,3

-

49,8

12a, 12в

189

35

154

61,4

-

49,8

12г, 12д

200

37

163

66,4

-

49,8

П. ЭЛЕКТРОМОНТАЖНЫЕ РАБОТЫ

(электроосвещение)

1, 3-6

52,8

12,3

5,33

1,93

35,17

21,7

2а, 2в, 8в, 8д, 9, 12г, 12д

56

14,8

5,71

2,31

35,49

21,7

2б, 8а, 8б, 8г, 11а-12в

55,3

14,2

5,62

2,21

35,48

21,7

61,1

17,2

6,1

2,7

37,8

21,7

7

54,8

14,2

5,62

2,21

34,98

21,7

60,8

14,8

5,71

2,31

40,29

21,7

10

59,7

16

5,91

2,5

37,79

21,7

12е

58,6

14,8

5,71

2,31

38,09

21,7

Рис. 22. Уборные на четыре очка. Типовой проект 284-9-27 (к ценам № 30-33)

1 - тамбур; 2 - кабина; 3 -мусоросборник; 4 - выгреб

РАЙОННАЯ ЦЕНА № 30

Уборная на 4 очка с выгребом, из сборных железобетонных колец, стены кирпичные (типовой проект 284-9-27)

Измеритель - 1 уборная

Районы

Прямые затраты, руб.

В том числе, руб.

Затраты труда рабочих, чел.-ч

основная заработная плата рабочих

эксплуатация машин

материальные ресурсы

всего

в том числе заработная плата рабочих, обслуживающих машины

1

2

3

4

5

6

7

I. СТРОИТЕЛЬНЫЕ РАБОТЫ

1a, 3в, 3г

3240

348

401

131

2491

621

1б, 1в, 5а

3310

348

401

131

2561

621

1г, 1д, 4б

3350

348

401

131

2601

621

1e

3610

348

401

131

2861

621

1ж, 3б

3090

348

367

131

2375

621

2а, 9в

3970

418

477

158

3075

621

3980

401

466

148

3113

621

4300

418

477

158

3405

621

4100

488

538

186

3074

621

3100

348

340

131

2412

621

3170

348

367

131

2455

621

3740

348

456

131

2936

621

3410

348

401

131

2661

621

3330

348

367

131

2615

621

3460

348

401

131

2711

621

3430

401

419

148

2610

621

7б, 7г

3340

401

419

148

2520

621

3510

401

446

148

2663

621

8а, 8б, 11г, 12б

3570

401

419

148

2750

621

3740

418

449

158

2873

621

4090

401

446

148

3243

621

3460

418

449

158

2593

621

4010

418

477

158

3115

621

3860

418

477

158

2965

621

3680

418

449

158

2813

621

10а

4000

453

463

172

3084

621

10б

4200

453

463

172

3284

621

10в

4250

453

463

172

3334

621

11а

4320

401

466

148

3453

621

11б, 11д, 11е

3670

401

419

148

2850

621

11в

3790

401

419

148

2970

621

12а

3270

401

384

148

2485

621

12в

3500

401

384

148

2715

621

12г

3470

418

402

158

2650

621

12д

3760

418

402

158

2940

621

12е

3770

418

477

158

2875

621

В том числе земляные работы

1а-1е, 3а, 3г, 4б, 5а, 6а, 6в

323

47

276

89,4

-

78,4

1ж, 3б, 4а, 6б

289

48

241

89,4

-

78,4

2а, 2а, 8е, 9а, 9б, 12е

400

57

343

109

-

78,4

2б, 11а

389

55

334

100

-

78,4

463

67

396

128

-

78,4

262

48

214

89,4

-

78,4

378

48

330

89,4

-

78,4

7а, 7б, 7г-8б, 11в-11e, 12б

341

55

286

100

-

78,4

7в, 8г

369

55

314

100

-

78,4

8в, 8д, 9б

372

57

315

109

-

78,4

10

387

62

325

118

-

78,4

12а, 12в

307

55

252

100

-

78,4

12г, 12д

325

58

267

109

-

78,4

П. ЭЛЕКТРОМОНТАЖНЫЕ РАБОТЫ

(электроосвещение)

1, 3-6

69,1

16,1

6,97

2,52

46,03

28,4

2а, 2в, 8в, 8д, 9, 12г, 12д

73,3

19,4

7,48

3,02

46,42

28,4

2б, 8а, 8б, 8г, 11а-12в

72,4

18,5

7,35

2,9

46,55

28,4

79,9

22,6

7,98

3,53

49,32

28,4

7

71,7

18,5

7,35

2,9

45,85

28,4

79,5

19,4

7,48

3,02

52,62

28,4

10

78,1

21

7,73

3,28

49,37

28,4

12е

76,7

19,4

7,48

3,02

49,82

28,4

РАЙОННАЯ ЦЕНА № 31

Уборная на 4 очка с выгребом, из монолитного бетона, стены кирпичные (типовой проект 284-9-27)

Измеритель - 1 уборная

Районы

Прямые затраты, руб.

В том числе, руб.

Затраты труда рабочих, чел.-ч

основная заработная плата рабочих

эксплуатация машин

материальные ресурсы

всего

в том числе заработная плата рабочих, обслуживающих машины

1

2

3

4

5

6

7

I. СТРОИТЕЛЬНЫЕ РАБОТЫ

1а, 3в, 3г

3540

504

370

119

2666

891

1б, 1в

3570

504

370

119

2696

891

1г, 1д, 5а

3640

504

370

119

2766

891

3880

504

370

119

3006

891

3320

504

340

119

2476

891

4340

605

437

144

3298

891

4550

580

428

134

3542

891

4590

605

437

144

3548

891

4560

706

492

169

3362

891

3410

504

316

119

2590

891

3410

504

340

119

2566

891

3470

504

340

119

2626

891

3680

504

370

119

2806

891

3870

504

418

119

2948

891

6а, 6в

3760

504

370

119

2886

891

3630

504

340

119

2786

891

3720

580

386

134

2754

891

7б, 7г

3630

580

386

134

2664

891

3800

580

410

134

2810

891

3820

580

386

134

2854

891

8б, 11б, 11г, 11д

3950

580

386

134

2984

891

4100

605

413

144

3082

891

4890

580

410

134

3900

891

3770

605

413

144

2752

891

4680

605

437

144

3638

891

9а, 12е

4230

605

437

144

3188

891

3860

605

413

144

2842

891

4150

605

437

144

3108

891

10

4430

655

426

156

3349

891

11а

4490

580

428

134

3482

891

11в, 11е

4010

580

386

134

3044

891

12а

3560

580

356

134

2624

891

12б

3770

580

386

134

2804

891

12в

3780

580

356

134

2844

891

12г

3800

605

371

144

2824

891

12д

3950

605

371

144

2974

891

В том числе земляные работы

1а-1е, 3в, 3г, 4б, 5а, 6а, 6в

281

41

240

77,9

-

67,4

1ж, 3б, 4а, 6б

251

41

210

77,9

-

67,4

2а, 2в, 8е, 9а, 9в, 12е

348

49

299

94,7

-

67,4

2б, 11а

339

47

292

87,5

-

67,4

403

57

346

111

-

67,4

227

41

186

77,9

-

67,4

330

42

288

77,9

-

67,4

7а, 7б, 7г-8б, 11б-11е, 12б

297

47

250

87,5

-

67,4

7в, 8г

321

47

274

87,5

-

67,4

8в, 8д, 9б

324

49

275

94,7

-

67,4

10

337

53

284

103

-

67,4

12а, 12в

267

47

220

87,5

-

67,4

12г, 12д

282

49

233

94,7

-

67,4

П. ЭЛЕКТРОМОНТАЖНЫЕ РАБОТЫ

(электроосвещение)

1, 3-6

69,1

16,1

6,97

2,52

46,03

28,4

2а, 2в, 8в, 8д, 9, 12г, 12д

73,3

19,4

7,48

3,02

46,42

28,4

2б, 8а, 8б, 8г, 11а-12в

72,4

18,5

7,35

2,9

46,55

28,4

79,9

22,6

7,98

3,53

49,32

28,4

7

71,7

18,5

7,35

2,9

45,85

28,4

79,5

19,4

7,48

3,02

52,62

28,4

10

78,1

21

7,73

3,28

49,37

28,4

12е

76,7

19,4

7,48

3,02

49,82

28,4

РАЙОННАЯ ЦЕНА № 32

Уборная на 4 очка с выгребом, из сборных железобетонных колец, стены каркасно-обшивные (типовой проект 284-9-27)

Измеритель - 1 уборная

Районы

Прямые затраты, руб.

В том числе, руб.

Затраты труда рабочих, чел.-ч

основная заработная плата рабочих

эксплуатация машин

материальные ресурсы

всего

в том числе заработная плата рабочих, обслуживающих машины

1

2

3

4

5

6

7

I. СТРОИТЕЛЬНЫЕ РАБОТЫ

1а, 1в, 1д, 4б

2880

340

378

122

2162

609

1б, 5а

2920

340

378

122

2282

609

1г, 1е

2970

340

378

122

2252

609

2740

340

344

122

2056

609

3350

408

452

148

2490

609

3250

391

442

138

2417

609

3550

408

452

148

2690

609

3620

476

512

174

2632

609

2770

340

316

122

2114

609

2770

340

344

122

2086

609

3в, 3г

2830

340

378

122

2112

609

2850

340

344

122

2166

609

3180

340

433

122

2407

609

6в, 6в

3040

340

378

122

2322

609

2930

340

344

122

2246

609

7а, 7б

2950

391

394

138

2165

609

2990

391

421

138

2178

609

2920

391

394

138

2135

609

8а, 8б

3100

391

394

138

2315

609

3240

408

424

148

2408

609

3480

391

421

138

2668

609

3130

408

424

148

2298

609

3740

408

452

148

2880

609

3280

408

452

148

2420

609

3290

408

424

148

2458

609

3510

408

452

148

2650

609

10а

3410

442

437

161

2531

609

10б, 10в

3640

442

437

161

2761

609

11а

3680

391

442

138

2847

609

11б, 11д, 11е

3220

391

394

138

2435

609

11в

3330

391

394

138

2545

609

11г, 12б

3180

391

394

138

2395

609

12а

2920

391

360

138

2169

609

12в

3070

391

360

138

2319

609

12г

3100

408

377

148

2315

609

12д

3260

408

377

148

2475

609

12е

3400

408

452

148

2540

609

В том числе земляные работы

1a-1e, 3а, 3г, 4б, 5а, 6а, 6в

323

47

276

89,4

-

78,4

1ж, 3б, 4а, 6б

289

48

241

89,4

-

78,4

2а, 2в, 8е, 9а, 9в, 12е

400

57

343

109

-

78,4

2б, 11а

389

55

334

100

-

78,4

463

67

396

128

-

78,4

262

48

214

89,4

-

78,4

378

48

330

89,4

-

78,4

7а, 7б, 7г-8б, 11б-11е, 12б

341

55

286

100

-

78,4

7в, 8г

369

55

314

100

-

78,4

8в, 8д, 9б

372

57

315

109

-

78,4

10

387

62

325

118

-

78,4

12а, 12в

307

55

252

100

-

78,4

12г, 12д

325

58

267

109

-

78,4

II. ЭЛЕКТРОМОНТАЖНЫЕ РАБОТЫ

(электроосвещение)

1, 3-6

б9,1

16,1

6,97

2,52

46,03

28,4

2а, 2в, 8в, 8д, 9, 12г, 12д

73,3

19,4

7,48

3,02

46,42

28,4

2б, 8в, 8б, 8г, 11а-12в

72,4

18,5

7,35

2,9

46,55

28,4

79,9

22,6

7,98

3,53

49,32

28,4

7

71,7

18,5

7,35

2,9

45,85

28,4

79,5

19,4

7,48

3,02

52,62

28,4

10

78,1

21

7,73

3,28

49,37

28,4

12е

76,7

19,4

7,48

3,02

49,82

28,4

РАЙОННАЯ ЦЕНА № 33

Уборная на 4 очка с выгребом, из монолитного бетона, стены каркасно-обшивные (типовой проект 284-9-27)

Измеритель - 1 уборная

Районы

Прямые затраты, руб.

В том числе, руб.

Затраты труда рабочих, чел.-ч

основная заработная плата рабочих

эксплуатация машин

материальные ресурсы

всего

в том числе заработная плата рабочих, обслуживающих машины

1

2

3

4

5

6

7

I. СТРОИТЕЛЬНЫЕ РАБОТЫ

1а-1в, 3в

3160

496

347

110

2317

879

1г-1е, 4б, 5а

3230

496

347

110

2387

879

2990

496

317

110

2177

879

3730

595

412

134

2723

879

3810

570

404

125

2836

879

2в, 12е

3840

595

412

134

2833

879

4080

694

466

157

2920

879

3080

496

293

110

2291

879

3070

496

317

110

2257

879

3090

496

347

110

2247

879

3150

496

317

110

2337

879

3300

496

395

110

2409

879

3390

496

347

110

2547

879

3230

496

317

110

2417

879

3340

496

347

110

2497

879

7а, 7б

3240

570

361

125

2309

879

3280

570

386

125

2324

879

3200

570

361

125

2269

879

3330

570

361

125

2399

879

3470

570

361

125

2539

879

3600

595

388

134

2617

879

4280

570

386

125

3324

879

3440

595

388

134

2457

879

4420

595

412

134

3413

879

9а, 9в

3670

595

412

134

2663

879

3480

595

388

134

2497

879

10а, 10в

3820

645

400

145

2775

879

10б

3900

645

400

145

2855

879

11а

3860

570

404

125

2886

879

116-11e

3530

570

361

125

2599

879

12a

3210

570

331

125

2309

879

12б

3420

570

361

125

2489

879

12в

3340

570

331

125

2439

879

12г, 12д

3440

595

346

134

2499

879

В том числе земляные работы

1а-1е, 3в, 3г, 4б, 5а, 6а, 6в

281

41

240

77,9

-

67,4

1ж, 3б, 4а, 6б

251

41

210

77,9

-

67,4

2а, 2в, 8е, 9а, 9в, 12е

348

49

299

94,7

-

67,4

2б, 11а

339

47

292

87,5

-

67,4

403

57

346

111

-

67,4

227

41

186

77,9

-

67,4

330

42

288

77,9

-

67,4

7а, 7б, 7г-8б, 11б-11e, 12б

297

47

250

87,5

-

67,4

7в, 8г

321

47

274

87,5

-

67,4

8в, 8д, 9б

324

49

275

94,7

-

67,4

10

337

53

284

103

-

67,4

12а, 12в

267

47

220

87,5

-

67,4

12г, 12д

282

49

233

94,7

-

67,4

II. ЭЛЕКТРОМОНТАЖНЫЕ РАБОТЫ

(электроосвещение)

1, 3-6

69,1

16,1

6,97

2,52

46,03

28,4

2а, 2в, 8в, 8д, 9, 12г, 12д

73,3

19,4

7,48

3,02

46,42

28,4

2б, 8а, 8б, 8г, 11а-12в

72,4

18,5

7,35

2,9

46,55

28,4

79,9

22,6

7,98

3,53

49,32

28,4

7

71,7

18,5

7,35

2,9

45,85

28,4

79,5

19,4

7,48

3,02

52,62

28,4

10

78,1

21

7,73

3,28

49,37

28,4

12е

76,7

19,4

7,48

3,02

49,82

28,4

ПРИЛОЖЕНИЕ 1

Перечень
цен настоящего Прейскуранта и соответствующих им аналогичных цен, разработанных в нормах и ценах, введенных с 1 января 1969 г.

Номера цен

настоящего Прейскуранта

Прейскуранта на строительство объектов городского и коммунального хозяйства, вып. 1, изд. 1980 г.

1

2

1

1

2

2

3

3

4

6

5

7

6

11

7

12

8

13

9

14

10

22

11

23

12

27

13

26

14

28

15

29

16

30

17

31

18

32

19

33

20

34

21

35

22

36

23

37

24

38

25

39

26

40

27

41

28

42

29

43

30

44

31

45

32

46

33

47

ПРИЛОЖЕНИЕ 2

РАСПРЕДЕЛЕНИЕ
отдельных частей территории СССР по территориальным районам, для которых разработаны цены Прейскуранта

1-й территориальный район

Подрайон 1a

1. Брянская область

2. Владимирская »

3. Калининская »

4. Ленинградская »

5. Московская »

6. Новгородская »

7. Тульская »

Подрайон 1б

1. Чувашская АССР

2. Горьковская область

3. Ивановская »

4. Ярославская »

Подрайон 1в

1. Башкирская АССР

2. Мордовская АССР

3. Татарская АССР

4. Белгородская область

5. Волгоградская »

6. Воронежская »

7. Куйбышевская »

8. Курская »

9. Липецкая »

10. Орловская »

11. Пензенская »

12. Саратовская »

13. Тамбовская »

14. Ульяновская »

Подрайон 1г

1. Вологодская область

2. Кировская »

3. Костромская »

Подрайон 1д

1. Марийская АССР

2. Калужская область

3. Псковская »

4. Рязанская »

5. Смоленская »

Подрайон 1е

Астраханская область

Подрайон 1ж

Белорусская ССР

2-й территориальный район

Подрайон 3а

Архангельская область (южнее Полярного круга)

Подрайон 2в

Карельская АССР

Подрайон 3в

Коми АССР (южнее Полярного круга)

Подрайон 2г

Мурманская область

3-й территориальный район

Подрайон 3а

Латвийская ССР

Подрайон 3б

Литовская ССР

Подрайон 3в

Эстонская ССР

Подрайон 3г

Калининградская область

4-й территориальный район

Подрайон 4а

Украинская ССР

Подрайон 4в

Молдавская ССР

5-й территориальный район

Подрайон 5а

1. Дагестанская АССР

2. Кабардино-Балкарская АССР

3. Северо-Осетинская АССР

4. Чечено-Ингушская АССР

5. Краснодарский край

6. Ставропольский край

7. Ростовская область

Подрайон 5б

Калмыцкая АССР

6-й территориальный район

Подрайон 6а

Армянская ССР

Подрайон 6б

Азербайджанская ССР

Подрайон 6в

Грузинская ССР

7-й территориальный район

Подрайон 7а

Пермская область

Подрайон 7б

Свердловская область

Подрайон

Удмуртская АССР

Подрайон 7г

1. Курганская область

2. Оренбургская »

3. Челябинская »

8-й территориальный район

Подрайон 8а

1. Алтайский край

2. Кемеровская область

3. Новосибирская »

Подрайон 8б

Омская область

Подрайон 8в

Томская область (южнее 60-й параллели)

Подрайон 8г

Тюменская область (южнее 60-й параллели)

Подрайон 8д

Красноярский край (южнее 60-й параллели без Тувинской АССР)

Подрайон 8е

Тувинская АССР

9-й территориальный район

Подрайон 9а

Бурятская АССР

Подрайон 9б

Иркутская область (южнее 60-й параллели)

Подрайон 9в

Читинская область

10-й территориальный район

Подрайон 10а

Приморский край

Подрайон 10б

Хабаровский край (южнее 55-й параллели)

Подрайон 10в

Амурская область

11-й территориальный район Казахская ССР

Подрайон 11а

Мангышлакская область

Подрайон 11б

1. Актюбинская область

2. Джамбулская »

3. Кзыл-Ординская »

4. Уральская »

Подрайон 11e

1. Гурьевская область

2. Чимкентская »

Подрайон 11г

1. Алма-Атинская область

2. Джезказганская »

3. Талды-Курганская »

Подрайон 11д

1. Восточно-Казахстанская область

2. Карагандинская область

3. Кокчетавская »

4. Павлодарская »

5. Северо-Казахстанская »

6. Тургайская »

7. Целиноградская »

Подрайон 11е

1. Кустанайская область

2. Семипалатинская »

12-й территориальный район

Подрайон 12а

Узбекская ССР

1. Андижанская область

2. Бухарская »

3. Джизакская »

4. Кашкадарьинская »

5. Наманганская »

6. Самаркандская »

7. Сырдарьинская »

8. Сурхандарьинская »

9. Ферганская »

10. Хорезмская »

Подрайон 12б

Киргизская ССР

Подрайон 12в

Таджикская ССР

1. Кулябская область

2. Курган-Тюбинская область

3. Ленинабадская »

4. Район республиканского подчинения

Подрайон 12г

Туркменская ССР

Подрайон 12д

Каракалпакская АССР

Подрайон 12е

Горно-Бадахшанская автономная область Таджикской ССР

ПРИЛОЖЕНИЕ 3

Коэффициенты к элементам затрат при производстве земляных работ в грунтах, отличающихся от принятых в Прейскуранте

Элементы затрат

Группа грунтов и их состояние

Водоотлив

 

м3/ч,

30

ho

60

I

II

III

IV

 

сухие

мокрые

мокрые

сухие

мокрые

сухие

мокрые

 

а

б

в

г

д

е

ж

з

и

 

Основная заработная плата

0,77

0,83

1,13

1,45

1,69

2,07

2,5

-

-

 

Эксплуатация машин

0,89

0,94

1,06

1,16

1,23

1,53

1,64

1,81

2,23

 

Заработная плата рабочих, обслуживающих машины

0,88

0,93

1,06

1,19

1,25

1,55

1,65

2,87

2,87

 

Затраты труда

0,78

0,84

1,13

1,38

1,61

1,84

2,23

-

-

 

Примечания. 1. К сухим относятся грунты естественной влажности, а к мокрым - грунты сильно налипающие на землеройные механизмы и инструменты.

2. Коэффициенты для мокрых грунтов разработаны исходя из усредненного соотношения объемов сухих и мокрых грунтов в котлованах и траншеях и не учитывают производство водоотливных работ, которые предусматриваются в сметах дополнительно путем применения коэффициентов, приведенных в графах "з" и "и".

3. Настоящие коэффициенты применяются при составлении смет к элементам затрат разделов земляных работ основных цен Прейскуранта.

4. Настоящими коэффициентами не учтены работы по устройству оклеечной гидроизоляции конструкций фундаментов, прижимных стенок, железобетонных плит против напора грунтовых вод, искусственного понижения уровня грунтовых вод, шпунтового ограждения и других подобных работ.

5. При строительстве зданий и сооружений в скальных грунтах V-XI групп, стоимость их разработки определяется по отдельному расчету с исключением затрат по земляным работам, учтенных в Прейскуранте.

6. Коэффициенты по водоотливу определены из условия производства работ в котлованах площадью по дну до 30 м и траншей шириной по дну до 2 м. При водоотливе из котлованов площадью по дну более 30 м2, из траншей шириной по дну более 2 м стоимость водоотлива должна определяться на основании проектных данных о силе притока воды, продолжительности производства водоотливных работ и применяемых водоотливных средств.


ПРИЛОЖЕНИЕ 4

ПОПРАВКИ
к ценам при заложении фундаментов на глубину, обличающуюся от принятой в Прейскуранте (на измеритель цен)

А. При изменении глубины заложения сборных фундаментов на каждые ± 0,3м

Номера цен

Элементы затрат

Измеритель

Территориальные районы

1а, 1в, 1ж, 3, 4, 6а, 6б

1б, 1г, 1е

1д, 6в

2б, 11г, 11в, 12в, 12г, 12е

5a

7а, 7в

1

2

3

4

5

6

7

8

9

10

11

12

13

1, 2

Прямые затраты

руб.

319

350

368

827

369

1040

396

334

417

349

Основная заработная плата

»

12,6

12,6

12,6

29,8

14,9

29,8

17,7

12,6

12

14,6

Эксплуатация машин

»

39

39

39

828

41,4

828

45,3

39

394

41,2

Заработная плата рабочих, обслуживающих машины

»

14

14

14

32,9

16,4

32,9

19,6

14

14

16

Затраты труда рабочих

чел.-ч

22,1

22,1

22,1

43,3

22,1

43,3

22,1

22,1

22,1

22,1

4, 5

Прямые затраты

руб.

768

844

886

2340

889

2950

955

804

1000

841

Основная заработная

»

30,3

30,3

30,3

84,6

34,8

84,6

42,4

30,3

30,3

34,8

Эксплуатация машин

»

92,8

93,4

93,4

235

97,7

235

108

93,4

94,5

98,7

Заработная плата рабочих, обслуживающих машины

»

33,4

33,4

33,4

93,5

38,4

93,5

46,8

33,4

33,4

38,4

Затраты труда рабочих

чел.-ч

52,9

52,9

52,9

123

52,9

123

52,9

52,9

52,9

52,9

Продолжение прил. 4

Номера цен

Элементы затрат

Измеритель

Территориальные районы

7б, 7г, 8б, 9б

8а, 8д, 8е

8в, 9а

8г, 11д, 11е

10а

10б

10в

11а

11б, 12б

12а

12д

1

2

3

14

15

16

17

18

19

20

21

22

23

24

25

1, 2

Прямые затраты

руб.

680

719

776

752

971

383

954

1040

561

401

327

499

 

Основная заработная плата

»

29,2

29,2

29,8

28,5

29,8

16,4

32,2

32,2

14,6

14,6

14,6

15,2

 

Эксплуатация машин

»

81,4

81,6

82,5

80,7

82,8

43,4

85,1

85,1

41,5

41,1

40,8

41,6

 

Заработная плата рабочих, обслуживающих машины

»

32,2

32,2

32,9

31,4

32,9

18,2

35,6

35,6

16

16

16

16,8

 

Затраты труда рабочих

чел.-ч

43,3

43,3

43,3

43,3

43,3

22,1

43,3

43,3

22,1

22,1

22,1

22,1

4, 5

Прямые затраты

руб.

1930

2030

2195

2125

2740

923

2700

2930

1350

967

788

1200

 

Основная заработная плата

»

82,8

82,8

84,6

81,1

84,6

39,4

91,7

91,7

34,8

34,8

34,8

36,3

 

Эксплуатация машин

»

232

232

235

229

235

104

242

242

99,3

98,4

97,7

99,6

 

Заработная плата рабочих, обслуживающих машины

»

91,4

91,4

93,5

89,4

93,5

43,5

101

101

38,4

38,4

38,4

40,1

 

Затраты труда рабочих

чел.-ч

123

123

123

123

123

52,9

123

123

52,9

52,9

52,9

52,9

Продолжение прил. 4

Номера цен

Элементы затрат

Измеритель

Территориальные районы

1а, 1в, 1ж, 3, 4, 6а, 6б

1б, 1г, 1е

1д, 6в

2б, 11г, 11в, 12в, 12г, 12е

5a

7а, 7в

1

2

3

4

5

6

7

8

9

10

11

12

13

7, 8

Прямые затраты

руб.

1095

1205

1265

3460

1265

4360

1360

1150

1430

1200

Основная заработная плата

»

43

43

43

125

50,5

125

60,2

43

43

49,4

Эксплуатация машин

»

132

132

132

347

140

347

154

132

134

140

Заработная плата рабочих, обслуживающих машины

»

47,4

47,4

47,4

138

56,5

138

66,5

47,41

47,4

54,5

Затраты труда рабочих

чел.-ч

75

75

75

182

75

182

75

75

75

75

9

Прямые затраты

руб.

506

556

584

657

584

830

628

529

661

552

Основная заработная плата

»

19,8

19,8

19,8

23,8

22,8

23,8

27,8

19,8

19,8

22,8

Эксплуатация машин

»

61

61,2

61,2

66,2

64,7

66,2

71

61,2

61,9

64,6

Заработная плата рабочих, обслуживающих машины

»

21,9

21,9

21,9

26,3

25,1

26,3

30,7

21,9

21,9

25,1

Затраты труда рабочих

чел.-ч

34,6

34,6

34,6

34,6

34,6

34,6

34,6

34,6

34,6

34,6

13

Прямые затраты

руб.

1110

1220

1280

1445

1285

1830

1380

1160

1450

1210

Основная заработная плата

»

43,6

43,6

43,6

52,4

50,2

52,4

61,2

43,6

43,6

50,2

Продолжение прил. 4

Номера цен

Элементы затрат

Измеритель

Территориальные районы

 

7б, 7г, 8б, 9б

8а, 8д, 8е

8в, 9а

8г, 11д, 11е

10а

10б

10в

11а

11б, 12б

12а

12д

1

2

3

14

15

16

17

18

19

20

21

22

23

24

25

7, 8

Прямые затраты

руб.

2845

3005

3245

3140

4060

1320

3990

4340

1930

1380

1120

1710

Основная заработная плата

»

122

122

125

120

125

55,9

135

135

49,4

49,4

49,4

51,6

Эксплуатация машин

»

343

343

346

338

347

147

357

357

141

140

139

141

Заработная плата рабочих, обслуживающих машины

»

135

135

138

132

138

61,7

150

150

54,5

54,5

54,5

51

Затраты труда рабочих

чел.-ч

182

182

182

182

182

75

182

182

75

75

75

75

9

Прямые затраты

руб.

545

572

616

596

772

607

758

824

890

636

518

499

Основная заработная плата

»

23,8

23,8

23,8

22,8

23,8

25,8

25,8

25,8

22,8

22,8

22,8

15,2

Эксплуатация машин

»

65,8

66

66,2

64,4

66,2

68

68

68

65

64,4

64

41,6

Заработная плата рабочих, обслуживающих машины

»

26,3

26,3

26,3

25,1

26,3

28,5

28,5

28,5

25,1

25.1

25,1

16,8

Затраты труда рабочих

чел.-ч

34,6

34,6

34,6

34,6

34,6

34,6

34,6

34,6

34,6

34,6

34,6

34,6

13

Прямые затраты

руб.

1200

1260

1360

1310

1700

1340

1260

1810

1960

1400

1140

1100

Основная заработная плата

»

52,4

52,4

52,4

50,2

52,4

56,8

56,8

56,8

50,2

50,2

50,2

33,4

Продолжение прил. 4

Номера цен

Элементы затрат

Измеритель

Территориальные районы

1а, 1в, 1ж, 3, 4, 6а, 6б

1б, 1г, 1е

1д, 6в

2б, 11г, 11в, 12в, 12г, 12е

5a

7а, 7в

1

2

3

4

5

6

7

8

9

10

11

12

13

13

Эксплуатация машин

»

134

135

135

146

142

146

156

135

136

142

Заработная плата рабочих, обслуживающих машины

»

48,2

48,2

48,2

57,9

55,2

57,9

67,5

48,2

48,2

55,2

Затраты труда рабочих

чел.-ч

76,1

76,1

76,1

76,1

76,1

76,1

76,1

76,1

76,1

76,1

20, 21, 23

Прямые затраты

руб.

18

19,8

20,9

23,6

20,9

30

22,4

18,9

23,8

19,7

Основная заработная плата

»

0,6

0,6

0,6

0,7

0,6

0,7

0,8

0,6

0,6

0,6

Эксплуатация машин

»

1,7

1,7

1,7

1,9

1,9

1,9

2

1,7

1,8

1,8

Заработная плата рабочих, обслуживающих машины

»

0,6

0,6

0,6

0,8

0,8

0,8

0,9

0,6

0,6

0,7

Затраты труда рабочих

чел.-ч

1

1

1

1

1

1

1

1

1

1

22, 24

Прямые затраты

руб.

38

413

43,9

49,4

44

62,2

47,4

39,9

49,7

41,6

Основная заработная плата

»

1,6

1,6

1,6

2

1,9

2

2,3

1,6

1,6

1,9

Эксплуатация машин

»

5

5

5

5,5

5,3

5,5

5,9

5,1

5,1

5,3

Заработная плата рабочих, обслуживающих машины

»

1,8

1,8

1,8

2,2

2,1

2,2

2,5

1,8

1,8

2,1

Затраты труда рабочих

чел.-ч

2,8

2,8

2,8

2,8

2,8

2,8

2,8

2,8

2,8

2,8

Продолжение прил. 4

Номера цен

Элементы затрат

Измеритель

Территориальные районы

7б, 7г, 8б, 9б

8а, 8д, 8е

8в, 9а

8г, 11д, 11е

10а

10б

10в

11а

11б, 12б

12а

12д

1

2

3

14

15

16

17

18

19

20

21

22

23

24

25

13

Эксплуатация машин

»

145

145

146

142

146

150

150

150

143

142

141

91,5

Заработная плата рабочих, обслуживающих машины

»

57,9

57,9

57,9

55,2

57,9

62,7

62,7

62,7

55,2

55,2

55,2

37

Затраты труда рабочих

чел.-ч

76,1

76,1

76,1

76,1

76,1

76,1

76,1

76,1

76,1

76,1

76,1

76,1

20, 21, 23

Прямые затраты

руб.

19,4

20,4

22

21

27,8

21,7

27,3

29,7

32,2

22,8

18,4

28,5

Основная заработная плата

»

0,7

0,7

0,7

0,7

0,7

0,7

0,7

0,7

0,6

0,6

0,6

0,7

Эксплуатация машин

»

1,9

1,9

1,9

1,8

1,9

1,9

1,9

1,9

1,8

1,8

1,8

1,8

Заработная плата рабочих, обслуживающих машины

»

0,8

0,8

0,8

0,7

0,8

0,8

0,8

0,8

0,7

0,7

0,7

0,8

Затраты труда рабочих

чел.-ч

1

1

1

1

1

1

1

1

1

1

1

1

22, 34

Прямые затраты

руб.

41,1

43,1

46,4

44,3

58

45,8

57

61,9

66,6

47,9

39,2

59,4

Основная заработная плата

»

2

2

2

1,9

2

2,1

2,1

2,1

1,9

1,9

1,9

2

Эксплуатация машин

»

5,4

5,5

5,5

5,3

5,5

5,6

5,6

5,6

5,4

5,3

5,3

5,4

Заработная плата рабочих, обслуживающих машины

»

2,2

2,2

2,2

2,1

2,2

2,4

2,4

2,4

2,1

2,1

2,1

2,2

Затраты труда рабочих

чел.-ч

2,8

2,8

2,8

2,8

2,8

2,8

2,8

2,8

2,8

2,8

2,8

2,8

Продолжение прил. 4

Б. При изменении глубины заложения монолитных фундаментов на каждые ± 0,1 м

Номера цен

Элементы затрат

Измеритель

Территориальные районы

1а-1в, 3а, 3в, 4а, 4б, 5, 6б

1г-1е, 6а, 6в

1ж, 3б, 3г

2б, 2в, 11а

7а-7в, 8а, 8д, 11б-11e

7г, 12а-12в

8б, 8в, 9а

9б, 9в, 12е

10а, 10б

10в

12г, 12д

1

2

3

4

5

6

7

8

9

10

11

12

13

14

15

16

17

18

10

Прямые затраты

руб.

51

55

47

69

71

71

55

50

61

90

85

61

67

65

54

Основная заработная плата

»

3,7

3,7

3,7

4,5

4,4

5,2

4,3

4,3

4,4

4,3

4,5

4,5

4,9

4,9

4,5

Эксплуатация машин

»

2,6

2,6

2,4

2,9

2,9

3,3

2,8

2,6

2,8

2,8

2,9

2,9

2,9

2,9

2,6

Заработная плата рабочих, обслуживающих машины

»

0,8

0,8

0,8

1

1

1,2

1

1

1

1

1

1

1,1

1,1

1

Затраты труда рабочих

чел.-ч

6,9

6,9

6,9

6,9

6,9

6,9

6,9

6,9

6,9

6,9

6,9

6,9

6,9

6,9

6,9

11

Прямые затраты

руб.

123

130

112

164

171

170

131

120

146

216

203

145

161

156

128

Основная заработная плата

»

8,9

8,9

8,9

11

11

13

10

10

10

10

11

11

12

12

11

Эксплуатация машин

»

6,1

6,1

6,1

7

7

7,8

6,4

6,4

6,6

6,7

7

6,9

7

7

6,3

Заработная плата рабочих, обслуживающих машины

»

2

2

2

2,4

2,4

2,8

2,3

2,3

2,3

2,3

2,4

2,4

2,6

2,6

2,4

Затраты труда рабочих

чел.-ч

16

16

16

16

16

16

16

16

16

16

16

16

16

16

16

12

Прямые затраты

руб.

77

82

71

103

107

107

82

75

92

136

128

91

101

98

80

Основная заработная плата

»

5,6

5,6

5,6

6,7

6,6

7,9

6,5

6,5

6,5

6,5

6,7

6,7

7,3

7,3

6,7

Эксплуатация машин

»

3,8

3,8

3,8

4,4

4,4

4,9

4

4

4,2

4,1

4,4

4,3

4,3

4,3

3,9

Заработная плата рабочих, обслуживающих машины

»

1,3

1,3

1,3

1,5

1,5

1,8

1,4

1,4

1,4

1,4

1,5

1,5

1,6

1,6

1,5

Затраты труда рабочих

чел.-ч

10

10

10

10

10

10

10

10

10

10

10

10

10

10

10

13, 19

Прямые затраты

руб.

26

27

24

34

36

36

27

25

31

45

43

30

34

33

27

Основная заработная плата

»

1,9

1,9

1,9

2,3

2,3

2,6

2,2

2,2

2,2

2,2

2,3

2,3

2,4

2,4

2,3

Эксплуатация машин

»

1,3

1,3

1,3

1,5

1,4

1,6

1,3

1,3

1,4

1,4

1,5

1,5

1,4

1,4

1,3

Заработная плата рабочих, обслуживающих машины

»

0,4

0,4

0,4

0,5

0,5

0,6

0,5

0,5

0,5

0,5

0,5

0,5

0,5

0,5

0,5

Затраты труда рабочих

чел.-ч

3,4

3,4

3,4

3,4

3,4

3,4

3,4

3,4

3,4

3,4

3,4

3,4

3,4

3,4

3,4

16

Прямые затраты

руб.

31

33

29

42

44

44

34

31

38

55

52

37

41

40

33

Основная заработная плата

»

2,3

2,3

23

2,7

2,7

3,2

2,6

2,6

2,6

2,6

2,7

2,7

3

3

2,7

Эксплуатация машин

»

1,6

1,6

1,5

1,8

1,8

2

1,7

1,6

1,6

1,7

1,8

1,8

1,8

1,8

1,6

Заработная плата рабочих, обслуживающих машины

»

0,5

0,5

0,5

0,6

0,6

0,7

0,6

0,6

0,6

0,6

0,6

0,6

0,7

0,7

06

Затраты труда рабочих

чел.-ч

4,2

4,2

4,2

4,2

4,2

4,2

4,2

4,2

4,2

4,2

4,2

4,2

4,2

4,2

4,2

17

Прямые затраты

руб.

23

24

21

31

32

32

25

22

27

40

38

27

30

29

24

Основная заработная плата

»

1,7

1,7

1,7

2

2

2,3

1,9

1,9

2

1,9

2

2

2,2

2,2

2

Эксплуатация машин

»

1,1

1,1

1,1

1,3

1,3

1,5

1,2

1,2

1,2

1,2

1,3

1,3

13

1,3

1,2

Заработная плата рабочих, обслуживающих машины

»

0,4

0,4

0,4

0,5

0,4

0,5

0,4

0,4

0,5

0,4

0,5

0,5

03

0,5

0,5

Затраты труда рабочих

чел.-ч

3,1

3,1

3,1

3,1

3,1

3,1

3,1

3,1

3,1

3,1

3,1

3,1

3,1

3,1

3,1

20

Прямые затраты

руб.

11

12

10

15

16

16

12

11

14

20

19

14

15

14

12

Основная заработная плата

»

0,8

0,8

0,8

1

1

1,2

1

1

1

1

1

1

1,1

1,1

1

Эксплуатация машин

»

0,6

0,6

0,6

0,6

0,6

0,7

0,6

0,6

0,6

0,6

0,6

0,6

0,6

0,6

0,6

Заработная плата рабочих, обслуживающих машины

»

0,2

0,2

0,2

0,2

0,2

0,2

0,2

0,2

0,2

0,2

0,2

0,2

0,2

0,2

0,2

Затраты труда рабочих

чел.-ч

1,5

1,5

1,5

1,5

1,5

1,5

1,5

1,5

1,5

1,5

1,5

1,5

1,5

1,5

1,5

Примечания: Поправки к ценам № 1, 2, 4, 5, 7-9, 13, 20-24 (при сборных фундаментах) разработаны при изменении глубины заложения на каждые ± 0,3 м и применяются в том случае, когда при привязке проекта к местным условиям глубина заложения фундамента отличается от принятой в Прейскуранте на ± 0,2 м и более.

2. Поправки к ценам № 10-13, 16, 17, 19 и 20 (при монолитных фундаментах) разработаны при изменении глубины заложения на каждые ± 0,1 м и применяются в том случае, когда при привязке проекта к местным условиям глубина заложения фундамента отличается от принятой в Прейскуранте на ± 0,1 м и более.

3. Поправки к ценам № 1, 2, 4, 5, 6, 7-9 учитывают изменение глубины заложения фундаментов только под наружными стенами, а при изменении глубины заложения фундаментов (при привязке проекта к местным условиям) и под внутренними стенами, разница в стоимости оплачивается дополнительно.

4. Изменение массы, т, сборных бетонных и железобетонных конструкций фундаментов в связи с изменением их глубины заложения на каждые ± 0,3 м следует принимать по нижеприведенной таблице.

Территориальные районы

Номера цен

1, 2

4, 5

7, 8

9

13

20, 21, 23

22, 24

1ж, 3-6, 12

8,5

20,5

29,3

13,5

29,3

0,5

1

1a-1e, 2б, 2г, 7а, 7в, 10а, 11а-11г

8,5

20,5

29,3

13,5

29,3

0,5

1

2а, 2в, 7б, 7г, 8, 9, 10б, 10в, 11д, 11e

17

48

71

13,5

29,3

0,5

1

ПРИЛОЖЕНИЕ 5

Поправки к ценам при строительстве отапливаемых зданий в местностях с зимней расчетной температурой наружного воздуха, отличающейся от принятой в Прейскуранте (на измеритель цен)

Номера цен

Элементы затрат

Измеритель

Территориальные районы

1e

10а

11а

11б

11в

11г

5a

Зимняя температура наружного воздуха

-20 °С

-30 °С

1

2

3

4

5

6

7

8

9

10

11

12

13

14

15

16

17

1, 2

Прямые затраты

руб.

-70

-74,8

-88

-123

-84,4

-77,6

-74,8

+61,6

+65,6

+70

-642

-786

-519

-537

Основная заработная плата

»

-0,2

-0,2

-0,2

-0,2

-0,2

-0,2

-0,2

+0,2

+0,2

+0,2

-5,1

-5,1

-4,8

-4,8

Эксплуатация машин

»

-0,4

-0,4

-0,4

-0,4

-0,4

-0,4

-0,4

+0,4

+0,4

+0,4

-10,2

-10,2

-9,9

-9,9

Заработная плата рабочих, обслуживающих машины

»

-0,2

-0,2

-0,2

-0,2

-0,2

-0,2

-0,2

+0,2

+0,2

+0,2

-4,2

-4,2

-3,9

-3,9

Затраты труда рабочих

чел.-ч

-0,3

-0,3

-0,3

-0,3

-0,3

-0,3

-0,3

+0,3

+0,3

+0,3

-7,2

-7,2

-7,2

-7,2

4, 5

Прямые затраты

руб.

-175

-187

-220

-308

-211

-194

-187

+154

+164

+175

-214

-262

-173

-179

Основная заработная плата

»

-0,5

-0,5

-0,6

-0,5

-0,5

-0,5

-0,5

+0,5

+0,5

+0,5

-1,7

-1,7

-1,6

-1,6

Эксплуатация машин

»

-1

-1

-1,1

-1,1

-1,1

-1,1

-1,1

+1

+1

+1

-3,4

-3,4

-3,3

-3,3

Заработная плата рабочих, обслуживающих машины

»

-0,4

-0,4

-0,5

-0,4

-0,4

-0,4

-0,4

+0,4

+0,4

+0,4

-1,4

-1,4

-1,3

-1,3

Затраты труда рабочих

чел.-ч

-0,8

-0,8

-0,8

-0,8

-0,8

-0,8

-0,8

+0,8

+0,8

+0,8

-2,4

-2,4

-2,4

-2,4

7, 8

Прямые затраты

руб.

-

-

-

-

-

-

-

-

-

-

12360

13600

9130

9450

Основная заработная плата

»

-

-

-

-

-

-

-

-

-

-

-342

-342

-328

-328

Эксплуатация машин

»

-

-

-

-

-

-

-

-

-

-

-81,9

-81,9

-80,7

-80,7

Заработная плата рабочих, обслуживающих машины

»

-

-

-

-

-

-

-

-

-

-

-29,6

-29,6

-28,4

-28,4

Затраты труда рабочих

чел.-ч

-

-

-

-

-

-

-

-

-

-

-503

-503

-503

-503

Продолжение прил. 5

Номера цен

Элементы затрат

Измеритель

Территориальные районы

10б

10в

11д

11е

Зимняя температура наружного воздуха

-30 °С

-40 °С

1

2

3

18

19

20

21

22

23

24

25

26

27

28

29

1, 2

Прямые затраты

руб.

-546

-585

-810

-708

-834

-588

-588

+519

+537

+522

+534

+543

Основная заработная плата

»

-5,1

-5,1

-5

-5,4

-5,4

-4,8

-4,8

+4,2

+4,2

+4,2

+4,8

+4,8

Эксплуатация машин

»

-10,2

-10,2

-10,2

-10,5

-10,5

-9,9

-9,9

+9,3

+9,3

+9,3

+9,9

+9,9

Заработная плата рабочих, обслуживающих машины

»

-4,2

-4,2

-4,2

-4,5

-4,5

-3,9

-3,9

+3,3

+3,3

+3,3

+3,9

+3,9

Затраты труда рабочих

чел.-ч

-7,2

-7,2

-7,2

-7,2

-7,2

-7,2

-7,2

+7,2

+7,2

+7,2

+7,2

+7,2

4, 5

Прямые затраты

руб.

-182

-195

-270

-236

-278

-196

-196

+173

+179

+174

+178

+181

Основная заработная плата

»

-1,7

-1,7

-1,7

-1,8

-1,8

-1,6

-1,6

+1,4

+1,4

+1,4

+1,6

+1,6

Эксплуатация машин

»

-3,4

-3,4

-3,4

-3,5

-3,5

-3,3

-3,3

+3,1

+3,1

+3,1

+3,3

+3,3

Заработная плата рабочих, обслуживающих машины

»

-1,4

-1,4

-1,4

-1,5

-1,5

-1,3

-1,3

+1,1

+1,1

+1,1

+1,3

+1,3

Затраты труда рабочих

чел.-ч

-2,4

-2,4

-2,4

-2,4

-2,4

-2,4

-2,4

+2,4

+2,4

+2,4

+2,4

+2,4

7, 8

Прямые затраты

руб.

-13400

-10900

-11600

-11500

-12000

-10700

-11300

+10300

+9880

+10400

+14400

+10300

Основная заработная плата

»

-342

-342

-342

-371

-371

-328

-328

+285

+285

+285

+328

+328

Эксплуатация машин

»

-81,9

-81,9

-81,9

-84,4

-84,4

-80,7

-80,7

+77

+77

+77

+80,7

80,7

Заработная плата рабочих, обслуживающих машины

»

-29,6

-29,6

-29,6

-32,1

-32,1

-28,4

-28,4

+24,7

+24,7

+24,7

+28,4

+28,4

Затраты труда рабочих

чел.-ч

-503

-503

-503

-503

-503

-503

-503

+503

+503

+503

+503

+503

Примечания: 1 Поправки настоящего приложения, учитывают изменение объемов работ по отдельным конструктивным элементам - стенам, утеплителям перекрытий, отоплению и т.п. Эти поправки не учитывают изменения глубины заложения фундаментов (стоимость фундаментов в связи с изменением глубины заложения следует корректировать по прил. 5).

2. Поправки со знаком «+» к элементам затрат цен следует добавлять, а со знаком «-» - вычитать.


ПРИЛОЖЕНИЕ 6

Поправки к прямым затратам цен Прейскуранта, учитывающие разницу в оптовых ценах на кирпич строительный и сборные бетонные и железобетонные конструкции, а также разницу сметных цен на остальные местные строительные материалы, между действующими в отдельных областях, краях и республиках и принятыми в Прейскуранте (в рублях на измеритель цен)

№ п. п.

Наименование территориальных районов, областей, краев и республик

Номера цен

1,2

3

4,5

6

7,8

9

10

1

2

3

4

5

6

7

8

9

 

1-й территориальный район РСФСР

 

 

 

 

 

 

 

1

Астраханская область

+360

+480

+920

+1080

+2020

+2120

+110

2

Брянская »

+590

+650

+1930

+1720

+1970

+1900

+190

3

Белгородская »

+80

+90

+170

+200

+370

+440

+20

4

Владимирская »

-120

-180

-290

-380

-760

-660

-80

5

Волгоградская »

-100

-250

-350

-700

-550

-240

-90

6

Воронежская »

-220

-90

-300

-190

-570

-740

-30

7

Вологодская »

-340

-570

-910

-1400

-1.820

-1580

-180

8

Горьковская »

-180

-220

-400

-450

-830

-1020

-30

9

Ивановская »

+580

+1030

+1560

+2530

+3090

+2530

+340

10

Калининская »

+840

+1460

+2290

+3660

+4500

+3950

+480

11

Куйбышевская »

-330

-250

-570

-530

-1240

-1420

-90

12

Курская »

-140

-340

-410

-940

-603

-190

-100

13

Кировская »

+560

+960

+1470

+2300

+2830

+2520

+270

14

Костромская область

+210

+280

+450

+550

+1050

+1180

+50

15

Калужская »

+360

+180

+500

+380

+1070

+1290

+70

16

Ленинградская »

-550

-570

-1090

-1380

-3060

-1980

-200

17

г. Ленинград

-450

-590

-1020

-1240

-2360

-2390

-150

18

Липецкая область

+290

+390

+650

+780

+1500

+1640

+80

19

Московская »

-60

-340

-420

-760

-1270

-970

-130

20

Новгородская »

+180

+230

+410

+490

+920

+1070

+40

21

Орловская »

+700

+1300

+1970

+3330

+3550

+2810

+410

22

Пензенская »

+860

+740

+1560

-1680

+2870

+3250

+200

25

Псковская »

-290

-370

-660

-750

-1400

-1600

-70

24

Рязанская »

-240

-300

-540

-590

-1110

-1310

-50

25

Саратовская »

+630

+1040

+1610

+2480

+3220

+2930

+290

26

Смоленская »

+20

-60

-50

-260

+320

+460

-20

27

Тамбовская »

+670

+1120

+1750

+2660

+3410

+3080

+320

28

Тульская »

-110

-470

-570

-1140

-1340

-860

-170

29

Ульяновская »

+540

+830

+1350

+1890

+2800

+2710

+210

30

Ярославская »

-600

-960

-1540

-2280

-3120

-2940

-260

31

Башкирская АССР

-540

-860

-1400

-2040

-3040

-2780

-270

32

Мордовская »

+НО

+50

+200

-120

+580

+960

-30

33

Марийская »

+480

+1130

+1590

+2840

 +3630

+2820

+380

34

Татарская »

+80

+90

+180

+200

+380

+«50

+20

35

Чувашская »

+40

+200

+220

+650

+280

-190

+110

 

Белорусская СССР

 

 

 

 

 

 

 

36

Брестская, Гомельская и Могилевская области

-120

-160

-270

-350

-660

-690

-40

37

Гродненская область

-120

-160

-270

-350

-660

-690

-50

38

Витебская »

+10

-

+20

+30

+60

+50

+10

 

РСФСР

 

 

 

 

 

 

 

39

Архангельская область (Южнее Полярного круга)

-70

-80

-180

-160

-420

-330

-20

40

Карельская АССР

+270

+370

+620

+770

+1490

+1510

+100

41

Коми АССР (Южнее Полярного круга)

-110

-110

-260

-230

-610

-480

-30

42

Мурманская область

-50

-70

-120

-150

-280

-290

-20

 

3-й территориальный район

 

 

 

 

 

 

 

43

Литовская ССР

-60

-90

-140

-190

-360

-340

-30

44

Латвийская »

-60

-90

-140

-190

-360

-340

-30

45

Эстонская »

-60

-90

-140

-190

-360

-340

-30

46

Калининградская область

+60

+80

+150

+200

+370

+400

+20

 

4-й территориальный район

 

 

 

 

 

 

 

 

Украинская ССР

 

 

 

 

 

 

 

47

Волынская область

-70

-90

-160

-190

-400

-420

-30

48

Ворошиловградская область

-70

-90

-160

-190

-400

-420

-30

49

Днепропетровская »

-120

-160

-280

-340

-640

-660

-40

50

Донецкая »

-70

-90

-160

-190

-400

-420

-30

51

Житомирская »

-120

-160

-270

-340

-640

-650

-40

52

Закарпатская »

+180

+250

+440

+530

+1050

+1090

+70

53

Запорожская »

+160

+350

+540

+960

+780

+450

+110

54

Ивано-Франковская »

-130

-260

-370

-690

-570

-380

-180

55

Киевская »

-120

-160

-280

-340

-640

-660

-40

56

Кировоградская »

-70

-90

-160

-190

-390

-420

-30

57

Крымская »

-180

-330

-490

-850

-870

-670

-100

58

Львовская »

-190

-380

-530

-1000

-880

-610

-120

59

Николаевская »

+200

+360

+540

+920

+1050

+830

+120

60

Одесская »

+40

+70

+110

+150

+280

+260

+20

61

Полтавская »

-210

-390

-570

-1010

-1020

-780

-122

62

Ровенская »

-10

-10

-20

-10

-20

-40

-

63

Сумская »

-10

-10

-20

-10

-20

-40

-

64

Тернопольская »

+40

+60

+110

+150

+270

+250

+20

65

Харьковская »

-10

-10

-20

-10

-20

-40

-

66

Херсонская »

+350

+650

+990

+1690

+1830

+1420

+220

67

Хмельницкая »

-120

-160

-280

-340

-640

-660

+40

68

Черкасская »

-120

-160

-270

-340

-640

-650

-40

69

Черниговская »

-390

-710

-1080

-1800

-2030

-1640

-230

70

Черновицкая »

+270

+510

+760

+1300

+1440

+1120

+170

71

Молдавская СССР

-120

-160

-270

-340

-630

-650

-40

 

5-й территориальный район

 

 

 

 

 

 

 

 

РСФСР

 

 

 

 

 

 

 

72

Дагестанская АССР

+470

+730

+1170

+1690

+2500

+2330

+210

73

Кабардино-Балкарская АССР

-190

-370

-550

-950

-900

-670

-110

74

Северо-Осетинская АССР

-190

-370

-550

-950

-900

-670

-110

75

Чечено-Ингушская АССР

+230

+320

+500

+640

+1240

+1300

+80

76

Краснодарский край

+240

-320

-530

-670

-1300

-1390

-90

77

Ставропольский край

+10

+20

+40

+60

+130

+100

+20

78

Ростовская область

+10

+20

+30

+50

+120

+90

+20

 

6-й территориальный район

 

 

 

 

 

 

 

79

Грузинская ССР

+170

+230

+390

+490

+960

+1000

+70

80

Армянская »

-250

-320

-560

-680

-1310

-1460

-70

 

7-й территориальный район

 

 

 

 

 

 

 

 

РСФСР

 

 

 

 

 

 

 

81

Курганская область

+700

+380

+1260

+790

+2760

+2400

+70

82

Оренбургская »

-120

-10

-90

-10

-210

-270

-20

83

Пермская »

-120

-180

-260

-370

-760

-720

-50

84

Свердловская »

-120

-150

-310

-300

-730

-570

-50

85

Челябинская »

-350

-410

-900

-880

-2140

-1660

-140

86

Удмуртская АССР

+360

+490

+830

+1010

+1970

+2010

+130

 

8-й территориальный район

 

 

 

 

 

 

 

87

Алтайский край

+270

-20

+260

-60

+480

+610

-20

88

Кемеровская область

-510

-320

-910

-640

-2080

-1800

-90

89

Красноярский край (южнее 60-й параллели без Тувинской АССР)

-70

-70

-160

-140

-380

-290

-20

90

Омская область

-70

-80

-180

-160

-410

-320

-20

91

Томская область (южнее 60-й параллели)

+170

+180

+500

+510

+1180

+880

+70

92

Тюменская область (южнее 60-й параллели)

+1560

+1490

+3930

+3310

+8740

+6780

+350

93

Тувинская АССР

+2730

+2750

+6790

+5890

+15400

+12000

+690

 

9-й территориальный район

 

 

 

 

 

 

 

94

Бурятская АССР

+460

+480

+1180

+1110

+2750

+2110

+140

95

Иркутская область (южнее 60-й параллели)

-90

-100

-260

-270

-580

-390

-30

96

Читинская область

-110

-120

-280

-240

-620

-480

-30

 

10-й территориальный район

 

 

 

 

 

 

 

97

Приморский край

-210

-270

-450

-590

-1130

-1250

-50

98

Хабаровский край (южнее 55-й параллели)

+100

+180

+280

+470

+870

+650

+140

99

Амурская область

-110

-110

-280

-240

-620

-480

-30

 

11-й территориальный район

 

 

 

 

 

 

 

 

Казахская ССР

 

 

 

 

 

 

 

100

Алма-Атинская область

-270

-370

-620

-760

-1460

-1550

-90

101

Актюбинская »

-160

-210

-390

-510

-1020

-920

-110

102

Восточно-Казахстанская область

-540

-890

-1530

-2270

-3390

-2210

-280

103

Гурьевская область

+1320

+1840

+3250

+4180

+6860

+6890

+530

104

Джамбулская »

-430

-820

-1140

-2090

-2210

-1640

-290

105

Джезказганская »

-130

-190

-310

-380

-710

-730

-40

106

Карагандинская »

-180

-190

-480

-440

-1080

-810

-50

107

Кокчетавская »

+340

+610

+1000

+1630

+2270

+1440

+210

108

Кустанайская »

+170

+180

+460

+410

+1020

+780

+60

109

Кзыл-Ординская »

+420

+910

+1270

+2400

+1940

+1290

+260

110

Мангышлакская область

-100

-130

-220

-270

-510

-550

-30

111

Павлодарская »

+60

+70

+210

+240

+520

+390

+40

112

Северо-Казахстанская область

+60

+70

+200

+240

+520

+390

+40

113

Семипалатинская область

-590

-820

-1550

-2010

-3580

-2520

-240

114

Талды-Курганская область

-40

+110

+60

+530

-290

-750

+70

115

Тургайская »

+60

+70

+200

+240

+520

+390

+40

116

Уральская »

+270

+540

+820

+1450

+1390

+1050

+150

117

Целиноградская »

+230

+540

+700

+1430

+1520

+820

+180

118

Чимкентская »

-280

-380

-600

-850

-1620

-1790

-60

 

12-й территориальный район

 

 

 

 

 

 

 

 

Узбекская ССР

 

 

 

 

 

 

 

119

Бухарская область

+240

+330

+510

+620

+1210

+1370

+60

120

Джизакская »

-120

-150

-270

-350

-680

-650

-50

121

Кашкадарьинская »

+780

+1360

+2040

+3300

+3920

+3400

+400

122

Наманганская »

+20

+30

+40

+40

+80

+170

-

123

Самаркандская »

-370

-730

-1080

-1930

-1910

-1320

-250

124

Сырдарьинская »

+240

+330

+510

+620

+1210

+1370

+60

125

Сурхандарьинская »

+400

+850

+1210

+2260

+1960

+1320

+280

126

Ташкентская »

-380

-610

-980

-1470

-2140

-1920

-200

127

Ферганская »

-1110

-1760

-2810

-4220

-5780

-5230

-500

128

Хорезмская »

+600

+1020

+1550

+2440

+3060

+2750

+290

129

Каракалпакская АССР

+80

+140

+270

+570

+1380

+420

+320

 

Киргизская ССР

 

 

 

 

 

 

 

130

Ошская область »

-340

-460

-760

-950

-1830

-1910

-100

131

Другие районы

-480

-650

-1070

-1340

-2580

-2730

-150

 

Таджикская ССР

 

 

 

 

 

 

 

132

Кулябская область

-240

-320

-540

-650

-1270

-1340

-90

133

Курган-Тюбинская »

-240

-320

-540

-650

-1270

-1340

-90

134

Ленинабадская »

-240

-320

-540

-650

-1270

-1340

-90

135

Районы республиканского подчинения

-240

-320

-540

-650

-1270

-1340

-90

136

Горно-Бадахшанская автономная область

-240

-320

-540

-650

-1270

-1340

-100

137

Туркменская ССР

+230

+310

+520

+650

+1250

+1300

+70

Продолжение прил. 6

№ п. п.

Наименование территориальных районов, областей, краев и республик

Номера цен

11

12

13

14

15

16, 19

17, 18

1

2

10

11

12

13

14

15

16

 

1-й территориальный район

 

 

 

 

 

 

 

 

РСФСР

 

 

 

 

 

 

 

1

Астраханская область

+140

+190

+920

+100

-520

+250

+170

2

Брянская »

+840

+180

-1350

+10

-30

+10

+80

3

Белгородская »

+20

+10

+240

-20

-150

-

-

4

Владимирская »

-90

-60

-370

+10

+70

-

-

5

Волгоградская »

-420

-190

+1550

-280

-370

-330

-360

6

Воронежская »

-40

-20

+40

-

+50

+10

-60

7

Вологодская »

-550

-160

+530

-190

-

-280

-230

8

Горьковская »

-30

-20

-1150

+580

+770

+670

+460

9

Ивановская »

+1080

+290

-1430

+380

+190

+510

+430

10

Калининская »

+1560

+430

-1650

+230

-90

+320

+330

11

Куйбышевская »

-100

-60

-50

-220

+10

-280

-250

12

Курская »

-560

-100

+1310

-30

-180

-20

-60

13

Кировская »

+920

+240

-1090

+260

-40

+450

+370

14

Костромская »

+50

+30

+350

-40

-330

-10

+70

15

Калужская »

+70

+50

+550

-10

-60

-40

-90

16

Ленинградская »

-590

-180

+780

-340

-210

-440

-350

17

г. Ленинград

-180

-110

-1330

+90

+630

+30

+20

18

Липецкая область

+90

+60

+1460

-320

-660

-320

-300

19

Московская »

-140

-90

-750

+30

+240

+10

+10

20

Новгородская »

+40

+30

+580

-50

-350

-40

-30

21

Орловская »

+1550

+380

-2110

+10

-70

+60

+160

22

Пензенская »

+530

+160

-500

+560

+30

+780

+570

23

Псковская область

-70

-50

-420

-150

+360

-290

-260

24

Рязанская »

-50

-30

-510

+60

+460

-20

-80

25

Саратовская »

+920

+260

+630

-40

-410

+30

+150

26

Смоленская »

-310

-30

+1190

-30

-190

-60

-70

27

Тамбовская »

+1010

+280

-640

+240

-210

+390

+280

28

Тульская »

-470

-150

+210

-

+50

-10

-40

29

Ульяновская »

+560

+180

+90

+220

-330

+370

+290

30

Ярославская »

-770

-230

-60

+70

+550

+30

-30

31

Башкирская »

-660

-220

+90

-340

+120

-440

-330

32

Мордовская »

-350

-50

+100

+550

-

+760

+700

33

Марийская »

+1060

+320

-1270

+440

+30

+580

+560

34

Татарская »

+20

+20

+10

-20

-140

-

+70

35

Чувашская »

+510

+110

-1960

+320

+590

+350

+370

 

Белорусская ССР

 

 

 

 

 

 

 

36

Брестская, Гомельская и Могилевская области

-50

-30

-340

+20

+180

+10

+10

37

Гродненская область

-60

-30

-350

+20

+180

+30

+20

38

Витебская »

-

-

+20

-

-

+10

-

 

РСФСР

 

 

 

 

 

 

 

39

Архангельская область (Южнее Полярного круга)

-20

-10

-200

-

+10

+10

-

40

Карельская АССР

+110

+70

+850

-770

-810

-50

-610

41

Коми АССР (Южнее Полярного круга)

-30

-20

-290

+10

+100

+10

-

42

Мурманская область

-20

-10

-160

+10

+70

-40

-30

 

3-й территориальный район

 

 

 

 

 

 

 

43

Литовская ССР

-30

-20

-180

+10

+60

-

-

44

Латвийская »

-30

-20

-180

+10

+60

-

-

45

Эстонская »

-30

-20

-180

+10

+60

-

-

46

Калининградская область

+20

+10

+180

-20

-110

-

-

 

4-й территориальный район

 

 

 

 

 

 

 

 

Украинская ССР

 

 

 

 

 

 

 

47

Волынская область

-40

-20

-210

+10

+90

-

-

48

Ворошиловградская область

-40

-20

-210

+10

+90

-

-

49

Днепропетровская »

-60

-30

-370

+20

+170

+20

+10

50

Донецкая »

-40

-20

-210

+10

+90

-

-

51

Житомирская »

-50

-30

-370

+20

+170

+20

+10

52

Закарпатская »

+90

+60

+380

-30

-250

-30

+30

53

Запорожская »

+530

+110

-1060

+20

+120

+30

+50

54

Ивано-Франковская »

-380

-80

+760

-20

-70

-40

-40

55

Киевская »

-60

-30

-370

+20

+170

+20

+10

56

Кировоградская »

-30

-20

-210

+10

+90

-

-

57

Крымская область

-410

-100

+400

-

+10

-20

+10

58

Львовская »

-530

-110

+990

-20

-80

-40

-60

59

Николаевская »

+400

+110

-420

-

-30

-10

+30

60

Одесская »

+30

+20

-120

-10

-50

-20

-

61

Полтавская »

-480

-110

-740

-10

-

-25

-60

62

Ровенская »

-

-

-20

-

+20

-10

-

63

Сумская »

-

-

-40

-

+20

-10

+10

64

Тернопольская »

+30

+20

+150

-10

-50

-20

-20

65

Харьковская »

-

-

-40

-

+20

-10

+10

66

Херсонская »

+780

+200

-1030

+10

-10

+10

+80

67

Хмельницкая »

т60

-30

-370

+20

+170

+20

+10

68

Черкасская »

-50

-30

-370

+20

+170

+20

+10

69

Черниговская »

-830

-210

+1000

-

+50

-30

-80

70

Черновицкая »

+590

+150

-950

+10

-10

+10

+130

71

Молдавская ССР

-50

-30

-370

+20

+170

+20

+10

 

5-й территориальный район

 

 

 

 

 

 

 

 

РСФСР

 

 

 

 

 

 

 

72

Дагестанская АССР

+530

+180

-580

+240

-170

+360

+410

73

Кабардино-Балкарская АССР

-480

-110

+800

-10

-10

-20

-50

74

Северо-Осетинская АССР

-480

-110

+800

-10

-10

-20

-50

75

Чечено-Ингушская АССР

+90

+60

+630

-40

-300

-10

-10

76

Краснодарский край

-90

-60

-690

+50

+360

+30

+20

77

Ставропольский край

+30

+20

-560

+230

+190

+280

+310

78

Ростовская область

+20

+10

+410

-

-

-10

-120

 

6-й территориальный район

 

 

 

 

 

 

 

79

Грузинская ССР

+80

+50

+490

-30

-240

-20

-20

80

Армянская »

-90

-60

-720

+60

+420

+40

+30

 

7-й территориальный район

 

 

 

 

 

 

 

 

РСФСР

 

 

 

 

 

 

 

81

Курганская область

+70

+50

+480

+390

-170

+620

+420

82

Оренбургская »

-30

-20

+70

-10

-90

-

-

83

Пермская »

-60

-40

-330

+10

+80

-10

-10

84

Свердловская »

-60

-40

-340

+10

+100

-

-

85

Челябинская »

-160

-100

-1000

+40

+320

+50

+40

86

Удмуртская АССР

+150

+100

+1070

-70

-480

-10

-

 

8-й территориальный район

 

 

 

 

 

 

 

87

Алтайский край

-30

-20

-290

-

-30

+10

+80

88

Кемеровская область

-100

-60

-520

-150

+130

-242

-160

89

Красноярский край (южнее 60-й параллели без Тувинской АССР)

-20

-10

-180

+10

+70

-

-

90

Омская область

-20

-10

-200

+10

+80

+10

-

91

Томская » (южнее 60-й параллели)

+80

+50

+520

-30

-250

+10

-

92

Тюменская область (южнее 60-й параллели)

+420

+240

+4380

-280

-2040

-200

-150

93

Тувинская АССР

+800

+480

+7550

-460

-3320

-260

-200

 

9-й территориальный район

 

 

 

 

 

 

 

94

Бурятская АССР

+160

+90

+1300

-80

-570

-50

-40

95

Иркутская область (южнее 60-й параллели)

-40

-20

-270

+10

+80

-

-

96

Читинская область

-30

-20

-310

+20

+150

+10

-10

 

10-й территориальный район

 

 

 

 

 

 

 

97

Приморский край

-60

-40

-640

+40

+260

+10

-

98

Хабаровский край (южнее 55-й параллели)

+160

+100

+310

+10

+100

-120

-90

99

Амурская область

-30

-20

-310

+20

+150

+10

+10

 

11-территориальный район

 

 

 

 

 

 

 

 

Казахская ССР

 

 

 

 

 

 

 

100

Алма-Атинская область

-100

-70

-820

+60

+400

-

-

101

Актюбинская »

-120

-70

-490

+10

+100

-20

-10

102

Восточно-Казахстанская »

-960

-260

+880

+10

+170

-30

-100

103

Гурьевская область »

+1020

+390

+2480

-230

-1710

-10

+40

104

Джамбулская »

-1040

-260

+1510

-40

-160

-70

-130

105

Джезказганская »

-50

-30

-420

+30

+200

-10

+10

106

Карагандинская »

-60

-40

-510

+30

+220

+10

-

107

Кокчетавская »

+730

+190

-830

-

-80

+10

+60

108

Кустанайская »

+60

+40

+480

-40

-260

-

-

109

Кзыл-Ординская »

+1310

+270

-3020

+50

+190

+40

+240

110

Мангышлакская область

-40

-20

-290

+20

+150

+10

+10

111

Павлодарская »

+50

+30

+230

-20

-120

-20

-20

112

Северо-Казахстанская область

+50

+30

+220

-20

-120

-20

-10

113

Семипалатинская область

-680

-210

-110

+40

+350

+10

-40

114

Талды-Курганская »

+580

+80

-2060

+80

+510

+50

+80

115

Тургайская »

+50

+30

-140

-10

-110

-10

+90

116

Уральская »

+700

+150

-1190

-

-80

-

+50

117

Целиноградская »

+780

+170

1520

+30

+150

+30

+100

118

Чимкентская »

-80

-50

-660

+60

+450

+140

+110

 

12-й территориальный район

 

 

 

 

 

 

 

 

Узбекская ССР

 

 

 

 

 

 

 

119

Бухарская область

+70

+50

-120

+230

-170

+350

+370

120

Джизакская »

-50

-30

-320

+20

+130

+20

+10

121

Кашкадарьинская »

+1380

+360

-2140

+260

-100

+400

+520

122

Наманганская »

-

-

+90

-20

-90

-

-10

123

Самаркандская »

-960

-230

+1550

-30

-120

-30

-100

124

Сырдарьинская »

+70

+50

+660

-60

-400

-

-

125

Сурхандарьинская »

+1220

+270

-3050

+330

+420

420

+520

126

Ташкентская »

-500

-160

-70

+30

+250

+20

-10

127

Ферганская »

-1470

-430

+230

+90

+830

+30

-90

128

Хорезмская »

+960

+260

-1480

+250

-130

+390

+470

129

Каракалпакская АССР

+370

+210

+310

+100

+700

+50

+40

 

Киргизская ССР

 

 

 

 

 

 

 

130

Ошская область

-120

-80

-940

+70

+510

+20

+10

131

Другие районы

-170

-110

-1340

+100

+710

+30

+20

 

Таджикская ССР

 

 

 

 

 

 

 

132

Кулябская область

-100

-60

-680

+50

+350

+30

+20

133

Курган-Тюбинская »

-100

-60

-320

-280

+100

-380

-260

134

Ленинабадская »

-100

-60

-680

+50

+350

+30

+20

135

Районы республиканского подчинения

-100

-60

-680

+50

+350

+30

+20

136

Горно-Бадахшанская автономная область

-110

-60

-690

+50

+350

+50

+40

137

Туркменская ССР

+90

+60

+640

-50

-330

+10

+10

Продолжение прил. 6

№ п.п.

Наименование территориальных районов, областей, краев и республик

Номера цен

20, 28

21

22, 24

23

26, 27

29

30

31

32

33

1

2

17

18

19

20

21

22

23

24

25

26

 

1-й территориальный

 

 

 

 

 

 

 

 

 

 

 

РСФСР

 

 

 

 

 

 

 

 

 

 

1

Астраханская область

+10

-

-30

-30

+60

+50

+80

+100

+50

+80

2

Брянская »

+20

-

+60

+60

+50

+10

+70

+80

+10

+20

3

Белгородская »

-20

+20

+150

+150

-

-

+10

-

-

-

4

Владимирская »

+40

-50

-100

-100

-10

-

-30

-10

-20

-

5

Волгоградская »

-80

+50

1-200

+190

-90

-80

-90

-170

-50

-120

6

Воронежская »

+10

-:20

+70

+70

-20

-

-40

-20

-30

 

7

Вологодская »

-40

+10

-10

-20

-90

-60

-110

-150

-60

-100

8

Горьковская »

+110

-80

-190

-180

+90

+140

+40

+210

+40

+210

9

Ивановская »

+40

+30

-

+10

+160

+110

+200

+270

+100

+170

10

Калининская »

+20

+40

+180

+180

+170

+80

+230

+270

+90

+130

11

Куйбышевская »

+10

+50

-50

-50

-80

-70

-110

-140

-80

-100

12

Курская »

-30

+20

+150

+150

-30

-10

-40

-50

-10

-10

13

Кировская »

+10

+50

+40

+50

+140

+100

-190

+240

+110

+160

14

Костромская »

-60

+80

+110

+110

+40

-

+70

+30

+50

-

15

Калужская »

-50

+70

+190

+190

+30

-

+60

-

+60

-10

16

Ленинградская »

-30

-20

-30

-40

-120

-100

-140

-210

-80

-150

17

г. Ленинград

+130

-150

-340

-340

-40

-

-110

-30

-80

-

18

Липецкая область

-110

+100

+280

+280

-40

-70

-

-110

-

-110

19

Московская »

+60

-80

-160

-160

-20

-

-70

-20

-40

-

20

Новгородская »

-60

+70

+220

+220

+10

-

+40

+10

+40

-

21

Орловская область

+20

+20

+150

+150

+100

+20

+140

+150

+30

+30

22

Пензенская »

+60

+10

+110

+120

+170

+170

+200

+320

+140

+260

23

Псковская »

+10

-30

-10

-10

-70

-60

-80

-120

-50

-100

24

Рязанская »

+20

-20

+30

+30

-10

-

-30

-20

-10

-10

25

Саратовская »

-30

+70

+230

+230

+80

+10

+150

+120

+60

+20

26

Смоленская »

-70

+90

+240

+240

+20

-10

+50

-20

+70

-10

27

Тамбовская »

+10

+40

+180

+180

+130

+80

+180

+210

+100

+130

28

Тульская »

+30

-50

-100

-100

-40

-

-70

-50

-30

-10

29

Ульяновская »

-20

+70

+230

+230

+110

+80

+160

+190

+110

+120

30

Ярославская »

+70

-110

-330

-330

-70

-10

-140

-80

-80

-10

31

Башкирская АССР

+60

-130

-310

-310

-150

-110

-210

-240

-140

-170

32

Мордовская АССР

+50

+10

+110

+120

+140

+170

+160

+290

+140

+260

33

Марийская »

+10

+90

+290

+300

+200

+140

+300

+340

+180

+220

34

Татарская »

-10

+20

+50

+70

+10

-

+20

+20

+10

+10

35

Белорусская ССР

+90

-50

-100

-70

+50

+80

+70

+170

+20

+120

36

Брестская, Гомельская и Могилевская области

+40

-40

-80

-50

-10

-

-30

-10

-20

-

37

Гродненская область

+70

-80

-160

-130

-10

-

-30

-10

-20

-

38

Витебская »

+10

-10

-30

-20

-

-

+10

-

-

-

39

Архангельская (южнее Полярного круга)

+20

-20

-40

-30

-10

-

-10

-

-10

-

40

Карельская АССР

-170

+130

+260

+90

-120

-200

-50

-280

-50

-290

41

Коми АССР (южнее Полярного круга)

+20

-30

-50

-40

-10

-

-20

-10

-10

-

42

Мурманская область

+10

-10

-20

-10

-10

-

-10

-

-10

-

 

3-й территориальный район

 

 

 

 

 

 

 

 

 

 

43

Литовская ССР

+20

-20

-40

-30

-10

-

-20

-10

-10

-

44

Латвийская »

+20

-20

-40

-30

-10

-

-20

-10

-10

-

45

Эстонская »

+10

-20

-40

-30

-10

-

-20

-10

-10

-

46

Калининградская область

-10

+10

+10

-

+10

-

+20

 

+10

-

 

4-й территориальный район

 

 

 

 

 

 

 

 

 

 

 

Украинская ССР

 

 

 

 

 

 

 

 

 

 

47

Волынская область

+20

-20

-30

-20

-10

-

-10

-10

-10

-

48

Ворошиловградская »

+20

-20

-30

-20

-10

-

-10

-10

-10

-

49

Днепропетровская »

+40

-50

-90

-60

-10

-

-10

-10

-20

-

50

Донецкая »

+20

-20

-30

-20

-10

-

-10

-10

-10

-

51

Житомирская »

+40

-50

-90

-60

-10

-

-30

-10

-20

-

52

Закарпатская »

-60

+80

+150

+100

+20

-

+60

+20

+40

-

53

Запорожская »

+30

-20

-30

-20

+20

-

+30

+40

-10

+10

54

Ивано-Франковская »

-40

+40

+70

+60

-20

-

-10

-30

+20

-

55

Киевская »

+40

-50

-90

-60

-10

-

-30

-10

-20

-

56

Кировоградская »

+20

-20

-30

-20

-10

-

-10

-10

-10

-

57

Крымская »

-10

+10

+20

+20

-20

-

-20

-30

-

-

58

Львовская »

-40

+40

+70

+60

-20

-

-20

-40

+10

-

59

Николаевская »

-20

+40

+70

+60

+30

-

+50

+40

+20

+10

60

Одесская »

-30

+40

+70

+60

+20

+10

+30

+10

+20

+10

61

Полтавская »

-20

+10

+20

+20

-30

-

-40

-50

-

-10

62

Ровенская »

-10

+10

+20

+20

-

-

-

-

-

-

63

Сумская »

-10

+10

+20

+20

+10

+10

+10

+10

+10

+10

64

Тернопольская »

-30

+40

+70

+60

+10

-

+20

-

+10

-

65

Харьковская »

-10

+10

+20

+20

+10

+10

+10

+10

+10

+10

66

Херсонская »

-10

+40

+70

+60

+60

+10

+90

+90

+30

+20

67

Хмельницкая »

+40

-50

-90

-60

-10

-

-30

-10

-20

-

68

Черкасская »

+40

-50

-90

-60

-10

-

-30

-10

-20

-

69

Черниговская »

-10

-20

-30

-20

-60

-10

-90

-80

-20

-20

70

Черновицкая »

-10

+40

+70

+60

+60

+10

+90

+80

+30

+20

71

Молдавская ССР

+40

-50

-90

-60

-10

-

-30

-10

-20

-

 

5-й территориальный район

 

 

 

 

 

 

 

 

 

 

 

РСФСР

 

 

 

 

 

 

 

 

 

 

72

Дагестанская АССР

+10

+50

+100

+40

+250

+320

+200

+550

+120

+470

73

Кабардино-Балкарская АССР

-20

+10

+20

-

-20

-10

-30

-40

-

-10

74

Северо-Осетинская АССР

-20

+10

+20

-

-20

-10

-30

-40

-

-10

75

Чечено-Ингушская АССР

-50

+60

+110

+40

+40

-

+70

+20

+50

-

76

Краснодарский край

+70

-90

-170

-130

-30

-

-50

-20

-40

-

77

Ставропольский край

+40

-10

-30

-20

+70

+70

+70

+120

+50

+100

78

Ростовская область

-20

-10

+20

-

-

-

-10

-20

+10

-10

 

6-й территориальный район

 

 

 

 

 

 

 

 

 

 

79

Грузинская ССР

-50

+70

+130

+90

+20

-

+40

-10

+30

-

80

Армянская »

+80

-100

-200

-140

-20

-

-40

-10

-30

-

 

7-й территориальный район

 

 

 

 

 

 

 

 

 

 

 

РСФСР

 

 

 

 

 

 

 

 

 

 

81

Курганская область

+50

+20

+50

+40

+120

+130

+160

+210

+140

+190

82

Оренбургская "

-

+10

+10

+20

-

-

+10

-

+20

-

83

Пермская "

+30

-40

-80

-30

-20

-

-30

-20

-20

-

84

Свердловская

+40

-50

-90

-40

-10

-

-30

-10

-20

-

85

Челябинская

+100

-120

-230

-140

-30

-

-60

-30

-40

-

86

Удмуртская АССР

-80

+110

+210

+60

+50

-

+110

+30

+80

-

 

8-й территориальный район

 

 

 

 

 

 

 

 

 

 

87

Алтайский край

+20

-20

-30

-

+10

-

+20

+20

+10

+10

88

Кемеровская область

+10

-40

-90

-20

-50

-50

-80

-100

-70

-70

89

Красноярский край (южнее 60-й параллели без Тувинской АССР)

+30

-40

-70

+30

-10

-

-10

-

-10

-

90

Омская область

+20

-30

-60

-30

-10

-

-10

-

-10

-

91

Томская » (южнее 60-й параллели)

-20

+30

+60

+20

+10

-

+30

+10

+20

-

92

Тюменская область (южнее 60-й параллели)

-390

+450

+880

+710

+90

-

+260

+70

+210

-10

93

Тувинская АССР

-620

+130

+1440

+1090

+160

-10

+460

+140

+340

-20

 

9-й территориальный район

 

 

 

 

 

 

 

 

 

 

94

Бурятская АССР

-120

+150

+290

+210

+30

-

+90

+30

+60

-

95

Иркутская область (южнее 60-й параллели)

+30

-40

-80

-80

+20

-

+50

-10

+50

-

96

Читинская область

-

+20

+40

+30

-10

-

-20

-10

-20

-

 

10 территориальный район

 

 

 

 

 

 

 

 

 

 

97

Приморский край

+80

-80

-220

-310

-20

-

-40

-20

-30

-

98

Хабаровский край (южнее 55-й параллели)

-100

+140

+260

+300

+40

-

+120

+20

+100

-

99

Амурская область

+20

-20

-40

-40

-10

-

-20

-10

-20

-

 

11-й территориальный район

 

 

 

 

 

 

 

 

 

 

 

Казахская ССР

 

 

 

 

 

 

 

 

 

 

100

Алма-Атинская область

+60

-80

-160

-60

-20

-

-40

-20

-30

-

101

Актюбинская »

+20

-20

-50

-80

-10

-

-10

-20

-

-

102

Восточно-Казахстанская область

-

-30

-60

-40

-80

-10

-120

-100

-40

-20

103

Гурьевская область

-270

+350

+700

+260

+80

+10

+150

+120

+50

+10

104

Джамбулская »

-

+20

+40

-

-70

-10

-80

-110

-

-30

105

Джезказганская »

+30

-40

-80

-20

-

-

-

-

-

+10

106

Карагандинская »

+30

-30

-60

-40

-20

-

-30

-10

-20

-

107

Кокчетавская »

-10

+40

+70

+60

+50

-

+70

+70

+20

+10

108

Кустанайская »

-50

+60

+110

+140

+10

-

+20

+10

+10

-

109

Кзыл-Ординская »

+70

-20

-50

-80

+110

+20

+140

+150

+30

+40

110

Мангышлакская »

+30

-30

-70

-50

-10

-

-20

-10

-20

-

111

Павлодарская »

-30

+40

+70

+60

-

-

+10

-

-

-10

112

Северо-Казахстанская область

-30

+40

+70

+60

+10

-

+10

+10

+10

-

113

Семипалатинская »

-50

+60

+110

-

-80

-

-130

-80

-70

-10

114

Талды-Курганская »

+100

+110

-210

-100

-20

-

-

+40

-30

+10

115

Тургайская »

-20

+40

+70

+60

+20

+10

+40

+30

+20

+10

116

Уральская »

-

+30

+40

-

+50

+10

+80

+70

+30

+20

117

Целиноградская »

+30

-10

-20

-20

+50

+10

+60

+80

+10

+20

118

Чимкентская »

+130

-140

-280

-420

-70

-

-210

-40

-180

+10

 

12-й территориальный район

 

 

 

 

 

 

 

 

 

 

 

Узбекская ССР

 

 

 

 

 

 

 

 

 

 

119

Бухарская область

+20

+30

+60

-

+90

+80

+130

+160

+90

+20

120

Джизакская »

+30

-30

-60

-60

-20

-

-40

-10

-30

-

121

Кашкадарьинская »

+50

+30

+60

-

+180

+100

+250

+300

+110

+150

122

Наманганская »

-

+10

+10

-20

-10

-10

-10

-10

-10

-10

123

Самаркандская »

-30

+10

+10

-20

-60

-10

-90

-90

-20

-20

124

Сырдарьинская »

-50

+60

+110

+30

+20

-

+50

+10

+40

-

125

Сурхандарьинская »

+120

-60

-120

-80

+140

+90

+150

+260

+40

+150

126

Ташкентская »

+60

-90

-170

-140

-50

-

-100

-60

-60

-10

127

Ферганская »

+150

-220

-420

-300

-140

-20

-270

-170

-150

-30

128

Хорезмская »

+40

+30

+60

-

+150

+90

+210

+250

+102

+140

129

Каракалпакская АССР

-40

+60

+120

-

+10

-

+30

+50

-20

-

 

Киргизская ССР

 

 

 

 

 

 

 

 

 

 

130

Ошская область

+70

-90

-180

-90

-30

-

-90

-20

-70

-

131

Другие районы

+110

-130

-260

-140

-40

-

-120

-30

-90

-

 

Таджикская ССР

 

 

 

 

 

 

 

 

 

 

132

Кулябская область

+70

-80

-170

-110

-20

-

-60

-20

-40

-

133

Курган-Тюбинская область

+10

-50

-100

-80

-80

-90

-110

-150

-90

-130

134

Ленинабадская »

+70

-80

-170

-110

-30

-

-60

-20

-40

-

135

Районы республиканского подчинения

+70

-80

-170

-110

-30

-

-60

-20

-40

-

136

Горно-Бадахшанская автономная область

+100

-130

-250

-190

-30

-

-60

-20

-40

-

137

Туркменская ССР

-

-

+20

-

+30

-

+60

+20

+50

-

Примечания: 1. Настоящие поправки определены по объемам местных строительных материалов и сборных бетонных и железобетонных конструкций, учитывающим изменения конструктивных элементов зданий и сооружений в конкретных условиях отдельных областей, краев и республик.

2. Поправки со знаком "плюс" к прямым затратам цен Прейскуранта следует прибавлять, а со знаком "минус" - вычитать.

ПРИЛОЖЕНИЕ 7

Затраты на транспортирование излишнего грунта, учтенного в ценах Прейскуранта (в рублях на измеритель цен)

 

Территориальные районы

Номера цен

1a-1e, 7a, 11б-11г

1ж, 3б, 3в, 4а, 6б, 12а, 12в-12д

2а, 2в, 8в-9, 10б, 10в

2б, 7в, 10а

2г, 11а

3

3г, 4б, 5а, 6а, 6в, 12б

5б, 12е

7б, 7г, 8а, 8б6, 11д, 11е

1, 2

28

22

41

33

41

18

27

31

35

3

20

14

33

24

30

11

17

19

28

4, 5

95

76

128

112

140

62

91

107

109

6

55

44

68

65

81

36

53

62

58

7, 8

121

97

168

143

179

78

115

136

142

9

253

210

299

299

374

170

251

296

253

10

57

46

74

67

84

37

55

64

63

11

140

112

180

165

206

90

133

157

153

12

32

23

47

38

47

19

28

32

40

13

23

13

25

27

33

10

15

18

22

14

33

28

39

39

49

22

33

39

33

15

49

41

57

57

72

33

49

57

49

16

127

105

153

149

187

85

126

148

130

17

71

58

86

84

105

47

70

82

73

18

55

45

66

64

81

37

54

64

56

19

21

17

; 28

25

31

14

20

24

24

20

22

18

28

25

32

15

22

25

24

21-24

3

3

4

4

4

2

3

4

4

26, 28

162

136

191

191

239

110

162

191

162

27, 29

132

110

155

155

195

89

132

155

132

30, 32

214

180

253

253

317

146

214

253

214

31, 33

188

158

222

222

278

128

188

222

188

ПРИЛОЖЕНИЕ 8

ВЕДОМОСТЬ
объемов излишнего грунта, подлежащего учету при составлении баланса земляных работ в целом по строительной площадке (м3 на измеритель цен)

Номера цен

Территориальные районы

1ж, 3-6, 12

1a-1e, 2б, 2г, 7а, 7в, 10а, 11a-11г

2а, 2в, 7б, 7г, 8, 9, 10б, 10в, 11д, 11е

1, 2

53

56

69

3

33

40

56

4, 5

181

189

217

6

105

110

116

7, 8

230

242

284

9

501

506

506

10

109

114

125

11

266

279

305

12

55

64

80

13

30

45

43

14

66

66

66

15

97

97

97

16

251

253

260

17

139

142

146

18

108

109

112

19

40

42

47

20

43

43

48

21-24

6

6

7

26, 28

323

323

323

27, 29

263

263

263

30, 32

428

428

428

31, 33

376

376

376

Примечание: Растительный грунт в объеме излишнего не включен, а при составлении смет на озеленение площадок он должен учитываться в следующих объемах по ценам: № 1, 3, 20-33 - 10 м3; № 4-6, 9-22 м3; № 7, 8, 17 - 45 м3; № 10, 18, 19 - 34 м3; № 11, 12 - 55 м3; № 13-73 м3; № 14-125 м3; № 15 и 16 - 99 м3.

ПРИЛОЖЕНИЕ 9

ВЕДОМОСТЬ
стоимости оборудования, предусмотренного типовыми проектами, но не учтенного Прейскурантом

1. Стоимости оборудования определены в оптовых ценах, введенных в действие с 1 января 1982 г.

2. Стоимость производственного и хозяйственного инвентаря, инструмента и мебели определяется дополнительно в соответствии с утвержденными нормами затрат на приобретение инструмента, производственного и хозяйственного инвентаря и мебели для вновь возводимых зданий.

3. Монтаж оборудования, приведенного в настоящей ведомости, учтен Прейскурантом.

4. Показатели настоящей ведомости приведены в целом на объект, для которого разработаны цены Прейскуранта (количество в штуках или комплектах, стоимость в рублях).

№ п.п.

Наименование оборудования

Номера цен Прейскуранта

1

2

количество

стоимость

количество

стоимость

I. ЭЛЕКТРОТЕХНИЧЕСКОЕ ОБОРУДОВАНИЕ

1

Блоки испытательные типа БИ-4

1

1

1

1

2

Блок-контакты шинных разъединителей типа КСА-2

1

1

1

1

3

Блок-замки механические типа ЭМБЗ

1

2

1

2

4

Блоки кремниево-выпрямительные типа БВАКЛЕ-2000/600 со шкафом управления типа ШУЛЕ

1

2717

1

2717

5

Выключатели автоматические типа:

 

 

 

 

 

А-3163

4

24

4

24

6

АП50-2МТ

2

4

2

4

7

АП50-3МТ

15

34

15

34

8

Выключатели конечные типа ВПК-2111

2

4

2

4

9

Изоляторы опорные типа ОФ-6-375

11

13

11

13

10

То же, типа ОФ-10-375

30

37

30

37

 

Комплектные распределительные устройства КСО-266

 

 

 

 

11

Камеры вводов с разъединителями РВФ и трансформаторами НТМИ-6

1

800

-

 

12

Камеры вводов с выключателями ВМГ-10 и приводами ПЭ-11

-

-

2

2260

13

Камеры трансформаторов напряжения с трансформаторами НТМИ-6 и НОМ-6

-

-

1

790

14

Камеры трансформаторов собственных нужд

1

890

1

890

15

Камера собственных нужд

-

-

1

530

16

Камеры отходящих линий

1

1130

1

1130

17

Камеры кабельных вводов

-

-

1

350

18

Камеры заземления сборных шин

1

460

1

460

19

Ключи к блок-замкам типа ЭМК

2

13

2

13

20

Печи электрического типа ПЭ-М

12

80

12

80

21

Предохранители пробивные типа ПП-А-3

1

1

1

1

22

То же, типа ПК-3/200

1

5

1

5

23

Преобразователи выпрямительные типа ВПН-4

1

113

1

113

24

То же, типа ВПТ-4

1

55

1

55

25

Преобразователи измерительные типа Е-708

1

452

1

452

26

Панели блоков питания типа ЭП-541-67 с аппаратурой контроля изоляции

1

496

1

496

27

Реле электрического типа РН-53/200

1

5

1

5

28

То же, типа РП-23

2

7

1

4

29

Реле указательного типа РУ-21/05

1

2

3

7

30

То же, РУ-21/1

1

2

2

5

31

Реле тока типа РТ-82

1

11

1

11

32

То же, типаРЭВ-571

2

7

2

7

33

Трансформаторы силовые ТМ-25/6-(10)

1

290

1

290

34

Трансформаторы тока нулевой последовательности типа ТЗРЛ

1

26

3

78

35

Трансформаторы преобразовательные типа ТМРУ-2000/10 (ТМПУ-2 000/10)

1

7000

1

7000

36

Устройства вводно-распределительные типа ВРУ-СН

1

530

1

530

37

Щиты собственных нужд, состоящие из трех шкафов

1

2215

1

2215

38

Щитки наружного управления под станцией

1

43

1

43

39

Ячейки катодных переключателей РУО-600

1

986

1

986

40

То же, линейных выключателей РУО-600

2

3706

1

1853

41

Ячейки секционных выключателей РУО-600

1

986

1

986

42

Ячейки отрицательных шин типа ЯОШ-А (агрегатные)

1

286

1

286

43

Ячейки отрицательных шин (линейные) типа ЯОШ-Л

1

323

1

323

44

Прочее мелкое оборудование

-

15

-

15

 

Итого по I разделу

-

23772

-

25106

II. ОБОРУДОВАНИЕ СЛАБОТОЧНЫХ УСТРОЙСТВ

45

Ключи роликовые типа КТ2-КТЗ

15

12

15

12

46

Приборы сигнализирующие со световыми отсчетами типаМ-1730-А

2

380

2

380

47

Пульты управления диспетчерские размером 700 ´ 560 ´ 350 мм

1

88

1

88

48

Устройства абонементские защитные для грозовых разрядов типа АЗУ-2

2

1

2

1

49

То же, типа ТУ-ТС-ТИ (радиус) , модель 3

1

3325

1

3325

50

Шкафы питания диспетчерских пунктов типа ДП, размером 1800 ´ 500 ´ 400 мм

1

462

1

462

51

Шкафы дополнительных устройств известительной сигнализации

1

414

1

414

52

Прочее мелкое оборудование

-

10

-

10

 

Итого по II разделу

 

4692

 

4692

 

Всего по ведомости

 

28464

 

29798

Продолжение прил. 9

№ п.п.

Наименование оборудования

Номера цен Прейскуранта

3

количество

стоимость

I. ЭЛЕКТРОТЕХНИЧЕСКОЕ ОБОРУДОВАНИЕ

1

Амперметры типа М-330

1

4

2

Блоки выпрямительные типа БВКЛЕ-1000/600

2

3300

3

Блок-контакты шинных разъединителей типа КСА-2

3

3

4

Блок-замки механические типа ЭМБЗ

2

3

5

Блоки испытательные типа БИ-4

1

1

6

Выключатели автоматические типа А-3163

4

24

7

То же, типа АП-50-ЗМТ

2

5

8

Изоляторы опорные внутренней установки типа ОФ-10-375

115

131

9

То же, типа ОФ-6-375

28

33

10

Изоляторы проходные типа ПК-10-2000

3

16

 

Камеры ввода с масляными выключателями типа:

 

 

11

КСО-272-19

6

6780

12

КСО-272-2Э

2

2320

13

КСО-272-8Э

1

1120

14

КСО-272-13

2

1580

15

КСО-272-15т

2

1780

16

Камеры секционных разъединителей типа КСО-272-24

1

410

17

То же, КСО-272-28

2

1060

18

Ключи к блок-замкам типа ЭМК

2

13

19

Мосты шинные без разъединителей длиной 2260

1

115

20

Печи электрические типа ПЭТ-4

18

121

21

Предохранители пробивные типа ПП-А-3

2

1

22

То же, типа ПК-3/200

1

5

23

Преобразователи выпрямительные типа ВПН-4

1

113

24

То же, типа ВПТ-4

1

55

25

Преобразователи измерительные типа Е-708

2

904

26

То же, типа Е-722

1

452

27

Панели блоков питания типа ЭПП-541-67 с аппаратурой контроля изоляции без общепанельной аппаратуры

1

489

28

Реле электрические типа РП-23

1

4

29

Реле времени типа ВЛ-27-4У4

1

51

30

Реле максимального тока мгновенного действия типа РЭВ-571

2

11

31

Реле сигнальные типа РУ-21/1

3

7

32

То же, РУ-21/0,05

2

5

33

Сопротивления переменные типа СПО-1

2

5

34

То же, на 1500 Ом типа ПЭВ-50

1

2

35

Трансформаторы силовые масляные типа ТМ-25/6-10

2

580

36

Трансформаторы тока нулевой последовательности типа ТЗРЛ

2

52

37

То же, преобразовательные для питания выпрямителей мощностью 1385 кВА типа ТМПУ-2000/10У2

1

7000

38

Устройства вводнораспределительные типа ВРУ-А1640

1

172

39

Щитки наружного управления подстанцией

1

43

40

Щитки контроля изоляции системы 600 В

1

92

41

Щитки защиты от замыкания на землю

1

47

42

Щиты собственных нужд, состоящих из трех шкафов

1

2215

43

Ячейки линейных выключателей РУО-600

2

3706

44

То же, секционных выключателей РУО-600

1

986

45

Ячейки отрицательных шин (агрегатные) типа ЯОШ-600А

1

286

46

Ячейки линейных шин типа ЯОШ-600л

1

323

47

Прочее мелкое оборудование

-

15

 

Итого по I разделу

 

36440

П. ОБОРУДОВАНИЕ СЛАБОТОЧНЫХ УСТРОЙСТВ

48

Шкафы дополнительных устройств

1

573

49

Устройства защитные абонентских пунктов проводной связи типа АЗУ-2

3

2

50

Устройства телемеханические типа ТМ-320

1

6370

51

Прочее мелкое оборудование

-

10

 

Итого по II по разделу

 

 

 

Всего по ведомости

 

 

Продолжение прил. 9

 

 

Номера цен Прейскуранта

№ п.п.

Наименование оборудования

4

5

 

 

количество

стоимость

количество

стоимость

I. ЭЛЕКТРОТЕХНИЧЕСКОЕ ОБОРУДОВАНИЕ

1

Блок-контакты типа КСА-2

-

-

15

15

2

Блок-замки электромагнитные типа ЭМБЗ

-

-

10

17

3

Блоки выпрямительного типа БВКЛЕ 1000/600 со шкафами ШУЛЕ

2

3300

2

3300

4

Выключатели конечные типа ВК-201

1

4

1

4

5

Датчики температуры типа ДТКБ

2

6

-

-

6

Изоляторы опорные типа ОФ-10-375

20

23

20

23

7

Ключи электромагнитные к замкам

-

-

3

20

 

Комплектные распределительные устройства типа КВ-130-2

 

 

 

 

8

Камеры MB рабочего ввода

1

1258

-

-

9

То же, MB резервного ввода

1

1258

-

-

10

Камеры MB агрегата

2

2516

-

-

11

Камеры MB отходящих линий

1

1258

-

-

12

Камеры секционных разъединителей № 1 и 2

2

1000

-

-

13

Камеры трансформаторов СН № 1 и 2

2

800

-

-

14

То же, напряжения

1

610

-

-

 

Комплектные распределительные устройства 6 (10) кВ, состоящие из 11 камер серим КСО-266

 

 

 

 

15

Камеры MB рабочего ввода

-

-

1

1130

16

Камеры MB резервного ввода

-

-

1

1130

17

Камеры MB агрегата

-

-

2

2260

18

Камеры трансформаторов собственных нужд № 1 и 2

-

-

2

1780

19

Камеры трансформаторов напряжения

-

-

1

760

20

Камеры фидеров резервных вводов

-

-

1

1330

21

Камеры секционных разъединителей

-

-

1

460

22

Камеры заземления сборных шин

-

-

2

920

 

Комплектные распределительные устройства КРУ-600 в составе:

 

 

 

 

23

Камеры катодных выключателей С ВАБ-43-4000/10К

2

2600

2

2600

24

Камеры линейных выключателей с ВАТ-43-2000/10Л

5

8800

5

8800

25

Камеры запасных выключателей с ВАТ-43-2000/10Л

1

1765

1

1765

 

Распределительное устройство 600В

-

-

-

-

26

Камеры агрегатных разъединителей

1

420

-

-

27

То же, линейных разъединителей

2

840

-

-

28

Предохранители пробивные типа ПП-АЗ

3

2

-

-

29

Печи электрические типа ПЭТ-4УЭ

24

161

24

161

30

Предохранители высоковольтные типа ПК-3/200

1

5

-

-

31

Панели блоков питания типа ЭПП-541-67 без аппаратуры контроля изоляции

-

-

1

441

32

Панели защиты

2

631

-

-

33

Реле электрического типа РП-23

-

-

1

4

34

Реле тока РЭВ-571

2

11

-

-

35

Реле указательного типа РУ.21/12

-

-

1

2

36

То же, типа РУ-21/l

3

7

-

-

37

Сопротивления типа ПЭВ-50

-

-

6

6

38

Трансформаторы силовые масляные типа ТМ-25/6 (10) кВ

2

580

2

580

39

Трансформаторы преобразовательные типа ТМПУ-1000/10У2

2

9200

2

9200

40

Трансформаторы земляной защиты типа ТЭРЛ

3

78

2

52

41

Устройства воднораспределительные собственных нужд типа ВРУ-А1640

-

-

1

280

42

Шкафы реле потенциальной защиты

1

116

-

-

43

Щитки контроля изоляции

1

128

-

-

44

Щиты собственных нужд № 1

1

494

-

-

45

То же, № 2

1

770

-

-

46

Щиты собственных нужд, состоящие из трех шкафов

 

 

1

2215

47

Щитки сигнализации размером 600 ´ 400 ´ 500 мм

1

66

1

66

48

Шкафы защиты и сигнализации РУ-600

1

310

1

310

49

Ячейки отрицательных шин типа ЯОЩ-600а (агрегатные)

-

-

1

286

50

Ячейки линейных шин типа ЯОШ-600Л (линейные)

-

-

3

970

51

Прочее мелкое оборудование

-

10

-

10

 

Итого по I разделу

 

39027

 

40897

II. ОБОРУДОВАНИЕ СЛАБОТОЧНЫХ УСТРОЙСТВ

52

Аппараты телефонные типа ТАН-70

1

7

1

7

53

То же, типа ТАУ-04

1

44

1

44

54

Громкоговорители электродинамические типа ГА-III

1

26

1

26

55

Устройства телемеханические типа ТМ-320

1

6370

1

6370

56

Трансформаторы абонентские ТАМУ-10Т

1

3

1

3

 

Итого по II разделу

 

6450

 

6450

 

Всего по ведомости

 

45477

 

47347

Продолжение прил. 9

 

 

Номера цен Прейскуранта

№ п.п.

Наименование оборудования

6

 

 

количество

стоимость

I. ЭЛЕКТРОТЕХНИЧЕСКОЕ ОБОРУДОВАНИЕ

1

Блоки испытательные типа БИ-4

1

1

2

Блок-контакты шинных разъединителей типа КСА-2

2

2

3

Блок-замки механические типа ЭМБЗ

4

7

4

Блоки кремниево-выпрямительные типа БВКЛЕ-1000/600

4

6600

 

Выключатели автоматические типа:

 

 

5

А-3134

2

56

6

А-3163

8

47

7

АП50-3МТ

2

5

8

АП50-2МТ

3

5

9

Выключатели конечные типа ВПК-2111

2

4

10

Изоляторы опорные типа ОФ-6-375

50

60

11

То же, типа ОФ-10-375

48

60

 

Комплектные распределительные устройства КСО-272, состоящие из:

 

 

12

камеры ввода с масляными выключателями ВМГ-10 и приводами ПЭ-11, каталожный № 1Э и 4Э

2

2260

13

камеры кабельных вводов

1

350

14

камеры трансформаторов собственных нужд

2

1780

15

камеры трансформаторов напряжения с трансформаторами НТМК-6 (10 кВ)

1

760

16

камеры отходящих линий с масляными выключателями ВМГ-10 и приводами ПЭ-11

4

4520

17

камеры заземления сборных шин

2

920

18

камеры секционных разъединителей

1

460

19

Ключи к блок-замкам типа ЭМК

4

26

20

Печи электрические типа ПЭТ-4

23

154

21

Предохранители типа ПП-А-3

3

2

22

Преобразователи выпрямительных типа ВПН-4

1

113

23

То же, типа ВПТ-4

4

220

24

Панели блоков питания типа ЭПП-541-67 с аппаратурой контроля изоляции

1

496

25

Реле электрические типа РН-53/200

2

10

26

Реле типа РП-23

1

4

27

Реле указательные типа РУ-21/05

3

7

28

То же, типа РУ-21/1

3

5

29

Реле тока типа РТ-82/1

3

32

30

Трансформаторы силовые типа ТМ-25-6 (10) кВ

2

580

31

Трансформаторы тока типа ТЗРЛ

2

52

32

Трансформаторы преобразовательные типа ТМРУМ-1200/10

4

16600

33

Устройства вводнораспределительные типа ВРУ-(А-1640) собственных нужд

1

161

34

Штепсели контрольные типа ШК-4

1

1

35

Щитки защиты от замыкания на землю в системе 600 В

1

81

36

Щиты кабельных сигнализаторов

1

189

37

Щиты собственных нужд, состоящие из трех шкафов типа ЩСН-М

1

2215

38

Щитки испытания кабелей

1

24

39

Ячейки линейных выключателей типа РУО-600

7

12970

40

То же, катодных выключателей

4

4706

41

То же, запасных выключателей

1

1654

42

Ячейки отрицательных шин типа ЯОШ-600А (агрегатные)

2

572

43

Ячейки отрицательные типа ЯОШ-600Л (линейные)

4

1293

44

Прочее мелкое оборудование

-

10

 

Итого по разделу

 

60084

II. ОБОРУДОВАНИЕ СЛАБОТОЧНЫХ УСТРОЙСТВ

45

Ключи роликовые КТ2-КТ3

34

25

46

Приборы приемные типа ТМ-А-5

2

85

47

Пульты диспетчера размером 2100´610´250 мм

1

152

48

Устройства телеуправления, телесигнализации типа ТМЗ-1 модель В-31

1

1983

49

Шкафы переходных клеммников

1

125

50

Прочее мелкое оборудование

-

5

 

Итого по II разделу

 

2375

 

Всего по ведомости

 

62459

Продолжение прил. 9

 

 

Номера цен Прейскуранта

№ п.п.

Наименование оборудования

7

8

 

 

количество

стоимость

количество

стоимость

I. ЭЛЕКТРОТЕХНИЧЕСКОЕ ОБОРУДОВАНИЕ

1

Блоки испытательные типа БН-4

5

7

4

6

2

Блок-контакты типа КСА-2

-

-

20

20

3

То же, типа КСА-4

-

-

6

12

4

Блоки кремниевые выпрямительные типа БВКЛЕ-1000/600

4

6600

4

6600

5

Блок-замки механические типа ЭМБЗ

4

7

10

17

6

Вентили кремниевые неуправляемые с охладителями типа ВК2-10

1

21

1

21

7

Выключатели автоматические

типа АП50-3МТ

2

2

5

5

2

2

5

5

8

То же, типа А-3134

2

56

2

56

9

Выключатели конечные типа ВПК-2010

1

1

1

1

10

Датчики температуры типа ДТКБ-46, 49, 53

3

9

-

-

11

Изоляторы опорные типа ОФ-10-375

40

48

40

48

12

Ключи электромагнитные КЭ к замкам

4

26

10

65

 

Комплектные распределительные устройства КВВО-2, состоящие из 13 камер:

 

 

 

 

13

Камеры MB рабочего ввода

1

1258

-

-

14

Камеры MB резервного ввода

1

1258

-

-

15

Камеры MB агрегата

4

5032

-

-

16

Камеры трансформаторов напряжения

2

1220

-

-

17

То же, трансформаторов собственных нужд № 1

1

400

-

-

18

То же, СН № 2

1

400

-

-

19

Камеры секционных разъединителей

2

1000

-

-

20

Камеры собственных нужд

1

400

-

-

 

Комплектные распределительные устройства 6 (10) кВ типа КСО-272, состоящие из 14 камер:

 

 

 

 

21

Камеры MB рабочего ввода

-

-

1

1130

22

Камеры MB резервного ввода

-

-

1

1130

23

Камеры кабельных вводов

-

-

1

345

24

Камеры MB агрегата

-

-

4

4520

25

Камеры трансформаторов напряжения

-

-

2

1520

26

Камеры трансформаторов собственных нужд № 1 и 2

-

-

4

3560

27

Камеры секционных разъединителей

-

-

1

460

 

Комплектные распределительные устройства типа КРУ-600, состоящие из камер:

 

 

 

 

28

Камеры агрегатных выключателей с ВАБ-43-4000/10к

4

5200

4

5200

29

Камеры линейных выключателей с ВАТ-43-2000/10Л

8

14080

8

14080

30

Камеры запасных выключателей с ВАТ-43-2000/10Л

1

1765

1

1765

31

Камеры линейных разъединителей

3

1260

-

-

32

Камеры агрегатных разъединителей

2

840

-

-

33

Кнопки управления типа КЕ-011

-

-

20

16

34

Панели блоков питания типа ЭПП-541-67

-

-

1

496

35

Панели защиты

4

1262

4

1262

36

Предохранители пробивные типа ПП-А/3

3

2

7

4

37

Реле максимального тока типа РЭВ-571

2

11

-

-

38

Реле промежуточные типа РП-23

10

37

1

4

39

Реле указательные типа РУ-21/1

8

18

10

23

40

Реле времени типа ЭВ-245

-

-

2

17

41

Реле промежуточные типа РП-25

-

-

6

22

42

Трансформаторы для преобразователей типа ТМПУ-1000/10У2

4

18400

4

18400

43

Трансформаторы силовые типа ТМ-25/6(10)

-

-

2

580

44

Трансформаторы тока земляной защиты типа ТЗЛМ

-

-

2

18

45

Трансформаторы понижающие типа ТЗ-10

-

-

1

341

46

Трансформаторы силовые мощностью 40 кВА типа ТМ-40-6 (10) кВ

2

700

-

-

 

Устройства вводнораспределительные типа ВРУ-А1640 размером:

 

 

 

 

 

1700 ´ 800 ´ 500 мм в составе

 

 

 

 

47

вводные устройства № 1-СН

-

-

1

159

48

вводные устройства № 2-СН

-

-

1

514

49

Шкафы собственных нужд № 1

1

494

1

494

50

То же, собственных нужд № 2

1

770

1

770

51

Шкафы собственных нужд № 3

1

540

1

540

52

Шкафы защиты кабелей 600 В

1

379

1

379

53

Шкафы реле потенциальной защиты

1

116

1

116

54

Щитки защиты от замыкания на землю в системе 600 В № 1

-

-

1

58

55

То же, № 2

-

-

1

13

56

Электрорадиаторы маслонаполненные секционные

22

416

22

416

57

Ячейки отрицательных шин агрегатные типа ЯОЩ-600А

-

-

2

572

58

Ячейки отрицательных шин линейные типа ЯОЩ-600Л

-

-

5

1617

59

Прочее мелкое оборудование

-

10

-

10

 

Итого по I разделу

-

64048

-

67402

П. ОБОРУДОВАНИЕ СЛАБОТОЧНЫХ УСТРОЙСТВ

60

Аппараты телефонные типа ТАН-70

4

29

4

29

61

Выпрямители селеновые ВК-24М

1

16

1

16

62

Громкоговорители абонентские типа ГА-Ш

5

129

5

129

63

Трансформаторы абонентские типа ТАНУ-10

1

3

1

3

64

Устройства оперативной телефонной связи МИГ

1

831

1

831

65

То же, телемеханические типа ТМ-320

1

6370

1

6370

66

Часы электрические первичные типа ПКЛЗ-24

1

59

1

59

67

То же, вторичные односторонние типа ВП-400-24 в корпусе

5

23

5

23

68

Шкафы телефонные распределительные типа ШРП-150

1

61

1

61

69

Шкафы переходных клеммников

1

125

1

125

 

Итого по II разделу

-

7646

 

7646

 

Всего по ведомости

 

71694

 

75048

Продолжение прил. 9

 

 

Номера цен Прейскуранта

№ п.п.

Наименование оборудования

9

 

 

количество

стоимость

I. ЭЛЕКТРОТЕХНИЧЕСКОЕ ОБОРУДОВАНИЕ

1

Блок-контакты типа КСА-2

2

2

2

Блоки испытательные типа БИ-4

1

1

3

Блок-замки механического типа ЭМБЗ

4

7

4

Блоки кремниево-выпрямительные типа БВКЛЕ-1000/600 со шкафами ШУЛЕ

б

9900

5

Выключатели автоматические типа А-3134

2

56

6

То же, типа АП-50-3МТ

4

9

7

Выключатели конечные типа ВПК-2111

2

4

8

Изоляторы опорные типа ОФ-10-375

39

44

9

То же, ОФ-6-375

44

53

 

Камеры распределительных устройств серии КСО-272 внутренней установки до 10 кВ, каталожный №

 

 

10

1-Э

3

3390

11

6-Э

1

1170

12

23

1

345

13

16Т

1

890

14

28

2

106

 

Камеры КСО-272, каталожный №

 

 

15

2-Э

2

2320

16

15Т

1

890

17

13

1

760

18

26

1

460

19

Ключи электромагнитные к блок-замкам типа ЭМК

4

26

20

Мосты шинные

1

115

21

Панели блоков питания типа ЭПП-541-67

1

496

22

Панели защиты

3

947

23

Печи электрические типа ПЭТ-4УЗ

24

161

24

Предохранители пробивные типа ПП-А/3

3

2

25

Преобразователи измерительные типа Е-708

3

1356

26

То же, типа Е-722

1

452

27

Реле максимального тока типа РЭВ-571

2

11

 

Реле типа:

 

 

28

РТ-82/1

3

32

29

РП-25

3

11

30

РП-23

2

7

31

Реле указательные типа РУ-21/1

3

7

32

То же, типа РУ-21/0,5

3

7

33

Сопротивления типа ПЭВ-75 до 12000 Ом

4

11

34

То же, типа ПЭВ-150 на 3000 Ом

2

7

35

Трансформаторы силовые типа ТМ-25/6(10)

2

580

36

То же, тока нулевой последовательности типа ТЗРЛ

3

78

37

Трансформаторы преобразовательные типа ТМПУ-2000/10У2

3

21000

38

Устройства вводно-распределительные типа ВРУ-70-В-7

1

147

39

То же, типа ВРУ-А (1640)

1

513

40

Шкафы реле потенциальной защиты

1

116

41

Шкафы защиты кабелей 600 В

1

379

42

Щитки контроля изоляции

1

128

43

Щитки защиты от замыкания на землю в системе 600 В № 1

1

58

44

То же, № 2

1

13

45

Щиты собственных нужд, состоящие из трех шкафов

1

2215

46

Ячейки линейных выключателей типа РУО-600

8

14823

47

То же, запасных выключателей РУ-600

1

1654

48

Ячейки катодных выключателей

3

3530

49

Ячейки отрицательных шин типа ЯОШ-600Л (линейные)

4

1293

50

То же, типа ЯОШ-600А (агрегатные)

2

572

51

Прочее мелкое оборудование

-

15

 

Итого по I разделу

 

71169

П. ОБОРУДОВАНИЕ СЛАБОТОЧНЫХ УСТРОЙСТВ

52

Аппараты телефонные типа ТАН-70-1 системы АТС

4

29

53

То же, типа ТАН-70-4 системы ЦБ

2

11

54

Громкоговорители абонентские ГА-III

7

180

55

Блоки питания типа БП-24/1

1

44

56

Электрочасы вторичные типа ВП-300-24

5

45

57

Устройства телемеханические типа ТМ-320

1

6370

58

Устройства защитные абонентские типа АЗУ-2

3

2

59

Прочее мелкое оборудование

-

5

 

Итого по II разделу

 

6686

 

Всего по ведомости

 

77835

Продолжение прил. 9

 

 

Номера цен Прейскуранта

№ п.п.

Наименование оборудования

10

11

 

 

количество

стоимость

количество

стоимость

 

I. ЭЛЕКТРООБОРУДОВАНИЕ

1

Кнопки управления типа КУ-122-2М

4

9

4

9

2

Пускатели магнитные типа ПМЕ-122

2

11

1

6

3

Тоже, типа ПМЕ-121

-

-

2

11

4

Пункты силовые распределительного типа ПР-9242-327

1

162

1

162

5

Счетчики электрические типа СА4-И672М

1

11

1

11

6

Ящики вводные с автоматами типа ЯЗ134-29

1

64

1

64

7

Прочее мелкое оборудование

-

10

-

10

 

Итого по I разделу

-

267

 

273

П. МЕХАНООБОРУДОВАНИЕ

8

Приводы предэкранного занавеса в комплекте с дорогой кареткой, блоками МПЗ-1

1

298

1

298

9

Полотна экранов типа ЭПБ-1

20

70

20

70

10

Блоки обводные

2

7

2

7

11

Прочее мелкое оборудование

-

10

-

10

 

Итого по II разделу

 

385

 

385

Ш. КИНОПРОЕКЦИОННОЕ ОБОРУДОВАНИЕ

12

Автоперематыватели с электроприводами для 35-миллиметровых фильмов типа «35-П-5»

1

225

1

225

13

Выпрямители типа ВК-60-90

2

760

2

760

14

Кинопроекторы стационарные широкоэкранные типа КСЕНОН-1М

2

3100

2

3100

15

Канаты

60

15

60

15

16

Комплекты автоматических противопожарных заслонок типа 16КПЗ-2

1

53

1

53

17

Пульты дистанционного управления 55-ПДУ-1

2

52

2

52

18

То же, типа РУ-60-90

1

130

1

130

19

Устройство звуковоспроизводящее

1

460

2

920

20

Фильмостаты ФС-10

2

68

2

68

21

Шнуры шторные

120

12

120

12

22

Прочее мелкое оборудование

-

15

-

15

 

Итого по III разделу

 

4890

 

5350

 

Всего по ведомости

 

5542

-

6008

Продолжение прил. 9

 

 

Номера цен Прейскуранта

№ п.п.

Наименование оборудования

12

13

 

 

количество

стоимость

количество

стоимость

I. ЭЛЕКТРООБОРУДОВАНИЕ

1

Кнопки управления типа КУ-122-2М

4

9

4

9

2

Тоже, типа ПМЕ-121

4

22

-

-

3

Пункты силовые распределительного типа ПР-9242-327

1

162

1

162

4

То же, типа ПР-9222-302

1

96

 

 

5

Счетчика электрические типа СА4-И672М

1

11

1

11

6

Шкафы для установки пультов

1

82

-

-

7

Шкафы для измерительных приборов

1

160

-

-

8

Ящики вводные с автоматами типа ЯЗ134-29

1

64

 

64

9

Прочее мелкое оборудование

-

10

-

10

 

Итого по I разделу

-

616

-

256

II. МЕХАНООБОРУДОВАНИЕ

10

Приводы подзкранного занавеса к комплекте с дорогой кареткой, блоками МПЗ-1

1

298

-

-

11

Полотна экранов типа ЭПБ-1

31

108

20

70

12

Прочее мелкое оборудование

-

10

-

10

 

Итого по II разделу

-

416

-

80

Ш. КИНОПРОЕКЦИОННОЕ ОБОРУДОВАНИЕ

13

Автоперематыватели с электроприводами для 35-миллиметровых фильмов типа 35-П-5

1

225

1

225

14

Выпрямители типа ВК-60-90

-

-

2

760

15

Выпрямители селеновые типа 20ВСС-1

2

1007

-

-

16

Кинопроекторы стационарные широкоэкранные типа KCEHOH-1M

-

-

2

3100

17

Кинопроекторы КПТ-7М

2

1520

-

-

18

Комплекты автоматических противопожарных заслонок типа 16КПЗ-2

1

53

1

53

19

Пульты дистанционного управления 55-ПДУ-1

2

52

2

52

20

Прессы для склейки 35-миллиметровых фильмов

1

51

-

-

 

Устройство распределения и управления типа:

 

 

 

 

21

18УРУ-1

1

130

-

-

22

РУ-60-90

-

-

1

130

23

17-РУ-1

1

124

-

-

24

Устройство звукопроизводящее

2

920

2

920

25

Фильмостаты ФС-10

-

-

2

68

26

То же, для фильмокопий на 600 м в бобинах ФС-6

2

29

-

-

27

Прочее мелкое оборудование

-

15

-

15

 

Итого по III разделу

-

4126

-

5323

 

Всего по ведомости

-

5158

-

5659

Продолжение прил. 9

 

 

Номера цен Прейскуранта

№ п.п.

Наименование оборудования

14

15

 

 

количество

стоимость

количество

стоимость

I. ЭЛЕКТРООБОРУДОВАНИЕ

1

Выключатели автоматические в металлических кожухах типа АП-50-3МТ

1

7

1

7

2

Счетчики активной анергии типа САЧ-Н672М

1

11

1

11

 

Итого по I разделу

-

18

-

18

П. ОБОРУДОВАНИЕ СЛАБОТОЧНЫХ УСТРОЙСТВ

3

Микрофоны МД-59

-

-

2

12

4

Усилители УМ-50А мощностью 50 Вт

-

-

1

68

 

Итого по II разделу

-

-

-

80

 

Всего по ведомости

-

18

-

98

Продолжение прил. 9

 

 

Номера цен Прейскуранта

№ п.п.

Наименование оборудования

16

17, 18, 19

 

 

количество

стоимость

количество

стоимость

I. ЭЛЕКТРООБОРУДОВАНИЕ

 

Выключатели автоматические в металлических кожухах типа АП-50-3МТ

1

7

1

7

2

То же, типа АП-50-2МТ в металлических кожухах

1

6

-

-

3

Счетчики активной энергии типа САЧ-Н672М

1

11

1

11

 

Итого по I разделу

-

24

-

18

II. ОБОРУДОВАНИЕ СЛАБОТОЧНЫХ УСТРОЙСТВ

4

Колонки звуковые типа ЗКЗ-140

4

72

-

-

5

Магнитофоны типа "Тембр-22"

1

331

-

-

6

Микрофоны МД-59

2

12

-

-

7

Проигрыватели типа ПГ-4

1

48

-

-

8

Усилители УМ-50А мощностью 50 Вт

1

68

-

-

 

Итого по II разделу

-

531

-

-

 

Всего по ведомости

-

555

-

18

ПРИЛОЖЕНИЕ 10

Пример составления сметы на строительство зданий и сооружений с применением цен Прейскуранта

ИСХОДНЫЕ ДАННЫЕ

по составлению сметы на строительство трамвайно-троллейбусной тяговой подстанции, совмещенной с эксплуатационным районом контактно-кабельной сети, стены кирпичные (типовой проект 507-53)

1. Наименование стройки

Строительство предприятия "М"

2. Район строительства

г. Омск (район 8б)

3. Поясной коэффициент к заработной плате в районе строительства

1.2

4. Группа и влажность грунтов на площадке строительства

III группа, мокрые, с водоотливом до 30м3

5. Глубина заложения фундаментов здания или сооружения, установленная в рабочих чертежах

2,1 м

6. Зимняя расчетная температура наружного воздуха в районе строительства

-40 °С

7. Предельные накладные расходы на строительные работы, установленные для подрядной строительной организации

18 % (доля нормативной условно-чистой продукции 50 % от суммарной стоимости основной заработной платы и эксплуатации машин)

8 Норма затрат на временные здания и сооружения

3,9 % (доля в них нормативной условно-чистой продукции 30 %)

9. Норма дополнительных затрат при производстве строительно-монтажных работ в зимнее время

4,2 % (часть приведенной нормы зимних удорожаний, определяющую НУЧП-2,94)

10 Организация, занимающаяся транспортированием грунта

Автотранспортное предприятие, находящееся на балансе подрядной строительной организации


Строительство предприятия "М"

ЛОКАЛЬНАЯ СМЕТА № 1

на строительные работы подземной и надземной части трамвайно-троллейбусной тяговой подстанции Сметная стоимость 105 тыс. руб.

Нормативная условно-чистая продукция 22,9 тыс. руб.

Составлена в ценах 1984 г. Основание: чертежи № 507-53

№ п.п.

№ прейскурантов, УСН, расценок, ценников и др.

Наименование работ и затрат

Единица измерения

Количество

Стоимость единицы, руб.

Общая стоимость, руб.

всего

в том числе

всего

в том числе

нормативной условно-чистой

продукции

основной заработной платы

эксплуатация машин

основной заработной платы

эксплуатации машин

в том числе заработной платы

в том числе заработной платы

1

2

3

4

5

6

7

8

9

10

11

12

1

ПРЦ (м-г.х.) Цена № 9

Строительные работы по основной цене (подземная и надземная части)

Подстанция

1

77500

8040

2511

1015

77500

8040

2511

1015

10551

2

Прил. 3

Поправка к цене при производстве работ в мокрых грунтах III группы с водоотливом до 30 м3/ч вместо учтенных сухих грунтов II группы

 

 

 

 

 

 

 

 

 

 

 

а) к основной заработной плате 506 (1,69 - 1)

Подстанция

1

349

349

-

349

349

-

349

 

 

б) к эксплуатации машин 452 [(1,23-1) + (1,81-1)]

»

1

470

-

470

-

470

-

470

-

470

 

 

в) к заработной плате рабочих, обслуживающих машины 178[(1,25-1) + (2,87-1)]

»

1

377

-

-

377

377

-

-

377

-

3

Техн. часть, п. 1.7; 2.2б, K = 1,2 вместо 1,15

Поправка к заработной плате (8040 + 349) + (1015 + 377)

Подстанция

1

425

366

61

61

425

366

61

61

425

4

Техн. часть, табл. 2, 3; п. 2.2в, прил. 4 (примечание)

Поправках цене, учитывающая изменение стоимости кирпича строительного и сборных железобетонных

 

 

 

 

 

 

 

 

 

 

 

конструкций в связи с отклонением условий их транспортирования от учтенных (6,3 - 6,14) ´ 830 + (10,8 - 5) (383 + 33) + (11,3 - 4,73)193

Подстанция

1

3814

-

-

3814

-

-

-

5

Прил. 6

Поправка к ценам, учитывающая разницу в оптовых ценах на кирпич строительный и сборные железобетонные и бетонные конструкции и сметных ценах на местные строительные материалы

»

1

-320

-

-

-320

-

-

-

 

 

Итого по пп. 1-5

руб.

 

 

 

 

82615

8755

3042

1453

11795

 

 

Накладные расходы на строительные работы 18 %

руб.

 

 

 

 

14871

-

-

-

 

 

НУЧП по накладным расходам 0,5 (8755 + 3042)

руб.

 

 

 

 

-

-

-

5899

 

 

Плановые накопления 8 %

руб.

 

 

 

 

7799

-

-

-

 

 

НУЧП по плановым накоплениям 0,44 (8755 + 3042)

руб.

 

 

 

 

-

-

-

5191

 

 

Итого по строительным работам

 

 

 

 

 

105285

8755

3042

1453

22885

Строительство предприятия "М"

ЛОКАЛЬНАЯ СМЕТА № 2

на монтаж металлоконструкций трамвайно-троллейбусной тяговой подстанции

Сметная стоимость 2,99 тыс. руб.

Нормативная условно-чистая продукция 0,49 тыс. руб.

Составлена в ценах 1984 г. Основание: чертежи № 507-53

п.п.

прейскурантов, УСН,

расценок, ценников и др.

Наименование работ и затрат

Единица измерения

Количество

Стоимость единицы, руб.

Общая стоимость, руб.

всего

в том числе

всего

в том числе

нормативной условно-чистой

продукции

основной заработной платы

эксплуатация машин

основной заработной платы

эксплуатации машин

в том числе заработной платы

в том числе заработной платы

1

2

3

4

5

6

7

8

9

10

11

12

1

ПРЦ (м-г.х.) Цена № 9

Монтаж металлоконструкций

Подстанция

1

2540

96,7

163

60

2540

96,7

163

60

259,7

2

Техн. часть п. 1,.7; 2.2б, K = 1,2 вместо 1,15

Поправка по заработной плате  ´ (96,7 + 60)

То же

1

6,8

4,2

2,6

2,6

6,8

4,2

2,6

2,6

6,8

 

 

Итого по п.п. 1, 2

 

 

 

 

 

2547

101

166

63

267

 

 

Накладные расходы на монтаж металлоконструкций 8,6 %

руб.

 

 

 

 

219

-

-

-

 

 

НУЧП по накладным расходам (101 + 166)0,41

руб.

 

 

 

 

-

-

-

109

 

 

Плановые накопления 8 %

руб.

 

 

 

 

222

-

-

-

 

 

НУЧП по плановым накоплениям (101 + 166) 0,44

руб.

 

 

 

 

-

-

-

117

 

 

Итого по монтажу металлоконструкций

руб.

 

 

 

 

2988

101

166

63

493

Строительство предприятия "М"

ЛОКАЛЬНАЯ СМЕТА № 3

на внутренние санитарно-технические устройства трамвайно-троллейбусной тяговой подстанции

Сметная стоимость 5,22 тыс. руб.

Нормативная условно-чистая продукция 1,6 тыс. руб.

Составлена в ценах 1984 г. Основание: чертежи № 507-53

№ п.п.

№ прейскурантов, УСН, расценок, ценников и др.

Наименование работ и затрат

Единица измерения

Количество

Стоимость единицы, руб.

Общая стоимость, руб.

всего

в том числе

всего

в том числе

нормативной условно-чистой

продукции

основной заработной платы

эксплуатация машин

основной заработной платы

эксплуатации машин

в том числе заработной платы

в том числе заработной платы

1

2

3

4

5

6

7

8

9

10

11

12

1

ПРЦ (м-г.х.)

Цена № 9

I. Санитарно-технические работы (холодное водоснабжение, канализация, центральное отопление и вентиляция)

Подстанция

1

3760

479

53,4

13,6

3760

479

53,4

13,6

532,4

2

Техн. часть, п. 1.7; 2.2б, К = 1,2 вместо 1,15

Поправка по заработной плате  (479 + 13,6)

руб.

 

 

 

 

21,4

20,8

0,6

0,6

21,4

 

 

Итого по п.п. 1,2

руб.

 

 

 

 

3781

500

54

14

554

 

 

Накладные расходы на санитарно-технические работы 13,3 %

руб.

 

 

 

 

503

-

-

-

 

 

НУЧП по накладным расходам (500 + +54)0,63

руб.

 

 

 

 

-

-

-

349

 

 

Плановые накопления 8 %

руб.

 

 

 

 

343

-

-

-

 

 

НУЧП по плановым накоплениям (500 + +54) 0,44

руб.

 

 

 

 

-

-

-

244

 

 

Итого по санитарно-техническим работам

руб.

 

-

-

-

4627

500

54

14

1147

3

ПРЦ (м-г.х) Цена № 9

II. Строительные работы сопутствующие санитарно-техническим

Подстанция

1

459

208

9,97

3,04

459

208

9,97

3,04

218

4

Техн. часть, п. 1.7; 2.2б, К = 1,2 вместо 1,15

Поправка по заработной плате  (208 + 3,04)

руб.

 

 

 

 

9,13

9

0,13

0,13

9,13

 

 

Итого по п.п. 3, 4

руб.

 

 

 

 

468

217

10,1

3,2

227

 

 

Накладные расходы 18 %

руб.

 

 

 

 

84

-

-

-

 

 

НУЧП по накладным расходам (208 + 9,97)0,5

руб.

 

 

 

 

 

-

-

109

 

 

Плановые накопления 8 %

руб.

 

 

 

 

44

-

-

-

 

 

НУЧП по плановым накоплениям (208 + 9,97)0,44

руб.

 

 

 

 

-

-

-

96

 

 

Итого по строительным работам, сопутствующим санитарно-техническим

руб.

 

 

 

 

596

217

10,1

3,2

432

 

 

Итого по внутренним санитарно-техническим работам

руб.

 

 

 

 

5223

717

64

17

1579

Строительство предприятия "М"

ЛОКАЛЬНАЯ СМЕТА № 4

на приобретение и монтаж электроосвещения, электросилового оборудования, радиофикации и телефонизации трамвайно-троллейбусной тяговой подстанции

Сметная стоимость 107,7 тыс. руб.

В том числе:

оборудования 85,6 тыс. руб.

монтажных работ 22,1 тыс. руб.

Нормативная условно-чистая продукция 13,3 тыс. руб.

Составлена в ценах 1984 г. Основание: спецификация № 507-53

№ п.п.

Шифр и позиции прейскуранта, УСН, ценника и др.

Наименование и характеристика оборудования и монтажных работ

Единица измерения

Количество

Масса

брутто

нетто,

Т

Стоимость единицы, руб.

Общая стоимость, руб.

 

оборудования

монтажных работ

оборудования

всего

В том числе

 

единицы

общая

всего

в том числе

основной заработной платы

эксплуатация машин

 

основной заработной платы

эксплуатации машин

в том числе заработной платы

в том числе заработной платы

 

1

2

3

4

5

6

7

8

9

10

11

12

13

14

15

 

1

ПРЦ (м-г.х) Цена № 9

прил. 9

Монтаж электроосвещения, электросилового оборудования, радиофикации и телефонизации

Подстанция

1

 

 

77855

14700

5970

1250

508

77835

14700

5970

1250

508

 

2

Техн. часть, п. 1.7, 2.2б, К = 1,2 вместо 1,15

Поправка по заработной плате  ´ (5970 + 508)

руб.

 

 

 

 

 

 

 

 

282

260

22

22

 

 

Техн. часть, 3 п. 1.7

Поправка по заработной плате рабочих, обслуживающих машины (косвенные расходы)  ´ 0,2 ´ 0,4

руб.

 

 

 

 

 

 

 

-

35

-

35

 

 

 

Итого по пп. 1-3

руб.

 

 

 

 

 

 

 

77835

15017

6230

1307

530

 

 

 

Затраты по транспорту, заготовительно-складским расходам, таре, упаковке и комплектации 77855´0,1

руб.

 

 

 

 

 

 

 

7786

-

-

-

 

 

 

Всего

руб.

 

 

 

 

 

 

 

85621

15017

6230

1307

530

 

 

 

Накладные расходы 0,87´6230

руб.

 

 

 

 

 

 

 

-

5420

-

-

 

 

 

Плановые накопления 8 %

руб.

 

 

 

 

 

 

 

-

1635

-

-

 

 

 

Итого по электромонтажным работам

руб.

 

 

 

 

 

 

 

85621

22072

6230

1307

530

 

 

 

В том числе НУЧП, НУЧП = 6230 + 1307 + 0,32(6230 + 1307) + 0,44 ´ (6230 + 1307) = 13265 руб.

 

 

 

 

 

 

 

 

 

 

 

 

 

Строительство предприятия "М"

Смета в сумме 234,7 тыс. руб.                                     Смета в сумме 234,7 тыс. руб.

и нормативная условно-чистая                                   утверждена

продукция в сумме 31,6 тыс. руб.                               Заказчик ________________________

согласована                                                                   (должность, подпись, инициалы, фамилия)

Подрядчик _______________________________      «____» __________________ 19___ г.

(должность, подпись, инициалы, фамилия)

ОБЪЕКТНАЯ СМЕТА № 1

на строительство трамвайно-троллейбусной тяговой подстанции

Сметная стоимость 234,7 тыс. руб.

Нормативная условно-чистая продукция 31,6 тыс. руб.

Составлена в ценах 1984 г.

№ п.п.

№ смет и

расчетов

Наименование работ и затрат

Сметная стоимость, тыс. руб.

строительных работ

монтажных работ

оборудования, приспособлений, мебели и инвентаря

прочих затрат

Всего

в том числе

Нормативной условно-чистой продукции

Показатели единичной стоимости, руб.

основной заработной платы

эксплуатации машин

1

2

3

4

5

6

7

8

9

10

11

12

1

1

Строительные работы

105

-

-

-

105

8,76

3,04

22,9

-

2

2

Монтаж металлоконструкций

2,99

-

-

-

2,99

0,1

0,17

0,49

-

3

3

Внутренние санитарно-технические устройства

5,22

-

-

-

5,22

0,72

0,06

1,58

-

4

4

Электромонтажные работы

-

22,1

85,6

-

107,7

6,23

1,31

0,53

-

 

 

Всего по смете

114,2

22,1

85,6

-

221,9

15,8

4,6

25,5

-

 

 

Затраты на временные здания и сооружения (114,2 + 22,1)0,039

4,5

0,9

-

-

5,3

-

-

-

-

 

 

В том числе НУЧП 5,3 ´ 0,3

-

-

-

-

-

-

-

1,6

-

 

 

Всего по смете с затратами на временные здания и сооружения

118,7

23

85,6

-

227,2

15,8

4,6

27,1

-

6

 

Дополнительные затраты при производстве строительно-монтажных работ в зимнее время (118,7 + 23) 0,042

5

1

-

-

6

-

-

-

-

 

 

В том числе НУЧП 6 ´ 0,7

-

-

-

-

-

-

-

4,2

-

 

 

Всего по смете с затратами на временные здания и сооружения, дополнительными затратами при производстве строительно-монтажных работ в зимнее время

23,7

24

85,6

-

233,3

15,8

4,6

31,3

-

7

 

Резерв средств дополнительные работы и затраты 1 %

1,2

0,2

-

-

1,4

-

-

0,3

-

 

 

Всего по смете

124,9

24,2

85,6

-

234,7

15,8

4,6

31,6

-

8

 

Возвратная сумма от затрат на временные здания и сооружения 5,3 ´ 0,15

-

-

-

-

0,8

-

-

-

-

Примечания: 1. Учтенные в примере составления сметы затраты по транспортированию кирпича и сборных бетонных и железобетонных конструкций, предусмотренные для города "Б", а также нормы накладных расходов, плановых накоплений и доли нормативной условно-чистой продукции, приняты условные.

2. Построение цен Прейскуранта дает возможность определять не только стоимость отдельных видов работ, но и их составляющих (например, стоимость конструктивных элементов строительных работ или отдельных видов санитарно-технических работ),

3. В объектных сметах в отдельных случаях могут учитываться и другие затраты, кроме учтенных, предусматриваемые решениями Госстроя СССР.

 




ГОСТЫ, СТРОИТЕЛЬНЫЕ и ТЕХНИЧЕСКИЕ НОРМАТИВЫ.
Некоммерческая онлайн система, содержащая все Российские Госты, национальные Стандарты и нормативы.
В Системе содержится более 150000 файлов нормативно-технической документации, действующей на территории РФ.
Система предназначена для широкого круга инженерно-технических специалистов.

Рейтинг@Mail.ru Яндекс цитирования

Copyright © www.gostrf.com, 2008 - 2026