Крупнейшая бесплатная информационно-справочная система онлайн доступа к полному собранию технических нормативно-правовых актов РФ. Огромная база технических нормативов (более 150 тысяч документов) и полное собрание национальных стандартов, аутентичное официальной базе Госстандарта. GOSTRF.com - это более 1 Терабайта бесплатной технической информации для всех пользователей интернета. Все электронные копии представленных здесь документов могут распространяться без каких-либо ограничений. Поощряется распространение информации с этого сайта на любых других ресурсах. Каждый человек имеет право на неограниченный доступ к этим документам! Каждый человек имеет право на знание требований, изложенных в данных нормативно-правовых актах!

  


 

ЕДИНЫЕ НОРМЫ И РАСЦЕНКИ НА СТРОИТЕЛЬНЫЕ, МОНТАЖНЫЕ И РЕМОНТНО-СТРОИТЕЛЬНЫЕ РАБОТЫ

Сборник Е2
ЗЕМЛЯНЫЕ РАБОТЫ

Выпуск 2
ГИДРОМЕХАНИЗИРОВАННЫЕ ЗЕМЛЯНЫЕ РАБОТЫ

Содержание

Вводная часть

Раздел I. РАЗРАБОТКА, ГИДРОТРАНСПОРТИРОВАНИЕ И УКЛАДКА ГРУНТА СРЕДСТВАМИ ГИДРОМЕХАНИЗАЦИИ

Глава 1. ЗЕМЛЕСОСНЫЕ РАБОТЫ

§ Е2-2-1. Разработка грунта землесосными снарядами со сбросом пульпы в водоем или естественный отвал без устройства обвалования

§ Е2-2-2. Разработка грунта землесосными снарядами с укладкой его в отвал с устройством обвалования или подводную часть сооружения, односторонним намывом сооружений (штабелей) или намывом свободным откосом

§ Е2-2-3. Разработка грунта землесосными снарядами с намывом площадей, широкопрофильных частей сооружений или штабелей

§ Е2-2-4. Разработка грунта землесосными снарядами с намывом узкопрофильных сооружений или штабелей

Глава 2. ГИДРОМОНИТОРНЫЕ РАБОТЫ

§ Е2-2-5. Разработка грунта гидромониторно-грунтонасосными установками со сбросом пульпы в водоем или естественный отвал без устройства обвалования

§ Е2-2-6. Разработка грунта гидромониторно-грунтонасосными установками с укладкой его в отвал с устройством обвалования или подводную часть сооружения, односторонним намывом сооружений (штабелей) или намывом свободным откосом

§ Е2-2-7. Разработка грунта гидромониторно-грунтонасосными установками с намывом площадей, широкопрофильных частей сооружений или штабелей

§ Е2-2-8. Разработка грунта гидромониторно-грунтонасосными установками с намывом узкопрофильных частей сооружений или штабелей

Раздел II. ПОДГОТОВИТЕЛЬНО-ВСПОМОГАТЕЛЬНЫЕ РАБОТЫ ПРИ ГИДРОМЕХАНИЗАЦИИ

Глава 3. МОНТАЖ И ДЕМОНТАЖ БЕРЕГОВОГО МАГИСТРАЛЬНОГО ПУЛЬПОПРОВОДА ИЗ СТАЛЬНЫХ ТРУБ

§ Е2-2-9. Сборка и разборка магистрального пульпопровода

§ Е2-2-10. Установка и снятие задвижек и фасонных частей

§ Е2-2-11. Установка и снятие заглушек

§ Е2-2-12. Установка готового выпуска на магистральном пульпопроводе

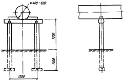
§ Е2-2-13. Заготовка, установка и разборка типовых деревянных опор (рис. 1-5)

Глава 4. МОНТАЖ И ДЕМОНТАЖ ПЛАВУЧЕГО ПУЛЬПОПРОВОДА

§ Е2-2-14. Укладка труб в ложа межпоплавковых соединений и снятие их

§ Е2-2-15. Спуск на воду понтонов и вытаскивание их из воды

§ Е2-2-16. Сборка плавучего пульпопровода из отдельных звеньев

§ Е2-2-17. Прокладка электрического кабеля по звеньям плавучего пульпопровода и снятие его

Глава 5. СООРУЖЕНИЕ ВОДОЗАБОРНЫХ И ВОДОСБРОСНЫХ СИСТЕМ

§ Е2-2-18. Устройство водозабора

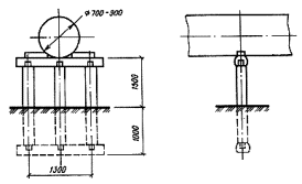
§ Е2-2-19. Устройство водосбросных колодцев (рис. 6-9)

§ Е2-2-20. Укрепление основания и откосов у водовыпуска

Приложение 1 Перечень работ, выполняемых при ежесменных технических обслуживаниях гидромеханизированных комплексов, затраты времени на проведение которых учтены нормами и отдельно не оплачиваются

Приложение 2 Пример определения месячной расчетной нормы выработки и расценок для персонала, обслуживающего землесосные снаряды типов 350-50Л и 500-60

Приложение 3 Пример расчета норм выработки при работе землесосных снарядов в зимних условиях

Приложение 4 Пример определения расчетной нормы выработки и расценок при разработке грунта гидромониторно-грунтонасосными установками

Приложение 5 Пример определения расчетной нормы выработки землесосных снарядов при разработке забоев, сложенных грунтами различных групп

РАЗРАБОТАНЫ Центром по научной организации труда и управления в энергетическом строительстве (Энергостройтруд) и Нормативно-исследовательской станцией № 8 при тресте Гидромеханизация (НИС № 8) с использованием нормативных материалов других министерств и ведомств под методическим руководством и при участии Центрального бюро нормативов по труду в строительстве (ЦБНТС) при ВНИПИ труда в строительстве Госстроя СССР.

Технология производства работ, предусмотренная в Сборнике, согласована с ПК Гидромехпроект.

УТВЕРЖДЕНЫ постановлением Государственного строительного комитета СССР, Государственного комитета СССР по труду и социальным вопросам и Секретариата Всесоюзного Совета Профессиональных Союзов от 5 декабря 1986 г. № 43/512/29-50.

Постановлением Государственного строительного комитета СССР, Государственного комитета СССР по труду и социальным вопросам и Секретариата Всесоюзного Центрального Совета Профессиональных Союзов от 28 сентября 1989 г. № 139/327/20-46 утверждены дополнения и изменения единых норм и расценок на строительные, монтажные и ремонтно-строительные работы (ЕНиР), Сборник Е2 "Земляные работы", Выпуск 2 "Гидромеханизированные земляные работы".

Постановлением Государственного строительного комитета СССР, Государственного комитета СССР по труду и социальным вопросам и Секретариата СССР по труду и социальным вопросам от 18 декабря 1990 г. № 109/452 утверждены дополнения и изменения единых норм и расценок на строительные, монтажные и ремонтно-строительные работы (ЕНиР), Сборник Е2 "Земляные работы", Выпуск 2 "Гидромеханизированные земляные работы".

Вводная часть

1. Настоящие нормы предусматривают разработку, транспортирование и укладку грунта в сооружения (отвалы) землесосными снарядами, гидромониторно-грунтонасосными установками, а также строительство пульпопроводов, водосбросных и водозаборных систем.

2. Кроме основных работ, перечисленных в главах и параграфах, нормами Сборника учтены:

переходы рабочих, связанные с технологией производства работ в пределах рабочей зоны;

подноска материалов, изделий и приспособлений в пределах рабочей зоны на расстояние до 10 м;

установка и перестановка простых подмостей;

очистка труб и фасонных частей от загрязнений, проверка их пригодности и выправление вмятин и овальности концов труб;

постановка болтов и завертывание гаек, забивка гвоздей, скоб и штырей, распиливание лесоматериала и сверление отверстий.

3. Диаметры стальных труб указаны в Сборнике по условному проходу.

4. Нормами настоящего Сборника предусмотрено выполнение работ в соответствии с действующими строительными нормами и правилами СНиП III-8-76 "Земляные сооружения".

5. Нормами настоящего Сборника предусмотрено выполнение работ с соблюдением правил техники безопасности и охраны окружающей среды в соответствии с действующими строительными нормами и правилами СНиП III-4-80 "Техника безопасности в строительстве" и другими документами, регламентирующими безопасное производство гидромеханизированных работ.

Тарификация работ и рабочих произведена в соответствии с ЕТКС работ и профессий рабочих, вып. 3, разд. "Строительные, монтажные и ремонтно-строительные работы", утвержденным 17 июля 1985 г.

В составах звеньев приведены следующие сокращенные наименования профессий.

Полное наименование профессий в соответствии с ЕТКС

Сокращенное наименование профессий в Сборнике

Замерщик на топографо-геодезических и маркшейдерских работах

Замерщик

Машинист гусеничного крана (крановщик)

Машинист крана

Машинист землесосного плавучего несамоходного снаряда

Машинист землесосного снаряда

Машинист механического оборудования землесосных плавучих несамоходных снарядов и грунтонасосных установок

Машинист механического оборудования

Машинист электрического оборудования землесосных плавучих несамоходных снарядов и грунтонасосных установок

Машинист электрооборудования

Машинист землесосного плавучего несамоходного снаряда (бригадир гидромеханизированного комплекса)

Машинист землесосного снаряда (бригадир комплекса)

Машинист землесосного плавучего несамоходного снаряда (помощник бригадира гидромеханизированного комплекса)

Машинист землесосного снаряда (помощник бригадира)

Машинист механического оборудования землесосных плавучих несамоходных снарядов (старший механической службы земснаряда)

Машинист механического оборудования (старший механической службы)

Машинист электрического оборудования землесосных плавучих несамоходных снарядов (старший электротехнической службы земснаряда)

Машинист электрооборудования (старший электротехнической службы)

Монтажник наружных трубопроводов

Монтажник трубопроводов

Речной рабочий на эксплуатации и обслуживании плавучих несамоходных снарядов и других плавучих средств

Речной рабочий

Электросварщик ручной сварки

Электросварщик

Раздел I. РАЗРАБОТКА, ГИДРОТРАНСПОРТИРОВАНИЕ И УКЛАДКА ГРУНТА СРЕДСТВАМИ ГИДРОМЕХАНИЗАЦИИ

Техническая часть

1. Нормы настоящего раздела применяются при нормировании работ по разработке, гидротранспортированию и укладке грунта гидромеханизированными комплексами: плавучими землесосными несамоходными электрическими (дизель-электрическими) снарядами и гидромониторно-грунтонасосными установками.

При работе землесосных снарядов и головных (забойных) грунтонасосных установок совместно с одной или двумя дополнительными перекачивающими грунтонасосными установками к Н.выр. применять соответственно коэффициенты 0,95 (ТЧ-1) и 0,9 (ТЧ-2). При включении в гидромеханизированный комплекс более двух дополнительных перекачивающих грунтонасосных установок разрабатываются местные технически обоснованные нормы выработки.

При работе землесосных снарядов в комплексе с гравиесортировочными установками разрабатываются местные, технически обоснованные нормы выработки в зависимости от типа оборудования и схемы сортировки.

2. Грунты в зависимости от трудности их разработки и гидротранспортирования объединены в группы. Отнесение грунтов к той или иной группе производится на основании данных лабораторных и полевых геотехнических исследований и указаний, приведенных в технических частях к главам 1 и 2.

3. Нормы настоящего раздела рассчитаны для грунтов естественной плотности (в карьере). Объем выполненных работ определяется замером выработанного грунта в забое либо замером намытого грунта в сооружении или штабеле. В последнем случае учитываются неустранимые потери грунта при сбросе с водой и на унос ветром, а также изменение объема с учетом коэффициента разрыхления.

Величину потерь следует принимать согласно проектным данным с проверкой в необходимых случаях на месте фактических размеров потерь грунта и причин этих потерь с составлением соответствующего акта, подписываемого представителем проектной организации, заказчиком и подрядчиком. Устранимые потери грунта, являющиеся следствием неисправности оборудования, несоблюдения установленных привил при наращивании обвалования, неисправности водосбросных устройств и других причин, зависящих от рабочих, не могут служить основанием для уменьшения норм выработки.

4. Нормы настоящего раздела предусматривают выполнение работ в летних условиях. При производстве работ в зимних условиях к Н.выр. следует применять коэффициенты, приведенные в технических частях к главам 1 и 2. Применение к Н.выр. настоящего раздела усредненных поправочных коэффициентов, предусмотренных в Общей части ЕНиР, на работы, выполняемые в зимних условиях, запрещается.

5. Нормы рассчитаны на выполнение работ в дневное и ночное время, в последнем случае - при обязательном искусственном освещении места работ в соответствии с правилами охраны труда и инструкциями Речного Регистра СССР.

6. Нормами учтены затраты времени на проведение ежесменных технических обслуживаний (ЕО) и предусмотрено выполнение работ исправным оборудованием, снабженным необходимым количеством запасных частей, табельным имуществом и исправным инструментом.

7. При модернизации или реконструкции оборудования, вызвавшей изменение основных технических характеристик землесосных снарядов и гидромониторно-грунтонасосных установок, пользоваться нормами настоящего раздела запрещается. До разработки новых единых или ведомственных норм должны устанавливаться местные технически обоснованные повышенные нормы выработки в соответствии с п. 8 Общей части ЕНиР.

8. При намыве широкопрофильных или узкопрофильных сооружений или штабелей нормами предусмотрена ширина карт намыва, приведенная в табл. 1.

Таблица 1

Количество пульпы, поступающей на карту намыва, м3

Ширина карты намыва для частей сооружений (штабелей), м

широкопрофильных

узкопрофильных

Св. 800 до 2000

Св. 25

Св. 18 до 25

" 2000 " 3000

" 45

" 18 " 45

" 3000 " 4000

" 60

" 25 " 60

" 4000 " 7500

" 100

" 30 " 100

9. Нормы настоящего раздела предусматривают наиболее распространенные способы намыва грунта:

безэстакадный, при котором производится сосредоточенный выпуск пульпы из торцов специальных труб, укладываемых на поверхности карты намыва краном повышенной проходимости без прекращения процесса намыва, осуществляемого слоями высотой 1-1,5 м при наращивании труб и при укорачивании пульпопровода на 0,6-1 м;

низкоопорный, при котором производится сосредоточенный выпуск пульпы из торцов стандартных труб, укладываемых на опорах высотой до 1,5 м, и соответственно осуществляется намыв сооружения горизонтальными слоями высотой до 1,5 м;

послойно-грунтоопорный, при котором производится сосредоточенный выпуск пульпы из торцов стандартных труб, укладываемых на земляные валы высотой до 1,5 м, заменяющие опоры.

10. Составы звеньев по обслуживанию землесосных снарядов, гидромониторов, насосных станций и грунтонасосных установок, карт намыва, приведенные в настоящем разделе, установлены для непрерывного (круглосуточного) режима работ, который является оптимальным при производстве гидромеханизированных земляных работ.

11. Если фактически выполняемые на карте намыва работы не охватывают полностью всего комплекса работ, предусмотренного в нормах, а также, если по производственным условиям работы могут выполняться звеньями меньшей численности, чем это предусмотрено в нормах (например, при работе землесосных снарядов группами или работе нескольких землесосных снарядов на одну карту намыва, или работе вблизи ремонтных баз гидромеханизации и т.п.), без снижения производительности машин и ухудшения качества выполнения работ, руководителю организации предоставляется право сокращать составы звеньев, приведенные в настоящем разделе, с составлением соответствующего акта и пересчетом расценок. Во всех случаях изменение численности состава звеньев должно производиться в соответствии с положениями п. 8. Общей части ЕНиР.

12. Нормами предусмотрено обслуживание карт намыва, пульпопроводов и водоводов электромонтером, электросварщиком и слесарем строительным из расчета одной смены обслуживания на три смены гидравлической укладки грунта, что является необходимым для обеспечения нормального хода работ по гидравлической укладке грунта и поддержания в исправном состоянии оборудования (силовой и осветительной электропроводки, труб и арматуры).

Оплата рабочих указанных профессий производится дополнительно по фактическому участию рабочих в обслуживании карт намыва, пульпопроводов и водоводов.

Количество и квалификационный состав рабочих указанных профессий устанавливаются распоряжением руководителя строительной организации.

13. Нормами настоящего раздела не предусмотрены и оплачиваются особо следующие работы:

устройство первичного обвалования на картах намыва, а также копание и засыпка ямок под опоры (нормируются по сборнику Е2 "Земляные работы". Вып. 1. Механизированные и ручные земляные работы);

монтаж и демонтаж береговых магистральных пульпопроводов, а также первичный монтаж распределительных пульпопроводов при низкоопорном способе намыва (кроме намыва сооружений под воду и сброса пульпы в отвал без устройства обвалования), заготовка и установка опор.

14. Нормы выработки землесосных снарядов, гидромониторно-грунтонасосных установок даны в м3 грунта за 8,2 ч. Нормы времени использования машин (установок) указаны в машино-часах.

Глава 1. ЗЕМЛЕСОСНЫЕ РАБОТЫ

Техническая часть

1. Технические характеристики грунтовых насосов приведены в табл. 2.

2. Нормы, помещенные в настоящей главе, предусматривают подводную разработку грунта плавучими землесосными несамоходными электрическими снарядами в непрофильных выемках, карьерах инертных материалов или при углублении дна рек и закрытых водных бассейнов (озер, водохранилищ и прудов) с напорным гидротранспортированием разработанных грунтов и укладкой их в намывные сооружения или отвалы.

Таблица 2

№ п.п.

Марка грунтового насоса

Подача, м3

Напор, м

Частота вращения рабочего колеса, мин-1

Диаметр патрубка, мм

Диаметр рабочего колеса, мм

Мощность электродвигателя, кВт

всасывающего

напорного

1

ГрУ 800/40

800

40

725

250

200

700

200

2

ЗГМ-1М

1400

37

740

300

300

700

320

3

ЗГМ-350А

1450

52

590

350

350

910

500

4

ЗГМ-350А

1600

70

740

350

350

865

630

5

ГрУ 1600/25

1600

25

725

300

300

650

250

6

12 НЗУ

1600

55

600

350

350

1000

400-500

7

ЗГМ-2М

1900

57

750

400

350

850

630

8

ГрУ 2000/63

2000

63

580

400

350

1030

650

9

ГрУ 2000/50

2000

50

580

400

350

1010

630

10

16Р-9М

2000

50

590

400

400

950

500

11

16Р-9М

2200

60

730

400

400

900

630

12

20Р-11М

3850

56

500

600

500

1250

1250

13

ГрУ 4000/71

4000

71

485

600

450

1360

1600

14

500-60М

6000

82

500

700

600

1430

2500

3. Нормы выработки дизель-электрических землесосных снарядов определяются по Н.выр., приведенным в параграфах Е2-2-1 - Е2-2-4, на аналогичные электрические земснаряды с умножением на коэффициент 0,9 (ТЧ-3).

При работе электрических землесосных снарядов в комплексе с передвижными дизельными электростанциями соответствующие Н.выр. умножать на 0,9 (ТЧ-4).

4. При разработке профильных выемок землесосными снарядами точность работы предусматривается в зависимости от вида сооружений.

Под профильными выемками следует понимать такие выемки или части их, для которых проектом заданы расположение, размеры в плане и отметки дна; например, каналы судоходные, отводящие, для водоснабжения и др., котлованы под гидротехнические сооружения и т.п.

При устройстве котлованов гидротехнических и промышленных сооружений переборы или какие-либо нарушения естественного сложения грунта ниже проектных отметок подошвы фундаментов, бетонной подготовки или каменной отсыпки не допускаются. При разработке этих выемок землесосными снарядами надлежит оставлять защитный слой грунта, подлежащий впоследствии удалению землеройными средствами.

Наименьшая толщина защитного слоя и допускаемые отклонения по длине и ширине выемок при работе землесосных снарядов приведены в табл. 3.

Допускаемые отклонения от проектной отметки защитного слоя по дну котлованов должны соответствовать данным табл. 3.

Переборы по откосам и дну каналов, подлежащих креплению после предварительной откачки воды, не допускаются.

При разработке неукрепляемых каналов или каналов, укрепляемых каменной наброской в воду, недоборы по дну не допускаются, величины допускаемых переборов по дну приведены в табл. 3.

При разработке грунта в подводных выемках, откосы которых не подлежат креплению, переборы по дну и допускаемые отклонения по их длине и ширине разрешаются в пределах, установленных в табл. 3.

Допуски, предусмотренные табл. 3, установлены для условий работы землесосных снарядов с применением папильонирования и с помощью механической фрезы в пределах паспортных глубин разработки.

При работе землесосного снаряда со свободным всасыванием или с удлиненной всасывающей трубой допуски устанавливаются проектом.

При разработке профильных выемок с точностью, указанной в табл. 3, соответствующие Н.выр. умножать на 0,9 (ТЧ-5).

5. Распределение грунтов по группам в зависимости от трудности разработки их землесосными снарядами приведено в табл. 4.

Таблица 3

Производительность земснарядов по воде, м3

Наименьшая глубина разработки (ниже уровня воды), м

Наименьшая толщина защитного слоя грунтов, м

Допускаемые отклонения, м

несвязаных

связаных

по длине и ширине выемок по дну и откосам (на каждой стороне выемки)

от проектной отметки защитного слоя

переборы дна канала (в среднем)

Св. 800 до 1000

1,8

0,7

0,5

±0,8

±0,3

0,3

" 1000 " 2000

2,5

1,0

0,5

±1,0

±0,3

0,3

" 2000 " 3500

3,5

1,25

0,7

±1,5

±0,5

0,5

" 3500 " 7500

5,0

1,5

0,9

±1,8

±0,7

0,6


Таблица 4

Группа грунта

Расход воды, м3, на разработку и транспортирование 1 м3 грунта

Наименование грунта

Количество частиц грунта по массе, %, при размере частиц, мм

глинистых менее 0,005

пылеватых 0,005-0,05

песчаных

2-20

2-40

2-60

2-20

2-60

2-80

2-20

2-60

2-120

мелких 0,05-0,25

средних 0,25-0,5

крупных 0,5-2,0

гравийно-галечных фракций в зависимости от производительности землесосных снарядов (по пульпе), м/ч, %

до 1000

до 2000

св. 2000

1

2

3

4

5

6

7

8

9

10

11

12

13

14

15

16

17

 

 

Пески мелкие

 

До 15

Св. 50

До 50

До 15

 

 

 

 

 

 

 

 

 

 

 

Пески средней крупности

 

 

До 50

Св. 50

 

 

 

 

 

 

 

 

 

 

I

6,5

Пески пылеватые

До 3

До 20

Не регламентируются

3

2

1

4

2

1

5

3

1

 

 

Илы (коэффициент пористости св. 1,5)

 

Не регламентируются

 

 

 

 

 

 

 

 

 

 

 

Торфы сильно разложившиеся

Не регламентируются

-

-

-

-

-

-

-

-

-

 

 

Пески средней крупности, пески крупные и гравелистые

До 3

До 15

До 50

До 50

Св. 15

6

5

3

8

6

3

10

7

5

II

8,5

Пески пылеватые

 

20-50

Не регламентируются

 

 

 

 

 

 

 

 

 

 

 

Супеси (частиц менее 0,005 до 6 %)

3-6

До 50

 

 

 

 

 

 

 

 

 

 

 

 

Лессы рыхлые

До 3

До 70

Не регламентируются

-

-

-

-

-

-

-

-

-

III

11

Пески средней крупности

До 3

Не регламентируются

12

10

8

12

11

10

15

12

10

 

 

Супеси (частиц менее 0,005 до 10 %)

6-10

До 50

Не регламентируются

8

6

5

10

8

6

12

10

8

IV

14

Пески гравелистые

До 3

Не регламентируются

25

22

20

30

25

20

30

27

25

 

 

Суглинки (частиц менее 0,005 до 15 %)

10-15

 

12

8

6

14

10

8

15

12

10

 

 

Гравийный

До 5

 

35

30

25

35

30

25

40

35

30

V

18

Суглинки (частиц менее 0,005 до 20 %)

15-20

Не регламентируются

15

12

10

15

12

10

20

15

12

 

 

Гравийный

До 5

 

45

40

35

45

40

35

50

45

40

VI

22

Суглинки (частиц менее 0,005 до 30 %)

20-30

Не регламентируются

15

12

10

15

12

10

20

15

10

 

 

Глины (частиц менее 0,005 до 40 %)

До 40

 

 

 

 

 

 

 

 

 

 

VII

26

Галечниковые

Не регламентируются

-

-

-

60

55

50

65

60

50

VIII

30

Галечниковые

Не регламентируются

-

-

-

90

85

80

95

90

80

Примечания: 1. При разработке карьера группа грунтов определяется по среднему гранулометрическому составу всего карьера, разработку грунтов в полезных выемках (канавы, котлованы и т.д.), имеющих участки с грунтами различных групп, следует нормировать для каждого участка отдельно. Наличие глинистых прослоек при определении среднего гранулометрического состава (в карьерах и полезных выемках) не учитывается. 2. В случаях, когда проектом предусмотрена послойная разработка, группа грунтов устанавливается для каждого слоя однородного грунта отдельно. 3. При разработке грунтов II-III группы в ранее намытых резервах или сооружениях группу грунтов следует относить к ближайшей низшей. Снижение группы грунтов при неоднократной переработке производится 1 раз. 4. Песчаные грунты I, II и III группы с прослойками связных грунтов толщиной 0,2-0,6 м общей мощностью от 10 до 20 % или вскрышные грунты, если в проекте обоснована разработка грунтов в забое без предварительной уборки вскрыши, мощностью св. 10 % высоты забоя суммарной мощности прослоек и вскрыши до 20 % высоты забоя относятся соответственно ко II, III и IV группам.

Отнесение грунтов к более высоким группам распространяется только на площадь карьера или выемки, занятую прослойками или вскрышей. Наличие прослоек и вскрыши независимо от их мощности надлежит учитывать при определении размера потерь грунта при намыве сооружений и штабелей.


6. Приведенные (расчетные) расстояния транспортирования пульпы землесосными снарядами приведены в табл. 5.

Нормами настоящей главы предусмотрены пределы нормального расстояния гидротранспортирования пульпы, приведенного к горизонтальному пути, указанные в гр. 8 табл. 5. Фактическое расстояние гидротранспортирования пульпы с учетом как перемещения ее по горизонтали, так и подъема на высоту определяется по формуле

где Lб - фактическая длина берегового пульпопровода, м, считая от места подключения к плавучему пульпопроводу до среднего положения выкидной трубы на карте намыва;  - подъем на высоту 1 м, приведенный к горизонтальному расстоянию и принимаемый по соответствующей строке гр. 9 табл. 5,  - геодезическая высота подачи пульпы, м, разность отметок горизонта воды акватории, где работает землесосный снаряд и оси выкидной трубы на карте намыва;  - разность между нормативной длиной плавучего пульпопровода, определяемой согласно примеч. 1 к табл. 5 и фактической длиной (для случаев, когда фактическая длина плавучего пульпопровода больше нормативной, разность принимается со знаком плюс, если меньше нормативной, - минус); 2 - коэффициент, учитывающий отношение удельных потерь напора в плавучем пульпопроводе к удельным потерям напора в магистральном пульпопроводе;

7. Определение приведенных расстояний гидротранспортирования пульпы землесосными снарядами, работающими совместно с перекачивающими грунтонасосными установками, с целью сопоставления их с расстояниями, предусмотренными в табл. 5, производится по формулам:

в случае работы с одной установкой

в случае работы с двумя установками

8. Если фактическая дальность гидротранспортирования пульпы, приведенная к горизонтальному расстоянию, оказывается в пределах значений, указанных в гр. 7 табл. 5, Н.выр. умножать на 1,1 (ТЧ-6), если она меньше нижнего предела, Н.выр. умножать на 1,15 (ТЧ-7).

В случае если фактическая дальность гидротранспортирования пульпы, приведенная к горизонтальному расстоянию, превышает верхний предел, указанный в гр. 8 табл. 5, руководителю организации разрешается уменьшать нормы выработки с умножением на 0,85 (ТЧ-8), с оформлением местных условий работы актом.

Верхние пределы сокращенного расстояния гидротранспортирования пульпы, указанные в гр. 7 табл. 5, следует принимать включительно. Нижние пределы нормального расстояния гидротранспортирования пульпы, указанные в гр. 8 табл. 5, следует принимать свыше.


Таблица 5

Группа грунтов по трудности гидротранспортирования

Наименование грунтов

Марка грунтовых насосов

Расход грунтового насоса по воде, м3

Напор грунтового насоса, м

Диаметр пульпопровода, мм

Приведенное расстояние гидротранспортирования, м

Подъем на 1 м высоты, приведенный к горизонтальному расстоянию

сокращенное

нормальное

1

2

3

4

5

6

7

8

9

10

I

Иглы, торфы, лессы, глины,

ГрУ 800/40

800

40

300

600-900

900-1150

40

1

 

суглинки и супеси (всех 

 

 

 

350

1450-1750

1750-2350

70

2

 

групп по трудности разработки) 

ЗГМ-1М
ЗГМ-350А

1400

37

400

800-1000

1000-1400

37

3

 

 

 

 

 

450

1150-1400

1400-1800

60

4

 

 

 

1450

52

400

1050-1350

1350-1900

37

5

 

 

 

 

 

450

1550-1900

1900-2450

60

6

 

 

 

1600

70

400

1300-1750

1750-2350

36

7

 

 

 

 

 

450

1800-2400

2400-3250

57

8

 

 

 

 

 

500

2750-3500

3500-4700

65

9

 

 

ГрУ 1600/25

1600

25

400

500-650

650-900

36

10

 

 

 

 

 

450

700-900

900-1300

57

11

 

 

 

 

 

500

1000-1300

1300-1700

65

12

 

 

12 НЗУ

1600

55

400

1050-1400

1400-1900

36

13

 

 

 

 

 

450

1450-1950

1950-2850

57

14

 

 

 

 

 

500

2200-2800

2800-3700

65

15

 

 

ЗГМ-2М

1900

57

400

950-1200

1200-1600

35

16

 

 

 

 

 

450

1300-1600

1600-2050

45

17

 

 

 

 

 

500

1950-2400

2400-3200

65

18

I

Илы, торфы, лессы, глины,

16Р-9М,
ГрУ

2000

50

400

800-1000

1000-1300

32

19

 

суглинки и супеси (всех

2000/50

 

 

450

1100-1300

1300-1700

41

20

 

групп по трудности

 

 

 

500

1600-2000

2000-2600

60

21

 

разработки

ГрУ 2000/63

2000

63

400

1000-1250

1250-1650

32

22

 

 

 

 

 

450

1400-1650

1650-2150

41

23

 

 

 

 

 

500

2000-2550

2550-3400

60

24

 

 

16Р-9М

2200

60

450

1200-1450

1450-1850

41

25

 

 

 

 

 

500

1800-2200

2200-2900

59

26

 

 

20Р-11М

3850

56

500

850-1050

1050-1400

45

27

 

 

 

 

 

600

1550-1900

1900-2650

72

28

 

 

 

 

 

700

2650-3300

3300-4450

130

29

 

 

ГрУ 4000/71

4000

71

500

650-800

800-1050

45

30

 

 

 

 

 

600

1200-1450

1450-2000

72

31

 

 

 

 

 

700

2000-2500

2500-3400

130

32

 

 

500-60М

6000

82

700

1350-1800

1800-2450

54

33

 

 

 

 

 

800

1800-2450

2450-3200

80

34

II

Пески пылеватые,

ГрУ 800/40

800

40

300

500-700

700-900

35

35

 

мелкие, средние,

 

 

 

350

1000-1350

1350-2000

60

36

 

крупные и гравелистые с

ЗГМ-1М

1400

37

400

700-900

900-1050

34

37

 

содержанием гравия до 10 %

 

 

 

450

850-1050

1050-1450

47

38

 

 

ЗГМ-350А

1450

52

400

950-1200

1200-1400

34

39

 

 

 

 

 

450

1150-1400

1400-1950

47

40

 

 

 

1600

70

400

1000-1300

1300-1800

34

41

 

 

 

 

 

450

1350-1850

1850-2600

45

42

 

 

 

 

 

500

2400-3000

3000-4100

62

43

 

 

ГрУ 1600/25

1600

25

400

500-650

650-900

36

44

 

 

 

 

 

450

700-900

900-1300

57

45

 

 

 

 

 

500

1000-1300

1300-1700

65

46

 

 

12 НЗУ

1600

55

400

800-1150

1150-1450

34

47

 

 

 

 

 

450

1100-1500

1500-2000

45

48

 

 

 

 

 

500

1900-2400

2400-3250

62

49

 

 

ЗГМ-2М

1900

57

400

900-1000

1000-1200

27

50

 

 

 

 

 

450

950-1400

1400-1800

40

51

 

 

 

 

 

500

1500-2000

2000-2800

60

52

 

 

16Р-9М,
ГрУ

2000

50

400

750-800

800-1000

25

53

 

 

2000/50

 

 

450

800-1150

1150-1500

37

54

 

 

 

 

 

500

1150-1650

1650-2300

55

55

 

 

ГрУ 2000/63

2000

63

400

950-1000

1000-1250

25

56

 

 

 

 

 

450

1000-1450

1450-1900

37

57

 

 

 

 

 

500

1450-2100

2100-2900

55

58

 

 

16Р-9М

2200

60

450

850-1200

1200-1650

36

59

 

 

 

 

 

500

1350-1800

1800-2550

55

60

 

 

20Р-11М

3850

56

500

600-850

850-1050

32

61

 

 

 

 

 

600

1250-1650

1650-2050

62

62

 

 

ГрУ 4000/71

4000

71

500

450-650

650-800

32

63

 

 

 

 

 

600

950-1250

1250-1550

62

64

 

 

500-60М

6000

82

700

1100-1500

1500-1950

45

65

 

 

 

 

 

800

1400-1900

1900-2500

55

66

III

Пески гравелистые

ГрУ 800/40

800

40

300

400-450

450-550

30

67

 

 

 

 

 

350

850-950

950-1300

52

68

 

 

ЗГМ-1М

1400

37

400

600-700

700-850

30

69

 

 

ЗГМ-350А

1450

52

400

800-950

950-1150

30

70

 

 

 

1600

70

400

750-1050

1050-1450

28

71

 

 

 

 

 

450

1250-1750

1750-2300

40

72

 

 

ГрУ 1600/25

1600

25

400

300-400

400-550

28

73

 

 

 

 

 

450

450-650

650-850

40

74

 

 

12 НЗУ

1600

55

400

600-850

850-1150

28

75

 

 

 

 

 

450

1000-1400

1400-1850

40

76

 

 

ЗГМ-2М

1900

57

400

700-800

800-950

22

77

 

 

 

 

 

450

850-1150

1150-1500

35

78

 

 

16Р-9М,
ГрУ

2000

50

400

600-700

700-800

21

79

 

 

2000/50

 

 

450

750-950

950-1250

32

80

 

 

ГрУ 2000/63

2000

63

400

750-900

900-1000

21

81

 

 

 

 

 

450

950-1200

1200-1600

32

82

 

 

16Р-9М

2200

60

450

750-1050

1050-1350

32

83

 

 

20Р-11М

3850

56

500

600-750

750-850

28

84

 

 

 

 

 

600

850-1150

1150-1400

45

85

 

 

ГрУ 4000/71

4000

71

500

450-550

550-650

28

86

 

 

 

 

 

600

650-850

850-1050

45

87

 

 

500-60М

6000

82

700

850-1100

1100-1400

40

88

 

 

 

 

 

800

1000-1350

1350-1800

50

89

IV

Гравийные и галечниковые

ГрУ 800/40

800

40

300

250-300

300-450

22

90

 

 

ЗГМ-1М

1400

37

400

500-650

650-900

25

91

 

 

ЗГМ-350А

1450

52

400

650-900

900-1200

25

92

 

 

 

1600

70

400

850-1150

1150-1500

26

93

 

 

ГрУ 1600/25

1600

25

400

300-400

400-500

17

94

 

 

12 НЗУ

1600

55

400

650-900

900-1200

17

95

 

 

ЗГМ-2М

1900

57

400

500-600

600-800

18

96

 

 

16Р-9М,
ГрУ 2000/50

2000

50

400

400-500

500-700

17

97

 

 

ГрУ 2000/63

2000

63

400

500-650

650-900

17

98

 

 

16Р-9М

2200

60

400

450-550

550-750

16

99

 

 

20Р-11М

3850

56

500

500-550

550-850

25

100

 

 

 

 

 

600

600-850

850-950

32

101

 

 

ГрУ 4000/71

4000

71

500

400-650

650-750

25

102

 

 

500-60М

6000

82

700

650-900

900-1100

28

103

Примечания. 1. Потери напора в плавучем пульпопроводе учтены; расчетная длина плавучих пульпопроводов принята для землесосных снарядов водопроизводительностью до 1000 м3/ч - 100 м (15 звеньев), до 2500 м3/ч - 150 м (20 звеньев), до 4000 м3/ч - 170 м (25 звеньев), до 6000 м3/ч - 300 м (30 звеньев). 2. Величина подъема на 1 м высоты, приведенного к горизонтальному расстоянию, принята средней.


9. Нормами предусмотрено выполнение работ при силе ветра до 4 баллов, волнении до 3 баллов или скорости течения до 0,75 м/с.

10. Нормами предусмотрена общая высота подводного и надводного забоев в зависимости от водопроизводительности землесосных снарядов:

Св. 800 до 1200 м/ч ...............3 м

"  1200  "  2500  "        ...............4  "

"  2500  "  4000  "        ...............6  "

"  4000  "  7500  "         ...............8  "

При меньшей высоте забоя к Н.выр. применять коэффициенты, приведенные в табл. 6.

Таблица 6

Высота забоя, % от нормальной

менее 100 до 80

менее 80 до 60

менее 60 до 40

1,0
(ТЧ-9)

0,8
(ТЧ-10)

0,6
(ТЧ-11)

Разработка забоев высотой менее 40 % требуемой нормами не предусмотрена. При разработке забоев землесосными снарядами высотой менее 40 % устанавливаются местные технически обоснованные нормы выработки.

11. Нормами предусмотрена ширина прорезей и котлованов, обеспечивающая нормальное папильонирование землесосного снаряда и разворот плавучего пульпопровода. Ширина прорезей и котлованов не должна быть менее указанной в табл. 7. При ширине прорезей и котлованов менее указанной в табл. 7 Н.выр. умножать на 0,9 (ТЧ-12).

Таблица 7

Производительность земснарядов по воде, м3

Св. 800 до 1200

Св. 1200 до 2500

Св. 2500 до 4000

Св. 4000 до 7500

Наименьшая ширина прорезей и котлованов, м, измеряемая относительно уреза воды в водоеме

20

30

35

45

12. При разработке забоя, сложенного грунтами различных групп, принимать в пределах каждого расчетного периода средние нормы выработки, определяемые как средневзвешенные по соотношению удельных расходов воды на разработку грунтов различных групп, залегающих в пределах забоя (пример расчета дан в прил. 5).

При послойной разработке грунтов (уступами) нормы выработки принимать отдельно для каждого слоя однородного грунта.

13. До начала разработки грунтов землесосными снарядами должна производиться очистка забоя от топляков, деревьев, пней, кустарника, металлического лома, валунов, камней и т.п.

Нормами настоящей главы учтена разработка грунтов в забоях, засоренность которых не превышает 5 %.

При разработке грунтов в забоях, поросших камышом или содержащих включения валунов, камней, топляков, пней, деревьев и т.п., засоренность которых превышает 5 %, к Н.выр. применять коэффициенты, приведенные в табл. 8.

Таблица 8

Коэффициенты к Н.выр.

0,97
(ТЧ-13)

0,91
(ТЧ-14)

0,84
(ТЧ-15)

0,76
(ТЧ-16)

0,71
(ТЧ-17)

0,65
(ТЧ-18)

0,59
(ТЧ-19)

Засоренность забоя, %

Св. 5
до 10

Св. 10
до 15

Св. 15
до 20

Св. 20
до 25

Св. 25
до 30

Св. 30
до 35

Св. 35
до 40

Коэффициенты учитывают снижение Н.выр. землесосных снарядов как за счет длительности простоев на очистку, так и за счет снижения консистенции пульпы в периоды пусков земснарядов после очистки и остановок перед очисткой.

Засоренность забоя в процентах определяется отношением времени, затраченного на очистку, к сумме времени, затраченного на очистку и на непосредственную разработку грунта.

Объем работ, подлежащих оплате с применением вышеуказанных коэффициентов, оформляется актом. Разработка забоев с засоренностью св. 40 % нормами не предусмотрена.

14. При разработке, гидротранспортировании и укладке грунта в зимних условиях в связи с отрицательной температурой воздуха, наличием ледяного покрова акватории, промерзанием грунта в забое и на карте намыва, вызывающих усложнение технологического процесса, снижение содержания грунта в пульпе, уменьшение коэффициента использования рабочего времени и требующих проведения дополнительных работ в забое и на карте намыва. В связи с наличием таких факторов, снижающих производительность труда рабочих, как стесненность движений рабочего теплой одеждой и неудобство при работе в рукавицах, понижение видимости в зимнее время на рабочем месте, затруднения в работе, вызванные наличием на рабочем месте льда и снега, а также обледенение обуви, конструкций и инструментов, Н.выр. умножать на коэффициенты, приведенные в табл. 9.

Пример определения средней температуры наружного воздуха и изменения норм выработки при работе землесосных снарядов в зимних условиях приведен в прил. 3.

Таблица 9

Коэффициент к Н.выр.

0,87 (ТЧ-20)

0,8 (ТЧ-21)

0,71 (ТЧ-22)

Средняя температура наружного воздуха, °С

От 0 до -7

Св. -7 до -15

Св. -15 до -20

Примечания. 1. Для расчетного периода со средней температурой от 0 до минус 7 °С при толщине ледяного покрова к концу периода менее 0,1 м применять к Н.выр. коэффициент 0,92 (ТЧ-23), а при толщине ледяного покрова к концу периода свыше 0,8 м - коэффициент 0,75 (ТЧ-24). 2. Для расчетного периода со средней температурой от минус 7 до минус 15 °С при отсутствии ледяного покрова к Н.выр. применять коэффициент 0,92 (ТЧ-25), а для расчетного периода со средней температурой от 0 до минус 7 °С - 0,97 (ТЧ-26).

15. Разработку забоя, содержащего включения мерзлого грунта в периоды с положительной температурой, нормировать как разработку засоренного забоя.

16. Нормы выработки при безэстакадном, грунтоопорном и низкоопорном способах намыва рассчитаны при сменных коэффициентах использования землесосных снарядов по времени, указанных в табл. 10.

Таблица 10

Вид работы

Сброс пульпы в водоем или в отвал без устройства обвалования

Укладка грунта в отвал с устройством обвалования или подводную часть сооружения, односторонний намыв сооружений (штабелей) или намыв свободным откосом

Намыв широкопрофильных частей сооружения, (штабелей) или площадей

Намыв узкопрофильных частей сооружений (штабелей)

Коэффициент

0,85

0,8

0,75

0,6

Коэффициент использования землесосных снарядов по времени в смену Kв определяется по формуле

где Т - время работы землесосного снаряда, затраченное на непосредственную разработку и гидротранспортирование грунта в течение смены без учета технологических перерывов и всех видов простоев; Tсм - продолжительность смены.

17. Нормами настоящей главы предусмотрена разработка грунтов землесосными снарядами с фрезерными рыхлителями, а также землесосными снарядами, оборудованными свободным всасом при разработке несвязных грунтов. При разработке грунтов землесосными снарядами с роторными рыхлителями и рыхлителями с эжекторными устройствами Н.выр., приведенные в параграфах от Е2-2-1 до Е2-2-4, умножать на коэффициент 1,13 (ТЧ-27).

Нормы не распространяются на разработку грунта автоматизированными землесосными снарядами. Нормы на производство работ указанными землесосными снарядами следует рассчитывать на местах методами технического нормирования и вводить в действие распоряжением руководителя организации по согласованию с профсоюзным комитетом организации.

18. Нормами настоящей главы предусмотрено обеспечение бесперебойной работы плавучих землесосных снарядов путем периодического обслуживания их вспомогательными машинами и специальными звеньями рабочих: катерами для переводов землесосного снаряда и плавучего пульпопровода в пределах карьера, плавучими кранами и завознями для перекладки якорей на воде, тракторами для перекладки папильонажных тросов и якорей на берегу и перетаскивания труб пульпопровода, гидромониторами для обрушивания высоких надводных забоев, звеньями электромонтажников и электролинейщиков для надзора за линиями электропередачи и линиями связи, идущими к землесосным снарядам и грунтонасосным установкам. Количество обслуживающих вспомогательных машин и специальных звеньев рабочих определяется проектом производства гидромеханизированных земляных работ (кроме случаев, специально оговоренных в составах звеньев).

19. Нормами настоящей главы не предусмотрены и оплачиваются особо следующие работы:

переноска берегового электрического кабеля длиной более 75 м;

перевод землесосного снаряда из карьера в карьер;

наращивание берегового магистрального пульпопровода.

20. Нормами настоящей главы предусмотрены следующие составы работ:

А. При работе плавучих землесосных снарядов

1. Прием смены. 2. Разработка грунта. 3. Гидротранспортирование грунта к месту укладки. 4. Перемещение (папильонирование) землесосных снарядов при разработке грунта, перестановка их в забое и перевод из одного забоя в другой в пределах одного карьера на расстояние до 200 м - для землесосных снарядов водопроизводительностью до 3000* м3/ч и до 400 м для землесосных снарядов водопроизводительностью св. 300* м3/ч с перекладкой якорей и тросов, установкой анкеров (мертвяков). 5. Наращивание и укорачивание плавучего пульпопровода. 6. Присоединение плавучего пульпопровода к магистральному и отсоединение его. 7. Надзор за всасывающим и напорным пульпопроводами землесосного снаряда с регулированием задвижками. 8. Очистка грунтового насоса, всасывающего пульпопровода и рыхлителя при их засорении, а также очистка задвижек. 9. Промывка пульпопровода водой. 10. Прокладка электрического кабеля по плавучему пульпопроводу и снятие его в пределах длины, предусмотренной настоящими нормами. 11. Присоединение и отсоединение берегового электрического кабеля длиной до 75 м с переноской его на расстояние перевода землесосного снаряда в пределах карьера и раскладкой на козлах. 12. Обслуживание синхронных электродвигателей при работе на компенсацию коэффициента мощности во время внутрисменных простоев. 13. Ежесменное техническое обслуживание оборудования землесосного снаряда в соответствии с перечнем, приведенным в прил. 1. 14. Надзор за состоянием электрического кабеля, осветительной проводки и линий связи от землесосного снаряда до мест подключения к линиям на берегу. 15. Содержание в чистоте землесосного снаряда и механизмов. 16. Поддержание связи с картой намыва и перекачивающей установкой. 17. Ведение журналов работ. 18. Сдача смены.

Б. При работе грунтонасосных установок

1. Прием смены. 2. Перекачка пульпы с обслуживанием агрегата грунтонасосной установки и наблюдением за всасывающим и напорным пульпопроводами. 3. Подача чистой воды для сальниковых уплотнений грунтового насоса. 4. Надзор за состоянием электрического кабеля и линий связи от грунтонасосной установки до мест подключения к линиям на берегу. 5. Обслуживание синхронных электродвигателей при работе на компенсацию коэффициента мощности во время внутрисменных простоев. 6. Содержание в чистоте и ежесменное техническое обслуживание оборудования грунтонасосной установки в соответствии с перечнем, приведенным в прил. 1. 7. Поддержание связи с землесосным снарядом и картой намыва. 8. Ведение журналов работ. 9. Сдача смены.

В. При работе звеньев на картах намыва

1. Прием смены. 2. Распределение потока пульпы на карте намыва с поддержанием необходимого горизонта прудка. 3. Восстановление и наращивание обвалования из намытого грунта механизированным способом с соблюдением допусков по откосам в соответствии с техническими условиями. 4. Распределение "окатышей" по карте намыва или уборка их и мусора за пределы намываемого сооружения. 5. Переключение потока пульпы с одной карты намыва на другую. 6. Обслуживание и содержание в исправном состоянии водосбросных устройств, опор, мерных реек, щитов, быстроразъемных соединений и прочих устройств, обеспечивающих нормальное поступление и распределение пульпы, укладку грунта и сброс осветленной воды. 7. Регулирование водосбросной системы с помощью наращивания водосбросных колодцев и установки вертикальных стальных патрубков. 8. Заправка кранов и бульдозеров горючим и ежесменное техническое обслуживание этих машин. 9. Поддержание связи с землесосным снарядом и грунтонасосной установкой. 10. Наращивание и разборка пульпопровода с помощью крана без прекращения процесса намыва (при безэстакадном способе) и с перекладкой труб за пределы карты. 11. Разъединение очередных звеньев труб в процессе намыва со смещением их торцов для рассредоточения потока пульпы и разборка в пределах одной карты распределительного (рабочего) пульпопровода с откаткой труб после намыва (при низкоопорном способе намыва). 12. Выдергивание стоек инвентарных опор с помощью бульдозера или других машин (при низкоопорном способе намыва). 13. Наращивание и укорачивание распределительного (рабочего) пульпопровода при сбросе пульпы в водоем или отвал. 14. Снятие и удаление за пределы намываемой карты частей опор во избежание их замыва (за исключением стоек опор). 15 Сдача смены.

21. Составы звеньев для выполнения работ, предусмотренных в настоящей главе, приведены в табл. 11-14.

22. Определение Расц. для рабочих, обслуживающих землесосные снаряды и грунтонасосные установки, производится аналогично примеру расчета, приведенному в прил. 2.


Таблица 11

Состав звена по обслуживанию электрических землесосных снарядов

Наименование профессий

Количество персонала

суточного

сменного

суточного

сменного

суточного

сменного

суточного

сменного

суточного

сменного

Типы землесосных снарядов

500- 60

500- 60М

300-40, 380-56

350-50Л, 400-70

200-63,
180-60

200-50

ЗГМ-350, 12А-5, 12А-4, с грунтовым насосом ГрУ 1600/25

с грунтовым насосом ГрУ 800/40

1

2

3

4

5

6

7

8

9

10

11

 

 

 

 

 

 

 

 

 

 

 

Машинист землесосного снаряда (бригадир комплекса)

1

-

1

-

-

-

-

-

-

-

Машинист землесосного снаряда (помощник бригадира)

1

-

-

-

-

-

-

-

-

-

Машинист механического оборудования (старший механической службы)

1

-

1

-

-

-

-

-

-

-

Машинист электрооборудования (старший электротехнической службы)

1

-

1

-

-

-

-

-

-

-

Замерщик 4 разр.

1

-

1

-

-

-

-

-

-

-

Машинист землесосного снаряда

6 разр.

-

1

-

1

1

1

1

-

-

-

5 разр.

-

-

-

-

-

-

-

1

1

1

Машинист механического оборудования 6 разр.

-

1

-

-

-

-

-

-

-

-

5 "

-

-

-

1

-

1

-

-

-

-

4 "

-

-

-

-

-

-

-

1

-

1

Машинист механического оборудования (помощник) 5 разр. (на три смены работ)

-

1

-

-

-

-

-

-

-

-

Машинист электрооборудования

 

 

 

 

 

 

 

 

 

 

6 разр.

-

1

-

-

-

-

-

-

-

-

5   "

-

-

-

1

1

1

-

-

-

-

4   "

-

-

-

-

-

-

-

1

-

1

Машинист электрооборудования (помощник) 5 разр.

-

1

-

-

-

-

-

-

-

-

" 4 разр.

-

-

-

1

-

1

-

-

-

-

Речной рабочий 2 разр.

-

1

-

1

-

1

-

-

-

-

" " 2 " (на три смены работ)

-

-

-

-

-

-

-

2

-

-

Электросварщик 5 разр. (на три смены работ)

-

2

-

2

-

1

-

1

-

-

Примечания. 1. Оплата труда машинистов землесосных снарядов (бригадиров комплексов), машинистов землесосных снарядов (помощников бригадиров), машинистов механического оборудования (старших механической службы) и машинистов электрооборудования (старших электротехнической службы), производится в соответствии с постановлением Госкомтруда СССР от 19 марта 1987 г. № 172/7-28 "Об установлении месячных расчетных ставок персоналу землесосных плавучих несамоходных снарядов". 2. Машинист землесосного снаряда (помощник бригадира) включается в состав звена по обслуживанию землесосных снарядов 500-60 и 500-60М в случаях работы земснарядов на судоходных реках, водохранилищах и озерах. 3. Составы звеньев, обслуживающие дизель-электрические землесосные снаряды, принимаются аналогичными составам звеньев, установленных на соответствующих им электрических землесосных снарядах, с введением в сменный состав звена дополнительно одного машиниста двигателей внутреннего сгорания 4 разр. при суммарной мощности дизелей св. 150 до 750 кВт (200-1000 л.с.) или 5 разр. при суммарной мощности дизелей св. 750 до 2250 кВт (1000-3000 л.с.).


Таблица 12

Состав звена по обслуживанию береговых и плавучих грунтонасосных установок

Наименование профессий

Типы грунтонасосных установок

ГрУ 800/40, ЗГМ-1М, ЗГМ-350А, ГрУ 1600/25, 12НЗУ, ЗГМ-2М

ГрУ 2000/63, ГрУ 2000/50, 16Р-9М

500-60, 500-60М, ГрУ 4000/71, 20Р-11М

Береговая

Плавучая

Береговая

Плавучая

Береговая

Плавучая

Количество агрегатов

1

2

3

1

1

2

3

1

1

2

1

 

 

 

 

 

 

 

 

 

 

 

 

Машинист механического оборудования 6 разр. (на четыре смены работ)

-

-

-

-

1

1

1

1

1

1

1

Машинист механического оборудования разряда:

 

 

 

 

 

 

 

 

 

 

 

6

-

-

-

-

-

-

-

-

1

1

1

5

-

-

-

-

1

1

1

1

-

-

-

4

1

1

1

1

-

-

-

-

-

-

-

Машинист механического оборудования (помощник) разряда:

 

 

 

 

 

 

 

 

 

 

 

4

-

-

-

-

-

-

1

-

-

-

-

3

-

-

1

1

-

-

-

-

-

-

-

Машинист электрооборудования разряда:

 

 

 

 

 

 

 

 

 

 

 

6

-

-

-

-

-

-

-

-

1

1

1

5

-

-

-

-

1

1

1

1

-

-

-

4

1

1

1

1

-

-

-

-

-

-

-

Машинист электрооборудования (помощник) разряда:

 

 

 

 

 

 

 

 

 

 

 

5

-

-

-

-

-

-

-

-

-

1

1

4

-

-

-

-

-

1

1

1

-

-

-


Таблица 13

Состав звена по обслуживанию карт намыва при безэстакадном способе намыва с механизированным обвалованием

Наименование профессий

Вид работ

укладка грунта в подводную часть сооружения или сброс пульпы в водоем

укладка грунта в отвал с устройством обвалования или односторонний намыв сооружений

намыв широкопрофильных частей сооружений

намыв узкопрофильных частей сооружений

 

безнапорных, включая площади или штабеля

напорных

безнапорных

напорных

Количество поступающей пульпы, м3

св. 1400 до 2000

св. 2000 до 7500

св. 1400 до 2000

св. 2000 до 4000

св. 4000 до 7500

св. 1400 до 2000

св. 2000 до 4000

св. 4000 до 7500

св. 1400 до 2000

св. 2000 до 4000

св. 4000 до 7500

св. 1400 до 2000

св. 2000 до 4000

св. 4000 до 7500

св. 1400 до 2000

св. 2000 до 4000

св. 4000 до 7500

Рабочий карты намыва разряда:

 

 

 

 

 

 

 

 

 

 

 

 

 

 

 

 

 

5

-

-

-

-

-

-

-

-

-

-

-

-

-

-

1

1

1

4

-

-

-

-

-

-

-

-

1

1

1

1

1

1

1

1

1

3

-

-

-

-

-

1

1

1

1

1

1

1

1

1

-

-

-

2

1

1

1

1

1

1

1

1

-

-

-

-

-

-

-

-

-

Машинист бульдозера 6 разр.

-

-

-

1

1

1

1

1

1

1

1

1

1

2

1

1

2

Машинист бульдозера 6 разр. (на три смены работ)

-

1

2

-

-

-

-

1

-

-

1

-

1

-

-

1

-

Машинист крана 6 (5) разр.

1

1

1

1

1

1

1

1

1

1

1

1

1

1

1

1

1

Машинист крана (помощник) 4 разр.

1

1

1

1

1

1

1

1

1

1

1

1

1

1

1

1

1

Тракторист 4 разр. (на четыре смены работ)

-

-

-

1

1

-

1

1

-

1

1

-

1

1

-

1

1

Таблица 14

Состав звена по обслуживанию карт намыва при низкоопорном
и грунтоопорном способах намыва с механизированным обвалованием

Наименование профессий

Вид работ

сброс пульпы в отвал без устройства обвалования или в водоем

укладка грунта в подводную часть сооружения

укладка грунта в отвал с устройством обвалования или односторонний намыв сооружений

Количество поступающей пульпы, м3

св. 800 до 2000

св. 2000 до 4000

св. 4000 до 7500

св. 800 до 2000

св. 2000 до 4000

св. 4000 до 7500

св. 800 до 1100

св. 1100 до 2000

св. 2000 до 4000

св. 4000 до 7500

Рабочий карты намыва разряда:

 

 

 

 

 

 

 

 

 

 

5

-

-

-

-

-

-

-

-

-

-

4

-

-

-

-

-

-

-

-

-

-

3

-

-

-

-

-

-

-

-

-

-

2

1

1

1

1

2

2

1

2

2

2

Машинист бульдозера 6 разр.

-

-

-

-

-

-

-

-

1

1

" " 6 " (на три смены работ)

-

-

-

-

1

1

-

-

-

-

Машинист бульдозера разряда:

 

 

 

 

 

 

 

 

 

 

5

-

-

-

-

-

-

-

-

-

-

" " 5 " (на две смены работ)

-

-

-

-

-

-

-

1

-

-

5 (на три смены работ)

-

-

-

-

-

-

1

-

-

-

Продолжение табл. 14

Наименование профессий

Вид работ

намыв широкопрофильных частей сооружений

намыв узкопрофильных частей сооружений

безнапорных, включая площади или штабеля

напорных

безнапорных

напорных

Количество поступающей пульпы, м3

св. 800 до 1100

св. 1100 до 2000

св. 2000 до 4000

св. 4000 до 7500

св. 800 до 1100

св. 1100 до 2000

св. 2000 до 4000

св. 4000 до 7500

св. 800 до 1100

св. 1100 до 2000

св. 2000 до 4000

св. 4000 до 7500

св. 800 до 1100

св. 1100 до 2000

св. 2000 до 4000

св. 4000 до 7500

Рабочий карты намыва разряда:

 

 

 

 

 

 

 

 

 

 

 

 

 

 

 

 

5

-

-

-

-

-

-

-

-

-

-

-

-

1

1

1

1

4

-

-

-

-

1

1

1

1

1

1

1

1

1

1

1

1

3

1

2

2

2

-

1

1

1

1

2

2

2

-

1

1

1

2

1

-

-

-

1

-

-

-

-

-

-

-

-

-

-

-

Машинист бульдозера 6 разр.

-

-

1

1

-

-

1

1

-

-

1

1

-

-

1

1

" 6 " (на три смены работ)

-

-

-

-

-

-

-

-

-

-

-

1

-

-

-

1

Машинист бульдозера разряда:

 

 

 

 

 

 

 

 

 

 

 

 

 

 

 

 

5

-

1

-

-

-

1

-

-

-

1

-

-

-

1

-

-

5 (на две смены работ)

1

-

-

-

1

-

-

-

1

-

-

-

1

-

-

-

5 (на три смены работ)

-

-

-

-

-

-

-

-

-

-

-

-

-

-

-

-

§ Е2-2-1. Разработка грунта землесосными снарядами со сбросом пульпы в водоем или естественный отвал без устройства обвалования

Нормы выработки землесосного снаряда за смену, м3 грунта

Нормы времени использования землесосного снаряда на 100 м3 грунта

Тип землесосных снарядов

Марки установленных грунтовых насосов

Группа грунта (см. табл. 4)

 

I

II

III

IV

V

VI

VII

VIII

Землесосный снаряд с грунтовым насосом марки ГрУ 800/40

ГрУ 800/40

780

------

1,05

609

------

1,35

479

------

1,71

381

------

2,15

299

------

2,74

246

------

3,33

-

-

1

12А-5

ЗГМ-1М

1431

------

0,573

1117

------

0,734

892

------

0,919

708

------

1,16

557

------

1,47

458

------

1,79

366

------

2,24

318

------

2,58

2

ЗГМ-350

ЗГМ-350А
(=1450 м3 /ч)

1481

------

0,554

1158

------

0,708

923

------

0,888

734

------

1,12

576

------

1,42

475

------

1,73

379

------

2,16

330

------

2,48

3

ЗГМ-350, 12А-4, землесосный снаряд с грунтовым насосом марки ГрУ 1600/25

ЗГМ-350А
( =1600 м3 /ч),
12 НЗУ, ГрУ 1600/25

1635

------

0,502

1278

------

0,642

1018

------

0,806

809

------

1,01

636

------

1,29

523

------

1,57

418

------

1,96

364

------

2,25

4

200-63, 180-60, 200-50

ГрУ 2000/63, ГрУ 2000/50, 16Р-9М
(=2000 м3 /ч), ЗГМ-2М

1950

------

0,421

1523

------

0,538

1197

------

0,685

952

------

0,861

747

------

1,1

615

------

1,33

523

------

1,57

455

------

1,8

5

 

16Р-9М
(=2200 м3 /ч)

2145

------

0,382

1676

------

0,489

1316

------

0,623

1047

------

0,783

822

------

0,998

677

------

1,21

575

------

1,43

500

------

1,64

6

400-70, 380-56, 350-50Л, 300-40

20Р-11М

3753

------

0,219

2933

------

0,28

2303

------

0,356

1832

------

0,448

1439

------

0,569

1185

------

0,692

1007

------

0,814

876

------

0,936

7

 

ГрУ 4000/71

3899

------

0,21

3047

------

0,269

2393

------

0,343

1903

------

0,431

1495

------

0,549

1231

------

0,666

1046

------

0,784

910

------

0,901

8

500-60, 500-60М

500-60М

5849

------

0,14

4570

------

0,179

3590

------

0,228

2855

------

0,287

2242

------

0,366

1846

------

0,444

1569

------

0,523

1364

------

0,601

9

 

а

б

в

г

д

е

ж

з

§ Е2-2-2. Разработка грунта землесосными снарядами с укладкой его в отвал с устройством обвалования или подводную часть сооружения, односторонним намывом сооружений (штабелей) или намывом свободным откосом

Нормы выработки землесосного снаряда, м3 грунта

Нормы времени использования землесосного снаряда на 100 м3 грунта

Тип землесосных снарядов

Марки установленных грунтовых насосов

Группа грунта (см. табл. 4)

 

I

II

III

IV

V

VI

VII

VIII

Землесосный снаряд с грунтовым насосом марки ГрУ 800/40

ГрУ 800/40

734

------1,12

574

------

1,43

450

------

1,82

358

------

2,29

281

------

2,92

232

------

3,53

 

197

------

4,16

171

------

4,8

1

12А-5

ЗГМ-1М

1369

------

0,599

 

1070

-------

0,766

858

------

0,956

682

------

1,2

535

------

1,53

441

------

1,86

345

------

2,38

300

------

2,73

2

ЗГМ-350

ЗГМ-350А
(=1450 м3 /ч)

1418

------

0,578

1109

-------

0,739

888

------

0,923

707

------

1,16

555

------

1,48

457

------

1,79

357

------

2,3

310

------

2,65

3

ЗГМ-350, 12А-4, землесосный снаряд с грунтовым насосом марки ГрУ 1600/25

ЗГМ-350А
(=1600 м3 /ч), 12 НЗУ, ГрУ 1600/25

1565

------

0,524

1223

-------

0,67

981

------

0,836

779

------

1,05

613

------

1,34

504

------

1,63

394

------

2,08

342

------

2,4

4

200-63, 180-60, 200-50

ГрУ 2000/63, ГрУ 2000/50, 16Р-9М
(=2000 м3 /ч), ЗГМ-2М

1835

------

0,447

1434

-------

0,572

1126

------

0,728

896

------

0,915

703

------

1,17

579

------

1,42

492

------

1,67

428

------

1,92

5

 

16Р-9М
(=2200 м3/ч)

2018

------

0,406

1577

-------

0,52

1239

------

0,662

985

------

0,833

774

------

1,06

637

------

1,29

542

------

1,51

471

------

1,74

6

400-70, 380-56, 350-50Л, 300-40

20Р-11М

3532

------

0,232

2760

-------

0,297

2168

------

0,378

1724

------

0,476

1354

------

0,606

1115

------

0,735

948

------

0,865

824

------

0,995

7

 

ГрУ 4000/71

3670

------

0,223

2868

-------

0,286

2252

------

0,364

1791

------

0,458

1407

------

0,583

1158

------

0,708

985

------

0,833

856

------

0,958

8

500-60, 500-60М

500-60М

5505

------

0,149

4302

-------

0,191

3379

------

0,243

2687

------

0,305

2110

------

0,389

1738

------

0,472

1477

------

0,555

1284

------

0,639

9

 

а

б

в

г

д

е

ж

з

§ Е2-2-3. Разработка грунта землесосными снарядами с намывом площадей, широкопрофильных частей сооружений или штабелей

Нормы выработки землесосного снаряда, м3 грунта

Нормы времени использования землесосного снаряда на 100 м3 грунта

Тип землесосных снарядов

Марки установленных грунтовых насосов

Группа грунта (см. табл. 4)

 

I

II

III

IV

V

VI

VII

VIII

Землесосный снаряд с грунтовым насосом марки ГрУ 800/40

ГрУ 800/40

688

------

1,19

538

------

1,52

422

------

1,94

336

-----

2,44

264

------

3,11

217

------

3,78

185

------

4,43

161

------

5,09

1

12А-5

ЗГМ-1М

1252

------

0,655

979

------

0,838

780

------

1,05

621

------

1,32

488

------

1,68

401

------

2,04

323

------

2,54

281

------

2,92

2

ЗГМ-350

ЗГМ-350А
(=1450 м3 /ч)

1297

------

0,632

 

1014

------

0,809

807

------

1,02

643

------

1,28

504

------

1,63

416

------

1,97

335

------

2,45

291

------

2,82

3

ЗГМ-350, 12А-4, землесосный снаряд с грунтовым насосом марки ГрУ 1600/25

ЗГМ-350А

(=1600 м3 /ч), 12 НЗУ, ГрУ 1600/25

1431

------

0,573

1118

------

0,733

892

------

0,919

709

------

1,16

557

------

1,47

459

------

1,79

369

------

2,22

321

------

2,55

4

200-63, 180-60, 200-50

ГрУ 2000/63, ГрУ 2000/50, 16Р-9М
(=2000 м3 /ч), ЗГМ-2М

1720

------

0,477

1344

------

0,61

1056

------

0,777

840

------

0,976

660

------

1,24

543

------

1,51

462

------

1,77

401

------

2,04

5

 

16Р-9М

(=2200 м3 /ч)

1892

------

0,433

1479

------

0,554

1161

------

0,706

924

------

0,887

725

------

1,13

597

------

1,37

508

------

1,61

441

------

1,86

6

400-70, 380-56, 350-50Л, 300-40

20Р-11М

3312

------

0,248

2588

------

0,317

2032

------

0,404

1616

------

0,507

1270

------

0,646

1045

------

0,785

888

------

0,923

773

------

1,06

7

 

ГрУ 4000/71

3441

------

0,238

2688

------

0,305

2112

------

0,388

1679

------

0,488

1319

------

0,622

1086

------

0,755

923

------

0,888

803

------

1,02

8

500-60, 500-60М

500-60М

5161

------

0,159

4033

------

0,203

3167

------

0,259

2519

------

0,326

1979

------

0,414

1629

------

0,503

1385

------

0,592

1204

------

0,681

9

 

а

б

в

г

д

е

ж

з

§ Е2-2-4. Разработка грунта землесосными снарядами с намывом узкопрофильных сооружений или штабелей

Нормы выработки землесосного снаряда, м3 грунта

Нормы времени использования землесосного снаряда на 100 м3 грунта

Тип землесосных снарядов

Марка установленных грунтовых насосов

Группа грунта (см. табл. 4)

 

I

II

III

IV

V

VI

VII

VIII

Землесосный снаряд с грунтовым насосом марки ГрУ 800/40

ГрУ 800/40

550

------

1,49

430

------

1,91

338

------

2,43

269

------

3,05

211

------

3,89

174

------

4,71

148

-----

5,54

128

------

6,41

1

12А-5

ЗГМ-1М

1016

------

0,807

794

------

1,03

635

------

1,29

504

------

1,63

397

------

2,07

326

------

2,52

258

-----

3,18

225

------

3,64

2

ЗГМ-350

ЗГМ-350А
(=1450 м3 /ч)

1053

------

0,779

823

------

0,996

657

------

1,25

523

------

1,57

411

------

2

339

------

2,42

268

-----

3,06

233

------

3,52

3

ЗГМ-350, 12А-4, землесосный снаряд с грунтовым насосом марки ГрУ 1600/25

ЗГМ-350А
(=1600 м3 /ч),
12 НЗУ, ГрУ 1600/25

1162

------

0,706

907

------

0,904

726

------

1,13

577

------

1,42

454

------

1,81

373

------

2,2

295

-----

2,78

257

------

3,19

4

200-63, 180-60, 200-50

ГрУ 2000/63, ГрУ 2000/50, 16Р-9М
(=2000 м3 /ч), ЗГМ-2М

1376

------

0,596

1075

------

0,763

845

------

0,97

672

------

1,22

528

------

1,55

434

------

1,89

369

-----

2,22

321

------

2,55

5

 

16Р-9М
(=2200 м3 /ч)

1514

------

0,542

1183

------

0,693

929

------

0,883

739

------

1,11

580

------

1,41

478

------

1,72

406

-----

2,02

353

------

2,32

6

400-70, 380-56, 350-50Л, 300-40

20Р-11М

2649

------

0,31

2070

------

0,396

1626

------

0,504

1293

------

0,634

1016

------

0,807

836

------

0,981

711

-----

1,15

618

------

1,33

7

 

ГрУ 4000/71

2752

------

0,298

2151

------

0,381

1689

------

0,486

1343

------

0,611

1055

------

0,777

869

------

0,944

738

-----

1,11

642

------

1,28

8

500-60, 500-60М

500-60М

4129

------

0,199

3226

------

0,254

2534

------

0,324

2015

------

0,407

1583

------

0,518

1303

------

0,629

1108

-----

0,74

963

------

0,852

9

 

а

б

в

г

д

е

ж

з


Глава 2. ГИДРОМОНИТОРНЫЕ РАБОТЫ

Техническая часть

1. Нормами настоящей главы предусмотрена разработка грунта в необводненных карьерах и выемках гидромониторно-грунтонасосными установками с рациональным сочетанием гидромониторов и насосов по их производительности с напорным гидротранспортированием разработанных грунтов забойными грунтонасосными установками и укладкой их в намывные сооружения или отвалы.

2. Водопроизводительность гидромониторов в зависимости от диаметра насадка и напора приведена в табл. 15.

3. Технические характеристики центробежных насосов приведены в табл. 16, технические характеристики грунтовых насосов приведены ранее в табл. 2.

4. Распределение грунтов по группам в зависимости от трудности разработки их гидромониторами приведено в табл. 17.

5. Данные о напорах воды и уклонах подошвы забоя, обеспечивающих оптимальные удельные расходы воды на разработку и гидротранспортирование грунта, в зависимости от группы и вида грунтов и высоты забоя приведены в табл. 18.

6. Приведенные (расчетные) расстояния гидротранспортирования пульпы головными (забойными) грунтонасосными установками приведены в табл. 19.

Нормами настоящей главы предусмотрены пределы нормального расстояния гидротранспортирования пульпы, приведенного к горизонтальному пути, указанные в гр. 8 табл. 19. Фактическое расстояние гидротранспортирования пульпы с учетом как перемещения ее по горизонтали, так и подъема на высоту определяется по формуле

где  - фактическая длина пульпопровода, м, от места подключения к забойной землесосной установке до среднего положения выкидной трубы на карте намыва;  - подъем на высоту 1 м, приведенный к горизонтальному расстоянию и принимаемый по соответствующей строке гр. 9 табл. 19;  - геодезическая высота подачи пульпы, м (разность отметок горизонта воды в зумпфе и оси трубы на карте намыва).

7. Для сопоставления фактического расстояния гидротранспортирования пульпы головными (забойными) грунтонасосными установками, работающими совместно с перекачивающими установками второго и последующего подъемов, с расстояниями, предусмотренными в табл. 19, необходимо фактическое расстояние, определяемое по формуле, приведенной в п.6 настоящей главы, умножить:

в случае работы с перекачивающей грунтонасосной установкой второго подъема - на 0,5 (ТЧ-28);

в случае работы с перекачивающей грунтонасосной установкой третьего подъема - на 0,33 (ТЧ-29).

8. Если фактическая дальность гидротранспортирования пульпы, приведенная к горизонтальному расстоянию, оказывается в пределах значений, указанных в гр. 7 табл. 19, Н.выр. умножать на 1,1 (ТЧ-30), если она меньше нижнего предела, Н.выр. умножать на 1,15 (ТЧ-31).

В случае если фактическая дальность гидротранспортирования пульпы превышает верхний предел, указанный в гр. 8 табл. 19, руководителю организации разрешается уменьшать нормы выработки с умножением на 0,85 (ТЧ-32) с оформлением местных условий работы актом.

Верхние пределы сокращенного расстояния гидротранспорирования пульпы, указанные в гр. 7 табл. 19, следует принимать "включительно". Нижние пределы нормального расстояния гидротранспортирования пульпы, указанные в гр. 8 табл. 19, следует принимать "свыше".

Таблица 15

Напор перед насадкой, м

Диаметр насадка, мм

50

62,5

65

75

87,5

90

100

110

125

150

175

200

30

166

256

275

368

504

530

656

790

1027

1477

1980

2575

40

191

292

316

425

576

608

756

915

1188

1703

2225

2850

50

212

328

354

475

648

677

846

1036

1315

1890

2530

3310

60

230

360

389

522

702

745

925

1115

1440

2070

2770

3710

70

248

389

418

558

760

805

1010

1205

1548

2250

2835

4015

80

266

414

450

594

817

860

1073

1286

1657

2412

3205

4250

90

284

439

475

630

868

911

1134

1368

1764

2598

3420

4500

100

299

464

505

666

915

965

1195

1440

1854

2685

3600

4720

110

313

486

525

702

958

1010

1258

1510

1940

2810

3745

4940

120

328

508

550

731

1000

1056

1370

1580

2027

2930

3910

-

130

339

529

573

760

1044

1100

1365

1640

2110

3053

4050

-

140

349

547

595

788

1080

1140

1420

1710

2183

3168

-

-

Таблица 16

№ п.п.

Марка насоса

Подача по воде, м3

Напор, м

Частота вращения рабочего колеса, мин-1

Мощность электродвигателя, кВт

КПД насоса, %

1

ЦН 400-105
(ЗВ 200·2)

400

105

1500

200

79

2

ЦН 400-210
(ЗВ 200·4)

400

210

1500

400

78

3

Д 630-90 (8 НДв)

630

90

1500

250

75

 

 

500

36

1000

110

75

4

Д 800-57 (12Д-9)

800

57

1500

250

82

5

Д 1250-125 (14Д-6)

1250

125

1500

630

76

6

Д 1250-65 (12 НДс)

1250

65

1500

320

86

7

Д 1250-65 (12 НДс)

800

28

1000

110

86

8

Д 1600-90 (14 НДс)

1600

90

1500

500

87

 

 

1000

40

1000

160

87

9

Д 2000-100 (20Д-6)

2000

100

1000

800

75

10

Д 2500-62 (18НДс)

2500

62

1000

500

87

 

 

2000

34

750

250

87

11

Д 3200-75 (20 НДс)

3200

75

1000

800

87

 

 

2500

45

750

400

87

12

Д 4000-95 (22 НДс)

4000

95

1000

1600

88

 

 

3200

55

750

630

85

13

Д 5000-32 (24 НДс)

5000

32

750

500

88

 

 

3200

20

600

250

88

14

Д 6300-80 (24 НДс)

6300

80

750

2000

88

 

 

5000

50

600

1000

88

Таблица 17

Группа грунтов по трудности разработок

Наименование грунтов

Гранулометрическая характеристика грунтов (размер частиц, мм, и количество их по массе, %)

глинистых менее 0,005

пылеватых 0,005-0,05

песчаных

гравийных 2-40

галечных 40-60

мелких 0,05-0,25

средних 0,25-0,5

крупных 0,5-2,0

I

Грунты, предварительно разрыхленные, неслежавшиеся

До 40

Не регламентируется

До 50

-

-

II

Пески мелкие

 

До 15

Св. 50

До 50

До 1

-

 

Пески пылеватые

До 3

Не регламентируется

 

 

 

 

Супеси легкие

3-6

 

 

 

-

 

Лессы высокопористые (коэффициент пористости св. 0,8)

До 8

До 70

Не регламентируется

 

-

 

Торфы сильно разложившиеся

Не регламентируется

-

-

III

Пески средней крупности

До 3

Не регламентируется

Св.50

 

 

 

 

Супеси средние

6-10

Не регламентируется

До 50

До 5

До 1

 

Суглинки легкие

До 15

 

 

 

 

 

Лессы низкопористые (коэффициент пористости менее 0,8)

 

До 70

Не регламентируется

 

 

 

IV

Пески крупные

До 3

Не регламентируется

Св. 50

5-15

До 1

 

Супеси тяжелые

6-10

 

 

 

 

 

Суглинки средние и тяжелые

15-30

Не регламентируется

До 10

 

 

Глины тощие

До 40

 

 

 

V

Пески гравелистые

До 5

Не регламентируется

До 25

 

Глины полужирные

40-50

 

До 15

VI

Пески гравелистые

До 5

Не регламентируется

До 40

 

Глины полужирные

50-60

 

До 15

Примечание. По группе I нормируются предварительно разрыхленные грунты, предусмотренные настоящей таблицей, кроме грунтов с содержанием гравия св. 1 % и полужирных глин. Грунты с содержанием гравия и гальки св. 1 % и полужирные глины, предварительно разрыхленные, относятся к ближайшей низшей по трудности разработки группе; например, предварительно разрыхленные грунты V группы относятся к IV группе.


Таблица 18

Группа грунтов по трудности разработки

Наименование грунтов

Высота забоя, м

от 3 до 5

св. 5 до 15

св. 15

Удельный расход воды, м3

Напор, м

Наименьший допустимый уклон подошвы забоя, %

Удельный расход воды, м3

Напор, м

Наименьший допустимый уклон подошвы забоя, %

Удельный расход воды, м3

Напор, м

Наименьший допустимый уклон подошвы забоя, %

I

Грунты, предварительно разрыхленные, неслежавшиеся

4,5

30

2,5

4,1

40

3,5

3,3

50

4,5

II

Пески мелкие

5,4

30

2,5

4,9

40

3,5

3,9

50

4,5

 

Пески пылеватые

 

30

2,5

 

40

3,5

 

50

4,5

 

Супеси легкие

 

30

1,5

 

40

2,5

 

50

3,0

 

Лессы высокопористые (коэффициент  пористости св. 0,8)

 

40

2,0

 

50

3,0

 

60

4,0

 

Торфы сильноразложив- шиеся

 

40

1,5

 

50

2,5

 

60

2,5

III

Пески средней крупности

6,3

30

3,0

5,7

40

4,0

4,6

50

5,0

 

Супеси средние

 

40

1,5

 

50

2,5

 

60

3,0

 

Суглинки легкие

 

50

1,5

 

60

2,5

 

70

3,0

 

Лессы низкопористые (коэффициент пористости меньше 0,8)

 

60

2,0

 

70

3,0

 

80

4,0

IV

Пески крупные

8,1

30

4,0

7,3

40

5,0

5,8

50

6,0

 

Супеси тяжелые

 

50

1,5

 

60

2,5

 

70

3,0

 

Суглинки средние и тяжелые

 

70

1,5

 

80

2,5

 

90

3,0

 

Глины тощие

 

70

1,5

 

80

2,5

 

90

3,0

V

Пески гравелистые

10,8

40

5,0

9,7

50

6,0

7,8

60

7,0

 

Глины полужирные

 

80

2,0

 

100

3,0

 

120

4,0

VI

Пески гравелистые

12,6

50

5,0

11,3

60

6,0

9,1

70

7,0

 

Глины полужирные

 

100

2,5

 

120

3,5

 

140

4,5

Таблица 19

Группа грунта по трудности гидротранспортирования

Наименование грунтов

Марка грунтовых насосов

Расход по воде, м3

Напор грунтового насоса по воде, м

Диаметр пульпопровода, мм

Приведенное расстояние гидротранспортирования, м

Подъем на 1 м высоты, приведенной к горизонтальному расстоянию

сокращенное

нормальное

1

2

3

4

5

6

7

8

9

10

I

Торфы, лессы, глины, суглинки и

ГрУ 800/40

800

40

300

600-900

900-1150

36

1

 

супеси (всех групп по трудности

 

 

 

350

1450-1750

1750-2350

70

2

 

разработки)

ЗГМ-1М

1400

37

400

800-1000

1000-1400

37

3

 

 

 

 

 

450

1150-1400

1400-1800

50

4

 

 

 

1450

52

400

1050-1350

1350-1900

34

5

 

 

 

 

 

450

1550-1900

1900-2450

45

6

 

 

ЗГМ-350А

1600

70

400

1300-1750

1750-2350

32

7

 

 

 

 

 

450

1800-2400

2400-3250

43

8

 

 

 

 

 

500

2750-3500

3500-4700

84

9

 

 

ГрУ 1600/25

1600

25

400

500-650

650-900

33

10

 

 

 

 

 

450

700-900

900-1300

48

11

 

 

 

 

 

500

1000-1300

1300-1700

65

12

 

 

12 НЗУ

1600

55

400

1050-1400

1400-1900

33

13

 

 

 

 

 

450

1450-1950

1950-2850

48

14

 

 

 

 

 

500

2200-2800

2800-3700

65

15

 

 

ЗГМ-2М

1900

57

400

950-1200

1200-1600

27

16

 

 

 

 

 

450

1300-1600

1600-2050

35

17

 

 

 

 

 

500

1950-2400

2400-3200

54

18

 

 

ГрУ 2000/503

2000

50

400

800-1000

1000-1300

26

19

 

 

16Р-9М

 

 

450

1100-1300

1300-1700

33

20

 

 

 

 

 

500

1600-2000

2000-2600

51

21

 

 

ГрУ 2000/63

2000

63

400

1000-1250

1250-1650

26

22

 

 

 

 

 

450

1400-1650

1650-2150

34

23

 

 

 

 

 

500

2000-2550

2550-3400

51

24

 

 

16Р-9М

2200

60

450

1200-1450

1450-1850

30

25

 

 

 

 

 

500

1800-2200

2200-2900

46

26

 

 

20Р-11М

3850

56

500

850-1050

1050-1400

26

27

 

 

 

 

 

600

1550-1900

1900-2650

49

28

 

 

 

 

 

700

2650-3300

3300-4450

83

29

 

 

ГрУ 4000/71

4000

71

500

650-800

800-1050

26

30

 

 

 

 

 

600

1200-1450

1450-2000

49

31

 

 

 

 

 

700

2000-2500

2500-3400

83

32

II

Пески пылеватые,

ГрУ 800/40

800

40

300

500-700

700-900

37

33

 

мелкие, средние

 

 

 

350

1000-1350

1350-2000

38

34

 

 

ЗГМ-1М

1400

37

400

700-900

900-1050

30

35

 

 

 

 

 

450

850-1050

1050-1450

39

36

 

 

ЗГМ-350А

1450

52

400

950-1200

1200-1400

28

37

 

 

 

 

 

450

1150-1400

1400-1950

36

38

 

 

 

1600

70

400

1000-1300

1300-1800

24

39

 

 

 

 

 

450

1350-1850

1850-2600

34

40

 

 

 

 

 

500

2400-3000

3000-4100

32

41

 

 

ГрУ 1600/25

1600

25

400

400-550

550-650

26

42

 

 

 

 

 

450

500-700

700-900

35

43

 

 

 

 

 

500

850-1100

1100-1450

57

44

 

 

12 НЗУ

1600

55

400

800-1150

1150-1450

26

45

 

 

 

 

 

450

1100-1500

1500-2000

35

46

 

 

 

 

 

500

1900-2400

2400-3250

57

47

 

 

ЗГМ-2М

1900

57

400

900-1000

1000-1200

21

48

 

 

 

 

 

450

950-1400

1400-1800

31

49

 

 

 

 

 

500

1500-2000

2000-2800

46

50

 

 

ГрУ 2000/50,

2000

50

400

750-800

800-1000

20

51

 

 

16Р-9М

 

 

450

800-1150

1150-1500

29

52

 

 

 

 

 

500

1150-1650

1650-2300

44

53

 

 

ГрУ 2000/63

2000

63

400

950-1000

1000-1250

20

54

 

 

 

 

 

450

1000-1450

1450-1900

29

55

 

 

 

 

 

500

1450-2100

2100-2900

44

56

 

 

16Р-9М

2200

60

450

850-1200

1200-1650

26

57

 

 

 

 

 

500

1350-1800

1800-2550

40

58

 

 

20Р-11М

3850

56

500

600-850

850-1050

21

59

 

 

 

 

 

600

1250-1650

1650-2050

40

60

 

 

ГрУ 4000/71

4000

71

500

450-650

650-800

21

61

 

 

 

 

 

600

950-1250

1250-1550

40

62

III

Пески крупные

ГрУ 800/40

800

40

300

400-450

450-550

17

63

 

 

 

 

 

350

850-950

950-1300

39

64

 

 

ЗГМ-1М

1400

37

400

600-700

700-800

24

65

 

 

ЗГМ-350А

1450

52

400

800-950

950-1150

22

66

 

 

 

1600

70

400

750-1050

1050-1450

19

67

 

 

 

 

 

450

1250-1750

1750-2300

31

68

 

 

ГрУ 1600/25

1600

25

400

300-400

400-550

20

69

 

 

 

 

 

450

450-650

650-850

30

70

 

 

12 НЗУ

1600

55

400

600-850

850-1150

20

71

 

 

 

 

 

450

1000-1400

1400-1850

33

72

 

 

ЗГМ-2М

1900

57

400

700-800

800-950

17

73

 

 

 

 

 

450

850-1150

1150-1500

25

74

 

 

ГрУ 2000/50,

2000

50

400

600-700

700-800

17

75

 

 

16Р-9М

 

 

450

750-950

950-1250

24

76

 

 

ГрУ 2000/63

2000

63

400

750-900

900-1000

17

77

 

 

 

 

 

450

950-1200

1200-1600

24

78

 

 

16Р-9М

2200

60

450

750-1050

1050-1350

22

79

 

 

20Р-11М

3850

56

500

600-750

750-850

17

80

 

 

 

 

 

600

850-1150

1150-1400

27

81

 

 

ГрУ 4000/71

4000

71

500

450-550

550-650

17

82

 

 

 

 

 

600

650-850

850-1050

27

83

IV

Пески гравелистые

ГрУ 800/40

800

40

300

250-300

300-450

13

84

 

 

ЗГМ-1М

1400

37

400

500-650

650-900

24

85

 

 

ЗГМ-350А

1450

52

400

650-900

900-1200

22

86

 

 

 

1600

70

400

850-1150

1150-1500

20

87

 

 

ГрУ 1600/25

1600

25

400

300-400

400-550

21

88

 

 

12 НЗУ

1600

55

400

650-900

900-1200

21

89

 

 

ЗГМ-2М

1900

57

400

500-600

600-800

13

90

 

 

ГрУ 2000/50,
16Р-9М

2000

50

400

400-500

500-700

13

91

 

 

ГрУ 2000/63

2000

63

400

500-650

650-900

13

92

 

 

16Р-9М

2200

60

400

450-550

550-750

12

93

 

 

20Р-11М

3850

56

500

500-550

550-850

15

94

 

 

 

 

 

600

500-850

850-950

20

95

 

 

ГрУ 4000/71

4000

71

500

400-650

650-750

15

96


9. При разработке забоя, сложенного грунтами различных групп, принимать в пределах каждого расчетного периода средние нормы выработки, определяемые как средневзвешенные по соотношению мощности слоев разнородных грунтов, залегающих в пределах забоя, и удельных расходов воды на разработку и гидротранспортирование 1 м3 грунта.

10. До начала разработки грунтов гидромониторно-грунтонасосными установками должна производиться очистка забоя от деревьев, пней, кустарников, металлического лома, валунов, камней и т.п.

Нормами настоящей главы учтена разработка грунтов в незасоренных забоях, при работе в которых не возникают остановки гидромониторно-грунтонасосных установок для очистки всасывающего пульпопровода, грунтового насоса и т.д.

При разработке грунтов в засоренных забоях, где возникают остановки гидромониторно-грунтонасосных установок, к Н.выр. необходимо применять коэффициенты, приведенные в табл. 20.

Таблица 20

Засоренность забоя, %

До 5

Св. 5 до 10

Св. 10 до 15

Св. 15 до 20

Св. 20 до 25

Св. 25 до 30

Коэффициент к Н.выр.

0,97
(ТЧ-33)

0,91
(ТЧ-34)

0,84
(ТЧ-35)

0,76
(ТЧ-36)

0,71
(ТЧ-37)

0,65
(ТЧ-38)

Величина процента засоренности забоя определяется отношением времени, затраченного на очистку, к сумме времени, затраченного на очистку и на непосредственную разработку грунта.

Объем работ, подлежащих оплате с применением вышеуказанных коэффициентов, оформляется актом.

11. При разработке частично промерзшего грунта Н.выр. умножать на коэффициенты, приведенные в табл. 21 в зависимости от количества мерзлого грунта.

Таблица 21

Количество мерзлого грунта в забое в процентах от объема грунта, разработанного за расчетный период

Средняя температура наружного воздуха, °С

от +5 до 0

от 0 до -10

До 10

0,9 (ТЧ-39)

0,8 (ТЧ-40)

Св. 10 до 20

0,8 (ТЧ-41)

0,6 (ТЧ-42)

12. Нормами настоящей главы не предусмотрены и оплачиваются особо следующие работы:

передвижка гидромониторов;

передвижка грунтонасосных установок;

устройство зумпфов;

укладка, наращивание и укорачивание водопроводных и пульпопроводных коммуникаций на длину св. 12 м;

удаление на расстояние св. 50 м пней и корней деревьев, камней, валунов и других включений, мешающих разработке грунта;

устройство и перенос с места на место в карьере временных электрических линий и линий связи.

13. Нормы выработки гидромониторно-грунтонасосных установок рассчитаны при сменных коэффициентах использования по времени, указанных в табл. 22.

Таблица 22

Вид работ

Сброс пульпы в водоем или отвал без устройства обвалования

Укладка грунта в отвал с устройством обвалования или в подводную часть сооружения, односторонний намыв сооружений (штабелей) или намыв свободным откосом

Намыв широкопрофильных частей сооружений (штабелей) или площадей

Намыв узкопрофильных частей сооружений (штабелей)

Коэффициент

0,95

0,9

0,85

0,75

Коэффициент использования гидромониторно-грунтонасосных установок по времени в смену  определяется по формуле

где  - время работы гидромониторно-грунтонасосной установки, затраченное на непосредственную разработку, гидротранспортирование и укладку грунта в течение смены без учета технологических перерывов и всех видов простоев;  - продолжительность смены.

14. Нормами настоящей главы предусмотрены следующие составы работ:

А. При работе гидромониторов

1. Прием смены. 2. Подрезка, обрушение и размыв грунта. 3. Гидротранспортирование грунта к пульпосточным канавам. 4. Управление движущимся потоком с максимальной загрузкой его грунтом. 5. Регулирование консистенции пульпы. 6. Обеспечение необходимого уклона для самотечного гидротранспортирования пульпы по пульпосточной канаве в зумпф. 7. Периодическая промывка пульпосточной канавы струей воды. 8. Смена насадков с закрытием задвижек в трубопроводах. 9. Пуск и остановка гидромонитора. 10. Ежесменное техническое обслуживание гидромониторов в соответствии с перечнем, приведенным в прил. 1. 11. Сдача смены.

Б. При работе насосных станций

1. Прием смены. 2. Обслуживание насосного агрегата. 3. Надзор за водозабором. 4. Поддержание оптимального режима работы насосов. 5. Регулирование подачи воды к гидромонитору. 6. Наблюдение за состоянием оборудования 7. Содержание в чистоте и ежесменное техническое обслуживание оборудования насосной станции в соответствии с перечнем, приведенным в прил. 1. 8. Ведение журнала учета работы насосной станции. 9. Сдача смены.

В. При работе грунтонасосных установок

1. Прием смены. 2. Обслуживание грунтонасосной установки при перекачке пульпы из зумпфа в отвал или на карту намыва. 3. Поддержание нормального режима работы грунтовых насосов. 4. Наблюдение за всасывающими и напорными линиями. 5. Обеспечение нормальной эксплуатации грунтовых насосов и всего механического и электросилового оборудования перекачивающей установки. 6. Очистка пульпосточной канавы от камней и корней с отноской их на расстояние до 50 м. 7. Очистка зумпфа. 8. Промывка пульпопроводной магистрали водой. 9. Содержание в чистоте и ежесменное техническое обслуживание оборудования в соответствии с перечнем, приведенным в прил. 1. 10. Поддержание связи с забоем и картой намыва. 11. Ведение журнала учета работы землесосной установки. 12. Сдача смены.

Г. При работе на картах намыва

1. Прием смены. 2. Распределение потоков пульпы на карте намыва с поддержанием необходимого горизонта прудка. 3. Восстановление и наращивание обвалования и земляных валов из намытого грунта. 4. Распределение "окатышей" по карте намыва или уборка их и мусора за пределы намываемого сооружения. 5. Переключение потока пульпы с одной карты намыва на другую. 6. Обслуживание и содержание в исправном состоянии водосбросных устройств, мерных реек, щитов, быстроразъемных соединений и прочих устройств, обеспечивающих нормальное поступление и распределение пульпы, укладку грунта и сброс осветленной воды. 7. Регулирование водосбросной системы с помощью наращивания водосбросных колодцев и установка вертикальных патрубков. 8. Заправка кранов и бульдозеров горючим и ежесменное техническое обслуживание этих механизмов. 9. Поддержание связи с насосной станцией и грунтонасосными установками. 10. Наращивание и разборка пульпопровода с помощью крана без прекращения процесса намыва (при безэстакадном способе) с перекладкой труб за пределы карты. 11. Разъединение очередных звеньев труб в процессе намыва со смещением их торцов для рассредоточения потока пульпы и разборка в пределах одной карты распределительного (рабочего) пульпопровода с откаткой труб после намыва (при низкоопороном способе намыва). 12. Выдергивание стоек инвентарных опор с помощью бульдозера или других машин (при низкоопорном способе намыва). 13. Наращивание и укорачивание распределительного (рабочего) пульпопровода при сбросе пульпы в водоем или отвал. 14. Снятие и удаление за пределы намываемой карты частей опор во избежание их замыва (за исключением стоек опор). 15 Сдача смены.

15. Составы звеньев для выполнения работ, предусмотренных в настоящей главе, приведены в табл. 23-26. Составы звеньев по обслуживанию карт намыва приведены в табл. 13 и 14.

Нормы настоящей главы предусматривают обеспечение бесперебойной работы гидромониторных комплексов путем периодического их обслуживания вспомогательными машинами и специальными звеньями рабочих; кранами, тракторами, звеньями электромонтажников и электролинейщиков, сварщиков и газорезчиков.

Количество обслуживающих машин и специальных звеньев рабочих определяется проектом производства работ. Оплата рабочих указанных профессий производится дополнительно по фактическому участию в обслуживании гидромониторных комплексов.

16. Пример определения расчетной нормы выработки и Расц. при разработке грунта гидромониторами приведен в прил. 4.

Состав звена по обслуживанию гидромониторов

Таблица 23

Наименование работ

Гидромониторщики

Размыв, смыв и разработка грунтов гидромониторами с водопроизводительностью до 1000 м3

3 разр.

Размыв, смыв и разработка грунтов гидромониторами с водопроизводительностью св. 1000 м3/ч до 3000 м3

4 разр.

Размыв, смыв и разработка грунтов гидромониторами с водопроизводительностью св. 3000 м3/ч и при погружении кессонов и колодцев

5 разр.

Таблица 24

Состав звена по обслуживанию насосных станций

Наименование профессий

Водопроизводительность насосов, м3

до 1000

св. 1000 до 3000

св. 3000

Число одновременно работающих насосов

1-3

4-6

1-3

4-6

1-3

4-6

Машинист насосной установки разряда:

 

 

 

 

 

 

5

-

-

-

1

1

1

4

-

1

1

1

-

1

3

1

1

-

-

-

1

Электромонтер по обслуживанию электрооборудования разряда:

 

 

 

 

 

 

5

-

-

-

-

1

1

4

1

1

1

1

-

-

Таблица 25

Состав звена по обслуживанию головных (забойных) грунтонасосных установок для гидротранспортирования пульпы из зумпфа

Наименование профессий

Водопроизводительность грунтонасосных установок, м3

св. 2000 до 4000

до 2000

Машинист механического оборудования разряда:

 

 

5

1

-

4

-

1

Машинист электрооборудования разряда:

 

 

5

1

-

4

-

1

Землекоп 3 разр.

1

1

Таблица 26

Состав звена по обслуживанию перекачивающих грунтонасосных установок для гидротранспортирования пульпы второго и последующих подъемов

Наименование профессий

Водопроизводительность грунтонасосных установок, м3

св. 2000 до 4000

до 2000

Число агрегатов

1

2

3

1

2

3

Машинист механического оборудования разряда:

 

 

 

 

 

 

5

1

1

1

-

-

-

4

-

-

-

1

1

1

Машинист электрооборудования разряда:

 

 

 

 

 

 

5

1

1

1

-

-

-

4

-

-

-

1

1

1

Машинист механического оборудования (помощник) разряда:

 

 

 

 

 

 

4

-

-

1

-

-

-

3

-

-

-

-

-

1

§ Е2-2-5. Разработка грунта гидромониторно-грунтонасосными установками со сбросом пульпы в водоем или естественный отвал без устройства обвалования

Нормы выработки гидромониторно-грунтонасосной установки, м3 грунта на 100 м3/ч подачи грунтового насоса по воде

Нормы времени использования установки на 100 м3 грунта

Высота забоя, м

Группа грунта (см. табл. 17)

 

I

II

III

IV

V

VI

От 3 до 5

147

--------

5,58

126

-------

6,51

110

-------

7,45

86

-------

9,53

67

------

12,24

57

-------

14,39

1

Св. 5 до 15

164

-------

5,0

139

-------

5,9

121

-------

6,78

95

-------

8,63

73

-------

11,23

62

-------

13,23

2

Св. 15

205

-------

4,0

174

-------

4,71

152

-------

5,39

120

-------

6,83

92

-------

8,91

78

-------

10,51

3

 

а

б

в

г

д

е

Примечание. При разработке забоев высотой св. 15 м, предусмотренных в параграфах Е2-2-5 - Е2-2-8, верхний предел высоты уступа устанавливается в соответствии с проектом производства работ и "Едиными правилами безопасности при разработке месторождений полезных ископаемых открытым способом".

§ Е2-2-6. Разработка грунта гидромониторно-грунтонасосными установками с укладкой его в отвал с устройством обвалования или подводную часть сооружения, односторонним намывом сооружений (штабелей) или намывом свободным откосом

Нормы выработки гидромониторно-грунтонасосной установки, м3
грунта на 100 м3/ч подачи грунтового насоса по воде

Нормы времени использования установки на 100 м3 грунта

Высота забоя, м

Группа грунта (см. табл. 17)

 

I

II

III

IV

V

VI

От 3 до 5

140

-------

5,86

120

------

6,83

104

------

7,88

82

------

10,0

64

-------

12,81

54

-------

15,18

1

Св. 5 до 15

156

-------

5,26

132

-------

6,21

115

-------

7,13

90

-------

9,11

70

--------

11,71

59

-------

13,9

2

Св. 15

195

--------

4,205

166

-------

4,94

144

-------

5,69

114

-------

7,19

87

-------

9,43

74

-------

11,08

3

 

а

б

в

г

д

е

§ Е2-2-7. Разработка грунта гидромониторно-грунтонасосными установками с намывом площадей, широкопрофильных частей сооружений или штабелей

Нормы выработки гидромониторно-грунтонасосной установки, м3
грунта на 100 м3/ч подачи грунтового насоса по воде

Нормы времени использования установки на 100 м3 грунта

Высота забоя, м

Группа грунта (см. табл. 17)

 

I

II

III

IV

V

VI

От 3 до 5

132

------

6,21

112

------

7,32

98

-------

8,37

77

-------

10,65

60

------

13,67

61

------

16,08

1

Св. 5 до 15

147

-------

5,58

125

-------

6,56

108

-------

7,59

85

-------

9,65

66

------

12,42

56

------

14,64

2

Св. 15

183

--------

4,48

156

-------

5,26

136

-------

6,03

107

-------

7,66

82

------

10,0

70

-------

11,71

3

 

а

б

в

г

д

е

§ Е2-2-8. Разработка грунта гидромониторно-грунтонасосными установками с намывом узкопрофильных частей сооружений или штабелей

Нормы выработки гидромониторно-грунтонасосной установки, м3 грунта на 100 м3/ч подачи грунтового насоса по воде

Нормы времени использования установки на 100 м3 грунта

Высота забоя, м

Группа грунта (см. табл. 17)

 

I

II

III

IV

V

VI

От 3 до 5

116

-------

7,07

99

-------

8,28

87

------

9,43

68

------

12,06

53

-------

15,47

45

------

18,22

1

Св. 5 до 15

130

-------

6,31

110

-------

7,45

96

-------

8,54

75

-------

10,93

58

-------

14,14

49

-------

16,73

2

Св. 15

162

-------

5,06

138

------

5,94

120

------

6,83

95

-------

8,63

72

-------

11,39

62

-------

13,23

3

 

а

б

в

г

д

е

Раздел II. ПОДГОТОВИТЕЛЬНО-ВСПОМОГАТЕЛЬНЫЕ РАБОТЫ ПРИ ГИДРОМЕХАНИЗАЦИИ

Техническая часть

1. Нормы, помещенные в настоящем разделе, предусматривают выполнение работ при строительстве и монтаже пульпопроводов (берегового и плавучего), водосбросных и водозаборных систем, а также при демонтаже пульпопроводов.

2. При выполнении работ на заболоченной местности и на территории, затопленной водой, а также при обработке сырого или мерзлого леса соответствующие Н.вр. и Расц. умножать на 1,2 (ТЧ-43).

3. Нормы на сборку и разборку берегового пульпопровода предусматривают производство работ на опорах высотой до 4 м, при опорах высотой св. 4 м и соответствующие Н.вр. и Расц. на каждый следующий метр высоты умножать на 1,05 (ТЧ-44).

4. Монтаж и демонтаж берегового пульпопровода "на земле" предусмотрен на заранее установленных подкладках, клетках или опорах высотой до 1 м; монтаж и демонтаж берегового пульпопровода "на опорах" предусмотрен на заранее установленных опорах высотой св. 1 м.

5. Нормы и расценки, помещенные в настоящем разделе, предусматривают выполнение работ в летних условиях.

При производстве работ в зимних условиях к нормам и расценкам следует применять соответствующие усредненные поправочные коэффициенты, приведенные в Общей части ЕНиР.

6. Нормами настоящего раздела, кроме специально оговоренных случаев, не предусмотрены и должны оплачиваться особо следующие работы:

выгрузка материалов, деталей и доставка их со склада;

прогонка резьбы болтов, гаек и вырубка прокладок;

изготовление настилов и подмостей.

7. Нормами, помещенными в гл. 3 и 5 настоящего Сборника, предусмотрено выполнение работ с помощью крана. Однако Н.вр. и Расц. не учитывают работу машиниста крана, оплата их труда производится особо по фактическому участию.

Глава 3. МОНТАЖ И ДЕМОНТАЖ БЕРЕГОВОГО МАГИСТРАЛЬНОГО ПУЛЬПОПРОВОДА ИЗ СТАЛЬНЫХ ТРУБ

§ Е2-2-9. Сборка и разборка магистрального пульпопровода

А. Сборка пульпопровода на быстроразъемных соединениях

Состав работы

1. Укладка труб "на земле" или на опорах. 2. Центрирование и закрепление труб. 3. Постановка быстроразъемных соединений. 4. Крепление пульпопровода к готовым анкерам. 5. Изготовление, установка и закрепление подкладок для фиксации труб.

Таблица 1

Состав звена

Расположение пульпопровода

Монтажник трубопроводов

Диаметр труб, мм

200-250

300-350

400-450

500-600

700-900

На земле

5 разр.

-

-

-

1

1

 

4 "

1

1

1

-

1

 

3 "

1

1

1

1

-

 

2 "

1

1

1

2

2

На опорах

5 разр.

-

-

-

1

1

 

4 "

1

1

1

1

1

 

3 "

1

1

2

1

1

 

2 "

2

2

1

2

2

Таблица 2

Нормы времени и расценки на 100 м пульпопровода (без фасонных частей и задвижек)

Расположение пульпопровода

Длина труб, м

Диаметр труб, мм

 

200-250

300-350

400

450

500

600

700

800

900

 

6-7

4,1

--------

2-91

7,2

------

5-11

10

------

7-10

12

-------

8-52

14

------

10-12

17

------

12-28

21

------

15-65

24

------

17-88

28

-------

20-86

1

На земле

11-12

3,3

-------

2-34

5,7

------

4-05

7,9

------

5-61

9,4

-------

6-67

11

------

7-95

14

------

10-12

17

------

12-67

19

------

14-16

22

-------

16-39

2

 

20-25

-

-

-

-

9,2

------

6-65

11,5

------

8-31

14

------

10-43

16

------

11-92

18,5

-------

13,78

3

 

6-7

6,8

--------

4-71

13,5

------

9-35

18,5

------

13-09

22,5

-------

15-92

24

------

17-66

31,5

------

23-18

37

------

27-23

44,5

------

32-75

51

-------

37-54

4

На опорах

11-12

5,4

--------

3-74

10,5

------

7-27

15

------

10-61

17,5

-------

12-38

19,5

------

14-35

25

------

18-40

29,5

------

21-71

35,5

------

26-13

41

-------

30-18

5

 

а

б

в

г

д

е

ж

з

и

Примечания: 1. При сборке пульпопровода на фланцах с установкой прокладок Н.вр. и Расц. умножать на 1,6 (ПР-1). 2. При сборке пульпопровода на электросварке Н.вр. и Расц. умножать: а) при расположении на земле - на 0,85 (ПР-2); б) при расположении на опорах - на 0,8 (ПР-3). Электрическую сварку при сборке пульпопровода нормировать дополнительно по Сборнику Е22. Сварочные работы. Вып. 2. Трубопроводы. 3. При сборке пульпопровода из труб, бывших в употреблении, Н.вр. и Расц. умножать на 1,1 (ПР-4).

Б. Разборка пульпопровода на быстроразъемных соединениях

Состав работы

1. Разборка пульпопровода со снятием быстроразъемных соединений. 2. Откатка труб или опускание их с опор. 3. Сборка в комплект быстроразъемных соединений и уплотняющих колец и укладка их в штабель.

Таблица 3

Состав звена

Расположение пульпопровода

Монтажник трубопроводов

Диаметр труб, мм

200-250

300-350

400-450

500-600

700-900

 

 

 

 

 

 

 

На земле

4 разр.

-

-

-

1

1

 

3 "

1

1

1

1

1

 

2 "

1

1

1

1

1

На опорах

4 разр.

-

-

-

1

1

 

3 "

1

1

1

-

-

 

2 "

3

3

3

3

3

Таблица 4

Нормы времени и расценки на 100 м пульпопровода (без фасонных частей)

Расположение пульпопровода

Длина труб, м

Диаметр труб, мм

 

200-250

300-350

400

450

500

600

700

800

900

 

6-7

1,4

--------

0-93,8

2,5

------

1-68

3,1

-------

2-08

3,6

------

2-41

4,1

------

2-91

5,2

-------

3-69

6,2

------

4-40

7,1

------

5-04

8,0

------

5-68

1

На земле

11-12

1,1

-------

0-73,7

2,0

------

1-34

2,5

-------

1-68

2,8

------

1-88

3,2

------

2-27

4,2

-------

2-98

5,0

------

3-55

5,7

------

4-05

6,4

------

4-54

2

 

22-25

-

-

-

-

2,7

------

1-92

3,5

-------

2-49

4,2

------

2-98

4,8

------

3-41

5,4

------

3-83

3

На опорах

6-7

3,0

--------

1-97

5,6

------

3-67

7,9

-------

5-17

9,1

------

5-96

10,5

------

7-11

14,0

-------

9-49

16,0

------

10-84

19,0

------

12-87

23,0

------

15-58

4

 

11-12

2,4

--------

1-57

4,5

------

2-95

6,3

-------

4-13

7,3

------

4-78

8,4

------

5-69

11,0

-------

7-45

13,0

------

8-81

15,0

------

10-16

18,0

------

12-20

5

 

а

б

в

г

д

е

ж

з

и

Примечания: 1. При разборке пульпопровода, соединенного  на фланцах, Н.вр. и Расц. умножать на 2,2 (ПР-5). 2. При разборке пульпопровода, соединенного на электросварке, Н.вр. и Расц. умножать: а) при расположении на земле - на 0,85 (ПР-6); б) при расположении на опорах - на 0,8 (ПР-7). Газовую резку при разборке пульпопровода, соединенного на электросварке, нормировать дополнительно по Сборнику Е22 "Сварочные работы". Вып. 2. "Трубопроводы".

§ Е2-2-10. Установка и снятие задвижек и фасонных частей

А. Установка задвижек и фасонных частей

Состав работы

1. Перемещение задвижки или фасонной части к месту установки. 2. Установка задвижки или фасонной части с выверкой и постановкой прокладок. 3. Крепление болтами.

Таблица 1

Состав звена

Монтажник трубопроводов

Диаметр задвижек и фасонных частей, мм

200-350

400-450

500-600

700-900

5 разр.

-

-

1

1

4 "

1

1

1

1

3 "

1

1

-

-

2 "

1

1

1

1

Таблица 2

Нормы времени и расценки на установку 1 задвижки или фасонной части

Расположение пульпопровода

Вид задвижек и фасонных частей

Диаметр задвижек и фасонных частей, мм

 

200-250

300-350

400-450

500-600

700-800

900

 

Крестовины

0,55

--------

0-39,1

0,9

--------

0-63,9

1,3

--------

0-92,3

2,4

--------

1-87

4,3

--------

3-35

5,4

-------

4-21

1

 

Тройники

0,48

--------

0-34,1

0,79

--------

0-56,1

1,2

--------

0-85,2

2,0

--------

1-56

3,8

--------

2-96

4,3

-------

3-35

2

На земле

Колена

0,44

--------

0,31,2

0,72

--------

0-51,1

1,0

--------

0-71

1,4

--------

1-09

3,1

--------

2-42

3,8

-------

2-96

3

 

Переходы, патрубки

0,36

--------

0-25,6

0,58

--------

0-41,2

0,81

--------

0-57,5

1,1

--------

0-85,8

2,5

--------

1-95

3,0

-------

2-34

4

 

Задвижки параллельные

1,3

--------

0-92,3

2,5

--------

1-78

3,4

--------

2-41

-

-

-

5

 

Задвижки шиберные

-

1,4

--------

0-99,4

2,5

--------

1-78

3,5

--------

2-73

5,5

--------

4-29

6,1

-------

4-76

6

 

Крестовины

0,87

--------

0-61,8

1,4

--------

0-99,4

2,1

--------

1-49

3,8

--------

2-96

7,0

--------

5-46

8,7

-------

6-79

7

 

Тройники

0,72

--------

0-51,1

1,2

--------

0-85,2

1,8

--------

1-28

3,2

--------

2-50

6,0

--------

4-68

7,0

-------

5-46

8

На опорах

Колена

0,67

--------

0-47,6

1,1

--------

0-78,1

1,5

--------

1-07

2,2

--------

1-72

4,8

--------

3-74

5,0

-------

3-90

9

 

Переходы, патрубки

0,54

--------

0-38,3

0,89

--------

0-63,2

1,2

--------

0-85,2

1,8

--------

1-40

3,8

--------

2-96

4,0

-------

3-12

10

 

Задвижки шиберные

-

1,9

--------

1-35

4,0

--------

2-84

5,5

-------

4-29

8,7

--------

6-79

10,0

-------

7-80

11

 

а

б

в

г

д

е

Б. Снятие задвижек и фасонных частей

Состав работы

1. Отвертывание гаек и снятие болтов. 2. Снятие задвижки или фасонной части с резиновых прокладок.

Таблица 3

Состав звена

Монтажник трубопроводов

Диаметр задвижек и фасонных частей, мм

200-350

400-450

500-600

700-900

4 разр.

-

-

1

1

3 "

1

1

-

-

2 "

2

2

2

2

Таблица 4

Нормы времени и расценки на снятие 1 задвижки или фасонной части

Расположение пульпопровода

Вид задвижек и фасонных частей

Диаметр задвижек и фасонных частей, мм

 

200-250

300-350

400-450

500-600

700-800

900

 

Крестовины

0,39

--------

0-25,7

0,63

--------

0-41,6

0,95

--------

0-62,7

1,7

--------

1-17

3,1

--------

2-14

3,8

--------

2-62

1

 

Тройники

0,34

--------

0-22,4

0,56

--------

0-37

0,82

--------

0-54,1

1,4

--------

0-96,6

2,6

--------

1-79

3,1

--------

2-14

2

 

Колена

0,3

--------

0-19,8

0,5

-------

0-33

0,7

--------

0-46,2

1,0

--------

0-69

2,1

--------

1-45

2,6

--------

1-79

3

На земле

Переходы, патрубки

0,24

--------

0-15,8

0,41

--------

0-27,1

0,56

--------

0-37

0,81

--------

0-55,9

1,7

--------

1-17

2,1

--------

1-45

4

 

Задвижки параллельные

0,95

--------

0-62,7

1,7

--------

1-12

2,3

--------

1-52

-

-

-

5

 

Задвижки шиберные

-

1,0

--------

0-66

1,7

--------

1-12

2,4

--------

1-66

3,9

--------

2-69

4,3

--------

2-97

6

 

Крестовины

0,61

--------

0-40,3

1,0

--------

0-66

1,5

--------

0-99

2,6

--------

1-79

4,9

--------

3-38

6,1

--------

4-21

7

 

Тройники

0,5

--------

0-33

0,82

--------

0-54,1

1,3

--------

0-85,8

2,2

--------

1-52

4,2

--------

2-90

4,9

--------

3-38

8

На опорах

Колена

0,49

--------

0-32,3

0,8

--------

0-52,8

1,1

--------

0-72,6

1,6

--------

1-10

3,4

--------

2-35

3,5

--------

2-42

9

 

Переходы, патрубки

0,39

--------

0-25,7

0,64

--------

0-42,2

0,85

--------

0-56,1

1,3

--------

0-89,7

2,7

--------

1-86

2,8

--------

1-93

10

 

Задвижки шиберные

-

1,3

--------

0-85,8

2,9

--------

1-91

3,9

--------

2-69

6,1

--------

4-21

7,0

--------

4-83

11

 

а

б

в

г

д

е

§ Е2-2-11. Установка и снятие заглушек

Состав работ

А. При установке торцовых заглушек

1. Установка заглушки. 2. Закрепление заглушки болтами с постановкой готовой резиновой прокладки.

Б. При снятии торцовых заглушек

1. Отвертывание гаек и снятие болтов. 2. Снятие заглушки и резиновой прокладки.

В. При установке или снятии заглушек между фланцами

1. Установка или снятие заглушек. 2. Закрепление заглушки болтами с постановкой готовой резиновой прокладки или отвертывание гаек, снятие болтов, снятие заглушки и резиновой прокладки.

Таблица 1

Состав звена

Монтажник трубопроводов

Наименование работ

установка заглушек

снятие заглушек

3 разр.

1

-

2 "

-

1

Таблица 2

Нормы времени и расценки на 1 заглушку

Наименование работ

Диаметр патрубка или трубы, мм

 

200-250

300

350-400

450-600

700-900

Установка торцовой заглушки

0,28

--------

0-19,6

0,46

-------

0-32,2

0,61

--------

0-42,7

0,77

--------

0-53,9

1,1

--------

0-77

1

Снятие торцовой заглушки

0,18

-------

0-11,5

0,27

-------

0-17,3

0,37

--------

0-23,7

0,46

--------

0-29,4

0,65

--------

0-41,6

2

Установка заглушки между фланцами

0,54

-------

0-37,8

0,83

--------

0-58,1

1,2

-------

0-84

1,3

--------

0-91

1,9

-------

1-33

3

Снятие заглушки между фланцами

0,54

-------

0-34,6

0,83

--------

0-53,1

1,2

-------

0-76,8

1,3

-------

0-83,2

1,9

--------

1-22

4

 

а

б

в

г

д

§ Е2-2-12. Установка готового выпуска на магистральном пульпопроводе

Состав работы

1. Разметка на трубе гнезда для патрубка. 2. Обрубка, опиловка и оправка фасок гнезда и конца патрубка. 3. Установка и закрепление патрубка длиной до 250 мм. 4. Закрепление заглушки на фланце патрубка.

Нормы времени и расценки на 1 выпуск

Состав звена монтажников трубопроводов

Диаметр патрубка, мм

200

300

400

500

600

4 разр. - 1

3   "      - 1

1,2

--------

0-89,4

2,1

-------

1-56

3,2

---------

2-38

4,7

----------

3-50

6,2

----------

4-62

 

а

б

в

г

д

Примечание. Электросварочные работы нормируются по Сборнику Е22. Сварочные работы. Вып. 2. Трубопроводы.

§ Е2-2-13. Заготовка, установка и разборка типовых деревянных опор (рис. 1-5)

Рис. 1. Двухстоечная закопная опора высотой 4 м

Рис. 2. Двухстоечная закопная опора высотой 1,5 м

Рис. 3. Трехстоечная закопная опора высотой 4 м

Рис. 4. Трехстоечная закопная опора высотой 1,5 м

Рис. 5. Козловая опора

Состав работ

А. При заготовке и сборке опор

1. Заготовка деревянных деталей опор по заданным размерам. 2. Устройство необходимых врубок. 3. Сборка отдельных конструктивных элементов опор на земле с постановкой болтов, забивкой скоб и гвоздей.

Б. При установке опор

1. Зачистка дна ям под один уровень и укладка в них подкладок. 2. Установка собранных элементов опор. 3. Выверка опор по створу трассы и в перпендикулярном к ней направлении. 4. Засыпка ям с трамбованием грунта. 5. Постановка продольных схваток и окончательное закрепление опор. 6. Опилование голов забитых свай, подъем и установка насадок, а также поперечных и продольных схваток (для свайных опор).

Таблица 1

Состав звена

Плотники

Наименование работ

заготовка и сборка опор высотой, м

установка опор высотой, м

1,5

4

1,5

4

4 разр.

-

-

1

1

3 "

1

1

1

1

2 "

1

2

1

2

Таблица 2

Нормы времени и расценки на 1 опору

Вид опор

Высота, м

№ рисунка

Заготовка и сборка

Установка

 

Н.вр.

Расц.

Н.вр.

Расц.

Закопные двухстоечные

4

1

0,88

0-58,1

0,35

0-24,2

1

 

1,5

2

0,71

0-47,6

0,18

0-12,8

2

Закопные трехстоечные

4

3

2,4

1-58

1,9

1-32

3

 

1,5

4

2,2

1-47

1,2

0-85,2

4

Свайные двухстоечные

1,5

Применительно к рис. 1,2

-

-

1,9

1-35

5

Козловые

4

5

1,9

1-25

6,4

4-43

6

 

а

б

Примечания. 1. При разборке опор Н.вр. и Расц., приведенные в гр. "б", умножать на 0,7 (ПР-1). 2. При установке опор краном соответствующие Н.вр. и Расц., приведенные в гр. "б", умножать на 0,5 (ПР-2). 3. Нормами и расценками настоящего параграфа копание ям, а также заготовка, забивка и выдергивание свай не предусмотрены и должны нормироваться и оплачиваться особо по Сборникам Е2. Земляные работы. Вып. 1. Механизированные и ручные земляные работы и Е12. Свайные работы.

Глава 4. МОНТАЖ И ДЕМОНТАЖ ПЛАВУЧЕГО ПУЛЬПОПРОВОДА

§ Е2-2-14. Укладка труб в ложа межпоплавковых соединений и снятие их

Состав работ

При укладке трубы

1. Строповка трубы. 2. Укладка трубы в ложа межпоплавкового соединения с помощью крана. 3. Крепление трубы к ложу хомутами с расстроповкой. 4. Крепление звена плавучего пульпопровода к причальной свае.

При снятии трубы

1. Отсоединение трубы от ложа. 2. Строповка трубы. 3. Снятие трубы при помощи крана и укладка ее на берег с расстроповкой.

Таблица 1

Состав звена

Наименование профессий

Способ производства работ

краном с берега

плавучим краном

Машинист крана 5 разр.

1

-

Монтажник трубопроводов 5 разр.

-

1

 " 4 разр.

1

1

 " 2 разр.

1

2

Таблица 2

Нормы времени и расценки на 1 трубу

Способ производства работ

Наименование работ

Диаметр трубы, мм

 

250

300

400

500

600

700

800

900

Краном с берега

Укладка трубы

0,92

--------

0-71,8

1,1

-------

0-85,8

1,3

------

1-01

1,6

-------

1-25

1,9

-------

1-48

2,4

-------

1-87

2,8

------

2-18

3,1

------

2-42

1

 

Снятие трубы

0,95

--------

0-74,1

1,1

-------

0-85,8

1,4

------

1-09

1,6

-------

1-25

2,1

-------

1-64

2,5

-------

1-95

2,9

------

2-26

3,2

------

2-50

2

Плавучим краном

Укладка трубы

2

-------

1-49

2,4

-------

1-79

2,8

------

2-09

3,5

-------

2-61

4,3

-------

3-20

5,3

-------

3-95

6,1

------

4-54

6,8

------

5-07

3

 

Снятие трубы

2,2

--------

1-64

2,6

-------

1-94

3,2

------

2-38

3,8

-------

2-83

4,7

-------

3-50

5,9

-------

4-40

6,6

------

4-92

7,4

------

5-51

4

 

а

б

в

г

д

е

ж

з

§ Е2-2-15. Спуск на воду понтонов и вытаскивание их из воды

Состав работ

А. При спуске на воду

1. Строповка понтона. 2. Спуск понтона на воду с помощью крана или трактора. 3. Передвижка понтона по воде вдоль берега. 4. Крепление понтона к причальной свае. 5. Расстроповка.

Б. При вытаскивании из воды

1. Строповка понтона. 2. Вытаскивание понтона на берег из воды при помощи крана или трактора. 3. Расстроповка.

Состав звена

Машинист крана или тракторист 5 разр.

- 1

Монтажник трубопроводов 4 "

- 1

" " 2 "

- 1

Нормы времени и расценки на 1 понтон

Наименование работ

Наименование профессий

Масса понтона, т

 

2

3

8

10

Спуск понтонов

Машинист крана или тракторист

0,72

--------

0-65,5

0,77

-------

0-70,1

1

-------

0-91

1,1

-------

1-00

1

 

Монтажники трубопроводов

1,4

-------

1-00

1,6

-------

1-14

2

-------

1-43

2,3

------

1-64

2

Вытаскивание понтонов

Машинист крана или тракторист

0,86

-------

0-78,3

0,98

-------

0-89,2

1,2

-------

1-09

1,4

------

1-27

3

 

Монтажники трубопроводов

1,7

-------

1-22

2

--------

1-43

2,4

-------

1-72

2,8

------

2-00

4

 

а

б

в

г

Примечание. Планировка берега и транспортировка понтонов к месту спуска нормами настоящего параграфа не предусмотрены и должны нормироваться дополнительно по Сборникам Е2. Земляные работы. Вып. 1. Механизированные и ручные земляные работы и Е1. Внутрипостроечные транспортные работы.

§ Е2-2-16. Сборка плавучего пульпопровода из отдельных звеньев

Состав работы

1. Подводка звеньев с помощью катера к месту сборки. 2. Маневрирование звеньями. 3. Соединение шарового шарнира с постановкой накидных болтов. 4. Постановка цепных ограничителей между двумя звеньями с выверкой длины цепей.

Нормы времени и расценки на измеритель, указанные в таблице

Состав звена монтажников трубопроводов

Измеритель

Производительность земснарядов по воде, м3

от 800 до 1200

св. 1200 до 2500

св. 2500 до 4000

св. 4000 до 7500

5 разр. - 1

3   "      - 1

2   "      - 2

1 соединение двух звеньев

3,4

-------

2-46

4,5

--------

3-25

7,9

-------

5-71

11,5

---------

8-31

 

а

б

в

г

Примечание. При разборке плавучего пульпопровода на отдельные звенья Н.вр. и Расц. умножать на 0,6 (ПР-1).

§ Е2-2-17. Прокладка электрического кабеля по звеньям плавучего пульпопровода и снятие его

Состав работ

А. При прокладке кабеля

1. Раскатка кабеля вручную с барабана или бухты. 2. Прокладка и крепление кабеля в кабеледержателях плавучего пульпопровода.

Б. При снятии кабеля

1. Открепление и снятие кабеля. 2 Переноска кабеля с наматыванием его на барабан или свертыванием в бухту.

Таблица 1

Состав звена

Наименование профессий

Масса 100 м кабеля, кг

300

500

1000

Электромонтажники по кабельным сетям разряда:

 

 

 

6

-

-

1

5

-

1

1

4

1

-

-

3

2

2

-

2

4

6

8

Подсобные рабочие 1 разр.

3

4

7

Таблица 2

Нормы времени и расценки на 100 м кабеля

Наименование работ

Способ производства работ

Масса 100 м кабеля, кг

 

300

500

1000

Прокладка кабеля

По плавучему пульпопроводу или с катера и понтона

23,5

--------

15-32

32,5

-------

21-27

45

--------

29-70

1

 

Со льда

11,5

--------

7-50

16

--------

10-47

22,5

-------

14-85

2

Снятие кабеля

По плавучему пульпопроводу

11,5

--------

7-50

16

-------

10-47

22,5

-------

14-85

3

 

Со льда

5,8

-------

3-78

8,2

-------

5-37

11,5

--------

7-59

4

 

а

б

в

Примечание. Погрузка и выгрузка барабанов с кабелем, прогрев кабеля в зимнее время, а также проверка состояния изоляции кабеля и заделка обрезанных концов нормами настоящего параграфа не предусмотрены и должны нормироваться дополнительно по Сб. Е23. Электромонтажные работы. Вып. 4. Кабельные линии напряжением до 35 кВ.

Глава 5. СООРУЖЕНИЕ ВОДОЗАБОРНЫХ И ВОДОСБРОСНЫХ СИСТЕМ

§ Е2-2-18. Устройство водозабора

Состав работы

1. Подъем на готовые опоры горизонтальной трубы. 2. Подъем и присоединение к горизонтальной трубе вертикальной трубы с коленом и всасом с постановкой прокладки во фланцевом соединении.

Состав звена

Монтажник трубопроводов   5 разр.

- 1

         "                  "                     4 разр.

- 1

         "                  "                    3 разр.

- 2

         "                  "                    2 разр.

- 1

Нормы времени и расценки на 1 водозабор

Диаметр труб, мм

Толщина стенок труб, мм

Н.вр.

Расц.

200-250

4-6

5,3

3-96

1

300-350

4-6

7,9

5-91

2

400-450

6-8

12,5

9-35

3

 

9-10

16,5

12-34

4

500

6-8

18,5

13-84

5

 

10-11

25

18-70

6

§ Е2-2-19. Устройство водосбросных колодцев (рис. 6-9)

Рис. 6. Односекционный деревянный водосбросной колодец с трубчатым стояком высотой св. 6 м

Рис. 7. Односекционный деревянный водосбросной колодец высотой до 6 м

Рис. 8. Двухсекционный деревянный водосбросной колодец с трубчатым стояком высотой св. 6 м

Рис. 9. Двухсекционный деревянный водосбросной колодец высотой до 6 м

Состав работ

А. При устройстве основания колодца

1. Заготовка стоек, деталей обвязки, прижимных брусьев и досок настила пола. 2. Установка стоек в подготовленные ямы и закапывание их с выверкой вертикального положения. 3. Раскрепление стоек обвязкой. 4. Настилка пола и крепление его к обвязке прижимными брусьями.

Б. При устройстве ствола колодца

1. Заготовка деталей колодца (шандор, распорных и прижимных брусьев и, при необходимости, стоек). 2. Наращивание и крепление стоек. 3. Установка распорных и прижимных брусьев. 4. Обшивка каркаса колодца на высоту, соответствующую уровню воды в прудке. 5. Устройство отверстия в стенке колодца для трубы водоспуска.

В. При устройстве трубчатого водоспуска

1. Установка стальной трубы длиной до 7 м в готовое отверстие колодца. 2. Заготовка зажимов из брусьев. 3. Закрепление трубы зажимами и стальными болтами. 4. Конопатка и осмолка места соединения трубы с колодцем.

Нормы времени и расценки на измерители, указанные в таблице

Наименование работ

Состав звена плотников

Измеритель

Н.вр.

Расц.

Устройство основания водосбросного колодца

односекционного

4 разр. - 1

2   "      - 3

1 м2 основания

13

8-81

1

 

двухсекционного

 

 

9,1

6-17

2

Устройство ствола водосбросного колодца

односекционного

4 разр. - 1

3   "      - 1

1 м высоты колодца

8,4

6-26

3

 

двухсекционного

 

 

14,5

10-80

4

Устройство трубчатого водоспуска диаметром, мм

500

4 разр. - 1

3    "     - 1

2    "     - 2 

1 соединение

7,1

4-92

5

 

700

4 разр. - 1

3    "     - 1

2    "     - 3 

 

9,7

6-62

6

Примечание. Нормами настоящего параграфа не предусмотрены и должны нормироваться и оплачиваться особо работы по устройству гравийной засыпки и пригрузки колодца.

§ Е2-2-20. Укрепление основания и откосов у водовыпуска

Состав работы

1. Отсыпка камня. 2. Разравнивание. 3. Послойное трамбование.

Состав звена

Речной рабочий на подводно-технических, габионных и фашинных работах, выполняемых с поверхности, - 3 разр.

Нормы времени и расценки на 1 м2 основания или откоса

Высота слоя наброски камня, м, до

Количество слоев

Н.вр.

Расц.

0,3

1

0,24

0-16,8

1

0,75

2

0,57

0-39,9

2

1

3

0,92

0-64,4

3

Приложение 1

Перечень работ, выполняемых при ежесменных технических обслуживаниях гидромеханизированных комплексов, затраты времени на проведение которых учтены нормами и отдельно не оплачиваются

А. Перечень общих работ

В состав ежесменного технического обслуживания входят работы по: очистке, мойке, осмотру (ревизии) и контролю за техническим состоянием узлов, агрегатов, приборов, канатов, систем земснаряда или установки в целом; креплению деталей, регулировке механизмов, узлов и агрегатов; смазке, заправке, доливке и замене масел, топлива и охлаждающей жидкости; опробованию действия отдельных узлов, рабочего оборудования и машины в целом и выполнению мелких ремонтных работ; сварочные и наплавочные работы во время эксплуатации земснарядов водопроизводительностью свыше 2000 м3/ч.

Б. Перечень работ по отдельным видам оборудования

Грунтовой насос

1. Осмотр и ревизия грунтового насоса.

2. Замена прокладок и сальников.

3. Замена манометров, вакуумметров и термосигнализаторов.

4. Регулировка грунтового насоса.

5. Доливка (добавление) или замена масел (смазок).

Рыхлитель

1. Подтягивание креплений, сращивание стальных канатов.

2. Регулировка валовой линии.

3. Смазка блоков, роликов, стальных канатов.

Свайный аппарат

1. Замена пальцев, шплинтов и деталей крепления.

2. Подтягивание креплений, сращивание стальных канатов.

3. Регулировка свайного аппарата.

4. Смазка блоков, стальных канатов.

Лебедка

1. Замена прокладок и масленок, подтягивание креплений.

2. Регулировка тормозных устройств, исправление ограждений.

3. Регулировка и опробование лебедки.

4. Смазка.

Центробежный насос

1. Осмотр и ревизия насоса.

2. Замена прокладок, сальниковых уплотнений и крепежных болтов.

3. Регулировка насоса.

4. Доливка (добавление) или замена масел (смазок).

Гидромонитор

1. Ревизия механизма поворота, подъема и опускания ствола гидромонитора.

2. Замена прокладок, манжет и сальниковых набивок.

3. Регулировка гидромонитора и смазка.

Корпус землесосного снаряда или грунтонасосной установки

1. Осмотр и проверка герметичности корпуса и сварных швов.

2. Ремонт ограждений.

Палубная надстройка

1. Осмотр и очистка от грязи и коррозии.

2. Ремонт ограждений, замена разбитых стекол.

3. Частичная окраска.

Пульпопроводы

1. Ремонт перил, ограждений и трапов.

2. Осмотр и проверка герметичности понтонов.

3. Проверка технического состояния шаровых соединений, замена сальниковых уплотнений и спецболтов, смазка.

4. Подтягивание креплений.

Распределительные устройства

1. Протирка фасадной части панели.

2. Чистка сборных шин, подкраска, протирка опорных проходных изоляторов, трансформаторов тока.

3. Частичная подкраска кабельных разделок, шин.

4. Замена измерительных приборов, проверка состояния замков и блокировок.

Масляные выключатели

1. Чистка изоляторов и контактов.

2. Регулировка приводов.

3. Взятие пробы и смена масла.

4. Проверка на одновременность замыкания контактов.

5. Смазка трущихся деталей.

Разъединители и рубильники

1. Регулировка тяг привода разъединителей и рубильников.

2. Зачистка и крепление контактных соединений.

Электродвигатели и возбудители

1. Наружная очистка электродвигателя, обмоток статора и ротора.

2. Продувка электродвигателя.

3. Проверка и подтягивание резьбовых креплений, проверка зазоров в подшипниках, межжелезного воздушного пространства между ротором и статором, а также плотности насадки полумуфт.

4. Подбивка клиньев или замена их.

5. Ремонт щеткодержателей, притирка щеток и шлифовка контактных колец.

6. Проверка и регулирование натяжения строп клиноременной передачи.

7. Ревизия соединений беличьей клетки.

8. Текущая проверка сопротивления изоляции с помощью мегаомметра; измерение сопротивлений обмоток с помощью моста.

9. Замена смазки в подшипниках.

Трансформаторы

1. Отбор проб масла для испытания.

2. Проверка состояния контактов.

3. Проверка сопротивления изоляции и омического сопротивления обмоток.

4. Чистка изоляторов.

Пусковые сопротивления и пусковые реостаты

1. Очистка поверхности.

2. Подтягивание контактных соединений.

3. Взятие пробы и смена масла.

4. Текущая проверка изоляции.

Магнитные станции, шкафы управления

1. Очистка панелей станции от пыли и грязи.

2. Регулировка подвижной части контакторов, силы нажатия рабочей части контактов

3. Проверка работы выпрямителя, реле.

4. Ремонт клеммников, замена отдельных клемм.

5. Текущее измерение сопротивления изоляции.

Пульт управления

1. Проверка приборов.

2. Ремонт, замена ключей, ламп, колпачков.

3. Проверка соединений вторичной коммутации.

4. Проверка клеммников, подтягивание отдельных клемм.

Кабельная сеть

1. Текущее измерение сопротивления изоляции кабелей и проводов.

2. Крепление и ремонт кабельных разделок.

3. Обслуживание контактных групп на клеммниках и распаячных коробках и штепсельных соединений.

Заземление

1. Осмотр состояния заземляющих проводников.

2. Зачистка мест присоединения.

3. Проверка измерителем заземления состояния заземляющих контуров.

4. Подтягивание болтовых креплений, обеспечивающих заземление оборудования.

Освещение

1. Протирка и очистка светильников.

2. Смена ламп.

3. Текущая проверка изоляции сети освещения.

4. Смена плавких предохранителей, проверка работы автоматов.

5. Обслуживание контактных соединений.

Примечания: 1. Работы, указанные в настоящем приложении и выполняемые при плановых технических обслуживаниях и ремонтах, оплачиваются по нарядам. 2. Объемы наплавочных и сварочных работ, выполняемых электросварщиком во время работы гидромеханизированного комплекса, устанавливаются бригадиром или машинистом земснаряда на основании нормативно-технической документации.

Приложение 2

Пример определения месячной расчетной нормы выработки и расценок для персонала, обслуживающего землесосные снаряды типов 350-50Л и 500-60

1. На основании месячного графика работы устанавливается число смен работы землесосного снаряда в забое за рабочий период с учетом времени, планируемого для проведения вспомогательных работ (перевод земснаряда из одного карьера в другой, перекладка береговых пульпопроводов и т.п.), обслуживаний (ТО), текущих ремонтов (Т) и плановых технических.

2. Месячная расчетная норма выработки устанавливается умножением числа запланированных смен работы землесосного снаряда на его сменную норму выработки, рассчитанную с учетом всех факторов, влияющих на производительность землесосного снаряда (группа грунтов, высота забоя, наличие засоренности забоя, расстояние гидротранспортирования пульпы и т.п.).

3. Расценки за 100 м3 грунта для суточного персонала определяются как частное от деления месячной ставки каждого работника в отдельности на месячную расчетную норму выработки землесосного снаряда с умножением результата на 100.

Примечания: а) месячная ставка суточного персонала, тарифицируемого по шестиразрядной тарифной сетке, рассчитывается умножением часовой тарифной ставки соответствующего разряда на среднемесячное количество рабочих часов;

б) в случаях, когда расчетная норма выработки составляется на срок менее календарного месяца, расценки для суточного персонала определяются как частное от деления ставки работника, причитающейся за планируемый период работы землесосного снаряда, на расчетную норму выработки, установленную за тот же период;

в) ставка за период менее месяца определяется делением месячной ставки работника на количество рабочих дней в данном месяце и умножением полученного частного на количество рабочих дней (не считая выходных и праздничных дней), приходящихся на планируемый период работы землесосного снаряда в данном месяце.

4. Заработную плату каждый из указанных в п. 3 работников получает за фактически выполненный землесосным снарядом объем работ (с учетом количества дней, проработанных работником в данном месяце, включая выходные и праздничные дни, приходящиеся на этот период) по расценке, установленной для этого работника в данном месяце.

5. Расценки за 100 м3 грунта для сменного персонала определяются как частное от деления суммы сменных ставок данного персонала на сменную норму выработки землесосного снаряда, рассчитанную с учетом всех факторов, влияющих на производительность землесосного снаряда (группа грунтов, высота забоя, наличие засоренности забоя, расстояние гидротранспортирования пульпы и т.п.) с умножением результатов на 100.

6. Расценки подсчитаны по тарифным ставкам, установленным для рабочих, занятых в строительстве и на ремонтно-строительных работах, без учета повышения тарифных ставок на тяжелые (особо тяжелые) работы и работы с вредными (особо вредными) условиями труда.

Повышение тарифных ставок на вышеуказанные работы учитывается непосредственно при расчете заработной платы данного рабочего.

Исходные данные

Землесосные снаряды типов 350-50Л и 500-60 в июне должны разрабатывать пески средней крупности в карьере с намывом узкопрофильной части плотины безэстакадным способом.

Указанный грунт относится к III группе по трудности разработки (согласно табл. 4 Техн.ч. главы 1 настоящего выпуска) и к II группе по трудности гидротранспортирования (согласно табл. 5 Техн. ч. гл. 1 настоящего выпуска).

Общая высота подводного и надводного забоев составляет 6 м. Пульпа транспортируется по пульпопроводам диаметром 600 и 700 мм. Приведенное расстояние гидротранспортирования (с учетом высоты подъема) составляет 1700 м.

По фактической засоренности забоя к нормам выработки руководством строительной организации утвержден коэффициент 0,91 (ТЧ-14) согласно п. 13 техн. ч. гл. 1.

По графику работы землесосного снаряда на данный месяц предусмотрены один перевод его из карьера в карьер продолжительностью 0,5 сут. (применительно к Сборнику нормативов на подготовительно-вспомогательные работы при производстве гидромеханизированных земляных работ) и проведение плановых технических обслуживаний ТО-1 (2 раза) и ТО-2 (1 раз) согласно рекомендациям по организации технического обслуживания и ремонта строительных машин.

Расчет

Число смен работы землесосного снаряда в течение июня месяца (при круглосуточной работе, включая выходные дни) составит:

 смены, где 30 - число суток в июне; 0,5 - количество суток, запланированных на перевод землесосного снаряда из карьера в карьер; 2 - количество запланированных технических обслуживаний (ТО-1); 1 - продолжительность проведения технического обслуживания (ТО-1); 1 - количество запланированных технических обслуживаний (ТО-2); 4 - продолжительность проведения технического обслуживания (ТО-2); 24 - количество часов в сутках; 8,2 - продолжительность рабочей смены, ч.

В соответствии с § Е2-2-4 ЕНиР (нормы 7 "в" и 9 "в") сменные нормы выработки землесосных снарядов типов 350-50Л и 500-60 соответственно составляют 1626 и 2534 м3.

Учитывая факторы, снижающие производительность землесосного снаряда, необходимо применить (согласно Вводной части раздела 1 и Техн. ч. гл. 1 настоящего выпуска) следующие поправочные коэффициенты к норме выработки.

Наименование факторов, снижающих производительность землесосных снарядов

Тип землесосных снарядов

350-50Л

500-60

Высота забоя

1 (ТЧ-9)

0,8 (ТЧ-10)

Засоренность забоя

0,91 (ТЧ-14)

0,91 (ТЧ-14)

Итоговый коэффициент (получаемый путем перемножения частных коэффициентов)

0,91

0,728

С учетом итогового коэффициента сменная норма выработки землесосных снарядов составит:

для землесосного снаряда типа 350-50Л

для землесосного снаряда типа 500-60

Месячная расчетная норма равна:

для землесосного снаряда типа 350-50Л

для землесосного снаряда типа 500-60

Для определения расценок в примере принимаются составы звеньев, обслуживающих электрические землесосные снаряды, согласно табл. 14 гл. 1 настоящего выпуска.

А. По суточному персоналу

№ п.п.

Наименование профессий

Землесосные снаряды

Часовая ставка руб. - коп.

350-50Л

500-60

количество персонала

месячная ставка, руб.

количество персонала

месячная ставка, руб.

1.

Машинист землесосного снаряда (бригадир комплекса)

1

200

1

210

-

2.

Машинист землесосного снаряда (помощник бригадира)

-

-

1

200

-

3.

Машинист механического оборудования (старший механической службы)

1

195

1

195

-

4.

Машинист электрооборудования (старший электротехнической службы)

1

195

1

195

-

5.

Замерщик

1

-

1

-

0-79

Примечания. 1. Среднемесячное количество рабочих часов (для расчета месячной ставки) принимается 173,1 ч. 2. Месячные расчетные ставки по строкам № 1-4 приняты в соответствии с постановлением Госкомтруда СССР от 19 марта 1987 г. № 172/7-28 "Об установлении месячных ставок персоналу землесосных плавучих несамоходных снарядов".

Б. По сменному персоналу

№ п.п.

Наименование профессий

Тип землесосных снарядов

350-50Л

500-60

количество персонала, чел.-смена

часовая ставка, руб.-коп.

всего, руб.-коп.

количество персонала, чел.-смена

часовая ставка, руб.-коп.

всего, руб.-коп.

1

2

3

4

5

6

7

8

1.

Машинист землесосного снаряда 6 разр.

1

1-06

1-06

1

1-13

1-13

2.

Машинист механического оборудования 6 разр.

-

-

-

1

1-06

1-06

3.

Машинист механического оборудования 5 разр.

1

0-91

0-91

-

-

-

4.

Машинист механического оборудования 5 разр. (помощник)

-

-

-

1/3

0-91

0-30,3

5.

Машинист электрооборудования 6 разр.

-

-

-

1

1-06

1-06

6.

Машинист электрооборудования 5 разр.

1

0-91

0-91

-

-

-

7.

Машинист электрооборудования 5 разр. (помощник)

-

-

-

1

0-91

0-91

8.

 " 4 разр.

1

0-79

0-79

-

-

-

9.

Речной рабочий 2 разр.

1

0-64

0-64

1

0-64

0-64

10.

Электросварщик 5 разр.

2/3

0-91

0-60,7

2/3

0-91

0-60,7

 

Итого: часовая расчетная ставка

-

-

4-91,7

-

-

5-71

 

сменная расчетная ставка

-

-

40-32

-

-

46-82

Примечание. Машинистам 6 разр., занятым управлением землесосными снарядами типа 500-60, устанавливается часовая тарифная ставка в размере 1 р. 13 к. на основании постановления Госкомтруда СССР от 15 декабря 1986 г. № 524/30-44 "Об утверждении Перечная отдельных профессий рабочих-рабочих VI разряда, занятых управлением мощными и особо сложными строительными машинами и механизмами, их ремонтом и обслуживанием, которым устанавливаются часовые тарифные ставки в размере до 140 коп."

Исходя из приведенных выше данных,
расценки на 100 м3 грунта составят

№ п.п.

Наименование профессий

Землесосные снаряды

350-50Л

500-60

 

А. По суточному персоналу

 

 

1.

Машинист землесосного снаряда (бригадир комплекса)

200·100/101803=19,6 коп.

210·100/126915=16,6 коп.

2.

Машинист землесосного снаряда (помощник бригадира)

-

200·100/126915=15,8 коп.

3.

Машинист механического оборудования (старший механической службы)

195·100/101803=19,2 коп.

195·100/126915=15,4 коп.

4.

Машинист электро- оборудования (старший электро- технической службы)

195·100/101803=19,2 коп.

195·100/126915=15,4 коп.

5.

Замерщик 4 разр.

0-79·173,1·100/101803=13,4 коп.

0-79·173,1·100/126915=10,8 коп.

 

Б. По сменному персоналу

40-32·100/1479,7=2 р.72,5 к.

46-82·100/1844,7=2 р.53,8 к.

Итого расценка на 100 м3 грунта

3 р. 43,9 к.

3 р. 27,8 к.

Приложение 3

Пример расчета норм выработки при работе землесосных снарядов в зимних условиях

Поправочные коэффициенты к нормам выработки главы настоящего выпуска на работы, выполняемые в зимних условиях, применяются исходя из средней месячной температуры, причем в расчет средней температуры принимаются температуры рабочих смен как отрицательные, так и положительные.

В населенных пунктах, где имеются метеорологические станции, среднемесячная температура принимается по справке этих станций.

В населенных пунктах, где отсутствуют метеорологические станции, замер температур производится лицом, назначенным приказом начальника строительного управления, и результаты замера регистрируются в соответствующем журнале. Замер температур производится два раза в смену - в среднем каждой полусмены. В конце месяца производится подсчет средней температуры.

В соответствии с этой температурой по табл. 9 Техн. ч. главы 1 настоящего выпуска определяется величина поправочных коэффициентов, которые применяются к нормам выработки.

Поправочными коэффициентами не учитываются устанавливаемые облисполкомами перерывы в работе на обогревание рабочих и полное прекращение работ при низких температурах.

Оплата устанавливаемых облисполкомами перерывов на обогревание рабочих производится в соответствии с действующими положениями.

Расчет

Землесосный снаряд в январе месяце производил разработку, и транспортирование грунта с намывом узкопрофильной части плотины.

Учитывая непрерывный характер производства, при продолжительности смены 8,2 ч на сутки приходится 2,92 смены. Так как замеры температуры производятся два раза в смену, в январе был произведен 31·2,92·2=181 замер температуры, в том числе 151 с отрицательными значениями и 30 замеров с положительными.

Сумма отрицательных значений температур составила –1958 °С, а сумма положительных значений +153 °С.

Средняя месячная температура равна:

Согласно п. 14. Техн. ч. (табл. 9) главы 1 настоящего выпуска, к Н.выр. должен применяться поправочный коэффициент 0,8 (ТЧ-21).

Например, если месячная норма выработки составила 95694 м3 грунта, то с учетом поправочного коэффициента она должна составлять

95694·0,8=76555 м3.

Приложение 4

Пример определения расчетной нормы выработки и расценок при разработке грунта гидромониторно-грунтонасосными установками

Исходные данные

Произвести разработку грунта гидромониторами в забое высотой 12 м при напорном гидротранспортировании пульпы передвижной головной (забойной) грунтонасосной установкой с дополнительным перекачиванием пульпы грунтонасосной установкой второго подъема. Укладка грунта производится в широкопрофильную земляную плотину при низкоопорном способе намыва с механизированным обвалованием.

Забой состоит из различных грунтов, залегающих в следующем порядке

Расположение слоев, залегающих в забое

Мощность слоев, залегающих в забое, м

Наименование грунтов

Группа грунтов по табл. 17 Техн. ч. главы 2

Удельный расход воды по табл. 18 Техн. ч. главы 2

Верхний слой

2

Песок мелкий

II

4,9

Средний слой

3

Супесь средняя

III

5,7

Нижний слой

7

Глина тощая

IV

7,3

Засоренность забоя 7 %. Длина водоводов 1,7 км. Длина пульпопроводов 1,9 км.

Гидромониторно-грунтонасосная установка состоит из головной (забойной) грунтонасосной установки с грунтовым насосом марки ГрУ 2000/63, одного гидромонитора с напором до 100 м и одной насосной станции, подобранных при рациональном сочетании по производительности в зависимости от подачи грунтового насоса. Кроме того, в комплекс включена перекачивающая грунтонасосная установка второго подъема с грунтовым насосом ГрУ 2000/63.

Диаметры насадков и потребная величина напора выбраны соответственно характеру разрабатываемых грунтов.

Расчет исходной нормы

§ Е2-2-7 при разработке грунта гидромониторами с напорным гидротранспортированием пульпы предусмотрены следующие Н.выр. в м3 грунта за 8,2 ч на 100 м3/ч расхода грунтового насоса по воде:

для грунта II группы ................125 м3

"       "     III    "     .......................108 м3

"       "     IV    "     .........................85 м3

Средневзвешенная сменная норма выработки для грунтового насоса марки ГрУ 2000/63 производительностью по пульпе 2000 м3 в соответствии с условиями, указанными в исходных данных, и мощностью слоев грунтов, слагающих забой, будет равна:

Подбор поправочных коэффициентов к исходной норме выработки

На засоренность забоя корнями деревьев и камнями, осложняющими разработку забоя, в соответствии с п.10 Техн. ч. главы 2 необходимо применять к Н.выр. коэффициент 0,91 (ТЧ-34).

При работе головной землесосной установки с перекачивающей землесосной установкой второго подъема в соответствии с п. 1 Техн. ч. разд. 1 Н.выр. умножаются на коэффициент 0,95 (ТЧ-1).

Итоговый поправочный коэффициент составит:

0,91·0,95=0,865.

Определение сменной расчетной нормы выработки землесосной установки

С учетом всех снижающих производительность землесосной установки коэффициентов ее норма выработки составит:

1901·0,865=1644 м3.

Определение расценок на разработку 100 м3 грунта естественной плотности (в карьере)

Расценки подсчитаны по тарифным ставкам, установленным для рабочих, занятых в строительстве и на ремонтно-строительных работах, без учета повышения тарифных ставок на тяжелые (особо тяжелые) работы, и работы с вредными (особо вредными) условиями труда.

Звено, обслуживающее насосную станцию, согласно табл. 24 Техн. ч. гл. 2, состоит из одного машиниста насосной установки 4 разр. и одного электромонтера по обслуживанию электрооборудования 4 разр. Суммарная сменная расчетная ставка этого звена равна:

0-79·2·8,2=12 р.96 к.

Звено, обслуживающее гидромониторы, согласно табл. 23 Техн. ч. гл. 2, состоит из одного гидромониторщика 4 разр.

Сменная расчетная ставка этого звена равна:

0-79·8,2=6 р.48 к.

Звено, обслуживающее передвижную головную землесосную установку, согласно табл. 25 Техн. ч. гл. 2, состоит из двух машинистов механического и электрического оборудования 5 разр. и землекопа 3 разр.

Суммарная сменная расчетная ставка этого звена равна:

0-91·2·8,2+0-70·8,2=20 р.66 к.

Звено, обслуживающее перекачивающую установку второго подъема, согласно табл. 26 состоит из двух машинистов механического и электрического оборудования 5 разр.

Суммарная сменная расчетная ставка этого звена равна:

0-91·2·8,2=14 р.92 к.

Звено, обслуживающее карты намыва при низкоопорном способе намыва широкопрофильных частей напорного сооружения с механизированным обвалованием при количестве поступающей на карту намыва пульпы св. 2000 до 4000 м3/ч, согласно табл. 14 технической ч. гл. 1, состоит из рабочих карты намыва 4 разр. - 1,3 разр. - 1 и одного машиниста бульдозера 6 разр.

Суммарная сменная расчетная ставка этого звена равна:

0-79·8,2+0-70·8,2+1-06·8,2=20 р.91к.

Расц. за разработку 100 м3 грунта естественной плотности (в карьере) для отдельных звеньев равна:

для звена, обслуживающего насосную станцию,

12 р.96 к./(1644·100)=78,8 к.;

для звена, обслуживающего гидромониторы,

6 р.48 к./(1644·100)=39,4 к.;

для звена, обслуживающего головную землесосную установку,

20 р.66 к./(1644·100)=1 р.26 к.;

для звена, обслуживающего перекачивающую установку второго подъема,

14 р.92 к./(1644·100)=90,8 к.;

для звена, обслуживающего карту намыва,

20 р.91 к./(1644·100)=1 р.27 к.

Итого для комплексной бригады:

0-78,8+0-39,4+1-26+0-90,8+1-27=4 р.62 к.

Приложение 5

Пример определения расчетной нормы выработки землесосных снарядов при разработке забоев, сложенных грунтами различных групп

Исходные данные

Разрабатываемый забой состоит из подводной и надводной частей. Общая высота забоя 4 м. Разработка грунтов производится землесосным снарядом типа ЗГМ-350. Гидротранспортирование грунта производится в отвал с устройством обвалования при низкоопорном способе намыва.

Забой состоит из грунтов различных групп со следующим процентным соотношением: III – 47 %; V – 40 %; VI – 13 %.

Расчет исходной нормы

Расчет нормы выработки землесосного снаряда при разработке данного забоя производится по формуле

Н.выр.

где q1,q2,q3 - расход воды на разработку и гидротранспортирование соответственно 1 м3 грунта III, V и VI групп плюс 0,65 - величина, характеризующая содержание твердых частиц в 1 м3 грунта естественной плотности (в карьере); П1, П2, П3 - процентное содержание грунта III, V и VI групп в забое; V1, V2, V3 - норма выработки земснаряда типа ЗГМ-350 при разработке на III, V и VI групп грунта, принимаемая по § Е2-2-2 настоящего выпуска.

Подставляя принятые величины, получим:

Н.выр.=11,65·888·47+18,65·555·40+22,65·457·13/11,65+

+18,65·40+22,65·13=652 м3/ смену.

 

 




ГОСТЫ, СТРОИТЕЛЬНЫЕ и ТЕХНИЧЕСКИЕ НОРМАТИВЫ.
Некоммерческая онлайн система, содержащая все Российские Госты, национальные Стандарты и нормативы.
В Системе содержится более 150000 файлов нормативно-технической документации, действующей на территории РФ.
Система предназначена для широкого круга инженерно-технических специалистов.

Рейтинг@Mail.ru Яндекс цитирования

Copyright © www.gostrf.com, 2008 - 2026