Крупнейшая бесплатная информационно-справочная система онлайн доступа к полному собранию технических нормативно-правовых актов РФ. Огромная база технических нормативов (более 150 тысяч документов) и полное собрание национальных стандартов, аутентичное официальной базе Госстандарта. GOSTRF.com - это более 1 Терабайта бесплатной технической информации для всех пользователей интернета. Все электронные копии представленных здесь документов могут распространяться без каких-либо ограничений. Поощряется распространение информации с этого сайта на любых других ресурсах. Каждый человек имеет право на неограниченный доступ к этим документам! Каждый человек имеет право на знание требований, изложенных в данных нормативно-правовых актах!

  


 

ГОСТ 15634.4-70

МЕЖГОСУДАРСТВЕННЫЙ СТАНДАРТ

ПРОВОДА ОБМОТОЧНЫЕ

МЕТОДЫ ИСПЫТАНИЯ ИЗОЛЯЦИИ НАПРЯЖЕНИЕМ

ИПК ИЗДАТЕЛЬСТВО СТАНДАРТОВ

Москва

ИНФОРМАЦИОННЫЕ ДАННЫЕ

1. РАЗРАБОТАН И ВНЕСЕН Министерством электротехнической промышленности СССР

РАЗРАБОТЧИКИ

И. Б. Пешков, профессор (руководитель темы); А. А. Гнедин, канд. техн. наук; С. С. Аршинов; Л. П. Карпова

2. УТВЕРЖДЕН И ВВЕДЕН В ДЕЙСТВИЕ Постановлением Комитета стандартов, мер и измерительных приборов при Совете Министров СССР от 16.03.70 № 354

3. Стандарт полностью соответствует международному стандарту МЭК 851-5-85

4. ВВЕДЕН ВПЕРВЫЕ

5. ССЫЛОЧНЫЕ НОРМАТИВНО-ТЕХНИЧЕСКИЕ ДОКУМЕНТЫ

Обозначение НТД, на который дана ссылка

Номер пункта

ГОСТ 3722-81

2.3

ГОСТ 15634.3-70

2.3, 3.1.4.1

6. Ограничение срока действия снято Постановлением Госстандарта от 26.06.91 № 1001

7. ПЕРЕИЗДАНИЕ (февраль 1999 г.) с Изменениями № 2, 3, 4, утвержденными в марте 1976 г., мае 1985 г., июне 1990 г. (ИУС 3-76, 8-85, 10-90)

(Поправка. ИУС 1-2005 г.).

МЕЖГОСУДАРСТВЕННЫЙ СТАНДАРТ

ПРОВОДА ОБМОТОЧНЫЕ

Методы испытания изоляции напряжением

Magnet wire.
Methods of the breakdown voltage test

ГОСТ
15634.4-70

Дата введения 01.01.73

Настоящий стандарт распространяется на обмоточные провода круглого и прямоугольного сечения со всеми видами изоляции и устанавливает методы испытаний изоляции напряжением.

(Измененная редакция, Изм. № 4).

1. ОТБОР ОБРАЗЦОВ

1.1. Испытанию должны быть подвергнуты провода, не имеющие механических повреждений и хранившиеся в условиях, указанных в стандарте или технических условиях на обмоточные провода.

1.2. Образец провода круглого сечения с медной проволокой диаметром 0,05 - 0,30 мм или с проволокой из сплава сопротивления диаметром 0,05 - 1,0 мм должен быть отобран путем сматывания без растяжения и изгибов с испытуемой катушки на металлические валики.

(Измененная редакция, Изм. № 2, 3).

1.3. Образец провода круглого сечения с алюминиевой или медной проволокой диаметром 0,315 мм и более или образец провода прямоугольного сечения должен быть без растяжения и изгибов смотан с катушки, барабана или бухты.

Длина образца провода круглого сечения должна быть не менее 500 мм, а при испытании образца на стержне - подсчитана по формуле

l = 2 (6pdст + 150),

где l - длина образца, мм;

d - диаметр стержня, мм.

Длина образца провода прямоугольного сечения должна быть не менее 500 мм при испытании его в виде двух прямых отрезков, параллельно уложенных, и не менее 600 мм при испытании образца в изогнутом состоянии.

(Измененная редакция, Изм. № 3).

1.4. Испытание должно быть проведено на одном образце, отобранном от испытуемой катушки, барабана или бухты, если в стандарте или технических условиях на провода не указано большее число образцов.

Примечание. С 01.07.93 испытание проводят на пяти образцах, отобранных от испытуемой катушки, барабана или бухты.

(Измененная редакция, Изм. № 4).

2. АППАРАТУРА

2.1. Для испытания проводов круглого сечения с медной проволокой диаметром 0,05 - 0,30 мм или с проволокой из сплава сопротивления диаметром 0,05 - 1,0 мм должна быть применена следующая аппаратура:

- установка переменного тока частоты 50 или 60 Гц на напряжение св. 1000 В, состоящая из трансформатора мощностью не более 0,5 кВ А, регулирующего устройства и измерительных приборов. Форма кривой напряжения должна быть практически синусоидальной с коэффициентом амплитуды  ± 5 %. Устройство индикации пробоя должно срабатывать, если в цепи высокого напряжения проходит ток, равный 5 мА или более. Приведенная погрешность установки, определенная при температуре окружающей среды (20 ± 5) °С, не должна быть более ± 2,5 %;

- установка для испытания, в которую входят два полированных металлических свободно вращающихся на осях валика диаметром 30 мм, расстояние между центрами валиков 55 мм;

- установка для испытания должна соответствовать технической документации, утвержденной в установленном порядке. Схема установки указана на черт. 1.

1 - катушка с проводом; 2 - испытуемый провод; 3 - металлические валики; 4 - зажимы; 5 - груз

Черт. 1

Установка содержит набор грузов, обеспечивающих соответствующее натяжение провода на металлических валиках.

(Измененная редакция, Изм. № 3, 4).

2.2. Для испытания проводов круглого сечения с медной проволокой диаметром 0,315 мм и более с эмалево-волокнистой (за исключением эмалево-стекловолокнистой) изоляцией должна быть применена следующая аппаратура:

- установка переменного тока частоты 50 Гц на напряжение св. 1000 В, состоящая из трансформатора мощностью не менее 1,0 кВ×А, регулирующего устройства и измерительных приборов. Форма кривой напряжения должна быть практически синусоидальной. Пробивное напряжение должно быть измерено с погрешностью не более ± 2,5 %;

- устройство для скручивания проводов, соответствующее технической документации, утвержденной в установленном порядке.

Схема устройства указана на черт. 2.

Устройство содержит набор грузов, обеспечивающий соответствующее натяжение проводов при их скручивании.

2.3. Для испытания проводов со стекловолокнистой, эмалево-стекловолокнистой, дельтаасбестовой и пленочно-волокнистой изоляцией должна быть применена следующая аппаратура:

- установка переменного тока, соответствующая требованиям п. 2.2.

1 - скользящий зажим; 2 - вращающийся зажим; 3 - образец провода; 4 - груз; 5 - электродвигатель

Черт. 2

В установку входит электрод, состоящий из металлических шариков (диаметр 2 и 3 мм, степень точности 60 - 100, группа Н по ГОСТ 3722).

Примечание. Диаметр шариков 3 мм до 1 января 1988 г., с 1 января 1988 г. диаметр шариков 2 мм;

- устройства для навивания образцов на стержень и для изгиба образцов с углом обхвата стержня 180°, соответствующее требованиям ГОСТ 15634.3.

В устройства входит дополнительный комплект цилиндрических стержней из изоляционного материала с предельным отклонением по диаметру ± 10 % от величин, установленных в стандарте или технических условиях на обмоточные провода. Поверхность стержней должна быть гладкой;

- термостат с перемешиванием воздуха и автоматическим регулированием температуры с погрешностью, указанной в табл. 1, с токопроводящими выводами для присоединения образцов, находящихся в термостате, к установке напряжением св. 1000 В.

Таблица 1

°С

Температура в термостате

Предельное отклонение

До 150

± 2,5

Св. 150 до 200

± 3,5

» 200 » 300

± 6,0

» 300 » 400

± 10,0

2.2, 2.3. (Измененная редакция, Изм. № 3).

3. ПРОВЕДЕНИЕ ИСПЫТАНИЙ

3.1. Испытание проводов в исходном состоянии

3.1.1. Испытание должно быть проведено при температуре окружающего воздуха (25 ± 10) °С и относительной влажности не более 75 %, если в стандарте или технических условиях на обмоточные провода не предусмотрены другие температура и влажность.

Допускается испытание образцов при температуре, отличающейся от (25 ± 10) °С, и относительной влажности окружающего воздуха более 75 %, если результаты испытаний удовлетворяют требованиям стандарта или технических условий на обмоточные провода. При получении в этом случае неудовлетворительных результатов новые образцы, отобранные от тех же катушек, барабанов или бухт провода, должны быть выдержаны не менее 6 ч до начала испытания при температуре (25 ± 10) °С, относительной влажности окружающего воздуха не более 75 % и испытаны в этих условиях.

3.1.2. Провод круглого сечения с медной проволокой диаметром 0,05 - 0,30 мм или с проволокой из сплава сопротивления диаметром 0,05 - 1,0 мм, сматываемой с катушки, должен дважды обвивать металлические валики в виде восьмерки. Конец провода должен быть очищен от изоляции и присоединен к зажиму.

На участке провода между металлическими валиками и зажимом должна быть приложена нагрузка, создаваемая грузом массой 1 кг, приходящимся на 1 мм2 площади поперечного сечения проволоки.

Предельное отклонение от значений массы не должно быть более 20 %.

Напряжение должно быть приложено между зажимом и металлическими валиками и плавно поднято до пробоя изоляции. Скорость подъема напряжения должна быть приблизительно 100 В/с, если пробой изоляции наступает менее чем через 5 с, скорость подъема напряжения должна быть уменьшена.

Значение напряжения в начале испытания (непосредственно после включения) допускается не более 10 % от нормируемого значения пробивного напряжения.

(Измененная редакция, Изм. № 3).

3.1.3. Образец провода круглого сечения с медной проволокой диаметром 0,315 мм и более с эмалево-волокнистой (за исключением эмалево-стекловолокнистой) изоляцией должен быть сложен пополам и скручен на длине 125 мм.

Значение натяжения испытуемого провода при скручивании должно соответствовать нагрузке, создаваемой грузом массой 1 кг, приходящимся на 1 мм2 площади поперечного сечения проволоки.

Предельное отклонение от значений массы должно быть не более 20 %.

Число скруток в зависимости от диаметра проволоки должно соответствовать указанному в табл. 2.

Таблица 2

Номинальный диаметр проволоки, мм

Число скруток на длине 125 мм

0,315 - 0,53

10

0,55 - 0,80

9

0,83 - 1,32

7

1,40 - 2,12

4

2,24 - 2,50

3

Образцы должны быть скручены в том же направлении, в каком наложена волокнистая изоляция.

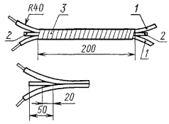
Петля на конце скрученного образца должна быть разрезана в двух местах (черт. 3), с противоположной стороны образца на обоих концах должна быть удалена изоляция.

Черт. 3

Напряжение должно быть приложено к неизолированным концам скрученного образца и плавно поднято до пробоя изоляции. Скорость подъема напряжения должна быть приблизительно 100 В/с, если пробой изоляции наступает при напряжении равном или более 2500 В, скорость подъема напряжения должна быть приблизительно 500 В/с. Значение напряжения в начале испытания (непосредственно после включения) допускается не более 10 % от нормируемого значения пробивного напряжения.

(Измененная редакция, Изм. № 3, 4).

3.1.4. Для проводов со стекловолокнистой, эмалево-стекловолокнистой, дельтаасбестовой и пленочно-волокнистой изоляцией устанавливают два нижеприведенных вида испытаний.

В стандарте или технических условиях, устанавливающих технические требования на обмоточные провода, должен быть указан вид испытания.

3.1.4.1. Образцы провода для испытаний подготавливают в соответствии с требованиями ГОСТ 15634.3.

Образец провода в виде винтовой спирали или изогнутом состоянии должен быть снят со стержня и помещен в ванну с металлическими шариками таким образом, чтобы слой дроби, окружавшей его, составлял не менее 5 мм; концы образца длиной 75 - 100 мм должны быть выведены из ванны; с одного конца образца на длине 15 - 20 мм должна быть удалена изоляция.

Образец провода прямоугольного сечения, изогнутый по меньшей стороне, помещают в ванну с металлическими шариками сначала одной изогнутой частью и проводят испытания, а затем испытания повторяют, помещая в ванну вторую изогнутую часть образца.

Для удобства проведения испытаний образный образец провода может быть разрезан на две части и каждая часть испытана отдельно.

Напряжение должно быть приложено к неизолированному концу образца и к металлическим шарикам и плавно поднятого до пробоя изоляции. Скорость подъема напряжения должна быть приблизительно 100 В/с; если пробой изоляции наступает менее чем через 5 с, скорость подъема напряжения должна быть уменьшена.

Значение напряжения в начале испытания (непосредственно после включения) допускается не более 10 % от нормируемого значения пробивного напряжения.

3.1.4.2. Образец провода должен быть разрезан на два равных отрезка; с одного конца каждого отрезка на длине 15 - 20 мм должна быть удалена изоляция.

Отрезки провода круглого сечения с проволокой диаметром до 2,50 мм должны быть навиты на стержень из изоляционного материала двумя один над другим плотно прилегающим друг к другу рядами; каждый ряд должен состоять из шести витков, плотно прилегающих друг к другу; витки каждого ряда должны быть навиты в одном направлении; концы отрезков (при необходимости) должны быть закреплены на стержне, чтобы избежать смещение витков.

Навивание отрезков должно быть проведено под натяжением, создаваемым для алюминиевой проволоки грузом массой 0,5 кг и для медной проволоки - 1 кг, приходящимся на 1 мм2 площади поперечного сечения проволоки.

Отрезки провода круглого сечения с проволокой диаметром 2,50 мм и более и прямоугольного сечения должны быть параллельно расположены и плотно прижаты друг к другу (прямоугольного сечения - плашмя (по толщине) и на длине 200 мм скреплены обмоткой из изоляционной ленты или другим способом, обеспечивающим плотное прилегание друг к другу испытуемых отрезков провода.

Концы отрезков должны быть разведены в противоположные стороны и в местах отгиба отделены друг от друга изоляционной прокладкой толщиной не более 0,2 мм (черт. 4).

1 - отрезки провода; 2 - изоляционная прокладка; 3 - обмотка изоляционной ленты

Черт. 4

Напряжение должно быть приложено к неизолированным концам отрезков провода, навитых на стержень или параллельно уложенных, и плавно поднято до пробоя изоляции. Скорость подъема напряжения должна быть приблизительно 100 В/с; если пробой изоляции наступает менее чем через 5 с, скорость подъема напряжения должна быть уменьшена; если пробой изоляции наступает при напряжении равном или более 2500 В, скорость подъема напряжения должна быть приблизительно 500 В/с.

Величина напряжения в начале испытания (непосредственно после включения) допускается не более 10 % от нормируемой величины пробивного напряжения.

3.1.4.1, 3.1.4.2. (Измененная редакция, Изм. № 3, 4).

3.2. Испытание проводов при воздействии повышенной температуры

3.2.1. Образец в виде двух отрезков, навитых на стержень или параллельно уложенных в соответствии с требованием п. 3.1.4.2, должен быть помещен в термостат с установившейся температурой так, чтобы он не касался стенок термостата; неизолированные концы отрезков должны быть присоединены к токопроводящим выводам термостата.

3.2.2. Температура и время выдержки образца в термостате до приложения к нему напряжения должны соответствовать требованиям, указанным в стандарте или технических условиях на обмоточные провода.

Время пребывания в термостате должно быть отсчитано с момента установления в нем требуемой температуры после помещения образца.

В течение всего периода пребывания образца в термостате он должен находиться под непрерывным воздействием требуемой температуры.

3.2.3. Напряжение должно быть приложено к выводам термостата и плавно поднято до пробоя изоляции образца провода. Скорость подъема напряжения должна быть приблизительно 100 В/с; если пробой изоляции наступает менее чем через 5 с, скорость подъема напряжения должна быть уменьшена; если пробой изоляции наступает при напряжении равном или более 2500 В, скорость подъема напряжения должна быть приблизительно 500 В/с.

Значение напряжения в начале испытания (непосредственно после включения) допускается не более 10 % от нормируемого значения пробивного напряжения.

3.3. Испытание проводов после воздействия температуры

3.3.1. Образцы проводов для испытаний, подготовленные аналогично пп. 3.1.4.1 и 3.1.4.2, помещают в термостат с установившейся температурой.

Температура и время выдержки в термостате должны соответствовать указанным в стандартах или технических условиях на обмоточные провода.

Образцы не должны касаться стенок термостата. После изъятия из термостата образцы охлаждают в течение 30 мин до температуры и влажности окружающего воздуха и подвергают испытанию напряжением.

3.3, 3.3.1. (Введены дополнительно, Изм. № 2).

СОДЕРЖАНИЕ

 

 




ГОСТЫ, СТРОИТЕЛЬНЫЕ и ТЕХНИЧЕСКИЕ НОРМАТИВЫ.
Некоммерческая онлайн система, содержащая все Российские Госты, национальные Стандарты и нормативы.
В Системе содержится более 150000 файлов нормативно-технической документации, действующей на территории РФ.
Система предназначена для широкого круга инженерно-технических специалистов.

Рейтинг@Mail.ru Яндекс цитирования

Copyright © www.gostrf.com, 2008 - 2026