| |
ГОСТ 19308-98
МЕЖГОСУДАРСТВЕННЫЙ СТАНДАРТ
ИЗЛОЖНИЦЫ ЦЕНТРОБЕЖНЫЕ С ФЛАНЦЕМ И ЦЕНТРОБЕЖНЫМИ
ЗАМКАМИ
Конструкция и размеры
МЕЖГОСУДАРСТВЕННЫЙ СОВЕТ
ПО СТАНДАРТИЗАЦИИ, МЕТРОЛОГИИ И СЕРТИФИКАЦИИ
Минск
Предисловие
1. РАЗРАБОТАН Межгосударственным
техническим комитетом МТК 252 «Литейное производство»
ВНЕСЕН Госстандартом России
2. ПРИНЯТ Межгосударственным
Советом по стандартизации, метрологии и сертификации (протокол № 14-98 от 12
ноября 1998 г.)
За принятие проголосовали:
|
Наименование
государства
|
Наименование
национального органа по стандартизации
|
|
Азербайджанская Республика
Республика Беларусь
Республика Казахстан
Киргизская Республика
Российская Федерация
Республика Таджикистан
Туркменистан
Республика Узбекистан
Украина
|
Азгосстандарт
Госстандарт Беларуси
Госстандарт Республики Казахстан
Киргизстандарт
Госстандарт России
Таджикгосстандарт
Главная государственная инспекция
Туркменистана
Узгосстандарт
Госстандарт Украины
|
3. Постановлением
Государственного комитета Российской Федерации по стандартизации и метрологии
от 23 июля 1999 г.
№ 210-ст межгосударственный стандарт ГОСТ 19308-98 введен в действие
непосредственно в качестве государственного стандарта Российской Федерации с 1
января 2000 г.
4. ВЗАМЕН ГОСТ
19308-73
Содержание
МЕЖГОСУДАРСТВЕННЫЙ СТАНДАРТ
|
ИЗЛОЖНИЦЫ ЦЕНТРОБЕЖНЫЕ С ФЛАНЦЕМ
И ЦЕНТРОБЕЖНЫМИ ЗАМКАМИ
Конструкция и размеры
Centrifugal moulds with
flange and centrifugal locks. Construction and dimensions
|
Дата введения 2000-01-01
Настоящий стандарт распространяется на
центробежные изложницы с фланцем и центробежными замками для однопозиционных
машин центробежного литья консольного типа с горизонтальной осью вращения,
предназначенные для изготовления втулок из стали, чугуна и цветных сплавов.
Стандарт пригоден для целей сертификации.
Требования настоящего стандарта являются
обязательными.
В настоящем стандарте использованы ссылки
на следующие стандарты:
ГОСТ 977-88 Отливки
стальные. Общие технические условия
ГОСТ 1412-85 Чугун
с пластинчатым графитом для отливок. Марки
ГОСТ
5915-70 Гайки шестигранные класса точности В. Конструкция и размеры
ГОСТ 7293-85 Чугун с
шаровидным графитом для отливок. Марки
ГОСТ
7798-70 Болты с шестигранной головкой класса точности В. Конструкция и
размеры
ГОСТ
19310-98 Выталкиватели для центробежных изложниц. Конструкция и размеры
ГОСТ 19311-98
Крышки для центробежных изложниц. Конструкция и размеры
ГОСТ
19313-98 Замки центробежные для центробежных изложниц. Конструкция и
размеры
ГОСТ
19315-98 Хомуты тройные для центробежных изложниц. Конструкция и размеры
ГОСТ 19316-98 Изложницы
центробежные. Технические условия
3.1 Конструкция и размеры центробежных
изложниц должны соответствовать указанным на рисунке 1 и в таблицах 1 и 2.

*Размеры
для справок.
1 -
изложница; 2 - выталкиватель; 3 - крышка; 4 - центробежный замок; 5 - тройной хомут; 6 - болт М16-6Н.5.05 по ГОСТ 5915;
8 - планшайба машины; 9 - шток выталкивателя
Рисунок 1
Таблица 1
Размеры в миллиметрах
|
Обозначение
центробежных изложниц
|
d
|
l
|
D
|
D1
|
L
|
Масса изложниц, кг, не более
|
|
из чугуна
|
из стали
|
|
0570-0631
|
80
|
160
|
320
|
250
|
195
|
43,1
|
43,5
|
|
0570-0632
|
180
|
205
|
45,0
|
45,4
|
|
0570-0633
|
200
|
235
|
46,7
|
47,2
|
|
0570-0634
|
90
|
160
|
330
|
195
|
46,0
|
46,4
|
|
0570-0635
|
180
|
205
|
48,0
|
48,4
|
|
0570-0636
|
200
|
235
|
50,0
|
50,4
|
|
0570-0637
|
250
|
285
|
54,7
|
55,2
|
|
0570-0638
|
100
|
160
|
340
|
280
|
195
|
52,0
|
52,5
|
|
0570-0639
|
180
|
205
|
54,1
|
54,6
|
|
0570-0641
|
200
|
235
|
56,3
|
56,8
|
|
0570-0642
|
250
|
285
|
61,7
|
62,2
|
|
0570-0643
|
110
|
160
|
350
|
195
|
53,6
|
54,2
|
|
0570-0644
|
180
|
205
|
56,0
|
56,5
|
|
0570-0645
|
200
|
235
|
58,3
|
58,8
|
|
0570-0646
|
250
|
285
|
65,0
|
65,5
|
|
0570-0647
|
125
|
200
|
385
|
235
|
65,3
|
65,8
|
|
0570-0648
|
250
|
285
|
72,2
|
72,8
|
|
0570-0649
|
320
|
355
|
81,7
|
82,4
|
|
0570-0651
|
140
|
200
|
405
|
235
|
71,2
|
71,8
|
|
0570-0652
|
250
|
285
|
79,3
|
80,0
|
|
0570-0653
|
320
|
355
|
91,0
|
92,0
|
|
0570-0654
|
160
|
200
|
425
|
320
|
235
|
79,0
|
79,7
|
|
0570-0655
|
250
|
285
|
88,1
|
88,8
|
|
0570-0656
|
320
|
355
|
100,8
|
101,7
|
|
0570-0657
|
180
|
200
|
445
|
235
|
87,3
|
88,0
|
|
0570-0658
|
250
|
285
|
93,4
|
94,2
|
|
0570-0659
|
320
|
355
|
107,3
|
108,2
|
|
0570-0601
|
200
|
200
|
465
|
360
|
235
|
100,3
|
101,1
|
|
0570-0692
|
250
|
285
|
111,5
|
112,4
|
|
0570-0603
|
320
|
355
|
122,2
|
123,2
|
|
0570-0604
|
220
|
200
|
495
|
400
|
235
|
122,0
|
123,0
|
|
0570-0605
|
250
|
285
|
136,0
|
137,2
|
|
0570-0606
|
320
|
355
|
153,4
|
154,7
|
|
0570-0610
|
280
|
200
|
585
|
450
|
235
|
154,2
|
155,4
|
|
0570-0611
|
250
|
285
|
171,0
|
172,4
|
|
0570-0612
|
320
|
355
|
194,6
|
196,2
|
|
0570-0613
|
320
|
250
|
635
|
520
|
285
|
224,8
|
226,6
|
|
0570-0614
|
320
|
355
|
255,8
|
258,0
|
|
0570-0615
|
400
|
435
|
295,7
|
298,2
|
|
0570-0616
|
360
|
250
|
705
|
285
|
246,7
|
248,7
|
|
0570-0617
|
320
|
355
|
281,0
|
283,2
|
|
0570-0618
|
400
|
435
|
320,7
|
323,3
|
|
0570-0619
|
400
|
250
|
765
|
630
|
285
|
340,3
|
343,0
|
|
0570-0620
|
320
|
355
|
386,3
|
389,5
|
|
0570-0621
|
400
|
435
|
439,0
|
442,7
|
Таблица 2
|
Обозначение
центробежных изложниц
|
Поз.1
Изложница
|
Поз.2
Выталкиватель
ГОСТ
19310
|
Поз.3* Крышка ГОСТ 19311
|
Поз.
4
Замок
центробежный ГОСТ
19313
|
Поз.5
Хомут
ГОСТ
19315
|
Поз.
6
Болт
ГОСТ
7798
|
Поз.
7 Гайка ГОСТ 5915
|
|
Обозначение
деталей
|
|
0570-0631
|
0570-0631/001
|
0554-0003
|
0556-0051;
0556-0052
|
0557-0204
|
0559-0211
|
М16-6gx60.88.35.05
|
М16-6Н.5.05
|
|
0570-0632
|
0570-0632/001
|
|
0570-0633
|
0570-0633/001
|
|
0570-0634
|
0570-0634/001
|
0554-0004
|
0556-0053;
0556-0054
|
0559-0212
|
|
0570-0635
|
0570-0635/001
|
|
0570-0636
|
0570-0636/001
|
|
0570-0637
|
0570-0637/001
|
|
0570-0638
|
0570-0638/001
|
0554-0005
|
0556-0055;
0556-0056
|
0559-0213
|
|
0570-0639
|
0570-0639/001
|
|
0570-0641
|
0570-0641/001
|
|
0570-0642
|
0570-0642/001
|
|
0570-0643
|
0570-0643/001
|
0554-0006
|
0556-0057;
0556-0058
|
0559-0214
|
|
0570-0644
|
0570-0644/001
|
|
0570-0645
|
0570-0645/001
|
|
0570-0646
|
0570-0646/001
|
|
0570-0647
|
0570-0647/001
|
0554-0007
|
0556-0059;
0556-0061
|
0557-0201
|
0559-0215
|
|
0570-0648
|
0570-0648/001
|
|
0570-0649
|
0570-0649/001
|
|
0570-0651
|
0570-0651/001
|
0554-0008
|
0556-0062;
0556-0063
|
0559-0216
|
|
0570-0652
|
0570-0652/001
|
|
0570-0653
|
0570-0653/001
|
|
0570-0654
|
0570-0654/001
|
0554-0009
|
0556-0064;
0556-0065
|
0559-0217
|
|
0570-0655
|
0570-0655/001
|
|
0570-0656
|
0570-0656/001
|
|
0570-0657
|
0570-0657/001
|
0554-0010
|
0556-0066;
0556-0067
|
0559-0201
|
|
0570-0658
|
0570-0658/001
|
|
0570-0659
|
0570-0659/001
|
|
0570-0601
|
0570-0601/001
|
0554-0011
|
0556-0207; 0556-0208
|
0559-0202
|
|
0570-0602
|
0570-0602/001
|
|
0570-0603
|
0570-0603/001
|
|
0570-0604
|
0570-0604/001
|
0554-0012
|
0556-0209;
0556-0210
|
0559-0203
|
|
0570-0605
|
0570-0605/001
|
|
0570-0606
|
0570-0606/001
|
|
0570-0607
|
0570-0607/001
|
0554-0013
|
0556-0211;
0556-0212
|
0557-0202
|
0559-0204
|
|
0570-0608
|
0570-0608/001
|
|
0570-0609
|
0570-0609/001
|
|
0570-0610
|
0570-0610/001
|
0554-0014
|
0556-0219;
0556-0220
|
0559-0205
|
|
0570-0611
|
0570-0611/001
|
|
0570-0612
|
0570-0612/001
|
|
0570-0613
|
0570-0613/001
|
0554-0015
|
0556-0221;
0556-0222
|
0559-0206
|
|
0570-0614
|
0570-0614/001
|
|
0570-0615
|
0570-0615/001
|
|
0570-0616
|
0570-0616/001
|
0554-0016
|
0556-0228
|
0557-0203
|
0559-0208
|
|
0570-0617
|
0570-0617/001
|
|
0570-0618
|
0570-0618/001
|
|
0570-0619
|
0570-0619/001
|
0554-0017
|
0556-0231;
0556-0233
|
0559-0209
|
|
0570-0620
|
0570-0620/001
|
|
0570-0621
|
0570-0621/001
|
|
* Применение
крышки определяется конструктивно.
|
Пример
условного обозначения центробежной
изложницы размерами d = 80
мм, l =
160 мм:
Изложница центробежная 0570-0631 ГОСТ 19308-98
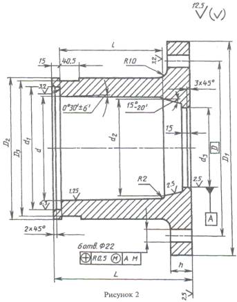
3.2 Конструкция и
размеры изложниц (поз. 7) должны соответствовать указанным на рисунке 2 и в
таблице 3.

Таблица 3
Размеры в миллиметрах
|
Обозначение
изложниц
|
d
|
l
|
d1
|
d2
|
d3
|
D
|
D1
|
D2
|
D3
|
L
|
h
|
Масса
изложниц, кг, не более
|
|
Н11
|
из
чугуна
|
из
стали
|
|
0570-0631/001
|
80
|
160
|
100
|
70
|
50
|
250
|
310
|
150
|
140
|
210
|
35
|
35,0
|
35,4
|
|
0570-0632/001
|
180
|
230
|
37,0
|
37,4
|
|
0570-0633/001
|
200
|
250
|
38,6
|
39,0
|
|
0570-0634/001
|
90
|
160
|
110
|
80
|
160
|
150
|
215
|
37,4
|
37,8
|
|
0570-0635/001
|
180
|
235
|
39,4
|
39,8
|
|
0570-0636/001
|
200
|
255
|
41,3
|
41,7
|
|
0570-0637/001
|
250
|
305
|
46,1
|
46,6
|
|
0570-0638/001
|
100
|
160
|
120
|
90
|
70
|
280
|
340
|
170
|
160
|
215
|
40
|
42,7
|
43,2
|
|
0570-0639/001
|
180
|
235
|
44,8
|
45,3
|
|
0570-0641/001
|
200
|
255
|
47,0
|
47,5
|
|
0570-0642/001
|
250
|
305
|
52,4
|
53,0
|
|
0570-0643/001
|
110
|
160
|
130
|
100
|
180
|
170
|
215
|
43,8
|
44,2
|
|
0570-0644/001
|
180
|
235
|
46,1
|
46,6
|
|
0570-0645/001
|
200
|
255
|
48,5
|
49,0
|
|
0570-0646/001
|
250
|
305
|
55,2
|
55,8
|
|
0570-0647/001
|
125
|
200
|
145
|
115
|
90
|
200
|
190
|
260
|
53,6
|
54,2
|
|
0570-0648/001
|
250
|
310
|
60,5
|
61,2
|
|
0570-0649/001
|
320
|
380
|
70,0
|
70,7
|
|
0570-0651/001
|
140
|
200
|
160
|
130
|
90
|
220
|
210
|
260
|
58,3
|
59,0
|
|
0570-0652/001
|
250
|
310
|
66,4
|
67,2
|
|
0570-0653/001
|
320
|
380
|
78,0
|
78,8
|
|
0570-0654/001
|
160
|
200
|
180
|
150
|
110
|
320
|
380
|
240
|
230
|
260
|
64,7
|
65,4
|
|
0570-0655/001
|
250
|
310
|
73,8
|
74,5
|
|
0570-0656/001
|
320
|
380
|
86,5
|
87,4
|
|
0570-0657/001
|
180
|
200
|
200
|
170
|
140
|
260
|
250
|
260
|
71,5
|
72,2
|
|
0570-0658/001
|
250
|
310
|
77,6
|
78,4
|
|
0570-0659/001
|
320
|
380
|
91,5
|
92,4
|
|
0570-0601/001
|
200
|
200
|
220
|
190
|
360
|
420
|
280
|
270
|
260
|
80,7
|
81,5
|
|
0570-0602/001
|
250
|
310
|
92,0
|
93,0
|
|
0570-0603/001
|
320
|
380
|
102,6
|
103,6
|
|
0570-0604/001
|
220
|
200
|
240
|
210
|
170
|
400
|
460
|
310
|
300
|
260
|
45
|
98,7
|
99,7
|
|
0570-0605/001
|
250
|
310
|
112,7
|
114,0
|
|
0570-0606/001
|
320
|
380
|
130,1
|
131,4
|
|
0570-0607/001
|
250
|
200
|
270
|
240
|
190
|
340
|
330
|
270
|
105,2
|
106,3
|
|
0570-0608/001
|
250
|
320
|
120,7
|
122,0
|
|
0570-0609/001
|
320
|
390
|
143,0
|
144,4
|
|
0570-0610/001
|
280
|
200
|
300
|
270
|
220
|
450
|
510
|
370
|
360
|
270
|
45
|
117,8
|
119,0
|
|
0570-0611/001
|
250
|
320
|
114,6
|
136,0
|
|
0570-0612/001
|
320
|
390
|
154,7
|
155,3
|
|
0570-0613/001
|
320
|
250
|
350
|
308
|
250
|
520
|
580
|
420
|
410
|
320
|
50
|
180,1
|
182,0
|
|
0570-0614/001
|
320
|
390
|
211,1
|
213,2
|
|
0570-0615/001
|
400
|
470
|
251,0
|
253,5
|
|
0570-0616/001
|
360
|
250
|
390
|
348
|
280
|
460
|
450
|
325
|
188,3
|
190,2
|
|
0570-0617/001
|
320
|
395
|
222,6
|
224,8
|
|
0570-0618/001
|
400
|
475
|
262,3
|
265,0
|
|
0570-0619/001
|
400
|
250
|
430
|
388
|
320
|
630
|
700
|
520
|
510
|
325
|
270,7
|
273,4
|
|
0570-0620/001
|
320
|
395
|
316,7
|
320,0
|
|
0570-0621/001
|
400
|
475
|
369,4
|
373,0
|
Пример условного обозначения
изложницы размерами d = 80
мм, l =
160 мм:
Изложница 0570-0631/001 ГОСТ 19308-98
3.3. Материал:
изложниц для отливки втулок из цветных
сплавов - чугун марки СЧ20 по ГОСТ 1412 или
сталь марки 35Л по ГОСТ 977;
изложниц для отливки втулок из чугуна и
стали - высокопрочный чугун марки ВЧ50 по ГОСТ 7293 или сталь
марки 35Л по ГОСТ 977.
3.4. Неуказанные предельные
отклонения размеров: Н14, h14, ± .
3.5. Остальные технические
требования - по ГОСТ 19316.
Ключевые
слова: центробежные изложницы,
центробежные изложницы с фланцем и центробежными замками, конструкция и размеры
|
|