Крупнейшая бесплатная информационно-справочная система онлайн доступа к полному собранию технических нормативно-правовых актов РФ. Огромная база технических нормативов (более 150 тысяч документов) и полное собрание национальных стандартов, аутентичное официальной базе Госстандарта. GOSTRF.com - это более 1 Терабайта бесплатной технической информации для всех пользователей интернета. Все электронные копии представленных здесь документов могут распространяться без каких-либо ограничений. Поощряется распространение информации с этого сайта на любых других ресурсах. Каждый человек имеет право на неограниченный доступ к этим документам! Каждый человек имеет право на знание требований, изложенных в данных нормативно-правовых актах!

  


 

ГОСУДАРСТВЕННЫЙ СТАНДАРТ СОЮЗА ССР

ГАЗЫ ГОРЮЧИЕ ПРИРОДНЫЕ

МЕТОД ОПРЕДЕЛЕНИЯ ТЕМПЕРАТУРЫ ТОЧКИ РОСЫ
УГЛЕВОДОРОДОВ

ГОСТ 20061-84

(СТ СЭВ 4491-84)

ГОСУДАРСТВЕННЫЙ КОМИТЕТ СССР ПО СТАНДАРТАМ

Москва

РАЗРАБОТАН Министерством газовой промышленности

ИСПОЛНИТЕЛИ

А.И. Гриценко, А.К. Карпов, В.П. Булычев, А.М. Сучкова, Г.С. Павлова

ВНЕСЕН Министерством газовой промышленности

Член коллегии А.Д. Седых

УТВЕРЖДЕН И ВВЕДЕН В ДЕЙСТВИЕ Постановлением Государственного комитета СССР по стандартам от 19 декабря 1984 г. № 4721

ГОСУДАРСТВЕННЫЙ СТАНДАРТ СОЮЗА ССР

ГАЗЫ ГОРЮЧИЕ ПРИРОДНЫЕ

Метод определения температуры
точки росы углеводородов

Combustible natural gases.

Method for determination of
hydrocarbon dew point temperature

ГОСТ
20061-84

(CT СЭВ 4491-84)

Взамен

ГОСТ 20061-74

Постановлением Государственного комитета СССР по стандартам от 19 декабря 1984 г. № 4721 срок действия установлен

с 01.01.86

до 01.01.92

Несоблюдение стандарта преследуется по закону

Настоящий стандарт устанавливает метод определения точки росы углеводородов в природных газах, не содержащих капельных взвесей углеводородов и гликолей.

Сущность метода заключается в измерении температуры начала конденсации углеводородов на поверхности охлаждаемого металлического зеркала при непрерывном потоке над ним предварительно осушенного анализируемого газа при фиксированном давлении.

Стандарт полностью соответствует СТ СЭВ 4491-84.

1. МЕТОД ОТБОРА ПРОБ

Пробу отбирают по ГОСТ 18917-82 из пробоотборной линии непосредственно в измерительный конденсационный прибор.

Температура пробоотборной линии при измерении должна быть не ниже температуры газа в месте его отбора.

Черт. 1

2. АППАРАТУРА, РЕАКТИВЫ И МАТЕРИАЛЫ

Прибор измерительный конденсационный, позволяющий измерять температуру точки росы газа при фактическом давлении анализируемого газа в пределах допускаемых расхождений по данному методу.

Манометр с пределом измерения до 15 МПа, класса точности не ниже 1,0.

Емкость для осушки газа из нержавеющей стали (черт. 1).

Вентиль запорный игольчатый по ГОСТ 23230-78.

Силикагель или молекулярные сита NaA (4A), NаХ (13Х); при использовании в качестве охлаждающего газа двуокиси углерода молекулярные сита не применяются.

Магний хлорнокислый безводный (ангидрон), х. ч., или кальций хлористый гранулированный безводный, х. ч., по ГОСТ 4460-77

Вата из стекловолокна.

Растворители: четыреххлористый углерод или этиловый спирт ректификованный технический по ГОСТ 18300-72 или спирт этиловый технический по ГОСТ 17299-78.

Хладагенты: двуокись углерода жидкая по ГОСТ 8050-76 или газы углеводородные сжиженные, или термический охлаждающий элемент.

3. ПОДГОТОВКА К ИСПЫТАНИЮ

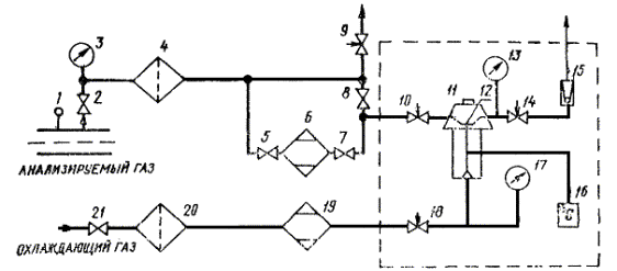
3.1. Собирают аппаратуру по схеме (черт. 2).

3.2. При необходимости на линии охлаждающего газа устанавливают емкость для осушки, заполненную молекулярными ситами или силикагелем, а на линии контролируемого газа - емкость, заполненную безводным хлористым кальцием, который применяют в качестве осушителя, если температура точки росы углеводородов не ниже минус 10 °С, или хлорнокислым магнием при измерении более низких значений температуры точки росы углеводородов (до минус 30 °С).

3.3. Емкость для осушки промывают растворителем, сушат, затем заполняют осушителем.

Снизу и сверху осушителя помещают металлическую сетку и вату из стекловолокна.

3.4. При проверке степени насыщения осушителя влагой точка росы инертного газа или воздуха, пропущенного через осушитель, не должна быть ниже измеряемой температуры точки росы углеводородов.

3.5. Для повторного использования хлористый кальций регенерируют прокаливанием.

Хлорнокислый магний после насыщения влагой заменяют новым.

Повторное использование его не допускается.

1 - термометр; 2, 5, 7, 8, 9, 10, 14, 18, 21 - вентили; 3, 13, 17 - манометры; 4, 20 - фильтры; 6, 19 -  осушители; 11 - измерительная камера; 12 - измерительное зеркало; 15 - ротаметр; 16 - указатель температуры зеркала

Черт. 2

3.6. Перед измерением газовые линии прибора и пробоотборные линии проверяют на герметичность способом мыльной пленки или по падению давления. Система считается герметичном, если на каждые 1000 кПа давления при закрытых вентилях на входе и выходе падение давления газа на манометре по истечении 10 мин не превышает 20 кПа.

3.7. Промывают поверхность измерительного зеркала растворителем.

3.8. Готовят прибор к измерениям в соответствии с правилами по эксплуатации прибора, утвержденными в установленном порядке.

3.9. Продувают газовые линии испытуемым газом в течение 5 - 10 мин при расходе газа не более 3 дм3/мин.

3.10. Измеряют температуру и давление газа в месте его отбора.

4. ПРОВЕДЕНИЕ ИСПЫТАНИЙ

4.1. В соответствии с правилами по эксплуатации прибора, утвержденными в установленном порядке, устанавливают расход испытуемого газа через измерительную камеру при давлении в измерительной камере, соответствующем давлению газа и точке отбора.

4.2. Постепенно охлаждают измерительное зеркало так, чтобы понижение температуры ее поверхности не превышало 1 °С/мин, а в зоне предполагаемой температуры точки росы 0,5 °С/мин.

4.3. Наблюдают визуально или фиксируют автоматически момент начала конденсации углеводородов на поверхности зеркала.

Записывают температуру и давление газа в измерительной камере.

4.4. Отключают охлаждение, увеличивают расход газа и подогревают зеркало для полного испарения с его поверхности конденсата, затем отключают подогрев.

После охлаждения зеркала до начальной температуры прибор готов к повторным измерениям.

4.5. Температуру начала конденсации углеводородов (точку росы) измеряют не менее трех раз.

4.6. Допускается определять температуру точки росы углеводородов без предварительной осушки газа одновременно с определением температуры точки росы воды.

5. ОБРАБОТКА РЕЗУЛЬТАТОВ

5.1. За результат измерения точки росы углеводородов принимают среднее арифметическое трех измерений. Конечный результат округляют до 0,5 °С.

5.2. Отклонения отдельных значений от среднего не должны превышать значений, приведенных в таблице.

°С

Температура точки росы

Отклонение отдельных значений от среднего

От 20 до 0

± 1,0

От 0 до минус 20

±1,5

Ниже минус 20

±2,0

5.3. При записи результатов указывают давление газа, при котором производилось измерение температуры точки росы углеводородов.

СОДЕРЖАНИЕ

 

 




ГОСТЫ, СТРОИТЕЛЬНЫЕ и ТЕХНИЧЕСКИЕ НОРМАТИВЫ.
Некоммерческая онлайн система, содержащая все Российские Госты, национальные Стандарты и нормативы.
В Системе содержится более 150000 файлов нормативно-технической документации, действующей на территории РФ.
Система предназначена для широкого круга инженерно-технических специалистов.

Рейтинг@Mail.ru Яндекс цитирования

Copyright © www.gostrf.com, 2008 - 2026