Крупнейшая бесплатная информационно-справочная система онлайн доступа к полному собранию технических нормативно-правовых актов РФ. Огромная база технических нормативов (более 150 тысяч документов) и полное собрание национальных стандартов, аутентичное официальной базе Госстандарта. GOSTRF.com - это более 1 Терабайта бесплатной технической информации для всех пользователей интернета. Все электронные копии представленных здесь документов могут распространяться без каких-либо ограничений. Поощряется распространение информации с этого сайта на любых других ресурсах. Каждый человек имеет право на неограниченный доступ к этим документам! Каждый человек имеет право на знание требований, изложенных в данных нормативно-правовых актах!

  


 

ГОСУДАРСТВЕННЫЙ СТАНДАРТ СОЮЗА ССР

НЕФТЕПРОДУКТЫ

МЕТОДЫ ОПРЕДЕЛЕНИЯ ТЕМПЕРАТУР
ТЕКУЧЕСТИ И ЗАСТЫВАНИЯ

ГОСТ 20287-91

ИЗДАТЕЛЬСТВО СТАНДАРТОВ

Москва

ГОСУДАРСТВЕННЫЙ СТАНДАРТ СОЮЗА ССР

НЕФТЕПРОДУКТЫ

Методы определения температур
текучести и застывания

Petroleum products. Methods of test for
flow point and pour point

ГОСТ
20287-91

Дата введения 01.01.92

Настоящий стандарт распространяется на нефтепродукты и устанавливает два метода:

А - определение температуры текучести;

Б - определение температуры застывания.

Сущность методов заключается в предварительном нагревании образца испытуемого нефтепродукта с последующим охлаждением его с заданной скоростью до температуры, при которой образец остается неподвижным. Указанную температуру принимают за температуру застывания.

Наиболее низкую температуру, при которой наблюдается движение нефтепродуктов в условиях испытания, принимают за температуру текучести.

1. МЕТОД А

1.1. Отбор проб - по ГОСТ 2517.

1.2. Аппаратура, реактивы и материалы - по разд. 4 приложения.

Кроме того используют:

термометр любого типа для измерения температуры охлаждающей смеси с градуировкой шкалы 1 °С;

баню масляную, водяную или воздушную;

твердую углекислоту по ГОСТ 12102 или твердую углекислоту, полученную дросселированием жидкой углекислоты в плотный мешок, ацетон по ГОСТ 2603, или спирт этиловый ректификованный по ГОСТ 18300, или спирт сырец по ГОСТ 131, или спирт этиловый регенерированный, или нефрас С2-80/120, С3-80/120 по НТД - для температур до минус 57 °С;

секундомер любого типа.

Примечания:

1. Допускается использовать другие охлаждающие смеси, позволяющие обеспечивать проведение испытания.

2. Допускается применять аппараты типа ЛЗН по ТУ 38.110246, ЛАЗ-68 по ТУ 25-111428 или аналогичные, обеспечивающие проведение испытаний с точностью, указанной в стандарте.

1.3. Проведение испытаний и обработка результатов (см. приложение, разд. 5 и 6).

2. МЕТОД Б

2.1. Отбор проб - по ГОСТ 2517.

2.2. Аппаратура, реактивы и материалы

2.2.1. Пробирка стеклянная со сферическим дном, высотой (160 ± 10) мм, внутренним диаметром (20 ± 1) мм. На наружной боковой поверхности пробирки на расстоянии 30 мм от дна должна быть несмываемая кольцевая метка.

Бумага фильтровальная лабораторная по ГОСТ 12026.

Сетка проволочная.

Вата гигроскопическая.

Воронка для фильтрования.

Сульфат натрия безводный по ГОСТ 4166.

Натрий хлористый по ГОСТ 4233.

Кальций хлористый по ТУ 6-094711, обезвоженный.

Муфта стеклянная с вогнутым или сферическим дном, высотой (130 ± 10) мм, внутренним диаметром (40 ± 2) мм.

Пробка корковая или резиновая, соответствующая внутреннему диаметру пробирки, с отверстием в центре для термометра.

Термометры типа ТИН-3, ТН-8 по ГОСТ 400, ТН-6 по ТУ 92.887017.

Термометр любого типа для измерения температуры охлажденной смеси с градуировкой шкалы 1 °С.

Баня произвольной формы и размеров. Требуемая температура бани поддерживается с помощью холодильного устройства или охлаждающей смеси. Допускается применять полуавтоматические лабораторные аппараты типа ЛАЗ-68 или аппараты аналогичного типа, обеспечивающие проведение испытаний с точностью не ниже указанной в стандарте.

Охлаждающие смеси - по приложению, п. 4.7.

2.3. Подготовка к испытанию

2.3.1. При наличии воды нефтепродукт обезвоживают. Значительное количество воды удаляют предварительным отстаиванием и последующим сливанием нефтепродукта.

Дальнейшая осушка продуктов достигается различно.

Легкоподвижные продукты взбалтывают периодически в течение 10 - 15 мин со свежепрокаленным и измельченным сульфатом натрия или хлористым кальцием, после чего отстаивают и фильтруют через сухой фильтр.

Вязкие нефтепродукты подогревают до температуры не выше 45 °С и фильтруют через слои крупнокристаллической, свежепрокаленной поваренной соли. Для этого в стеклянную воронку вкладывают проволочную сетку или немного ваты и сверху насыпают соль. Сильно обводненные нефтепродукты фильтруют последовательно через две-три воронки.

2.3.2. Обезвоженный продукт наливают в сухую чистую стеклянную пробирку до метки так, чтобы он не растекался по стенкам пробирки. В пробирку при помощи корковой пробки плотно вставляют соответствующий термометр, укрепляя его так, чтобы он проходил по оси пробирки, а его резервуар находился на расстоянии 8 - 10 мм от дна пробирки. Для большей устойчивости термометра в его рабочем положении на нижнюю часть термометра (приблизительно на середине ее длины) надевают корковую пробку, пригнанную так, чтобы она входила в пробирку с небольшим трением.

2.3.3. Пробирку с продуктом и термометром помещают в водяную баню, нагретую предварительно до температуры (50 ±1) °С, и выдерживают до тех пор, пока продукт не примет температуру бани.

2.4. Проведение испытания

2.4.1. Пробирку с продуктом и термометром вынимают из водяной бани, насухо вытирают ее снаружи и укрепляют при помощи пробки в муфте так, чтобы ее стенки находились приблизительно на одинаковом расстоянии от стенок муфты. Пробирки с муфтой закрепляют в держателе штатива в вертикальном положении и оставляют при комнатной температуре до тех пор, пока нефтепродукт не охладится до температуры (35 ± 5) °С, затем помещают его в сосуд с охлаждающей смесью, температуру которой предварительно устанавливают на 5 °С ниже намеченной для определения температуры застывания.

Во время охлаждения продукта установленную температуру охлаждающей смеси поддерживают с погрешностью ± 1 °С.

Когда продукт в пробирке примет температуру, намеченную для определения застывания, пробирку наклоняют под углом 45° и, не вынимая из охлаждающей смеси, держат в таком положении и течение 1 мин.

После этого пробирку с муфтой осторожно вынимают из охлаждающей смеси, быстро вытирают муфту и наблюдают, не сместился ли мениск испытуемого продукта.

При определении температуры застывания ниже 0 °С в муфту перед испытанием помещают 0,5 - 1,0 см3 серной кислоты, олеума или любого другого осушителя.

2.4.2. Если мениск сместился, то пробирку вынимают из муфты, снова подогревают до (50 ± 1) °С и проводят новое определение при температуре на 4 °С ниже предыдущей до тех пор, пока при некоторой температуре мениск не перестанет смещаться.

Примечание. Если температура, при которой проводилось определение, ниже минус 20 °С, то перед новым определением для предохранения пробирки от повреждений вследствие сильных тепловых воздействий пробирку с продуктом и термометром оставляют при комнатной температуре до тех пор, пока продукт не примет температуру минус 20 °С, и только после этого пробирку помещают в водяную баню.

2.4.3. Если мениск не сместился, то пробирку вынимают из муфты, снова подогревают до (50 ± 1) °С, проводят новое определение застывания при температуре на 4 °С выше предыдущей до тех пор, пока при некоторой температуре мениск будет смещаться.

2.4.4. После нахождения границы застывания (переход от подвижности к неподвижности или наоборот) определение повторяют, понижая или повышая температуру испытания на 2 °С до тех пор, пока не будет установлена такая температура, при которой мениск продукта остается неподвижным, а при повторном испытании при температуре на 2 °С выше он сдвигается. Эту температуру фиксируют, как установленную для данного опыта.

2.4.5. Для установления температуры застывания продукта проводят два определения, начиная второе определение с температуры на 2 °С выше установленной при первом определении.

2.4.6. При проверке температуры застывания, установленной в стандартах на нефтепродукты, проверяют, смещается ли мениск этого продукта после его испытания по пп. 2.3.2 - 2.4.1 при температуре на 2 °С выше температуры, установленной стандартами на конкретную продукцию.

2.5. Обработка результатов

За температуру застывания испытуемого нефтепродукта принимают среднее арифметическое результатов двух определений.

2.6. Точность метода

2.6.1. Сходимость

Два результата определений, полученные одним исполнителем, признаются достоверными с 95 %-ной доверительной вероятностью, если расхождение между ними не превышает 2 °С.

2.6.2. Воспроизводимость

Два результата испытаний, полученные в двух разных лабораториях, признаются достоверными с 95 %-ной доверительной вероятностью, если расхождение между ними не превышает 8 °С.

ПРИЛОЖЕНИЕ

Обязательное

Аутентичный перевод текста Международного стандарта ИСО 3016. «Масла нефтяные. Метод определения температуры текучести».

1. НАЗНАЧЕНИЕ И ОБЛАСТЬ ПРИМЕНЕНИЯ

Настоящий международный стандарт устанавливает метод определения температуры текучести нефтяного масла любого вида. Определение температуры текучести темных, цилиндровых масел и недистиллятного котельного топлива описано в п. 5.9.

2. ОПРЕДЕЛЕНИЕ

Температура текучести - самая низкая температура, при которой сохраняется текучесть масла в охлажденном состоянии при условиях, установленных настоящим стандартом.

3. СУЩНОСТЬ МЕТОДА

После предварительного нагревания пробу охлаждают с определенной скоростью и через каждые 3 °С проверяют на состояние подвижности. Наиболее низкая температура, при которой наблюдается движение масла, считается температурой текучести.

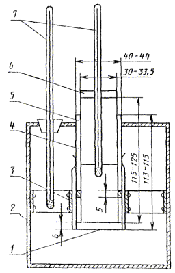
4. АППАРАТУРА (см. чертеж)

4.1. Пробирка плоскодонная из прозрачного стекла, внутренний диаметр которой 30 - 33,5 мм, а высота 115 - 125 мм. На пробирке должна быть обозначена линия объема пробы, равного 45 см3, а также верхний и нижний допускаемые уровни, причём допускается отклонение от линии объема пробы ±3 мм.

4.2. Термометры частичного погружения (таблица)

Наименование показателя

Характеристика термометров для определения температуры текучести

высокой

низкой

Диапазон шкалы, °С

От -30 до +50

От -80 до +20

Глубина погружения, мм

108

76

Цена деления, °С

1

1

Удлинение линии через каждые

5 °С

Оцифровка через каждые

10 °С

Погрешность шкалы, °С:

0,5

-

до деления минус 33 °С

-

1

до деления ниже минус 33 °С

-

2

Предел нагревания, допускаемый камерой расширения, °С, не более

100

60

Общая длина, мм

231 ± 5

232 ± 5

Диаметр столбика, мм

7 - 8

Длина резервуара (шарика), мм

7 - 9,5

8 - 9,5

Диаметр резервуара, мм

5,5 - 7,0

5,0 - 6,5

Расстояние от дна резервуара, мм:

 

 

до деления минус 38 °С

120 - 130

-

до деления минус 57 °С

-

120 - 130

Расстояние от дна резервуара, мм:

 

 

до деления 49 °С

195 - 205

-

до деления 20 °С

-

182 - 196

4.3. Пробка для пробирки с отверстием в центре для термометра.

4.4. Муфта водонепроницаемая, цилиндрической формы, из стекла или металла, плоскодонная, глубиной 115 мм, внутренний диаметр которой на 9,5 - 12,5 мм больше наружного диаметра плоскодонной пробирки.

4.5. Диск из пробки или войлока толщиной 6 мм и диаметром, равным внутреннему диаметру муфты.

4.6. Прокладка кольцеобразной формы толщиной 4 мм, плотно прилегающая к наружной поверхности плоскодонной пробирки и свободно входящая в муфту. Прокладку изготовляют из пробки, войлока или другого соответствующего материала, способного сохранять свою форму. Прокладка должна предохранять пробирку от соприкосновения с муфтой.

4.7. Охлаждающая баня

Размеры и форма бани являются произвольными, но обязательным является штатив для крепления муфты в вертикальном положении. При определении температуры текучести ниже минус 10 °С требуется несколько бань, в которых с помощью холодильного устройства или охлаждающих смесей поддерживается необходимая температура.

Примечание. В зависимости от требуемой температуры применяют следующие охлаждающие смеси:

до +10 °С - лед или вода;

до -12 °С - дробленый лед и кристаллы хлористого натрия;

до -26 °С - дробленый лед и кристаллы хлористого кальция;

до -57 °С - твердая углекислота и ацетон или лигроин*.

* Эту смесь готовят следующим образом: в накрытом металлическом химическом стакане охлаждается определенное количество ацетона или лигроина до температуры минус 12 °C или ниже при помощи смеси льда с солью. Для получения требуемой температуры к охлажденному ацетону или лигроину добавляют твердую углекислоту. При необходимости ее можно приготовить следующим образом: переворачивают цилиндр с жидкой двуокисью углерода и осторожно сливают в мешок из замши требуемое количество двуокиси углерода, которая в результате быстрого испарения превращается в твердую углекислоту.

Прибор для определения температуры текучести

1 - диск; 2 - баня; 3 - прокладка; 4 - пробирка; 5 - муфта; 6 - корковая пробка; 7 - термометр

5. МЕТОДИКА ИСПЫТАНИЯ

5.1. В пробирку наливают светлое масло до отметки уровня или между двумя вытравленными отметками. Если необходимо, то масло нагревают в водяной бане до состояния, при котором его легко вылить в пробирку.

Примечание. Если пробу нагревали до температуры выше 45 °С в течение предшествующих 24 ч или неизвестны тепловые свойства пробы, то перед испытанием пробу выдерживают а течение 24 ч при комнатной температуре.

5.2. При испытании продукта с высокой температурой текучести пробирку закрывают пробкой и вставляют термометр (п. 4.2), а если температура текучести выше 39 °С, то используют термометр, описанный в примечании 1. Необходимо, чтобы пробка плотно закрывала пробирку, термометр и пробирка были соосными, а шарик термометра был погружен таким образом, чтобы начало капилляра находилось на 3 мм ниже поверхности масла (см. примечание 2).

Примечания:

1. При проведении испытании выше 39 °С допускается применять любой термометр с диапазоном шкалы от 32 до 105 °С. Рекомендуется применять термометр полного погружения с ценой деления 0,5 °С.

2. В связи с тем, что периодически происходит разделение ртутной или толуольной нити термометров, а при испытании масел с высокой степенью помутнения и текучести это разделение нельзя определить непосредственно, рекомендуется проверять точки замерзания термометров непосредственно перед испытанием. Термометр, показывающий точку замерзания, отличную от 0 °С более чем на 1 °С, необходимо повторно проверить перед испытанием.

5.3. Масло в пробирке подвергают предварительной обработке, приведенной в пп. 5.3.1 - 5.3.3.

5.3.1. Масла с температурой текучести от плюс 33 °С во минус 33 °С

Масло нагревают без перемешивания до 45 °С в бане с температурой 48 °С, затем охлаждают до 36 °С на воздухе или в водяной бане с температурой 25 °С. Далее поступают, как указано в п. 5.4.

5.3.2. Масла с температурой текучести выше 33 °С

Масло нагревают в водяной бане без перемешивания до 45 °С или до температуры, приблизительно на 9 °С превышающей предполагаемую температуру текучести (см. п. 5.2, примечание 1). Далее поступают, как указано в п. 5.4.

5.3.3. Масла с температурой текучести ниже минус 33 °С

Масло нагревают, как указано в п. 5.3.1, и охлаждают до 15 °С в водяной бане с температурой 7 °С. Вынимают термометр для определения высокой степени помутнения и помещают термометр для низкой степени помутнения. Далее поступают, как указано в п. 5.4.

5.4. Диск помещают на дно муфты. На расстоянии 25 мм от дна на плоскодонную пробирку надевают кольцеобразную прокладку. Диск, прокладка, внутренняя и наружная поверхности муфты должны быть сухими и чистыми. Вставляют пробирку в муфту.

5.5. Температуру в охлаждающей бане поддерживают от минус 1 °С до плюс 2 °С. Устанавливают муфту с пробиркой в охлаждающую баню в вертикальном положении так, чтобы не более 25 мм муфты выступало из охлаждающей среды.

5.6. После охлаждения масла и начала образования кристаллов парафина следует быть очень осторожным, чтобы не нарушить массу масла и не допустить смещения термометра в масле; нарушение губчатой цепи кристаллов парафина может привести к неточным результатам.

5.7. Начиная с температуры, которая на 9 °С выше предполагаемой температуры текучести масел, имеющих температуру текучести выше 33 °С или на 12 °С выше температуры текучести для остальных масел, через каждые 3 °С, осторожно вынимают сосуд из муфты и проверяют подвижность масла при наклоне. Полный цикл, при котором пробирку извлекают из муфты и помещают на место, не должен превышать 3 с. Если при достижении температуры 9 °С наблюдается подвижность масла, пробирку помещают в другую муфту во вторую баню с температурой от минус 15 до минус 18 °С (см. примечание). Если при температуре минус 6 °С наблюдается подвижность масла, сосуд в другой муфте переносят в баню с температурой от минус 31,5 до минус 34,5 °С.

Для определения очень низкой температуры текучести необходимы дополнительные бани, при этом температура каждой бани должна быть на 17 °С ниже температуры предыдущей бани. Пробирку переносят в следующую баню, если температура масла на 27 °C выше температуры новой бани (см. примечание). Как только прекращается текучесть масла в пробирке, последнюю устанавливают в горизонтальном положении и наблюдают за поведением масла. Если в течение 5 с будет обнаружено какое-либо смещение поверхности масла (измерение времени проводят секундомером), сразу же помещают пробирку в муфту и повторяют испытание при температуре на 3 °С ниже предыдущей.

Примечание. Муфта может быть оставлена в бане или перемещена с пробиркой. Не следует помешать пробирку непосредственно в охлаждающую среду.

5.8. Испытание продолжают до достижения того момента, при котором масло не течет, если сосуд находится в горизонтальном положении в течение 5 с. Записывают показания термометра.

5.9. Результат, полученный при испытании темных, цилиндровых масел и недистиллятного котельного топлива в соответствии с пп. 5.1 - 5.8, является максимальной температурой текучести (см. примечание). При необходимости определяют минимальную температуру текучести следующим образом: пробу нагревают при перемешивании до 105 °С, переливают в плоскодонную пробирку, охлаждают до 36 °С и определяют температуру текучести в соответствии с пп. 5.1 - 5.8.

Примечание. Если пробу нагревали до температуры выше 45 °С в течение предшествующих 24 ч или неизвестны тепловые свойства пробы, то перед испытанием пробу нагревают до 100 °С и выдерживают при комнатной температуре в течение 24 ч.

6. ВЫРАЖЕНИЕ РЕЗУЛЬТАТОВ

6.1. Расчет

Прибавляют 3 °С к температуре, записанной по п. 5.8.

6.2. Точность определения

6.2.1. Сходимость результатов

Расхождение между результатами параллельных определений, выполненных одним и тем же лаборантом, не должно превышать 3 °С (при 95 %-ном доверительном уровне).

6.2.2. Воспроизводимость результатов

Результаты, полученные разными лабораториями, считаются недействительными, если они отличаются более чем на 6 °С (при 95 %-ном доверительном уровне).

6.2.3. Особый случай (см. п. 5.9)

При испытании масел в соответствии с п. 5.9 не может быть получена воспроизводимость результатов, указанная в п. 6.2.2, так как эти масла имеют аномальные температуры текучести, зависящие от их термических свойств.

Примечание. Характерным свойством этих масел является то, что температура, которой они подвергнуты перед испытанием, влияет на температуры текучести. Минимальная температура текучести, определенная по специальной методике, приблизительно дает значение приведенной воспроизводимости; максимальная температура текучести имеет большое отклонение, зависящее от термических свойств масел.

7. ПРОТОКОЛ ИСПЫТАНИЯ

В протоколе испытания указывают температуру текучести. Если необходимо, то указывают максимальную или минимальную температуру текучести и дают ссылку на настоящий международный стандарт.

ИНФОРМАЦИОННЫЕ ДАННЫЕ

1. РАЗРАБОТАН И ВНЕСЕН Министерством Нефтеперерабатывающей и нефтехимической промышленности СССР

РАЗРАБОТЧИКИ

Е.М. Никоноров, д-р хим. наук; В.В. Булатников, канд. техн. наук; В.Д. Милованов, канд. техн. наук; Т.Г. Скрябина, канд. техн. наук; Л.Г. Нехамкина, канд. хим. наук; Л.А. Садовникова, канд. техн. наук; Н.М. Королева

2. УТВЕРЖДЕН И ВВЕДЕН В ДЕЙСТВИЕ Постановлением Государственного комитета СССР по управлению качеством продукции и стандартам от 13.05.91 № 671

3. Стандарт в части метода А предусматривает прямое применение МС ИСО 3016-74 с дополнительными требованиями, отражающими потребности народного хозяйства

4. ВЗАМЕН ГОСТ 25262-82, ГОСТ 20287-74

5. ССЫЛОЧНЫЕ НОРМАТИВНО-ТЕХНИЧЕСКИЕ ДОКУМЕНТЫ

Обозначение НТД, на который дана ссылка

Номер пункта, подпункта

ГОСТ 131-67

1.2

ГОСТ 400-80

2.2.1

ГОСТ 2517-85

2.1

ГОСТ 2603-79

2.1

ГОСТ 4166-76

2.2.1

ГОСТ 4233-77

2.2.1

ГОСТ 6613-86

2.2.1

ГОСТ 12026-76

1.2

ГОСТ 12162-77

1.2

ГОСТ 18300-87

1.2

6. ПЕРЕИЗДАНИЕ. Декабрь 1994 г.

СОДЕРЖАНИЕ

 

 




ГОСТЫ, СТРОИТЕЛЬНЫЕ и ТЕХНИЧЕСКИЕ НОРМАТИВЫ.
Некоммерческая онлайн система, содержащая все Российские Госты, национальные Стандарты и нормативы.
В Системе содержится более 150000 файлов нормативно-технической документации, действующей на территории РФ.
Система предназначена для широкого круга инженерно-технических специалистов.

Рейтинг@Mail.ru Яндекс цитирования

Copyright © www.gostrf.com, 2008 - 2026