Крупнейшая бесплатная информационно-справочная система онлайн доступа к полному собранию технических нормативно-правовых актов РФ. Огромная база технических нормативов (более 150 тысяч документов) и полное собрание национальных стандартов, аутентичное официальной базе Госстандарта. GOSTRF.com - это более 1 Терабайта бесплатной технической информации для всех пользователей интернета. Все электронные копии представленных здесь документов могут распространяться без каких-либо ограничений. Поощряется распространение информации с этого сайта на любых других ресурсах. Каждый человек имеет право на неограниченный доступ к этим документам! Каждый человек имеет право на знание требований, изложенных в данных нормативно-правовых актах!

  


 

ГОСУДАРСТВЕННЫЙ СТАНДАРТ СОЮЗА ССР

РЕЗИНА И КЛЕЙ

МЕТОДЫ ОПРЕДЕЛЕНИЯ ПРОЧНОСТИ СВЯЗИ
С МЕТАЛЛОМ ПРИ ОТРЫВЕ

ГОСТ 209-75
(СТ СЭВ 1764-79)

ГОСУДАРСТВЕННЫЙ КОМИТЕТ СССР ПО СТАНДАРТАМ
МОСКВА

ГОСУДАРСТВЕННЫЙ СТАНДАРТ СОЮЗА ССР

РЕЗИНА И КЛЕЙ

Методы определения прочности связи с металлом при
отрыве

Rubber and glue. Methods of determination of metal
bond strength at tearing

ГОСТ
209-75*

(СТ СЭВ 1764-79)

Взамен
ГОСТ 209-62

Постановлением Государственного комитета стандартов Совета Министров СССР от 29 декабря 1975 г. № 4071 срок введения установлен

с 01.01.77

в части метода А

с 01.01.80

Проверен в 1982 г. Постановлением № 1336 от 24.03.83

срок действия продлен

до 01.01.90

Несоблюдение стандарта преследуется по закону

Настоящий стандарт распространяется на резину и клей и устанавливает методы определения прочности связи их с металлом при отрыве (А, Б, В и Г).

Сущность методов заключается в измерении силы, необходимой для разрушения связи между поверхностями резины, клея и металла, соединенными между собой; при этом усилие должно действовать перпендикулярно к поверхности соединения при испытании по методам А, Б и В и под углом 45° при испытании по методу Г.

Методы А, В и Г предназначены для определения прочности связи резины с металлом при креплении резиновой смеси к металлу в процессе вулканизации.

Методом Б определяют прочность связи резины с металлом при креплении вулканизованных резин к металлу.

Настоящий стандарт не распространяется на определение прочности связи губчатой резины с металлом.

Стандарт в части методов А и Г соответствует СТ СЭВ 1764-79 в части методов В и С.

Метод А применяют при определении прочности связи резины и клея с металлом для изделий, изготовляемых для экспорта.

1. АППАРАТУРА

1.1. Разрывная машина с силоизмерителем безынерционного типа - по ГОСТ 7762-74.

Допускается проводить испытания на разрывной машине с инерционным (маятниковым) силоизмерителем.

1.2. (Исключен, Изм. № 2).

1.3. Разрывная машина должна быть снабжена приспособлением, обеспечивающим центрирование направления прикладываемой к образцу нагрузки при испытании так, чтобы в ходе испытания сила отрыва действовала перпендикулярно поверхности склеивания.

Один из вариантов приспособления приведен в рекомендуемом приложении 1 (метод А), в рекомендуемом приложении 2 (методы Б и В) и в рекомендуемом приложении (метод Г).

1.4. Разрывная машина должна обеспечивать скорость движения подвижного зажима (50 ± 5) мм/мин при проведении испытаний по методу А, 25 - 100 мм/мин при проведении испытаний по методам Б и В и (50 ± 5) мм/мин по методу Г.

1.5. Для проведения испытаний при повышенных температурах разрывная машина должна быть снабжена тепловой камерой, обеспечивающей заданную температуру в соответствии с требованиями ГОСТ 7762-74.

1.3 - 1.5. (Измененная редакция, Изм. № 2, 3).

1.6. Часы любой конструкции по действующей нормативно-технической документации.

1.7. Термометры стеклянные технические по ГОСТ 27544-87 с диапазонами измерения от 0 до 100 °С с ценой деления 1 °С, от 0 до 300 °С с ценой деления 2 °С.

1.8. Секундомер механический 3-го класса точности по ГОСТ 5072-79.

Для контроля параметров допускается применять другие средства измерения с таким же диапазоном измерения и погрешностью, не превышающей указанную.

1.6 - 1.8. (Введены дополнительно, Изм. № 3).

2. ПОДГОТОВКА К ИСПЫТАНИЮ

2.1. Образцы для испытания

2.1.1. Образец для испытания по методу А представляет собой резиновый цилиндр высотой (3,0 ± 0,1) мм и диаметром (35,0 ± 0,1) мм, основания которого соединены с металлическими дисками толщиной не менее 9 мм.

За диаметр резинового цилиндра принимают диаметр металлического диска, за высоту - соответствующий размер пресс-формы.

Один из вариантов образца для испытания приведен на черт. 1.

1 - металлические диски, 2 - резина

Черт. 1

Черт. № 1. (Измененная редакция, Изм. № 3).

2.1.2. Образцы для испытания по методам Б и В представляют собой резиновый цилиндр высотой (2,0 ± 0,5) мм и диаметром (25,0 ± 0,1) мм, основания которого соединены с металлическими дисками.

За диаметр образца для испытания по методу Б принимают диаметр штанцевого ножа, которым вырубают цилиндр из резиновой заготовки, за высоту - толщину резиновой заготовки.

За диаметр образца для испытания по методу В принимают диаметр металлического диска, за высоту цилиндра - соответствующий размер пресс-формы.

Общий вид образца для испытания приведен на черт. 2.

1 - резина; 2 - металлические диски

* Для метода В - 4,0 ± 0,1

Черт. 2

Черт. 2. (Новая редакция, Изм. № 3).

Черт. 2. (Измененная редакция, Изм. № 4).

2.1.1 - 2.1.2. (Измененная редакция, Изм. № 1, 2, 3).

2.1.2а. Образец для испытания по методу Г представляет собой резиновый цилиндр с коническими выемками, соединенный с металлическими конусами. За размеры резиновой части образца принимают соответствующие размеры пресс-форм.

Общий вид образца для испытаний приведен на черт. .

1 - металлические конусы; 2 - резина

Черт. 2а

(Введен дополнительно, Изм. № 2).

2.1.3. Металлические диски и конусы изготовляют из металла, отвечающего требованиям, указанным в нормативно-технической документации (НТД) на продукцию.

2.1.4. Заготовки для образцов по методам А и В вырубают из резиновой смеси штанцевым ножом размерами, обеспечивающими выпрессовку резины при формовании.

Заготовка из резиновой смеси для образца по методу Г по форме должна соответствовать резиновой части вулканизованного образца, размеры заготовки должны обеспечивать получение образцов в соответствии с черт. .

2.1.5. Заготовки из резины для образца по методу Б вырубают штанцевым ножом диаметром (25,0 ± 0,1) мм из пластин толщиной (2,0 ± 0,5) мм.

2.1.3 - 2.1.5. (Измененная редакция, Изм. № 2).

2.1.6. Перед склеиванием поверхности металлических дисков, конусов, заготовок из резиновой смеси и резины обрабатывают в соответствии с требованиями НТД или технической документации на клей, резину или изделие.

На склеиваемые поверхности резины и металла не должны попадать пыль, влага и другие посторонние вещества.

2.1.7. Клей и другое средство крепления наносят на подготовленные поверхности способами, установленными в НТД или технической документации на клей или другое средство крепления, резину или изделие.

Количество слоев клея или другого средства крепления для методов А, В и Г, наносимого на поверхности металлических дисков и конусов, условия сушки, допустимое время хранения подготовленных металлических поверхностей с нанесенным средством крепления до вулканизации устанавливают в соответствии с требованиями НТД или технической документации на клей или другое средство крепления, резину или изделие.

При применении двух клеев первый клей, нанесенный на металл в качестве грунтовки, носит название «праймер».

2.1.8. Количество слоев клея для метода Б, наносимого на поверхности металла и резины, условия сушки и отверждения время выдержки после склеивания устанавливают в соответствии с требованиями, указанными в НТД или технической документации на клей, резину или изделие.

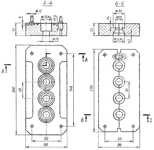
2.1.9. Металлические диски и заготовки образцов для испытаний по методам А и В устанавливают в пресс-формы, один из вариантов которых приведен в рекомендуемых приложениях 3 (метод А) и 4 (метод В).

Металлические конусы для испытания образцов по методу Г устанавливают в плунжерную пресс-форму, заготовку помещают в камеру пресс-формы, один из вариантов которой приведен в рекомендуемом приложении 5.

Пресс-формы предварительно подогревают до температуры вулканизации резиновой смеси.

Время, давление на пресс-форму и температуру вулканизации устанавливают в соответствии с НТД на резину.

Во время сборки образцов нельзя касаться скрепляемых поверхностей посторонними предметами и руками.

После вулканизации образцы извлекают из пресс-формы, при этом не допускаются механические воздействия на склеенные поверхности. Образцы после остывания отделяют друг от друга с помощью ножниц, ножа или других инструментов.

Из металлических дисков и заготовок резины по методу Б собирают образец, как указано на черт. 2.

2.1.10. Образцы испытывают не ранее, чем через 16 ч и не позднее, чем через 6 сут после вулканизации, если в НТД на продукцию нет других указаний.

2.1.6 - 2.1.10. (Измененная редакция, Изм. № 2, 3).

2.1.11. Образцы для испытания не должны иметь недопрессовок, перекосов, трещин резины и т.п.

2.11.12. Образцы перед испытанием кондиционируют при температуре (23 ± 2) °С не менее 16 ч по методам А и Г и не менее 3 ч - по методам Б и В. Допускается выдерживать образцы при температуре (27 ± 2) °С.

Испытания проводят при температуре кондиционирования или при повышенных температурах, которые должны быть указаны в НТД на клей, резину или изделие.

(Измененная редакция, Изм. № 2, 3).

3. ПРОВЕДЕНИЕ ИСПЫТАНИЯ

3.1. Образец для испытания закрепляют в зажимном устройстве разрывной машины.

Деформация образца при закреплении его в устройстве не допускается.

3.2. Включают разрывную машину и проводят испытания до разрушения образца.

Регистрируют максимальную силу и характер разрушения образца.

3.1, 3.2 (Измененная редакция, Изм. № 2).

3.3. Испытанию подвергают четыре образца от каждой характеризуемой пробы.

3.4. Для проведения испытаний при повышенной температуре в тепловой камере разрывной машины устанавливают заданную температуру.

Время прогрева образцов в камере перед испытанием и температуру испытания устанавливают в соответствии с НТД на продукцию.

(Измененная редакция, Изм. № 2).

4. ОБРАБОТКА РЕЗУЛЬТАТОВ

4.1. Прочность связи резины с металлом каждого образца (s) в МПа (кгс/см2) по методам А, Б и В вычисляют по формуле

,

где F - максимальная сила, МН (кгс);

S - площадь поперечного сечения образца, м2 (см2), равная для образца, испытанного по методу А, - 9,62 см2, для образцов, испытанных по методам Б и В, - 4,91 см2.

За прочность связи резины с металлом каждого образца, испытанного по методу Г, принимают максимальное значение силы в МН (кгс).

4.2. За результат испытания принимают среднее арифметическое значение прочности связи всех испытанных образцов. По методам Б и В допускается подсчет среднего арифметического из показателей не менее трех образцов. При этом показатель для каждого из трех образцов должен быть не менее нормы, указанной в НТД на продукцию.

4.1 - 4.2. (Измененная редакция, Изм. № 2).

4.3. Характер разрушения образца указывают следующими обозначениями:

Р - разрушение произошло по массиву резины;

РК - разрушение произошло по границе резина - клей;

КП - разрушение произошло по границе клей - праймер (методы А, В и Г);

К - разрушение произошло по клею (метод Б);

М - разрушение произошло по границе металл - праймер (методы А, В и Г); металл - клей (методы А, Б, В и Г) или металл - резина (методы А, В и Г).

Разрезы образцов в месте крепления резины к металлу показаны на черт. 3.

а - при применении двух клеев (методы А и В); б - при применении одного клея; в - при бесклеевом креплении (методы А и В), 1 - резина; 2 - клей; 3 - праймер; 4 - металл

Черт. 3

Характер разрушения образца определяют визуально и ориентировочно выражают в процентах, например:

для методов А, В и Г - 20 % Р; 30 % РК; 40 % КП; 10 % М;

для метода Б - 20 % Р; 30 % РК; 40 % К; 10 % М.

Результаты испытаний, полученные методами А, Б, В и Г, несопоставимы.

(Измененная редакция, Изм. № 2).

4.4. Результаты испытания записывают в протокол, который должен содержать следующие данные:

обозначение резины, клея;

марку металла;

метод крепления резины к металлу;

условия вулканизации (для методов А, В и Г);

дату изготовления образцов;

дату проведения испытания;

температуру кондиционирования и испытания;

тип разрывной машины;

результат испытания каждого образца, вычисленный по п. 4.1, и их среднее арифметическое значение;

описание характера разрушения каждого образца и выражение его в процентах по п. 4.3.

Примечание. При определении характера разрушения на образце могут быть обнаружены дефекты (недопрессовки, посторонние включения и т.п.), что также заносится в протокол испытания.

(Измененная редакция, Изм. № 2).

ПРИЛОЖЕНИЕ 1

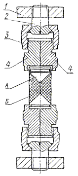
Рекомендуемое

Приспособление для закрепления испытуемого образца по методу А

А - металлические диски, Б - резина, 1 - зажим, 2 - гайка, 3 - шайба; 4 - винт

ПРИЛОЖЕНИЕ 2

Рекомендуемое

Приспособление для закрепления испытуемого образца по методам Б и В

А - металлическая часть образца; Б - резина

ПРИЛОЖЕНИЕ 2а

Рекомендуемое

Приспособление для закрепления испытуемого образца по методу Г

А - металлическая часть образца; Б - резина; 1 - шайба; 2 - винт; 3 - гайка; 4 - зажим

(Введено дополнительно, Изм. № 2).

ПРИЛОЖЕНИЕ 3

Рекомендуемое

Общий вид и размеры пресс-формы по методу А

ПРИЛОЖЕНИЕ 4

Рекомендуемое

Общий вид и размеры пресс-формы по методу В

ПРИЛОЖЕНИЕ 5

Рекомендуемое

Общий вид и размеры пресс-формы по методу Г

СОДЕРЖАНИЕ

1. Аппаратура. 2

2. Подготовка к испытанию.. 2

3. Проведение испытания. 5

4. Обработка результатов. 5

Приложение 1. Приспособление для закрепления испытуемого образца по методу а.. 6

Приложение 2. Приспособление для закрепления испытуемого образца по методам б и в.. 7

Приложение 2а. Приспособление для закрепления испытуемого образца по методу г. 7

Приложение 3. Общий вид и размеры пресс-формы по методу а.. 7

Приложение 4. Общий вид и размеры пресс-формы по методу в.. 8

Приложение 5. Общий вид и размеры пресс-формы по методу г. 8

 

 




ГОСТЫ, СТРОИТЕЛЬНЫЕ и ТЕХНИЧЕСКИЕ НОРМАТИВЫ.
Некоммерческая онлайн система, содержащая все Российские Госты, национальные Стандарты и нормативы.
В Системе содержится более 150000 файлов нормативно-технической документации, действующей на территории РФ.
Система предназначена для широкого круга инженерно-технических специалистов.

Рейтинг@Mail.ru Яндекс цитирования

Copyright © www.gostrf.com, 2008 - 2026