Крупнейшая бесплатная информационно-справочная система онлайн доступа к полному собранию технических нормативно-правовых актов РФ. Огромная база технических нормативов (более 150 тысяч документов) и полное собрание национальных стандартов, аутентичное официальной базе Госстандарта. GOSTRF.com - это более 1 Терабайта бесплатной технической информации для всех пользователей интернета. Все электронные копии представленных здесь документов могут распространяться без каких-либо ограничений. Поощряется распространение информации с этого сайта на любых других ресурсах. Каждый человек имеет право на неограниченный доступ к этим документам! Каждый человек имеет право на знание требований, изложенных в данных нормативно-правовых актах!

  


 

ГОСУДАРСТВЕННЫЙ СТАНДАРТ СОЮЗА ССР

СИСТЕМА ПРОЕКТНОЙ ДОКУМЕНТАЦИИ ДЛЯ СТРОИТЕЛЬСТВА

ВЕДОМОСТИ ОБЪЕМОВ
СТРОИТЕЛЬНЫХ И МОНТАЖНЫХ
РАБОТ

ГОСТ 21.111-84

ГОСУДАРСТВЕННЫЙ КОМИТЕТ СССР ПО ДЕЛАМ СТРОИТЕЛЬСТВА
Москва

ГОСУДАРСТВЕННЫЙ СТАНДАРТ СОЮЗА ССР

Система проектной документации для строительства

ВЕДОМОСТИ ОБЪЕМОВ СТРОИТЕЛЬНЫХ И МОНТАЖНЫХ РАБОТ

System of building design documents. Bills of quantities of construction and erection works

ГОСТ
21.111-84

Постановлением Государственного комитета СССР по делам строительства от 29 апреля 1984 г. № 67 срок введения установлен

с 01.01.85

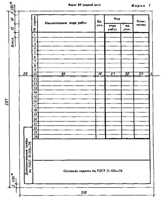
1. Настоящий стандарт устанавливает формы и правила выполнения ведомостей объемов строительных и монтажных работ (ВР), входящих в состав рабочей документации на строительство зданий и сооружений всех отраслей промышленности и народного хозяйства.

2. ВР выполняют по видам работ к каждому основному комплекту рабочих чертежей по формам 1 и .

3. В графах ВР указывают:

в графах «Наименование вида работ» и «Код вида работ» - соответственно наименование и код вида работ по Общесоюзному классификатору работ и услуг в строительстве (ОКРУС);

в графе «ед. изм.» - сокращенное наименование единицы измерения по СН 528-80;

в графе «Код ед. изм.» - код единицы измерения по Общесоюзному классификатору «Система обозначений единиц измерений, используемых в автоматизированных системах (СОЕИ);

в графе «Количество» - объем работ.

4. Первым листом ВР является титульный лист (форма 2).

Допускается при небольшом объеме ВР титульный лист не выполнять. В этом случае на первом листе ВР наносят основную надпись по форме 1 ГОСТ 21.103-78.

5. ВР записывают в ведомость ссылочных и прилагаемых документов (в раздел «Прилагаемые документы») общих данных по рабочим чертежам основного комплекта соответствующей марки.

6. Один из передаваемых заказчику экземпляров ВР проектная организация - генеральный проектировщик оформляет в виде сборника ведомостей объемов строительных и монтажных работ (СВР) по заданию (сооружению), пусковому комплексу или очереди строительства.

Первым листом СВР является титульный лист (форма 2).

7. В том случае, когда сметы к рабочей документации на строительство зданий (сооружений) составлены по Единым районным единичным расценкам на конструкции и работы и расценкам на монтаж оборудования, ВР и СВР проектная организация в составе рабочей документации не выполняет.

* В скобках указаны размеры рамок на листах типовой проектной документации

* В скобках указаны размеры рамок на листах типовой проектной документации

* Наименование министерства и ведомства допускается не указывать

** В скобках указаны размеры рамок на листах типовой проектной документации

 

 




ГОСТЫ, СТРОИТЕЛЬНЫЕ и ТЕХНИЧЕСКИЕ НОРМАТИВЫ.
Некоммерческая онлайн система, содержащая все Российские Госты, национальные Стандарты и нормативы.
В Системе содержится более 150000 файлов нормативно-технической документации, действующей на территории РФ.
Система предназначена для широкого круга инженерно-технических специалистов.

Рейтинг@Mail.ru Яндекс цитирования

Copyright © www.gostrf.com, 2008 - 2026