Крупнейшая бесплатная информационно-справочная система онлайн доступа к полному собранию технических нормативно-правовых актов РФ. Огромная база технических нормативов (более 150 тысяч документов) и полное собрание национальных стандартов, аутентичное официальной базе Госстандарта. GOSTRF.com - это более 1 Терабайта бесплатной технической информации для всех пользователей интернета. Все электронные копии представленных здесь документов могут распространяться без каких-либо ограничений. Поощряется распространение информации с этого сайта на любых других ресурсах. Каждый человек имеет право на неограниченный доступ к этим документам! Каждый человек имеет право на знание требований, изложенных в данных нормативно-правовых актах!

  


 

ГОСТ 21103-75

МЕЖГОСУДАРСТВЕННЫЙ СТАНДАРТ

ТОПЛИВО ДЛЯ РЕАКТИВНЫХ
ДВИГАТЕЛЕЙ

МЕТОД ОПРЕДЕЛЕНИЯ МЫЛ НАФТЕНОВЫХ КИСЛОТ

ИПК ИЗДАТЕЛЬСТВО СТАНДАРТОВ

Москва

МЕЖГОСУДАРСТВЕННЫЙ СТАНДАРТ

ТОПЛИВО ДЛЯ РЕАКТИВНЫХ ДВИГАТЕЛЕЙ

Метод определения мыл нафтеновых кислот

Lets fuels. Method of test for naphthene soaps

ГОСТ
21103-75*

Постановлением Государственного комитета стандартов Совета Министров СССР от 21 августа 1975 г. № 2209 дата введения установлена

01.01.77

Ограничение срока действия снято Постановлением Госстандарта от 28.11.91 № 1834

Настоящий стандарт распространяется на топливо для реактивных двигателей и устанавливает метод определения мыл нафтеновых кислот.

Сущность метода заключается в фильтровании испытуемого топлива через мембранный фильтр, гидролизе мыл, содержащихся в полученном осадке, и фиксировании окраски водного раствора в присутствии фенолфталеина.

Стандарт соответствует полностью СТ СЭВ 757-77.

(Измененная редакция, Изм. № 1).

1. АППАРАТУРА, РЕАКТИВЫ И МАТЕРИАЛЫ

1.1. Для определения мыл нафтеновых кислот применяют:

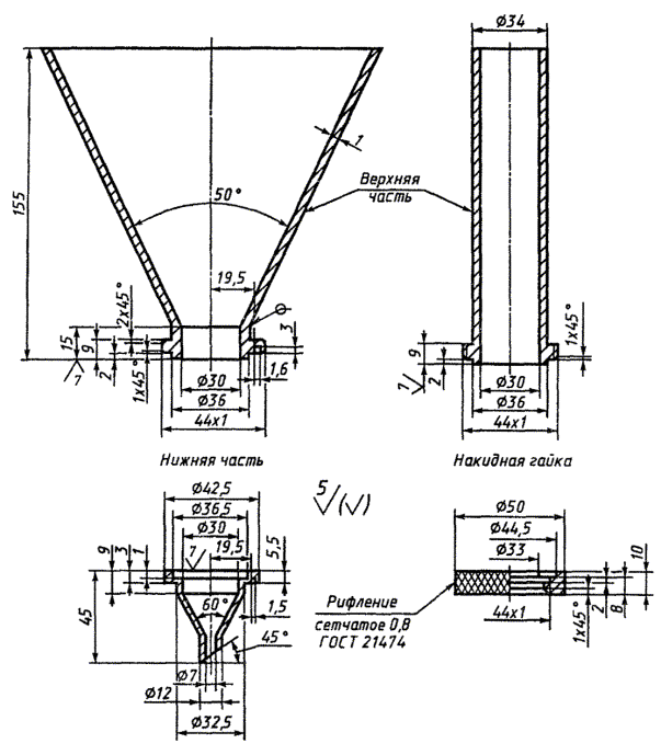
воронки для фильтрования с цилиндрической или конической верхней частью (черт. 1) из нержавеющей стали (внутренние поверхности всех деталей воронки - полированные), верхняя часть воронки соединяется с нижней частью накидной гайкой;

сетки латунные тканые с квадратными ячейками нормальной точности № 016-02 по ГОСТ 6613-86, вырезанные в виде кругов наружным диаметром 35 мм, под мембранные фильтры;

прокладки хлорвиниловые или фибровые толщиной 0,3 - 0,5 мм, вырезанные в виде кольца с наружным диаметром 35 мм и внутренним диаметром 30 мм;

стекла часовые диаметром 40 - 50 мм или стекла обычные того же диаметра;

колбы конические по ГОСТ 25336-82, вместимостью 500 см3;

стаканы по ГОСТ 25336-82, вместимостью 50 см3;

бюретку 1-1-0,01 или 2-1-0,01 или 3-1-0,01 по ГОСТ 29251-91, любого класса точности;

промывалку с резиновой грушей;

колпак стеклянный или чашку кристаллизационную цилиндрическую с наружным диаметром 150 - 200 мм по ГОСТ 25336-82;

Воронка для фильтрования

Черт. 1

вставку для эксикатора 1-128 по ГОСТ 9147-80 или вставку для эксикатора 1-175 по ГОСТ 9147-80, являющуюся подставкой для стеклянного колпака или кристаллизационной чашки (черт. 2);

Кристаллизационная чашка со вставкой для эксикатора

Черт. 2

палочку стеклянную длиной 150 - 200 мм, диаметром 4 - 5 мм с наконечником из хлорвиниловой трубки длиной 15 - 20 мм;

фильтры мембранные (нитроцеллюлозные) № 4 и 5: фильтр № 4 - для фильтрования топлив с кинематической вязкостью при 20 °С до 20-6 м2/с (2 сСт) включительно, фильтр № 5 - для фильтрования топлив с кинематической вязкостью при 20 °С более 20-6 м2/с (2 сСт);

растворители - изооктан эталонный по ГОСТ 12433-83 или бензиновая фракция, выкипающая до 100 °С;

кислоту соляную по ГОСТ 3118-77, 0,01 моль/дм3 (0,01 н.) раствор;

фенолфталеин (индикатор) по нормативному документу, 1 %-ный спиртовой раствор;

воду дистиллированную по ГОСТ 6709-72.

(Измененная редакция, Изм. № 1, 2).

2. ПОДГОТОВКА К ИСПЫТАНИЮ

2.1. Дистиллированную воду проверяют на нейтральность: 5 см3 дистиллированной воды и 2 - 3 капли фенолфталеина кипятят в стакане 2 мин. Воду подвергают вторичной перегонке, если остаток в стакане после упаривания окрашен в розовый цвет.

2.2. Растворитель фильтруют через мембранный фильтр того же номера, что и топливо при проведении испытания.

2.3. В колбу, вымытую, высушенную и закрывающуюся корковой пробкой, обернутой хлорвиниловой или пластмассовой пленкой, стойкой к воздействию топлив и неотделяющей механических примесей, берут 400 см3 испытуемого топлива из тщательно перемешанной в течение 3 мин пробы.

2.4. Внутреннюю поверхность воронки для фильтрования, сетку под мембранный фильтр и прокладки для удаления с них механических примесей тщательно протирают чистой тряпкой, смоченной изооктаном или бензиновой фракцией, и сушат на воздухе.

2.5. Мембранный фильтр блестящей стороной вверх устанавливают в раструб нижней части воронки, на предварительно положенные латунную сетку и прокладку. Далее надевают верхнюю часть воронки и завинчивают накидную гайку так, чтобы не было течи топлива в местах соединений, и укрепляют воронку в штативе.

Примечание. Допускается устанавливать мембранный фильтр в воронке без латунной сетки и прокладки. Топливо осторожно фильтруют во избежание прорыва фильтра стеклянной палочкой или сильной струей растворителя.

3. ПРОВЕДЕНИЕ ИСПЫТАНИЯ

3.1. Хорошо перемешанное топливо фильтруют через мембранный фильтр в чистую сухую коническую колбу, наливая его в воронку по стеклянной палочке порциями или одновременно, в зависимости от объема воронки.

По окончании фильтрования тщательно промывают склянку, в которой было испытуемое топливо, частью фильтрата и снова фильтруют в ту же коническую колбу. Частицы механических примесей, прилипшие к стенкам воронки, снимают стеклянной палочкой с наконечником, с которой затем смывают их на мембранный фильтр растворителем из промывалки. Внутреннюю поверхность воронки и остатки топлива с мембранного фильтра промывают тем же растворителем.

3.2. Мембранный фильтр с осадком пинцетом вынимают из воронки, помещают на стекло и сушат 20 мин при комнатной температуре на фарфоровой вставке или металлической пластинке под стеклянным колпаком или кристаллизационной чашкой (см. черт. 2). Между колпаком или чашкой и вставкой для эксикатора должна быть щель для циркуляции воздуха.

(Измененная редакция, Изм. № 1).

3.3. Мембранный фильтр с осадком пинцетом переносят в стакан вместимостью 50 см3, добавляют 5 см3 дистиллированной воды, проверенной на нейтральность, 2 - 3 капли 1 %-ного спиртового раствора фенолфталеина и кипятят 2 мин, избегая разбрызгивания. По окончании кипячения фиксируют окраску водного раствора.

Примечание. Допускается для определения содержания мыл нафтеновых кислот использовать фильтр с осадком после определения содержания механических примесей в испытуемом топливе по ГОСТ 10577-78.

3.4. При необходимости количественного определения мыл нафтеновых кислот в топливе для реактивных двигателей горячий водный раствор (сразу после кипячения) титруют 0,01 моль/дм3 (0,01 н.) раствором соляной кислоты до полного обесцвечивания.

(Измененная редакция, Изм. № 2).

4. ОБРАБОТКА РЕЗУЛЬТАТОВ

4.1. Топливо для реактивных двигателей считается не содержащим мыл нафтеновых кислот при отсутствии окрашивания водного раствора после 2 мин кипячения фильтра с осадком.

4.2. При количественном определении массовую долю мыл нафтеновых кислот (X) в процентах вычисляют по формуле

,

где V - объем точно 0,01 моль/дм3 (0,01 н.) раствора соляной кислоты, израсходованный на титрование испытуемого топлива, см3;

400 - количество испытуемого топлива, см3;

r - плотность испытуемого топлива при температуре испытания, г/см3;

m - средняя молекулярная масса мыл нафтеновых кислот:

240 - для топлив плотностью 0,775 - 0,800 г/см3;

270 - для топлив плотностью более 0,800 г/см3.

(Измененная редакция, Изм. № 2).

ПРИЛОЖЕНИЕ

Справочное

Информационные данные о соответствии ГОСТ 21103-75 с изменением № 1 и СТ СЭВ 757-77

Вводная часть ГОСТ 21103-75 соответствует разд. 1 СТ СЭВ 757-77;

разд. 1 соответствует разд. 2;

разд. 2 соответствует разд. 3;

разд. 3 соответствует разд. 4;

разд. 4 соответствует разд. 5.

(Введено дополнительно, Изм. № 1).

СОДЕРЖАНИЕ

1. АППАРАТУРА, РЕАКТИВЫ И МАТЕРИАЛЫ 1

2. ПОДГОТОВКА К ИСПЫТАНИЮ 2

3. ПРОВЕДЕНИЕ ИСПЫТАНИЯ 2

4. ОБРАБОТКА РЕЗУЛЬТАТОВ 3

ПРИЛОЖЕНИЕ 3

Информационные данные о соответствии ГОСТ 21103-75 с изменением № 1 и СТ СЭВ 757-77 3

 

 




ГОСТЫ, СТРОИТЕЛЬНЫЕ и ТЕХНИЧЕСКИЕ НОРМАТИВЫ.
Некоммерческая онлайн система, содержащая все Российские Госты, национальные Стандарты и нормативы.
В Системе содержится более 150000 файлов нормативно-технической документации, действующей на территории РФ.
Система предназначена для широкого круга инженерно-технических специалистов.

Рейтинг@Mail.ru Яндекс цитирования

Copyright © www.gostrf.com, 2008 - 2026