Крупнейшая бесплатная информационно-справочная система онлайн доступа к полному собранию технических нормативно-правовых актов РФ. Огромная база технических нормативов (более 150 тысяч документов) и полное собрание национальных стандартов, аутентичное официальной базе Госстандарта. GOSTRF.com - это более 1 Терабайта бесплатной технической информации для всех пользователей интернета. Все электронные копии представленных здесь документов могут распространяться без каких-либо ограничений. Поощряется распространение информации с этого сайта на любых других ресурсах. Каждый человек имеет право на неограниченный доступ к этим документам! Каждый человек имеет право на знание требований, изложенных в данных нормативно-правовых актах!

  


 

МЕЖГОСУДАРСТВЕННЫЙ СТАНДАРТ

ЭЛЕМЕНТЫ КРЕПЛЕНИЯ ИЗДЕЛИЙ ЭЛЕКТРОННОЙ ТЕХНИКИ, УПРАВЛЯЕМЫХ С ПОМОЩЬЮ ВАЛА

Основные размеры

Fixtures for spindle-operated electronic components. Basic dimensions

ГОСТ 22623-77

Постановлением Государственного комитета стандартов Совета Министров СССР от 20 июля 1977 г. № 1770 дата введения установлена

01.07.78

Ограничение срока действия снято Постановлением Госстандарта от 07.07.83 № 2977

1. Настоящий стандарт распространяется на элементы крепления (втулки, гайки) изделий электронной техники: переключателей поворотного типа, переменных резисторов и конденсаторов переменной емкости с концами валов управления по ГОСТ 4907-81.

Стандарт не распространяется на втулки, содержащие дополнительные устройства: элементы уплотнения и стопорения валов, подшипники скольжения и др.

Стандарт устанавливает основные размеры части втулки, выступающей из корпуса изделия, и основные размеры гаек и шайб.

Предельные отклонения размеров полностью соответствуют СТ СЭВ 144-75.

2. Размеры элементов крепления должны соответствовать указанным на черт. 1 - 4 и в табл. 2 - 5, размер L втулок должен соответствовать значениям, приведенным в табл. 1.

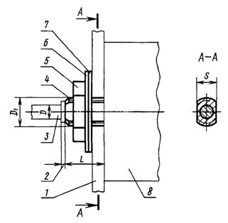
Втулка с выступом

1 - монтажная панель; 2 - стопорный элемент = 1,5 max; 3 - конец вала; 4 - втулка; 5 - гайка; 6 - шайба по ГОСТ 10462-81;7 - шайба по ГОСТ 10450-78; 8- корпус изделия

Черт. 1

Примечания:

1. Допускается применение втулки без выступа.

2. Допускается применение втулки с двумя симметрично расположенными выступами для изделий с диаметром конца вала D = 3; 4 и 5 мм.

Таблица 1

мм

L номин.

Пред. откл. по js 16

4; 5; 6

± 0,375

8; 10

± 0,450

12

± 0,550

Примечания:

1. Положение выступа (выступов) и лыски (лысок) на втулке относительно конца вала и корпуса изделия стандартом не устанавливается.

2. Внутренний диаметр втулки и ее конструктивное исполнение стандартом не устанавливаются.

3. Размеры отверстий в монтажных панелях под втулки приведены в приложении.

4 Значения диаметров втулок (табл. 2 - 4), набранные полужирным шрифтом, предпочтительны для применения.

3. Поля допусков резьб втулок и гаек - по ГОСТ 16093-81*

втулки - 6g; 8g

гайки - 6Н; 7Н

*С 1 июля 2005 г. введен в действие ГОСТ 16093-2004.

Таблица 2

мм

Dномин

D1номин

Kномин

Н

номин.

пред. откл.

2

М5×0,5;

2,0

7,1

h13(-0,22)

М5×0,8

М6×1

2,5

8,1

3

М6×0,75;

М6×1

М8×1

10,1

h13(-0,27)

4; 5

М8×0,75;

М8×1

M10×1

12,1

6

М10×0,75

M10×1

8

M12×1

14,1

10

М16×1

18,1

h13(-0,33)

Примечание. Предельные отклонения размера К по h12(-0,1).

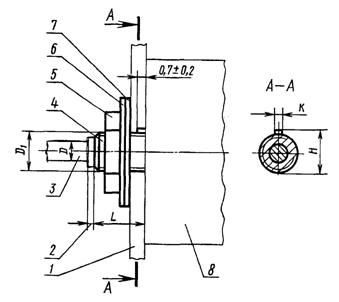
Втулка с лыской

1 - монтажная панель; 2 - стопорный элемент = 1,5 max; 3 - конец вала; 4 - втулка; 5 - гайка; 5 - шайба по ГОСТ 10462-81; 7 - шайба по ГОСТ 10450-78; 8 - корпус изделия

Черт. 2

Таблица 3

мм

Dномин

D1номин

Sномин

4. 5

M8×0,75

7,5

M8×1

M10×1

9,25

6

M10×0,75

M10×1

Примечание. Предельные отклонения размера S по h11 (-0,09).

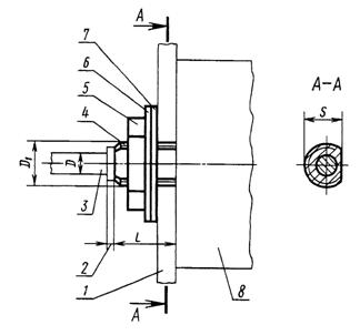
Втулка с двумя лысками

1 - монтажная панель; 2 - стопорный элемент = 1,5 max; 3 - конец вала; 4 - втулка; 5 - гайка; 6 - шайба по ГОСТ 10462-81; 7 - шайба по ГОСТ 10450-78; 8 - корпус изделия

Черт. 3

Таблица 4

мм

Dномин

D1номин

Sномин

4; 5

М8×0,75;

7,0

М8×1

M10×1

8,5

6

М10×0,75;

M10×1

Примечание. Предельные отклонения размера S по h11(-0,09).

Гайка

Р - шаг резьбы

Черт. 4

Таблица 5

мм

dномин

S

dномин

S

номин.

пред. откл.

номин.

пред. откл.

М5×0,5;

8

h13(-0,22)

М10×0,75;

14

h13(-0,27)

М5×0,8

M10×1

М6×0,75;

10

M12×1

17

М6×1

М8× 0,75;

12

h13(-0,27)

М16×1

22

hl3(-0,33)

М8×1

Примечания:

1. Размер гайки по высоте должен обеспечивать не менее 2 ниток резьбы без учета фасок.

2. Допускается односторонняя внутренняя заходная фаска или отсутствие фасок.

ПРИЛОЖЕНИЕ

Рекомендуемое

РАЗМЕРЫ ОТВЕРСТИЙ В МОНТАЖНОЙ ПАНЕЛИ ПОД ВТУЛКИ

Наружный диаметр втулки, номин.

Чертеж отверстия

D2

H1

К1 номин.

S1 номин.

номин.

пред. откл. по Н12

номин.

пред. откл. по Н14

5

Втулка без выступа

-

-

-

 

5,1

+0,12

6

6,1

+0,15

8

8,1

10

10,1

+0,18

12

12,1

16

16,1

5

Втулка с выступом

7,2

+0,36

2,1

5,1

+0,12

6

6,1

+0,15

8,2

2,6

8

8,1

10,2

+0,43

10

10,1

+0,18

12,2

12

12,1

14,2

16

16,1

18,2

+0,52

8

Втулка с лыской

-

-

-

7,55

8,1

+0,15

10

10,1

+0,18

9,30

8

Втулка с двумя лысками

-

-

-

7,05

8,1

+0,15

10

10,1

+0,18

8,55

Примечания:

1. Предельные отклонения размеров: К1 по Н12 (+0,10), S по Н11(+0,09).

2. Формы и размеры разметок для крепления изделий (переключателей поворотного типа, переменных резисторов, конденсаторов переменной емкости) на монтажной панели приводятся в нормативно-технической документации, утвержденной в установленном порядке.

 




ГОСТЫ, СТРОИТЕЛЬНЫЕ и ТЕХНИЧЕСКИЕ НОРМАТИВЫ.
Некоммерческая онлайн система, содержащая все Российские Госты, национальные Стандарты и нормативы.
В Системе содержится более 150000 файлов нормативно-технической документации, действующей на территории РФ.
Система предназначена для широкого круга инженерно-технических специалистов.

Рейтинг@Mail.ru Яндекс цитирования

Copyright © www.gostrf.com, 2008 - 2026