Крупнейшая бесплатная информационно-справочная система онлайн доступа к полному собранию технических нормативно-правовых актов РФ. Огромная база технических нормативов (более 150 тысяч документов) и полное собрание национальных стандартов, аутентичное официальной базе Госстандарта. GOSTRF.com - это более 1 Терабайта бесплатной технической информации для всех пользователей интернета. Все электронные копии представленных здесь документов могут распространяться без каких-либо ограничений. Поощряется распространение информации с этого сайта на любых других ресурсах. Каждый человек имеет право на неограниченный доступ к этим документам! Каждый человек имеет право на знание требований, изложенных в данных нормативно-правовых актах!

  


 

ГОСУДАРСТВЕННЫЕ СТАНДАРТЫ СОЮЗА ССР

СОЕДИНИТЕЛЬНЫЕ
И КРЕПЕЖНЫЕ ДЕТАЛИ
СТЕКЛЯННЫХ ТРУБОПРОВОДОВ
ФЛАНЦЫ МЕТАЛЛИЧЕСКИЕ

КОНСТРУКЦИЯ

ГОСТ 24184-80

ГОСУДАРСТВЕННЫЙ КОМИТЕТ СССР ПО СТАНДАРТАМ

МОСКВА

ГОСУДАРСТВЕННЫЙ СТАНДАРТ СОЮЗА ССР

ФЛАНЦЫ МЕТАЛЛИЧЕСКИЕ

Конструкция и основные размеры

Metallic flanges.

Design

ГОСТ
24184-80

Дата введения 01.07.81

Несоблюдение стандарта преследуется по закону

1. Настоящий стандарт распространяется на фланцы, применяемые для соединения стеклянных труб.

Требования настоящего стандарта являются обязательными.

(Измененная редакция, Изм. № 3).

2. Фланцы должны быть изготовлены четырех типов:

1 - фланцы на два натяжных кольца;

2 - три натяжных кольца;

3 - для труб с буртами;

4 - переходные.

(Измененная редакция, Изм. № 3).

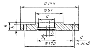
3. Конструкция и основные размеры фланцев типов 1 и 2 должны соответствовать указанным на черт. 1 и в табл. 1.

Тип 1

Для труб Dн = 45 и 67 мм

Для труб Dн = 93 и 122 мм

Для труб Dн = 169 мм

Тип 2

Для труб с гладкими концами

Dн = 45, 67, 93 и 122 мм

Для труб Dн = 109 мм, 221 мм

Черт. 1


Таблица 1

Размеры в мм

Исполнение

Условный проход Dу

Наружный диаметр трубы Dн

D

D1

D2

D3

D4

d

B

b

b1

b2

b3

b

Масса, кг, не более для

Номинальный диаметр резьбы болта

Материал

Материал

Ч

Аl

Ч

Аl

Ч

Аl

Ч

Аl

1

40

45

46

57

68

88

102

7,6

22

8

9

6

7

18

-

-

0,30

0,11

6

2

61

70

32

10

8

26

12

0,56

0,20

1

50

67

68

83

95

120

144

10,1

28

9

10

7

8

22

-

-

0,55

0,22

8

2

88

98

40

12

10

34

17

11°30¢

0,75

0,30

1

80

93

94

110

125

148

172

29

10

11

8

9

22

-

-

0,90

0,40

2

114

126

124

40

12

10

34

13

18°

1,20

0,38

1

100

122

123

140

155

180

204

53

11

12

9

10

22

-

 

1,10

0,46

2

145

157

154

41

14

12

35

6

18°

1,40

0,41

1

150

169

170

198

-

223

250

280

12,1

53

-

12

-

-

45

5

30°

-

1,00

10

2

 

-

200

240

270

12

42

-

-

35

11

18°

-

1,40

194

-

210

-

0,90

1

200

221

222

246

-

255

305

335

-

-

-

-

1,90

Примечание. Условные обозначения Ч - чугун, Аl - алюминиевый сплав с антикоррозионным покрытием.

(Новая редакция, Изм. № 3).


3а. Конструкция фланцев типов 3 и 4 должна соответствовать черт. 2 и табл. 2.

Тип 3

Для труб с буртами

Тип 4

Переходные, для труб с гладкими концами

Черт. 2

Таблица 2

Размеры в мм

Тип фланца

Условный проход Dу

D

D1

D2

D3

B

A

b

d

n

Масса кг, не более

3

15

29,0

40

48

63

8

-

5

7,0

3

0,037

25

43,5

54

67

85

9

9,5

0,060

32

50,0

64

77

95

10

10

0,070

40

60,5

72

85

103

11

6

0,100

50

72,5

85

100

122

12

7

12

0,140

120

144

10,1

4

0,230

80

106

120

148

172

0,250

4

40

40

45

-

-

14

8

10

10,5

1,220

50

57

76

-

1,010

Пример условного обозначения фланца типа 1 для трубы Dу = 50 мм, D2 = 100 мм с антикоррозионным покрытием:

Фланец 1-50-100 ГОСТ 24184-80

То же, типа 2 для трубы D = 40 mm, D1 = 45 мм:

Фланец 2-40-45 ГОСТ 24184-80

То же, типа 3 для трубы Dу = 50 мм, D2 = 100 мм с антикоррозионным покрытием:

Фланец 3-50-100 ГОСТ 24184-80

То же, типа 4 для трубы D = 40 мм и D1 = 45 мм:

Фланец 4-40-45 ГОСТ 24184-80

(Введен дополнительно, Изм. № 3).

4. Материал фланцев - чугун марки СЧ 15 по ГОСТ 1412-85, алюминиевый сплав марки АК-7 по ГОСТ 1583-89, сталь Ст. 3 ГОСТ 380-88.

5. Технические требования - по ГОСТ 24201-80.

6. Коды ОКП приведены в приложении.

(Введен дополнительно, Изм. № 3).

ПРИЛОЖЕНИЕ

Справочное

Условное обозначение фланца

Код ОКИ и контрольное число

1-45-68 Ч

48 3471 0001 08

1-67-95 Ч

48 3471 0002 07

1-93-125 Ч

48 3471 0003 06

1-93-155 Ч

48 3471 0004 05

1-46-68 Аl

48 3471 2001 00

1-67-95 Аl

48 3471 2002 08

1-93-125 Аl

48 3471 2003 09

1-122-155 Аl

48 3471 2004 08

1-169-223 Аl

48 3471 2005 07

2-45-70 Ч

48 3471 0006 03

2-67-98 Ч

48 3471 0007 02

2-93-126 Ч

48 3471 0008 01

2-122-157 Ч

48 3471 0009 00

2-45-70 Аl

48 3471 2006 06

2-67-98 Аl

48 3471 2007 05

2-93-124 Аl

48 3471 2008 04

2-122-154 Аl

48 3471 2009 03

2-169-200 Аl

48 3471 2011 09

2-169-210 Аl

48 3471 2019 01

2-200-255 Аl

48 3471 2021 07

3-15-48

48 3471 2012 08

3-25-67

48 3471 2013 07

3-32-77

48 3471 2014 06

3-40-85

48 3471 2015 05

3-50-100

48 3471 2016 04

3-50-120

48 3471 2017 03

3-80-148

48 3471 2018 02

4-40-45

48 3471 2022 06

4-57-76

48 3471 2023 05

(Новая редакция, Изм. № 3).

ИНФОРМАЦИОННЫЕ ДАННЫЕ

1. РАЗРАБОТАН И ВНЕСЕН Министерством монтажных и специальных строительных работ СССР

ИСПОЛНИТЕЛИ

М.Г. Скакунов, д-р техн. наук; В.И. Каптелов; Н.Н. Куликов; Р И. Шарунова

2. УТВЕРЖДЕН И ВВЕДЕН В ДЕЙСТВИЕ Постановлением Государственного комитета СССР по стандартам от 22.05.80 № 2306

3. ВЗАМЕН ГОСТ 19694-74.

4. Срок проверки - I квартал 1990 г.; периодичность проверки - 5 лет.

5. ССЫЛОЧНЫЕ НОРМАТИВНО-ТЕХНИЧЕСКИЕ ДОКУМЕНТЫ

Обозначение НТД, на который дана ссылка

Номер пункта

ГОСТ 1412-85

4

ГОСТ 2685-75

4

ГОСТ 24201-80

5

6. ПЕРЕИЗДАНИЕ (май 1988 г.) с Изменениями № 1, 2, утвержденными в сентябре 1982 г., в январе 1988 г. (ИУС 1-83, 4-88).

Снято ограничение срока действия Постановлением Госстандарта СССР от 28.01.88 № 155.

 




ГОСТЫ, СТРОИТЕЛЬНЫЕ и ТЕХНИЧЕСКИЕ НОРМАТИВЫ.
Некоммерческая онлайн система, содержащая все Российские Госты, национальные Стандарты и нормативы.
В Системе содержится более 150000 файлов нормативно-технической документации, действующей на территории РФ.
Система предназначена для широкого круга инженерно-технических специалистов.

Рейтинг@Mail.ru Яндекс цитирования

Copyright © www.gostrf.com, 2008 - 2026