|
|
Постановлением Государственного комитета СССР по стандартам от 27
августа 01.07.81 Настоящий стандарт распространяется на полимерные композиционные материалы, армированные непрерывными высокомодульными углеродными, борными, органическими и другими волокнами, структура которых симметрична относительно их срединной плоскости, и устанавливает метод испытания этих материалов на сжатие при нормальной (20°С), повышенной (до 180°С) и пониженной (-60°С) температурах. Метод испытания на сжатие стеклопластиков установлен в ГОСТ 4651-82. СОДЕРЖАНИЕ 1. СУЩНОСТЬ МЕТОДАпредел прочности при сжатии модуль упругости при сжатии Ес - отношение напряжения к соответствующей относительной деформации при сжатии образца в пределах начального линейного участка диаграммы деформирования, МПа; коэффициент Пуассона vc - отношение поперечного относительного удлинения к продольному относительному укорочению образца при сжатии в пределах начального линейного участка диаграммы деформирования. 2. ОБОРУДОВАНИЕ ДЛЯ ИСПЫТАНИЙ2.1. Испытания проводят на испытательной машине, обеспечивающей сжатие образца с заданной постоянной скоростью перемещения активного захвата, измерение нагрузки с погрешностью не более ± 1 % измеряемой величины. 2.2. Испытательная машина должна быть снабжена двумя плоскопараллельными площадками (плитами) и обеспечивать их сближение с заданной скоростью. 2.3. Шероховатость рабочей поверхности площадок должна соответствовать Ra < 0,32 мкм по ГОСТ 2789-73; рабочие поверхности должны быть термообработаны до 45-50 HRC, при испытаниях боропластиков до 70 HRC по ГОСТ 9013-59. 2.4. Одна из площадок испытательной машины должна быть самоустанавливающейся. 2.5. Для определения предела прочности
при сжатии испытания проводят в специальном приспособлении, обеспечивающем
одновременное приложение нагрузки по торцевым и боковым поверхностям образца
согласно черт. 1. Шероховатость площадок, передающих нагрузку на торцевые
поверхности образца, должна соответствовать Ra
< 0,63 мкм по ГОСТ 2789-73
и их рабочие поверхности должны быть закалены до твердости 45-50 HRC (в случае
испытания боропластиков - до 70 HRC). Площадки приспособления, передающие
усилия на образец по боковым поверхностям, должны иметь насечку длиной не менее
Черт. 1 2.7. В качестве регистрирующей аппаратуры при измерении деформаций применяют осциллографы, потенциометры, измерители статических деформаций или другие приборы, обеспечивающие регистрацию деформаций с точностью, указанной в п. 2.6. 2.8. Приборы для измерения геометрических
размеров образца должны обеспечивать измерение с погрешностью не более 2.9. Испытания при повышенных и пониженных температурах проводят на испытательных машинах, оборудованных камерами, которые обеспечивают равномерный прогрев (охлаждение) образца до заданной температуры и сохранение последней на протяжении всего времени испытания. Температуру испытаний устанавливают по ГОСТ 14359-69. Измерение температуры проводят с помощью термопар. 3. ОБРАЗЦЫ3.1. Образцы вырезают из однородных по толщине плит или других полуфабрикатов. Вырезку образцов проводят в направлениях главных осей ортотропии испытуемого материала. Способ и режим изготовления образцов предусматриваются в нормативно-технической документации на композиционные материалы. 3.2. Образцы должны иметь гладкую наружную поверхность без вздутий, сколов, трещин и других дефектов, заметных невооруженным глазом. Шероховатость торцевых поверхностей образца должна соответствовать Ra < 0,63 мкм по ГОСТ 2789-73. 3.3. Изменение толщины и ширины по длине
образца должно быть не более 3.4. Для определения предела прочности при сжатии в направлении армирования однонаправленных композиционных материалов применяют образцы в виде полосы прямоугольного поперечного сечения 2 с закрепленными по концам накладками 7 (черт. 2).
3.5. Для определения предела прочности
при сжатии материалов с укладкой арматуры, отличной от однонаправленной, а
также однонаправленных в направлении, перпендикулярном к армированию, применяют
образцы согласно п. 3.4, но шириной
Черт. 3 3.6. Для определения модулей упругости и коэффициентов Пуассона при сжатии композиционных материалов применяют образцы в виде параллелепипеда с прямоугольным основанием (черт. 4).
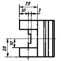
3.7. При определении модуля
упругости и коэффициента Пуассона материалов с модулем упругости Ес ≥ 20000 МПа и
толщиной h ≥
Значения lmах при толщине образца h = Таблица 1
При h ≠ 3.8. Накладки для образцов изготовляют из ортогонально армированных материалов, модули упругости которых в направлениях, перпендикулярных к оси образца, не превышают модулей упругости в соответствующих направлениях материала образца. Относительное удлинение при разрушении материала накладок во всех направлениях должно быть больше или равно соответствующей характеристике материала образца. Для изготовления накладок рекомендуется использовать ортогонально армированный стеклопластик. 3.9. Накладки при многократном использовании крепятся к образцу с помощью шлифовальной тканевой шкурки 2Э250 × 300С2 81Кр 80 КБ или 2М250 × 300 С1 81Кр 63 КБ по ГОСТ 5009-82, на поверхности полотна которой приклеивают накладки, как указано на черт. 5. Для приклеивания накладок к шлифовальной шкурке рекомендуется использовать клей типа БФ-2 по ГОСТ 12172-74 или другие, аналогичные по свойствам. Крепление накладок к образцу указано на черт. 5.
1 - накладка; 2 - шлифовальная шкурка; 3
- образец; Черт. 5 3.10. В случае разового использования накладок их приклеивают непосредственно к образцу, как показано на черт. 2. Для приклейки накладок используют клей. Сдвиговая прочность клея должна составлять не менее 40 МПа. Технология приклейки накладок должна быть указана в нормативно-технической документации на материал образца. 3.11. Количество образцов, необходимых для определения одной из характеристик п. 1.1, в заданном направлении композиционного материала одной партии должно быть не менее пяти. 4. ПОДГОТОВКА К ИСПЫТАНИЮ4.1. Если в нормативно-технической документации на испытуемые материалы не указаны особые условия кондиционирования, то перед испытанием образцы кондиционируют по ГОСТ 12423-66. 4.2. Время от окончания изготовления формованных образцов или композиционного материала, из которого их вырезают, до испытания образцов, включая кондиционирование, должно составлять не менее 16 ч. 4.3. Перед испытанием образцы
нумеруют краской. Измеряют толщину и ширину рабочей части образца в трех
местах: по краям и в середине. Участки размером менее 5. ПРОВЕДЕНИЕ ИСПЫТАНИЙ5.1. Испытания проводят в помещении или закрытом объеме при температуре и относительной влажности окружающего воздуха или другой среды, указанных в технических условиях на испытуемый материал. Если таких указаний нет, то испытания проводят при температуре окружающего воздуха (20 ±2)°С и относительной влажности воздуха (50 ± 5) %. Если температура помещения отличается от указанной, то образцы до испытаний выдерживают в термокамере при температуре (20 ± 2)°С в течение 2-3 ч. 5.2. При проведении испытаний
в условиях повышенных или пониженных температур время, необходимое для полного
прогрева или охлаждения образца до его испытания, должно задаваться
нормативно-технической документацией на испытуемый материал. Если таких
указаний нет, то время выдержки образца при заданной температуре устанавливают
не менее 20 мин на 5.3. Образец устанавливают на опорные плиты испытательной машины так, чтобы продольная ось его совпала с направлением действия нагрузки, а торцевые поверхности были параллельны опорным поверхностям плит. 5.4. Устанавливают механические экстензометры или другие приспособления для измерения деформаций (тензорезисторы наклеивают на образец перед установкой в испытательную машину). 5.5. Устанавливают заданную скорость vl перемещения активного захвата машины (рекомендуемая vi = 1 - 15 мм/мин). 5.6. Для определения модуля
упругости или коэффициента Пуассона образец нагружают равномерно с заданной
постоянной скоростью перемещения активного захвата в пределах начального
линейного участка диаграммы деформирования и записывают изменение продольной
деформации образца Δl или 5.7. Для определения
коэффициента Пуассона vc образец
нагружают равномерно с заданной постоянной скоростью перемещения активного
захвата в пределах начального линейного участка диаграммы деформирования и
записывают приращение предельной 5.8. При определении предела
прочности при сжатии образец равномерно нагружают с заданной скоростью
перемещения активного захвата и записывают наибольшую нагрузку 6. РАСЧЕТНЫЕ ФОРМУЛЫ И ОБРАБОТКА РЕЗУЛЬТАТОВ6.1. Предел прочности при
сжатии (
где b ∙ h - площадь поперечного сечения образца, мм2. 6.2. Модуль упругости при сжатии Ес, МПа, определяют по формуле
6.3. Коэффициент Пуассона v определяют по формуле
6.4. Статистическую обработку результатов испытания проводят при доверительной вероятности 0,95. 6.5. Форма протокола испытаний дана в приложении 3. 6.6. Конструкция приспособления для испытания образцов на сжатие дана в приложении 4. ПРИЛОЖЕНИЕ
1
|
|||||||||||||||||||||||||||||||||||||||||||||||||||||||||||||||||||||||||||||||||||||||||||||||||||||||||||||||||||||||||||||||||||||||||||||||||||||||||||||||||||||||||||||||||||||||||||||||||||||||||||||||||||||||||||||||||||||||||||||||||||||||||||||||||||||||||||||||||||||||||||||||||||||||||||||||||||||||||||||||||||||||||||||||||||||||||||||||||||||||||||||||||||||||||||||||||||||||||||||||||||||||||||||||||||||||||||||||||||||||||||||||||||
|
Испытательная машина____________________________________________________________ |
|
Измеритель (и) деформаций________________________________________________________ |
|
Регистрирующая аппаратура_______________________________________________________ |
2. Образцы
|
Количество образцов______________________________________________________________ |
|
|
Материал (ТУ, предприятие-изготовитель, номер партии)______________________________ |
|
|
|
содержание арматуры по объему (массе), %________________________________ |
|
Расположение арматуры в образцах_________________________________________________ |
|
|
Условия кондиционирования (время, температура, относительная влажность)_____________ |
|
3. Условия испытаний
|
Температура_____________________________________________________________________ |
|
Относительная влажность_________________________________________________________ |
|
Время выдержки при повышенной (пониженной) температуре___________________________ |
|
Режим нагружения (непрерывное, ступенчатое)_______________________________________ |
|
Скорость нагружения_____________________________________________________________ |
4. Результаты испытаний и их обработка
1) При определении предела прочности ![]()
|
i |
bi |
hi |
|
Вид разрушения |
|
|
( |
|
1 |
b1 |
h1 |
|
|
|
|
( |
|
2 |
b2 |
h2 |
|
|
|
|
( |
|
. |
|
|
|
|
|
|
|
|
. |
|
|
|
|
|
|
|
|
. |
|
|
|
|
|
|
|
|
n |
bn |
hn |
|
|
|
|
( |
|
|
|
|
|
|
|
|
|
|
|
|
|
|
|
|
|
|
|
|
|
|
|
|
|
|
|
2) При определении модуля упругости Ес
|
i |
bi |
hi |
|
li, |
Δli, |
Δ li/ li |
|
|
|
( |
|
1 |
b1 |
h1 |
|
l1 |
Δl1 |
Δ l1/ l1 |
|
|
|
( |
|
2 |
b2 |
h2 |
|
l2 |
Δl2 |
Δ l2/ l2 |
|
|
|
( |
|
. |
|
|
|
|
|
|
|
|
|
|
|
. |
|
|
|
|
|
|
|
|
|
|
|
. |
|
|
|
|
|
|
|
|
|
|
|
n |
bn |
hn |
|
ln |
Δln |
Δ ln/ ln |
|
|
|
( |
|
|
|
|
|
|
|
|
|
|
|
|
|
|
|
|
|
|
|
|
|
|
|
|
|
|
|
|
|
|
|
|
|
|
|
|
3) При определении коэффициента Пуассона vc
|
i |
ΔFi |
|
|
|
|
( |
|
1 |
ΔF1 |
|
|
vl |
|
( |
|
2 |
ΔF2 |
|
|
v2 |
|
( |
|
. |
|
|
|
|
|
|
|
. |
|
|
|
|
|
|
|
. |
|
|
|
|
|
|
|
n |
ΔFn |
|
|
vn |
|
( |
|
|
|
|
|
|
|
|
|
|
|
|
|
|
|
|
|
|
|
|
|
|
|
|
|
Приложения:_____________________________________________________________________ |
||
|
|
(диаграммы деформирования, фотографии и др.) |
|
|
Испытатель (и): |
(фамилия, подпись) |
|
|
Обработал (и): |
(фамилия, подпись) |
|
Сборочный чертеж приспособления для определения упругих и прочностных характеристик при сжатии приведен на черт. 1. Приспособление состоит из двух пар клиновидных зажимов 4, заключенных в цилиндрический корпус 1. Роликовые направляющие 7 исключают возможность перекоса зажимов относительно вертикальной оси образца и обеспечивают равномерную передачу давления на его опорные поверхности.
Приспособление для испытания образцов на сжатие

1 - корпус; 2 - зажим; 3 и 4- клин; 5- опора; 6- ролик;
7- направляющая; 8- стяжка; 9- стержень; 10- вкладыш;
11 -штифт 5 Пр13×35 по ГОСТ 3128-70;
12- винт
МЗ × 4 по ГОСТ
17475-80; 13- образец
Черт. 1
Рекомендуемой формы вкладыши 10 снижают концентрацию напряжений и деформаций в зоне выхода образца из зажима.
Клиновидная конструкция приспособления обеспечивает простую и надежную установку, крепления и выемку образца после испытания.
Приспособление работает без смазки и позволяет проводить испытания образцов на сжатие при температурах, регламентированных настоящим стандартом.
Корпус (черт. 1, дет. 1)


Материал - Ст3 по ГОСТ 380-94.
Черт. 2
Зажим (черт. 1, дет. 2)


Материал - сталь 45 по ГОСТ 1050-88.
Черт. 3
Клин (черт. 1, дет. 3)


Термообработка 58-62 HRC.
Материал - сталь У8 по ГОСТ
1435-99.
Черт. 4
Клин (черт. 1, дет. 4)
п

Термообработка 58-62 HRC.
Материал - сталь У8 по ГОСТ
1435-99.
Черт. 5
Опора (черт. 1, дет. 5)

Материал - сталь 45 по ГОСТ 1050-88.
Черт. 6
Ролик (черт. 1, дет. 6)

Термообработка 40-45 HRC.
Материал - сталь 45 по ГОСТ
1050-88.
Черт. 7
Направляющая (черт. 1, дет. 7)


Термообработка 40-45 HRC.
Материал - сталь 45 по ГОСТ
1050-88.
Черт. 8
Стяжка (черт. 1, дет. 8)


Материал - сталь 45 по ГОСТ 1050-88.
Черт. 9
Стержень (черт. 1, дет. 9)

Термообработка 40-45 HRC.
Материал - сталь 45 по ГОСТ
1050-88.
Черт. 10
Вкладыш (черт. 1, дет. 10)

Материал Д-16 по ГОСТ 4784-97.
Черт. 11
|
ГОСТЫ, СТРОИТЕЛЬНЫЕ и ТЕХНИЧЕСКИЕ НОРМАТИВЫ. Некоммерческая онлайн система, содержащая все Российские Госты, национальные Стандарты и нормативы. В Системе содержится более 150000 файлов нормативно-технической документации, действующей на территории РФ. Система предназначена для широкого круга инженерно-технических специалистов. Copyright © www.gostrf.com, 2008 - 2026 |