|
В каком месте
|
Напечатано
|
Должно быть
|
|
Пункт 2.13.1.1
|
Пункт 2.13.1.1 дополнить словами: «Пробозаборные
трубки монтируют на корпусе диспергатора (черт. 19). Параметры диспергатора
приведены в приложении 3».
|
Пункт 2.13.1.1. Заменить слова: «Схема отбора проб из
трубопровода приведена на черт. 18» на «Схемы отбора проб из трубопровода
приведены на черт. 18а и 18б; дополнить абзацем: «Параметры диспергатора
(черт. 19) приведены в приложении 3».
|
|
Пункт 2.13.1.1
|
-
|
Пункт 2.13.4.3. Заменить слова: «после насоса в
контуре» на «после насоса и диспергатора (черт. 18а) и после насоса (черт.
18б) в контуре».
|
|
Приложение 1.
Чертеж 18. Наименование
|
Схема отбора проб из трубопровода
|
Схема отбора проб нефти из трубопровода при помощи пробозаборных
устройств щелевого типа
|
|
Приложение 1. Подрисуночная подпись
|
Черт. 18
|
Черт. 18а
|
|
чертеж 18б
|
-
|
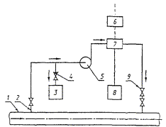
Схема отбора проб нефти и нефтепродуктов из
трубопроводов

1 - трубопровод; 2 - пробозаборное
устройство; 3, 8 - пробосборник; 4 - кран для ручного отбора
проб; 5 - насос; 6 - регулятор; 7 - запорное устройство;
9 - обратный клапан
Черт. 18б
|