Крупнейшая бесплатная информационно-справочная система онлайн доступа к полному собранию технических нормативно-правовых актов РФ. Огромная база технических нормативов (более 150 тысяч документов) и полное собрание национальных стандартов, аутентичное официальной базе Госстандарта. GOSTRF.com - это более 1 Терабайта бесплатной технической информации для всех пользователей интернета. Все электронные копии представленных здесь документов могут распространяться без каких-либо ограничений. Поощряется распространение информации с этого сайта на любых других ресурсах. Каждый человек имеет право на неограниченный доступ к этим документам! Каждый человек имеет право на знание требований, изложенных в данных нормативно-правовых актах!

  


 

ГОСУДАРСТВЕННЫЙ СТАНДАРТ СОЮЗА ССР

АППАРАТУРА КОНТРОЛЯ
РАДИАЦИОННОЙ БЕЗОПАСНОСТИ
НА АТОМНЫХ СТАНЦИЯХ

ОБЩИЕ ТЕХНИЧЕСКИЕ ТРЕБОВАНИЯ

ГОСТ 27452-87

(СТ СЭВ 5738-86)

ГОСУДАРСТВЕННЫЙ КОМИТЕТ СССР ПО СТАНДАРТАМ

Москва

ГОСУДАРСТВЕННЫЙ СТАНДАРТ СОЮЗА ССР

АППАРАТУРА КОНТРОЛЯ РАДИАЦИОННОЙ БЕЗОПАСНОСТИ НА АТОМНЫХ СТАНЦИЯХ

Общие технические требования

Safety radiation control apparatus for nuclear power stations. General technical requirements

ГОСТ
27452-87

(CT СЭВ 5738-86)

Срок действия с 01.07.88

до 01.07.93

Несоблюдение стандарта преследуется по закону

Настоящий стандарт распространяется на аппаратуру контроля радиационной безопасности (далее - аппаратуру), используемую для измерения параметров, характеризующих поля, источники ионизирующих излучений и эффекты взаимодействия излучения со средой на атомных станциях (АС) и в прилегающих к ним зонах - санитарно-защитной зоне (СЗЗ) и зоне наблюдения (ЗН), и применяемую для контроля за соблюдением санитарных правил и норм радиационной безопасности.

Стандарт содержит все требования СТ СЭВ 5738-86. В стандарт дополнительно включены требования стойкости, прочности, устойчивости к внешним воздействиям, конструктивные требования, расширена область распространения стандарта (см. приложение 1).

Пояснения терминов, используемых в настоящем стандарте приведены в приложении 2.

1. ТРЕБОВАНИЯ НАЗНАЧЕНИЯ

1.1. Аппаратура должна постоянно обеспечивать получение информации о значениях контролируемых радиационных параметров (далее - параметров), характеризующих радиационную обстановку на промплощадке АС, а также в прилегающих к АС зонах - СЗЗ и ЗН, используемой для установления соответствия значений параметров требованиям «Норм радиационной безопасности (НРБ-76)», «Основных санитарных правил работы с радиоактивными веществами и другими источниками ионизирующих излучений (ОСП-72/80)», «Санитарных правил проектирования и эксплуатации атомных электростанций (СП АЭС-79)» и других документов, определяющих меры и порядок обеспечения радиационной безопасности на АС и утвержденных в установленном порядке.

1.2. Аппаратура должна выполнять функции:

1) контроля жидких сбросов и газоаэрозольных выбросов АС;

2) контроля содержания радиоактивных веществ в технологических контурах с целью оценки и прогнозирования состояния основного оборудования АС и предотвращения утечки радионуклидов;

3) контроля полей ионизирующих излучений и радиоактивного загрязнения воздуха и поверхностей в производственных помещениях АС;

4) индивидуального контроля за внешним и внутренним облучениями персонала АС;

5) контроля радиоактивного загрязнения тела и одежды персонала АС, контроля транспорта;

6) контроля радиоактивного загрязнения объектов окружающей среды и полей ионизирующих излучений в контролируемом районе расположения АС;

7) контроля метеорологических параметров, определяющих распространение радионуклидов во внешнюю среду;

8) обработки и хранения результатов контроля, представления необходимых данных оператору, выдачи сигналов на средства автоматизации контроля радиационной безопасности (КРБ) или в автоматизированные системы управления радиационной безопасностью (АСУ РБ).

Состав аппаратуры может быть расширен за счет включения автономных технических средств, выполняющих функции автоматизированного контроля технологических процессов (например, в спецпрачечной, а также при обработке и хранении твердых и жидких радиоактивных отходов).

1.3. Количественный состав аппаратуры должен быть установлен проектом на конкретную АС.

Минимальный состав и объем функций контроля аппаратуры указан в табл. 1.

1.4. Аппаратура должна содержать:

1) технические средства в соответствии с табл. 1;

2) необходимые технические средства для поверки аппаратуры непосредственно на АС;

3) комплекты ремонтной аппаратуры;

4) комплекты запасных частей и принадлежностей, монтажных деталей и инструментов.

Таблица 1

Вид контроля радиационной безопасности

Контролируемый радиационный параметр

Аппаратура непрерывного контроля

Радиометрические, дозиметрические и спектрометрические приборы

Дозиметрические приборы индивидуального контроля

системы дистанционного контроля

стационарные приборы местного контроля*

СРК-Н

СРК-А

лабораторные

носимые

1. Контроль жидких сбросов и газоаэрозольных выбросов АС

Объемная и суммарная активность радионуклида в жидкости

+

+

-

+

+

-

Объемная и суммарная активность радионуклида в газе

+

+

-

+

+

-

Объемная и суммарная активность радиоактивного аэрозоля

+

+

-

+

-

-

2. Контроль содержания радиоактивных веществ в технологических контурах с целью оценки и прогнозирования состояния основного оборудования АС и предотвращения утечек радионуклидов

Объемная и суммарная активность радионуклида в жидкости

+

-

-

+

+

-

Плотность потока ионизирующих частиц

+

-

-

-

-

-

Объемная активность радиоактивного аэрозоля и газа в воздухе помещений

+

+

-

+

-

-

3. Контроль полей ионизирующих излучений и радиоактивного загрязнения в производственных помещениях АС

Поверхностная активность радионуклида (загрязненность поверхностей)

-

-

-

+

+

-

Удельная активность радионуклида

-

-

-

-

+

-

Плотность потока ионизирующих частиц 1

+

-

-

-

+

-

Мощность экспозиционной дозы фотонного излучения

+

+

-

-

+

-

Объемная активность радиоактивного аэрозоля и радионуклида в газе

+

+

-

-

-

-

4. Индивидуальный контроль за внешним и внутренним облучениями персонала АС

Поглощенная доза излучения

-

-

-

-

-

+

Эквивалентная доза излучения

-

-

-

-

-

+

Энергетическое распределение излучения

-

-

+

-

-

-

5. Контроль радиоактивного загрязнения тела и одежды персонала АС, контроль транспорта

Плотность потока ионизирующих частиц

-

-

+

-

+

-

Мощность экспозиционной дозы фотонного излучения

-

-

+

-

+

-

6. Контроль радиоактивного загрязнения объектов окружающей среды и полей ионизирующих излучений в контролируемом районе расположения АС

Мощность экспозиционной дозы фотонного излучения

+

+

-

-

+

-

Поглощенная доза излучения

-

-

-

-

-

+

Удельная активность радионуклида

-

-

-

+

-

-

Объемная активность радионуклида в жидкости

+

+

-

+

+

-

Объемная активность радиоактивного йода

-

+

-

+

-

-

Объемная активность радиоактивного аэрозоля

-

-

-

+

-

-

Энергетическое распределение излучения

-

-

-

+

-

-

7. Контроль метеорологических параметров, определяющих распространение радионуклидов во внешнюю среду

Направление, флуктуация направления и скорость ветра

+

+

-

-

-

-

Температура и градиент температуры воздуха

+

+

-

-

-

-

Количество осадков

+

+

-

-

-

-

* Могут входить в системы дистанционного контроля.

Примечания:

1. Обработка и хранение результатов контроля, представление необходимых данных оператору, выдача сигналов на средства автоматизации КРБ в АСУ РБ обеспечивается входящими в состав аппаратуры средствами вычислительной техники.

2.   «+» - аппаратура требуется;

«-» - аппаратура не требуется.

1.5. Технические средства (блоки, устройства, приборы, линии связи) дистанционного контроля из состава аппаратуры должны позволять образовывать информационно-измерительную систему радиационного контроля для нормальных условий эксплуатации АС (СРК-Н) и систему радиационного контроля повышенной надежности для аварийных условий (СРК-А).

СРК-А и СРК-Н должны быть энергонезависимыми.

В структурах СРК-А и СРК-Н должны быть предусмотрены устройства местной индикации уровней гамма-излучения, энергонезависимые от других средств.

1.6. Аппаратура должна позволять образовывать автоматизированную систему управления радиационной безопасностью АС (АСУ РБ АС), совместимую с автоматизированной системой управления технологическим процессом АС, и должна эксплуатироваться независимо от работы составных частей общей системы.

АСУ РБ АС должно быть предусмотрено выполнение функций, связанных с обеспечением безопасности АС:

1) экстренный автоматический анализ на ЭВМ возможных причин внезапно возникшего отклонения от режима нормальной эксплуатации и норм радиационной безопасности;

2) отображение информации на цветных видеотерминалах в объеме, необходимом оператору для принятия решения о мерах по предотвращению неблагоприятных радиационных ситуаций;

3) обработка результатов, полученных в условиях нормальной эксплуатации и в процессе развития неблагоприятной радиационной ситуации, и составление отчета (протокола);

4) составление банка данных радиационного контроля АС и окружающей среды с выдачей отчетных данных (за смену, сутки, неделю, месяц, квартал, год) и прогноза радиационной обстановки;

5) составление банка данных индивидуального дозиметрического контроля персонала с выдачей допусков к работе в условиях ионизирующих излучений и отчетных данных о дозовых нагрузках по профессиям и подразделениям за различные календарные периоды;

6) прогнозирование распространения радионуклидов, радиационной нагрузки окружающей среды;

7) выдача сигналов с рекомендацией останова энергоблока АС из-за недопустимых значений газоаэрозольных выбросов и жидких сбросов;

8) выдача сигналов с рекомендацией выключения части оборудования АС из-за недопустимых утечек радионуклидов или недопустимого уровня радиоактивного загрязнения оборудования и технологических сред;

9) выдача сигналов с рекомендацией включения в работу устройств, локализующих активность;

10) выдача указаний персоналу АС о принятии индивидуальных защитных мер по радиационной безопасности;

11) переключение воздухозаборных магистралей с целью подачи контролируемой среды в блоки и (или) устройства детектирования газоаэрозольного контроля;

12) выдача указаний по результатам контроля загрязнения поверхностей по проходу персонала и проезду транспорта;

13) выдача указаний по мерам защиты населения в контролируемом районе расположения АС.

2. ТРЕБОВАНИЯ НАДЕЖНОСТИ

2.1. Структурой СРК-Н и СРК-А должна быть обеспечена повышенная надежность и сохранение работоспособности систем при повреждении отдельных элементов.

Структурой СРК-А должна быть обеспечена повышенная надежность сбора информации на резервный щит радиационного контроля при повреждениях пульта СРК-Н.

К отдельным элементам систем должны быть предусмотрены независимые вводы энергопитания, исключающие одновременное прекращение питания всех элементов.

2.2. Возможная структура СРК-Н с использованием магистрали последовательного канала передачи данных (например, интерфейса ИЛПС) для связи станций сбора данных приведена в приложении 3.

При использовании структуры подобного типа должна быть обеспечена работоспособность станций сбора данных по функции местной аварийной сигнализации в случае повреждения канала передачи данных.

Должна быть обеспечена работоспособность канала передачи данных при повреждении отдельных станций сбора данных.

Расстояние по кабелю между двумя соседними станциями сбора данных, а также между станцией и пультом должно быть не менее 1 км.

2.3. В структурах СРК-Н и СРК-А должны быть предусмотрены связи с ЭВМ, указанной в проекте АС и (или) устройство для дистанционной передачи данных.

На пульте СРК должна быть предусмотрена сигнализация при повреждении элементов канала передачи данных и дистанционных устройств СРК.

2.4. Требования надежности должны соответствовать требованиям ГОСТ 27451-87 или быть установлены по согласованию с заказчиком.

3. ТРЕБОВАНИЯ СТОЙКОСТИ К ВНЕШНИМ ВОЗДЕЙСТВИЯМ

3.1. Требования к устойчивости, стойкости, прочности технических средств к климатическим и механическим воздействиям следует выбирать в соответствии с требованиями ГОСТ 27451-87 или устанавливать, по согласованию с заказчиком, по ГОСТ 12997-84.

3.2. Радиационные и сейсмические требования должны быть установлены по согласованию с заказчиком.

4. ТРЕБОВАНИЯ МЕТРОЛОГИЧЕСКИЕ. ТРЕБОВАНИЯ К ЭЛЕКТРИЧЕСКИМ СИГНАЛАМ И ЭЛЕКТРОПИТАНИЮ

4.1. Метрологические требования должны соответствовать ГОСТ 27451-87.

4.2. Требования к видам, параметрам и характеристикам входных и выходных сигналов и цепей передачи данных должны соответствовать требованиям ГОСТ 19154-73.

4.3. Требования к электропитанию должны соответствовать требованиям ГОСТ 27451-87.

5. КОНСТРУКТИВНЫЕ ТРЕБОВАНИЯ

5.1. Технические средства, входящие в состав аппаратуры, должны быть совместимы с другими взаимодействующими с ними ТС.

5.2. Конструктивные требования, а также требования эргономические, технологические, эстетические, контролепригодности, ремонтопригодности и условия эксплуатации должны соответствовать ГОСТ 27451-87 и (или) быть установлены по согласованию с заказчиком.

6. ТРЕБОВАНИЯ БЕЗОПАСНОСТИ

6.1. В аппаратуре должно быть максимально ограничено применение горючих материалов и пожароопасных веществ, а также кабелей из материалов с низкими пределами огнестойкости. При любых возникающих в аппаратуре неисправностях она не должна быть источником возгорания.

6.2. Конструкция аппаратуры должна быть безопасной для обслуживающего персонала. Эксплуатационная документация должна содержать указания по безопасным приемам работ при техническом обслуживании аппаратуры.

6.3. Все элементы аппаратуры, находящиеся под напряжением более 42 В переменного тока и более 110 В постоянного тока относительно корпуса, должны быть недоступными для случайного прикасания при эксплуатации.

6.4. Для защиты персонала от поражения электрическим током токоведущие части аппаратуры должны быть надежно изолированными, а корпуса конструктивно законченных частей аппаратуры (например, кожух, стойка, шкаф) должны иметь элементы для защитного заземления и быть заземлены путем подключения к заземляющему контуру объекта с переходным сопротивлением не более 0,1 Ом по ГОСТ 12.2.007.0-75.

6.5. Технические средства, контактирующие с радиоактивными веществами, имеющие в своем составе контрольные радиоактивные источники, и (или) активируемые в процессе эксплуатации (например блоки детектирования и устройства детектирования) должны иметь знак радиационной опасности в соответствии с требованиями ГОСТ 17925-72. При работе с этими средствами и их деталями (проверка, демонтаж, замена и т.п.) необходимо выполнять требования ОСП-72/80.

ПРИЛОЖЕНИЕ 1

Обязательное

ГОСТ 27452-87

СТ СЭВ 5738-86

Пункт

Содержание требований

Пункт

Содержание требований

Вводная часть

Область распространения стандарта - аппаратура для атомных станций (АС) и прилегающих к ним зон - санитарно-защитной (СЗЗ) и зоны наблюдения (ЗН)

Вводная часть

Область распространения стандарта - аппаратура для атомных электростанций (АЭС) и атомных станций теплоснабжения (ACT)

Нет ограничения по типу реактора

 

Только для атомных станций с водо-водяными реакторами.

Приложение 2, рекомендуемое 3.1

Включает большее количество терминов

Приложение 2, информационное

-

Требования к устойчивости, стойкости, прочности технических средств к климатическим и механическим воздействиям

ПРИЛОЖЕНИЕ 2

Рекомендуемое

ПОЯСНЕНИЯ ТЕРМИНОВ, ИСПОЛЬЗУЕМЫХ В НАСТОЯЩЕМ СТАНДАРТЕ

Термин

Пояснение

Атомная станция (АС);

По «Общим положениям обеспечения безопасности АС при проектировании, сооружении и эксплуатации» (ОПБ -82), утвержденным ГКАЭ СССР, Минэнерго СССР, Госгортехнадзором СССР и согласованным с Госстроем СССР в июле 1982 г.

Санитарно-защитная зона (СЗЗ) АС;

Зона наблюдения (ЗН) АС

Радиационная обстановка

Совокупность радиационных факторов, способных воздействовать на персонал и население в пространстве и во времени; облучаемость персонала и населения

Нормальная радиационная обстановка

Радиационная обстановка, соответствующая протеканию технологических процессов в соответствии с заданными технологическими схемами и установленными для них значениями факторов радиационного воздействия на человека и окружающую среду

Аварийная радиационная обстановка

Радиационная обстановка, соответствующая неожиданным существенным (превышающим допустимые) отклонениям хода технологических процессов от заданных технологическими схемами и установленными для них значениями факторов радиационного воздействия на человека и окружающую среду

Радиационная безопасность АС

Определение по ГОСТ 20291-84

Контроль радиационной безопасности (КРБ)

Контроль параметров радиационной обстановки при помощи организационных, методических и технических методов и средств, обеспечивающих получение необходимой достаточной и достоверной информации об этих параметрах (на АС, ее территории, в СЗЗ и ЗН)

Контролируемый радиационный параметр

Физическая величина, характеризующая поля, источники ионизирующих излучений, и результаты взаимодействия ионизирующих излучений со средой, применяемая для оценки состояния радиационной обстановки

Радиационный параметр

Дистанционный контроль

Контроль с получением измерительной информации о радиационной обстановке на удаленном от места выполнения контроля объекте

Местный контроль

Контроль с получением измерительной информации о радиационной обстановке непосредственно на месте контроля

Лабораторный контроль

Контроль путем проведения в лабораторных условиях радиометрического анализа проб сред, отобранных на АС

Индивидуальный контроль

Контроль внутреннего и внешнего облучения персонала и, при необходимости, ограниченной части населения

Непрерывный контроль

Определение по ГОСТ 16504-81

Периодический контроль

Определение по ГОСТ 16504-81

Эпизодический контроль

Контроль радиационного параметра с получением измерительной информации по мере необходимости

Инспекционный контроль

Определение по ГОСТ 16504-81

Аппаратура контроля радиационной безопасности (АКРБ)

Обобщающий термин, используемый для обозначения всей номенклатуры технических и соответствующих программных средств, используемых для контроля радиационной безопасности па атомных станциях

Автоматизированная система управления радиационной безопасностью атомных станций (АСУ РБ АС)

Организованная совокупность средств технического, программного, информационного, организационного обеспечения контроля и управления радиационной обстановкой на атомной станции, предназначенных для предупреждения облучения персонала, отдельных лиц из населения и загрязнения окружающей среды выше допустимых норм. Данная система может создаваться на базе других систем радиационного контроля для АС (СРК-Н, СРК-А, СРК), автономных систем контроля радиационной безопасности для различных групп технологических процессов, которые в этом случае являются ее составными частями

Станция сбора данных (ССД)

Совокупность связанных между собой технических средств контроля радиационной безопасности, обеспечивающая сбор, предварительную обработку и передачу данных радиометрического, дозиметрического и спектрометрического контроля, а также местную сигнализацию и индикацию

Рабочее место оператора-дозиметриста (РМОД)

Совокупность связанных между собой технических средств отображения информации и управления радиационной безопасностью

Система радиационного контроля (СРК)

Совокупность средств технического, программного, информационного, метрологического и организационного обеспечения для автоматизированного контроля ионизирующих излучений, параметров и характеристик источников ионизирующих излучений атомной станции с целью ограничения облучения персонала, населения и охраны природы

Стационарный прибор

Прибор, предназначенный для эксплуатации в фиксированном пространственном положении в течение всего срока службы (за исключением перемещений, связанных с ремонтом или проверкой)

Переносной прибор

Прибор, предназначенный для нормального функционирования при установке в различных точках пространства и переносимый от точки к точке в нерабочем состоянии

Носимый прибор

Прибор, приспособленный к нормальному функционированию в процессе его ношения человеком

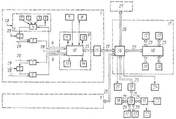
ПРИЛОЖЕНИЕ 3

Рекомендуемое

Пример структуры СРК-Н

1 - энергоблок атомной станции; 2 - станция сбора данных радиационного контроля; 3 - блоки и устройства детектирования ионизирующих излучений; 4 - периферийное устройство накопления и обработки информации; 5 - местное устройство отображения информации; 6 - последовательный канал передачи данных; 7 - станция сбора данных индивидуального дозиметрического контроля; 8 - станция сбора данных загрязненности населения; 9 - рабочее место оператора-дозиметриста; 10 - пульт; 11 - черно-белый дисплей; 12 - цветной дисплей; 13 - знакопечатающее устройство; 14 - записывающее устройство; 15 - блок связи; 16 - центральный пульт; 17 - центральная операторская контроля радиационной безопасности АС (КРБ АС); 18 - электронно-вычислительная машина (ЭВМ); 19 - накопитель на магнитном диске; 20 - накопитель на магнитной ленте; 21 - станция ввода данных контролируемых проб; 22 - станция сбора данных радиационного контроля внешней среды; 23 - станция сбора метеорологических данных; 24 - станция сбора данных о загрязненности транспорта; 25 - каналы обмена информацией; 26 - связь с автоматизированной системой управления технологическими процессами АС (АСУ ТП АС); 27 - АСУ ТП АС; 28 - вводы независимого энергопитания

ИНФОРМАЦИОННЫЕ ДАННЫЕ

1. ИСПОЛНИТЕЛИ

В.А. Казанкин; В.М. Зимина

2. УТВЕРЖДЕН И ВВЕДЕН В ДЕЙСТВИЕ Постановлением Государственного комитета СССР по стандартам от 26.10.87 № 4003

3. Срок проверки - 1992 г.; периодичность проверки - 5 лет.

4. Стандарт соответствует стандартам МЭК: МЭК 231 - в части контроля плотности потока нейтронов и обеспечения аппаратуры энергопитанием; МЭК 232 - в части применения измеряемых параметров и назначения аппаратуры; МЭК 768 - в части организации технического обеспечения радиационного контроля на АС.

5. ВЗАМЕН ГОСТ 21766-76, ГОСТ 23766-79

6. Стандарт содержит все требования СТ СЭВ 5738-86.

7. ССЫЛОЧНЫЕ НОРМАТИВНО-ТЕХНИЧЕСКИЕ ДОКУМЕНТЫ

Обозначение НТД, на который дана ссылка

Номер пункта, подпункта, перечисления, приложения

ГОСТ 122.007.0-75

6.4

ГОСТ 12997-84

3.1

ГОСТ 16504-81

Приложение 2

ГОСТ 17925-72

6.5

ГОСТ 19154-73

4.2

ГОСТ 26291-84

Приложение 2

ГОСТ 27451-87

2.4; 3.1; 4.1; 5.2; 4.3

СОДЕРЖАНИЕ

 

 




ГОСТЫ, СТРОИТЕЛЬНЫЕ и ТЕХНИЧЕСКИЕ НОРМАТИВЫ.
Некоммерческая онлайн система, содержащая все Российские Госты, национальные Стандарты и нормативы.
В Системе содержится более 150000 файлов нормативно-технической документации, действующей на территории РФ.
Система предназначена для широкого круга инженерно-технических специалистов.

Рейтинг@Mail.ru Яндекс цитирования

Copyright © www.gostrf.com, 2008 - 2026