Крупнейшая бесплатная информационно-справочная система онлайн доступа к полному собранию технических нормативно-правовых актов РФ. Огромная база технических нормативов (более 150 тысяч документов) и полное собрание национальных стандартов, аутентичное официальной базе Госстандарта. GOSTRF.com - это более 1 Терабайта бесплатной технической информации для всех пользователей интернета. Все электронные копии представленных здесь документов могут распространяться без каких-либо ограничений. Поощряется распространение информации с этого сайта на любых других ресурсах. Каждый человек имеет право на неограниченный доступ к этим документам! Каждый человек имеет право на знание требований, изложенных в данных нормативно-правовых актах!

  


 

ГОСУДАРСТВЕННЫЙ СТАНДАРТ СОЮЗА ССР

ДЕТАЛИ ПРОФИЛЬНЫЕ ИЗ ДРЕВЕСИНЫ И ДРЕВЕСНЫХ МАТЕРИАЛОВ ДЛЯ СТРОИТЕЛЬСТВА

Технические условия

ГОСТ 8242-88

Москва

ГОСУДАРСТВЕННЫЙ СТАНДАРТ СОЮЗА ССР

ДЕТАЛИ ПРОФИЛЬНЫЕ ИЗ ДРЕВЕСИНЫ И ДРЕВЕСНЫХ
МАТЕРИАЛОВ ДЛЯ СТРОИТЕЛЬСТВА

Технические условия

Profiled details from wood and wood materials for building.
Specifications

ГОСТ
8242-88

Дата введения 01.01.89

Настоящий стандарт распространяется на профильные детали из древесины и древесных материалов для строительства (далее - детали): доски и бруски для покрытия полов, подоконные доски, плинтусы, наличники, поручни и обшивки.

1. ОСНОВНЫЕ ПАРАМЕТРЫ И РАЗМЕРЫ

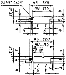
1.1. Номин. размеры поперечного сечения деталей, их марки и материал должны соответствовать указанным в табл. 1.

1.2. Длины деталей устанавливают по спецификации по согласованию изготовителя с потребителем с прирезкой по длине под углом 90 или 45°.

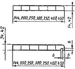
При отсутствии спецификации детали изготовляют следующих длин, мм:

подоконные доски................... 700, 850, 1000, 1300, 1450, 1600, 1900, 2200, 2500, 2800 (размеры рекомендуемые)

остальные детали..................... от 2100 и более

1.3. Пред. откл. от номин. размеров деталей не должны быть более, мм:

по длине.................................................................. ±3,0 (для прирезанных деталей)

»   ширине............................................................... ±1,0

»   толщине............................................................. ±1,0

»   высоте паза и четверти....................................

»   толщине и ширине гребня и четверти............

»   остальным размерам сечений......................... ±1,0

Провесы на лицевых сторонах сопрягаемых деталей не должны превышать 1 мм.

1.4. Откл. от перпендикулярности сторон деталей не должно быть более 1 мм на участке длиной 100 мм.

Откл. от плоскостности (покоробленность) не должно быть более:

для подоконных досок и поручней............. 1,5 мм на 1 м длины и 1 мм по ширине

для досок пола............................................... 3,0 мм на 1м длины и 2 мм по ширине

Для плинтусов, наличников и обшивок откл. от плоскостности считают допустимым, если оно устраняется легким прижатием к ровной поверхности.

Откл. от прямолинейности любой кромки детали по длине на 1 м длины не должно быть более:

для поручней, подоконных досок и досок для

покрытия пола шириной более 70 мм марки ДП-35......................... 2 мм

для др. деталей шириной более 70 мм................................................ 3 мм

для плинтусов и наличников шириной менее 70 мм........................ 6 мм

Таблица 1

Наименование и номинальный размер сечения детали

Марка детали

Материал детали

1. Доски для покрытия полов

 

 

ДП-21

Древесина хвойных и лиственных пород, кроме липы и тополя

ДП-27

Древесина хвойных и лиственных пород, кроме липы и тополя. Осина и ольха допускаются для жилых зданий

ДП-35

Древесина хвойных и лиственных пород, кроме липы, тополя, осины и ольхи

2. Бруски для покрытия полов

 

 

БП-27

Древесина хвойных и лиственных пород, кроме липы и тополя. Осина и ольха допускаются для жилых зданий

3. Плинтусы

 

 

Пл-1

Древесина хвойных и лиственных пород

Пл-2

То же

Пл-3

»

Пл-4

»

Пл-5

Древесина хвойных и лиственных пород

Пл-6

То же

4. Наличники

 

 

Н-1

»

Н-2

»

Н-3

Древесноволокнистая твердая плита

Н-4

Склеенная из 2 - 3 слоев древесноволокнистая твердая плита

Н-5

Древесностружечная плита

Н-6

Прессованная древесностружечная масса

5. Поручни

 

 

П-1

Древесина хвойных и лиственных пород

П-2

То же

6. Обшивка

 

 

О-1

Древесина хвойных пород и осина для наружной обшивки Древесина хвойных и лиственных пород для внутренней обшивки

О-2

То же

О-3

То же

О-4

Древесина хвойных пород и осина для наружной обшивки. Древесина хвойных и лиственных пород для внутренней обшивки

7. Подоконные доски

 

 

ПД-1

Древесина хвойных пород. Не допускается смешивать породы в одной подоконной доске, кроме сосны, ели, пихты

ПД-2

Цементностружечная плита

ПД-3

Древесина хвойных пород, сверхтвердая древесноволокнистая плита мокрого способа производства или водостойкая фанера

Примечания:

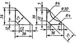
1. Неуказанные радиусы сечений деталей должны быть 5 мм, фаски (2×45)° или (2×30)°. Для обшивки марки О-3 толщиной 16 мм размер от нижней пласти до гребня увеличивают на 3 мм.

2. Наличники марок Н-3, Н-4, Н-5, Н-6 изготовляют по согласованию с потребителем.

3. Доски для покрытия полов марки ДП-21 применяют для жилых зданий, марки ДП-35 - для производственных зданий, физкультурных залов и др. помещений с повышенной нагрузкой на полы. При настиле досок для покрытия полов марки ДП-21 расстояние между лагами должно быть не более 300 мм.

4. Подоконные доски, за исключением марки ПД-2, изготавливают с фаской или закруглением по лицевой кромке. По требованию потребителей подоконные доски изготовляют с выбранными капельниками.

Подоконная доска марки ПД-3 должна изготовляться со сплошным заполнением.

5. В индивидуальных проектах жилых и общественных зданий, а также при реконструкции и ремонте допускается применение деталей др. профилей.

1.5. Условное обозначение должно состоять из марки детали, сечения, длины (для подоконных досок и деталей, прирезанных по длине) и обозначения настоящего стандарта.

Примеры условных обозначений

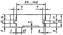
Доска для покрытия пола толщиной 21 мм и шириной пласти 64 мм, не прирезанная по длине:

ДП-21×64-ГОСТ 8242-88

Плинтус марки 1, прирезанный по длине на 2100 мм:

Пл-1-2100-ГОСТ 8242-88

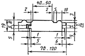
Подоконная доска марки 1 толщиной 34 мм, шириной 300 мм, длиной 1450 мм:

ПД-1-34×300×1450-ГОСТ 8242-88

2. ТЕХНИЧЕСКИЕ ТРЕБОВАНИЯ

2.1. Детали должны изготовляться в соответствии с требованиями настоящего стандарта по технологической документации, утвержденной в установленном порядке.

2.2. Характеристики

2.2.1. В древесине деталей не допускаются пороки, превышающие нормы, указанные в табл. 2.

Таблица 2

Порок древесины и обработки по ГОСТ 2140

Норма ограничения в деталях

на лицевой поверхности

на нелицевой поверхности

под прозрачное покрытий

под непрозрачное покрытие

1. Сучки

Не допускаются размером в долях стороны, пластевые (первое число), ребровые (второе число) более:

Не ограничиваются

1/3 - 1/4

1/2 - 1/4

 

(здоровые сросшиеся 1/2 - 1/4)

 

 

2. Трещины несквозные

Не допускаются суммарной длиной более:

1/6

1/3

длины детали, шириной, мм, более:

1

3

глубиной (для торцевых трещин) в долях толщины более:

1/5

1/4

1/3

3. Грибные ядровые пятна, заболонные грибные и химические окраски, побурение, ложное ядро, засмолок

Не допускаются

Не ограничиваются

4. Кармашки и червоточины

Не допускаются

Не допускаются шириной (диаметром) более 8 мм

5. Вырыв, выхват, запил, вмятина, скол,

Не допускаются глубиной, мм, более:

задир, выщербина

0,5

3

5

6. Гнили, острый обзол, пасынок, прорость, рак, сквозные трещины, бахрома

Не допускаются

7. Свилеватость, завиток, крень, водослой, глазки

Не ограничиваются

Примечания:

1. Лицевыми являются поверхности, видимые при эксплуатации.

2. Сердцевина не допускается на лицевой поверхности досок и брусков для покрытия полов, подоконных досок я деталей под прозрачное покрытие, в остальных случаях - не ограничивается.

3. Тупой обзол в досках в брусках для покрытая полов и обшивках допускается с нелицевой стороны до паза, гребня или четверти. Обзол должен быть очищен от коры.

2.2.2. В поручнях на лицевой поверхности под прозрачное покрытие не допускаются все виды пороков, кроме здоровых, сросшихся сучков диаметром не более 8 мм, крени, водослоя, завитков, свилеватости, глазков, волосяных трещин, наклона волокон более 15%.

2.2.3. Допускаемые частично сросшиеся сучки диаметром до 15 мм, сучки несросшиеся, гнилые и табачные диаметром до 10 мм должны быть зашпатлеваны; сучки, размеры которых превышают указанные, должны быть заделаны пробками.

Пороки на нелицевых поверхностях (включая кромочные сучки) допускается не заделывать.

Допускаемые червоточины, трещины, выщербины, вырывы, вмятины и запилы на лицевой поверхности должны быть зашпатлеваны.

В деталях под прозрачное покрытие на лицевой поверхности не допускается более одной заделки пробкой на 1 м длины детали. Допускается шпатлевание деталей под цвет древесины.

По согласованию изготовителя с потребителем пороки, подлежащие шпатлеванию в деталях, поставляемых без отделочного покрытия, допускается не заделывать.

2.2.4. Влажность древесины деталей должна быть, %:

эксплуатируемых внутри помещений................ 12 ± 3

»               снаружи       »......................... 15 ± 3

По согласованию с организациями торговли влажность древесины деталей, поставляемых в розничную торговлю, допускается устанавливать до 20%.

Влажность древесины заделок должна быть на 2-3% меньше влажности древесины деталей.

2.2.5. Параметр шероховатости фрезерованных поверхностей деталей (Rmmax) по ГОСТ 7016 не должен быть более, мкм:

под прозрачное покрытие поручней.................. 80

др. деталей............................................................ 120

под непрозрачное покрытие............................... 200

нелицевых поверхностей..................................... 500

2.2.6. Детали из древесины изготовляют цельными или клееными по длине и сечению. Для склеивания деталей по длине под прозрачную отделку следует применять соединение с длиной зубчатого шипа до 10 мм.

2.2.7. Подоконные доски марки ПД-1 должны быть склеены по ширине. Ширина склеиваемых заготовок должна быть не более 100 мм.

Подоконные доски шириной 144 мм допускается не склеивать.

2.2.8. Клеевые соединения в деталях должны выполняться на клеях не ниже средней водостойкости по ГОСТ 17005.

2.2.9. Прочность клеевых соединений должна быть не менее:

на скалывание вдоль волокон............................. 4 МПа

» изгиб при зубчатом соединении.................... 24 МПа

» неравномерный отрыв:                                                                                          

листовых облицовочных материалов................. 1,50 кН/м

поливинилхлоридной декоративной пленки.... 1,8 Н/см

2.2.10. Детали поставляют без отделочного покрытия, с прозрачной и непрозрачной отделкой лицевых поверхностей лакокрасочными и защитно-декоративными материалами; подоконные доски по лицевым поверхностям могут быть облицованы шпоном или декоративным бумажнослоистым пластиком; наличники - поливинилхлоридной декоративной пленкой с клеящим слоем.

Наличники марок Н-3, Н-4, Н-5, Н-6 следует изготавливать с законченным отделочным покрытием и применять в помещениях с нормальным влажностным режимом.

Вид отделочного покрытия определяют по согласованию изготовителя с потребителем.

2.2.11. Качество лакокрасочных покрытий деталей должно быть не ниже IV класса по ГОСТ 24404. В законченном покрытии не допускаются поднятие ворса, просвечивание основы и пропуски покрытия.

На лицевых поверхностях деталей с декоративной облицовкой листовыми или пленочными материалами размеры и число царапин, вмятин, пятен, включений, структурных неровностей должны быть не более IV класса по ГОСТ 24404. Остальные дефекты не допускаются.

2.2.12. Лакокрасочные покрытия деталей должны иметь прочность сцепления (адгезию) с древесиной не ниже 2-го балла по ГОСТ 15140.

2.2.13. Доски для покрытия полов со стороны нижней пласти и подоконные доски в местах примыкания к стенам должны быть антисептированы. При наличии отделочного покрытия указанные поверхности деталей допускается не антисептировать.

Антисептированные поверхности не должны иметь пропусков защитного покрытия.

2.3. Упаковка и маркировка

2.3.1. Детали должны быть упакованы в транспортные пакеты или пачки. По требованию потребителя детали допускается не упаковывать.

2.3.2. Формирование транспортных пакетов должно соответствовать ГОСТ 21100.

Массу транспортного пакета определяют в зависимости от вида транспорта и технических характеристик погрузочно-разгрузочных средств.

Пачки должны быть сформированы из деталей одной марки, сечения и длины, (для прирезанных в размер деталей). Длина неприрезанных деталей в каждой пачке не должна отличаться от средней длины деталей в пачке более чем на 0,5 м. Наличники, прирезанные по длине, должны быть упакованы в пачку комплектом.

При формировании пачек один из торцов должен быть выровнен; детали длиной до 2,5 м должны быть увязаны не менее чем в двух местах, св. 2,5 до 4,0 м - в трех местах, св. 4,0 м - в четырех местах металлической лентой по ГОСТ 3560 или лентой из поливинилхлоридного пластика по ГОСТ 17617. Допускается использование других упаковочных материалов.

Упаковка должна обеспечивать плотность и сохранность деталей во время погрузки, транспортирования и разгрузки.

2.3.3. Подоконные доски, имеющие отделочное покрытие, укладывают лицевыми пластями попарно друг к другу. По требованию потребителя между отделанными поверхностями должна быть уложена прокладка из бумаги по ГОСТ 515.

2.3.4. Каждая пачка или пакет должны иметь ярлык, на котором указывают:

наименование или товарный знак предприятия-изготовителя;

условное обозначение деталей и вид отделочного покрытия;

кол. деталей по маркам, сечению, длине (для прирезанных в размер деталей) в метрах (кубических метрах, квадратных метрах) или штуках и виду отделочного покрытия;

дату изготовления и штамп ОТК.

Для розничной торговли на ярлыке дополнительно должна быть указана розничная цена и номер прейскуранта.

2.3.5. Транспортная маркировка - по ГОСТ 14192.

3. ПРИЕМКА

3.1. Детали принимают партиями. Партией считают число деталей одной марки, сечения, вида прирезки, вида отделки, оформленное одним документом о качестве.

Объем партии устанавливают по согласованию изготовителя с потребителем. При отсутствии спецификации допускается поставка деталей длиной от 1,0 до 2,1 м в объеме не более 10% партии, а для плинтусов - 25%.

3.2. Испытания деталей по показателям, приведенным в пп. 1.1 - 1.4, 2.2.1 - 2.2.5, 2.2.11, 2.2.13, являются приемосдаточными.

Для проверки применяют выборочный одноступенчатый контроль по альтернативному признаку по ГОСТ 23616. Планы контроля (приемочный уровень дефектности 4%) приведены в табл. 3.

Таблица 3

Объем партии

Объем выборки

Приемочное число

Браковочное число

До     90 включ.

8

1

2

Св.     90 до      280

13

1

2

   »   280  »       500

20

2

3

   »   500  »     1200

32

3

4

   » 1200  »     3200

50

5

6

   » 3200  »  10000

80

7

8

3.3. Приемочный контроль осуществляют в следующем порядке:

из партии деталей производят выборку методом случайного отбора по ГОСТ 18321;

проверяют каждую деталь в выборке на соответствие требованиям настоящего стандарта и определяют число деталей с недопустимыми дефектами;

партию принимают, если число дефектных деталей в выборке меньше или равно приемочному числу;

партию не принимают, если число дефектных деталей в выборке равно или больше браковочного числа.

3.4. Прочность клеевых соединений и прочность сцепления лакокрасочных покрытий с древесиной деталей проверяют не реже одного раза в квартал и при получении каждой новой партии клея и лакокрасочного материала.

3.5. Ширину досок и брусков для покрытия полов измеряют по лицевой стороне без учета высоты гребня, ширину обшивки - без учета глубины четверти или высоты гребня.

3.6. Каждая отгружаемая партия деталей должна сопровождаться документом, в котором должно быть указано:

наименование или товарный знак предприятия-изготовителя;

номер приемщика ОТК;

наименование деталей;

кол. деталей по маркам, сечению и длине (для прирезанных в размер деталей) в метрах (кубических метрах, квадратных метрах) или штуках;

порода древесины;

вид отделочного (облицовочного) покрытия;

дата отгрузки;

обозначение настоящего стандарта.

4. МЕТОДЫ КОНТРОЛЯ

4.1. Длину, ширину и толщину деталей измеряют металлическими линейками по ГОСТ 427, металлическими рулетками по ГОСТ 7502, предельными калибрами по ГОСТ 15876, штангенциркулями по ГОСТ 166, штангенглубиномерами по ГОСТ 162-80.

Ширину и толщину измеряют по торцам и посередине длины деталей.

4.2. Откл. от перпендикулярности (прямолинейности) сторон деталей определяют поверочными угольниками по ГОСТ 3749, поверочными линейками по ГОСТ 8026 и щупами по ГОСТ 8925 измерением максимального зазора.

Откл. от плоскостности определяют при помощи набора щупов замером наибольшего зазора между поверхностью проверяемого изделия и эталонной поверхностью с откл. от плоскостности не более ±0,1 мм/м.

4.3. Породу древесины определяют визуально. Пороки древесины и обработки оценивают и измеряют по ГОСТ 2140. Размер сучка определяют по наименьшему диаметру разреза сучка.

4.4. Влажность древесины деталей определяют по ГОСТ 16588.

4.5. Шероховатость поверхности деталей определяют по ГОСТ 15612 или сравнением с образцами-эталонами.

4.6. Прочность клеевого соединения на скалывание вдоль волокон определяют по ГОСТ 15613.1.

4.7. Прочность зубчатого клеевого соединения при статическом изгибе определяют по ГОСТ 15613.4.

4.8. Прочность склеивания листовых облицовочных материалов с древесиной деталей определяют по ГОСТ 25885, пленочных - по ГОСТ 15867.

4.9. Качество лакокрасочных покрытий определяют по ГОСТ 24404.

4.10. Качество антисептирования определяют визуально.

4.11. Прочность сцепления лакокрасочных покрытий с отделываемой поверхностью деталей проверяют методом «решетчатых надрезов» по ГОСТ 15140.

5. ТРАНСПОРТИРОВАНИЕ И ХРАНЕНИЕ

5.1. Детали транспортируют всеми видами транспорта в соответствии с правилами перевозки грузов, действующими на данном виде транспорта.

5.2. Детали должны храниться рассортированными по маркам, сечениям, длинам и степени заводской готовности деталей.

5.3. При погрузке, транспортировании, разгрузке и хранении должна быть обеспечена сохранность деталей (защита от механических повреждений, увлажнения, загрязнения). Условия хранения должны обеспечивать нормированную влажность древесины деталей.

6. ГАРАНТИИ ИЗГОТОВИТЕЛЯ

Изготовитель гарантирует соответствие деталей требованиям настоящего стандарта при соблюдении потребителем условий транспортирования и хранения.

ИНФОРМАЦИОННЫЕ ДАННЫЕ

1. РАЗРАБОТАН И ВНЕСЕН Министерством лесной промышленности СССР

РАЗРАБОТЧИКИ

В.В. Кислый, канд. техн. наук (руководитель темы); А.В. Крюкова; Т.С. Сластенко; А.В. Ткаченко; Н.А. Андрианов; Н.Б. Жуковская; В.С. Серебряков; Г.В. Левушкин; Н.В. Шведов

2. УТВЕРЖДЕН И ВВЕДЕН В ДЕЙСТВИЕ постановлением Государственного строительного комитета СССР от 15.08.88 № 163

3. ВЗАМЕН ГОСТ 8242-75, ГОСТ 17280-79

4. ССЫЛОЧНЫЕ НОРМАТИВНО-ТЕХНИЧЕСКИЕ ДОКУМЕНТЫ

Обозначение НТД, на которые дана ссылка

Номер пункта

Обозначение НТД. на который дана ссылка

Номер пункта

ГОСТ 162-80

4.1

ГОСТ 15612-86

4.5

ГОСТ 166-80

4.1

ГОСТ 15613.1-84

4.6

ГОСТ 427-75

4.1

ГОСТ 15613.4-78

4.7

ГОСТ 515-77

2.3.3

ГОСТ 15867-79

4.9

ГОСТ 2140-81

2.2.1, 4.3

ГОСТ 15876-70

4.1

ГОСТ 3560-73

2.3.2

ГОСТ 16588-79

4.4

ГОСТ 3749-77

4.4

ГОСТ 17005-82

2.2.8

ГОСТ 7016-82

2.2.5

ГОСТ 17617-72

2.3.2

ТОСТ 7502-80

4.1

ГОСТ 18321-73

3.3

ГОСТ 8026-76

4.2

ГОСТ. 21100-81

2.3.2

ГОСТ 8925-68

4.2

ГОСТ 23616-79

3.2

ГОСТ 14192-77

2.3.5

ГОСТ 24404-80

2.2.11, 4.9

ГОСТ 15140-78

2.2.12, 4.1.1

ГОСТ 25885-83

4.8

5. Переиздание. Октябрь 1991г.

ОТ ИЗДАТЕЛЬСТВА

Сборник государственных стандартов «Деревянные детали и изделия из древесины для строительства» содержит стандарты, утвержденные до 1 октября 1991г.

В стандарты внесены все изменения и поправки, принятые до указанного срока.

СПИСОК СОКРАЩЕНИЙ

в т.ч. - в том числе

ДВП - древесноволокнистая плита

др. - другой

ДСП - древесностружечная плита

кол. - количество

номин. - номинальный

НТД - нормативно-техническая документация

откл. - отклонение

ОТК - отдел технического контроля

пред. - предельный

пр. - прочие

ТУ -технические условия

Ур. ч. п. - уровень чистого пола

ЦСП - цементностружечная плита

СОДЕРЖАНИЕ

 

 




ГОСТЫ, СТРОИТЕЛЬНЫЕ и ТЕХНИЧЕСКИЕ НОРМАТИВЫ.
Некоммерческая онлайн система, содержащая все Российские Госты, национальные Стандарты и нормативы.
В Системе содержится более 150000 файлов нормативно-технической документации, действующей на территории РФ.
Система предназначена для широкого круга инженерно-технических специалистов.

Рейтинг@Mail.ru Яндекс цитирования

Copyright © www.gostrf.com, 2008 - 2026