Крупнейшая бесплатная информационно-справочная система онлайн доступа к полному собранию технических нормативно-правовых актов РФ. Огромная база технических нормативов (более 150 тысяч документов) и полное собрание национальных стандартов, аутентичное официальной базе Госстандарта. GOSTRF.com - это более 1 Терабайта бесплатной технической информации для всех пользователей интернета. Все электронные копии представленных здесь документов могут распространяться без каких-либо ограничений. Поощряется распространение информации с этого сайта на любых других ресурсах. Каждый человек имеет право на неограниченный доступ к этим документам! Каждый человек имеет право на знание требований, изложенных в данных нормативно-правовых актах!

  


 

ГОСУДАРСТВЕННЫЙ СТАНДАРТ СОЮЗА ССР

ЩЕБЕНЬ ИЗ ПРИРОДНОГО КАМНЯ,
ГРАВИЙ И ЩЕБЕНЬ ИЗ ГРАВИЯ ДЛЯ
СТРОИТЕЛЬНЫХ РАБОТ

Методы испытаний

Crushed aggregate of natural rock, gravel and
crushed-gravel aggregate for construction work.
Testing methods

ГОСТ
8269-87

(СТ СЭВ 5446-85,
СТ СЭВ 5975-87,
СТ СЭВ 6317-88)

Дата введения 01.07.87

Настоящий стандарт, распространяется на щебень из природного камня, гравий и щебень из гравия со средней плотностью зерен (включая поры) более 2,0 г/см3, применяемые в соответствии с требованиями нормативно-технических документов на заполнители для бетонов монолитных и сборных бетонных и железобетонных конструкций и на материалы для соответствующих видов строительных работ, и устанавливает методы их испытаний.

Содержание

1. ОБЩИЕ ПОЛОЖЕНИЯ

2. ОТБОР ПРОБ

3. ОПРЕДЕЛЕНИЕ ЗЕРНОВОГО СОСТАВА ЩЕБНЯ (ГРАВИЯ)

4. ОПРЕДЕЛЕНИЕ СОДЕРЖАНИЯ ДРОБЛЕНЫХ ЗЕРЕН В ЩЕБНЕ ИЗ ГРАВИЯ

5. ОПРЕДЕЛЕНИЕ СОДЕРЖАНИЯ В ЩЕБНЕ (ГРАВИИ) ПЫЛЕВИДНЫХ И ГЛИНИСТЫХ ЧАСТИЦ

6. ОПРЕДЕЛЕНИЕ СОДЕРЖАНИЯ В ЩЕБНЕ (ГРАВИИ) ГЛИНЫ В КОМКАХ

7. ОПРЕДЕЛЕНИЕ СОДЕРЖАНИЯ В ЩЕБНЕ (ГРАВИИ) ЗЕРЕН ПЛАСТИНЧАТОЙ (ЛЕЩАДНОЙ) И ИГЛОВАТОЙ ФОРМЫ

8. ОПРЕДЕЛЕНИЕ ДРОБИМОСТИ ЩЕБНЯ (ГРАВИЯ)

9. ОПРЕДЕЛЕНИЕ СОДЕРЖАНИЯ ЗЕРЕН СЛАБЫХ ПОРОД В ЩЕБНЕ (ГРАВИИ) И СЛАБЫХ РАЗНОСТЕЙ В ГОРНОЙ ПОРОДЕ

10. ОПРЕДЕЛЕНИЕ ИСТИРАЕМОСТИ ЩЕБНЯ (ГРАВИЯ) В ПОЛОЧНОМ БАРАБАНЕ

11. ОПРЕДЕЛЕНИЕ СОПРОТИВЛЕНИЯ ЩЕБНЯ (ГРАВИЯ) УДАРУ НА КОПРЕ ПМ

12. ОПРЕДЕЛЕНИЕ МОРОЗОСТОЙКОСТИ ЩЕБНЯ (ГРАВИЯ)

13. ОПРЕДЕЛЕНИЕ МИНЕРАЛО-ПЕТРОГРАФИЧЕСКОГО СОСТАВА ЩЕБНЯ (ГРАВИЯ)

14. ОПРЕДЕЛЕНИЕ НАЛИЧИЯ ОРГАНИЧЕСКИХ ПРИМЕСЕЙ В ГРАВИИ (ЩЕБНЕ ИЗ ГРАВИЯ)

15. ОПРЕДЕЛЕНИЕ ИСТИННОЙ ПЛОТНОСТИ ГОРНОЙ ПОРОДЫ И ЗЕРЕН ЩЕБНЯ (ГРАВИЯ)

16. ОПРЕДЕЛЕНИЕ СРЕДНЕЙ ПЛОТНОСТИ И ПОРИСТОСТИ ГОРНОЙ ПОРОДЫ И ЗЕРЕН ЩЕБНЯ (ГРАВИЯ)

17. ОПРЕДЕЛЕНИЕ НАСЫПНОЙ ПЛОТНОСТИ И ПУСТОТНОСТИ ЩЕБНЯ (ГРАВИЯ)

18. ОПРЕДЕЛЕНИЕ ВОДОПОГЛОЩЕНИЯ ГОРНОЙ ПОРОДЫ И ЩЕБНЯ (ГРАВИЯ)

19. ОПРЕДЕЛЕНИЕ ВЛАЖНОСТИ ЩЕБНЯ (ГРАВИЯ)

20. ОПРЕДЕЛЕНИЕ ПРЕДЕЛА ПРОЧНОСТИ ГОРНОЙ ПОРОДЫ ПРИ СЖАТИИ

21. ОПРЕДЕЛЕНИЕ КОЭФФИЦИЕНТА СНИЖЕНИЯ ПРОЧНОСТИ ГОРНОЙ ПОРОДЫ ПРИ НАСЫЩЕНИИ ВОДОЙ

22. ОПРЕДЕЛЕНИЕ РЕАКЦИОННОЙ СПОСОБНОСТИ ГОРНОЙ ПОРОДЫ И ЩЕБНЯ (ГРАВИЯ)

ПРИЛОЖЕНИЕ Справочное ОБЛАСТЬ ПРИМЕНЕНИЯ МЕТОДОВ ИСПЫТАНИЙ

1. ОБЩИЕ ПОЛОЖЕНИЯ

1.1. Область применения методов испытаний, предусмотренных настоящим стандартом, указана в справочном приложении.

1.2. Пробы взвешивают с погрешностью 0,1% массы, если в стандарте не даны другие указания.

В разделе «Аппаратура» даны ссылки на государственные стандарты на весы. Допускается использование аналогичных импортных весов.

1.3. Пробы, образцы или навески высушивают до постоянной массы в сушильном шкафу при температуре (105±5)°С до тех пор, пока разница между результатами двух взвешиваний будет не более 0,1 % массы навески. Каждое последующее взвешивание проводят после высушивания в течение не менее 1 ч и охлаждения не менее 45 мин.

1.4. Образцы для испытания изготовляют цилиндрической или кубической формы и их линейные размеры измеряют штангенциркулем с погрешностью до 0,1 мм.

Площадь каждого из оснований образца цилиндрической формы вычисляют по среднему арифметическому значению двух взаимно перпендикулярных диаметров.

Для определения площади нижней и верхней граней образца кубической формы вычисляют средние арифметические значения длины каждой пары параллельных ребер данной грани.

Площадь поперечного сечения образца вычисляют как среднее арифметическое значение площадей нижнего и верхнего оснований.

Высоту образца цилиндрической формы вычисляют как среднее арифметическое значение результатов измерений четырех образующих цилиндра, расположенных в четвертях его окружности.

Высоту образца кубической формы вычисляют как среднее арифметическое значение результатов измерений четырех вертикальных ребер.

Объем образца определяют как произведение площади поперечного сечения на высоту.

1.5. Результаты испытаний рассчитывают с точностью до второго слоя после запятой, если не даны другие указания относительно точности вычисления.

1.6. В качестве результата испытания принимают среднее арифметическое значение параллельных определений, предусмотренных для соответствующего метода.

1.7. Для определения зернового состава (гранулометрического анализа) отдельных фракций щебня (гравия) должны применяться сита с круглыми или квадратными отверстиями на круглых или квадратных обечайках с диаметром или стороной не менее 300 мм. Стандартный набор сит для щебня (гравия) должен включать сито с квадратными отверстиями размером 1,25 мм и сита с круглыми отверстиями диаметрами 2,5; 3; 5; 7,5; 10; 12,5; 15; 20; 25; 30; 40; 50; 60 и 70 мм (при испытании заполнителей для бетона гидротехнических сооружений допускается применение сита с отверстиями диаметром 80 мм).

Для определения размера зерен крупнее 70 (80) мм следует применять проволочные кольца-калибры различного диаметра в зависимости от ожидаемой крупности щебня (гравия) 90; 100; 110; 120 мм и более.

1.8. При определении показателей качества смеси фракций испытывают отдельно каждую фракцию и рассчитывают среднее взвешенное значение (X) определяемого показателя в соответствии с содержанием фракции в смеси по формуле

                                                                      (1)

где x1,x2,...xi-значение определяемого показателя;

а1, а2...аi-содержание фракции, %.

1.9. Испытания образцов горной породы на сжатие или щебня (гравия) на дробимость в цилиндре должны проводиться на гидравлических прессах по ГОСТ 28840.

Предельная нагрузка пресса Рмакс должна быть такой, чтобы ожидаемое значение максимального усилия в процессе испытания укладывалось на шкале пресса от 0,3 до 0,8 Рмакс.

1.10. Температура помещения, в котором проводят испытания, должна быть (25±10) °С. Перед началом испытания заполнители и вода должны иметь температуру, соответствующую температуре воздуха в помещении.

1.11. Воду для проведения испытаний применяют по ГОСТ 2874 и ГОСТ 23732, если в стандарте не приведены указания по использованию дистиллированной воды или других жидкостей.

2. ОТБОР ПРОБ

2.1. Пробы отбирают с целью проведения приемочного контроля на предприятии (карьере) - изготовителе, входного контроля на предприятии-потребителе, а также для определения свойств горных пород и получаемых из них щебня и гравия при геологической разведке.

2.2. При приемочном контроле на предприятии-изготовителе отбирают точечные пробы, из которых путем смешивания получают одну объединенную пробу от сменной продукции каждой технологической линии.

2.3. Отбор точечных проб с технологических линий, транспортирующих продукцию на склад или непосредственно в транспортные средства, осуществляют путем пересечения потока материала на ленточном конвейере или в местах перепада потока материала с помощью пробоотборника или вручную.

При ручном способе пробы отбирают на перепаде потока материала с помощью ручного пробоотборника или с ленты конвейера совком при его остановке.

Места отбора проб выбирают для каждого предприятия в зависимости от условий технологического процесса при соблюдении требований техники безопасности.

2.4. Точечные пробы отбирают через каждый час.

Интервал отбора точечных проб при ручном отборе может быть увеличен, если предприятие-изготовитель выпускает продукцию стабильного качества.

Для установления допустимого интервала ежеквартально определяют коэффициент вариации показателей зернового состава и содержания пылевидных и глинистых частиц в течение смены. Для этого отбирают точечные пробы через каждые 15 мин в течение смены массой не менее указанной в п. 2.5. Определяют зерновой состав (полный остаток на контрольном сите с отверстиями диаметром D и содержанием зерен размером менее d, равное разности между 100 % и полным остатком на контрольном сите с отверстиями диаметром d), содержание пылевидных и глинистых частиц и рассчитывают значение коэффициента вариации  каждого показателя по формуле

                                                                               (2)

где x1-результат испытания точечной пробы;

-среднее арифметическое значение показателя;

n-число испытаний.

В зависимости от полученного значения коэффициента вариации (максимального из трех указанных показателей) устанавливают следующие интервалы отбора точечных проб в течение смены:

2 ч - для коэффициента вариации св. 10 до 15 %;

3 ч-»           »          »          »          5 » 10%.

2.5. Масса точечной пробы должна быть не менее:

2,5 кг  - для щебня (гравия) с наибольшим номинальным размером зерна-10 мм;

5,0 кг - для щебня (гравия) с наибольшим номинальным размером зерен-20 мм.

Примечания:

1. Если при использовании для отбора проб механического пробоотборника масса точечной пробы окажется меньше указанного значения, то необходимо увеличить число отбираемых проб.

2. При увеличении интервала отбора проб в соответствии с п. 2.5 масса отбираемой точечной пробы должна быть увеличена:                при интервале 2 ч в два раза, при интервале 3 ч в четыре раза. При ручном отборе проб в этих случаях точечную пробу отбирают частями массой не более 10 кг с интервалом не более 1 мин.

2.6. После отбора точечные пробы объединяют, полученную объединенную пробу тщательно перемешивают и перед отправкой в лабораторию сокращают методом квартования.

Для квартования пробы (после ее перемешивания) конус материала разравнивают и делят взаимно перпендикулярными линиями, проходящими через центр, на четыре части. Две любые противоположные четверти берут в пробу. Последовательным квартованием, сокращают пробу в два, четыре раза и т.д. до получения пробы массой в соответствии с п. 2.7.

2.7. Масса лабораторной пробы при приемочном контроле на предприятии (карьере)-изготовителе должна быть не менее указанной в табл. 1.

Таблица 1

Наибольший номинальный размер зерен D, мм

10

20

40

Cв. 40

Масса пробы, кг

5,0

10,0

20,0

40,0

Указанную пробу используют для всех испытаний, предусмотренных при приемочном контроле.

2.8. При входном контроле точечные пробы щебня (гравия) отбирают от проверяемой партии при разгрузке железнодорожных вагонов, судов или автомобилей в соответствии с требованиями ГОСТ 8267, ГОСТ 8268 и ГОСТ 10260.

2.9. В необходимых случаях при проверке качества щебня (гравия) точечные пробы в количестве не менее 10 отбирают на складах открытого хранения с помощью совка в местах, расположенных равномерно по всей поверхности склада, со дна выкопанных лунок глубиной 0,2-0,4 м. Лунки должны размещаться в шахматном порядке. Расстояние между лунками не должно превышать 10 м.

2.10. Для определения свойств горных пород и получаемых из них щебня (гравия) при геологической разведке пробы отбирают по ГОСТ 23845 и ГОСТ 24100.

2.11. При проведении ведомственного контроля. за качеством продукции на проверяемых технологических линиях отбирают в течение смены точечные пробы и получают объединенную пробу в соответствии с пп. 2.4 и 2.5.

При неудовлетворительных результатах испытания этой пробы отбирают таким же образом вторую объединенную пробу. При удовлетворительных результатах испытаний второй пробы отбирают и испытывают третью пробу, результаты испытаний которой являются окончательными.

2.12. При проведении периодических испытаний, предусмотренных приемочным контролем, а также при входном контроле и при определении свойств горных пород и получаемых из них щебня и гравия при геологической разведке масса лабораторной пробы должна обеспечивать проведение всех предусмотренных стандартом испытаний. Допускается проводить несколько видов испытаний, используя одну пробу, если в процессе испытаний определяемые свойства щебня (гравия) не изменяются, при этом масса лабораторной пробы должна быть не менее чем в два раза больше суммарной массы, необходимой, для проведения испытаний.

2.13. Для каждого испытания из лабораторной пробы квартованием готовят аналитическую пробу.

Из аналитической пробы отбирают навески в соответствии с методикой испытания.

2.14. На каждую лабораторную пробу, предназначаемую для периодических испытаний в центральной лаборатории объединения или в специализированной лаборатории, а также для контрольных испытаний у потребителя составляют акт отбора проб, включающий наименование и обозначение материала, место и дату отбора пробы, наименование предприятия-изготовителя, обозначение пробы и подпись ответственного за отбор пробы лица.

Отобранные пробы упаковывают таким образом, чтобы масса и свойства материалов не изменялись до проведения испытаний.

Каждую пробу снабжают двумя этикетками с обозначением пробы. Одну этикетку помещают внутрь упаковки, а другую на видном месте упаковки.

При транспортировании должна быть обеспечена сохранность упаковки от механического повреждения и намокания.

3. ОПРЕДЕЛЕНИЕ ЗЕРНОВОГО СОСТАВА ЩЕБНЯ (ГРАВИЯ)

Зерновой состав щебня (гравия) определяют путем рассева пробы на стандартном наборе сит.

3.1. Аппаратура

Настольные гирные или циферблатные весы по ГОСТ 23711 или ГОСТ 24104.

Сушильный шкаф по ОСТ 16.0.801.397.

Сита и проволочные круглые калибры с отверстиями размерами, соответствующими номинальным размерам зерен данной фракции: 1,25 D; D; 0,5 (D+d); d, а также 2,5 и 1,25 мм.

Для рассева фракций от 5 (3) до 20 мм применяют сито с размером отверстий 10 мм.

3.2. Проведение испытания

Для испытания в качестве аналитической пробы используют лабораторную пробу по табл. 1, высушенную до постоянной массы, без ее сокращения.

Пробу просеивают ручным или механическим способами через сита с отверстиями указанных выше размеров, собранными последовательно в колонку, начиная снизу с сита с отверстиями наименьшего размера, при этом толщина слоя щебня (гравия) на каждом из сит не должна превышать наибольшего размера зерен щебня (гравия).

Продолжительность просеивания должна быть такой, чтобы при контрольном интенсивном ручном встряхивании каждого сита в течении 1 мин через него проходило не более 0,1 % общей массы просеиваемой навески. При механическом просеивании его продолжительность для применяемого прибора устанавливают опытным путем.

При ручном просеивании допускается определять окончание просеивания следующим упрощенным способом: каждое сито интенсивно трясут над листом бумаги. Просеивание считают законченным, если при этом практически не наблюдается падение зерен щебня (гравия).

При определении зернового состава мокрым способом навеску материала помещают в сосуд и заливают водой. Через 24 ч содержимое сосуда тщательно перемешивают до полного размокания глинистой пленки на зернах или комков глины, сливают (порционно) на верхнее сито стандартного набора и просеивают, промывая материал на ситах до тех пор, пока промывочная вода не станет прозрачной. Частные остатки на каждом сите высушивают до постоянной массы и охлаждают до комнатной температуры, затем определяют их массу взвешиванием.

Рассев несортированного щебня (гравия), а также песчано-гравийной смеси производят с применением полного набора стандартных сит (п. 1.7).

(Измененная редакция, Изм. № 2).

3.3. Обработка результатов

По результатам просеивания вычисляют частный остаток на каждом сите (аi) в процентах по формуле

                                                                                          (3)

где mi-масса остатка на данном сите, г;

т-масса пробы, г.

Затем определяют полные остатки (Аi) на каждом сите в процентах от массы пробы, равные сумме частных остатков на данном и всех ситах с большими размерами отверстий:

где ai, ai+1, ai+2,..., аn-частные остатки на i-м сите и всех ситах стандартного набора с большими размерами отверстий;

i, i+1, i+2,..., n-порядковые номера сит стандартного набора.

При определении зернового состава сухим способом сумма частных остатков на ситах и проходах через нижнее сито не должны отличаться больше чем на 2 % от массы навески, определяемой перед испытанием. В случае выполнения этого условия для расчета частного остатка вместо значения массы навески т используют сумму частных остатков на ситах и проход. При большей величине указанной разности испытание проводят вторично.

Примечание. После рассева пробу вновь объединяют и используют для приготовления аналитических проб для проведения остальных испытаний.

При испытании гравия, загрязненного глиной, рассев производят с промывкой водой.

(Введен дополнительно, Изм. № 2).

4. ОПРЕДЕЛЕНИЕ СОДЕРЖАНИЯ ДРОБЛЕНЫХ ЗЕРЕН В ЩЕБНЕ ИЗ ГРАВИЯ

Содержание дробленых зерен в щебне из гравия оценивают количеством зерен, поверхность которых околота более чем наполовину.

4.1.Аппаратура

Настольные гирные или циферблатные весы по ГОСТ 23711. Минералогическая лупа.

4.2. Подготовка к испытанию

Из лабораторной пробы от каждой фракции испытываемого щебня берут аналитические пробы массой не менее:

0,25 кг - для щебня размером фракции от 5 до 10 мм;

1,0 кг - »     »          »          »                св. 10 » 20 мм;

5,0 кг - »     »          »          »                 »   20 » 40 мм;

20,0 кг - »   »          »          »                 »   40 мм.

Пробу в воздушно-сухом состоянии просеивают через сито с отверстиями размерами, равными D и d, и взвешивают остаток на сите с отверстиями, равными d.

4.3. Проведение испытания

Визуальным осмотром (применяя в необходимых случаях лупу) определяют дробленые зерна, поверхность которых околота более чем наполовину.

4.4. Обработка результатов

Дробленые зерна взвешивают и определяют содержание их в пробе (Щ) с точностью до 1 % по формуле

                                                                                        (4)

где тi-масса дроблёных зерен, г;

т-масса остатка на сите с отверстиями, равными d.

5. ОПРЕДЕЛЕНИЕ СОДЕРЖАНИЯ В ЩЕБНЕ (ГРАВИИ) ПЫЛЕВИДНЫХ И ГЛИНИСТЫХ ЧАСТИЦ

5.1. Метод отмучивания

Содержание пылевидных и глинистых частей в щебне (гравии) определяют по изменению массы пробы после отмучивания пылевидных и глинистых частиц крупностью до 0,05 мм.

5.1.1. Аппаратура

Настольные гирные или циферблатные весы по ГОСТ 23711 и лабораторные рычажные по ГОСТ 24104.

Сушильный шкаф по ОСТ 16.0.801.397.

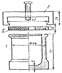
Сосуд для отмучивания щебня (гравия) (черт. 1) или цилиндрическое ведро высотой не менее 300 мм с сифоном.

Сосуд для отмучивания

Черт. 1

5.1.2. Подготовка к испытанию

Берут аналитическую пробу щебня (гравия), высушенную до постоянной массы, не менее 5 кг. При этом для испытания щебня (гравия) фракции от 5 (3) до 10 мм используют целиком пробу после определения зернового состава.

5.1.3. Проведение испытания

Пробу щебня (гравия) помещают в сосуд для отмучивания или ведро, заливают водой несколько выше уровня щебня и оставляют в таком состоянии до полного размокания глинистой пленки на зернах щебня (гравия) или комков глины, если они имеются в пробе.

После этого в сосуд или ведро со щебнем (гравием) доливают воду в таком количестве, чтобы высота слоя над щебнем была 200 мм; содержимое сосуда перемешивают деревянной мешалкой и оставляют в покое на 2 мин. Через 2 мин после окончания перемешивания сливают полученную суспензию. При сливе суспензии необходимо оставлять слой ее над щебнем (гравием) высотой не менее 30 мм.

Затем щебень (гравий) вновь заливают водой до указанного выше уровня. Промывку щебня (гравия) в указанной последовательности повторяют до тех пор, пока вода после промывки не будет оставаться прозрачной.

Воду в сосуд для отмучивания щебня (гравия) наливают до верхнего сливного отверстия и сливают суспензию через два нижних отверстия.

Из ведра суспензию сливают с помощью сифона, конец которого должен быть на расстоянии не менее 30 мм от поверхности щебня (гравия) в ведре.

После окончания отмучивания промытую пробу высушивают до постоянной массы.

5.1.4. Обработка результатов

Содержание в щебне (гравии) отмучиваемых пылевидных и глинистых частиц (Потм) в процентах по массе вычисляют по формуле

                                                                              (5)

где m-первоначальная масса пробы, г;

т1-масса пробы после отмучивания, г.

Примечание. Допускается проведение испытания пробы в состоянии естественной влажности. В этом случае в параллельной пробе определяют влажность щебня по п. 19.

Содержание пылевидных и глинистых частиц (Потм) в процентах вычисляют по формуле

                                                                (6)

где mв  - масса пробы в состоянии естественной влажности, г;

m1 - масса пробы после отмучивания, г;

W - влажность испытываемой пробы, %.

5.2. Пипеточный метод

Содержание пылевидных и глинистых частиц определяют путем выпаривания отобранной пипеткой пробы суспензии, полученной при промывке щебня (гравия), и взвешивания остатка.

5.2.1. Аппаратура

Настольные гирные или циферблатные весы по ГОСТ 23711 и лабораторные рычажные по ГОСТ 24104.

Цилиндрическое ведро с двумя метками (поясами) на внутренней стенке, соответствующими объему 5 и 10 л.

Цилиндрическое ведро без меток.

Сушильный шкаф по ОСТ 16.0.801.397.

Защитное сито с отверстиями размером 3 мм или 5 мм.

Контрольное сито с сеткой № 0315 по ГОСТ 6613.

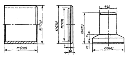
Металлические цилиндры вместимостью до 1000 мл со смотровым окном (черт. 4)-2 шт.

Мерная металлическая пипетка вместимостью 50 мл (черт. 2).

Чашка или стакан для выпаривания по ГОСТ 9147.

Пикнометр по ГОСТ 22524.

5.2.2. Проведение испытания

Аналитическую пробу щебня (гравия) массой не менее 5 кг в состоянии естественной влажности взвешивают, помещают в ведро (без меток) и заливают 4,5 л воды, оставляя около 500 мл воды для последующего ополаскивания ведра.

Залитый водой щебень (гравий) выдерживают в воде 10-15 мин, перемешивая несколько раз деревянной мешалкой, после чего тщательно отмывают его в той же воде от приставших к зернам глинистых частиц. Затем содержимое ведра осторожно выливают на два сита: верхнее-с отверстиями диаметром 3 или 5 мм, нижнее-с сеткой № 0315, поставленные на второе ведро (с метками). Суспензии в ведре с метками дают отстояться и осторожно сливают осветленную воду в первое дерево. Слитой водой вторично промывают щебень (гравий) на ситах над ведром с метками. После этого первое ведро ополаскивают оставленной водой и эту воду сливают также во второе ведро. При этом используют такое количество оставленной воды, чтобы уровень суспензии в последнем не превышал метки 5 л.

Если объем суспензии меньше 5 л, то в нее добавляют воду, доводя объем точно до 5 л (до метки).

После этого суспензию тщательно перемешивают в ведре и немедленно наполняют ею два металлических цилиндра вместимостью по 1000 мл.

Металлический цилиндр и мерная пипетка

1 - цилиндр; 2 - метка на цилиндре 1000 см3; 3 - пипетка; 4 - уровень суспензии в цилиндре

Черт. 2

Уровень суспензии в каждом цилиндре должен соответствовать метке на смотровом окне.

Суспензию в каждом цилиндре перемешивают стеклянной или металлической палочкой или несколько раз опрокидывают цилиндр, закрывая его крышкой для лучшего перемешивания.

После перемешивания оставляют цилиндр в покое на 1,5 мин. За 5-10 с до окончания этого срока в цилиндр опускают мерную пипетку так, чтобы опорная крышка опиралась на верхний обод цилиндра, при этом низ воронки пипетки будет находиться на уровне отбора суспензии-190 мм от поверхности. По истечении 5-10с открывают трубку пипетки, и после ее заполнения снова закрывают трубку пальцем, извлекают пипетку из цилиндра и, открыв трубку, выливают содержимое пипетки в предварительно взвешенную чашку или стакан. Наполнение пипетки контролируют по изменению уровня суспензии в смотровом окне.

Суспензию в чашке (стакане) выпаривают в сушильном шкафу при температуре (105±5)°С. Чашку (стакан) с выпаренным порошком взвешивают на весах с погрешностью до 0,1 г. Аналогично отбирают и обрабатывают пробу из второго цилиндра.

5.2.3. Обработка результатов

Содержание пылевидных и глинистых частиц (Потм) в процентах по массе вычисляют с погрешностью до 0,1 % по формуле

                                                                    (7)

где m-масса пробы щебня (гравия) в состоянии естественной влажности, г;

т1-масса чашки или стакана для выпаривания суспензии, г;

т2-масса чашки или стакана с остатком порошка после выпаривания суспензии, г.

Примечания:

1. В случае испытания сильно загрязненного пылевидными и глинистыми частицами щебня (гравия) объем воды для промывки берут равным 10 л вместо 5 л. Соответственно увеличивают до 10 л объем суспензии в ведре с метками. При этом вычисляют по формуле

                                                                    (8)

2. Вместо металлических цилиндров со смотровым окном и специальной пипетки допускается применять обычные стеклянные мерные цилиндры вместимостью 1 л и стеклянную пипетку вместимостью 50 мл, опуская ее в цилиндр на глубину 190 мм.

3. Допускается массу осадка m2-m1 определять по плотности суспензии

                                                                     (9)

где m3-масса пикнометра с суспензией, г;

m4-масса пикнометра с водой, г;

-плотность осадка, г/см3 (принимается равным 2,65 г/см3).

Результат определения массы осадка m2-m1 вносят в формулу (7).

5.3. Метод мокрого просеивания

Содержание пылевидных и глинистых частиц в щебне (гравии) определяют путем процеживания через сита суспензии, полученной при промывке щебня (гравия), и определения разницы в массе пробы до и после испытания.

5.3.1. Аппаратура

Настольные гирные или циферблатные весы по ГОСТ 23711 и лабораторные рычажные по ГОСТ 24104.

Сосуд для получения суспензии или цилиндрическое ведро высотой не менее 300 мм с сифоном.

Противень.

Сушильный шкаф по ОСТ 16.0.801.397.

Сита с сетками № 1,25 и 0,05.

5.3.2. Подготовка к испытанию

Подготовка к испытанию по п. 5.1.2.

5.3.3. Проведение испытания

Высушенную до постоянной массы пробу щебня (гравия) помещают в сосуд и заливают водой так, чтобы она покрывала пробу. Содержимое сосуда интенсивно перемешивают для того, чтобы пылевидные и глинистые частицы образовали суспензию.

Полученную суспензию осторожно сливают с помощью сифона на набор сит. Щебень (гравий), оставшийся в сосуде, промывают водой и образовавшуюся суспензию тоже сливают на набор сит. Процесс повторяют до тех пор, пока вода не станет прозрачной. После этого щебень (гравий), находящийся в сосуде для промывки, соединяют с частицами, оставшимися на обоих ситах, и высушивают на противне в сушильном шкафу до постоянной массы.

5.3.4. Обработка результатов

Содержание в щебне (гравии) пылевидных и глинистых частиц (Потм) в процентах по массе вычисляют с погрешностью до 0,1 % по формуле

                                                                              (10)

где m-масса пробы до промывки, г;

т1-масса пробы после промывки, г.

5.4. Фотоэлектрический метод

Метод основан на сравнении степени прозрачности чистой воды и суспензии, полученной при промывке щебня (гравия).

5.4.1. Аппаратура

Фотоэлектрический прибор типа КЗМ (выпускается Тбилисским электротехническим заводом Минтрансстроя СССР) имеет относительную погрешность измерения не более 10 %.

Применим при содержании пылевидных и глинистых частиц не более 10 % по массе.

Технические весы по ГОСТ 23711 и ГОСТ 24104.

Цилиндрическое ведро с двумя метками на внутренней стенке, соответствующими вместимости 5 и 10 л.

Ведро без меток.

Сушильный шкаф по ОСТ 16.0.801.397.

Чашка или стакан по ГОСТ 9147.

Секундомер.

5.4.2. Подготовка к испытанию

До проведения измерений прибор КЗМ должен быть откалиброван по воде, используемой для испытания, в соответствии с инструкцией по его эксплуатации.

5.4.3. Проведение испытания

Суспензию, приготовленную по п. 5.2.2, перемешивают в ведре в течении 1 мин и через 30 с после окончания перемешивания отбирают пробу суспензии пипеткой вместимостью 5 мл. Для этого трубку пипетки закрывают пальцем, погружают пипетку в суспензию до верхней поверхности ее крышки и открывают трубку. Через 5-6с снова закрывают пальцем трубку пипетки, извлекают ее из суспензии и, открыв трубку, выливают содержимое пипетки в измерительную кювету прибора. Кювету помещают в прибор между источником света и фотодатчиком и проводят измерение согласно инструкции по эксплуатации прибора.

Отбор проб суспензии и измерение производят еще два раза, перемешивая суспензию в течении 10 с перед каждым отбором проб.

5.4.4. Обработка результатов

Содержание пылевидных и глинистых частиц в щебне (гравии) (Потм) в процентах по массе вычисляют по формуле

                                                                                           (11)

где К - переводной коэффициент, определяемый по п. 5.4.5;

П - среднее значение фотоэлектрических измерений.

5.4.5. Определение значения переводного коэффициента К

Значение переводного коэффициента устанавливают экспериментально для щебня (гравия) каждого предприятия, (карьера) - изготовителя и проверяют при изменении свойств горной породы.

Для установления значения переводного коэффициента К испытывают 12 проб щебня (гравия) с содержанием пылевидных и глинистых частиц от 0 до 5% по массе.

Суспензию, полученную промывкой каждой из 12 проб, в соответствии с п. 5.2.2 испытывают на приборе КЗМ по п. 5.4.3. и параллельно определяют содержание пылевидных и глинистых частиц путем выпаривания трех проб суспензии, отобранных пипеткой номинальной вместимостью 50 мл.

Перед каждым отбором проб суспензию в ведре необходимо перемешать в течение 10 с и отобрать пробу через 30 с после окончания перемешивания. Все три пробы суспензии, отобранные пипеткой, выливают в предварительно высушенный взвешенный стакан, затем выпаривают в сушильном шкафу.

Содержание пылевидных и глинистых частиц в каждой пробе щебня (гравия) (Потм) в процентах вычисляют по формуле

                                                                  (12)

где т - масса пробы щебня (гравия) в состоянии естественной влажности, г;

m1 - масса стакана для выпаривания суспензии, г;

m2 - масса стакана с остатком порошка после выпаривания суспензии, г;

V - фактическая вместимость градуировочной пипетки, указанная в паспорте прибора КЗМ, мл.

Переводной коэффициент (К) вычисляют по формуле

                                                                                            (13)

где - среднее арифметическое значение содержания загрязняющих примесей в испытанных пробах щебня (гравия), %;

среднее арифметическое значение показателей прибора по испытаниям тех же проб щебня (гравия), Ом.

Для оценки погрешности значения полученного переводного коэффициента вычисляют:

значение остаточной дисперсии  формуле

                                                                    (14)

где - содержание пылевидных и глинистых частиц в щебне (гравии) в каждой из испытанных проб, определенное фотоэлектрическим методом и рассчитанное по формуле (12);

-содержание пылевидных и глинистых частиц в тех же пробах материала, определенное пипеточным методом;

N-число испытанных проб;

абсолютную погрешность () переводного коэффициента (К) вычисляют по формуле

                                                                                               (15)

где tp-коэффициент Стьюдента при доверительной вероятности 95 % в зависимости от числа испытанных проб N, приведенный в табл. 2

Таблица 2

N

10

11

12

13

14

15

16

17

18

19

20

tp

2,26

2,23

2,20

2,18

2,16

2,14

2,13

2,12

2,11

2,10

2,0

Содержание в материале загрязняющих примесей фотоэлектрическим методом допускается определять только в случае, если значение абсолютной погрешности  переводного коэффициента К будет равно или менее 0,2.

Если полученное значение абсолютной погрешности  переводного коэффициента К превышает 0,2, то следует определить число испытаний N1, обеспечивающее требуемую точность переводного коэффициента К, по формуле

                                                                                        (16)

затем провести соответствующее число дополнительных испытании (N1-N), но не менее трех и по итогам всех испытаний уточнить значение переводного коэффициента К.

6. ОПРЕДЕЛЕНИЕ СОДЕРЖАНИЯ В ЩЕБНЕ (ГРАВИИ) ГЛИНЫ В КОМКАХ

Содержание в щебне (гравии) глины в комках определяют путем отбора из пробы частиц, отличающихся вязкостью.

6.1.Аппаратура

Настольные гирные или циферблатные весы по ГОСТ 23711 и платформенные по ГОСТ 24104.

Сушильный шкаф по ОСТ 16.0.801.397.

Сита с круглыми отверстиями диаметрами 5, 10, 20, 40 и 70 мм.

6.2. Подготовка к испытанию

Аналитические пробы щебня (гравия) готовят путем рассева лабораторной пробы на ситах стандартного набора или берут из остатков на ситах, полученных рассевом пробы при определении зернового состава. Массу проб принимают по п. 4.2.

6.3. Проведение испытания

Каждую аналитическую пробу щебня (гравия) высыпают тонким слоем на металлический лист и увлажняют. Из пробы выделяют комки глины, отличающиеся вязкостью от зерен щебня (гравия) и супеси. Выделенные комки глины и щебень (гравий) высушивают до постоянной массы и взвешивают.

6.4. Обработка результатов

Содержание комков глины в каждой пробе щебня (гравия) (Пгл) в процентах определяют по формуле

                                                                                       (17)

где т1 - масса глины в комках, кг;

т - масса аналитической пробы щебня (гравия), кг.

Содержание комков глины в смеси фракций вычисляют в соответствии с п. 1.8.

7. ОПРЕДЕЛЕНИЕ СОДЕРЖАНИЯ В ЩЕБНЕ (ГРАВИИ) ЗЕРЕН ПЛАСТИНЧАТОЙ (ЛЕЩАДНОЙ) И ИГЛОВАТОЙ ФОРМЫ

7.1. Метод визуальной разборки

Содержание в щебне (гравии) зерен пластинчатой (лещадной) и игловатой формы оценивают количеством зерен, толщина или ширина которых менее длины в три и более раза.

7.1.1. Аппаратура

Настольные гирные или циферблатные весы по ГОСТ 23711 и платформенные по ГОСТ 24104.

Передвижной шаблон (черт. 3) или штангенциркуль по ГОСТ 166.

Сита из стандартного набора по п. 1.7.

7.1.2. Подготовка к испытанию

Из лабораторной пробы от каждой фракции испытываемого щебня (гравия) берут аналитические пробы массой по п. 4.2.

Содержание зерен пластинчатой (лещадной) или игловатой формы определяют отдельной для каждой фракции щебня (гравия).

При наличии и испытательном щебне (гравии) какой-либо фракции в количестве, меньшем 5 % по массе, содержание зерен пластинчатой (лещадной) и игловатой формы в этой фракции не определяют.

7.1.3. Проведение испытания

Аналитическую пробу взвешивают и из нее выбирают зерна, толщина или ширина которых меньше длины в три и более раза.

Передвижной шаблон

Черт. 3

В сомнительных случаях соотношение размеров зерен определяют при помощи передвижного шаблона или штангенциркуля. При использовании шаблона измеряемое зерно вкладывают наибольшим размером между губками, положение шаблона фиксируют стопорным винтом и измеряют размер зерна, затем зерно пропускают наименьшим размером между усиками шаблона, установленными на расстоянии, в три раза меньшем. Если зерно пройдет между усиками, то его относят к зернам пластинчатой или игловатой формы. Зерна пластинчатой и игловатой формы взвешивают.

7.1.4. Обработка результатов

Содержание в каждой фракции щебня (гравия) зерен пластинчатой (лещадной) и игловатой формы (Пгл) в процентах, вычисляют по формуле

                                                                                       (18)

где m1-масса зерен пластинчатой (лещадной) и игловатой формы, г;

m-масса аналитической пробы, г.

Содержание зерен пластинчатой (лещадной) и игловатой формы в смеси фракции вычисляют в соответствии с п. 1.8.

7.2. Определение на щелевидных ситах

Метод основан на просеивании щебня (гравия) через щелевидные сита.

7.2.1. Аппаратура

Настольные гирные или циферблатные весы по ГОСТ 23711 и платформенные по ГОСТ 24104.

Набор щелевидных сит.

7.2.2. Подготовка к. испытанию

От каждой фракции испытываемого щебня (гравия) берут аналитическую пробу массой по п. 4.2.

7.2.3. Проведение испытания

Пробу каждой фракции просеивают через щелевидные сита с отверстиями согласно табл. 3.

Таблица 3

Номинальные размеры зерен щебня (гравия)

Размеры отверстий щелевидных сит

Наим.

Наиб.

Длина

Ширина

5

10

10

2,5

10

20

20

5,0

20

40

40

10,0

40

70

70

20,0

70

120

120

35,0

Зерна, прошедшие через щелевидное сито, относят к пластинчатым и игловатым, и взвешивают. Отдельно взвешивают остальные зерна пробы, оставшиеся на щелевидном сите.

7.2.4. Обработка результатов

Содержание в каждой фракции щебня (гравия) пластинчатых и игловатых зерен (Пгл) в процентах вычисляют по формуле

                                                                                       (19)

где m1-масса зерен пластинчатой и игловатой формы, г;

m - масса аналитической пробы, г.

Содержание зерен пластинчатой (лещадной) и игловатой формы в смеси фракций вычисляют в соответствии с п. 1.8.

8. ОПРЕДЕЛЕНИЕ ДРОБИМОСТИ ЩЕБНЯ (ГРАВИЯ)

Дробимость щебня (гравия) определяют по степени разрушения зерен при сжатии (раздавливании) в цилиндре.

8.1. Аппаратура

Гидравлический пресс с усилием от 100 до 500 кН по ГОСТ 28840.

Стальные цилиндры со съемным дном и плунжером, внутренним диаметром 150 мм (черт. 4). Допускается применение цилиндра внутренним диаметром 75 мм при условии установления корреляционных связей между коэффициентом дробимости щебня (гравия) в данном цилиндре и цилиндре внутренним диаметром 150 мм.

Лабораторная дробилка.

Настольные гирные или циферблатные весы по ГОСТ 23711 и лабораторные по Г0СТ 24104.

Сита из стандартного набора по п. 1.7.

Сито с сеткой №1,25 по ГОСТ 6613.

Сушильный шкаф по ОСТ 16.0.801.397.

Сосуд для насыщения щебня (гравия) водой.

(Измененная редакция, Изм. № 1).

8.2. Подготовка пробы

При испытании щебня (гравия), состоящего из смеси двух или более смежных фракций, исходный материал рассеивают на стандартные фракции и каждую фракцию испытывают отдельно. Щебень (гравий) фракции от 5 до 10, св. 10 до 20 или св. 20 до 40 мм просеивают через два сита с отверстиями, соответствующими наибольшей (D) и наименьшей (d) крупности испытываемой фракции.

Цилиндр                                Съемное дно             Плунжер

Черт. 4

Из остатка на сите с отверстиями размером, равным d, отбирают две аналитические пробы массой не менее 0,5 кг каждая при испытании в цилиндре диаметром 75 мм и не менее 4 кг-при испытании в цилиндре диаметром 150 мм.

Щебень (гравий) крупнее 40 мм предварительно дробят и испытывают фракции св. 10 до 20 или св. 20 до 40 мм.

При одинаковом петрографическом составе щебня (гравия) фракции св. 20 до 40 и св. 40 до 70 мм прочность последней допускается характеризовать результатами испытаний фракции св. 20 до 40 мм.

Щебень (гравий) допускается испытывать как в сухом, так и в насыщенном водой состоянии.

Аналитические пробы для испытания в сухом состоянии высушивают до постоянной массы, а для испытания в насыщенном водой состоянии погружают в воду на 2 ч.

После насыщения водой с поверхности зерен щебня (гравия) удаляют влагу мягкой влажной тканью.

8.3. Проведение испытания

При определении марки щебня (гравия) применяют цилиндр диаметром 150 мм. Для приемочного контроля качества щебня (гравия) фракции от 5 до 10 и св. 10 до 20 мм допускается применять, кроме цилиндра диаметром 150 мм, цилиндр диаметром 75 мм.

Пробу щебня (гравия) насыпают в цилиндр с высоты 50 мм так, чтобы после разравнивания верхний уровень материала примерно на 15 мм не доходил до верхнего края цилиндра. Затем в цилиндр вставляют плунжер. Плита на плунжере должна быть на уровне верхнего края цилиндра. Если верх плиты плунжера не совпадает с краем цилиндра, то удаляют или добавляют несколько зерен щебня (гравия). После этого цилиндр помещают на нижнюю плиту пресса.

Повышая силу нажатия пресса на 1-2 кН (100-200 кгс) в секунду, доводят ее при испытании щебня (гравия) в цилиндре диаметром 75 мм до 50 кН (5000 кгс), а при испытании в цилиндре диаметром 150 мм-до 200 кН (20000 кгс).

После сжатия испытываемую пробу высыпают из цилиндра и взвешивают. Затем ее просеивают в зависимости от размера испытываемой фракции через сито с отверстиями размером:

1,25 мм - для щебня (гравия) размером фракций от 5 до 10 мм;

2,5 мм - »   »          »          »          »          св. 10 до 20 мм;

5,0 мм - »   »          »          »          »          »   20  »  40 мм.

Остаток щебня (гравия) на сите после просеивания взвешивают.

При испытании щебня (гравия) в насыщенном водой состоянии навеску на сите тщательно промывают водой и удаляют поверхностную влагу с зерен щебня (гравия) с помощью мягкой влажной ткани.

(Измененная редакция, Изм.№ 1).

8.4. Обработка результатов

По данным испытания вычисляют коэффициент дробимости (Др) в процентах с погрешностью до 1 % по формуле

                                                                              (20)

где т-масса аналитической пробы щебня (гравия), г;

т1-масса остатка на контрольном сите после просеивания раздробленной в цилиндре пробы щебня (гравия), г.

За результат принимают среднее арифметическое значение двух параллельных испытаний.

При испытании щебня (гравия), состоящего из смеси фракций, показатель дробимости Др вычисляют в соответствии с п. 1.8.

9. ОПРЕДЕЛЕНИЕ СОДЕРЖАНИЯ ЗЕРЕН СЛАБЫХ ПОРОД В ЩЕБНЕ (ГРАВИИ) И СЛАБЫХ РАЗНОСТЕЙ В ГОРНОЙ ПОРОДЕ

9,1. Определение содержания зерен слабых пород

Содержание в щебне (гравии) зерен слабых пород определяют путем их выделения по характерным признакам.

9.1.1. Аппаратура

Настольные гирные или циферблатные весы по ГОСТ 23711 и лабораторные по ГОСТ 24104.

Сушильный шкаф по ОСТ 16.0.801.397.

Сита из стандартного набора по п. 1.7.

Механический индикатор прочности камня типа Т-3 (черт. 5).

Минералогическая лупа.

Стальная игла по ГОСТ 8030 и алюминиевая игла из проволоки по ТУ 16.1271-088.

Молоток.

9.1.2. Подготовка к испытанию

От каждой фракции щебня (гравия) берут аналитическую пробу массой по п. 4.2.

Полученную пробу высушивают до постоянной массы. Содержание в щебне (гравии) зерен слабых пород определяют отдельно для каждой фракции щебня (гравия). При наличии в испытываемом щебне (гравии) какой-либо фракции в количестве, меньшем 5 % по массе, содержание зерен слабых пород в этой фракций не определяют.

Механический индикатор прочности камня (Т-3)

1-манометр; 2-гидравлическая мессдоза; 3-верхний зуб; 4-нижний зуб; 5-щелевой упор; 6-диск винтового механизма; 7-корпус прибора

Черт. 5

9.1.3. Проведение испытания

Производят разборку пробы каждой фракции щебня (гравия), выделяя зерна слабых пород с пределом прочности при сжатии в насыщенном водой состоянии менее 20 МПа (200 кгс/см2).

При выделении зерен слабых пород руководствуются следующими отличительными признаками: зерна слабых пород легко разламываются руками и разрушаются легкими ударами молотка. При царапании иглой на поверхности зерна остается след (на поверхности зерен изверженных и метаморфических пород оставляет след стальная игла, на поверхности зерен осадочных карбонатных пород алюминиевая). Кроме того, слабые зерна карбонатных пород обычно имеют окатанную форму.

В целях уточнения содержания зерен слабых пород в щебне допускается использование механического индикатора прочности камня типа Т-3.

В зависимости от размера испытываемой фракции щебня устанавливают на приборе сменный щелевой упор с шириной щели 2,9 мм для зерен фракции св. 10 до 20 мм, с шириной щели 4,2 мм для более крупных зерен. При этом расстояние между краем ребер щелевого упора и осью, проходящей через острия зубьев прибора, должно быть равно ширине щели.

Каждое выделенное при разборке пробы щебня сомнительное по прочности зерно вставляют клиновидным концом между зубьями прибора до щелевого упора. После этого вращением диска винтового механизма прибора сжимают зубья и «откусывают» кусочек камня. По контрольной стрелке манометра определяют предел прочности камня при растяжении. Шкала манометра градуирована для случая применения упора со щелью шириной 4,2 мм; при применении упора со щелью 2,9 мм показания манометра удваивают.

Для перехода от показаний прибора к пределу прочности камня при сжатии предварительно устанавливают переходной коэффициент по данным испытания зерен щебня механическим индикатором Т-3 и определяют прочность образцов породы правильной формы сжатия на прессе.

Зерна щебня, прочность которых ниже 20 МПа, и их осколки взвешивают и уточняют содержание в пробе слабых пород.

9.1.4. Обработка результатов

Выделенные из пробы зерна слабых пород взвешивают и их содержание (Xсл) в процентах вычисляют по формуле

                                                                                       (21)

где m1-масса зерен слабых пород, г;

m-общая масса пробы, г.

При испытании щебня (гравия), состоящего из смеси фракций, содержание зерен слабых пород вычисляют в соответствии с п. 1.8.

9.2. Определение содержания слабых разностей в горной породе и дробимости щебня, полученного из этой породы

Содержание слабых разностей в горной породе определяют путем визуальной оценки керна, извлеченного из разведочной скважины, а дробимость при сжатии (раздавливании) определяют испытанием щебня, полученного при дроблении этого керна.

9.2.1. Аппаратура

Металлическая рулетка по ГОСТ 7502.

Лабораторная дробилка.

Гидравлический пресс с усилием до 100 или 500 кН по ГОСТ 28840.

Cтальные цилиндры с внутренним диаметром 150 мм (черт. 4).

Настольные гирные или циферблатные весы по ГОСТ 23711 или лабораторные рычажные по ГОСТ 24104.

Сита из стандартного набора по п. 1.7.

Сито с круглыми отверстиями диаметром 2,5 мм.

Сушильный шкаф по ОСТ 16.0.801.397.

Металлическая щетка.

9.2.2. Подготовка к испытанию

В качестве пробы берут керн испытываемой породы. С поверхности керна, находящегося в керновых ящиках, перед началом испытания удаляют металлической щеткой пыль и грязь.

9.2.3. Проведение испытания

Визуально с использованием методов, указанных в п. 9.1.3, определяют отрезки керна, представленные слабыми разностями породы, и металлической рулеткой измеряют длину каждого из них с погрешностью до 0,01м.

Объем отрезков керна, полученных в пределах одного интервала, должен обеспечить получение щебня фракции св. 10 до 20 мм в количестве, достаточном для определения его дробимости при сжатии в цилиндре диаметром 150 мм.

Керн каждого интервала в отдельности дробят в лабораторной дробилке до крупности не более 20 мм. Продукт дробления рассеивают на ситах с круглыми отверстиями размером 10 и 20 мм для выделения щебня фракции св. 10 до 20 мм.

Пробы щебня перед испытанием высушивают до постоянной массы. Дробимость при сжатии в цилиндре определяют в соответствии с п. 8.

9.2.4. Обработка результатов

Содержание слабых разностей в породе (Xсл) в процентах вычисляют по формуле

                                                                                   (22)

где liсл - длина отрезка керна, представленных слабыми разностями породы, м;

L - общая длина керна, м.

Дробимость щебня (Дрср), полученного из пробы породы, определяют по формуле

                                                                                   (23)

где Дрi-дробимость породы данного интервала керна, %;

li- длина данного интервала керна, м;

Li- общая длина керна, м.

За результат испытания принимают среднее арифметическое значение двух параллельных определений.

Перевод дробимости щебня в марку по прочности производят в соответствии с ГОСТ 8267.

10. ОПРЕДЕЛЕНИЕ ИСТИРАЕМОСТИ ЩЕБНЯ (ГРАВИЯ) В ПОЛОЧНОМ БАРАБАНЕ

Истираемость (износ) щебня (гравия) определяют по потере массы зерен при испытании пробы в полочном барабане с шарами.

10.1. Аппаратура

Полочный барабан (черт. 6) диаметром 700 мм, длиной 500 мм, снабженный на внутренней поверхности полкой шириной 100 мм. Стальные или чугунные шары диаметром 48 мм массой (405 ± 10) г каждый-12 шт.

Настольные гирные или циферблатные весы по ГОСТ 23711.

Сушильный шкаф по ОСТ 16.0.801.397.

Сито из стандартного набора по п. 1.7.

Сито с сеткой № 1,25 по ГОСТ 6613.

Полочный барабан

Черт. 6

10.2. Подготовка к испытанию

Щебень (гравий) фракции от 5 до 10, св. 10 до 20 и св. 20 до 40 мм в сухом состоянии просеивают через два сита с отверстиями размерами, соответствующими наибольшему и наименьшему номинальным размерам зерен данной фракции. Из остатка на сите с отверстиями размером d отбирают две аналитические пробы по (5000±100) а щебня (гравия) с предельной крупностью зерен до 20 мм и две пробы по (10000±100) г щебня (гравия) фракции св. 20 до 40 мм.

При испытании щебня (гравия), состоящего из смеси двух или более смежных фракций, аналитические пробы готовят рассеиванием исходного материала на стандартные фракции и каждую фракцию испытывают отдельно. Щебень (гравий) крупнее 40 мм дробят до получения зерен мельче 40 мм и испытанию подвергают щебень (гравий) фракции св. 20 до 40 мм.

В случае одинакового петрографического состава фракции щебня (гравия) св. 20 до 40 и св. 0 до 70 мм истираемость последней допускается характеризовать результатами испытания фракции св. 20 до 40 мм.

Испытываемый щебень (гравий) не должен содержать пылевидных и глинистых частиц более 1 % по массе. В противном случае щебень (гравий) предварительно промывают и высушивают.

(Измененная редакция, Изм. № 1).

10.3. Проведение испытания

Приготовленную пробу загружают в полочный барабан вместе с чугунными или стальными шарами, закрепляют крышку барабана и приводят его во вращение со скоростью 30-33 об/мин.

Число чугунных или стальных шаров, а также общее число оборотов барабана в процессе одного испытания щебня (гравия) принимают по табл. 4.

По окончании испытания содержимое барабана просеивают через сито с отверстиями 5 мм и контрольное сито с сеткой № 1,25. Остатки на ситах соединяют вместе и взвешивают.

Таблица 4

Размер фракции щебня (гравия), мм

Число чугунных или стальных шаров, необходимое для испытания пробы

Число оборотов полочного барабана, необходимое для испытания пробы

От  5 до 10

8

500

Св. 5  »   15

9

500

  » 10  »   20

11

500

  » 20 (25) » 40

12

1000

10.4. Обработка результатов

Истираемость щебня (И) в процентах вычисляют по формуле

                                                                                  (24)

где т-масса пробы щебня (гравия), г;

т1-суммарная масса остатков на предохранительном и контрольном ситах, г.

В качестве результата испытания принимают среднее арифметическое значение двух параллельных испытаний.

При испытании щебня (гравия), состоящего из смеси двух и более смежных фракций, показатель истираемости вычисляют в соответствии с п. 1.8.

11. ОПРЕДЕЛЕНИЕ СОПРОТИВЛЕНИЯ ЩЕБНЯ (ГРАВИЯ) УДАРУ НА КОПРЕ ПМ

Сопротивление щебня (гравия) удару на копре ПМ определяют по степени разрушения зерен при испытании, оцениваемой изменением зернового состава пробы.

11.1. Аппаратура

Копер ПМ (черт. 7).

Настольные гирные или циферблатные весы по ГОСТ 23711.

Сита с круглыми отверстиями диаметрами 3; 5; 25(20) и 40 мм и с сетками № 0,5 и 1 по ГОСТ 6613.

11.2. Подготовка к испытанию

Испытанию на копре ПМ подвергают только щебень (гравий) фракции 25(20)-40 мм. Для чего пробу щебня (гравия) массой 3 кг в воздушно-сухом состоянии просеивают через сита с отверстиями 40 и 25(20) мм. Зерна крупнее 40 мм предварительно дробят до получения зерен указанных размеров. Из щебня (гравия), оставшегося на сите с отверстиями 25 (20) мм, готовят две пробы. Испытываемый щебень (гравий) всыпают в специальный мерный сосуд внутренним диаметром 105 мм и внутренней высотой 58 мм. Лишний щебень (гравий) снимают вровень с краями сосуда. Сосуд со щебнем (гравием) взвешивают. Массу каждой аналитической пробы (m) в граммах вычисляют по формуле

                                                                                          (25)

где -масса пробы щебня (гравия) вместе с мерным сосудом;

-масса мерного сосуда, г.

Испытываемый щебень (гравий) не должен содержать пылевидных и глинистых частиц более 1 % по массе, в противном случае щебень (гравий) предварительно промывают и высушивают.

11.3. Проведение испытания

Каждую пробу щебня (гравия) насыпают из мерного цилиндра в стальную ступку копра ПМ и разравнивают его поверхность для достижения одного уровня расположения зерен в ступке.

Копер ПМ

Черт. 7

Пробу щебня (гравия) подвергают ударам бойка массой 5 кг, падающего с высоты 50 см.

Копер должен быть установлен вертикально на прочном фундаменте. Пластинку с зубьями бойка изготовляют из углеродистой стали и подвергают закалке в масле с последующим отпуском на твердость, равную 57,0 ... 59,0 НRСэ. Износ по высоте зубьев бойка не должен быть более 1 мм.

После каждого удара бойка ступку с помощью рукоятки поворачивают на 45° и устанавливают по направлению указателей, сделанных на подставке копра ПМ.

После 40 ударов бойка все содержимое ступки просеивают через сита с отверстиями 5; 3; 1 и 0,5 мм, остатки на каждом сите взвешивают и вычисляют полные остатки на каждом сите.

11.4. Обработка результатов

Показатель сопротивления щебня (гравия) удару на копре (У) вычисляют но формуле

                                                                                             (25')

где А - показатель крупности пробы после испытания, вычисляемый по формуле

                                                                         (25'')

где m1, т2, т3, т4-полные остатки на ситах с отверстиями диаметрами 5; 3; 1 и 0,5 мм, г;

m-первоначальная масса пробы, г.

В качестве результата принимают среднее арифметическое значение показателя сопротивления удару из двух параллельных определений.

12. ОПРЕДЕЛЕНИЕ МОРОЗОСТОЙКОСТИ ЩЕБНЯ (ГРАВИЯ)

12.1. Метод замораживания

Морозостойкость щебня (гравия) определяют по потере массы пробы при последовательном замораживании и оттаивании.

12,1.1. Аппаратура

Холодильная камера.

Сушильный шкаф по ОСТ 16.0.801.397.

Настольные гирные или циферблатные весы по ГОСТ 23711 и лабораторные рычажные по ГОСТ 24104

Сита из стандартного набора по п. 1.7.

Ванна для насыщения водой и оттаивания щебня (гравия).

Металлический сосуд для испытания щебня (гравия).

12.1.2. Подготовка к испытанию

Каждую фракцию щебня (гравия) испытывают на морозостойкость отдельно. Фракции, содержащиеся в щебне (гравии) в количестве менее 5 % по массе, на морозостойкость не испытывают.

Для испытания берут от каждой фракции две аналитические пробы. Масса каждой пробы должна быть не менее:

1,0 кг- для щебня (гравия) размером фракции  от 5 до 10 мм;

1,5 кг          »          »          »          »                св. 10  »  20 мм;

2,5 кг          »          »          »          »                св. 20  »  40 мм;

5,0 кг          »          »          »          »                св. 40  »  70 мм.

Зерна крупнее 70 мм дробят и испытывают фракцию размером св. 40 до 70 мм.

Полученные пробы щебня (гравия) промывают и высушивают до постоянной массы.

12.1.3. Проведение испытания

Каждую аналитическую пробу щебня (гравия) данной фракции насыпают в металлический сосуд слоем, толщина которого не должна превышать наибольший номинальный размер зерен, заливают водой, имеющей температуру (20±5) °С. Через 48 ч сливают воду из сосуда, помещают щебень (гравий) в холодильную камеру и доводят температуру в камере до минус 17-25 °С. Продолжительность цикла замораживания щебня (гравия) в камере при установившейся температуре в пределах минус 17-25 °С должна составлять 4 ч. После этого сосуд со щебнем (гравием) помешают в ванну с проточной или сменяемой водой при температуре (20±5) °С и выдерживают в ней при этой температуре до полного оттаивания щебня (гравия), но не менее 2 ч. Далее циклы испытаний повторяют.

После 15, 25 и каждых последующих 25 циклов попеременного замораживания и оттаивания пробу щебня (гравия) высушивают до постоянной массы, просеивают через контрольное сито, на котором она полностью оставалась перед испытанием.

Зерна щебня (гравия) фракции св. 40 до 70 мм, имеющие свежую поверхность раскола и оставшиеся на сите с размером отверстий 40 мм, относят к неморозостойким. Их массу не включают в массу остатка на контрольном сите.

12,1.4. Обработка результатов

Потерю массы пробы  в процентах вычисляют по формуле

                                                                                (26)

где m-масса пробы до испытания, г;

m1-масса остатка на сите после соответствующего цикла замораживания и оттаивания, г.

За результат испытания принимают среднее арифметическое значение двух параллельных испытаний.

При испытании щебня (гравия), состоящего из смеси фракции значение  вычисляют в соответствии с п. 1.8, как среднее взвешенное значение результатов испытаний отдельных фракций.

Если потеря в массе при данном числе циклов замораживания и оттаивания не превышает допускаемой по ГОСТ 8267, ГОСТ 8268 и ГОСТ 10260, то испытания продолжают в течение последующих 25 циклов.

Если потеря в массе превысила допускаемый предел, то испытание прекращают и показатель морозостойкости Mpз данной фракции щебня (гравия) характеризуют предыдущим числом циклов замораживания и оттаивания, при котором потеря массы щебня (гравия) не превышает допускаемой.

12.2. Ускоренное определение морозостойкости

Морозостойкость щебня (гравия) определяют по потере массы пробы при последовательном погружении в насыщенный раствор сульфата натрия и высушивании.

12.2.1. Аппаратура

Настольные гирные или циферблатные весы по ГОСТ 23711.

Сушильный шкаф по ОСТ 16.0.801.397.

Сита из стандартного набора по п. 1.7.

Металлический сосуд для насыщения щебня (гравия) раствором сульфата натрия.

Безводный сульфат натрия по ГОСТ 4166.

Сульфат натрия 10-водный по ГОСТ 4171.

12.2.2. Подготовка к испытанию

Каждую фракцию щебня (гравия) испытывают отдельно.

Аналитическую пробу готовят по п. 12.1.2.

Раствор сульфата натрия готовят следующим образом. Отвешивают 250-300 г безводного сульфата натрия или 700-1000 г 10-водного сульфата натрия и растворяют в 1 л подогретой дистиллированной воды путем постепенного добавления в нее сульфата натрия при тщательном перемешивании до насыщения раствора, охлаждают раствор до комнатной температуры, сливают в бутыль и оставляют в покое на 2 сут.

12.2.3. Проведение испытания

Аналитическую пробу щебня (гравия) насыпают в сосуд слоем, высота которого не должна превышать наибольшего номинального размера зерен, заливают раствором сульфата натрия так, чтобы щебень (гравий) был погружен полностью в раствор, и выдерживают в нем в течение 20 ч при комнатной температуре.

Затем раствор сливают (и используют повторно), а сосуд со щебнем (гравием) помещают на 4 ч в сушильный шкаф, в котором поддерживают температуру (105±5)°С. После этого щебень (гравий) охлаждают до комнатной температуры и вновь заливают раствором.

Последующие циклы испытания включают выдерживание щебня (гравия) в течение 4 ч в растворе сульфата натрия, сушку в течение 4 ч и охлаждение до комнатной температуры.

После 3, 5, 10 и 15 циклов пробу щебня (гравия) промывают горячей водой для удаления сульфата натрия, высушивают до постоянной массы и просеивают через сито с отверстиями размером d.

Зерна щебня (гравия) фракции св. 40 до 70 мм, имеющие свежую поверхность раскола и оставшиеся на сите с отверстиями диаметром 40 мм, относят к неморозостойким. Их массу не включают в массу остатка на контрольном сите.

12.2.4. Обработки результатов

Остаток на сите взвешивают и вычисляют потерю в массе щебня (гравия) () в процентах по формуле

                                                                                (27)

где m-масса пробы до испытания, г;

m1-масса остатка на сите после соответствующего цикла испытания, г.

За результат принимают среднее арифметическое значение двух параллельных испытаний. При испытании щебня (гравия), состоящего из смеси фракций,  вычисляют в соответствии с п. 1.8.

Если потеря массы при данном числе циклов испытания не превышает допускаемой ГОСТ 8267, ГОСТ 8268 и ГОСТ 10260, то испытания продолжают в течение последующих 25 циклов.

Если потеря массы превысила допускаемый предел, то испытание прекращают и показатель морозостойкости Мрз данной фракции щебня (гравия) характеризуют предыдущим числом циклов, при котором потеря массы щебня (гравия) не превышает допускаемой.

13. ОПРЕДЕЛЕНИЕ МИНЕРАЛО-ПЕТРОГРАФИЧЕСКОГО СОСТАВА ЩЕБНЯ (ГРАВИЯ)

Содержание пород и минералов в щебне (гравии) определяют методами петрографической разборки и минералогического анализа.

13.1 Аппаратура

Настольные гирные или циферблатные весы по ГОСТ 23711 и лабораторные по ГОСТ 24104.

Сушильный шкаф по ОСТ 16.0.801.397.

Сита из стандартного набора по п. 1.7.

Минералогическая лупа.

Набор реактивов.

Стальная игла или нож.

Молоток.

Фарфоровые ступка и чашки по ГОСТ 9147.

Муфельная печь, обеспечивающая температуру нагрева 800° С.

Магнит.

13.2. Подготовка к испытанию

Щебень (гравий) рассеивают на стандартные фракции и от каждой из них отбирают аналитическую пробу массой по п. 4.2.

При наличии в испытываемом щебне (гравии) какой-либо фракции в количестве, меньшем 5% по массе, минерало-петрографический состав этой фракции не определяют. Пробу промывают и высушивают до постоянной массы.

13.3. Проведение испытания

Петрографическую разработку щебня (гравия) выполняют визуальным осмотром зерен с помощью лупы, используя набор реактивов для минералогического анализа, а также другими принятыми в петрографии методами (с изготовлением в необходимых случаях прозрачных шлифов).

Зерна пробы каждой фракции разделяют по генетическим типам:

изверженные интрузивные - гранит, габбро, диорит и другие;

изверженные эффузивные - базальт, порфирит, диабаз и другие;

метаморфические - кварцит, кристаллические сланцы и другие;

осадочные - известняк, доломит, песчаник, кремень и другие.

Зерна карбонатных пород, подвергшиеся процессам окремнения более чем на 40 % своего объема, относят к группе кремня. Зерна кварца выделяют в самостоятельную группу. Кроме этого, выделяют зерна, представленные породами и минералами, наличие которых ограничено стандартами и техническими условиями на щебень (гравий) или требует проведения специальных исследований возможности применения щебня (гравия) в качестве заполнителя для различных видов бетона.

К указанным породам и минералам относят включения следующих пород и минералов: содержащих аморфные разновидности двуокиси кремния (халцедон, опал, кремень и др.); серу; сульфиды (пирит, марказит, пирротин и др.); сульфаты (гипс, ангидрит и др.); слоистые силикаты (слюды, гидрослюды, хлориты и др.); магнетит, гидроокислы железа (гетит и др.); апатит; нефелин; фосфорит; галоидные соединения (галит, сильвин и др.); цеолиты; асбест; графит; уголь, горючие сланцы.

Щебень из природного камня, изготовленный из одной горной породы, характеризуют петрографическим составом данной горной породы с указанием содержания включений, относимых к вредным примесям пород и минералов, перечисленных выше.

Для характеристики состава щебня, изготовленного из различных горных пород, а также гравия и щебня из гравия, производят петрографическую разборку щебня (гравия).

При наличии минералов, содержащих серу, количество сернистых и сернокислых соединений в пересчете на SO3 определяют по ГОСТ 8735.

В целях уточнения количественного содержания в щебне (гравии) или щебне из гравия зерен с включениями аморфных разновидностей кремнезема допускается применение метода термического испытания.

Для этого после проведения петрографической разборки из полученных групп зерен выделяют зерна, сомнительные по содержанию аморфных разновидностей кремнезема, и прокаливают их в муфельной печи при температуре 700 - 800 °С в течение 2 мин.

Зерна, разрушившиеся в течение этого времени, относят к числу содержащих включения аморфного кремнезема.

Количественное содержание растворимого в щелочи аморфного кремнезема определяют по п. 22.

13.4. Обработка результатов

Разнообразные по породам (или минералам) зерна щебня (гравия) взвешивают раздельно и вычисляют их содержание (Xi) в процентах по формуле

                                                                                         (28)

где mi-масса зерен данной породы или минерала, г;

т-масса пробы, г.

14. ОПРЕДЕЛЕНИЕ НАЛИЧИЯ ОРГАНИЧЕСКИХ ПРИМЕСЕЙ В ГРАВИИ (ЩЕБНЕ ИЗ ГРАВИЯ)

Наличие органических примесей (гумусовых веществ) в гравии определяют сравнением окраски щелочного раствора над пробой с окраской эталона.

14.1. Аппаратура, реактивы и растворы

Настольные гирные или циферблатные весы по ГОСТ 23711 и лабораторные по ГОСТ 24104.

Сито с отверстиями размером 20 мм.

Мерные цилиндры вместимостью 250 мм.

Водяная баня.

Гидроксид натрия по ГОСТ 2263, 3 %-ный раствор.

Танин, 2 %-ный раствор в 1 %-ном растворе этанола.

(Измененная редакция, Изм. 2).

14.2. Подготовка к испытанию

Испытывают фракцию гравия (щебня из гравия) с наибольшим номинальным размером зерен 20 мм.

Гравий массой около 1 кг в воздушно-сухом состоянии просеивают через сито с отверстиями диаметром 20 мм.

Готовят эталонный раствор, растворяя 2,5 мл 2%-ного раствора танина в 97,5 мл 3 %-ного раствора гидроксида натрия. Приготовленный раствор перемешивают и оставляют на 24 ч.

Оптическая плотность раствора танина, определяемая на фотоколориметре или спектрофотометре в области длин волн 450-500 нм, должна составлять 0,60-0,68.

14.3. Проведение испытания

Гравием заполняют мерный цилиндр до уровня 130 мл и заливают его 3 %-ным раствором гидроксида натрия до уровня 200 мл. Содержимое цилиндра перемешивают и оставляют на 24 ч, повторяя перемешивание через 4 ч после начала испытания. Затем сравнивают окраску жидкости, отстоявшейся над пробой, с цветом эталонного раствора или стеклом, цвет которого соответствует цвету эталонного раствора.

Гравий (щебень из гравия) пригоден для использования в бетонах или растворах, если жидкость над пробой бесцветна или окрашена значительно слабее эталонного раствора.

При окраске жидкости незначительно светлее эталонного раствора содержимое сосуда подогревают в течение 2-3 ч на водяной бане при температуре 60-70 °С и, сравнивая цвет жидкости над пробой с цветом эталонного раствора, решают вопрос о пригодности заполнителя для приготовления бетона или раствора.

При окраске жидкости, одинаковой или более темной, чем цвет эталонного раствора, необходимо проведение испытания заполнителя в бетонах или растворах в специализированных лабораториях.

15. ОПРЕДЕЛЕНИЕ ИСТИННОЙ ПЛОТНОСТИ ГОРНОЙ ПОРОДЫ И ЗЕРЕН ЩЕБНЯ (ГРАВИЯ)

15.1. Пикнометрический метод

Истинную плотность горной породы и зерен щебня (гравия) определяют путем измерения массы единицы объема измельченного высушенного материала.

15.1.1. Аппаратура

Пикнометр вместимостью 100 мл по ГОСТ 22524.

Настольные гирные или циферблатные весы по ГОСТ 23711 и лабораторные по ГОСТ 24104.

Стаканчик для взвешивания по ГОСТ 25336 или фарфоровая чашка по ГОСТ 9147.

Чугунная или фарфоровая ступка.

Эксикатор по ГОСТ 25336.

Концентрированная серная кислота по ГОСТ 2184.

Хлорид кальция по ГОСТ 450.

Сушильный шкаф по ОСТ 16.0.801.397.

Песчаная ванна или водяная баня.

Металлическая щетка.

15.1.2 Подготовка к испытанию

Пробы для определения истинной плотности горной породы отбирают по ГОСТ 23845.

Для определения истинной плотности зерен щебня (гравия) отбирают аналитическую пробу массой по п. 12.1.2.

Куски камня или зерна щебня (гравия) очищают металлической щеткой от пыли, измельчают до крупности менее 5 мм, после чего перемешивают и сокращают пробу примерно до 150 г. Полученную пробу вновь измельчают до крупности менее 1,25 мм, перемешивают и сокращают до 30 г. Приготовленную таким образом пробу измельчают в порошок в чугунной или фарфоровой ступке, насыпают в стаканчик для взвешивания или в фарфоровую чашку, высушивают до постоянной массы и охлаждают до комнатной температуры в эксикаторе над концентрированной серной кислотой или над безводным хлоридом кальция, после чего отвешивают две навески массой 10 г каждая.

15.1.3. Проведение испытания

Каждую навеску всыпают в чистый высушенный пикнометр и наливают в него дистиллированную воду в таком количестве, чтобы пикнометр был заполнен не более чем на половину своего объема, затем пикнометр в слегка наклонном положении ставят на песчаную ванну или в водяную баню и кипятят его содержимое в течение 15-20 мин для удаления пузырьков воздуха (пузырьки воздуха могут быть удалены также путем выдерживания пикнометра под вакуумом в эксикаторе). После удаления воздуха пикнометр обтирают, охлаждают до комнатной температуры, доливают до метки дистиллированную воду и взвешивают. Затем пикнометр освобождают от содержимого, промывают, наполняют до метки дистиллированной водой комнатной температуры и взвешивают.

15.1.4. Обработка результатов

Истинную плотность () в г/см3 вычисляют по формуле

                                                                                     (29)

где m-масса навески порошка, высушенного до постоянной массы, г;

т1-масса пикнометра с дистиллированной водой, г;

m2-масса пикнометра с навеской и дистиллированной водой после удаления пузырьков воздуха, г;

-плотность воды, равная 1 г/см3.

Расхождение между результатами двух определений не должно быть более 0,02 г/см3. В случае больших расхождений производят третье определение и принимают для расчета два ближайших значения.

За результат принимают среднее арифметическое значение двух параллельных испытаний.

В случае необходимости определения истинной плотности щебня (гравия), состоящего из смеси фракций, ее значение вычисляют по п. 1.8, как среднее взвешенное испытание отдельных фракций.

15.2. Ускоренное определение истинной плотности

Истинную плотность горной породы и зерен щебня (гравия) определяют путем измерения массы единицы объема измельченного высушенного материала с использованием прибора Ле-Шателье.

15.2.1. Аппаратура

Прибор Ле-Шателье (черт. 8).

Настольные гирные или циферблатные весы по ГОСТ 23711 и лабораторные по ГОСТ 24104.

Стаканчик для взвешивания или фарфоровая чашка по ГОСТ 9147.

Эксикатор по ГОСТ 25336.

Cyшильный шкаф по ОСТ 16.0.801.397.

Серная кислота по ГОСТ 2184.

Безводный хлорид кальция по ГОСТ 450.

Сито с размером отверстий 5 мм по ГОСТ 6613.

Металлическая щетка.

15.2.2. Подготовка к испытанию

Пробу готовят по п. 15.1.2.

Подготовленную пробу всыпают в стаканчик для взвешивания или в фарфоровую чашку, высушивают до постоянной массы и охлаждают до комнатной температуры в эксикаторе над концентрированной серной кислотой или над безводным хлоридом кальция;

После этого отвешивают две навески массой по 50 г каждая.

Прибор Ле-Шателье

Черт. 8

15.2.3. Проведение испытания

Прибор наполняют водой до нижней отметки, причем уровень воды определяют по нижнему мениску.

Каждую навеску через воронку прибора всыпают небольшими порциями до тех пор, пока уровень жидкости в приборе, определяемый по нижнему мениску, не поднимется до риски с делением 20 мл (или другим делением) в пределах верхней градуированной части прибора.

Для удаления пузырьков воздуха прибор рекомендуется слегка встряхнуть.

15.2.4. Обработка результатов

Остаток измельченной пробы щебня (гравия), не вошедший в прибор, взвешивают и определяют плотность порошка () в г/см3 по формуле

                                                                                           (30)

где m-масса высушенной навески порошка, г;

m1-масса остатка, г;

V-объем воды, вытесненный порошком, см.

Расхождение, между результатами двух определений плотности не должно быть больше 0,02 г/см3 В случаях больших расхождений производят третье определение и принимают для расчета два ближайших значения.

За результат принимают среднее арифметическое значение двух параллельных испытаний.

В случае необходимости определения истинной плотности щебня (гравия), состоящего из смеси фракций, ее значение вычисляют по п. 1.8.

16. ОПРЕДЕЛЕНИЕ СРЕДНЕЙ ПЛОТНОСТИ И ПОРИСТОСТИ ГОРНОЙ ПОРОДЫ И ЗЕРЕН ЩЕБНЯ (ГРАВИЯ)

16.1. Определение средней плотности

Среднюю плотность горной породы и зерен щебня (гравия) определяют путем измерения массы единицы объема кусков породы или зерен щебня (гравия), который оценивают с использованием весов для гидростатического взвешивания.

16.1.1 Аппаратура

Настольные гирные или циферблатные весы по ГОСТ 23711-79.

Технические весы с приспособлением для гидростатического взвешивания (черт. 9).

Сушильный шкаф по ОСТ 16.0.801.397.

Сосуд для насыщения щебня (гравия) и образцов водой или для парафинирования образцов.

Сита из стандартного набора.

Металлическая щетка.

16.1.2. Подготовка к испытанию

Для определения средней плотности горной породы отбирают по ГОСТ 23845 пять образцов правильной формы или пять кусков произвольной формы размером св. 40 до 70 мм. Каждый образец очищают металлической щеткой от рыхлых частиц, пыли и высушивают до постоянной массы. Для этой же цели могут быть использованы образцы правильной геометрической формы по п. 1.4, которые также высушивают до постоянной массы.

Весы для гидростатического взвешивания

1-сетчатый (перфорированный) стакан; 2-сосуд со сливом для воды; 3-стаканчик с дробью для уравновешивания массы сетчатого стакана в воде; 4-разновесы

Черт. 9

Для определения средней плотности зерен щебня (гравия) фракции с наибольшим номинальным размером до 40 мм берут аналитическую пробу массой не менее 2,5 кг. При испытании щебня (гравия) фракции с наибольшим номинальным размером св. 40 мм берут аналитическую пробу, массой около 5 кг зерна крупнее 40 мм дробят до получения частиц размером не более 40 мм и пробу сокращают вдвое.

Пробу высушивают до постоянной массы, просеивают через сито с размером отверстий, соответствующим наименьшему номинальному размеру зерен данной фракции щебня (гравия) и из остатка на сите отвешивают две навески по 1000 г каждая.

16.1.3. Проведение испытания

Образцы горной породы произвольной формы или навеску щебня (гравия) насыщают водой, погружая их в воду комнатной температуры на 2 ч так, чтобы уровень воды в сосуде был выше поверхности образцов или щебня (гравия) не менее чем на 20 мм.

Насыщенные образцы породы или пробу щебня (гравия) вынимают из воды, удаляют влагу с их поверхности мягкой влажной тканью и сразу же взвешивают сначала на настольных гирных или циферблатных, а затем на гидростатических весах, помещая пробу в сетчатый (перфорированный) стакан, погруженный в поду.

Образцы горной породы произвольной формы с мелкими открытыми порами вместо насыщения допускается покрывать пленкой парафина толщиной около 1 мм. Для этого высушенный до постоянной массы образец погружают в разогретый парафин и охлаждают на воздухе. В случае обнаружения при остывании на парафиновой пленке пузырьков или повреждений их заглаживают с помощью горячей металлической пластинки или проволоки.

Подготовленный образец взвешивают на настольных гирных или циферблатных, а затем на гидростатических весах.

Для определения средней плотности образцов горной породы правильной формы измеряют их размеры, определяют объем и вычисляют среднюю плотность.

16.1.4. Обработка результатов

Среднюю плотность образцов горной породы произвольной формы или щебня (гравия) () в г/см3 вычисляют по формуле

                                                                                        (31)

где m-масса образца или пробы в сухом состоянии, г;

m1-масса образца или пробы в насыщенном водой состоянии на воздухе, г;

m2-масса образца или пробы в насыщенном водой состоянии в воде, г;

-плотность воды, равная 1 г/см3.

Среднюю плотность парафинированных образцов горной породы произвольной формы ()в г/см3 вычисляют по формуле

                                                                        (32)

где m-масса образца в сухом состоянии, г;

-масса парафинированного образца на воздухе, г;

-масса парафинированного образца в воде, г;

-плотность парафина (может быть принята равной 0,93 г/см3);

-плотность воды, равная 1 г/см3.

Среднюю плотность образцов горной породы правильной формы () в г/см3 вычисляют по формуле

                                                                                                (33)

где т-масса образца, г/см3;

V-объем образца, см3.

За результат принимают среднее арифметическое значение результатов испытания пяти образцов горной породы или двух образцов щебня (гравия). При этом расхождение между результатами двух определений средней плотности щебня (гравия) не должно превышать 0,02 г/см3. При больших расхождениях проводят третье определение и вычисляют среднее арифметическое двух ближайших значений.

16.2. Определение пористости

Пористость горной породы или зерен щебня (гравия) определяют расчетным путем на основании предварительно установленных значений истинной плотности и средней плотности.

Пористость горной породы или зерен щебня (гравия) (Vпор) в процентах по объему вычисляют по формуле

                                                                               (34)

где -средняя плотность горной породы или зерен щебня (гравия),г/см3 (п. 16.1);

-истинная плотность горной породы или зерен щебня (гравия), г/см3 (п. 15).

17. ОПРЕДЕЛЕНИЕ НАСЫПНОЙ ПЛОТНОСТИ И ПУСТОТНОСТИ ЩЕБНЯ (ГРАВИЯ)

17.1. Определение насыпной плотности

Насыпную плотность определяют путем взвешивания определенного объема щебня (гравия) данной фракции, высушенного до постоянной массы.

17.1.1. Аппаратура

Настольные гирные или циферблатные часы по ГОСТ 23711 и платформенные по ГОСТ 24104.

Сушильный шкаф по ОСТ 16.0.801.397.

Мерные цилиндры по табл. 5.

17.1.2. Подготовка к испытанию

Щебень (гравий) в объеме, обеспечивающем проведение испытания, высушивают до постоянной массы.

17.1.3. Проведение испытания

Щебень (гравий) насыпают в предварительно взвешенный цилиндр с высоты 10 см до образования конуса, который снимают стальной линейкой вровень с краями (без уплотнения) движением к себе, после чего цилиндр со щебнем (гравием) взвешивают.

В зависимости от наибольшего номинального размера щебня (гравия) применяют цилиндры в соответствии с табл. 5.

17.1.4. Обработка результатов

Насыпную плотность щебня (гравия) () вычисляют с точностью до 10 кг/м3 по формуле

                                                                                           (35)

где m - масса мерного цилиндра, кг;

m1 - масса мерного цилиндра со щебнем (гравием), кг;

V - объем мерного цилиндра, м3.

Насыпную плотность определяют два раза, при этом каждый раз берут новую порцию щебня (гравия).

За результат принимают среднее арифметическое значение двух параллельных испытаний.

Таблица 5

Объем мерного цилиндра, л

Размеры цилиндра, мм

Фракция щебня (гравия), мм

Диаметр

Высота

5

185

185

От 5 до 10

10

234

234

Св.10 до 20

20

294

294

Св.20 до 40

50

400

400

Св.40

17.2. Определение насыпной плотности для перевода количества щебня (гравия) из весовых единиц в объемные

Насыпную плотность определяют путем взвешивания определенного объема щебня (гравия) в состоянии естественной влажности.

17.2.1. Аппаратура

Платформенные весы по ГОСТ 24104.

Мерные цилиндры или ящик с размерами в соответствии с табл. 6.

Таблица 6

Мерный

сосуд

Объем, л

Размер сосуда, мм

Фракция щебня

(гравия), мм

Диаметр

Сторона основания

Высота

Цилиндр

10

234

-

234

От 5 до 10

 

20

294

-

294

Св.10 до 20

Цилиндр

30

400

-

400

Св.20 до 40

Ящик

100

-

465

465

Св.40

17.2.2. Проведение испытания

Щебень (гравий) насыпают с высоты 10 см в предварительно взвешенный мерный сосуд (ящик) до образования над верхом сосуда конуса, который снимают стальной линейкой вровень с краями сосуда (без уплотнения) движением к себе и сосуд со щебнем (гравием) взвешивают.

В зависимости от наибольшего номинального размера щебня (гравия) применяют мерные сосуды в соответствии с табл. 6.

17.2.3. Обработка результатов

Насыпную плотность щебня (гравия) (rн) вычисляют с точностью до 10 кг/м3 по формуле

 ,                                                                                        (36)

где m - масса мерного сосуда, г;

m1 - масса мерного сосуда со щебнем (гравием), кг;

V - объем мерного сосуда, м3.

Насыпную плотность определяют два раза, при этом каждый раз берут новую порцию щебня (гравия).

За результат принимают среднее арифметическое значение двух параллельных испытаний.

Примечание:

1. Значение насыпной плотности щебня (гравия) с наибольшим номинальным размером зерен 40 мм и более, определенное указанным выше способом в малых емкостях (мерных сосудах и ящиках), для расчета насыпной плотности щебня (гравия) в транспортных средствах грузоподъемностью более 10 т должно быть увеличено на 5%.

2. Допускается определять насыпную плотность щебня (гравия) непосредственно в транспортных средствах путем взвешивания в них материала и определения занимаемого им объема.

3. Насыпную плотность песчано-гравийной смеси определяют без предварительного разделения на гравийную и песчаную составляющие, используя мерные сосуды в соответствии с номинальным размером гравия.

17.3. Определение пустотности

Пустотность щебня (гравия) определяют расчетным путем на основании предварительно установленных значений средней плотности зерен и насыпной плотности щебня (гравия).

Пустотность щебня (гравия) (Vм.п.) в процентах по объему вычисляют по формуле

,                                                                 (37)

где rн - насыпная плотность щебня (гравия), кг/м3 (п. 17.1);

rк - средняя плотность зерен щебня (гравия), г/см3 (п. 16.1).

Примечание: В зависимости от назначения щебня (гравия) пустотность его можно вычислить в уплотненном состоянии.

18. ОПРЕДЕЛЕНИЕ ВОДОПОГЛОЩЕНИЯ ГОРНОЙ ПОРОДЫ И ЩЕБНЯ (ГРАВИЯ)

Водопоглощение определяют путем сравнения массы образцов горной породы или проб щебня (гравия) в насыщенном водой состоянии и после высушивания.

18.1. Аппаратура

Настольные гирные или циферблатные весы по ГОСТ 23711.

Сушильный шкаф по ОСТ 16.0.801.397.

Сосуд для насыщения образцов водой.

Металлическая щетка.

18.2. Подготовка к испытанию

Для определения водопоглощения горной породы отбирают пять образцов правильной формы или пять кусков произвольной формы размером от 40 до 70 мм по ГОСТ 23845. Образцы очищают металлической щеткой от рыхлых частиц и пыли и высушивают до постоянной массы.

Для определения водопоглощения щебня (гравия) берут аналитическую пробу в соответствии с п. 12.1.2, промывают и высушивают ее до постоянной массы.

18.3. Проведение испытания

Образцы горной породы или навески щебня (гравия) укладывают в сосуд с водой комнатной температуры так, чтобы уровень воды в сосуде был выше верха образцов или пробы щебня (гравия) не менее чем на 20 мм. В таком положении образцы или пробу выдерживают в течение 48 ч, после чего их вынимают из сосуда, удаляют влагу с поверхности отжатой влажной мягкой тканью и каждый образец или пробу взвешивают, при этом масса воды, вытекающей из пор образца или зерен щебня (гравия) на чашку весов, должна включаться в массу образца (пробы).

18.4. Обработка результатов

Водопоглощение (Wпогл) в процентах по массе вычисляют по формуле

                                                                               (38)

где m-масса образца или пробы в сухом состоянии, г;

m1-масса образца или пробы в насыщенном водой состоянии.

Примечание. В необходимых случаях в зависимости от назначения щебня (гравия) выдерживают образцы в воде до насыщения их до постоянной массы.

За результат принимают среднее арифметическое значение пяти параллельных испытании.

При испытании щебня (гравия), состоящего из смеси фракций, значение водопоглощения вычисляют в соответствии с п. 1.8.

19. ОПРЕДЕЛЕНИЕ ВЛАЖНОСТИ ЩЕБНЯ (ГРАВИЯ)

Влажность определяют путем сравнения массы пробы щебня (гравия) в состоянии естественной влажности и после высушивания.

19.1. Аппаратура

Настольные гирные или циферблатные весы по ГОСТ 23711.

Сушильный шкаф по ОСТ 16.0.801.397.

19.2. Подготовка к испытанию

Из щебня (гравия) испытываемой фракции берут аналитическую пробу массой по п. 12.1.2.

19.3. Проведение испытания

Пробу щебня (гравия) насыпают в сосуд и взвешивают, а затем высушивают до постоянной массы.

Примечание. Естественную влажность горной породы определяют на образцах правильной или произвольной формы по п. 18.2.

19.4. Обработка результатов

Влажность щебня (гравия) (W) в процентах по массе вычисляют по формуле

                                                                                  (39)

где тв - масса пробы в состоянии естественной влажности, г;

т - масса пробы в сухом состоянии, г.

20. ОПРЕДЕЛЕНИЕ ПРЕДЕЛА ПРОЧНОСТИ ГОРНОЙ ПОРОДЫ ПРИ СЖАТИИ

Прочность горных пород определяют путем сжатия и доведения до разрушения образцов (кубов или цилиндров) на прессе.

20.1.Аппаратура

Гидравлический пресс с предельным усилием по п. 1.9.

Буровой или камнерезный станок.

Штангенциркуль по ГОСТ 166.

Сосуд для насыщения образцов водой.

20.2. Подготовка к испытанию

Из пробы горной породы, отобранной по ГОСТ 23845, представленного монолитом или керном, при помощи бурового или камнерезного станка изготавливают пять образцов в виде цилиндра диаметром и высотой 40-50 мм или куба с ребром 40-50 мм.

Допускается испытывать керны, полученные в процессе разведочного бурения из одного слоя породы, диаметром от 0 до 110 мм и высотой, равной диаметру, с пришлифованными торцами, если керны не имеют внешних повреждений.

Грани образцов, к которым прикладывают нагрузку пресса, обрабатывают на шлифовальном станке (круге), при этом должна быть обеспечена параллельность указанных граней. Правильность, формы образцов проверяют стальным угольником. Неперпендикулярность смежных граней кубов, а также опорных и боковых поверхностей цилиндров не должна превышать 1 мм на 100 мм длины.

Направление приложения нагрузки должно быть нормальным к опорным поверхностям образцов и слоистости породы. В необходимых случаях образцы испытывают при приложении нагрузки параллельно слоистости породы.

Перед определением прочности образец измеряют штангенциркулем и насыщают водой по п. 18.

20.3. Проведение испытания

Образец устанавливают в центре опорной плиты пресса.

Нагрузка на образец при испытании должна возрастать непрерывно и равномерно со скоростью 0,5 Mпа (5 кгс/см2) в секунду.

Значение разрушающей нагрузки должно быть в пределах от 20 до 80 % максимального усилия, развиваемого прессом.

(Измененная редакция, Изм. № 1).

20.4. Обработка результатов

Предел прочности образца (Rсж) вычисляют с точностью до 1 МПа (10 кгс/см2) по формуле

                                                                                               (40)

где Р - разрушающее усилие пресса, Н (кгс);

F - площадь поперечного сечения образца, мм2 (см2).

За результат принимают среднее арифметическое значение пяти параллельных испытаний.

21. ОПРЕДЕЛЕНИЕ КОЭФФИЦИЕНТА СНИЖЕНИЯ ПРОЧНОСТИ ГОРНОЙ ПОРОДЫ ПРИ НАСЫЩЕНИИ ВОДОЙ

Коэффициент снижения прочности горной породы при насыщении водой определяют по отношению прочности образцов в насыщенном водой и сухом состояниях.

21.1. Аппаратура по п. 20.1.

21.2. Подготовка к испытанию

Для испытания берут десять образцов правильной формы по п. 20.2.

Из них пять образцов насыщают водой по п. 20.3, пять образцов высушивают до постоянной массы.

21.3. Проведение испытания

Испытания насыщенных водой и высушенных до постоянной массы образцов проводят по п. 20.3.

21.4. Обработка результатов

Коэффициент снижения прочности горной породы (Кг) при насыщении водой вычисляют по формуле

                                                                                              (41)

где  - среднее арифметическое значение предела прочности насыщенных водой образцов, Па (кгс/см2);

 - среднее арифметическое значение предела прочности образцов, высушенных до постоянной массы, Па (кгс/см2).

22. ОПРЕДЕЛЕНИЕ РЕАКЦИОННОЙ СПОСОБНОСТИ ГОРНОЙ ПОРОДЫ И ЩЕБНЯ (ГРАВИЯ)

Реакционную способность (взаимодействие со щелочами цемента) горных пород и щебня (гравия) характеризуют содержанием растворимого в щелочи кремнезема.

22.1. Весовой метод

22.1.1. Аппаратура, реактивы и растворы

Стандартные сита с отверстиями диаметром 5 мм и сетками № 0315 и 016.

Ступка.

Настольные гирные или циферблатные весы по ГОСТ 23711 или лабораторные рычажные по ГОСТ 24104.

Весы по ГОСТ 24104 с погрешностью взвешивания ± 0,0002 г.

Электропечь с номинальной температурой 1100°С по ОСТ 16.0.801.397.

Сосуд из нержавеющей стали или другого антикоррозионного материала (черт. 10).

Сушильный шкаф по ОСТ 16.0.801.397.

Водяная баня.

Мерные колбы на 200 мл по ГОСТ 1770.

Воронки.

Чашки для выпаривания по ГОСТ 9147.

Платиновые или фарфоровые тигли.

Беззольные фильтры (белая лента).

Гидроксид натрия по ГОСТ 2263.

Концентрированная соляная кислота плотностью 1,19 г/см3 по ГОСТ 3118.

Нитрат серебра по ГОСТ 1277.

Раствор, содержащий в 100 мл 1 г AgNO3, 5 мл HNO3;

22.1.2. Подготовка к испытанию

Для определения реакционной способности горной породы, в которой обнаружено присутствие одной или нескольких разновидностей реакционно-способных пород или минералов (п. 13), берут пробу массой не менее 1 кг от каждой петрографической разновидности. Для определения реакционной способности щебня (гравия) берут аналитическую пробу массой по п. 4.2.

Пробу очищают от загрязняющих примесей, измельчают до крупности менее 5 мм, тщательно перемешивают и сокращают до навески массой около 250 г. Из полученной навески высевают фракцию от 0,16 до 0,315 мм, дополнительно измельчают все более крупные зерна и сокращают ее массу до 100 г. Навески промывают струей водопроводной воды на сите с отверстиями размером 0,16 мм в течение 10 мин и высушивают до постоянной массы.

Cосуд из антикоррозионного материала

черт. 10

22.1.3. Проведение испытаний

Из полученной навески отвешивают две навески массой по 25 г, каждую из которых высыпают в отдельный сосуд из нержавеющей стали и добавляют по 25 мл 1 н. раствора гидроксида натрия. Сосуды с содержимым несколько раз встряхивают для удаления пузырьков воздуха, плотно закрывают крышками и помещают в термостат, предварительно нагретый до 80°С. В течение испытания в термостате поддерживают температуру (80±2)°С. Через 24 ч сосуды вынимают из термостата и охлаждают холодной водой так, чтобы температура их в течение 15 мин снизилась до комнатной.

После охлаждения содержимое каждого сосуда фильтруют в сухую пробирку через сухой фильтр. Сначала в воронку, не встряхивая, сливают по стеклянной палочке раствор, затем шпателем на фильтр переносят твердый остаток. Жидкость фильтруют до тех пор, пока скорость фильтрации не замедлится до 1 капли за 10 с. (промывание не допускается).

Установка для сбора фильтрата

1-водоструйный насос; 2-резиновая пробка; 3-воронка Бюхнера; 4-склянка Бунзена; 5-пробирка для сбора фильтрата

Черт. 11

Для ускорения фильтрования используют водоструйный насос со склянкой Бунзена (черт. 11).

Фильтрат взбалтывают до получения однородного раствора, отбирают пипеткой 10 мл в мерную колбу объемом 200 мл, доливают до метки дистиллированной водой и перемешивают.

Для определения количества растворившегося кремнезема, берут 100 мл раствора, наливают в .фарфоровую чашку, добавляют 5-10 мл концентрированной соляной кислоты и выпаривают на водяной бане. Остаток в чашке увлажняют 5 мл концентрированной соляной кислоты, выдерживают 5-10 мин, добавляют 100 мл горячей дистиллированной воды, перемешивают, выдерживают 10 мин на водяной бане и фильтруют (фильтр белая лента), остаток на фильтре промывают горячей водой до исчезновения реакции на хлориды (при добавлении 1-2 капель раствора нитрата серебра вода должна оставаться прозрачной).

Фильтр с осадком помещают в тигель, фильтрат переносят в фарфоровую чашку, выпаривают досуха, и выдерживают в течение 30 мин в сушильном шкафу, при температуре около 105°С. Сухой остаток увлажняют 5 мл концентрированной соляной кислоты, разбавляют водой и фильтруют. Остаток на фильтре промывают до исчезновения реакции на хлориды. Фильтр с осадком помещают в тигель вместе с первым фильтром, подсушивают, оголяют, прокаливают при температуре 1000-1100°С в течение 10 мин и взвешивают. Масса осадка m в тигле соответствует содержанию кремнезема в 100 мл раствора.

22.1.4. Обработка результатов

Содержание растворимого кремнезема (М) в миллимолях на 1 л исходного раствора гидроксида натрия определяют по формуле

М = т·3300.                                                                                          (42)

Горную породу или щебень (гравий) относят к реакционно-способным, если количество растворенного кремнезема в условиях опыта превышает 50 ммоль/л. В этом случае необходима специальная проверка щебня (гравия) в бетоне.

22.2. Фотоколориметрический метод

22.2.1. Аппаратура, реактивы и растворы

Аппаратура, реактивы и растворы по п. 22.1.1.

Фотоколориметр или спектрофотометр.

Мерные колбы вместимостью 100 мл по ГОСТ 1770.

Кремневая кислота по ГОСТ 4214.

Концентрированная серная кислота плотностью 1,84 г/см3 по ГОСТ 2184.

Винная кислота по ГОСТ 5817, 28 %-ный раствор.

Раствор молибдата аммония: 89 г молибдата аммония растворяют в 800 мл дистиллированной воды, затем медленно приливают 62 мл серной кислоты плотностью 1,84 г/см3. Раствор охлаждают до 20°С и разбавляют дистиллированной водой до 1 л.

Раствор восстановителя: 2,4 г сульфата натрия и 0,2 г эйконогена растворяют в 70 мл дистиллированной воды, добавляют 14 г метабисульфита калия и разбавляют дистиллированной водой до 100 мл.

Стандартные растворы: в мерные колбы вместимостью 100 мл помещают от 0,1 до 0,8 мл раствора кремневой кислоты, содержащего 5,2 ммоль/л SiO2. В каждую колбу добавляют 70-80 мл дистиллированной воды, 2,5 мл раствора молибдата аммония, тщательно перемешивают, через 10 мин добавляют 2,5 мл 28 %-ного раствора винной кислоты, тщательно перемешивают. Выдерживают раствор 5 мин, добавляют 2 мл раствора восстановителя и разбавляют дистиллированной водой до метки 100 мл. Определяют оптическую плотность полученных растворов и строят калибровочную кривую зависимости оптической плотности от концентрации SiO2 в растворе, ммоль/л.

22.2.2. Подготовка к испытанию

Подготовка к испытанию по п. 22.1.2.

22.2.3. Проведение испытаний

От фильтрата, полученного по п. 22.1.3, отбирают 0,1-0,5 мл, переносят в мерную колбу вместимостью 100 мл. В колбу вливают 70-80 мл дистиллированной воды и 2,5 мл раствора молибдата аммония. Содержимое колбы перемешивают. Через 10 мин в колбу добавляют 2,5 мл 28%-ного раствора винной кислоты и снова тщательно перемешивают, раствор выдерживают в течение 5 мин, добавляют 2 мл раствора восстановителя и разбавляют дистиллированной водой до метки 100 мл. Через 15 мин измеряют на фотоколориметре или спектрофотометре оптическую плотность раствора в кювете толщиной 10 мм, применяя красный светофильтр.

Содержание кремневой кислоты в анализируемых растворах определяют по калибровочной кривой, предварительно построенной на основании результатов фотометрирования стандартных растворов.

22.2.4. Обработка результатов

Содержание растворимого кремнезема (М) в миллимолях на 1 л исходного раствора гидроксида натрия определяют по формуле

                                                                                          (43)

где С - концентрация испытываемого раствора, определенная по калибровочной кривой, ммоль/л;

V - количество испытываемого раствора, взятого для колориметрирования, мл.

Горную породу или щебень (гравий) относят к реакционно-способным, если количество растворенного кремнезема в условиях опыта превышает 50 ммоль/л. В этом случае необходимы специальные испытания щебня (гравия) в бетоне.

ПРИЛОЖЕНИЕ
Справочное

ОБЛАСТЬ ПРИМЕНЕНИЯ МЕТОДОВ ИСПЫТАНИЙ

Таблица 7

Наименование испытания

 

Область применения

Приемочный контроль на предприятии (карьере) - изготовителе

Определение свойств горных пород и получаемых из них щебня и гравия при геологической разведке

Входной контроль на предприятии – потребителе

ежедневный

периодический

 

 

Определение зернового состава щебня (гравия)

+

-

+

+

Определение содержания дробленых зерен в щебне из гравия

+

-

-

+

Определение содержания в щебне (гравии) пылевидных и глинистых частиц

+

-

+

+

Определение содержания в щебне (гравии) глины в комках

+

-

+

+

Определение содержания в щебне (гравии) зерен пластинчатой (лещадной) и игловатой формы

-

+

+

+

Определение дробимости щебня (гравия) при сжатии (раздавливании) в цилиндре

-

+

+

-

Определение содержания в щебне (гравии) зерен слабых пород

-

+

+

-

Определение истираемости щебня (гравия) в полочном барабане

-

+

+

-

Определение сопротивления щебня (гравия) удару на копре ПМ

-

+

+

-

Определение морозостойкости щебня (гравия)

-

+

+

-

Определение минералопетрографического состава щебня

-

-

+

-

Определение наличия органических примесей в щебне (гравии)

-

+

+

-

Определение истинной плотности горной породы и зерен щебня (гравия)

-

-

+

-

Определение средней плотности и пористости горной породы и зерен щебня (гравия)

-

-

+

+

Определение насыпной плотности и пустотности щебня (гравия)

-

+

-

+

Определение водо-поглощенной горной породы и щебня (гравия)

-

-

+

-

Определение влажности щебня (гравия)

-

+

-

-

Определение реакционной способности горной породы и щебня (гравия)

-

-

+

-

Примечания:

1. Знак «+» означает, что испытание проводят; знак «-»-не проводят.

2. Испытания при входном контроле проводят при наличии требований по этому показателю в нормативно-технических документах.

ИНФОРМАЦИОННЫЕ ДАННЫЕ

1. Стандарт соответствует СТ СЭВ 5446-85, СТ СЭВ 5975-87 и СТ СЭВ 6317-88 (в части отбора проб, методов определения дробимости щебня (гравия), истираемости щебня (гравия) в полочном барабане, предела прочности горной породы при сжатии, определения зернового состава)

2. ВЗАМЕН ГОСТ 8269-76

3. ССЫЛОЧНЫЕ НОРМАТИВНО-ТЕХНИЧЕСКИЕ ДОКУМЕНТЫ

Обозначение НТД, на который дана ссылка

Номер пункта

ГОСТ 166-89

7.1.1, 20.1

ГОСТ 450-77

15.1.1, 15.2.1

ГОСТ 1277-75

22.1.1

ГОСТ 1770-74

22.1.1, 22.2.1

ГОСТ 2184-77

15.1.1, 15.2.1, 22.2.1

ГОСТ 2263-79

14.1, 22.1.1

ГОСТ 2874-82

1.11

ГОСТ 3118-77

22.1.1

ГОСТ 4166-76

12.2.1

ГОСТ 4171-76

12.2.1

ГОСТ 4214-78

22.2.1

ГОСТ 5817-77

22.2.1

ГОСТ 6613-86

5.2.1, 8.1, 10.1, 11.1, 15.2.1

ГОСТ 7502-89

9.2.1

ГОСТ 8030-80

9.1.1

ГОСТ 8267-82

2.8, 9.2.4, 12.1.4, 12.2.4

ГОСТ 8268-82

2.8, 12.1.4, 12.2.4

ГОСТ 8735-88

13.3

ГОСТ 9147-80

5.2.1, 5.4.1, 13.1, 15.1.1, 15.2.1, 22.1.1

ГОСТ 10260-82

2.8, 12.2.4

ГОСТ 22524-77

5.2.1, 15.1.1

ГОСТ 23711-79

3.1, 4.1, 5.1.1, 5.2.1, 5.3.1, 5.4.1, 6.1, 7.1.1, 7.2.1, 8.1., 9.1.1, 9.2.1, 10.1, 11.1, 12.1.1, 12.2.1, 13.1, 14.1, 15.1.1, 15.2.1, 16.1.1, 17.1.1, 18.1, 19.1, 22.1.1

ГОСТ 23732-79

1.11

ГОСТ 23845-86

2.10, 15.1.2, 16.1.2, 18.2, 20.2

ГОСТ 24100-80

2.10

ГОСТ 24104-88

3.1, 5.1.1, 5.2.1, 5.3.1, 5.4.1, 6.1, 7.1.1, 7.2.1, 8.1, 9.1.1, 9.2.1, 12.1.1, 13.1, 14.1, 15.1.1, 15.2.1, 17.1.1, 17.2.1, 22.1.1

ГОСТ 25336-82

15.1.1, 15.2.1

ГОСТ 28840-90

1.9, 8.1, 9.2.1

ОСТ 16.0.801.397-87

3.1, 5.1.1, 5.2.1 5.3.1 5.4.1, 6.1, 8.1, 9.1.1, 9.2.1, 10.1, 12.1.1, 12.2.1, 13.1, 15.1.1, 15.2.1, 16.1.1, 17.1.1, 18.1, 19.1, 22.1.1

ТУ 16.1271-088-90

9.1.1

5. Переиздание (апрель 1993 г.) с Изменениями № 1, 2, утвержденными в июне 1988 г., июне 1969 г. (ИУС 11-88, 11-89)

 




ГОСТЫ, СТРОИТЕЛЬНЫЕ и ТЕХНИЧЕСКИЕ НОРМАТИВЫ.
Некоммерческая онлайн система, содержащая все Российские Госты, национальные Стандарты и нормативы.
В Системе содержится более 150000 файлов нормативно-технической документации, действующей на территории РФ.
Система предназначена для широкого круга инженерно-технических специалистов.

Рейтинг@Mail.ru Яндекс цитирования

Copyright © www.gostrf.com, 2008 - 2026