Крупнейшая бесплатная информационно-справочная система онлайн доступа к полному собранию технических нормативно-правовых актов РФ. Огромная база технических нормативов (более 150 тысяч документов) и полное собрание национальных стандартов, аутентичное официальной базе Госстандарта. GOSTRF.com - это более 1 Терабайта бесплатной технической информации для всех пользователей интернета. Все электронные копии представленных здесь документов могут распространяться без каких-либо ограничений. Поощряется распространение информации с этого сайта на любых других ресурсах. Каждый человек имеет право на неограниченный доступ к этим документам! Каждый человек имеет право на знание требований, изложенных в данных нормативно-правовых актах!

  


 

ГОСУДАРСТВЕННЫЙ СТАНДАРТ СОЮЗА ССР

МАТЕРИАЛЫ
ПОЛИВИНИЛХЛОРИДНЫЕ ДЛЯ ПОЛОВ

МЕТОДЫ КОНТРОЛЯ

ГОСТ 11529-86

ИЗДАТЕЛЬСТВО СТАНДАРТОВ

Москва

ГОСУДАРСТВЕННЫЙ СТАНДАРТ СОЮЗА ССР

МАТЕРИАЛЫ ПОЛИВИНИЛХЛОРИДНЫЕ ДЛЯ ПОЛОВ

Методы контроля

PVC material for floors. Methods of control

ГОСТ
11529-86

Взамен:
ГОСТ 11529-75, ГОСТ 12729-78

Постановлением Государственного комитета СССР по делам строительства от 23 апреля 1986 г. № 48 дата введения установлена

01.01.87

Настоящий стандарт распространяется на поливинилхлоридные материалы (рулонные и плиточные) для полов и устанавливает методы контроля следующих показателей:

- внешнего вида;

- линейных размеров;

- параллельности кромок;

- истираемости;

- деформативности при вдавливании;

- изменения линейных размеров;

- прочности связи между слоями;

- водопоглощения;

- гибкости;

- массы 1 м2;

- удельного поверхностного и объемного электрического сопротивления;

- прочности сварного шва.

Применение методов контроля должно предусматриваться в стандартах или технических условиях, устанавливающих технические требования к конкретным видам поливинилхлоридных материалов для полов.

(Измененная редакция, Изм. № 1).

1. ОБЩИЕ УКАЗАНИЯ

1.1. Число рулонов или плиток, отбираемых от партии, устанавливают в стандартах или технических условиях на материал конкретного вида.

1.2. Температура помещения, в котором проводят контроль материалов, должна быть (23 ± 5) °С.

Материалы или образцы из них перед испытанием должны быть выдержаны при этой температуре не менее 3 ч.

Подготовку образцов к испытанию и проведение испытаний, если нет других указаний, следует проводить при температуре (23 ± 5) °С.

(Измененная редакция, Изм. № 1).

1.3. За величину показателя, имеющего числовое значение, принимают для рулона (плитки) среднеарифметическое значение результатов испытаний всех образцов, для партии - среднеарифметическое значение результатов испытаний рулонов (плиток) в выборке.

(Новая редакция, Изм. № 1).

1.4. (Исключен, Изм. № 1).

2. ОПРЕДЕЛЕНИЕ ЛИНЕЙНЫХ РАЗМЕРОВ

2.1. Определение длины и ширины

2.1.1. Подготовка к испытанию

Измерение длины и ширины проводят на готовой продукции (рулонах и плитках).

2а. ПРОВЕРКА ВНЕШНЕГО ВИДА

(Введен дополнительно, Изм. № 1).

2а.1. Упаковку и маркировку рулонов (плиток) проверяют визуально.

2а.2. Количество полотен в рулоне устанавливают визуально осмотром развернутого на всю длину рулона.

2а.3. Качество лицевой поверхности проверяют визуально с расстояния 1 м от поверхности материала при равномерной освещенности не менее 300 лк.

2а.4. Стабильность раппорта рисунка определяют совмещением двух полотен (двух плиток) одного рисунка. При совмещении полотен (плиток) по линии кромок не должно быть искажения рисунка.

2а.5. Цвет, рисунок и фактуру оценивают визуально сравнением отобранных рулонов с образцом-эталоном с расстояния 1 м от поверхности материала при равномерной освещенности лампой дневного света с интенсивностью облучения 300 лк.

2.1.2. Инструменты

Рулетка измерительная металлическая с ценой деления 1 мм по ГОСТ 7502-89 с длиной шкалы:

для измерения длины - не менее 20 м;

  «           «          ширины - 2 или 3 м.

Штангенциркуль типа ШЦ-III по ГОСТ 166-89.

2.1.3. Проведение измерения

2.1.3.1. Рулоны или плитки укладывают на горизонтальную поверхность. Рулон разворачивают на всю длину полотна.

2.1.3.2. Длину полотна линолеума в каждом из отобранных рулонов следует измерять рулеткой на расстоянии 1 м от любой кромки.

2.1.3.3. Ширину следует измерять рулеткой не менее чем в трех местах: на расстоянии не более 1 м от начала и конца и 5 м от любого края каждого из отобранных рулонов.

2.1.3.4. Для определения длины и ширины плиточных материалов следует измерять каждую сторону штангенциркулем.

2.1.4. Обработка результатов

2.1.4.1. Результат измерения длины рулона (каждого отдельно) должен быть в пределах допусков, указанных в нормативно-технической документации на материал конкретного вида.

2.1.4.2. За ширину материала в рулоне следует принимать среднее арифметическое значение измерений, которое не должно отличаться от нормы, указанной в нормативно-технической документации.

2.1.4.3. За длину или ширину каждой плитки следует принимать среднее арифметическое значение измерений двух противоположных сторон.

2.1.4.4. Результат округляют до 0,1 м (для длины полотна материала в рулоне) и до 1 мм (для ширины полотна материала в рулоне и для длины и ширины плитки).

(Введен дополнительно, Изм. № 1).

2.2. Определение толщины

2.2.1. Толщину измеряют на трех образцах размером [(50´50) ± 5] мм.

(Новая редакция, Изм. № 1).

2.2.2. Приборы и приспособления

Толщиномер индикаторный ТН (ТР) 10-60 по ГОСТ 11358-89 с диаметром пятки и наконечника 16 мм, если в нормативных документах на конкретный вид продукции не указаны другие значения, или микрометр типа МК-25 по ГОСТ 6507-90.

Оптическое устройство, снабженное измерительной шкалой с ценой деления не более 0,1 мм.

(Измененная редакция, Изм. № 1).

2.2.3. Проведение измерения

2.2.3.1. Толщину материалов следует измерять в геометрическом центре каждого образца толщиномером или микрометром.

Толщину материалов на теплозвукоизолирующей подоснове и вспененных следует измерять только толщиномером.

2.2.3.2. Толщину поливинилхлоридного слоя многослойных материалов, а также толщину лицевого слоя следует определять по торцевому срезу образца при помощи оптического устройства.

2.2.4. (Исключен, Изм. № 1).

2.3. Параллельность кромок определяют измерением через 1 м ширины полотна материала на длине 4 м в любом месте полотна. Разность между результатами каждого измерения и шириной материала, измеренной по 2.1, не должна превышать допускаемые отклонения от параллельности, предусмотренные нормативными документами на конкретный вид материала.

(Введен дополнительно, Изм. № 1).

3. ОПРЕДЕЛЕНИЕ ИСТИРАЕМОСТИ

3.1. Метод определения истираемости на машине барабанного типа

Сущность метода заключается в определении величины уменьшения толщины материала, при истирании в течение заданного количества циклов испытания.

3.1.1. Отбор образцов

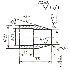
Испытание проводят на трех образцах диаметром (16,0 ± 0,5) мм, вырубленных штанцевым ножом (черт. 1).

(Новая редакция, Изм. № 1).

Материал: сталь У10А. Твердость: не менее 60 НRСэ. Покрытие: Хим. Окс. ПРМ.

Черт. 1

3.1.2. Аппаратура и приспособления

Машина барабанного типа, схема которой указана на черт. 2.

Конструкция машины должна обеспечивать:

- скорость вращения барабана (0,085 ± 0,015) м/с;

- массу патрона с держателем (1,00 ± 0,05) кг;

- перемещение держателя с образцом вдоль образующей барабана на расстояние (16,0 ± 0,5) мм за один оборот;

1 - полый цилиндр; 2 - шлифовальная шкурка; 3 - образец; 4 - держатель; 5 - патрон; 6 - каретка

Черт. 2

- полный поворот держателя с образцом вокруг своей оси в течение двух оборотов барабана (одного рабочего цикла машины).

Держатель образца должен быть самоустанавливающимся.

Шкурка шлифовальная бумажная из нормального электрокорунда марок (15А - 13А) зернистостью 8Н и легированного электрокорунда марок (94А - 91А) зернистостью 8Н по ГОСТ 6456-82.

Штангенциркуль тип ШЦ-III - по ГОСТ 166-89.

Весы лабораторные общего назначения 2-го класса точности с наибольшим пределом взвешивания до 200 г по ГОСТ 24104-88.

Кисть по ГОСТ 10597-87 или щетка по ГОСТ 6388-91.

Клей любого типа и марки для приклеивания пластмассы к металлу.

(Измененная редакция, Изм. № 1).

3.1.3. Подготовка к испытанию

3.1.3.1. Определяют плотность слоя износа материала у в соответствии с приложением 1.

3.1.3.2. Определяют коэффициент истирающей способности шлифовальной шкурки K в соответствии с приложением 2. Шкурку с коэффициентом K менее 0,9 и более 1,4 применять не разрешается.

3.1.3.3. Образцы, имеющие подоснову, освобождают от нее. Образцы линолеума на тканевой подоснове, изготовленного промазным способом, от подосновы не освобождают.

3.1.3.4. Измеряют диаметр образца D штангенциркулем.

3.1.3.5. Образец приклеивают к основанию держателя и выдерживают в течение времени, соответствующего времени отверждения клеевого соединения.

(Измененная редакция, Изм. № 1).

3.1.3.6. Держатель с образцом взвешивают.

3.1.4. Проведение испытания

3.1.4.1. Держатель с образцом закрепляют в патроне машины, опускают его на поверхность барабана и включают электродвигатель.

Истирание образца проводят каждый раз по не истертому участку поверхности шлифовальной шкурки в течение одного рабочего цикла машины. Если количество рабочих циклов отличается от принятого, то это должно быть указано в нормативно-технической документации на материал конкретного вида.

3.1.4.2. По окончании испытания держатель с образцом вынимают из патрона, очищают кистью или щеткой от продуктов износа и взвешивают.

3.1.5. Обработка результатов

Истираемость материала по уменьшению толщины Δh, мкм, рассчитывают по формуле

                                                 (1)

где m1 - масса образца с держателем до испытания, г;

m2 - масса образца с держателем после испытания, г;

K - коэффициент истирающей способности шлифовальной шкурки, определяемый в соответствии с приложением 2;

γ - плотность слоя износа материала, г/см3, определяемая в соответствии с приложением 1;

S - площадь истирания;

104 - коэффициент пересчета.

Площадь истирания, равную площади образца, S, см2, рассчитывают по формуле

                                                                (2)

Результат округляют до 1 мкм.

(Измененная редакция, Изм. № 1).

3.2. Метод определения истираемости на машине с возвратно-поступательным движением

Метод предназначается для определения истираемости (износостойкости) при разработке и освоении новых видов поливинилхлоридных материалов для полов.

Сущность метода заключается в определении величины уменьшения толщины материала при истирании в течение заданного количества циклов испытания или в определении количества циклов испытания истирания слоя износа на всю его толщину.

3.2.1. Отбор образцов

Размеры и форма образца должны быть указаны в нормативно-технической документации на машину.

3.2.2. Аппаратура и приспособления

Машина с возвратно-поступательным движением, схема которой указана на черт. 3.

1 - площадка; 2 - стол; 3 - образец; 4 - шлифовальная шкурка; 5 - рабочий элемент

Черт. 3

Конструкция машины должна обеспечивать:

- наличие рабочего элемента с цилиндрической поверхностью радиусом (225,0 ± 0,5) мм, массой (17,0 ± 0,2) кг и шириной основания (140,0 ± 1,0) мм, обтянутого шлифовальной шкуркой шириной (106,0 ± 1,0) мм;

- движение площадки со скоростью 40 возвратно-поступательных ходов в минуту с амплитудой хода (106,0 ± 1,0) мм;

- поворот стола на (36 ± 2)° и перекатывание рабочего элемента по поверхности образца в каждом направлении со скольжением (36,0 ± 0,5) мм относительно амплитуды хода.

Шкурка шлифовальная тканевая (15-13)А8-П по ГОСТ 5009-82.

Весы лабораторные общего назначения 4-го класса точности с наибольшим пределом взвешивания до 500 г по ГОСТ 24104-88. Кисть или щетка для сметания пыли.

(Измененная редакция, Изм. № 1).

3.2.3. Подготовка к испытанию

3.2.3.1. Определяют плотность слоя износа материала в соответствии с приложением 1.

3.2.3.2. Определяют коэффициент истирающей способности шкурки K в соответствии с приложением 2.

3.2.3.3. Образец взвешивают.

3.2.4. Проведение испытания

3.2.4.1. Образец закрепляют в машину по способу, указанному в нормативно-технической документации на машину. Рабочий элемент опускают на образец и включают электродвигатель.

Истирание образца начинают по неистертому участку поверхности шлифовальной шкурки. Количество циклов, через которое производят смену шкурки перемещением ее на длину истертого участка, должно быть указано в нормативно-технической документации на материал конкретного вида.

Поверхности образца очищают кистью или щеткой через то же количество циклов.

При определении истираемости на всю толщину слоя износа по количеству циклов испытания визуально проверяют истертость поверхности. Если образец истерт на всю толщину слоя износа в пяти и более местах, испытание прекращают.

3.2.4.2. При определении истираемости (износостойкости) по уменьшению толщины количество циклов испытания должно быть указано в нормативно-технической документации на материал конкретного вида.

3.2.4.3. По окончании испытания образец вынимают из машины, очищают кистью или щеткой от продуктов износа и взвешивают.

3.2.5. Обработка результатов

3.2.5.1. Истираемость (износостойкость) материала по уменьшению толщины рассчитывают так же, как указано в п. 3.1.5.

3.2.5.2. Истираемость (износостойкость) материала по количеству циклов испытания С рассчитывают по формуле

                                                                (3)

где Сф - фактическое количеству циклов испытания до истирания образца в пяти и более местах на всю толщину слоя износа;

K - коэффициент истирающей способности шлифовальной шкурки, определяемый в соответствии с приложением 2.

Результат округляют до 1 мкм.

(Измененная редакция, Изм. № 1).

4. ОПРЕДЕЛЕНИЯ ДЕФОРМАТИВНОСТИ ПРИ ВДАВЛИВАНИИ

Сущность метода заключается в определении величин абсолютной деформации при вдавливании индентора под нагрузкой, абсолютной остаточной деформации после снятия нагрузки и восстанавливаемости.

Метод не распространяется на полимерные материалы толщиной менее 1,2 мм.

4.1. Испытание проводят на трех образцах размером [(50´50) ± 5] мм.

(Новая редакция, Изм. № 1).

4.2. Аппаратура

4.2.1. Устройство для испытания, принципиальная схема, которого указана на черт. 4.

4.2.1.1. Конструкция устройства для испытания должна обеспечивать:

- предварительную нагрузку, равную 10 Н, для обеспечения контакта индентора с поверхностью испытуемого образца при установке стрелки отсчетного устройства в нулевое положение и при отсчете абсолютной остаточной деформации;

- плавное приложение основной нагрузки, равной (1000 ± 10) Н;

- постоянство воздействия основной нагрузки и течение времени, необходимого для испытания;

- вертикальный ход индентора не менее 4 мм или не менее 2 мм при испытании материала толщиной до 2 мм;

- измерение деформации от 0 до 4 мм с погрешностью не более ±0,01 мм.

4.2.1.2. Индентор и подъемный столик должны удовлетворять следующим требованиям;

- индентор должен быть самоустанавливающимся, цилиндрической формы с плоским основанием, диаметр (11,3 ± 0,1) мм, края основания индентора должны быть закруглены по радиусу (0,15 ± 0,02) мм;

ПРИНЦИПИАЛЬНАЯ СХЕМА УСТРОЙСТВА ДЛЯ ИСПЫТАНИЯ

1 - гайка-маховик; 2 - подъемный столик; 3 - индентор; 4 - призма рычага основной нагрузки; 5 - шпиндель с грузом предварительной нагрузки; 6 - отсчетное устройство; 7 - рукоятка приложения и снятия основной нагрузки; 8 -грузы для основной нагрузки; 9 - корпус

Черт. 4

- подъемный столик, регулируемый по высоте, должен быть толщиной не менее 10 мм;

- рабочие поверхности индентора и подъемного столика должны иметь твердость не менее 61 НRСэ и шероховатость Ra, равную 0,63 мкм, по ГОСТ 2789-73.

(Измененная редакция, Изм. № 1).

4.2.1.3. Приложение основной нагрузки другой величины и применение индентора другой формы и размера должны быть указаны в нормативно-технической документации на материал конкретного вида.

4.2.2. Секундомер.

4.3. Подготовка к испытанию

Проверяют величину деформации корпуса устройства для испытания в соответствии с приложением 3. Проверку проводят не реже одного раза в сутки.

4.4. Проведение испытания

4.4.1. Образец укладывают на подъемный столик устройства для испытания лицевой поверхностью вверх так, чтобы индентор находился в центре образца. При наличии у материала подосновы образцы испытывают вместе с ней.

4.4.2. Подъемный столик с образцом приводят в соприкосновение с индентором. Устанавливают указатель отсчетного устройства в нулевое положение или положение, указанное в паспорте прибора, при этом на испытуемый образец начинает действовать предварительная нагрузка. Затем плавно в течение (4 ± 1) с прикладывают основную нагрузку.

Рекомендации по установке стрелки отсчетного устройства в нулевое положение приведены в приложении 3.

4.4.3. Значение абсолютной деформации определяют по отсчетному устройству после выдержки под общей нагрузкой.

4.4.4. Значение абсолютной остаточной деформации определяют по отсчетному устройству по глубине вмятины в образце, оставшейся после снятия основной нагрузки.

Результат округляют до 0,01 мм.

(Измененная редакция, Изм. № 1).

4.4.5. Время выдержки образцов под общей нагрузкой и после снятия основной нагрузки - (5,0 ± 0,1) мин, если в нормативных документах на конкретные материалы не указана другая величина.

(Новая редакция, Изм. № 1).

4.5. Обработка результатов

4.5.1. За величину абсолютной деформации каждого образца принимают разность между показанием отсчетного устройства и величиной деформации корпуса устройства для испытания (п. 4.3).

Результат округляют до 0,01 мм.

(Измененная редакция, Изм. № 1).

4.5.2. Восстанавливаемость Е в процентах определяют по формуле

                                                          (4)

где ha - абсолютная деформация, мм;

hо - абсолютная остаточная деформация, мм.

Результат округляют до 1 %.

(Измененная редакция, Изм. № 1).

4.5.3. Результаты испытания образцов, у которых в процессе приложения нагрузки образуются трещины или наблюдается разрушение от продавливания, в расчет не принимают.

4.5.4. За результат испытаний принимают среднее арифметическое значение параллельных определений показателей:

- абсолютной деформации результат округляют до 1 мм;

- абсолютной остаточной деформации результат округляют до 1 мм;

- восстанавливаемости результат округляют до 1 %.

(Измененная редакция, Изм. № 1).

5. ОПРЕДЕЛЕНИЕ ИЗМЕНЕНИЯ ЛИНЕЙНЫХ РАЗМЕРОВ

5.1. Метод определения изменения линейных размеров по рискам

Сущность метода заключается в измерении расстояния между рисками, нанесенными на образец до и после воздействия на него заданной температуры в течение заданного времени.

5.1.1. Отбор образцов

Испытание проводят на трех образцах размером [(150´150) ± 2] мм.

(Новая редакция, Изм. № 1).

5.1.2. Аппаратура и приспособления

Электрический сушильный шкаф, обеспечивающий и поддерживающий температуру (70 ± 2) °С.

Оптическое устройство, снабженное измерительной шкалой с ценой деления не более 0,1 мм.

Разметочный шаблон, состоящий из металлического стержня и двух игл, установленных на расстоянии (100,0 ± 0,5) мм друг от друга. Радиус острия иглы должен быть не более 0,05 мм. Схема разметочного шаблона указана на черт. 5.

Черт. 5

Приспособление для разметки образца размерами 150´150´2 мм, схема которого указана на черт. 6.

(Измененная редакция, Изм. № 1).

5.1.3. Подготовка к испытанию

Образец кладут на горизонтальную поверхность лицевой стороной вверх и при помощи приспособления для разметки наносят по четыре линии в продольном и поперечном направлениях.

Из крайних точек пересечения продольных и поперечных линий разметочным шаблоном наносят риски, как указано на черт. 7.

5.1.4. Проведение испытания

5.1.4.1. Размеченные образцы помещают в сушильный шкаф, нагретый до температуры (70 ± 2) °С на 5 ч.

При изменении режима испытания он должен быть указан в нормативно-технической документации па материал конкретного вида.

Черт. 6

Черт. 7

5.1.4.2. После термостатирования образец выдерживают 30 мин.

(Измененная редакция, Изм. № 1).

5.1.4.3. Из тех же точек, на те же линии, как в п. 5.1.3, разметочным шаблоном вновь наносят риски.

5.1.4.4. Расстояние между центрами двух рисок измеряют при помощи оптического устройства.

5.1.5. Обработка результатов

5.1.5.1. Величину изменения линейных размеров Х в процентах вычисляют по формуле

                                                               (5)

где Dl - расстояние между двумя рисками, мм;

l - расстояние между иглами разметочного шаблона, мм.

Результат округляют до 0,1 %.

(Измененная редакция, Изм. № 1).

5.1.5.2. За результат испытаний принимают среднее арифметическое значение параллельных определений показателя линейных размеров в продольном и поперечном направлениях (в каждом направлении отдельно).

5.2. Метод определения изменения линейных размеров с помощью приспособления для фиксации образца типа ПИР

Сущность метода заключается в определении изменения расстояния между противоположными сторонами образца в долевом и поперечном направлениях после его термостатирования.

5.2.1. Отбор образцов

Испытание проводят на трех образцах размером [(150´150) ± 2] мм.

(Новая редакция, Изм. № 1).

5.2.2. Аппаратура и приспособления

Электрический сушильный шкаф, обеспечивающий и поддерживающий температуру (70 ± 2) °С.

Приспособление для фиксации образца типа ПИР с измерительным устройством - индикатором ИЧ010 класса 1 по ГОСТ 577-68.

Конструкция приспособления должна обеспечивать:

- фиксацию положения образца на горизонтальном основании и фиксацию точек замера с помощью специальных зажимов, укрепляемых на образце, штифтов, имеющихся на основании, и специального прижима, шарнирно-установленного на основании; крепление измерительного устройства на основании с помощью кронштейна:

- плавное включение и отключение измерительного устройства с помощью арретира.

Схема приспособления для фиксации образца типа ПИР указана на черт. 8.

1 - образец; 2 - зажим; 3 - прижим; 4 - основание; 5 - индикатор часового типа

Черт. 8

5.2.3. Подготовка к испытанию

На каждом образце точками отмечают середину каждой из сторон, а также продольное и поперечное направления изготовления образца буквами Д и П.

5.2.4. Проведение испытания

5.2.4.1. К середине каждой стороны образца прикрепляют зажимы.

5.2.4.2. Образец с зажимами фиксируют на основании приспособления таким образом, чтобы продольное направление образца совпадало с осью измерительного устройства.

5.2.4.3. Включают измерительное устройство и записывают показание индикатора.

5.2.4.4. После этого отключают измерительное устройство и снимают образец с зажимами с основания.

5.2.4.5. Затем образец с зажимами вновь фиксируют на основании приспособления таким образом, чтобы поперечное направление образца совпадало с осью измерительного устройства и повторяют операции, указанные в пп. 5.2.4.3 и 5.2.4.4.

5.2.4.6. Образец с зажимами помещают в электрический сушильный шкаф, нагретый до температуры (70 ± 2) °С, и выдерживают в течение 5 ч.

При изменении режима испытания он должен быть указан в нормативно-технической документации на материал конкретного вида.

5.2.4.7. После термостатирования образец с зажимами выдерживают в течение 30 мин и вновь обмеряют в продольном и поперечном направлениях так же, как до термостатирования.

(Измененная редакция, Изм. № 1).

5.2.5. Обработка результатов

5.2.5.1. Величину изменения линейных размеров Х в процентах вычисляют по формуле

                                                                (6)

где l1 - показание индикатора при обмере образца до термостатирования, мм;

l2 - показание индикатора при обмере образца после термостатирования, мм;

l - величина стороны образца, равная 100 мм.

5.2.5.2. За результат испытаний принимают среднее арифметическое значение параллельных определений показателя изменения линейных размеров в продольном и поперечном направлениях (в каждом направлении отдельно).

Результат округляют до 0,1 %.

(Измененная редакция, Изм. № 1).

6. ОПРЕДЕЛЕНИЕ ПРОЧНОСТИ СВЯЗИ МЕЖДУ СЛОЯМИ

Сущность метода заключается в определении прочности связи между лицевым слоем из прозрачной пленки с печатным рисунком и полимерным слоем или полимерным слоем и подосновой по силе, необходимой для отделения одного слоя от другого при заданной ширине образца.

6.1. Отбор образцов

Для определения прочности связи между слоями (в продольном и поперечном направлениях) из отобранного материала вырезают по три образца длиной (180 ± 1) мм. Форма образца указана на черт. 9. Ширина образца для определения прочности связи между лицевым слоем из прозрачной пленки с печатным рисунком и полимерным слоем - (15 ± 1) мм; ширина образца для определения прочности связи между полимерным слоем и подосновой - (70 ± 1) мм, если в нормативных документах на конкретный вид материала не указана другая ширина образца.

(Измененная редакция, Изм. № 1).

Черт. 9

6.2. Аппаратура и приспособления

Разрывная машина с безынерционным или маятниковым силоизмерителем.

Конструкция машины должна обеспечивать:

- передвижение подвижного зажима со скоростью (100 ± 10) мм/мин;

- измерение силы инерционным силоизмерителем с погрешностью не более ±1 % от измеряемой величины;

- величину измеряемой силы маятниковым силоизмерителем в пределах 20 - 85 % предельного значения шкалы.

Машина может быть снабжена самопишущим устройством для записи диаграммы «сила-длина участка расслоения».

Линейка измерительная металлическая с пределом измерения 300 или 500 мм по ГОСТ 427-75.

Этилацетат по ГОСТ 8981-78.

Нож.

Стеклянный или фарфоровый сосуд диаметром не более 60 мм и высотой не более 100 мм.

Бумага фильтровальная лабораторная по ГОСТ 12026-76.

6.3. Подготовка к испытанию

6.3.1. На лицевой и тыльной сторонах образца наносят по три параллельные линии А-А, Б-Б и С-С, как указано на черт. 9.

6.3.2. Образец расслаивают вручную или при помощи ножа до линии А-А. Затем образец расслаивают вручную или при помощи машины до линии Б-Б.

6.3.3. Образцы, не поддающиеся расслаиванию вручную, опускают в сосуд с этилацетатом до линии А-А.

Уровень этилацетата в сосуде должен быть не более 20 мм. Сосуд с образцом ставят в вытяжной шкаф на (20 ± 2) мин. Затем образец вынимают из сосуда, промокают фильтровальной бумагой досуха и расслаивают образец вручную до линии Б-Б. Расслоенный образец вновь помещают в вытяжной шкаф до испарения этилацетата, но не менее чем на 1 ч.

6.3.4. Образец, не поддающийся расслоению указанными способами, считают прошедшим испытание.

6.4. Проведение испытания

6.4.1. Образец закрепляют в зажимах машины до линии Б-Б, при этом отслаиваемый слой закрепляют в подвижном зажиме. Образец расслаивают на длину участка (100 ± 1) мм.

6.4.2. В процессе испытания записывают по шкале силоизмерителя не менее трех максимальных и трех минимальных показателей силы.

6.4.3. При испытании на машине с самопишущим устройством снимают диаграмму «сила - длина участка расслоения».

6.4.4. Если при испытании образца произойдет разрыв одного из слоев, то машину останавливают, образец заменяют другим.

При повторном разрыве одного из слоев силу разрыва условно принимают за силу расслоения.

В случае разрыва образца по подоснове образец считают выдержавшим испытание.

(Измененная редакция, Изм. № 1).

6.5. Обработка результатов

6.5.1. Силу расслоения F, Н, рассчитывают по формуле

                                                     (7)

где å(Fmax + Fmin) - сумма максимальных и минимальных показателей силы по шкале силоизмерителя или на диаграмме, Н;

n - число пар Fmax и Fmin.

Результат округляют до 1 Н.

(Измененная редакция, Изм. № 1).

6.5.2. Прочность связи между слоями при расслаивании (R), Н/см, вычисляют по формуле

                                                          (8)

где F - сила расслаивания Н;

b - ширина образца, см.

Результат округляют до 0,1 Н/см.

(Измененная редакция, Изм. № 1).

6.5.3. За результат испытания принимают среднее арифметическое значение параллельных определений:

- показателя прочности связи между лицевым слоем из прозрачной пленки с печатным рисунком и полимерным слоем в продольном и поперечном направлениях отдельно;

- показателя прочности связи между полимерным слоем и подосновой в продольном и поперечном направлениях отдельно.

7. ОПРЕДЕЛЕНИЕ ВОДОПОГЛОЩЕНИЯ

7.1. Метод определения водопоглощения в массе

Сущность метода заключается в определении количества воды, поглощенной образцом при выдержке его в воде в течение заданного времени.

7.1.1. Отбор образцов

Испытание проводят на трех образцах размером [(100´100) ± 1] мм.

(Новая редакция, Изм. № 1).

7.1.2. Аппаратура, материалы

Весы лабораторные общего назначения 2, 3, 4-го классов точности с наибольшим пределом взвешивания до 500 г по ГОСТ 24104-88.

Сосуд из стекла, фарфора или эмалированной стали, позволяющий вместить образцы от одной партии.

Бумага фильтровальная лабораторная по ГОСТ 12026-76.

Вода питьевая по ГОСТ 2874-82.

Часы любого типа.

(Измененная редакция, Изм. № 1).

7.1.3. Подготовка к испытанию

В сосуд наливают воды столько, чтобы уровень ее над поверхностью образцов был не менее 20 мм, и выдерживают их в воде не менее 1 ч.

(Измененная редакция, Изм. № 1).

7.1.4. Проведение испытания

7.1.4.1. Образец взвешивают.

7.1.4.2. Взвешенный образец погружают в сосуд с водой так, чтобы он не касался стенок сосуда. Если в сосуд помещают несколько образцов, то они не должны касаться друг друга.

7.1.4.3. Через (24,0 ± 0,5) ч образец вынимают из сосуда. С образца удаляют поверхностную влагу фильтровальной бумагой. Фильтровальную бумагу меняют до тех пор, пока на ней перестают появляться следы влаги.

(Измененная редакция, Изм. № 1).

7.1.4.4. Образец повторно взвешивают.

7.1.5. Обработка результатов

7.1.5.1. Водопоглощение в массе Wm в процентах вычисляют по формуле

                                                        (9)

где m1 - масса образца до водопоглощения, г;

m2 - масса образца после водопоглощения, г.

Результат округляют до 0,1 %.

(Измененная редакция, Изм. № 1).

7.1.5.2. (Исключен, Изм. № 1).

7.2. Метод определения водопоглощения по поверхности

Сущность метода заключается в определении массы воды, поглощенной лицевой поверхностью образца материала в течение заданного времени.

7.2.1. Отбор образцов

Испытание проводят на трех образцах размером [(125´125) ± 1] мм.

(Новая редакция, Изм. № 1).

7.2.2. Аппаратура, материалы

Весы лабораторные общего назначения 2, 3, 4-го классов точности с наибольшим пределом взвешивания до 500 г по ГОСТ 24104-88.

Разборная форма из нержавеющего металла, конструкция которой указана на черт. 10.

Детали формы для определения поверхностного водопоглощения

Поддон                                    Кольцо

Примечание. Для скрепления деталей формы применяют болты М6´25.

Черт. 10

Бумага фильтровальная лабораторная по ГОСТ 12026-76.

Вода питьевая по ГОСТ 2874-82.

Сосуд вместимостью не менее 0,2 л из стекла, фарфора, фаянса или эмалированноё стали.

Часы любого типа.

(Измененная редакция, Изм. № 1).

7.2.3. Подготовка к испытанию

В сосуд наливают воду и выдерживают не менее 1 ч.

(Измененная редакция, Изм. № 1).

7.2.4. Проведение испытания

7.2.4.1. Вырезанные образцы взвешивают каждый отдельно.

7.2.4.2. Взвешенный образец укладывают на поддон формы лицевой стороной вверх, на образец устанавливают кольцо, которое для устранения утечки воды прижимают к образцу болтами.

7.2.4.3. В собранную форму с образцом наливают из сосуда воду на высоту (10 ± 1) мм.

7.2.4.4. Через (24,0 ± 0,5) ч воду из формы выливают.

(Измененная редакция, Изм. № 1).

7.2.4.5. Внутренние поверхности формы и образец промокают фильтровальной бумагой.

7.2.4.6. Форму разбирают, вынимают образец и промокают фильтровальной бумагой его лицевую поверхность до тех пор, пока на ней не перестанут появляться следы влаги.

7.2.4.7. Образец взвешивают.

7.2.5. Обработка результатов испытания

7.2.5.1. Водопоглощение по поверхности WS, г/см2, вычисляют по формуле

                                                              (10)

где m1 - масса образца до испытания, г;

m2 - масса образца после испытания, г;

S - площадь образца, покрытая водой, г/см2.

Результат округляют до 0,1 г/см2.

(Измененная редакция, Изм. № 1).

7.2.5.2. (Исключен, Изм. № 1).

8. ОПРЕДЕЛЕНИЕ ГИБКОСТИ

Сущность метода заключается в сгибании образца материала вокруг стержня круглого сечения заданного диаметра при заданной температуре и последующей визуальной оценке наличия или отсутствия трещин на испытываемом материале.

8.1. Испытание проводят на трех образцах длиной, равной не менее трем диаметрам стержня, и шириной (50 ± 1) мм. Образец вырезают в продольном направлении.

(Новая редакция, Изм. № 1).

8.2. Аппаратура, приспособления

Металлический стержень круглого сечения высотой не менее 100 мм. Размер диаметра стержня должен быть указан в нормативно-технической документации на материал конкретного вида.

Секундомер.

Криокамера, обеспечивающая требуемую отрицательную температуру.

Перчатки из любого материала, кроме резиновых.

8.3. Подготовка образцов к испытанию

Для определения гибкости материала при отрицательной температуре образцы и стержень помещают в криокамеру.

Температура и время выдержки должны быть указаны в нормативно-технической документации на материал конкретного вида.

8.4. Проведение испытания

8.4.1. Для определения гибкости при нормальных условиях образец лицевой стороной наружу огибают вокруг стержня, прижимают к нему и выдерживают в таком состоянии в течение 30 с, после чего визуально проверяют наличие трещин.

8.4.2. Для определения гибкости при отрицательной температуре испытание проводят так же, как указано в п. 8.4.1, но в криокамере. В целях исключения нагрева образца от рук оператора и в целях техники безопасности оператор должен работать в перчатках

8.5. Обработка результатов

Считают, что образцы выдержали испытание, если на поверхности всех испытуемых образцов трещины отсутствуют. Трещины на расстоянии не более 10 мм от края не учитывают.

9. ОПРЕДЕЛЕНИЕ МАССЫ

Сущность метода заключается в определении массы 1 м2 условной площади испытываемого материала при фактической толщине.

9.1. Испытание проводят на трех образцах размером [(100´100) ± 1] мм.

(Новая редакция, Изм. № 1).

9.2. Аппаратура

Весы лабораторные общего назначения 2, 3, 4-го классов точности с наибольшим пределом взвешивания до 500 г по ГОСТ 24104-88.

9.3. Проведение испытания

Образец помещают на чашку весов и взвешивают.

9.4. Обработка результатов

9.4.1. Массу 1 м2 материала (М), г, вычисляют по формулу

M = m×100,                                                                    (11)

где m - масса образца, г;

100 - количество образцов в 1 м2.

Результат округляют до 1 г.

(Измененная редакция, Изм. № 1).

9.4.2. (Исключен, Изм. № 1).

10. ОПРЕДЕЛЕНИЕ УДЕЛЬНОГО ПОВЕРХНОСТНОГО И ОБЪЕМНОГО ЭЛЕКТРИЧЕСКОГО СОПРОТИВЛЕНИЯ

Удельное поверхностное и объемное электрическое сопротивление определяют по ГОСТ 6433.2-71 со следующими дополнениями:

- форма и размер образца - круг диаметром, равным диаметру охранного провода;

- условие окружающей среды при кондиционировании и испытании по ГОСТ 6433.1-71: 24 ч (20 °С) 65 %; М (23 °С) 45 - 75 %;

- перед кондиционированием лицевую поверхность образца протирают техническим спиртом по ГОСТ 17299-78;

- электроды - из отожженной алюминиевой, оловянной или свинцовой фольги толщиной от 5 до 20 мкм;

- способ создания контакта с образцом - нажатие давлением (10,0 ± 0,2) кПа через резину твердостью не более 5 кгс/см2, определяемой по ГОСТ 20403-75;

- диаметр измерительного электрода - (25,0 ± 0,2) мм. Допускается применение электродов других размеров, указанных в ГОСТ 6433.2-71;

- диаметр охранного электрода - не менее 40 мм;

- испытательное напряжение - (100 ± 2) В;

- способ подачи напряжения - фиксированный;

- при расчете за d2 принимают внутренний диаметр электрода напряжения.

Раздел 10. (Введен дополнительно, Изм. № 1).

11 ОПРЕДЕЛЕНИЕ ПРОЧНОСТИ СВАРНОГО ШВА

Сущность метода заключается в определении прочности при растяжении сварного шва путем измерения нагрузки, при которой образец разрушается (момент отрыва сварного шва от материала образца).

11.1. Аппаратура, приспособления и материалы

Машина разрывная, имеющая рабочую часть шкалы силоизмерителя в пределах измерения 0 - 1000 Н (0 - 100 кгс) с ценой деления не более ±1 %. Машина должна обеспечивать постоянную скорость перемещения подвижного захвата (100 ± 10) мм/мин.

Линейка металлическая по ГОСТ 427-75.

Толщиномер индикаторный ТН (ТР) 10-60 с ценой деления 0,1 мм по ГОСТ 11358-89. Диаметр пятки и наконечника толщиномера - 16 мм.

Оптическое устройство, снабженное измерительной шкалой с ценой деления не более 0,01 мм.

11.2. Отбор образцов

Испытание проводят на трех образцах типа 3 по ГОСТ 11262-80, вырезанных из полосы сваренного линолеума так, чтобы сварной шов проходил перпендикулярно прикладываемой нагрузке.

11.3. Подготовка и проведение испытания

11.3.1. Образец освобождают от подосновы.

11.3.2. Измеряют толщину сварного шва h и ширину образца b на расчетной длине образца не менее чем в трех местах.

11.3.3. На образец наносят метки, определяющие положение кромок зажимов на образце в соответствие с ГОСТ 11262-80.

11.3.4. Образец устанавливают в зажимы разрывной машины таким образом, чтобы продольная ось образца совпадала с осью зажимов и направлением движения подвижного зажима.

Результат, полученный на образце, в котором в процессе испытания были обнаружены дефекты, в расчет не принимается.

11.4. Обработка результатов испытания

Прочность сварного шва R, Н/см2 вычисляют по формуле

,                                                                         (12)

где Р - нагрузка, при которой образец разрушился, Н;

S - первоначальная площадь поперечного сечения сварного шва, см2, определяемая по формуле

S = bh,                                                                           (13)

где b - ширина образца, см;

h - толщина сварного шва, см.

Результат вычисления прочности сварного шва округляют до 1 Н/см2.

Раздел 11. (Введен дополнительно, Изм. № 1).

ПРИЛОЖЕНИЕ 1
Обязательное

1. ОПРЕДЕЛЕНИЕ ПЛОТНОСТИ СЛОЯ ИЗНОСА

Приспособления и материалы:

- весы лабораторные 2-го класса точности с наибольшим пределом взвешивания до 200 г по ГОСТ 24104-88;

- микрометр типа МК-25 по ГОСТ 6507-90;

- штангенциркуль тип ШЦ-III по ГОСТ 166-89;

- бумага антиадгезионная.

Плотность слоя износа определяют на трех образцах диаметром (16 ± 0,5) мм Плотность слоя износа, изготовленного вальцево-каландровым или экструзионным способами, определяют на каждой партии до дублирования с другими слоями материала

Плотность слоя износа, изготовленного промазным способом, определяют при изменении рецептуры на образцах, изготовленных в процессе производства линолеума, для чего состав, предназначенный для изготовления лицевого слоя, намазывают на антиадгезионную бумагу и подвергают термообработке в соответствии с технологическим регламентом.

Плотность слоя износа, изготовленного промазным способом, должна быть записана в журнале заводских испытаний или указана в нормативном документе на материал конкретного вида.

Диаметр образца измеряют штангенциркулем.

Толщину образца измеряют микрометром в геометрическом центре образца.

Вычисляют объем образца V, см3, по формуле

                                                                (1)

где D - диаметр образца, см;

Н - толщина образца, см.

Плотность слоя износа образцов, (g) г/см3, вычисляют с точностью до 0,01 г/см3 по формуле

                                                                       (2)

где m - масса образца, г,

V - объем образца, см3.

За величину плотности слоя износа принимают среднее арифметическое значение параллельных определений трех образцов.

(Измененная редакция, Изм. № 1).

ПРИЛОЖЕНИЕ 2
Обязательное

ОПРЕДЕЛЕНИЕ КОЭФФИЦИЕНТА ИСТИРАЮЩЕЙ СПОСОБНОСТИ ШЛИФОВАЛЬНОЙ ШКУРКИ (K)

1. Приспособления и материалы:

- машина барабанного типа;

- эталон диаметром (16 ± 0,1) мм, изготовленный из цинка марки ЦВ, твердостью (34 ± 2) НV 5/30, определяемой по ГОСТ 2999-75. Эталон входит в комплект машины барабанного типа;

- шкурка шлифовальная тканевая по ГОСТ 5009-82 или бумажная по ГОСТ 6456-82;

- весы лабораторные общего назначения 2-го класса точности с наибольшим пределом взвешивания до 200 г по ГОСТ 24104-88.

2. Коэффициент истирающей способности шлифовальной шкурки для всех методов истирания определяют по истираемости эталона из цинка на машине барабанного типа

Коэффициент истирающей способности для каждой партии шкурки определяют на трех образцах шкурки, вырезанных в начале, середине и конце каждого десятиметрового куска шкурки, отрезанного от рулона.

Эталон с держателем взвешивают, закрепляют в патроне, который опускают на поверхность барабана, обтянутого исследуемой шлифовальной шкуркой, истирают в течение одного рабочего цикла машины (два оборота барабана) и вновь взвешивают.

На каждом образце шкурки производят три параллельных определения.

Истираемость эталона (Иср) определяют по разности массы держателя с эталоном до и после истирания и вычисляют как среднее арифметическое значение девяти определений, округляя результат до 0,001 г.

Коэффициент истирающей способности шлифовальной шкурки (K) вычисляют по формуле

                                                                  (3)

где 0,014 - условная постоянная величина, принятая за эталонную истираемость, г,

Иср - истираемость эталона из цинка на исследуемой шкурке, г.

(Измененная редакция, Изм. № 1).

ПРИЛОЖЕНИЕ 3
Справочное

РЕКОМЕНДАЦИИ ПО УСТАНОВКЕ СТРЕЛКИ ОТСЧЕТНОГО УСТРОЙСТВА В НУЛЕВОЕ ПОЛОЖЕНИЕ И ПО ПРОВЕРКЕ ВЕЛИЧИНЫ ДЕФОРМАЦИИ КОРПУСА УСТРОЙСТВА ДЛЯ ИСПЫТАНИЯ

Подъемный столик (с образцом или без него) вращением гайки-маховика поднимают до упора. Затем, вращая маховик в обратную сторону, приводят стрелку отсчетного устройства в нулевое положение, указанное в паспорте прибора, при этом на образец начинает действовать предварительная нагрузка. После установки стрелки отсчетного устройства в нулевое положение (подъемный столик без образца) поворотом рукоятки прикладывают основную нагрузку и по показанию отсчетного устройства определяют величину деформации корпуса устройства при испытании.

СОДЕРЖАНИЕ

1. ОБЩИЕ УКАЗАНИЯ

2. ОПРЕДЕЛЕНИЕ ЛИНЕЙНЫХ РАЗМЕРОВ

2а. ПРОВЕРКА ВНЕШНЕГО ВИДА

3. ОПРЕДЕЛЕНИЕ ИСТИРАЕМОСТИ

4. ОПРЕДЕЛЕНИЯ ДЕФОРМАТИВНОСТИ ПРИ ВДАВЛИВАНИИ

5. ОПРЕДЕЛЕНИЕ ИЗМЕНЕНИЯ ЛИНЕЙНЫХ РАЗМЕРОВ

6. ОПРЕДЕЛЕНИЕ ПРОЧНОСТИ СВЯЗИ МЕЖДУ СЛОЯМИ

7. ОПРЕДЕЛЕНИЕ ВОДОПОГЛОЩЕНИЯ

8. ОПРЕДЕЛЕНИЕ ГИБКОСТИ

9. ОПРЕДЕЛЕНИЕ МАССЫ

10. ОПРЕДЕЛЕНИЕ УДЕЛЬНОГО ПОВЕРХНОСТНОГО И ОБЪЕМНОГО ЭЛЕКТРИЧЕСКОГО СОПРОТИВЛЕНИЯ

11 ОПРЕДЕЛЕНИЕ ПРОЧНОСТИ СВАРНОГО ШВА

ПРИЛОЖЕНИЕ 1 Обязательное 1. ОПРЕДЕЛЕНИЕ ПЛОТНОСТИ СЛОЯ ИЗНОСА

ПРИЛОЖЕНИЕ 2 Обязательное ОПРЕДЕЛЕНИЕ КОЭФФИЦИЕНТА ИСТИРАЮЩЕЙ СПОСОБНОСТИ ШЛИФОВАЛЬНОЙ ШКУРКИ (K)

ПРИЛОЖЕНИЕ 3 Справочное РЕКОМЕНДАЦИИ ПО УСТАНОВКЕ СТРЕЛКИ ОТСЧЕТНОГО УСТРОЙСТВА В НУЛЕВОЕ ПОЛОЖЕНИЕ И ПО ПРОВЕРКЕ ВЕЛИЧИНЫ ДЕФОРМАЦИИ КОРПУСА УСТРОЙСТВА ДЛЯ ИСПЫТАНИЯ

 

 




ГОСТЫ, СТРОИТЕЛЬНЫЕ и ТЕХНИЧЕСКИЕ НОРМАТИВЫ.
Некоммерческая онлайн система, содержащая все Российские Госты, национальные Стандарты и нормативы.
В Системе содержится более 150000 файлов нормативно-технической документации, действующей на территории РФ.
Система предназначена для широкого круга инженерно-технических специалистов.

Рейтинг@Mail.ru Яндекс цитирования

Copyright © www.gostrf.com, 2008 - 2026