| |

ГОСУДАРСТВЕННЫЙ
СТАНДАРТ СОЮЗА ССР
СТРОПЫ
ГРУЗОВЫЕ КАНАТНЫЕ ДЛЯ СТРОИТЕЛЬСТВА
ТЕХНИЧЕСКИЕ
УСЛОВИЯ
ГОСТ
25573-82
ГОСУДАРСТВЕННЫЙ
СТРОИТЕЛЬНЫЙ КОМИТЕТ СССР
Москва
ГОСУДАРСТВЕННЫЙ
СТАНДАРТ СОЮЗА ССР
|
СТРОПЫ ГРУЗОВЫЕ
КАНАТНЫЕ ДЛЯ СТРОИТЕЛЬСТВА
Технические
условия
Cargo
handling горе
slings for building. Specifications |
ГОСТ
25573-82 |
Дата введения
01.01.84
Настоящий стандарт
распространяется на грузовые канатные стропы, состоящие из соединительных
элементов (канатных ветвей, звеньев) и захватов (крюков, карабинов) и
применяемые в строительстве для строповки грузов.
1. ТИПЫ
1. Грузовые канатные стропы
должны изготавливаться следующих типов:
1СК -
одноветвевые;
2СК -
двухветвевые;
3СК -
трехветвевые;
4СК - четырехветвевые
(исполнений 1 и 2);
СКП - двухпетлевые
(исполнений 1 и 2);
СКК - кольцевые (исполнений
1 и 2).
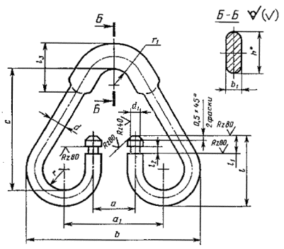
2. ОСНОВНЫЕ ПАРАМЕТРЫ И РАЗМЕРЫ
2.1. Основные параметры и
размеры стропов типа 1СК должны соответствовать указанным на черт. 1 и в табл.
1.
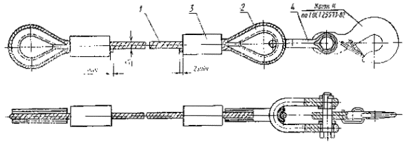
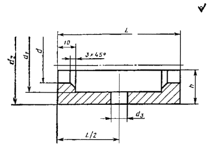
Строп с заделкой концов
каната опрессовкой алюминиевой или стальной втулкой

Строп с заделкой концов
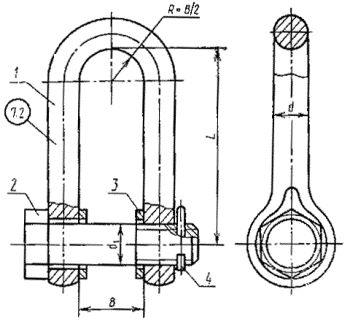
каната заплеткой


1 - канатная ветвь; 2 - звено; 3 - захват
Черт.
1
Конструкция и размеры
звеньев и захватов приведены в рекомендуемом приложении 1.
Рекомендации по способам
заделки концов каната приведены в
рекомендуемом приложении 2.
Таблица 1
|
Обозначение стропа |
Грузоподъемность, т |
Длина стропа L, мм |
Обозначение канатной
ветви |
Допускается нагрузка, кН (тс), на звено и
на захват |
|
1СК-0,32 |
0,32 |
900 - 5000 |
ВК-0,32 |
3,14 (0,32) |
|
1СК-0,4 |
0,4 |
ВК-0,4 |
3,92 (0,4) |
|
1CК-0,5* |
0,5 |
1100 - 10000 |
ВК-0,5 |
4,90 (0,5) |
|
1CК-0,63 |
0,63 |
ВК-0,63 |
6,18 (0,63) |
|
1CК-0,8 |
08 |
1100 - 15000 |
ВК-0,8 |
7,85 (0,8) |
|
1CК-1,0* |
1,0 |
ВК-1,0 |
9,81 (1,0) |
|
1CК-1,25 |
1,25 |
ВК-1,25 |
12,26 (1,25) |
|
1CК-1,6 |
1,6 |
1400 - 16000 |
ВК-1,6 |
15,70 (1,6) |
|
1CК-2,0* |
2,0 |
ВК-2,0 |
19,62 (2,0) |
|
1CК-2,5 |
2,5 |
ВК-2,5 |
24,52 (2,5) |
|
1CК-3,2* |
3,2 |
1500 - 20000 |
ВК-3,2 |
31,40 (3,2) |
|
1CК-4,0 |
4,0 |
ВК-4,0 |
39,24 (4,0) |
|
1CК-5,0* |
5,0 |
ВК-5,0 |
49,05 (5,0) |
|
1CК-6,3 |
6,3 |
2000 - 20000 |
ВК-6,3 |
61,80 (6,3) |
|
1CК-8,0 |
8,0 |
ВК-8,0 |
78,50 (8,0) |
|
1CК-10,0* |
10,0 |
ВК-10,0 |
98,10 (10,0) |
|
1CК-12,5 |
12,5 |
ВК-12,5 |
122,60 (12,5) |
Примечание. Здесь и в последующих таблицах:
стропы, рекомендуемые для преимущественного применения, отмечены знаком «*»;
цифры в обозначении канатной ветви соответствуют допускаемой нагрузке на нее в
тонносилах.
В условное обозначение
входит наименование изделия, тип, грузоподъемность, длина и обозначение
настоящего стандарта.
Пример условного обозначения
одноветвевого стропа грузоподъемностью 1,6 т, длиной 2000
мм:
Строп 1CК-1,6/2000 ГОСТ
25573-72
То же, предназначенного для
эксплуатации в районах с холодным климатом:
Строп 1CK-1,6 ХЛ/2000 ГОСТ
25573-82
(Измененная редакция, Изм. №
1).
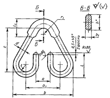
2.2. Основные параметры и
размеры стропов типа 2СК должны соответствовать указанным на черт. 2 и в табл.
2.

1 - канатная ветвь; 2 - звено; 3 - захват
Черт.
2
Таблица 2
|
Обозначение стропа |
Грузоподъемность, т |
Длина стропа L, мм |
Обозначение канатной
ветви |
Допускаемая нагрузка, кН
(тс) |
|
на звено |
на захват |
|
2СК-0,4
2СК-0,5* |
0,4
0,5 |
900 - 5000 |
ВК-0,32
ВК-0,4 |
3,92 (0,4)
4,90 (0,5) |
3,14 (0,32)
3,92 (0,4) |
|
2СК-0,63
2СК-0,8 |
0,63
0,8 |
1100 - 10000 |
ВК-0,5
ВК-0,63 |
6,18 (0,63)
7,85 (0,8) |
4,90 (0,5)
6,18 (0,63) |
|
2СК-1,0*
2СК-1,25
2СК-1,6 |
1,0
1,25
1,6 |
1100 - 15000 |
ВК-0,8
ВК-1,0
ВК-1,25 |
9,81 (1,0)
12,26 (1,25)
15,70 (1,6) |
7,85 (0,8)
9,81 (1,0)
12,26 (1,65) |
|
2СК-2,0*
2СК-2,5
2СК-3,2* |
2,0
2,5
3,2 |
1400 - 16000 |
ВК-1,6
ВК-2,0
ВК-2,5 |
19,62 (2,0)
24,52 (2,5)
31,40 (3,2) |
15,70 (1,6)
19,62 (2,0)
24,52 (2,5) |
|
2СК-4,0
2СК-5,0*
2СК-6,3 |
4,0
5,0
6,3 |
1500 - 20000 |
ВК-3,2
ВК-4,0
ВК-5,0 |
39,24 (4,0)
49,05 (5,0)
61,80 (6,3) |
31,40 (3,2)
39,24 (4,0)
49,05 (5,0) |
|
2СК-8,0
2СК-10,0
2СК-12,5
2CК-16,0* |
8,0
10,0
12,5
16,0 |
2000 - 20000 |
ВК-6,3
ВК-8,0
ВК-10,0
ВК-12,5 |
78,50 (8,0)
98,10 (10,0)
122,60 (12,5)
157,00 (16,0) |
61,80 (6,3)
78,50 (8,0)
98,10 (10,0)
122,60 (12,5) |
2.3. Основные параметры и
размеры стропов типа 3СК должны соответствовать указанным на черт. 3 и в табл.
3.

1 - канатная ветвь; 2
- звено; 3 - захват
Черт.
3
Таблица 3
|
Обозначение стропа |
Грузоподъемность, т |
Длина стропа L, мм |
Обозначение канатной
ветви |
Допускаемая нагрузка, кН
(тс) |
|
на звено |
на захват |
|
3СК-0,63
3СК-0,8 |
0,63
0,8 |
900 - 5000 |
ВК-0,32
ВК-0,4 |
6,18 (0,63)
7,85 (0,8) |
3,14 (0,32)
3,92 (0,4) |
|
3СК-1,0*
3СК-1,25 |
1,0
1,25 |
1200 - 10000 |
ВК-0,5
ВК-0,63 |
9,81 (1,0)
12,2 (1,25) |
4,90 (0,5)
6,18 (0,63) |
|
3СК-1,6
3СК-2,0*
ЗСК-2,5 |
1,6
2,0
2,5 |
1200 - 15000 |
ВК-0,8
ВК-1,0
ВК-1,25 |
15,70 (1,6)
19,62 (2,0)
24,52 (2,5) |
7,85 (0,8)
9,81 (1,0)
12,26 (1,25) |
|
3СК-3,2*
3СК-4,0
3СК-5,0* |
3,2
4,0
5,0 |
1600 - 16000 |
ВК-1,6
ВК-2,0
ВК-2,5 |
31,40 (3,2)
39,24 (4,0)
49,05 (5,0) |
15,70 (1,6)
19,62 (2,0)
24,52 (2,5) |
|
3СК-6,3
3СК-8,0 |
6,3
8,0 |
1700 - 20000 |
ВК-3,2
ВК-4,0 |
61,80 (6,3)
78,50 (8,0) |
31,40 (3,2)
39,24 (4,0) |
|
3СК-10,0*
3СК-12,5
3СК-16,0*
3СК-20,0 |
10,0
12,5
16,0
20,0 |
2200 - 20000 |
ВК-5,0
ВК-6,3
ВК-8,0
ВК-10,0 |
98,10 (10,0)
122,60 (12,5)
157,00 (16,0)
196,20 (20,0) |
49,05 (5,0)
61,80 (6,3)
78,50 (8,0)
98,10 (10,0) |
2.4. Основные параметры и
размеры стропов типа 4СК исполнения 1 должны соответствовать указанным на черт.
4 и в табл.
4,
исполнения 1а - на черт. 4а и в
табл. 4 (за
исключением графы 6).

1 - канатная ветвь; 2 - звено; 3 - звено; 4 - захват
Черт.
4

1 - звено; 2 - канатная ветвь; 3 - захват
Черт. 4а
Таблица 4
|
Обозначение стропа |
Грузоподъемность, т |
Длина стропа L, мм |
Обозначение канатной
ветви |
Допускаемая нагрузка, кН
(тс) |
|
на звено 1 |
на звено 2 |
на захват |
|
1 |
2 |
3 |
4 |
5 |
6 |
7 |
|
4СК1-0,63
4СК1-0,8
4СК1-1,0* |
0,63
0,8
1,0 |
900 - 5000 |
BК-0,32
ВК-0,32
ВК-0,4 |
6,18 (0,63)
7,85 (0,8)
9,81 (1,0) |
4,90 (0,5)
4,90 (0,5)
6,18 (0,63) |
3,14 (0,32)
3,14 (0,32)
3,92 (0,4) |
|
4СК1-1,25
4СК1-1,6 |
1,25
1,6 |
1200 - 10200 |
ВК-0,5
ВК-0,63 |
12,26 (1,25)
15,70 (1,6) |
7,85 (0,8)
9,81 (1,0) |
4,90 (0,5)
6,18 (0,63) |
|
4CК1-2,0*
4СК1-2,5
4СК1-3,2* |
2,0
2,5
3,2 |
1300 - 15000 |
ВК-0,8
ВК-1,0
ВК-1,25 |
19,62 (2,0)
24,52 (2,5)
31,40 (3,2) |
12,26 (1,25)
15,70 (1,6)
19,62 (2,0) |
7,85 (0,8)
9,81 (1,0)
12,26 (1,25) |
|
4СК1-4,0
4СК1-5,0*
4СК1-6,3 |
4,0
5,0
6,3 |
1600 - 16000 |
ВК-1,6
ВК-2,0
ВК-2,5 |
39,24 (4,0)
49,05 (5,0)
61,80 (6,3) |
24,52 (2,5)
31,40 (3,2)
39,24 (4,0) |
l5,70 (l,6)
19,62 (2,0)
24,52 (2,5) |
|
4СК1-8,0
4СК1-10,0*
4СК1-12,5 |
8,0
10,0
12,5 |
1800 - 20000 |
ВК-3,2
ВК-4,0
ВК-5,0 |
78,50 (8,0)
98,10 (10,0)
122,60 (12,5) |
49,05 (5,0)
61,80 (6,3)
78,50 (8,0) |
31,40 (3,2)
39,24 (4,0)
49,05 (5,0) |
|
4СК1-16,0*
4СК1-20,0
4CК1-25,0
4CК1-32,0 |
16,0
20,0
25,0
32,0 |
2500 - 25000 |
ВК-6,3
ВК-8,0
ВК-10,0
ВК-12,5 |
157,00 (16,0)
196,20 (20,0)
245,25 (25,0)
313,92 (32,0) |
98,10 (10,0)
122,60 (12,5)
157,00 (16,0)
196,20 (20,0) |
61,80 (6,3)
78,50 (8,0)
98,10 (10,0)
122,60 (12,5) |
(Измененная редакция, Изм. №
1).
2.5. Основные параметры и
размеры стропов типа 4СК исполнения 2 должны соответствовать указанным на черт.
5 и в табл.
5.

1 - канатная ветвь; 2 - звено 1; 3 - звено 2 (уравнительное); 4 - захват; 5 - уравнительная ветвь
Звено 2
выполняется по техническим условиям на стропы конкретных
типов
Черт.
5
Таблица 5
|
Обозначение стропа |
Грузоподъемность, т |
Длина стропа L, мм |
Обозначение канатной
ветви |
Допускаемая нагрузка, кН
(тс) |
|
на звено 1 |
на звено 2 |
на захват |
|
4СК2-0,4
4СК2-0,5
4СК2-0,63
4СК2-0,8 |
0,4
0,5
0,63
0,8 |
1000 - 5000 |
ВК-0,32
ВК-0,32
ВК-0,32
ВК-0,32 |
3,92 (0,4)
4,90 (0,5)
6,18 (0,63)
7,85 (0,8) |
3,14 (0,32)
3,92 (0,4)
4,90 (0,5)
6,18 (0,63) |
3,14 (0,32) |
|
4СК2-1,0* |
1,0 |
ВК-0,4 |
9,81 (1,0) |
7,85 (0,8) |
3,92 (0,4) |
|
4СК2-1,25
4СК2-1,6
4СК2-2,0*
4СК2-2,5
4СК2-3,2* |
1,25
1,6
2,0
2,5
3,2 |
1000 - 10000 |
ВК-0,5
ВК-0,63
ВК-0,8
ВК-1,0
ВК-1,25 |
12,26 (1,25)
15,70 (1,6)
19,62 (2,0)
24,52 (2,5)
31,40 (3,2) |
9,81 (1,0)
12,26 (1,25)
15,70 (1,6)
19,62 (2,0)
24,52 (2,5) |
4,90 (0,5)
6,18 (0,63)
7,85 (0,8)
9,81 (1,0)
12,26 (1,25) |
|
4СК2-4,0
4СК2-5,0*
4СК2-6,3 |
4,0
5,0
6,3 |
1600 - 15000 |
ВК-1,6
ВК-2,0
ВК-2,5 |
39,24 (4,0)
49,05 (5,0)
61,80 (6,3) |
31,40 (3,2)
39,24 (4,0)
49,05 (5,0) |
15,70 (1,6)
19,62 (2,0)
24,52 (2,5) |
|
4СК2-8,0
4СК2-10,0*
4СК2-12,5
4СК2-16,0*
4СК2-20,0
4СК2-25,0*
4СК2-32,0 |
8,0
10,0
12,5
16,0
20,0
25,0
32,0 |
1800 - 20000 |
ВК-3,2
ВК-4,0
ВК-5,0
ВК-6,3
ВК-8,0
ВК-10,0
ВК-12,5 |
78,50 (8,0)
98,10 (10,0)
122,60 (12,5)
157,00 (16,0)
106,20 (20,0)
245,25 (25,0)
313,92 (32,0) |
61,80 (6,3)
78,50 (8,0)
98,10 (10,0)
122,60 (12,5)
157,00 (16,0)
196,20 (20,0)
245,25 (25,0) |
31,40 (3,2) 39,24 (4,0)
49,05 (5,0)
61,80 (6,3)
78,50 (8,0)
98,10 (10,0)
122,60 (12,5) |
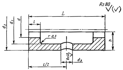
2.6. Конструкция и размеры
канатных ветвей должны соответствовать указанным на черт. 6 и в табл. 6.
Допускается изготавливать
канатную ветвь с переходным звеном по черт. 6а.
Конструкция и размеры
разъемных переходных звеньев должны соответствовать указанным на черт. 37 и в
табл. 52, на
черт. 38 и в
табл. 53, на
черт. 39 и в табл. 54 приложения 1.
(Измененная редакция, Изм. №
2).
Канатная ветвь с заделкой
концов каната опрессовкой алюминиевой или стальной втулкой

Канатная ветвь с заделкой
концов каната заплеткой

1 - канат грузового назначения марки 1,
нераскручивающийся; 2 - коуш по ГОСТ
2224-72; 3 - место заделки концов
каната (рекомендации по способам заделки приведены в рекомендуемом приложении
2)
Черт.
6
Канатная ветвь с переходным
звеном

1 - канат грузового назначения марки 1,
нераскручивающийся; 2 - коуш по ГОСТ
2224-72; 3 - место заделки концов
каната (рекомендации по способам заделки приведены в рекомендуемом приложении
2); 4 - звено разъемное переходное
Черт.
6а
Таблица 6
|
Обозначение ветви канатной |
Допускаемая нагрузка, кН
(тс) |
Расчетное разрывное усилие ветви каната, Н
(кгс), не менее |
Нагрузка при испытании,
тс |
Длина канатной ветви L, мм |
Диаметр канатов, мм, маркировочных
групп |
Диаметр коуша, мм |
|
1570 (160) |
1770 (180) |
|
ГОСТ 2688-80 |
ГОСТ 3071-88 |
ГОСТ 3079-80 |
ГОСТ 7668-80 |
ГОСТ 2688-80 |
ГОСТ 3071-88 |
ГОСТ 3079-80 |
ГОСТ 7668-80 |
|
ВК-0,32 |
3,14 (0,32) |
18800 (1920) |
0,4 |
800 - 5000 |
6,2 |
- |
- |
- |
6,2 |
6,3 |
- |
6,3 |
25 |
|
ВК-0,4 |
3,92 (0,4) |
23500 (2400) |
0,5 |
6,9 |
7,6 |
6,9 |
- |
- |
6,7 |
25; 30 |
|
ВК-0,5 |
4,90 (0,5) |
29400 (3000) |
0,63 |
1000 - 10000 |
8,3 |
8,5 |
- |
- |
8,3 |
- |
- |
8,1 |
30; 34 |
|
ВК-0,63 |
6,18 (0,63) |
37000 (3780) |
0,8 |
9,1 |
- |
- |
- |
8,3 |
9,0 |
- |
|
ВК-0,8 |
7,85 (0,8) |
47000 (4800) |
1,0 |
1000 - 15000 |
9,9 |
11,5 |
- |
9,7 |
9,9 |
- |
- |
- |
34; 40 |
|
ВК-1,0 |
9,81 (1,0) |
59000 (6000) |
1,25 |
11,0 |
- |
- |
- |
11,0 |
11,5 |
- |
11,5 |
|
ВК-1,25 |
12,26 (1,25) |
73800 (7500) |
1,6 |
12,0 |
13,5 |
13,5 |
- |
12,0 |
- |
- |
11,5 |
40; 45 |
|
ВК-1,6 |
15,70 (1,6) |
94200 (9600) |
2,0 |
1250 - 16000 |
14,0 |
- |
- |
14,0 |
13,5 |
13,5 |
45 |
|
ВК-2,0 |
19,62 (2,0) |
118000 (12000) |
2,5 |
15,0 |
15,0 |
15,5 |
15,0 |
|
ВК-2,5 |
24,52 (2,5) |
147000 (15000) |
3,2 |
19,5 |
16,5 |
15,0 |
16,5 |
56; 63; 75 |
|
ВК-3,2 |
31,40 (3,2) |
188000 (19200) |
4,0 |
1250 - 20000 |
19,5 |
20,0 |
19,5 |
19,5 |
- |
63; 75 |
|
ВК-4,0 |
39,24 (4,0) |
236000 (24000) |
5,0 |
22,5 |
22,0 |
21,0 |
21,5 |
|
ВК-5,0 |
49,05 (5,0) |
294000 (30000) |
6,3 |
25,5 |
25,0 |
- |
24,0 |
- |
23,5 |
75; 85 |
|
ВК-6,3 |
61,80 (6,3) |
370000 (37800) |
8,0 |
1600 - 20000 |
27,0 |
- |
27,0 |
27,0 |
27,0 |
85 |
|
ВК-8,0 |
78,50 (8,0) |
470000 (48000) |
10,0 |
30,5 |
31,0 |
30,5 |
30,5 |
- |
95 |
|
ВК-10,0 |
98,10 (10,0) |
588000 (60000) |
12,5 |
37,0 |
35,0 |
- |
32,0 |
- |
33,0 |
95; 105 |
|
ВК-12,5 |
122,60 (12,5) |
735000 (75000) |
16,0 |
39,5 |
- |
39,5 |
33,5 |
39,0 |
- |
95; 105 |
Примечание. Допускается применять канаты
других маркировочных групп, при этом расчетное разрывное усилие петли каната,
указанное в настоящей таблице, должно быть меньше разрывного усилия каната в
целом указанного в ГОСТ 3071-88 ГОСТ 3079-80, ГОСТ 7668-80 и ГОСТ 2688-80.
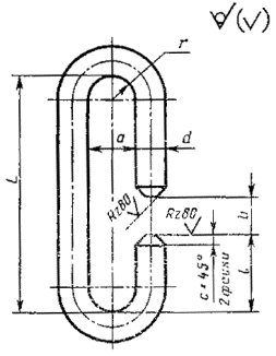
2.7. Основные параметры и
размеры стропов типа СКП исполнения 1 должны соответствовать указанным на черт.
7 и в табл.
7.
Строп с заделкой концов
каната опрессовкой алюминиевой втулкой

Строп с заделкой концов
каната заплеткой

1 - канат грузового назначения марки 1, нераскручивающийся;
2 - место заделки концов каната
(рекомендации по способам заделки приведены в рекомендуемом приложении 2)
Черт.
7
2.8.
Основные параметры и размеры стропов типа СКП исполнения 2 должны
соответствовать указанным на черт. 8 и в табл. 7.

1 - канат грузового назначения марки 1,
нераскручивающийся; 2 - место обмотки
концов прядей проволокой 1,0-0 по ГОСТ 3282-74; 3 - втулка (выполняется по техническим
условиям на стропы конкретных типов)
Черт.
8
Таблица 7
|
Обозначение стропа |
Грузоподъемность стропа, т, при угле
наклона к вертикали |
Расчетное разрывное усилие ветви каната, Н
(кгс), не менее |
Длина стропа L, мм |
Длина петли стропа, мм l |
Диаметр канатов, мм, маркировочных
групп |
|
Исполнение 1 |
Исполнение 2 |
1570 (160) |
1770 (180) |
|
a
= 0° |
2a
= 90° |
ГОСТ 3071-88 |
ГОСТ 3079-80 |
ГОСТ 7668-80 |
ГОСТ 3071-88 |
гост 3079-80 |
ГОСТ 7668-80 |
|
СКП1-0,32 |
СКП2-0,32 |
0,32 |
0,22 |
18800 (1920) |
1000 - 15000 |
240 |
- |
- |
- |
6,3 |
- |
- |
|
СКП1-0,36 |
СКП2-0,36 |
0,36 |
0,25 |
21200 (2160) |
- |
6,7 |
6,3 |
|
СКП1-0,40 |
СКП2-0,40 |
0,40 |
0,28 |
23500 (2400) |
7,6 |
- |
6,7 |
|
СКП1-0,45 |
СКП2-0,45 |
0,45 |
0,32 |
26500 (2700) |
- |
7,6 |
8,1 |
|
СКП1-0,50 |
СКП2-0,50 |
0,50 |
0,35 |
29400 (3000) |
8,5 |
- |
|
СКП1-0,56 |
СКП2-0,56 |
0,56 |
0,40 |
32900 (3360) |
- |
8,0 |
|
СКП1-0,63 |
СКП2-0,63 |
0,63 |
0,45 |
37100 (3780) |
9,0 |
|
СКП1-0,70 |
СКП2-0,70 |
0,70 |
0,50 |
41200 (4200) |
2000 - 20000 |
320 |
11,5 |
- |
9,7 |
- |
- |
- |
|
СКП1-0,80 |
СКП2-0,80 |
0,80 |
0,56 |
47100 (4800) |
|
СКП1-0,90 |
СКП2-0,90 |
0,90 |
0,63 |
52900 (5400) |
- |
9,7 |
|
СКП1-1,0 |
СКП2-1,0 |
1,00 |
0,70 |
58900 (6000) |
- |
11,5 |
11,5 |
- |
|
СКП1-1,1 |
СКП2-1,1 |
1,10 |
0,78 |
64800 (6600) |
13,5 |
- |
|
СКП1-1,25 |
СКП2-1,25 |
1,25 |
0,88 |
73600 (7500) |
- |
11,5 |
|
СКП1-1,4 |
СКП2-1,4 |
1,40 |
1,00 |
82400 (8400) |
- |
13,5 |
13,5 |
13,5 |
- |
|
СКП1-1,6 |
СКП2-1,6 |
1,60 |
1,10 |
94200 (9600) |
- |
- |
- |
13,5 |
13,5 |
|
СКП1-1,8 |
СКП2-1,8 |
1,80 |
1,30 |
106000 (10300) |
15,5 |
15,0 |
- |
- |
|
СКП1-2,0 |
СКП2-2,0 |
2,00 |
1,40 |
118000 (12000) |
- |
- |
15,5 |
15,0 |
|
СКП1-2,25 |
СКП2-2,25 |
2,25 |
1,60 |
132000 (13500) |
3000 - 25000 |
400 |
17,0 |
16,5 |
- |
- |
|
СКП1-2,5 |
СКП2-2,5 |
2,50 |
1,80 |
147000 (15000) |
- |
- |
17,0 |
16,5 |
|
СКП1-2,8 |
СКП2-2,8 |
2,80 |
2,00 |
165000 (16800) |
19,5 |
|
- |
18,0 |
|
СКП1-3,2 |
СКП2-3,2 |
3,20 |
2,30 |
188000 (19200) |
- |
20,0 |
19,5 |
- |
|
СКП1-3,6 |
СКП2-3,6 |
3,60 |
2,55 |
212000 (21600) |
21,5 |
- |
- |
20,0 |
|
СКП1-4,0 |
СКП2-4,0 |
4,00 |
2,80 |
235000 (24000) |
- |
22,0 |
21,5 |
- |
|
СКП1-4,5 |
СКП2-4,5 |
4,50 |
3,20 |
265000 (27000) |
3000 - 25000 |
400 |
- |
- |
23,5 |
- |
23,0 |
- |
|
СКП1-5,0 |
СКП2-5,0 |
5,00 |
3,55 |
294000 (30000) |
25,0 |
- |
- |
23,5 |
|
СКП1-5,6 |
СКП2-5,6 |
5,60 |
4,00 |
329000 (33600) |
27,0 |
25,5 |
|
скп1-6,3 |
скп2-6,3 |
6,30 |
4,45 |
371000 (37800) |
4000 - 30000 |
500 |
- |
27,0 |
27,0 |
|
СКП1-7,0 |
СКП2-7,0 |
7,00 |
5,00 |
412000 (42000) |
29,0 |
29,0 |
- |
|
СКП1-8,0 |
СКП2-8,0 |
8,00 |
5,56 |
471000 (48000) |
31,0 |
30,5 |
|
СКП1-9,0 |
СКП2-9,0 |
9,00 |
6,36 |
529000 (54000) |
33,0 |
33,0 |
|
СКП 1-10,0 |
СКП2-10,0 |
10,00 |
7,10 |
589000 (60000) |
35,0 |
- |
- |
33,0 |
|
СКП1-11,0 |
СКП2-11,0 |
11,00 |
7,80 |
647000 (66000) |
- |
36,5 |
35,0 |
- |
|
СКП1-12,5 |
СКП2-12,5 |
12,50 |
8,50 |
736000 (75000) |
39,5 |
39,0 |
Примечание. Грузоподъемность стропа указана
для случаев строповки груза одним (a
= 0°) и двумя стропами (2a
= 90°).
12.7, 2.8. (Измененная редакция, Изм. № 1,
2).
2.9.
Основные параметры и размеры стропов типа СКК исполнения 1 должны
соответствовать указанным на черт. 9 и в табл. 8.
Строп кольцевой с заделкой
концов каната заплеткой

Черт.
9
Строп кольцевой с заделкой
концов каната опрессовкой алюминиевой втулкой

1 - канат грузового назначения марки 1,
нераскручивающийся; 2 - место обмотки
концов прядей проволокой 1,0-0 по ГОСТ 3282-74; 3 - втулка (2 шт.)
Черт.
9а
2.10.
Основные параметры и размеры стропов типа СКК исполнения 2 должны
соответствовать указанным на черт. 10 и в табл. 8.

1 - канат грузового назначения марки 1,
нераскручивающийся; 2 - место обмотки
концов прядей проволокой 1,0-0 по ГОСТ 3282-74; 3 - втулка (выполняется по техническим
условиям на стропы конкретных типов)
Черт.
10
Таблица 8
|
Обозначение стропа |
Грузоподъемность стропа, т, при угле
наклона к вертикали |
Расчетное разрывное усилие ветви каната, Н
(кгс), не менее |
Ширина стропа В, мм |
Длина петли стропа, мм l |
Диаметр канатов, мм, маркировочных
групп |
|
Исполнение 1 |
Исполнение 2 |
1570 (160) |
1770 (180) |
|
a
= 0° |
2a
= 90° |
ГОСТ 3071-88 |
ГОСТ 3079-80 |
ГОСТ 7668-80 |
ГОСТ 3071-88 |
ГОСТ 3079-80 |
ГОСТ 7668-80 |
|
СКК1-0,32 |
СКК2-0,32 |
0,32 |
0,22 |
9400 (960) |
50 |
800 - 30000 |
- |
- |
- |
- |
- |
- |
|
СКК1-0,36 |
СКК2-0,36 |
0,36 |
0,25 |
10600 (1080) |
|
СКК1-0,4 |
СКК2-0,4 |
0,40 |
0,28 |
11800 (1200) |
5,0 |
|
СКК1-0,45 |
СКК2-0,45 |
0,45 |
0,32 |
13200 (1350) |
5,4 |
|
СКК1-0,5 |
СКК2-0,5 |
0,50 |
0,35 |
14700 (1500) |
5,8 |
|
СКК1-0,56 |
СКК2-0,56 |
0,56 |
0,40 |
16500 (1680) |
|
|
СКК1-0,63 |
СКК2-0,63 |
0,63 |
0,45 |
18500 (1890) |
6,3 |
|
СКК1-0,7 |
СКК2-0,7 |
0,70 |
0,50 |
20600 (2100) |
6,7 |
6,3 |
|
СКК1-0,8 |
СКК2-0,8 |
0,80 |
0,56 |
23500 (2400) |
7,6 |
- |
6,7 |
|
СКК1-0,9 |
СКК2-0,9 |
0,90 |
0,63 |
26500 (2700) |
- |
7,6 |
- |
|
СКК1-1,0 |
СКК2-1,0 |
1,00 |
0,70 |
29400 (3000) |
8,5 |
- |
|
СКК1-1,1 |
СКК2-1,1 |
1,10 |
0,78 |
32400 (3300) |
|
СКК1-1,25 |
СКК-1,25 |
1,25 |
0,88 |
36800 (3750) |
- |
9,0 |
|
СКК1-1,4 |
СКК-1,4 |
1,40 |
1,00 |
41000 (4200) |
150 |
11,5 |
9,7 |
- |
- |
|
СКК1-1,6 |
СКК2-1,6 |
1,60 |
1,10 |
47000 (4800) |
1500 - 30000 |
|
СКК1-1,8 |
СКК2-1,8 |
1,80 |
1,30 |
53000 (5400) |
- |
9,7 |
|
СКК1-2,0 |
СКК2-2,0 |
2,00 |
1,40 |
59000 (6000) |
- |
11,5 |
11,5 |
- |
|
СКК1-2,25 |
СКК2-2,25 |
2,25 |
1,60 |
66000 (6750) |
13,5 |
- |
|
СКК1-2,5 |
СКК2-2,5 |
2,50 |
1,80 |
74000 (7500) |
- |
- |
11,5 |
|
СКК1-2,8 |
СКК2-2,8 |
2,80 |
2,00 |
82000 (8400) |
- |
13,5 |
13,5 |
- |
|
СКК1-3,2 |
СКК2-3,2 |
3,20 |
2,30 |
94000 (9600) |
- |
- |
13,5 |
13,5 |
|
СКК1-3,6 |
СКК2-3,6 |
3,60 |
2,55 |
106000 (10800) |
15,5 |
15,0 |
- |
- |
|
СКК1-4,0 |
СКК2-4,0 |
4,00 |
2,80 |
118000 (12000) |
- |
- |
15,5 |
15,0 |
|
СКК1-4,5 |
СКК2-4,5 |
4,50 |
3,20 |
132000 (13500) |
200 |
2000 - 30000 |
17,0 |
16,5 |
- |
- |
|
СКК1-5,0 |
СКК2-5,0 |
5,00 |
3,55 |
147000 (15000) |
- |
- |
17,0 |
16,5 |
|
СКК1-5,6 |
СКК2-5,6 |
5,60 |
4,00 |
165000 (16800) |
19,5 |
- |
18,0 |
|
скК1-6,3 |
скК2-6,3 |
6,30 |
4,45 |
185000 (18900) |
- |
20,0 |
19,5 |
- |
|
СКК1-7,0 |
СКК2-7,0 |
7,00 |
5,00 |
206000 (21000) |
21,5 |
- |
- |
20,0 |
|
СКК1-8,0 |
СКК2-8,0 |
8,00 |
5,56 |
235000 (24000) |
- |
22,0 |
21,5 |
- |
|
СКК1-9,0 |
СКК2-9,0 |
9,00 |
6,36 |
265000 (27000) |
23,0 |
23,0 |
|
СКК1-10,0 |
СКК2-10,0 |
10,00 |
7,10 |
294000 (30000) |
25,0 |
- |
- |
23,5 |
|
СКК1-11,0 |
СКК2-11,0 |
11,00 |
7,80 |
324000 (33000) |
- |
25,5 |
25,0 |
- |
|
СКК1-12,5 |
СКК2-12,5 |
12,50 |
8,50 |
368000 (37500) |
- |
27,0 |
27,0 |
|
СКК1-14,0 |
СКК2-14,0 |
14,0 |
9,90 |
412000 (42000) |
250 |
29,0 |
29,0 |
- |
|
СКК1-16,0 |
СКК2-16,0 |
16,0 |
11,30 |
470000 (48000) |
31,0 |
30,05 |
Примечание. Грузоподъемность стропа указана
для случаев строповки груза одним (a =
0°) и двумя стропами (2a =
90°). Схема строповки грузов с применением стропов СКК приведена в рекомендуемом
приложении 3.
2.9, 2.10. (Измененная редакция, Изм. № 1,
2).
3. ТЕХНИЧЕСКИЕ ТРЕБОВАНИЯ
3.1. Грузовые канатные
стропы должны изготавливаться в соответствии с требованиями ГОСТ
25032-81, настоящего стандарта,
правилами устройства и безопасной эксплуатации грузоподъемных кранов
Госгортехнадзора СССР, рабочими чертежами, утвержденными в установленном
порядке.
(Измененная редакция, Изм. №
1).
3.2.
Стропы климатического исполнения ХЛ по ГОСТ
15150-69 должны сохранять
работоспособность в условиях низких температур до минус 60
°С.
3.3.
Стропы и их элементы должны выдерживать статическую нагрузку, превышающую на 25
% их номинальную.
3.4. Коэффициент запаса
прочности канатов стропов по отношению к расчетному разрывному усилию должен
быть не менее 6.
3.5. Коэффициент запаса
прочности соединительных элементов (кроме канатов) и захватов стропов по
отношению к разрушающей нагрузке должен быть не менее 5.
3.6. Диаметры блоков
(уравнительных звеньев) стропов должны быть не менее 8 диаметров
каната.
3.7.
Канаты для стропов должны соответствовать требованиям ГОСТ
3071-88, ГОСТ
3079-80 и ГОСТ
7668-80.
Для стропов типов 1СК, 2СК,
3СК и 4СК допускается применять канаты по ГОСТ 2688-80, ГОСТ 3070-88, ГОСТ 3077-80 и ГОСТ
7665-80.
Для стропов климатического
исполнения ХЛ следует применять канаты по ГОСТ 3071-88 и ГОСТ
3079-80.
3.8. Канатные ветви стропов
следует изготавливать из целого каната. Сращивание канатов не
допускается.
3.9. Коуши стропов должны
соответствовать техническим требованиям ГОСТ
2224-72.
(Измененная редакция, Изм. №
1).
3.10.
Основные детали стропов должны изготавливаться из материалов, указанных в табл.
9.
Таблица 9
|
Наименование деталей стропов |
Марки материала для деталей климатического
исполнения |
|
У (умеренный климат) |
ХЛ (холодный климат) |
|
Крюк, скоба карабина |
Сталь 20 по ГОСТ 1050-88 |
15 ХСНД, 09Г2С по ГОСТ 19281-89 |
|
Детали соединительных элементов, несущие
силовую нагрузку (кроме каната) |
Сталь 20 по ГОСТ 1050-88, Ст3сп по ГОСТ 380-88 |
То же |
|
Детали соединительных элементов, не
несущие силовую нагрузку (пластина карабина, упор, кольцо полумуфты, замок
крюка) |
Ст3пс по ГОСТ 380-88 |
Ст3сп по ГОСТ 380-88 |
3.11. При изготовлении
ветвей стропов типов 1СК, 2СК, 3СК и 4СК концы канатов заделывают опрессовкой
алюминиевой или стальной втулками, либо заплеткой.
Для стропов исполнения ХЛ
заделка концов канатов стальной втулкой не допускается.
3.12.
Втулки для заделки концов канатов опрессовкой должны изготавливаться из
алюминиевых сплавов марок АД0, АД1, АД31, АМЦ по ГОСТ
4784-74 или из стали марки Сталь 20
по ГОСТ
1050-88.
3.13. Конструкция и размеры
втулок для опрессовки приведены в рекомендуемом приложении 2.
Поверхность втулки до
опрессовки не должна иметь забоин, вмятин и других механических
повреждений.
При появлении на алюминиевой
втулке вмятин глубиной более 35 % от толщины стенки втулки и трещин строп
бракуют.
Заделанный конец каната
должен выступать из втулки не менее чем на 2 мм.
Втулки стропов после
опрессовки не должны иметь трещин.
(Измененная редакция, Изм. №
2).
3.14. Разность длин канатных
ветвей стропов типа 4СК1 не должна превышать значений, указанных в табл. 10.
Таблица 10
мм
|
Длина ветвей |
Разность длин ветвей |
|
До 2000 включ. |
20 |
|
Св. 2000 до 3000 » |
30 |
|
» 3000 » 4000 » |
40 |
|
» 4000 » 6000 » |
50 |
|
» 6000 |
60 |
3.15.
При заделке концов канатов заплеткой места заплетки должны обкатываться
обжимными роликами или протягиваться через обжимную
втулку.
Допускается при
индивидуальном изготовлении стропов место заплетки уплотнять обстукиванием
молотком.
Места заплетки с
выступающими концами проволок прядей должны быть обмотаны проволокой диаметром 1
мм по ГОСТ 3282-74 или другим
материалом.
При обмотке проволокой или
другим материалом должно быть обеспечено перекрытие участка с выступающими
концами проволок прядей на 10 - 30 мм в обе стороны в зависимости от диаметра
каната.
Витки проволоки должны
плотно прилегать к канату и друг к другу, а концы проволоки - заделаны способом,
исключающим ее разматывание.
(Измененная редакция, Изм. №
1).
3.16.
Соединительные элементы (звенья) из круглой стали должны изготавливаться гибкой
в холодном или горячем состоянии, а захваты (крюки, карабины) - ковкой или
штамповкой.
Качество поковок - по группе
II ГОСТ
8479-70.
Применение сварки при
изготовлении крюков не допускается.
3.17.
На поверхностях деталей звеньев и захватов не допускаются трещины, плены,
расслоения, волосовины и надрывы.
Заваривать и заделывать
указанные дефекты не допускается.
3.18.
После гибки или штамповки концы звеньев из круглой стали должны свариваться
контактной стыковой сваркой сопротивлением или
сплавлением.
Сварной шов треугольного
звена должен располагаться в центре нижней стороны звена, а овальных звеньев -
на прямолинейном участке.
Допускается применять ручную
дуговую сварку сварного соединения с конструктивными элементами, разработанными
по документации, утвержденной в установленном порядке.
(Измененная редакция, Изм. №
1).
3.19. При сварке звеньев из
круглой стали увеличение диаметра в месте сварки не должно превышать 10
%.
3.20. Смещение свариваемых
концов звена в месте стыка не должно превышать значений, приведенных в табл.
11.
Таблица 11
мм
|
Диаметр сечения звена |
Смещения концов звена |
|
До 13 включ. |
0,5 |
|
Св. 13 до 24 » |
1,0 |
|
» 24 » 40 » |
1,5 |
|
» 40 |
2,0 |
3.21. Сварочные материалы,
применяемые для сварки деталей стропов, должны обеспечивать механические
свойства сварного соединения не ниже механических свойств основного
металла.
3.22. В местах сварки не
должно быть непроваров и подрезов.
3.23. Сварку звеньев стропов
должны производить сварщики, аттестованные в соответствии с правилами аттестации
сварщиков Госгортехнадзора СССР.
3.24. Сварку пластин
карабинов производят точечной контактной сваркой в соответствии с рекомендуемым
приложением 1. Пластины после сварки
должны перемещаться свободно без заеданий.
3.25.
Крюки после ковки или штамповки, скобы разъемных звеньев после гибки, а
неразъемные звенья после сварки должны быть термообработаны и очищены от
окалины.
Детали для стропов
климатического исполнения У должны быть подвергнуты нормализации, а детали
климатического исполнения ХЛ - нормализации или закалке с последующим
отпуском.
После термообработки
твердость металла деталей климатического исполнения У должна быть не менее НВ
110, климатического исполнения ХЛ - не менее НВ 135, ударная вязкость металла
деталей климатического исполнения ХЛ должна быть не менее 29 Дж/см2
(3 кгс×м/см2) при
температуре минус 40 °С.
Предел текучести и
относительное удлинение металла деталей после термообработки должны быть не
ниже, чем до термообработки.
3.26. Планки для разъемных
звеньев Рт1, Рт2 и Рт3 допускается изготавливать из набора пластин толщиной не
менее 12 мм.
(Измененная редакция, Изм. №
1).
3.27. Конструкция обойм
уравнительных блоков должна исключать возможность самопроизвольного спадания
канатов с блока.
3.28. Уравнительные блоки
должны свободно вращаться на осях.
3.29.
Блоки должны изготовляться из стали с механическими свойствами не ниже стали
марки 25Л-III по ГОСТ
977-88.
3.30.
Оси блоков следует изготавливать в соответствии с требованиями ГОСТ
9650-80.
3.31.
Оси блоков должны изготовляться из стали с механическими свойствами не ниже
стали марки 35 по ГОСТ
1050-88, исполнения ХЛ - из стали
40Х по ГОСТ
4543-71.
3.32. Перед эксплуатацией
стропов необходимо удалить с канатных ветвей консервационную
смазку.
3.33.
Неуказанные предельные отклонения размеров: по Н16, h16, ± - для деталей,
изготовленных гибкой;
образуемых при механической
обработке - по Н14, h14, ± ;
образуемых штамповкой - по
II группе ГОСТ
7505-89;
образуемых ковкой - по ГОСТ
7829-70.
3.34.
Стропы, имеющие разъемные звенья типа Рт2 с увеличенным радиусом гибки скобы и
овальные звенья типа Ов2, навешиваются на крюки грузоподъемных машин
грузоподъемностью от 3 до 25 т согласно табл. 11аa.
Таблица 11а
|
Грузоподъемность крюка грузоподъемной машины,
т |
Тип звена |
|
Рт2 |
Ов2 |
|
3,0 |
- |
Ов2-0,4
Ов2-0,5
Ов2-0,63 |
|
5,0 |
Рт2-0,8
Рт2-1,0
Рт2-1,25 |
Ов2-0,8
Ов2-1,0
Ов2-1,25 |
|
10,0 |
Рт2-1,6
Рт2-2,0
Рт2-2,5
Рт2-3,2 |
Ов2-1,6
Ов2-2,0
Ов2-2,5
Ов2-3,2 |
|
16,0 |
Рт2-4,0
Рт2-5,0
Рт2-6,3
Рт2-8,0 |
Ов2-4,0
Ов2-5,0
Ов2-6,3
Ов2-8,0 |
|
25,0 |
Рт2-10,0
Рт2-12,5
Рт2-16,0 |
Ов2-10,0
Ов2-12,5
Ов2-16,0 |
3.35. Допускается конец
стропа типа 1СК изготавливать по типу стропа СКП1.
3.36. В крюках допускается
применять замки предохранительные, изготовленные по ГОСТ
12840-80 или рабочим чертежам
предприятий-изготовителей, утвержденным в установленном порядке и согласованным
с базовой организацией по грузозахватным устройствам Госстроя
СССР.
3.37. Втулка для стропов
типов СКП2 и СКК2 должна свободно перемещаться по канату. Гарантированный зазор
между стенкой втулки и канатом должен быть не менее 5 мм.
3.38.
Втулки для стропов типов СКП2 и СКК2 должны изготавливаться из стали марки 20 по
ГОСТ
1050-88 и стали марки 25Л по
ГОСТ
977-88.
3.39. Крюк втулки для
стропов типов СКП2 и СКК2 должен выдерживать нагрузку, равную половине
грузоподъемности стропа и направленную параллельно его
ветви.
3.40. Коэффициент запаса
прочности крюка втулки для стропов типов СКП2 и СКК2 по изгибу должен быть не
менее 1,25 от действующего на него усилия.
3.41. Втулки для стропов
типов СКП2 и СКК2 должны изготавливаться по рабочим чертежам
предприятий-изготовителей, утвержденным в установленном порядке и согласованным
с базовой организацией по грузозахватным устройствам Госстроя
СССР.
3.33 - 3.41. (Введены дополнительно, Изм. №
1).
4. ТРЕБОВАНИЯ БЕЗОПАСНОСТИ
4.1.
При изготовлении стропов должны соблюдаться следующие требования безопасности: к
производственному процессу по ГОСТ
12.3.002-75, к электробезопасности по
ГОСТ
12.1.019-79, к работе с абразивным
инструментом по ГОСТ 12.1.001-83.
4.2. Резку каната абразивным
кругом следует выполнять с использованием защитных очков или защитных
щитков.
4.3.
Крюки стропов должны быть снабжены предохранительными замками, конструкция и
размеры которых приведены в рекомендуемом приложении 1. Допускается применять
предохранительные замки крюков по ГОСТ
12840-80 и по рабочим чертежам
предприятий-изготовителей, утвержденным и согласованным с базовой организацией
по грузозахватным устройствам Госстроя СССР.
(Измененная редакция, Изм. №
2).
4.4. При проведении
испытаний строп или канатная ветвь должны быть ограждены сплошным или сетчатым
кожухом для предохранения рабочих от травм.
4.5.
Испытания и эксплуатация стропов должны производиться в соответствии с
требованиями «Правил устройства и безопасной эксплуатации грузоподъемных кранов»
Госгортехнадзора СССР и СНиП
III-4-80 «Техника безопасности в
строительстве».
4.6. Грузовые стропы, не
прошедшие технического освидетельствования, установленного правилами устройства
и безопасной эксплуатации грузоподъемных кранов Госгортехнадзора СССР, к работе
не допускаются.
5. ПРАВИЛА ПРИЕМКИ
5.1. Для проверки
соответствия стропов требованиям настоящего стандарта предприятие-изготовитель
должно проводить приемо-сдаточные испытания.
5.2. При приемо-сдаточных
испытаниях каждый строп проверяют на соответствие требованиям пп. 3.7 - 3.10, 3.12 -
3.15 и
3.17.
На соответствие требованиям
пп. 3.3 - 3.22
проверяют 10 % стропов от партии в случае заделки концов канатов опрессовкой
алюминиевой и стальной втулками, включая первый и последний строп, и 2 % - в
случае заделки концов канатов заплеткой.
Общее число проверяемых
стропов не должно быть менее 2.
Партия стропов должна
состоять из изделий одного типа и грузоподъемности, изготовленных из каната с
одного барабана (бухты) и деталей из одной партии.
Партия деталей должна
состоять из деталей одного типоразмера, изготовленных из металла одной марки и
совместно прошедших термообработку.
При индивидуальном
изготовлении на соответствие требованиям п. 3.3
проверяют каждый строп.
(Измененная редакция, Изм. №
2).
5.3.
Крюки, карабины и звенья следует проверять на соответствие
требованиям:
пп. 3.16, 3.18 -
3.21, 3.22
(подрез), 3.24 - все
изделия;
п. 3.3 - 2 %
изделий от партии;
ГОСТ 8479-70 - все заготовки
крюков, изготовленные методом свободной ковки и первый и последний крюк от
партии, изготовленные методом горячей штамповки;
п. 3.22
(непровар) - 2 % звеньев от партии;
п. 3.25
(твердость стали) - 1 % скоб разъемных звеньев и карабинов; звеньев треугольных,
овоидных и овальных; заготовок крюков от партии.
У заготовок крюков предел
текучести и относительное удлинение металла надлежит проверять в объеме,
указанном в табл. 12.
Таблица 12
|
Размер партии |
Число заготовок крюков |
|
До 6 включ. |
1 |
|
Св. 7 до 30 » |
2 |
|
» 31 до 200 » |
3 |
|
» 200 |
5 |
Образцы для испытаний
заготовок крюков, изготовляемых методом свободной ковки, должны вырезаться из
припуска на заготовки, а изготовляемых методом горячей штамповки - из тела
заготовки крюка или из отдельно кованной пробы по режиму, установленному для
штамповок из металла той же плавки.
Временное сопротивление
разрыву и ударную вязкость стали следует проверять по требованию
потребителя.
(Измененная редакция, Изм. №
1, 2).
5.4. При получении
неудовлетворительных результатов проверки по какому-либо из показателей должна
производиться повторная проверка по этому показателю удвоенного числа образцов,
взятых от той же партии.
В случае
неудовлетворительных результатов повторной проверки партию
бракуют.
6. МЕТОДЫ ИСПЫТАНИЙ
6.1. Испытание стропов на
прочность проводят статической нагрузкой в соответствии с правилами устройства и
безопасной эксплуатации грузоподъемных кранов Госгортехнадзора
СССР.
При испытании стропа его
ветви должны быть расположены под углом 90° друг к другу.
Допускаются испытания под
другим углом с соответствующим пересчетом действующих
нагрузок.
При серийном изготовлении
стропов время их выдержки под нагрузкой - 3 мин, при индивидуальном - 10
мин.
Нагрузку при определении
усилий в стропах определяют динамометром или же контрольным
грузом.
6.2. Соответствие материалов
деталей стропов и сварочных материалов указанным в рабочих чертежах проверяют по
сертификатам или результатам лабораторного анализа.
6.3. Качество поверхностей
деталей звеньев и захватов, правильность расположения сварных швов звеньев,
качество заделки концов канатов, цельность канатов ветвей стропов проверяют
визуально.
6.4. Увеличение диаметра
сечения звеньев и смещение их концов в месте сварки, величину конца каната,
выступающего из втулки после заделки, а также разность длин канатных ветвей
проверяют линейкой, штангенциркулем, шаблонами или
калибрами.
6.5.
Качество сварных соединений звеньев проверяют путем их осмотра, обмера и
механических испытаний звеньев на статическое растяжение по ГОСТ
6996-66.
6.6.
Твердость металла определяют по ГОСТ
9012-59 и ГОСТ
9013-59.
Предел текучести, временное
сопротивление разрыву и относительное удлинение металла определяют по ГОСТ
1497-84.
Ударную вязкость металла
определяют по ГОСТ
9454-78.
7. МАРКИРОВКА, УПАКОВКА, ТРАНСПОРТИРОВАНИЕ И
ХРАНЕНИЕ
7.1. Каждый строп должен
быть снабжен клеймом или прочно прикрепленной металлической биркой, на которой
указывают:
наименование или товарный
знак предприятия-изготовителя;
номер стропа по системе
нумерации предприятия-изготовителя;
грузоподъемность
стропа;
дату испытаний (месяц,
год).
7.2. На каждом звене и
захвате стропа на установленном для маркировки месте ударным способом или
штамповкой должно быть нанесено:
наименование или товарный
знак предприятия-изготовителя;
допускаемая
нагрузка;
год испытания (последние две
цифры).
7.1, 7.2. (Измененная редакция, Изм. №
2).
7.3. Стропы одного типа,
длины и одинаковой грузоподъемности, свернутые кольцом, комплектуют в одну общую
бухту, которую завязывают по периметру не менее чем в трех
местах.
Канатные стропы диаметром до
11,5 мм и длиной до 3,5 м могут быть связаны в пачки или уложены в контейнеры.
Масса пачки не должна превышать 100 кг.
7.4.
Маркировка грузовых мест бухты, пачки - по ГОСТ
14192-77.
7.5.
Транспортирование стропов - по группе условий хранения ОЖ3 по ГОСТ
15150-69 транспортом любого
вида.
7.6.
Хранение стропов - по группе условий хранения ОЖ4 по ГОСТ
15150-69.
7.7. Сведения об
изготовленных стропах должны заноситься в журнал в соответствии с правилами
устройства и безопасной эксплуатации грузоподъемных кранов Госгортехнадзора
СССР.
7.8. Строп, ветвь канатная,
звено или их партии, изготавливаемые для сторонних организаций, должны
сопровождаться документом (паспортом), удостоверяющим соответствие их
требованиям настоящего стандарта, в котором указывают:
наименование или товарный
знак предприятия-изготовителя;
тип
изделия;
грузоподъемность
(допускаемую нагрузку);
длину (для стропов и
канатных ветвей);
порядковый номер по системе
нумерации предприятия-изготовителя;
количество в
партии;
год и месяц
выпуска;
результаты проверок и
испытаний;
гарантийные
обязательства;
обозначение настоящего
стандарта.
8. ГАРАНТИИ ИЗГОТОВИТЕЛЯ
8.1. Изготовитель должен
гарантировать соответствие стропов требованиям настоящего стандарта при
соблюдении потребителем условий хранения и эксплуатации, установленных
стандартом.
8.2. Гарантийный срок
эксплуатации стропов типов СКП и СКК - 3 мес, остальных - 6 мес при односменной
работе.
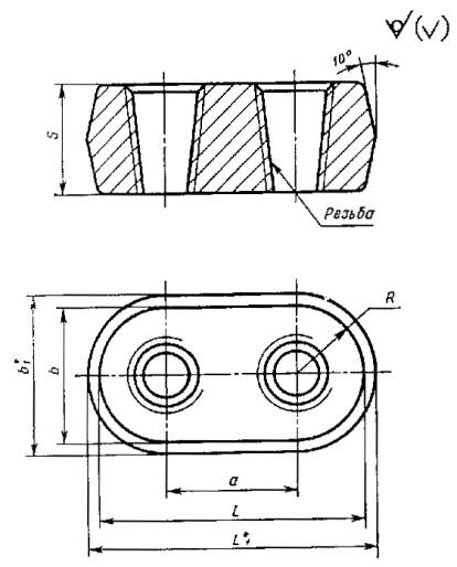
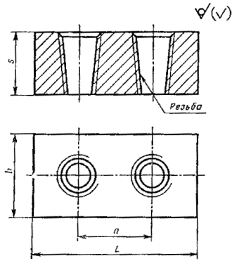
ПРИЛОЖЕНИЕ 1
Рекомендуемое
КОНСТРУКЦИЯ И РАЗМЕРЫ ЗВЕНЬЕВ И ЗАХВАТОВ
1. В качестве соединительных
элементов могут быть использованы:
звенья разъемные треугольные
Рт исполнений Рт1, Рт2, Рт3 и Рт4;
звенья разъемные овальные
Ров;
звенья треугольные
Т;
звенья овоидные
О;
звенья овальные Ов
исполнений Ов1 и Ов2.
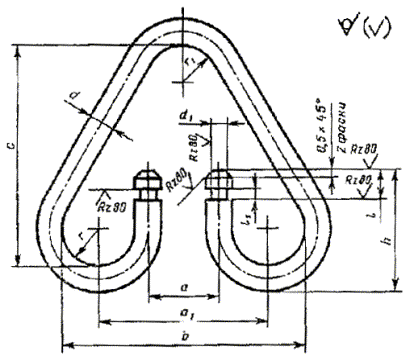
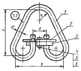
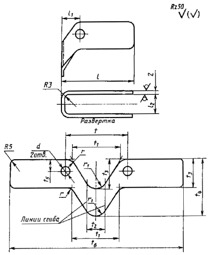
1.1. Конструкция и размеры
звеньев Рт исполнения Рт1, эксплуатируемых в районах с умеренным климатом,
должны соответствовать указанным на черт. 1 и в табл. 1, а в
районах с холодным климатом - на черт. 1 и в табл.
2.
1.1.1. Конструкция и размеры
скобы Ст исполнения Ст1 для звеньев Рт1, эксплуатируемых в районах с умеренным
климатом, должны соответствовать указанным на черт. 2 и в табл.
3, а в
районах с холодным климатом - на черт. 2 и в табл.
4.

1 - скоба; 2 - ограничитель; 3 - планка; 4 - болт по ГОСТ 7798-70; 5 - гайка по ГОСТ 5919-73; 6 - шплинт по ГОСТ 397-79
Черт.
1
Пример условного обозначения
разъемного звена Рт1 с допускаемой нагрузкой 78,5 кН (8,0 тс) для районов с
умеренным климатом:
Звено
Рт1-8,0 ГОСТ 25573-82
То же, предназначенного для
эксплуатации в районах с холодным климатом:
Звено
Рт1-8,0 ХЛ ГОСТ 25573-82
Таблица 1
|
Обозначение звена |
Допускаемая нагрузка, кН
(тс) |
Размеры звена, мм |
Обозначение деталей
звена |
Масса, кг |
|
d |
a |
b |
с |
r |
Скоба |
Ограничитель |
Планка |
Болт |
Гайка |
Шплинт |
|
Рт1-0,63 |
6,18 (0,63) |
14 |
32 |
126 |
115 |
20 |
Ст1-1,0 |
Oг-1,0 |
П-1,0 |
2М8´35.36 |
М8,4 |
2´20-001 |
1,00 |
|
Рт1-0,8 |
7,85 (0,80) |
|
Рт1-1,0 |
9,81 (1,00) |
|
Рт1-1,25 |
12,26 (1,25) |
16 |
38 |
142 |
130 |
22 |
Ст1-1,25 |
Oг-1,25 |
П-1,25 |
1,33 |
|
Рт1-1,6 |
15,70 (1,60) |
18 |
156 |
140 |
25 |
Ст1-1,6 |
Oг-1,6 |
П-1,6 |
1,69 |
|
Рт1-2,0 |
19,62 (2,00) |
20 |
42 |
174 |
160 |
30 |
Ст1-2,0 |
Oг-2,0 |
П-2,0 |
2,29 |
|
Рт1-2,5 |
24,52 (2,50) |
22 |
50 |
192 |
175 |
32 |
Ст1-2,5 |
Oг-2,5 |
П-2,5 |
2М10´40.36 |
М10,4 |
2,5´25-001 |
3,00 |
|
Рт1-3,2 |
31,40 (3,20) |
25 |
55 |
200 |
185 |
35 |
Ст1-3,2 |
Oг-3,2 |
П-3,2 |
4,12 |
|
Рт1-4,0 |
39,24 (4,00) |
28 |
60 |
228 |
215 |
40 |
Ст1-4,0 |
Oг-4,0 |
П-4,0 |
2М12´45.36 |
М12,4 |
3,2´32-001 |
5,76 |
|
Рт1-5,0 |
49,05 (5,00) |
32 |
68 |
260 |
240 |
45 |
Ст1-5,0 |
Oг-5,0 |
П-5,0 |
8,50 |
|
Рт1-6,3 |
61,80 (6,30) |
35 |
74 |
289 |
265 |
50 |
Ст1-6,3 |
Oг-6,3 |
П-6,3 |
2М12´50.36 |
11,00 |
|
Рт1-8,0 |
78,50 (8,00) |
40 |
82 |
322 |
295 |
55 |
Ст1-8,0 |
Oг-8,0 |
П-8,0 |
15,48 |
|
Рт1-10,0 |
98,10 (10,00) |
45 |
90 |
355 |
325 |
60 |
Cт1-10,0 |
Oг-10,0 |
П-10,0 |
2М12´55.36 |
22,40 |
|
Рт1-12,5 |
122,00 (12,50) |
50 |
100 |
390 |
360 |
65 |
Ст1-12,5 |
Ог-12,5 |
П-12,5 |
2М12´60.36 |
30,00 |
|
Рт1-16,0 |
157,00 (16,00) |
55 |
110 |
425 |
395 |
75 |
Ст1-16,0 |
Ог-16,0 |
П-16,0 |
2М12´70.36 |
41,10 |
Примечание. Здесь и в последующих таблицах
последние цифры в обозначении звена и деталей соответствуют допускаемой нагрузке
на них.
Таблица 2
|
Обозначение
звена |
Допускаемая нагрузка. кН
(тс) |
Размеры звена, мм |
Обозначение деталей
звена |
Масса, кг |
|
d |
a |
b |
с |
r |
Скоба |
Ограничитель |
Планка |
Болт |
Гайка |
Шплинт |
|
Рт1-0,63ХЛ |
6,18 (0,63) |
14 |
32 |
126 |
115 |
20 |
Ст1-0,63ХЛ |
Ог-0,63ХЛ |
П-0,63ХЛ |
2М8´35.36 |
М8.4 |
2´20.001 |
1,00 |
|
Рт1-0,8ХЛ |
7,85 (0,80) |
Ст1-0,8ХЛ |
Ог-0,8ХЛ |
П-0,8ХЛ |
|
Рт1-1,0ХЛ |
9,81 (1,00) |
Ст1-1,0ХЛ |
Ог-1,0ХЛ |
П-1,0ХЛ |
|
Рт1-1,25ХЛ |
12,26 (1,25) |
Ст1-1,25ХЛ |
Ог-1,25ХЛ |
П-1,25ХЛ |
|
Рт1-1,6ХЛ |
15,70 (1,60) |
16 |
38 |
142 |
130 |
22 |
Ст1-1,6ХЛ |
Ог-1,6ХЛ |
П-1,6ХЛ |
1,33 |
|
Рт1-2,0ХЛ |
19,62 (2,00) |
18 |
156 |
140 |
25 |
Ст1-2,0ХЛ |
Ог-2,0ХЛ |
П-2,0ХЛ |
1,69 |
|
Рт1-2,5ХЛ |
24,52 (2,50) |
20 |
42 |
174 |
160 |
30 |
Ст1-2,5ХЛ |
Ог-2,5ХЛ |
П-2,5ХЛ |
2,29 |
|
Рт1-3,2ХЛ |
31,40 (3,20) |
22 |
50 |
192 |
175 |
32 |
Ст1-3,2ХЛ |
Ог-3,2ХЛ |
П-3,2ХЛ |
2М10´40.36 |
М10.4 |
2,5´25.001 |
3,00 |
|
Рт1-4,0ХЛ |
39,24 (4,00) |
25 |
55 |
200 |
185 |
35 |
Ст1-4,0ХЛ |
Ог-4,0ХЛ |
П-4,0ХЛ |
4,12 |
|
Рт1-5,0ХЛ |
49,05 (5,00) |
28 |
60 |
228 |
215 |
40 |
Ст1-5,0ХЛ |
Ог-5,0ХЛ |
П-5,0ХЛ |
2М12´45.36 |
М12.4 |
3,2´32.001 |
5,76 |
|
Рт1-6,3ХЛ |
61,80 (6,30) |
32 |
68 |
260 |
240 |
45 |
Ст1-6,3ХЛ |
Ог-6,3ХЛ |
П-6,3ХЛ |
8,50 |
|
Рт1-8,0ХЛ |
78,50 (8,00) |
35 |
74 |
289 |
265 |
50 |
Ст1-8,0ХЛ |
Ог-8,0ХЛ |
П-8,0ХЛ |
2М12´50.36 |
11,00 |
|
Рт1-10,0ХЛ |
98,10 (10,00) |
40 |
82 |
322 |
295 |
55 |
Ст1-10,0ХЛ |
Ог-10,0ХЛ |
П-10,0ХЛ |
15,48 |
|
Рт1-12,5ХЛ |
122,00 (12,50) |
45 |
90 |
355 |
325 |
60 |
Ст1-12,5ХЛ |
Ог-12,5ХЛ |
П-12,5ХЛ |
2М12´
55.36 |
22,40 |
|
Рт1-16,0ХЛ |
157,00 (16,00) |
50 |
100 |
390 |
360 |
65 |
Ст1-16,0ХЛ |
Ог-16,0ХЛ |
П-16,0ХЛ |
2M12´60.36 |
30,00 |
|
Рт1-20,0ХЛ |
196,20 (20,00) |
55 |
110 |
425 |
395 |
75 |
Ст1-20,0ХЛ |
Ог-20,0ХЛ |
П-20,0ХЛ |
2М12´70.36 |
41,10 |

Материал для деталей климатического исполнения У - Сталь
20 по ГОСТ 1050-88 или Ст3сп по ГОСТ 380-88, для деталей
климатического исполнения ХЛ-15ХСНД или 09Г2С по ГОСТ
19281-89
Черт.
2
Таблица 3
Размеры, мм
|
Обозначение скобы |
d |
d1 |
a |
a1 |
b |
h |
l |
l1 |
c |
r |
r1 |
Длина развертки |
Масса, кг |
|
Номин. |
Пред. откл. |
|
Ст1-0,63 |
14 |
8 |
32 |
± 1,0 |
86 |
126 |
72 |
13 |
6 |
115 |
20 |
20 |
495 |
0,6 |
|
Ст1-0,8 |
|
Cт1-1,0 |
|
Ст1-1,25 |
16 |
10 |
38 |
98 |
142 |
80 |
17 |
130 |
22 |
22 |
560 |
0,9 |
|
Ст1-1,6 |
18 |
12 |
106 |
156 |
85 |
140 |
25 |
25 |
610 |
1,2 |
|
Ст1-2,0 |
20 |
42 |
118 |
174 |
90 |
160 |
28 |
30 |
672 |
1,7 |
|
Cт1-2,5 |
22 |
14 |
50 |
± 1,5 |
132 |
192 |
97 |
18 |
175 |
30 |
32 |
750 |
2,2 |
|
Ст1-3,2 |
25 |
18 |
55 |
140 |
200 |
100 |
185 |
35 |
779 |
3,1 |
|
Ст1-4,0 |
28 |
22 |
60 |
158 |
228 |
115 |
22 |
7 |
215 |
35 |
40 |
894 |
4,3 |
|
Ст1-5,0 |
32 |
26 |
68 |
180 |
260 |
130 |
25 |
240 |
40 |
45 |
1016 |
6,4 |
|
Ст1-6,3 |
35 |
28 |
74 |
199 |
289 |
140 |
265 |
45 |
50 |
1113 |
8,4 |
|
Ст1-8,0 |
40 |
30 |
82 |
222 |
322 |
150 |
8 |
295 |
50 |
55 |
1232 |
12,0 |
|
Ст1-10,0 |
45 |
35 |
90 |
245 |
355 |
175 |
35 |
10 |
325 |
55 |
60 |
1376 |
17,0 |
|
Ст1-12,5 |
50 |
40 |
100 |
270 |
390 |
195 |
40 |
360 |
60 |
65 |
1514 |
22,8 |
|
Ст1-16,0 |
55 |
45 |
110 |
295 |
425 |
215 |
45 |
12 |
395 |
65 |
75 |
1670 |
31,0 |
Таблица 4
Размеры, мм
|
Обозначение скобы |
d |
d1 |
a |
a1 |
b |
h |
l |
l1 |
c |
r |
r1 |
Длина развертки |
Масса, кг |
|
Номин. |
Пред. откл. |
|
Ст1-0,63ХЛ |
14 |
8 |
32 |
± 1,0 |
86 |
126 |
72 |
13 |
6 |
115 |
20 |
20 |
504 |
0,6 |
|
Ст1-0,8ХЛ |
|
Cт1-1,0ХЛ |
|
Ст1-1,25ХЛ |
|
Ст1-1,6ХЛ |
16 |
10 |
38 |
98 |
142 |
80 |
17 |
130 |
22 |
25 |
565 |
0,9 |
|
Ст1-2,0ХЛ |
18 |
12 |
106 |
156 |
85 |
140 |
25 |
30 |
616 |
1,2 |
|
Cт1-2,5ХЛ |
20 |
42 |
± 1,5 |
118 |
174 |
90 |
160 |
28 |
32 |
682 |
1,7 |
|
Ст1-3,2ХЛ |
22 |
14 |
50 |
132 |
192 |
97 |
18 |
175 |
30 |
35 |
742 |
2,2 |
|
Ст1-4,0ХЛ |
25 |
18 |
55 |
140 |
200 |
100 |
185 |
40 |
782 |
3,1 |
|
Ст1-5,0ХЛ |
28 |
22 |
60 |
158 |
228 |
115 |
22 |
7 |
215 |
35 |
45 |
900 |
4,4 |
|
Ст1-6,3ХЛ |
32 |
26 |
68 |
180 |
260 |
130 |
25 |
240 |
40 |
50 |
1015 |
6,5 |
|
Ст1-8,0ХЛ |
35 |
28 |
74 |
199 |
289 |
140 |
265 |
45 |
55 |
1116 |
8,5 |
|
Ст1-10,0ХЛ |
40 |
30 |
82 |
222 |
322 |
150 |
8 |
295 |
50 |
60 |
1230 |
12,1 |
|
Ст1-12,5ХЛ |
45 |
35 |
90 |
245 |
355 |
175 |
35 |
10 |
325 |
55 |
65 |
1380 |
17,1 |
|
Ст1-16,0ХЛ |
50 |
40 |
100 |
270 |
390 |
195 |
40 |
360 |
60 |
75 |
1528 |
23,1 |
|
Ст1-20,0ХЛ |
55 |
45 |
110 |
295 |
425 |
215 |
45 |
12 |
395 |
65 |
85 |
1675 |
31,4 |
1.1.2. Конструкция и размеры
ограничителя Ог для звеньев Рт, эксплуатируемых в районах с умеренным климатом,
должны соответствовать указанным на черт. 3, а в
районах с холодным климатом - на черт. 3 и в табл.
5, 6.

Материал для деталей климатического исполнения У - Ст3пс
по ГОСТ 380-88 для деталей
климатического исполнения ХЛ - Ст3сп по ГОСТ
380-88
Черт.
3
Таблица 5
Размеры, мм
|
Обозначение ограничителя |
a |
а1 |
b |
b1 |
с |
d |
l |
l1 |
Толщина ограничителя s |
r |
Масса, кг |
|
Номин. |
Пред. откл. |
Номин. |
Пред. откл. |
Номин. |
Пред. откл. |
|
Ог-1,0 |
32 |
±
0,5 |
16,0 |
±0,35 |
25 |
14 |
4,5 |
± 0,5 |
9 |
90 |
9 |
4 |
4,5 |
0,06 |
|
Ог-1,25 |
38 |
19,0 |
28 |
16 |
100 |
11 |
5,5 |
0,08 |
|
Ог-1,6 |
30 |
18 |
110 |
14 |
7 |
0,09 |
|
Ог-2,0 |
42 |
21,0 |
32 |
20 |
130 |
0,11 |
|
Ог-2,5 |
50 |
± 1,0 |
25,0 |
36 |
22 |
10,5 |
11 |
150 |
16 |
8 |
0,15 |
|
Ог-3,2 |
55 |
27,5 |
40 |
25 |
160 |
20 |
10 |
0,17 |
|
Ог-4,0 |
60 |
30,0 |
45 |
28 |
15,0 |
14 |
190 |
24 |
5 |
12 |
0,28 |
|
Ог-5,0 |
68 |
34,0 |
50 |
32 |
220 |
28 |
14 |
0,36 |
|
Ог-6,3 |
74 |
37,0 |
35 |
240 |
30 |
15 |
0,41 |
|
Ог-8,0 |
82 |
41,0 |
60 |
40 |
17,0 |
270 |
32 |
6 |
16 |
0,65 |
|
Ог-10,0 |
90 |
45,0 |
65 |
45 |
300 |
37 |
8 |
18,5 |
1,03 |
|
Ог-12,5 |
100 |
50,0 |
70 |
50 |
320 |
42 |
21 |
1,16 |
|
Ог-16,0 |
110 |
55,0 |
75 |
55 |
360 |
47 |
10 |
23,5 |
1,71 |
|
Ог-20,0 |
140 |
70,0 |
80 |
60 |
20,0 |
400 |
64 |
32 |
2,00 |
Таблица
6
Размеры, мм
|
Обозначение ограничителя |
a |
а1 |
b |
b1 |
с |
d |
l |
l1 |
Толщина ограничителя s |
r |
Масса, кг |
|
Номин. |
Пред. откл. |
Номин. |
Пред. откл. |
Номин. |
Пред. откл. |
|
Ог-0,63ХЛ |
32 |
±
0,5 |
16,0 |
±0,35 |
25 |
14 |
4,5 |
± 0,5 |
9 |
90 |
9 |
4 |
4,5 |
0,06 |
|
Ог-0,8ХЛ |
|
Ог-1,0ХЛ |
|
Ог-1,25ХЛ |
|
Ог-1,6ХЛ |
38 |
19,0 |
28 |
16 |
100 |
11 |
5,5 |
0,08 |
|
Ог-2,0ХЛ |
30 |
18 |
110 |
14 |
7 |
0,09 |
|
Ог-2,5ХЛ |
42 |
21,0 |
32 |
20 |
130 |
0,11 |
|
Ог-3,2ХЛ |
50 |
± 1,0 |
25,0 |
36 |
22 |
10,5 |
11 |
150 |
16 |
8 |
0,15 |
|
Ог-4,0ХЛ |
55 |
27,5 |
40 |
25 |
160 |
20 |
10 |
0,17 |
|
Ог-5,0ХЛ |
60 |
30,0 |
45 |
28 |
15,0 |
14 |
190 |
24 |
5 |
12 |
0,28 |
|
Ог-6,3ХЛ |
68 |
34,0 |
50 |
32 |
220 |
28 |
14 |
0,36 |
|
Ог-8,0ХЛ |
74 |
37,0 |
35 |
240 |
30 |
15 |
0,41 |
|
Ог-10,0ХЛ |
82 |
41,0 |
60 |
40 |
17,0 |
270 |
32 |
6 |
16 |
0,65 |
|
Ог-12,5ХЛ |
90 |
45,0 |
65 |
45 |
300 |
37 |
8 |
18,5 |
1,03 |
|
Ог-16,0ХЛ |
100 |
50,0 |
70 |
50 |
320 |
42 |
21 |
1,16 |
|
Ог-20,0ХЛ |
110 |
55,0 |
75 |
55 |
360 |
47 |
10 |
23,5 |
1,71 |
1.1.3. Конструкция и размеры
планки П для звеньев Рт, эксплуатируемых в районах с умеренным климатом, должны
соответствовать указанным на черт. 4 (вариант
штампованной детали), на черт. 5 (вариант
детали из проката) и в табл. 7, а в
районах с холодным климатом - на черт. 4 или 5 и в табл.
8.

_________
* Размеры
для справок.
Материл для деталей климатического исполнения У - Сталь
20 по ГОСТ 1050-08 или Ст3сп по ГОСТ 380-88, для деталей
климатического исполнения ХЛ - 15ХСНД или 09Г2С по ГОСТ
19281-89
Черт.
4

Материал для деталей климатического исполнения У - сталь
20 по ГОСТ 1050-88 или Ст3сп по ГОСТ 380-88, для деталей
климатического исполнения ХЛ - 15ХСНД или 09Г2С по ГОСТ
19281-89
Черт.
5
Таблица 7
Размеры, мм
|
Обозначение пленки |
а |
а1 |
b |
b*1 |
с |
d |
d1 |
L |
L*1 |
Толщина планки s |
R |
Масса, кг |
|
Номин. |
Пред. откл. |
Номин. |
Пред. откл. |
Номин. |
Пред. откл. |
Вариант планки из
проката |
Вариант штампованной
планки |
|
П-1,0 |
32 |
±
0,5 |
16,0 |
± 0,35 |
32 |
36 |
4,5 |
± 0,5 |
16 |
9 |
64 |
68 |
20 |
16 |
0,25 |
0,24 |
|
П-1,25 |
38 |
19,0 |
36 |
40 |
18 |
74 |
78 |
18 |
0,33 |
0,32 |
|
П-1,6 |
40 |
44 |
20 |
78 |
82 |
20 |
0,43 |
0,36 |
|
П-2,0 |
42 |
21,0 |
44 |
48 |
22 |
86 |
90 |
22 |
0,46 |
0,43 |
|
П-2,5 |
50 |
± 1,0 |
25,0 |
48 |
52 |
10,5 |
24 |
11 |
93 |
102 |
22 |
24 |
0,60 |
0,60 |
|
П-3,2 |
55 |
27,5 |
54 |
58 |
27 |
108 |
112 |
27 |
0,79 |
0,74 |
|
П-4,0 |
60 |
30,0 |
60 |
64 |
15,0 |
30 |
14 |
120 |
124 |
25 |
30 |
1,11 |
1,02 |
|
П-5,0 |
68 |
34,0 |
68 |
72 |
34 |
136 |
140 |
28 |
34 |
1,60 |
1,46 |
|
П-6,3 |
74 |
37,0 |
74 |
78 |
37 |
148 |
152 |
30 |
37 |
2,04 |
1,85 |
|
П-8,0 |
82 |
41,0 |
84 |
88 |
17,0 |
42 |
166 |
170 |
42 |
2,60 |
2,34 |
|
П-10,0 |
90 |
45,0 |
94 |
98 |
47 |
184 |
188 |
35 |
47 |
3,76 |
3,39 |
|
П-12,5 |
100 |
50,0 |
104 |
108 |
52 |
204 |
208 |
40 |
52 |
5,28 |
4,72 |
|
П-16,0 |
110 |
55,0 |
114 |
118 |
57 |
224 |
228 |
45 |
57 |
7,16 |
6,38 |
|
П-20,0 |
140 |
70,0 |
120 |
125 |
20,0 |
64 |
270 |
280 |
50 |
60 |
10,13 |
8,87 |
(Измененная редакция, №
2).
Таблица 8
Размеры, мм
|
Обозначение пленки |
а |
а1 |
b |
b*1 |
с |
d |
d1 |
L |
L*1 |
Толщина планки s |
R |
Масса, кг |
|
Номин. |
Пред. откл. |
Номин. |
Пред. откл. |
Номин. |
Пред. откл. |
Вариант планки из
проката |
Вариант штампованной
планки |
|
П-0,63ХЛ |
32 |
± 0,5 |
16,0 |
±
0,35 |
32 |
36 |
4,5 |
±
0,5 |
16 |
9 |
64 |
68 |
20 |
16 |
0,32 |
0,29 |
|
П-0,8ХЛ |
|
П-1,0ХЛ |
|
П-1,25ХЛ |
|
П-1,6ХЛ |
38 |
19,0 |
36 |
40 |
18 |
74 |
78 |
18 |
0,33 |
0,30 |
|
П-2,0ХЛ |
40 |
44 |
20 |
78 |
82 |
20 |
0,38 |
0,35 |
|
П-2,5ХЛ |
42 |
21,0 |
44 |
48 |
22 |
86 |
90 |
22 |
0,46 |
0,43 |
|
П-3,2ХЛ |
50 |
±
1,0 |
25,0 |
48 |
52 |
10,5 |
24 |
11 |
98 |
102 |
22 |
24 |
0,62 |
0,59 |
|
П-4,0ХЛ |
55 |
27,5 |
54 |
58 |
27 |
109 |
113 |
27 |
0,80 |
0,77 |
|
П-5,0ХЛ |
60 |
30,0 |
60 |
64 |
15,0 |
30 |
14 |
120 |
124 |
25 |
30 |
1,11 |
1,08 |
|
П-6,3ХЛ |
68 |
34,0 |
68 |
72 |
34 |
136 |
140 |
28 |
34 |
1,67 |
1,64 |
|
П-8,0ХЛ |
74 |
37,0 |
74 |
78 |
37 |
148 |
152 |
30 |
37 |
2,10 |
2,07 |
|
П-10,0ХЛ |
82 |
41,0 |
84 |
88 |
17,0 |
42 |
166 |
170 |
42 |
2,75 |
2,72 |
|
П-12,5ХЛ |
90 |
45,0 |
94 |
98 |
47 |
184 |
188 |
35 |
47 |
4,29 |
4,26 |
|
П-16,0ХЛ |
100 |
50,0 |
104 |
108 |
52 |
204 |
208 |
40 |
52 |
6,00 |
5,97 |
|
П-20,0ХЛ |
110 |
55,0 |
114 |
118 |
57 |
224 |
228 |
45 |
57 |
8,29 |
8,26 |
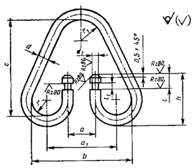
1.2. Конструкция и размеры
звеньев Рт исполнения Рт2 с увеличенным радиусом гибки скобы, эксплуатируемых в
районах с умеренным климатом, должны соответствовать указанным на черт. 6 и в табл.
9.

1 - скоба; 2 - ограничитель; 3 - планка; 4 - болт по ГОСТ 7798-7.0; 5 - гайка по ГОСТ 5919-73; 6 - шплинт по ГОСТ 397-79
Черт.
6
Примечание. Навешивание на крюки
грузоподъемных машин производится в соответствии с п. 3.34 табл.
11аа.
1.1, 1.1.1, 1.1.2, 1.2. (Измененная редакция, Изм. №
1)
1.2.1. Конструкция и размеры
скобы С исполнения Ст2 для звеньев Рт2, эксплуатируемых в районах с умеренным
климатом должны соответствовать указанным на черт. 7 и в табл.
10.
1.2.2. Конструкция и размеры
ограничителя О и планки П для звеньев Рт2, эксплуатируемых в районах с умеренным
климатом должны соответствовать указанным на черт. 35 и в
табл. 5 - 8.
Таблица 9
|
Обозначение звена |
Допускаемая нагрузка, кН (тс) |
Размеры звена, мм |
Обозначение деталей
звена |
Масса, кг |
|
d |
a |
b |
с |
R |
Скоба |
Ограничитель |
Планка |
Болт |
Гайка |
Шплинт |
|
Рт2-0,63 |
7,85 (0,8) |
14 |
32 |
126 |
115 |
45 |
Ст2-0,63 |
Ог-1,0 |
П-1,0 |
2М8´35.36 |
М8.4 |
2´20.001 |
1,027 |
|
Рт2-0,8 |
Ст2-0,8 |
|
Рт2-1,0 |
9,81 (1,0) |
16 |
38 |
142 |
130 |
Ст2-1,0 |
Ог-1,25 |
П-1,25 |
1,339 |
|
Рт2-1,25 |
12,26 (1,25) |
18 |
156 |
140 |
Ст2-1,25 |
Ог-1,6 |
П-1,6 |
1,743 |
|
Рт2-1,6 |
15,70 (1,6) |
20 |
42 |
174 |
160 |
60 |
Ст2-1,6 |
Oг-2,0 |
П-2,0 |
2,304 |
|
Рт2-2,0 |
19,62 (2,0) |
22 |
50 |
192 |
175 |
Ст2-2,0 |
Oг-2,5 |
П-2,5 |
2М10´35.36 |
М10.4 |
2,5´25.001 |
3,070 |
|
Рт2-2,5 |
24,52 (2,5) |
25 |
55 |
200 |
185 |
Ст2-2,5 |
Oг-3,2 |
П-3,2 |
4,011 |
|
Рт2-3,2 |
31,40 (3,2) |
28 |
60 |
228 |
215 |
Ст2-3,2 |
Oг-4,0 |
П-4,0 |
2М12´45.36 |
5,829 |
|
Рт2-4,0 |
39,24 (4,0) |
32 |
68 |
260 |
240 |
75 |
Ст2-4,0 |
Oг-5,0 |
П-5,0 |
8,577 |
|
Рт2-5,0 |
49,05 (5,0) |
35 |
74 |
289 |
265 |
Ст2-5,0 |
Oг-6,3 |
П-6,3 |
2М12´50.36 |
М12.14 |
3,2´32.001 |
11,088 |
|
Рт2-6,3 |
61,80 (6,3) |
40 |
82 |
322 |
295 |
Ст2-6,3 |
Oг-8,0 |
П-8,0 |
15,675 |
|
Рт2-8,0 |
78,50 (8,0) |
45 |
90 |
355 |
325 |
Ст2-8,0 |
Oг-10,0 |
П-10,0 |
2М12´55.36 |
22,802 |
|
Рт2-10,0 |
98,10 (10,0) |
50 |
100 |
390 |
360 |
110 |
Ст2-10,0 |
Oг-12,5 |
П-12,5 |
2М12´60.36 |
30,973 |
|
Рт2-12,5 |
122,60 (12,5) |
55 |
110 |
425 |
395 |
Ст2-12,5 |
Oг-16,0 |
П-16,0 |
2М12´70.36 |
41,435 |
|
Рт2-16,0 |
157,00 (16,0) |
60 |
140 |
480 |
440 |
Ст2-16,0 |
Oг-20,0 |
П-20,0 |
2М12´80.36 |
53,195 |

Материал: Сталь 20 по
ГОСТ 1050-88 или Ст3сп по ГОСТ 380-88
Черт.
7
Таблица 10
Размеры, мм
|
Обозначение скобы |
d |
d1 |
a |
a1 |
b |
h |
l |
l1 |
с |
r |
r1 |
Длина развертки |
Масса, кг |
|
Номин. |
Пред. откл. |
|
Ст2-0,63 |
14 |
8 |
32 |
±
0,5 |
86 |
126 |
72 |
13 |
6 |
115 |
20 |
45 |
516 |
0,623 |
|
Ст2-0,8 |
|
Ст2-1,0 |
16 |
10 |
38 |
98 |
142 |
80 |
17 |
130 |
22 |
574 |
0,905 |
|
Ст2-1,25 |
18 |
12 |
106 |
156 |
85 |
140 |
25 |
625 |
1,249 |
|
Ст2-1,6 |
20 |
12 |
42 |
118 |
174 |
90 |
160 |
28 |
60 |
695 |
1,710 |
|
Ст2-2,0 |
22 |
14 |
50 |
± 1,0 |
132 |
192 |
97 |
175 |
30 |
756 |
2,256 |
|
Ст2-2,5 |
25 |
18 |
55 |
140 |
200 |
100 |
18 |
7 |
185 |
30 |
778 |
2,997 |
|
Ст-3,2 |
28 |
22 |
60 |
158 |
228 |
115 |
215 |
35 |
903 |
4,366 |
|
Ст2-4,0 |
32 |
26 |
68 |
180 |
260 |
130 |
22 |
240 |
40 |
75 |
1026 |
6,474 |
|
Ст2-5,0 |
35 |
28 |
74 |
199 |
289 |
140 |
25 |
265 |
45 |
1126 |
8,501 |
|
Ст2-6,3 |
40 |
30 |
82 |
222 |
322 |
150 |
295 |
50 |
1236 |
12,198 |
|
Ст2-8,0 |
45 |
35 |
90 |
245 |
355 |
175 |
10 |
325 |
55 |
1394 |
17,400 |
|
Ст2-10,0 |
50 |
40 |
100 |
270 |
390 |
195 |
35 |
360 |
60 |
110 |
1540 |
23,727 |
|
Ст2-12,5 |
55 |
50 |
110 |
295 |
425 |
215 |
40 |
12 |
395 |
65 |
1682 |
31,340 |
|
Ст2-16,0 |
60 |
55 |
140 |
340 |
480 |
235 |
45 |
14 |
440 |
70 |
1856 |
41,170 |
1.3. Конструкция и размеры
звеньев Рт исполнения Рт3, эксплуатируемых в районах с умеренным климатом,
должны соответствовать указанным на черт. 8 и в табл.
11.

1 - скоба; 2 - ограничитель; 3 - планка; 4 - болт по ГОСТ 7798-70; 5 - гайка по ГОСТ 5919-73; 6 - шплинт по ГОСТ 397-79
Черт. 8
Таблица 11
|
Обозначение звена |
Допускаемая нагрузка, кН
(тс) |
Размеры звена, мм |
Обозначение деталей
звена |
Масса, кг |
|
d |
a |
b |
с |
Скоба |
Ограничитель |
Планка |
Болт |
Гайка |
Шплинт |
|
Рт3-1,25 |
12,26 (1,25) |
14 |
36 |
130 |
125 |
Ст3-1,26 |
Ог3-1,25 |
П3-1,25 |
2М8´35.36 |
М8.4 |
2´20.001 |
0,95 |
|
Рт3-1,6 |
15,70 (1,60) |
Ст3-1,6 |
Ог3-1,6 |
П3-1,6 |
1,00 |
|
Рт3-2,0 |
19,62 (2,00) |
16 |
38 |
142 |
150 |
Ст3-2,0 |
Ог3-2,0 |
П3-2,0 |
1,45 |
|
Рт3-2,5 |
24,52 (2,50) |
18 |
46 |
164 |
165 |
Ст3-2,5 |
Ог3-2,5 |
П3-2,5 |
1,93 |
|
Рт3-3,2 |
31,40 (3,20) |
20 |
50 |
182 |
180 |
Ст3-3,2 |
Ог3-3,2 |
П3-3,2 |
2M10´35.36 |
М10.4 |
2,5´25.001 |
2,50 |
|
Рт3-4,0 |
39,24 (4,00) |
22 |
54 |
196 |
205 |
Ст3-4,0 |
Ог3-4,0 |
П3-4,0 |
3,64 |
|
Рт3-5,0 |
49,05 (5,00) |
25 |
60 |
205 |
225 |
Ст3-5,0 |
Ог3-5,0 |
П3-5,0 |
2M12´45.36 |
М12.4 |
3,2´32.001 |
4,98 |
|
Рт3-6,3 |
61,80 (6,30) |
28 |
68 |
236 |
250 |
Ст3-6,3 |
Ог3-6,3 |
П3-6,3 |
6,70 |
|
Рт3-8,0 |
78,50 (8,00) |
32 |
74 |
266 |
280 |
Ст3-8,0 |
Ог3-8,0 |
П3-8,0 |
2М12´50.36 |
9,62 |
|
Рт3-10,0 |
98,10 (10,00) |
36 |
80 |
296 |
300 |
Ст3-10,0 |
Ог3-10,0 |
П3-10,0 |
13,70 |
|
Рт3-12,5 |
122,60 (12,50) |
40 |
90 |
330 |
340 |
Ст3-12,5 |
Ог3-12,5 |
П3-12,5 |
2M12´55.36 |
18,80 |
|
Рт3-16,0 |
157,00 (16,00) |
45 |
100 |
365 |
375 |
Ст3-16,0 |
Ог3-16,0 |
П3-16,0 |
2M12´60.36 |
26,34 |
|
Рт3-20,0 |
196,20 (20,00) |
50 |
110 |
400 |
400 |
Ст3-20,0 |
Ог3-20,0 |
П3-20,0 |
2M12´70.36 |
34,50 |
|
Рт3-25,0 |
245,25 (25,00) |
56 |
125 |
461 |
425 |
Ст3-25,0 |
Ог3-25,0 |
П3-25,0 |
2M16´80.36 |
51,60 |
(Измененная редакция, Изм. №
1).
1.3.1. Конструкция и размеры
скобы С исполнения Ст3 для звеньев Рт3, эксплуатируемых в районах с умеренным
климатом, должны соответствовать указанным на черт. 9 и в табл.
12.
1.3.2. Конструкция и размеры
ограничителя Ог исполнения Ог3 для звеньев Рт3, эксплуатируемых в районах с
умеренным климатом, должны соответствовать указанным на черт. 3 и в табл.
13.
1.3.3. Конструкция и размеры
планки П исполнения П3 для звеньев Рт3, эксплуатируемых в районах с умеренным
климатом, должны соответствовать указанным на черт. 4, 5 и в табл.
14.

________
* Размер для справок.
Материал: Сталь 20 по ГОСТ 1050-88 или Ст3сп по ГОСТ 380-88
Черт.
9
Таблица 12
Размеры, мм
|
Обозначение скобы |
d |
d1 |
a |
a1 |
b |
b1 |
h |
l |
l1 |
l2 |
l3 |
с |
r |
r1 |
Длина развертки |
Масса, кг |
|
Номин. |
Пред. откл. |
|
Ст3-1,25 |
14 |
8 |
36 |
± 1,0 |
90 |
158 |
8 |
20 |
72 |
13 |
5 |
55 |
125 |
20 |
22 |
528 |
0,64 |
|
Ст3-1,6 |
60 |
25 |
532 |
0,64 |
|
Ст3-2,0 |
16 |
10 |
38 |
98 |
174 |
9 |
23 |
76 |
70 |
150 |
22 |
30 |
606 |
1,00 |
|
Ст3-2,5 |
18 |
12 |
46 |
±
1,5 |
114 |
200 |
10 |
26 |
85 |
15 |
80 |
165 |
25 |
32 |
674 |
1,35 |
|
Ст3-3,2 |
20 |
50 |
126 |
222 |
11 |
29 |
90 |
90 |
180 |
28 |
35 |
736 |
1,70 |
|
Ст3-4,0 |
22 |
14 |
54 |
136 |
240 |
12 |
32 |
102 |
20 |
6 |
100 |
205 |
30 |
40 |
824 |
2,46 |
|
Ст3-5,0 |
25 |
18 |
60 |
145 |
255 |
14 |
36 |
108 |
110 |
225 |
45 |
892 |
3,44 |
|
Ст3-6,3 |
28 |
22 |
68 |
166 |
292 |
16 |
39 |
118 |
120 |
250 |
35 |
50 |
992 |
4,80 |
|
Ст3-8,0 |
32 |
26 |
74 |
186 |
330 |
18 |
45 |
127 |
7 |
130 |
280 |
40 |
55 |
1106 |
7,00 |
|
Ст3-10,0 |
36 |
28 |
80 |
206 |
368 |
20 |
51 |
146 |
25 |
9 |
140 |
300 |
45 |
60 |
1220 |
9,80 |
|
Ст3-12,5 |
40 |
30 |
90 |
230 |
410 |
22 |
57 |
165 |
30 |
160 |
340 |
50 |
65 |
1372 |
13,50 |
|
Ст3-16,0 |
46 |
35 |
100 |
255 |
455 |
25 |
64 |
185 |
35 |
11 |
180 |
375 |
55 |
75 |
1524 |
19,00 |
|
Ст3-20,0 |
50 |
40 |
110 |
280 |
500 |
28 |
71 |
205 |
40 |
13 |
200 |
400 |
60 |
80 |
1656 |
25,50 |
|
Ст3-25,0 |
56 |
46 |
125 |
±
2,0 |
320 |
573 |
32 |
77 |
231 |
45 |
14 |
250 |
425 |
70 |
120 |
2063 |
40,00 |
Таблица 13
Размеры, мм
|
Обозначение скобы |
а |
а1 |
b |
l1 |
с |
d |
l |
b1 |
s |
r |
Масса, кг |
|
Номин. |
Пред. откл. |
Номин. |
Пред. откл. |
Номин. |
Пред. откл. |
|
Ог3-1,25 |
36 |
± 0,5 |
18 |
±
0,35 |
28 |
10 |
4,5 |
± 0,5 |
9 |
90 |
16 |
4 |
5,0 |
0,07 |
|
Ог3-1,6 |
30 |
18 |
0,07 |
|
Ог3-2,0 |
38 |
19 |
32 |
12 |
100 |
20 |
6,0 |
0,08 |
|
Ог3-2,5 |
46 |
23 |
36 |
14 |
10,5 |
11 |
110 |
22 |
7,0 |
0,10 |
|
Ог3-3,2 |
50 |
± 1,0 |
25 |
40 |
130 |
25 |
0,20 |
|
Ог3-4,0 |
54 |
27 |
45 |
16 |
15,0 |
14 |
150 |
28 |
5 |
8,0 |
0,23 |
|
Ог3-5,0 |
60 |
30 |
50 |
20 |
160 |
32 |
10,0 |
0,26 |
|
Ог3-6,3 |
68 |
34 |
24 |
190 |
35 |
12,0 |
0,30 |
|
Ог3-8,0 |
74 |
37 |
60 |
28 |
17,0 |
220 |
40 |
6 |
14,0 |
0,52 |
|
Ог3-10,0 |
80 |
40 |
65 |
30 |
240 |
45 |
8 |
15,0 |
0,80 |
|
Ог3-12,5 |
90 |
45 |
70 |
32 |
270 |
50 |
16,0 |
1,00 |
|
Ог3-16,0 |
100 |
50 |
75 |
37 |
300 |
55 |
10 |
18,5 |
1,44 |
|
Ог3-20,0 |
110 |
55 |
80 |
42 |
20,0 |
320 |
60 |
12 |
21,0 |
1,50 |
|
Ог3-25,0 |
125 |
± 1,5 |
62,5 |
± 0,50 |
85 |
48 |
18 |
350 |
66 |
24,0 |
2,20 |
(Измененная редакция, Изм. №
1).
Таблица 14
Размеры, мм
|
Обозначение ограничителя |
а |
а1 |
b |
b1 |
с |
d |
d1 |
L |
L1 |
s |
R |
Масса, кг |
|
Номин. |
Пред. откл. |
Номин. |
Пред. откл. |
Номин. |
Пред. откл. |
Вариант планки из
проката |
Вариант штампованной
планки |
|
П3-1,25 |
36 |
±
0,5 |
18,0 |
±
0,35 |
32 |
36 |
4,5 |
±
0,5 |
16 |
9 |
64 |
68 |
20 |
16 |
0,25 |
0,24 |
|
П3-1,6 |
36 |
40 |
18 |
0,29 |
0,27 |
|
П3-2,0 |
38 |
19,0 |
40 |
44 |
18 |
74 |
78 |
20 |
0,37 |
0,35 |
|
П3-2,5 |
46 |
23,0 |
45 |
49 |
10,5 |
20 |
11 |
78 |
82 |
22 |
22,5 |
0,48 |
0,44 |
|
П3-3,2 |
50 |
±
1,0 |
25,0 |
50 |
54 |
22 |
86 |
90 |
25 |
0,59 |
0,54 |
|
П3-4,0 |
54 |
27,0 |
60 |
64 |
15,0 |
24 |
14 |
98 |
102 |
25 |
30 |
0,95 |
0,78 |
|
П3-5,0 |
60 |
30,0 |
65 |
69 |
27 |
108 |
112 |
28 |
32,5 |
1,26 |
1,12 |
|
П3-6,3 |
68 |
34,0 |
70 |
74 |
30 |
120 |
124 |
30 |
35 |
1,61 |
1,44 |
|
П3-8,0 |
74 |
37,0 |
80 |
84 |
17,0 |
34 |
136 |
140 |
40 |
2,10 |
1,86 |
|
П3-10,0 |
80 |
40,6 |
90 |
94 |
38 |
148 |
152 |
36 |
45 |
3,08 |
2,72 |
|
П3-12,5 |
90 |
45,0 |
100 |
104 |
42 |
166 |
170 |
40 |
50 |
4,29 |
3,76 |
|
П3-16,0 |
100 |
50,0 |
110 |
114 |
47 |
184 |
188 |
45 |
55 |
5,87 |
5,13 |
|
П3-20,0 |
110 |
55,0 |
120 |
124 |
20,0 |
52 |
204 |
208 |
50 |
60 |
7,88 |
6,88 |
|
П3-25,0 |
125 |
± l,5 |
62,5 |
± 0,50 |
58 |
18 |
225 |
229 |
55 |
9,27 |
8,19 |
(Измененная редакция, Изм. №
2).
1.4. Конструкция и размеры
звеньев Рт исполнения Рт4, эксплуатируемых в районах с умеренным климатом,
должны соответствовать указанным на черт. 10 и в
табл. 15.

1 - скоба: 2 - гайка (2 шт.); 3 - планка
Черт.
10
Таблица 15
|
Обозначение звена |
Допускаемая нагрузка, кН
(тс) |
Размеры звена, мм |
Обозначение деталей
звена |
Масса, кг |
|
d |
a |
b |
с |
Скоба |
Гайка |
Планка |
|
Рт4-1,25 |
12,26 (1,25) |
14 |
36 |
130 |
125 |
Ст4-1,25 |
Г-1,25 |
П4-1,25 |
0,95 |
|
Рт4-1,6 |
15,70 (1,60) |
Ст4-1,6 |
Г-1,6 |
П4-1,6 |
1,00 |
|
Рт4-2,0 |
19,62 (2,00) |
16 |
38 |
142 |
150 |
Ст4-2,0 |
Г-2,0 |
П4-2,0 |
1,45 |
|
Рт4-2,5 |
24,52 (2,50) |
18 |
46 |
164 |
165 |
Ст4-2,5 |
Г-2,5 |
П4-2,5 |
1,93 |
|
Рт4-3,2 |
31,40 (3,20) |
20 |
50 |
182 |
180 |
Ст4-3,2 |
Г-3,2 |
П4-3,2 |
2,50 |
|
Рт4-4,0 |
39,24 (4,00) |
22 |
54 |
196 |
205 |
Ст4-4,0 |
Г-4,0 |
П4-4,0 |
3,64 |
|
Рт4-5,0 |
49,05 (5,00) |
25 |
60 |
205 |
225 |
Ст4-5,0 |
Г-5,0 |
П4-5,0 |
4,98 |
|
Рт4-6,3 |
61,80 (6,30) |
28 |
68 |
236 |
250 |
Ст4-6,3 |
Г-6,3 |
П4-6,3 |
6,70 |
|
Рт4-8,0 |
78,50 (8,00) |
32 |
74 |
266 |
280 |
Ст4-8,0 |
Г-8,0 |
П4-8,0 |
9,62 |
|
Рт4-10,0 |
98,10 (10,00) |
36 |
80 |
296 |
300 |
Ст4-10,0 |
Г-10,0 |
П4-10,0 |
13,70 |
|
Рт4-12,5 |
122,60 (12,50) |
40 |
90 |
330 |
340 |
Ст4-12,5 |
Г-12,0 |
П4-12,5 |
18,80 |
|
Pт4-16,0 |
157,00 (16,00) |
45 |
100 |
365 |
375 |
Ст4-16,0 |
Г-16,0 |
П4-16,0 |
26,34 |
|
Рт4-20,0 |
196,20 (20,00) |
50 |
110 |
400 |
400 |
Ст4-20,0 |
Г-20,0 |
П4-20,0 |
34,50 |
|
Рт4-25,0 |
245,25 (25,00) |
56 |
125 |
461 |
425 |
Ст4-25,0 |
Г-25,0 |
П4-25,0 |
51,60 |
1.4.1. Конструкция и размеры
скобы Ст исполнения Ст4 для звеньев Рт4, эксплуатируемых в районах с умеренным
климатом, должны соответствовать указанным на черт. 11 и в
табл. 16.

__________
* Размер для
справок.
Черт.
11
(Измененная редакция, Изм. №
1).
Таблица
16
Размеры, мм
|
Обозначение скобы |
d |
a |
a1 |
b |
b1 |
h |
l |
l1 |
с |
r |
r1 |
Длина развертки |
Масса, кг |
|
Номин |
Пред. откл. |
|
Ст4-1,25 |
14 |
36 |
± 1,0 |
90 |
158 |
8 |
20 |
72 |
55 |
125 |
20 |
22 |
528 |
0,64 |
|
Ст4-1,6 |
60 |
25 |
532 |
0,65 |
|
Ст4-2,0 |
16 |
38 |
±
1,5 |
98 |
174 |
9 |
23 |
76 |
70 |
150 |
22 |
30 |
603 |
1,00 |
|
Ст4-2,5 |
18 |
46 |
114 |
200 |
10 |
26 |
85 |
80 |
165 |
25 |
32 |
674 |
1,35 |
|
Ст4-3,2 |
20 |
50 |
126 |
222 |
11 |
29 |
90 |
90 |
180 |
28 |
35 |
736 |
1,70 |
|
Ст4-4,0 |
22 |
54 |
136 |
240 |
12 |
32 |
102 |
100 |
205 |
30 |
40 |
824 |
2,46 |
|
Ст4-5,0 |
25 |
60 |
145 |
255 |
14 |
36 |
108 |
110 |
225 |
45 |
892 |
3,44 |
|
Ст4-6,3 |
28 |
68 |
166 |
292 |
16 |
39 |
118 |
120 |
250 |
35 |
50 |
992 |
4,80 |
|
Ст4-8,0 |
32 |
74 |
186 |
330 |
18 |
45 |
127 |
130 |
280 |
40 |
55 |
1106 |
7,00 |
|
Ст4-10,0 |
36 |
80 |
206 |
368 |
20 |
51 |
146 |
140 |
300 |
45 |
60 |
1220 |
9,80 |
|
Ст4-12,5 |
40 |
90 |
230 |
410 |
22 |
57 |
165 |
160 |
340 |
50 |
65 |
1372 |
13,50 |
|
Ст4-16,0 |
46 |
100 |
255 |
455 |
25 |
64 |
185 |
180 |
375 |
55 |
75 |
1524 |
19,00 |
|
Ст4-20,0 |
50 |
110 |
280 |
500 |
28 |
71 |
205 |
200 |
400 |
60 |
80 |
1656 |
25,50 |
|
Ст4-25,0 |
56 |
125 |
±2,0 |
320 |
573 |
32 |
77 |
231 |
250 |
425 |
70 |
120 |
2063 |
40,00 |
1.4.2. Конструкция и размеры
планки П исполнения П4 для звеньев Рт4, эксплуатируемых в районах с умеренным
климатом, должны соответствовать указанным на черт. 12
(штампованная деталь), на черт. 13 (деталь
из проката) и в табл. 17.

_________
* Размеры
для справок.
Материал: Сталь 20 по ГОСТ 1050-88 или Ст3сп по ГОСТ 380-88
Черт.
12

Материал: Сталь 20 по
ГОСТ 1050-88 или Ст3сп по ГОСТ 380-88
Черт.
13
Таблица 17
Размеры, мм
|
Обозначение планки |
a |
b |
b1 |
Резьба |
L |
L1 |
s |
R |
Масса, кг |
|
Номин. |
Пред. откл. |
планки из проката |
штампованной планки |
|
П4-1,25 |
36 |
±
0,5 |
32 |
36 |
К 1/2"
ГОСТ 6111-52 |
64 |
68 |
20 |
16 |
0,24 |
0,21 |
|
П4-1,6 |
36 |
40 |
18 |
0,29 |
0,26 |
|
П4-2,0 |
38 |
40 |
44 |
К 3/4"
ГОСТ 6111-52 |
74 |
78 |
20 |
0,37 |
0,34 |
|
П4-2,5 |
46 |
45 |
49 |
78 |
82 |
22 |
22,5 |
0,48 |
0,45 |
|
П4-3,2 |
50 |
± l,0 |
50 |
54 |
К 1"
ГОСТ 6111-52 |
86 |
90 |
25 |
0,60 |
0,57 |
|
П4-4,0 |
54 |
60 |
64 |
98 |
102 |
25 |
30 |
0,95 |
0,92 |
|
П4-5,0 |
60 |
65 |
69 |
108 |
112 |
28 |
32,5 |
1,28 |
1,25 |
|
П4-6,3 |
68 |
70 |
74 |
К 1 1/4"
ГОСТ 6111-52 |
120 |
124 |
30 |
35 |
1,60 |
1,57 |
|
П4-8,0 |
74 |
80 |
84 |
136 |
140 |
40 |
2,10 |
2,07 |
|
П4-10,0 |
80 |
90 |
94 |
К 1 1/2"
ГОСТ 6111-52 |
148 |
152 |
36 |
45 |
3,10 |
3,07 |
|
П4-12,5 |
90 |
100 |
104 |
К труб 1 1/2"
ГОСТ 6211-81 |
166 |
170 |
40 |
50 |
4,30 |
4,27 |
|
П4-16,0 |
100 |
110 |
114 |
К труб 2"
ГОСТ 6211-81 |
184 |
188 |
45 |
55 |
5,90 |
5,87 |
|
114-20,0 |
110 |
120 |
124 |
204 |
208 |
50 |
60 |
7,50 |
7,47 |
|
П4-25,0 |
125 |
± l,5 |
К труб 2
1/2"
ГОСТ 6211-81 |
225 |
229 |
55 |
9,40 |
9,37 |
1.4.3. Конструкция и размеры
гайки Г для звеньев Рт4, эксплуатируемых в районах с умеренным климатом, должны
соответствовать указанным на черт. 14 и в
табл. 18.

Материал: Сталь 20 по
ГОСТ 1050-88
Черт.
14
Таблица 18
Размеры, мм
|
Обозначение гайки |
D |
Резьба |
s |
b |
h |
H |
Масса, кг |
|
Г-1,25 |
16 |
К 1/2"
ГОСТ 6111-52 |
22 |
3 |
10 |
35 |
0,052 |
|
Г-1,6 |
|
Г-2,0 |
18 |
К 3/4"
ГОСТ 6111-52 |
28 |
0,078 |
|
Г-2,5 |
20 |
0,071 |
|
Г-3,2 |
22 |
К 1"
ГОСТ 6111-52 |
34 |
40 |
0,148 |
|
Г-4,0 |
24 |
0,126 |
|
Г-5,0 |
27 |
0,088 |
|
Г-6,3 |
30 |
К 1 1/4"
ГОСТ 6111-52 |
45 |
15 |
50 |
0,310 |
|
Г-8,0 |
34 |
0,231 |
|
Г-10,0 |
38 |
К 1 1/2"
ГОСТ 6111-52 |
50 |
4 |
55 |
0,333 |
|
Г-12,5 |
42 |
К труб 1 1/2"
ГОСТ 6211-81 |
0,225 |
|
Г-16,0 |
47 |
К труб 2"
ГОСТ 6211-81 |
60 |
20 |
60 |
0,502 |
|
Г-20,0 |
52 |
0,316 |
|
Г-25,0 |
58 |
К труб 2
1/2"
ГОСТ 6211-81 |
80 |
1,126 |
1.5. Конструкция и размеры
звеньев Ров с допускаемой нагрузкой до 19,62 кН (2,0 тс), эксплуатируемых в
районах с умеренным климатом, должны соответствовать указанным на черт. 15 и в
табл. 19.

1 - скоба, 2 - полумуфта (2 шт.); 3 -
кольцо; 4 - болт по ГОСТ 7798-70; 5 - гайка по ГОСТ 5919-73; 6 - шплинт по ГОСТ 397-79
Черт. 15
Таблица 19
|
Обозначение звена |
Допускаемая нагрузка, кН
(тс) |
Размеры звена, мм |
Обозначение деталей
звена |
Масса, кг |
|
d |
с |
s |
R |
b |
Скоба |
Полумуфта |
Кольцо |
Болт |
Гайка |
Шплинт |
|
Ров-0,4 |
3,92 (0,4) |
14 |
135 |
20 |
35 |
70 |
Сов-0,4 |
Пм-0,4 |
Кц-0,4 |
2М8´60.36 |
М8.4 |
2´20-001 |
0,903 |
|
Ров-0,5 |
4,90 (0,5) |
Сов-0,5 |
Пм-0,5 |
Кц-0,5 |
0,914 |
|
Ров-0,63 |
6,18 (0,63) |
16 |
145 |
25 |
Сов-0,63 |
Пм-0,63 |
Кц-0,63 |
2М8´65.36 |
1,246 |
|
Ров-0,8 |
7,85 (0,8) |
18 |
170 |
45 |
90 |
Сов-0,8 |
Пм-0,8 |
Кц-0,8 |
2М8´70.36 |
1,537 |
|
Ров-1,0 |
9,81 (1,0) |
20 |
180 |
30 |
Сов-1,0 |
Пм-1,0 |
Кц-1,0 |
2,010 |
|
Ров-1,25 |
12,26 (1,25) |
22 |
190 |
Сов-1,25 |
Пм-1,25 |
Кц-1,25 |
2М10´70.36 |
М10.4 |
2,5´25-001 |
2,410 |
|
Ров-1,6 |
15,70 (1,6) |
25 |
225 |
60 |
120 |
Сов-1,6 |
Пм-1,6 |
Кц-1,6 |
3,366 |
|
Ров-2,0 |
19,62 (2,0) |
Сов-2,0 |
Пм-2,0 |
Кц-2,0 |
2М10´75.36 |
3,384 |
1.5.1. Конструкция и размеры
скобы Сов для звеньев Ров с допускаемой нагрузкой до 19,62 кН (2,0 тс),
эксплуатируемых в районах с умеренным климатом, должны соответствовать указанным
на черт. 16 и в
табл. 20.

Материал: Сталь 20 по
ГОСТ 1050-88 или Ст3сп по ГОСТ 380-88
Черт.
16
Таблица 20
Размеры, мм
|
Обозначение скобы |
d |
с |
s |
R |
b |
d1 |
h |
Длина развертки |
Масса, кг |
|
Сов-0,4 |
14 |
135 |
25 |
35 |
70 |
24 |
8 |
372 |
0,450 |
|
Сов-0,5 |
|
Сов-0,63 |
61 |
145 |
32 |
26 |
391 |
0,617 |
|
Сов-0,8 |
18 |
170 |
45 |
90 |
28 |
429 |
0,857 |
|
Сов-1,0 |
20 |
180 |
38 |
30 |
10 |
489 |
1,206 |
|
Сов-1,25 |
22 |
190 |
32 |
517 |
1,542 |
|
Сов-1,6 |
25 |
225 |
60 |
120 |
35 |
629 |
2,424 |
|
Сов-2,0 |
1.5.2. Конструкция и размеры
полумуфты Пм для звеньев Ров с допускаемой нагрузкой до 19,62 кН (2,0 тс),
эксплуатируемых в районах с умеренным климатом, должны соответствовать указанным
на черт. 17 и в
табл. 21.

Материал: Сталь 20 по
ГОСТ 1050-88 или Ст3сп по ГОСТ 380-88
Черт.
17
Таблица 21
Размеры, мм
|
Обозначение полумуфты |
d |
d1 |
d2 |
d3 |
L |
h |
Масса, кг |
|
Пм-0,4 |
16 |
26 |
38 |
10 |
66 |
17 |
0,179 |
|
Пм-0,5 |
|
Пм-0,63 |
18 |
28 |
42 |
73 |
19 |
0,245 |
|
Пм-0,8 |
20 |
30 |
44 |
20 |
0,260 |
|
Пм-1,0 |
22 |
32 |
46 |
83 |
21 |
0,309 |
|
Пм-1,25 |
24 |
34 |
48 |
12 |
22 |
0,324 |
|
Пм-1,6 |
28 |
38 |
52 |
24 |
0,357 |
|
Пм-2,0 |
1.5.3. Конструкция и размеры
кольца Кц для звеньев Ров, эксплуатируемых в районах с умеренным климатом,
должны соответствовать указанным на черт. 18 и в
табл. 22.

Материал Сталь 20 по
ГОСТ 1050-88 или Ст3сп по ГОСТ 380-88
Черт.
18
Таблица 22
Размеры, мм
|
Обозначение кольца |
d |
d1 |
l |
Масса, кг |
Обозначение кольца |
d |
d1 |
l |
Масса, кг |
|
Кц-0,4 |
50 |
10 |
12 |
0,061 |
Кц-3,2 |
60 |
12 |
38 |
0,248 |
|
Кц-0,5 |
14 |
0,072 |
Кц-4,0 |
63,5 |
42 |
0,299 |
|
Кц-0,63 |
54 |
18 |
0,103 |
Кц-5,0 |
68 |
14 |
0,314 |
|
Кц-0,8 |
57 |
20 |
0,122 |
Кц-6,3 |
73 |
50 |
0,408 |
|
Кц-1,0 |
24 |
0,148 |
Кц-8,0 |
83 |
56 |
0,526 |
|
Кц-1,25 |
60 |
12 |
0,154 |
Кц-10,0 |
89 |
50 |
0,568 |
|
Кц-1,6 |
63,5 |
0,162 |
Кц-12,5 |
95 |
18 |
64 |
0,690 |
|
Кц-2,0 |
26 |
0,177 |
Кц-16,0 |
102 |
70 |
0,817 |
|
Кц-2,5 |
57 |
32 |
0,196 |
Кц-20,0 |
108 |
88 |
1,097 |
1.6. Конструкция и размеры
звеньев Ров с допускаемой нагрузкой св. 19,62 кН (2,0 тс), эксплуатируемых в
районах с умеренным климатом, должны соответствовать указанным на черт. 19 и в
табл. 23.

1 - скоба; 2 - полумуфта (2 шт.); 3 - кольцо; 4 - болт по ГОСТ 7798-70; 5 - гайка по ГОСТ 5919-73; 6 - шплинт по ГОСТ 397-79
Черт.
19
Таблица 23
|
Обозначение звена |
Допускаемая нагрузка, кН
(тс) |
Размеры звена, мм |
Обозначение деталей
звена |
Масса, кг |
|
d |
с |
s |
R |
b |
Скоба |
Полумуфта |
Кольцо |
Болт |
Гайка |
Шплинт |
|
Ров-2,5 |
24,52 (2,5) |
28 |
240 |
36 |
60 |
120 |
Сов-2,5 |
Пм-2,5 |
Кц-2,5 |
2M10´70.36 |
M10.4 |
2,5´25-001 |
4,099 |
|
Ров-3,2 |
31,40 (3,2) |
32 |
260 |
42 |
Сов-3,2 |
Пм-3,2 |
Кц-3,2 |
5,569 |
|
Ров-4,0 |
39,24 (4,0) |
36 |
300 |
46 |
Сов-4,0 |
Пм-4,0 |
Кц-4,0 |
2M10´75.36 |
7,909 |
|
Ров-5,0 |
49,05 (5,0) |
40 |
320 |
46 |
75 |
150 |
Сов-5,0 |
Пм-5,0 |
Кц-5,0 |
2M12´80.36 |
M12.4 |
3,2´32-001 |
10,122 |
|
Ров-6,3 |
61,80 (6,3) |
42 |
330 |
54 |
Сов-6,3 |
Пм-6,3 |
Кц-6,3 |
2M12´90.36 |
11,578 |
|
Ров-8,0 |
78,50 (8,0) |
50 |
360 |
60 |
Сов-8,0 |
Пм-8,0 |
Кц-8,0 |
2М12´100.36 |
17,668 |
|
Ров-10,0 |
98,10 (10,0) |
56 |
450 |
60 |
110 |
220 |
Сов-10,0 |
Пм-10,0 |
Кц-10,0 |
2М12´110.36 |
27,188 |
|
Ров-12,5 |
122,60 (12,5) |
60 |
470 |
68 |
Сов-12,5 |
Пм-12,5 |
Кц-12,5 |
2М16´110.36 |
M16.4 |
4´36-001 |
32,500 |
|
Ров-16,0 |
157,00 (16,0) |
65 |
490 |
74 |
Сов-16,0 |
Пм-16,0 |
Кц-16,0 |
2M16´120.36 |
39,511 |
|
Ров-20,0 |
196,20 (20,0) |
72 |
530 |
92 |
Сов-20,0 |
Пм-20,0 |
Кц-20,0 |
3M16´130.36 |
51,255 |
1.6.1. Конструкция и размеры
скобы Сов для звеньев Ров с допускаемой нагрузкой св. 19,62 кН (2,0 тс),
эксплуатируемых в районах с умеренным климатом, должны соответствовать указанным
на черт. 20 и в табл. 24.

Материал: Сталь 20 по
ГОСТ 1050-88 или Ст3сп по ГОСТ 380-88
Черт.
20
Таблица 24
Размеры,
мм
|
Обозначение скобы |
d |
c |
s |
R |
b |
d1 |
h |
h1 |
Длина
развертки |
Масса,
кг |
|
Сов-2,5 |
28 |
240 |
36 |
60 |
120 |
18 |
12 |
14 |
668 |
3,229 |
|
Сов-3,2 |
32 |
260 |
42 |
20 |
714 |
4,507 |
|
Сов-4,0 |
36 |
300 |
46 |
75 |
150 |
24 |
838 |
6,695 |
|
Сов-5,0 |
40 |
320 |
28 |
890 |
8,780 |
|
Сов-6,3 |
42 |
330 |
54 |
30 |
908 |
9,875 |
|
Сов-8,0 |
50 |
360 |
60 |
36 |
14 |
16 |
988 |
15,228 |
|
Сов-10,0 |
56 |
450 |
110 |
220 |
40 |
1266 |
24,483 |
|
Сов-12,6 |
60 |
470 |
68 |
44 |
1310 |
29,080 |
|
Сов-16,0 |
65 |
490 |
74 |
48 |
16 |
18 |
1360 |
35,428 |
|
Сов-20,0 |
72 |
530 |
92 |
52 |
1444 |
46,150 |
1.6.2. Конструкция и размеры
полумуфты Пм для звеньев Ров с допускаемой нагрузкой св. 19,62 кН (2 тс),
эксплуатируемых в районах с умеренным климатом, должны соответствовать указанным
на черт. 21 и в
табл. 25.

Материал: Сталь 20 по
ГОСТ 1050-88 или Ст3сп по ГОСТ 380-88
Черт.
21
Таблица 25
Размеры, мм
|
Обозначение полумуфты |
d |
d1 |
d2 |
d3 |
L |
h |
l |
Масса, кг |
|
Пм-2,5 |
18 |
30 |
44 |
12 |
84 |
20 |
12 |
0,304 |
|
Пм-3,2 |
20 |
34 |
48 |
90 |
22 |
0,374 |
|
Пм-4,0 |
24 |
38 |
52 |
94 |
24 |
0,423 |
|
Пм-5,0 |
28 |
42 |
56 |
14 |
26 |
0,462 |
|
Пм-6,3 |
30 |
44 |
60 |
102 |
28 |
0,591 |
|
Пм-8,0 |
36 |
52 |
70 |
116 |
33 |
14 |
0,896 |
|
Пм-10,0 |
40 |
58 |
76 |
36 |
1,003 |
|
Пм-12,5 |
44 |
62 |
82 |
18 |
124 |
39 |
1,246 |
|
Пм-16,0 |
48 |
67 |
87 |
138 |
41,5 |
16 |
1,506 |
|
Пм-20,0 |
52 |
74 |
94 |
156 |
45 |
1,869 |
1.7. Конструкция и размеры
звеньев Т с допускаемой нагрузкой до 122,6 кН (12,5 тс), эксплуатируемых в
районах с умеренным климатом, должны соответствовать указанным на черт. 23 и в
табл. 26, а в
районах с холодным климатом - на черт. 22 и в
табл. 27.

1 - подвеска; 2 - упор
Материал для звена Т климатического исполнения У - Сталь 20 по ГОСТ 1050-88 или Ст3сп по ГОСТ 380-88, для звена Т
климатического исполнения ХЛ-15ХСНД или 09Г2С по ГОСТ 19281-89
Черт.
22
Таблица 26
|
Обозначение звена |
Допускаемая нагрузка, кН
(тс) |
Размеры звена, мм |
Обозначение упора |
Масса, кг |
|
l |
k |
b |
с |
d |
r |
Длина развертки |
|
Т-0,4 |
3,92 (0,4) |
23 |
5 |
54 |
50 |
9 |
13 |
194 |
У-0,4 |
0,106 |
|
Т-0,5 |
4,90 (0,5) |
4 |
60 |
55 |
10 |
14 |
216 |
У-0,5 |
0,142 |
|
Т-0,63 |
6,18 (0,63) |
6 |
64 |
60 |
11 |
16 |
231 |
У-0,63 |
0,184 |
|
Т-0,8 |
7,85 (0,8) |
7 |
76 |
70 |
12 |
18 |
270 |
У-0,8 |
0,252 |
|
Т-1,0 |
9,81 (1,0) |
29 |
8 |
86 |
80 |
14 |
20 |
308 |
У-1,0 |
0,396 |
|
Т-1,25 |
12,26 (1,25) |
33 |
9 |
97 |
90 |
16 |
22 |
347 |
У-1,25 |
0,677 |
|
Т-1,6 |
15,70 (1,6) |
41 |
6 |
108 |
100 |
18 |
25 |
388 |
У-1,6 |
0,814 |
|
Т-2,0 |
19,62 (2,0) |
11 |
119 |
110 |
20 |
28 |
427 |
У-2,0 |
1,092 |
|
Т-2,5 |
24,52 (2,5) |
7 |
130 |
120 |
22 |
30 |
468 |
У-2,5 |
1,446 |
|
Т-3,2 |
31,40 (3,2) |
47 |
6 |
130 |
25 |
35 |
478 |
У-3,2 |
1,901 |
|
Т-4,0 |
39,24 (4,0) |
54 |
12 |
161 |
150 |
28 |
40 |
583 |
У-4,0 |
2,948 |
|
Т-5,0 |
49,05 (5,0) |
56 |
10 |
182 |
170 |
32 |
45 |
659 |
У-5,0 |
4,300 |
|
Т-6,3 |
61,80 (6,3) |
68 |
9 |
204 |
190 |
36 |
50 |
738 |
У-6,3 |
6,056 |
|
Т-8,0 |
78,50 (8,0) |
75 |
8 |
225 |
210 |
40 |
55 |
815 |
У-8,0 |
8,230 |
|
Т-10,0 |
98,10 (10,0) |
82 |
247 |
230 |
44 |
60 |
901 |
У-10,0 |
11,014 |
|
Т-12,5 |
122,60 (12,5) |
90 |
279 |
260 |
50 |
70 |
1013 |
У-12,5 |
15,920 |
Таблица 27
|
Обозначение звена |
Допускаемая нагрузка, кН
(тс) |
Размеры звена, мм |
Обозначение упора |
Масса, кг |
|
l |
k |
b |
с |
d |
r |
Длина развертки |
|
Т-0,4ХЛ |
3,92 (0,4) |
23 |
5 |
54 |
50 |
9 |
13 |
194 |
У-0,4 |
0,106 |
|
Т-0,5ХЛ |
4,00 (0,5) |
4 |
60 |
55 |
10 |
14 |
216 |
У-0,5 |
0,142 |
|
Т-0,63ХЛ |
6,18 (0,63) |
6 |
64 |
60 |
11 |
16 |
231 |
У-0,63 |
0,184 |
|
Т-0,8ХЛ |
7,85 (0,8) |
7 |
76 |
70 |
12 |
18 |
270 |
У-0,8 |
0,252 |
|
Т-1,0ХЛ |
9,81 (1,0) |
29 |
8 |
85 |
80 |
14 |
20 |
308 |
У-1,0 |
0,396 |
|
Т-1,25ХЛ |
12,26 (1,25) |
33 |
9 |
97 |
90 |
16 |
22 |
347 |
У-1,25 |
0,577 |
|
Т-1,6ХЛ |
15,70 (1,6) |
37 |
108 |
100 |
25 |
381 |
У-1,6 |
0,640 |
|
Т-2,0ХЛ |
19,62 (2,0) |
38 |
6 |
119 |
110 |
18 |
28 |
421 |
У-2,0 |
0,881 |
|
Т-2,5ХЛ |
24,52 (2,5) |
39 |
11 |
130 |
120 |
20 |
30 |
462 |
У-2,5 |
1,198 |
|
Т-3,2ХЛ |
31,40 (3,2) |
44 |
7 |
130 |
22 |
35 |
468 |
У-3,2 |
1,456 |
|
Т-4,0ХЛ |
39,24 (4,0) |
51 |
8 |
161 |
150 |
25 |
40 |
573 |
У-4,0 |
2,339 |
|
Т-5,0ХЛ |
49,05 (5,0) |
52 |
15 |
182 |
170 |
28 |
45 |
646 |
У-5,0 |
3,264 |
|
Т-6,3ХЛ |
61,80 (6,3) |
64 |
10 |
204 |
190 |
32 |
50 |
726 |
У-6,3 |
4,743 |
|
Т-8,0ХЛ |
78,50 (8,0) |
71 |
9 |
225 |
210 |
36 |
55 |
802 |
У-8,0 |
6,598 |
|
Т-10,0ХЛ |
98,10 (10,0) |
78 |
247 |
230 |
40 |
60 |
883 |
У-10,0 |
8,970 |
|
Т-12,5ХЛ |
122,60 (12,5) |
84 |
279 |
260 |
44 |
70 |
994 |
У-12,5 |
13,174 |
1.7.1. Конструкция и размеры
упора должны соответствовать указанным на черт. 23 и в
табл. 28.

___________
* Размер для справок.
Материал для деталей климатического исполнения У - Ст3пс по ГОСТ 380-88, для деталей
климатического исполнения ХЛ - Ст3сп по ГОСТ 380-88
Черт.
23
Таблица 28
Размеры, мм
|
Обозначение упора |
b |
b1 |
l |
s |
r |
Масса, кг |
|
У-0,4 |
9 |
15 |
13,0 |
2,5 |
2,0 |
0,010 |
|
У-0,5 |
12,5 |
|
У-0,63 |
11 |
20 |
12,0 |
3,0 |
0,012 |
|
У-0,8 |
12 |
11,5 |
3,5 |
|
У-1,0 |
14 |
25 |
15,5 |
4,0 |
3,0 |
0,024 |
|
У-1,25 |
16 |
30 |
17,0 |
4,0 |
0,030 |
|
У-1,6 |
21,0 |
0,040 |
|
У-2,0 |
20 |
20,0 |
6,0 |
|
У-2,5 |
40 |
19,0 |
0,050 |
|
У-3,2 |
22,5 |
0,060 |
|
У-4,0 |
28 |
50 |
26,0 |
6,0 |
8,0 |
0,130 |
|
У-5,0 |
60 |
24,0 |
0,140 |
|
У-6,3 |
30 |
32,0 |
9,0 |
0,160 |
|
У-8,0 |
65 |
35,0 |
0,190 |
|
У-10,0 |
32 |
70 |
38,0 |
10,0 |
0,260 |
|
У-12,5 |
34 |
80 |
40,0 |
11,0 |
0,310 |
1.8. Конструкция и размеры
звеньев Т с допускаемой нагрузкой св. 122,6 кН (12,5 тс), эксплуатируемых в
районах с умеренным климатом, должны соответствовать указанным на черт. 24 и в
табл. 29, а в
районах с холодным климатом - на черт. 24 и в
табл. 30.

1 - подвеска; 2 - упор (2 шт.)
Материал для звена Т климатического исполнения У - Сталь 20 по ГОСТ 1050-88 или Ст3сп по ГОСТ 380-88, для звена Т
климатического исполнения ХЛ-15ХСНД или 0,9Г2С по ГОСТ 19281-89
Черт. 24
Таблица 29
|
Обозначение звена |
Допускаемая нагрузка, кН
(тс) |
Размеры звена, мм |
Обозначение упора |
Масса, кг |
|
а |
l |
k |
b |
с |
d |
r |
Длина развертки |
|
Т-16,0 |
157,00 (16,0) |
60 |
93 |
7 |
312 |
290 |
56 |
75 |
1133 |
У-16,0 |
22,042 |
|
Т-20,0 |
196,20 (20,0) |
75 |
102 |
9 |
339 |
320 |
65 |
100 |
1249 |
У-20,0 |
32,770 |
|
Т-25,0 |
245,25 (25,0) |
80 |
110 |
8 |
370 |
350 |
72 |
110 |
1366 |
У-25,0 |
43,909 |
|
Т-32,0 |
314,00 (32,0) |
95 |
115 |
7 |
413 |
390 |
80 |
120 |
1519 |
У-32,0 |
60,159 |
Таблица
30
|
Обозначение звена |
Допускаемая нагрузка, кН
(тс) |
Размеры звена, мм |
Обозначение упора |
Масса, кг |
|
а |
l |
k |
b |
с |
d |
r |
Длина развертки |
|
Т-16,0ХЛ |
157,00 (16,0) |
60 |
87 |
8 |
312 |
290 |
50 |
75 |
1114 |
У-16,0 |
22,042 |
|
Т-20,0ХЛ |
196,20 (20,0) |
75 |
93 |
11 |
339 |
320 |
56 |
100 |
1221 |
У-20,0 |
32,770 |
|
Т-25,0ХЛ |
245,25 (25,0) |
80 |
104 |
9 |
370 |
350 |
65 |
110 |
1345 |
У-25,0 |
43,909 |
|
Т-32,0ХЛ |
314,00 (32,0) |
95 |
107 |
8 |
413 |
390 |
72 |
120 |
1499 |
У-32,0 |
60,159 |
1.8.1. Конструкция и размеры
упора должны соответствовать указанным на черт. 25 и в
табл. 31.

Материал для деталей климатического исполнения У - Ст3пс по ГОСТ 380-88, для деталей
климатического исполнения ХЛ - Ст3сп по ГОСТ 380-88
Черт.
25
Таблица
31
Размеры, мм
|
Обозначение упора |
d |
l |
s |
Масса, кг |
|
У-16,0 |
34 |
37,0 |
6 |
0,130 |
|
У-20,0 |
42 |
37,5 |
8 |
0,234 |
|
У-25,0 |
39,0 |
0,250 |
|
У-32,0 |
35,0 |
0,220 |
1.9. Конструкция и размеры
звеньев О, эксплуатируемых в районах с умеренным климатом, должны
соответствовать указанным на черт. 26 и в
табл. 32, а в
районах с холодным климатом - на черт. 26 и в
табл. 33.

Материал для деталей климатического исполнения У - Сталь 20 по ГОСТ 1050-88 или Ст3сп по ГОСТ 380-88, для деталей
климатического исполнения ХЛ-15ХСНД или 09Г2С по ГОСТ 19281-89
Черт.
26
Таблица
32
Размеры, мм
|
Обозначение звена |
Допускаемая нагрузка, кН,
(тс) |
d |
с |
r |
r1 |
Длина развертки |
Масса, кг |
|
О-0,4 |
3,92 (0,4) |
9 |
50 |
13 |
7 |
152 |
0,075 |
|
О-0,5 |
4,90 (0,5) |
10 |
55 |
14 |
8 |
167 |
0,105 |
|
О-0,63 |
6,18 (0,63) |
11 |
60 |
16 |
9 |
185 |
0,134 |
|
О-0,8 |
7,85 (0,8) |
12 |
70 |
18 |
10 |
211 |
0,186 |
|
О-1,0 |
9,81 (1,0) |
14 |
80 |
20 |
12 |
242 |
0,290 |
|
О-1,25 |
12,26 (1,25) |
16 |
90 |
22 |
13 |
272 |
0,426 |
|
О-1,6 |
15,70 (1,6) |
18 |
100 |
25 |
14 |
302 |
0,599 |
|
О-2,0 |
19,62 (2,0) |
20 |
110 |
28 |
16 |
334 |
0,814 |
|
О-2,5 |
24,52 (2,5) |
22 |
120 |
30 |
19 |
367 |
1,104 |
|
О-3,2 |
31,40 (3,2) |
25 |
130 |
35 |
20 |
405 |
1,541 |
|
О-4,0 |
39,24 (4,0) |
28 |
150 |
40 |
22 |
463 |
2,224 |
|
О-5,0 |
49,05 (5,0) |
32 |
170 |
45 |
25 |
524 |
3,283 |
|
О-6,3 |
61,80 (6,3) |
36 |
190 |
50 |
27 |
586 |
4,714 |
|
О-8,0 |
78,50 (8,0) |
40 |
210 |
55 |
28 |
546 |
6,412 |
|
О-10,0 |
98,10 (10,0) |
44 |
230 |
60 |
36 |
710 |
8,475 |
|
О-12,5 |
122,60 (12,5) |
50 |
260 |
70 |
40 |
809 |
12,485 |
|
О-16,0 |
157,00 (16,0) |
56 |
290 |
75 |
42 |
895 |
17,208 |
|
О-20,0 |
196,20 (20,0) |
65 |
320 |
100 |
47 |
1028 |
26,050 |
|
О-25,0 |
245,25 (25,0) |
72 |
350 |
110 |
49 |
1128 |
31,960 |
Таблица
33
Размеры, мм
|
Обозначение звена |
Допускаемая нагрузка, кН
(тс) |
d |
с |
r |
r1 |
Длина развертки |
Масса, кг |
|
О-0,4ХЛ |
3,92 (0,4) |
9 |
50 |
13 |
7 |
152 |
0,075 |
|
О-0,5ХЛ |
4,90 (0,5) |
10 |
55 |
14 |
8 |
167 |
0,105 |
|
О-0,63ХЛ |
6,18 (0,63) |
11 |
60 |
16 |
9 |
185 |
0,134 |
|
О-0,8ХЛ |
7,85 (0,8) |
12 |
70 |
18 |
10 |
211 |
0,186 |
|
О-1,0ХЛ |
9,81 (1,0) |
14 |
80 |
20 |
12 |
242 |
0,290 |
|
О-1,25ХЛ |
12,25 (1,25) |
16 |
90 |
22 |
13 |
272 |
0,426 |
|
О-1,6ХЛ |
15,70 (1,6) |
16 |
100 |
25 |
14 |
296 |
0,467 |
|
О-2,0ХЛ |
19,62 (2,0) |
18 |
110 |
28 |
16 |
329 |
0,656 |
|
О-2,5ХЛ |
24,52 (2,5) |
20 |
120 |
30 |
19 |
360 |
0,888 |
|
О-3,2ХЛ |
31,40 (3,2) |
22 |
130 |
35 |
20 |
395 |
1,178 |
|
О-4,0ХЛ |
39,24 (4,0) |
25 |
150 |
40 |
22 |
464 |
1,787 |
|
О-5,0ХЛ |
49,05 (5,0) |
28 |
170 |
45 |
25 |
508 |
2,456 |
|
О-6,3ХЛ |
61,80 (6,3) |
32 |
190 |
50 |
27 |
572 |
3,611 |
|
О-8,0ХЛ |
78,50 (8,0) |
36 |
210 |
55 |
28 |
641 |
5,121 |
|
О-10,0ХЛ |
98,10 (10,0) |
40 |
230 |
60 |
36 |
699 |
6,895 |
|
О-12,5ХЛ |
122,60 (12,5) |
44 |
260 |
70 |
40 |
789 |
9,417 |
|
О-16,0ХЛ |
157,00 (16,0) |
50 |
290 |
75 |
42 |
881 |
13,573 |
|
О-20,0ХЛ |
196,20 (20,0) |
56 |
320 |
100 |
47 |
991 |
19,161 |
|
О-25,0ХЛ |
245,25 (25,0) |
65 |
350 |
110 |
49 |
1105 |
28,785 |
1.10. Конструкция и размеры
звеньев. Ов исполнения Ов1, эксплуатируемых в районах с умеренным климатом,
должны соответствовать указанным на черт. 27 и в
табл. 34, а в
районах с холодным климатом - на черт. 27 и в
табл. 35.
1.1. Конструкция и размеры
звеньев Ов исполнения Ов2, эксплуатируемых в районах с умеренным климатом,
должны соответствовать указанным на черт. 27 и в
табл. 36.

Материал для деталей климатического исполнения У - Сталь 20 по ГОСТ 1050-88 или Ст3сп по ГОСТ 380-88, для деталей
климатического исполнения ХЛ-15ХСНД или 09Г2С по ГОСТ 19281-89
Черт.
27
Таблица
34
Размеры, мм
|
Обозначение звена |
Допускаемая нагрузка, кН
(тс) |
d |
b |
с |
r |
Длина развертки |
Масса, кг |
|
Ов1-0,4 |
3,92 (0,4) |
10 |
28 |
50 |
14 |
163 |
0,101 |
|
Ов1-0,5 |
4,90 (0,5) |
11 |
32 |
55 |
16 |
181 |
0,135 |
|
Ов1-0,63 |
6,18 (0,63) |
14 |
36 |
60 |
18 |
205 |
0,248 |
|
Ов1-0,8 |
7,85 (0,8) |
14 |
40 |
70 |
20 |
230 |
0,278 |
|
Ов1-1,0 |
9,81 (1,0) |
16 |
44 |
80 |
22 |
260 |
0,411 |
|
Ов1-1,25 |
12,26 (1,25) |
18 |
50 |
90 |
25 |
294 |
0,464 |
|
Ов1-1,6 |
15,70 (1,6) |
20 |
56 |
100 |
28 |
327 |
0,781 |
|
Ов1-2,0 |
19,62 (2,0) |
22 |
60 |
110 |
30 |
358 |
1,068 |
|
Ов1-2,5 |
24,52 (2,5) |
25 |
70 |
120 |
35 |
401 |
1,545 |
|
Ов1-3,2 |
31,40 (3,2) |
28 |
80 |
130 |
40 |
439 |
2,123 |
|
Ов1-4,0 |
39,24 (4,0) |
32 |
90 |
150 |
45 |
503 |
3,176 |
|
Ов1-5,0 |
49,05 (5,0) |
36 |
100 |
170 |
50 |
567 |
4,530 |
|
Ов1-6,3 |
61,80 (6,3) |
40 |
110 |
190 |
55 |
631 |
6,225 |
|
Ов1-8,0 |
78,50 (8,0) |
45 |
120 |
210 |
60 |
698 |
8,714 |
|
Ов1-10,0 |
98,10 (10,0) |
50 |
140 |
230 |
70 |
777 |
11,976 |
|
Ов1-12,5 |
122,60 (12,5) |
56 |
150 |
260 |
75 |
867 |
16,763 |
|
Ов1-16,0 |
157,00 (16,0) |
65 |
200 |
390 |
100 |
1015 |
26,440 |
|
Ов1-20,0 |
196,20 (20,0) |
72 |
220 |
320 |
110 |
1117 |
35,380 |
Таблица
35
Размеры, мм
|
Обозначение звена |
Допускаемая нагрузка, кН
(тс) |
d |
b |
с |
r |
Длина развертки |
Масса, кг |
|
Ов1-0,4ХЛ |
3,92 (0,4) |
10 |
28 |
50 |
14 |
163 |
0,101 |
|
Ов1-0,5ХЛ |
4,90 (0,5) |
11 |
32 |
55 |
16 |
181 |
0,135 |
|
Ов1-0,63ХЛ |
6,18 (0,63) |
12 |
36 |
60 |
18 |
199 |
0,177 |
|
Ов1-0,8ХЛ |
7,85 (0,8) |
14 |
40 |
70 |
20 |
230 |
0,278 |
|
Ов1-1,0ХЛ |
9,81 (1,0) |
16 |
41 |
80 |
22 |
260 |
0,411 |
|
Ов1-1,25ХЛ |
12,26 (1,25) |
16 |
50 |
90 |
25 |
287 |
0,453 |
|
Ов1-1,6ХЛ |
15,70 (1,6) |
18 |
56 |
100 |
28 |
320 |
0,639 |
|
Ов1-2,0ХЛ |
19,62 (2,0) |
20 |
60 |
110 |
30 |
351 |
0,865 |
|
Ов1-2,5ХЛ |
24,52 (2,5) |
22 |
70 |
120 |
35 |
389 |
1,161 |
|
Ов1-3,2ХЛ |
31,40 (3,2) |
25 |
80 |
130 |
40 |
433 |
1,659 |
|
Ов1-4,0ХЛ |
39,24 (4,0) |
28 |
90 |
150 |
45 |
491 |
2,374 |
|
Ов1-5,0ХЛ |
49,05 (5,0) |
32 |
100 |
170 |
50 |
555 |
3,504 |
|
Ов1-6,3ХЛ |
61,80 (6,3) |
36 |
110 |
190 |
55 |
618 |
4,938 |
|
Ов1-8,0ХЛ |
78,50 (8,0) |
40 |
120 |
210 |
60 |
682 |
6,728 |
|
Ов1-10,0ХЛ |
98,10 (10,0) |
44 |
140 |
230 |
70 |
758 |
9,047 |
|
Ов1-12,5ХЛ |
122,60 (12,5) |
50 |
150 |
260 |
75 |
828 |
12,762 |
|
Ов1-16,0ХЛ |
157,00 (16,0) |
56 |
200 |
390 |
100 |
984 |
19,025 |
|
Ов1-20,0ХЛ |
196,20 (20,0) |
65 |
220 |
320 |
110 |
1098 |
28,602 |
Таблица
36
Размеры, мм
|
Обозначение звена |
Допускаемая нагрузка, кН
(тс) |
d |
b |
с |
r |
Длина развертки |
Масса, кг |
|
Ов2-0,4 |
3,92 (0,4) |
14 |
70 |
120 |
35 |
364 |
0,439 |
|
Ов2-0,5 |
4,90 (0,5) |
14 |
70 |
120 |
35 |
364 |
0,439 |
|
Ов2-0,63 |
6,18 (0,63) |
16 |
70 |
120 |
35 |
370 |
0,584 |
|
Ов2-0,8 |
7,85 (0,8) |
18 |
90 |
150 |
45 |
459 |
0,916 |
|
Ов2-1,0 |
9,81 (1,0) |
20 |
90 |
150 |
45 |
465 |
1,146 |
|
Ов2-1,25 |
12,26 (1,25) |
22 |
90 |
150 |
45 |
472 |
1,408 |
|
Ов2-1,6 |
15,70 (1,6) |
25 |
120 |
180 |
60 |
575 |
2,226 |
|
Ов2-2,0 |
19,62 (2,0) |
25 |
120 |
180 |
60 |
575 |
2,226 |
|
Ов2-2,5 |
24,52 (2,5) |
28 |
120 |
180 |
60 |
585 |
2,827 |
|
Ов2-3,2 |
31,40 (3,2) |
32 |
120 |
180 |
60 |
597 |
3,769 |
|
Ов2-4,0 |
39,24 (4,0) |
36 |
150 |
230 |
75 |
744 |
5,944 |
|
Ов2-5,0 |
49,05 (5,0) |
40 |
150 |
230 |
75 |
757 |
7,468 |
|
Ов2-6,3 |
61,80 (6,3) |
42 |
150 |
230 |
75 |
763 |
8,298 |
|
Ов2-8,0 |
78,50 (8,0) |
50 |
150 |
230 |
75 |
788 |
12,145 |
|
Ов2-10,0 |
98,10 (10,0) |
56 |
220 |
350 |
110 |
1127 |
21,796 |
|
Ов2-12,5 |
122,60 (12,5) |
60 |
220 |
350 |
110 |
1139 |
25,285 |
|
Ов2-16,0 |
157,00 (16,0) |
65 |
220 |
350 |
110 |
1155 |
30,087 |
|
Ов2-20,0 |
196,20 (20,0) |
72 |
220 |
350 |
110 |
1177 |
37,617 |
2. В качестве захватов в
стропах рекомендуется применять крюки исполнений К и К1 или карабины
Кр.
2.1. Конструкция и размеры
крюков К, эксплуатируемых в районах с умеренным климатом, должны соответствовать
указанным на черт. 28 и в
табл. 37, а в
районах с холодным климатом - на черт. 28 и в
табл. 38.

1 - крюк; 2 - замок
Черт.
28
Таблица 37
|
Обозначение крюка |
Допускаемая нагрузка, кН
(тс) |
Размеры звена, мм |
Обозначения деталей
звена |
Масса, кг |
|
D |
d |
с |
s |
b |
Крюк чалочный |
Замок |
|
К-0,32 |
3,14 (0,32) |
18 |
16 |
67,0 |
15 |
9 |
Кч-0,32 |
З-0,32 |
0,10 |
|
К-0,4 |
3,92 (0,4) |
20 |
18 |
74,0 |
16 |
10 |
Кч-0,4 |
З-0,4 |
0,15 |
|
К-0,6 |
4,90 (0,5) |
25 |
22 |
83,5 |
22 |
11 |
Кч-0,5 |
З-0,5 |
0,25 |
|
К-0,63 |
6,18 (0,63) |
25 |
22 |
88,5 |
22 |
12 |
Кч-0,63 |
З-0,63 |
0,41 |
|
К-0,8 |
7,85 (0,8) |
30 |
25 |
102,5 |
24 |
12 |
Кч-0,8 |
З-0,8 |
0,46 |
|
К-1,0 |
9,81 (1,0) |
32 |
26 |
109,0 |
24 |
15 |
Кч-1,0 |
З-1,0 |
0,71 |
|
К-1,25 |
12,26 (1,25) |
36 |
30 |
118,0 |
28 |
18 |
Кч-1,25 |
З-1,25 |
0,81 |
|
K-1,6 |
15,70 (1,6) |
40 |
30 |
125,0 |
30 |
18 |
Кч-1,6 |
З-1,6 |
1,25 |
|
К-2,0 |
19,62 (2,0) |
45 |
35 |
145,0 |
36 |
20 |
Кч-2,0 |
З-2,0 |
1,52 |
|
К-2,5 |
24,52 (2,5) |
50 |
38 |
154,0 |
38 |
26 |
Кч-2,5 |
З-2,5 |
2,40 |
|
К-3,2 |
31,40 (3,2) |
55 |
42 |
173,5 |
40 |
30 |
Кч-3,2 |
З-3,2 |
3,10 |
|
К-4,0 |
39,24 (4,0) |
60 |
44 |
187,0 |
45 |
32 |
Кч-4,0 |
З-4,0 |
3,80 |
|
К-5,0 |
49,05 (5,0) |
65 |
48 |
206,5 |
50 |
36 |
Кч-5,0 |
З-5,0 |
5,12 |
|
К-6,3 |
61,80 (6,3) |
75 |
56 |
227,5 |
58 |
40 |
Кч-6,3 |
З-6,3 |
7,23 |
|
К-8,0 |
78,50 (8,0) |
85 |
60 |
262,5 |
65 |
46 |
Кч-8,0 |
З-8,0 |
10,23 |
|
К-10,0 |
98,10 (10,0) |
95 |
70 |
297,5 |
75 |
50 |
Кч-10,0 |
З-10,0 |
14,26 |
|
К-12,5 |
122,60 (12,5) |
110 |
80 |
345,0 |
85 |
54 |
Кч-12,5 |
З-12,5 |
20,57 |
Таблица 38
|
Обозначение крюка |
Допускаемая нагрузка, кН
(тс) |
Размеры звена, мм |
Обозначение деталей
звена |
Масса, кг |
|
D |
d |
с |
s |
b |
Крюк чалочный |
Замок |
|
К-1,0ХЛ |
9,81 (1,0) |
32 |
26 |
104,0 |
24 |
12 |
Кч-1,0ХЛ |
З-1,0ХЛ |
0,46 |
|
К-1,25ХЛ |
12,26 (1,25) |
36 |
30 |
113,0 |
28 |
15 |
Кч-1,25ХЛ |
З-1,25ХЛ |
0,61 |
|
К-1,6ХЛ |
15,70 (1,6) |
40 |
30 |
125,0 |
30 |
16 |
Кч-1,6ХЛ |
З-1,6ХЛ |
0,81 |
|
К-2,0ХЛ |
19,62 (2,0) |
45 |
35 |
140,0 |
36 |
18 |
Кч-2,0ХЛ |
З-2,0ХЛ |
1,11 |
|
К-2,5ХЛ |
24,52 (2,5) |
50 |
38 |
154,0 |
38 |
20 |
Кч-2,5ХЛ |
З-2,5ХЛ |
1,42 |
|
К-3,2ХЛ |
31,40 (3,2) |
55 |
42 |
168,5 |
40 |
24 |
Кч-3,2ХЛ |
З-3,2ХЛ |
1,72 |
|
К-4,0ХЛ |
39,24 (4,0) |
60 |
44 |
177,0 |
45 |
30 |
Кч-4,0ХЛ |
З-4,0ХЛ |
2,42 |
|
К-5,0ХЛ |
49,05 (5,0) |
65 |
48 |
196,5 |
50 |
30 |
Кч-5,0ХЛ |
З-5,0ХЛ |
3,53 |
|
К-6,3ХЛ |
61,80 (6,3) |
75 |
50 |
217,5 |
58 |
36 |
Кч-6,3ХЛ |
З-6,3ХЛ |
5,03 |
|
К-8,0ХЛ |
78,50 (8,0) |
85 |
60 |
252,5 |
65 |
42 |
Кч-8,0ХЛ |
З-8,0ХЛ |
7,45 |
|
К-10,0ХЛ |
98,10 (10,0) |
95 |
70 |
287,5 |
75 |
44 |
Кч-10,0ХЛ |
З-10,0ХЛ |
10,86 |
|
К-12,5ХЛ |
122,60 (12,5) |
110 |
80 |
330,0 |
85 |
46 |
Кч-12,5ХЛ |
З-12,5ХЛ |
14,57 |
2.1.1. Конструкция и размеры
чалочного крюка Кч для крюков К, эксплуатируемых в районах с умеренным климатом,
должны соответствовать указанным на черт. 29 и в
табл. 39, а в
районах с холодным климатом - на черт. 29 в табл.
40.

_________
* (Исключена, Изм. № 1).
** Размер для справок.
Материал для деталей климатического исполнения У - Сталь 20,
горячекатаная, подгруппы а по ГОСТ 1050-88, для деталей
климатического исполнения ХЛ-15ХСНД или 09Г2С по ГОСТ 19281-89
Черт.
29
Таблица 39
Размеры, мм
|
Обозначение крюка чалочного |
s |
D |
d |
d1 |
L |
B |
b |
b1 |
b2 |
e |
h |
h1 |
h2 |
h3 |
|
Кч-0,32 |
15 |
18 |
16 |
2,5 |
50 |
24 |
12 |
11 |
9 |
8 |
18 |
15,0 |
10,0 |
14 |
|
Кч-0,4 |
16 |
20 |
18 |
2,5 |
53 |
26 |
13 |
11 |
10 |
9 |
21 |
18,0 |
12,0 |
16 |
|
Кч-0,5 |
20 |
25 |
22 |
2,5 |
60 |
30 |
16 |
13 |
11 |
5 |
24 |
20,0 |
13,0 |
18 |
|
Кч-0,63 |
22 |
25 |
22 |
2,5 |
65 |
32 |
16 |
13 |
12 |
8 |
26 |
22,0 |
14,0 |
20 |
|
Кч-0,8 |
24 |
30 |
25 |
3,0 |
75 |
40 |
18 |
14 |
12 |
5 |
30 |
25,0 |
16,0 |
20 |
|
Кч-1,0 |
24 |
32 |
26 |
3,0 |
80 |
40 |
20 |
16 |
15 |
8 |
32 |
27,0 |
18,0 |
25 |
|
Кч-1,25 |
28 |
36 |
30 |
3,0 |
85 |
44 |
22 |
17 |
18 |
5 |
36 |
31,0 |
20,0 |
26 |
|
Кч-1,6 |
30 |
40 |
30 |
3,5 |
90 |
48 |
24 |
19 |
18 |
2 |
40 |
34,0 |
22,0 |
27 |
|
Кч-2,0 |
36 |
45 |
35 |
3,5 |
105 |
56 |
28 |
24 |
20 |
4 |
45 |
38,0 |
25,0 |
32 |
|
Кч-2,5 |
38 |
50 |
38 |
4,0 |
110 |
58 |
30 |
24 |
26 |
2 |
50 |
42,5 |
27,5 |
34 |
|
Кч-3,2 |
40 |
55 |
42 |
4,0 |
125 |
65 |
36 |
29 |
30 |
5 |
55 |
47,0 |
30,0 |
38 |
|
Кч-4,0 |
45 |
60 |
44 |
4,0 |
135 |
70 |
38 |
29 |
32 |
5 |
60 |
51,0 |
32,0 |
42 |
|
Кч-5,0 |
50 |
65 |
48 |
4,5 |
150 |
75 |
45 |
34 |
40 |
10 |
70 |
60,0 |
39,0 |
50 |
|
Кч-6,3 |
58 |
75 |
50 |
4,5 |
165 |
80 |
50 |
40 |
40 |
9 |
75 |
64,0 |
41,0 |
54 |
|
Кч-8,0 |
65 |
85 |
60 |
4,5 |
190 |
95 |
55 |
45 |
46 |
10 |
85 |
72,0 |
47,0 |
59 |
|
Кч-10,0 |
75 |
95 |
70 |
5,5 |
215 |
110 |
62 |
49 |
50 |
10 |
95 |
81,0 |
52,0 |
65 |
|
Кч-12,5 |
85 |
110 |
80 |
5,5 |
250 |
130 |
70 |
58 |
54 |
10 |
110 |
94,0 |
61,0 |
73 |
Продолжение
табл. 39
Размеры, мм
|
Обозначение
крюка чалочного |
l |
l1 |
l2 |
l3 |
l4 |
r |
r1 |
r2 |
r3 |
r4 |
r5 |
r6 |
r7 |
r8 |
r9 |
Масса,
кг |
|
Кч-0,32 |
14 |
17 |
15 |
6 |
8 |
25 |
11 |
3,0 |
15 |
22 |
3,5 |
12,0 |
12 |
1,5 |
22 |
0,10 |
|
Кч-0,4 |
16 |
24 |
17 |
6 |
8 |
28 |
12 |
4,0 |
18 |
25 |
4,0 |
13,0 |
13 |
1,7 |
25 |
0,15 |
|
Кч-0,5 |
18 |
25 |
19 |
6 |
8 |
32 |
13 |
4,0 |
20 |
27 |
4,0 |
15,0 |
13 |
2,0 |
29 |
0,25 |
|
Кч-0,63 |
18 |
22 |
19 |
6 |
8 |
34 |
13 |
4,0 |
26 |
35 |
4,0 |
16,0 |
15 |
2,0 |
31 |
0,40 |
|
Кч-0,8 |
22 |
25 |
23 |
8 |
10 |
40 |
14 |
5,0 |
20 |
30 |
4,5 |
20,0 |
10 |
3,0 |
36 |
0,45 |
|
Кч-1,0 |
24 |
28 |
27 |
8 |
10 |
44 |
16 |
5,0 |
29 |
33 |
4,5 |
20,0 |
15 |
2,5 |
38 |
0,70 |
|
Кч-1,25 |
26 |
30 |
29 |
8 |
10 |
49 |
18 |
5,5 |
25 |
35 |
5,5 |
22,0 |
20 |
2,5 |
45 |
0,80 |
|
Кч-1,6 |
30 |
30 |
30 |
8 |
10 |
54 |
30 |
6,0 |
20 |
42 |
6,0 |
24,0 |
20 |
3,5 |
49 |
1,24 |
|
Кч-2,0 |
34 |
30 |
34 |
8 |
10 |
61 |
30 |
6,0 |
30 |
48 |
6,5 |
28,0 |
25 |
4,5 |
55 |
1,50 |
|
Кч-2,5 |
40 |
34 |
39 |
8 |
10 |
67 |
36 |
7,0 |
28 |
50 |
7,0 |
29,0 |
26 |
3,0 |
60 |
2,38 |
|
Кч-3,2 |
45 |
45 |
43 |
12 |
15 |
75 |
38 |
8,0 |
35 |
50 |
8,0 |
32,5 |
38 |
4,0 |
70 |
3,08 |
|
Кч-4,0 |
45 |
50 |
46 |
12 |
15 |
81 |
42 |
9,0 |
40 |
58 |
8,0 |
35,0 |
40 |
4,5 |
72 |
3,78 |
|
Кч-5,0 |
50 |
55 |
51 |
12 |
15 |
92 |
45 |
9,0 |
50 |
65 |
9,0 |
37,0 |
36 |
4,5 |
82 |
5,10 |
|
Кч-6,3 |
56 |
65 |
55 |
12 |
15 |
101 |
53 |
10,0 |
50 |
73 |
12,0 |
40,0 |
45 |
5,0 |
90 |
7,20 |
|
Кч-8,0 |
65 |
65 |
65 |
12 |
15 |
115 |
60 |
12,0 |
52 |
80 |
14,0 |
47,5 |
50 |
5,5 |
102 |
10,20 |
|
Кч-10,0 |
70 |
70 |
73 |
15 |
20 |
127 |
68 |
13,0 |
55 |
85 |
14,0 |
55,0 |
55 |
6,0 |
114 |
14,20 |
|
Кч-12,5 |
82 |
80 |
80 |
15 |
20 |
149 |
75 |
13,0 |
55 |
90 |
20,0 |
65,0 |
55 |
8,0 |
132 |
20,50 |
(Измененная
редакция, Изм. № 2).
Таблица 40
Размеры, мм
|
Обозначение крюка чалочного |
s |
D |
d |
d1 |
L |
B |
b |
b1 |
b2 |
e |
h |
h1 |
h2 |
h3 |
|
Кч-1,0ХЛ |
24 |
32 |
26 |
3,0 |
75 |
38 |
12 |
10 |
12 |
5 |
32 |
27 |
18 |
22 |
|
Кч-1,25ХЛ |
28 |
36 |
30 |
3,0 |
80 |
42 |
15 |
12 |
15 |
2 |
36 |
31 |
20 |
25 |
|
Кч-1,6ХЛ |
30 |
40 |
30 |
3,5 |
90 |
44 |
16 |
13 |
16 |
6 |
40 |
34 |
22 |
26 |
|
Кч-2,0ХЛ |
36 |
45 |
35 |
3,5 |
100 |
50 |
18 |
15 |
18 |
5 |
45 |
38 |
25 |
30 |
|
Кч-2,5ХЛ |
38 |
50 |
38 |
4,0 |
110 |
54 |
20 |
16 |
20 |
6 |
50 |
43 |
28 |
34 |
|
Кч-3,2ХЛ |
40 |
55 |
42 |
4,0 |
120 |
60 |
24 |
18 |
24 |
5 |
55 |
47 |
30 |
38 |
|
Кч-4,0ХЛ |
45 |
60 |
44 |
4,0 |
125 |
62 |
30 |
20 |
30 |
3 |
60 |
51 |
32 |
40 |
|
Кч-5,0ХЛ |
50 |
65 |
48 |
4,5 |
140 |
70 |
30 |
24 |
30 |
5 |
70 |
55 |
35 |
44 |
|
Кч-6,3ХЛ |
58 |
75 |
50 |
4,5 |
155 |
74 |
36 |
30 |
36 |
6 |
75 |
64 |
40 |
48 |
|
Кч-8,0ХЛ |
65 |
85 |
60 |
4,5 |
180 |
85 |
42 |
32 |
42 |
10 |
85 |
72 |
46 |
56 |
|
Кч-10,0ХЛ |
75 |
95 |
70 |
5,5 |
205 |
100 |
42 |
33 |
44 |
10 |
95 |
81 |
52 |
64 |
|
Кч-12,5ХЛ |
85 |
110 |
80 |
5,5 |
235 |
116 |
46 |
34 |
46 |
9 |
110 |
94 |
60 |
72 |
Продолжение
табл. 40
Размеры, мм
|
Обозначение
крюка чалочного |
l |
l1 |
l2 |
l3 |
l4 |
r |
r1 |
r2 |
r3 |
r4 |
r5 |
r6 |
r7 |
r8 |
r9 |
Масса,
кг |
|
Кч-1,0ХЛ |
24 |
28 |
24,0 |
8 |
10 |
43 |
16 |
4,5 |
20 |
30 |
5,0 |
19 |
15 |
2,0 |
39 |
0,45 |
|
Кч-1,25ХЛ |
24 |
30 |
26,0 |
8 |
10 |
49 |
18 |
5,5 |
25 |
33 |
5,5 |
21 |
20 |
2,5 |
43 |
0,60 |
|
Кч-1,6ХЛ |
30 |
32 |
27,0 |
8 |
10 |
54 |
30 |
5,0 |
20 |
42 |
6,0 |
22 |
15 |
2,5 |
48 |
0,80 |
|
Кч-2,0ХЛ |
32 |
36 |
31,5 |
8 |
10 |
61 |
30 |
6,0 |
25 |
45 |
6,0 |
25 |
24 |
2,5 |
54 |
1,10 |
|
Кч-2,5ХЛ |
38 |
38 |
34,0 |
8 |
10 |
68 |
36 |
7,0 |
28 |
48 |
7,0 |
27 |
28 |
3,0 |
60 |
1,40 |
|
Кч-3,2ХЛ |
40 |
42 |
41,0 |
9 |
12 |
74 |
38 |
6,0 |
35 |
50 |
7,0 |
30 |
24 |
2,5 |
66 |
1,70 |
|
Кч-4,0ХЛ |
45 |
44 |
44,0 |
10 |
15 |
81 |
42 |
8,0 |
32 |
60 |
8,0 |
31 |
50 |
2,5 |
71 |
2,40 |
|
Кч-5,0ХЛ |
45 |
45 |
47,0 |
10 |
15 |
86 |
45 |
9,0 |
40 |
60 |
9,0 |
35 |
40 |
3,0 |
80 |
3,50 |
|
Кч-6,3ХЛ |
50 |
48 |
52,0 |
10 |
15 |
102 |
53 |
10,0 |
40 |
65 |
10,0 |
37 |
61 |
3,5 |
94 |
5,00 |
|
Кч-8,0ХЛ |
58 |
55 |
62,0 |
10 |
15 |
114 |
60 |
10,0 |
45 |
73 |
12,0 |
42 |
78 |
4,0 |
103 |
7,40 |
|
Кч-10,0ХЛ |
65 |
70 |
68,0 |
15 |
20 |
128 |
68 |
11,0 |
50 |
80 |
14,0 |
50 |
50 |
3,5 |
115 |
10,80 |
|
Кч-12,5ХЛ |
75 |
75 |
74,0 |
15 |
20 |
149 |
75 |
13,0 |
55 |
85 |
15,0 |
58 |
50 |
5,0 |
130 |
14,50 |
(Измененная редакция, Изм. №
2).
2.1.2. Конструкция и размеры
замка З для крюков К, эксплуатируемых в районах с умеренным климатом, должны
соответствовать указанным на черт. 30 и в
табл. 41, а в
районах с холодным климатом - на черт. 30 и в
табл. 42.

Материал: проволока
II - d по ГОСТ 9389-75
Черт.
30
Таблица 41
Размеры, мм
|
Обозначение замка |
d |
l |
l1 |
l2 |
l3 |
l4 |
l5 |
Длина развертки |
r |
Масса, кг |
|
З-0,32 |
2,0 |
33,0 |
19 |
14 |
22 |
8 |
37 |
129 |
2,0 |
0,003 |
|
З-0,4 |
2,0 |
35,0 |
20 |
14 |
23 |
8 |
38 |
130 |
2,0 |
0,003 |
|
З-0,5 |
2,0 |
38,0 |
21 |
17 |
26 |
8 |
40 |
138 |
2,0 |
0,003 |
|
З-0,63 |
2,0 |
48,0 |
22 |
17 |
26 |
8 |
42 |
155 |
2,0 |
0,004 |
|
З-0,8 |
2,5 |
52,5 |
24 |
19 |
30 |
10 |
46 |
173 |
2,5 |
0,007 |
|
З-1,0 |
2,5 |
54,5 |
27 |
20 |
32 |
10 |
49 |
183 |
2,5 |
0,007 |
|
З-1,25 |
2,5 |
54,5 |
32 |
21 |
36 |
10 |
57 |
196 |
2,5 |
0,008 |
|
З-1,6 |
3,0 |
63,0 |
32 |
23 |
38 |
10 |
57 |
213 |
3,0 |
0,012 |
|
З-2,0 |
3,0 |
70,0 |
34 |
25 |
42 |
10 |
59 |
229 |
3,0 |
0,013 |
|
З-2,5 |
3,6 |
71,0 |
42 |
27 |
46 |
10 |
67 |
247 |
3,6 |
0,019 |
|
З-3,2 |
3,6 |
78,6 |
46 |
30 |
52 |
15 |
71 |
270 |
3,6 |
0,022 |
|
З-4,0 |
3,6 |
86,6 |
52 |
31 |
58 |
15 |
77 |
299 |
3,6 |
0,024 |
|
З-5,0 |
3,6 |
88,6 |
56 |
34 |
65 |
15 |
81 |
317 |
3,6 |
0,026 |
|
З-6,3 |
4,0 |
104,0 |
60 |
38 |
70 |
15 |
85 |
358 |
4,0 |
0,035 |
|
З-8,0 |
4,0 |
114,0 |
68 |
40 |
77 |
15 |
93 |
395 |
4,0 |
0,039 |
|
З-10,0 |
5,0 |
140,0 |
72 |
45 |
84 |
20 |
97 |
452 |
5,0 |
0,069 |
|
З-12,5 |
5,0 |
160,0 |
72 |
45 |
92 |
20 |
97 |
502 |
5,0 |
0,077 |
Таблица 42
Размеры, мм
|
Обозначение замка |
d |
l |
l1 |
l2 |
l3 |
l4 |
l5 |
Длина развертки |
r |
Масса, кг |
|
З-1,0ХЛ |
2,5 |
52,5 |
24 |
14 |
24 |
10 |
35 |
161 |
2,5 |
0,005 |
|
З-1,5ХЛ |
2,5 |
54,5 |
27 |
15 |
27 |
10 |
38 |
172 |
2,5 |
0,006 |
|
З-1,6ХЛ |
2,5 |
57,5 |
28 |
16 |
28 |
10 |
41 |
183 |
2,5 |
0,007 |
|
З-2,0ХЛ |
3,0 |
65,0 |
32 |
17 |
32 |
10 |
44 |
204 |
3,0 |
0,011 |
|
З-2,5ХЛ |
3,0 |
71,0 |
34 |
19 |
34 |
10 |
47 |
223 |
3,0 |
0,012 |
|
З-3,2ХЛ |
3,6 |
79,6 |
40 |
23 |
40 |
12 |
54 |
253 |
3,6 |
0,022 |
|
З-4,0ХЛ |
3,6 |
86,6 |
46 |
23 |
46 |
15 |
62 |
278 |
3,6 |
0,026 |
|
З-5,0ХЛ |
4,0 |
99,0 |
46 |
23 |
46 |
15 |
68 |
308 |
4,0 |
0,029 |
|
З-6,3ХЛ |
4,0 |
109,0 |
56 |
27 |
56 |
15 |
73 |
343 |
4,0 |
0,034 |
|
З-8,0ХЛ |
5,0 |
128,0 |
62 |
32 |
62 |
15 |
82 |
402 |
5,0 |
0,062 |
|
З-10,0ХЛ |
5,0 |
140,0 |
68 |
38 |
68 |
20 |
91 |
430 |
5,0 |
0,066 |
|
З-12,5ХЛ |
5,0 |
160,0 |
68 |
32 |
68 |
20 |
100 |
485 |
5,0 |
0,074 |
(Измененная редакция, Изм. №
2).
2.2. Конструкция и размеры
карабинов Кр, эксплуатируемых в районах с умеренным климатом, должны
соответствовать указанным на черт. 31 и в
табл. 43, а в
районах с холодным климатом - на черт. 31 и в
табл. 44.

1 - скоба; 2 - планка
Черт.
31
Таблица 43
|
Обозначение карабина |
Допускаемая нагрузка, кН
(тс) |
Размеры звена, мм |
Обозначение деталей
звена |
Масса, кг |
|
b |
L |
l |
a |
a1 |
Скоба |
Пластина |
|
Кр-0,32 |
3,14 (0,32) |
18 |
120 |
20 |
10 |
12 |
Ск-0,32 |
Пк-0,32 |
0,47 |
|
Кр-0,4 |
3,92 (0,4) |
20 |
135 |
20 |
10 |
15 |
Ск-0,4 |
Пк-0,4 |
0,58 |
|
Кр-0,5 |
4,90 (0,5) |
24 |
150 |
20 |
10 |
16 |
Ск-0,5 |
Пк-0,5 |
0,82 |
|
Кр-0,63 |
6,18 (0,63) |
26 |
155 |
20 |
15 |
18 |
Ск-0,63 |
Пк-0,63 |
1,04 |
|
Кр-0,8 |
7,85 (0,8) |
30 |
170 |
20 |
15 |
18 |
Ск-0,8 |
Пк-0,8 |
1,32 |
|
Кр-1,0 |
9,81 (1,0) |
32 |
170 |
20 |
15 |
25 |
Ск-1,0 |
Пк-1,0 |
1,91 |
|
Кр-1,25 |
12,25 (1,25) |
36 |
185 |
25 |
15 |
25 |
Ск-1,25 |
Пк-1,25 |
2,60 |
|
Кр-1,6 |
15,70 (1,6) |
40 |
205 |
25 |
25 |
30 |
Ск-1,6 |
Пк-1,6 |
3,75 |
|
Кр-2,0 |
19,62 (2,0) |
44 |
235 |
25 |
25 |
30 |
Ск-2,0 |
Пк-2,0 |
5,25 |
Таблица 44
|
Обозначение карабина |
Допускаемая нагрузка, кН
(тс) |
Размеры звена, мм |
Обозначение деталей
звена |
Масса, кг |
|
b |
L |
l |
a |
a1 |
Скоба |
Пластина |
|
Кр-0,4ХЛ |
3,92 (0,4) |
20 |
135 |
20 |
10 |
15 |
Ск-0,4ХЛ |
Пк-0,4ХЛ |
0,51 |
|
Кр-0,5ХЛ |
4,90 (0,5) |
24 |
150 |
20 |
10 |
16 |
Ск-0,5ХЛ |
Пк-0,5ХЛ |
0,65 |
|
Кр-0,63ХЛ |
6,18 (0,63) |
26 |
155 |
20 |
15 |
18 |
Ск-0,63ХЛ |
Пк-0,63ХЛ |
0,86 |
|
Кр-0,8ХЛ |
7,85 (0,8) |
30 |
170 |
20 |
15 |
18 |
Ск-0,8ХЛ |
Пк-0,8ХЛ |
1,09 |
|
Кр-1,0ХЛ |
9,81 (1,0) |
32 |
170 |
20 |
15 |
25 |
Ск-1,0ХЛ |
Пк-1,0ХЛ |
1,53 |
|
Кр-1,25ХЛ |
12,25 (l,25) |
36 |
185 |
25 |
15 |
25 |
Ск-1,25ХЛ |
Пк-1,25ХЛ |
2,12 |
|
Кр-1,6ХЛ |
15,70 (1,6) |
40 |
205 |
25 |
25 |
30 |
Ск-1,6ХЛ |
Пк-1,6ХЛ |
2,87 |
|
Кр-2,0ХЛ |
19,62 (2,0) |
44 |
235 |
25 |
25 |
30 |
Ск-2,0ХЛ |
Пк-2,0ХЛ |
4,18 |
2,
2.1.1, 2.1.2, 2.2. (Измененная редакция,
Изм. № 1).
2.2.1. Конструкция и размеры
скобы Ск карабинов Кр, эксплуатируемых в районах с умеренным климатом, должны
соответствовать указанным на черт. 32 и в
табл. 45, а в
районах с холодным климатом - на черт. 32 и в
табл. 46.

Материал для; деталей климатического исполнения У -
Сталь 20 по ГОСТ 1050-88 или Ст3сп по ГОСТ 380-88, для деталей
климатического исполнения ХЛ-15ХСНД или 09Г2С по ГОСТ
19281-89
Черт.
32
Таблица 45
Размеры, мм
|
Обозначение скобы |
d |
L |
a |
b |
r |
l |
с |
Длина развертки |
Масса, кг |
|
Ск-0,32 |
15 |
120 |
18 |
16 |
9 |
30 |
1,0 |
292 |
0,41 |
|
Ск-0,4 |
16 |
135 |
20 |
20 |
10 |
35 |
1,0 |
323 |
0,51 |
|
Ск-0,5 |
18 |
150 |
24 |
25 |
12 |
35 |
1,0 |
359 |
0,72 |
|
Ск-0,63 |
20 |
155 |
26 |
25 |
13 |
35 |
1,2 |
377 |
0,92 |
|
Ск-0,8 |
22 |
170 |
30 |
30 |
15 |
43 |
1,2 |
413 |
1,19 |
|
Ск-1,0 |
25 |
170 |
32 |
30 |
16 |
45 |
1,2 |
425 |
1,59 |
|
Ск-1,25 |
28 |
185 |
36 |
35 |
18 |
45 |
1,5 |
463 |
2,22 |
|
Ск-1,6 |
32 |
205 |
40 |
35 |
20 |
55 |
1,5 |
521 |
3,29 |
|
Ск-2,0 |
36 |
235 |
44 |
40 |
22 |
55 |
1,5 |
592 |
4,72 |
Таблица 46
Размеры, мм
|
Обозначение скобы |
d |
L |
a |
b |
r |
l |
с |
Длина развертки |
Масса, кг |
|
Ск-0,4ХЛ |
15 |
135 |
20 |
20 |
10 |
35 |
1,0 |
320 |
0,44 |
|
Ск-0,5ХЛ |
16 |
150 |
24 |
25 |
12 |
35 |
1,0 |
353 |
0,56 |
|
Ск-0,63ХЛ |
18 |
155 |
26 |
25 |
13 |
35 |
1,2 |
371 |
0,74 |
|
Ск-0,8ХЛ |
20 |
170 |
30 |
30 |
15 |
43 |
1,2 |
407 |
0,97 |
|
Ск-1,0ХЛ |
22 |
170 |
32 |
30 |
16 |
45 |
1,2 |
416 |
1,23 |
|
Ск-1,25ХЛ |
25 |
185 |
36 |
35 |
18 |
45 |
1,5 |
445 |
1,76 |
|
Ск-1,6ХЛ |
28 |
205 |
40 |
35 |
20 |
55 |
1,5 |
509 |
2,43 |
|
Ск-2,0ХЛ |
32 |
235 |
44 |
40 |
22 |
55 |
1,5 |
580 |
3,66 |
2.2.2. Конструкция и размеры
пластины Пк карабинов Кр, эксплуатируемых в районах с умеренным климатом, должны
соответствовать указанным на черт. 33 и в
табл. 47, а в
районах с холодным климатом - на черт. 33 и в
табл. 48.

Материал для деталей климатического исполнения У - Ст3пс
по ГОСТ 380-88, для деталей
климатического исполнения ХЛ-Ст3сп по ГОСТ
380-88
Черт.
33
(Измененная редакция, Изм. №
1).
Таблица 47
Размеры, мм
|
Обозначение пластины |
А |
L |
l |
r |
r1 |
s |
Масса, кг |
|
Пк-0,32 |
33 |
55 |
13 |
8,0 |
5 |
1 |
0,030 |
|
Пк-0,4 |
36 |
60 |
13 |
8,5 |
5 |
1 |
0,035 |
|
Пк-0,5 |
42 |
70 |
13 |
9,5 |
5 |
1 |
0,047 |
|
Пк-0,63 |
46 |
80 |
16 |
10,5 |
8 |
1 |
0,059 |
|
Пк-0,8 |
52 |
80 |
16 |
11,5 |
8 |
1 |
0,065 |
|
Пк-1,0 |
57 |
85 |
16 |
13,0 |
8 |
2 |
0,160 |
|
Пк-1,25 |
64 |
90 |
16 |
14,5 |
8 |
2 |
0,190 |
|
Пк-1,6 |
72 |
100 |
18 |
16,5 |
10 |
2 |
0,230 |
|
Пк-2,0 |
80 |
105 |
18 |
18,5 |
10 |
2 |
0,267 |
Таблица 48
Размеры, мм
|
Обозначение пластины |
А |
L |
l |
r |
r1 |
s |
Масса, кг |
|
Пк-0,4ХЛ |
35 |
65 |
13 |
8,0 |
5 |
1 |
0,035 |
|
Пк-0,5ХЛ |
40 |
70 |
13 |
8,5 |
5 |
1 |
0,046 |
|
Пк-0,63ХЛ |
44 |
80 |
13 |
9,5 |
6 |
1 |
0,058 |
|
Пк-0,8ХЛ |
50 |
80 |
16 |
10,5 |
8 |
1 |
0,062 |
|
Пк-1,0ХЛ |
54 |
85 |
16 |
11,5 |
8 |
2 |
0,150 |
|
Пк-1,25ХЛ |
61 |
90 |
16 |
13,0 |
10 |
2 |
0,180 |
|
Пк-1,6ХЛ |
68 |
100 |
18 |
14,5 |
10 |
2 |
0,220 |
|
Пк-2,0ХЛ |
76 |
105 |
18 |
16,5 |
10 |
2 |
0,258 |
2.3. Конструкция и размеры
крюков К1, эксплуатируемых в районах с умеренным климатом, должны
соответствовать указанным на черт. 34 и в
табл. 49.

1 - крюк; 2 - замок; 3 - заклепка
Черт.
34
Таблица 49
|
Обозначение крюка |
Допускаемая нагрузка, кН
(тс) |
Размеры звена, мм |
Обозначение деталей
звена |
Масса, г |
|
D |
d |
с |
s |
b |
Крюк чалочный |
Замок |
Заклепка |
|
К1-0,63 |
6,18 (0,63) |
25 |
22 |
88,5 |
22 |
12 |
Кч1-0,63 |
З1-0,63 |
6´24.00 |
0,45 |
|
К1-0,8 |
7,85 (0,8) |
30 |
25 |
102,5 |
24 |
Кч1-0,8 |
З1-0,8 |
0,50 |
|
К1-1,0 |
9,81 (1,0) |
32 |
26 |
109,0 |
15 |
Кч1-1,0 |
З1-1,0 |
6´26.00 |
0,76 |
|
К1-1,25 |
12,26 (1,25) |
36 |
30 |
118,0 |
28 |
18 |
Кч1-1,25 |
З1-1,25 |
6´30.00 |
0,87 |
|
К1-1,6 |
15,70 (1,6) |
40 |
125,0 |
30 |
Кч1-1,6 |
З1-1,6 |
8´32.00 |
1,33 |
|
К1-2,0 |
19,62 (2,0) |
45 |
35 |
145,0 |
36 |
20 |
Кч1-2,0 |
З1-2,0 |
8´38.00 |
1,62 |
|
К1-2,5 |
24,52 (2,5) |
50 |
38 |
154,0 |
38 |
26 |
Кч1-2,5 |
З1-2,5 |
8´42.00 |
2,51 |
|
К1-3,2 |
31,40 (3,2) |
55 |
42 |
173,5 |
40 |
30 |
Кч1-3,2 |
З1-3,2 |
8´45.00 |
3,23 |
|
К1-4,0 |
39,24 (4,0) |
60 |
44 |
187,0 |
45 |
32 |
Кч1-4,0 |
З1-4,0 |
8´48.00 |
4,2 |
2.3.1. Координаты отверстия
в крюке Кч1 для замка с противовесом должны соответствовать указанным на черт.
35 и в
табл. 50,
остальные размеры крюка - на черт. 29 и в
табл. 39.

Черт.
35
Таблица 50
Размеры, мм
|
Обозначение крюка чалочного |
d1 |
l1 |
l2 |
|
Кч1-0,63 |
6,2 |
24 |
3 |
|
Кч1-0,8 |
6,2 |
28 |
3 |
|
Кч1-1,0 |
6,2 |
29 |
3 |
|
Кч-1,25 |
6,2 |
32 |
4 |
|
Кч1-1,6 |
8,2 |
32 |
4 |
|
Кч1-2,0 |
8,2 |
35 |
5 |
|
Кч1-2,5 |
8,2 |
38 |
5 |
|
Кч1-3,2 |
8,2 |
45 |
6 |
|
Кч1-4,0 |
8,2 |
50 |
7 |
2.3.2. Конструкция и размеры
замков З1 для крюков К1, эксплуатируемых в районах с умеренным климатом, должны
соответствовать указанным на черт. 36 и в
табл. 51.

Черт.
36
Таблица
51
Размеры, мм
|
Обозначение замка |
d |
l |
l1 |
l2 |
t |
t1 |
t2 |
t3 |
t4 |
t5 |
t6 |
r |
r1 |
Масса, кг |
|
З1-0,63 |
6,2 |
50 |
15 |
16 |
43 |
30 |
16 |
22 |
44 |
9 |
113 |
8 |
6 |
0,038 |
|
З1-0,8 |
6,2 |
60 |
15 |
18 |
45 |
35 |
18 |
23 |
46 |
9 |
135 |
8 |
6 |
0,048 |
|
З1-1,0 |
6,2 |
60 |
17 |
21 |
53 |
45 |
21 |
24 |
48 |
9 |
139 |
9 |
11 |
0,052 |
|
З1-1,25 |
6,2 |
70 |
17 |
23 |
55 |
45 |
23 |
26 |
52 |
10 |
161 |
9 |
11 |
0,065 |
|
З1-1,6 |
8,2 |
70 |
18 |
26 |
59 |
45 |
26 |
28 |
56 |
11 |
163 |
9 |
11 |
0,071 |
|
З1-2,0 |
8,2 |
90 |
20 |
30 |
65 |
50 |
30 |
32 |
64 |
11 |
205 |
10 |
15 |
0,102 |
|
З1-2,5 |
8,2 |
90 |
20 |
32 |
71 |
58 |
32 |
34 |
68 |
12 |
211 |
10 |
16 |
0,111 |
|
З1-3,2 |
8,2 |
100 |
22 |
38 |
78 |
58 |
38 |
36 |
72 |
14 |
234 |
10 |
16 |
0,132 |
|
З1-4,0 |
8,2 |
110 |
23 |
40 |
82 |
72 |
40 |
44 |
88 |
14 |
256 |
11 |
19 |
0,176 |
2.3, 2.3.1, 2.3.2. (Введены дополнительно, Изм. №
1).
2.4. Конструкция и размеры
звеньев переходных РП, эксплуатируемых в районах с умеренным климатом, должны
соответствовать указанным на черт. 37 и в
табл. 52.
2.4.1. Конструкция и размеры
скобы Сп для звеньев РП, эксплуатируемых в районах с умеренным климатом, должны
соответствовать указанным на черт. 38 и в
табл. 53.

1 - скоба; 2 - болт по ГОСТ 7798-70 (до 48 мм) или
по ГОСТ 10602-72 (св. 52 мм);
3 - шайба по ГОСТ 9649-78; 4 - шплинт по ГОСТ 397-79
Черт.
37
Таблица
52
|
Обозначение звена |
Допускаемая нагрузка, кН
(тс) |
Размеры звена, мм |
Обозначение деталей
звена |
Масса, кг |
|
d |
d1 |
B |
L |
l |
Скоба |
Болт |
Шайба |
Шплинт |
|
РП-1,0 |
9,81 (1,00) |
14 |
18 |
28 |
70 |
7 |
Сп-1,0 |
2М18-6g´65,36 |
20.02.Ст3кп |
4´50 |
0,48 |
|
РП-1,25 |
12,26 (1,25) |
16 |
32 |
74 |
8 |
Сп-1,25 |
2M18-6g´75,36 |
0,63 |
|
РП-1,6 |
15,70 (1,60) |
18 |
20 |
32 |
80 |
Сп-1,6 |
2М20-6g´80,36 |
0,71 |
|
РП-2,0 |
19,62 (2,00) |
20 |
24 |
36 |
90 |
10 |
Сп-2,0 |
СМ24-6g´90,36 |
24.02.Ст3кп |
5´50 |
1,12 |
|
РП-2,5 |
24,52 (2,50) |
22 |
27 |
40 |
100 |
11 |
Сп-2,5 |
2М27-6g´95,36 |
28.02.Ст3кп |
1,59 |
|
РП-3,2 |
31,40 (3,20) |
24 |
30 |
45 |
110 |
12 |
Сп-3,2 |
2M30-6g´105,36 |
32.02.Ст3кп |
6,3´70 |
2,26 |
|
РП-4,0 |
39,24 (4,00) |
28 |
36 |
50 |
120 |
14 |
Сп-4,0 |
2M36-6g´120,36 |
36.02.Ст3кп |
6,3´90 |
3,29 |
|
РП-5,0 |
49,05 (5,00) |
32 |
42 |
58 |
130 |
16 |
Сп-5,0 |
2M42-6g´140,36 |
45.02.Ст3кп |
8´100 |
4,68 |
|
РП-6,3 |
61,80 (6,3) |
36 |
42 |
64 |
150 |
18 |
Сп-6,3 |
2M42-6g´160,36 |
6,32 |
|
РП-8,0 |
75,50 (8,00) |
40 |
48 |
70 |
170 |
20 |
Сп-8,0 |
2M48-6g´170,36 |
50.02.Ст3кп |
8´110 |
8,85 |
|
РП-10,0 |
98,10 (10,00) |
45 |
52 |
80 |
190 |
22,5 |
Сп-10,0 |
2M52-6g´200,36 |
55.02.Ст3кп |
8´125 |
12,48 |
|
РП-12,5 |
122,00 (12,50) |
48 |
56 |
90 |
215 |
24 |
Сп-12,5 |
CM56-6g´220,36 |
60.02.Ст3кп |
10´135 |
16,10 |

Материал: Сталь 20 по
ГОСТ 1050-88 или Ст3сп по ГОСТ 380-88
Черт.
38
Таблица 53
Размеры, мм
|
Обозначение |
D |
d |
d1 |
d2 |
B |
L |
С |
C1 |
Масса, кг |
|
Номин. |
Пред. откл. |
Номин. |
Пред. откл. |
Номин. |
Пред. откл. |
|
Сп-1,0 |
35 |
±
1,5 |
14 |
19 |
M18 |
28 |
+ 1,5 |
70 |
± 2,5 |
1,0 |
2,5 |
0,32 |
|
Сп-1,25 |
40 |
16 |
32 |
+ 2,0 |
74 |
0,45 |
|
Сп-1,6 |
18 |
21 |
M20 |
80 |
0,47 |
|
Сп-2,0 |
45 |
±
2,0 |
20 |
25 |
M24 |
36 |
90 |
±
3,0 |
1,5 |
0,79 |
|
Сп-2,5 |
50 |
22 |
30 |
M27 |
40 |
100 |
1,04 |
|
Сп-3,2 |
60 |
2,5 |
24 |
32 |
M30 |
45 |
110 |
1,50 |
|
Сп-4,0 |
68 |
28 |
38 |
M36 |
50 |
120 |
2,24 |
|
Сп-5,0 |
75 |
32 |
44 |
42 |
58 |
+ 2,5 |
130 |
±
3,5 |
2,0 |
4,0 |
3,15 |
|
Сп-6,3 |
80 |
36 |
64 |
150 |
4,25 |
|
Сп-8,0 |
90 |
3,0 |
40 |
50 |
M48 |
70 |
170 |
5,98 |
|
Сп-10,0 |
100 |
45 |
54 |
M52 |
80 |
190 |
2,5 |
8,45 |
|
Сп-12,5 |
110 |
48 |
58 |
M56 |
90 |
+3,0 |
215 |
± 4,0 |
10,90 |
2.4, 2.4.1. (Введены дополнительно, Изм. №
2).
ПРИЛОЖЕНИЕ 2
Рекомендуемое
СПОСОБЫ ЗАДЕЛКИ КОНЦОВ СТРОПОВ
1. Заделка концов каната
может быть выполнена способами, приведенными на черт. 1 - 3. Элементы
заделки представлены в табл. 1.
Заделка концов канатов
опрессовкой стальной втулкой

Черт.
1
Заделка концов канатов
опрессовкой алюминиевой втулкой

Черт.
2
Заплетка с последующей
обмоткой концов прядей проволокой

Черт.
3
Таблица 1
|
Обозначение ветви канатной |
Диаметр каната, мм |
Обозначение втулок |
Длина участка от стенки коуша до втулки
l1,
мм |
Число проколов каждой прядью при заплетке,
не менее |
Длина участка, обмотанного проволокой,
l2 |
Длина развертки проволоки,
мм |
|
алюминиевой |
стальной |
|
ВК-0,32 |
6,2; 6,3 |
Вт9 |
СВт8 |
60 |
4 |
60 |
1400 |
|
ВК-0,4 |
6,7; 6,9; 7,6 |
70 |
1600 |
|
ВК-0,5 |
8,1; 8,3; 8,5 |
Вт11 |
СВт8,5 |
1800 |
|
ВК-0,63 |
8,1; 8,3 |
СВт9 |
|
9,0; 9,1 |
СВт11 |
80 |
80 |
2500 |
|
ВК-0,8 |
9,7;
9,9 |
Вт12 |
2800 |
|
11,5 |
Вт13 |
СВт13 |
95 |
3100 |
|
ВК-1,0 |
11,0; 11,5 |
|
ВК-1,25 |
11,5 |
3400 |
|
12,0; 13,0 |
Вт15 |
СВт15 |
105 |
4100 |
|
ВК-1,6 |
13,5; 14,0 |
90 |
|
15,5 |
Вт16 |
СВт17 |
5 |
4600 |
|
ВК-2,0 |
15,0; 15,5 |
5200 |
|
ВК-2,5 |
16,5 |
Вт18 |
130 |
100 |
5500 |
|
17,0; 18,0
19,5 |
Вт19 |
СВт19 |
130 |
7500 |
|
Вт20 |
СВт21 |
145 |
8400 |
|
ВК-3,2 |
20,0
21,0; 21,5 |
Вт23 |
8500 |
|
- |
190 |
13500 |
|
ВК-4,0 |
22,0; 22,5
23,0 |
Вт25 |
14000 |
|
ВК-5,0 |
23,5; 24,0
24,5 |
Вт26 |
170 |
15200 |
|
25,0; 25,5 |
Вт28 |
16000 |
|
ВК-6,3 |
27,0 |
Вт30 |
205 |
16700 |
|
29,0
30,5 |
Вт33 |
6 |
260 |
19000 |
|
230 |
25600 |
|
ВК-8,0 |
31,0 |
Вт36 |
26000 |
|
33,5 |
Вт38 |
28000 |
|
ВК-10,0 |
32,0
35,0 |
Вт36
Вт38 |
26800 |
|
29000 |
|
36,5; 37,0 |
Вт40 |
255 |
30500 |
2.
Конструкция и размеры алюминиевых втулок для заделки концов канатов указаны на
черт. 4 и в табл.
2.

____________
* Размеры для справок.
Черт.
4
Таблица
2
Размеры, мм
|
Обозначение
втулки |
Диаметр
каната |
Втулка |
Заготовка -
труба по ГОСТ 18482-79 |
Масса втулки,
кг |
|
b |
b1 |
l |
L |
D |
s |
|
Вт9 |
6,2 - 7,6 |
9 |
19 |
20,0 |
50 |
25 |
5,0 |
0,05 |
|
Вт11 |
8,0 -
9,1 |
11 |
21 |
22,0 |
60 |
28 |
5,0 |
0,06 |
|
Вт12 |
9,7 -
10,0 |
12 |
24 |
24,5 |
60 |
32 |
6,0 |
0,08 |
|
Вт13 |
11,0 -
11,5 |
13 |
27 |
27,0 |
70 |
35 |
7,0 |
0,12 |
|
Вт15 |
12,0 -
14,0 |
15 |
30 |
31,0 |
70 |
40 |
7,5 |
0,15 |
|
Вт16 |
15,0 -
15,5 |
16 |
36 |
34,8 |
70 |
48 |
10,0 |
0,24 |
|
Вт18 |
15,0 -
16,5 |
18 |
38 |
37,0 |
80 |
50 |
10,0 |
0,28 |
|
Вт19 |
17,0 -
18,0 |
19 |
39 |
39,4 |
80 |
52 |
10,0 |
0,30 |
|
Вт20 |
17,0 -
19,5 |
21 |
41 |
43,0 |
90 |
55 |
10,0 |
0,36 |
|
Вт23 |
20,0 -
21,5 |
23 |
43 |
46,5 |
90 |
58 |
10,0 |
0,39 |
|
Bт25 |
22,0 -
23,0 |
25 |
45 |
48,5 |
100 |
60 |
10,0 |
0,45 |
|
Вт26 |
22,0 -
24,5 |
26 |
46 |
51,0 |
100 |
65 |
10,0 |
0,49 |
|
Вт28 |
25,0 -
26,0 |
28 |
53 |
55,0 |
110 |
70 |
12,5 |
0,71 |
|
Вт30 |
27,0 |
30 |
55 |
60,0 |
125 |
75 |
12,5 |
0,87 |
|
Вт33 |
28,5 -
30,5 |
33 |
63 |
60,0 |
125 |
80 |
15,0 |
1,09 |
|
Вт36 |
31,0 -
33,0 |
36 |
66 |
66,0 |
140 |
85 |
15,0 |
1,32 |
|
Вт38 |
33,5 -
35,0 |
38 |
68 |
73,0 |
150 |
90 |
15,0 |
1,52 |
|
Вт40 |
36,5 -
37,0 |
40 |
70 |
80,0 |
160 |
95 |
15,0 |
1,71 |
3. Заделка концов канатов
опрессовкой стальной втулкой должна соответствовать указанной на черт. 5 и в табл.
3.

___________
* Размеры
для справок.
Черт.
5
Таблица
3
Размеры, мм
|
Диаметр каната dк |
a |
l |
l1 |
a1 |
Число обжатий z |
Длина втулки после обжатия L |
|
6,3 - 7,6 |
5 |
10 |
7 |
7 |
3 |
56 |
|
8,1 - 10,0 |
6 |
10 |
10 |
7 |
4 |
85 |
|
11,5 - 12,5 |
7 |
10 |
12 |
8 |
4 |
91 |
|
13,5 - 15,5 |
10 |
10 |
12 |
10 |
5 |
118 |
|
16,5 - 17,0 |
10 |
12 |
14 |
10 |
6 |
166 |
|
18,0 - 20,0 |
10 |
12 |
15 |
12 |
7 |
196 |
4. Конструкция и размеры
стальных втулок для заделки концов канатов должны соответствовать указанным на
черт. 6 и в табл.
4.

____________
* Размеры
для справок.
Черт.
6
Таблица
4
Размеры, мм
|
Обозначение втулок |
Диаметр каната dк |
Втулка |
Заготовка - труба по ГОСТ 8732-78, ГОСТ 8734-75 |
Масса втулки, кг |
|
b |
B1 |
l |
L |
D |
s |
|
СВт8 |
6,3 - 7,6 |
8 |
12,0 |
21 |
50 |
16 |
2,0 |
0,034 |
|
СВт8,5 |
7,6 - 8,1 |
8,5 |
13,5 |
23 |
80 |
22 |
2,5 |
0,076 |
|
СВт9 |
8,5 - 9,0 |
9 |
14,0 |
26 |
80 |
25 |
2,5 |
0,086 |
|
СВт11 |
9,7 - 10,0 |
11 |
16,0 |
25 |
80 |
25 |
2,5 |
0,086 |
|
СВт13 |
11,0 - 12,0 |
13 |
19,0 |
32 |
85 |
30 |
3,0 |
0,138 |
|
СВт15 |
12,5 - 14,0 |
15 |
21,0 |
35 |
112 |
32 |
3,0 |
0,207 |
|
СВт17 |
15,0 - 16,5 |
17 |
23,0 |
41 |
160 |
38 |
3,0 |
0,344 |
|
СВт19 |
17,0 - 18,0 |
19 |
27,0 |
49 |
160 |
45 |
4,0 |
0,536 |
|
СВт21 |
18,0 - 20,0 |
21 |
29,0 |
48 |
185 |
45 |
4,0 |
0,620 |
1 - 4. (Измененная редакция,
Изм. № 1, 2).
ПРИЛОЖЕНИЕ 3
Рекомендуемое
Схема строповки груза двумя
стропами 1СК и СКК

Схема строповки грузов
стропами СКП2

(Измененная редакция, Изм. №
1, 2).
ИНФОРМАЦИОННЫЕ
ДАННЫЕ
1. РАЗРАБОТАН И ВНЕСЕН
Государственным комитетом СССР по делам строительства
Разработчики
стандарта
Б. К. Горлов; Ж. Г.
Гордин,
канд. техн. наук (руководители темы); Г.
А. Шаранович; В. П. Петров; Ф. Ф. Игонин; В. И. Страхов; Г. М. Градобоева; С. Р. Райгородский; В. В.
Баконин
2. УТВЕРЖДЕН И ВВЕДЕН В
ДЕЙСТВИЕ Постановлением Государственного комитета СССР по делам строительства от
21.12.82 № 293
3. ВВЕДЕН
ВПЕРВЫЕ
4. ССЫЛОЧНЫЕ
НОРМАТИВНО-ТЕХНИЧЕСКИЕ ДОКУМЕНТЫ
|
Обозначение
НТД, на который дана ссылка |
Номер пункта,
приложения |
|
ГОСТ
112.1.001-83 |
4.1 |
|
ГОСТ
112.1.019-79 |
4.1 |
|
ГОСТ
12.3.002-75 |
4.1 |
|
ГОСТ 380-88 |
3.10,
приложение 1 |
|
ГОСТ 397-79 |
Приложение 1 |
|
ГОСТ 977-88 |
3.29,
3.38 |
|
ГОСТ 1050-88 |
3.10,
3.12,
3.31,
3.38,
приложение 1 |
|
ГОСТ 1497-84 |
6.6 |
|
ГОСТ
2224-72 |
2.6,
2.8,
3.9 |
|
ГОСТ 2688-80 |
2.6,
3.7 |
|
ГОСТ 3070-88 |
3.7 |
|
ГОСТ 3071-88 |
2.6,
2.8,
2.10,
3.7 |
ГОСТ 3077-80 |
3.7 |
|
ГОСТ 3079-80 |
2.6,
2.8,
12.10, 3.7 |
|
ГОСТ 3282-74 |
2.8,
2.9,
2.10,
3.15 |
|
ГОСТ 4543-71 |
3.31 |
|
ГОСТ 4784-74 |
3.12 |
|
ГОСТ 5919-73 |
Приложение 1 |
|
ГОСТ 6111-52 |
Приложение 1 |
|
ГОСТ 6211-81 |
Приложение 1 |
|
ГОСТ 6996-66 |
6.5 |
|
ГОСТ 7505-89 |
3.33 |
|
ГОСТ 7665-80 |
3.7 |
|
ГОСТ 7668-80 |
2.6,
2.8,
2.10,
3.7 |
|
ГОСТ 7798-70 |
Приложение 1 |
|
ГОСТ 7829-70 |
3.33 |
|
ГОСТ 8479-70 |
3.16,
5.3 |
|
ГОСТ 8732-78 |
Приложение 2 |
|
ГОСТ 8734-75 |
Приложение 2 |
|
ГОСТ 9012-59 |
6.6 |
|
ГОСТ 9013-59 |
6.6 |
|
ГОСТ 9389-75 |
Приложение 1 |
|
ГОСТ 9454-78 |
6.6 |
|
ГОСТ 9650-80 |
3.30 |
|
ГОСТ 12840-80 |
3.36,
4.3 |
|
ГОСТ 14192-77 |
7.4 |
|
ГОСТ 15150-69 |
3.2,
7.5,
7.6 |
|
ГОСТ 15878-79 |
Приложение 1 |
|
ГОСТ 18482-79 |
Приложение 2 |
|
ГОСТ 19281-89 |
3.10,
приложение 1 |
|
ГОСТ 25032-81 |
3.1 |
|
СНиП III-4-80 |
4.5 |
5. ПЕРЕИЗДАНИЕ (апрель 1990
г.) с ИЗМЕНЕНИЯМИ № 1, 2, утвержденными в марте 1987 г. и августе 1989 г. (ИУС
7-87; 12-89)
СОДЕРЖАНИЕ
|
Технические условия. 1
1. Типы.. 1
2. Основные
параметры и размеры.. 1
3.
Технические требования. 16
4. Требования
безопасности. 19
5. Правила
приемки. 20
6. Методы
испытаний. 21
7.
Маркировка, упаковка, транспортирование и хранение. 21
8. Гарантии
изготовителя. 22
Приложение
1 Конструкция и
размеры звеньев и захватов. 22
Приложение
2 Способы
заделки концов стропов. 80
Приложение
3 Схема
строповки груза двумя стропами 1СК и СКК.. 85
|
|
|