Крупнейшая бесплатная информационно-справочная система онлайн доступа к полному собранию технических нормативно-правовых актов РФ. Огромная база технических нормативов (более 150 тысяч документов) и полное собрание национальных стандартов, аутентичное официальной базе Госстандарта. GOSTRF.com - это более 1 Терабайта бесплатной технической информации для всех пользователей интернета. Все электронные копии представленных здесь документов могут распространяться без каких-либо ограничений. Поощряется распространение информации с этого сайта на любых других ресурсах. Каждый человек имеет право на неограниченный доступ к этим документам! Каждый человек имеет право на знание требований, изложенных в данных нормативно-правовых актах!

  


 

ГОСУДАРСТВЕННЫЙ СТАНДАРТ СОЮЗА ССР

ГВОЗДИ ПРОВОЛОЧНЫЕ

ТЕХНИЧЕСКИЕ УСЛОВИЯ

ГОСТ 283-75

КОМИТЕТ СТАНДАРТИЗАЦИИ И МЕТРОЛОГИИ СССР

Москва

ГОСУДАРСТВЕННЫЙ СТАНДАРТ СОЮЗА ССР

ГВОЗДИ ПРОВОЛОЧНЫЕ

Технические условия

Wire nails. Specification

ГОСТ
283-75

Постановлением Государственного комитета стандартов Совета Министров СССР от 17 июля 1975 г. № 1829 срок действия установлен

с 01.01.77

Проверен в 1981 г. Постановлением Госстандарта от 21.06.89 №1778 срок действия продлен

до 01.01.95

Несоблюдение стандарта преследуется по закону

Настоящий стандарт распространяется на проволочные гвозди круглого и фасонного сечения.

1. ТЕХНИЧЕСКИЕ ТРЕБОВАНИЯ

1.1. Гвозди должны изготовляться в соответствии с требованиями настоящего стандарта по технологическому регламенту, утвержденному в установленном порядке.

Гвозди изготовляют:

круглого сечения - из низкоуглеродистой стальной термически необработанной проволоки без покрытия по ГОСТ 3282-74 или из проволоки по другой нормативно-технической документации;

фасонного сечения - из низкоуглеродистой стальной термически необработанной проволоки без покрытия по нормативно-технической документации.

(Измененная редакция, Изм. № 1, 2).

1.2. (Исключен, Изм. № 1).

1.3. Предельные отклонения диаметра стержня гвоздей круглого сечения должны соответствовать требованиям ГОСТ 3282-74.

Предельные отклонения условного диаметра стержня и толщины гвоздей фасонного сечения должны соответствовать предельным отклонениям условного диаметра и толщины проволоки фасонного сечения.

1.4. Предельные отклонения на длину гвоздей должны быть равны ±d

(Измененная редакция, Изм. № 4)

1.5. Отклонение от соосности головки относительно стержня не должно быть более:

0,1 мм - для гвоздей диаметром стержня до 1,2 мм включ.;

0,2 мм - для гвоздей диаметром стержня св. 1,2 до 1,8 мм включ.;

0,3 мм - для гвоздей диаметром стержня св. 1,8 до 3,0 мм включ.;

0,5 мм - для гвоздей диаметром стержня св. 3,0 до 4,0 мм включ.;

0,7 мм - для гвоздей диаметром стержня св. 4,0 мм.

1.4, 1.5. (Измененная редакция, Изм. № 1).

1.6. Отклонения от круглости головок не должно быть более:

0,4 мм - для гвоздей диаметром головки до 3,0 мм включ.;

0,5 мм - для гвоздей диаметром головки св. 3,0 до 6,0 мм включ.;

0,9 мм - для гвоздей диаметром головки св. 6,0 до 10,0 мм включ.;

1,1 мм - для гвоздей диаметром головки св. 10,0 мм.

Допускается увеличение отклонения от круглости головок гвоздей фасонного сечения в 1,5 раза и толевых в 1,3 раза по сравнению с гвоздями круглого сечения.

(Измененная редакция, Изм. № 1, 2).

1.7. Торцевая поверхность конической головки строительных и кровельных гвоздей должна быть рифленой, гвоздей прочих видов - гладкой.

1.8. Заостренная часть гвоздя может иметь круглое или квадратное сечение. Угол заострения по граням не должен быть более 40°.

(Измененная редакция, Изм. № 1).

1.9. На стержне гвоздя допускаются продольные лыски с поперечными рисками от подающего ножа, четырехстороннее смятие, незначительные насечки и следы от разъемных матриц; под головкой гвоздя диаметрально расположенные наплывы металла.

Односторонний равномерный прогиб стержня гвоздя не должен быть более:

0,2 мм - для гвоздей длиной до 30 мм включ.;

0,3 мм - для гвоздей длиной св. 30 до 50 мм включ.;

0,5 мм - для гвоздей длиной св. 50 до 80 мм включ.;

0,7 мм - для гвоздей длиной св. 80 до 120 мм включ.;

1,0 мм - для гвоздей длиной св. 120 мм.

На 2% всех типоразмеров гвоздей партии, кроме тарных, допускается неотпавшая обсечка.

Для формовочных гвоздей допускается незначительное смятие с двух сторон на конце стержня и пятикратное увеличение прогиба по сравнению с указанным для других типоразмеров. По требованию потребителя формовочные гвозди изготовляют с прогибом, величина которого устанавливается по согласованию с изготовителем.

(Измененная редакция, Изм. № 1, 2).

2. ПРАВИЛА ПРИЕМКИ

2.1. Гвозди принимают партиями. Партия должна состоять из гвоздей одного типоразмера и быть оформлена документом о качестве, содержащим:

товарный знак или наименование и товарный знак предприятия-изготовителя;

условное обозначение гвоздя;

массу нетто, кг.

Допускается документ о качестве вкладывать в упаковочную единицу.

(Измененная редакция, Изм. № 1).

2.2. Гвозди для контроля должны отбираться методом случайной выборки из разных мест партии.

Размер выборки должен составлять не более 0,5% от партии, но не менее 40 шт.

2.3. Партия считается годной, если в выборке количество изделий с отступлениями от требований настоящего стандарта не превышает 4% с учетом 2% неотпавшей обсечки.

(Измененная редакция, Изм. № 1, 2).

2.4. При получении неудовлетворительных результатов контроля производится повторный контроль на удвоенной выборке. Результаты контроля распространяются на всю партию.

(Измененная редакция, Изм. № 1).

3. МЕТОДЫ КОНТРОЛЯ

3.1. Осмотр гвоздей производится без применения увеличительных приборов. Размеры и расположение поверхностей гвоздей проверяются универсальным измерительным инструментом или калибрами.

Высота головки, радиус под головкой и угол заострения гвоздей не проверяются и должны обеспечиваться технологическим инструментом.

(Измененная редакция, Изм. № 1).

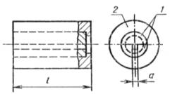
3.2. Контроль прогиба гвоздей производится при помощи приспособления, показанного на черт. 1.

1 - полуматрнца; 2 - обойма

Черт. 1

Полуматрицы вставляются в обойму по скользящей посадке. Размер квадратного отверстия а должен быть равен номинальному диаметру стержня гвоздя плюс допустимая величина прогиба согласно п. 1.9. Допуск на исполнение отверстия а - Н9 по ГОСТ 25347-82. Длина матрицы l должна быть не менее номинальной длины гвоздя.

Гвозди должны входить в отверстие приспособления до насечки без усилия и свободно проворачиваться в отверстии.

Допускается производить контроль прогиба гвоздей другими методами и средствами, аттестованными в установленном порядке.

При разногласиях контроль проводят способом, установленным настоящим стандартом.

(Измененная редакция, Изм. № 1, 2).

3.3. Отклонение от соосности головки относительно стержня должно соответствовать черт. 2 и вычисляться по формуле

3.4. Отклонение от круглости головки гвоздя должно соответствовать черт. 3 и вычисляться по формуле

3.3; 3.4. (Введены дополнительно, Изм. № 1).

Черт. 2

Черт. 3

4. МАРКИРОВКА, УПАКОВКА, ТРАНСПОРТИРОВАНИЕ И ХРАНЕНИЕ

4.1. Гвозди упаковывают в деревянные ящики по ГОСТ 18617-83, ящичные металлические поддоны по ОСТ 1443-80, бочки, специализированные и универсальные контейнеры, изготовленные по нормативно-технической документации. В каждой упаковочной единице должны быть гвозди одного типоразмера.

4.2. Масса брутто каждой упаковочной единицы должна быть не более:

250 кг - при упаковывании в бочки;

1000 кг - при упаковывании в поддоны ящичные металлические;

2150 кг - при упаковывании в ящики деревянные и специализированные контейнеры.

Отклонение от массы нетто гвоздей, указанной на упаковочной единице, не должно быть более:

± 1 % - для массы гвоздей до 1000 кг включ.;

±0,5% - для массы гвоздей св. 1000 кг.

4.1, 4.2. (Измененная редакция, Изм. № 1, 2).

4.3. Гвозди, предназначенные для розничной торговли, упаковывают в ящики массой брутто не более 10 кг россыпью или с предварительным мелким фасованием их в картонные, пластмассовые или металлические коробки.

При согласии конкретного потребителя Минторга СССР и Центросоюза допускается до 01.01.92 упаковка гвоздей в ящики массой брутто не более 60 кг, при этом при подъеме и перемещении тяжестей вручную применение женского труда не допускается.

В коробки могут быть упакованы:

1) гвозди одного типоразмера с массой гвоздей в коробке;

от 200 до 1000 г включ. с градацией 50, 100 г для гвоздей длиной 120 мм включ.;

св. 500 до 2000 г включ. с градацией 100 г для гвоздей длиной

св. 70 до 250 мм;

2) набор гвоздей из нескольких типоразмеров, при этом гвозди каждого типоразмера должны быть упакованы в отдельную картонную, пластмассовую или металлическую коробку. Допускается упаковывание гвоздей в секционные коробки. Масса брутто каждого набора должна быть не более 2000 г.

Для мелкого фасования гвоздей в качестве потребительской тары применяются картонные, пластмассовые или металлические коробки по нормативно-технической документации или согласованным чертежам.

Гвозди, предназначенные для розничной торговли, упаковывают в транспортную тару: деревянные ящики по ГОСТ 18617-83, ГОСТ 15623-84, картонные ящики по ГОСТ 13513-86, ГОСТ 13841-95 или деревянные, картонные, пластмассовые и металлические ящики по нормативно-технической документации или согласованным чертежам.

Для скрепления картонных ящиков и коробок применяется клеевая лента по ГОСТ 18251-87 или другие средства крепления по нормативно-технической документации. При поставке гвоздей россыпью деревянные ящики из дощечек должны выстилаться бумагой по ГОСТ 8828-89, ГОСТ 515-77 или по другой нормативно-технической документации. Допускается не выстилать ящики бумагой при условии обеспечения невысыпаемости гвоздей при транспортировании.

Групповое упаковывание гвоздей, предварительно расфасованных в потребительскую тару, допускается производить с применением термоусадочной пленки по ГОСТ 25951-83 или по другой нормативно-технической документации с последующим пакетированием на плоских деревянных поддонах по нормативно-технической документации. Масса брутто пакета не должна быть более 1000 кг.

Отклонение от массы нетто гвоздей, предварительно расфасованных в коробки, должны соответствовать приведенным в табл. 2.

Таблица2

Размер гвоздя, мм

Отклонение от массы нетто гвоздей,  %, при фасовании

Диаметр стержня

Длина

от 200

до 500 г

св.500

до 1000 г

св.1100

до 2000 г

0,8¸3,5

8¸70

±2,0

±1,0

-

1,6¸3,0

80¸150

±2,0

±1,0

±0,5

3,5¸5,0

90¸150

-

±2,0

±1,0

6,0

150¸200

-

±3,0

±2,0

8,0

250

-

±4,0

Отклонение от массы нетто гвоздей, расфасованных россыпью с массой брутто не более 10 кг, не должно быть более ±1,5%.

(Измененная редакция, Изм. № 3, Изм. № 4)

4.4. Гвозди и наборы из гвоздей, упакованные в транспортную тару, в том числе термоусадочную пленку, укладывают в поддоны ящичные металлические по ОСТ 1443-80 или формируют в транспортные пакеты. При формировании пакетов на плоских поддонах требования к ним должны соответствовать ГОСТ 26663-91. Основные параметры и размеры пакетов по ГОСТ 24597-81, средства скрепления пакетов по ГОСТ 21650-76. Допускается использование плоских поддонов одноразового применения по ГОСТ 26381-84 или по нормативно-технической документации.

Штабелирование пакетов при транспортировании в металлических ящичных поддонах на ОСТ 1443-80, при транспортировании в пакетах с применением плоских поддонов - не более чем в два яруса.

4.4. (Измененная редакция, Изм. № 2).

4.5. Упаковка гвоздей при транспортировании их в районы Крайнего Севера и приравненные к ним местности - по ГОСТ 15846-2002.

(Измененная редакция, Изм. № 4)

4.6. Каждая упаковочная единица с гвоздями должна иметь маркировку. Маркировка, должна проводиться бумажными ярлыками или с помощью трафарета или штампа. Маркировка должна быть четкой, располагаться на наружной стороне упаковочной единицы, быть видна при складировании и содержать:

товарный знак или наименование и товарный знак предприятия-изготовителя;

условное обозначение гвоздя;

массу нетто, кг.

Маркировка гвоздей в мелкой расфасовке дополняется:

количеством коробок или наборов в ящике;

номером упаковщика;

розничной ценой коробки или набора.

Каждая коробка должна иметь маркировку с указанием:

товарного знака или наименования и товарного знака предприятия-изготовителя;

условного обозначения гвоздя;

массы нетто, кг;

номера упаковщика;

штампа технического контроля;

розничной цены.

Маркировка, наносимая на этикетку внутренней коробки с гвоздями или саму коробку, входящую в набор, должна содержать условное обозначение гвоздя и массу нетто, кг.

4.5, 4.6. (Измененная редакция, Изм. № 1).

4.7. Гвозди транспортируют транспортом всех видов в соответствии с правилами перевозки грузов, действующими на транспорте данного вида и техническими условиями погрузки и крепления грузов, утвержденными МПС СССР.

Транспортирование гвоздей по железной дороге проводят в крытых вагонах повагонными или мелкими отправками. Гвозди в металлических ящичных поддонах и специализированных контейнерах могут транспортироваться на открытом подвижном составе.

Допускается транспортирование гвоздей в универсальных контейнерах по ГОСТ 20435-75, ГОСТ 15102-75, ГОСТ 22225-76 и по нормативно-технической документации.

(Измененная редакция, Изм. № 1, 2).

4.8. Транспортная маркировка - по ГОСТ 14192-96.

(Измененная редакция, Изм. № 4)

4.9. Хранение гвоздей - по условиям 5 ГОСТ 15150-69.

4.8, 4.9. (Измененная редакция, Изм. № 1).

ИНФОРМАЦИОННЫЕ ДАННЫЕ

1. РАЗРАБОТАН И ВНЕСЕН Министерством черной металлургии СССР

РАЗРАБОТЧИКИ

К. И. Туленков, канд. техн. наук; Б. М. Ригмант; И. В. Барышева; В.Г. Вильде

2. УТВЕРЖДЕН И ВВЕДЕН В ДЕЙСТВИЕ Постановлением Государственного комитета СССР по стандартам от 17.07.75 № 1829

3. ВЗАМЕН ГОСТ 283-63

4. ССЫЛОЧНЫЕ НОРМАТИВНО-ТЕХНИЧЕСКИЕ ДОКУМЕНТЫ

Обозначение НТД, на который дана ссылка

Номер пункта

ГОСТ 515-77

4.3

ГОСТ 3282-74

1.1, 1.3

ГОСТ 8828-89

4.3

ГОСТ 13513-86

4.3

ГОСТ 13841-79

4.3

ГОСТ 14192-77

4.8

ГОСТ 15102-75

4.7

ГОСТ 15150-69

4.9

ГОСТ 15623-84

4.3

ГОСТ 15846-79

4.5

ГОСТ 18251-87

4.3

ГОСТ 18617-83

4.1, 4.3

ГОСТ 20435-75

4.7

ГОСТ 21650-76

4.5

ГОСТ 22225-76

4.7

ГОСТ 24597-81

4.4

ГОСТ 25347-82

3.2

ГОСТ 25951-83

4.3

ГОСТ 26381-84

4.4

ГОСТ 26663-91

4.4

ОСТ 1443-80

4.4

5. Срок действия продлен до 01.01.95 (Постановление Госстандарта СССР от 21.06.89 № 1778)

6. Переиздание (август 1991 г.) с Изменениями № 1, 2, утвержденными в декабре 1986 г., июне 1989 г. (ИУС 4-87, 10-89)

СОДЕРЖАНИЕ

 

 




ГОСТЫ, СТРОИТЕЛЬНЫЕ и ТЕХНИЧЕСКИЕ НОРМАТИВЫ.
Некоммерческая онлайн система, содержащая все Российские Госты, национальные Стандарты и нормативы.
В Системе содержится более 150000 файлов нормативно-технической документации, действующей на территории РФ.
Система предназначена для широкого круга инженерно-технических специалистов.

Рейтинг@Mail.ru Яндекс цитирования

Copyright © www.gostrf.com, 2008 - 2026