Крупнейшая бесплатная информационно-справочная система онлайн доступа к полному собранию технических нормативно-правовых актов РФ. Огромная база технических нормативов (более 150 тысяч документов) и полное собрание национальных стандартов, аутентичное официальной базе Госстандарта. GOSTRF.com - это более 1 Терабайта бесплатной технической информации для всех пользователей интернета. Все электронные копии представленных здесь документов могут распространяться без каких-либо ограничений. Поощряется распространение информации с этого сайта на любых других ресурсах. Каждый человек имеет право на неограниченный доступ к этим документам! Каждый человек имеет право на знание требований, изложенных в данных нормативно-правовых актах!

  


 

ГОСУДАРСТВЕННЫЙ СТАНДАРТ СОЮЗА ССР

ПРОФИЛИ СТАЛЬНЫЕ ГНУТЫЕ
С-ОБРАЗНЫЕ РАВНОПОЛОЧНЫЕ

СОРТАМЕНТ

ГОСТ 8282-83

ИЗДАТЕЛЬСТВО СТАНДАРТОВ

Москва

ГОСУДАРСТВЕННЫЙ СТАНДАРТ СОЮЗА ССР

ПРОФИЛИ СТАЛЬНЫЕ ГНУТЫЕ
С-ОБРАЗНЫЕ РАВНОПОЛОЧНЫЕ

Сортамент

Bent-steel C-shaped equai flange sections. Dimensions

ГОСТ
8282-83*

 

01.01.84

 

1. Настоящий стандарт устанавливает сортамент гнутых С-образных равнополочных профилей, изготовленных на профилегибочных станах из холоднокатаной и горячекатаной стали обыкновенного качества, углеродистой качественной и низколегированной.

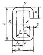
2. Поперечное сечение профилей должно соответствовать указанному на чертеже.

Таблица 1

h

b

a

s

R, не более

Площадь
сечения,
см2

Справочные величины для осей

Масса
1 м, кг

х-х

y-y

zо, см

мм

Ix, см4

Wx, см3

ix, см

Iy, см4

Wy, см3

iy, см

62

66

17,5

3

4,5

6,23

40,14

12,95

2,54

35,65

9,61

2,39

2,89

4,89

65

32

8

1

1,5

1,38

9,38

2,69

2,61

1,89

0,88

1,17

1,05

1,08

65

32

8

1,6

3

2,11

13,92

4,28

2,57

2,70

1,25

1,13

1,04

1,66

80

50

24

4

6

7,93

73,05

18,26

3,03

27,72

9,65

1,87

2,13

6,23

100

50

10

2

3

4,12

65,59

13,12

4,00

12,64

3,68

1,76

1,56

3,22

100

80

35

5

7,5

14,68

220,49

44,11

3,87

33,57

30,47

3,02

3,62

11,53

120

55

18

5

7,5

11,66

245,74

40,96

4,59

42,52

11,65

1,91

1,85

9,15

160

50

20

3

4,5

8,36

306,37

38,30

6,05

27,17

7,74

1,80

1,49

6,56

160

60

32

4

6

12,57

462,01

37,75

6,05

65,78

7,16

2,29

2,14

9,87

300

60

50

5

7,5

24,36

2861,55

190,77

10,84

125,61

30,42

2,27

1,87

19,12

400

160

50

3

4,5

24,01

6073,68

303,68

15,91

884,54

80,83

6,07

5,06

18,85

400

160

60

4

10

32,27

8028,19

401,41

15,77

1219,71

113,92

6,15

5,29

25,33

550

65

30

4

6

28,55

10258,72

373,04

18,96

110,32

20,64

1,97

1,16

22,41

410

65

30

4

6

22,95

4872,87

237,70

14,57

103,88

20,33

2,13

1,39

18,01

Примечания:

1. Площадь поперечного сечения и справочные величины для осей вычислены по номинальным размерам. При вычислении массы 1 м профиля плотность стали принята равной 7,85 г/см3.

2. С-образные профили из углеродистой кипящей и полуспокойной стали изготовляются с радиусами кривизны не более 1,5s, а из углеродистой спокойной и низколегированной - не более 2,5s.

3. С-образные профили 65´32´8´1 и 65´32´8´1,6 мм изготовляются из холоднокатаной заготовки.

Условные обозначения к чертежу и табл. 1:

h - высота профиля;

b - ширина профиля;

а - ширина полки;

S - толщина профиля;

R - радиус кривизны;

I - момент инерции;

W - момент сопротивления;

i - радиус инерции;

zо - расстояние от центра тяжести до наружной поверхности стенки.

3. Размеры, площадь поперечного сечения, справочные величины для осей и масса 1 м профиля должны соответствовать указанным в табл. 1.

4. (Исключен, Изм. № 1).

5. Предельные отклонения по размерам поперечного сечения профилей должны соответствовать указанным в табл. 2.

Таблица 2

мм

Размеры профилей

Предельные отклонения

Высота:

 

от 50 до 100 включ.

±1,5

св. 100 » 200 »

±3,0

» 200

±4,0

Ширина:

 

до 50 включ.

±1,5

св. 50 до 100 »

±2,0

» 100

±3,0

Ширина полки:

 

до 25 включ.

±2,0

св. 25 до 50 включ.

±3,0

» 50

±4,0

по требованию потребителя - указанным в табл. 3.

Таблица 3

мм

Размеры профилей

Предельные отклонения

Высота:

 

от 100 до 150 включ.

±1,5

св. 150 » 300 »

±2,0

» 300

±3,0

Ширина:

 

от 50 до 75 включ.

±1,5

6. Предельные отклонения от угла 90° не должны превышать:

± 1°30' - при ширине полки до 100 мм;

±2° - при ширине полки более 100 мм;

±1°30' - при ширине полки более 100 мм - по требованию потребителя.

7. Профили изготовляют длиной от 3 до 12 м:

мерной длины;

кратной мерной длины;

немерной длины.

По требованию потребителя допускается изготовление профилей длиной 11,8 м.

8. Предельные отклонения по длине профилей мерной и кратной мерной длины не должны превышать:

+40 мм - для профилей длиной до 6 м;

+80 мм - для профилей длиной свыше 6 м.

По требованию потребителя предельные отклонения по длине профилей мерной и кратной мерной длины не должны превышать:

+40 мм - для профилей длиной до 7 м;

+40 мм и +5 мм на каждый метр - для профилей длиной св. 7 м.

5 - 8. (Измененная редакция, Изм. № 1).

9. Скручивание профилей вокруг продольной оси не должно превышать произведения 1° на длину профиля в метрах, но не более 10°.

Для определения скручивания замеряется зазор между плоскостью контрольного стеллажа и плоскостью высоты профиля на прямолинейном участке (по диагонали).

10. Кривизна профилей не должна превышать 0,1% длины.

11. Волнистость полок профилей не должна превышать 2 мм на 1 м.

12. Вогнутость и выпуклость стенок профиля не должна превышать:

1,5 мм - при ширине прямолинейного участка стенки до 100 мм;

2,0 мм - при ширине прямолинейного участка стенки до 200 мм;

3,0 мм - при ширине прямолинейного участка стенки до 300 мм;

5,0 мм - при ширине прямолинейного участка стенки свыше 300 мм.

13. Высота и ширина профиля и полок измеряются в плоскостях, отстоящих соответственно от вертикальной и горизонтальной стенок на расстоянии, равном величине наружного радиуса кривизны (r+s).

14. Измерение размеров поперечного сечения, а также скручивания, кривизны, волнистости и выпуклости стенок профилей проводят на расстоянии 500 мм от торцов, а по требованию потребителя - 300 мм от торцов.

(Измененная редакция, Изм. № 1).

 




ГОСТЫ, СТРОИТЕЛЬНЫЕ и ТЕХНИЧЕСКИЕ НОРМАТИВЫ.
Некоммерческая онлайн система, содержащая все Российские Госты, национальные Стандарты и нормативы.
В Системе содержится более 150000 файлов нормативно-технической документации, действующей на территории РФ.
Система предназначена для широкого круга инженерно-технических специалистов.

Рейтинг@Mail.ru Яндекс цитирования

Copyright © www.gostrf.com, 2008 - 2026