| |
ГОСУДАРСТВЕННЫЙ СТАНДАРТ СОЮЗА ССР
|
УГОЛКИ СТАЛЬНЫЕ ГОРЯЧЕКАТАНЫЕ
НЕРАВНОПОЛОЧНЫЕ
Сортамент
Hot-rolled steel unequal-leg angles.
Dimensions
|
ГОСТ
8510-86
(СТ СЭВ 255-76)
|
Срок действия с
01.07.87
до 01.07.97
1. Настоящий
стандарт распространяется на стальные горячекатаные равнополочные уголки.
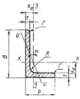
2. Размеры
уголков, площадь поперечного сечения, справочные величины для осей и массы 1 м
уголков должны соответствовать указанным на чертеже и в табл. 1.

Таблица 1
|
Номер
|
мм
|
Площадь
|
Справочные величины для
осей
|
x0,
|
y0,
|
Jxy
|
Угол
|
Масса1 м
|
|
уголка
|
в
|
b
|
t
|
R
|
r
|
поперечного
|
x - x
|
у - у
|
и - и
|
см
|
см
|
см4
|
наклона
|
уголка,
кг
|
|
|
|
|
|
|
|
сечения, см2
|
Jx, см4
|
Wx, см3
|
ix, см
|
Jу, см4
|
Wу, см3
|
iу, см
|
Iumin, см4
|
Wu, см3
|
iumin, см
|
|
|
|
оси,
tga
|
|
|
2,5/1,6
|
25
|
16
|
3
|
|
|
1,16
|
0,70
|
0,43
|
0,78
|
0,22
|
0,19
|
0,44
|
0,13
|
0,16
|
0,34
|
0,42
|
0,86
|
0,22
|
0,392
|
0,91
|
|
3/2*
|
30
|
20
|
3
4
|
3,5
|
1,2
|
1,43
1,86
|
1,27
1,61
|
0,62
0,82
|
0,94
0,93
|
0,45
0,56
|
0,30
0,39
|
0,56
0,55
|
0,26
0,34
|
0,25
0,32
|
0,43
0,43
|
0,51
0,54
|
1,0
1,04
|
0,43
0,54
|
0,427
3,421
|
1,12
1,46
|
|
3,2/2
|
32
|
20
|
3
4
|
|
|
1,49
1,94
|
1,52
1,93
|
0,72
0,93
|
1,01
1,00
|
0,46
0,57
|
0,30
0,39
|
0,55
0,54
|
0,28
0,35
|
0,25
0,33
|
0,43
0,43
|
0,49
0,53
|
1,08
1,12
|
0,47
0,59
|
0,382
0,374
|
1,17
1,52
|
|
4/2,5
|
40
|
25
|
3
4
5
|
4,0
|
1,3
|
1,89
2,47
3,03
|
3,06
3,93
4,73
|
1,14
1,49
1,82
|
1,27
1,26
1,25
|
0,93
1,18
1,41
|
0,49
0,68
0,77
|
0,70
0,69
0,68
|
0,56
0,71
0,86
|
0,41
0,52
0,64
|
0,54
0,54
0,53
|
0,59
0,63
0,66
|
1,32
1,37
1,41
|
0,96
1,22
1,44
|
0,385
0,281
0,374
|
1,48
1,94
2,37
|
|
4/3*
|
40
|
30
|
4
5
|
|
|
2,67
3,28
|
4,18
5,04
|
1,54
1,88
|
1,25
1,24
|
2,01
2,41
|
0,91
1,11
|
0,87
0,86
|
1,09
1,33
|
0,75
0,91
|
0,64
0,64
|
0,78
0,82
|
1,28
1,32
|
1,68
2,00
|
9,544
0,539
|
2,26
2,46
|
|
4,5/2,8
|
45
|
28
|
3
4
|
5,0
|
1,7
|
2,14
2,80
|
4,41
5,68
|
1,45
1,90
|
1,48
1,42
|
1,32
1,69
|
0,61
0,80
|
0,79
0,78
|
0,79
1,02
|
0,52
0,67
|
0,61
0,60
|
0,64
0,68
|
1,47
1,51
|
1,38
1,77
|
0,382
0,379
|
1,68
2,20
|
|
5/3,2
|
50
|
32
|
3
4
|
5,5
|
1,8
|
2,42
3,17
|
6,18
7,98
|
1,82
2,38
|
1,60
1,59
|
1,99
2,56
|
0,81
1,05
|
0,91
0,90
|
1,18
1,52
|
0,68
0,88
|
0,70
0,69
|
0,72
0,76
|
1,60
1,65
|
2,01
2,59
|
0,403
0,401
|
1,9
2,4
|
|
5,6/3,6
|
56
|
36
|
4
5
|
6,0
|
2,0
|
3,58
4,41
|
11,37
13,82
|
3,01
3,70
|
1,78
1,77
|
3,70
4,48
|
1,34
1,65
|
1,02
1,01
|
2,19
2,65
|
1,13
1,37
|
0,78
0,78
|
0,84
0,88
|
1,82
1,87
|
3,74
4,50
|
0,406
0,404
|
2,81
3,46
|
|
6,3/4,0
|
63
|
40
|
4
5
6
8
|
7,0
|
2,3
|
4,04
4,98
5,90
7,68
|
16,33
19,91
23,31
29,60
|
3,83
4,72
5,58
7,22
|
2,01
2,00
1,99
1,96
|
5,16
6,26
7,29
9,15
|
1,67
2,05
2,42
3,12
|
1,13
1,12
1,11
1,09
|
3,07
3,73
4,36
5,58
|
1,41
1,72
2,02
2,60
|
0,87
0,86
0,86
0,85
|
0,91
0,95
0,99
1,07
|
2,03
2,08
2,12
2,20
|
5,25
6,41
7,44
9,27
|
0,307
0,396
0,393
0,386
|
3,17
3,91
4,63
6,03
|
|
6,5/5*
|
65
|
50
|
5
6
7
8
|
6,0
|
2,0
|
5,56
6,60
7,62
8,62
|
23,41
27,46
31,32
35,00
|
5,20
6,16
7,08
7,99
|
2,05
2,04
2,03
2,02
|
12,08
14,12
16,05
18,88
|
3,23
3,82
4,38
4,93
|
1,47
l,46
1,45
1,44
|
6,41
7,52
8,60
9,65
|
2,68
3,15
3,59
4,02
|
1,07
1,07
1,06
1,06
|
1,26
1,30
1,34
1,37
|
2,00
2,04
2,08
2,12
|
9,77
11,46
12,94
13,61
|
0,576
0,575
0,571
0,570
|
4,36
5,18
5,98
6,77
|
|
7/4,5
|
70
|
45
|
5
|
7,5
|
2,5
|
5,59
|
27,76
|
5,88
|
2,23
|
9,05
|
2,62
|
1,27
|
5,34
|
2,20
|
0,98
|
1,05
|
2,28
|
9,12
|
0,406
|
4,39
|
|
7,5/5
|
75
|
60
|
5
6
7*
8
|
8,0
|
2,7
|
6,11
7,25
8,37
9,47
|
34,81
40,92
46,77
52,38
|
6,81
8,08
9,31
10,52
|
2,39
2,38
2,36
2,35
|
12,47
14,60
16,61
18,52
|
3,25
3,85
4,43
4,88
|
1,43
1,42
1,41
1,40
|
7,24
8,48
9,69
10,87
|
2,73
3,21
3,69
4,14
|
1,09
1,08
1,08
1,07
|
1,17
1,21
1,25
1,29
|
2,39
2,44
2,48
2,52
|
12,00
14,10
16,18
17,80
|
0,436
0,435
0,435
0,430
|
4,79
5,69
6,57
7,43
|
|
8/5
|
80
|
50
|
5
6
|
|
|
6,36
7,55
|
41,64
46,98
|
7,71
9,15
|
2,56
2,55
|
12,68
14,85
|
328
3,88
|
1,41
1,40
|
7,57
8,88
|
2,75
3,24
|
1,00
1,08
|
1,13
1,17
|
2,60
2,65
|
13,20
15,50
|
0,387
0,386
|
4,49
5,92
|
|
8/6*
|
80
|
60
|
6
7
8
|
8,0
|
2,7
|
8,15
9,42
10,67
|
52,06
59,61
66,88
|
9,42
10,87
12,38
|
2,53
2,52
2,50
|
25,18
28,74
32,15
|
5,58
6,43
7,26
|
1,76
1,75
1,74
|
13,61
15,58
17,49
|
4,66
5,34
5,99
|
1,29
1,29
1,28
|
1,49
1,53
1,57
|
2,47
2,52
2,56
|
20,98
24,01
26,83
|
0,547
0,546
0,544
|
6,39
7,39
8,37
|
|
9/5,6
|
90
|
56
|
5,5
6
8
|
9,0
|
3,0
|
7,86
8,54
11,18
|
65,28
70,58
90,87
|
10,74
11,66
15,24
|
2,88
2,88
2,85
|
19,67
21,22
27,08
|
4,53
4,91
6,39
|
1,58
1,58
1,56
|
11,77
12,70
16,29
|
3,81
4,12
5,32
|
1,22
1,22
1,21
|
1,26
1,28
1,36
|
2,92
2,95
3,04
|
20,54
22,23
28,33
|
0,384
0,384
0,380
|
6,17
6,70
8,77
|
|
10/6,3
|
100
|
63
|
6
7
8
10
|
|
|
9,58
11,09
12,57
15,47
|
98,29
112,86
126,96
l53,95
|
14,52
16,78
19,01
23,32
|
3,20
3,19
3,18
3,15
|
30,58
34,99
39,21
47,18
|
6,27
7,23
8,17
9,99
|
1,79
1,78
1,77
1,75
|
18,20
20,83
23,38
28,34
|
5,27
6,06
6,82
8,31
|
1,38
1,37
1,36
1,35
|
1,42
1,46
1,50
1,58
|
3,23
3,28
3,32
3,40
|
31,50
36,10
40,50
48,60
|
0,393
0,392
0,391
0,387
|
7,53
8,70
9,87
12,14
|
|
10/6,5*
|
100
|
65
|
7
8
10
|
10,0
|
3,3
|
11,23
12,73
15,67
|
114,05
128,31
155,52
|
16,87
19,11
23,45
|
3,19
3,18
3,15
|
38,32
42,96
51,68
|
7,70
8,70
10,64
|
1,85
1,84
1,82
|
22,77
25,24
30,60
|
6,43
7,26
8,83
|
1,41
1,41
1,40
|
1,52
1,56
1,64
|
3,24
3,28
3,37
|
38,00
42,64
51,18
|
0,415
0,414
0,410
|
8,81
9,99
12,30
|
|
11/7
|
110
|
70
|
6,5
8
|
|
|
11,45
13,93
|
142,42
171,54
|
19,11
23,22
|
3,53
3,51
|
45,61
54,64
|
8,42
10,20
|
2,00
1,98
|
26,94
32,31
|
7,05
8,50
|
1,53
1,52
|
1,58
1,64
|
3,55
3,61
|
46,80
55,90
|
0,402
0,400
|
8,98
10,93
|
|
12,5/8
|
125
|
60
|
7
8
10
12
|
11,0
|
3,7
|
14,06
15,98
19,70
23,36
|
226,53
225,62
311,61
364,79
|
26,67
30,26
37,27
44,07
|
4,01
4,00
3,98
3,95
|
73,73
80,95
100,47
116,84
|
11,89
13,47
16,52
19,46
|
2,29
2,28
2,26
2,24
|
43,40
48,82
59,33
69,47
|
9,96
11,25
13,74
16,11
|
1,76
1,75
1,74
1,72
|
1,80
1,84
1,92
2,00
|
4,01
4,05
4,14
4,22
|
74,70
84,10
102,00
118,00
|
0,407
0,406
0,404
0,400
|
11,04
12,53
15,47
18,34
|
|
14/9
|
140
|
90
|
8
10
|
12,0
|
4,0
|
18,00
22,24
|
363,68
444,45
|
38,25
47,19
|
4,49
4,47
|
119,79
145,54
|
17,19
21,14
|
2,58
2,58
|
70,27
85,51
|
14,39
17,58
|
1,58
1,96
|
2,03
2,12
|
4,49
4,58
|
121,00
147,00
|
0,411
0,400
|
4,13
17,46
|
|
16/10
|
160
|
100
|
9
10
12
14
|
13,0
|
4,3
|
22,87
25,28
30,04
34,72
|
605,97
666,59
784,22
897,19
|
56,04
61,91
73,42
84,65
|
5,15
5,13
5,11
5,08
|
186,03
204,09
238,75
271,60
|
23,96
26,42
31,23
35,89
|
2,85
2,84
2,82
2,80
|
110,40
121,16
142,14
162,49
|
20,01
22,02
25,93
29,75
|
2,20
2,19
2,18
2,16
|
2,24
2,28
2,36
2,43
|
5,19
5,23
5,32
5,40
|
194,00
213,00
249,00
282,00
|
0,391
0,390
0,388
0,385
|
17,96
19,85
23,58
27,26
|
|
18/11
|
180
|
110
|
10
12
|
|
|
28,33
33,69
|
952,28
1122,56
|
78,59
93,33
|
5,80
5,77
|
276,37
324,09
|
32,27
38,20
|
3,12
3,10
|
165,44
194,28
|
26,96
31,83
|
2,42
2,40
|
2,44
2,52
|
5,83
5,97
|
295,00
348,00
|
0,376
0,374
|
22,20
26,40
|
|
20/12,5
|
200
|
125
|
11
12
14
16
|
14,0
|
4,7
|
34,87
37,89
43,87
49,77
|
1449,02
1568,19
1800,83
2026,08
|
107,31
116,51
134,64
152,41
|
6,45
6,43
6,41
6,38
|
446,36
481,93
550,77
616,66
|
45,98
49,85
57,43
64,83
|
3,58
3,57
3,54
3,52
|
263,84
285,04
326,54
366,99
|
38,27
41,45
47,57
53,56
|
2,75
2,74
2,73
2,72
|
2,79
2,83
2,91
2,99
|
6,50
6,54
6,62
6,71
|
465,00
503,00
575,00
643,00
|
0,392
0,392
0,390
0,388
|
27,37
29,74
34,43
39,07
|
|
Примечания:
1. Площадь
поперечного сечения и справочные величины вычислены по номинальным размерам.
При вычислении массы 1 м уголка плотность стали принята равной 7,85 г/см3.
2. Радиусы
закругления, форма и размеры участка сопряжения внутренних граней полок,
указанные на чертеже и в табл. 1, даны для построения калибра и на уголке не
проверяют.
3. Уголки,
отмеченные звездочкой, изготовляют по требованию потребителя.
|
Условные
обозначения к чертежу и табл. 1:
В - ширина большей полки;
b - толщина меньшей полки;
l - толщина полки;
R - радиус внутреннего
закругления;
r - радиус закругления полок;
J - момент инерции;
i - радиус
инерции;
x0, y0 - расстояние от центра тяжести
до наружных граней полок;
Jxy - центробежный момент инерции.
(Измененная редакция, Изм. № 1).
3. По точности
прокатки уголки изготовляют:
А - высокой точности;
В - обычной точности.
4. Предельные
отклонения по размерам уголков не должны превышать указанных в табл. 2.
Таблица
2
|
Номер уголка
|
Предельные отклонения, мм
|
|
|
по ширине
|
по толщине полки
|
|
|
полки
|
до 6 включ.
|
от 6,5 до 9 включ.
|
св. 9
|
|
|
|
А
|
в
|
А
|
в
|
А
|
в
|
|
2,5/1,6 - 5/3,2
|
±1,0
|
+0,2
-0,3
|
±0,3
|
-
|
-
|
-
|
-
|
|
5,6/3,6 - 9/5,6
|
±15
|
+0,2
-0,4
|
+0,3
-0,4
|
+0,2
-0,5
|
+0,3
-0,5
|
-
|
-
|
|
10/6,3 - 16/10
|
+2,0
|
+0,3
-0,4
|
±0,4
|
+0,3
-0,5
|
+0,4
-0,5
|
+0,3
-0,6
|
+0,4
-0,6
|
|
18/11 - 20/12,5
|
±3,0
|
-
|
-
|
-
|
-
|
+0,4
-0,7
|
+0,5
-0,7
|
5. Предельные отклонения по размерам уголков,
изготовленных на станах, не оборудованных жесткими клетями, не должны превышать
указанных в табл. 3 до 01.01.93.
(Измененная редакция, Изм. № 1).
6. По
согласованию изготовителя с потребителем предельные отклонения по толщине полки
допускается заменять предельными отклонениями по массе, равными %.
7. Отклонение
от прямого угла при вершине не должно превышать 35¢.
Таблица
3
|
|
Предельные отклонения, мм
|
|
Номер уголка
|
по ширине
|
по толщине полки
|
|
|
полки
|
до 6 включ.
|
от 6,5 до 9 включ.
|
св. 9
|
|
|
|
А
|
в
|
A
|
в
|
A
|
в
|
|
2,5/1,6 - 5/3,2
|
±1,0
|
+0,2
-0,3
|
+0,3
-0,4
|
-
|
-
|
-
|
-
|
|
5,6/3,6 - 9/5,6
|
±1,5
|
+0,2
-0,4
|
+0,3
-0,5
|
+0,2
-0,5
|
+0,3
-0,6
|
-
|
-
|
|
10/6,3 - 16/10
|
±2,0
|
+0,3
-0,4
|
+0,4
-0,5
|
+0,3
-0,5
|
+0,4
-0,6
|
+0,3
-0,6
|
+0,4
-0,7
|
|
18/11 - 20/12,5
|
±3,0
|
-
|
-
|
-
|
-
|
+0,4
-0,7
|
+0,5
-0,8
|
8. Притупление внешних углов полок (в том числе и угла
при вершине) не контролируются.
По требованию
потребителя притупление внешних углов полок (в том числе и угла при вершине) не
должно превышать:
0,3 толщины
полки - для уголков толщиной до 10 мм включ.;
3,0 - для
уголков толщиной св. 10 до 15 мм включ.;
5,0 - для
уголков толщиной св. 16 мм.
9. Уголки
изготовляют длиной от 4 до 12 м:
мерной длины;
кратной мерной
длины;
немерной
длины;
ограниченной
длины в пределах немерной;
мерной длины с
немерными длинами не более 5% массы партии;
кратной мерной
длины с немерными длинами не более 5% массы партии.
Допускается
изготовлять уголки длиной свыше 12 м.
8., 9. (Измененная редакция, Изм. № 1).
10. Предельные
отклонения по длине уголков мерной длины или кратной мерной длины не должны
превышать в миллиметрах:
+30 - при
длине 4 м;
+50 - при
длине свыше 4 м до 6 м включ.;
+70 - при
длине свыше 6 м;
по требованию потребителя +40 мм - для уголков длиной
свыше 4 до 7 м:
+5 мм на
каждый 1 м свыше 7 м.
11. Кривизна уголков не должна
превышать 0,4% длины.
По требованию
потребителя изготовляют уголки, кривизна которых не превышает 0,2 % длины.
Для уголков №
2,5/1,6 до 5,6/3,6 включ. кривизну проверяют на длине 1 м.
12.
Скручивание вокруг продольной оси не допускается.
13. Размеры
поперечного сечения уголка проверяются на расстоянии не менее 500 мм от торца
штанги.
ИНФОРМАЦИОННЫЕ ДАННЫЕ
1. РАЗРАБОТАН И ВНЕСЕН Министерством
металлургии СССР, Госстроем СССР
РАЗРАБОТЧИКИ
С.
И. Рудюк, канд. техн. наук; В. Ф.
Коваленко, канд. техн. наук; Н. Ф.
Грицук, канд. техн. наук; К. Ф.
Перетятько; Г. И. Снимщикова; Е. И. Булгаков; Ж. М. Роева, канд. экон.
наук; В.И. Краснова; Б. Г. Павлов,
канд. техн. наук; В. Ф. Беляев,
канд. техн. наук; В. В. Березин,
канд. техн. наук; С. И. Бочкова
2. УТВЕРЖДЕН И ВВЕДЕН В ДЕЙСТВИЕ Постановлением
Государственного комитета СССР по стандартам от 15 октября 1986 г. № 3083
3. Стандарт
полностью соответствует СТ СЭВ 255-76
4. ВЗАМЕН
ГОСТ 8510-72
5. Срок
действия продлен до 01.07.97 Постановлением Госстандарта СССР от 28.12.90 №
3429
6. Переиздание
с Изменением № 1, утвержденным в декабре 1990г. (ИУС4-91).
|
|