| |

ГОСУДАРСТВЕННЫЙ СТАНДАРТ СОЮЗА ССР
СВАРКА ПОД ФЛЮСОМ.
СОЕДИНЕНИЯ СВАРНЫЕ
ОСНОВНЫЕ
ТИПЫ, КОНСТРУКТИВНЫЕ ЭЛЕМЕНТЫ И РАЗМЕРЫ
ГОСТ
8713-79
ИЗДАТЕЛЬСТВО СТАНДАРТОВ
Москва
ГОСУДАРСТВЕННЫЙ
СТАНДАРТ СОЮЗА ССР
|
СВАРКА
ПОД ФЛЮСОМ.
СОЕДИНЕНИЯ СВАРНЫЕ
Основные типы, конструктивные элементы и
размеры
Flux welding. Welded joints. Maih types design
elements and dimensions
|
ГОСТ
8713-79
|
Дата
введения 01.01.81
1. Настоящий стандарт
распространяется на соединения из сталей, а также сплавов на железоникелевой и
никелевой основах, выполняемых сваркой под флюсом, и устанавливает основные
типы, конструктивные элементы и размеры сварных соединений.
Стандарт не распространяется на
сварные соединения стальных трубопроводов по ГОСТ
16037-80.
2. В стандарте приняты следующие
обозначения способов сварки под флюсом:
АФ - автоматическая на весу;
АФф - автоматическая на флюсовой
подушке;
АФм - автоматическая на флюсомедной
подкладке;
АФо - автоматическая на
остающейся подкладке;
АФп - автоматическая на медном
ползуне;
АФш - автоматическая с
предварительным наложением подварочного шва;
АФк - автоматическая с
предварительной подваркой корня шва;
МФ - механизированная на весу;
МФо - механизированная на
остающейся подкладке;
МФш -механизированная с
предварительным наложением подварочного шва;
МФк - механизированная с
предварительной подваркой корня шва.
(Измененная редакция, Изм. №
2).
3. Основные типы сварных
соединений приведены в табл. 1, сечения предварительно наложенных
подварочных швов условно зачернены.
Таблица 1
|
Тип
соединения
|
Форма подготовленных кромок
|
Характер сварного шва
|
Форма поперечного сечения
|
Способ сварки
|
Толщина свариваемых деталей, мм
|
Условное обозначение сварного соединения
|
|
|
подготовленных кромок
|
сварного шва
|
|
|
Стыковое
|
С отбортовкой
кромок
|
Односторонний
|

|

|
АФ; МФ
|
1,5-3,0
|
C1
|
|
|

|

|
2,0-12,0
|
C47
|
|
|
Вез скоса
кромок
|
|
|

|

|
АФф
|
2,0 10,0
|
C4
|
|
|

|
АФм
|
3,0-12,0
|
|
|

|
АФп
|
5,0-20,0
|
|
|
Стыковое
|
Без скоса кромок
|
Односторонний
|

|

|
АФо; МФо
|
2,0-12,0
|
С5
|
|
|
Двусторонний
|

|

|
АФ; МФ
|
2,0-20,0
|
С7
|
|
|

|
АФш; МФш
|
2,0-12,0
|
|
|

|

|
АФф
|
2,0-32,0
|
С29
|
|
|
Без скоса кромок с последующей строжкой
|

|
16,0-32,0
|
С3О
|
|
|
Стыковое
|
Со скосом одной
кромки
|
Односторонний
|

|

|
АФф
|
8,0 20,0
|
С9
|
|
|

|
АФм
|
|
|

|

|
АФо; МФо
|
8,0-30,0
|
С10
|
|
|
Стыковое
|
Со скосом одной
кромки
|
Односторонний
замковый
|

|

|
АФо
|
8,0-30,0
|
С11
|
|
|
Двусторонний
|

|

|
АФ
|
14,0-20,0
|
С12
|
|
|
С криволинейным
скосом одной кромки
|
Односторонний
|

|

|
АФф
|
16,0-50,0
|
С31
|
|
|
Стыковое
|
С ломанным скосом одной кромки
|
Односторонний
|

|

|
АФф
|
16,0-50,0
|
C32
|
|
|
С двумя симметричными скосами одной кромки
|
Двусторонний
|

|

|
АФ
|
20,0-30,0
|
C15
|
|
|
Со скосом кромок
|
Односторонний
|

|

|
АФф
|
8,0-24,0
|
C18
|
|
|

|
АФм
|
12,0-30,0
|
|
|
Стыковое
|
Со скосом
кромок
|
Односторонний
|

|

|
АФо; МФо
|
8,0-30,0
|
C19
|
|
|
Односторонний
замковый
|

|

|
АФо
|
C20
|
|
|
Двусторонний
|

|

|
АФ; МФ
|
14,0-30,0
|
C21
|
|
|
Стыковое
|
Со скосом кромок
|
Двусторонний
|

|

|
АФк;
МФк
|
14,0-30,0
|
C21
|
|
|

|

|
АФш; МФш
|
5,0-14,0
|
|
|

|

|
АФф
|
14,0-30,0
|
С33
|
|
|
Стыковое
|
С криволинейным
скосом кромок
|
Односторонний
|

|

|
АФо
|
16,0-60,0
|
С34
|
|
|
Односторонний
замковый
|

|

|
16,0-50,0
|
С35
|
|
|
Двусторонний
|

|

|
АФк
|
24,0-160,0
|
С23
|
|
|
Стыковое
|
С ломанным скосом кромок
|
Односторонний
|

|

|
АФф
|
20,0-60,0
|
С36
|
|
|
С ломанным скосом кромок
|
Односторонний замковый
|

|

|
АФо
|
16,0-60,0
|
С37
|
|
|
С двумя симметричными скосами кромок
|
Двусторонний
|

|

|
АФ; МФ
|
18,0-60,0
|
С25
|
|
|
Стыковое
|
С двумя
симметричными скосами кромок
|
Двусторонний
|

|

|
АФк
|
24,0-60,0
|
С25
|
|
|

|

|
АФф
|
18,0-60,0
|
С38
|
|
|
С двумя
несимметричными скосами кромок
|

|

|
АФш; МФш
|
16,0-60,0
|
С39
|
|
|
С двумя
симметричными криволинейными скосами кромок
|

|

|
АФ
|
50,0-160,0
|
С26
|
|
|
Стыковое
|
С двумя несимметричными скосами кромок
|
Двусторонний
|

|

|
АФш
|
24,0-130,0
|
С40
|
|
|

|

|
24,0-60,0
|
С41
|
|
|
Угловое
|
С отбортовкой одной кромки
|
Односторонний
|

|

|
АФ; МФ
|
1,5-3,0
|
У1
|
|
|
Без скоса кромок
|
Двусторонний
|

|

|
АФш; МФш
|
4,0-14,0
|
У5
|
|
|
Угловое
|
Со скосом одной кромки
|
Двусторонний
|

|

|
АФш; МФш
|
8,0-20,0
|
У7
|
|
|
С двумя несимметричными скосами одной кромки
|

|

|
20,0-40,0
|
У3
|
|
|
Тавровое
|
Без скоса кромок
|
Односторонний
|

|

|
АФ; МФ
|
3,0-40,0
|
Т1
|
|
|

|
|
|
Двусторонний
|
Т3
|
|
|
Тавровое
|
Без скоса
кромок
|
Двусторонний
|

|

|
АФш; МФш
|
3,0-20,0
|
Т3
|
|
|
Со скосом одной
кромки
|

|

|
АФш; МФш
|
8,0-30,0
|
Т7
|
|
|
С криволинейным
скосом одной кромки
|

|

|
АФш
|
16,0-30„0
|
Т2
|
|
|
Тавровое
|
С двумя
симметричными скосами одной кромки
|
Двусторонний
|

|

|
АФ; МФ
|
16,0-40,0
|
Т8
|
|
|
С двумя
несимметричными скосами одной кромки
|

|

|
АФш; МФш
|
20,0-40,0
|
Т4
|
|
|
Тавровое
|
С двумя
симметричными криволинейными скосами одной кромки
|
Двусторонний
|

|

|
АФ
|
30,0-60,0
|
T5
|
|
|
Нахлесточное
|
Без скоса кромок
|
Односторонний
|

|

|
АФ; МФ
|
10-20,0
|
H1
|
|
|
Двусторонний
|

|
H2
|
|
(Измененная редакция, Изм. № 2, 3).
4. Конструктивные элементы
сварных соединений и их размеры должны соответствовать указанным в табл. 2-52,
сечения предварительно наложенных подварочных швов условно зачернены.
Таблица 2
Размеры,
мм
* Размер для справок.
Таблица 3
Размеры,
мм
|
Условное обозначение сварного соединения
|
Конструктивные элементы
|
Способ сварки
|
s=s1
|
b
|
е, не более
|
g
|
|
подготовленных кромок свариваемых деталей
|
сварного шва
|
Номин.
|
Пред. откл.
|
Номин.
|
Пред. откл.
|
|
C47
|

|

|
АФ, МФ
|
2
|
0
|
+0,3
|
8,5
|
1,5
|
±1,0
|
|
Св. 2 до 3
|
+0,5
|
10
|
|
Св. 3 до 4
|
+0,8
|
12
|
2,0
|
+1,0 -1,5
|
|
Св. 4 до 5
|
+1,0
|
11
|
|
Св. 5 до 6
|
|
Св. 6 до 8
|
16
|
|
Св. 8 до 10
|
19
|
|
Св. 10 до 12
|
21
|
Примечание.
Способ сварки МФ для s<3
мм применять не рекомендуется.
Таблица 4
Размеры,
мм
|
Условное обозначение сварного соединения
|
Конструктивные элементы
|
Способ сварки
|
s=s1
|
b
|
е, не более
|
g
|
g1
|
|
|
подготовленных кромок
|
сварного шва
|
Номин.
|
Пред. откл.
|
Номин.
|
Пред. откл.
|
Номин.
|
Пред. откл.
|
|
|
C4
|

|

|
АФф
|
2
|
0,0
|
+1,0
|
12
|
1,5
|
±1,0
|
1,0
|
±1,0
|
|
|
Св. 2 до 3
|
1,0
|
±1,0
|
|
|
Св. 3 до 4
|
16
|
2,0
|
+1,0
-1,5
|
1,5
|
+1,0
|
|
|
Св. 4 до 5
|
1,5
|
|
|
-1,5
|
|
|
Св. 5 до 6
|
21
|
|
|
Св. 6 до 7
|
2,0
|
±1,5
|
2,0
|
+1,0
-2,0
|
|
|
Св. 7 до 10
|
26
|
|
Примечание. Допускается отсутствие выпуклости обратной стороны шва и местные
вогнутости глубиной не более 0,1s при полном проплавлении
кромок. Значение e1 должно быть от 4 мм до 0,5е.
Таблица 5
Размеры,
мм
|
Условное обозначение сварного соединения
|
Конструктивные элементы
|
Способ сварки
|
s=s1
|
b
|
е, не более
|
g1
|
|
подготовленных кромок свариваемых деталей
|
сварного шва
|
Номин.
|
Пред. откл.
|
Номин.
|
Пред. откл.
|
|
C4
|

|

|
АФм
|
3
|
1,0
|
+0,5
|
14
|
1,5
|
+1,0
-1,5
|
|
4
|
16
|
|
Св. 4 до 5
|
1,5
|
+1,0
|
|
Св. 5 до 6
|
21
|
|
Св. 6 до 7
|
2,0
|
2,0
|
+1,0
-2,0
|
|
Св. 7 до 10
|
26
|
|
Св. 10 до 12
|
4,0
|
28
|
Примечание. Допускается отсутствие выпуклости обратной стороны шва и местные
вогнутости глубиной не более 0,1s при полном проплавлении
кромок. Значение е1 должно быть от 4 мм до 0,5е.
Таблица 6
Размеры,
мм
|
Условное обозначение сварного соединения
|
Конструктивные элементы
|
Способ сварки
|
s=s1
|
e1
±4
|
е,
не более
|
b
|
g=g1
|
|
подготовленных кромок свариваемых деталей
|
сварного шва
|
Номин.
|
Пред. откл.
|
Номин.
|
Пред. откл.
|
|
С4
|

|

|
АФп
|
5-6
|
12
|
23
|
3
|
+2
|
1,5
|
±1,0
|
|
7-10
|
14
|
26
|
4
|
+1,5
-1,0
|
|
12-14
|
28
|
|
16-18
|
16
|
36
|
5
|
2,0
|
±1,5
|
|
20
|
38
|
6
|
Примечание. Допускается отсутствие выпуклости обратной стороны шва и местные
вогнутости глубиной не более 0,1s при полном проплавлении
кромок.
Таблица 7
Размеры,
мм
|
Условное обозначение сварного соединения
|
Конструктивные элементы
|
Способ сварки
|
s=s1
|
b
|
m, не
менее
|
е,
не более
|
g
|
|
подготовленных кромок свариваемых деталей
|
сварного шва
|
Номин.
|
Пред. откл.
|
Номин.
|
Пред. откл.
|
|
С5
|

|

|
АФо; МФо
|
2
|
1,5
|
±1,0
|
15
|
12
|
1,5
|
±1,0
|
|
Св. 2 до 3
|
17
|
|
Св. 3 до 4
|
2,0
|
2,0
|
+1,0
-1,5
|
|
Св. 4 до 5
|
20
|
|
Св. 5 до 6
|
3,0
|
±1,5
|
21
|
|
Св. 6 до 7
|
25
|
|
Св. 7 до 8
|
26
|
|
Св. 8 до 10
|
4,0
|
30
|
|
Св. 10 до 12
|
5,0
|
28
|
Примечание. Способ сварки МФо для s>6 мм применять не
рекомендуется.
Толщина подкладки должна быть не менее 0,25, но не
менее 1,5 мм.
Таблица 8
Размеры,
мм
|
Условное обозначение сварного соединения
|
Конструктивные элементы
|
Способ сварки
|
s=s1
|
b
|
е,
не более
|
g
|
|
подготовленных кромок свариваемых деталей
|
сварного шва
|
Номин.
|
Пред. откл.
|
Номин.
|
Пред. откл.
|
|
С7
|

|

|
АФ; МФ
|
2
|
0
|
+0,3
|
8,5
|
1,5
|
±1,0
|
|
Св. 2 до 3
|
+0,5
|
10
|
|
Св. 3 до 4
|
+0,8
|
12
|
2,0
|
+1,0
-1,5
|
|
Св. 4 до 5
|
+1,0
|
14
|
|
Св. 5 до 6
|
19
|
|
Св. 6 до 9
|
±1,5
|
|
Св. 9 до 14
|
23
|
3,0
|
+1,5
-2,0
|
|
Св. 14 до 20
|
28
|
±2,0
|
Примечание. Способ сварки МФ для s>6 мм применять не
рекомендуется.
Таблица 9
Размеры, мм
|
Условное обозначение сварного соединения
|
Конструктивные элементы
|
Способ сварки
|
s=s1
|
b
|
е,
не более
|
e1±2
|
g
|
|
подготовленных кромок свариваемых деталей
|
сварного шва
|
Номин.
|
Пред. откл.
|
Номин.
|
Пред. откл.
|
|
С7
|

|

|
АФш; МФш
|
2
|
0,5
|
+0,5
|
8,5
|
8
|
1,5
|
±10
|
|
Св. 2 до 3
|
1,0
|
±1,0
|
10
|
|
|
Св. 3 до 4
|
12
|
2,0
|
+1,0
-1,5
|
|
Св. 4 до 5
|
14
|
10
|
|
Св. 5 до 7
|
1,5
|
+1,0
-1,5
|
16
|
12
|
|
Св. 7 до 12
|
2,0
|
+1,0
-2,0
|
19
|
14
|
3,0
|
+1,0
-2,0
|
Примечание. Способ сварки МФш для толщин 3 мм ³s³6 мм применять не
рекомендуется.
Таблица 10
Размеры,
мм
|
Условное обозначение сварного соединения
|
Конструктивные элементы
|
Способ сварки
|
s=s1
|
b
|
е,
не более
|
g
|
|
подготовленных кромок
|
сварного шва
|
Номин.
|
Пред. откл.
|
Номин.
|
Пред. откл.
|
|
С29
|

|

|
АФф
|
2
|
0
|
+1
|
8,5
|
1,5
|
±1,0
|
|
Св. 2 до 3
|
1
|
±1
|
10
|
+1,0
-1,5
|
|
Св. 3 до 5
|
12
|
2,0
|
|
Св. 5 до 6
|
19
|
|
Св. 6 до 9
|
2
|
|
Св. 9 до 10
|
24
|
+1,0
-2,0
|
|
Св. 10 до 14
|
2,5
|
|
Св. 14 до 16
|
26
|
±2,0
|
|
Св. 16 до 22
|
4
|
+1
-2
|
34
|
|
Св. 22 до 2,6
|
5
|
+1
-2
|
40
|
3,0
|
+2,0
-2,5
|
|
Св. 26 до 30
|
6
|
+2
-1
|
42
|
+2,0
3,0
|
|
АФф*
|
От 6 до 9
|
3
|
±1
|
22
|
2,5
|
±1,5
|
|
Св. 9 до 16
|
4
|
26
|
|
Св. 16 до 24
|
5
|
±1,5
|
34
|
|
Св. 24 до 32
|
6
|
40
|
3
|
±2
|
* Перед
сваркой первого шва зазор на № 1/3 толщину основного металла необходимо
заполнить флюсом, а затем на оставшиеся 2/3 крупкой из электродной проволоки,
окатышами или другим гранулированным металлом.
Таблица
11
Размеры,
мм
|
Условное обозначение сварного соединения
|
Конструктивные элементы
|
Способ сварки
|
s=s1
|
h ±1
|
f ±2
|
е,
не более
|
|
|
подготовленных кромок свариваемых деталей
|
сварного шва
|
|
|
С30
|

|

|
АФф
|
От 16 до 22
|
8
|
9
|
18
|
|
|
Св. 22 до 26
|
13
|
14
|
24
|
|
|
Св. 26 до 32
|
18
|
18
|
28
|
|
|

|
|
Таблица 12
Размеры,
мм
|
Условное обозначение сварного соединения
|
Конструктивные
элементы
|
Способ сварки
|
s=s1
|
е
|
g
|
|
|
подготовленных
кромок свариваемых деталей
|
сварного шва
|
Номин.
|
Пред. откл.
|
Номин.
|
Пред. откл.
|
|
|
С9
|

|

|
АФф; AФм
|
От 8 до 9
|
18
|
±3
|
1,5
|
±1,0
|
|
|
|
С. 9 до 10
|
20
|
±4
|
|
|
|
|
Св. 10 до 14
|
22
|
2,0
|
+1,0
-1,5
|
|
|
|
|
Св. 14 до 20
|
24
|
2,5
|
+1,0
-2,0
|
|
|
|
Примечание. Допускается отсутствие выпуклости обратной стороны шва и местные
вогнутости глубиной не более 0,1s при полном проплавлении
кромок.
Таблица 13
Размеры,
мм
|
Условное обозначение сварного соединения
|
Конструктивные элементы
|
Способ сварки
|
s=s1
|
b
|
d, не менее
|
m, не
менее
|
е
|
g
|
|
подготовленных кромок свариваемых деталей
|
сварного шва
|
Номин.
|
Пред. откл.
|
Номин.
|
Пред. откл.
|
Номин.
|
Пред. откл.
|
|
С10
|

|

|
АФо; МФо
|
8
|
2
|
±1,0
|
3
|
25
|
18
|
±3
|
1,5
|
±1,0
|
|
Св. 8 до 10
|
20
|
|
|
Св. 10 до 12
|
22
|
±4
|
2,0
|
+1,0
|
|
Св. 12 до 14
|
3
|
±1,5
|
4
|
-1,5
|
|
Св. 14 до 16
|
24
|
2,5
|
+1,0
-2,0
|
|
Св. 16 до 18
|
4
|
30
|
|
Св. 19 до 20
|
6
|
|
Св. 20 до 24
|
5
|
26
|
+1,5
-2,0
|
|
Св. 24 до 30
|
40
|
30
|
Таблица
14
Размеры,
мм
|
Условное обозначение сварного соединения
|
Конструктивные элементы
|
Способ сварки
|
s
|
b
|
е
|
g
|
|
подготовленных кромок свариваемых деталей
|
сварного шва
|
Номин.
|
Пред. откл.
|
Номин.
|
Пред. откл.
|
Номин.
|
Пред. откл.
|
|
С11
|

|

|
АФо
|
8
|
2
|
±1,0
|
18
|
±3
|
1,5
|
+1,0
|
|
Св. 8 до 10
|
20
|
|
|
Св. 10 до 12
|
22
|
±4
|
2,0
|
+1,0
|
|
Св. 12 до 14
|
3
|
±1,5
|
-1,5
|
|
Св. 14 до 16
|
24
|
2,5
|
+1,0
|
|
Св. 16 до 20
|
4
|
-2,0
|
|
Св. 20 до 24
|
5
|
26
|
+1,5
|
|
Св. 24 до 30
|
30
|
-2,0
|
Таблица 15
Размеры,
мм
|
Условное обозначение сварного соединения
|
Конструктивные элементы
|
Способ сварки
|
s=si
|
е
|
g
|
|
подготовленных кромок свариваемых деталей
|
сварного шва
|
Номин
|
Пред откл.
|
Номин.
|
Пред. откл.
|
|
C12
|

|

|
АФ
|
14
|
18
|
±3
|
2,0
|
+1,0
-1,5
|
|
Св. 14 до 16
|
2,5
|
+1,0
-2,0
|
|
Св. 16 до 20
|
22
|
±4
|
Таблица 16
Размеры,
мм
|
Условное обозначение сварного соединения
|
Конструктивные элементы
|
Способ сварки
|
s=si
|
е
|
g
|
|
подготовленных кромок свариваемых деталей
|
сварного шва
|
Номин
|
Пред откл.
|
Номин.
|
Пред. откл.
|
|
С31
|

|

|
АФф
|
16
|
19
|
±2
|
2,0
|
+1,0 -2,0
|
|
Св. 16 до 20
|
20
|
|
Св. 20 до 25
|
22
|
|
Св. 25 до 30
|
23
|
±3
|
|
Св. 30 до 35
|
25
|
|
Св. 35 до 40
|
26
|
±4
|
|
Св. 40 до 45
|
28
|
+1,5 -2,0
|
|
Св. 45 до 50
|
30
|
Таблица 17
Размеры,
мм
|
Условное обозначение сварного соединения
|
Конструктивные элементы
|
Способ сварки
|
s=si
|
е
|
g
|
|
подготовленных кромок свариваемых деталей
|
сварного шва
|
Номин
|
Пред откл.
|
Номин.
|
Пред. откл.
|
|
C32
|

|

|
АФф
|
16
|
19
|
±3
|
2,5
|
+1,0 -2,0
|
|
Св. 16 до 20
|
20
|
|
Св. 20 до 25
|
21
|
|
Св. 25 до 30
|
22
|
|
Св. 30 до 35
|
23
|
|
Св. 35 до 40
|
24
|
±4
|
|
Св. 40 до 45
|
25
|
+1,5 -2,0
|
|
Св. 45 до 50
|
26
|
Таблица 18
Размеры,
мм
|
Условное обозначение сварного соединения
|
Конструктивные элементы
|
Способ сварки
|
s=s1
|
е
|
|
подготовленных кромок свариваемых деталей
|
сварного шва
|
Номин.
|
Пред. откл.
|
|
C15
|

|

|
АФ
|
От 20 до 24
|
22
|
±3
|
|
Св. 24 до 28
|
26
|
±4
|
|
Св. 28 до 30
|
30
|
Таблица 19
Размеры,
мм
|
Условное обозначение сварного соединения
|
Конструктивные элементы
|
Способ сварки
|
s=s1
|
с±1
|
с
|
g
|
|
подготовленных кромок свариваемых деталей
|
сварного шва
|
Номин.
|
Пред. откл.
|
Номин.
|
Пред. откл.
|
|
C18
|

|

|
АФф
|
От 8 до 9
|
3
|
18
|
±3
|
1,5
|
±1,0
|
|
Св. 9 до 10
|
20
|
|
Св. 10 до 12
|
22
|
±4
|
2,0
|
+1,0
-1,5
|
|
Св. 18 до 14
|
4
|
|
Св. 14 до 20
|
24
|
2,5
|
+1,0
-2,0
|
|
Св. 20 до 24
|
26
|
±5
|
Таблица 20
Размеры,
мм
|
Условное обозначение сварного соединения
|
Конструктивные элементы
|
Способ сварки
|
s=s1
|
e
|
с±1
|
|
подготовленных кромок свариваемых деталей
|
сварного шва
|
Номин.
|
Пред. откл.
|
|
С18
|

|

|
АФм
|
От 12 до 14
|
22
|
±4
|
3
|
|
Св. 14 до 20
|
24
|
|
Св. 20 до 26
|
26
|
±5
|
4
|
|
Св. 26 до 28
|
30
|
5
|
|
Св. 28 до 30
|
Таблица 21
Размеры,
мм
|
Условное обозначение сварного соединения
|
Конструктивные элементы
|
Способ сварки
|
s=s1
|
b
|
d, не менее
|
m, не
менее
|
e
|
g
|
|
подготовленных кромок свариваемых деталей
|
сварного шва
|
Номин.
|
Пред. откл.
|
Номин.
|
Пред. откл.
|
Номин.
|
Пред. откл.
|
|
Cl9
|

|

|
АФо; МФо
|
8
|
2
|
±1,0
|
3
|
30
|
16
|
±3
|
1,5
|
±1,0
|
|
Св. 8 до 9
|
17
|
|
Св. 9 до 10
|
18
|
|
Св. 10 до 12
|
1,5
|
20
|
|
Св. 12 до 14
|
4
|
23
|
|
Св. 14 до 16
|
2,0
|
+1,0
-1,5
|
24
|
2,0
|
+1,0
-1,5
|
|
Св. 16 до 18
|
4
|
±1,5
|
40
|
28
|
±4
|
|
Св. 18 до 20
|
6
|
30
|
|
Св. 20 до 22
|
5
|
32
|
|
Св. 22 до 24
|
34
|
|
Св. 24 до 26
|
50
|
36
|
|
Св. 26 до 28
|
38
|
|
Св. 28 до 30
|
40
|
Таблица 22
Размеры,
мм
|
Условное обозначение сварного соединения
|
Конструктивные элементы
|
Способ сварки
|
s
|
b
|
e
|
|
подготовленных кромок свариваемых деталей
|
сварного шва
|
Номин.
|
Пред. откл.
|
Номин.
|
Пред. откл.
|
|
C20
|

|

|
АФо
|
8
|
2
|
±1,0
|
16
|
±3
|
|
Св. 8 до 9
|
17
|
|
Св. 9 до 10
|
18
|
|
Св. 10 до 12
|
20
|
|
Св. 12 до 14
|
3
|
±1,5
|
23
|
|
Св. 14 до 16
|
24
|
|
Св. 16 до 18
|
4
|
28
|
|
Св. 18 до 20
|
30
|
±4
|
|
Св. 20 до 22
|
5
|
32
|
|
Св. 22 до 24
|
34
|
|
Св. 24 до 26
|
36
|
|
Св. 26 до 28
|
38
|
|
Св. 28 до 30
|
40
|
Таблица 23
Размеры,
мм
|
Условное обозначение сварного соединения
|
Конструктивные элементы
|
Способ сварки
|
s=s1
|
е
|
g
|
с±2
|
|
подготовленных кромок свариваемых деталей
|
сварного шва
|
Номин.
|
Пред. откл.
|
Номин.
|
Пред. откл.
|
|
С21
|

|

|
АФ;
МФ
|
От 14 до 16
|
18
|
±3
|
2,0
|
+1,0
-1,5
|
6
|
|
Св. 16 до 20
|
22
|
±4
|
2,5
|
+1,0
-2,0
|
7
|
|
Св. 20 до 24
|
24
|
8
|
|
С в.24 до 30
|
30
|
3,0
|
Примечание. При способе сварки МФ притупление с=3±1 мм.
Таблица 24
Размеры,
мм
|
Условное обозначение сварного соединения
|
Конструктивные элементы
|
Способ сварки
|
s=s1
|
е
|
g
|
|
|
подготовленных кромок свариваемых деталей
|
сварного шва
|
Номин.
|
Пред. откл.
|
Номин.
|
Пред. откл.
|
|
|
C21
|

|

|
Афк; МФк
|
14
|
20
|
±4
|
2,0
|
+1,0
-1,5
|
|
|
|
Св. 14 до 16
|
2,5
|
+1,0
-2,0
|
|
|
Св. 16 до 20
|
25
|
±5
|
|
|
Св. 20 до 24
|
30
|
±6
|
|
|
Св. 24 до 30
|
37
|
±7
|
|
Таблица 25
Размеры,
мм
|
Условное обозначение сварного соединения
|
Конструктивные элементы
|
Способ сварки
|
s=s1
|
h±1
|
е
|
e1±2
|
g
|
|
подготовленных кромок свариваемых деталей
|
сварного шва
|
Номин.
|
Пред. откл.
|
Номин.
|
Пред. откл.
|
|
С21
|

|

|
АФш; МФш
|
От 5 до 7
|
3
|
17
|
±3
|
12
|
1,5
|
±1,0
|
|
Св. 7 до 8
|
4
|
13
|
|
Св. 8 до 9
|
20
|
±4
|
|
Св. 9 до 10
|
5
|
14
|
|
Св. 10 до 12
|
2,0
|
+1,0
-1,5
|
|
Св. 12 до 14
|
8
|
16
|
Таблица 26
Размеры,
мм
|
Условное обозначение сварного соединения
|
Конструктивные элементы
|
Способ сварки
|
s=s1
|
е±4
|
|
подготовленных кромок свариваемых деталей
|
сварного шва
|
|
C33
|

|

|
АФф
|
От 14 до 18
|
22
|
|
Св. 18 до 24
|
24
|
|
С в.24 до 30
|
30
|
Таблица 27
Размеры,
мм
|
Условное обозначение сварного соединения
|
Конструктивные элементы
|
Способ сварки
|
s=s1
|
е
|
g
|
R±1
|
a, ° ±1°
|
|
подготовленных кромок свариваемых деталей
|
сварного шва
|
Номин.
|
Пред. откл.
|
Номин.
|
Пред. откл.
|
|
С34
|

|

|
АФо
|
16
|
23
|
±4
|
2,5
|
+1,0
-2,0
|
6
|
12
|
|
Св. 16 до 20
|
25
|
|
Св. 20 до 25
|
28
|
|
Св. 25 до 30
|
31
|
|
Св. 30 до 35
|
33
|
±5
|
|
Св. 36 до 40
|
36
|
|
С в. 40 до 45
|
38
|
±6
|
+1,5
2,0
|
8
|
10
|
|
Св. 456 до 50
|
41
|
|
Св. 50 до 55
|
44
|
±7
|
3,0
|
+1,5
-2,5
|
|
Св. 55 до 80
|
46
|
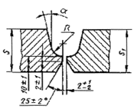
Таблица 28
Размеры,
мм
|
Условное обозначение сварного соединения
|
Конструктивные элементы
|
Способ сварки
|
s
|
е
|
g
|
R±1
|
a, ° ±2°
|
|
подготовленных кромок свариваемых деталей
|
сварного шва
|
Номин.
|
Пред. откл.
|
Номин.
|
Пред. откл.
|
|
С35
|

|

|
АФо
|
16
|
23
|
±4
|
2,5
|
+1,0
-2,0
|
6
|
12
|
|
Св. 16 до 20
|
25
|
|
Св. 20до 25
|
27
|
|
Св. 25 до 30
|
30
|
|
Св. 30 до 35
|
31
|
±5
|
|
Св. 35 до 40
|
34
|
+1,5
-2,0
|
|
Св. 40 до 45
|
36
|
±6
|
8
|
10
|
|
Св. 45 до 50
|
38
|
Таблица 29
Размеры,
мм
|
Условное обозначение сварного соединения
|
Конструктивные элементы
|
Способ сварки
|
s=s1
|
с±1
|
R±
|
е
|
е1±4
|
g
|
a, ° ±1°
|
|
подготовленных кромок свариваемых деталей
|
сварного шва
|
Номин.
|
Пред. откл.
|
Номин.
|
Пред. откл.
|
|
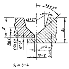
С23
|

|

|
АФк
|
24
|
6
|
6
|
24
|
±4
|
15
|
2,5
|
+1,0
-2,0
|
12
|
|
Св. 24 , до 26
|
25
|
|
Св. 26 до 28
|
26
|
|
Св. 28 до 30
|
27
|
|
Св. 30 до 32
|
28
|
|
Св. 32 до 34
|
29
|
16
|
|
Св. 34 до 36
|
30
|
|
Св. 36 до 38
|
31
|
|
Св. 38 до 40
|
8
|
8
|
32
|
10
|
|
Св. 40 до 42
|
33
|
+1,5 -2,0
|
|
Св. 42 до 45
|
34
|
±5
|
|
Св. 45 до 48
|
36
|
18
|
|
Св. 48 до 50
|
37
|
|
Св. 50 до 55
|
39
|
|
Св. 55 до 60
|
45
|
±6
|
2,5
|
|
Св. 60 до 65
|
47
|
|
Св. 65 до 70
|
20
|
|
Св. 70 до 80
|
51
|
±7
|
|
Св. 80 до 90
|
55
|
±8
|
|
Св. 90 до 100
|
59
|
±.9
|
|
Св. 100 до 110
|
10
|
60
|
4,0
|
+2,0
-3,0
|
8
|
|
Св. 110 до 115
|
61
|
|
Св. 115 до 120
|
63
|
|
Св. 120 до 125
|
64
|
±10
|
|
Св. 125 до 130
|
66
|
|
Св. 130 до 140
|
69
|
±11
|
|
Св. 140 до 150
|
72
|
±12
|
|
Св. 150 до 160
|
76
|
Таблица
30
Размеры,
мм
|
Условное обозначение сварного соединения
|
Конструктивные элементы
|
Способ сварки
|
s=s1
|
e
|
g
|
|
подготовленных кромок свариваемых деталей
|
сварного шва
|
Номин.
|
Пред. откл.
|
Номин.
|
Пред. откл.
|
|
С36
|

|

|
АФф
|
20
|
30
|
±2
|
2,5
|
+1,0
-2,0
|
|
Св. 20 до 22
|
31
|
|
Св. 22 до 24
|
32
|
|
Св. 24 до 26
|
33
|
|
Св. 2б до 28
|
34
|
|
Св. 28 до 30
|
±3
|
|
Св. 30 до 32
|
35
|
|
Св. 32 до 34
|
36
|
|
Св. 34 до 36
|
37
|
|
Св. 36 до 38
|
38
|
|
Св. 38 до 40
|
39
|
+1,5
-2,0
|
|
Св. 40 до 42
|
40
|
|
Cв. 42
до 45
|
41
|
±4
|
|
Св. 45 до 48
|
42
|
|
Св. 48 до 50
|
43
|
|
Св. 50 до 55
|
46
|
|
Св. 55 до 60
|
49
|
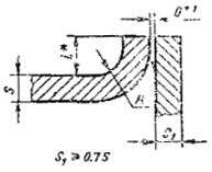
Таблица 31
Размеры,
мм
|
Условное обозначение сварного соединения
|
Конструктивные элементы
|
Способ сварки
|
s
|
е
|
g
|
|
подготовленных кромок свариваемых деталей
|
сварного шва
|
Номин.
|
Пред. откл.
|
Номин.
|
Пред. откл.
|
|
C37
|

|

|
АФо
|
16
|
28
|
±2
|
2,5
|
+1,0
-2,0
|
|
Св. 16 до 20
|
30
|
|
|
Св. 20 до 25
|
31
|
±3
|
|
Св. 25 до 30
|
34
|
|
Св. 30 до 35
|
36
|
±4
|
|
Св. 35 до 40
|
38
|
|
Св. 40 до 45
|
41
|
|
Св. 45 до 50
|
43
|
±5
|
+1,5
-2,0
|
|
Св. 50 до 55
|
45
|
|
Св. 55 до 60
|
47
|
Таблица 32
Размеры,
мм
|
Условное обозначение сварного соединения
|
Конструктивные элементы
|
Способ сварки
|
s=s1
|
е
|
g
|
|
подготовленных кромок свариваемых деталей
|
сварного шва
|
Номин.
|
Пред. откл.
|
Номин.
|
Пред. откл.
|
|
C25
|

|

|
АФ;
МФ
|
От 18 до 25
|
24
|
±4
|
2,5
|
+1,0
-2,0
|
|
Св. 25 до 38
|
28
|
±5
|
|
Св. 38 до 48
|
32
|
+1,5
-2,0
|
|
Св. 48 до 54
|
36
|
|
Св. 44 до 60
|
39
|
Примечание. При способе сварки МФ притупление с=3±1 мм.
Таблица 33
Размеры,
мм
|
Условное обозначение сварного соединения
|
Конструктивные элементы
|
Способ сварки
|
s=s1
|
е
|
g
|
a, °±3°
|
|
подготовленных кромок свариваемых деталей
|
сварного шва
|
Номин.
|
Пред. откл.
|
Номин.
|
Пред. откл.
|
|
C25
|

|

|
АФк
|
От 24 до 28
|
24
|
±4
|
2,5
|
+1,0
2,0
|
30
|
|
Св. 28 до 38
|
29
|
±5
|
|
Св. 38 до 48
|
+1,5
-2,0
|
|
Св. 48 до 54
|
33
|
25
|
|
Св. 54 до 60
|
36
|
Таблица 34
Размеры,
мм
|
Условное обозначение сварного соединения
|
Конструктивные элементы
|
Способ сварки
|
s=s1
|
е±4
|
|
подготовленных кромок свариваемых деталей
|
сварного шва
|
|
С38
|

|

|
АФф
|
От 18 до 25
|
24
|
|
Св. 25 до 40
|
32
|
|
Св. 40 до 50
|
38
|
|
Св. 50 до 60
|
43
|
Таблица 35
Размеры,
мм
|
Условное обозначение сварного соединения
|
Конструктивные элементы
|
Способ сварки
|
s=s1
|
h ±1
|
е
|
е1±2
|
g
|
a, °
|
|
подготовленных кромок свариваемых деталей
|
сварного шва
|
Номин.
|
Пред. откл.
|
Номин.
|
Пред. откл.
|
Номин.
|
Пред. откл.
|
|
C39
|

|

|
АФш; МФш
|
От 16 до 20
|
8
|
18
|
±3
|
16
|
2,5
|
+1,0
-2,0
|
25
|
±3
|
|
Св. 20 до 26
|
22
|
±4
|
|
Cв. 26
до 32
|
9
|
26
|
|
17
|
|
Св. 32 до 36
|
28
|
±5
|
|
Св. 36 до 38
|
10
|
19
|
|
Св. 38 до 44
|
34
|
20
|
+1,5
-2,0
|
22
|
±2
|
|
Св. 44 до 50
|
40
|
|
Св. 50 до 56
|
45
|
20
|
|
Св. 56 до 60
|
50
|
(Поправка,
ИУС 6-2007).
Таблица 36
Размеры,
мм
|
Условное обозначение сварного соединения
|
Конструктивные элементы
|
Способ сварки
|
s=s1
|
е
|
g
|
a, °±2°
|
R ±1
|
|
подготовленных кромок свариваемых деталей
|
сварного шва
|
Номин.
|
Пред. откл.
|
Номин.
|
Пред. откл.
|
|
C26
|

|

|
АФ
|
50
|
27
|
±3
|
2,5
|
+1,0
-2,0
|
12
|
6
|
|
Св. 50 до 55
|
28
|
|
Св. 55 до 60
|
29
|
|
Св. 60 до 65
|
31
|
±4
|
|
Св. 55 до 70
|
32
|
|
Св. 70 до .80
|
34
|
|
Св. 80 до 90
|
36
|
±5
|
+1,5
-2,0
|
10
|
8
|
|
Св. 90 до 100
|
38
|
|
Св. 100 до 110
|
40
|
|
Св. 110 до 115
|
41
|
±6
|
|
Св. 115 до 120
|
43
|
|
Св. 120 до 125
|
44
|
|
Св. 125 до 130
|
45
|
|
Св. 130 до 140
|
47
|
|
Св. 140 до 150
|
49
|
±7
|
|
Св. 150 до 160
|
51
|
±8
|
Таблица 37
Размеры,
мм
|
Условное обозначение сварного соединения
|
Конструктивные элементы
|
Способ сварки
|
s=s1
|
R±1
|
е
|
п
|
a, °±2°
|
|
подготовленных кромок свариваемых деталей
|
сварного шва
|
Номин.
|
Пред. откл.
|
Номин.
|
Пред. откл.
|
|
С40
|

|

|
АФш
|
От 24 до 28
|
6
|
25
|
±5
|
2,5
|
+1,0
-2,0
|
12
|
|
Св. 28 до 36
|
28
|
±6
|
|
Св. 36 до 40
|
31
|
|
Св. 40 до 42
|
8
|
+1,5
-2,0
|
10
|
|
Св. 42 до 55
|
36
|
±7
|
|
Св. 55 до 65
|
46
|
|
Св. 65 до 80
|
50
|
±9
|
|
Св. 80 до 100
|
58
|
10
|
|
Св. 100 до 110
|
10
|
61
|
8
|
|
Св. 110 до 115
|
63
|
|
Св. 115 до 120
|
65
|
|
Св. 120 до 125
|
67
|
|
Св. 125 до 130
|
68
|
±11
|
Таблица 38
Размеры,
мм
|
Условное обозначение сварного соединения
|
Конструктивные элементы
|
Способ сварки
|
s=s1
|
е
|
п
|
|
подготовленных кромок свариваемых деталей
|
сварного шва
|
Номин.
|
Пред. откл.
|
Номин.
|
Пред. откл.
|
|
C41
|

|

|
АФш
|
24
|
28
|
±3
|
2,5
|
+1,0
-2,0
|
|
Св. 24 до 26
|
29
|
|
Св. 26 до 30
|
31
|
|
Св. 30 до 32
|
32
|
|
Св. 32 до 34
|
33
|
|
Св. 34 до 36
|
34
|
±4
|
|
Св. 36 до 38
|
35
|
|
Св. 38 до 42
|
36
|
+1,5
-2,0
|
|
Св. 42 до 45
|
38
|
|
Св. 45 до 50
|
40
|
|
Св. 50 до 55
|
42
|
±5
|
|
Св. 55 до 60
|
45
|
Таблица
39
Размеры,
мм
|
Условное обозначение сварного соединения
|
Конструктивные элементы
|
Способ сварки
|
s
|
е+3
|
i
|
R
|
|
подготовленных кромок свариваемых деталей
|
сварного шва
|
|
У1
|

|

|
AФ; МФ
|
1,5-3,0
|
s+s1
|
s-3s
|
s-1,5s
|
*Размер
для справок.
Таблица 40
Размеры,
мм
|
Условное
обозначение сварного соединения
|
Конструктивные
элементы
|
Способ сварки
|
s
|
n ±1
|
|
подготовленных кромок свариваемых деталей
|
сварного шва
|
|
У5
|

|

|
АФш;
МФш
|
4
|
1,5
|
|
Св. 4 до 9
|
2
|
|
Св. 9 до 14
|
3
|
Таблица 41
Размеры,
мм
|
Условное обозначение сварного соединения
|
Конструктивные элементы
|
Способ сварки
|
s
|
е
|
|
подготовленных кромок свариваемых деталей
|
сварного шва
|
Номин.
|
Пред. откл.
|
|
У7
|

|

|
АФш; МФш
|
От 8 до 9
|
13
|
±3
|
|
Св. 9 до 12
|
16
|
|
Св. 12 до 14
|
20
|
|
Св. 14 до 20
|
25
|
±4
|
Таблица 42
Размеры,
мм
|
Условное обозначение сварного соединения
|
Конструктивные элементы
|
Способ сварки
|
s
|
h±l
|
е
|
g1, ±2
|
е1,
±3
|
|
подготовленных кромок свариваемых деталей
|
сварного шва
|
Номин.
|
Пред. откл.
|
|
У3
|

|

|
АФш;
МФш
|
От 20 до 24
|
7
|
20
|
±3
|
3
|
17
|
|
Св. 24 до 28
|
8
|
25
|
±4
|
4
|
|
С ч. 28 до 34
|
10
|
30
|
5
|
20
|
|
Св. 34 до 40
|
12
|
49
|
23
|
Таблица 43
Размеры,
мм
|
Условное обозначение сварного соединения
|
Конструктивные элементы
|
Способ сварки
|
s
|
b
|
|
подготовленных кромок свариваемых деталей
|
сварного шва
|
Номин.
|
Пред. откл.
|
|
Т1
|

|

|
АФ;
МФ
|
3
|
0
|
+0,8
|
|
Св. 3 до 5
|
+1,0
|
|
Св. 5 до 40
|
+1,5
|
Таблица 44
Размеры,
мм
|
Условное обозначение сварного соединения
|
Конструктивные элементы
|
Способ сварки
|
s
|
b
|
|
подготовленных кромок свариваемых деталей
|
сварного шва
|
Номин.
|
Пред. откл.
|
|
Т3
|

|

|
АФ;
МФ
|
3
|
0
|
+0,8
|
|
Св. 3 до 5
|
+1,0
|
|
Св. 5 до 40
|
+1,5
|
Таблица 45
Размеры,
мм
|
Условное обозначение сварного соединения
|
Конструктивные элементы
|
Способ сварки
|
s
|
b
|
|
подготовленных кромок свариваемых деталей
|
сварного шва
|
Номин.
|
Пред. откл.
|
|
Т3
|

|

|
АФш; МФш
|
От 3 до 5
|
0
|
+1,5
|
|
Св. 5 до 9
|
+2,0
|
|
Св. 9 до 10
|
|
Св. 10 до 14
|
+3,0
|
|
Св. 14 до 20
|
Таблица 46
Размеры,
мм
|
Условное обозначение сварного соединения
|
Конструктивные элементы
|
Способ сварки
|
s
|
g±2
|
е
|
|
подготовленных кромок свариваемых деталей
|
сварного шва
|
Номин.
|
Пред. откл.
|
|
T7
|

|

|
АФш; МФш
|
От 8 до 9
|
4
|
15
|
±3
|
|
Св. 8 до 14
|
5
|
22
|
|
Св. 14 до 20
|
б
|
30
|
±4
|
|
Св. 20 до 24
|
7
|
39
|
|
Св. 24 до 26
|
8
|
|
Св. 26 до 28
|
9
|
45
|
±5
|
|
Св. 28 до 30
|
10
|
Таблица 47
Размеры,
мм
|
Условное обозначение сварного соединения
|
Конструктивные элементы
|
Способ сварки
|
s
|
е
|
g±2
|
|
подготовленных кромок свариваемых деталей
|
сварного шва
|
Номин.
|
Пред. откл.
|
|
T2
|

|

|
АФш
|
16
|
18
|
±3
|
6
|
|
Св. 16 до 18
|
19
|
|
Св. 18 до 20
|
20
|
|
Св. 20 до 22
|
7
|
|
Св. 22 до 24
|
21
|
|
Св. 24 до 26
|
22
|
|
Св. 26 до 28
|
±4
|
8
|
|
Св. 28 до 30
|
23
|
Таблица 48
Размеры,
мм
|
Условное обозначение сварного соединения
|
Конструктивные элементы
|
Способ сварки
|
s
|
g±2
|
е
|
|
подготовленных кромок свариваемых деталей
|
сварного шва
|
Номин.
|
Пред. откл.
|
|
T8
|

|

|
АФ; МФ
|
От 16 до 18
|
4
|
25
|
+4
-7
|
|
Св. 16 до 22
|
5
|
30
|
+4
-8
|
|
Св. 22 до 26
|
6
|
36
|
+4
-10
|
|
Св. 26 до 30
|
7
|
40
|
+4
11
|
|
Св. 30 до 36
|
8
|
50
|
+4
-12
|
|
Св. 36 до 40
|
9
|
56
|
+4
-16
|
Примечание. При способе сварки МФ притупление с=3±1
мм.
Таблица 49
Размеры,
мм
|
Условное обозначение сварного соединения
|
Конструктивные элементы
|
Способ сварки
|
s
|
h±1
|
g
|
g1±2
|
е
|
е1
|
|
подготовленных кромок свариваемых деталей
|
сварного шва
|
Номин.
|
Пред. откл.
|
Номин.
|
Пред. откл.
|
Номин.
|
Пред. откл.
|
|
T4
|

|

|
АФш; МФш
|
20
|
7
|
6
|
±2
|
3
|
26
|
+4
-7
|
13
|
±3
|
|
Св. 20 до 24
|
7
|
|
Св. 24 до 28
|
8
|
8
|
4
|
29
|
+4
-8
|
|
Св. 28 до 34
|
10
|
10
|
5
|
35
|
+4
-10
|
17
|
|
Св. 34 до 40
|
12
|
12
|
±3
|
40
|
+4
-11
|
(Поправка,
ИУС 6-2007).
Таблица 50
Размеры,
мм
|
Условное обозначение сварного соединения
|
Конструктивные элементы
|
Способ сварки
|
s
|
е±2
|
е±2
|
|
подготовленных кромок свариваемых деталей
|
сварного шва
|
|
Т5
|

|

|
АФ
|
30
|
16
|
6
|
|
Св. 30 до 34
|
17
|
|
Св. 34 до 40
|
18
|
|
Св. 40 до 42
|
19
|
7
|
|
Св. 42 до 45
|
20
|
|
Св. 45 до 50
|
26
|
|
Св. 50 до 55
|
8
|
|
Св. 55 до 60
|
28
|
Таблица 51
Размеры,
мм
|
Условное обозначение сварного соединения
|
Конструктивные элементы
|
Способ сварки
|
s
|
b
|
|
подготовленных кромок свариваемых деталей
|
сварного шва
|
Номин.
|
Пред. откл.
|
|
Н1
|

|

|
АФ;
МФ
|
От 1 до 5
|
0
|
+1,0
|
|
Св. 5 до 10
|
+2,0
|
|
Св. 10 до 20
|
+3,0
|
Таблица 52
Размеры,
мм
|
Условное обозначение сварного соединения
|
Конструктивные элементы
|
Способ сварки
|
s
|
b
|
|
подготовленных кромок свариваемых деталей
|
сварного шва
|
Номин.
|
Пред. откл.
|
|
Н2
|

|

|
АФ; МФ
|
От 1 до 5
|
0
|
+1,0
|
|
Св. 5 до 10
|
+2,0
|
|
Св. 10 до 20
|
+3,0
|
(Измененная редакция,
Изм. № 1, 2, 3).
5. При сварке кольцевых швов стыковых соединений допускается увеличение
выпуклости g,
g1 до 30 %.
(Измененная редакция, Изм. № 3).
6. Сварные соединения Т7, Т8, Т4 следует
выполнять в положении «в лодочку» по ГОСТ 11969-79.
Угловые швы без скоса кромок разрешается выполнять как в нижнем
положении, так и в положении «в лодочку»
по ГОСТ 11969-79.
7. Подварочный шов и подварку корня шва разрешается выполнять любым
способом дуговой сварки.
8. Сварка стыковых соединений деталей неодинаковой толщины при разнице,
не превышающей значений, указанных в табл. 53, должна производиться
также, как деталей одинаковой толщины; конструктивные элементы подготовленных
кромок и размеры сварного шва следует выбирать по большей толщине.
Таблица 53
мм
Для осуществления плавного
перехода от одной детали к другой допускается наклонное расположение
поверхности шва (черт.
1).

Черт. 1
При разнице толщины свариваемых деталей свыше значений, указанных в табл. 53,
на детали, имеющей большую толщину s1, должен быть
сделан скос с одной или с двух сторон до толщины тонкой детали s, как указано на черт. 2, 3
и 4. При этом конструктивные элементы подготовленных
кромок и размеры сварного шва следует выбирать по меньшей толщине.

Черт. 2

Черт. 3

Черт. 4
9. Размер и предельные отклонения катета углового шва К, К1
должны быть установлены при проектировании. При этом размер катета должен
быть не более 3 мм для деталей толщиной до 3 мм включительно и 1,2 толщины
более тонкой детали при сварке детален толщиной свыше 3 мм. Предельные
отклонения размера катета угловых швов от номинального значения приведены в приложении 3.
(Измененная редакция, Изм. № 2).
10. (Исключен, Изм. № 2).
11. Допускается выпуклость или вогнутость углового шва до 30 % его
катета. При этом вогнутость не должна приводить к уменьшению значения катета Кп
(черт. 5),
установленного при проектировании.

Черт. 5
Примечание. Катетом Кп
является катет наибольшего прямоугольного треугольника, вписанного во внешнюю
часть углового шва. При симметричном шве за катет Кп
принимается любой из равных катетов, при несимметричном шве - меньший.
12. Минимальные значения катетов угловых швов приведены в рекомендуемом приложении 1.
13. При применении сварки под флюсом взамен ручной дуговой сварки катет
углового шва расчетного соединения может быть уменьшен до значений, приведенных
в рекомендуемом приложении 2.
14. Допускается смешение свариваемых кромок перед сваркой относительно
друг друга не более:
0,5 мм - для деталей толщиной до 4 мм;
1,0 мм - для деталей толщиной 4-10 мм;
0,1 s мм, но не более 3 мм -
для деталей толщиной более 10 мм.
15. Допускается в местах перекрытия сварных швов и в местах исправления
дефектов увеличение размеров швов до 30% номинального значения.
16. При подготовке кромок с применением ручного инструмента, предельные
отклонения утла скоса кромок могут быть увеличены до ±5°. При этом
соответственно может быть изменена ширина шва, е, е1.
15, 16. (Введен дополнительно, Изм. № 2).
ПРИЛОЖЕНИЕ 1
Рекомендуемое
мм
|
Предел текучести свариваемой стали, МПа
|
Минимальное значение катетов углового шва для свариваемого элемента
большей толщины
|
|
от 3 до 4
|
св. 4 до 5
|
св. 5 до 10
|
св. 10 до 16
|
св. 16 до 22
|
св. 22 до 32
|
св. 32 до 40
|
св. 40 до 80
|
|
До 400
|
3
|
3
|
4
|
5
|
6
|
7
|
8
|
9
|
|
Св. 400 до 450
|
3
|
4
|
5
|
6
|
7
|
8
|
9
|
10
|
Примечание. Максимальное значение
катетов не должно превышать 1,2 толщины более тонкого элемента.
(Измененная редакция, Изм. № 3).
ПРИЛОЖЕНИЕ 2
Рекомендуемое
мм
|
Катет углового шва для сварки
|
|
ручной дуговой
|
под флюсом
|
|
проволокой диаметром от 3 до 5
|
проволокой диаметром от 1,4 до 2,5
|
|
в положении «в лодочку»
|
в нижнем положении
|
в положении «в лодочку»
|
в нижнем положении
|
|
4
|
3
|
3
|
3
|
3
|
|
5
|
3
|
3
|
4
|
4
|
|
6
|
4
|
4
|
5
|
5
|
|
7
|
5
|
5
|
6
|
6
|
|
8
|
5
|
5
|
6
|
6
|
|
9
|
6
|
7
|
7
|
8
|
|
10
|
6
|
8
|
8
|
9
|
|
11
|
7
|
9
|
9
|
10
|
|
12
|
8
|
9
|
9
|
11
|
|
13
|
8
|
10
|
11
|
13
|
|
14
|
9
|
11
|
12
|
14
|
|
15
|
10
|
12
|
13
|
15
|
|
16
|
10
|
13
|
14
|
16
|
|
17
|
13
|
17
|
17
|
17
|
|
18
|
14
|
18
|
18
|
18
|
|
19
|
15
|
19
|
19
|
19
|
|
20
|
16
|
20
|
20
|
20
|
|
21
|
16
|
21
|
21
|
21
|
|
22
|
17
|
22
|
22
|
22
|
|
23
|
23
|
23
|
23
|
23
|
|
24
|
24
|
24
|
24
|
24
|
|
26
|
25
|
25
|
25
|
25
|
ПРИЛОЖЕНИЕ 3
Рекомендуемое
|
Номинальный размер катета углового шва
|
Предельные отклонения размера катета углового шва от номинального
значения
|
|
До 5
|
+1,0
|
|
Св. 5 до 8
|
+2,0
|
|
Св. 8 до 12
|
+2,5
|
|
Св. 12
|
+3,0
|
(Введено дополнительно,
Изм. № 2).
ИНФОРМАЦИОННЫЕ ДАННЫЕ
1.
РАЗРАБОТАН Государственным комитетом СССР по стандартам. Академией наук УССР
РАЗРАБОТЧИКИ:
И. А. Серебряник (руководитель темы); Л. М. Титкова; М.
Н. Шабалкин, А. А. Казимиров (руководитель темы); В. П. Лозовский
2.
ВНЕСЕН Государственным комитетом СССР по стандартам
3. УТВЕРЖДЕН И ВВЕДЕН В ДЕЙСТВИЕ Постановлением
Государственного комитета СССР по стандартам от 26.12.79 № 5047
4. ВЗАМЕН ГОСТ 8713-70
5. ССЫЛОЧНЫЕ
НОРМАТИВНО-ТЕХНИЧЕСКИЕ ДОКУМЕНТЫ
|
Обозначение НТД, на который дана ссылка
|
Номер пункта
|
|
ГОСТ 11969-79
|
6
|
6. ПЕРЕИЗДАНИЕ (июль 1993 г.) с Изменениями № 1, 2, 3, утвержденными
в августе 1986 г., январе 1989 г., июле 1990 г. (ИУС 11-86, 4-89, 10-90)
|
|