Крупнейшая бесплатная информационно-справочная система онлайн доступа к полному собранию технических нормативно-правовых актов РФ. Огромная база технических нормативов (более 150 тысяч документов) и полное собрание национальных стандартов, аутентичное официальной базе Госстандарта. GOSTRF.com - это более 1 Терабайта бесплатной технической информации для всех пользователей интернета. Все электронные копии представленных здесь документов могут распространяться без каких-либо ограничений. Поощряется распространение информации с этого сайта на любых других ресурсах. Каждый человек имеет право на неограниченный доступ к этим документам! Каждый человек имеет право на знание требований, изложенных в данных нормативно-правовых актах!

  


 

ТРУБЫ МЕТАЛЛИЧЕСКИЕ
И СОЕДИНИТЕЛЬНЫЕ ЧАСТИ К НИМ

Часть 4

ТРУБЫ ИЗ ЧЕРНЫХ МЕТАЛЛОВ И СПЛАВОВ
ЛИТЫЕ И СОЕДИНИТЕЛЬНЫЕ ЧАСТИ К НИМ.
ОСНОВНЫЕ РАЗМЕРЫ.
МЕТОДЫ ТЕХНОЛОГИЧЕСКИХ ИСПЫТАНИЙ
ТРУБ

ГОСТ 8948-75*
(СТ СЭВ 3300-81)

Москва

ИПК ИЗДАТЕЛЬСТВО СТАНДАРТОВ

1998

ГОСУДАРСТВЕННЫЙ СТАНДАРТ СОЮЗА ССР

СОЕДИНИТЕЛЬНЫЕ ЧАСТИ ИЗ КОВКОГО ЧУГУНА
С ЦИЛИНДРИЧЕСКОЙ РЕЗЬБОЙ ДЛЯ ТРУБОПРОВОДОВ.
ТРОЙНИКИ ПРЯМЫЕ

Основные размеры

Ductile iron and steel fittings with
parallel thread for pipelines.
Straight tees. Basic dimensions

ГОСТ
8948-75*
(CT СЭВ 3300-81)

Взамен
ГОСТ 8948-59

Постановлением Государственного комитета стандартов Совета Министров СССР от 14.11.75 № 2901 дата введения установлена

01.01.77

Ограничение срока действия снято по протоколу Межгосударственного Совета по стандартизации, метрологии и сертификации (ИУС 2-93)

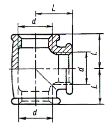
1. Основные размеры тройников должны соответствовать указанным на чертеже и в таблице.

Стандарт полностью соответствует CT СЭВ 3300-81.

Примечание: Чертеж не определяет конструкцию тройника.

Размеры в мм

Проход условный

Dу

Резьба d

L

Масса без покрытия, кг, не более*

Вариант по ГОСТ 8944-75

1

2

8

G 1/4 - В

21

0,064

0,063

10

G 3/8 - В

25

0,085

0,092

15

G 1/2 - В

28

0,133

0,143

20

G 3/4 - В

33

0,206

0,210

25

G 1 - В

38

0,318

0,330

32

G 11/4 - В

45

0,490

0,475

40

G 11/2 - В

50

0,673

0,594

50

G 2 - В

58

1,088

0,962

(65)

G 21/2 - В

69

1,524

1,422

(80)

G 3 - В

78

2,013

1,850

(100)

G 4 - B

96

3,980

3,460

* Для справок

Примечания:

1. Масса оцинкованных соединительных частей не должна превышать массу неоцинкованных более чем на 5%.

2. Тройники с Dу, указанными в таблице в скобках, применять не рекомендуется.

Примеры условных обозначений

Прямого тройника без покрытия с Dу 40 мм:

Тройник 40 ГОСТ 8948-75

То же, с цинковым покрытием:

Тройник Ц-40 ГОСТ 8948-75

(Измененная редакция, Изм. № 1, 2).

2. Конструктивные размеры и технические требования - по ГОСТ 8944-75.

 




ГОСТЫ, СТРОИТЕЛЬНЫЕ и ТЕХНИЧЕСКИЕ НОРМАТИВЫ.
Некоммерческая онлайн система, содержащая все Российские Госты, национальные Стандарты и нормативы.
В Системе содержится более 150000 файлов нормативно-технической документации, действующей на территории РФ.
Система предназначена для широкого круга инженерно-технических специалистов.

Рейтинг@Mail.ru Яндекс цитирования

Copyright © www.gostrf.com, 2008 - 2026