Крупнейшая бесплатная информационно-справочная система онлайн доступа к полному собранию технических нормативно-правовых актов РФ. Огромная база технических нормативов (более 150 тысяч документов) и полное собрание национальных стандартов, аутентичное официальной базе Госстандарта. GOSTRF.com - это более 1 Терабайта бесплатной технической информации для всех пользователей интернета. Все электронные копии представленных здесь документов могут распространяться без каких-либо ограничений. Поощряется распространение информации с этого сайта на любых других ресурсах. Каждый человек имеет право на неограниченный доступ к этим документам! Каждый человек имеет право на знание требований, изложенных в данных нормативно-правовых актах!

  


 

ТРУБЫ МЕТАЛЛИЧЕСКИЕ
И СОЕДИНИТЕЛЬНЫЕ ЧАСТИ
К НИМ

Часть 4

ТРУБЫ ИЗ ЧЕРНЫХ МЕТАЛЛОВ И СПЛАВОВ
ЛИТЫЕ И СОЕДИНИТЕЛЬНЫЕ ЧАСТИ К НИМ.
ОСНОВНЫЕ РАЗМЕРЫ.
МЕТОДЫ ТЕХНОЛОГИЧЕСКИХ ИСПЫТАНИЙ
ТРУБ

ГОСТ 8952-75*
(СТ СЭВ 3301-81)

Москва

ИПК ИЗДАТЕЛЬСТВО СТАНДАРТОВ

1998

ГОСУДАРСТВЕННЫЙ СТАНДАРТ СОЮЗА ССР

СОЕДИНИТЕЛЬНЫЕ ЧАСТИ ИЗ КОВКОГО ЧУГУНА

 С ЦИЛИНДРИЧЕСКОЙ РЕЗЬБОЙ
ДЛЯ ТРУБОПРОВОДОВ.
КРЕСТЫ ПЕРЕХОДНЫЕ

Основные размеры

Ductile iron fittings with
parallel thread for pipelines.
Transition four-way junction pieces. Basic dimensions

ГОСТ
8952-75*

(CT
СЭВ 3301-81)

Взамен
ГОСТ 8952-59

Постановлением Государственного комитета стандартов Совета Министров СССР от 14.11.75 № 2901 дата введения установлена

01.01.77

Ограничение срока действия снято по протоколу Межгосударственного Совета по стандартизации, метрологии и сертификации (ИУС 2-93)

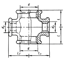
1. Основные размеры крестов должны соответствовать указанным на чертеже и в таблице. Стандарт полностью соответствует CT СЭВ 3301-81.

Примечание. Чертеж не определяет конструкцию креста.

Размеры в мм

Условный проход,

Dy´Dy1

Резьба

L

L1

Масса без покрытия, кг, не более*

d

d1

Вариант по ГОСТ 8944-75

1

2

15´10

G 1/2 - В

G 3/8 - В

26

26

0,137

0,152

20´10

G 3/4 - В

G 3/8 - В

28

28

0,182

0,189

20´15

G 3/4 - В

G 1/2 - В

30

31

0,212

0,214

25´10

G 1 - В

G 3/8 - В

30

32

0,248

0,256

25´15

G 1 - В

G 1/2 - В

32

34

0,284

0,294

25´20

G 1 - В

G 3/4 - В

35

36

0,329

0,341

32´15

G 11/4 - В

G 1/2 - В

34

36

0,382

0,365

32´20

G 11/4 - В

G 3/4 - В

36

41

0,428

0,413

32´25

G 11/4 - В

G 1 - В

40

42

0,492

0,503

40´20

G 11/2 - В

G 3/4 - В

38

44

0,543

0,467

40´25

G 11/2 - В

G 1 - В

42

46

0,619

0,533

40´32

G 11/2 - В

G 11/4

46

48

0,709

0,612

50´25

G 2 - В

G 1 - В

44

52

0,859

0,762

50´32

G 2 - В

G 11/4 - В

48

54

0,964

0,857

50´40

G 2 - В

G 11/2 - В

52

55

1,055

0,939

(65´32)

G 21/2 - В

G 11/4 - В

52

62

1,218

1,086

(65´40)

G 21/2 - В

G 11/2 - В

55

63

1,303

1,162

(65´50)

G 21/2 - В

G 2 - В

61

66

1,509

1,351

(80´40)

G 3-В

G 11/2 - В

58

71

1,600

1,433

(80´50)

G 3 - В

G 2-В

64

73

1,807

1,624

(80´65)

G 3 - В

G 21/2 - В

72

76

2,079

1,872

(100´65)

G 4 - В

G 21/2 - В

78

89

3,379

2,950

(100´80)

G 4 - B

G 3 - В

84

92

3,736

3,282

* Для справок

Примечания:

1. Кресты с Dу, указанными в таблице в скобках, применять не рекомендуется.

2. Масса оцинкованных соединительных частей не должна превышать массу неоцинкованных более чем на 5 %.

Примеры условных обозначений

Переходного креста без покрытия с Dу 25 мм на Dу1 20 мм:

Крест 25´20 ГОСТ 8952-75

То же, с цинковым покрытием:

Крест Ц-25´20 ГОСТ 8952-75

(Измененная редакция, Изм. № 1, 2).

2. Конструктивные размеры и технические требования - по ГОСТ 8944-75.

 




ГОСТЫ, СТРОИТЕЛЬНЫЕ и ТЕХНИЧЕСКИЕ НОРМАТИВЫ.
Некоммерческая онлайн система, содержащая все Российские Госты, национальные Стандарты и нормативы.
В Системе содержится более 150000 файлов нормативно-технической документации, действующей на территории РФ.
Система предназначена для широкого круга инженерно-технических специалистов.

Рейтинг@Mail.ru Яндекс цитирования

Copyright © www.gostrf.com, 2008 - 2026