Крупнейшая бесплатная информационно-справочная система онлайн доступа к полному собранию технических нормативно-правовых актов РФ. Огромная база технических нормативов (более 150 тысяч документов) и полное собрание национальных стандартов, аутентичное официальной базе Госстандарта. GOSTRF.com - это более 1 Терабайта бесплатной технической информации для всех пользователей интернета. Все электронные копии представленных здесь документов могут распространяться без каких-либо ограничений. Поощряется распространение информации с этого сайта на любых других ресурсах. Каждый человек имеет право на неограниченный доступ к этим документам! Каждый человек имеет право на знание требований, изложенных в данных нормативно-правовых актах!

  


 

ГОСУДАРСТВЕННЫЙ СТАНДАРТ СОЮЗА ССР

ИЗДЕЛИЯ ОГНЕУПОРНЫЕ ДИНАСОВЫЕ
ДЛЯ КЛАДКИ СТЕКЛОВАРЕННЫХ
ПЕЧЕЙ

ТЕХНИЧЕСКИЕ УСЛОВИЯ

ГОСТ 3910-75

ИПК ИЗДАТЕЛЬСТВО СТАНДАРТОВ

Москва

ГОСУДАРСТВЕННЫЙ СТАНДАРТ СОЮЗА ССР

ИЗДЕЛИЯ ОГНЕУПОРНЫЕ ДИНАСОВЫЕ
ДЛЯ КЛАДКИ СТЕКЛОВАРЕННЫХ ПЕЧЕЙ

Технические условия

Refractory silica products for brickwork of glassmaking furnaces.
Specifications

ГОСТ
3910-75

Дата введения 01.07.77

Настоящий стандарт распространяется на динасовые огнеупорные изделия для кладки верхнего строения и регенераторов стекловаренных печей.

Коды ОКП приведены в приложении 2.

1. МАРКИ

1.1. Изделия в зависимости от химического состава подразделяются на марки, указанные в табл. 1.

Таблица 1

Марка изделия

Характеристика

Применение

ДСУ

Изделия динасовые с массовой долей SiO2 не менее 96 %

Для кладки наиболее ответственных участков верхнего строения стекловаренных печей в зонах варки и максимальных температур до 1580 °С

ДСО

Изделия динасовые с массовой долей SiO2 не менее 95 %

Для кладки наиболее ответственных участков верхнего строения высокотемпературных стекловаренных печей до 1580 °С

ДСО1

Изделия динасовые с массовой долей SiО2 не менее 95 %

Для кладки наиболее ответственных участков верхнего строения стекловаренных печей с максимальной рабочей температурой до 1530 °С

ДС

Изделия динасовые с массовой долей SiO2 не менее 94 %

Для кладки менее ответственных участков высокотемпературных стекловаренных печей и кладки печей с максимальной рабочей температурой до 1530 °С

ДС1

Изделия динасовые с массовой долей SiO2 не менее 93 %

Д1

Изделия динасовые с массовой долей SiO2 не менее 95 %

Для кладки сводов стекловаренных печей

(Измененная редакция, Изм. № 2, 3, 5, 6).

2. ФОРМА И РАЗМЕРЫ

2.1. Форма и размеры изделий марок ДСУ, ДСО, ДСО1, ДС и ДС1 должны соответствовать указанным на черт. 1 - 9 и в табл. 2 - 10, марки Д1 - требованию потребителя.

Допускается изготовление изделий других форм и размеров по согласованию изготовителя и потребителя.

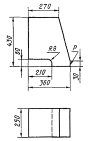
Брус прямой

Черт. 1

Таблица 2

Номер изделия

а

б

в

Применение

мм

1

250

500

120

Для кладки стен и защиты пят

2

250

600

100

Для подпятника влета горелок и защиты пят

3

250

600

150

Для подпятника влета горелок

4

300

250

100

Для кладки сводов толщиной 300 мм в сочетании с изделием № 14

5

300

380

100

Для кладки сводов толщиной 300 мм в сочетании с изделиями № 17 и 18

6

300

500

100

Для кладки сводов толщиной 300 мм в сочетании с изделиями № 19 и 20

7

400

250

100

Для кладки сводов толщиной 400 мм в сочетании с изделиями № 21 и 22

8

400

380

100

Для кладки сводов толщиной 400 мм в сочетании с изделиями № 23 и 24

9

500

250

100

Для кладки сводов толщиной 500 мм в сочетании с изделиями № 25 и 26

10

500

380

100

Для кладки сводов толщиной 500 мм в сочетании с изделиями № 27 и 28

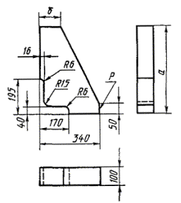
Брус клиновый двусторонний

Черт. 2

Таблица 3

Номер изделия

а

б

в

г

Применение

мм

11

250

600

100

120

Для кладки сводов, горелок, влетов и арок стены

12

300

250

50

100

Для кладки сводов регенераторов вперевязку с изделием № 15

13

300

250

75

100

Для кладки сводов регенераторов вперевязку с изделием № 16

14

300

250

100

108

Для кладки сводов толщиной 300 мм в сочетании с изделием № 4

15

300

380

50

100

Для кладки сводов регенераторов толщиной 300 мм вперевязку с изделием № 12

16

300

380

75

100

Для кладки сводов регенераторов вперевязку с изделием № 13

17

300

380

100

108

Для кладки сводов толщиной 300 мм в сочетании с изделием № 5

18

300

380

100

115

То же

19

300

500

100

108

Для кладки сводов толщиной 300 мм в сочетании с изделием № 6

20

300

500

100

115

То же

21

400

250

100

111

Для кладки сводов толщиной 400 мм в сочетании с изделием № 7

22

400

250

100

120

То же

23

400

380

100

111

Для кладки сводов толщиной 400 мм в сочетании с изделием № 8

24

400

380

100

120

Для кладки сводов толщиной 400 мм в сочетании с изделием № 8

25

500

250

100

113

Для кладки сводов толщиной 500 мм в сочетании с изделием № 9

26

500

250

100

125

То же

27

500

380

100

113

Для кладки сводов толщиной 500 мм в сочетании с изделием № 10

28

500

380

100

125

То же

29

700

200

152

160

Для кладки плоских арок вперевязку с изделием № 30

30

700

300

152

160

Для кладки плоских арок вперевязку с изделием № 29

Зуб

Черт. 3

Таблица 4

Номер изделия

а, мм

Применение

31

200

Для кладки подвесных стен

32

300

То же

Таблица 5

Номер изделия

Применение

33

Для кладки углов подвесных стен

Зуб угловой правый

Черт. 4

Зуб угловой левый

Черт. 5

Таблица 6

Номер изделия

Применение

34

Для кладки углов подвесных стен

Таблица 7

Номер изделия

а, мм

Применение

35

100

Для кладки сводов горелок

36

600

Для кладки сводов горелок и влетов

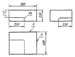
Пята

Черт. 6

Пята плоской арки

Черт. 7

Таблица 8

Номер изделия

Применение

37

Для кладки плоских арок

Таблица 9

Номер изделия

а

б

Применение

мм

38

350

190

Для кладки сводов толщиной 300 мм

39

400

165

Для кладки сводов толщиной 400 мм

40

500

115

Для кладки сводов толщиной 500 мм

Пята

Черт. 8

Черт. 9

Примечание. Буквой Р на черт. 1 - 9 обозначена рабочая поверхность.

Таблица 10

Номер изделия

а

б

Применение

мм

41

100

100

Для кладки сводов выборочных частей

42

94

88

То же

(Измененная редакция, Изм. № 1, 4, 5, 6).

2.2. Расчетная масса и объем изделий даны в приложении 1.

2.3. Предельные отклонения по размерам изделий не должны превышать указанных в табл. 11.

Таблица 11

мм

Размер

Предельное отклонение

Размер

Предельное отклонение

До 100

±2

До 230 для изделий:

 

Св. 100 до 350

±3

1-го класса

±2

»   350

+6

2-го класса

±3

 

-5

св. 230 для изделий

 

 

 

1-го класса

±1*

 

 

2-го класса

±2*

* Данные приведены в процентах.

(Измененная редакция, Изм. № 5).

2.4. Радиусы закруглений (черт. 3 - 5, 7 - 9) приведены для построения чертежей пресс-форм.

(Измененная редакция, Изм. № 4).

3. ТЕХНИЧЕСКИЕ ТРЕБОВАНИЯ

3.1. Изделия должны изготовляться в соответствии с требованиями настоящего стандарта, по физико-химическим показателям и внешнему виду соответствовать требованиям, указанным в табл. 12.

Таблица 12

Наименование показателя

Норма для изделия марки

ДСУ

ДСО

ДС

ДСО1

ДС1

Д1

1. Массовая доля SiO2, %, не менее

96

95

94

95

93

95

2. Массовая доля СаО, %, не более

2,5

2,5

3,0

2,5

3,0

-

3. Массовая доля Fe2O3, %, не более

0,5

0,6

1,7

0,6

1,7

1,5 - 1,7

4. Огнеупорность, °С, не ниже

1710

1710

1710

1710

1710

-

5. Пористость открытая, %, не более

 

 

 

 

 

 

для изделий массой до 35 кг

20

21

22

21

22

23*; 25

для изделий массой св. 35 кг

21

22

22

22

22

25

6. Температура начала размягчения, °С, не ниже

1650

1650

1640

1650

1630

1650

7. Плотность, г/см3, не более

2,37 для изделий массой до 19 кг, 2,38 для изделий массой св. 19 кг

2,36

2,38

2,38

2,38

2,38*

2,40

8. Предел прочности при сжатии, Н/мм2, не менее

30,0

25,0

20,0

22,0

17,5

22,0*

20,0

9. Отбитость углов и ребер не более:

 

 

 

 

 

 

для изделий массой до 50 кг:

 

 

 

 

 

 

на рабочей поверхности

4

5

5

5

5

5*

на остальных поверхностях

8

8

8

8

8

10*

для изделий массой св. 50 кг:

 

 

 

 

 

 

на рабочей поверхности

6

10

10

10

10

-

на остальных поверхностях

12

10

15

10

15

-

10. Кривизна, мм, не более, для изделий размером, мм:

 

до 230

-

2

св. 230 - 1-го класса

-

3

2-го класса

-

1 %

до 350

2,5

-

Св. 350

3,5

 

11. Выплавки отдельные диаметром (по впадине), мм, не более, в количестве не более 1 шт.:

 

на рабочей поверхности

Не допускаются

5

-

на остальных поверхностях

 

8

-

12. Посечки поверхностные длиной, мм, не более:

Не нормируются, если не имеют характера сетки

Не учитываются

шириной до 0,1 мм

шириной от 0,1 до 0,3 мм:

на рабочей поверхности

30 для посечки шириной от 0,1 до 0,25

30

Не допускаются

на остальных поверхностях шириной св. 0,3 до 0,5 мм:

50

на рабочей поверхности

Не допускаются

на остальных поверхностях

30

13. Трещины св. 0,5 мм

Не допускаются

Примечания:

1. Для изделий марок ДСО1 и ДС1 массой свыше 35 кг допускается один образец из трех плотностью 2,39 г/см3.

2. На рабочей поверхности изделия допускается не более одного отбитого угла и ребра. Отбитость ребер для изделий марки Д1 установлена общей длиной не более 1/4 длины ребра.

Рабочей поверхностью изделий считается поверхность, соприкасающаяся с печным пространством, и маркировке не подлежит. Рабочая поверхность изделий, изготовляемых по чертежам потребителя, должна быть указана на этих чертежах.

3. Пересечение посечкой допускается не более 1 ребра.

4. Знаком * отмечены значения для изделий массой до 12 кг.

(Измененная редакция, Изм. № 2, 3, 4, 5, 6).

3.1а. Кривизна динасовых изделий всех марок, предназначенных для печей производства электровакуумного стекла, должна быть с 01.01.88 для изделий всех размеров не более 1 мм.

(Введен дополнительно, Изм. № 4).

3.2. Изделия по всей поверхности излома должны иметь однородное строение, без трещин, пустот и инородных включений. Отдельные зерна не должны выкрашиваться.

(Измененная редакция, Изм. № 2).

3а. ТРЕБОВАНИЯ БЕЗОПАСНОСТИ

3а.1. При производстве динасовых изделий вредным производственным фактором является неорганическая пыль кварцита, содержащая двуокись кремния, относящуюся к 3-му классу опасности. Предельно допустимая концентрация пыли кварцита в воздухе рабочей зоны производственных помещений не должна превышать 1 мг/м3 (ГОСТ 12.1.005).

3а.2. Общие требования безопасности при работе с динасовыми изделиями - по ГОСТ 12.1.007.

3а.3. При производстве динасовых изделий должны соблюдаться требования ГОСТ 17.0.0.01, ГОСТ 12.2.032.

Разд. . (Введен дополнительно, Изм. № 4).

4. ПРАВИЛА ПРИЕМКИ

4.1. Изделия предъявляются к приемке партиями. Каждая партия должна состоять из изделий одного назначения.

Масса партии устанавливается не более 150 т одной марки.

(Измененная редакция, Изм. № 2, 3).

4.2. Правила приемки - по ГОСТ 8179 и ОСТ 14-8-216.

(Измененная редакция, Изм. № 5).

4.3. (Исключен, Изм. № 3).

5. МЕТОДЫ ИСПЫТАНИЙ

5.1. Химический состав изделий определяют по ГОСТ 2642.0, ГОСТ 2642.3, ГОСТ 2642.5, ГОСТ 2642.7.

Допускается химический состав изделий определять другими методами, утвержденными в установленном порядке, обеспечивающими требуемую точность определения.

(Измененная редакция, Изм. № 3).

5.2. Огнеупорность определяют по ГОСТ 4069.

5.3. Открытую пористость изделий номеров 1 - 29, 31, 32, 35, 38 - 42 определяют по ГОСТ 2409 или по ГОСТ 25714, остальных номеров изделий - по ГОСТ 2409.

5.4. Температуру начала размягчения определяют по ГОСТ 4070.

5.5. Плотность изделий номеров 1 - 29, 31, 32, 35, 38 - 42 определяют по ГОСТ 2211 или по ГОСТ 25714, остальных номеров изделий - по ГОСТ 2211.

5.6. Предел прочности при сжатии изделий номеров 1 - 29, 31, 32, 35, 38 - 42 определяют по ГОСТ 4071 или по ГОСТ 25714, остальных номеров изделий - по ГОСТ 4071.1 или ГОСТ 4071.2.

5.3 - 5.6. (Измененная редакция, Изм. № 4).

5.6а. Открытую пористость, плотность и предел прочности при сжатии по ГОСТ 25714 определяют на удвоенном количестве образцов.

(Введен дополнительно, Изм. № 4).

5.7. Размеры изделий определяют металлической линейкой по ГОСТ 427 с ценой деления шкалы 1 мм или соответствующими шаблонами, гарантирующими заданную точность измерения.

Размеры прямых изделий (длину, ширину) измеряют по двум параллельным граням - посередине каждой грани. Толщину изделий измеряют по четырем граням. За результат измерений принимают среднее значение результатов всех измерений. Размеры изделий других конфигураций измеряют посередине каждой грани.

5.8. Кривизну изделий определяют на поверочной плите (ГОСТ 10905) или аттестованной в установленном порядке металлической плите при помощи щупа-шаблона шириной 10 мм и толщиной, превышающей на 0,1 мм установленную норму кривизны. Щуп не должен входить в зазор между плитой и изделием.

Допускается кривизну крупногабаритных изделий определять поверочной линейкой (ГОСТ 8026) с помощью образцов просвета. Размер поверочной линейки должен перекрывать размеры контролируемых поверхностей изделий.

5.7, 5.8. (Измененная редакция, Изм. № 6).

5.9. Глубину отбитости углов и ребер определяют по ГОСТ 15136.

5.10. Ширину посечек и трещин определяют измерительной лупой по ГОСТ 25706. Длину посечек и трещин замеряют металлической линейкой с ценой деления шкалы 1 мм.

(Измененная редакция, Изм. № 3).

5.11. Диаметр выплавок определяют по наибольшему размеру впадины металлической линейкой (ГОСТ 427) с ценой деления шкалы 1 мм.

(Измененная редакция, Изм. № 4).

6. МАРКИРОВКА, УПАКОВКА, ТРАНСПОРТИРОВАНИЕ И ХРАНЕНИЕ

6.1. (Исключен, Изм. № 6).

6.2. Маркировка, упаковка, транспортирование и хранение изделий - по ГОСТ 24717.

Транспортная маркировка - по ГОСТ 14192.

Упаковка - в пакеты по ГОСТ 24717 (черт. 1), ящики типа I-1, I-2, по ГОСТ 10198 и контейнеры изготовителя и потребителя по нормативно-технической документации, утвержденной в установленном порядке и разработанной в соответствии с ГОСТ 19667.

Габаритные размеры пакета - по ГОСТ 24597.

Размеры ящиков - по ГОСТ 21140.

Изделия транспортируют в крытых железнодорожных вагонах, полувагонах и на платформах, водным или автомобильным транспортом в соответствии с правилами перевозки грузов, действующими на транспорте данного вида.

Размещение и крепление грузов в соответствии с техническими условиями погрузки и крепления грузов, утвержденными МПС СССР.

(Измененная редакция, Изм. № 3, 4).

ПРИЛОЖЕНИЕ 1

Справочное

РАСЧЕТНАЯ МАССА И ОБЪЕМ ИЗДЕЛИЙ

Номер изделия

Объем, см3

Масса, кг

Номер изделия

Объем, см3

Масса, кг

1

15000

28,5

22

11000

20,9

2

15000

28,5

23

16036

30,5

3

22500

42,8

24

16720

31,8

4

7500

14,3

25

13312

25,3

5

11400

21,7

26

14062

26,7

6

15000

28,5

27

20225

38,4

7

10000

19,0

28

21375

40,6

8

15200

28,9

29

21840

41,5

9

12500

23,8

30

32760

62,2

10

19000

36,1

31

16600

31,5

11

16500

31,4

32

24900

47,3

12

5625

10,7

33

35800

68,0

13

6562

12,5

34

35800

68,0

14

7800

14,8

35

5700

10,8

15

8550

16,2

36

34200

65,0

16

9975

19,0

37

31050

59,0

17

11856

22,5

38

8700

16,5

18

12255

23,3

39

9600

18,2

19

15600

29,6

40

11000

20,9

20

16125

30,6

41

6700

12,7

21

10550

20,0

42

6100

11,6

Примечание. При расчете массы изделий средняя кажущаяся плотность принята равной 1,90 г/см3

ПРИЛОЖЕНИЕ 2

Обязательное

Марка

Код ОКП

ДСУ

153711

ДСО

153712

ДС

153713

ДСО1

153715

ДС1

153716

Д1

153714

ПРИЛОЖЕНИЕ 2. (Введено дополнительно, Изм. № 5).

ИНФОРМАЦИОННЫЕ ДАННЫЕ

1. РАЗРАБОТАН И ВНЕСЕН Министерством металлургии СССР

РАЗРАБОТЧИКИ

А.П. Бакалкин, И.Ф. Усатиков, А.А. Елтышева

2. УТВЕРЖДЕН И ВВЕДЕН В ДЕЙСТВИЕ Постановлением Государственного комитета СССР по стандартам от 29.12.75 № 4061

3. ВЗАМЕН ГОСТ 3910-41

4. ССЫЛОЧНЫЕ НОРМАТИВНО-ТЕХНИЧЕСКИЕ ДОКУМЕНТЫ

Обозначение НТД, на который дана ссылка

Номер пункта

ГОСТ 12.1.005-88

3а.1

ГОСТ 12.1.007-76

3а.2

ГОСТ 12.2.032-78

3а.3

ГОСТ 17.0.0.01-76

3а.3

ГОСТ 427-75

5.11

ГОСТ 2211-65

5.4, 5.5

ГОСТ 2409-95

5.3

ГОСТ 2642.0-86

5.1

ГОСТ 2642.3-86

5.1

ГОСТ 2642.5-86

5.1

ГОСТ 2642.7-86

5.1

ГОСТ 4069-69

5.2

ГОСТ 4070-83

5.4

ГОСТ 4071.1-94

5.6

ГОСТ 4071.2-94

5.6

ГОСТ 8026-92

5.8

ГОСТ 8179-85

4.2

ГОСТ 10198-91

6.2

ГОСТ 10905-86

5.8

ГОСТ 14192-96

6.2

ГОСТ 15136-78

5.9

ГОСТ 19667-74

6.2

ГОСТ 21140-88

6.2

ГОСТ 24597-81

6.2

ГОСТ 24717-94

6.2

ГОСТ 25706-83

5.10

ГОСТ 25714-83

5.3; 5.5; 5.6; 5.6а

5. Ограничение срока действия снято Постановлением Госстандарта СССР от 26.04.91 № 587

6. ПЕРЕИЗДАНИЕ (июнь 1998 г.) с Изменениями № 1, 2, 3, 4, 5, 6, утвержденными в сентябре 1977 г., марте 1981 г., ноябре 1983 г., июле 1986 г., октябре 1988 г., апреле 1991 г.) (ИУС 11-77, 7-81, 2-84, 10-86, 1-89, 7-91)

СОДЕРЖАНИЕ

 

 




ГОСТЫ, СТРОИТЕЛЬНЫЕ и ТЕХНИЧЕСКИЕ НОРМАТИВЫ.
Некоммерческая онлайн система, содержащая все Российские Госты, национальные Стандарты и нормативы.
В Системе содержится более 150000 файлов нормативно-технической документации, действующей на территории РФ.
Система предназначена для широкого круга инженерно-технических специалистов.

Рейтинг@Mail.ru Яндекс цитирования

Copyright © www.gostrf.com, 2008 - 2026