Крупнейшая бесплатная информационно-справочная система онлайн доступа к полному собранию технических нормативно-правовых актов РФ. Огромная база технических нормативов (более 150 тысяч документов) и полное собрание национальных стандартов, аутентичное официальной базе Госстандарта. GOSTRF.com - это более 1 Терабайта бесплатной технической информации для всех пользователей интернета. Все электронные копии представленных здесь документов могут распространяться без каких-либо ограничений. Поощряется распространение информации с этого сайта на любых других ресурсах. Каждый человек имеет право на неограниченный доступ к этим документам! Каждый человек имеет право на знание требований, изложенных в данных нормативно-правовых актах!

  


 

ГОСУДАРСТВЕННЫЙ СТАНДАРТ СОЮЗА ССР

РОТОРЫ БУРОВЫЕ И ДЛЯ РЕМОНТА
НЕФТЯНЫХ И ГАЗОВЫХ СКВАЖИН

ОСНОВНЫЕ ПАРАМЕТРЫ И РАЗМЕРЫ

ГОСТ 4938-78
(СТ СЭВ 6915-89)

ИПК ИЗДАТЕЛЬСТВО СТАНДАРТОВ
Москва

ГОСУДАРСТВЕННЫЙ СТАНДАРТ СОЮЗА ССР

РОТОРЫ БУРОВЫЕ И ДЛЯ РЕМОНТА НЕФТЯНЫХ И ГАЗОВЫХ СКВАЖИН

Основные параметры и размеры

Drilling rotors and for oil and gas wells repair. Basis parameters and dimensions

ГОСТ
4938-78

(CT СЭВ 6915-89)

Дата введения 01.01.80

1. Настоящий стандарт распространяется на роторы для эксплуатационного и глубокого разведочного бурения (далее буровые роторы), а также для освоения и ремонта (далее роторы для ремонта) нефтяных и газовых скважин.

Стандарт не распространяется на гидроприводные роторы, а также на роторы, являющиеся составными частями подъемных установок, конструктивно совмещенные с трубовращателями, механическими ключами и пр.

(Измененная редакция, Изм. 3).

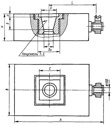
2. Основные параметры и размеры буровых роторов должны соответствовать указанным на чертеже и в таблице 1.

Таблица 1

Наименование параметра и размера

Норма по типоразмеру

Р 460

Р 560

Р 700

Р 950

Р 1260

Диаметр отверстия в столе ротора D0. мм*

460

560

700

950

1260

Допускаемая статическая нагрузка на стол ротора, кН

2000

2500

4000

5000

6300

8000

Статический крутящий момент на столе ротора, кНм, не более

35

35

50

80

120

180

Частота вращения стола ротора, мин-1, не более

250

200

Передаточное число от приводного вала до стола ротора

3 - 4

Расстояние от оси ротора до оси первого ряда зубьев звездочки L, мм

1353 ± 10

1651 ± 10

Габаритные размеры ротора, мм, не более:

длина А

2300

2215

2350

2300

2450

3000

ширина В

1450

1350

1650

1580

1900

2300

высота Н

700

745

750

680

750

800

Масса, кг, не более

3000

4520

5850**

4900

7100

10000

Размеры вкладышей под зажимы рабочей трубы, мм:

 

D

328+0,570

d

105 ± 0,435

b, не более

309

с

335+1,400

* Предельные отклонения - по нормативно-технической документации.

** Выпуск до 01.07.89.

Пример условного обозначения ротора с диаметром отверстия в столе D0 = 700 мм:

Ротор Р 700 ГОСТ 4938- 78

(Измененная редакция, Изм. № 1, 2, 3).

2а. Основные параметры и присоединительные размеры роторов для ремонта должны соответствовать указанным в чертеже и в табл. 2.

Таблица 2

Наименование параметра и размера

Значение параметра

Диаметр отверстия в столе ротора D, мм

180

254

305 (320, 330, 360)

Номинальная грузоподъемность (нагрузка на стол ротора), т

50

80

125

Крутящий момент на столе ротора, кН·м, не менее

8

12,5

16

Частота вращения стола ротора, с-1 (мин-1), не более

5,0 (300)

Расстояние от оси ротора до оси первого ряда зубьев звездочки L ± 10, мм

914 (730)

914 (730, 1118)

Примечания:

1. Значения, указанные в скобках, являются менее предпочтительными.

2. Допускается изменение диаметра отверстия в столе ротора против номинального в пределах +10 %.

3. Допускается увеличение номинальной грузоподъемности до значения следующего большего типоразмера.

(Введен дополнительно, Изм. 3).

3. При заказе ротора Р 560 следует дополнительно указывать допускаемую статическую нагрузку на стол ротора: Р 560 - 250; Р 560 - 320.

3.1. При заказе ротора для ремонта с увеличенной номинальной грузоподъемностью условное обозначение ротора дополняют значением номинальной грузоподъемности.

Например, для ротора с диаметром отверстия в столь D0 = 254 мм и увеличенной до 125 т номинальной грузоподъемностью:

Ротор Р 254×125 ГОСТ 4938- 78

(Введен дополнительно, Изм. 3).

4. Конец приводного вала под звездочку бурового ротора должен быть цилиндрическим по ГОСТ 12080, d = 150 мм.

(Измененная редакция, Изм. № 3).

ИНФОРМАЦИОННЫЕ ДАННЫЕ

1. РАЗРАБОТАН И ВНЕСЕН Министерством химического и нефтяного машиностроения РАЗРАБОТЧИКИ

Ю.П. Цареградский; И.Г. Шевяков; В.П. Федонин; А.В. Серебряков

2. УТВЕРЖДЕН И ВВЕДЕН В ДЕЙСТВИЕ Постановлением Государственного комитета стандартов Совета Министров СССР от 05.04.78 № 946

3. В стандарт введен СТ СЭВ 6915-89

4. ВЗАМЕН ГОСТ 4938-68

5. ССЫЛОЧНЫЕ НОРМАТИВНО-ТЕХНИЧЕСКИЕ ДОКУМЕНТЫ

Обозначение НТД, на который дана ссылка

Номер пункта

ГОСТ 12080-66

4

6. Ограничение срока действия снято по протоколу № 2-93 Межгосударственного Совета по стандартизации, метрологии и сертификации (ИУС 2-93)

7. ПЕРЕИЗДАНИЕ (июнь 1998 г.) с Изменениями № 1, 2, 3, утвержденными в ноябре 1984 г., сентябре 1986 г., августе 1990 г. (2-85, 11-86, 11-90)

 

 




ГОСТЫ, СТРОИТЕЛЬНЫЕ и ТЕХНИЧЕСКИЕ НОРМАТИВЫ.
Некоммерческая онлайн система, содержащая все Российские Госты, национальные Стандарты и нормативы.
В Системе содержится более 150000 файлов нормативно-технической документации, действующей на территории РФ.
Система предназначена для широкого круга инженерно-технических специалистов.

Рейтинг@Mail.ru Яндекс цитирования

Copyright © www.gostrf.com, 2008 - 2026