Крупнейшая бесплатная информационно-справочная система онлайн доступа к полному собранию технических нормативно-правовых актов РФ. Огромная база технических нормативов (более 150 тысяч документов) и полное собрание национальных стандартов, аутентичное официальной базе Госстандарта. GOSTRF.com - это более 1 Терабайта бесплатной технической информации для всех пользователей интернета. Все электронные копии представленных здесь документов могут распространяться без каких-либо ограничений. Поощряется распространение информации с этого сайта на любых других ресурсах. Каждый человек имеет право на неограниченный доступ к этим документам! Каждый человек имеет право на знание требований, изложенных в данных нормативно-правовых актах!

  


 

МЕЖГОСУДАРСТВЕННЫЙ СТАНДАРТ

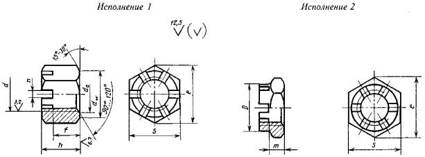
ГАЙКИ ШЕСТИГРАННЫЕ ПРОРЕЗНЫЕ И КОРОНЧАТЫЕ КЛАССА ТОЧНОСТИ А

ГОСТ
5932-73

Конструкция и размеры

Hexagon slotted and castle nuts, accuracy class A. Construction and dimensions

Дата введения 01.01.74

Настоящий стандарт распространяется на прорезные и корончатые шестигранные гайки класса точности А с диаметром резьбы от 4 до 48 мм.

Стандарт полностью соответствует СТ СЭВ 2664-89.

(Измененная редакция, Изм. № 3).

1. Конструкция и размеры гаек должны соответствовать указанным на чертеже и в таблице.


Таблица 1

мм

Номинальный диаметр резьбы d

4

5

6

8

10

12

(14)

16

(18)

20

(22)

24

(27)

30

(33)

36

(39)

42

48

Шаг резьбы

крупный

0,7

0,8

1,0

1,25

1,5

1,75

2,0

2,0

2,5

2,5

2,5

3,0

3,0

3,5

3,5

4,0

4,0

4,5

5,0

мелкий

-

-

-

1,0

1,25

1,25

1,5

1,5

1,5

1,5

1,5

2,0

2,0

2,0

2,0

3,0

3,0

3,0

3,0

Размер «под ключ» S

7

8

10

13

16

18

21

24

27

30

34

36

41

46

50

55

60

65

75

Высота h

5,0

6,7

7,7

9,8

12,4

15,8

17,8

20,8

22,4

24,0

27,8

29,5

31,6

34,6

37,7

40,0

42,4

46

50

Расстояние от опорной поверхности до основания прорези f и коронки m

3,2

4,7

5,2

6,8

8,4

10,8

12,8

14,8

16,4

18,0

19,8

21,5

23,6

25,6

28,7

31,0

33,4

34,0

38,0

dw, не менее

6,3

7,2

9,0

11,7

14,6

16,6

19,6

22,5

25,3

27,7

31,7

33,2

38,3

42,7

46,6

51,1

55,9

60,6

69,4

Диаметр описанной окружности e, не менее

7,7

8,8

11,1

14,4

17,8

20,0

23,4

26,8

30,1

33,5

37,7

40,0

45,6

51,3

55,8

61,3

67,0

72,6

83,9

Диаметр фаски da

не менее

4

5

6

8

10

12

14

16

18

20

22

24

27

30

33

36

39

42

48

не более

4,6

5,75

6,75

8,75

10,8

13,0

15,1

17,3

19,4

21,6

23,8

25,9

29,2

32,4

35,6

38,9

42,2

45,4

51,8

Диаметр коронки D

-

-

-

-

-

16

19

22

25

28

32

34

38

42

46

50

55

58

65

Число прорезей

6

8

Ширина прорези n

1,2

1,4

2,0

2,5

2,8

3,5

4,5

4,5

5,5

7,0

9,0

Размер шплинта (рекомендуемый) по ГОСТ 397

Исполнение 1

1×12

1,2×12

1,6×16

2×20

2,5×25

3,2×32

4×36

4×40

5×45

5×50

6,3×63

6,3×71

8×80

8×90

Исполнение 2

-

-

-

-

-

3,2×25

4×32

4×36

5×40

5×45

6,3×50

6,3×63

8×71

8×80

Примечания:

1. Размеры, заключенные в скобки, применять не рекомендуется.

2. Допускается по соглашению между изготовителем и потребителем изготовлять гайки с номинальным диаметром резьбы от 36 до 48 мм с шагом резьбы 2 мм.

3. Для изделий, спроектированных до 01.01.91, допускается применять гайки с размерами, указанными в приложении 2.


Пример условного обозначения гайки исполнения 1, диаметром резьбы d = 12 мм, с крупным шагом резьбы с полем допуска 6Н, класса прочности 5, без покрытия:

Гайка М12 - 6Н.5 ГОСТ 5932-73

То же, исполнения 2, с мелким шагом резьбы с молем допуска 6Н, с покрытием 01 толщиной 9 мкм:

Гайка 2М12×1,25 - 6Н.5.019 ГОСТ 5932-73

(Измененная редакция, Изм. № 1, 2, 3, 4, 5).

2. Резьба - по ГОСТ 24705.

(Измененная редакция, Изм. № 4).

3. Допускается выполнение фаски со стороны прорези или коронки.

3а. Форма дна прорези может быть плоской, скругленной или с фаской.

(Введен дополнительно, Изм. № 3).

4. Технические требования - по ГОСТ 1759.0.

5. Теоретическая масса гаек указана в приложении 1.

ПРИЛОЖЕНИЕ 1

Справочное

Масса стальных гаек с крупным шагом резьбы

Таблица 2

Номинальный диаметр резьбы d, мм

Теоретическая масса 1000 шт. гаек, кг

Исполнение 1

Исполнение 2

4

1,099

-

5

1,767

-

6

3,295

-

8

7,027

-

10

14,030

-

12

20,881

18,326

14

32,176

28,079

16

46,404

42,099

18

62,596

59,875

20

86,221

79,795

22

124,019

114,744

24

152,156

140,738

27

216,998

199,130

30

301,228

275,592

33

409,503

377,149

36

505,760

466,689

39

670,44

614,836

42

800,488

728,350

48

1192,376

1079,830

ПРИЛОЖЕНИЕ 1. (Измененная редакция, Изм. № 5).

ПРИЛОЖЕНИЕ 2

Справочное

Таблица 3

мм

Номинальный диаметр резьбы d

10

12

14

22

Размер «под ключ» S

17

19

22

32

Диаметр описанной окружности e, не менее

18,9

21,1

24,5

35,8

dw, не менее

15,6

17,4

20,6

30,0

ПРИЛОЖЕНИЕ 2. (Введено дополнительно, Изм. № 5).

ИНФОРМАЦИОННЫЕ ДАННЫЕ

1. РАЗРАБОТАН И ВНЕСЕН Государственным комитетом СССР но стандартам

2. УТВЕРЖДЕН И ВВЕДЕН В ДЕЙСТВИЕ Постановлением Государственного комитета стандартов Совета Министров СССР от 23.01.73 № 141

3. Стандарт полностью соответствует СТ СЭВ 2664-89

Стандарт соответствует международному стандарту ИСО 4032-79, ИСО 4035-79 в части размеров «под ключ»

4. ВЗАМЕН ГОСТ 5932-62

5. ССЫЛОЧНЫЕ НОРМАТИВНО-ТЕХНИЧЕСКИЕ ДОКУМЕНТЫ

Обозначение НТД, на который дана ссылка

Номер пункта

ГОСТ 397-79

1

ГОСТ 1759.0-87

4

ГОСТ 24705-2004

2

6. Ограничение срока действия снято но протоколу № 4-93 Межгосударственного совета по стандартизации, метрологии и сертификации (ИУС 4-94)

7. ИЗДАНИЕ с Изменениями № 1,2, 3, 4, 5, 6, утвержденными в феврале 1974 г., августе 1979 г., декабре 1981 г., октябре 1984 г., марте 1989 г., марте 1990 г. (ИУС 3-74, 10-79, 2-82, 1-85, 6-89, 7-90)

 

 




ГОСТЫ, СТРОИТЕЛЬНЫЕ и ТЕХНИЧЕСКИЕ НОРМАТИВЫ.
Некоммерческая онлайн система, содержащая все Российские Госты, национальные Стандарты и нормативы.
В Системе содержится более 150000 файлов нормативно-технической документации, действующей на территории РФ.
Система предназначена для широкого круга инженерно-технических специалистов.

Рейтинг@Mail.ru Яндекс цитирования

Copyright © www.gostrf.com, 2008 - 2026