Крупнейшая бесплатная информационно-справочная система онлайн доступа к полному собранию технических нормативно-правовых актов РФ. Огромная база технических нормативов (более 150 тысяч документов) и полное собрание национальных стандартов, аутентичное официальной базе Госстандарта. GOSTRF.com - это более 1 Терабайта бесплатной технической информации для всех пользователей интернета. Все электронные копии представленных здесь документов могут распространяться без каких-либо ограничений. Поощряется распространение информации с этого сайта на любых других ресурсах. Каждый человек имеет право на неограниченный доступ к этим документам! Каждый человек имеет право на знание требований, изложенных в данных нормативно-правовых актах!

  


 

МЕЖГОСУДАРСТВЕННЫЙ СТАНДАРТ

Основные нормы взаимозаменяемости

РЕЗЬБА ТРАПЕЦЕИДАЛЬНАЯ ОДНОЗАХОДНАЯ

Допуски

Basic norms of interchangeability. Trapezoidal single-start screw thread. Tolerances

ГОСТ
9562-81

Дата введения 01.01.1982 г.

Настоящий стандарт распространяется на трапецеидальную однозаходную резьбу с профилем по ГОСТ 9484, диаметрами и шагами по ГОСТ 24738 и устанавливает систему допусков трапецеидальной резьбы.

Стандарт не распространяется на трапецеидальные резьбы, предназначенные для осуществления точных перемещений.

1. ОСНОВНЫЕ ПОЛОЖЕНИЯ СИСТЕМЫ ДОПУСКОВ

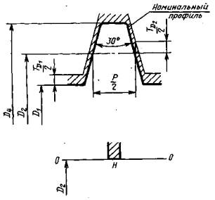
1.1. Обозначения, принятые в настоящем стандарте, приведены ниже:

d - наружный диаметр наружной резьбы (винта);

d2 - средний диаметр наружной резьбы;

d3 - внутренний диаметр наружной резьбы;

D1 - внутренний диаметр внутренней резьбы (гайки);

D2 - средний диаметр внутренней резьбы;

D4 - наружный диаметр внутренней резьбы;

Р - шаг резьбы.

N - длины свинчивания группы нормальные;

L - длины свинчивания группы длинные;

 - допуски диаметров d, d2, d3, D1; D2;

es - верхнее отклонение диаметров наружной резьбы;

ES - верхнее отклонение диаметров внутренней резьбы;

ei - нижнее отклонение диаметров наружной резьбы;

EI - нижнее отклонение диаметров внутренней резьбы.

1.2. Система допусков резьбы предусматривает:

- допуски диаметров резьбы;

- положения полей допусков диаметров резьбы;

- классификацию длин свинчивания;

- поля допусков резьбы и их выбор с учетом длин свинчивания.

1.3. Схемы полей допусков наружной и внутренней резьбы приведены на чертеже.

Отклонения отсчитываются от номинального профиля резьбы в направлении, перпендикулярном оси резьбы.

1.4. Допуски диаметров резьбы устанавливаются по степеням точности, обозначаемыми цифрами. Степени точности диаметров резьбы приведены в табл. 1.

Допуски среднего диаметра резьбы являются суммарными.

Допуски диаметра D4 не устанавливаются.

Положения полей допусков наружной резьбы

Положения полей допусков внутренней резьбы

Таблица 1

Вид резьбы

Диаметр резьбы

Степень точности

Вид резьбы

Диаметр резьбы

Степень точности

Наружная резьба

d

4; 6

Внутренняя резьба

D2

6; 7; 8; 9

d2

6; 7; 8; 9

D1

4

d3

Примечания:

1. Степень точности 6 диаметра d допускается применять для резьбы, изготовляемой накатыванием.

2. Степень точности диаметра d3 должна соответствовать степени точности диаметра d2.

1.5. Положения полей допусков диаметра резьбы определяются основным отклонением (верхним es для наружной резьбы и нижним EI - для внутренней) и обозначаются буквами латинского алфавита (строчной для наружной резьбы и прописной - для внутренней).

Положения полей допусков приведены на чертеже и в табл. 2.

Таблица 2

Вид резьбы

Диаметр резьбы

Основное отклонение

Вид резьбы

Диаметр резьбы

Основное отклонение

Наружная резьба

d

h

Внутренняя резьба

D4

H

d2

c; e; g; h

D2

d3

h

D1

1.6. Длины свинчивания подразделяются на две группы: нормальные N и длинные L.

1.7. Поле допуска диаметра резьбы образуется сочетанием допуска и основного отклонения.

Поле допуска наружной резьбы образуется сочетанием полей допусков наружного, среднего и внутреннего диаметров.

Поле допуска внутренней резьбы образуется сочетанием полей допусков среднего и внутреннего диаметров.

1.8. Расчетные формулы и правила округления числовых значений допусков, основных отклонений и длин свинчивания приведены в обязательном приложении 1.

2. ОБОЗНАЧЕНИЯ

2.1. Обозначение поля допуска трапецеидальной резьбы состоит из обозначения поля допуска среднего диаметра, т.е. цифры, обозначающей степень точности, и буквы, обозначающей основное отклонение.

Например:

7е, 7Н.

В тех случаях, когда для диаметра d назначают поле допуска 6h, то его дополнительно указывают в обозначении поля допуска резьбы.

Например:

2.2. В условном обозначении резьбы обозначение поля допуска должно следовать за обозначением размера резьбы.

Например:

Тr 32´6-7е;

Тr 32´6-7Н;

Тr 32´6 LH-7e.

2.3. Длина свинчивания N в условном обозначении резьбы не указывается.

Длина свинчивания L при необходимости указывается в миллиметрах за обозначением поля допуска резьбы.

Например:

2.4. Посадка в резьбовом соединении обозначается дробью, в числителе которой указывают обозначение поля допуска внутренней резьбы, а в знаменателе - обозначение поля допуска наружной резьбы.

Например:

Tr 32´6-7H/7e;

Тr 32´6 LH-7H/7e.

3. ДОПУСКИ

Числовые значения допусков диаметров наружной и внутренней резьбы должны соответствовать указанным в табл. 3 - 5.

Таблица 3

Допуски диаметров d и D1

Шаг Р, мм

Наружная резьба

Внутренняя резьба

Шаг Р, мм

Наружная резьба

Внутренняя резьба

Степень точности

Степень точности

4

6

4

4

6

4

Допуск, мкм

Допуск, мкм

Td

Td

1,5

150

236

190

16

710

-

1000

2

180

280

236

18

800

1120

3

236

375

315

20

850

1180

4

300

475

375

22

900

1250

5

335

530

450

24

950

1320

6

375

600

500

28

1060

1500

7

425

670

560

32

1120

1600

8

450

710

630

36

1250

1800

9

500

800

670

40

1320

1900

10

530

850

710

44

1400

2000

12

600

950

800

48

1500

2120

14

670

-

900

Таблица 4

Допуски диаметров d2 и D2

Номинальный диаметр резьбы d, мм

Шаг P, мм

Наружная резьба

Внутренняя резьба

Степень точности

6

7

8

9

6

7

8

9

Допуск, мкм

Св. 5,6 до 11,2

1,5

132

170

212

265

180

224

280

355

2

150

190

236

300

200

250

315

400

3

170

212

265

335

224

280

355

450

Св. 11,2 до 22,4

2

160

200

250

315

212

265

335

425

3

180

224

280

355

236

300

375

475

4

212

265

335

425

280

355

450

560

5

224

280

355

450

300

375

475

600

8

280

355

450

560

375

475

600

750

Св. 22,4 до 45

2

170

212

265

335

224

280

355

450

3

200

250

315

400

265

335

425

530

5

236

300

375

475

315

400

500

630

6

265

335

425

530

355

450

560

710

7

280

355

450

560

375

475

600

750

8

300

375

475

600

400

500

630

800

10

315

400

500

630

425

530

670

850

12

335

425

530

670

450

560

710

900

Св. 45 до 90

3

212

265

335

425

280

355

450

560

4

236

300

375

475

315

400

500

630

5

250

315

400

500

335

425

530

670

8

315

400

500

630

425

530

670

850

9

335

425

530

670

450

560

710

900

10

335

425

530

670

450

560

710

900

12

375

475

600

750

500

630

800

1000

14

400

500

630

800

530

670

850

1060

16

425

530

670

850

560

710

900

1120

18

450

560

710

900

600

750

950

1180

20

450

560

710

900

600

750

950

1180

Св. 90 до 180

4

250

315

400

500

335

425

530

670

5

280

355

450

560

375

475

600

750

6

300

375

475

600

400

500

630

800

8

335

425

530

670

450

560

710

900

12

400

500

630

800

530

670

850

1060

14

425

530

670

850

560

710

900

1120

16

450

560

710

900

600

750

950

1180

18

475

600

750

950

630

800

1000

1250

Св. 90 до 180

20

475

600

750

950

630

800

1000

1250

22

500

630

800

1000

670

850

1060

1320

24

530

670

850

1060

710

900

1120

1400

28

560

710

900

1120

750

950

1180

1500

32

600

750

950

1180

800

1000

1250

1600

Св. 180 до 355

8

355

450

560

710

475

600

750

950

10

400

500

630

800

530

670

850

1060

12

425

530

670

850

560

710

900

1120

18

500

630

800

1000

670

850

1060

1320

20

530

670

850

1060

710

900

1120

1400

22

530

670

850

1060

710

900

1120

1400

24

560

710

900

1120

750

950

1180

1500

32

530

800

1000

1250

850

1060

1320

1700

36

670

850

1060

1320

900

1120

1400

1800

40

670

850

1060

1320

900

1120

1400

1800

44

710

900

1120

1400

950

1180

1500

1900

48

750

950

1180

1500

1000

1250

1600

2000

Св. 355 до 640

12

450

560

710

900

600

750

950

1180

16

500

630

800

1000

670

850

1060

1320

20

560

710

900

1120

750

950

1180

1500

24

600

750

950

1180

850

1060

1320

1700

48

800

1000

1250

1600

1060

1320

1700

2120

Таблица 5

Допуски диаметра d3

Номинальный диаметр резьбы d, мм

Шаг Р, мм

Основное отклонение диаметра d2

с

е

g

Степень точности

8

9

6

7

8

6

7

Допуск , мкм

Св. 5,6 до 11,2

1,5

405

471

232

279

332

197

245

2

445

525

259

309

366

226

276

3

501

589

298

350

416

261

313

Св. 11,2 до 22,4

2

462

544

271

321

383

238

288

3

520

614

310

365

435

273

328

4

609

721

360

426

514

325

391

5

656

775

386

456

550

351

421

8

828

965

482

576

695

435

529

Св. 22,4 до 45

2

481

569

284

336

402

251

303

3

564

670

335

397

479

298

361

5

681

806

401

481

575

366

446

6

767

899

449

537

649

411

499

7

813

950

475

569

688

433

527

8

859

1015

507

601

726

460

554

10

925

1087

544

650

775

490

596

12

998

1173

589

701

833

534

646

Св. 45 до 90

3

589

701

350

116

504

313

379

4

659

784

390

470

564

355

435

5

712

837

419

500

606

384

465

8

890

1052

526

632

757

479

585

9

943

1118

559

671

803

509

621

10

963

1138

569

681

813

515

627

12

1085

1273

639

764

920

584

709

14

1142

1355

680

805

967

620

745

16

1213

1438

721

853

1028

661

793

18

1288

1525

763

900

1088

703

840

20

1313

1550

775

912

1100

708

845

Св. 90 до 180

4

690

815

408

489

595

373

454

5

775

912

456

550

669

421

515

6

830

986

493

587

712

455

549

8

928

1103

551

663

795

504

616

12

1122

1335

670

795

958

615

740

14

1193

1418

711

843

1018

651

783

Св. 90 до 180

16

1263

1500

753

890

1078

693

830

18

1338

1588

794

950

1138

734

890

20

1363

1613

806

962

1150

739

895

22

1450

1700

849

1011

1224

780

943

24

1538

1800

899

1074

1299

828

1003

28

1625

1900

950

1138

1375

880

1068

32

1718

2005

1015

1203

1453

945

1133

Св. 180 до 355

8

965

1153

576

695

832

529

648

10

1088

1300

650

775

938

596

721

12

1173

1398

701

833

1008

646

778

18

1400

1650

825

987

1200

765

928

20

1488

1750

875

1050

1275

808

983

22

1513

1775

887

1062

1287

818

993

24

1600

1875

936

1124

1361

865

1053

32

1780

2092

1053

1265

1515

983

1195

36

1885

2210

1118

1343

1605

1048

1273

40

1925

2250

1138

1363

1625

1063

1288

44

2030

2380

1203

1440

1715

1128

1365

48

2145

2545

1273

1523

1810

1188

1438

Св. 355 до 640

12

1223

1460

733

870

1058

678

815

16

1375

1625

815

978

1190

755

918

20

1550

1825

912

1100

1337

845

1033

24

1663

1950

986

1174

1424

915

1103

48

2233

2670

1335

1585

1898

1250

1500

4. ОСНОВНЫЕ ОТКЛОНЕНИЯ

4.1. Числовые значения основных отклонений диаметров наружной и внутренней резьбы должны соответствовать указанным в табл. 6.

Таблица 6

Шаг Р, мм

Наружная резьба

Внутренняя резьба

Диаметр резьбы

d2

d, d3

D4, D2, D1

Основное отклонение, мкм

es

EI

с

е

g

h

h

H

1,5

-140

-67

-32

0

0

0

2

-150

-71

-38

3

-170

-85

-48

4

-190

-95

-60

0

0

0

5

-212

-106

-71

6

-236

-118

-80

7

-250

-125

-83

0

0

0

8

-265

-132

-85

9

-280

-140

-90

10

-300

-150

-96

0

0

0

12

-335

-170

-115

14

-355

-180

-120

16

-375

-190

-130

0

0

0

18

-400

-200

-140

20

-425

-212

-145

22

-450

-224

-155

0

0

0

24

-475

-236

-165

28

-500

-250

-180

32

-530

-265

-195

0

0

0

36

-560

-280

-210

40

-600

-300

-225

44

-630

-315

-240

0

0

0

48

-670

-335

-250

5. ДЛИНЫ СВИНЧИВАНИЯ

5.1. Длины свинчивания, относящиеся к группам N и L, должны соответствовать указанным в табл. 7.

Таблица 7

Номинальный диаметр резьбы d

Шаг Р

Длина свинчивания

N

L

Св. 5,6 до 11,2

1,5

Св. 5 до 15

Св. 15

2

» 6 » 19

» 19

3

» 10 » 28

» 28

Св. 11,2 до 22,4

2

Св. 8 до 24

Св. 24

3

» 11 » 32

» 32

4

» 15 » 43

» 43

5

» 18 » 53

» 53

8

» 30 » 85

» 85

Св. 22,4 до 45

2

Св. 8 до 25

Св. 25

3

» 12 » 36

» 36

5

» 21 » 63

» 63

6

» 25 » 75

» 75

7

» 30 » 85

» 85

8

» 34 » 100

» 100

10

» 42 » 125

» 125

12

» 50 » 150

» 150

Св. 45 до 90

3

Св. 15 до 45

Св. 45

4

» 19 » 56

» 56

5

» 24 » 71

» 71

8

» 38 » 118

» 118

9

» 43 » 132

» 132

10

» 50 » 140

» 140

12

» 60 » 170

» 170

14

» 67 » 200

» 200

16

» 75 » 236

» 236

18

» 85 » 265

» 265

20

» 95 » 280

» 280

Св. 90 до 180

4

Св. 24 до 71

Св. 71

5

» 28 » 85

» 85

6

» 36 » 106

» 106

8

» 45 » 132

» 132

12

» 67 » 200

» 200

14

» 75 » 236

» 236

16

» 90 » 265

» 265

18

» 100 » 300

» 300

20

» 112 » 335

» 335

22

» 118 » 355

» 355

24

» 132 » 400

» 400

28

» 150 » 450

» 450

32

» 175 » 530

» 530

Св. 180 до 355

8

Св. 50 до 150

Св. 150

10

» 63 » 190

» 190

12

» 75 » 224

» 224

18

» 112 » 335

» 335

20

» 125 » 375

» 375

22

» 140 » 425

» 425

24

» 150 » 450

» 450

32

» 200 » 600

» 600

36

» 224 » 670

» 670

40

» 250 » 750

» 750

44

» 280 » 850

» 850

48

» 300 » 900

» 900

Св. 355 до 640

12

Св. 85 до 265

Св. 265

16

» 118 » 355

» 355

20

» 150 » 450

» 450

24

» 174 » 520

» 520

48

» 355 » 1060

» 1060

5.2. Допуск резьбы, если нет особых указаний, относится к наибольшей нормальной длине свинчивания, указанной в табл. 7, или ко всей длине резьбы, если она меньше наибольшей нормальной длины свинчивания.

6. ПОЛЯ ДОПУСКОВ

6.1. Поля допусков наружной и внутренней резьбы, установленные в классах точности (точный, средний и грубый), должны соответствовать указанным в табл. 8.

Таблица 8

Класс точности

Наружная резьба

Внутренняя резьба

Длина свинчивания

N

L

N

L

Поле допуска

Точный

6е; 6g

Средний

7е; 7g

Грубый

8с; 8е

Примечание. При повышенных требованиях к точности для длин свинчивания L допускается применять поля допусков, установленные для длин свинчивания N.

6.2. Поля допусков наружной и внутренней резьбы, указанные в табл. 8, являются ограничительным отбором из всей совокупности полей допусков, которые могут быть получены различным сочетанием степеней точности по табл. 1 и основных отклонений по табл. 2.

Поля допусков, не предусмотренные табл. 8, являются специальными. Их применение допускается в технически и экономически обоснованных случаях, если поля допусков по табл. 8 не могут обеспечить требования, предъявляемые к изделию.

6.3. Предельные отклонения наружной и внутренней резьбы, соответствующие полям допусков, установленным в табл. 8, приведены в обязательном приложении 2.

6.4. В посадках допускаются любые сочетания полей допусков наружной и внутренней резьбы, установленные настоящим стандартом. Предпочтительней сочетать поля допусков одного класса точности.

6.5. Рекомендуемые замены допусков резьб по ГОСТ 9562 приведены в рекомендуемом приложении 3.

ПРИЛОЖЕНИЕ 1
Обязательное

РАСЧЕТНЫЕ ФОРМУЛЫ, ПРИНЯТЫЕ В СИСТЕМЕ ДОПУСКОВ ТРАПЕЦЕИДАЛЬНОЙ РЕЗЬБЫ

1. Числовые значения допусков диаметров наружной и внутренней резьбы 6-й степени точности рассчитаны по формулам:

                                                               (1)

                                                                        (2)

                                                                        (3)

                                                                            (4)

где d - среднее геометрическое крайних значений интервалов номинальных диаметров по табл. 4, за исключением интервала 355 - 640 мм, для которого d является средним геометрическим значений 355 и 710 мм; d, мм; Р, мм; Т, мкм.

2. Числовые значения допусков остальных степеней точности определены умножением допуска 6-й степени точности на коэффициенты, приведенные в таблице.

Степень точности

4

6

7

8

9

Коэффициент

0,63

1

1,25

1,6

2

3. Числовые значения допусков диаметра d3 рассчитаны по формулам:

                                                             (5)

                                                             (6)

                                                              (7)

                                                              (8)

где Т и es в мкм.

4. Числовые значения основных отклонений диаметров наружной и внутренней резьбы рассчитаны по формулам:

- для наружной резьбы

                                           (9)

                                                (10)

                                    (11)

                                                   (12)

                                   (13)

                                                  (14)

                                                                    (15)

где es, мкм; Р, мм;

* Значения для промежуточных шагов установлены эмпирически с использованием в большинстве случаев чисел по ряду R40.

- для внутренней резьбы

                                                                                          (16)

5. Числовые значения длин свинчивания рассчитаны по формулам:

                                                                          (17)

                                                                            (18)

где d - наименьшее крайнее значение интервала номинальных диаметров, мм; lN, мм.

6. Числовые значения допусков и основных отклонений, рассчитанные по формулам (1)-(4) и (9)-(14), округлены до ближайших предпочтительных чисел по ряду R40.

В целях достижения равномерной градации числовые значения допусков, приведенные в стандарте, в некоторых случаях отличаются от числовых значений допусков, рассчитанных по формулам.

Числовые значения допусков и основных отклонений для , рассчитанные по формулам (5)-(8), округлены в большую сторону до следующего целого числа.

7. Числовые значения длин свинчивания, рассчитанные по формулам (17) и (18), округлены до целых миллиметров.

ПРИЛОЖЕНИЕ 2
Обязательное

ПРЕДЕЛЬНЫЕ ОТКЛОНЕНИЯ РЕЗЬБЫ

1. Предельные отклонения диаметров наружной резьбы должны соответствовать указанным в табл. 1, предельные отклонения диаметров внутренней резьбы - указанным в табл. 2.

Таблица 1

Номинальный диаметр резьбы d, мм

Шаг Р, мм

Поле допуска наружной резьбы

6g

Диаметр резьбы

d

d2

d3

d

d2

d3

Предельные отклонения, мкм

es

ei

es

ei

es

ei

es

ei

es

ei

es

ei

Св. 5,6 до 11,2

1,5

0

-150

-67

-199

0

-232

0

-150

-32

-164

0

-197

2

-180

-71

-221

-259

-180

-38

-188

-226

3

-236

-85

-255

-298

-236

-48

-218

-261

Св. 11,2 до 22,4

2

0

-180

-71

-231

0

-271

0

-180

-38

-198

0

-238

3

-236

-85

-265

-310

-236

-48

-228

-273

4

-300

-95

-307

-360

-300

-60

-272

-325

5

0

-335

-106

-330

0

-386

0

-335

-71

-295

0

-351

8

-450

-132

-412

-482

-450

-85

-365

-435

Св. 22,4 до 45

2

0

-180

-71

-241

0

-284

0

-180

-38

-208

0

-251

3

-236

-85

-285

-335

-236

-48

-248

-298

5

-335

-106

-342

-401

-335

-71

-307

-366

6

0

-375

-118

-383

0

-449

0

-375

-80

-345

0

-411

7

-425

-125

-405

-475

-425

-83

-363

-433

8

-450

-132

-432

-507

-450

-85

-385

-460

10

0

-530

-150

-465

0

-544

0

-530

-96

-411

0

-490

12

-600

-170

-505

-589

-600

-115

-450

-534

Св. 45 до 90

3

0

-236

-85

-297

0

-350

0

-236

-48

-260

0

-313

4

-300

-95

-331

-390

-300

-60

-296

-355

5

-335

-106

-356

-419

-335

-71

-321

-384

8

0

-450

-132

-447

0

-526

0

-450

-85

-400

0

-479

9

-500

-140

-475

-559

-500

-90

-425

-509

10

-530

-150

-485

-569

-530

-96

-431

-515

12

0

-600

-170

-545

0

-639

0

-600

-115

-490

0

-584

14

-670

-180

-580

-680

-670

-120

-520

-620

16

 

-710

-190

-615

-721

-710

-130

-555

-661

18

0

-800

-200

-650

0

-763

0

-800

-140

-590

0

-703

20

-850

-212

-662

-775

-850

-145

-595

-708

Св. 90 до 180

4

0

-300

-95

-345

0

-408

0

-300

-60

-310

0

-373

5

-335

-106

-386

-456

-335

-71

-351

-421

6

-375

-118

-418

-493

-375

-80

-380

-455

8

0

-450

-132

-467

0

-551

0

-450

-85

-420

0

-504

12

-600

-170

-570

-670

-600

-115

-515

-615

14

-670

-180

-605

-711

-670

-120

-545

-651

16

0

-710

-190

-640

0

-753

0

-710

-130

-580

0

-693

18

-800

-200

-675

-794

-800

-140

-615

-734

20

-850

-212

-687

-806

-850

-145

-620

-739

22

0

-900

-224

-724

0

-849

0

-900

-155

-655

0

-780

24

-950

-236

-766

-899

-950

-165

-695

-828

28

-1060

-250

-810

-950

-1060

-180

-740

-880

32

-1120

-265

-865

-1015

-1120

-195

-795

-945

Св. 180 до 355

8

0

-450

-132

-487

0

-576

0

-450

-85

-440

0

-529

10

-530

-150

-550

-650

-530

-96

-496

-596

12

-600

-170

-595

-701

-600

-115

-540

-646

18

0

-800

-200

-700

0

-825

0

-800

-140

-640

0

-765

20

-850

-212

-742

-875

-850

-145

-675

-808

22

-900

-224

-754

-887

-900

-155

-685

-818

24

0

-950

-236

-796

0

-936

0

-950

-165

-725

0

-865

32

-1120

-265

-895

-1053

-1120

-195

-825

-983

36

-1250

-280

-950

-1118

-1250

-210

-880

-1048

40

0

-1320

-300

-970

0

-1138

0

-1320

-225

-895

0

-1063

44

-1400

-315

-1025

-1203

-1400

-240

-950

-1128

48

-1500

-335

-1085

-1273

-1500

-250

-1000

-1188

Св. 355 до 640

12

0

-600

-170

-620

0

-733

0

-600

-115

-565

0

-678

16

-710

-190

-690

-815

-710

-130

-630

-755

20

-850

-212

-772

-912

-850

-145

-705

-845

24

0

-950

-236

-836

0

-986

0

-950

-165

-765

0

-915

48

-1500

-335

-1135

-1335

-1500

-250

-1050

-1250

Продолжение табл. 1

Номинальный диаметр резьбы d, мм

Шаг Р, мм

Поле допуска наружной резьбы

7g

Диаметр резьбы

d

d2

d3

d

d2

d3

Предельные отклонения, мкм

es

ei

es

ei

es

ei

es

ei

es

ei

es

ei

Св. 5,6 до 11,2

1,5

0

-150

-67

-237

0

-279

0

-150

-32

-202

0

-245

2

-180

-71

-261

-309

-180

-38

-228

-276

3

-236

-85

-297

-350

-236

-48

-260

-313

Св. 11,2 до 22,4

2

0

-180

-71

-271

0

-321

0

-180

-38

-238

0

-288

3

-236

-85

-309

-365

-236

-48

-272

-328

4

-300

-95

-360

-426

-300

-60

-325

-391

5

-335

-106

-386

-456

-335

-71

-351

-421

8

-450

-132

-487

-576

-450

-85

-440

-529

Св. 22,4 до 45

2

0

-180

-71

-283

0

-336

0

-180

-38

-250

0

-303

3

-236

-85

-335

-397

-236

-48

-298

-361

5

-335

-106

-406

-481

-335

-71

-371

-446

6

-375

-118

-453

-537

-375

-80

-415

-499

7

-425

-125

-480

-569

-425

-83

-438

-527

8

-450

-132

-507

-601

-450

-85

-460

-554

10

-530

-150

-550

-650

-530

-96

-496

-596

12

-600

-170

-595

-701

-600

-115

-540

-646

Св. 45 до 90

3

0

-236

-85

-350

0

-416

0

-236

-48

-313

0

-379

4

-300

-95

-395

-470

-300

-60

-360

-435

5

-335

-106

-421

-500

-335

-71

-386

-465

8

-450

-132

-532

-632

-450

-85

-485

-585

9

-500

-140

-565

-671

-500

-90

-515

-621

10

-530

-150

-575

-681

-530

-96

-521

-627

12

-600

-170

-645

-764

-600

-115

-590

-709

14

-670

-180

-680

-805

-670

-120

-620

-745

16

-710

-190

-720

-853

-710

-130

-660

-793

18

-800

-200

-760

-900

-800

-140

-700

-840

20

-850

-212

-772

-912

-850

-145

-705

-845

Св. 90 до 180

4

0

-300

-95

-410

0

-489

0

-300

-60

-375

0

-454

5

-335

-106

-461

-550

-335

-71

-426

-515

6

-375

-118

-493

-587

-375

-80

-455

-549

8

-450

-132

-557

-663

-450

-85

-510

-616

12

-600

-170

-670

-795

-600

-115

-615

-740

14

-670

-180

-710

-843

-670

-120

-650

-783

16

-710

-190

-750

-890

-710

-130

-690

-830

18

-800

-200

-800

-950

-800

-140

-740

-890

20

-850

-212

-812

-962

-850

-145

-745

-895

22

-900

-224

-854

-1011

-900

-155

-785

-943

24

-950

-236

-906

-1074

-950

-165

-835

-1003

28

-1060

-250

-960

-1138

-1060

-180

-890

-1068

32

-1120

-265

-1015

-1203

-1120

-195

-945

-1133

Св. 180 до 355

8

0

-450

-132

-582

0

-695

0

-450

-85

-535

0

-648

10

-530

-150

-650

-775

-530

-96

-596

-721

12

-600

-170

-700

-833

-600

-115

-645

-778

18

-800

-200

-830

-927

-800

-140

-770

-928

20

-850

-212

-882

-1050

-850

-145

-815

-983

22

-900

-224

-894

-1062

-900

-155

-825

-993

24

-950

-236

-946

-1124

-950

-165

-875

-1053

32

-1120

-265

-1065

-1265

-1120

-195

-995

-1195

36

-1250

-280

-1130

-1343

-1250

-210

-1060

-1273

40

-1320

-300

-1150

-1363

-1320

-225

-1075

-1288

44

-1400

-315

-1215

-1440

-1400

-240

-1140

-1365

48

-1500

-335

-1285

-1523

-1500

-250

-1200

-1438

Св. 355 до 640

12

0

-600

-170

-730

0

-870

0

-600

-115

-675

0

-815

16

-710

-190

-820

-978

-710

-130

-760

-918

20

-850

-212

-922

-1100

-850

-145

-855

-1033

24

-950

-236

-986

-1174

-950

-165

-915

-1103

48

-1500

-335

-1335

-1585

-1500

-250

-1250

-1500

Продолжение табл. 1

Номинальный диаметр резьбы d, мм

Шаг Р, мм

Поле допуска наружной резьбы

8e

Диаметр резьбы

d

d2

d3

d

Предельные отклонения, мкм

es

ei

es

ei

es

ei

es

ei

Св. 5,6 до 11,2

1,5

0

-150

-140

-352

0

-405

0

-150

2

-180

-150

-386

-445

-180

3

-236

-170

-435

-501

-236

Св. 11,2 до 22,4

2

0

-180

-150

-400

0

-462

0

-180

3

-236

-170

-450

-520

-236

4

-300

-190

-525

-609

-300

5

0

-335

-212

-567

0

-656

0

-335

8

-450

-265

-715

-828

-450

Св. 22,4 до 45

2

0

-180

-150

-415

0

-481

0

-180

3

-236

-170

-485

-564

-236

5

-335

-212

-587

-681

-335

6

0

-375

-236

-661

0

-767

0

-375

7

-425

-250

-700

-813

-425

8

-450

-265

-740

-859

-450

10

0

-530

-300

-800

0

-925

0

-530

12

-600

-335

-865

-998

-600

Св. 45 до 90

3

0

-236

-170

-505

0

-589

0

-236

4

-300

-190

-565

-659

-300

5

-335

-212

-612

-712

-335

8

0

-450

-265

-765

0

-890

0

-450

9

-500

-280

-810

-943

-500

10

-530

-300

-830

-963

-530

12

0

-600

-335

-935

0

-1085

0

-600

14

-670

-355

-985

-1142

-670

16

-710

-375

-1045

-1213

-710

18

0

-800

-400

-1110

0

-1288

0

-800

20

-850

-425

-1135

-1313

-850

Св. 90 до 180

4

0

-300

-190

-590

0

-690

0

-300

5

-335

-212

-662

-775

-335

6

-375

-236

-711

-830

-375

8

0

-450

-265

-795

0

-928

0

-450

12

-600

-335

-965

-1122

-600

14

-670

-355

-1025

-1193

-670

16

0

-710

-375

-1085

0

-1263

0

-710

18

-800

-400

-1150

-1338

-800

20

-850

-425

-1175

-1363

-850

22

0

-900

-450

-1250

0

-1450

0

-900

24

-950

-475

-1325

-1538

-950

28

-1060

-500

-1400

-1625

-1060

32

-1120

-530

-1480

-1718

-1120

Св. 180 до 355

8

0

-450

-265

-825

0

-965

0

-450

10

-530

-300

-930

-1088

-530

12

-600

-335

-1005

-1173

-600

18

0

-800

-400

-1200

0

-1400

0

-800

20

-850

-425

-1275

-1488

-850

22

-900

-450

-1300

-1513

-900

24

0

-950

-475

-1375

0

-1600

0

-950

32

-1120

-530

-1530

-1780

-1120

36

-1250

-560

-1620

-1885

-1250

40

0

-1320

-600

-1660

0

-1925

0

-1320

44

-1400

-630

-1750

-2030

-1400

48

-1500

-670

-1850

-2145

-1500

Св. 355 до 640

12

0

-600

-335

-1045

0

-1223

0

-600

16

-710

-375

-1175

-1375

-710

20

-850

-425

-1325

-1550

-850

24

0

-950

-475

-1425

0

-1663

0

-950

48

-1500

-670

-1920

-2233

-1500

Продолжение табл. 1

Номинальный диаметр резьбы d, мм

Шаг Р, мм

Поле допуска наружной резьбы

9c

Диаметр резьбы

d2

d3

d

d2

d3

Предельные отклонения, мкм

es

ei

es

ei

es

ei

es

ei

es

ei

Св. 5,6 до 11,2

1,5

-67

-279

0

-332

0

-150

-140

-405

0

-471

2

-71

-307

-366

-180

-150

-450

-525

3

-85

-350

-416

-236

-170

-505

-589

Св. 11,2 до 22,4

2

-71

-321

0

-383

0

-180

-150

-465

0

-544

3

-85

-365

-435

-236

-170

-525

-614

4

-95

-430

-514

-300

-190

-615

-721

5

-106

-461

0

-550

0

-335

-212

-662

0

-775

8

-132

-582

-695

-450

-265

-825

-965

Св. 22,4 до 45

2

-71

-336

0

-402

0

-180

-150

-485

0

-569

3

-85

-400

-479

-236

-170

-570

-670

5

-106

-481

-575

-335

-212

-687

-806

6

-118

-543

0

-649

0

-375

-236

-766

0

-899

7

-125

-575

-688

-425

-250

-810

-950

8

-132

-607

-726

-450

-265

-865

-1015

10

-150

-650

0

-775

0

-530

-300

-930

0

-1087

12

-170

-700

-833

-600

-335

-1005

-1173

Св. 45 до 90

3

-85

-420

0

-504

0

-236

-170

-595

0

-701

4

-95

-470

-564

-300

-190

-665

-784

5

-106

-506

-606

-335

-212

-712

-837

8

-132

-632

0

-757

0

-450

-265

-895

0

-1052

9

-140

-670

-803

-500

-280

-950

-1118

10

-150

-680

-813

-530

-300

-970

-1138

12

-170

-770

0

-920

0

-600

-335

-1085

0

-1273

14

-180

-810

-967

-670

-355

-1155

-1355

16

-190

-860

-1028

-710

-375

-1225

-1438

18

-200

-910

0

-1088

0

-800

-400

-1300

0

-1525

20

-212

-922

-1100

-850

-425

-1325

-1550

Св. 90 до 180

4

-95

-495

0

-595

0

-300

-190

-690

0

-815

5

-106

-556

-669

-335

-212

-772

-912

6

-118

-593

-712

-375

-236

-836

-986

8

-132

-662

0

-795

0

-450

-265

-935

0

-1103

12

-170

-800

-958

-600

-335

-1135

-1335

14

-180

-850

-1018

-670

-355

-1205

-1418

16

-190

-900

0

-1078

0

-710

-375

-1275

0

-1500

18

-200

-950

-1138

-800

-400

-1350

-1588

20

-212

-962

-1150

-850

-425

-1375

-1613

22

-224

-1024

0

-1224

0

-900

-450

-1450

0

-1700

24

-236

-1086

-1299

-950

-475

-535

-1800

28

-250

-1150

-1375

-1060

-500

-1620

-1900

32

-265

-1215

-1453

-1120

-530

-1710

-2005

Св. 180 до 355

8

-132

-692

0

-832

0

-450

-265

-975

0

-1153

10

-150

-780

-938

-530

-300

-1100

-1300

12

-170

-840

-1008

-600

-335

-1185

-1398

18

-200

-1000

0

-1200

0

-800

-400

-1400

0

-1650

20

-212

-1062

1275

-850

-425

-1485

-1750

22

-224

-1074

-1287

-900

-450

-1510

-1775

24

-236

-1136

0

-1361

0

-950

-475

-1595

0

-1875

32

-265

-1265

-1515

-1120

-530

-1780

-2092

36

-280

-1340

-1605

-1250

-560

-1880

-2210

40

-300

-1360

0

-1625

0

-1320

-600

-1920

0

-2250

44

-315

-1435

-1715

-1400

-630

-2030

-2380

48

-335

-1515

-1810

-1500

-670

-2170

-2545

Св. 355 до 640

12

-170

-880

0

-1058

0

-600

-335

-1235

0

-1460

16

-190

-990

-1190

-710

-375

-1375

-1625

20

-212

-1112

-1337

-850

-425

-1545

-1825

24

-236

-1186

0

-1424

0

-950

-475

-1655

0

-1950

48

-335

-1585

-1898

-1500

-670

-2270

-2670


Таблица 2

Номинальный диаметр резьбы d, мм

Шаг Р, мм

Поле допуска внутренней резьбы

7H

8H

9H

Диаметр резьбы

D4

D2

D1

D4

D2

D1

D4

D2

D1

D4

D2

D1

Предельные отклонения, мкм

EI

ES

EI

ES

EI

EI

ES

EI

ES

EI

EI

ES

EI

ES

EI

EI

ES

EI

ES

EI

Св. 5,6 до 11,2

1,5

0

+180

0

+190

0

0

+220

0

+190

0

0

+280

0

+190

0

0

+355

0

+190

0

2

+200

+236

+250

+236

+315

+236

+400

+236

3

+224

+315

+280

+315

+355

+315

+450

+315

Св. 11,2 до 22,4

2

0

+212

0

+236

0

0

+265

0

+236

0

0

+335

0

+236

0

0

+425

0

+236

0

3

+236

+315

+300

+315

+375

+315

+475

+315

4

+280

+375

+355

+375

+450

+373

+560

+375

5

+300

+450

+375

+450

+475

+450

+600

+450

8

+375

+630

+475

+630

+600

+630

+750

+630

Св. 22,4 до 45

2

0

+224

0

+236

0

0

+280

0

+236

0

0

+355

0

+236

0

0

+450

0

+236

0

3

+265

+315

+335

+315

+425

+315

+530

+315

5

+315

+450

+400

+450

+500

+450

+630

+450

6

+355

+500

+450

+500

+560

+500

+710

+500

7

+375

+560

+475

+560

+600

+560

+750

+560

8

+400

+630

+500

+630

+630

+630

+800

+630

10

+425

+710

+530

+710

+670

+710

+850

+710

12

+450

+800

+560

+800

+710

+800

+900

+800

Св. 45 до 90

3

0

+280

0

+315

0

0

+355

0

+315

0

0

+450

0

+315

0

0

+560

0

+315

0

4

+315

+375

+400

+375

+500

+375

+630

+375

5

+335

+450

+425

+450

+530

+450

+670

+450

8

+425

+630

+530

+630

+670

+630

+850

+630

9

+450

+670

+560

+670

+710

+670

+900

+670

10

+450

+710

+560

+710

+710

+710

+900

+710

12

+500

+800

+630

+800

+800

+800

+1000

+800

14

+530

+900

+670

+900

+850

+900

+1060

+900

16

+560

+1000

+710

+1000

+900

+1000

+1120

+1000

18

+600

+1120

+750

+1120

+950

+1120

+1180

+1120

20

+600

+1180

+750

+1180

+950

+1180

+1180

+1180

Св. 90 до 180

4

0

+335

0

+375

0

0

+425

0

+375

0

0

+530

0

+375

0

0

+670

0

+375

0

5

+375

+450

+475

+450

+600

+450

+750

+450

6

+400

+500

+500

+500

+630

+500

+800

+500

8

+450

+630

+560

+630

+710

+630

+900

+630

12

+530

+800

+670

+800

+850

+800

+1060

+800

14

+560

+900

+710

+900

+900

+900

+1120

+900

16

+600

+1000

+750

+1000

+950

+1000

+1180

+1000

18

+630

+1120

+800

+1120

+1000

+1120

+1250

+1120

20

+630

+1180

+800

+1180

+1000

+1180

+1250

+1180

22

+670

+1250

+850

+1250

+1060

+1250

+1320

+1250

24

+710

+1320

+900

+1320

+1120

+1320

+1400

+1320

28

+750

+1500

+950

+1500

+1180

+1500

+1500

+1500

32

+800

+1600

+1000

+1600

+1250

+1600

+1600

+1600

Св. 180 до 355

8

0

+475

0

+630

0

0

+600

0

+630

0

0

+750

0

+630

0

0

+950

0

+630

0

10

+530

+710

+670

+710

+850

+710

+1060

+710

12

+560

+800

+710

+800

+900

+800

+1120

+800

18

+670

+1120

+850

+1120

+1060

+1120

+1320

+1120

20

+710

+1180

+900

+1180

+1120

+1180

+1400

+1180

22

+710

+1250

+900

+1250

+1120

+1250

+1400

+1250

24

+750

+1320

+950

+1320

+1180

+1320

+1500

+1320

32

+850

+1600

+1060

+1600

+1320

+1600

+1700

+1600

36

+900

+1800

+1120

+1800

+1400

+1800

+1800

+1800

40

+900

+1900

+1120

+1900

+1400

+1900

+1800

+1900

44

+950

+2000

+1180

+2000

+1500

+2000

+1900

+2000

48

+1000

+2120

+1250

+2120

+1600

+2120

+2000

+2120

Св. 355 до 640

12

0

+600

0

+800

0

0

+750

0

+800

0

0

+950

0

+800

0

0

+1180

0

+800

0

16

+670

+1000

+850

+1000

+1060

+1000

+1320

+1000

20

+750

+1180

+950

+1180

+1180

+1180

+1500

+1180

24

+850

+1320

+1060

+1320

+1320

+1320

+1700

+1320

48

+1060

+2120

+1320

+2120

+1700

+2120

+2120

+2120

2. Предельные отклонения диаметра d с полем допуска 6h должны соответствовать указанным в табл. 3 .

Таблица 3

Шаг Р, мм

Предельные отклонения, мкм

Шаг Р, мм

Предельные отклонения, мкм

es

ei

es

ei

1,5

0

-236

7

0

-570

2

-280

8

-710

3

-375

9

-800

4

-475

10

-850

5

-530

12

-950

6

-600

ПРИЛОЖЕНИЕ 3
Рекомендуемое

РЕКОМЕНДУЕМЫЕ ЗАМЕНЫ ДОПУСКОВ РЕЗЬБ ПО ГОСТ 9562-60

Замену допусков резьб по ГОСТ 9562-60 допусками по настоящему стандарту рекомендуется производить в соответствии с табл. 1 - для винтов и табл. 2 - для гаек.

Допускаются другие замены из числа полей допусков, установленных в стандарте.

Таблица 1

Класс точности резьбы винтов по ГОСТ 9562-60

Заменяющее поле допуска

Соотношение между отклонениями

Соотношение между допусками

Соотношение между отклонениями и допусками при других заменах

Кл. 1

7g

Верхнее отклонение кл. 1 равно нулю.

Верхнее отклонение поля допуска 7g смещено внутрь поля допуска кл. 1 примерно на 20 %.

Нижнее отклонение поля допуска 7g выходит за поле допуска кл. 1 при Р £ 12 мм на 10 - 20 %, при Р > 12 мм - на 3 - 7 %

При Р £ 12 мм допуски приблизительно одинаковые (разница не более 10 %), при Р > 12 мм допуски 7g меньше допусков кл. 1 на 10 - 20 %

Для наиболее точных соединений, когда увеличение зазора, вызванное заменой кл. 1 на поле допуска 7g, нежелательно, возможна замена на поле допуска 6g. В этом случае поле допуска 6g полностью вписывается в поле допуска кл. 1. Допуск 6g примерно на 25 % меньше допуска кл. 1

Кл. 2

Верхнее отклонение поля допуска 7е смещено внутрь поля допуска кл. 2 в среднем на 12 %.

Нижнее отклонение поля допуска 7e смещено внутрь поля допуска кл. 2 на 10 - 25 %

Допуск 7е меньше допуска кл. 2 при Р £ 10 мм на 25 - 30 %, а при Р > 10 мм - на 35 ¸ 40 %

Если значительное сокращение допусков, вызванное заменой кл. 2 на поле допуска 7е, нежелательно, то возможна замена на поле допуска 8е. В этом случае разница верхних отклонений та же, что и при замене на поле допуска 7е, а нижнее отклонение поля допуска 8е практически не выходит за пределы кл. 2. Допуски при Р £ 10 мм приблизительно одинаковые (разница не более 10 %), а при Р > 10 мм допуск 8е меньше допуска кл. 2 в среднем на 20 %

Кл. 3

Верхнее отклонение поля допуска 8с смещено внутрь поля допуска кл. 3 в среднем на 30 %.

Нижнее отклонение поля допуска 8с практически не выходит за поле допуска кл. 3

Допуск 8с на 25 - 35 % меньше допуска кл. 3

Если увеличение гарантированных зазоров, вызванное заменой кл. 3 на поле допуска 8с, нежелательно, то возможна замена на поле допуска 8е. В этом случае смещение верхнего отклонения поля допуска 8е внутрь поля допуска кл. 3 не превышает 15 %, нижнее отклонение лежит в поле допуска кл. 3, а соотношение между допусками то же, что и при замене на поле допуска 8е

Кл. 3Х

Верхние отклонения полей допусков 8с и кл. 3Х практически совпадают (разница не более 10 %).

Нижнее отклонение поля допуска 8с смещено внутрь поля допуска кл. 3Х на 25 - 40 %

Допуск 8с на 25 - 35 % меньше допуска кл. 3Х

При длинах свинчивания возможна замена кл. 3Х на поле допуска 9с. В этом случае соотношение верхних отклонений то же, что и при замене на поле допуска 8с, нижнее отклонение поля допуска 9с при Р £ 8 мм практически не выводит за пределы кл. 3Х, а при Р > 8 мм смещено внутрь поля допуска кл. 3Х на 15 - 20 %. Допуск 9с на 10 - 20 % меньше допуска кл. 3Х

Примечание. Допуски наружного диаметра винтов по ГОСТ 9562-81 при Р £ 8 мм больше допусков по ГОСТ 9562-60 на 80 - 20 %, при Р = 10 - 16 мм допуски приблизительно одинаковые (разница не более 10 %), а при Р > 16 мм допуски по ГОСТ 9562-81 меньше на 11 - 34 %.

Таблица 2

Класс точности резьбы гаек по ГОСТ 9562-60

Заменяющее поле допуска

Соотношение между отклонениями

Соотношение между допусками

Соотношение между отклонениями и допусками при других заменах

Кл. 1

Нижние отклонения совпадают (равны нулю)

Допуски 7Н больше допусков кл. 1 при Р £ 10 мм в среднем на 30 %, при Р > 10 мм - на 10 - 20 %

 

Кл. 2

Нижние отклонения совпадают (равны нулю)

Допуски 7Н при Р £ 10 мм приблизительно совпадают (разница не более 10 %), а при Р > 10 мм меньше допусков кл. 2, но не более чем на 20 %

При длинах свинчивания L возможна замена кл. 2 на поле допуска 8Н. В этом случае допуски 7Н при Р £ 10 мм больше допусков кл. 2 в среднем на 20 %, а при Р > 10 мм допуски приблизительно одинаковые (разница не более 10 %)

Кл. 3

Нижние отклонения совпадают (равны нулю)

Допуски 8Н при Р £ 10 мм приблизительно совпадают (разница не более 10 %), а при Р > 10 мм меньше допусков кл. 3, но не более чем на 20 %

При длинах свинчивания L возможна замена кл. 3 на поле допуска 9Н. В этом случае допуски 9Н при Р £ 10 мм больше допусков кл. 3 в среднем на 20 %, а при Р > 10 мм допуски приблизительно одинаковые (разница не более 10 %)

Примечание. Допуски внутреннего диаметра гаек по ГОСТ 9562-81 при Р = 2 - 24 мм больше допусков по ГОСТ 9562-60 на 136 - 10 %, при Р > 24 мм допуски приблизительно одинаковые (разница не более 10 %).

ИНФОРМАЦИОННЫЕ ДАННЫЕ

1. РАЗРАБОТАН И ВНЕСЕН Министерством станкостроительной и инструментальной промышленности

2. УТВЕРЖДЕН И ВВЕДЕН В ДЕЙСТВИЕ Постановлением Государственного комитета СССР по стандартам от 30.04.81 № 2265

3. ВЗАМЕН ГОСТ 9562-60

4. Стандарт полностью соответствует СТ СЭВ 836-78

5. ССЫЛОЧНЫЕ НОРМАТИВНО-ТЕХНИЧЕСКИЕ ДОКУМЕНТЫ

Обозначение НТД,

на который дана ссылка

Номер пункта

ГОСТ 9484-81

ГОСТ 24738-81

Вводная часть

Вводная часть

6. ПЕРЕИЗДАНИЕ

СОДЕРЖАНИЕ

 

 




ГОСТЫ, СТРОИТЕЛЬНЫЕ и ТЕХНИЧЕСКИЕ НОРМАТИВЫ.
Некоммерческая онлайн система, содержащая все Российские Госты, национальные Стандарты и нормативы.
В Системе содержится более 150000 файлов нормативно-технической документации, действующей на территории РФ.
Система предназначена для широкого круга инженерно-технических специалистов.

Рейтинг@Mail.ru Яндекс цитирования

Copyright © www.gostrf.com, 2008 - 2026