|
|
|
ГОСТ Р
41.13-99 государственный стандарт российской федерации единообразные предписания, касающиеся официального утверждения МЕХАНИЧЕСКИХ транспортных средств КАТЕГОРИЙ М, N И О В ОТНОШЕНИИ ТОРМОЖЕНИЯ
ГОССТАНДАРТ РОССИИ Предисловие1 РАЗРАБОТАН Всероссийским научно-исследовательским институтом стандартизации и сертификации в машиностроении (ВНИИНМАШ) на основе Правил № 13 ЕЭК ООН, принятых Рабочей группой по конструкции транспортных средств КВТ ЕЭК ООН ВНЕСЕН Госстандартом России 2 ПРИНЯТ И ВВЕДЕН В ДЕЙСТВИЕ Постановлением Госстандарта России от 26 мая 1999 г. № 184 3 Настоящий стандарт представляет собой идентичный текст Правил ЕЭК ООН № 13 с поправками серии 09 (с 28.06.96), Пересмотр 3 (документ E/ECE/324-E/ECE/TRANS/505/Rev.l /Add.l2/Rev.3, дата вступления в силу 26.03.95) «Единообразные предписания, касающиеся официального утверждения транспортных средств категорий М, N и О в отношении торможения» и включает в себя: Пересмотр 3 - Поправка 1 (документ E/ECE/324-E/ECE/TRANS/505/Rev.l/Add.l2/Rev.3/ Amend. 1, дата вступления в силу 28.08.96); Пересмотр 3 - Поправка 2 (документ E/ECE/324-E/ECE/TRANS/505/Rev.l/Add.l2/Rev.3/ Amend.2, дата вступления в силу 23.06.97); Пересмотр 3 - Исправление 1 (документ E/ECE/324-E/ECE/TRANS/505/Rev.l/Add.l2/Rev.3/ Corr.l, опечатки); Пересмотр 3 - Поправка 3 (документ E/ECE/324-E/ECE/TRANS/505/Re^/Add.l2/Rev.3/ Amend.3, дата вступления в силу 27.04.98). 4 ВВЕДЕН ВПЕРВЫЕ Содержание
Дата введения 2000-07-01 Настоящий стандарт вводит в действие Правила ЕЭК ООН № 13 (далее - Правила). 1 Область применения1.1 Настоящие Правила применяются к торможению отдельных механических транспортных средств и отдельных прицепов, относящихся к категориям М, N и О, определенным в приложении 7 к Сводной резолюции о конструкции транспортных средств 1) (СР. 3). 1.2 Настоящие Правила не распространяются: 1.2.1 на транспортные средства, конструктивная скорость которых не превышает 25 км/ч; 1.2.2 на прицепы, которые запрещается прицеплять к механическим транспортным средствам, конструктивная скорость которых превышает 25 км/ч; 1.2.3 на транспортные средства, приспособленные для их вождения инвалидами. 1.3 На оборудование, устройства, методы и условия, упомянутые в приложении 1, настоящие Правила не распространяются. 2 ОпределенияВ настоящих Правилах применяют следующие термины с соответствующими определениями: 2.1 официальное утверждение транспортного средства: Официальное утверждение типа транспортного средства в отношении торможения. 2.2.1 в случае механических транспортных средств: 2.2.1.1 категории транспортного средства (см. 1.1); 2.2.1.2 максимальной массы в соответствии с определением, содержащимся в 2.16; 2.2.1.3 распределения массы между осями; 2.2.1.4 максимальной конструктивной скорости; 2.2.1.5 тормозных устройств различного типа, в частности наличия или отсутствия оборудования для торможения прицепа либо наличия электрической системы регенеративного торможения; 2.2.1.6 числа и расположения осей; 2.2.1.7 типа двигателя; 2.2.1.8 числа передач и передаточных чисел; 1) В Правилах № 13-Н содержится альтернативный свод требований к транспортным средствам категории М1. Договаривающиеся стороны, подписавшие как Правила № 13-Н, так и настоящие Правила, признают официальные утверждения, предоставленные на основании одних из этих правил в качестве в равной степени действительных. 2.2.1.9 передаточных чисел мостов; 2.2.1.10 размеров шин; 2.2.2 в случае прицепов: 2.2.2.1 категории транспортного средства (см. 1.1); 2.2.2.2 максимальной массы в соответствии с определением, содержащимся в 2.16; 2.2.2.3 распределения нагрузки между осями; 2.2.2.4 тормозных устройств различного типа; 2.2.2.5 количества и расположения осей; 2.2.2.6 размеров шин; 2.4 орган управления: Часть, на которую непосредственно воздействует водитель (или, в соответствующих случаях, сопровождающее лицо, если речь идет о прицепе) для передачи на привод энергии, необходимой для торможения или для управления этим приводом. Этой энергией может быть либо мускульная сила водителя, либо иной контролируемый им источник энергии, либо, в соответствующих случаях, кинетическая энергия прицепа, либо сочетание этих видов энергии. 2.5 привод: Совокупность элементов, находящихся между управлением и тормозом и обеспечивающих между ними функциональную связь. Привод может быть механическим, гидравлическим, пневматическим, электрическим или гибридным. В тех случаях, когда торможение осуществляется целиком или частично с помощью источника энергии, не зависящего от водителя, но контролируемого им, содержащийся в системе запас энергии также является частью привода. Привод подразделяется на две независимые функциональные части: привод управления и энергетический привод. В тех случаях, когда термин «привод» используется в настоящих Правилах самостоятельно, он означает как «привод управления», так и «энергетический привод». Управляющие и питающие магистрали, соединяющие буксирующие транспортные средства и прицепы, не рассматриваются в качестве частей привода. 2.5.1 привод управления: Совокупность элементов привода, которые контролируют функционирование тормозов, включая функцию управления и необходимый запас (запасы) энергии; 2.5.2 энергетический привод: Совокупность элементов, которые обеспечивают подачу на тормоза энергии, необходимой для их функционирования, включая запас (запасы) энергии, необходимой для работы тормозов. 2.6 тормоз: Устройство, в котором возникают силы, противодействующие движению транспортного средства. Тормоз может быть фрикционным (когда эти силы возникают в результате трения двух движущихся относительно друг друга частей транспортного средства), электрическим (когда эти силы возникают в результате электромагнитного взаимодействия двух движущихся относительно друг друга, но несоприкасающихся элементов транспортного средства), гидравлическим (когда силы возникают в результате действия жидкости, находящейся между двумя движущимися относительно друг друга элементами транспортного средства); тормозом может служить также двигатель (когда эти силы возникают в результате искусственного увеличения тормозящего действия двигателя транспортного средства, передаваемого на колеса). 2.7 тормозные системы различного типа: Системы, имеющие между собой существенные различия и представляющие собой: 2.7.1 системы, компоненты которых имеют иные характеристики; 2.7.2 системы, у которых какой-либо компонент выполнен из материала, имеющего иные характеристики, или компоненты которых имеют иную форму или иной размер; 2.7.3 системы с различной комбинацией компонентов; 2.8 элемент тормозной системы: Одна из отдельных частей, совокупность которых образует тормозное устройство. 2.9 непрерывное торможение: Торможение состава транспортных средств, вызываемое действием устройства, имеющего следующие характеристики: 2.9.1 единый орган управления, на который находящийся на своем месте водитель воздействует одним плавным движением; 2.9.2 энергия, используемая для торможения входящих в состав транспортных средств, поступает из одного и того же источника (которым может быть мускульная сила водителя); 2.9.3 тормозная система обеспечивает одновременное или последовательное торможение каждого из входящих в состав транспортных средств, независимо от их относительного положения. 2.10 полунепрерывное торможение: Торможение состава транспортных средств с помощью системы, имеющей следующие характеристики: 2.10.1 единый орган управления, на который находящийся на своем месте водитель воздействует одним плавным движением; 2.10.2 энергия, используемая для торможения входящих в состав транспортных средств, поступает из двух различных источников (одним из которых может быть мускульная сила водителя); 2.10.3 тормозная система обеспечивает одновременное или поэтапное торможение каждого из входящих в состав транспортных средств, независимо от их относительного положения; 2.11 автоматическое торможение: Торможение одного из нескольких прицепов, осуществляемое автоматически при отделении компонентов состава сцепленных транспортных средств, в том числе в случае разрыва сцепки, что не должно отражаться на эффективности торможения остальных транспортных средств этого состава. 2.12 инерционное торможение: Торможение за счет использования сил, возникающих при приближении прицепа к тягачу. 2.13 регулируемое торможение: Торможение, при котором в пределах нормального диапазона действия устройства как во время затормаживания, так и во время растормаживания: 2.13.1 водитель может в любой момент увеличить или уменьшить силу торможения путем действия на орган управления; 2.13.2 сила торможения изменяется в том же направлении, что и действие на орган управления (монотонная функция); 2.13.3 обеспечивается возможность свободного регулирования силы торможения с достаточной точностью; 2.14 износостойкая тормозная система 1): Дополнительная система торможения, обладающая способностью обеспечивать и поддерживать эффект торможения в течение длительного периода времени без значительного ухудшения эксплуатационных характеристик. Термин «износостойкая тормозная система» охватывает всю систему, включая устройство управления. 1) До тех пор, пока не будут приняты единообразные методы расчета эффективности износостойких тормозных систем в соответствии с положениями приложения 10, это определение не будет охватывать транспортные средства, оборудованные регенеративными тормозными системами. 2.14.1 Износостойкая тормозная система может представлять собой одно устройство или комбинацию нескольких устройств. Каждое устройство может иметь свое собственное управление. 2.14.2 Конфигурация органов управления износостойких тормозных систем: 2.14.2.1 отдельная износостойкая тормозная система: Износостойкая тормозная система, устройство управления которой не зависит от устройств управления рабочей и других тормозных систем; 2.14.2.2 встроенная износостойкая тормозная система 2): Износостойкая тормозная система, устройство управления которой совмещено с устройством управления рабочей тормозной системы таким образом, что износостойкая тормозная система и рабочая тормозная система включается одновременно или в соответствующей последовательности с помощью комбинированного устройства управления; 2) До тех пор, пока не будут приняты единообразные методы расчета эффективности износостойких тормозных систем в соответствии с положениями приложения 10, транспортные средства, оборудованные встроенными износостойкими тормозными системами, должны быть также оборудованы антиблокировочным устройством, действующим, по крайней мере, на рабочие тормоза оси, управляемой износостойкой тормозной системой, на износостойкую тормозную систему, и испытанным в соответствии с положениями приложения 13. 2.14.2.3 комбинированная износостойкая тормозная система: Встроенная износостойкая тормозная система, дополнительно оборудованная прерывателем, который позволяет с помощью общего устройства управления включать только рабочую тормозную систему. 2.15 груженое транспортное средство при отсутствии особых указаний: Транспортное средство, нагруженное таким образом, чтобы была достигнута его максимальная масса. 2.16 максимальная масса: Технически допустимая максимальная масса, объявленная предприятием-изготовителем (эта масса может быть больше максимальной массы, допускаемой национальными компетентными органами). 2.17 распределение массы между осями: Распределение воздействия силы тяжести на массу транспортного средства и/или его полного веса между осями. 2.18 нагрузка на колесо/ось: Вертикальная статическая реакция (сила) поверхности дороги в зоне контакта с колесом/колесами оси. 2.19 максимальная стационарная нагрузка на колесо/ось: Стационарная нагрузка на колесо/ось груженого транспортного средства. 2.20 электромобиль: Транспортное средство, в котором тяга обеспечивается только электродвигателем (электродвигателями), функционирующим по меньшей мере на одной оси. 2.20.1 электрическая система рекуперативного торможения: Система торможения, допускающая использование приводного (приводных) двигателя (двигателей) транспортного средства для преобразования кинетической энергии транспортного средства в электроэнергию в процессе замедления. 2.20.2 электрическое управление рекуперативным торможением: Устройство, модулирующее функционирование электрической системы рекуперативного торможения. 2.20.3 электрическая система рекуперативного торможения категории А: Электрическая система рекуперативного торможения, не являющаяся частью системы рабочего тормоза. 2.20.4 электрическая система рекуперативного торможения категории В: Электрическая система рекуперативного торможения, являющаяся частью системы рабочего тормоза. 2.20.5 заряженное состояние: Текущее отношение величины электроэнергии, аккумулированной в тяговой батарее, к максимальному количеству электроэнергии, которая может быть аккумулирована в этой батарее. 2.20.6 тяговая батарея: Комплект аккумуляторов, служащий накопителем энергии, используемой для питания тягового (тяговых) двигателя (двигателей) транспортного средства. 2.21 гидравлическое тормозное устройство с резервуаром энергии: Тормозная система, в которой энергия обеспечивается давлением тормозной жидкости, хранящейся в резервуаре или резервуарах, питаемых одним или несколькими нагнетательными насосами, каждый из которых оснащен устройством для ограничения максимального значения давления. Это значение должно точно устанавливаться предприятием-изготовителем. 2.22 приведение в действие: Включение и выключение органа управления. 2.23 электрическая управляющая магистраль: Электрическое соединение между механическим транспортным средством и прицепом, которое обеспечивает функцию управления торможением прицепа. Она состоит из электрического кабеля и соединительного устройства и включает части для передачи данных и подачи электроэнергии на привод управления прицепа. 2.24 передача данных: Передача цифровых данных в соответствии с правилами протокола. 2.25 двусторонняя сеть: Разновидность сети связи, состоящей только из двух единиц. Каждая единица имеет встроенный нагрузочный резистор для линий связи. 2.26 регулятор тормозного усилия: Система/функция, автоматически уравновешивающая коэффициент торможения буксирующего транспортного средства и прицепа. 2.27 определения «номинальной величины» для эталонной эффективности торможения требуются для установления величины передаточной функции тормозной системы, отражающей соотношение между выходным и входным усилием, для транспортных средств, используемых индивидуально или в составе. 2.27.1 номинальная величина определяется для механического транспортного средства в качестве характеристики, которая может быть продемонстрирована в ходе официального утверждения типа и которая отражает соотношение между коэффициентом торможения самого транспортного средства и уровнем переменной величины входного тормозного усилия; 2.27.2 номинальная величина определяется для прицепа в качестве характеристики, которая может быть продемонстрирована в ходе официального утверждения типа и которая отражает соотношение между коэффициентом торможения и сигналом соединительной головки; 2.27.3 номинальная требуемая величина определяется для управления силой сцепления в качестве характеристики, которая отражает соотношение между сигналом соединительной головки и коэффициентом торможения и которая может быть продемонстрирована в ходе официального утверждения типа в пределах полос совместимости (приложение 10). 3 Заявка на официальное утверждение3.1 Заявка на официальное утверждение типа транспортного средства в отношении торможения представляется предприятием-изготовителем транспортного средства или его надлежащим образом уполномоченным представителем. 3.2 К каждой заявке должны быть приложены перечисленные ниже документы в трех экземплярах: 3.2.1 описание типа транспортного средства с учетом положений 2.2. Следует указать номера и/или обозначения, характеризующие тип транспортного средства и, в случае механического транспортного средства, тип двигателя; 3.2.2 спецификация надлежащим образом идентифицированных элементов, из которых состоит тормозная система; 3.2.3 схема тормозной системы в сборе и обозначение положения его элементов на транспортном средстве; 3.2.4 подробные чертежи каждого элемента, позволяющие легко идентифицировать его и определять его местоположение. 3.3 Одно транспортное средство, представляющее тип транспортного средства, подлежащего официальному утверждению, должно быть представлено технической службе, уполномоченной проводить испытания для официального утверждения. 3.4 До выдачи официального утверждения по типу конструкции компетентный орган должен убедиться в наличии удовлетворительных механизмов обеспечения эффективного контроля качества производства. 4 Официальное утверждение4.1 Если тип транспортного средства, представленного на официальное утверждение в соответствии с настоящими Правилами, удовлетворяет требованиям разделов 5 и 6, данный тип транспортного средства считается официально утвержденным. 4.2 Каждому официально утвержденному типу присваивается номер официального утверждения, первые две цифры которого (в настоящее время 09) указывают на серию поправок, включающих последние важнейшие технические изменения, внесенные в Правила к моменту предоставления официального утверждения. Одна и та же Договаривающаяся сторона не может присвоить этот номер такому же типу транспортного средства, оборудованного другим типом тормозного устройства, или другому типу транспортного средства. 4.3 Стороны Соглашения, применяющие настоящие Правила, уведомляются об официальном утверждении или об отказе в официальном утверждении типа транспортного средства на основании настоящих Правил посредством карточки, соответствующей образцу, приведенному в приложении 2, и краткого изложения сведений, содержащихся в документах, упомянутых в 3.2.1-3.2.4, и чертежей, представляемых подателем заявки на официальное утверждение, максимальным форматом А4 (210×297 мм) или форматом, кратным ему и в соответствующем масштабе. 4.4.1 из круга, в котором проставлена буква Е, за которой следует отличительный номер страны, предоставившей официальное утверждение 1); 1)1 - Германия, 2 - Франция, 3 - Италия, 4 - Нидерланды, 5 - Швеция, 6 - Бельгия, 7 - Венгрия, 8 - Чешская Республика, 9 - Испания, 10 - Югославия, 11 - Соединенное Королевство, 12 - Австрия, 13 - Люксембург, 14 - Швейцария, 15 - не присвоен, 16 - Норвегия, 17 - Финляндия, 18 - Дания, 19 - Румыния, 20 - Польша, 21 - Португалия, 22 - Российская Федерация, 23 - Греция, 24 - не присвоен, 25 - Хорватия, 26 - Словения, 27 - Словакия, 28 - Беларусь, 29 - Эстония, 30 - не присвоен, 31 - Босния и Герцеговина, 32-36 - не присвоены, 37 - Турция, 38-39 - не присвоены и 40 - бывшая югославская Республика Македония. Последующие порядковые номера присваиваются другим странам в хронологическом порядке ратификации ими Соглашения о принятии единообразных технических предписаний для колесных транспортных средств, предметов оборудования и частей, которые могут быть установлены и (или) использованы на колесных транспортных средствах, и об условиях взаимного признания официальных утверждений, выдаваемых на основе этих предписаний, или в порядке их присоединения к этому Соглашению. Присвоенные им таким образом номера сообщаются Генеральным секретарем Организации Объединенных Наций Договаривающимся сторонам Соглашения. 4.4.2 из номера настоящих Правил, буквы R, тире и номера официального утверждения, расположенных справа от круга, предусмотренного в 4.4.1. 4.5 Однако если транспортное средство категории М2 или М3 официально утверждается на основании предписаний приложения 5, то за номером Правил следует буква М. 4.7 Знак официального утверждения должен быть четким и нестираемым. 4.8 Знак официального утверждения помещается рядом с прикрепляемой предприятием-изготовителем табличкой, на которой приведены характеристики транспортного средства, или проставляется на этой табличке. 4.9 В приложении 3 изображены в качестве примера схемы знаков официального утверждения. 5 Спецификации5.1 Общие положения 5.1.1 Тормозная система 5.1.1.1 Тормозная система должна быть сконструирована, изготовлена и установлена таким образом, чтобы при нормальных условиях эксплуатации и несмотря на вибрацию, которой она может при этом подвергаться, транспортное средство удовлетворяло требованиям настоящих Правил. 5.1.1.2 В частности, тормозная система должна быть сконструирована, изготовлена и установлена таким образом, чтобы она противостояла явлениям коррозии и старения, которым она подвергается. 5.1.1.3 Тормозные накладки не должны содержать асбеста. 5.1.1.4 Магнитные и электрические поля не должны снижать эффективности тормозных систем, включающих электрическую управляющую магистраль. Это требование считается выполненным, если соблюдаются положения поправок серии 02 к Правилам ЕЭК ООН № 10. 5.1.1.5 В статических условиях на динамометрическом стенде или барабанном устройстве для испытания тормозов должно развиваться максимальное тормозное усилие; 5.1.1.6 Сигнал выявления неисправности может немедленно (< 10 мс) прервать сигнал запроса в приводе управления при условии, что это не ведет к снижению эффективности торможения. 5.1.2 Функции тормозной системы Определенная в 2.3 тормозная система должна выполнять следующие функции: 5.1.2.1 Система рабочего торможения Система рабочего торможения должна позволять контролировать движение транспортного средства и останавливать его надежным, быстрым и эффективным образом независимо от его скорости и нагрузки и от крутизны подъема или спуска, на котором оно находится. Тормозное усилие должно быть регулируемым. Водитель должен иметь возможность осуществлять такое торможение со своего места, не отрывая рук от рулевого управления. 5.1.2.2 Система аварийного торможения Система аварийного торможения должна обеспечивать остановку транспортного средства на достаточно коротком расстоянии в случае отказа рабочего тормоза. Тормозное усилие должно быть регулируемым. Водитель должен иметь возможность осуществлять такое торможение со своего места, контролируя при этом, по крайней мере, одной рукой рулевое управление. В целях настоящего предписания предполагается, что одновременно может произойти отказ не более одного компонента рабочего тормоза. 5.1.2.3 Система стояночного торможения Система стояночного торможения должна обеспечивать неподвижность транспортного средства на подъеме и спуске даже при отсутствии водителя за счет поддержания рабочих частей в заторможенном положении с помощью чисто механического устройства. Водитель должен иметь возможность осуществить такое торможение со своего места при условии соблюдения, в случае прицепа, требований, приведенных в 5.2.2.10. Допускается одновременный привод в действие пневматического тормоза прицепа и стояночного тормоза транспортного средства-тягача при условии, что водитель может всегда убедиться в том, что эффективность стояночного торможения транспортного средства с прицепом с помощью чисто механического устройства для стояночного торможения является достаточной. 5.1.3 Соединения пневматических тормозных систем механических транспортных средств и прицепов 5.1.3.1 Пневматические тормозные системы механических транспортных средств и прицепов должны иметь в соответствии с требованиями 5.1.3.1.1, 5.1.3.1.2 или 5.1.3.1.3 следующие соединения: 5.1.3.1.1 одну пневматическую питающую магистраль и одну пневматическую управляющую магистраль; 5.1.3.1.3 одну пневматическую питающую магистраль и одну электрическую управляющую магистраль1). 1) До принятия единообразных технических стандартов, которые обеспечат совместимость и безопасность, использование на механических транспортных средствах и прицепах соединений, которые указаны в 5.1.3.1.3, не допускается. 5.1.3.2 Электрической управляющей магистралью механического транспортного средства обеспечивается информация о том, может ли она обеспечить соблюдение 5.2.1.18.2 без использования пневматической управляющей магистрали. Ею также обеспечивается информация о том, оборудовано ли транспортное средство, в соответствии с требованиями 5.1.3.1.2, двумя управляющими магистралями или, в соответствии с требованиями 5.1.3.1.3, - только одной электрической управляющей магистралью. 5.1.3.3 Механическое транспортное средство, оборудованное в соответствии с требованиями 5.1.3.1.3, должно распознавать несовместимое сцепное устройство прицепа, оборудованного в соответствии с требованиями 5.1.3.1.1. Если такие транспортные средства соединены с помощью электрической управляющей магистрали буксирующего транспортного средства, водитель предупреждается об этом с помощью красного визуального предупреждающего сигнала, указанного в 5.2.1.29.1.1, и если в систему подается питание, тормоза буксирующего транспортного средства срабатывают автоматически. Такое срабатывание тормозов должно обеспечивать, по крайней мере, предписанную эффективность стояночного торможения, указанную в 2.3.1 приложения 4. 5.1.3.4 Если механическое (буксирующее) транспортное средство оборудовано двумя управляющими магистралями в соответствии с 5.1.3.1.2, то на соединительную головку и соединительное устройство должны подаваться оба контрольных сигнала. Если такое механическое транспортное средство имеет электрическое соединение с прицепом, который также оборудован двумя управляющими магистралями в соответствии с 5.1.3.1.2, то на прицепе должны находиться оба сигнала, причем из них выбирается один. Если при приведении в действие рабочего тормоза на прицеп подается электрический контрольный сигнал, который не сопровождается соответствующим пневматическим контрольным сигналом, то водитель предупреждается об этом с помощью специального желтого предупреждающего сигнала, который подается с прицепа и который указан в 5.2.1.29.2. 5.1.3.5 Прицеп может быть оборудован в соответствии с требованиями 5.1.3.1.3 при условии, что его можно использовать только вместе с механическим транспортным средством, оснащенным электрической управляющей магистралью, которая соответствует 5.2.1.18.2. В любом другом случае на прицепе с электрическим подсоединением должны автоматически срабатывать тормоза либо эти тормоза должны оставаться включенными. Водитель предупреждается об этом с помощью специального желтого предупреждающего сигнала, о котором говорится в 5.2.1.28.2. 5.1.3.6 Электрическая управляющая магистраль должна соответствовать требованиям ISO/DIS 11992-1 и 11992-2-96 и должна относиться к двустороннему типу, в котором используют семиштырьковый соединитель ISO/DIS 7638-96 2). Однако эта линия может использоваться для передачи другой информации при условии, что такое ее использование соответствует требованиям ISO/DIS 11992-3-96 и что функции торможения по-прежнему являются первоочередными и реализуются в нормальном режиме и в режиме сбоя. Передача другой информации не должна вести к задержке торможения. 2) В соответствующих случаях в соединительном устройстве ISO/DIS 7638-96 могут использоваться пятнили семиштырьковые разъемы. 5.1.3.6.1 В тех случаях, когда механическое транспортное средство оборудовано электрической управляющей магистралью и электрически соединено с прицепом, оборудованным электрической управляющей магистралью, продолжительный сбой (> 40 мс) в электрической управляющей магистрали должен выявляться на механическом транспортном средстве и должен доводиться до сведения водителя с помощью желтого предупредительного сигнала, указанного в 5.2.1.29.1.2, если такие транспортные средства связаны с помощью электрической управляющей магистрали. 5.1.3.7 Если срабатывание системы стояночного тормоза на механическом транспортном средстве приводит также в действие тормозную систему прицепа, что допускается в соответствии с 5.1.2.3, то должны соблюдаться следующие дополнительные требования: 5.1.3.7.1 если механическое транспортное средство оборудовано в соответствии с положениями 5.1.3.1.1, то включение системы стояночного тормоза механического транспортного средства должно приводить в действие тормозную систему прицепа с помощью пневматической управляющей магистрали; 5.1.3.7.2 если механическое транспортное средство оборудовано в соответствии с положениями 5.1.3.1.2, то включение системы стояночного тормоза на механическом транспортном средстве должно приводить в действие тормозную систему прицепа в соответствии с 5.1.3.7.1. Кроме того, включение системы стояночного тормоза может также приводить в действие тормозную систему прицепа с помощью электрической управляющей магистрали; 5.1.3.7.3 если механическое транспортное средство оборудовано в соответствии с положениями 5.1.3.1.3 или если оно отвечает требованиям 5.2.1.18.2 без использования пневматической управляющей магистрали (5.1.3.1.2), то включение системы стояночного тормоза на механическом транспортном средстве должно приводить в действие тормозную систему прицепа с помощью электрической управляющей магистрали. Если электропитание тормозов механического транспортного средства отключено, то обесточивание питающей линии должно оказать влияние на торможение прицепа (кроме того, пневматическая управляющая магистраль может оставаться под давлением); питающий трубопровод может перекрываться на тот период времени, пока не будет восстановлена подача электроэнергии в тормозное оборудование механического транспортного средства и функция торможения прицепа с помощью электрической управляющей магистрали. 5.1.3.8 Использование перекрывающих устройств, которые не приводятся в действие автоматически, не допускается. В случае сочлененных транспортных средств гибкие шланги и провода должны быть частью механического транспортного средства. Во всех прочих случаях гибкие шланги и провода должны быть частью прицепа. 5.2 Характеристики тормозных устройств 5.2.1 Транспортные средства категорий М и N 5.2.1.1 Все тормозные системы, которыми оборудовано транспортное средство, должны удовлетворять требованиям, предъявляемым к системам рабочего, аварийного и стояночного торможения. 5.2.1.2 Системы, обеспечивающие рабочее, аварийное или стояночное торможение, могут иметь общие части при условии, что они удовлетворяют следующим требованиям: 5.2.1.2.1 Эти системы должны быть оснащены, по крайней мере, двумя независимыми друг от друга органами управления, легко доступными водителю с его обычного места управления. Для всех категорий транспортных средств, за исключением М2 и М3, каждый орган управления тормоза (исключая орган управления замедлителя) должен быть сконструирован таким образом, что при снятии с него нагрузки он возвращался в исходное положение. Это предписание не применяется к органу управления стояночного тормоза (или к соответствующей части общего органа управления), если он механически блокируется в любом рабочем положении. 5.2.1.2.2 Рабочий тормоз должен иметь отдельный орган управления, не зависимый от органа управления стояночного тормоза. 5.2.1.2.3 Если рабочий и аварийный тормоза имеют общий орган управления, то связь между этим органом управления и различными частями приводов не должна ухудшаться после некоторого периода эксплуатации. 5.2.1.2.5 Любое разрушение какого-либо элемента, иного, чем тормоза (2.6), или деталей, перечисленных в 5.2.1.2.7, или любая другая неисправность рабочего тормоза (плохая работа, частичное или полное истощение запаса энергии) не должны препятствовать остановке транспортного средства в условиях, предписанных в отношении аварийного торможения, при помощи аварийного тормоза или той части рабочего тормоза, которая не вышла из строя. 5.2.1.2.6 В частности, когда орган управления и привод являются общими для аварийного и рабочего тормозов, то: 5.2.1.2.6.1 если рабочий тормоз приводится в действие мускульной энергией водителя, усиливаемой одним или несколькими источниками энергии, аварийное торможение должно обеспечиваться, в случае неисправности этой дополнительной системы, мускульной энергией водителя, усиливаемой в случае необходимости источниками энергии, которые не вышли из строя, причем давление на орган управления не должно превышать предписанного максимума; 5.2.1.2.6.2 если при рабочем торможении усилие, необходимое для торможения, и его передача достигаются исключительно за счет использования водителем какого-либо источника энергии, необходимо иметь, по крайней мере, два источника энергии, совершенно не зависящие друг от друга и имеющие собственные, также не зависящие друг от друга приводы; каждый из них может приводить в действие лишь тормоза двух или нескольких колес, выбранных таким образом, чтобы они могли, каждый в отдельности, обеспечить аварийное торможение в предписанных условиях, не нарушая устойчивости транспортного средства во время торможения; кроме того, каждый из этих источников энергии должен иметь сигнальное устройство, определенное в 5.2.1.13; 5.2.1.2.7 некоторые детали, как, например, педаль тормоза и ее кронштейн, главный цилиндр и его поршень или поршни (в гидравлических системах), распределитель (в гидравлических и/или пневматических системах), соединение между педалью тормоза и главным цилиндром или распределителем, тормозные цилиндры и их поршни (в гидравлических и/или пневматических системах) и система тормозных рычагов и кулаков не считаются деталями, которые могут разрушаться, при условии, что их размеры выбраны с большим запасом прочности и что они легко доступны для технического обслуживания и имеют характеристики в отношении обеспечения безопасности, по крайней мере, аналогичные тем, которые требуются в отношении других основных механизмов транспортных средств (например рулевого привода). Если выход из строя какой-либо из этих деталей делает невозможным торможение транспортного средства с эффективностью, по крайней мере, равной той, которая требуется для аварийного торможения, то эта деталь должна быть сделана из металла или из какого-либо другого материала с эквивалентными характеристиками и не должна подвергаться значительным деформациям в ходе нормальной работы тормозных систем. 5.2.1.3 При наличии отдельных органов управления привода для систем рабочего и аварийного тормозов одновременное приведение в действие обоих органов управления не должно приводить к одновременному отключению систем рабочего и аварийного торможения, причем это относится как к случаю, когда обе тормозные системы находятся в исправном состоянии, так и к случаю, когда одна из них неисправна. 5.2.1.4 Система рабочего тормоза должна быть устроена таким образом, чтобы независимо от наличия связи между рабочим и аварийным тормозом, в случае неисправности в какой-либо части его привода, все же обеспечивалось торможение достаточного числа колес путем действия на орган управления системы рабочего тормоза. Эти колеса должны быть выбраны таким образом, чтобы остаточная эффективность системы рабочего тормоза удовлетворяла требованиям 2.4 приложения 4. 5.2.1.4.2 С помощью устройства, включающего красный предупредительный сигнал, указанный в 5.2.1.29.1.1, водитель предупреждается о выходе из строя части системы гидравлического привода. Подача этим устройством светового сигнала допускается также в том случае, если количество жидкости в резервуаре становится меньше определенного уровня, указанного предприятием-изготовителем. 5.2.1.5 Когда для торможения используется другой вид энергии, помимо мускульной силы водителя, источник энергии (гидравлический насос, воздушный компрессор и т. д.) может быть один, но способ приведения в действие устройства, представляющего собой этот источник энергии, должен быть максимально надежным. 5.2.1.5.2 Кроме того, резервуары, которые находятся за этим устройством, должны быть таковы, чтобы после четырехкратного приведения в действие рабочего тормоза в условиях 1.2 приложения 7, транспортное средство можно было остановить с эффективностью, предписанной для аварийного торможения. 5.2.1.5.3 Однако в случае гидравлических тормозных устройств с резервуаром энергии считается, что эти положения выполняются, если соблюдаются условия, предусмотренные в 1.2.2 раздела С приложения 7. 5.2.1.7 Рабочая тормозная система: 5.2.1.7.1 воздействует на все колеса транспортного средства; 5.2.1.7.2 надлежащим образом распределяет свое воздействие между осями; в случае транспортных средств, имеющих более двух осей, для устранения блокировки колес или проскальзывания тормозных накладок тормозное усилие на отдельных осях может быть автоматически уменьшено до нуля, если перевозится небольшое количество груза и это транспортное средство соответствует всем техническим требованиям, содержащимся в приложении 4. 5.2.1.8 Действие рабочей тормозной системы распределяется между колесами одной и той же оси симметрично по отношению к средней продольной плоскости транспортного средства. Предприятие-изготовитель должно сообщать о таких компенсационных усилиях и функциях, как антиблокировка, которая может привести к нарушению симметричного распределения тормозного усилия, а также о таких функциях, как управление тягой, которая может вызвать включение тормозов, непосредственно не контролируемое водителем 1) 1) Предприятие-изготовитель должно представлять описание адекватных технических спецификаций и соответствующих процедур испытаний, которые рассматриваются и одобряются технической службой (если эти процедуры еще не включены в настоящие Правила. С этой целью предприятие-изготовитель должно представить документацию по следующим аспектам: расположение системы, описание функций и концепция безопасности. 5.2.1.8.1 Водитель должен предупреждаться с помощью желтого предупреждающего сигнала, указанного в 5.2.1.29.1.2, о компенсационном воздействии электрического привода управления в случае ухудшения характеристик или неисправности тормозной системы. Это требование применяется ко всем условиям загрузки, если компенсационные усилия превышают следующие предельные значения: 5.2.1.8.1.1 разница в поперечном тормозном давлении на любой оси: a) составляет 25 % большего значения при замедлении транспортного средства > 2 м/с2, b) равна значению, соответствующему 25 %, при замедлении 2 м/с2 и менее; 5.2.1.8.1.2 индивидуальное компенсационное усилие на любой оси: a) составляет > 50 % номинального значения при замедлении транспортного средства > 2 м/с2, b) равна значению, соответствующему 50 % номинального при замедлении 2 м/с2 и менее. 5.2.1.8.2 Указанная выше компенсация допускается только в том случае, если первоначальное включение тормоза производится при скоростях движения транспортного средства более 10 км/ч. 5.2.1.9 Нарушение функционирования электрического привода управления не должно вызывать неконтролируемого водителем срабатывания тормозов. 5.2.1.10 Системы рабочего и стояночного тормоза должны действовать на тормозные поверхности, постоянно связанные с колесами при помощи достаточно прочных деталей. Ни одна тормозная поверхность не должна быть устроена таким образом, что она могла отсоединяться от колес; однако в случае систем рабочего и аварийного тормоза такое разъединение допускается при условии, что оно является кратковременным, например, при изменении передаточного числа, и что рабочий или аварийный тормоз продолжает действовать с предписанной эффективностью. Кроме того, такое разъединение допускается для системы стояночного торможения при условии, что это разъединение осуществляется исключительно водителем со своего места с помощью системы, которая не может быть приведена в действие при утечке жидкости. 5.2.1.11 Износ тормозов должен легко компенсироваться системой ручного или автоматического регулирования. Кроме того, управление и элементы привода и тормозов должны обладать таким запасом хода, и, при необходимости, устройствами компенсации, чтобы после нагрева тормозов или определенной степени износа накладок можно было обеспечить торможение, не прибегая к немедленному регулированию. 5.2.1.11.1 Система компенсации износа рабочих тормозов должна быть автоматической. Однако в случае транспортных средств повышенной проходимости категорий N2 и N3 и задних тормозов транспортных средств категорий М1 и N1, установка систем автоматического регулирования является факультативной. Системы автоматического регулирования для компенсации износа должны быть такими, чтобы эффективность торможения обеспечивалась при нагреве и последующем охлаждении тормозов. В частности, транспортное средство должно оставаться пригодным для эксплуатации после проведения испытаний в соответствии с 1.5 (испытание типа I) и 1.6 (испытание типа II) приложения 4. 5.2.1.11.2 Должен быть предусмотрен простой контроль износа накладок рабочих тормозов снаружи или снизу транспортного средства с использованием лишь обычно прилагаемых к нему инструментов или приспособлений, например за счет соответствующих смотровых отверстий или каким-либо другим способом. В качестве альтернативы допускаются звуковые или оптические устройства для предупреждения водителя на его рабочем месте о необходимости смены накладок. Снятие для этих целей передних и/или задних колес допускается лишь на транспортных средства категорий М, и N.. В качестве визуального предупреждающего сигнала может использоваться желтый предупредительный сигнал, указанный в 5.2.1.29.1.2. 5.2.1.12 В гидравлическом приводе тормозных систем отверстия для наполнения резервуаров жидкостью должны быть легко доступными без вскрытия емкостей; кроме того, резервуары, содержащие запас жидкости, должны быть сконструированы и изготовлены таким образом, чтобы можно было, не открывая их, свободно контролировать уровень запаса. Если это последнее условие не выполняется, то красный предупреждающий сигнал, указанный в 5.2.1.29.1.1, должен обратить внимание водителя на любое падение уровня запаса жидкости, которое может явиться причиной отказа тормозной системы. Водитель должен иметь возможность легко контролировать правильность функционирования этого сигнального устройства. Тип используемой тормозной жидкости для тормозных систем с гидравлическим приводом должен обозначаться знаком 1 или 2 в соответствии с ИСО 9128-87. Этот нестираемый знак должен быть нанесен на резервуаре для жидкостей на видном месте и на расстоянии 100 мм от отверстия для заполнения; предприятие-изготовитель может указывать дополнительную информацию. 5.2.1.13 Предупреждающее сигнальное устройство. 5.2.1.13.1 Каждое транспортное средство, оборудованное рабочим тормозом, приводимым в действие при помощи находящейся в резервуаре энергии, должно - в том случае, когда торможение с эффективностью, предписанной для аварийного торможения, невозможно без использования накопленной энергии, - иметь, помимо манометра, предупреждающее сигнальное устройство. Это устройство должно подавать оптические или акустические сигналы, предупреждающие о том, что запас энергии, содержащийся в какой-либо части устройства, упал до уровня, при котором без подзарядки гарантируется, что после четырех полных нажатий педали рабочего тормоза при пятом нажатии все еще можно достигнуть эффективности, предписанной для аварийного торможения (при нормальной работе привода рабочего тормоза и минимальном зазоре регулировки тормозов). Это предупреждающее сигнальное устройство должно быть непосредственно и постоянно включено в контур. Если двигатель работает в нормальных условиях и если тормозная система исправна, как это имеет место в случае испытаний на официальное утверждение по типу конструкции, предупреждающее сигнальное устройство должно подавать сигнал лишь в течение периода времени, необходимого для подпитки резервуара или резервуаров энергии после запуска двигателя. В качестве визуального предупреждающего сигнала должен использоваться красный предупреждающий сигнал, указанный в 5.2.1.29.1.1. 5.2.1.13.1.1 Однако в случае транспортных средств, которые рассматриваются только как удовлетворяющие требованиям 5.2.1.5.1 на том основании, что они удовлетворяют условиям, предусмотренным в 1.2.2 раздела С приложения 7, предупреждающее сигнальное устройство должно включать, в дополнение к оптическому устройству, соответствующее акустическое устройство. Эти устройства не обязательно должны включаться одновременно, при условии, что оба они соответствуют вышеприведенным предписаниям и что акустический сигнал не включается раньше оптического. В качестве визуального предупреждающего сигнала должен использоваться красный предупреждающий сигнал, указанный в 5.2.1.29.1.1. 5.2.1.13.1.2 Это акустическое устройство может отключаться при приведении в действие стояночного тормоза и/или, по усмотрению предприятия-изготовителя, в том случае, когда рукоятка переключения передач на автомобиле с автоматической коробкой установлена в положение «Стоянка». 5.2.1.14 Без ущерба для условий, предписанных в 5.1.2.3, если для приведения в действие тормозного устройства необходим вспомогательный источник энергии, запас этой энергии должен быть таким, чтобы в случае остановки двигателя или в случае выхода из строя средств, приводящих в действие источник энергии, эффективность торможения оставалась достаточной для остановки транспортного средства в предписанных условиях. Помимо этого, если мускульное воздействие водителя на стояночный тормоз усиливается при помощи вспомогательного устройства, приведение в действие стояночного тормоза должно, в случае выхода из строя вспомогательного устройства, обеспечиваться путем использования, в случае необходимости, запаса энергии, независимо от энергии, которая обычно обеспечивает функционирование этого вспомогательного устройства. Этим запасом энергии может служить запас энергии, предназначенный для приведения в действие системы рабочего тормоза. 5.2.1.15 Что касается механических транспортных средств, которым разрешается буксировать прицеп, оборудованный тормозом, приводимым в действие водителем тягача, то система рабочего тормоза тягача должна быть оборудована устройством, сконструированным таким образом, чтобы в случае выхода из строя тормозной системы прицепа или в случае разрыва пневматического соединения (или другого принятого типа соединения) между тягачом и его прицепом можно было еще затормозить транспортное средство-тягач с эффективностью, предписанной для аварийного торможения; с этой целью, в частности, предписывается, чтобы указанное устройство находилось на тягаче. 5.2.1.16 Если вспомогательное пневматическое/гидравлическое оборудование должно производиться таким образом, чтобы во время его функционирования можно было обеспечить предписанную эффективность торможения и чтобы даже в случае выхода из строя источника энергии функционирование этих вспомогательных устройств не приводило к сокращению запасов энергии, питающей тормозные системы, ниже уровня, указанного в 5.2.1.13. 5.2.1.17 Если предусмотренный прицеп относится к категории 03 или 04, то система рабочего тормоза должна быть непрерывного или полунепрерывного типа. 5.2.1.18 Если транспортному средству разрешено буксировать прицеп, относящийся к категории 03 или 04, то тормозные системы этого транспортного средства должны удовлетворять следующим условиям: 5.2.1.18.1 при приведении в действие системы аварийного тормоза транспортного средства-тягача должно обеспечиваться также плавное торможение прицепа; 5.2.1.18.3 В случае неисправности (например разрыва или утечки) в одной из пневматических магистралей, обрыва или дефекта в электрической управляющей магистрали водитель должен все же иметь возможность полностью или частично привести в действие тормоза прицепа либо с помощью органа управления рабочим тормозом, либо с помощью органа управления аварийным тормозом, либо с помощью органа управления стояночным тормозом, если эта неисправность автоматически не ведет к эффективному срабатыванию тормозов прицепа, предписанному в 3.3 приложения 4. 5.2.1.18.4 В случае двухпроводной пневматической системы требование об автоматическом срабатывании тормозов, указанное в 5.2.1.18.3, считается выполненным, если соблюдаются следующие условия: 5.2.1.18.4.2 если падение давления в питающем трубопроводе производится со скоростью не менее 1 бар/с, то автоматическое торможение прицепа должно осуществляться не позже того момента, когда давление в питающем трубопроводе упадет до 2 бар. 5.2.1.18.5 В случае неисправности одной из управляющих магистралей, связывающих два транспортных средства, оборудованных в соответствии с требованиями 5.1.3.1.2, исправная управляющая магистраль должна автоматически обеспечивать эффективное срабатывание тормозов, предписанное для прицепа в 3.1 приложения 4. 5.2.1.19 При наличии механического транспортного средства, оборудованного для буксировки прицепа с электрической тормозной системой в соответствии с 1.1 приложения 14, должны соблюдаться следующие требования: 5.2.1.19.1 источник питания (генератор и аккумулятор) механического транспортного средства должен обладать достаточной мощностью для обеспечения током электрической системы торможения. Даже в том случае, когда двигатель работает на оборотах холостого хода, рекомендованных предприятием-изготовителем, и все электрические устройства, поставляемые предприятием-изготовителем в качестве комплектующего оборудования транспортного средства, включены, напряжение в электрических цепях при максимальном потреблении тока электрической тормозной системой (15 А) не должно падать в месте соединения ниже величины 9,6 В. Необходимо исключить возможность короткого замыкания электрических цепей даже в результате перегрузки; 5.2.1.19.3 использование выключателя и цепи стоп-сигнала для приведения в действие электрической тормозной системы допускается лишь в том случае, если цепь, приводящая в действие систему, соединена со стоп-сигналом параллельно, а имеющиеся выключатель и цепь стоп-сигнала могут выдержать дополнительную нагрузку. 5.2.1.20 В случае устройства пневматического рабочего тормоза, состоящего из двух или нескольких независимых друг от друга секций, любая утечка между этими секциями непосредственно у управления или в секции, расположенной после управления, должна постоянно выводиться в атмосферу. 5.2.1.21 В случае механического транспортного средства, допущенного к буксировке прицепа категории 03 или 04, система рабочего торможения прицепа может приводиться в действие только одновременно с системой рабочего, аварийного или стояночного торможения механического транспортного средства. 5.2.1.22 1) Механические транспортные средства категорий М2, М3, N2 и N3, имеющие не более четырех осей, должны быть оборудованы антиблокировочными системами категории I в соответствии с приложением 13. (Поправка серии 09). 5.2.1.23 Механические транспортные средства категории М,, оснащенные запасными колесами/ шинами для временного использования, должны удовлетворять техническим предписаниям приложения 3 к Правилам ЕЭК ООН № 64. 5.2.1.241) Механические транспортные средства, допущенные к буксировке прицепов, оборудованных антиблокировочной системой, также должны быть оборудованы специальным электрическим соединительным устройством в соответствии с ISO/DIS 7638-96 2) для электрического привода управления и/или антиблокировочных систем прицепов. 1) Даты введения требований пункта в отношении отдельных категорий транспортных средств: N3, M3 (автобусы классов II и III) - с даты введения настоящих Правил; М3 (автобусы класса I), N2 > 7,5m - 01.01.2002; M2, N2 ≤ 7,5m - 01.01.2003. 2) В соответствующих случаях в соединительном устройстве ISO/DIS 7638-96 могут испытываться пяти- или семиштырьковые разъемы. 5.2.1.25 Дополнительные требования для электромобилей категорий М,, М2, N, и категории N2 массой менее 5 т. 5.2.1.25.1 Электромобили, оснащенные электрической системой рекуперативного торможения категории А 5.2.1.25.1.1 Электрическая система рекуперативного торможения включается только в случае приведения в действие устройства управления акселератором и/или в нейтральном положении переключателя привода транспортных средств категорий М, или N,. 5.2.1.25.1.2 Кроме того, в случае транспортных средств категорий М2 и N2 (массой менее 5 т) для электронного управления регенеративным тормозом может использоваться отдельный переключатель или рычаг. 5.2.1.25.2 Электромобили, оснащенные электрической системой рекуперативного торможения категории В 5.2.1.25.2.1 Частичное или полное отсоединение одного из элементов системы рабочего тормоза должно осуществляться не иначе как автоматически. 5.2.1.25.2.2 Управление системой рабочего тормоза должно осуществляться при помощи только одного устройства. 5.2.1.25.2.3 Для электромобилей, оснащенных электрической системой регенеративного торможения обеих категорий, применяются все соответствующие предписания, за исключением 5.2.1.25.1.1. В этом случае электрическая система регенеративного торможения может включаться при приведении в действие устройства управления акселератором и/или в нейтральном положении переключателя привода транспортных средств категории М, или N,. Кроме того, при приведении в действие устройства управления рабочим тормозом не должен ограничиваться вышеупомянутый эффект торможения, вызываемый отпусканием устройства управления акселератором. 5.2.1.25.2.4 На систему рабочего тормоза не должно оказывать неблагоприятное воздействие отключение двигателя (двигателей) или используемое передаточное отношение. 5.2.1.25.2.5 Если функционирование электрического компонента тормоза обеспечивается посредством соотношения сигнала, поступающего от устройства управления рабочим тормозом, и тормозного усилия на соответствующих колесах, то нарушение этого соотношения, ведущее к изменению распределения тормозного усилия между осями (соответственно приложение 10 или 13), должно сигнализироваться водителю при помощи оптического предупреждающего сигнала позднее всего в момент включения устройства управления, и этот сигнал не должен выключаться до тех пор, пока сохраняется данный дефект и устройство управления транспортным средством (ключ) находится в положении «ВКЛЮЧЕНО». 5.2.1.25.3 На функционировании электрической системы регенеративного торможения не должно отрицательным образом сказываться воздействие магнитного или электрического поля. 5.2.1.25.4 В случае транспортных средств, оснащенных антиблокировочным устройством, это устройство обеспечивает управление электрической системой регенеративного торможения. 5.2.1.26 Специальные дополнительные требования в отношении электрического привода системы стояночного тормоза. 5.2.1.26.1 При неисправности электрического привода должна исключаться любая возможность непреднамеренного включения системы стояночного тормоза. 5.2.1.26.2 В случае разрыва провода в электрическом приводе управления должна сохраняться возможность включения системы стояночного тормоза с места водителя, причем эффективность стояночного торможения должна соответствовать требованиям, указанным в 2.3.1 приложения 4. При необходимости должна быть также обеспечена возможность растормаживания системы стояночного тормоза путем использования вспомогательного растормаживающего устройства, имеющегося/установленного на транспортном средстве. На транспортных средствах категорий М, и N, для достижения указанной выше эффективности может использоваться привод двигателя/ручной привод или автоматический привод (положение стоянки). 5.2.1.26.2.1 Водитель предупреждается о сбое в подаче электроэнергии и/или обрыве провода электрического привода системы стояночного тормоза с помощью желтого предупреждающего сигнала, указанного в 5.2.1.29.1.2. 5.2.1.26.3 Питание дополнительного оборудования может обеспечиваться за счет запаса энергии электрического привода системы стояночного тормоза при условии, что это не отразится на включении системы стояночного тормоза. Кроме того, если этот запас энергии используется также для системы рабочего тормоза, то применяются требования 5.2.1.27.7. 5.2.1.26.4 После выключения замка зажигания/запуска двигателя, контролирующего подачу электроэнергии на тормоза, и/или извлечения ключа зажигания должна сохраняться возможность включения системы стояночного тормоза, и в этом случае должна быть предотвращена возможность растормаживания. 5.2.1.27 Специальные дополнительные требования в отношении систем рабочих тормозов с электрическим приводом управления. 5.2.1.27.1 При растормаживании стояночного тормоза система рабочего тормоза должна развивать общее статическое тормозное усилие, равное, по меньшей мере, усилию, которое обеспечивается в ходе испытания типа О, даже в том случае, когда выключен замок зажигания/запуска двигателя и/или извлечен ключ зажигания. В случае механических транспортных средств, которым разрешается буксировать прицепы категорий 03 и 04, эти транспортные средства должны полностью контролировать систему рабочего тормоза прицепа. Считается, что энергетический привод системы рабочего тормоза обеспечивает достаточное количество энергии. 5.2.1.27.2 Одиночная непродолжительная неисправность (<40 мс) в электрическом приводе управления (например сбой в передаче сигнала или ошибка в передаче данных) не должна оказывать сколь либо существенного воздействия на эффективность рабочего тормоза. 5.2.1.27.3 Водитель предупреждается о продолжительной неисправности (>40 мс) в электрическом приводе управления1), исключая его запас энергии, красным или желтым предупредительным сигналом, указанным в 5.2.1.29.1.1 и 5.2.1.29.1.2 соответственно. В тех случаях, когда предписанной эффективности рабочего торможения не достигается (красный предупреждающий сигнал), водитель немедленно предупреждается о неисправностях, вызванных повреждением электрической цепи (например поломкой, разъединением контакта), и предписанная остаточная эффективность торможения обеспечивается посредством приведения в действие органа управления рабочим тормозом в соответствии с 2.4 приложения 4. Эти предписания не следует рассматривать в качестве отступления от предписаний, касающихся аварийного торможения. 1) До согласования единообразных процедур испытания предприятие-изготовитель должно представлять технической службе анализ потенциальных неисправностей привода управления и их последствий. Техническая служба и предприятие-изготовитель транспортного средства рассматривают эту информацию и принимают соответствующее решение. 5.2.1.27.4 Водитель механического транспортного средства, соединенного с прицепом с помощью электрической управляющей магистрали, предупреждается в тех случаях, когда с прицепа поступает информация о неисправности, в результате которой накопленная энергия в любой части рабочей тормозной системы прицепа падает ниже допустимого уровня, указанного в 5.2.2.16. Аналогичное предупреждение подается также, если продолжительная неисправность (> 40 мс) электрического привода управления прицепа, исключая его запас энергии, препятствует достижению предписанной эффективности рабочего тормоза прицепа, указанной в 5.2.2.15.2.1. Для этой цели используется красный предупреждающий сигнал, указанный в 5.2.1.29.2.1. 5.2.1.27.5 В случае выхода из строя источника энергии электрического привода управления все функции управления системой рабочего тормоза должны обеспечиваться при наличии номинального уровня запаса энергии после 20 последовательных полных циклов приведения в действие органа управления рабочим тормозом. В ходе испытания орган управления тормозом должен полностью приводиться в действие в течение 20 с и освобождаться на 5 с после каждого приведения его в действие. Считается, что в течение упомянутого выше испытания в энергетическом приводе имеется достаточный запас энергии, необходимый для обеспечения полного приведения в действие системы рабочего тормоза. Это предписание не рассматривается в качестве отступления от предписаний приложения 7. 5.2.1.27.6 В том случае, если напряжение на клеммах аккумулятора падает ниже величины, которая указана предприятием-изготовителем и при которой более не может быть гарантирована предписанная эффективность рабочего тормоза и/или которая не позволяет, по крайней мере, двум независимым цепям рабочего тормоза обеспечить предписанную эффективность аварийного или остаточного торможения, должен включаться красный предупреждающий сигнал, указанный в 5.2.1.29.1.1. После включения предупреждающего сигнала должна обеспечиваться возможность приведения в действие органа управления рабочим тормозом и достижения, по крайней мере, остаточной эффективности, предписанной в 2.4 приложения 4. Считается, что в энергетическом приводе системы рабочего тормоза имеется достаточный запас энергии. Это предписание не рассматривается в качестве отступления от предписания в отношении аварийного торможения. 5.2.1.27.7 Если питание дополнительного оборудования обеспечивается за счет электрического привода управления, то подача энергии должна быть достаточной для достижения предписанных величин замедления в случае функционирования всего дополнительного оборудования. В ходе испытания потребление энергии прицепом имитируется с помощью нагрузки в 400 Вт. Если число оборотов двигателя не превышает 80 % максимального числа оборотов, то запас энергии электрического привода управления должен сокращаться только в том случае, если предписанные величины замедления могут быть достигнуты без использования электроэнергии. Выполнение этого требования может быть продемонстрировано с помощью расчетов или путем проведения практического испытания. 5.2.1.27.8 Если вспомогательное оборудование получает энергию из электрического привода управления, то должны выполняться нижеследующие требования. 5.2.1.27.8.1 В случае выхода из строя источника энергии на движущемся транспортном средстве имеющейся в резервуаре энергии должно быть достаточно для приведения в действие тормозов с помощью органов их управления. 5.2.1.27.8.2 В случае выхода из строя источника энергии на неподвижном транспортном средстве при включенной системе стояночного тормоза имеющейся в резервуаре энергии должно быть достаточно для включения огней, даже в случае использования тормозов. 5.2.1.27.9 В случае неисправности электрического привода управления системы рабочего тормоза тягача, оборудованного электрической управляющей магистралью в соответствии с 5.1.3.1.2 или 5.1.3.1.3, должна обеспечиваться возможность полного включения тормозов прицепа. 5.2.1.27.10 В случае неисправности электрического привода управления прицепа, электрическое подключение которого обеспечивается только с помощью электрической управляющей магистрали в соответствии с 5.1.3.1.3, должна обеспечиваться возможность полного включения тормозов прицепа за счет падения давления в пневматической питающей магистрали. 5.2.1.28 Специальные предписания в отношении регулятора тормозного усилия. 5.2.1.28.1 Регулятор тормозного усилия устанавливается только на тягаче. 5.2.1.28.2.1 Регулятор тормозного усилия может изменять коэффициент торможения Тт/Рт, давление в пневматической управляющей магистрали на соединительной головке рт и/или соответствующую требуемую величину тормозного усилия на прицепе. Если буксирующее транспортное средство оборудовано двумя управляющими магистралями в соответствии с 5.1.3.1.2, то оба сигнала управления должны соответствовать друг другу. 5.2.1.28.2.2 Регулятор тормозного усилия не должен препятствовать применению максимально возможного тормозного давления. 5.2.1.28.3 Транспортное средство должно соответствовать условиям совместимости нагрузки, указанным в приложение 10, однако для достижения цепей, изложенных в 5.2.1.28.2, транспортное средство может не отвечать этим условиям в случае приведения в действие регулятора тормозного усилия. 5.2.1.28.4 Для выявления неисправности регулятора тормозного усилия и предупреждения о ней водителя используется желтый предупреждающий сигнал, о котором говорится в 5.2.1.29.1.2. В случае неисправности должны выполняться соответствующие условия приложения 10. 5.2.1.28.5 Наличие компенсационного усилия, подаваемого системой регулятора тормозного усилия, отмечается с помощью желтого предупреждающего сигнала, о котором говорится в 5.2.1.29.1.2, если величина этого компенсационного усилия отличается на ±1,5 бара от номинальной требуемой величины, определенной в 2.27.3, в пределах до 6,5 бара рт (или эквивалентной цифровой величины). Что касается уровня, превышающего 6,5 бара, то предупреждающий сигнал подается, если компенсационное усилие выводит точку срабатывания за пределы полосы совместимости нагрузки, как указано в приложении 10 для автотранспортного средства.
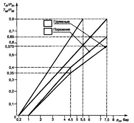
Диаграмма 1 - Буксирующие транспортные средства для прицепов (за исключением полуприцепов)
Диаграмма 2 - Тягачи для полуприцепов 5.2.1.28.6 Системой регулятора тормозного усилия контролируется только то тормозное усилие, которое создается системой рабочего тормоза автотранспортного средства и прицепа, исключая системы аварийного тормоза. Тормозное усилие, возникающее в результате срабатывания систем аварийного тормоза, не компенсируется системой рабочего тормоза. Считается, что системы аварийного тормоза не являются частью систем рабочего тормоза. 5.2.1.29 Неисправность тормоза и предупреждающие сигналы выявления неисправностей (общие требования). 5.2.1.29.1 На механических транспортных средствах должна быть предусмотрена возможность подачи следующих визуальных предупреждающих сигналов неисправности тормоза: 5.2.1.29.1.2 в соответствующих случаях желтый предупреждающий сигнал, указывающий на неисправность в электрической цепи тормозов транспортного средства, для обозначения которой не используется красный предупреждающий сигнал, указанный в 5.2.1.29.1.1. 5.2.1.29.2 За исключением транспортных средств категорий М1 и N1 механические транспортные средства, которые оборудованы электрической управляющей магистралью и/или которым разрешается буксировать прицеп, оборудованный электрическим приводом управления и/или антиблокировочной системой, за исключением транспортных средств категорий М1 и N1 должны обеспечивать подачу отдельного желтого предупреждающего сигнала, указывающего на неисправность антиблокировочной системы и/или электрического привода управления тормозами прицепа. Сигнал подается с прицепа с помощью пятиштырькового электрического соединителя, соответствующего требованиям ISO/DIS 7638-96 1). Этот предупреждающий сигнал не должен загораться при наличии прицепа, не оборудованного электрической управляющей магистралью и/или электрическим приводом управления и/или антиблокировочной системой, либо при отсутствии прицепа. Эта функция является автоматической. 1) В соответствующих случаях в соединительном устройстве ISO/DIS 7638-96 могут использоваться пяти или семиштырьковые разъемы. 5.2.1.29.2.1 На механическом транспортном средстве, которое оборудовано электрической управляющей магистралью и которое соединено с прицепом с помощью электрической управляющей магистрали, должен также использоваться красный предупреждающий сигнал, указанный в 5.2.1.29.1.1, для обозначения некоторых отдельных неисправностей тормозов прицепа во всех тех случаях, когда с прицепа поступает соответствующая информация о неисправности по соответствующей части передачи данных электрической управляющей магистрали. Этот индикатор должен дополнять желтый предупреждающий сигнал, указанный в 5.2.1.29.2. В качестве альтернативного варианта вместо красного предупреждающего сигнала, указанного в 5.2.1.29.1.1, и вышеупомянутого дополнительного желтого предупреждающего сигнала может быть предусмотрен отдельный красный предупреждающий сигнал на буксирующем транспортном средстве для предупреждения о такой неисправности тормозов прицепа. 5.2.1.29.3 Предупреждающие сигналы должны быть видимыми даже в дневное время; удовлетворительное состояние сигналов должно легко проверяться водителем со своего места; неисправность элемента предупреждающих устройств не должна вести к падению эффективности тормозной системы. 5.2.1.29.4 Водитель должен предупреждаться с помощью вышеупомянутого предупреждающего сигнала (вышеупомянутых предупреждающих сигналов) о конкретной неисправности или дефекте до приведения в действие органа управления рабочим тормозом. Предупреждающий сигнал (предупреждающие сигналы) должен (должны) оставаться включенным в течение всего времени наличия неисправности/дефекта при нахождении переключателя зажигания (запуска двигателя) в положении «включено». 5.2.1.29.5 Вышеупомянутый предупреждающий сигнал (вышеупомянутые предупреждающие сигналы) должен (должны) загораться при подаче электроэнергии на электрическое оборудование транспортного средства (и тормозную систему). На неподвижно стоящем транспортном средстве тормозная система обеспечивает проверку отсутствия неисправностей и дефектов до выключения предупреждающих сигналов. Информация о конкретных неисправностях или дефектах, которые должны приводить в действие вышеупомянутые предупреждающие сигналы, но которые не выявляются в статических условиях, должна накапливаться по мере их выявления и выводиться на индикатор при запуске двигателя, а также во всех случаях, когда переключатель зажигания (запуска двигателя) находится в положении «включено в течение всего времени наличия неисправности или дефекта. 5.2.2 Транспортные средства категории О 5.2.2.1 На прицепах категории О, система рабочего тормоза необязательна; однако если прицепы этой категории оборудованы системой рабочего тормоза, то последний должен удовлетворять тем же требованиям, что и системы для категории 02. 5.2.2.2 Прицепы категории О2 должны быть оборудованы системой рабочего тормоза непрерывного или полунепрерывного действия либо системой инерционного типа. Этот последний тип допускается только на прицепах, иных чем полуприцепы. Однако допускаются электрические рабочие тормоза, удовлетворяющие предписаниям приложения 14. 5.2.2.3 Прицепы категории 03 и 04 должны иметь рабочий тормоз непрерывного или полунепрерывного типа. 5.2.2.4 Рабочая тормозная система: 5.2.2.4.1 воздействует на все колеса транспортного средства; 5.2.2.4.2 надлежащим образом распределяет свое воздействие между осями. 5.2.2.5 Действие рабочей тормозной системы распределяется между колесами одной и той же оси симметрично по отношению к средней продольной плоскости транспортного средства. Предприятие-изготовитель должно сообщать о таких компенсационных усилиях и функциях, как антиблокировка, которая может привести к нарушению симметричного распределения тормозного усилия, а также о таких функциях, которые могут вызвать включение тормозов, непосредственно не контролируемое водителем 1). 1) Предприятие-изготовитель должно представлять описание адекватных технических спецификаций и соответствующих процедур испытаний, которые рассматриваются и одобряются технической службой (если эти процедуры не включены в настоящие Правила). С этой целью предприятие-изготовитель должно представить документацию по следующим аспектам: расположение системы, описание функций и концепция безопасности. 5.2.2.5.1 Водитель должен предупреждаться с помощью отдельного желтого визуального предупреждающего сигнала, указанного в 5.2.1.29.2, о компенсационном воздействии электрического привода управления в случае ухудшения характеристик или неисправности тормозной системы. Это требование применяется ко всем условиям загрузки, если компенсационные усилия превышают следующие предельные значения: 5.2.2.5.1.1 разница в поперечном тормозном давлении на любой оси: a) составляет 25 % большей величины при замедлении транспортного средства ³ 2 м/с2, b) равна величине, соответствующей 25 %, при замедлении 2 м/с2 и менее; 5.2.2.5.1.2 индивидуальное компенсационное усилие на любой оси: a) > 50 % от номинальной величины при замедлении транспортного средства ³ 2 м/с2, b) равна величине, соответствующей 50 % номинальной величины, при замедлении 2 м/с2 и менее. 5.2.2.5.2 Указанная выше компенсация допускается только в том случае, если первоначальное включение тормоза производится при скоростях движения транспортного средства более 10 км/ч. 5.2.2.6 Нарушение функционирования электрического привода управления не должно вызывать неконтролируемого водителем срабатывания тормозов. 5.2.2.7 Тормозные поверхности, необходимые для обеспечения предписанной эффективности, должны быть постоянно связаны с колесами жестко или при помощи деталей, которые не могут выходить из строя. 5.2.2.8 Износ тормозов должен легко компенсироваться системой ручного или автоматического регулирования. Кроме того, управление и элементы привода и тормозов должны обладать таким запасом хода, чтобы после нагрева тормозов или определенной степени износа накладок можно было обеспечить торможение, не прибегая к немедленному регулированию. 5.2.2.8.1 Система компенсации износа рабочих тормозов должна быть автоматической. Однако в случае транспортных средств категорий О1 и 02 установка систем автоматического регулирования является факультативной. Системы автоматического регулирования для компенсации износа должны быть такими, чтобы эффективность торможения обеспечивалась при нагреве и последующем охлаждении тормозов. В частности, транспортное средство должно оставаться пригодным для эксплуатации после проведения испытаний в соответствии с 1.5 (испытание типа I), 1.6 (испытание типа II) и 1.7 (испытание типа III) приложения 4 1). 1) До согласования единообразных процедур испытаний нет необходимости повторно проводить вышеуказаннные испытания систем автоматического регулирования для компенсации износа тормозов, если испытания типов I и II проводились в соответствии с процедурой, изложенной в приложении 11, с использованием устройства ручного или автоматического регулирования для компенсации износа тормозов. 5.2.2.8.2 Должен быть обеспечен легкий контроль износа накладок рабочих тормозов снаружи или снизу транспортного средства с использованием лишь обычно прилагаемых к нему инструментов или приспособлений, например за счет соответствующих смотровых отверстий или с помощью каких-либо других средств. 5.2.2.11 Если на прицепе имеется устройство, позволяющее отключать пневматическую систему торможения, за исключением системы стояночного тормоза, то это устройство должно быть сконструировано и изготовлено таким образом, чтобы оно обязательно приводилось в нерабочее положение не позднее того момента, когда в пневматическую систему прицепа снова начинает поступать сжатый воздух. 5.2.2.12 Прицепы категорий О3 и О4 должны соответствовать условиям, указанным в 5.2.1.18.4.2. 5.2.2.12.1 На прицепах, которые оборудованы электрической управляющей магистралью и которые соединены с буксирующим транспортным средством с помощью электрической управляющей магистрали, автоматическое срабатывание тормоза, о котором говорится в 5.2.1.18.4.2, может подавляться до тех пор, пока давление в резервуарах для сжатого воздуха прицепа будет достаточным для обеспечения такой эффективности торможения, которая указана в 3.3 приложения 4. 5.2.2.132) Прицепы категорий О3 и О4 должны быть оборудованы антиблокировочными устройствами, соответствующими положениям приложения 13. (Поправка серии 09). 2) Даты введения требований пункта в отношении отдельных категорий транспортных средств: 04 - с даты введения настоящих Правил; О3>5 т - 01.01.2002; О3≤5 т - 01.01.2003. 5.2.2.14 Энергопитание вспомогательного оборудования должно производиться таким образом, чтобы при включенном устройстве (устройствах) аккумулирования энергии рабочего тормоза давление составляло не менее 80% минимального рабочего давления в системе буксирующего транспортного средства, указанного в 3.1.3.2 приложения 10. 5.2.2.14.1 В случае выхода из строя или протекания вспомогательного оборудования или любых соединительных шлангов суммарное усилие, получаемое на окружности тормозящих колес, должно составлять не менее 80% значения, предписанного для соответствующего прицепа в 3.1.2.1 приложения 4. Однако если такой выход из строя или протекание препятствуют передаче контрольного сигнала на специальное устройство, упомянутое в разделе 6 приложения 10, то тогда должны соблюдаться параметры, предписанные в упомянутом разделе. 5.2.2.15 Специальные дополнительные предписания в отношении рабочих тормозных систем с электрическим приводом управления. 5.2.2.15.1 Одиночная непродолжительная неисправность (<40 мс) в электрическом приводе управления (например сбой в передаче сигнала или ошибка в передаче данных) не должна оказывать существенного воздействия на эффективность рабочего тормоза. 5.2.2.15.2 В случае продолжительной неисправности (³40 мс) электрического привода управления (например поломки, разъединения контакта) должна обеспечиваться эффективность торможения, составляющая не менее 30% предписанной эффективности рабочей тормозной системы соответствующего прицепа. 5.2.2.15.2.1 Водитель предупреждается о продолжительной неисправности (>40 мс) электрического привода управления прицепа, исключая его запас энергии, отдельным предупреждающим сигналом, указанным в 5.2.1.29.2, посредством пятиштырькового соединителя, соответствующего ISO/DIS 7638-96 1). Кроме того, на прицепах, которые оборудованы электрической управляющей магистралью и которые соединены с буксирующим транспортным средством с помощью электрической управляющей магистрали, должна обеспечиваться передача информации о неисправности для приведения в действие красного предупреждающего сигнала, указанного в 5.2.1.29.2.1, с помощью элемента передачи данных электрической управляющей магистрали в тех случаях, когда предписанная эффективность рабочего тормоза прицепа более не обеспечивается. 5.2.2.16 Если объем накопленной энергии в любой части рабочей тормозной системы прицепа, который оборудован электрической управляющей магистралью и который соединен с буксирующим транспортным средством с помощью электрической управляющей магистрали, сокращается до величины, определенной в соответствии с 5.2.2.16.1, то водитель буксирующего транспортного средства предупреждается об этом с помощью соответствующего предупредительного сигнала. Такое предупреждение подается с помощью красного сигнала, указанного в 5.2.1.29.2.1, причем информация о неисправности поступает с прицепа по каналу передачи данных электрической управляющей магистрали. Включается также отдельный желтый предупреждающий сигнал, указанный в 5.2.1.29.2, с помощью пятиштырькового электрического соединителя, соответствующего предписаниям ISO/DIS 7638- 96 1), для предупреждения водителя о сокращении уровня энергии на прицепе. 5.2.2.16.1 Величина низкого уровня энергии, о которой говорится в 5.2.2.16 выше, должна быть недостаточной для приведения в действие органа управления рабочим тормозом с пятого раза после четырех полных нажатий без перезарядки источника энергии и независимо от условий загрузки прицепа и получения, по крайней мере, 50% предписанной эффективности рабочей тормозной системы соответствующего прицепа. 5.2.2.17 Прицепы, которые оборудованы электрической управляющей магистралью, а также прицепы категорий 03 и 04, оборудованные антиблокировочной системой, должны иметь специальное электрическое соединительное устройство для тормозной системы и/или антиблокировочной системы в соответствии с ISO/DIS 7638-96 1). Предупреждающие о неисправности сигналы, которые должны устанавливаться на прицепе в соответствии с требованиями настоящих Правил, приводятся в действие с помощью упомянутого выше соединительного устройства. Предупреждающий сигнал должен загораться, если в электрическую часть тормозов прицепа подается питание и тормозная система обеспечивает проверку неисправностей, предупреждение о которых должно подаваться с помощью этого сигнала до его выключения. 5.2.2.18 В дополнение к требованиям, указанным в 5.1.3.6, электрическая энергия, подаваемая с помощью соединяющего устройства ISO/DIS 7638-96 1) В соответствующих случаях в соединительном устройстве ISO/DIS 7638-96 могут использоваться пятнили семиштырьковые разъемы, может использоваться для не тормозных систем/функций при условии, что тормозная система защищена от внешней перегрузки. Эта защита должна являться одной из функций тормозной системы. 1) В соответствующих случаях в соединительном устройстве ISO/DIS 7638-96 могут использоваться пятнили семиштырьковые разъемы. Требования спецификаций проводов ISO/DIS 7638-96 для прицепа, не оборудованного электрическим приводом управления, могут быть ограничены, если на прицепе установлен собственный плавкий предохранитель. Величина номинального тока плавкого предохранителя не должна превышать величины номинального тока проводников. 5.2.2.19 В случае выхода из строя одной из управляющих магистралей, соединяющих два транспортных средства, оборудованных в соответствии с требованиями 5.1.3.1.2, на прицепе должна использоваться неповрежденная управляющая магистраль для автоматического обеспечения такой эффективности торможения, которая предписывается для прицепа в 3.1 приложения 4. 5.2.2.20 В случае падения подаваемого на прицеп напряжения ниже значения, которое указано предприятием-изготовителем и при которой более не может быть гарантирована предписанная эффективность рабочего тормоза, должен включаться отдельный желтый предупреждающий сигнал, указанный в 5.2.1.29.2, через пятиштырьковый соединитель ISO/DIS 7638-961). Кроме того, прицепы, которые оборудованы электрической управляющей магистралью и которые соединены с буксирующим транспортным средством с помощью электрической управляющей магистрали, должны обеспечивать передачу информации о неисправности для включения красного предупреждающего сигнала, указанного в 5.2.2.29.2.1, по каналу передачи данных электрической управляющей магистрали. 1) В соответствующих случаях в соединительном устройстве ISO/DIS 7638-96 могут использоваться пятнили семиштырьковые разъемы. 6 ИспытанияИспытания тормозов, которым должны подвергаться представленные на официальное утверждение транспортные средства, а также требуемые характеристики тормозной системы приведены в приложении 4. 7 Изменение типа транспортного средства или его тормозной системы и распространение официального утверждения7.1 Любое изменение типа транспортного средства или его тормозной системы, в том что касается характеристик, описанных в приложении 2, доводится до сведения административного органа, который предоставил официальное утверждение данному типу транспортного средства. Этот орган может: 7.1.1 либо прийти к заключению, что внесенные изменения не будут иметь значительного отрицательного влияния и что данное транспортное средство продолжает удовлетворять предписаниям; 7.1.2 либо потребовать нового протокола технической службы, уполномоченной проводить испытания для официального утверждения. 7.2 Сообщение о предоставлении официального утверждения или об отказе в официальном утверждении с указанием изменений направляется Сторонам Соглашения, применяющим настоящие Правила, в соответствии с процедурой, указанной в 4.3. 7.3 Компетентный орган, который распространяет официальное утверждение, должен присвоить такому распространению серийный номер и информировать об этом другие Стороны Соглашения 1958 г. посредством карточки сообщения, соответствующей образцу, приведенному в приложении 2. 8 Соответствие производства8.1 Транспортное средство, официально утвержденное на основании настоящих Правил, должно быть изготовлено таким образом, чтобы соответствовать официально утвержденному типу и удовлетворять предписаниям, изложенным в разделе 5. 8.2 Для проверки соответствия требованиям 8.1 должен осуществляться надлежащий контроль производимой продукции. 8.3 Владелец официального утверждения, в частности, должен: 8.3.1 обеспечить наличие процедур для эффективного контроля за качеством продукции; 8.3.2 иметь доступ к контрольно-измерительному оборудованию, необходимому для проверки соответствия каждому официально утвержденному типу; 8.3.3 обеспечивать регистрацию этих результатов испытаний и хранить прилагаемые документы в течение периода времени, определяемого по согласованию с административной службой; 8.3.4 анализировать результаты каждой проверки для контроля и обеспечения стабильности характеристик продукции с учетом отклонений, допускаемых в условиях промышленного производства; 8.3.5 обеспечить, чтобы по каждому типу были осуществлены все или некоторые испытания, предписанные настоящими Правилами; 8.3.6 обеспечить, чтобы в случае несоответствия производства, обнаруженного при проведении данного типа испытания на любой выборке образцов или испытуемых деталей, производилась новая выборка образцов и проводилось новое испытание. Должны быть приняты все необходимые меры для восстановления соответствия производства. 8.4 Компетентный орган, предоставивший официальное утверждение, может в любое время проверить соответствие методов контроля, применяемых в каждой производственной единице. 8.4.1 В ходе каждой проверки проверяющему инспектору должны представляться протоколы испытаний и производственные журналы технического контроля. 8.4.2 Инспектор может произвести произвольную выборку образцов, которые подвергаются испытанию в лаборатории предприятия-изготовителя. Минимальное число образцов может определяться в зависимости от результатов собственных испытаний, произведенных заводом-изготовителем. 8.4.3 Если уровень качества оказывается неудовлетворительным или если представляется необходимым проверить правильность результатов испытаний, произведенных на основании 8.4.2, инспектор отбирает образцы, которые направляются технической службе, проводившей испытания для официального утверждения типа. 8.4.4 Компетентный орган может проводить любые испытания, предусмотренные в настоящих Правилах. 8.4.5 Проверки, санкционированные компетентным органом, как правило, проводятся один раз в два года. Если в ходе одной из этих проверок обнаруживаются неудовлетворительные результаты, компетентный орган принимает все необходимые меры для скорейшего восстановления соответствия производства. 9 Санкции, налагаемые за несоответствие производства9.1 Официальное утверждение типа транспортного средства, предоставленное на основании настоящих Правил, может быть отменено, если не соблюдается требование, изложенное в 8.1. 9.2 Если какая-либо Договаривающаяся сторона Соглашения, применяющая настоящие Правила, отменяет предоставленное ею ранее официальное утверждение, она немедленно сообщает об этом другим Договаривающимся сторонам, применяющим настоящие Правила, посредством карточки сообщения, соответствующей образцу, приведенному в приложении 2. 10 Окончательное прекращение производстваЕсли владелец официального утверждения полностью прекращает производство типа транспортного средства, официально утвержденного на основании настоящих Правил, он сообщает об этом компетентному органу, предоставившему официальное утверждение. При получении соответствующей информации данный орган уведомляет об этом другие Стороны Соглашения, применяющие настоящие Правила, посредством карточки сообщения, соответствующей образцу, приведенному в приложении 2. 11 Наименования и адреса технических служб, уполномоченных производить испытания для официального утверждения, и административных органовСтороны Соглашения, применяющие настоящие Правила, должны сообщить Секретариату Организации Объединенных Наций наименования и адреса технических служб, уполномоченных проводить испытания для официального утверждения, а также административных органов, которые предоставляют официальное утверждение и которым следует направлять выданные в других странах регистрационные карточки официального утверждения, распространения официального утверждения, отказа в официальном утверждении или отмены официального утверждения. 12 Переходные положения12.1 Общие положения 12.1.1 С момента официального вступления в силу поправок серии 09 ни одна из Договаривающихся сторон, применяющих настоящие Правила, не должна отказывать в предоставлении официального утверждения на основании настоящих Правил с внесенными в них поправками серии 09. 12.1.2 Новые официальные утверждения по типу конструкции 12.1.2.1 При условии соблюдения требований 12.2 с 1 октября 1996 г Договаривающиеся стороны, применяющие настоящие Правила, предоставляют официальные утверждения только в том случае, если тип транспортного средства, подлежащего официальному утверждению, соответствует требованиям настоящих Правил с внесенными в них поправками серии 08 или 09. 12.1.2.2 При условии соблюдения требований 12.2, с 1 октября 1998 г Договаривающиеся стороны, применяющие настоящие Правила, предоставляют официальные утверждения только в том случае, если тип транспортного средства, подлежащего официальному утверждению, соответствует требованиям настоящих Правил с внесенными в них поправками серии 09. 12.1.3 Ограничение действительности прежних официальных утверждений по типу конструкции 12.1.3.1 При условии соблюдения требований 12.1.3.3 и 12.2 официальные утверждения, предоставленные на основании настоящих Правил с внесенными в них поправками серии 06 или 07, прекращают свое действие 1 октября 1998 г, если Договаривающаяся сторона, которая предоставила официальное утверждение, не уведомляет другие Договаривающиеся стороны, применяющие настоящие Правила, о том, что данный тип официально утвержденного транспортного средства отвечает предписаниям настоящих Правил с внесенными в них поправками серии 08 или 09. 12.1.3.2 При условии соблюдения требований 12.1.3.3 и 12.2 официальные утверждения, предоставленные на основании настоящих Правил с внесенными в них поправками серии 08, прекращают свое действие 1 октября 2000 г, если Договаривающаяся сторона, которая предоставила официальное утверждение, не уведомляет другие Договаривающиеся стороны, применяющие настоящие Правила, о том, что данный тип официально утвержденного транспортного средства отвечает предписаниям настоящих Правил с внесенными в них поправками серии 09. 12.1.3.3 Официальные утверждения, предоставленные для транспортных средств категорий М1 и N1 на основании поправок серии 06 к настоящим Правилам до 1 июля 1995 г и любые выданные впоследствии распространения официальных утверждений сохраняют свою силу до 1 апреля 2001 г. Однако настоящее отступление не распространяется на предписания, содержащиеся в 5.1.1.3, которые будут применяться ко всем новым транспортным средствам с 1 октября 1998 г. 12.2 Антиблокировочные тормозные устройства Вместо сроков, указанных в 12.1.2 и 12.1.3, предписания для антиблокировочных тормозных устройств, упомянутых в 5.2.1.22 и 5.2.2.13, включающие поправки серии 08, применяются в следующие сроки:
12.3 Метод отбора образца поверхности с низкой степенью сцепления для испытания антиблокировочных устройств В порядке исключения Договаривающиеся стороны могут предоставлять официальное утверждение на основании настоящих Правил, включающих поправки серии 08 или 09, до 1 января 1998 г, даже если не выполняются предписания добавления 4 к приложению 13. (Раздел 12 Поправка серии 09). ПРИЛОЖЕНИЕ
1
|
|||||||||||||||||||||||||||||||||||||||||||||||||||||||||||||||||||||||||||||||||||||||||||||||||||||||||||||||||||||||||||||||||||||||||||||||||||||||||||||||||||||||||||||||||||||||||||||||||||||||||||||||||||||||||||||||||||||||||||||||||||||||||||||||||||||||||||||||||||||||||||||||||||||||||||||||||||||||||||||||||||||||||||||||||||||||||||||||||||||||||||||||||||||||||||||||||||||||||||||||||||||||||||||||||||||||||||||||||||||||||||||||||||||||||||||||||||||||||||||||||||||||||||||||||||||||||||||||||||||||||||||||||||||||||||||||||||||||||||||||||||||||||||||||||||||||||||||||||||||||||||||||||||||||||||||||||||||||||||||||||||||||||||||||||||||||||||||||||||||||||||||||||||||||||||||||||||||||||||||||||||||||||||||||||||||||||||||||||||||||||||||||||||||||||||||||||||||||||||||||||||||||||||||||||||||||||||||||||||||||||||||||||||||||||||||||||||||||||||||||||||||||||||||||||||||||||||||||||||||||||||||||||||||||||||||||||||||||||||||||||||||||||||||||||||||||||||||||||||||||
|
|
|
|
касающейся 1) |
ОФИЦИАЛЬНОГО УТВЕРЖДЕНИЯ, РАСПРОСТРАНЕНИЯ ОФИЦИАЛЬНОГО УТВЕРЖДЕНИЯ, ОТКАЗА В ОФИЦИАЛЬНОМ УТВЕРЖДЕНИИ, ОТМЕНЫ ОФИЦИАЛЬНОГО УТВЕРЖДЕНИЯ, ОКОНЧАТЕЛЬНОГО ПРЕКРАЩЕНИЯ ПРОИЗВОДСТВА |
типа транспортного средства в отношении торможения на основании Правил ЕЭК ООН №13
|
Официальное утверждение № _____________ |
Распространение №_________ |
|||||||||||||||||||
|
1 Фабричная или торговая марка транспортного средства |
|
|||||||||||||||||||
|
2 Категория транспортного средства |
|
|||||||||||||||||||
|
3 Тип транспортного средства |
|
|||||||||||||||||||
|
4 Предприятие-изготовитель и его адрес |
|
|||||||||||||||||||
|
5 В соответствующих случаях фамилия и адрес представителя предприятия-изготовителя |
|
|||||||||||||||||||
|
6 Масса транспортного средства |
|
|||||||||||||||||||
|
6.1 Максимальная масса транспортного средства |
|
|||||||||||||||||||
|
6.2 Минимальная масса транспортного средства |
|
|||||||||||||||||||
|
7 Распределение массы между осями (максимальное значение) |
|
|||||||||||||||||||
|
8 Марка и тип тормозных фрикционных накладок |
|
|||||||||||||||||||
|
8.1 Тормозные накладки, испытанные согласно требованиям приложения 4 |
|
|||||||||||||||||||
|
8.2 Альтернативные тормозные накладки, испытанные согласно приложению 15 |
|
|||||||||||||||||||
|
9 Если речь идет о механическом транспортном средстве: 9.1 тип двигателя |
|
|||||||||||||||||||
|
9.2 число передач и их передаточные числа |
|
|||||||||||||||||||
|
9.3 передаточное число (передаточные числа) ведущего моста (ведущих мостов) |
|
|||||||||||||||||||
|
9.4 В соответствующих случаях2) максимальная масса прицепа, который может буксироваться: |
|
|||||||||||||||||||
|
9.4.1 полный прицеп |
|
|||||||||||||||||||
|
9.4.2 полуприцеп |
|
|||||||||||||||||||
|
9.4.3 прицеп с центрально расположенной осью (указать максимальное соотношение свеса |
||||||||||||||||||||
|
сцепного устройства3) и базы) |
|
|||||||||||||||||||
|
9.4.4 прицеп, не оснащенный тормозами |
|
|||||||||||||||||||
|
9.4.5 максимальная масса автопоезда |
|
|||||||||||||||||||
|
10 Размеры шин |
|
|||||||||||||||||||
|
10.1 Размеры запасного колеса/шины для временного использования |
|
|||||||||||||||||||
|
10.2 Транспортное средство соответствует техническим требованиям приложения 3 к |
||||||||||||||||||||
|
Правилам ЕЭК ООН № 64: да/нет 2) |
|
|||||||||||||||||||
|
11 Число и расположение осей |
|
|||||||||||||||||||
|
12 Краткое описание тормозной системы |
|
|||||||||||||||||||
13 Масса транспортного средства во время испытания:
|
Нагрузка |
Без груза, кг |
С грузом, кг |
|
Поворотный шкворень/нагрузка2,4) |
|
|
|
Ось № 1 |
|
|
|
Ось № 2 |
|
|
|
Ось № 3 |
|
|
|
Ось № 4 |
|
|
|
Всего |
|
|
14 Результаты испытаний и характеристики транспортного средства
|
Тип испытания |
Скорость при испытании, км/ч |
Измеренная эффективность |
Усилие, измеренное на органе управления, даН |
|
14.1 Испытание типа 0, двигатель отсоединен: рабочее торможение аварийное торможение |
|
|
|
|
|
|
|
|
|
14.2 Испытание типа 0, двигатель подсоединен: рабочее торможение в соответствии с 2.1.1 приложения 4 14.3 Испытание типа I: многократное торможение 5) непрерывное торможение 6) |
|
|
|
|
|
|
|
|
|
14.4 Испытание типа II или II А 2) в зависимости от случая рабочее торможение 14.5 Испытание типа III 7) |
|
|
|
|
14.6 Система торможения, использованная во время испытани тип II, НА 2) |
|
||
|
|
|||
|
14.7.1 Время срабатывания по тормозному цилиндру |
|
, с |
|
|
14.7.2 Время срабатывания по приводному патрубку соединительной головки |
|
, с |
|
|
14.7.3 Гибкие шланги тягачей для полуприцепов: |
|
||
|
длина, м |
|
||
|
внутренний диаметр, мм |
|
||
14.8 Информация, требуемая в соответствии с 7.3 приложения 10 к настоящим Правилам.
14.9 Транспортное средство оборудовано/не оборудовано 2) для буксировки прицепа с электрическим тормозом.
14.10 Транспортное средство оборудовано/не оборудовано 2) для буксировки прицепа с антиблокировочной системой.
14.11 Транспортное средство оборудовано/не оборудовано 2) антиблокировочной системой.
14.11.1 Транспортное средство удовлетворяет предписаниям приложения 13: да/нет 2).
14.11.2 Категория антиблокировочной системы: категория 1/2/3 2),5)
категория А/В 2),6)
14.11.3 В случае прицепа: может/не может 2) использоваться в сцепке с транспортным средством-тягачом, не оборудованным специальным электрическим соединительным устройством в соответствии со стандартом ИСО 7638-85 8).
14.12 Транспортное средство, оборудованное управляющей магистралью (магистралями) в соответствии с 5.1.3.1.1/5.1.3.1.2/5.1.3.1.3 2).
|
На транспортное средство распространяются требования приложения 5 (ДОПОГ) |
да/нет 5) |
||||||
|
|
|||||||
|
14.12.1 Транспортное средство соответствует требованиям к рабочим характеристикам износостойких тормозных систем с учетом результатов испытания типа НА вплоть до максимальной массы_____ тонн |
да/нет 5) |
||||||
|
|
|||||||
|
|
|||||||
|
14.12.2 Механическое транспортное средство оснащено органом управления износостойкой тормозной системой на прицепев соответствии с определением, приведенным в 2.2.6 приложения 5 |
да/нет 5) |
||||||
|
|
|||||||
|
|
|||||||
|
|
|||||||
|
14.12.3 В случае прицепов: транспортное средство оборудовано износостойкой тормозной системой в соответствиис определением, приведенным в 2.3 приложения 5 |
да/нет 5) |
||||||
|
|
|||||||
|
|
|||||||
|
15 Транспортное средство представлено на официальное утверждение (дата) |
|
||||||
|
16 Техническая служба, уполномоченная проводить испытания для официального утверждения |
|
||||||
|
|
|||||||
|
17 Дата протокола испытания |
|
||||||
|
18 Номер протокола испытания |
|
||||||
|
19 Официальное утверждение представлено/в официальном утверждении отказано/официальное утверждение распространено/официальное утверждение отменено 2) |
|||||||
|
20 Место расположения знака официального утверждения на транспортном средстве |
|
||||||
|
21 Место |
|
||||||
|
22 Дата |
|
||||||
|
23 Подпись |
|
||||||
|
24 К настоящему сообщению прилагается краткое изложение сведений, упомянутое в 4.3 настоящих Правил |
|
||||||
1) Отличительный номер страны, которая предоставила (распространила) отменила официальное утверждение или отказала в официальном утверждении (см. положения Правил, касающиеся официального утверждения).
2) Ненужное вычеркнуть.
По просьбе подателя (подателей) заявки на официальное утверждение в соответствии с Правилами ЕЭК ООН № 90 компетентный орган, представляющий официальное утверждение типа, сообщает информацию, содержащуюся в дополнении 1 к настоящему приложению. Однако эта информация должна предоставляться только с целью официальных утверждений на основании Правил ЕЭК ООН № 90.
3) «Свес сцепного устройства» представляет собой расстояние по горизонтали между сцепным устройством прицепов с центрально расположенной осью и центральной линией задней оси (осей).
4) При испытании полуприцепа или прицепа с центрально расположенной осью здесь следует указывать массу нагрузки, приходящуюся на опорно-сцепное устройство.
5) Применяется только к транспортным средствам категорий М1, М2, М3, N1, N2 и N3
6) Применяется только к транспортным средствам категорий О2 и О3
7) Применяется только к транспортным средствам категории О4.
8) В соответствии с 4.4 приложения 13 к настоящим Правилам.
|
|
1 Описание типа транспортного средства |
|
|||||||||||||||||||
|
|
1.1 Фабричная или торговая марка транспортного средства, если имеется |
|
|||||||||||||||||||
|
|
1.2 Категория транспортного средства |
|
|||||||||||||||||||
|
|
1.3 Официальное утверждение типа транспортного средства на основании Правил ЕЭК ООН № 13 |
|
|||||||||||||||||||
|
|
|
|
|||||||||||||||||||
|
|
1.4 Модели или торговые марки транспортных средств, образующих тип транспортного средства, если имеются |
|
|||||||||||||||||||
|
|
|
||||||||||||||||||||
|
|
1.5 Предприятие-изготовитель и его адрес |
|
|||||||||||||||||||
|
|
2 Марка и тип тормозных накладок |
|
|||||||||||||||||||
|
|
2.1 Тормозные накладки, испытанные в соответствии с требованиями приложения 4 |
|
|||||||||||||||||||
|
|
|
||||||||||||||||||||
|
|
2.2 Тормозные накладки, испытаннные в соответствии с приложением 15 |
|
|||||||||||||||||||
|
|
3 Минимальная масса транспортного средства |
|
|||||||||||||||||||
|
|
3.1 Распределение массы каждой оси (максимальная величина) |
|
|||||||||||||||||||
|
|
|
||||||||||||||||||||
|
|
4 Максимальная масса транспортного средства |
|
|||||||||||||||||||
|
|
4.1 Распределение массы каждой оси (максимальная величина) |
|
|||||||||||||||||||
|
|
5 Максимальная скорость транспортного средства |
|
|||||||||||||||||||
|
|
6 Размеры шин и колес |
|
|||||||||||||||||||
|
|
7 Конфигурация тормозной цепи (например переднее/заднее или диагональное расположение) |
|
|||||||||||||||||||
|
|
8 Какая из тормозных систем является аварийной |
|
|||||||||||||||||||
|
|
|
||||||||||||||||||||
|
|
9 Спецификация тормозных клапанов (в соответствующем случае) |
|
|||||||||||||||||||
|
|
|
||||||||||||||||||||
|
|
9.1 Спецификации регулировки автоматического клапана нагрузки |
|
|||||||||||||||||||
|
|
|
||||||||||||||||||||
|
|
9.2 Регулировка редуктора |
|
|||||||||||||||||||
|
|
10 Конструктивное распределение тормозного усилия |
|
|||||||||||||||||||
|
|
11 Спецификации тормозов |
|
|||||||||||||||||||
|
|
11.1 Дисковый тормоз (например количество поршней с указанием диаметра (диаметров), сегментный или цельный |
||||||||||||||||||||
|
|
диск) |
|
|||||||||||||||||||
|
|
11.2 Барабанный тормоз (например с двойным сервоусилителем, размеры поршня и барабана) |
|
|||||||||||||||||||
|
|
|
||||||||||||||||||||
|
|
11.3 При наличии пневматических тормозных систем, например, тип и размер камер, рычагов и т. д. |
|
|||||||||||||||||||
|
|
12 Тип основного цилиндра и его размер |
|
|||||||||||||||||||
|
|
13 Тип и размер усилителя |
|
|||||||||||||||||||
Образец А
(См. 4.4 настоящих Правил)

а = 8 мм, не менее
Приведенный выше знак официального утверждения, проставленный на транспортном средстве, указывает, что этот тип транспортного средства официально утвержден в Соединенном Королевстве (Е11) в отношении тормозного устройства на основании Правил ЕЭК ООН № 13 под номером официального утверждения 092439. Данный номер официального утверждения указывает, что официальное утверждение было представлено в соответствии с Правилами ЕЭК ООН № 13 с включенными в них поправками серии 09. Что касается транспортных средств категорий М2 и М3, то этот знак означает, что данный тип транспортного средства прошел испытания типа II.

а = в мм, не менее
Приведенный выше знак официального утверждения, проставленный на транспортном средстве, указывает, что этот тип транспортного средства официально утвержден в Соединенном Королевстве (Е11) в отношении тормозного устройства на основании Правил ЕЭК ООН № 13. Что касается транспортных средств категорий М2 и М3, то этот знак означает, что данный тип транспортного средства прошел испытания типа IIА.

а = в мм, не менее
Приведенный выше знак официального утверждения, проставленный на транспортном средстве, указывает, что этот тип транспортного средства был официально утвержден в Соединенном Королевстве (Е11) на основании Правил ЕЭК ООН № 13 и Правил ЕЭК ООН № 24" (в Правилах ЕЭК ООН № 24 1) исправленное значение коэффициента поглощения составляет 1,30 м -1).
1) Этот номер приводится только в качестве примера.
1.1 Общие положения
1.1.1 Эффективность тормозных систем должна основываться на длине тормозного пути и/или определяться посредством измерения среднего значения предельного замедления. Эффективность тормозной системы должна определяться измерением тормозного пути, отнесенного к начальной скорости транспортного средства, и/или измерением среднего значения замедления в ходе испытания.
1.1.2 Тормозным путем называется расстояние, пройденное транспортным средством с момента, когда водитель начинает воздействовать на управление тормозной системы до остановки транспортного средства; начальной скоростью называется момент скорости, когда водитель начинает воздействовать на управление тормозной системы. Начальная скорость должна быть не менее 98 % скорости, указанной для данного испытания.
Среднее предельное замедление рассчитывают как отношение среднего замедления к расстоянию в интервале Vb - Ve по формуле
![]()
где
Vb - скорость транспортного средства при 0,8 V0, км/ч;
Ve - скорость транспортного средства при 0,1 V0, км/ч;
sh - расстояние, пройденное между V0 и Vb, м;
se - расстояние, пройденное между V0 и Ve, м;
V0 - начальная скорость транспортного средства, км/ч.
Скорость и расстояние определяются с помощью измерительных приборов с точностью ±1 % при скорости, указанной для данного испытания. Среднее значение предельного замедления может определяться другими способами, помимо измерения скорости и расстояния; в этом случае среднее значение предельного замедления определяется с точностью ±3 %.
1.2 Для официального утверждения любого транспортного средства эффективность торможения должна измеряться при проведении испытаний на дороге; эти испытания следует проводить при следующих условиях:
1.2.1 транспортное средство должно быть нагружено таким образом, как это указано для каждого типа испытаний; эти условия указывают в протоколе испытания;
1.2.2 испытания должны проводиться при скоростях, установленных для каждого типа испытаний. Если максимальная конструктивная скорость транспортного средства ниже скорости, установленной для испытания, испытание проводится на максимальной скорости транспортного средства;
1.2.3 во время испытаний оказываемое на орган управления системы торможения воздействие для получения установленной эффективности не должно превышать максимального значения для каждой категории транспортных средств;
1.2.4 при условии выполнения положений, предусмотренных в соответствующих приложениях, дорога должна иметь поверхность, обеспечивающую хорошие условия сцепления;
1.2.5 испытания должны проводиться при отсутствии ветра, который мог бы повлиять на их результаты;
1.2.6 в начале испытания шины должны быть холодными, а их давление равно установленному для нагрузки, которую фактически воспринимают колеса в статических условиях;
1.2.7 установленная эффективность должна достигаться без заклинивания колес, без бокового заноса транспортного средства и без ненормальной вибрации 1).
1.2.8 В случае электромобилей с постоянно подсоединенным к колесам двигателем (двигателями) все испытания будут проводиться с подсоединенным двигателем (двигателями).
1.2.9 В случае электромобилей, указанных в 1.2.8 и оснащенных электрической системой регенеративного торможения категории А, определенные в 1.4.3.1 настоящего приложения испытания поведения транспортных средств проводят на треке с низким коэффициентом сцепления (как это определено в 5.2.2 приложения 13).
1) Блокировка колес допускается в конкретно указанных случаях
1.2.9.1 Кроме того, в случае транспортных средств, оснащенных электрической системой регенеративного торможения категории А, такие переменные условия, как изменение передач или отпускание устройства управления акселератором, не должны влиять на поведение транспортного средства в испытательных условиях, указанных в 1.2.9.
1.2.10 В ходе испытаний, указанных в 1.2.9 и 1.2.9.1, блокировка колес не допускается. Вместе с тем разрешаются корректирующие операции управления, если угол поворота рулевого колеса остается в пределах 120° в течение первых 2 с и в целом составляет не более 240°.
1.3 Поведение транспортного средства во время торможения
1.3.1 При проведении испытаний на торможение, в частности испытаний на повышенной скорости, следует проверять общее поведение транспортного средства во время торможения.
1.3.2 Поведение транспортного средства при торможении на дороге с ухудшенным сцеплением. Поведение транспортных средств категорий М1 М2, М3, N1 N2, N3, О3 и О4 на дороге с ухудшенным сцеплением должно удовлетворять условиям, указанным в приложении 10.
1.4 Испытание типа 0 (обычное испытание эффективности при холодных тормозах)
1.4.1 Общие положения
1.4.1.1 Тормоза должны быть холодными; тормоз считается холодным, если температура, измеренная на тормозном диске или с наружной стороны тормозного барабана, ниже 100 °С.
1.4.1.2 Испытание должно осуществляться в следующих условиях:
1.4.1.2.1 транспортное средство должно быть груженым, причем распределение его массы между осями должно соответствовать распределению, указанному предприятием-изготовителем. В том случае, когда предусматривается несколько вариантов распределения нагрузки между осями, распределение максимальной массы между осями должно быть таким, чтобы нагрузка на каждую ось была пропорциональна максимальной допускаемой нагрузке для каждой оси. В случае автотранспортных средств, которые могут буксировать полуприцеп, нагрузка может быть приложена примерно на половине расстояния между положением шкворня, определяемым упомянутыми выше условиями нагрузки, и центральной линией задней (задних) оси (осей);
1.4.1.2.2 каждое испытание должно повторяться на порожнем транспортном средстве. На механическом транспортном средстве на переднем сиденье может находиться, помимо водителя, второе лицо, следящее за результатами испытания;
испытания механического транспортного средства, сконструированного для буксировки полуприцепа, в ненагруженном состоянии проводятся без полуприцепа, включая массу пятого колеса (сцепное устройство). Масса транспортного средства включает также массу запасного колеса, если оно включено в обычную спецификацию транспортного средства;
на транспортном средстве, представляющем собой только шасси с кабиной, дополнительно может быть размещена масса, имитирующая кузов и не превышающая минимальную массу, определенную предприятием-изготовителем в приложении 2;
1.4.1.2.3 пределами, установленными для минимальной эффективности как при испытании порожнего транспортного средства, так и при испытании груженого транспортного средства, являются пределы, указанные ниже для каждой категории транспортных средств; транспортное средство должно соответствовать требованиям в отношении предписанного тормозного пути и предписанного среднего значения предельного замедления для соответствующей категории транспортного средства, однако фактическое измерение обоих параметров производить необязательно;
1.4.1.2.4 дорога должна быть горизонтальной.
1.4.2 Испытание типа 0 с отсоединенным двигателем
Испытание должно проводиться при скорости, указанной для каждой категории транспортных средств; значения, приводимые в этом отношении, могут отклоняться в определенных пределах. При этом должна достигаться минимальная эффективность, указанная для каждой категории.
1.4.3 Испытание типа 0 с подсоединенным двигателем
1.4.3.1 Проводят также испытания на различных скоростях, причем самая низкая скорость равняется 30 % максимальной скорости транспортного средства, а самая большая скорость составляет 80 % этой скорости. Если транспортное средство оборудовано регулятором скорости, то максимальной скоростью транспортного средства считается максимальная скорость, допускаемая этим регулятором. Проводят измерения максимальной реальной эффективности, а поведение транспортного средства отмечают в протоколе испытания. Испытание тяговых единиц для полуприцепов, условно загруженных для имитации условий груженого полуприцепа, не должно проводиться при скорости, превышающей 80 км/ч.
1.4.3.2 Дальнейшие испытания должны проводиться с подсоединенным двигателем, начиная со скорости, предписанной для данной категории транспортного средства. При этом должна быть достигнута минимальная эффективность, указанная для каждой категории. Испытание тяговых единиц для полуприцепов, условно загруженных для имитации условий груженого полуприцепа, не должно проводиться при скорости, превышающей 80 км/ч.
1.4.4 Испытания тормозов типа 0 в случае транспортных средств категории 0, оборудованных тормозами с пневматическим приводом
1.4.4.2 За исключением случаев, указанных в 1.4.4.3 и 1.4.4.4 настоящего приложения, для определения коэффициента торможения прицепа необходимо измерить тормозной коэффициент транспортного средства-тягача плюс прицепа и давление на сцепное устройство. Транспортное средство-тягач должно соответствовать требованиям, изложенным в приложении 10 к настоящим Правилам и касающимся соотношения между коэффициентом Тм/Рм и давлением рm Тормозной коэффициент прицепа рассчитывают по формуле
![]()
где zR - тормозной коэффициент прицепа;
zR+M - тормозной коэффициент транспортного средства-тягача плюс прицепа;
D - давление на сцепное устройство (+D = усилие растяжения) (-D = усилие сжатия);
РR - общая нормальная статическая реакция поверхности проезжей части на все колеса прицепа или полуприцепа (приложение 10).
1.4.4.3 Если прицеп оснащен тормозной системой непрерывного или полунепрерывного действия, в которой в течение всего периода торможения давление в тормозных приводах, несмотря на изменение динамической нагрузки на ось, не меняется, а также в случае полуприцепа можно осуществлять торможение только одного прицепа. Тормозной коэффициент прицепа подсчитывают по формуле
![]()
![]()
где R = сопротивление качению = 0,01;
РM = общая нормальная статическая реакция всех колес транспортного средства-тягача прицепа или полуприцепа на поверхность проезжей части (приложение 10).
1.4.4.4 Соответственно оценка тормозного коэффициента прицепа может быть получена за счет торможения только самого прицепа. В этом случае используемое давление должно быть равно давлению, измеренному в тормозных приводах при торможении транспортного средства с прицепом.
1.5 Испытание типа I (испытание на потерю эффективности)
1.5.1 При многократном торможении:
1.5.1.1 Испытание рабочих тормозов всех механических транспортных средств производится путем ряда последовательных торможений груженого транспортного средства в соответствии с условиями, указанными в таблице.
|
Категория транспортных средств |
Условия проведения испытания |
||||
|
V1 [км/ч] |
V2 [км/ч] |
Dt [с] |
n |
||
|
M1 |
80 % Vмах ≤ 120 |
½ V1 |
|
45 |
15 |
|
M2 |
80 % Vмах ≤ 100 |
½ V1 |
|
55 |
15 |
|
N1 |
80 % Vмах ≤ 120 |
½ V1 |
|
55 |
15 |
|
M3,N2, N3 |
80 % Vмах ≤ 60 |
½ V1 |
|
60 |
20 |
|
Обозначения имеют следующие значения: V1 - начальная скорость в начале торможения; V2 - скорость в конце торможения; Vмаx - максимальная скорость транспортного средства; n - количество торможений; Dt - продолжительность одного цикла торможения; время, торможения и началом следующего торможения. прошедшее между началом одного |
|||||
1.5.1.2 Если в силу характеристик транспортного средства соблюдение установленной продолжительности Dt не представляется возможным, эту продолжительность можно увеличить; в любом случае, помимо времени, необходимого для торможения и ускорения транспортного средства, необходимо предусмотреть для каждого цикла 10 с для стабилизации скорости V1.
1.5.1.3 При этих испытаниях давление, оказываемое на орган управления, должно регулироваться таким образом, чтобы при первом торможении достигалось среднее значение предельного замедления, составляющее 3 м/с2; это давление должно оставаться постоянным в течение всех последующих торможений.
1.5.1.4 Во время торможения двигатель остается подсоединенным при самом высоком передаточном числе (исключая ускоряющую передачу и т. п.).
1.5.1.5 При возобновлении движения после торможения изменение скорости должно производиться таким образом, чтобы скорость V1 достигалась в течение возможно более короткого времени (максимальное ускорение, допускаемое двигателем и коробкой передач).
1.5.1.6 В случае электромобилей, не обладающих достаточной автономией для осуществления циклов подогрева тормозов, испытания должны проводиться на указанной скорости во время первого торможения и затем посредством использования максимального потенциала ускорения транспортного средства и последовательных торможений на скорости, достигаемой в конце каждого цикла, с продолжительностью, указанной для соответствующей категории транспортного средства.
1.5.2 При непрерывном торможении
1.5.2.1 Испытание рабочих тормозов прицепов категорий O2 и O3 должно проводиться таким образом, чтобы поглощаемая тормозами энергия была эквивалентна энергии, производимой за тот же промежуток времени при движении груженого транспортного средства с постоянной скоростью 40 км/ч на спуске с уклоном 7 % и на расстоянии 1,7 км.
1.5.2.2 Испытание может проводиться на горизонтальной дороге, причем прицеп буксируется механическим транспортным средством; во время испытания усилие на управление должно регулироваться таким образом, чтобы сопротивление прицепа поддерживалось на постоянном уровне (7 % максимальной статической нагрузки на ось прицепа). Если номинальная мощность для буксировки является недостаточной, испытание может проводиться на меньшей скорости и на большем расстоянии в соответствии со следующей таблицей.
|
Скорость, км/ч |
Расстояние, м |
|
40 |
1700 |
|
30 |
1950 |
|
20 |
2 500 |
|
15 |
3 100 |
1.5.3 Эффективность нагретых тормозов
1.5.3.1 В конце испытания типа I (испытание, описанное в 1.5.1, или испытание, описанное в 1.5.2 настоящего приложения) в тех же условиях (и, в частности, при постоянной силе, прилагаемой к органу управления и не превышающей среднюю величину практически применяемой силы), в которых было проведено испытание типа 0 с отсоединенным двигателем (температурные условия могут быть иными), измеряют эффективность нагретого рабочего тормоза.
1.5.3.1.1 Для механических транспортных средств эта эффективность нагретых тормозов должна составлять не менее 80 % значения, предписываемого для указанной категории, и не менее 60 % значения, зарегистрированного при испытании типа 0 с отсоединенным двигателем.
1.5.3.1.2 В случае электромобилей, оснащенных электрической системой регенеративного торможения категории А, во время торможения должна быть неизменно включена высшая передача и не должно использоваться отдельное электрическое устройство управления регенеративным торможением, если оно имеется.
1.5.3.1.3 Однако для прицепов тормозная сила нагретых тормозов на окружности колес при испытании со скоростью 40 км/ч должна составлять не менее 36 % силы, соответствующей максимальной статической нагрузке, приходящейся на колеса неподвижного транспортного средства, не менее 60 % значения, зарегистрированного при испытании типа 0 на такой же скорости.
1.5.3.2 Для механического транспортного средства, которое соответствует предписанию в отношении 60 %, указанному в 1.5.3.1.1, но которое не соответствует предписанию в отношении 80 %, указанному в 1.5.3.1.1, последующее испытание для определения эксплуатационных показателей нагретых тормозов может проводиться с приложением к органу управления усилия, не превышающего величину, указанную в 2 настоящего приложения для соответствующей категории транспортного средства. Результаты обоих испытаний должны быть занесены в протокол.
1.5.3.3 В случае электромобилей, прошедших циклы подогрева тормозов в соответствии с 1.5.1.6 настоящего приложения, проводят испытания для определения эксплуатационных показателей при максимально возможной скорости, которую способно развить транспортное средство в конце циклов подогрева тормозов. Для сравнения: испытание типа 0 при неразогретых тормозах должно повторяться на той же скорости после восстановления тормозных накладок.
1.6 Испытание типа II (поведение транспортного средства на затяжных спусках)
1.6.2 В случае транспортных средств, в которых энергия поглощается только за счет торможения двигателем, для средней скорости допускается отклонение ±5 км/ч. Испытание производится на передаче, которая позволяет на спуске с уклоном 6 % стабилизировать скорость возможно ближе к 30 км/ч. Если определение эффективности торможения только двигателем осуществляется посредством измерения замедления, достаточно, чтобы измеренное среднее значение замедления составляло, по крайней мере, 0,5 м/с2.
категория М3 dm = 0,15V + (1,33 V2/130) (второй член соответствует среднему значению предельного замедления, равному 3,75 м/с2);
категория N3 dm = 0,15V + (1,33 V2/115) (второй член соответствует среднему значению предельного замедления, равному 3,30 м/с2).
1.6.4 Вместо испытания типа II транспортные средства, указанные в 1.8.1.1, 1.8.1.2 и 1.8.1.3, должны подвергаться испытанию типа IIА, описанному в 1.8.
1.7 Испытание типа III (испытания на потерю эффективности транспортных средств категории 04)
|
Для дорожного испытания должны применяться следующие условия: |
|
|
количество случаев использования тормозов - продолжительность цикла торможения - скорость в начале торможения - применение торможения - |
20; 60 с; 60 км/ч; при этих испытаниях усилие, прилагаемое к органу управления, должно быть скорректировано таким образом, чтобы среднее значение предельного замедления составляло 3 м/с2 по отношению к массе прицепа PR при первом нажатии на тормоз; это усилие должно оставаться постоянным при всех последующих нажатиях на тормоз. |
Коэффициент торможения прицепа рассчитывают по формуле, которая приводится в 1.4.4.3 приложения 4.
![]()
Скорость в конце торможения (3.1.5 дополнения 2 к приложению 11):
![]()
где zR - коэффициент торможения прицепа;
zR+M - коэффициент торможения состава транспортных средств (автотранспортное средство и прицеп);
R - сопротивление качению = 0,01;
РM - общее обычное статическое взаимодействие между поверхностью дороги и колесами транспортного средства, буксирующего прицеп, кг;
PR- общее обычное статическое взаимодействие между поверхностью дороги и колесами прицепа, кг;
P1 - часть массы прицепа, которая приходится на ось (оси) без тормоза, кг;
Р2 - часть массы прицепа, которая приходится на ось (оси) с тормозом, кг;
V1, - начальная скорость, км/ч;
V2 - скорость в конце испытания, км/ч.
1.7.2 Эффективность нагретых тормозов
В конце испытания, проводимого в соответствии с 1.7.1, эффективность системы нагретых рабочих тормозов должна измеряться в тех же условиях, которые аналогичны условиям испытания типа 0, однако в разных температурных условиях и при начальной скорости 60 км/ч. Тормозное усилие нагретых тормозов на наружней части колес должно составлять в этом случае не менее 40 % максимальной нагрузки неподвижного колеса и не менее 60 % показателя, зарегистрированного в ходе испытания типа 0 при одинаковой скорости.
1.8 Испытание типа IIА (эффективность износостойких систем торможения)
1.8.1 Испытанию типа IIА подвергаются транспортные средства следующих категорий:
1.8.1.1 междугородные автобусы и туристические автобусы дальнего следования категории М3;
1.8.1.2 транспортные средства категории N3, на которых разрешена буксировка прицепа категории O4. Если максимальная масса превышает 26 т, то масса при испытании ограничивается до 26 т, а если масса порожнего транспортного средства превышает 26 т, то эта масса учитывается посредством соответствующих расчетов;
1.8.1.3 транспортные средства, на которые распространяется маргинальный номер 10221 приложения В к ДОПОГ (см. приложение 5).
1.8.2 Условия проведения испытаний и требования к рабочим характеристикам
1.8.2.1 Рабочие характеристики износостойкой тормозной системы испытываются при максимальной массе транспортного средства или на составе транспортных средств.
1.8.2.2 Испытание груженых транспортных средств должно проводиться таким образом, чтобы поглощаемая энергия была эквивалентна энергии, производимой за тот же промежуток времени при движении груженого транспортного средства со средней скоростью 30 км/ч по спуску с уклоном 7 % на расстоянии 6 км. В ходе испытания не должны включаться системы рабочего, аварийного и стояночного торможения. Должна быть включена такая передача, при которой число оборотов двигателя не превышает максимального значения, предписанного предприятием-изготовителем. Комплексная износостойкая тормозная система может использоваться при условии, что она вводится в действие постепенно, таким образом, чтобы не включалась система рабочего торможения; это можно проверить, удостоверившись, что тормоза остаются холодными в соответствии с определением, приведенным в 1.4.1.1 настоящего приложения.
1.8.2.3 В случае транспортных средств, в которых энергия поглощается только за счет торможения двигателем, для средней скорости допускается отклонение ±5 км/ч. Испытание проводят на передаче, которая позволяет на спуске с уклоном 7 % стабилизировать скорость как можно ближе к значению 30 км/ч. Если определение эффективности торможения только двигателем осуществляется посредством измерения замедления, то достаточно, чтобы измеренное среднее значение замедления составляло, по крайней мере, 0,6 м/с2.
2.1.1 Рабочие тормоза транспортных средств категорий М и N должны испытываться при условиях, указанных в приводимой ниже таблице.
|
|
Категория |
М1 |
М2 |
М3 |
N1 |
N2 |
N3 |
|
Тип испытания |
0-1 |
0-1 |
0-I-II или II А |
0-1 |
0-1 |
0-I-II |
|
|
Испытание типа 0 с отсоединенным двигателем |
V |
80 км/ч |
60 км/ч |
60 км/ч |
80 км/ч |
60 км/ч |
60 км/ч |
|
s ≤ dm ³ |
5,8 м/с2 |
5,0 м/с2 |
|||||
|
Испытание типа 0 с подсоединенным двигателем |
ν= 80% Мmax но ≤ |
160 км/ч |
100 км/ч |
90 км/ч |
120 км/ч |
100 км/ч |
90 км/ч |
|
s ≤ dm ³ |
|
4,0 м/с2 |
|||||
|
5,0 м/с2 |
|||||||
|
|
F ≤ |
50 даН |
70 даН- |
||||
Обозначения:
V- скорость при испытании;
s- тормозной путь;
dm - среднее значение предельного замедления;
F- прилагаемое усилие;
V mах - максимальная скорость транспортного средства.
2.1.2 В случае механического транспортного средства, допущенного к буксировке не оснащенного тормозами прицепа, минимальная эффективность торможения, предписанная для соответствующей категории механического транспортного средства (для испытания типа 0 с отсоединенным двигателем), должна быть достигнута с неоснащенным тормозами прицепленным к механическому транспортному средству прицепом и с неоснащенным тормозами прицепом, загруженным до максимальной массы, указанной предприятием-изготовителем механического транспортного средства.
Эффективность торможения автопоезда должна проверяться при помощи расчетов, учитывающих максимальную эффективность торможения механического транспортного средства (в загруженном состоянии) без прицепа в ходе испытания типа 0 с отсоединенным двигателем, с использованием следующей формулы (практические испытания с неоснащенным тормозами прицепленным прицепом не требуются).
![]()
![]()
где dM+R - среднее предельное замедление механического транспортного средства, рассчитанное с неоснащенным тормозами прицепленным прицепом, м/с2;
dM - максимальное предельное замедление механического транспортного средства без прицепа, полученное в ходе испытания типа 0 при отсоединенном двигателе, м/с2;
РМ - масса механического транспортного средства (в загруженном состоянии);
PR - максимальная масса неоснащенного тормозами прицепляемого к транспортному средству прицепа, указанная предприятием-изготовителем механического транспортного средства. Однако в случае транспортных средств категории М, минимальная эффективность торможения состава транспортных средства должна составлять не менее 5,4 м/с2 как с нагрузкой, так и без нагрузки.
2.2 Система аварийного тормоза
2.2.1 Тормозной путь при использовании вспомогательного (аварийного) тормоза, даже если орган управления для приведения его в действие используется также для других тормозных функций, не должен превышать следующих значений, а среднее предельное замедление должно составлять не менее следующих значений:
категория М, dm = 0,1 V + (2V2/150) (второй член соответствует среднему значению предельного замедления, равному 2,9 м/с2);
категория М2, М3 d = 0,15 V+ (2V 2/130) (второй член соответствует среднему значению предельного замедления, равному 2,5 м/с2);
категория N dm = 0,15 V+ (2V 2/115) (второй член соответствует среднему значению предельного замедления, равному 2,2 м/с2).
2.2.2 Если аварийный тормоз имеет ручное управление, предписанная эффективность должна достигаться приложением к органу управления усилия, не превышающего 40 даН для транспортных средств категории М, и 60 даН - для других транспортных средств, причем управление должно помещаться в таком месте, чтобы оно было легко и быстро доступно для водителя.
2.2.3 Если аварийный тормоз имеет ножное управление, то предписанная эффективность должна достигаться приложением к управлению усилия, не превышающего 50 даН для транспортных средств категории М, и 70 даН - для других транспортных средств; управление должно располагаться таким образом, чтобы оно могло легко и быстро приводиться в действие водителем.
2.2.4 Эффективность аварийного тормоза должна проверяться испытанием типа 0 с отсоединенным двигателем на начальных скоростях, указанных ниже.
|
М1 - 80 км/ч |
М2 - 60 км/ч |
М3 - 60 км/ч |
|
N1 - 70 км/ч |
N2 - 50 км/ч |
N3 - 40 км/ч |
2.2.5 Испытание аварийного тормоза на эффективность должно проводиться имитацией фактических условий неисправности в системе рабочего тормоза.
2.2.6 В случае электромобилей проверяют рабочие характеристики при следующих двух дополнительных видах неисправности:
2.2.6.1 при полном выходе из строя электрического элемента рабочего тормоза;
2.2.6.2 в том случае, если электрический элемент обеспечивает максимальное тормозное усилие при неисправности электрической трансмиссии.
2.3 Система стояночного тормоза
2.3.1 Система стояночного тормоза, даже если она связана с одной из остальных тормозных систем, должна удерживать груженое транспортное средство, остановившееся на спуске или подъеме с уклоном 18 %.
2.3.2 На транспортных средствах, которые допускаются к буксировке прицепа, система стояночного тормоза тягача должна удерживать весь состав на спуске или на подъеме с уклоном в 12 %.
2.3.3 Если управление является ручным, то прилагаемое к нему усилие не должно превышать 40 даН для транспортных средств категории М, и 60 даН - для всех других транспортных средств.
2.3.4 Если управление является ножным, то прилагаемое к нему усилие не должно превышать 50 даН для транспортных средств категории М( и 70 даН - для всех других транспортных средств.
2.3.5 Допускается использование системы стояночного тормоза, которая для достижения предписанной эффективности должна приводиться в действие несколько раз.
2.3.6 Для проверки условия, требуемого в соответствии с 5.2.1.2.4 настоящего стандарта, должно проводиться испытание типа 0 с отсоединенным двигателем с начальной скоростью испытания 30 км/ч. Среднее полное замедление при включении системы стояночного тормоза и замедление непосредственно перед остановкой транспортного средства должно составлять не менее 1,5 м/с2. Испытание должно проводиться с загруженным транспортным средством. Усилие, прикладываемое к устройству управления торможением, не должно превышать предписанных значений.
2.4 Остаточная тормозная эффективность рабочего тормоза в случае неисправности привода
2.4.1 Остаточная тормозная эффективность рабочего тормоза частичной неисправности привода не должна превышать нижеследующих величин тормозного пути, а среднее предельное замедление при приложении к органу управления усилия, не превышающего 70 даН в случае проведения испытания типа 0 с отсоединенным двигателем при следующих начальных скоростях для соответствующей категории транспортного средства, должна быть не меньше значений, указанных ниже:
Тормозной путь (м) и среднее замедление (м/с2)
|
Категория |
Скорость испытания, км/ч |
Груженое транспортное средство |
м/с2 |
Порожнее транспортное средство |
м/с2 |
|
М1 |
80 |
0,10V+(100/25)(V2/150) |
1,7 |
0,10V+(100/25)(V2/150) |
1,5 |
|
М2 |
60 |
0,15V+(100/25)( V2/130) |
1,5 |
0,15V+(100/25)(V2/130) |
1,3 |
|
М3 |
60 |
0,15V+(100/30)( V2/130) |
1,5 |
0,15V+(100/30)(V2/130) |
1,5 |
|
N1 |
70 |
0,15V+(100/25)( V2/115) |
1,3 |
0,15V+(Ю0/25)(V2/115) |
1,1 |
|
N2 |
50 |
0,15V+(100/25)( V2/115) |
1,3 |
0,15V+(100/25)(V2/115) |
1,1 |
|
N3 |
40 |
0,15V+(100/30)( V2/115) |
1,3 |
0,15V+(100/30)(V2/115) |
1,3 |
2.4.2 Испытание тормозной системы на эффективность должно производиться имитацией фактических условий неисправности в системе рабочего тормоза.
3.1.1 Требования к испытаниям транспортных средств категории О1
В тех случаях, когда система рабочего тормоза обязательна, ее эффективность должна соответствовать требованиям, указанным для категорий O2 и O3.
3.1.2 Требования к испытаниям транспортных средств категорий O2 и О3
3.1.2.1 Если система рабочего тормоза принадлежит к типу тормозов непрерывного или полупрерывного действия, то сумма сил, действующих по окружности заторможенных колес, должна равняться х % силы, соответствующей максимальной нагрузке на колеса в статических условиях: х принимает следующие значения, %:
полный прицеп, груженый и порожний - 50,
полуприцеп, груженый и порожний - 45,
прицеп с центральной осью, груженый и порожний - 50.
Величина сигнала в управляющей магистрали не должна превышать следующих значений в зависимости от установки:
a) 6,5 бара - в пневмопроводе;
b) требуемый цифровой величины, соответствующей 6,5 бара (согласно определению, содержащемуся в ISO/DIS 11992-96) - в электрической управляющей магистрали.
Скорость испытания составляет 60 км/ч. Для сопоставления с результатами испытания типа I должно проводиться дополнительное испытание груженого прицепа на скорости 40 км/ч.
3.1.2.3 Если тормозная система является инерционной, то она должна удовлетворять требованиям приложения 12.
3.1.2.4 Кроме того, транспортные средства должны подвергаться испытанию типа I.
3.1.2.5 При проведении испытаний полуприцепа типа I масса, затормаживаемая его осями, должна быть равна массе, соответствующей максимальной нагрузке на ось (или на оси) полуприцепа без учета нагрузки на сцепное устройство.
3.1.3 Требования к испытаниям транспортных средств категории O4
3.1.3.1 Если система рабочего торможения относится к непрерывному или полунепрерывному типу, то суммарное усилие, прилагаемое к наружной части колес при торможении, должно составлять, по крайней мере, х % максимальной нагрузки на неподвижное колесо, где х принимает следующие значения, %:
полный прицеп, груженый и порожний - 50,
полуприцеп, груженый и порожний - 45,
прицеп с центральным расположением оси, груженый и порожний - 50.
3.1.3.2 Если прицеп оборудован пневматической тормозной системой, то давление в трубопроводе управления не должно превышать 6,5 бар, а давление в питающем трубопроводе не должно превышать 7,0 бара в ходе испытания на торможение. Скорость испытания составляет 60 км/ч.
3.1.3.3 Кроме этого транспортные средства должны проходить испытание типа III.
3.1.3.4 При проведении испытания типа III для полуприцепа масса торможения на оси (осях) прицепа должна соответствовать максимальной нагрузке (нагрузкам) на ось.
3.2 Система стояночного тормоза
3.2.1 Система стояночного тормоза, которой оборудован прицеп или полуприцеп, должна удерживать на остановке груженый прицеп или полуприцеп, отцепленный от транспортного средства-тягача, на спуске или подъеме с уклоном в 18 %. Усилие, прилагаемое к управлению, не должно превышать 60 даН.
3.3.1 Эффективность автоматического торможения в случае неисправности, о которой говорится в 5.2.1.18.3 настоящих Правил, при испытании груженого транспортного средства на скорости 40 км/ч должна составлять не меньше 13,5 % максимальной стационарной нагрузки на колесо. Блокировка колес допускается при уровнях эффективности выше 13,5 %.
4.1 На каждом транспортном средстве, на котором система рабочего тормоза приводится в действие исключительно или частично за счет источника энергии, иного, чем мускульная сила водителя, должно соблюдаться следующее требование:
4.1.1 при резком торможении время между началом воздействия на орган управления и моментом, когда действие тормозного усилия на ось, находящуюся в наиболее неблагоприятных условиях, достигает значения соответствующей предписанной эффективности, не должно превышать 0,6 с.
4.1.2 Считается, что транспортные средства, оборудованные тормозными системами с пневматическим приводом, соответствуют требованию, изложенному в 4.1.1, если транспортное средство соответствует требованиям приложения 6.
4.1.3 Считается, что транспортные средства, оборудованные тормозными системами с гидравлическим приводом, соответствуют требованиям 4.1.1, если при осуществлении аварийного торможения замедление транспортного средства или давление в цилиндре, находящемся в наиболее неблагоприятных условиях, достигает соответствующей предписанной эффективности в течение 0,6 с.
Настоящее приложение применяется к транспортным средствам, на которые распространяется маргинальный номер 10221 приложения В к Европейскому соглашению о международной дорожной перевозке опасных грузов (ДОПОГ).
2 1 Антиблокировочная тормозная система
2.1.1 Механические транспортные средства, на которых разрешается буксировка прицепа категории O4, оснащаются антиблокировочными системами категории 1, соответствующими положениям приложения 13.
2.1.2 Прицепы категории O4 оснащаются антиблокировочными системами категории А, соответствующими положениям приложения 13.
2.2 Износостойкая тормозная система
На механических транспортных средствах, максимальная масса которых превышает 16 т или на которых разрешена буксировка прицепа категории O4, устанавливается износостойкая тормозная система, соответствующая требованиям 1.8 приложения 4. Применяются также следующие требования:
2.2.1 Конфигурация органов управления изностойкой тормозной системой определяется на основе описания, приведенного в 2.14 настоящих Правил.
2.2.2 В случае отказа электрооборудования антиблокировочной системы должны автоматически отключаться комплексные или комбинированные износостойкие тормозные системы.
2.2.3 Эффективность износостойкой тормозной системы контролируется антиблокировочной тормозной системой таким образом, чтобы ось (оси), подвергаемая (подвергаемые) торможению посредством износостойкой тормозной системы, не могла (не могли) блокироваться этой системой при скорости более 15 км/ч. Однако данное предписание не применяется в том случае, если эта система функционирует за счет естественного торможения двигателем.
2.2.4 Износостойкая тормозная система характеризуется несколькими стадиями эффективности, включая нижнюю стадию, рассчитанную на порожнее транспортное средство. Если износостойкая тормозная система механического транспортного средства функционирует за счет торможения двигателем, то считается, что различные передаточные числа обеспечивают различные стадии эффективности.
2.2.5 В случае буксирующих транспортных средств условия загрузки, описанные в 1.8.2.1 приложения 4, соответствуют максимальной массе состава транспортных средств, состоящей из максимальной массы буксирующего транспортного средства и максимальной массы, которую на нем разрешено буксировать, но не превышающей в общей сложности 44 т.
1.1 Время срабатывания системы рабочего тормоза определяется на неподвижном транспортном средстве, причем давление должно измеряться на входе тормозного цилиндра, находящегося в наиболее неблагоприятном положении. Для транспортных средств, оборудованных комбинированными пневматическими/ гидравлическими системами торможения, давление может измеряться на входе пневматического устройства, находящегося в наиболее неблагоприятных условиях. Для транспортных средств, оборудованных клапанами распределения нагрузки, эти устройства должны быть установлены в положении «Нагрузка».
1.2 При испытании ход тормозных цилиндров различных осей должен быть равным ходу цилиндров, когда тормоза отрегулированы с минимальным зазором.
1.3 Время срабатывания, определенное в соответствии с положениями настоящего приложения, округляется до ближайшей десятой доли секунды. Если второй знак после запятой равен или больше 5, то величина времени срабатывания округляется до десятой доли в большую сторону.
2.1 В начале каждого испытания давление в резервуарах должно быть равным давлению, при котором регулятор возобновляет подачу питания в систему. В системах, не оборудованных регулятором (например в компрессоре максимального давления), давление в резервуаре в начале каждого испытания должно быть равным 90 % давления, объявленного предприятием-изготовителем и определенного в 1.2.2.1 раздела А приложения 7, используемом при испытании, предписанном в настоящем приложении.
2.2 Время срабатывания как функция от времени нажатия на педаль (tf) измеряется путем последовательных нажатий до отказа, начиная с самого кратчайшего возможного нажатия и заканчивая нажатием продолжительностью около 0,4 с. Измеренные значения должны наноситься на график.
2.3 Учитываемым для испытания значением времени срабатывания является время срабатывания, соответствующее времени нажатия 0,2 с. Это время срабатывания может быть получено по графику графической интерполяцией.
2.4 Для времени нажатия 0,2 с промежуток времени между началом нажатия на педаль и моментом, когда давление в тормозном цилиндре достигает 75 % его асимптотического значения, не должен превышать 0,6 с.
2.5 Для механических транспортных средств, имеющих пневматическую управляющую магистраль для прицепов, дополнительно к предписаниям 1.1 настоящего приложения, время срабатывания должно измеряться на оконечности патрубка внутренним диаметром 13 мм и длиной 2,5 м, который подсоединяется к сцепной головке приводного трубопровода рабочего тормоза. Во время этого испытания к сцепной головке приводного патрубка подсоединяется емкость объемом (385±5) см3 (который считается эквивалентным объему патрубка длиной 2,5 м и внутренним диаметром 13 мм при давлении 6,5 бара). Тягачи должны быть оборудованы гибкими шлангами для подсоединения к полуприцепам. Поэтому сцепные головки должны находиться на оконечностях гибких шлангов. Длину и внутренний диаметр патрубков указывают в 14.6 документа, соответствующего образцу, приведенному в приложении 2.
2.6 Время между началом нажатия на педаль и моментом, когда:
a) давление, измеренное на соединительной головке пневматической управляющей магистрали,
b) требуемая цифровая величина в электрической управляющей магистрали, измеренная в соответствии с ISO/DIS 11992-96 достигают х % асимптотического - другими словами, окончательного - значения, не должно превышать времени, указанного в следующей таблице:
|
x, % |
t, с |
|
10 75 |
0,2 0,4 |
2.7 Для механических транспортных средств, допущенных для буксировки прицепов категории O3 или О4., оснащенных пневматическими системами торможения, помимо вышеупомянутых требований должно проверяться соответствие требованиям 5.2.1.18.4.1 настоящих Правил при помощи следующего испытания:
a) посредством измерения давления на конце трубопровода длиной 2,5 м и внутренним диаметром 13 мм, присоединяемого к соединительной головке питающего трубопровода;
b) посредством имитации неисправности на соединительной головке приводного трубопровода;
c) посредством включения устройства управления рабочим тормозом, которое должно сработать через 0,2 с в соответствии с положением 2.3.
3.1 Время срабатывания прицепа измеряется без механического транспортного средства. Для замены механического транспортного средства необходимо предусмотреть имитатор, к которому должны присоединяться соединительные головки приводного трубопровода, пневматической управляющей магистрали и/или соединителя электрической управляющей магистрали.
3.2 Давление в питающем трубопроводе должно составлять 6,5 бар.
3.3 Имитатор пневматических управляющих магистралей должен иметь следующие характеристики:
3.3.1 Он должен иметь резервуар вместимостью 30 л, который должен заполняться при давлении в 6,5 бара перед началом очередного испытания и не должен перезаряжаться во время испытания. Имитатор на выходе устройства управления рабочим тормозом должен иметь отверстие диаметром от 4,0 до 4,3 мм включительно. Вместимость патрубка, измеряемая от этого отверстия до сцепной головки и включая ее, должна равняться (385±5) см3 (что считается эквивалентным объему патрубка длиной 2,5 м внутренним диаметром 13 мм при давлении 6,5 бар). Давление в приводном патрубке, о котором говорится в 3.3.3, должно измеряться непосредственно у этого отверстия.
3.3.2 Устройство управления системой рабочего тормоза должно быть сконструировано таким образом, чтобы испытательный прибор не влиял на его эксплуатационные характеристики.
3.3.3 Имитатор должен быть установлен, например, за счет выбора отверстия в соответствии с 3.3.1 таким образом, чтобы в случае, если к нему подсоединяется резервуар вместимостью (385±5) см3, промежуток времени, в течение которого давление поднимается с 0,65 до 4,9 бар (соответственно 10 % и 75 % номинального давления в 6,5 бар), равнялся (0,2±0,01) с. Если вышеупомянутый резервуар заменяется резервуаром объемом (1155±15) см3, то промежуток времени, в течение которого давление поднимается с 0,65 до 4,9 бар без последующей регулировки, должен составлять (0,38±0,02) с. В пределах этих значений увеличение давления должно быть приблизительно линейным. Эти резервуары должны подсоединяться к сцепной головке без использования гибких патрубков и иметь внутренний диаметр не менее 10 мм.
3.3.4 На схеме, приведенной в дополнении 1 к настоящему приложению, дается пример правильной установки и использования имитатора.
3.4 Время между моментом, когда давление, создаваемое имитатором в приводном трубопроводе, достигает 0,65 бар, и моментом, когда в тормозном приводе прицепа давление достигает 75 % асимптотического значения, не должно превышать 0,4 с.
3.5 Имитатор электрических управляющих магистралей должен иметь следующие характеристики 1):
1) До согласования единообразных процедур испытания считается, что прицепы с электрической управляющей магистралью соответствуют требованиям раздела 3 настоящего приложения, если дополнительная пневматическая управляющая магистраль соответствует предписанным требованиям.
4.2 Клапаны контрольного вывода должны соответствовать требованиям раздела 4 стандарта ИСО 3583-84.
Схема имитатора
(см. раздел 3 приложения 6)
1 Установка имитатора

2 Испытание тормозной системы прицепа

Обозначения:
А - патрубок подачи со стопорным клапаном;
С1 - выключатель давления в имитаторе, установленный на 0,65 бар и на 4,9 бар;
С2 - выключатель давления, соединяемый с тормозным приводом прицепа и срабатывающий при давлении, равном 75 % асимптотического давления в тормозном цилиндре CF;
CF - тормозной цилиндр;
L - патрубок со сцепной головкой ТС, подсоединяемый к отверстию 0 и имеющий внутренний объем (385±5) см3 при давлении 6,5 бар;
М- манометр;
О - отверстие диаметром от 4 до 4,3 мм;
РР - датчик испытательного давления;
R1 - 30-литровый воздушный резервуар со спускным клапаном;
R2 - калибровочный резервуар объемом (385±5) см3, включая его сцепную головку ГС;
R3 - калибровочный резервуар объемом (1155±15) см3, включая его сцепную головку ТС;
RA - стопорный клапан;
ТА - сцепная головка питающего трубопровода;
ТС- сцепная головка приводного трубопровода;
V - устройство управления тормозом;
VRU- предохранительный клапан.
1.1 Общие предписания
1.1.1 Транспортные средства, для работы тормозных систем которых необходим сжатый воздух, должны быть оснащены резервуарами (аккумуляторами энергии), отвечающими с точки зрения вместимости требованиям 1.2 и 1.3 настоящего приложения (раздел А).
1.1.2 Тем не менее не предписываются никакие правила в отношении вместимости резервуаров, если тормозная система устроена таким образом, что в случае отсутствия всякого запаса энергии можно обеспечить эффективность торможения, по меньшей мере равную эффективности, предписанной для аварийного тормоза.
1.1.3 Для проверки предписаний, изложенных в 1.2 и 1.3, тормоза должны быть отрегулированы с минимальным зазором.
1.2 Механические транспортные средства
1.2.1 Воздушные тормозные резервуары механических транспортных средств должны быть сконструированы таким образом, чтобы после восьмикратного нажатия до отказа на орган управления рабочим тормозом остаточное давление в воздушном тормозном резервуаре было не меньше давления, необходимого для предписанного аварийного торможения.
1.2.2 Во время испытания должны быть соблюдены нижеследующие условия:
1.2.2.2 в резервуар (резервуары) не должно подаваться питание; в ходе испытания вспомогательный рабочий резервуар (вспомогательные рабочие резервуары) должен (должны) быть изолирован (изолированы);
1.2.2.3 в случае механических транспортных средств, которым разрешается буксировать прицеп и которые имеют пневматическую управляющую магистраль, питающий трубопровод должен быть перекрыт, и непосредственно к соединительной головке пневматической управляющей магистрали должна быть присоединена емкость для сжатого воздуха вместимостью 0,5 л. Перед каждым торможением давление в этой емкости должно быть полностью снято. После испытания, предусмотренного в 1.2.1, уровень энергии, подаваемой в пневматическую управляющую магистраль, не должен опускаться ниже половины достигнутого во время первого включения тормоза.
1) Начальный уровень энергии должен быть указан в документе официального утверждения.
1.3 Прицепы
1.3.1 Резервуары на прицепах и полуприцепах должны быть сконструированы таким образом, чтобы после восьмикратного нажатия до отказа на орган управления рабочим тормозом транспортного средства-тягача уровень энергии, необходимый для используемых механизмов, не опускался ниже половины значения, достигнутого во время первого включения тормоза, а также без приведения в действие автоматического или стояночного тормоза прицепа.
1.3.2 Во время испытания должны быть соблюдены нижеследующие условия:
1.3.2.1 давление в резервуарах в начале испытания должно быть равным 8,5 бар;
1.3.2.2 питающий трубопровод должен быть перекрыт; кроме того, вспомогательный рабочий резервуар или резервуары должны быть изолированы;
1.3.2.3 во время испытания подпитка резервуара не допускается;
1.3.2.4 при каждом торможении давление в пневматической управляющей магистрали должно составлять 7,5 бар;
1.3.2.5 при каждом торможении требуемое значение в электрической управляющей магистрали должен соответствовать давлению 7,5 бар.
Компрессоры должны отвечать условиям нижеследующих пунктов:
2.1 Общие положения
2.2 Определения
2.2.1 p1 - давление, соответствующее 65 % давления р2, определенного в 2.2.2.
2.2.2 р2 - значение, установленное предприятием-изготовителем и указанное в 1.2.2.1.
2.2.3 t1 - время, необходимое для перехода относительного давления от 0 к p1 и через t2 - время, необходимое для перехода от 0 к р2.
2.3 Условия измерения
2.3.1 Во всех случаях режим работы компрессора должен соответствовать режиму, при котором двигатель вращается со скоростью, соответствующей максимальной мощности, или со скоростью, допускаемой регулятором.
2.3.2 В ходе испытаний для определения времени t1 и t2 вспомогательный рабочий резервуар или резервуары изолируются.
2.3.3 Если предусматривается прицеплять к механическому транспортному средству прицеп, то последний заменяется резервуаром, для которого относительное максимальное давление р (выраженное в барах), равно давлению, которое может обеспечиваться на входе в систему питания транспортного средства-тягача, а объем V которого, выраженный в литрах, определяется формулой pV = 20 R (R - максимально допустимая нагрузка на оси прицепа или полуприцепа, выраженная в тоннах).
2.4 Толкование результатов
2.4.1 Время г., соответствующее резервуару, находящемуся в самых неблагоприятных условиях, не должно превышать:
2.4.1.1 3 мин - для транспортных средств, которым не разрешается буксировать прицеп;
2.4.1.2 6 мин - для транспортных средств, которым разрешается буксировать прицеп.
2.4.2 Время t2 соответствующее резервуару, находящемуся в самых неблагоприятных условиях, не должно превышать:
2.4.2.1 6 мин - для транспортных средств, которым не разрешается буксировать прицеп;
2.4.2.2 9 мин - для транспортных средств, которым разрешается буксировать прицеп.
2.5 Дополнительное испытание
2.5.1 Если механическое транспортное средство оборудовано вспомогательным рабочим резервуаром или резервуарами, общая вместимость которых превышает 20 % общей вместимости тормозных резервуаров, необходимо провести дополнительное испытание, во время которого режим работы клапанов, регулирующих наполнение вспомогательного рабочего резервуара или резервуаров, не должен нарушаться.
2.5.2 В ходе этого испытания необходимо проверить, чтобы время t3 необходимое для увеличения давления от 0 до р2 в тормозном резервуаре, находящемся в самых неблагоприятных условиях, было менее:
2.5.2.1 8 мин - для транспортных средств, которым не разрешается буксировать прицеп;
2.5.2.2 11 мин - для транспортных средств, которым разрешается буксировать прицеп.
2.5.3 Испытание должно проходить в условиях, предписанных 2.3.1 и 2.3.3.
2.6 Транспортные средства-тягачи
2.6.1 Механические транспортные средства, которым разрешается буксировать прицеп, должны также соответствовать указанным выше предписаниям для транспортных средств, не имеющих такого разрешения. В таком случае испытания, указанные в 2.4.1 и 2.4.2 (и 2.5.2), должны проводиться без резервуара, указанного в 2.3.3.
3.1 Для облегчения периодической проверки транспортных средств, находящихся в эксплуатации, должен устанавливаться в легкодоступном месте и как можно ближе к резервуару, работающему в наиболее неблагоприятных условиях по требованию 2.4, соответствующий клапан контрольного вывода.
3.2 Клапаны контрольного вывода должны соответствовать требованиям раздела 4 стандарта ИСО 3583-84.
1.1. Общие предписания
1.1.1 Транспортные средства, тормозные системы которых работают на принципе вакуума, должны быть оснащены резервуарами (аккумуляторами энергии), отвечающими, с точки зрения вместимости, предписаниям 1.2 и 1.3 настоящего приложения (раздел В).
1.1.2 Тем не менее никакие правила в отношении вместимости резервуаров не предписываются, если тормозная система устроена таким образом, что в случае отсутствия всякого запаса энергии можно достигнуть эффективности торможения, по меньшей мере равной эффективности, предписанной для аварийного тормоза.
1.1.3 Для проверки предписаний, изложенных в 1.2 и 1.3 настоящего приложения, тормоза должны быть отрегулированы как можно более тщательно.
1.2 Механические транспортные средства
1.2.1 Резервуары (аккумуляторы энергии) механических транспортных средств должны быть сконструированы таким образом, чтобы можно было обеспечить эффективность, предписанную для аварийного тормоза:
1.2.1.1 после восьмикратного нажатия до отказа на орган управления системой рабочего тормоза, если источником энергии является вакуумный насос,
1.2.1.2 после четырехкратного нажатия до отказа на орган управления системой рабочего тормоза, если источником энергии является двигатель.
1.2.2 Во время испытания должны быть соблюдены следующие условия:
1.2.2.1 начальный уровень энергии в резервуаре или резервуарах должен быть равен значению, указанному предприятием-изготовителем 1). Это значение должно обеспечивать эффективность, предписанную для рабочего тормоза, и соответствовать вакууму, не превышающему 90 % предельного вакуума, обеспечиваемого источником энергии,
1.2.2.2 подпитка резервуара или резервуаров не допускается. Во время испытания вспомогательный рабочий резервуар или резервуары должны быть изолированы,
1.2.2.3 для механических транспортных средств, которым разрешается буксировать прицеп, питающий трубопровод, если таковой предусмотрен, должен быть перекрыт, а к приводному трубопроводу должна быть подведена емкость вместимостью 0,5л. После испытания, предусмотренного в 1.2.1, уровень вакуума, создаваемого в приводном трубопроводе, не должен опускаться ниже половины значения, достигнутого во время первого резкого включения тормоза.
1.3 Прицепы (только категории О1 и О2)
1.3.1 Резервуары (аккумуляторы энергии), которыми оборудуются прицепы, должны быть сконструированы таким образом, чтобы вакуум в потребителях не опускался ниже половины значения, получаемого во время первого торможения после испытания, включающего четырехкратное полное приведение в действие системы рабочего тормоза прицепа.
1.3.2 Во время испытания должны быть соблюдены следующие условия:
1.3.2.1 начальный уровень энергии в резервуаре или резервуарах должен быть равен значению, указанному предприятием-изготовителем1). Это значение должно обеспечивать эффективность, предписанную для рабочего тормоза;
1.3.2.2 подпитка резервуара или резервуаров не допускается. Во время испытания вспомогательный рабочий резервуар или резервуары должны быть изолированы.
1) Начальный уровень энергии должен указываться в документе официального утверждения.
2.1 Общие предписания
2.1.1 Источник энергии должен обеспечивать возможность понижения в резервуаре или резервуарах за 3 мин давления от атмосферного до первоначального уровня, указанного в 1.2.2.1. Для механических транспортных средств, которым разрешается буксировать прицеп, это время должно быть не более 6 мин в условиях, указанных в 2.2.
2.2 Условия измерения
2.2.1 Режим работы источника энергии представляет собой:
2.2.1.1 если этим источником служит сам двигатель транспортного средства - режим, соответствующий остановленному транспортному средству при нейтральном положении коробки передач и работе двигателя на холостом ходу;
2.2.1.2 если источником энергии служит насос - режим, соответствующий работе двигателя на оборотах, составляющих 65 % числа оборотов, соответствующего максимальной мощности;
2.2.1.3 если источником энергии служит насос и если двигатель снабжен регулятором, - режим, соответствующий работе двигателя на оборотах, составляющих 65 % максимального числа оборотов, допускаемого регулятором.
2.2.2 Если предусматривается буксирование механическим транспортным средством прицепа, оснащенного системой вакуумного рабочего тормоза, то этот прицеп имитируется резервуаром, вместимость которого (выраженная в литрах) рассчитывается по формуле V= 15 R (где R - максимальная допустимая масса, приходящаяся на оси прицепа, выраженная в тоннах).
1.1 Общие предписания
1.1.1 Транспортные средства, для работы тормозных устройств которых необходима накопленная энергия, обеспечиваемая находящейся под давлением тормозной жидкостью, должны быть оснащены резервуарами (аккумуляторами энергии), отвечающими с точки зрения вместимости требованиям 1.2 настоящего приложения (раздел С).
1.1.2 Однако правила в отношении вместимости резервуаров могут не предписываться, если тормозная система устроена таким образом, что в случае отсутствия всякого запаса энергии можно при помощи устройств управления рабочим тормозом обеспечить эффективность торможения, по меньшей мере равную эффективности, предписанной для системы аварийного торможения.
1.1.3 При проверке соответствия требованиям 1.2.1, 1.2.2 и 2.1 настоящего приложения тормоза должны быть отрегулированы с минимальным зазором, а при проверке соответствия 1.2.1 темп полных нажатий должен быть таким, чтобы обеспечить между двумя нажатиями интервал регенерации, равный по меньшей мере 60 с.
1.2 Механические транспортные средства
1.2.1 Механические транспортные средства, оборудованные гидравлическими тормозами с резервуарами энергии, должны соответствовать следующим требованиям:
1.2.1.1 необходимо, чтобы после восьмикратного нажатия до отказа на орган управления системой рабочего тормоза можно было достичь при девятом нажатии эффективности, предписанной для аварийного торможения.
1.2.1.2 Испытания должны проводиться в соответствии со следующими требованиями:
1.2.1.2.1 испытание должно начинаться при давлении, которое может быть установлено предприятием-изготовителем, но не должно превышать минимальное рабочее давление в системе (давление при включении);
1.2.1.2.2 подпитка резервуара или резервуаров не допускается. Кроме того, вспомогательное оборудование и его резервуары, если таковые имеются, должны быть изолированы.
1.2.2 Механические транспортные средства, оборудованные гидравлическими тормозами с резервуарами энергии, которые не могут соответствовать требованиям 5.2.1.5.1 настоящих Правил, считаются все же соответствующими требованиям данного пункта, если выполняются следующие условия:
1.2.2.1 необходимо, чтобы после любого единичного отказа трансмиссии еще можно было после восьмикратного нажатия до отказа на орган управления системой рабочего тормоза достичь, по меньшей мере, при девятом нажатии эффективности, предписанной для аварийного торможения, или в случае, когда аварийная эффективность, предполагающая необходимость применения аккумулированной энергии, достигается с помощью отдельного органа управления, необходимо, чтобы, по меньшей мере, после восьмикратного нажатия до отказа на тормоз при девятом нажатии можно было достичь остаточной эффективности, указанной в 5.2.1.4 данных Правил.
1.2.2.2 Испытание должно выполняться в соответствии со следующими требованиями:
1.2.2.2.1 при выключенном или включенном источнике энергии при скорости, соответствующей числу оборотов холостого хода двигателя, может быть вызван какой-либо отказ трансмиссии. Перед тем как вызвать такой отказ, давление в резервуаре или резервуарах энергии должно соответствовать давлению, которое может быть установлено заводом-изготовителем, но не должно превышать давления при включении;
1.2.2.2.2 вспомогательное оборудование и резервуары, если таковые имеются, должны быть изолированы.
2.1 Источники энергии должны удовлетворять требованиям, изложенным в следующих пунктах:
2.1.1 Определения
2.1.1.1 р1, - максимальное рабочее давление системы (давление выключения) в резервуаре или резервуарах, установленное заводом-изготовителем.
2.1.1.2 р2 - давление после четырех полных нажатий на орган управления системой рабочего тормоза при исходном давлении, равном р без подпитки резервуара или резервуаров.
2.1.1.3 t - время, необходимое для того, чтобы давление в резервуаре или резервуарах повысилось с р2 до р1, без нажатия на орган управления тормозом.
2.1.2 Условия измерения
2.1.2.1 Во время испытания в целях определения времени / скорость питания резервуара энергии должна быть равна скорости, достигаемой при работе двигателя, число оборотов которого соответствует максимальной мощности или числу оборотов, допускаемому ограничителем скорости.
2.1.2.2 Во время испытания для определения времени t резервуар или резервуары для вспомогательного оборудования должны отключаться только с помощью автоматического устройства.
2.1.3 Толкование результатов
2.1.3.1 Для всех транспортных средств, за исключением тех из них, которые относятся к категориям М3, N2 и N3, время t не должно превышать 20 с.
2.1.3.2 Для транспортных средств категорий М3, N2 и N3, время / не должно превышать 30 с.
Когда двигатель работает на холостом ходу при начальном давлении, которое может быть указано предприятием-изготовителем, но которое не должно превышать давление при включении, предупреждающее сигнализационное устройство не должно срабатывать после двух полных нажатий на орган управления системой рабочего тормоза.
1.1 пружинные тормоза: Устройства, в которых источниками энергии, необходимой для торможения, служит одна или несколько пружин, действующих как аккумуляторы энергии.
1.1.1 Энергия, необходимая для сжатия этой пружины в целях отжатия тормоза, обеспечивается и регулируется «органом управления», приводимым в действие водителем (определение см. в 2.4 настоящих Правил).
1.2 камера сжатия пружины: Камера, в которой фактически производится изменение давления, вызывающее сжатие пружины.
1.3 Если сжатие пружины достигается посредством вакуумного устройства, то под «давлением» в данном приложении следует понимать разрежение.
2.1 Система пружинного тормоза не должна использоваться в качестве системы рабочего тормоза. Однако в случае выхода из строя какого-либо элемента привода рабочего тормоза система пружинного тормоза может быть использована для достижения остаточной эффективности, предписанной в 5.2.1.4 настоящих Правил при условии, что водитель может осуществить это постепенно. Для механических транспортных средств, за исключением тягачей полуприцепов, которые отвечают требованиям 5.2.1.4.1 настоящих Правил, система пружинного тормоза не может быть единственным источником остаточного торможения. Использование вакуумных пружинных тормозов на прицепах не допускается.
2.2 Небольшое изменение давления, которое может наблюдаться в контуре питания камеры сжатия пружины, не должно вызывать значительного изменения тормозного усилия.
2.3 Система питания камеры сжатия пружин должна иметь либо собственный источник энергии, либо ее питание должно осуществляться, по крайней мере, из двух независимых источников энергии. Питающий трубопровод прицепа может быть подключен к этой питающей магистрали при условии, что падение давления в питающем трубопроводе прицепа не сможет привести к срабатыванию элементов пружинного тормоза. Энергия из питающей магистрали для элементов пружинного тормоза может подаваться на дополнительное оборудование только при условии, что его работа, даже в случае неисправности источника энергии, не приведет к тому, что запас энергии для элементов пружинного тормоза не уменьшится до такого уровня, при котором произойдет затормаживание. В любом случае в ходе восстановления давления в тормозной системе с нулевого уровня пружинный тормоз не должен отпускаться до тех пор, пока давление в системе рабочего тормоза не окажется достаточным для обеспечения минимальной предписанной эффективности аварийного торможения загруженного транспортного средства при использовании органа управления системой рабочего тормоза.
Аналогичным образом при приведении в действие пружинных тормозов растормаживание должно происходить лишь в том случае, если в системе рабочего тормоза имеется достаточное давление, которое, как минимум, обеспечивает предписанную остаточную эффективность торможения груженого транспортного средства путем приведения в действие устройства управления рабочим тормозом. Этот пункт не относится к прицепам.
2.4 Эта система на механическом транспортном средстве должна быть сконструирована таким образом, чтобы обеспечивалась возможность производить торможение и растормаживание не менее трех раз при первоначальном давлении в камере сжатия пружин, равном предусмотренному максимальному давлению.
В случае прицепов необходимо обеспечить возможность приведения в действие тормозов не менее трех раз после отсоединения прицепа при условии, что давление в питающем трубопроводе до отсоединения прицепа составляло 7,5 бара. Однако до проверки аварийный тормоз следует растормозить. Эти условия должны соблюдаться, когда тормоза отрегулированы с минимальным зазором. Кроме того, должна обеспечиваться возможность приведения в действие стояночного тормоза в соответствии с 5.2.2.10 настоящих Правил, когда прицеп находится в сцепке с тягачом.
2.5 Давление в камере сжатия механических транспортных средств, при котором пружины начинают приводить в действие тормоза, отрегулированные с минимальным зазором, не должно превышать 80 % минимального давления, необходимого для нормального функционирования.
Давление в камере сжатия прицепов, при котором пружины начинают приводить в действие тормоза, не должно превышать значения, полученного после четырехкратного полного приведения в действие системы рабочего тормоза, в соответствии с 1.3 раздела А приложения 7. Начальное давление должно составлять 7,0 бар.
2.6 В том случае, когда давление в питающем трубопроводе камеры сжатия пружины - кроме трубопровода дополнительного устройства растормаживания, работающего на жидкости под давлением, - опускается до уровня, начиная с которого приводятся в действие элементы тормоза, должно включаться визуальное или акустическое сигнальное устройство. Если это требование соблюдено, то сигнальное устройство может включать красный предупреждающих сигнал, указанный в 5.2.1.29.1.1 настоящих Правил. Это положение не применяется к прицепам.
2.7 Если механическое транспортное средство, которому разрешается буксировать прицеп с тормозной системой непрерывного или полунепрерывного действия, оборудовано пружинными тормозами, то действие этих пружинных тормозов должно автоматически приводить в действие тормоза буксируемого транспортного средства.
3.1 Пружинная тормозная система должна быть сконструирована таким образом, чтобы в случае неисправности этой системы имелась возможность для растормаживания тормозов. Это условие может быть удовлетворено при помощи вспомогательного устройства растормаживания (пневматического, механического и т. д.).
На дополнительные устройства растормаживания, использующие источник энергии для растормаживания, энергия должна подаваться из источника энергии, не зависимого от того, который обычно используется для срабатывания пружинной тормозной системы. Сжатый воздух или жидкость в гидравлической системе такого дополнительного устройства растормаживания может воздействовать на поверхность одного и того же поршня камеры сжатия пружины, обычно используемой в пружинной системе торможения, при условии, что в дополнительном устройстве растормаживания используется отдельный трубопровод. Место соединения этого трубопровода с обычным трубопроводом, соединяющим устройство управления с приводом пружинного тормоза, должно находиться на каждом приводе тормоза сразу же перед входным отверстием камеры сжатия пружин, если оно не является частью корпуса привода. Это соединение должно быть оснащено устройством, предотвращающим взаимодействие трубопроводов. К этому устройству также применяются требования 5.2.1.6 настоящих Правил.
3.1.1 В целях предписаний 3.1 к деталям, которые могут выйти из строя, не относятся элементы привода тормозов, которые в соответствии с 5.2.1.2.7 настоящих Правил не считаются деталями, которые могут разрушиться, при условии, что они выполнены из металла или другого материала с эквивалентными характеристиками и что они не подвергаются значительной деформации в ходе нормальной работы тормозов.
3.2 Если для приведения в действие устройства, упомянутого в 3.1, требуется какой-либо инструмент или ключ, они должны находиться в транспортном средстве.
система механической блокировки тормозных цилиндров - Устройство, обеспечивающее срабатывание системы стояночного тормоза путем механической блокировки штока поршня тормоза. Механическая блокировка обеспечивается за счет вытекания находящейся под давлением жидкости, заключенной в камере разблокировки; ее конструкция обеспечивает возможность разблокировки, когда в камере разблокировки вновь создается давление.
2.1 Если давление в камере блокировки приближается к уровню, соответствующему механической блокировке, должно включаться оптическое или акустическое сигнальное устройство. Настоящее предписание не применяется к прицепам. Для прицепов давление, соответствующее механической блокировке, не должно превышать 4 бар. Стояночный тормоз должен срабатывать после любого единичного отказа рабочей тормозной системы прицепа. Кроме того, должна обеспечиваться возможность производить растормаживание не менее трех раз после отцепки прицепа, если до отцепки давление в питающем трубопроводе составляло 6,5 бара. Это условие должно соблюдаться, когда тормоза отрегулированы с минимальным зазором. Должна также обеспечиваться возможность производить торможение и растормаживание системы стояночного тормоза в соответствии с требованиями 5.2.2.10 настоящих Правил, когда прицеп сцеплен с тягачом.
2.2 В случае цилиндров, оборудованных устройством механической блокировки, должна обеспечиваться возможность перемещения поршня тормоза при помощи двух независимых источников энергии.
2.3 Заблокированный тормозной цилиндр может быть разблокирован только в том случае, если вновь обеспечивается возможность приведения в действие тормоза после этой разблокировки.
2.4 В случае выхода из строя источника энергии, питающего камеру блокировки, должно предусматриваться вспомогательное устройство разблокировки (например, механическое или пневматическое, которое может использовать воздух, заключенный в шине транспортного средства).
2.5 Управление должно быть устроено таким образом, чтобы при приведении его в действие операции по торможению происходили в следующем порядке: приведение в действие тормозов с эффективностью, необходимой для стояночного торможения, блокировка тормозов в заторможенном положении и затем прекращение передачи усилия на тормоза.
2.6 В том случае, когда давление в камере блокировки приближается к уровню, соответствующему механической блокировке, должно включаться визуальное или акустическое сигнальное устройство. Если это требование соблюдено, то сигнальное устройство может состоять из красного предупреждающего огня, предусмотренного в 5.2.1.29.1.1 настоящих Правил. Это положение не применяется к прицепам.
2.7 Если механическое транспортное средство, которому разрешается буксировать прицеп с тормозной системой непрерывного или полунепрерывного действия, оборудовано пружинными тормозами, то действие этих пружинных тормозов должно автоматически приводить в действие тормоза буксируемого транспортного средства.
1.1 Транспортные средства категории М, N, O3 и O4, не оборудованные антиблокировочным устройством, определение которому дается в приложении 13, должны удовлетворять всем требованиям настоящего приложения. Если используется специальное устройство, оно должно срабатывать автоматически.
Однако транспортные средства, за исключением транспортных средств категории М1 которые оборудованы системой антиблокировки, описание которой приводится в приложении 13, должны также соответствовать требованиям разделов 7 и 8 настоящего приложения, если они, кроме того, оборудованы специальным автоматическим устройством распределения тормозного усилия между осями. В случае отказа этого устройства должна обеспечиваться возможность остановки транспортного средства, как указано в разделе 6 настоящего приложения.
1.2 Требования, относящиеся к диаграммам, указанным в 3.1.5, 3.1.6, 4.1, 5.1 и 5.2 настоящего приложения, применяются как к механическим транспортным средствам с пневматической управляющей магистралью в соответствии с 5.1.3.1.1 настоящих Правил, так и к механическим транспортным средствам с электрической управляющей магистралью в соответствии с 5.1.3.1.3 настоящих Правил. В обоих случаях исходная величина (абсцисса на диаграммах) будет представлять собой передаваемое давление в управляющей магистрали: для транспортных средств, оборудованных в соответствии с требованиями 5.1.3.1.1 настоящих Правил, такой величиной будет являться фактическое пневматическое давление в управляющей магистрали (рm); для транспортных средств, оборудованных в соответствии с требованиями 5.1.3.1.3 настоящих Правил, эта величина будет представлять собой давление, соответствующее передаваемой необходимой цифровой величине в электрической управляющей магистрали в соответствии с ISO/DIS 11992-96. Транспортные средства, оборудованные в соответствии с требованиями 5.1.3.1.2 настоящих Правил (с пневматической и электрической управляющими магистралями), должны соответствовать предписаниям диаграмм, относящимся к обеим управляющим магистралям. Однако наличия идентичных кривых характеристик торможения, относящихся к обеим управляющим магистралям, не требуется.
i - индекс оси (i = 1, передняя ось; i = 2, вторая ось и т. д.);
Рi - нормальная реакция дороги на ось i при статических условиях;
Ni - нормальная реакция дороги на ось i при торможении;
Тi - сила, передаваемая тормозами на ось / в условиях торможения на дороге;
fi- Тi / Ni - реализуемое сцепление оси 1);
J - замедление транспортного средства;
g - ускорение силы тяжести: g = 10 м/с 2;
z - коэффициент торможения транспортного средства; z = J/g2);
Р - масса транспортного средства;
h - высота центра тяжести, указанная заводом-изготовителем и принятая техническими службами, которые проводят испытание на официальное утверждение;
Е - расстояние между осями колес;
k - теоретический коэффициент сцепления между шинами и дорогой;
Кc - поправочный коэффициент для груженого полуприцепа;
Ку - поправочный коэффициент для порожнего полуприцепа;
Тм- суммарная сила торможения, приложенная к поверхности всех колес транспортного средства-тягача для прицепа;
1) Кривые реализуемого сцепления транспортного средства - кривые, характеризующие при определенных условиях нагрузки реализуемые сцепления каждой из осей / в зависимости от коэффициента торможения транспортного средства.
2) Для полуприцепов z представляет собой усилие торможения, разделенное на статический вес, приходящийся на ось (оси) полуприцепа.
Рм - полная статическая нагрузка, передаваемая на грунт всеми колесами транспортного средства-тягача для прицепа 1);
Рm - давление в тормозном трубопроводе, измеренное на головке сцепного устройства;
TR - суммарное тормозное усилие, приложенное к поверхности всех колес прицепа;
PR - полная статическая нагрузка, передаваемая на грунт всеми колесами прицепа 2);
РRmax - значение PR для максимальной массы полуприцепа;
ER - расстояние между шкворнем и центром оси (осей) полуприцепа;
hr - высота центра тяжести полуприцепа над уровнем грунта, указанная заводом-изготовителем и принятая техническими службами, которые проводят испытания на официальное утверждение.
3.1 Двухосные транспортные средства
3.1.1 Для значений к от 0,2 до 0,8 все категории транспортных средств должны удовлетворять соотношению 3)
Z ³ 0,10 + 0,85 (k - 0,20)
3.1.2 Для всех условий нагрузки транспортного средства средняя кривая реализуемого сцепления передней оси должна располагаться над кривой реализуемого сцепления задней оси:
3.1.2.1 для всех коэффициентов торможения в диапазоне 0,15-0,80 для транспортных средств категории М1.
Однако для всех транспортных средств этой категории, для которых значения находятся в диапазоне 0,30-0,45, допускается инверсия кривых реализуемого сцепления при условии, что кривая сцепления задней оси не выходит более чем на 0,05 за пределы прямой, соответствующей уравнению k - z (прямая равного сцепления, см. диаграмму 1А в настоящем приложении);
3.1.2.2 для всех коэффициентов торможения в диапазоне 0,15-0,50 для транспортных средств категории N14).
Это условие также считается выполненным, если для коэффициентов торможения в диапазоне 0,15-0,30 кривые реализуемого сцепления для каждой оси расположены между двумя прямыми, параллельными прямой идеально реализуемого сцепления, определяемой по формуле k = z ± 0,08, как показано на диаграмме 1С в настоящем приложении, на которой кривая реализуемого сцепления для задней оси может пересекать прямую к = z - 0,08 и для коэффициентов торможения в диапазоне 0,30-0,50 соответствует отношению z ³ k - 0,08, а для коэффициентов торможения в диапазоне 0,50-0,61 соответствует отношению z ³ 0,5k + 0,21;
1) В соответствии с 1.4.4.3 приложения 4
2) В соответствии с 1.4.4.3 приложения 4.
3) Требования 3.1.1 не касаются положений приложения 4 относительно предписанных характеристик торможения. Однако если при проверке, проводимой в соответствии с требованиями 3.1.1, будут достигнуты коэффициенты торможения, более высокие по отношению к коэффициентам, предписанным в приложении 4, то внутри зоны, обозначенной на каждой из диаграмм 1А, 1В и 1С и ограниченной прямыми к = 0,8 и z = 0,8, необходимо применять предписания, касающиеся кривых реализуемого сцепления.
4) Транспортное средство категории N,, коэффициент нагрузки которого на заднюю ось в груженом (порожнем) состоянии не превышает 1,5 или максимальная масса которого составляет менее 2 т, должно соответствовать требованиям 3.1.2.1 настоящего приложения для транспортных средств категории М, с 1 октября 1990 г.
3.1.2.3 для всех коэффициентов торможения в диапазоне 0,15-0,30 для транспортных средств всех других категорий. Это условие также считается выполненным, если для коэффициентов торможения в диапазоне 0,15-0,30 кривые реализуемого сцепления для каждой оси расположены между двумя прямыми, параллельными прямой продольного сцепления, определяемой по формуле k = z ± 0,08, как показано на диаграмме 1В в настоящем приложении, и если кривая реализуемого сцепления для коэффициентов торможения z ³ 0,3 удовлетворяет соотношению
z ³ 0,3 + 0,74 (k - 0,38).
3.1.3 Механическое транспортное средство, которому разрешается буксировать прицепы категории O3 или O4, оборудованные пневматическими тормозными системами.
3.1.3.1 При испытании с отключенным источником энергии, с перекрытым питающим трубопроводом и резервуаром вместимостью 0,5 л, подсоединенным к пневматической управляющей магистрали, а также при наличии системы регулирования давления давление на соединительных головках питающего трубопровода и пневматической управляющей магистрали при полном включении органа управления тормозом должно быть в пределах 6,5 и 8,5 бар, независимо от условий загрузки транспортного средства.
3.1.3.2 В случае транспортных средств, оборудованных электрической управляющей магистралью, полное включение органа управления системой рабочего тормоза должно обеспечить необходимое значение, соответствующее давлению в пределах 6,5 и 8,5 бар (см. ISO/DIS 11992-96).
3.1.3.3 Наличие этих значений давления должно подтверждаться для механического транспортного средства при отсоединенном прицепе. Совместимость диапазонов на диаграммах, указанных в 3.1.5, 3.1.6, 4.1, 5.1 и 5.2 настоящего приложения, не должна превышать 7,5 бара и/или соответствующей необходимой величины (см. ISO/DIS 11992-96).
3.1.3.4 Давление на соединительной головке питающего трубопровода в условиях, когда давление в системе соответствует давлению выключения, должно составлять 7 бар. Это давление должно достигаться без использования рабочего тормоза.
3.1.4 Для проверки выполнения предписаний, содержащихся в 3.1.1 и 3.1.2, предприятие-изготовитель должно представить кривые реализуемого сцепления для передней и задней оси, рассчитанные по формулам:
|
|
|
|
Кривые строятся для следующих двух условий нагрузки:
3.1.4.1 порожнее транспортное средство в снаряженном состоянии и с водителем; если транспортное средство представляет собой только шасси с кабиной, то на нем может быть размещен дополнительный груз, имитирующий массу кузова, не превышающую минимальную массу, указанную предприятием-изготовителем в приложении 2;
3.1.4.2 груженое транспортное средство. Если предусмотрено несколько вариантов распределения нагрузки, то в расчет принимается вариант, при котором передняя ось является наиболее загруженной.
3.1.4.3 В случае электромобилей, оснащенных электрической системой регенеративного торможения категории В - когда электрический потенциал регенеративного торможения зависит от степени заряженности, - кривые на диаграммах должны изображаться с учетом электрического элемента регенеративного торможения при минимальном и максимальном тормозном усилии. Это требование не применяется, если транспортное средство оснащено антиблокировочным устройством, контролирующим колеса, подсоединенные к электрической системе регенеративного торможения, и заменяется требованиями, приведенными в приложении 13.
3.1.5 Транспортные средства-тягачи, иные, чем транспортные средства-тягачи для полуприцепов.
3.1.5.1 В случае механического транспортного средства, которому разрешается буксировать прицепы категории O3 или O4, оснащенные тормозной системой, работающей на сжатом воздухе, допустимое соотношение между коэффициентом торможения Тм/Рм и давлением рт не должно выходить за пределы зон, изображенных на диаграмме 2 настоящего приложения для всех значений давления в пределах 0,2-7,5 бара.
3.1.6 Транспортные средства-тягачи для полуприцепов
3.1.6.1 Транспортные средства-тягачи с порожним полуприцепом. Тягач в снаряженном состоянии с водителем и порожним прицепом рассматривается в качестве порожнего состава транспортных средств. Динамическая нагрузка, передаваемая от полуприцепа на тягач, представляется статической массой Ps, приложенной к шкворню опорно-сцепного устройства, и принимается равной 15 % максимальной массы, действующей на опорно-сцепное устройство. Необходимо, чтобы усилия торможения, лежащие в пределах между усилием торможения для «транспортного средства-тягача с порожним полуприцепом» и усилием торможения для «одиночного транспортного средства-тягача», можно было регулировать и в этом случае; проверке подвергаются усилия торможения для «одиночного транспортного средства-тягача».
3.1.6.2 Транспортные средства-тягачи с груженым полуприцепом. Тягач в снаряженном состоянии с водителем и груженым полуприцепом рассматривается в качестве груженого состава транспортных средств. Динамическая нагрузка, передаваемая от полуприцепа на транспортное средство-тягач, представляется статической массой Ps, приложенной к шкворню опорно-сцепного устройства, и принимается равной:
Ps = Pso(1 + 0,45z)
где Pso - разница между максимальной массой груженого транспортного средства-тягача и его массой в порожнем состоянии.
Для h принимается величина
![]()
где h0 - высота центра масс транспортного средства-тягача;
hs - высота расположения плоскости опорно-сцепного устройства, на которое опирается полуприцеп;
Р0 - масса транспортного средства-тягача в порожнем состоянии
![]()
3.1.6.3 В случае транспортного средства, оснащенного тормозной системой, работающей на сжатом воздухе, допустимое соотношение между коэффициентом торможения Тм/Рм и давлением рт не должно выходить за пределы зон, изображенных на диаграмме 3 настоящего приложения для всех значений давления в пределах 0,2-7,5 бар.
3.2 Транспортные средства, имеющие более двух осей
На транспортные средства, имеющие более двух осей, распространяются требования 3.1 настоящего приложения. Требования 3.1.2 настоящего приложения в том, что касается порядка блокировки, считаются выполненными, если для коэффициентов торможения в диапазоне 0,15-0,30 реализуемое сцепление, по крайней мере, одной из передних осей выше реализуемого сцепления, по крайней мере, одной из задних осей.
4.1 Для полуприцепов, оснащенных системой пневматических тормозов:
4.1.1 Допустимое соотношение между коэффициентом торможения TR/PR и давлением рт не должно выходить за пределы двух зон, определенных на диаграммах 4А и 4В для всех значений давления в пределах 0,2-7,5 бара как в загруженном, так и в порожнем состоянии. Это предписание должно выполняться для всех допустимых условий нагрузки на осях полуприцепа.
4.1.2 Если требования 4.1.1 настоящего приложения не могут быть выполнены одновременно с требованиями 3.1.2.1 приложения 4 для полуприцепов, у которых коэффициент Кс меньше 0,80, то такой полуприцеп должен соответствовать минимальной тормозной эффективности, указанной в 3.1.2.1 приложения 4, и должен быть оборудован антиблокировочным устройством, соответствующим положениям приложения 13, исключая условия совместимости, указанные в разделе 1 настоящего приложения.
5.1 Полные прицепы, оборудованные пневматическими тормозными системами
5.1.1 Требования, указанные в 3.1 настоящего приложения, применяются к двухосным прицепам (исключая прицепы, у которых расстояние между осями составляет менее 2 м).
5.1.2 Полные прицепы, имеющие более двух осей, должны соответствовать требованиям 3.2 настоящего приложения.
5.1.3 Допустимое соотношение между коэффициентом торможения TR/PR и давлением рт не должно выходить за пределы указанных зон на диаграмме 2 настоящего приложения для всех значений давления в пределах 0,2-7,5 бара как в загруженном, так и в порожнем состоянии.
5.2 Прицепы с центрально расположенной осью, оборудованные пневматическими тормозными системами
5.2.1 Допустимое соотношение между коэффициентом торможения TR/PR и давлением рт не должно выходить за пределы двух зон, определенных на диаграмме 2 настоящего приложения посредством умножения значений по вертикальной шкале на 0,95. Это предписание должно выполняться для всех значений давления в пределах 0,2-7,5 бара как в загруженном, так и в порожнем состоянии.
5.2.2 Если требования 3.1.2.1 приложения 4 не могут быть выполнены в силу отсутствия сцепления, то прицеп с центрально расположенной осью должен быть оборудован антиблокировочным устройством в соответствии с положениями приложения 13.
Если условия настоящего приложения выполняются за счет использования специального устройства (например с механическим приводом от подвески транспортного средства), то в случае отказа этого устройства или его привода должна обеспечиваться, если речь идет о механическом транспортном средстве, возможность его остановки в условиях, предусмотренных для аварийного торможения; что касается механических транспортных средств, которые допущены к буксировке прицепов, оборудованных системой пневматических тормозов, то необходимо, чтобы на соединительной головке приводного трубопровода можно было обеспечить давление, расположенное в диапазоне значений, указанных в 3.1.3 настоящего приложения. Что касается прицепов и полуприцепов, то необходимо, чтобы в случае отказа привода специального устройства эффективность торможения составляла не менее 30 % эффективности, предписанной для рабочего тормоза.
7.1 На транспортных средствах, за исключением относящихся к категории М,, для которых предписания настоящего приложения выполняются за счет устройств с механическим приводом от подвески транспортного средства, должны иметься отметки, обозначающие длину рабочего хода устройства между положениями, соответствующими порожнему и груженому состоянию транспортного средства, а также дополнительная информация, которая позволяет проверить регулировку этого устройства.
7.1.1 Если устройство распределения тормозного усилия в зависимости от нагрузки управляется через подвеску транспортного средства с помощью каких-либо иных средств, то на транспортном средстве должна быть маркировка, содержащая информацию, которая позволяет проверять регулировку этого устройства.
7.2 Если требования настоящего приложения выполняются за счет устройства, которое модулирует давление воздуха в тормозном приводе, то на транспортном средстве должна указываться нагрузка на ось, номинальное давление на выходе устройства и давление на входе, равное не менее 80 % номинального максимального давления на входе, указанного предприятием - изготовителем транспортного средства для следующих состояний нагрузки:
7.2.1 технически допустимая максимальная нагрузка на ось или оси, управляющие устройством;
7.2.2 нагрузка на ось или оси, соответствующая порожней массе транспортного средства без груза в снаряженном состоянии, указанной в разделе 13 приложения 2;
7.2.3 нагрузка на ось или оси, приблизительно соответствующая массе транспортного средства в снаряженном состоянии с кузовом, которым оно должно быть оснащено, если нагрузка на ось или оси, указанная в 7.2.2 настоящего приложения, соответствует ходовой части транспортного средства с кабиной;
7.2.4 нагрузка на ось или оси, указанная предприятием - изготовителем для проверки регулировки устройства в эксплуатационных условиях, если эта нагрузка отличается от нагрузки, указанной в 7.2.1-7.2.3 настоящего приложения.
7.3 В 14.7 приложения 2 должна содержаться информация, необходимая для проверки выполнения требований 7.1 и 7.2 настоящего приложения.
7.4 Надписи, упомянутые в 7.1 и 7.2 настоящего приложения, должны быть нестираемыми и проставляться на видном месте. Пример такой надписи для устройства с механическим приводом на транспортном средстве, оборудованном пневматической тормозной системой, дан на диаграмме 5.
7.5 Электронные системы распределения тормозного усилия, которые не соответствуют требованиям 7.1, 7.2, 7.3 и 7.4, должны располагать процедурой самопроверки функций, которые влияют на распределение тормозного усилия.
8.1 На тормозных системах, оснащенных устройствами, указанными в 7.2 настоящего приложения, как можно ближе к входу и выходу и в легко доступных местах воздухопровода устройства должны устанавливаться клапаны контрольного вывода. Клапан контрольного вывода на выходе можно не устанавливать, если давление в этой точке может быть измерено при помощи другого клапана контрольного вывода, предписанного в 4.1 приложения 6.
8.2 Клапаны контрольного вывода для проведения испытания должны соответствовать требованиям раздела 4 ИСО 3583-84.
При официальном утверждении транспортного средства техническая служба, уполномоченная проводить испытания, должна провести проверки и, в соответствующих случаях, дополнительные испытания, которые она сочтет необходимыми для того, чтобы удостовериться в том, что предписания настоящего добавления выполняются. К карточке официального утверждения должен быть приложен протокол о проведении дополнительных испытаний.
Транспортные средства категории М,
(и некоторые транспортные средства категории N, после 1 октября 1990 г.)
(см. 3.1.2.1 настоящего приложения)

Механические транспортные средства, за исключением транспортных средств категорий М, и N,
(см. 3.1.2.3 настоящего приложения)

Примечание- Нижняя граница коридора k = z - 0,08 не применима к реализации сцепления задней оси.
Транспортные средства категории N,
(с некоторыми исключениями после 1 октября 1990 г.)
(см. 3.1.2.2 настоящего приложения)

Примечание- Нижняя граница коридора k = z - 0,08 не применима к реализации сцепления задней оси.
Транспортные
средства-тягачи и прицепы
за исключением транспортных средств-тягачей для полуприцепов и полуприцепов)
(см. 3.1.5.1 настоящего приложения)

Примечание - Соотношения, обусловленные данной диаграммой, должны быть пропорциональны промежуточным условиям нагрузки в диапазоне, соответствующем порожнему и груженому состоянию, и достигаться с помощью автоматических средств.
(см. 3.1.6 настоящего приложения)

Примечание - Соотношения, обусловленные данной диаграммой, должны быть пропорциональны промежуточным условиям нагрузки в диапазоне, соответствующем порожнему и груженому состоянию, и достигаться с помощью автоматических средств.
(см. 4 настоящего приложения)

Примечание - Соотношение между коэффициентом торможения (TR/PR) и давлением в приводном трубопроводе для условий, соответствующих груженому и порожнему состоянию, определяется следующим образом:
коэффициенты Кс (в груженом состоянии) и Ку (в порожнем состоянии) определяются по диаграмме 4В. Для определения зон, соответствующих груженому и порожнему состоянию, значения ординат, соответствующих верхнему и нижнему пределу заштрихованной зоны диаграммы 4А, следует соответственно умножить на коэффициенты Кc, и Кν
(см. п. 4 и диаграмму 4А настоящего приложения)

Пояснение относительно пользования диаграммой 4В
1 Формула, по которой строится диаграмма 4В:

2 Описание способа пользования с помощью конкретного примера
2.1 Штриховые линии на диаграмме 4В проведены с целью определения коэффициентов Кс и Kν для транспортного средства, для которого:
|
Параметр |
В груженом состоянии |
В порожнем состоянии |
|
Р |
24 т (240 кН) |
4,2 т (42 кН) |
|
РR |
150 кН |
30 кН |
|
PRmax |
150 кН |
150 кН |
|
hR |
1,8 м |
1,4м |
|
ЕR |
6,0 м |
6,0 м |
В нижеприведенных пунктах цифры, взятые в скобки, относятся лишь к транспортному средству, использованному в качестве примера, показывающего, как пользоваться диаграммой 4В.
2.2 Расчет соотношений
(a)
в гружёном состоянии
(=1,6);
(b)
в порожнем состоянии
(=1,4);
(с)
в порожнем состоянии
(=0,2);
2.3 Определение поправочного коэффициента К(,, соответствующего груженому состоянию:
a) Найти соответствующее значение hR (hR = 1,8 м).
b) Провести горизонтальную прямую до пересечения с соответствующей линией g•P/PR (g P/PR = 1.6).
c) Из точки пересечения провести вертикальную прямую до пересечения с линией ER (ER = 6,0 м).
d) Из точки пересечения провести горизонтальную прямую до линии Кс; точка пересечения даст требуемое значение поправочного коэффициента Кс , соответствующего определенному условию нагрузки (Кс= 1,04 м).
2.4 Определение поправочного коэффициента Ку, соответствующего порожнему состоянию
2.4.1 Определение коэффициента К2
a) Найти соответствующее значение hR (hR = 1,4 м).
b) Провести горизонтальную прямую до пересечения с соответствующей линией PR /PR max , принадлежащей к семейству кривых, расположенных наиболее близко к вертикальной оси (PR /PR max = 0,2).
c) Провести вертикальную прямую до пересечения с горизонтальной осью и снять значение К2 (К2 = 0,13м).
2.4.2 Определение коэффициента К1,
a) Найти соответствующее значение hR (hR = 1,4 м).
b) Провести горизонтальную прямую до пересечени с соответствующей линией g•P/PR (g P/PR= 1,4).
c) Из точки пересечения провести вертикальную прямую до пересечения с соответствующей линией ER (ER = 6,0 м).
d) Провести горизонтальную прямую до пересечения с соответствующей линией PR /PR max, принадлежащеи к семейству линии, наиболее удаленных от вертикальной оси (PR /PR max = 0,2).
e) Из точки пересечения провести вертикальную прямую до пересечения с горизонтальной осью и снять значение К1 (К1= 1,79).
2.4.3 Определение коэффициента Кν
Поправочный коэффициент Кν, соответствующий порожнему состоянию, определяется по следующей формуле
Кν = К1 - К2 (Кν =1,66).
(см. п. 7.4 настоящего приложения)
|
Контрольные данные |
Загрузка транспортного средства |
Ось № 2 - нагрузка в эксплуатационных условиях, кг |
Давление на входе, бар |
Номинальное давление на выходе, бар |
||
|
F = 100 мм L = 150 мм |
|
C нагрузкой |
С нагрузкой Без нагрузки |
10000 1500 |
6 6 |
6 2,4 |
|
Без нагрузки |
||||||
1 Нет необходимости в проведении испытаний типов I и/или II (или II А), или III на транспортном средстве, представленном для официального утверждения, в следующих случаях:
1.1 рассматриваемое транспортное средство является механическим транспортным средством или прицепом, которое в отношении шин, поглощаемой энергии торможения, приходящейся на ось, и способа установки шины и тормоза является идентичным с точки зрения торможения механическому транспортному средству или прицепу:
1.1.1 которое выдержало испытания типов I и/или II (или IIА), или III;
1.1.2 которое было официально утверждено в отношении поглощаемой энергии торможения при нагрузках на ось, превышающих или равных этой характеристике рассматриваемого транспортного средства.
1.2 Рассматриваемое транспортное средство является механическим транспортным средством, прицепом или полуприцепом, ось или оси которого в отношении шин, поглощаемой энергии торможения, приходящейся на ось, и способа установки шин и тормоза идентичны с точки зрения торможения оси или осям, выдержавшим в индивидуальном порядке испытания типов I и/или II (или IIА), или III при нагрузках на ось, превышающих или равных нагрузкам на ось рассматриваемого транспортного средства, и при условии, что поглощаемая осью энергия торможения не превышает поглощаемую осью энергию при испытании или испытаниях изолированной исходной оси.
1.3 Рассматриваемое транспортное средство оборудовано износостойкой тормозной системой (исключая торможение двигателем), идентичной износостойкой тормозной системе, уже прошедшей контроль при следующих условиях:
1.3.1 эта износостойкая тормозная система самостоятельно стабилизировала при испытании, проведенном на спуске с уклоном не менее 6 % (испытание типа II) или не менее 7 % (испытание типа IIА), транспортное средство, максимальная масса которого при испытании, по меньшей мере, равна максимальной массе подлежащего официальному утверждению транспортного средства;
1.3.2 при проведении указанного испытания должна производиться проверка того, что число оборотов вращающихся частей износостойкой тормозной системы, когда скорость подлежащего утверждению транспортного средства доведена до 30 км/ч, таково, что замедляющий момент равен, по меньшей мере, моменту, соответствующему испытанию, предусмотренному в 1.3.1.
1.4 Рассматриваемое транспортное средство является прицепом или полуприцепом, оборудованным пневматическими тормозами с кулачком S-образной формы1), удовлетворяющими требованиям, приведенным в дополнении 2 к настоящему приложению в отношении контрольного сопоставления его характеристик с характеристиками, указанными в образце протокола проверки базовой оси, содержащемся в дополнении 3.
2 Термин «идентичный», употребляемый в 1.1, 1.2 и 1.3, означает идентичность с точки зрения геометрических и механических характеристик, а также материалов, из которых изготовлены элементы транспортного средства, предусмотренные в этих пунктах.
3 При применении указанных требований сообщение, касающееся официального утверждения (приложение 2), должно включать следующие данные:
3.1 в случае 1.1 указывают номер официального утверждения транспортного средства, на котором проводились испытания типов I и/или II (или II А), или III, который служит в качестве справочного;
3.2 в случае 1.2 следует заполнять таблицу I дополнения 1;
3.3 в случае 1.3 следует заполнять таблицу II дополнения 1;
3.4 в случае применения 1.4 следует заполнять таблицу III дополнения 1.
4 Если податель заявки на официальное утверждение в стране, которая является Стороной Соглашения, ссылается на официальное утверждение, предоставленное в другой стране, которая является Стороной Соглашения, то он должен представить документацию в отношении этого официального утверждения.
1) По представлению соответствующей информации могут утверждаться тормоза других конструкций.
Таблицы I, II и III
|
Номер оси |
Оси транспортного средства |
|
Базовые оси |
|
||
|
Масса, приходящаяся на ось1), кг |
Необходимое тормозное усилие для колес, Н |
Скорость, км/ч |
Нагрузка на ось1), кг |
Тормозное усилие, передаваемое на колеса, Н |
Скорость, км/ч |
|
|
1 |
|
|
|
|
|
|
|
2 |
|
|
|
|
|
|
|
3 |
|
|
|
|
|
|
|
4 |
|
|
|
|
|
|
|
1) Максимальная техническая допустимая масса, приходящаяся на ось |
||||||
|
Общая масса транспортного средства, представленного на официальное утверждение_______________________________________________ |
(кг) |
|
Необходимое тормозное усилие для колес__________________________________________________________________________________ |
(Н) |
|
Замедляющий момент, необходимый для главного вала замедлителя_____________________________________________________________ |
(Н-м) |
|
Замедляющий момент, получаемый на главном валу замедлителя (по диаграмме)__________________________________________________ |
(Н-м) |
|
Эталонная ось___________________ |
Протокол №_________ |
Дата_________________ (экземпляр прилагается) |
||
|
|
Тип I |
Тип II |
||
|
Поглощаемая энергия торможения, приходящаяся на ось (Н) (см. 4.2.1 дополнения 2): |
|
|
||
|
ось 1 ось 2 ось 3 |
T1 = ________% Pe T2 = ________% Pe T3 = ________% Pe |
T1 = ________% Pe T2 = ________% Pe T3 = ________% Pe |
||
|
Предусмотренный ход привода (мм) (см. 4.3.2 дополнения 2): |
|
|
||
|
ось 1 ось 2 ось 3 |
s1 = ________ s2 = ________ s3 = ________ |
s1 = ________ s2 = ________ s3 = ________ |
||
|
Среднее тяговое усилие (Н) (см. 4.3.3 дополнения 2): |
|
|
||
|
ось 1 ось 2 ось 3 |
ThA1 = ________ ThA2 = ________ ThA3 = ________ |
ThA1 = ________ ThA2 = ________ ThA3 = ________ |
||
|
Эффективность торможения (Н) (см. 4.3.5 дополнения 2): |
|
|
||
|
ось 1 ось 2 ось3 |
TA1 = ________ TA2 = ________ TA3 = ________ |
TA1 = ________ TA2 = ________ TA3 = ________ |
||
|
Эффективность торможения транспортного средства (см. 4.3.6 дополнения 2) |
Тип 0 результаты испытания прицепа (E) |
Тип I нагретый тормоз (предусмотренная) |
Тип III нагретый тормоз (предусмотренная) |
|
|
|
|
|
||
|
Требования в отношении эффективности нагретых тормозов (см. 1.5.3, 1.6.3 и 1.7.2 приложения 4) |
|
³ 0,36 и ³ 0,60 Е |
³ 0,40 и ³ 0,60 Е |
|
1.1 В соответствии с 1.4 настоящего приложения при проведении испытаний на официальное утверждение типа транспортного средства можно отказаться от проведения испытаний типа I или типа III на потерю эффективности при условии, что узлы и агрегаты тормозной системы удовлетворяют требованиям настоящего дополнения, а конечные расчетные показатели эффективности торможения соответствуют требованиям настоящего стандарта для соответствующей категории транспортных средств.
1.2 Испытания, проводимые в соответствии с приведенными в настоящем дополнении способами, рассматривают как соответствующие указанным требованиям.
Примечание - Обозначения, принятые для базового тормоза, имеют знак е.
Р - статистическая нагрузка на ось;
С- крутящий момент на распределительном валу;
Сmax - технический допустимый максимальный крутящий момент на распределительном валу;
С0 - минимальный полезный крутящий момент на распределительном валу, т. е. минимальный крутящий момент на распределительном валу, необходимый для получения тормозного момента, который может быть измерен;
R - радиус качения шины (динамический);
Т - тормозное усилие в точке взаимодействия шины с дорожным покрытием;
М - тормозной момент, равный TR;
z - тормозной коэффициент, равный Т/Р или M/RP;
s - ход привода (рабочий ход плюс свободный ход);
sр - полезный ход: полезным ходом привода является такой ход, при котором усилие на выходе составляет 90 % среднего усилия (ThA);
ThA - среднее усилие: среднее усилие определяется интегрированием величин, полученных между одной третью и двумя третями общего хода (smax):
l - длина рычага;
r - радиус тормозного барабана;
р - давление срабатывания тормоза.

3.1 Трековые испытания
3.1.1 Предпочтительно проведение испытаний эффективности торможения только одиночной оси.
3.1.2 Результаты испытаний комбинированных осей могут быть использованы в соответствии с 1.1 настоящего приложения при условии, что во время испытаний на эффективность торможения и на остаточную эффективность торможения на каждую ось приходится одинаковая энергия торможения. 3.1.2.1 Это условие выполняется, если для каждой оси идентичны: геометрическая схема тормоза, тормозные накладки, монтаж колес, шины, система привода и распределение давления в приводном механизме.
3.1.2.2 Заносимым в протокол результатом испытания комбинированных осей является среднее арифметическое числа осей, как при испытании одиночной оси.
3.1.3 Предпочтительно, чтобы на ось или оси действовала максимальная статистическая нагрузка, хотя это условие не обязательно, если во время проведения испытания надлежащим образом учитывается различие в сопротивлении качению, вызванное различной нагрузкой на испытываемую ось или оси.
3.1.4 Следует делать корректировку на увеличение сопротивления качению, обусловленное использованием при проведении испытания состава транспортных средств.
3.1.5 При проведении испытаний на эффективность начальная скорость должна соответствовать предписанной. Конечную скорость рассчитывают по формуле
![]()
где V1 - начальная скорость, км/ч;
V2 - конечная скорость, км/ч;
Р0 - масса транспортного средства-тягача, кг;
Р1 - масса нетормозной оси, кг;
Р2 - масса тормозной оси, кг.
3.2 Испытания на инерционном динамометрическом стенде
3.2.1 Испытательный стенд должен обеспечивать достижение инерции вращения, воспроизводящей ту часть линейной инерции массы транспортного средства, действующей на одно колесо, которая необходима для испытания эффективности холодных и горячих тормозов, и возможность работы на постоянной скорости в целях проведения испытаний, указанных в 3.5.2 и 3.5.3.
3.2.2 Испытание должно проводиться на колесе в сборе с шиной, установленном на движущейся части тормоза таким образом, как оно обычно устанавливается на транспортном средстве. Инерционная масса может быть связана с тормозом или непосредственно, или через шины и колеса.
3.2.3 Во время цикла разогрева может использоваться воздушное охлаждение, при этом скорость и направление воздушного потока должны быть такими, чтобы воссоздать реальные условия. Скорость воздушного потока не должна превышать 10 км/ч, температура охлаждающего воздуха должна соответствовать температуре окружающей среды.
3.3 Динамометрические испытания на барабанном стенде
3.3.1 Предпочтительно, чтобы на ось действовала максимальная статическая нагрузка, хотя это необязательно при условии, что во время испытаний надлежащим образом учитываются различия в сопротивлении качению, вызванные разной нагрузкой на испытуемую ось.
3.3.2 Во время цикла разогрева может использоваться воздушное охлаждение, при этом скорость и направление воздушного потока должны быть такими, чтобы воссоздать реальные условия. Скорость воздушного потока не должна превышать 10 км/ч, температура охлаждающего воздуха должна соответствовать температуре окружающей среды.
3.3.3 Время торможения должно составлять 1 с после максимального времени подъема давления, равного 0,6 с.
3.4 Условия проведения испытаний
3.4.1 Тормоза, которые подвергаются испытаниям, должны быть оборудованы таким образом, чтобы можно было получить следующие данные:
3.4.1.1 непрерывную запись в целях определения тормозного момента или усилия на окружности шины;
3.4.1.2 непрерывную запись давления воздуха в тормозном приводе;
3.4.1.3 скорость транспортного средства в ходе испытаний;
3.4.1.4 первоначальную температуру внешней поверхности тормозного барабана;
3.4.1.5 ход тормозного привода, используемый при испытаниях типа 0, типа I или типа III.
3.5 Методы проведения испытаний
3.5.1 Испытания эффективности холодных тормозов
3.5.1.1 Это испытание проводится на начальной скорости, эквивалентной 40 км/ч при испытании типа I и 60 км/ч - при испытании типа III, для оценки эффективности нагретых тормозов в конце испытаний типов I и III.
3.5.1.2 Тормоз приводится в действие три раза, причем давление (р) должно быть одинаковым, начальная скорость должна составлять 40 км/ч (в случае испытания типа I) или 60 км/ч (в случае испытания типа III), а начальная температура тормоза, измеряемая на внешней поверхности барабанов, должна быть приблизительно одинаковой и не превышать 100ºС. Тормоз приводится в действие при давлении в тормозном приводе, необходимом для создания тормозного момента или усилия, эквивалентного, по крайней мере, 50 % коэффициента торможения (z). Давление в тормозном приводе не должно превышать 6,5 бар, крутящий момент (Сmax), передаваемый на распределительный вал, не должен превышать технически допустимого максимального крутящего момента (Сmах), передаваемого на распределительный вал. В качестве результата испытания эффективности холодных тормозов принимают среднее значение результатов трех испытаний.
3.5.2 Испытание на потерю эффективности (испытание типа I).
3.5.2.1 Данное испытание проводят на скорости 40 км/ч при первоначальной температуре тормозов, измеренной на внешней поверхности тормозного барабана, не превышающей 100 °С.
3.5.2.2 Коэффициент торможения поддерживается на уровне 7 % с учетом сопротивления качению (см. 3.2.4 настоящего дополнения).
3.5.2.3 Продолжительность испытания составляет 2 мин 33 с или 1,7 км при скорости 40 км/ч. Если скорость испытания не может быть достигнута за указанный промежуток времени, продолжительность испытания может быть увеличина в соответствии с 1.5.2.2 приложения 4.
3.5.2.4 Не позднее чем через 60 с после окончания испытания типа I в соответствии с 1.5.3 приложения 4, проводят испытание на эффективность горячих тормозов при начальной скорости 40 км/ч. Давление в тормозном приводе должно быть равно давлению при испытании типа 0.
3.5.3 Испытание на потерю эффективности (испытание типа III) 3.5.3.1 Методы испытания для повторного торможения
3.5.3.1.1 Испытания на треке (см. 1.7 приложения 4)
3.5.3.1.2 Испытание на инерционном динамометрическом стенде
Для стендовых испытаний (3.2 дополнения 2 к приложению 11) условия могут быть аналогичны условиям дорожных испытаний, которые проводятся в соответствии с 1.7.1, причем
![]()
3.5.3.1.3 Испытание на динамометрическом стенде с барабанами
Для стендовых испытаний (3.3 дополнения 2 к приложению 11) должны соблюдаться следующие условия:
|
количество нажатий на тормоз - продолжительность цикла торможения (продолжительность торможения 25 с и время восстановления 35 с) - скорость испытания - коэффициент торможения - сопротивление качению - |
20; 60 с; 30 км/ч; 0,06; 0,01. |
3.5.3.2 Не позднее чем через 60 с после окончания испытания типа III проводят испытание эффективности нагретых тормозов в соответствии с 1.7.2 приложения 4. Давление в тормозном приводе должно соответствовать тому давлению, которое поддерживается в ходе испытания типа 0.
3.6 Протокол испытания
3.6.1 Результаты испытаний, проведенных в соответствии с 3.5 настоящего дополнения, заносят в протокол, образец которого содержится в дополнении 3 к настоящему приложению.
3.6.2 Тормоз и ось должны быть соответствующим образом идентифицированы. На оси обозначаются данные, относящиеся к тормозам, оси, технически допустимой нагрузке и номеру соответствующего протокола испытаний.
4.1 Проверка элементов тормозной системы
Для официального утверждения типа транспортного средства проверяется соответствие технических характеристик его тормозной системы нижеследующим конструктивным данным:
|
Элементы и параметры |
Критерии |
||
|
4.1.1 |
а) b) с) |
Цилиндрическая секция тормозного барабана Материал тормозного барабана Масса тормозного барабана |
Изменения не допускаются Изменения не допускаются Допустимо увеличение до +20 % массы базового барабана |
|
4.1.2 |
а) b) |
Расстояние от колеса до внешней поверхности тормозного барабана (размера Е) Часть тормозного барабана, выступающая из колеса (размер F) |
Допуски определяются технической службой, проводящей испытания для официального утверждения |
|
4.1.3 |
|
а) Материал тормозной накладки b) Ширина тормозной накладки Изменения не допускаются c) Толщина тормозной накладки d) Фактическая площадь поверхности тормозной накладки e) Способ крепления тормозной накладки |
Изменения не допускаются |
|
4.1.4 |
|
Геометрическая схема тормоза в соответствии с рисунком 2 дополнения 3 |
Изменения не допускаются |
|
4.1.5 |
|
Радиус (R) качения |
Изменения допускаются при условии соблюдения требований 4.3.5 настоящего дополнения |
|
4.1.6 |
|
а) Усилие на приводе (ThA ) b) Ход привода (s) - c) Длина рычага привода (l) d) Давление привода (р) |
Изменения допускаются при условии соответствия предусмотренных характеристик требованиям 4.3 настоящего дополнения |
|
4.1.7 |
|
Статистическая нагрузка на ось Р |
Р не должно превышать Ре (см. раздел 2) |
4.2 Проверка поглощаемой энергии торможения
4.2.1 Силы торможения (7) для каждого испытательного тормоза (при одинаковом давлении рт в трубопроводе управления), необходимые для достижения тормозного усилия, указанного для условий испытания типов I и III, не должны превышать, как указано в 2.1 и 2.2 дополнения 3 к приложению 11, величины Те, которые используются в качестве базовых при испытании эталонного тормоза.
4.3 Проверка остаточной эффективности
4.3.1 Тормозное усилие (Т) каждого тормоза при заданном давлении в приводах (р) и в трубопроводе управления ( рт) в ходе проведения испытания типа 0 для данного прицепа определяется с помощью следующих методов:
4.3.1.1 Предусмотренный ход (s) привода тормоза определяется следующим образом:
![]()
Эта величина не должна превышать s .
4.3.1.2 Измеряют среднее усилие на выходе (ThA) в установленном на испытываемом тормозе приводе при давлении, указанном в 4.3.1.
4.3.1.3 При этом крутящий момент (C, подводимый к кулачковому валу, определяют по формуле
C = ThA·1
С не должно превышать Сmах.
4.3.1.4 Предполагаемая эффективность торможения для данного тормоза определяется по формуле
![]()
R должно быть не менее 0,8 R
4.3.2 Предполагаемая эффективность торможения для данного прицепа определяется выражением
![]()
4.3.3 Эффективность нагретых тормозов после проведения испытаний типа I или типа III следует определять в соответствии с 4.3.1.1 - 4.3.1.4. Соответствующие расчетные величины, определенные по формуле, содержащейся в 4.3.2, должны соответствовать требованиям настоящих Правил применительно к данному прицепу. Величина, используемая в качестве величины, установленной в ходе испытания типа 0, предписанного в 1.5.3 или 1.7.2 приложения 4, должна соответствовать величине, установленной при испытании типа 0 прицепа.
(к приложению 11)
|
|
1 Идентификация |
|
|||||||||||||||||
|
|
1.1 Ось: |
|
|||||||||||||||||
|
|
Предприятие-изготовитель (название и адрес) |
|
|||||||||||||||||
|
|
Марка |
|
|||||||||||||||||
|
|
Тип |
|
|||||||||||||||||
|
|
Модель |
|
|||||||||||||||||
|
|
Техническая допустимая нагрузка на осьдаН |
|
|||||||||||||||||
|
|
1.2 Тормоза |
|
|||||||||||||||||
|
|
Предприятие-изготовитель (название и адрес) |
|
|||||||||||||||||
|
|
Марка |
|
|||||||||||||||||
|
|
Тип |
|
|||||||||||||||||
|
|
Модель |
|
|||||||||||||||||
|
|
Технически допустимый крутящий момент Стш на кулачковом валу |
|
|||||||||||||||||
|
|
Тормозной барабан: |
|
|||||||||||||||||
|
|
Внутренний диаметр |
|
|||||||||||||||||
|
|
Масса |
|
|||||||||||||||||
|
|
Материал (приложить чертеж с указанием размеров, как на рисунке 1 настоящего дополнения) |
|
|||||||||||||||||
|
|
Тормозная накладка: |
|
|||||||||||||||||
|
|
Предприятие-изготовитель |
|
|||||||||||||||||
|
|
Тип |
|
|||||||||||||||||
|
|
Маркировка (должна быть видна, когда накладка установлена на тормозном башмаке) |
|
|||||||||||||||||
|
|
Ширина |
|
|||||||||||||||||
|
|
Толщина |
|
|||||||||||||||||
|
|
Площадь поверхности |
|
|||||||||||||||||
|
|
Способ крепления |
|
|||||||||||||||||
|
|
Геометрическая схема тормоза (приложить чертеж с указанием размеров, как на рисунке 2 настоящего дополнения) |
||||||||||||||||||
|
|
|
||||||||||||||||||
|
|
1.3 Колесо (колеса) |
|
|||||||||||||||||
|
|
Одиночное/сдвоенное 1). |
|
|||||||||||||||||
|
|
Диаметр обода (D) |
|
|||||||||||||||||
|
|
(приложить чертеж с указанием размеров, как на рисунке 1 настоящего дополнения) |
|
|||||||||||||||||
|
|
1.4 Шины |
|
|||||||||||||||||
|
|
Базовый радиус (Л.) качения при исходной нагрузке (Ре) |
|
|||||||||||||||||
|
|
1.5 Система приводов |
|
|||||||||||||||||
|
|
Предприятие-изготовитель |
|
|||||||||||||||||
|
|
Тип (цилиндр/диафрагма 1) |
|
|||||||||||||||||
|
|
Модель |
|
|||||||||||||||||
|
|
Длина рычага (le) |
|
|||||||||||||||||
1) Ненужное вычеркнуть.
2 Регистрация результатов испытания 1)
(с учетом поправок на сопротивление качению -> 0,01 Р )
2.1 Для транспортных средств категорий О2 и О3 •
|
Тип испытания |
0 3.5.1.2 |
1 |
|
|
Приложение 11, дополнение 2, пункт: |
3.5.2.2/3 |
3.5.2.4 |
|
|
Скорость испытания, км/ч |
40 |
40 |
40 |
|
Давление в тормозном приводе Ре, бар |
|
- |
- |
|
Время торможения, мин |
- |
2,55 |
- |
|
Развиваемое тормозное усилие Те, Н |
|
|
|
|
Коэффициент торможения Те /9,81 Ре, - |
|
|
|
|
Ход привода sе мм |
|
- |
|
|
Крутящий момент Се Н • м |
|
- |
|
|
Крутящий момент на распределительном валу Сое, Н-м |
|
- |
|
2.2 Для транспортных средств категории О4:
|
Тип испытания |
0 |
III |
|
|
Приложение 11, дополнение 2, пункт: |
3.5.1.2 |
3.5.3.1 |
3.5.3.2 |
|
Скорость испытания начальная, км/ч |
60 |
|
60 |
|
конечная, км/ч |
|
|
|
|
Давление в тормозном приводе Рс, бар |
|
- |
|
|
Количество нажатий на тормоз - |
- |
20 |
- |
|
Продолжительность тормозного цикла, с |
- |
60 |
- |
|
Развиваемое тормозное усилие Тс Н |
|
|
|
|
Коэффициент торможения Тс/9,81 Рс - |
|
|
|
|
Ход привода sс, мм |
|
- |
|
|
Крутящий момент Сс Н-м |
|
- |
|
|
Крутящий момент на распределительном валу Сос, Н-м |
|
- |
|
3 Название технической службы, проводящей испытание:
4 Дата проведения испытания:
5 Испытание проведено, и результаты представлены в соответствии с Правилами ЕЭК ООН № 13 (пункт 4 и дополнение 2 к приложению 11).
ПОДПИСЬ________________________________________________________
ДАТА ____________________________________________________________
1)Испытание на треке/испытание на инерционном динамометрическом стенде/испытание на барабанном динамометрическом стенде (ненужное вычеркнуть).

|
Ширина барабана Xе |
Реакция Ре |
Шина |
Обод |
Ве, ММ |
Rе мм |
Dе, мм |
Ее мм |
Fе мм |
|
|
|
|
|
|
|
|
|
|
|
Рисунок 1 |
||||||||

Fe - полезная тормозная поверхность тормоза, см2;
l - возможная переменная длина, мм
|
Тип тормоза |
ае |
hе |
cе |
de |
eе |
α0 |
α1 |
bе |
rе |
Fе |
s1e |
s2е |
s3е |
|
|
|
|
|
|
|
|
|
|
|
|
|
|
|
Рисунок 2 - Геометрическая схема тормоза
1.1 Инерционная тормозная система прицепа состоит из устройства управления, привода и колесных тормозов (далее - тормозов).
1.2 Устройство управления представляет собой совокупность совместно действующих элементов, связанных с тяговым устройством (соединительная головка).
1.3 Привод представляет собой совокупность элементов, заключенных между соединительной головкой и оконечностью тормоза.
1.4 Тормоз - элемент, в котором развиваются силы, препятствующие движению транспортного средства. Часть, являющаяся оконечностью тормоза, представляет собой либо рычаг, действующий на тормозной кулак или на аналогичные элементы (инерционные тормоза с механическим приводом), либо тормозной цилиндр (инерционные тормоза с гидравлическим приводом).
1.5 Тормозные системы, в которых аккумулируемая энергия (например электрическая, пневматическая или гидравлическая) передается к прицепу транспортным средством-тягачом и регулируется только усилием на сцепке, не являются инерционными тормозными устройствами по требованию настоящих Правил.
1.6 Испытания
1.6.1 Определение основных элементов тормоза.
1.6.2 Определение основных элементов устройства управления и контроль его соответствия требованиям настоящих Правил.
1.6.3 Контроль на транспортном средстве:
a) совместимость устройства управления и тормоза;
b) привода.
2 1 Единицы измерения
2.1.1 Масса, кг
2.1.2 Сила, Н
2.1.3 Ускорение свободного падения g = 10 м/с2
2.1.4 Пары сил и моменты, Н • м
2.1.5 Площадь, см2
2.1.6 Давление, бар
2.1.7 Линейные размеры - единица измерения уточняется в каждом отдельном случае.
2.2 Обозначения, принятые для всех типов тормозов (рисунок 1 дополнения 1)
2.2.1 GA - технически допустимая максимальная масса прицепа, указанная предприятием-изготовителем.
2.2.2 G¢A - максимальная масса прицепа, которая может быть заторможена устройством управления в соответствии с указанием предприятия-изготовителя.
2.2.3 GB - максимальная масса прицепа, которая может быть заторможена совместным действием всех тормозов прицепа
GB = n GB0
2.2.4 GB0 - доля максимальной массы прицепа, которая может быть заторможена одним то+ рмозом в соответствии с указанием предприятия-изготовителя.
2.2.5 В* - необходимое тормозное усилие.
2.2.6 В - необходимое тормозное усилие с учетом сопротивления качению.
2.2.7 D* - разрешенное усилие на сцепке.
2.2.8 D - усилие на сцепке.
2.2.9 Р' - усилие, оказываемое устройством управления.
2.2.10 К - дополнительное усилие устройства управления; оно, как правило, равно усилию D в точке пересечения с осью абсцисс экстраполированной кривой, представляющей собой Р' как функцию от D, измеренное в тот момент, когда устройство находится в положении, соответствующем половине его хода (рисунки 2 и 3 дополнения 1).
2.2.11 КА - пороговое усилие устройства управления - максимальное давление на соединительную головку, действие которого в течение короткого промежутка времени не вызывает никакого усилия на выходе устройства управления. Как правило, через КА обозначают усилие, которое измеряется в начале вталкивания соединительной головки со скоростью 10-15 мм/с ± 10 % при отсоединенном приводе устройства управления.
2.2.12 D1 - максимальное усилие, приложенное к соединительной головке, если она вталкивается со скоростью s мм/с ± 10 % при отсоединенном приводе.
2.2.13 D2 - максимальное усилие, приложенное к соединительной головке, если она вытягивается от максимально сжатого положения со скоростью 5 мм/с ± 10 % при отсоединенном приводе.
2.2.14 ηH0 - коэффициент полезного действия инерционного устройства управления.
2.2.15 ηH1 - коэффициент полезного действия системы привода.
2.2.16 ηH - общий коэффициент полезного действия устройства управления и привода
∑ηH = ηH0 ηH,,
2.2.17 s - ход устройства управления, выраженный в миллиметрах.
2.2.18 s'- полезный ход устройства управления, выраженный в миллиметрах и определенный в соответствии с 9.4.1 настоящего приложения.
2.2.19 s" - свободный ход главного цилиндра, измеренный в миллиметрах на соединительной головке.
2.2.20 s() - потеря хода, т. е. измеренный в миллиметрах ход соединительной головки, если воздействие производится на нее таким образом, что она перемещается с уровня 300 мм выше горизонтали до уровня 300 мм ниже горизонтали, при этом провод остается неподвижным.
2.2.21 2sв - ход сжатия тормозных башмаков, измеренный на диаметре, расположенном параллельно сжимному устройству, без регулировки тормозов во время испытания (выражается в миллиметрах).
2.2.22 2s*в - минимальный ход сжатия колодок по центру (выраженный в миллиметрах) для барабанных колесных тормозов
2s*в = 2,4 +
2r,
где 2r - диаметр тормозного барабана, мм (рисунок 4 дополнения 1) для дисковых колесных тормозов с гидравлическим приводом
2s*в = 1,1 + ![]()
где V60 - объем поглощения жидкости колесным тормозом при давлении, соответствующем тормозному усилию 1,2 В* = 0,6 GВ0 и максимальному радиусу шины
и
2rА - внешний диаметр диска тормоза.
(V60 см3 , FRZ см 3 и rA мм).
2.2.23 М - тормозной момент, Н·м
2.2.24 R - радиус динамической шины, м
2.2.25 n - число тормозов.
2.2.26 DA - усилие на входе устройства управления, при котором включается ограничитель нагрузки.
2.2.27 МА - тормозной момент, при котором включается ограничитель нагрузки.
2.3 Обозначения, относящиеся к тормозам с механическим приводом (см. рисунок 5 дополнения 1)
2.3.1 iH0 - понижающее передаточное соотношение между ходом соединительной головки и ходом рычага на оконечности устройства управления.
2.3.2 iH1 - понижающее передаточное отношение между ходом рычага на оконечности устройства управления и ходом тормозного рычага (понижающее передаточное число привода).
2.3.3 iH - понижающее передаточное отношение между ходом соединительной головки и ходом тормозного рычага
iH = iH0 iH1
2.3.4 ig - понижающее передаточное отношение между ходом тормозного рычага и ходом сжатия в центре башмака (рисунок 4 дополнения 1).
2.3.5 Р - усилие, прилагаемое к рычагу управления тормоза.
2.3.6 Р0 - усилие возврата тормоза, т. е. на диаграмме М =f(Р) сила Р в точке пересечения линии продолжения этой функции с осью абсцисс (рисунок 6 дополнения 1).
2.3.7 ρ - тормозная характеристика, определяемая по формуле
M = ρ(P - P0).
2.4 Обозначения, относящиеся к тормозам с гидравлическим приводом (рисунок 8 дополнения 1)
2.4.1 ih - понижающее передаточное отношение между ходом соединительной головки и ходом поршня главного цилиндра.
2.4.2 i¢g - понижающее передаточное отношение между ходом точки встречи тормозного цилиндра и ходом сжатия в центре башмака.
2.4.3 FRZ - поверхность поршня одного цилиндра барабанного тормоза (тормозов); для дискового тормоза (тормозов) - суммарная поверхность внутреннего поршня (поршней) с одной стороны диска.
2.4.4 FHZ- поверхность поршня главного цилиндра.
2.4.5 Р - гидравлическое давление в тормозном цилиндре.
2.4.6 Р0 - давление возврата в тормозном цилиндре, т. е. на диаграмме М = f (р) давление р в точке пересечения линии продолжения этой функции с осью абсцисс (рисунок 7 дополнения 1).
2.4.7 ρ'- тормозная характеристика, определяемая по формуле
M = ρ' (P - P0).
3.1 Передача тормозного усилия от соединительной головки к тормозам прицепа должна осуществляться либо при помощи системы тяг, либо при помощи одного или нескольких рабочих тел гидравлической системы. Однако допускается, чтобы часть передачи осуществлялась при помощи гибкого троса в оболочке. Эта часть должна быть как можно более короткой.
3.2 Все имеющиеся в шарнирах болты должны быть достаточно защищены. Кроме того, эти шарниры должны быть либо самосмазывающимися, либо легко доступными для смазки.
3.3 Инерционные тормозные устройства должны быть сконструированы таким образом, чтобы при использовании максимального хода соединительной головки исключалась возможность заклинивания, деформации или поломки какой-либо части привода. Проверка должна производиться после отсоединения первой части привода.
3.4 Инерционное тормозное устройство должно быть сконструировано таким образом, чтобы задний ход прицепа осуществлялся с помощью транспортного средства-тягача без приложения постоянного усилия, превышающего 0,08 g GA . Устройства, используемые для этой цели, должны автоматически срабатывать и автоматически отключаться при движении прицепа вперед.
3.5 Любое специальное устройство, установленное в соответствии с 3.4 настоящего приложения, должно быть сконструировано таким образом, чтобы не снижать эффективность стояночного тормоза на уклоне.
3.6 Ограничителями нагрузки могут оборудоваться только инерционные тормозные системы с дисковыми тормозами. Они не должны включаться под действием усилия менее 1,2 Р или давления менее 1,2 р, соответствующего тормозному усилию В* = 0,5 g GB0 (при установке на колесном тормозе) или под действием усилия на сцепном устройстве менее 1,2 D* (при установке на устройстве управления).
4.1 Скользящие части устройств управления должны быть достаточно длинными, чтобы ход мог полностью использоваться даже при сцепленном прицепе.
4.2 Скользящие части должны защищаться гармошкой или любым другим эквивалентным устройством. Они должны смазываться или выполняться из самосмазывающихся материалов. Трущиеся поверхности должны изготовляться из такого материала, чтобы исключалась возможность создания электрохимической пары или механической несовместимости, которые могли бы привести к заеданию скользящих частей.
4.3 Пороговое усилие устройства управления (КА) должно быть не менее 0,02 g G'A и не более 0,04g G'A .
4.4 Максимальная сжимающая сила D1, не должна превышать 0,10 g G'A для прицепов с жесткой сцепкой и 0,067g G'A для многоосных прицепов с поворотным шкворнем.
4.5 Максимальная сила тяги D2 должна составлять 0,1gG'A - 0,5gG'A .
5.1 Устройства управления, представленные технической службе, уполномоченной проводить испытания, должны контролироваться на соответствие требованиям разделов 3 и 4 настоящего приложения.
5.2 Для всех типов тормозов производится измерение:
5.2.1 хода s и полезного хода s';
5.2.2 дополнительного усилия К;
5.2.3 порогового усилия КА;
5.2.4 силы сжатия D1);
5.2.5 растягивающей силы D2
5.3 Для инерционных тормозов с механическим приводом необходимо определить:
5.3.1 понижающее передаточное отношение im, измеренное в середине хода устройства управления;
5.3.2 силу P' на оконечности устройства управления как функцию от давления D на дышле.
По кривой, построенной по результатам этих измерений, определяют дополнительное усилие К и коэффициент полезного действия
5.4 Для инерционных тормозов с гидравлической трансмиссией необходимо определить:
5.4.1 понижающее передаточное отношение ih, измеренное в середине хода устройства управления;
5.4.2 давление р на выходе главного цилиндра в зависимости от давления D на дышле и поверхности главного цилиндра FHZ, которая указывается предприятием-изготовителем. По кривой, построенной по результатам этих измерений, определяют дополнительное усилие К и коэффициент полезного действия
5.4.3 свободный ход главного цилиндра s" (2.2.19 настоящего приложения).
5.5 Для инерционных тормозов многоосных прицепов с поворотным дышлом необходимо измерить потерю хода s0 (9.4.1 настоящего приложения).
6.1 Предприятие-изготовитель должно предоставлять в распоряжение технической службы, уполномоченной проводить испытания, помимо подлежащих контролю тормозов, схемы тормозов с указанием типа, размеров и материала основных элементов и с указанием марки и типа фрикционных накладок. В случае гидравлических тормозов на этих схемах должна указываться поверхность FRZ тормозных цилиндров. Предприятие-изготовитель должно также указывать максимально допустимый тормозной момент, а также массу GB0 (2.2.4 настоящего приложения).
6.2 Указанный предприятием-изготовителем тормозной момент Мmax не должен быть меньше тормозного момента, создаваемого усилием, равным 1,2 Р, или давлением, равным 1,2 р, необходимым для обеспечения тормозного усилия, равного 0,5 g GB0 .
колесный тормоз должен испытываться при усилии, равном 1,8P, или давлении, равном 1,8р и необходимом для создания тормозного усилия В* = 0,5g Gm.
колесный тормоз должен испытываться при усилии, равном 1,1 Pmax или Р'max , или при давлении, равном 1,1 рmax или р'max на ограничителе нагрузки с учетом всех допусков (указываются предприятием-изготовителем).
7.1 Тормоза и детали, предоставляемые в распоряжение технической службы, уполномоченной проводить испытания, должны подвергаться испытаниям на предмет проверки соответствия требованиям раздела 6.
7.2 Следует определять:
7.2.1 минимальный ход сжатия башмаков 2 s*B ;
7.2.2 ход сжатия башмаков 2 ^(который должен превышать 2s'B);
7.2.3 тормозной момент М в зависимости от силы Р, прилагаемой к рычагу управления в случае устройств с механическим приводом, и давление р в тормозном цилиндре в случае устройств с гидравлическим приводом. Скорость вращения тормозных поверхностей должна соответствовать первоначальной скорости транспортного средства, равной 60 км/ч. По кривой, которая строится по результатам измерений, получаются:
7.2.3.2 в случае тормозов с гидравлическим приводом - усилие возврата Р0 и характеристика р' (рисунок 7 дополнения 1).
К заявкам на официальное утверждение прицепов, оборудованных инерционными тормозными системами, должны прилагаться протоколы испытаний устройства управления и тормозов, а также протокол испытаний на предмет проверки совместимости устройства инерционного управления, приводного устройства и тормозов на прицепе, содержащий, по меньшей мере, данные, указанные в дополнениях 2, 3 и 4.
9.1 С учетом характеристик устройств управления (дополнение 2) и характеристик тормозов (дополнение 3), а также характеристик прицепа, упомянутых в разделе 4 дополнения 4, следует проверить на транспортном средстве соответствие инерционного тормозного устройства указанного прицепа предписанным условиям.
9.2 Общая проверка всех типов тормозов
9.2.1 Части привода, которые не подвергаются проверке одновременно с устройством управления и тормозами, должны контролироваться на транспортном средстве. Результаты контроля записывают в соответствии с дополнением 4 (например, iH и ηН1)/
9.2.2 Масса
9.2.2.1 Максимальная масса GA прицепа не должна превышать максимальную массу G'A, на которую рассчитано данное устройство управления.
9.2.2.2 Максимальная масса GA прицепа не должна превышать максимальную массу GB, которая может быть заторможена в результате одновременного приведения в действие всех тормозов прицепа.
9.2.3 Силы
9.2.3.1 Пороговое усилие КА должно быть не ниже 0,02gGA и не выше 0,04gGA .
9.2.3.2 Максимальная сила сжатия D1 должна быть не выше 0,100gGA в случае прицепов с жесткой сцепкой и 0,067gGA - в случае многоосных прицепов с поворотным дышлом.
9.2.3.3 Максимальная сила тяги D2 должна быть от 0,1gGА до 0,5gG.
9.3 Контроль эффективности торможения
9.3.1 Сумма тормозных усилий, действующих по периметру колес прицепа, должна быть, по крайней мере, равна В* = 0,50gGA , включая сопротивление качению 0,01gGA . Это соответствует тормозной силе В = 0,49gGA . В этом случае разрешенное давление на сцепку должно составлять не более:
D* = 0,067gGA - для многоосных прицепов с поворотным дышлом и
D* = 0,100gGA - для прицепов с жесткой сцепкой.
Для проверки соблюдения этих условий следует пользоваться следующими неравенствами.
9.3.1.1 Для инерционных тормозов с механическим приводом
![]()
9.3.1.2 Для инерционных тормозов с гидравлическим приводом
![]()
9.4 Контроль хода устройства управления
9.4.1 Для устройств управления многоосных прицепов с поворотным дышлом, у которых система тяг тормозов зависит от положения тягового устройства, ход устройства управления s должен быть больше полезного хода устройства управления s', причем разность должна быть не меньше потери хода s0. Ход s0 не должен превышать полезный ход s' более чем на 10 %.
9.4.2 Полезный ход устройства управления s' определяют следующим образом:
9.4.2.1 Если система тяг тормозов зависит от углового положения тягового устройства, то s'= s - sa;
9.4.2.2 Если потери хода нет, то s'= s ;
9.4.2.3 В случае гидравлической системы торможения
s* = s- s".
9.4.3 Для проверки достаточности хода устройства управления применяются следующие неравенства:
9.4.3.1 Для инерционных тормозов с механическим приводом
![]()
9.4.3.2 Для инерционных тормозов с гидравлическим приводом
![]()
9.5 Дополнительные проверки
9.5.1 В случае инерционных тормозов с механическим приводом проверяют правильность установки системы тяг, обеспечивающей передачу усилий от устройства управления к тормозам.
9.5.2 В случае инерционных тормозов с гидравлическим приводом проверяют ход главного цилиндра, который должен составлять не менее s/ih. Меньшее значение не допускается.
9.5.3 Общее поведение транспортного средства при торможении должно проверяться на дороге на различных скоростях, варьируя усилие торможения и число нажатий на педаль тормоза. Самопроизвольные колебательные движения, которые не гаснут, не допускаются.
Приведенные требования применяют к наиболее распространенным системам инерционных тормозов с механическим и гидравлическим приводом, используемым, в частности, на прицепах, у которых все колеса оборудованы одним типом тормоза или одним типом шин. Для проверки специальных конструкций приведенные требования следует адаптировать в каждом конкретном случае.
(к приложению 12)

Рисунок 1 - Обозначения, действительные для всех типов тормозов (см. 2.2 настоящего приложения)
|
|
|
|
|||
|
Рисунок 2 - Системы с механическим приводом |
Рисунок 3 - Системы с гидравлическим приводом |
||||
|
Система рычаг-кулачок
|
|
|
|||
|
Ход сжатия в центре башмака sB. = 1,2 + 0,2 % 2r мм Тормозной кулак
|
|
|
|||
Направление натяжения троса
Рисунок 4 - Проверки,
осуществляемые на тормозах (см. 2.2.22
и 2.3.4
настоящего приложения) 
|
1.2 Устройство управления |
1.3 Привод |
1.4 Тормоза |
Рисунок 5 - Тормоза с механическим приводом (см. 2.3 настоящего приложения)
|
|
|
|
|

![]()
Рисунок 8 - Тормозная система гидравлической передачи (см. 2.4)
(к приложению 12)
|
1 Предприятие-изготовитель |
|
|||||||||||||||||
|
2 Марка |
|
|||||||||||||||||
|
3 Тип |
|
|||||||||||||||||
|
4 Характеристики прицепов, для которых данное устройство управления предусмотрено предприятием-изготовителем: |
||||||||||||||||||
|
|
||||||||||||||||||
|
4.1 масса G'. = |
кг |
|||||||||||||||||
|
4.2 вертикальная статическая сила, допустимая на головке тягового устройства |
Н |
|||||||||||||||||
|
4.3 одноосный прицеп с жесткой сцепкой/многоосный прицеп с поворотным дышлом 1) |
|
|||||||||||||||||
|
5 Общее описание |
||||||||||||||||||
|
(список приложенных схем и чертежей с указанием размеров) |
||||||||||||||||||
|
6 Принципиальная схема управления |
||||||||||||||||||
|
7 Ход s = |
мм |
|||||||||||||||||
|
8 Понижающее передаточное отношение устройства управления: |
|
|||||||||||||||||
|
8.1 с механическим приводом 1) |
||||||||||||||||||
|
iно - от |
|
до |
2) |
|||||||||||||||
|
ih - от |
|
до |
2) |
|||||||||||||||
|
FHZ = |
см2 |
|||||||||||||||||
|
ход главного цилиндра |
мм |
|||||||||||||||||
|
9 Результаты испытаний: |
||||||||||||||||||
|
9.1 Коэффициент полезного действия |
||||||||||||||||||
|
с механическим приводом 1) ηH = |
|
|||||||||||||||||
|
с гидравлическим приводом1) ηH = |
|
|||||||||||||||||
|
9.2 Дополнительное усилие К = |
кг |
|||||||||||||||||
|
9.3 Максимальная сила сжатия D1 = |
кг |
|||||||||||||||||
|
9.4 Максимальная растягивающая сила D2 = |
кг |
|||||||||||||||||
|
9.5 Пороговое усилие КА = |
кг |
|||||||||||||||||
|
9.6 Потеря хода и свободный ход: |
||||||||||||||||||
|
в случае влияния положения тягового устройства s0 l) = |
мм |
|||||||||||||||||
|
с гидравлическим приводом s" 1) = |
мм |
|||||||||||||||||
|
9.7 Полезный ход устройства управления s'= |
мм |
|||||||||||||||||
|
9.8 ограничитель нагрузки в соответствии с 3.6 настоящего приложения предусмотрен/не предусмотрен 1) |
||||||||||||||||||
|
9.8.1 если ограничитель нагрузки установлен перед рычагом переключения передач или устройством управления |
||||||||||||||||||
|
9.8.1.1 пороговое усилие ограничителя нагрузки DA = |
Н |
|||||||||||||||||
|
9.8.1.2 в случае наличия механического ограничителя нагрузки 1) максимальное усилие р'max, которое может развивать |
||||||||||||||||||
|
инерционное устройство управления Р'mах/iH0 = |
Н |
|||||||||||||||||
|
9.8.1.3 в случае наличия гидравлического ограничителя нагрузки 1) максимальное гидравлическое давление, которое |
||||||||||||||||||
|
может развивать инерционное устройство управления Р'max/ih = |
Н/см2 |
|||||||||||||||||
9.8.2 если ограничитель нагрузки установлен после рычага переключения передач или устройства управления
9.8.2.1 пороговое усилие ограничителя нагрузки в случае наличия механического ограничителя нагрузки 1) DAiH0 = ____Н
в случае наличия гидравлического ограничителя нагрузки 1) DA iH0 =______________Н
9.8.2.2 в случае наличия механического ограничителя нагрузки 1) максимальное усилие Р'max, которое может развивать инерционное устройство управления Р'max, =___________Н
9.8.2.3 в случае наличия гидравлического ограничителя нагрузки" максимальное гидравлическое давление, которое может развивать инерционное устройство управления Р'max =_________Н/см2
10 Техническая служба, проводившая испытания_______________________________________________________________
11 Вышеописанное устройство управления отвечает/не отвечает" предписаниям разделов 3, 4 и 5 настоящего приложения.
Дата __________________________________
Подпись ______________________________
1) Ненужное вычеркнуть.
2) Указать размеры, соотношение между которыми послужило для определения iH0 или ih.
|
1 Предприятие-изготовитель |
|
|||||
|
2 Марка |
|
|||||
|
3 Тип |
|
|||||
|
4 Максимальная технически допустимая масса, приходящаяся на колесо Gm = |
кг |
|||||
|
5 Тормозной момент Мта = |
Н • м |
|||||
|
(указывается предприятием-изготовителем в соответствии с 6.2 настоящего приложения) |
||||||
|
5.1 Тормозной момент в ходе испытания = |
Н • м |
|||||
|
6 Динамичный радиус вращения шины Rmin = ____________________________________м; |
Rmin =_________________________________________м; |
|||||
|
7 Общее описание |
|
|||||
(Список приложенных схем и чертежей с указанием размеров)
8 Принципиальная схема тормоза
|
9 Результаты испытании: механический тормоз 1) 9.1 Понижающее передаточное отношение ig_____________________________2) 9.2 Ход сжатия sg = __________мм 9.3 Предписанный ход сжатия sg, = ____мм 9.4 Усилие возврата Р0=________Н 9.5 Коэффициент ρ = __________м 9.6 Ограничитель нагрузки в соответствии с 3.6 настоящего приложения предусмотрен/не предусмотрен 1) 9.6.1 Тормозной момент, приводящий в действие ограничитель нагрузки МA =_____________________ Н • м 9.7 Максимально допустимое усилие для М Рmax = ________________________Н |
гидравлический тормоз 1) 9.1.А Понижающее передаточное отношение i's ____________________________2) 9.2.А Ход сжатия sB = ____________________мм 9.3.А Предписанный ход сжатия sB*. = ______мм 9.4.А Давление возврата Р0= _______________Н 9.5.А Коэффициент ρ'= м 9.6.А Ограничитель нагрузки в соответствии с 3.6 настоящего приложения предусмотрен/не предусмотрен 1) 9.6.1.А Тормозной момент, приводящий в действие ограничитель нагрузки МА=_________________ Н • м 9.7.А Максимально допустимое давление для Мmax Pmax = ______________________________Н/см2 9.8.А Поверхность цилиндра колеса FRZ = _________________________________см2 Рmax =_______________________________ Н/см2 ' 9.9.А (для дисковых тормозов) Объем поглощаемой жидкости V60=___________________________________см2 |
10 Техническая служба, проводившая испытания
11 Указанный выше тормоз соответствует/не соответствует1) предписаниям раздела 3 и 6 в отношении условий испытания транспортных средств, оборудованных инерционной тормозной системой, описанной в настоящем приложении.
Тормоз может/не может1) использоваться для инерционной тормозной системы без ограничителя нагрузки.
Подпись_____________________________________
1) Ненужное вычеркнуть.
2) Указать размеры, которые послужили для определения ig или ig'.
|
1 Устройство управления, описанное в приложенном протоколе испытания (см. дополнение 2) |
|||||||||||||||||||||||||
|
Принятое понижающее передаточное отношение: |
|||||||||||||||||||||||||
|
iH0 1) = |
|
2) или iR 1) |
2) |
||||||||||||||||||||||
|
(должно быть в пределах, указанных в 8.1 или 8.2 дополнения 2) |
|||||||||||||||||||||||||
|
2 Тормоза, описанные в прилагаемом протоколе испытания (см. дополнение 3) |
|||||||||||||||||||||||||
|
3 Приводные устройства на прицепе |
|||||||||||||||||||||||||
|
3.1 Общее описание с принципиальной схемой |
|||||||||||||||||||||||||
|
3.2 Понижающее передаточное отношение и коэффициент полезного действия механического приводного устройства на прицепе |
|||||||||||||||||||||||||
|
iH1 1) |
2) |
||||||||||||||||||||||||
|
iH1 1) |
|
||||||||||||||||||||||||
|
4.1 Предприятие-изготовитель |
|
||||||||||||||||||||||||
|
4.2 Марка |
|
||||||||||||||||||||||||
|
4.3 Тип |
|
||||||||||||||||||||||||
|
4.4 Тип сцепки: с жесткой сцепкой/многоосный с поворотным дышлом 1) |
|
||||||||||||||||||||||||
|
4.5 Число тормозов п = |
|
||||||||||||||||||||||||
|
4.6 Максимальная технически допустимая масса GA = |
кг |
||||||||||||||||||||||||
|
4.7 Динамический радиус качения шины R = |
м |
||||||||||||||||||||||||
|
4.8 Допустимое давление на сцепке |
|||||||||||||||||||||||||
|
D* = 0,100 g GA 1) = |
н |
||||||||||||||||||||||||
|
или |
|||||||||||||||||||||||||
|
D* = 0,067 g GA 1) = |
н |
||||||||||||||||||||||||
|
4.9 Требуемое тормозное усилие В* = 0,50 g GA = |
н |
||||||||||||||||||||||||
|
4.10 Тормозное усилие В = 0,49 g GA = |
н |
||||||||||||||||||||||||
|
5 Совместимость (результат испытаний) |
|||||||||||||||||||||||||
|
5.1 Пороговое усилие 100 KА/(g GA) = |
|
||||||||||||||||||||||||
|
(должно быть в пределах от 2 до 4) |
|||||||||||||||||||||||||
|
5.2 Максимальная сила сжатия 100 D1/(g GA) = |
|
||||||||||||||||||||||||
|
(не должна превышать 10 для прицепов с жестким сцепным устройством или 6, 7 для многоосных прицепов с поворотным сцепным устройством) |
|||||||||||||||||||||||||
|
5.3 Максимальная сила тяги 100 D2/(g GA) = |
|
||||||||||||||||||||||||
|
(должна быть в пределах от 10 до 50) |
|||||||||||||||||||||||||
|
5.4 Максимальная технически допустимая масса для устройства инерционного управления G'A = |
кг |
||||||||||||||||||||||||
|
(не должна быть меньше GA) |
|||||||||||||||||||||||||
|
5.5 Максимальная технически допустимая масса для всех тормозов прицепа GB = nGB0 = |
кг |
||||||||||||||||||||||||
|
(не должна быть меньше GA) |
|||||||||||||||||||||||||
|
5.6 Максимальный тормозной момент тормозов пМmax/(BR)= |
|
||||||||||||||||||||||||
|
(должен быть не меньше 1.2) |
|||||||||||||||||||||||||
|
5.6.1 Ограничитель нагрузки по смыслу 3.6 настоящего приложения установлен/не установлен 1) на инерционном устройстве управления /на тормозах 1) |
|||||||||||||||||||||||||
|
5.6.1.1 в случае наличия мeханического ограничителя нагрузки на инерционном устройстве управления 1) |
|||||||||||||||||||||||||
|
пРmaxI(im ηm Р'max) = |
|
||||||||||||||||||||||||
|
(должен быть не меньше 1,0) |
|||||||||||||||||||||||||
|
5.6.1.2 в случае наличия гидравлического ограничителя нагрузки на инерционном устройстве управления 1) |
|||||||||||||||||||||||||
|
Рmax/P'max = |
|
||||||||||||||||||||||||
|
(должен быть не меньше 1,0) |
|||||||||||||||||||||||||
|
5.6.1.3 если ограничитель нагрузки установлен на инерционном устройстве управления: пороговое усилие |
|||||||||||||||||||||||||
|
DA/ D* = |
|
||||||||||||||||||||||||
|
(должен быть не меньше 1,2) |
|||||||||||||||||||||||||
|
5.6.1.4 если ограничитель нагрузки установлен на тормозе: |
|||||||||||||||||||||||||
|
пороговый момент пМА /(BR) = |
|
||||||||||||||||||||||||
|
(должен быть не меньше 1,2) |
|||||||||||||||||||||||||
|
5.7 Инерционная тормозная система с механическим приводом |
|||||||||||||||||||||||||
|
5.7.1 iH = iH0 iH1 = |
|
||||||||||||||||||||||||
|
5.7.2 η H = η H0 η H1 = |
|
||||||||||||||||||||||||
|
5.7.3 |
|||||||||||||||||||||||||
|
|
|||||||||||||||||||||||||
|
(должно быть равно или меньше iH) |
|||||||||||||||||||||||||
|
5.7.4 |
|||||||||||||||||||||||||
|
|
|||||||||||||||||||||||||
|
(должно быть равно или меньше iH) |
|||||||||||||||||||||||||
|
5.8 Инерционная тормозная система с гидравлическим приводом 1) |
|||||||||||||||||||||||||
|
5.8.1 ih/FHZ = |
|
||||||||||||||||||||||||
|
5.8.2 |
|||||||||||||||||||||||||
|
|
|||||||||||||||||||||||||
|
(должно быть равно или меньше ih/FHZ) |
|||||||||||||||||||||||||
|
5.8.3 |
|||||||||||||||||||||||||
|
|
|||||||||||||||||||||||||
|
(должно быть равно или больше ih/FHZ) |
|||||||||||||||||||||||||
|
5.8.4 s/ih = |
|
||||||||||||||||||||||||
|
(должно быть равно или меньше хода главного цилиндра согласно 8.2 дополнения 2) |
|||||||||||||||||||||||||
|
6 Техническая служба, проводившая испытания |
|
||||||||||||||||||||||||
|
7 Описанное выше инерционное тормозное устройство соответствует/не соответствует 1) требованиям разделов 3 - 9 настоящего приложения. |
|||||||||||||||||||||||||
|
Дата _______________ |
|||||||||||||||||||||||||
|
Подпись ___________ |
|||||||||||||||||||||||||
1) Ненужное вычеркнуть.
2) Указать размеры, послужившие для определения im, ih, iH1.
1.1 В настоящем приложении содержится определение характеристик тормозных систем с антиблокировочными устройствами, устанавливаемых на автотранспортных средствах. Кроме того, механические транспортные средства, допускаемые к буксировке прицепа, и прицепы, оборудованные пневматическими тормозными системами, должны удовлетворять в груженом состоянии условиям совместимости, указанным в приложении 10.
1.2 Известные в настоящее время устройства состоят из одного или нескольких датчиков, регуляторов и модуляторов. Любое устройство иной конструкции, которое может использоваться в будущем, или функция антиблокировки тормозов, которая будет включена в другую систему, рассматривается в качестве антиблокировочной системы по требованиям настоящего приложения и приложения 10, если их характеристики будут соответствовать характеристикам, предписанным в настоящем приложении.
2.1 антиблокировочное устройство: Элемент системы рабочего тормоза, который во время торможения автоматически регулирует степень скольжения одного или нескольких колес транспортного средства в направлении его (их) вращения.
2.2 датчик: Элемент, предназначенный для определения и передачи регуляторам информации, касающейся условий вращения колеса (колес) или динамических условий движения транспортного средства.
2.3 регулятор: Элемент, предназначенный для оценки информации, передаваемой датчиком (датчиками), и передачи соответствующего сигнала модулятору.
2.4 модулятор: Элемент, предназначенный для изменения силы (сил) торможения в зависимости от сигнала, полученного от регулятора.
2.5 непосредственно регулируемое колесо: Колесо, к которому прилагается сила торможения, которая изменяется в зависимости от сигнала, подаваемого, по меньшей мере, установленным на нем же датчиком 1).
2.6 косвенно регулируемое колесо: Колесо, к которому прилагается сила торможения, которая изменяется в зависимости от сигнала, подаваемого датчиком (датчиками), установленным на другом колесе (других колесах.
2.7 непрерывная цикличность: Противоблокировочная система непрерывно моделирует тормозное усилие, с тем чтобы предотвратить блокировку непосредственно управляемых колес. Приведение в действие тормозов во время остановки, когда модуляция происходит только один раз, не рассматривается в качестве выполнения требования, предусмотренного этим определением.
В случае полуприцепов с пневматическими тормозными системами работа антиблокировочной системы тормозов в режиме непрерывной цикличности обеспечивается только в том случае, когда давление на любом приводе тормоза непосредственно управляемого колеса на 1 бар превышает максимальное давление в режиме цикличности в течение данного испытания. Давление в питающем трубопроводе не может превышать 8 бар.
1) Предполагается, что в антиблокировочные устройства, оборудованные регуляторами с высокой избирательной способностью, входят как непосредственно, так и косвенно управляемые колеса; в случае устройств, оборудованных регуляторами с низкой избирательной способностью, предполагается, что все колеса, на которые установлены датчики, являются непосредственно управляемыми.
3.1 Считается, что транспортное средство оборудовано антиблокировочным устройством по смыслу раздела 1 приложения 10, если на нем установлено одно из следующих устройств:
3.1.1 Антиблокировочное устройство категории 1
Транспортные средства, оборудованные антиблокировочным устройством категории 1, должны удовлетворять всем соответствующим требованиям настоящего приложения.
3.1.2 Антиблокировочное устройство категории 2
Транспортное средство, оборудованное антиблокировочным устройством категории 2, должно удовлетворять всем соответствующим требованиям настоящего приложения, за исключением требований 5.3.5.
3.1.3 Антиблокировочное устройство категории 3
Транспортное средство, оборудованное антиблокировочным устройством категории 3, должно удовлетворять всем соответствующим требованиям настоящего приложения, за исключением требований 5.3.4 и 5.3.5. На таких транспортных средствах каждая отдельная ось (или тележка), не имеющая, по крайней мере, одного непосредственно регулируемого колеса, должна отвечать требованиям в отношении реализуемого сцепления и порядка блокировки колес, содержащимся в приложении 10 относительно коэффициента торможения и нагрузки. Соответствие этим предписаниям может быть установлено на дорожном полотне с высоким или низким коэффициентом сцепления (приблизительно 0,8 и 0,3 максимум) изменением усилия, прилагаемого к педали рабочего тормоза.
3.2 Считается, что прицеп оборудован антиблокировочной системой (раздел 1 приложения 10), если этой антиблокировочной системой непосредственно управляются, по крайней мере, два колеса с противоположных сторон транспортного средства и непосредственно или косвенно остальные колеса. В случае полных прицепов антиблокировочной системой должны непосредственно управляться, по крайней мере, два колеса на одной передней оси и два колеса на одной задней оси, при этом каждая из этих осей должна иметь, по крайней мере, один независимый модулятор и непосредственно или косвенно - все остальные колеса. Кроме того, прицеп, оснащенный антиблокировочной системой, должен соответствовать одному из следующих требований:
3.2.1 Антиблокировочная система категории А
Прицеп, оснащенный антиблокировочной системой категории А, должен соответствовать всем требованиям настоящего приложения.
3.2.2 Антиблокировочная система категории В
Прицеп, оснащенный антиблокировочной системой категории В, должен соответствовать всем требованиям настоящего приложения, за исключением 6.3.2.
4.1 Водитель транспортного средства должен предупреждаться с помощью специального оптического сигнала о любой неисправности системы электропитания или неправильном срабатывании датчика, которые влияют на функциональные и эксплуатационные характеристики системы, предписанные в данном приложении, включая неисправности и сбои в работе системы электропитания, внешней цепи регулятора (регуляторов) и модулятора (модуляторов).
Для этой цели должен использоваться желтый предупреждающий сигнал, указанный в 5.2.1.29.1.2.
4.4.1 Этот предупредительный сигнал должен загораться в момент включения антиблокировочной системы и гаснуть, если в системе транспортного средства, находящегося в неподвижном состоянии, нет каких-либо из вышеупомянутых неисправностей.
4.1.2 Посредством статической проверки датчика также можно
установить, что в последний раз, когда скорость транспортного средства
превышала
4.2 Механические транспортные средства, оснащенные антиблокировочной системой и допущенные к буксировке прицепов, оснащенных такой системой, за исключением транспортных средств категорий М1 и N1 должны быть оборудованы отдельным оптическим сигнальным устройством для антиблокировочной системы прицепа, которое должно соответствовать требованиям 4.1 настоящего приложения.
Для этой цели должны использоваться отдельные желтые предупреждающие сигналы, которые указаны в 5.2.1.29.2 и которые приводятся в действие с помощью пятиштырькового электрического соединителя, соответствующего требованиям ISO/DIS 7638-96 2).
1) Предупредительное
сигнальное устройство может вновь загораться на остановленном транспортном
средстве при условии, что в случае отсутствия неисправности оно гаснет, прежде
чем транспортное средство достигнет скорости
2) В соответствующих случаях в соединительном устройстве ISO/DIS 7638-96 могут использоваться пятнили семиштырьковые разъемы.
4.3 В случае выхода из строя антиблокировочной системы остаточная эффективность торможения должна быть такой, которая предписана для рассматриваемого транспортного средства в случае неисправности части привода системы рабочего тормоза (см. 5.2.1.4 настоящих Правил. Это предписание не рассматривается в качестве отступления от предписаний, касающихся аварийного торможения. Для прицепов остаточная эффективность торможения в случае неисправности антиблокировочной системы в соответствии с 4.1 должна составлять не менее 80 % предписанной эффективности в груженом состоянии для рабочей тормозной системы соответствующего прицепа.
4.4 Магнитные или электрические поля не должны снижать эффективность антиблокировочной системы. Это требование считается выполненным, если соблюдаются положения поправок серии 02 к Правилам ЕЭК ООН № 10.
4.5 Устройство ручного отключения или изменения режима управления 1) антиблокировочной системы может устанавливаться только на транспортных средствах повышенной проходимости категорий N2 и N3, определенных в приложении 7 к Сводной резолюции по конструкции транспортных средств (СР.З); в тех случаях, когда устройство устанавливается на транспортное средство категории N2 и N3, должны соблюдаться следующие условия:
4.5.1 механическое транспортное средство, оснащенное антиблокировочной системой, для которой предусмотрено упомянутое в 4.7 устройство отключения или изменения режима управления, должно соответствовать всем требованиям приложении 10;
4.5.2 оптический предупреждающий сигнал информирует водителя об отключении антиблокировочной системы или об изменении режима управления; для этой цели может использоваться желтый сигнал, предупреждающий о выходе из строя антиблокировочной системы и указанный в 5.2.1.29.1.2;
4.5.3 антиблокировочная система должна автоматически подключаться/возвращаться в режим «Движение по дороге», когда система зажигания (пусковое устройство) вновь установлена в положение «Включено» (рабочий режим);
4.5.4 в предусмотренных предприятием-изготовителем инструкциях по эксплуатации транспортного средства должны указываться предписания, предупреждающие водителя о последствиях ручного отключения антиблокировочной системы или изменения режима ее управления;
4.5.5 устройство, упомянутое в 4.7, может отключать/изменять режим управления антиблокировочной системой прицепа при отключении/изменении режима управления антиблокировочной системой транспортного средства. Отдельное устройство для прицепа не допускается.
1) Считается, что устройство, изменяющее режим управления антиблокировочной системы, не подпадает под действие 4.7 настоящего приложения, если в измененном режиме управления соблюдаются все требования, предусмотренные для данной категории антиблокировочных систем, которыми оснащено транспортное средство. Однако в этом случае должны соблюдаться требования, предусмотренные в 4.7.2, 4.7.3 и 4.7.4 настоящего приложения.
5.1 Потребление энергии
Тормозные системы, оборудованные антиблокировочными устройствами, должны сохранять свою эффективность при полном приведении в действие органа управления рабочего тормоза в течение продолжительного времени. Это условие проверяют с помощью следующего испытания:
5.1.1 Порядок проведения испытания
5.1.1.1 Начальный уровень энергии в резервуаре (резервуарах) должен соответствовать указанному предприятием-изготовителем. Этот уровень должен быть, по крайней мере, таким, чтобы обеспечивать эффективное торможение, предписанное для системы рабочих тормозов транспортного средства в груженом состоянии. Резервуар или резервуары для вспомогательных пневматических устройств должны быть отключены.
5.1.1.2 При начальной скорости не менее
1) Если коэффициент сцепления испытательного трека слишком высок, из-за чего антиблокировочная система тормозов не может работать в режиме непрерывной цикличности, то испытания могут проводиться на поверхности с более низким коэффициентом сцепления.
5.1.1.3 Затем выключается двигатель автотранспортного средства или отключается питание устройства (устройств) хранения энергии.
5.1.1.4 При остановленном транспортном средстве четыре раза подряд нажимают до отказа на педаль рабочего тормоза.
5.1.1.5 Необходимо, чтобы при пятом нажатии на тормоз транспортное средство могло быть заторможено с эффективностью, предписанной для аварийного торможения.
5.1.1.6 в ходе испытаний механического транспортного
средства, которому разрешается буксировать прицеп, оборудованный пневматической
тормозной системой, питающей трубопровод должен быть перекрыт, а к
пневматической управляющей магистрали, если такая магистраль имеется, должно
быть подключено устройство накопления энергии вместимостью
5.1.2 Дополнительные требования
5.1.2.1 Коэффициент сцепления проезжей части измеряется на рассматриваемом транспортном средстве в соответствии с методом, описанным в 1.1 дополнения 2.
5.1.2.2 Испытание на торможение проводится с выключенным сцеплением, с двигателем, работающим на холостом ходу, и на транспортном средстве в груженом состоянии.
5.1.2.3 Время торможения / определяют по формуле
(должно быть не менее 15 с),
где t выражается в секундах, a νmax представляет собой максимальную конструктивную скорость
транспортного средства, выраженную в км/ч, причем верхний предел принимается
равным
5.1.2.4 Если за один цикл торможения невозможно уложиться во время /, то производится несколько циклов торможения, причем максимальное число циклов должно составлять не более четырех.
5.1.2.5 Если проводится несколько циклов испытания, то в промежутках между этими циклами подпитка от источника энергии не допускается. Начиная со второго цикла, может учитываться в соответствующих случаях для второго, третьего и четвертого циклов испытания (5.1.1 настоящего приложения) потребление энергии, соответствующей первоначальному нажатию на педаль тормозной системы, путем вычета количества потребленной энергии за одно полное нажатие на педаль тормозной системы из количества энергии за четыре полных нажатия на педаль тормозной системы, предусмотренные в 5.1.1.4 (и 5.1.1.5, 5.1.1.6 и 5.1.2.6) настоящего приложения.
5.1.2.6 Считается, что параметры, приведенные в 5.1.1.5, соблюдаются, если при остановленном транспортном средстве после четвертого нажатия на тормоз уровень энергии в резервуаре (резервуарах) выше или равен уровню энергии, обеспечивающему аварийное торможение груженого транспортного средства.
5.2 Использование силы сцепления
5.2.1 При использовании силы сцепления в антиблокировочной системе учитывается фактическое возрастание тормозного пути по сравнению с его минимальной теоретической величиной. Антиблокировочная система считается удовлетворяющей требованиям, если выполняется условие ε > 0,75, где е - реализуемое сцепление, определение которому дается в 1.2 дополнения 2.
5.2.2 Коэффициент использования силы
сцепления S должен измеряться при
начальной скорости
5.2.3 Процедура испытания для определения коэффициента сцепления (К) и формулы расчета реализуемой силы сцепления е должна соответствовать процедуре и формулам, содержащимся в дополнении 2.
5.2.4 Коэффициент использования силы сцепления антиблокировочным устройством проверяется на комплектных транспортных средствах, оборудованных антиблокировочными системами категорий 1 или 2. В случае транспортных средств, оборудованных антиблокировочными системами категории 3, настоящему предписанию должна соответствовать лишь ось или оси, имеющие, по крайней мере, одно непосредственно управляемое колесо.
5.2.5 Соблюдение условий ε > 0,75 проверяется с использованием транспортного средства в груженом и порожнем состоянии.
Испытание транспортного средства в груженом состоянии на поверхности с высоким коэффициентом сцепления может не проводиться, если предписанное усилие, прилагаемое к педали тормозной системы, не позволяет обеспечить полное срабатывание антиблокировочной системы.
При испытании в порожнем состоянии контрольное усилие может быть увеличено до 100 даН, если при воздействии на педаль с максимальным усилием антиблокировочная система срабатывает неполностью2). Если значение 100 даН недостаточно для включения системы, то это испытание может не проводиться. Для целей данного испытания в случае пневматических тормозных систем давление воздуха не должно превышать давления в отключенном состоянии.
1) Если коэффициент сцепления испытательного трека слишком высок, из-за чего антиблокировочная система тормозов не может работать в режиме непрерывной цикличности, то испытания могут проводиться на поверхности с более низким коэффициентом сцепления.
2) Под максимальным усилием подразумевается усилие, предписанное в приложении 4 для соответствующей категории транспортных средств; большее усилие может использоваться в том случае, если оно необходимо для приведения в действие антиблокировочной системы.
5.3 Дополнительные проверки
Следующие дополнительные проверки осуществляются при отключенном двигателе транспортного средства в груженом и порожнем состоянии:
5.3.1 Колеса, непосредственно
управляемые антиблокировочной системой, не должны блокироваться, когда на
дорогах с покрытием, указанным в 5.2.2 настоящего приложения, при начальной
скорости
|
Характеристика поверхности |
Категория транспортного средства |
Максимальная скорость при испытании |
|
|
Все категории, за исключением транспортных средств категорий N2 и N3 в груженом состоянии Транспортные средства категорий N2 и N3 в груженом состоянии |
0,8 Vmах£ |
|
Поверхность с высоким |
||
|
коэффициентом сцепления |
||
|
|
0,8 Vmах £ |
|
|
Поверхность с низким коэффициентом сцепления |
М1 N1 М2, М3, N2, за исключением тягачей с полуприцепом |
0,8 Vmах < 0,8 Vmах < |
|
N3 и тягачи с полуприцепом категории N2 |
0,8 Vmах < |
5.3.2 Если происходит переход оси от поверхности с высоким сцеплением (K1) к поверхности с низким сцеплением (К2) при K1 > 0,5 и K1 / K2 > 2 4) и если при этом к педали тормоза прилагается максимальное усилие 2), то блокировка непосредственно регулируемых колес не допускается. Скорость хода и момент приведения в действие тормоза должны быть рассчитаны таким образом, чтобы при полностью включенном антиблокировочном устройстве на поверхности с высоким сцеплением переход от одной поверхности к другой происходил в условиях, определенных в 5.3.1 3).
5.3.3 Если происходит переход транспортного средства от
поверхности с низким сцеплениям (K2) к поверхности с высоким сцеплением (K1) при К1 > 0,5 и K1/К2 > 2 4)
и если к педали тормоза прилагается максимальное усилие 2), то
коэффициент замедления транспортного средства должен увеличиваться до
определенного значения в течение непродолжительного периода времени, а
транспортное средство не должно отклоняться от своей первоначальной траектории.
Скорость движения и момент приведения в действие тормоза должны быть рассчитаны
таким образом, чтобы при полностью включенной блокировочной системе на
поверхности с низким сцеплением переход от одной поверхности к другой происходил
при скорости около
5.3.4 Положения настоящего пункта
применяются лишь к транспортным средствам, оборудованным антиблокировочными
системами категорий 1 или 2. Если правое и левое колеса транспортного средства
находятся на поверхностях с различным коэффициентом сцепления (K1,
и К2) при K1 ≥ 0,5 и K1/К2
> 2 4), то блокировка непосредственно управляемого колеса не
допускается, когда при скорости
5.3.5 Кроме того, коэффициент торможения груженых транспортных средств, оборудованных антиблокировочными системами категории 1, должен в соответствии с условиями, содержащимися в 5.3.4, удовлетворять требованиям дополнения 3.
1) В случае прицепов, оборудованных датчиком тормозного усилия, допускается увеличение давления, выставляемого на датчике в целях обеспечения работы в режиме непрерывной цикличности.
2) Под максимальным усилием подразумевается усилие, указанное в приложении 4 для соответствующей категории транспортных средств; большее усилие может использоваться в том случае, если оно необходимо для приведения в действие антиблокировочной системы.
3) Цель этих испытаний - проверить, что колеса не блокируются и что транспортное средство остается устойчивым; поэтому тормозить транспортное средство до полной остановки на покрытии с низким сцеплением не требуется.
4) К. - коэффициент сцепления с поверхностью с высоким сцеплением, А, - коэффициент сцепления с поверхностью с низким сцеплением, А, и К2 измеряются в соответствии с предписаниями дополнения 2 к настоящему приложению.
5.3.6 Однако при проведении
испытаний, предусмотренных в 5.3.1-5.3.5 настоящего приложения, допускается
кратковременная блокировка колес. Кроме того, блокировка колес допускается в
том случае, если скорость транспортного средства ниже
5.3.7 При испытаниях, предусмотренных в 5.3.4 и 5.3.5 настоящего приложения, допускается коррекция движения с помощью рулевого управления при условии, что угол поворота рулевого колеса не превышает 120° в течение первых 2 с и не превышает 240° в целом. Кроме того, в начале этого испытания продольное среднее сечение транспортного средства должно проходить через границу между поверхностями с высоким и низким сцеплением, а в ходе испытания ни одна (наружная) часть шин не должна пересекать эту границу.
6.1 Потребление энергии
Прицепы, оборудованные антиблокировочными системами, должны быть сконструированы таким образом, чтобы даже при полном нажатии на педаль рабочей тормозной системы в течение определенного времени транспортное средство обладало уровнем энергии, позволяющим обеспечить его остановку на соответствующем расстоянии.
6.1.1 Вышеупомянутое условие должно проверяться согласно нижеуказанным методам на транспортном средстве в порожнем состоянии, находящемся на горизонтальной и прямой дороге, поверхность которой должна иметь хороший коэффициент сцепления 1), тормоза должны быть отрегулированы с минимальным зазором, а регулировочный клапан, срабатывающий в зависимости от нагрузки (в случае его наличия на прицепе) должен оставаться в положении «с нагрузкой» в течение всего испытания.
6.1.2 При наличии пневматических тормозных систем первоначальный уровень энергии в устройстве (устройствах) накопления энергии должен соответствовать давлению 8,0 бара в соединительной головке питающего трубопровода прицепа.
6.1.3 При начальной скорости движения транспортного средства
не менее
Если период времени t = 15с превышает продолжительность одной фазы торможения, то в этом случае могут использоваться последующие фазы. В течение этих фаз дополнительная энергия в устройство (устройства) накопления энергии не подается, но начиная со второй фазы необходимо учитывать потребность в дополнительной энергии для питания органов управления, например с помощью следующей процедуры испытания.
Давление в резервуаре (резервуарах) в начале первого цикла должно соответствовать уровню, указанному в 6.1.2 настоящего приложения. В начале следующего цикла (циклов) давление в резервуаре (резервуарах) после нажатия на педаль тормозной системы не должно быть меньше давления в резервуаре (резервуарах) в конце предыдущего цикла.
При последующем цикле (циклах) учитывается лишь время с того момента, когда давление в резервуаре (резервуарах) было равно давлению в конце предыдущего цикла.
6.1.4 В конце торможения следует произвести на остановленном транспортном средстве четырехкратное полное нажатие на педаль рабочего тормоза. Во время пятого нажатия давление в цепи нагрузки должно быть достаточным для обеспечения полного тормозного усилия по окружности колес, составляющего не менее 22,5 % усилия, соответствующего максимальной массе, приходящейся на колеса остановленного транспортного средства, без автоматического срабатывания тормозной системы, независимой от антиблокировочного устройства.
6.2 Использование силы сцепления
6.2.1 Тормозные системы, оборудованные антиблокировочными устройствами, считаются удовлетворяющими требованиям, если выполняется условие ε > 0,75, где ε представляет собой реализуемое сцепление, определение которому дается в 1.2 дополнения 2. Это условие должно проверяться на порожнем транспортном средстве, находящемся на горизонтальной и прямой дороге, поверхность которой должна иметь хороший коэффициент сцепления1),2).
1) Если коэффициент сцепления покрытия испытательной полосы настолько высок, что антиблокировочная система не включается, испытание можно проводить на поверхности с более низким коэффициентом сцепления.
2) В случае прицепов, оборудованных датчиком нагрузки, давление может быть увеличено для обеспечения полного срабатывания.
6.2.2 Для устранения влияния перепадов температур в рабочей тормозной системе рекомендуется сначала определять величину zRAL , а затем коэффициент kR.
6.3 Дополнительная проверка
6.3.1 При скоростях, превышающих
![]()
то блокировка непосредственно
управляемого колеса не допускается, когда при скорости
6.3.3 При скорости транспортного средства, большей или
равной
1) Под «максимальным усилием» подразумевается усилие, приведенное в приложении 4, для соответствующей категории транспортных средств; большее усилие может использоваться в том случае, если оно необходимо для приведения в действие антиблокировочной системы.
2) В случае прицепов, оборудованных датчиком нагрузки, давление может быть увеличено для обеспечения полного срабатывания.
|
ОБОЗНАЧЕНИЕ |
ОПРЕДЕЛЕНИЕ |
|
Е |
Расстояние между осями колес |
|
ER |
Расстояние между шкворнем и центром оси или осей полуприцепа (или расстояние между точкой сцепления на дышле и центром оси или осей прицепа с центрально расположенной осью) |
|
Е |
Реализуемое сцепление транспортного средства: соотношение между максимальным коэффициентом торможения при включенной антиблокировочной системе (ZAL) и коэффициентом сцепления (к) |
|
ε i |
Величина е, измеренная на оси / (в случае механического транспортного средства, оборудованного антиблокировочной системой категории 3) |
|
ε н |
Величина е, измеренная на поверхности с высоким коэффициентом сцепления |
|
ε L |
Величина е, измеренная на поверхности с низким коэффициентом сцепления |
|
F |
Усилие (Н) |
|
FbR |
Усилие торможения прицепа с отключенной антиблокировочной системой |
|
FbR max |
Максимальная величина FbR |
|
FbR maxi |
Величина FbRmax только с заторможенной осью i прицепа |
|
FbRAL |
Усилие торможения прицепа с включенной антиблокировочной системой |
|
FCnd |
Общая нормальная реакция дорожного покрытия на незаторможенные ведомые оси автопоезда в статических условиях |
|
FCd |
Общая нормальная реакция дорожного покрытия на незаторможенные ведущие оси автопоезда в статических условиях |
|
Fdyn |
Нормальная реакция дорожного покрытия в динамических условиях при включенной антиблокировочной системе |
|
Fidyn |
Fdyn на ось i в случае механических транспортных средств или полных прицепов |
|
Fi |
Нормальная реакция дорожного покрытия на ось i в статических условиях |
|
FM |
Общая нормальная статическая реакция дорожного покрытия на все колеса механического (буксирующего) транспортного средства |
|
FMnd 1) |
Общая нормальная статическая реакция дорожного покрытия на незаторможенные ведомые оси механического транспортного средства |
|
FMd 1) |
Общая нормальная статическая реакция дорожного покрытия на незаторможенные ведущие оси механического транспортного средства |
|
FR |
Общая нормальная статическая реакция дорожного покрытия на все колеса прицепа |
|
FRdyn |
Общая нормальная динамическая реакция дорожного покрытия на ось (оси) полуприцепа или прицепа с центрально расположенной осью |
|
FWM 1) |
0,01 FMnd +0,015 FMd |
|
g |
Ускорение свободного падения (9,81 м/с2) |
|
h |
Высота центра тяжести, определенная заводом-изготовителем и принятая техническими службами, проводящими испытание на официальное утверждение |
|
h1) |
Высота сцепного устройства на уровне шарнира на прицепе |
|
hk |
Высота прицепного устройства тягача (на уровне шкворня) |
|
hR |
Высота центра тяжести прицепа |
|
k |
Коэффициент сцепления между шинами и дорогой |
|
kf |
Показатель к одной передней оси |
|
kH |
Величина k, определенная на поверхности с высоким коэффициентом сцепления |
|
ki |
Величина k, определенная на оси / для транспортного средства с антиблокировочной системой категории 3 |
|
kL |
Величина k, определенная на поверхности с низким коэффициентом сцепления |
|
kiock |
Величина сцепления для 100-ного скольжения |
|
kM |
Показатель k механического транспортного средства |
|
kpeak |
Максимальная величина кривой сцепления как функции скольжения |
|
kr |
Показатель k задней оси |
|
kR |
Показатель kприцепа |
|
P |
Масса транспортного средства (кг) |
|
R |
Соотношение между kpeak и kiock |
|
t |
Период времени (с) |
|
tm |
Средняя величина t |
|
tmin |
Минимальная величина t |
|
z |
Коэффициент торможения |
|
zAL |
Коэффициент торможения z транспортного средства с включенной антиблокировочной системой |
|
zC |
Коэффициент торможения z автопоезда при торможении только прицепа и с отключенной антиблокировочной системой |
|
zCAL |
Коэффициент торможения z автопоезда при торможении только прицепа и с включенной антиблокировочной системой |
|
zCmax |
Максимальная величина zc |
|
zCmaxi |
Максимальная величина zc только с заторможенной осью / прицепа |
|
zm |
Средний коэффициент торможения |
|
zmax |
Максимальная величина z |
|
zMALS |
zAL механического транспортного средства на «неровной поверхности» |
|
zR |
Коэффициент торможения z прицепа с отключенной антиблокировочной системой |
|
zRAL |
zAL прицепа при торможении всех осей и при отключенной тормозной системе буксирующего транспортного средства и отключенном двигателе |
|
zRALH |
zRAL на поверхности с высоким коэффициентом сцепления |
|
zRALL |
zRAL на поверхности с низким коэффициентом сцепления |
|
zRALS |
zRAL на неровной поверхности |
|
zRH |
zR на поверхности с высоким коэффициентом сцепления |
|
zRL |
zR на поверхности с низким коэффициентом сцепления |
|
zRHmax |
Максимальная величина zRH |
|
zRLmax |
Максимальная величина zRL |
|
zRmax |
Максимальная величина zR |
|
1) В случае двухосных механических транспортных средств FMnd и FMd можно упростить и заменить соответствующими обозначениями F1. |
|
1.1 Определение коэффициента сцепления (k)
1.1.1 Коэффициент сцепления (k) определяется как соотношение между максимальным тормозным усилием какой-либо оси без блокировки колес и соответствующей динамической нагрузкой на эту же ось.
1.1.2 Затормаживаться должна только одна ось испытываемого
транспортного средства при начальной скорости
1.1.3 Для определения максимального коэффициента торможения
транспортного средства (z) необходимо провести несколько испытаний при постепенном
увеличении давления в трубопроводе. При проведении каждого испытания
поддерживается постоянное усилие на педаль тормоза, а коэффициент торможения определяется
из расчета заданного промежутка времени (/) для скорости, понижающейся с 40 до
![]()
где zmах - максимальная величина z;
t - время в секундах.
1.1.3.1 При скорости менее
1.1.3.2 Начиная с минимальной измеренной величины t (tmin ), выбрать три величины t, находящиеся в диапазоне tmin и 1,05tmin , рассчитать их среднее арифметическое значение tm , затем рассчитать
![]()
Если оказывается, что по практическим причинам три величины, определенные выше, не могут быть получены, можно использовать минимальное время t . , однако при этом по-прежнему должны соблюдаться требования 1.3.
1.1.4 Тормозное усилие рассчитывается на основе измеренного коэффициента торможения и величины сопротивления качению незаторможенной оси (незаторможенных осей), составляющей 0,015 статической нагрузки на ведущую ось и 0,010 статической нагрузки на ведомую ось.
1.1.5 Динамическая нагрузка на ось рассчитывается на основе соотношений, определенных в приложении 10.
1.1.6 Значение коэффициента к округляется до третьего знака после запятой.
1.1.7 Затем испытание повторяется для другой оси (осей) в соответствии с требованиями 1.1.1 -1.1.6 (исключения см. в 1.4 и 1.5).
1.1.8 Например, в случае двухосного заднеприводного транспортного средства, передняя ось (1) которого заторможена, коэффициент сцепления (k) рассчитывают следующим образом
.
1.1.9 Один коэффициент k, определяется для передней оси и один kr - для задней оси.
1.2 Определение реализуемой силы сцепления (ε)
1.2.1 Реализуемое сцепление (ε) определяется как соотношение между максимальным коэффициентом торможения при включенной антиблокировочной системе (zAL) и коэффициентом сцепления (кM) по формуле
![]()
1.2.2 При начальной скорости транспортного средства
![]()
1.2.3 Коэффициент сцепления км определяется методом взвешивания с учетом динамических нагрузок на ось
![]()
где
![]()
![]()
1.2.4 Величина е определяется до второго знака после запятой.
1.2.5 В случае транспортного средства, оборудованного антиблокировочным устройством категории 1 или 2, величина zAL определяется для всего транспортного средства с включенным антиблокировочным устройством, а реализуемая сила сцепления (ε) рассчитывается по формуле, указанной в 1.2.1 настоящего дополнения.
1.2.6 В случае транспортного средства, оборудованного антиблокировочной системой категории 3, величина zAL, измеряется на каждой оси, имеющей по крайней мере одно непосредственно управляемое колесо. Например для двухосного транспортного средства, имеющего антиблокировочную систему лишь на задней оси (2), реализуемую силу сцепления е определяют по формуле

Этот расчет осуществляется для каждой оси, имеющей, по крайней мере, одно непосредственно управляемое колесо.
1.3 Если ε > 1,00, то должны быть произведены повторные измерения коэффициентов сцепления. Допускается отклонение в 10 %.
1.4 Для механических транспортных средств, оснащенных тремя осями, для определения величины к транспортного средства используется лишь ось, не сдвоенная с другой осью тележки 1).
1.5 Для транспортных средств категорий N2 и N3 с расстоянием между осями
колес менее
1.5.1 В этом случае реализуемое сцепление ε определяют как соотношение между максимальным коэффициентом торможения с включенной антиблокировочной системой (zAL) и коэффициентом сцепления (кf по формуле
![]()
1) До принятия унифицированных процедур испытаний условия, касающиеся испытания транспортных средств в более чем тремя осями и специальных транспортных средств, определяются по согласованию с техническими службами.
2.1 Общие положения
2.1.1 Коэффициент сцепления (k) определяют как соотношение между максимальным тормозным усилием без блокировки колес и соответствующей динамической нагрузкой на заторможенную ось.
2.1.2 Затормаживаться должна только одна ось испытываемого
прицепа при начальной скорости
2.1.3 Для определения максимальной степени торможения
автопоезда (zCmax) с приведением
в действие только тормозов прицепа необходимо провести несколько испытаний при
постепенном увеличении давления. При проведении каждого испытания
поддерживается постоянное усилие на педаль тормоза, а степень торможения
определяют из расчета заданного промежутка времени (t) для снижения скорости с 40 до
![]()
2.1.3.1 При скорости менее
2.1.3.2 Начиная с минимально измеренного значения t (tmin ), выбирают три значения t, находящиеся в диапазоне tmin и 1,05 tmin, рассчитывают их среднее арифметическое значение tm, затем рассчитывают
![]()
Если оказывается, что по практическим причинам три величины, определенные выше, не могут быть получены, можно использовать минимальное время tmin.
2.1.4 Реализуемое сцепление е рассчитывают по следующей формуле
![]()
Величина k определяется в соответствии с 2.2.3 настоящего дополнения для полных прицепов или 2.3.1 настоящего дополнения для полуприцепов соответственно.
2.1.5 Если ε > 1,00, то должны быть произведены повторные измерения коэффициентов сцепления. Допускается отклонение в 10 %.
2.1.6 Максимальный коэффициент торможения z(AL) измеряется на антиблокировочной системе тормозов, работающей в режиме непрерывной цикличности, в случае расторможенного буксирующего транспортного средства - на основе среднего результата трех испытаний, как указано в 2.1.3 настоящего дополнения.
2.2 Полные прицепы
2.2.1 Коэффициент k (с отсоединительной или отключенной
антиблокировочной системой, в диапазоне скорости 40 -

Для одной задней оси i:
FbRmaxi = zCmaxi (FM + FR) - 0,01FCnd - 0,015FCd ,
![]()
![]()
2.2.2 Значения kf, и kr округляют до трех десятичных знаков.
2.2.3 Коэффициент сцепления kR определяют в пропорциональной зависимости от динамических нагрузок на ось

2.2.4 Измерение zRAL (с включенной антиблокировочной системой)
![]()
zRAL определяют на поверхности с высоким коэффициентом сцепления, а для транспортных средств, оснащенных антиблокировочной системой категории А, - также на поверхности с низким коэффициентом сцепления.
2.3 Полуприцепы и прицепы с центрально расположенной осью
2.3.1 Коэффициент k (с отсоединенной или отключенной
антиблокировочной системой, в диапазоне скорости

![]()
2.3.2 Величина zRAL (с включенной антиблокировочной системой) определяют в условиях, когда все колеса установлены.

![]()
zRAL определяют на поверхности с высоким коэффициентом сцепления, а для транспортных средств, оснащенных антиблокировочной системой категории А, - также для поверхности с низким коэффициентом сцепления.
1.1 Предписываемый коэффициент сцепления, упоминаемый в 5.3.5 настоящего приложения, может быть рассчитан на основе измеренного коэффициента сцепления двух поверхностей, на которых проводится настоящее испытание. Обе эти поверхности должны удовлетворять условиям 5.3.4 настоящего приложения.
1.2 Коэффициенты сцепления (kн и kL) поверхностей с высоким и низким сцеплением соответственно определяются согласно требованиям 1.1 дополнения 2.
1.3 Коэффициент торможения (zMALS) для груженых автотранспортных средств рассчитывают по следующей формуле
![]()
2.1 Степень торможения, упомянутая в 6.3.2 настоящего приложения, может быть рассчитана на основе измеренных коэффициентов торможения.
zralh и zrall на двух поверхностях, на которых проводятся испытания, с включенной антиблокировочной системой. Обе эти поверхности должны удовлетворять условиям 6.3.2 настоящего приложения.
2.2 Коэффициенты торможения zMLS рассчитывают по следующей формуле
![]()
если εн > 0,95, то εн принимается равным 0,95.
1 Технической службе предоставляются подробные данные, касающиеся коэффициента сцепления выбранной поверхности, указанного в 5.1.1.2 настоящего приложения.
1.1 Эти данные должны включать кривую коэффициента сцепления по отношению к коэффициенту скольжения (в пределах от 0 до 100 %) при скорости приблизительно 40 км/ч1).
1.1.1 Максимальный коэффициент, определяемый по кривой, обозначают kреак, а значение при максимальном скольжении - klоск.
1.1.2 Коэффициент R определяют как соотношение к еак и fc..
![]()
1.1.3 Величину R округляют до одного знака после запятой.
1.1.4 Коэффициент R используемой поверхности должен находиться в пределах 1,0 -2,0 2).
2 До проведения испытаний техническая служба должна убедиться, что выбранная поверхность отвечает предписанным требованиям. В этой связи ей необходимо предоставить следующую информацию:
a) метод испытания для определения R;
b) вид транспортного средства (механическое транспортное средство, прицеп…);
c) нагрузку на ось и шины (испытание проводится при разных нагрузках на различных шинах; результаты должны быть представлены технической службе, которая решает вопрос о том, являются ли они репрезентативными для предоставления официального утверждения данного транспортного средства).
2.1 Величину R указывают в протоколе испытания.
Контроль соответствия поверхности предписанным требованиям производится не реже одного раза в год с использованием репрезентативного транспортного средства для проверки устойчивости величины R.
1) До принятия унифицированных процедур испытаний для определения кризой сцепления для транспортных средств максимальной массой более 3,5 т может использоваться кривая, определенная для легковых автомобилей. В этом случае для таких транспортных средств соотношение kреак и klock определяется на основе kреак в соответствии с дополнением 2. С согласия технической службы коэффициент сцепления, указанный в этом пункте, может быть определен другим методом, при условии подтверждения равноценности значений kреак и klock.
2) До тех пор пока не будут созданы такие испытательные покрытия, по согласованию с технической службой допускается использование коэффициента R до 2,5.
1.1 Электрические тормоза для целей последующих положений представляют собой рабочие тормозные системы, состоящие из устройства управления, электромеханического передающего устройства и фрикционных тормозов. На прицепе должно быть установлено электрическое устройство регулировки напряжения.
1.2 Электроэнергия, необходимая для электрической тормозной системы, сообщается прицепу транспортным средством-тягачом.
1.3 Электрические тормозные системы должны срабатывать в результате приведения в действие рабочей тормозной системы транспортного средства-тягача.
1.4 Номинальное напряжение должно составлять 12 В.
1.5 Максимальная сила тока не должна превышать 15 А.
1.6 Электрическое присоединение электрической тормозной системы к транспортному средству-тягачу должно обеспечиваться посредством специального штепсельного разъема соответствующего…1), вилка которого не должна подходить к розеткам осветительного оборудования транспортного средства. Вилка вместе с кабелем должна быть расположена на прицепе.
1) Разрабатывается. До тех пор, пока не определены характеристики этого специального разъема, тип разъема должен определяться национальным компетентным органом, выдающим официальное утверждение.
2.1 Если на прицепе установлен аккумулятор, подзарядка которого обеспечивается за счет источника питания механического транспортного средства, то он должен отключаться от цепи питания на время торможения прицепа с помощью рабочего тормоза.
2.2 Если вес прицепа в незагруженном состоянии составляет менее 75 % его максимальной массы, тормозное усилие должно автоматически регулироваться в зависимости от условий загрузки прицепа.
2.3 Электрические тормозные системы должны быть сконструированы таким образом, чтобы даже в случае падения напряжения в соединительной цепи до 7 В эффективность торможения составляла 20 % общей максимальной массы, приходящейся на ось прицепа.
2.4 Устройства регулирования тормозного усилия, которые
реагируют на наклон в направлении движения (маятниковые устройства, система пружина-масса,
жидкостный выключатель инверционного типа), должны прикрепляться к шасси, если
прицеп имеет более одной оси и регулируемое по вертикали буксировочное
устройство. В случае прицепов с одной осью и прицепов со сдвоенными осями,
когда расстояние между ними составляет менее
2.5 Реле подачи тока в цепь торможения в соответствии с 5.2.1.19.2 настоящих Правил, которое подсоединяется к цепи включения системы, должно располагаться на прицепе.
2.6 Для вилки должна предусматриваться глухая розетка.
2.7 Устройство управления должно быть оборудовано контрольным сигналом, зажигающимся при нажатии на педаль тормоза и указывающим на нормальное функционирование электрической системы.
3.1 Электрические тормозные системы должны срабатывать при замедлении состава, включающего в себя транспортное средство-тягач с прицепом, составляющем не более 0,4 м/с2.
3.2 Эффект торможения может проявляться при первоначальном тормозном усилии, которое должно составлять не более 10 % значения, (суммы значений), максимальной статической нагрузки(ок) на ось или 13 % значений (суммы значений) статической нагрузки(ок) на ось порожнего прицепа.
3.3 Тормозное усилие может также увеличиваться ступенчато.
При усилиях торможения, превышающих усилия, упомянутые в 3.2 настоящего
приложения, эти ступени не должны превышать 6 % значения (суммы значений),
максимальной статической нагрузки(ок) на ось или 8 % значения (суммы значений)
статической нагрузки(ок) на ось порожнего прицепа. Однако для одноосных
прицепов, максимальная масса которых не превышает 1,5 т, первая ступень не
должна превышать 7 % значения (суммы значений) максимальной статической
нагрузки(ок) на ось прицепа. Для последующих ступеней допускается увеличение
этого значения на 1 % (например: первая ступень - 7 %, вторая ступень - 8 %,
третья ступень - 9 % и т. д. Любая дополнительная ступень не должна превышать
10 %). По смыслу этих положений двухосный прицеп, у которого расстояние между
осями менее
3.4 Предписанное тормозное усилие прицепа, составляющее не
менее 50 % его общей максимальной нагрузки на ось, должно достигаться при
максимальной массе в том случае, когда среднее устойчивое замедление состава,
включающего в себя транспортное средство-тягач и прицеп, не превышает 5,9 м/с2
для прицепа с одной осью и 5,6 м/с2 для прицепов с несколькими
осями. В соответствии с данным положением прицепы со сдвоенными осями,
расстояние между которыми составляет менее
3.5 Испытание должно осуществляться при начальной скорости в
3.6 Автоматическое торможение прицепа должно обеспечиваться в соответствии с 5.2.2.9 настоящих Правил. В том случае, если для автоматического торможения требуется электрическая энергия, то для удовлетворения вышеупомянутых требований тормозное усилие, составляющее не менее 25 % общей суммы максимальной нагрузки на ось прицепа, должно обеспечиваться не менее 15 мин.

1 Пределы, указанные в диаграмме, относятся к груженым и порожним прицепам. Если масса порожнего прицепа составляет более 75 % его максимальной массы, то применяются пределы, относящиеся только к загруженным прицепам.
2 Пределы, указанные в диаграмме, не влияют на положения данного приложения в отношении требуемой минимальной эффективности торможения. Однако если эффективность торможения, измеренная во время испытаний в соответствии с положениями, изложенными в 3.4 настоящего приложения, превышает требуемую, то вышеупомянутая эффективность все же не должна превышать пределы, указанные в вышеприведенной диаграмме.
TR = Суммарное тормозное усилие, приложенное по окружности всех колес прицепа.
PR = Общая нормальная статическая реакция дорожного покрытия на колеса прицепа.
J = Среднее устойчивое замедление состава, включающего в себя транспортное средство-тягач и прицеп.
1.1 Описанный в настоящем приложении метод может применяться в случае изменения типа транспортного средства в результате установки тормозных накладок нового типа на транспортных средствах, официально утвержденных в соответствии с настоящими Правилами.
1.2 Тормозные накладки нового типа должны проверяться путем сопоставления их характеристик с характеристиками, полученными для накладок, установленных на транспортном средстве при официальном утверждении и соответствующих компонентам, определенным в карточке сообщения, образец которой приводится в приложении 2.
1.3 Техническая служба, ответственная за проведение испытания для официального утверждения, может по своему усмотрению потребовать, чтобы сопоставление характеристик тормозных накладок проводилось в соответствии с положениями, содержащимися в приложении 4.
1.4 Заявка на официальное утверждение в целях сопоставимости представляется предприятием - изготовителем транспортного средства или его официальным представителем.
1.5 В контексте настоящего приложения под транспортным средством подразумевается тип транспортного средства, который официально утвержден на основании настоящих Правил и по отношению к которому требования, касающиеся сопоставимости, считаются выполненными.
2.1 В ходе испытаний должен использоваться динамометрический стенд, имеющий следующие характеристики:
2.1.1 Он должен быть способен создать инерцию в соответствии с требованиями 3.1 настоящего приложения и отвечать требованиям 1.5, 1.6 и 1.7 приложения 4 в отношении испытаний типов I, II и III.
2.1.2 Установленные тормоза должны быть идентичны штатным тормозам рассматриваемого транспортного средства.
2.1.3 Воздушное охлаждение, если таковое предусматривается, должно осуществляться в соответствии с 3.4 настоящего приложения.
2.1.4 Для проведения испытания необходимы контрольно-измерительные приборы, дающие следующую минимальную информацию:
2.1.4.1 непрерывную запись скорости вращения диска или барабана;
2.1.4.2 количество оборотов, совершенных во время остановки, с точностью до одной восьмой оборота;
2.1.4.3 время остановки;
2.1.4.4 непрерывную запись температуры, измеряемой в центре траектории, описанной накладкой, на расстоянии, равном половине толщины диска, барабана или накладки;
2.1.4.5 непрерывную запись тормозного давления в приводном трубопроводе или силы, прилагаемой к тормозу;
2.1.4.6 непрерывную запись тормозного момента.
3.1 Динамометрический стенд должен быть тщательно отрегулирован с допуском ± 5 %, при этом инерция вращения должна быть эквивалентна части общей инерции транспортного средства, заторможенного соответствующим колесом (колесами), определяемой по формуле
I= MR2,
где I - инерция вращения, кг·м2;
R - динамический радиус качения шины, м;
М - часть максимальной массы транспортного средства, заторможенного соответствующим колесом (колесами). В случае одностороннего динамометрического стенда эта масса рассчитывается с учетом номинального распределения тормозного усилия в случае с транспортными средствами категорий М и N при замедлении, соответствующем указанному в 2.1 приложения 4; в случае транспортных средств категории О (прицепы) величина М эквивалентна нагрузке на грунт для данного колеса неподвижного транспортного средства, загруженного до максимальной массы.
3.2 Начальная скорость вращения барабанов инерционного динамометрического стенда должна соответствовать указанной в настоящих Правилах линейной скорости транспортного средства и радиусу динамического качения шины.
3.3 Фрикционные тормозные накладки должны быть приработанными не менее чем на 80 %, причем их приработка должна производиться при температуре не выше 180 °С либо, по просьбе предприятия-изготовителя, в соответствии с его рекомендациями.
3.4 Можно использовать воздушное охлаждение, при этом поток
воздуха должен направляться перпендикулярно оси вращения колеса. Скорость
потока охлаждающего воздуха, обтекающего тормоз, не должна превышать
4.1 Испытанию на сопоставимость должны подвергаться пять комплектов образцов фрикционных тормозных накладок; они сравниваются с пятью комплектами накладок, соответствующих первоначальным компонентам, указанным в карточке сообщения, касающегося первого официального утверждения рассматриваемого типа транспортного средства.
4.2 Оценка эквивалентности фрикционных тормозных накладок должна производиться на основе сравнения результатов, полученных при применении методов испытаний, предписанных в настоящем приложении, и в соответствии со следующими требованиями.
4.3 Испытание на эффективность торможения типа 0 на холодных тормозах
4.3.1 Необходимо провести три цикла торможения при первоначальной температуре ниже 100 °С, измеряемой, как указано в 2.1.4.4 настоящего приложения.
4.3.2 В случае фрикционных тормозных накладок, предназначенных для использования на транспортных средствах категорий М и N, торможение должно осуществляться, начиная с первого начального числа оборотов, соответствующих скорости, указанной в 2.1 приложения 4, причем тормоз должен быть приведен в действие таким образом, чтобы достичь среднего значения момента, эквивалентного замедлению, предписанному в этом пункте.
Кроме этого, испытания должны также осуществляться при разных числах оборотов, начиная с самых малых, эквивалентных 30 % максимальной скорости транспортного средства, и заканчивая самыми большими - 80 % этой скорости.
4.3.3 В случае тормозных накладок, предназначенных для
использования на транспортных средствах категории О, торможение должно
осуществляться, начиная с первоначального числа оборотов, эквивалентного
В целях сопоставления с результатами испытаний типа I и в
соответствии с 3.1.2.2
приложения 4 необходимо провести дополнительное испытание на
эффективность холодных тормозов при первоначальном числе оборотов, равном
4.3.4 Средний тормозной момент, зарегистрированный во время проведения вышеупомянутых испытаний на эффективность холодных тормозов в порядке оценки эквивалентности накладок, не должен при таких же исходных данных отличаться во время испытания более чем на ± 15 % от среднего значения тормозного момента, зарегистрированного при использовании тормозных накладок, соответствующих тем компонентам, которые указаны в карточке сообщения, касающегося официального утверждения данного типа транспортного средства.
4.4 Испытание типа I (на потерю эффективности)
4.4.1 При прерывистом торможении
4.4.1.1 Тормозные накладки для транспортных средств категорий М и N должны испытываться в соответствии с процедурой, предусмотренной в 1.5.1 приложения 4.
4.4.2 При непрерывном торможении
4.4.2.1 Тормозные накладки для прицепов (категории 0) должны испытываться в соответствии с 1.5.2 приложения 4.
4.4.3 Эффективность горячих тормозов
4.4.3.1 По завершении испытаний в соответствии с 4.4.1 и 4.4.2 настоящего приложения должно осуществляться испытание на эффективность горячих тормозов, описанное в 1.5.3 приложения 4.
4.4.3.2 Средний тормозной момент, зарегистрированный во время проведения вышеупомянутых испытаний на эффективность горячих тормозов в порядке оценки эквивалентности накладок, не должен при тех же исходных данных отличаться во время испытания более чем на ± 15 % от среднего значения тормозного момента, зарегистрированного на тормозных накладках, которые использовались при испытаниях для официального утверждения данного типа транспортного средства.
4.5 Испытание типа II (поведение транспортного средства на затяжных спусках)
4.5.1 Проведение этого испытания требуется только в том случае, если на рассматриваемом типе транспортного средства фрикционные тормоза используются для проведения испытания типа II.
4.5.2 Тормозные накладки для механических транспортных средств категории М3 (за исключением транспортных средств, которые согласно 1.6.4 приложения 4 необходимо подвергнуть испытанию типа II А) и категории N,, а также для прицепов категории O4 должны испытываться в соответствии с процедурой, приведенной в 1.6.1 приложения 4.
4.5.3 Эффективность горячих тормозов
4.5.3.1 По завершении испытания, предписанного в 4.5.1 настоящего приложения, должно осуществляться испытание на эффективность горячих тормозов, описанное в 1.6.3 приложения 4.
4.5.3.2 Средний тормозной момент, зарегистрированный во время проведения вышеупомянутых испытаний на эффективность горячих тормозов в порядке оценки эквивалентности накладок, не должен при тех же исходных данных отличаться более чем на ± 15 % от среднего значения тормозного момента, зарегистрированного на тормозных накладках, которые использовались при испытаниях на официальное утверждение данного типа транспортного средства.
4.6 Испытание на потерю эффективности (испытание типа III)
4.6.1 Испытание в режиме прерывистого торможения
4.6.1.1 Тормозные накладки для прицепов категории 04 испытываются в соответствии с процедурой, приведенной в 1.7.1 и 1.7.2 приложения 4.
4.6.2 Испытание в режиме непрерывного торможения
4.6.2.1 Тормозные накладки для прицепов категории 04 испытываются в соответствии с процедурой, приведенной в 1.7 приложения 4.
4.6.3 Эффективность при нагревании
4.6.3.1 После завершения испытаний, которые должны проводиться в соответствии с 4.6.1 и 4.6.2 настоящего приложения, проводится испытание эффективности торможения при нагреве, о котором говорится в 1.7.4 приложения 4.
4.6.3.2 Средний тормозной момент в ходе упомянутых выше испытаний эффективности при нагревании тормозных накладок, испытываемых в целях сопоставления, должен находиться, при измерении тех же исходных величин, в пределах пороговых испытательных значений ± 15 % среднего тормозного момента, зарегистрированного для тормозных накладок, которые указываются в соответствующем заявлении на официальное утверждение типа транспортного средства.
5.1 По завершении вышеупомянутых испытаний необходимо провести визуальный осмотр тормозных накладок, чтобы убедиться в том, что они находятся в состоянии, приемлемом для дальнейшего использования в ходе эксплуатации транспортного средства.
Ключевые слова: автотранспортные тормоза, пневматические тормозные системы, пружинные тормоза, стояночные тормоза с механической блокировкой тормозных цилиндров, характеристики тормозных систем, распределение торможения между осями транспортных средств, испытания, время срабатывания
|
ГОСТЫ, СТРОИТЕЛЬНЫЕ и ТЕХНИЧЕСКИЕ НОРМАТИВЫ. Некоммерческая онлайн система, содержащая все Российские Госты, национальные Стандарты и нормативы. В Системе содержится более 150000 файлов нормативно-технической документации, действующей на территории РФ. Система предназначена для широкого круга инженерно-технических специалистов. Copyright © www.gostrf.com, 2008 - 2026 |